Mobile Application Based Slot Determination In A Parking Lot

Page 1

Mobile Application Based Slot Determination In A Parking Lot

Under-graduate Student, Dept. of Electronics and Communication Engineering, Guru Nanak Institute of Technology, Kolkata, India

5Assistant Professor, Dept. of Electronics and Communication Engineering, Guru Nanak Institute of Technology, Kolkata, India ***

Abstract - The usage of automobiles, whether public or private, is expanding at an exponential rate inthe modern era. The issue of automobile parking arises here. In the case of countries such as India, where infrastructure is expandingat a rapid pace. Thus, effective automotive traffic and parking management systems are required to support the establishment of smart cities. Therefore, the purpose of this project is to provide a realistic way for identifying available spots as well as a smart parking system. This smart system keeps track of the number of vacant parking slots and guides vehicle drivers to quickly reach the closest vacant slot and efficiently using visual cues without having to spend anyextra time looking. This system also decides whether or not toallow consumers entry based on the availability of parking spaces. Thus, this parking system facilitates hassle-free automobile mobility across the city while also reducing traffic congestion caused by parking-related searches.

Key Words: IR Sensor, Servomotor, Mobile Application, ArduinoUno,WIFImodule

1. INTRODUCTION

Theincreasednumberofautomobilesonstreetsaroundthe world is a reflection of the world's rapid economic expansion. It's expected that by 2040, there will be 1.6 billion cars worldwide, up from 841 million today. These days,thereisaseverelackofadequateparkingforvehicles inmanypubliclocations,includingmalls,airports,hospitals, markets,andstadiums.Governmentswanttostrengthenthe foundationsandframeworksoftheircurrenttransportation systems.Findingopenparkingspacesisacommonproblem in most modern urban neighborhoods, especially during busy periods of various events. To ease this problem the driversnowcancheckvacantparkingspacesbyusingtheir mobileswiththehelpofoursystem.

Asmartcarparkingsystemgivesavisualoutputonamobile phonebyusingamobileapplicationandindicatingavailable freeparkingslots.Everyparkingspaceinasmartparking systemhasitsownIRsensor.Inconsequence,whenacaris parked in one slot, the IR sensor in that slot detects the vehicle,turnsontheLED,andgeneratesavisualoutputofa geometricalshapeforthemobileapplicationwheretheLED turns off when the slot is empty. In this way, drivers understand whether the slot is available or not. Thus, a

smartcarparkingsystemaidsinlocatingavailableparking spaces.

2. OBJECTIVE

In countries like India, where infrastructure of cities are developing at a rapid pace and the vehicles used by the citizens are increasing day by day, needs smooth traffic mobility.Driversfaceproblemtofindtheparkingspace.Asa result, they park their car on the roadsides of city, which leadstotrafficcongestion.So,thisapplicationbasedsmart parking system will provide those drivers an optimized solutionandwillreducethetrafficjam.Thus,itwillhelpto improvethetrafficmovementofthecity.

3. LITERATURE SURVEY

AashishJoshietalin2020[1]inhispaperdepictedasmart parkingsystemwhichisbeingdesignedusingIRsensors,red andyellowLEDs.Ifacarispresentonaparkingslot,then redledwillglowupandifitisempty,thenyellowledwill glowup.Thiswillhelpthedriverstodetermineemptyslots inaparkinglot.

BrundabanMishraetal[2]createdasmartparkingsystem in which a user may pre-book their parking spot or, if necessary, monitor the availability via a website. When a person registers for a parking space for a certain time period, he or she is given an OTP. The driver needs to providethisOTPtoaccesstheparkingslot.A7-segmentLCD monitor in the parking lot displays the current spot availability. If a parking space is available, the driver may parktheirvehicle;otherwise,theywillbedeniedadmission ifnoparkingspaceisavailable.

SmitaAwaganetalsuggestedamathematicalmodelin2020 [3]inwhichadrivercanreservea parkingplaceaheadof time and make an advance payment. Real-time space allocation will be accomplished by the use of dynamic resources,comparabletoskill-basedroutinginacallcentre. Beforearrivingatthevenue,thedriverwillbeinformedof thebestparkinglocations.

Inourpaper,wehavedesignedanapplicationbasedsmart parkingsystemusingIRsensers,servomotors,ArduinoUNO andESP8266NodeMCUallinonesystem.Itislowcostand efficienttouseinasimplemanner.

International Research Journal of Engineering and Technology (IRJET) e-ISSN: 2395-0056 Volume: 10 Issue: 01 | Jan 2023 www.irjet.net p-ISSN: 2395-0072 © 2023, IRJET | Impact Factor value: 7.529 | ISO 9001:2008 Certified Journal | Page1022
Tias Ghosh1 , Arijit Das2 , Rimi Majumder3 , Amisha Rajak4, Soma Boral5 1, 2, 3, 4

4. GENERAL COMPONENTS

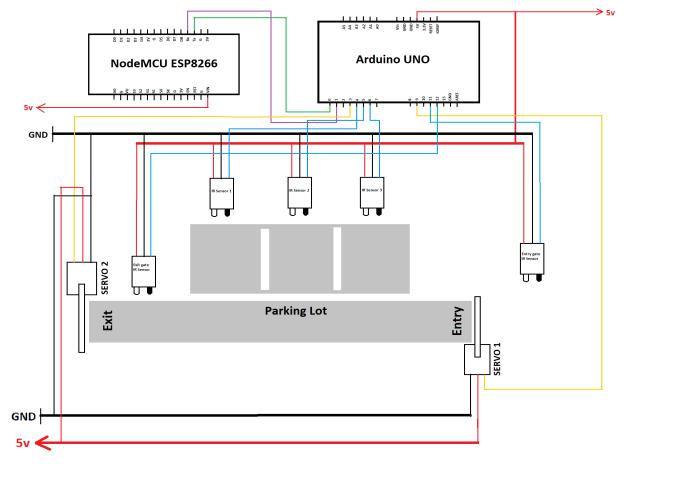
ArduinoUno-Anopen-sourcemicrocontrollerboardcalled the ATmega328P on-board embedded processor helps to perform all the tasks of Arduino UNO. For connecting peripherals,itisbeingprovidedinputoptionlike,6analog inputs,14digitalinputpins,aUSBportalongwitha5-volt DCpowerjackandanICSPheader.Aresetbuttonalsobeing providedforemergencypurpose.Allthemodulesrequired to support the microcontroller are present in it. It is a programmablemicrocontrollerthatisaffordable,adaptable, andsimpletouse.HerewehaveusedArduinoUnoR3asthe mainmicrocontrollerboard.Thisisresponsibleforchecking the availability of slots in the parking system and determining the opening and closing of the entry and exit gatesoftheparkinglot.[4]

NODEMCUESP8266 WifiModule- Open-sourceLua-based NodeMCUfirmwareisdesignedspecificallyforInternetof Things-basedapplications.NodeMCUcanoperateatavery minimalDCvoltageof3.3voltsbutitsinputvoltagevaries from7voltsto12voltsDC.Inourlineofwork,thismodule transferssignalstotheapptoturnontheLEDsinparking spaces.[5]

IRSensors-Itoperatesat5VDCandisbasedontheoptics principle. It also offers to shield against EMI and a low supplycurrent.Itsrangereaches20cm.Theyareusedfor sensingthecarswhentheyoccupythespotsthatresultin theLEDsbeingturnedon.[6]

Servo Motors - A servo motor is a kind of motor that has extremelypreciserotationalcapabilities.Thistypeofmotor typically has a control circuit that gives feedback on the motor shaft's present location. This feedback enables the servomotorstorotateveryprecisely.Inourwork,weused this at the gates to open or close only after checking free spacesatparkingslots.[7]

Inthisstudy,wehavedevelopedasystemthatconsistsofa mobile application through which we can check the availabilityofslotsinparkinglots.Aservomotorispresent alongwithanIRSensorattheentryandexitgate.Various scenarios existwhena car wantstopark. Thefirstcaseis whenacararrivesattheentrancethenthesensortransmits thesignaltotheArduinoUNOforcheckingwhetheranyslot isavailableornot.Ifavacantspaceistracedthentheservo motoropensthegateandthecaroccupiesthespace.Then theIRSensorassociatedwiththatparticularslotsensesand sends the signal to Arduino, which sends the signal to the NodeMCUESP8266module. Itthen transfers thesignal to themobileapplicationforwhichtheLEDsattheoccupied slotturnonandintheapp,wecanmonitorthattheslotis booked.

In the next case when the car leaves the slot the sensor present in it turns the LED off. The motor at the exit gate openswhichinturnimpartsthesignaltotheWIFImoduleto themobileappthatinturnshowsthespotisemptyafterthe

International Research Journal of Engineering and Technology (IRJET) e-ISSN: 2395-0056 Volume: 10 Issue: 01 | Jan 2023 www.irjet.net p-ISSN: 2395-0072 © 2023, IRJET | Impact Factor value: 7.529 | ISO 9001:2008 Certified Journal | Page1023
5. CIRCUIT DIAGRAM Fig.1.Circuitdiagramofoursystem 6. MODEL LAYOUT Fig.2 Modellayoutofoursystem 7. BLOCK DIAGRAM Fig.3.Blockdiagramofoursystem 8. METHODOLOGY

carleaves.Thissystemisefficient,lowcost,andeasespeople whowillbeabletocheckspotsintheirappwhichreduces trafficjamsandchaos.

9. FINAL RESULT

Case 1 – When a slot is available in parking lot, then the entrygateopensforthewaitingcar.

Case2–Whenalltheslotsarereserved,thentheentrygate willnotopenforothercars.

Case 3 – When a car leaves parking lot through exit gate, thenslotwillbeavailableforothercarsandtheentrygate willopenforincomingcars.

International Research Journal of Engineering and Technology (IRJET) e-ISSN: 2395-0056 Volume: 10 Issue: 01 | Jan 2023 www.irjet.net p-ISSN: 2395-0072 © 2023, IRJET | Impact Factor value: 7.529 | ISO 9001:2008 Certified Journal | Page1024
Fig.4.1 Resultofcase1 Fig.4.2.Resultofcase2 Fig.4.3.Resultofcase3

10. CONCLUSION AND FUTURE SCOPE

Inourwork,weattemptedtoreducethedriver'seffortin looking for a free parking lot. Hence, it saves time and lessenstrafficcongestion.Asaconsequence,adriverneeds totravellessdistanceandcanlowerfuelconsumptionwhich helpsincontrollingpollution.

Innearfuture,wehaveplannedtoincorporatenavigationbased searching along with online pre-booking of parking slots.

11. REFERENCES

[1] Aashish Joshi, Arni Tharakaram Hariram, K M Vishall Somaiya, Mubashir Hussain, “Smart Car Parking System”,InternationalJournalofEngineeringResearch &Technology(IJERT),ISSN:2278-0181,Vol.9Issue09, September-2020

[2] Brundaban Mishra, Arjun Verma, Akshit Gupta, Mrs. Swati Singh, “Smart Parking System”, International Research Journal of Engineering and Technology (IRJET),e-ISSN:2395-0056,p-ISSN:2395-0072,Volume: 05Issue:04,April-2018.

[3] SmitaAwagan,SupiyaBorkar,PayalMandavkar,Seerat Chowdhary, Prof. Deepa Bhattacharya, “Smart Car Parking System”, International Research Journal of Engineering and Technology (IRJET), e-ISSN: 23950056, p-ISSN: 2395-0072, Volume: 07 Issue: 05, May2020

[4] ArduinoUnodatasheet

[5] NODEMCUESP8266WifiModuledatasheet

[6] IRSensordatasheet

[7] ServoMotordatasheet

International Research Journal of Engineering and Technology (IRJET) e-ISSN: 2395-0056 Volume: 10 Issue: 01 | Jan 2023 www.irjet.net p-ISSN: 2395-0072 © 2023, IRJET | Impact Factor value: 7.529 | ISO 9001:2008 Certified Journal | Page1025

Turn static files into dynamic content formats.

Create a flipbook