8051 Microcontroller-Based Intelligent-Lifeline Ambulance Route Clearing

Page 1

8051 Microcontroller-Based Intelligent-Lifeline Ambulance Route Clearing

1. ABSTRACT :

Everythingismovingswiftlyinthetwenty-firstcentury,thereforeweareforcedtomovequicklytoavoidtheinevitabletraffic congestion and accidents. This will have an impact on the main emergency ambulance service. We are creating "LifelineIntelligent Route Clearing" for Ambulances, which sends out an alert when an ambulance is approaching a traffic signal, to overcome the problems with manual route clearing based on ambulance sirens. This project's objective is to "design and develop an embedded microcontroller system for a traffic light controller using sensor technologies." The project's main purposeistodesignanddeployanintelligenttrafficsignalsystem. Thetrafficlightreceivesasimilaralarmasaresultofthis system's capacity to evaluate an ambulance's appearance at a particular distance. We mostly employ infrared sensors to identifythepresenceofautomobilessincethistechnologyispractical,affordableandpreparedtobeusedduring high-traffic hours.Themicroprocessorhastheabilitytoregulatethecompletesetup,keepaneyeonthesensor,andpostponethetraffic lights.TheAT89S52isan8-bitmicrocontrollerthathas256bytesofRAM,8kbytesofflashROM,andaninfraredsensorwith IR LEDs (TX/RX), TSOP 1738 (RX), as well as red, green, and yellow LEDs for indication. Because of its programming and usability,itispickedforuse.

KEYWORDS: IRsensors,RFIDsystems,Trafficcongestion,Trafficlightcontroller,AT89S52Microcontroller

2. INTRODUCTION:

Howtomanagetheamountoftrafficontheroadsisoneofthebiggestsocialproblemsfacingcontemporarysociety.Thetraffic controlsystemisamajorprobleminemergingcities.Urbanpopulationgrowthandthemiddleclassare majorcontributorsto theincreaseofvehiclesinthesecities.

Large cities like India commonly experience loss of life as a result of ambulances becoming stuck in traffic due to inefficient traffic management and control. In contrast to Western countries, Indian towns lack emergency-only lanes due to poor road layoutandinfrastructure.Incircumstanceswherepatients'livesdependonthefastarrivalofanambulanceatthehospital, an alternativestrategytotheaforementionedproblemwouldtaketoolong.

A separate emergency lane system has the drawback of being rarely utilized in addition to being extremely expensive. Furthermore, because of the system's traffic congestion and discomfort, the width of the route for regular traffic will be lowered. There are many examples of ambulances getting caught in heavy traffic, forcing the ambulance to wait for a few minutestomanyhoursforthetraffictopass.Thepatient'slifemaybeinjeopardyiftheydon'tgetthecorrectcarewhen they need it. can avoid this risk and save lots of lives. The way ambulances will be cleared thanks to a novel technology that is presentedinthisresearchthatfollowsthenotionofonepathclearance.Themicrocontroller8051implementsthissituation

The project to enable the traffic system at the intersection is controlled by the microcontroller AT89S52. By setting the microcontroller'sappropriateportpintohigh,theLEDsareautomaticallyswitchedonandoff.Onlyonelightisonatagiven time green andtheotherisred.Thepresentgroup'syellowLEDflashesrepeatedlywhenthe colorchangesfromgreento red, and then the incoming group is converted to green. A loop of this procedure keeps on. The density at a traffic light is detected in this article using IR sensors in an across-the-road layout. The time at which the traffic lights are assigned determinesthevehicledensity.Theemergencyvehicle'sBluetoothisusedtoactivateclearancetotheemergencyvehicle.

3. LITERATURE SURVEY:

Around the world,trafficcongestionandtransportation delays aregetting worsedueto the growingnumber ofautomobiles on the road. Ambulances, fire trucks, and police cars need to be able to react to emergency calls as quickly as possible. How soonemergencyvehiclescangettoanincident'slocationdetermineshowwellemergencyservicesperform.Trafficcongestion

International Research Journal of Engineering and Technology (IRJET) e-ISSN:2395-0056 Volume: 10 Issue: 01 | Jan 2023 www.irjet.net p-ISSN:2395-0072 © 2023, IRJET | Impact Factor value: 7.529 | ISO 9001:2008 Certified Journal | Page894
2. 3.
***

canresultindelaysforemergencyvehicles,whichcanresultincasualtiesandpropertydamage.Toincreasetheefficiencyof emergency services transportation and reaction times, a smart traffic management system based on priority and traffic densityisrequired.

The best way to detect green light sequences using traffic data has been the subject of extensive research. Numerous traffic managementplanshavebeenputinplacetogiveemergencyvehiclespriority.Asignificantportionofthisresearchisfocused onintelligenttrafficmanagementtechnologiesintendedtoprovideemergency vehiclepassage.Camerasareusedtomonitor the flow of traffic, while lane center edges and an area-based image processing method are used to estimate traffic characteristics.

Traditional traffic consists of a store emitter or lighting emitter that may detect issues including accessory noise and sight blacklines.Inrecentyears,technologieslikeinfrared(IR)andGPShavebeenemployedtoestimatethecurrenttrafficdensity and identify the presence of emergency vehicles. Emergency vehicles are located using RFID tags, and the inductive loop approach is utilized to count them all. widely used traffic detection techniques, including radar, microwave, ultrasonic, and video-baseddetection.

There are several emergency vehicle pre-empting (EVP) system designs available today, including radio-based emitter/detectors, strobe light systems, infrared emitters, acoustic systems, and infrared emitters. Pre-emption typically operatesonthepremisethatwhensensorsateachintersectiondetectanemergencyvehicle,thetrafficlightcontrolturnson the green light and keeps it on until the emergency vehicle is present at the intersection. Actor coordination is another applicationoftheinfo-gapdecisiontheory.

ThegreenWavesystemmaybediscovered,anditsendsagreenwavetoemergencyvehiclesbyturningonthegreenlightsin their route. Intelligent traffic management systems can be designedusing technologies like RFID,Zigbee, and the worldwide systemformobilecommunication(GSM),however,ifthewaveisdiffused,thevehiclequeueinthegreenWavestopsmoving andmightcauseoversaturation.

In,anautomatedlane-clearingsystemforambulancesbasedonRFIDandGPSissuggested.Byautomaticallyclearingthelane beforetheambulancereachestheintersection,thissystem'sprimaryobjectiveistoshortenthedistanceanambulancemust drivetoreachahospital.Theconnectionadmissioncontrol(CAC)algorithmhasdemonstratedthatitperformsbetterinterms of QoS and complexity when used with vehicular ad-hoc networks (VANETs), which have been proven to be effective communication channels between emergency vehicles and traffic control systems. To manage the congested traffic flow and monitorreal-timetraffic,fuzzycontroltechniqueshavebeenmodified.

4. HARDWARE REQUIREMENTS:

4.1 TRANSFORMER:

Astep-downtransformer(figure:4)isanelectricalapparatusthatlowersthevoltageofasourceofpowerotherthancurrent (AC).Itismadeupofanironcore,primarywinding,andsecondarywinding.Theironcore'smagneticfieldchangeswhenan AC voltage is delivered to the primary winding. The voltage in the secondary winding is then present in this magnetic field, althoughitissmallerinmagnitudethanthevoltageinthemainwinding.

International Research Journal of Engineering and Technology (IRJET) e-ISSN:2395-0056 Volume: 10 Issue: 01 | Jan 2023 www.irjet.net p-ISSN:2395-0072 © 2023, IRJET | Impact Factor value: 7.529 | ISO 9001:2008 Certified Journal | Page895
SI. NO. Name of the Components Type 1 Transformer Stepdown230/12V,50hz 2 BridgeRectifier Diode(IN4007) 3 Filter Capacitive(1000uF) 4 VoltageRegulator Zener(LM7805) 5 IRSensor LED+PhotoDiode 6 Microcontroller AT89S52

The concept of mutual induction, often known as Faraday's law of electromagnetic induction, underlies how a transformer operatesandsaysthattheamountofvoltageisinverselyproportionaltotherateofchangeinmagneticflux.Inotherwords, whenacoilisclosetoacoilthatiscarryingcurrentandhasmagneticfluxpresent,thecurrentinthe coilisinduced,andthe inducedcurrentisdirectlyinverselyproportionaltotherateofchangeofthecurrent.

4.2 BRIDGE RECTIFIER:

ArectifiedDCpowersourceisneededbymanyelectroniccircuitsinordertopowervariouselectroniccomponentsfromthe availableACpower.TheAECpowersupplyistransformedintoaDCpowersupplyusing themainsuppliedrectifiers,ofwhich thebridgerectifieristhemosteffective.Thetypeoffullwaverectifierknownasa bridgerectifierisonethat utilizesfouror morediodesinabridgecircuitdesigntoeffectivelyconvertalternativetoACtodirectDC.

4.3 FILTER:

A filter is a circuit that allows some frequencies to pass while attenuating others. In this area of electronics, a filter may thereforebeusedtoremovecrucialfrequenciesfromsignalsthatalsocontainunwantedorirrelevantfrequencies.

Acapacitorisusedtofilteroutacertainfrequency;alternatively,anelectricalcircuit'sfiltercapacitorisknowntofilterouta rangeoffrequencies.Typically,a capacitordoesthis by filtering outsignalswithlowfrequencies. Theseall havefrequencies thatareclosetozerohertz(HZ).DCsignaling.Inordertofilteroutundesirablefrequencies,thiscapacitorisutilized.Theseare quiteprevalentinavarietyofequipmenttypes,includingelectricalandelectronicequipmentaswellasapplicationsinseveral fields.

Thecapacitivereactanceprincipleisthekeygoverningfactorinhowthiscapacitorfunctions.Itisnothingmorethanhowthe capacitor'simpedancereactstothefrequencyofthesignalpassingthroughit.Withtheexceptionofthesignal'sfrequency, a nonreactivecomponentisanalogoustoaresistorwithacomparableresistancetothesignal.Thisgaugestheresistanceofthe resistorat1Hzand100kHzthroughout.

4.4 VOLATAGE REGULATOR:

The term "voltage regulator" refers to a device that regulates the voltage. In essence, it reduces the input voltage to the requiredlevelandmaintainsitthereduringthesupply.Thisguaranteesthatthevoltagewillnotdecreaseevenwhenaload is applied.Therearetwomajorusesforthevoltageregulator,whichareasfollows:

• Tomodifyorregulatetheoutputvoltage

•Tomaintaintheoutputvoltageatthespecifiedlevelandconstantdespitesupplyvoltagevariations. Computers,powergenerators,andotherdevicesthatregulatevoltageareutilizedtomanagetheplant'soutput.

When forward bias causes a Zener diode to function as a typical signal diode, reverse bias causes the silicon semiconductor with a PN junction to act differently. However, the voltage stays constant for a wide variety of currents when the reverse voltageissuppliedtoit.ThisservesasavoltageregulatorintheDCcircuitasaresultofitsfeature.Asavoltageregulator,the Zenerdiode'smaingoalistomaintaina constantvoltage.For example,if5Visapplied,thevoltagebecomesconstantat5 V anddoesnotvary.

4.5 IR SENSOR:

An LED(figure:3) that emits infrared light IRLED is a special-purpose LED that generates infrared light with wavelengths rangingfrom700nanometerstoonemicrometer.SimilartohowregularLEDsreleaselightwithvariedhues,differentIRLEDs mayproduceinfraredlightwithvaryingwavelengths.AgadgetcalledanIRsensoremploysinfraredtechnologytofindthings orchangesinthesurroundings.Temperature,mobility,andclosenessarejustafewofthemanyphysicalcharacteristicsthat IRsensorscanidentify.

International Research Journal of Engineering and Technology (IRJET) e-ISSN:2395-0056 Volume: 10 Issue: 01 | Jan 2023 www.irjet.net p-ISSN:2395-0072 © 2023, IRJET | Impact Factor value: 7.529 | ISO 9001:2008 Certified Journal | Page896

Inconjunction with IR receivers, galliumarsenide or aluminum galliumarsenide IR LEDsare employed. They are frequently employedduringcensuses.Sinceinfraredradiationcannotbeseenbythehumaneye,IRLEDsseemjustlikeregularLEDs.Itis impossibletotellwhethertheIRLEDsonacellphonecameraarefunctional.

A basic semiconductor known as a diode, an IR LED allows electrical current to travel in just one way. As the current runs, electronsfromoneportionofthediodefallintoholes inanothersectionofthediode,fallingintotheseholes.Lightiscreated whentheelectronreleasesenergyintheformofphotons.

4.6 MICROCONTROLLER:

One of the first and most well-known microcontrollers, sometimes known as MC551, is the 8051. (figure:5)Intel first presented it. It was first released in 1981 as a complete metal oxide semiconductor. Microcontroller with a basis in NWOS, although latermodelsused CMOS(complementary metal oxidesemiconductor)technology.The80C51designationfor these microcontrollersindicatesthattheyarebasedonCMOStechnology.

Theusageofmicrocontrollersormicroprocessorswith16,32,or64bitsisprohibitedbythesystemrequirementsandcontrol criteria.Becauseoftheirmanyintrinsiccharacteristics,systemsincorporatingthemcouldbeeasiertodevelop.Althoughthey arealsoquickerandmoredependable,the8-bitmicrocontrollersuccessfullyhandlestheaforementionedapplication.Making a32-bitproductusingalow-cost8-bitmicrocontrollerwillconsignittofailureinanymarketwherethereiscompetition.The mainreasontousethe89S52insteadofanyother8-bitmicrocontrolleronthemarketisthatithas32I/Olines,three16-bit timer/counters,an eight-vectorclockcircuitry,anon-chiposcillator,a full-duplexserialconnection,interruptarchitecture It alsohas8kBFlashand256bytesofdataRAM.

The AT89S52 also features two software configurable power-saving modes and static logic allowing operating down to zero frequency. The CPU is turned off in idle mode, but the RAM, timers and counters, serial port, and interrupt system are still operational. The oscillator is frozen in the Power Down Mode, which also disables all other chip operations until the subsequent hardware reset. However, the RAM contents are saved. Both serial in-system programming and parallel programmingaresupported byFlash program memory (ISP).Additionally,the89S52isIn-Application Programmable(IAP), makingitpossibletochangetheFlashprogrammemoryevenwhiletheapplicationisexecuting.

5. SOFTWARE REQUIREMENTS:

5.1 TOOL: KEIL MICROVISION:

Programming MCUs using the 8051 architecture is frequently done using the Keil Au vision IDE. It includes powerful debuggingtools,includinglogicanalyzersandwatchwindows,andsupportsmorethan50microcontrollers.

TheAT89C51ED2microcontroller,whichwillbeusedinthisstudy,includesthefollowingfeatures:

 64KBFLASHROM

 On-chipSEEPROM

 1792bytesofX-RAMand256bytesofRAM

 In-Systemprogrammingforuploadingtheprogram

 3Timer/counters

5.2 LANGUAGE: EMBEDDED ‘ C’:

Asatopproviderof8051microcontrollers (MCUs),Nuvotonprovidesarangeofdeviceswiththetopperformancenecessary for consumer and industrial product success. The 8-bit MCU supports pin compatibility with the conventional 12 T 8051, a wideoperatingvoltagerange(2.4V–5.5V),industrialtemperature(-40°C–85°C),22.1184internaloscillators(1%accuracy at 25 °C, 5V), configurable Data Flash, a rich set of I/O including PWM, ADC, UART, SPI, I2C, comparator, ISP, and ICP, high noiseimmunity(8kVItisamongthetopoptionsfor8051MCUs.

International Research Journal of Engineering and Technology (IRJET) e-ISSN:2395-0056 Volume: 10 Issue: 01 | Jan 2023 www.irjet.net p-ISSN:2395-0072 © 2023, IRJET | Impact Factor value: 7.529 | ISO 9001:2008 Certified Journal | Page897

In order to carry out a certain task, an embedded system combines computer hardware, software, and sometimes extra mechanical or other components. The microwave oven is an excellent illustration. Tens of millions of them are used daily in almost every household, yet very few people are aware that a processor and software were used to prepare their lunch or supper.

The family room computer stands in stark contrast to this. It too is made up of mechanical, software, and hardware components for computers (disk drives, for example). A personal computer, on the other hand, is capable of many various tasks and is not intended to carry out a single task. To emphasize this disparity, the phrase "general-purpose computer" is frequently used. A general-purpose computer is a blank piece of paper when it is supplied; the maker has no idea what the clientwill dowithit.Itmay beusedbyoneclientasa network fileserver, another clientmightuseitonlyfor gaming,anda thirdclientwoulduseittodraftthenextgreatAmericannovel.

Anembeddedsystemfrequentlyfunctionsasacomponentofabiggersystem.Forinstance,numerousembeddedsystemsare included in contemporary vehiclesand trucks. Three embeddedsystems work togethertomonitor and managethevehicle's emissions, regulate the anti-lock brakes, and display data on the dashboard. These embedded systems may occasionally be linkedviaacommunicationnetwork,althoughit'snotanecessity.

International Research Journal of Engineering and Technology (IRJET) e-ISSN:2395-0056 Volume: 10 Issue: 01 | Jan 2023 www.irjet.net p-ISSN:2395-0072 © 2023, IRJET | Impact Factor value: 7.529 | ISO 9001:2008 Certified Journal | Page898
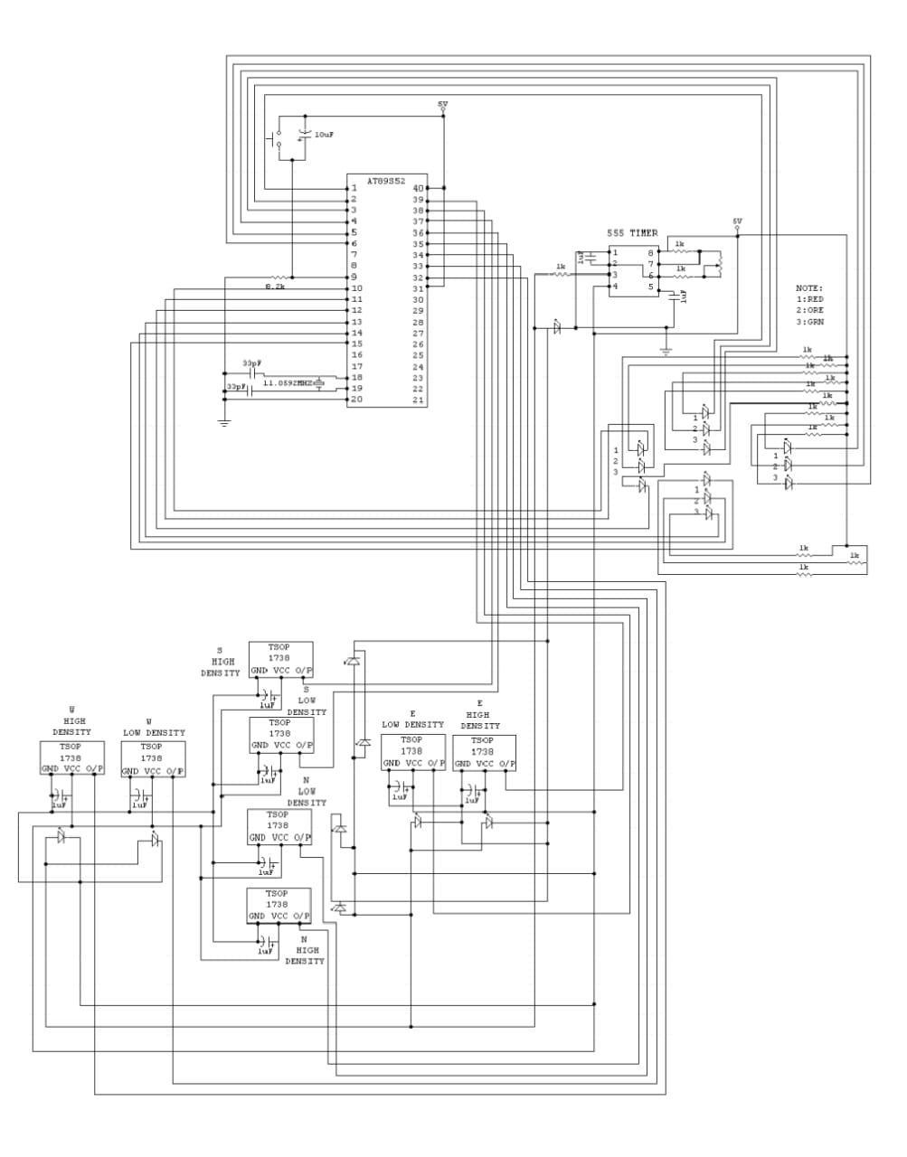
6. CIRCUIT DIAGRAM: Figure1:circuitdiagramoftrafficsignalcontroller

7. FLOW CHART:

8. WORKING PRINCIPLE:

The first part was put into practice by employing RFID technology to provide emergency vehicles like ambulances and fire engineswithaprioritysystem.

Essentially,thiscircuitisasimulationofafour-waylanecrossingthatoccursinreallife.Theissuesthatthisinitiativelargely raisesrelatetoemergencyvehicles.TheRFIDideaisutilizedtoturntheambulancelanegreenandgivetheambulanceastopfreepath.

The circuit begins to work on the traffic density operation as soon as the power supply is turned on. For the purpose of carryingoutthisproject,aprototypewascreated.

Afour-lanetrafficintersectionwithatotalof8IRsensorcircuitsisconnectedinthiscircuit.TwoIRsensorcircuitsarelinked togetheroneachside.Consequently,eightsensorcircuitsareconnectedforthefoursides.UsingARM7andARM9controllers, wecanconnectadditionalIRsensorcircuits.However,wehavejust utilizedtheAT89S52microcontrollerinthisproject.For thisproject,theAT89S52microcontroller's32IOpinswereinsufficient,therefore weattachedonlytwoIRsensorcircuitsto either side of the junction. In all, this project uses 8 IR sensor circuits over all four sides. Eight IR sensor circuits are linked betweenP0andP07.

The density of cars that are positioned at a particular distance is measured using an IR sensor. (Figure 6) If there is a lot of trafficononeside,thatsideisgivenhigherpriority,andthatsideofthetrafficisgiventhegreenlight.

TwoIRsensorcircuitsarelinkedoneithersideinthisproject.Iftheoutputsoftwosensorcircuitsarehigh,thenthereisalot of traffic on that side. The microprocessor receives the signals from the IR sensor circuits and transmits the signals to the trafficlights,instructingthemtodisplayagreensignal andallowthatsidetobeclearedfirst.Thesemechanismswillbeused

International Research Journal of Engineering and Technology (IRJET) e-ISSN:2395-0056 Volume: 10 Issue: 01 | Jan 2023 www.irjet.net p-ISSN:2395-0072 © 2023, IRJET | Impact Factor value: 7.529 | ISO 9001:2008 Certified Journal | Page899
Start If no Ambulance Stop Traffic signal Running Else Active particular side according to Ambulance East/west/north/south

by the signals on the four sides: SOUTH, NORTH, EAST, and WEST. On the other three sides of the intersection, an identical processwillalsotakeplace.

Oneswitchislinkedtothemicrocontroller'spinP32inthisdesign.Thepriorityoperationforemergencyvehiclesisactivated when we press the push button for one or two minutes. Anytime a car enters a lane, RFID recognizes(Figure :3) it as an emergencyvehicleandtransmitsadata signal tothemicrocontroller,whichthenreceivesit.Thenthemicrocontrollersends theappropriatesignalstothetrafficlightsto enablethemovementofemergencyvehicles.PortsP3-3(GREEN)and P3-4are associatedwiththesetrafficlights(RED).

On each of the other three sides of the intersection, an identical process will take place. If two IR sensor circuit outputs are highononesidebutjustoneishighontheother,thepriorityisgiventothatsideofthetrafficfirst.Theotherthreesidesof theintersectionaregivenprioritywhenthegreenlightisgiventothatsideandthetrafficintensityonthatsidehasdecreased. At the traffic crossroads, there is a wireless camera that records videos and transmits them to the Traffic Monitoring Cell throughthewirelessconnection.

International Research Journal of Engineering and Technology (IRJET) e-ISSN:2395-0056 Volume: 10 Issue: 01 | Jan 2023 www.irjet.net p-ISSN:2395-0072 © 2023, IRJET | Impact Factor value: 7.529 | ISO 9001:2008 Certified Journal | Page900
9. HARDWARE KIT: Figure2: Hardwarekitoftrafficsignalcontroller

10. ADVANTAGES:

 Improvestrafficsafety.

 Enhancestrafficflow

 Improvestrafficflowatnetworkintersections.

 Makeswaywhenthereisanemergency.

 Intimesofneed,saveseverallivesfromtraffic.

11. DISADVANTAGES:

• Highinitialcost.

12. CONCLUSION:

The problem with the traffic lights is a serious one that bothers both residents and governments. The economic, health, financial, and environmental realms are all impacted by conventional, inefficient transportation networks. Car accidents, traffic jams, and road congestion caused by the transportation system's issues and inadequate supervision might place high demandsoncompaniesandworkers.

International Research Journal of Engineering and Technology (IRJET) e-ISSN:2395-0056 Volume: 10 Issue: 01 | Jan 2023 www.irjet.net p-ISSN:2395-0072 © 2023, IRJET | Impact Factor value: 7.529 | ISO 9001:2008 Certified Journal | Page901
Figure3:4-waytrafficjunction Figure4:powersupply Figure5:RFreceiveris connectedintomicrocontroller Figure6:RF transmitter,Ambulance

The development of technology and the miniaturization of appliances, controls, and sensors have made it possible to create complex,intelligentembeddedsystemsthatmaysolveissuesforpeopleandimprovelifestyles.Byincorporatingcutting-edge hardware and software design techniques, our smart traffic light control system aims to help the scientific community improvethecurrenttrafficlightsystemsandcontroltheflowofvehiclesatcrossings.

Atrafficlightcontrollerthatcontrolsthetrafficlightsata"+"junctionofmono-directionalroadsmakesuptheplannedsmart trafficsystem.IR sensors placedon eachsideof the highways allowthe systemto calculatethetrafficdensity. Basedon this information,thedurationof thegreenlight will eitherbeshortenedtoavoidwasteful waiting whenthereare nocarsonthe opposite route or prolonged to facilitate a significant flow of vehicles in the event of traffic jams. A portable controller is an additiontothesystemforemergencyvehiclesbackedupintraffic.TheportablecontrollerinitiatestheXBeewirelesssystem's securecommunicationwiththetrafficuntilthestrandedemergencyvehiclepassesthroughthejunction,themastercontroller switchestoemergencymodeandoffersaclearroute.

To guarantee that the intended system's operations and functionalities are fully validated, it is implemented, realized electronically, and tested. Monitoring and managing a double road junction will help the existing design. Future additions might include a button for pedestrian crossings, delay time displays, as well as failure and auto accident modes. Future researchwilllookatintegratingvarioustrafficcontrollersatvariousjunctionstoachievetotalsynchronization.

Trafficdata may becapturedand exportedto a computer platformto evaluatesystem performance. Statistical data analysis studies can then be used to better understand the traffic patterns between crossings. To minimize grid electricity use and achievegreenenergyoperations,trafficlightcontrollersmightalsobepoweredbysolarpanels.

13. REFERENCES:

1. https://www.irjet.net/archives/V7/i6/IRJET-V7I6668.pdf

2. https://www.researchgate.net/publication/305674408_Smart_traffic_light_control_system

3. https://www.academia.edu/24248479/Intelligent_Traffic_Control_System_for_Ambulance_Clearance_and_Stolen_Veh icle_Detection

4. https://www.tsijournals.com/articles/advanced-traffic-clearance-system-for-ambulance-clearance-using-rf434module.pdf

5. http://www.iraj.in/journal/journal_file/journal_pdf/1-274-147142500822-24.pdf

6. https://www.engineersgarage.com/traffic-management-for-emergency-vehicles-using-at89s52-microcontrollerwith-rfid-ir-sensors/

7. https://www.academia.edu/66319116/Smart_Ambulance_Traffic_Control_System

8. https://www.academia.edu/44908542/Review_on_Smart_Traffic_Management_System_for_Ambulance

9. https://www.slideshare.net/RiteshKumar150/intelligence-ambulance-project-report

10. http://www.ijirset.com/upload/2016/january/14_Automatic.pdf

11. https://www2.keil.com/mdk5/uvision/

12. https://www.nuvoton.com/products/microcontrollers/8bit-8051-mcus/

International Research Journal of Engineering and Technology (IRJET) e-ISSN:2395-0056 Volume: 10 Issue: 01 | Jan 2023 www.irjet.net p-ISSN:2395-0072 © 2023, IRJET | Impact Factor value: 7.529 | ISO 9001:2008 Certified Journal | Page902

Turn static files into dynamic content formats.

Create a flipbook