Wireless Charging System for E-Vehicles

Page 1

10 XII December 2022 https://doi.org/10.22214/ijraset.2022.48140

ISSN: 2321-9653; IC Value: 45.98; SJ Impact Factor: 7.538 Volume 10 Issue XII Dec 2022- Available at www.ijraset.com

Wireless Charging System for E-Vehicles

2

1

2

Abstract: Solar based Wireless Power Transfer[WPT] using the magnetic induction technology which could avoid human from the hazardous accident caused due to the using of cables. By the using of MOSFET switches in the inverter, it creates the output with high frequency improves the efficiency of power transfer between the coils. Due to this creation of output with higher frequency the charging of battery will be very fast and efficient. By connecting the solar panel to the supply battery, it will be charged continuously using this panel. This will helps the users for the non-stop driving. These advances make the WPT very attractive to the electric vehicle charging application in both stationary and dynamic charging. By introducing WPT in electric vehicle, the obstacles of charging time, range, and cost can be easily managed. WPT technology is developing rapidly in recent years. The proposed system is designed specially to give protection to the battery system of the vehicle by auto-cutting off the power to the battery duringoverload, overcharge and thermal conditions. This will increase the life time of the electrical vehicles.

Keyword: Wireless Power Transfer [WPT], MOSFET, Electrical Vehicle.

I. INTRODUCTION

Now-a-days the world is facing the most serious problem which is the energy demand. Instead of this we had various techniques for the generation of energy which should be hazardous to our environment. So we step into the Non-renewable energy which will be ecofriendly to our environment. Our main demand will be the fuels used in automobiles and it causes the major impact to our environment, so we introduce the hybrid version of Non-renewable energy in the vehicle as electric vehicle which acts eco-friendly to our environment. We use both the combination of wireless power transfer and the solar energy which helps the user for nonstop driving. In an electric vehicle the battery is too tough to design due to its high energy densityand power density. There are many types of batteries used in the instruments but the lithium-ion batteries gives the most suitable solution for the electric vehicles. Recently the Wireless Power Transmission has been a most effective topic in the transportation system. This paper starts with a basic concept of Wireless Power Transfer and it gives a brief overview of Wireless Power Transfer system and it includes the Magnetic induction principles, Existing and Proposed system, High frequency power output, Solar panel and some other issues like safety considerations. By introducing the latest achievements in Wireless Power Transfer, wehope that this will achieve in all over the world. The term ‘wireless’ becomes the most advanced and innovative research field. This will help the people to free from annoying wires and to avoid them from exposing to hazardous accidents which occur due to the using of cables. It will help us the userfor using the electronic devices without any interpretation and limitations. It will be hybrid with thesolar energy and implemented in the automobiles will made the vehicle ecofriendly to the surrounding. This wireless power transfer also has the advances of both stationaryand dynamic charging of the batteries. Global warming becomes a most dangerous problem in now a day. This increases the heat in the earth surface and makes the ice peaks to melt down this increases the sea level will be dangerous to the entire world mainly because of the pollution. The main polluting factor is the automobiles which emit the carbon monoxide had a very harmful impact to the environment. So we had introducing the electricvehicle with the combination of ‘wireless’ power transfer made the EV high efficient and it will create the pollution free environment. It also protects the people from inhaling of hazardous carbon monoxide and leads a people to live in a healthyenvironment.

II. RELATED WORK

C. Cheng, Z. Zhou, W. Li, C. Zhu, Z. Deng and C. C. Mi (2021), proposes a novel wireless power transfer (WPT) system with repeater coils for multiple loads. In order to obtain independent power control of all the loads, the series-parallel-series (SPS) compensation method is adopted for each repeater unit. With a proper resonant condition proposed, the constant load current can be obtained for all the loads when neglecting the coils’ parasiticresistances.

Z. Zhang, H. Pang, A. Georgiadis, C. Cecati (2020), is Focusing on WPT systems, this paper elaborates on current major research topics and discusses about future development trends. This novel energy transmission mechanism shows significant meanings on the pervasive application of renewable energies in our dailylife.

International Journal for Research in Applied Science
Engineering
)
&
Technology (IJRASET
1124 ©IJRASET: All Rights are Reserved | SJ Impact Factor 7.538 | ISRA Journal Impact Factor 7.894 |

& Engineering Technology (IJRASET

ISSN: 2321-9653; IC Value: 45.98; SJ Impact Factor: 7.538 Volume 10 Issue XII Dec 2022- Available at www.ijraset.com

M. Fu, H. Yin, M. Liu, Y. Wang, C. Ma (2018), proposed multiple-receiver wireless power transfer system driven by a Class E power amplifier. It shows that different constant output voltages, 5, 9, and 12 V can be achieved independently for different receivers. When the load resistance, real coupling, and number of receivers change, the voltage can be quickly regulated, and the overall optimum system efficiencyis 66.6%.

T. Kan, F. Lu, T. D. Nguyen, P. P. Mercier and C. C.Mi (2019), the double-sided LCC topology provides a highly efficient compensation method for electric vehicle (EV) wireless charging systems. However, the two compensated coils occupy a large volume. In order to address the volume increase as well as to be compatible with unipolar coil structures, which are widely applied in EV wireless charging systems, an integration method is introduced.

P. Eekshita, N. S. V. Narayana and R. Jayaraman (2020), proposed method of the design of coils, driving converters and creating resonance are used for transfer the power without any conducting wire. Design of the HFWPT system is to be operated at resonance frequency of 50 kHz. It can be expected that the high frequency resonance coupling will improve the efficiency of transmission allowing one to transmit at lesser frequency which is nearly in a range of few kHz range. The performance of HFWPT is observed satisfactory to maintain the output voltage as required bychanging the coupling coefficient.

III. EXISTING SYSTEM

In the conventional wireless power transfer (WPT)system, the energy is usually transferred from the source to only one load. Recently the WPT system with multiple receivers has attracted more and more attentions where multiple loads can be powered simultaneously. A WPT system with multiple receivers was proposed for the battery cell voltage equalization. The multiple receiving coils are placed in the same plane and receive power from a big transmitting coil. However, the cross-coupling between different receiving coils is neglected. Multiple receiving coils with different resonant frequencies are used to receive power from the same transmitting coil. By changing the operational frequency of the source, the receiving coil with the same resonant frequency can receive power. However, only one receiver works at a certain moment. In a multi-load WPT system, the control of the load power is challenging because of the various coupling effects between different coils. the buck converter is used at each receiving circuit to control theload power. Repeater coils are used and each repeater coil is connected to a load. It is derived that the load resistance should meet a certain condition to realize equal power distribution among all the loads. It means that the load power is coupled with each other, which makes it difficult to control the load power in practical applications.

Fig:1 The WPT system providing power to the driver circuits in a multilevel converter.

In this, a novel multi-load WPT system is proposed. The repeater unit containing two repeater coils is designed and a suitable magnetic decoupling can be achieved. The series- parallel-series (SPS) compensation method is used for each repeater unit. The constant load current can be obtained for the proposed system, which facilitates the power control ofall the loads. The proposed WPT system can be used topower multiple loads such as the driver circuits of the power electronics switches in a multilevel converter. These switches are connected in series to withstand the high voltage. Since the reference potential of these IGBTs are different, multiple isolated power supplies are needed for the IGBTs’ driver circuits. Thus, the proposed multi-load WPT system provides an idealsolution for these driver circuits This design includes two sections

International Journal for Research in Applied
Science
)
1125 ©IJRASET: All Rights are Reserved | SJ Impact Factor 7.538 | ISRA Journal Impact Factor 7.894 |
1) Sending end 2) Receiving end

ISSN: 2321-9653; IC Value: 45.98; SJ Impact Factor: 7.538 Volume 10 Issue XII Dec 2022- Available at www.ijraset.com

Initially from the side of sending end ac power is given to the first full wave rectifier which converts two directional ac into a single directional dc. This dc supply is given as input to the inverter which converts dc to ac. The frequency of the output ac from the inverter is increased by changing the switchingfrequency of the inverter gate pulses. The time intervals of switching intervals are calculated based on the frequency as it is required. Hence frequency is inversely proportional to the time period would decreases i.e., for increasing the frequency of the output ac switching time interval is reduced and for decreasing the frequency of the output the switch in timeinterval is increased.

Fig:2 Schematic diagram for wireless powertransmission system

In a multi-load WPT system, the control of the load power is challenging because of the various coupling effects between different coils. The buckconverter is used at each receiving circuit to control theload power. Repeater coils are used and each repeater coil is connected to a load. It is derived that the load resistance should meet a certain condition to realize equal power distribution among all the loads. It means that the load power is coupled with each other, which makes it difficult to control the load power in practical applications.

In our project, block diagram consist of two types namely, a) Primary Side: The photo voltaic (or) Solar panel will be used in the initialization process of the circuit which generates the power for the whole operation. It absorbs energy from the solar radiation and this heat energy will be converted into electrical energy, this will be supplied throughout the circuit. Inverters will be used for converting the DC to AC, power generated by the solar panel will be the DC, these DC power will convert into AC power which it is given to the coil. The inverters consist of four n-channel MOSFET switches these switches needs the triggering pulses for the ON and OFF process, these triggering pulses will be generated using the PIC controller. This PIC controller will generate a triggering pulse of 5v DC. But the MOSFET switches needs a minimum of 10 – 12v DC for operating the voltages. For the amplification process the driver board will be used. Output of the PIC controller will be given to the driver board, it starts amplifying the triggering pulse that the output of the driver board will be given to the inverter. This driver board output will be connected to the gate terminal of the MOSFET switches. After the conversion of power it will be transferred to the coil through thecompensation network.

b) Secondary Side: The coil from the primary side gets energize and it creates the magnetic field around the coil. Due to the using of high frequency output, the creation of magnetic flux will be very strong. The flux from the primary coil links the secondary coil. Hence the power will be transferred between the coils through the magnetic field. Next the power from the secondary coil given to the rectifier. After the rectifier the LED which indicate the power transfer to the coil. By using the rectifier AC supply will be converted into DC supply and then it is given to the booster circuit responsible for the steady output. After that it will be filtered by using the compensation network and finally connected to the DC shunt motor (Toy car motor). The solar panel power supply will be given to the motor. Due to the continuous generation of power via solar panel, it helpsfor non-stop driving.

IV. PROPOSED SYSTEM

Fig:3 Proposed system block diagram

International Journal for Research in Applied
Science & Engineering Technology (IJRASET)
1126 ©IJRASET: All Rights are Reserved | SJ Impact Factor 7.538 | ISRA Journal Impact Factor 7.894 |

ISSN: 2321-9653; IC Value: 45.98; SJ Impact Factor: 7.538 Volume 10 Issue XII Dec 2022- Available at www.ijraset.com

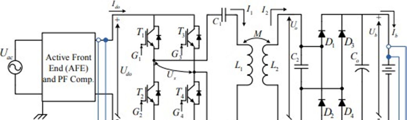
V. CIRCUIT DIAGRAM

The photovoltaic panel (PV) will be used as the power source for the whole operation of the circuit. DCpower will be generated by the solar panel will not suitable for transferring in the coil. Hence the DC power will be given to the inverter. The inverter will consist of MOSFET switches activate using the trigger pulse and convert DC to AC power. It will give the high frequency output to be filtered using the compensation network and then the energy will be transferred to the primary coil. Primary coil get energize which creates the flux in the coil these flux which links the

Fig:4 Wireless charging system circuit

Secondary coil and current will be transferred between the coils. Then it will be filtered andafter given to the rectifier which converts the AC power to DC power. Power transferred will be indicated by the LED and moves to the booster circuit which gives out the steady output conducted by the diode and compensating network. Finally the desired output will be given to the DC motor (Toycar motor).

VI. RESULTS

The fig.3 shows the whole experimental setup which includes the solar panels, controller boards and the various hardware parameters of the hardware setup.After the completion of the hardware we moved to the further testing process for checking the efficiency of the hardware. It gives nearly good results compared to the existing system. We use the solar energy as the input source for getting a quick result solar panel will exposed to the solar radiation for a certain time. The panel gets heated up and the power collected from the panel will be transferred to the inverter block. Theinverter consists of MOSFET switches which includes in the power conversion. When the MOSFET switches activated using the triggering pulse generated from the PIC controller and the power will be transferred from DC to AC. The AC supply will be given to the primary coil gets energize creates the

1) Coupler in Stationary Charging: In a stationary charging the coupler is designed in pad form. The very early couplers are just like a simple split core transformer. Usually this kind of design could only transfer power through a very small gap. According to magnetic flux distribution area the coupler could be classified as the double side and single side type. For the double sided type the flux goes to both sides of the coupler. When the shielding is added, the quality factor of a flux pipe coupler reduce from 260 to 86. Double sided coupler having half of the main flux at the back. By the magnetic resonance technology the power will be transferred due to the magnetic vibration for the required distance.

2) Coupler in Dynamic Charging: The dynamiccharging also called OLEVs or road way powered electric vehicles. It is two way to charge the EV while driving. Dynamic charging also solves the EVs range anxiety.In dynamic charging system the magnetic component are composed of a primary side of the coupler. Which is usually buried under theroad and secondary side pickup coil? When EV with a pickup coil is running along with the track and it can able to transfer the power continues. The track can be simple as just two wires and adoption of ferrite with U or W typeto increase the coupling and power transfer distance.

International Journal for Research in Applied Science
)
& Engineering Technology (IJRASET
1127 ©IJRASET: All Rights are Reserved | SJ Impact Factor 7.538 | ISRA Journal Impact Factor 7.894 |

Science & Engineering Technology (IJRASET)

ISSN: 2321-9653; IC Value: 45.98; SJ Impact Factor: 7.538 Volume 10 Issue XII Dec 2022- Available at www.ijraset.com

3) Wireless Power Transfer: WFT or Electromagnetic power transfer is the transmission of electrical energy without using the wires. Wherever the interconnectingwires are inconvenient in such places Wirelesspower transfer is more compactable. This wireless power transfer system which gives the advantages of using cables and that could avoid the short circuits, flux leakage and fire accidents. Wireless Power System consists of two sides, transmitter and receiver. Mainly theResonant coils are used in the power transfer. The two coils are tuned to the same resonant frequency and the power is given to the transmitter side, resonant coils get energized and create the magnetic flux or field that links magnetic field or flux in the primary side. Flux created in the primary side links the secondary coil and the EMF will be transferred wirelessly between the coils. Transferred power in the secondary coil will be indicated by using the LED after it will be moved to the rectifier circuit AC converted to DC will be injected to the booster circuit and the various harmonics will be neglected by the compensation networks and finally the power will be given to the Electrical Vehicle [EV] motor. Hence the major objective of the project power is transmitted wirelessly is achieved.

The proposed system is tested for various abnormalconditions such as

a) Overcharging: Here, the potentiometer V1 is adjusted for adjusting voltage value. The reference voltage for the potentiometer V1 is set as 10v. So, if the voltage level crosses 10v means, it means the battery is charged completely. Hence, the relay connected with the load circuit will cut off the load from the Battery Management System (BMS). Thiswill disconnect the charging process. So, our vehicle orsystem can be protected from the damage.

b) Overheating: Here, a temperature sensor is connected with the battery management system. Whichprotects the system from heat damage or from external or internal heating so, that the battery of the vehicle cannot be affected. So, the reference temperature is set as 500C, if the temperature sensor reads the temperature more than this temperature will disconnectthe circuit from the charging by opening up the circuit. Once the system return backs to the normal temperature means that is less than 500C the system continues charging. So, clearly system will protect our vehicles from huge damage.

c) Overload: This scenario is similar to that the overcharging. If the load connected to the system consumes more Amps of power than the specified value means this will create a overload condition will damage the battery of the vehicle and creates more stress to BMS. So, here it can be demonstrated with thehelp of a potentiometer. So, the reference voltage is set as 10v to V2. If, the consumable voltage is more than 10v means, the relay connected with the BMS will open up the circuit and disconnect the battery from charging.

Fig:5 Prototype of proposed system

VII. CONCLUSION

This work, presents the various technologies related to Wireless Power Transfer system, which is used to avoid the flux leakage and short circuits occurred due to the cables. A prototype wireless charging system was designed and developed.The compact hardware development and practical considerations are presented in the details. This will be helpful for those who are doing research in the area of wireless power transmission. The wireless Power Transmission is used to operate the cars with high efficiency and improve the quality parameters. This project is in the progress of generating power source through renewal energy.

International Journal for Research in Applied
1128 ©IJRASET: All Rights are Reserved | SJ Impact Factor 7.538 | ISRA Journal Impact Factor 7.894 |

Technology (IJRASET

ISSN: 2321-9653; IC Value: 45.98; SJ Impact Factor: 7.538 Volume 10 Issue XII Dec 2022- Available at www.ijraset.com

VIII. FUTURE SCOPE

Wireless Charging is the Future of EV Charging. Apart from wired EV Charging, Wireless Charging for EVs is also gaining attraction as wireless charging technology allows getting rid of plugs and cables. In DC Fast Charging more power and faster charging system, the AC from the grid is converted to DC beforeit enters the car, which is within a charging station. It operates at powers ranging from 25 kilowatts to more than 350 kilowatts. DC Fast Chargers can offer a rangeof 60 to 100 miles in just 20 minutes of charging. Theyare generally used only in commercial and industrial applications as they require highly specialized, highpowered equipment to install and maintain. DC Fast Chargers are not applicable in all vehicles as mostplug-in hybrid EVs do not have this charging compatibility which could be developed. An EV gets charged when driven over transmitter coils embedded under the road's surface in this charging infrastructure. Qualcomm and Elect Road have successfully tested dynamically powering vehicles while they are in motion. These are expected to appear primarily on buses or transport trucks running on fixed routes.

REFERENCES

[1] C. Cheng, Z. Zhou, W. Li, C. Zhu, Z. Deng and C. C. Mi, "A Multi-Load Wireless Power Transfer System With Series-Parallel-Series Compensation," in IEEE Transactions on Power Electronics, vol. 34, no. 8, pp. 7126-7130, Aug. 2019, doi: 10.1109/TPEL.2019.2895598.

[2] P. Eekshita, N. S. V. Narayana and R. Jayaraman, "Wireless Power Transmission System," 2021 International Conference on Computer Communication and Informatics (ICCCI), 2021, pp. 1- 4, doi: 10.1109/ICCCI50826.2021.9402575.

[3] Z. Zhang, H. Pang, A. Georgiadis, C. Cecati, “Wireless power transfer – an overview,” IEEE Trans. Ind. Electron., vol. 66, no. 2, pp. 1044–1058, Feb. 2019.

[4] T. Kan, F. Lu, T. D. Nguyen, P. P. Mercierand C. C. Mi, “Integrated Coil Design for EV Wireless Charging Systems Using LCC Compensation Topology,” IEEE Trans. Power Electron., vol. 33, no. 11, pp. 9231–9241, Nov. 2018

[5] M. Fu, H. Yin, M. Liu, Y. Wang, C. Ma, “A 6.78 MHz multiple-receiver wireless power transfer system with constant output voltage and optimum efficiency,” IEEE Trans. Power Electron., vol. 33, no. 6, pp. 5330–5340, Jun. 2018.

[6] P Alanson Sample, Student Member, IEEE, David A. Meyer, Student Member, IEEE, and Joshua R. Smith, Member, “IEEE Analysis, Experimental Results, and Range Adaptation of Magnetically Coupled Resonators for Wireless Power Transfer”, IEEE Transactions on Industrial Electronics, Vol. 58, No. 2, Feb, 2011.

[7] V. Etacheri, R. Marom, R. Elazari, G. Salitra,and D. Aurbach, “Challenges in the development of advanced Li-ion batteries: A review”, Energy Environ. Sci., Vol. 4, No. 9, pp. 3243–3262, 2011.

[8] A. P. Sample, D. A. Meyer, and J. R. Smith, “Analysis, experimental results, and range adaptation of magnetically coupled resonators for wireless power transfer,” IEEE Trans. Ind. Electron., Vol. 58, No. 2, pp. 544–554, Feb. 2011.

[9] S. J. Gerssen-Gondelach and A. P. C. Faaij,“Performance of batteries for electric vehicles on short and longer term,” J. Power Sour., Vol. 212, pp. 111–129, Aug. 2012.

[10] C. Kainan and Z. Zhengming, “Analysis of the double-layer printed spiral coil for wireless power transfer,” IEEE J. Emerg. Sel. Topics Power Electron, Vol. 1, No. 2, pp. 114–121, Jul. 2013.

[11] N. Puqi, J. M. Miller, O. C. Onar, and C. P. White, “A compact wireless charging system development,” in Proc. IEEE ECCE, Sep. 2013, pp. 3629–3634.

[12] S.Lukic and Z.Pantic, “Cutting the cord: Static and dynamic inductive wireless charging of electric vehicles,” IEEE Electrific. Mag., Vol. 1, No. 1, pp. 57–64, Sep. 2013.

[13] M. Budhia, J. T. Boys, G. A. Covic, and H. Chang-Yu, “Development of a single-sided flux magnetic coupler for electric vehicle IPT charging systems,” IEEE Trans. Ind. Electron., Vol. 60, No. 1, pp. 318–328, Jan. 2013

[14] Z. Yiming, Z. Zhengming, and C. Kainan, “Frequency decrease analysis of resonant wireless power transfer,” IEEE Trans. Power Electron., Vol. 29,No. 3, pp. 1058–1063, Mar. 2014.

International Journal for Research
in Applied Science & Engineering
)
1129 ©IJRASET: All Rights are Reserved | SJ Impact Factor 7.538 | ISRA Journal Impact Factor 7.894 |

Turn static files into dynamic content formats.

Create a flipbook
Issuu converts static files into: digital portfolios, online yearbooks, online catalogs, digital photo albums and more. Sign up and create your flipbook.