The DC fast charging architecture for implementing Vehicle-To-Grid technology within a micro-grid

Page 1

https://doi.org/10.22214/ijraset.2023.49830

11 III
2023
March

ISSN: 2321-9653; IC Value: 45.98; SJ Impact Factor: 7.538

Volume 11 Issue III Mar 2023- Available at www.ijraset.com

The DC fast charging architecture for implementing Vehicle-To-Grid technology within a micro-grid

Mr. Surwase Ajaykumar Ashokrao1 , Prof. L.V. Bagale2

1M.tech. Student, Dept. of Electrical Engineering, (Control System), College Of Engineering Ambajogai

2HOD, Dept. of Electrical Engineering, College of Engineering Ambajogai

Abstract: Electric vehicle (EV) batteries have the potential to serve as energy storage devices in micro-grids, aiding in energy management by storing excess energy from the grid (Grid-To-Vehicle, G2V) and supplying energy back to the grid when needed (Vehicle-To-Grid, V2G). To implement this concept, appropriate infrastructure and control systems must be developed. This paper presents an architecture for integrating a V2G-G2V system in a micro-grid using level-3 fast charging technology forEVs. A micro-grid test system is modeled with a dc fast charging station for connecting EVs, and simulation studies are conducted to demonstrate power transfer through V2G-G2V modes of operation. Test results indicate that EV batteries regulate active power in the micro-grid, with the charging station design ensuring minimal harmonic distortion of grid-injected current. Furthermore, the controller exhibits excellent dynamic performance in terms of maintaining dc bus voltage stability.

Keywords: Single-stage 1-ph inverter, PV systems, DC-DC converter etc.

I. INTRODUCTION

The energy storage system is microgrids to enable intermittent grid integration renewable energy sources. Electric vehicle (ev) batteries it can be used as an effective storage device for microgrids. They are plugged in to charge. Most personal transportation during this time the vehicle will be parked he approximately 22 hours a day. Sometimes they represent fallow assets. Electric vehicles could possibly help microgrid energy management by storing energy when available this energy surplus (grid-to-vehicle, G2V) and feedback to the grid if necessary (vehicle to grid). V2G when applied to a typical power grid, it faces several challenges, including as; the control is complex, requires a large number of electric vehicles, it is difficult to realize in a short period of time [1]. In this scenario it's easy implementation of his V2G system in a microgrid. The society of automotive engineers defines his 3 levels electric vehicle charging.

For level 1 charging, use a plug to connect vehicle on-board chargers and standard household (120 v) quit. This is the slowest format to load, people who drive less than 40 miles a day and can afford an all-nighter load. Level 2 charging uses a dedicated EV home or public station supply equipment (else) delivers up to 30 a at 220 v or 240 v. Stage 3 charging is also called dc fast charging.

Dc fast charging the station provides charging power up to 90 kw at 200/450 v. Reduced loading time to 20-30 minutes. Dc fast charging recommended for implementing V2G architectures in microgrids for high-speed power transmission required for electric vehicles used for energy storage. Dc bus can also be used integration of renewable energy sources into the system. Most research so far has used the concept of V2G. Peak shaving, valley filling, regulation and spinning reserves [2]. V2G development of microgrid system to support power supply generation from intermittent renewable energy sources is still in that childhood. In addition, ac charging is adopted for level 1 and level 2 V2G technology is reported in most papers [3]. This air conditioner the charging system is limited by the power rating of the vehicle's electrical system charger. An additional problem is that the distribution network does not have this designed for two-way energy flow. In this scenario, research is needed to develop something technically viable charging station architecture to facilitate V2G technology micro grid. This work proposes a dc fast charging station infrastructure with his V2G capabilities in a microgrid system. Of used as an interface for electric vehicles, the dc bus is also used for solar system integration a microgrid photovoltaic (pv) array. Was suggested architecture for realizing highpower bidirectional charging of electric vehicles via an external charger. Effectiveness of the proposed model evaluation is based on both matlab/simulink simulations. V2G and G2V operating modes

International Journal for Research in Applied Science & Engineering Technology (IJRASET)
1886 ©IJRASET: All Rights are Reserved | SJ Impact Factor 7.538 | ISRA Journal Impact Factor 7.894 |

ISSN: 2321-9653; IC Value: 45.98; SJ Impact Factor: 7.538

Volume 11 Issue III Mar 2023- Available at www.ijraset.com

II. LITERATUREREVIEW

1) "Vehicle-to-grid technology: a review of technical and economic aspects" by mohammed a. M. Elgendy, seifedine kadry, and ahmed m. Massoud. This paper provides an overview of vehicle-to-grid technology, including its benefits and challenges, technical requirements, and economic considerations.

2) "Vehicle-to-grid technology: a comprehensive review" by ahmed mohamed, ahmed k. El-sayed, and ayman m. El-refaie. This article discusses the technical aspects of vehicle-to-grid technology, including dc fast charging architecture, communication protocols, and grid integration.

3) “Dc fast charging for vehicle-to-grid systems" by t. Becker, r. Farkhani, and f. Kremer. This paper focuses on the role of dc fast charging in vehicle-to-grid systems, including its impact on battery performance, charging infrastructure, and grid integration.

4) "A review of dc fast charging technology for electric vehicles" by x. Zou, x. Zhou, and y. Kang. This article discusses the technical aspects of dc fast charging technology for electric vehicles, including charging modes, charging protocols, and charging infrastructure.

5) "Optimization of a vehicle-to-grid system using dc fast charging stations" by a. Vahidi, b. Mohammadi-ivatloo, and a. Soroudi. This paper presents an optimization model for a vehicle-to-grid system that uses dc fast charging stations, taking into account the uncertainties associated with renewable energy sources.

6) "A review of dc fast charging technologies and their applications in vehicle-to-grid systems" by w. Huang, k. S. K. Yuen, and c. K. Lee. This paper provides a comprehensive review of dc fast charging technologies and their applications in vehicle-to-grid systems, including their impact on battery performance, charging infrastructure, and grid integration.

7) "A comprehensive review of the vehicle-to-grid technology" by a. S. Arefi, a. Marzband, and j. J. Mohamed. This article discusses the technical and economic aspects of vehicle-to-grid technology, including dc fast charging architecture, communication protocols, and grid integration.

8) "Optimal operation of a microgrid with electric vehicles and vehicle-to-grid technology" by n. Lu, m. Liu, and z. Yang. This paper presents an optimal operation model for a microgrid that incorporates electric vehicles and vehicle-to-grid technology, taking into account the uncertainties associated with renewable energy sources.

9) "Vehicle-to-grid technology: a review of recent research" by j. Lopes, l. Ferreira, and f. Neves-silva. This article provides a review of recent research on vehicle-to-grid technology, including its benefits and challenges, technical requirements, and economic considerations.

10) "A review of the integration of vehicle-to-grid technology in microgrids" by m. Rasheduzzaman, k. S. K. Yuen, and c. K. Lee. This paper discusses the integration of vehicle-to-grid technology in microgrids, including dc fast charging architecture, communication protocols, and grid integration., including those with reduced switch counts, improved voltage gains, and symmetrical operation in both positive and negative half cycles of the output voltage. These topologies have shown improved performance and efficiency under various operating conditions.

11) Overall, the development of new and improved transformerless inverter topologies with buck-boost capability remains aimportant research area to enhance the efficiency, reliability, and cost-effectiveness of grid-connected pv systems.

III.METHODOLOGY FORVEHICLETOGRIDTECHNOLOGY

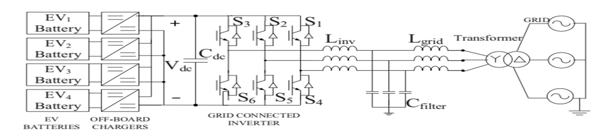
The configuration for dc fast charging station to implement V2G-G2V infrastructure in a micro-grid is shown in Fig. 1 [4]. EV batteries are connected to the dc bus through off-board chargers. A grid connected inverter connects the dc bus to the utility grid through an LCL filter and a step-up transformer. The important components of the charging station are described below:

Journal
International
for Research in Applied Science & Engineering Technology (IJRASET)
1887 ©IJRASET: All Rights are Reserved | SJ Impact Factor 7.538 | ISRA Journal Impact Factor 7.894 |
Fig. 1. The proposed EV charging station for fast dc charging

International Journal for Research in Applied Science & Engineering Technology (IJRASET)

ISSN: 2321-9653; IC Value: 45.98; SJ Impact Factor: 7.538

Volume 11 Issue III Mar 2023- Available at www.ijraset.com

A. Battery Charger Configuration

For dc fast charging, the chargers are located off-board and are enclosed in an EVSE. A bidirectional dc-dc converter forms the basic building block of an off-board charger with V2G capability. It forms the interface between EV battery system and the dc distribution grid. The converter configuration is shown in Fig. 2. It consists of two IGBT/MOSFET switches that are always operated by complimentary control signals.

B. Grid Connected Inverter and LCL Filter

The grid connected inverter (GCI) converts the dc bus voltage into a three phase ac voltage and also allows the reverse flow of current through the anti-parallel diodes of the switches in each leg (Fig. 1). An LCL filter is connected at the output terminals of the inverter for harmonic reduction and obtaining a pure sinusoidal voltage and current. The design procedure for determining the LCL filter parameters for this work is adapted from [4].

Fig. 2. Inverter control system

The micro-grid test system configuration with the dc fast charging station is shown in Fig. 5. A 100 kW wind turbine (WT) and a 50 kW solar PV array serve as the generation sources in the system. The EV battery storage system consists of 4 EV batteries connected to a 1.5 kV dc bus of the charging station through off-board chargers. The solar PV is also connected to this dc bus through a boost converter which has a maximum power point tracking (MPPT) controller. The utility grid consists of a 25 kV distribution feeder and a 120 kV equivalent transmission system. The wind turbine driven doubly-fed induction generator is connected to the micro-grid at the point of common coupling (PCC). Transformers are used to step up the voltages and connect the respective ac systems to the utility grid.

IV.RESULTANALYSIS

The charging station design procedure is adapted from [4] and the obtained parameter values are given in Appendix. The wind turbine is operated at rated speed giving an output maximum power of 100 kW. The solar PV is operated at standard test conditions (1000W/m2 irradiance and 25oC temperature) giving the maximum power output of 50 kW. A 150 kW resistive load is connected to the 480 V ac bus.

The reactive current reference to GCI is set to zero for unity pf operation. The initial state of charge (SOC) of the EV batteries is set at 50%. Once the steady state conditions are reached, batteries of EV1 and EV2 (Fig. 1) are operated to perform the V2G-G2V power transfer. The current set-points given to the battery charging circuits of EV1 and EV2 batteries. The battery parameters when EV1 is operating in V2G mode and EV2 operating in G2V mode are shown in Figs. 6 and 7, respectively.

1888 ©IJRASET: All Rights are Reserved | SJ Impact Factor 7.538 | ISRA Journal Impact Factor 7.894 |

International Journal for Research in Applied Science & Engineering Technology (IJRASET)

ISSN: 2321-9653; IC Value: 45.98; SJ Impact Factor: 7.538

Volume 11 Issue III Mar 2023- Available at www.ijraset.com

1889 ©IJRASET: All Rights are Reserved | SJ Impact Factor 7.538 | ISRA Journal Impact Factor 7.894 |
Fig. 3. Voltage, current, and SOC of EV1 battery during V2G operation Fig. 4. Voltage, current, and SOC of EV2 battery during G2V operation Fig 5 Active power profile of various components in the system

International Journal for Research in Applied Science & Engineering Technology (IJRASET)

ISSN: 2321-9653; IC Value: 45.98; SJ Impact Factor: 7.538

Volume 11 Issue III Mar 2023- Available at www.ijraset.com

V. CONCLUSIONS

This study focuses on the modeling and design of a Vehicle-to-Grid (V2G) system using DC fast charging architecture within a micro-grid. The V2G system consists of a DC fast charging station with off-board chargers and a grid-connected inverter that enables bi-directional power transfer between Electric Vehicles (EVs) and the micro-grid. The control system ensures smooth power transfer between the EVs and the grid, while adhering to relevant standards for grid injected current. The controller also provides good dynamic performance, maintaining DC bus voltage stability and accurately tracking changed active power reference. Furthermore, the V2G system can serve additional purposes such as reactive power control and frequency regulation. Future research is recommended to design a supervisory controller for individual EV charger controllers.

REFERENCES

[1] Elgendy, M. A. M., Kadry, S., & Massoud, A. M. (2013). Vehicle-to-Grid Technology: A Review of Technical and Economic Aspects. IEEE Transactions on Smart Grid, 4(2), 726-735.

[2] Mohamed, A., El-Sayed, A. K., & El-Refaie, A. M. (2015). Vehicle-to-Grid Technology: A Comprehensive Review. IEEE Transactions on Smart Grid, 6(5), 2219-2232.

[3] Becker, T., Farkhani, R., & Kremer, F. (2014). DC Fast Charging for Vehicle-to-Grid Systems. In 2014 IEEE Transportation Electrification Conference and Expo (ITEC) (pp. 1-6).

[4] Zou, X., Zhou, X., & Kang, Y. (2018). A Review of DC Fast Charging Technology for Electric Vehicles. Energies, 11(11), 3075.

[5] Vahidi, A., Mohammadi-Ivatloo, B., & Soroudi, A. (2015). Optimization of a Vehicle-to-Grid System using DC Fast Charging Stations. In 2015 IEEE Power & Energy Society General Meeting (pp. 1-5).

[6] Huang, W., Yuen, K. S. K., & Lee, C. K. (2019). A Review of DC Fast Charging Technologies and their Applications in Vehicle-to-Grid Systems. IEEE Access, 7, 69758-69772.

[7] Arefi, A. S., Marzband, M., & Mohamed, J. J. (2016). A Comprehensive Review of the Vehicle-to-Grid Technology. IEEE Transactions on Smart Grid, 7(5), 2133-2149.

[8] Lu, N., Liu, M., & Yang, Z. (2019). Optimal Operation of a Microgrid with Electric Vehicles and Vehicle-to-Grid Technology. Energies, 12(10), 1951.

[9] Lopes, J., Ferreira, L., & Neves-Silva, R. (2017). Vehicle-to-Grid Technology: A Review of Recent Research. Renewable and Sustainable Energy Reviews, 69, 286-307.

[10] Rasheduzzaman, M., Yuen, K. S. K., & Lee, C. K. (2019). A Review of the Integration of Vehicle-to-Grid Technology in Microgrids. Energies, 12(9), 1676.

1890 ©IJRASET: All Rights are Reserved | SJ Impact Factor 7.538 | ISRA Journal Impact Factor 7.894 |
Fig.6 Grid voltage and grid injected current during V2G-G2V operation

Turn static files into dynamic content formats.

Create a flipbook
Issuu converts static files into: digital portfolios, online yearbooks, online catalogs, digital photo albums and more. Sign up and create your flipbook.