Power Electronics for Renewable Energy System with Smart Grid

Page 1

10 XI November 2022 https://doi.org/10.22214/ijraset.2022.47187

ISSN: 2321 9653; IC Value: 45.98; SJ Impact Factor: 7.538 Volume 10 Issue XI Nov 2022 Available at www.ijraset.com

Power Electronics for Renewable Energy System with Smart Grid

R. Vinoth1 ,R. Nedumaran2, P. Alexraj3, S. Srinivasan4, S. Abinaya5

1, 2, 3Assistant. Professor, Department of Electrical and Electronics Engineering, Arasu Engineering College, Kumbakonam 612501, Tamilnadu, India 4, 5Lecturer, Department of Electrical and Electronics Engineering, A.V.C Polytechnic College, Tamilnadu, India

Abstract: Internet of things is an emerging technology that efficiently and effectively improve our daily life activities. It reduces the cost of living by automating the manual processes. It integrates physical objects and devices via internet for synchronized communication. Currently the cost of electricity is reaching the sky so there is a need for some sources that can produce electricity naturally without any cost. Here, solar panels and solar plants take place for producing electricity in natural manner with sun light. Photo voltaic cells are used in these systems that converts the sun light into electricity. Mostly the solar systems are configured in rural or agricultural areas where electricity mediums are still not available. These systems are manually operated by humans. So there is need of efficient approach which automatically control and monitor the current, voltage and other parameters of solar systems and provides real time statistics to users. This research paper proposes an IOT based approach for solar power consumption and monitoring that allow the users to monitor or control the obtained power and EV battery. Majorly, solar plants are built in the locations where people cannot reach on daily basis so this approach allows the people to virtually control their systems from faraway places.

Keywords: Power monitoring, Internet of Things, Solar system, Cloud computing, Arduino microcontroller.

I. INTRODUCTION

Power generation is a major factor in many developing countries. Due to the improvement of industrial and commercial sector, energy demand reaches its peak. Hence all are poignant towards renewable energy source to produce green energy for meeting out our energy consumption. This can help the society to decrease greenhouse gas emission and ozone layer depletion [1]. Among this, solar photovoltaic technique is gaining popularity due to huge availability, reduced cost, easy installation and maintenance. Currently, Internet of Things (IoT) is an evolving technology that makes things smarter and user friendly when connected through the communication protocol and cloud platform. The efficiency of solar panel is influenced by basic parameters such as current, voltage, irradiance and temperature. Hence real time solar monitoring system is essential for increasing the performance of PV panel by comparing with experimental result to initiate preventive action [2, 3]

A simple forecasting database is modeled using MySQL to collect raw data, filter un relevant values and produce forecast without the assistance of any modern automation tools. In addition, machine intelligence techniques are used for forecasting to obtain robust performance [4]. A real time supervising and data acquisition model for Solar PV module is proposed using LABVIEW to determine the performance of different solar PV ratings. This is a powerful tool for exploring the operation of different PV modules with respect to real time data. Microcontroller based displaying system is proposed to monitor the different factors that affect the performance of PV panel [5, 6]. The measured parameters are evaluated with the standard operating condition to provide necessary action for better performance of PV. A low cost solar panel monitoring is developed based on IoT for online visualization and improving the performance [7]. This helps to take preventive maintenance and tracking the fault location. An IoT based cloud monitoring system is proposed and developed using the Raspberry pi for remote PV plant. The basic characteristics of a PV system are analyzed using LABVIEW tool for real time measurement to study the fault diagnosis in PV plant [8, 9]. A smart monitoring system is developed with a microcontroller and LABVIEW to gain the maximum efficiency with the use of sun trackers [10]. A remote solar monitoring and control system is proposed for implementation at the plant level and promotes the decisional process for central control station which has the crucial role for processing, storage, warning and displaying [11, 12]

PV monitoring system is developed based on wired and wireless networks to transmit the parameters to a remote coordinator that offers a web based application for remote access. A practical graphical user interface is developed using Lab view for online monitoring for solar PV [13]. Arduino controller is used for analysing the measured parameters and sends the data to server for making a useful decision which improves the performance of PV panel.

International Journal for Research in Applied Science
)
& Engineering Technology (IJRASET
175 ©IJRASET: All Rights are Reserved | SJ Impact Factor 7.538 | ISRA Journal Impact Factor 7.894 |

ISSN: 2321 9653; IC Value: 45.98; SJ Impact Factor: 7.538 Volume 10 Issue XI Nov 2022 Available at www.ijraset.com

A cost effective smart architecture is proposed to optimize the efficiency of PV panel by detecting the performance degradation through continuous monitoring system [14]. HEM algorithm based smart controller is implemented for choosing the source priority to maximize the use of Solar PV for home power management. Therefore, the proposed work illustrate the real time Solar PV monitoring system using cost efficient method with the IoT platform provides large storage space and fast data access [15]. In this paper, output power of PV panel and state of charge of battery are monitored using IoT technology. An Arduino Uno microcontroller board is employed. Thinkspeak is utilized to store all the data from the sensor and visualize it in the graphical representation so the user can monitor the data remotely as long as the internet connection is available.

II. PROPOSEDSYSTEM

A virtually reliable Solar PV monitoring system is developed for IoT monitoring system is shown in Fig. 1. The electrical parameters like voltage, current, temperature, humidity and irradiance are measured using sensors and are monitored using IoT platform

Fig. 1 Block diagram of proposed system

The main intention of this proposed project is to get maximum power output from the solar panels. Additionally, if there is any improper functioning of the solar panels will be shown and also the parameters like voltage and current are monitored by using the sensors and displayed by using the IoT technology. Also, the state of charge of battery is monitored using the IoT concept. This model is explained by using the solar radiation i.e., sunlight from the sun is trapped by the solar panels and then these solar panels capture sunlight and turn into useful energy forms of energy such as heat and electricity. Then the obtained electrical energy is sensed by the sensors and monitored using IoT platform

III. MODELLINGOFPROPOSEDSYSTEM

A. PV system

A photovoltaic module consists of a number of interconnected solar cells encapsulated into a single unit. A Photovoltaic array comprises many solar cells wired in series and in paralleled. A solar cell model is shown in Fig. 2.

Fig. 2 Solar cell model

International Journal
Research
)
for
in Applied Science & Engineering Technology (IJRASET
176 ©IJRASET: All Rights are Reserved | SJ Impact Factor 7.538 | ISRA Journal Impact Factor 7.894 |

ISSN: 2321 9653; IC Value: 45.98; SJ Impact Factor: 7.538 Volume 10 Issue XI Nov 2022 Available at www.ijraset.com

Where is the diode current, is the output voltage [V], is the saturation diode current [A], is the form factor which represents an index of the cell failing, is the series resistance of the cell [℩], is the electric charge (1.602*10 19C), is the Boltzmann’s constant (1.381*10 23K), is the module temperature [K].

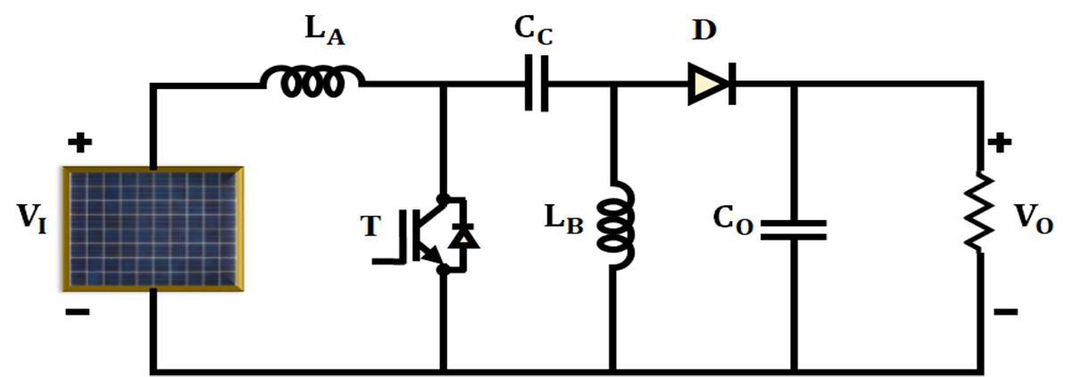
B. SEPIC Converter

Much attention has been given to the Single Ended Primary Inductor Converter (SEPIC) topology recently because output voltage may be either higher or lower than input voltage .The output is also not inverted as is the case in a fly back or Cuk topology. Voltage conversion is accomplished with isolation transformer, instead of using inductors to transfer energy. The input and output voltages are DC isolated by a coupling capacitor and the converter works with constant frequency PWM. The basic topology of SEPIC converter is shown in Fig. 3.

Fig 3 SEPIC Converter

The analysis of the converter is performed under the following assumptions. The components of the converter are ideal and the capacitances and are large enough so that the voltages across them are constant. The efficiency of the structure is considered equal to 100 %. The SEPIC converter can be operated in continuous conduction mode and discontinuous conduction mode.

C. CASCADED ANN

The suggested technique integrates to cascaded ANN to assess the voltage where maximum power is achieved with reading the current and voltage signals. The current and voltage signals of the array acts as the inputs to ANN1. ANN1, the neural network one, is equipped to forecast irradiance and the temperature that are to be treated as input to ANN2, the second neural network.

1) ANN1: The structure of ANN1 is shown in the Fig. 4. There are ten neurons in the hidden layer, activation functions of which is tansig. The last layer (output layer) composes of two purelin neurons. A training set compromises of 42 PV curves. Each curve defined using 6 points ( , ). A particular PV curve represents a particular value of irradiance and temperature. The ANN1 is trained using 252 (42x6) points and ANN2 is trained using 35 (35x1) points as shown in Fig. 4.

Fig. 4 ANN structure

2) ANN2: The structure of ANN2 is shown in Fig. 6. There are ten neurons in the hidden layer, activation function of which is tansig. The one neuron in output layer has purelin activation function. The training set compromises of 42 PV curves. Every curve is defined by only one point. A particular PV curve represents a particular value of irradiance and temperature.

International Journal
Research
)
for
in Applied Science & Engineering Technology (IJRASET
177 ©IJRASET: All Rights are Reserved | SJ Impact Factor 7.538 | ISRA Journal Impact Factor 7.894 |
= ( 1 (1)

ISSN: 2321 9653; IC Value: 45.98; SJ Impact Factor: 7.538 Volume 10 Issue XI Nov 2022 Available at www.ijraset.com

D. IoT Based Smart Grid Monitoring System

The performance of PV system was measured in three consecutive days with a duration of eight hours a day. The PV system was placed on top of a building which is exposed to a direct sunlight without much interference from the environmental shadow. The ACS712 Hall effect based current sensor was used to sense the current in the circuit and the temperature of panel was measured using LM35 temperature sensor. Light intensity sensor GY 49 MAX44009 was used to measure the intensity of the sunlight exposed to the panel. The Arduino Mega based on ATMega2560 is represented in Fig. 5

Fig 5 Arduino UNO microcontroller

The Arduino Mega based on ATMega2560 acted as the microcontroller that collect and process all the data from the sensors. The state of charge of battery is monitored using the IoT concept. The data was then sent to the wifi module NodeMCU ESP8266 via serial communication protocol.

IV. RESULTANDDISCUSSION

In this paper, output power of PV panel and state of charge of battery are monitored using IoT technology. An Arduino Uno microcontroller board is employed. Thinkspeak is utilized to store all the data from the sensor and visualize it in the graphical representation so the user can monitor the data remotely as long as the internet connection is available. The parameter specifications of PV system and SEPIC converter are represented in Table 1. TABLE 1

The simulation results obtained for temperature is represented in Fig. 6.

International Journal
Research
Applied
)
for
in
Science & Engineering Technology (IJRASET
178 ©IJRASET: All Rights are Reserved | SJ Impact Factor 7.538 | ISRA Journal Impact Factor 7.894 |
Rating PV
PARAMETER SPECIFICATIONS Parameters
system Peak power 10 Capacity 500 Number of panels 20 SEPIC converter , 15 , 150 Diode 95 Switching frequency 10

Technology (IJRASET

ISSN: 2321 9653; IC Value: 45.98; SJ Impact Factor: 7.538 Volume 10 Issue XI Nov 2022 Available at www.ijraset.com

Fig 6 Temperature waveform

The results shows that, temperature of solar panel is maintained at 35° at 0.2 seconds. The solar irradiance waveform is represented in Fig. 7

Fig 7 Irradiance waveform

From results, the solar irradiation is constantly maintained at 800 / . The input voltage of converter is represented in Fig. 8

Fig 8 Input voltage waveform of SEPIC converter

Initially, the output voltage of solar panel is maintained at 40 V, which is suddenly increased and maintained at 43 V in 0.2 seconds. The input current waveform of SEPIC converter is represented in Fig. 9

Fig 9 Input current waveform of SEPIC converter

)
International Journal for Research in Applied Science & Engineering
179 ©IJRASET: All Rights are Reserved | SJ Impact Factor 7.538 | ISRA Journal Impact Factor 7.894 |

& Engineering Technology (IJRASET

ISSN: 2321 9653; IC Value: 45.98; SJ Impact Factor: 7.538 Volume 10 Issue XI Nov 2022 Available at www.ijraset.com

The input current of converter is maintained at 2A at 0.01 seconds. The output voltage waveform of SEPIC converter is represented in Fig. 10.

Fig 10 Output voltage waveform of SEPIC converter

A constant voltage of 300 V is maintained at 0.05 seconds. The output current waveform of SEPIC converter is represented in Fig. 11

Fig. 11 Output current waveform of SEPIC converter

From the obtained output current waveform of SEPIC converter, a constant current of 0.2 A is maintained at 0.05 seconds. The IoT monitoring of output obtained is represented in Fig. 12.

Fig. 12 Monitoring by IoT platform

The IoT monitoring at temperature of 317℃ and intensity of 813 W is found to have a voltage of 600.3 V, 418.5 V and 3.81

V. CONCLUSION

In this paper, an IOT based approach for monitoring the solar power consumption is presented and a prototype is developed to simulate the results. The underlying approach records the solar panel perimeters like current, voltage and temperate via sensors and transfer over cloud using Arduino. Results are displayed via on board screen as well as mobile application. Users will be able to track, monitor and control their panel virtually to maximize the electricity. In the end, the solar monitoring gadget using IoT has been established efficaciously on this mission with the monitoring gadget for the power produced through the sun strength assets. With the implementation of IoT, it has eased the monitoring technique from every other location by using the Blynk utility, suitable for both Android and IOS users.

International Journal for Research in Applied Science
)
180 ©IJRASET: All Rights are Reserved | SJ Impact Factor 7.538 | ISRA Journal Impact
7.894 |
Factor

(IJRASET

ISSN: 2321 9653; IC Value: 45.98; SJ Impact Factor: 7.538

Volume 10 Issue XI Nov 2022 Available at www.ijraset.com

REFERENCES

[1] H T. Pedro, E Lim, and C F. M. Coimbra, “A database infrastructure to implement real time solar and wind power generation intra hour forecasts”, International Journal of Renewable energy Elsevier, vol. 123, pp. 513 525, 2018.

[2] A K Rohit, A Tomar, A Kumar, and S Rangnekar, “Virtual lab based real time data acquisition, measurement and monitoring platform for solar photovoltaic module”, International Journal of Resource Efficient Technologies, pp.1 6, 2017.

[3] N. A. Othman, N. S. Damanhuri, I. R. Ibrahim, R. Radzali, and M. N. Mohd, “Automated Monitoring System for Small Scale Dual Tariff Solar PV plant in UiTM Pulau Pinang”, Proceedings of the World Congress on Engineering(WCE) U. K, vol. 2, pp.1 3, 2010.

[4] K Hazarikaa, and P K Choudhurya, “Automatic monitoring of solar photovoltaic (SPV) module”, Science direct proceedings, vol. 4, pp.12606 12609, 2017.

[5] S Adhya, D Saha, A Das, J Jana, and H Saha, “An IoT Based Smart Solar Photovoltaic Remote Monitoring and Control unit", IEEE International Conference on Control, Instrumentation, Energy & Communication (CIEC), pp.432 436, 2017.

[6] R I. S. Pereira, I M. Dupont, P C. M. Carvalho, and S C. S. Juca, “ IoT Embedded Linux System based on Raspberry Pi applied to Real Time Cloud Monitoring of a decentralized Photovoltaic plant”, International Journal of measurement Elsevier, vol. 2, pp.1 18, 2017.

[7] A Chouder, S Silvestre, B Taghezouit, and E Karatepe, “Monitoring, modeling and simulation of PV systems using LabVIEW”, International Journal of Solar energy Elsevier, vol. 1, pp.337 349, 2013.

[8] B Krishna, and K Sinha, “Tracking of Sun for Solar Panels and Real Time Monitoring Using LabVIEW”, Journal of Automation and Control Engineering, vol. 1, pp.1 4, 2013

[9] R. Nagalakshmi, B. K Babu, and D. Prashanth, “Design and Development of a Remote Monitoring and Maintenance of Solar Plant Supervisory System”, International Journal of Engineering and Computer Science, vol. 3, pp.9382 9385, 2014

[10] P. Papageorgas, D. Piromalis, K. Antonakoglou, G. Vokas, D. Tseles and K. G. Arvanitis, “Smart Solar Panels: In situ monitoring of photovoltaic panels based on wired and wireless sensor networks”, International Conference on Advancements in Renewable Energy and Clean Environment, vol. 36, pp.535 545, 2013.

[11] A. A Khuwaja, and A Sattar, “Solar Power Remote Monitoring and Controlling Using Arduino, LabVIEW and Web browser”, IEEE International Conference on Power Generation System and Renewable Energy Technologies, pp.1 4. 2015

[12] B Ando, S Baglio, and A Pistorio, “Sentinella: Smart monitoring of photovoltaic system at panel level”, IEEE Transaction on Instrumentation and measurement, vol. 64, pp. 2188 2199, 2015

[13] H Ibrahim, and N Anani, “Variations of PV module parameters with irradiance and temperature”, International Conference on Sustainability in Energy and Building, Energy Procedia, vol. 134, pp.276 285, 2017.

[14] S. Rajalingam, and V. Malathi, “HEM algorithm based smart controller for home power management system”, International Journal of Energy and Buildings ELSEVIER, vol. 131, pp.184 192, 2016.

[15] M Ali, and M K Paracha, “An IoT based approach for monitoring solar power consumption with Adafruit Cloud”, International Journal of Engineering Applied Sciences and Technology, vol. 4, no. 9, pp 335 341, 2020

International
Journal for Research in Applied Science & Engineering Technology
)
181 ©IJRASET: All Rights are Reserved | SJ Impact Factor 7.538 | ISRA Journal Impact Factor 7.894 |

Turn static files into dynamic content formats.

Create a flipbook
Issuu converts static files into: digital portfolios, online yearbooks, online catalogs, digital photo albums and more. Sign up and create your flipbook.