IoT Connected Smart Pill Box

Page 1

10 XII December 2022 https://doi.org/10.22214/ijraset.2022.47829

ISSN: 2321-9653; IC Value: 45.98; SJ Impact Factor: 7.538 Volume 10 Issue XII Dec 2022- Available at www.ijraset.com

IoT Connected Smart Pill Box

Surabhi Deshpande1 , Disha Khater2 , Rushikesh Dhurat3 , Sachin Dhamne4 Computer Science, VIT, Pune

Abstract: A pill box is a container used to organize your medication doses for a set period of time. If you need to take several different prescriptions, a pill box comes in quite handy. You won't have to worry about forgetting to take your prescription. The aim of our project is to create a smart pill box that will allow patients to take all their prescribed medication on time and minimize the chances of missing any dose. Due to the current fast-paced lifestyle, the tendency to forget has risen amongst the population. As a result, many people forget to take their medication. This issue will be rectified with our smart pill box.

Keywords: Application, Healthcare, IoT, Medicine

I. INTRODUCTION

There are a lot of individuals in this world who require medical assistance, most often the elderly and disabled people. Geriatrics are most likely to require some form medication in order to remain healthy. A lot of times this medication comes in the form of pills. However, due to old age they tend to be forgetful and don’t remember to take their pills on time or in some cases at all. Missed doses increase the likelihood of complication in the patient’s health by a substantial amount.

A “Smart Pill Box” is one solution to this problem. It is an application of IoT in the field of healthcare which has the possibility of improving patients’ health even though it isn’t a complicated device. For the device to be called smart it must be able to connect to some other device through any form of wireless communication. For our device we have proposed using Wi-Fi to allow the smart pill box to be connected to the user’s smartphone via a dedicated application.

II. LITERATUREREVIEW

The authors have proposed a “Smart Pill Box” to solve the problem of elderly patients forgetting to take or taking the wrong medication. Their proposed prototype consisted of the actual physical pill box and an android application to be used by the user to receive notifications from the pill box. They created a mechanism where 9 separate pills could be stored and could be dispensed depending upon the required dose. [1]

In this paper an Arduino Mega 2560 is a microcontroller board used to bridge software and hardware modules of the device. GSM or GPRS module is used to send Short Message Service (SMS) to their relatives or guardians and doctors who are given with SIM card. The Peltier module is used as a thermoelectric generator in medicine box in case there are some to be kept below room temperature. Also, a group of sensors is used in it for the online health monitoring of patient such as heartbeat and pulse rate sensor for the doctor administration. From this, A well organized medicine box is obtained for any age group and all types of medicine being administered to the patient. There are different compartments required according to the nature of the tablet. Also, there are compartments with respect to how many times the tablet is supposed to be taken.With the help of sensors in the box, the doctor receives a continual update on the patient's health. Medicine can be changed of replaced and also an intime treatment can be done if the condition goes worse. [2]

The Second Design, Pill Buddy is an Arduino based pill box and a web application, to assist patients in adhering to their prescription schedules. The main objective of Pill Buddy at could notify caregivers when patients forget to take their medications, and to integrate a web-application that would provide an easy way for caregivers to communicate about prescriptions, and by extension, other topics relating to the wellbeing of the patient. The components used are LEDs, Piezo buzzers for alarms. It uses photo resistors used to detect if pills are still in their compartment. The second design, Pill Buddy, combines a web application and an Arduino-based pill box to help patients stick to their medication regimens. Pill Buddy's primary goal is to alert caregivers when patients fail to take their pills and to incorporate a web application that would make it simple for caregivers to talk to each other about prescriptions and, in turn, other matters pertaining to the patient's welfare. LEDs and Piezo buzzers are employed as components for the alarms. To determine whether tablets are still in their compartment, it uses photo resistors. The third design of Smart Medicine Box is a high-level architecture. The SMB has four compartments and a cover door for the medication. An IR sensor, a magnetic sensor, and an LED are all connected to each compartment. The pill is recognized when it enters the container using the IR sensor. Additionally, it has a PC-based database application that enables the user or caretaker to record information

International Journal for Research in Applied Science
)
& Engineering Technology (IJRASET
150 ©IJRASET: All Rights are Reserved | SJ Impact Factor 7.538 | ISRA Journal Impact Factor 7.894 |

ISSN: 2321-9653; IC Value: 45.98; SJ Impact Factor: 7.538 Volume 10 Issue XII Dec 2022- Available at www.ijraset.com

about the medication in each of the four compartments, including its name, expiration date, dose, frequency of administration, and overall number of pills. Users can monitor how many pills are left in each compartment using the mobile app.[3]

The authors of this paper discuss about an advanced medicine box monitoring, analysis and control system which is smart and safe medical box that assists patients in taking their pills treatment on time. Application basically focuses on two main parts that is 1. Safety of device which includes automatic locking of device so that it can be safe for children and 2. As an assistant that can remind patients for their medicine. But drawback of this solution is authors have not discussed about multiple pills system and also due to a greater number of components device is not compact as it should be. These points were considered while proposing our solution. [4] The authors of this paper used an Arduino UNO: embedded system for all-things interface, 8-bit microcontroller RTC sends data to the LCD module, which displays the current time and date on the LCD. Because the RTC module has an inbuilt CMOS cell, it can update the time and date without an external power source. Buzzer: When it's time to take medicines, the buzzer will sound at the appropriate time. LED: There are 7 boxes, and each one has an LED that blinks to indicate which box contains the tablets that should be taken at a particular time. Pushbuttons: This device has three pushbuttons, the first of which is used to set the medication, the second to increment, and the third to move to the next one. When the time and date are set by push buttons, device will continuously compare the real time & set time. An LED will blink and a buzzer will sound if the times are accurate. It then determines if the user has opened the package or not. When the box is opened, the buzzer and LED turn off; otherwise, they continue to sound and blink continuously.. [5]

III. METHODOLOGY

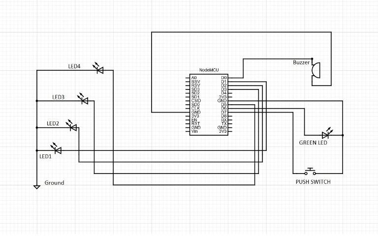
Connect 4 Reds LEDs, Buzzer ,1 Green LED to the digital pins of the Node MCU. In Arduino IDE, install the libraries ESP8266Wifi(connect Node MCU to WIFI Network) , FirebaseESP8266(Connects Node MCU to Firebase Realtime Database) and initialize the variables like, database URL, auth code, password ,SSID of WIFI network, firebase data variable. Use the getInt function to retrieve data of the database field using the given path. Based upon the value of the retrieve data, set the Led and Buzzer Status. The status of LEDs and Buzzer is controlled by the mobile application. Upload the code on Node MCU board. Develop a mobile application which allows multiple users to set alarms. The mobile application consists of functionalities of Registration, Login, Dashboard, Add Medicine Page, Medicine Details Page, Schedule Alarms Page, Customer Profile Page, etc. When an alarm is scheduled , LED attached to particular box is ON and buzzer starts ringing. When the user clicks on the notification received , he/she is directed to notification page. The user needs to take the pills and click on the pills taken button in the Notification to stop the alarm and LEDS.

IV. FLOWCHARTANDCIRCUIT

Fig 1: Flowchart of the Pill Box system

International Journal
Research
for
in Applied Science & Engineering Technology (IJRASET)
151 ©IJRASET: All Rights are Reserved | SJ Impact Factor 7.538 | ISRA Journal Impact Factor 7.894 |

ISSN: 2321-9653; IC Value: 45.98; SJ Impact Factor: 7.538 Volume 10 Issue XII Dec 2022- Available at www.ijraset.com

International Journal for Research in Applied Science & Engineering Technology (IJRASET)
152 ©IJRASET: All Rights are Reserved | SJ Impact Factor 7.538 | ISRA Journal Impact Factor 7.894 |
2: Circuit diagram of the pill box V.
Fig 3: Design of Pill box Fig 4: Status of pill box when alarm is scheduled
Fig
RESULTSANDDISCUSSION

International Journal for Research in Applied Science & Engineering Technology (IJRASET

ISSN: 2321-9653; IC Value: 45.98; SJ Impact Factor: 7.538 Volume 10 Issue XII Dec 2022- Available at www.ijraset.com

Fig 5,6: Registration and Login page

Fig 7,8: Main menu and add Medicine page

)
153 ©IJRASET:
are Reserved |
|
|
All Rights
SJ Impact Factor 7.538
ISRA Journal Impact Factor 7.894

Journal for Research in Applied Science & Engineering Technology (IJRASET

ISSN: 2321-9653; IC Value: 45.98; SJ Impact Factor: 7.538 Volume 10 Issue XII Dec 2022- Available at www.ijraset.com

Fig 9,10: Medicine details and Scheduled alarms page

Fig 11,12: Delete or pills taken and Logout page

International
)
154 ©IJRASET:
Reserved |
|
|
All Rights are
SJ Impact Factor 7.538
ISRA Journal Impact Factor 7.894

& Engineering Technology (IJRASET

ISSN: 2321-9653; IC Value: 45.98; SJ Impact Factor: 7.538 Volume 10 Issue XII Dec 2022- Available at www.ijraset.com

VI. LIMITATIONS

The overall user experience of the custom Android application developed by the team is very rudimentary. A couple functions of the alarm are not up to the mark when compared to other applications. Mainly, the snooze function is absent from our project. Some software bugs are still present that slightly delay the activation of the alarm. The packaging of the hardware is also very bulky.

VII. FUTURESCOPE

The user experience of the Android application can be improved greatly. An IOS application can also be developed to ensure platform independence. The packaging and design of the pill box can be improved significantly from the current prototype. The cost of the entire pill box can also be significantly reduced by developing a custom PCB and accompanying electronics, rather than the using off-the-shelf components. All the software bugs can also be patched and fixed in subsequent updates.

VIII.CONCLUSION

Our objective of developing a smart pillbox that enables customers to take their prescribed medication on time has been accomplished. This approach is effective in assisting elderly adults frequently forget to take the right prescription on time.

IX. ACKNOWLEDGMENT

We would like to extend our sincere gratitude to Prof. Rajshree Akolkar, the project supervisor, and the Vishwakarma Institute of Technology in Pune for providing the inspiration and direction necessary to complete this project.

REFERENCES

[1] Diaa Salama Abdul Minaam, Mohamed Abd-EL Fattah, “Smart Drugs: Improving Healthcare using Smart Pill Box for Medicine Reminder and Monitoring System”, Future Computing and Informatics Journal 3(2018) 433-456G

[2] K. Bhavya, B. Ragini, “A Smart Medicine Box for Medication Management using IoT”, Journal of Xi'an University of Architecture & Technology ISSN No: 1006-7930

[3] R. Al-Shammary, D. Mousa, S. E. Esmaeili, “Design of Smart Medicine Box”, ICEE 2018.K.

[4] Hiba Zeidan, Khalil Karam, Roy Abi Zeid Daou, Ali Hayek, Josef Boercsoek, “Smart Medicine Box System”, 2018 IEEE Interdisciplinary conference on engineering technology (IMCET)

[5] Sanjay Bhati, Harshad Soni, Vijayrajsinh Zala, Parth Vyas, Yash Sharma, “Smart Medicine Reminder Box”, IJSTE - International Journal of Science Technology & Engineering | Volume 3 | Issue 10 | April 2017

International Journal for Research in Applied
)
Science
155 ©IJRASET: All Rights are Reserved | SJ Impact Factor 7.538 | ISRA Journal Impact Factor 7.894 |

Turn static files into dynamic content formats.

Create a flipbook
Issuu converts static files into: digital portfolios, online yearbooks, online catalogs, digital photo albums and more. Sign up and create your flipbook.