Introduction to Crystal Growth

Page 1

10 X October 2022 https://doi.org/10.22214/ijraset.2022.46933

ISSN: 2321 9653; IC Value: 45.98; SJ Impact Factor: 7.538

Volume 10 Issue X Oct 2022 Available at www.ijraset.com

Introduction to Crystal Growth

Sanjiv. M

CRYSTALS; SINGLE CRYSTAL GROWTH TECHNIQUES APPLICATION AND Cd Mn Te SINGLE CRYSTAL CASE STUDY.

I. HISTORICAL PERSPECTIVE.

The crystal, with its regular atomic construction, is the most commonly encountered state of solid materials. In the earth‘s surface, crystals were grown by extreme conditions of high temperature, pressure and other environmental factors. To be specific each crystal starts small and grows as more atoms are added. Many grow from water rich in dissolved minerals, but they can also be grown from melted rock and even vapor. Under the influence of different temperatures and pressures, atoms combine in an amazing array of crystal shapes. The process can take as little as a few days to maybe a thousand years. Crystals that are found in Earth’s crust are often formed in this manner. These crystals were formed over a million years ago inside the Earth's crust. They occurred when the liquid in the Earth consolidates. Crystals are not new to mankind, as they exist in the ancient period. Salt crystals were used in many cultures for food and other purposes. These salt crystals were grown by evaporating seawater in direct sun. In some cultures, pure salt crystals were used as currency and for trading as it was viewed as a precious resource. Some even waged wars against the salt accusation. The Ancient Egyptians used lapis lazuli, turquoise, carnelian, emerald, and clear quartz in their jewelry. They used some stones for protection and health, and some crystals for cosmetic purposes, like galena and/or malachite as eye shadow. Every part of the world considers Diamond, sapphire, and Ruby as a valuable resources. In India, the Mughals and other kingdoms used Diamond and Sapphire for exquisite ornaments and necklaces. This was the reason India was constantly colonized by the Mughals and by the British. India is the first country to open mines to produce diamonds. Probably the first reference to crystals in Ancient Rome was reported by Pliny the Elder (I Century AD) in his “Natural History”, where he describes windows and greenhouses of the richer inhabitants of the Roman Empire being covered by crystals of "Lapis specularis”, the Latin name for large transparent crystals of gypsum. This dehydrated form of calcium sulfate was extracted by Romans in Segóbriga (Spain) because of its crystal clarity, size (up to one meter), and perfect flatness.

The German mathematician, astronomer, and astrologer Johannes Kepler (1571 1630) marveled when a snowflake landed on his coat showing its perfect six cornered symmetry. In 1611 Kepler wrote” Six cornered Snowflake” (Latin title” Strena Seu de Nive Sexangula”) the first mathematical description of crystals.

II. CRYSTALS IN MODERN ERA.

We cannot think of a modern technology that would be half as good without the use of crystals. Crystals are the unacknowledged pillars of modern technology. Without crystals, there would be no electronic industry, no photonic industry, and no fiber optic communications, which depend on materials/crystals in the field of semiconductors, superconductors, polarizers, transducers, radiation detectors, ultrasonic amplifiers, ferrites, magnetic garnets, solid state lasers, non linear optics, piezoelectric, electro optic, acoustic optic, photosensitive, refractory of different grades, crystalline films for microelectronics and computer industries. The list is almost endless. In the past few decades, there has been a growing interest in crystal growth, particularly given the increasing demand for materials for technological applications.

Quartz crystals are one of the common components in devices like cell phones, television receivers, and, of course, watch and clocks. One of the main reasons quartz is used in so many electronic devices is because of its piezoelectric property. Garnet crystals are used to make sandpaper. Corundum crystals are used to make grinding wheels and durable sandpaper. Diamond crystals are used in rock cutting drill bits and saws. Calcite crystals are ground up and used to make Tums and heated to make cement. Gypsum crystals are heated and powdered to make plaster. Halite (salt) crystals are used on food and in many industrial chemical processes. Magnetite and hematite crystals are iron ore. Ruby crystals were used in the earliest red lasers. Even in this modern civilized world ornaments such as Rings, necklaces, bracelets, and other cosmetic jewelry made from Diamond, Sapphire, and Ruby are crazed over and still regarded as a prized possession. But the slight twist is that now these crystals can be manmade and can be grown in Labs.

International Journal for Research in Applied Science
Engineering
)
&
Technology (IJRASET
433 ©IJRASET: All Rights are Reserved | SJ Impact Factor 7.538 | ISRA Journal Impact Factor 7.894 |

ISSN: 2321 9653; IC Value: 45.98; SJ Impact Factor: 7.538 Volume 10 Issue X Oct 2022 Available at www.ijraset.com

One such example is Lab grown Diamonds. A lab created diamond is “grown” inside a lab using cutting edge technology that replicates the natural diamond growing process. Lab grown diamonds are 100% pure crystallized carbon. This Lab grown diamond is chemically, physically, and optically the same as those grown beneath the Earth’s surface. They have the same refractive index, dispersion, and hardness which are graded to the same mined diamonds by leading independent gemological institutes including IGI, GIA, and GCAL.

III. CRYSTAL STRUCTURE

A crystalline solid is formed by regular repetition of its building blocks (unit cell) in a three dimensional periodic array. A unit cell is the building block of the crystal structure and it also explains in detail the entire crystal structure and symmetry with the atom positions along with its principal axes. The length, edges of principal axes and the angle between the unit cells are called lattice constants or lattice parameters. This parameters form the crystal systems. A Crystal System refers to one of the many classes of crystals, space groups, and lattices. Based on their point groups crystals and space groups are divided into seven crystal systems. The Seven Crystal Systems is an approach for classification depending upon their lattice and atomic structure. The atomic lattice is a series of atoms that are organized in a symmetrical pattern. With the help of the lattice, it is possible to determine the appearance and physical properties of the stone.

The seven crystal systems are as follows:

BASICLATTICE SYSTEM

Cubic

Tetragonal

Rhombohedral

Orthorhombic

Monoclinic

Triclinic

EDGE a=b=c a=b≠c a=b≠c a=b=c a≠b≠c a≠b≠c a≠b≠c

ANGLE

α=β=γ=90°

α=β=90°, γ=120°

α=β=γ=90°

α=β=γ<120° α=β=γ=90° α=γ=90°<β α≠β≠γ

Crystal system is very important to distinguish between two minerals such as graphite and diamond. Both are crystals of carbon molecules, but by knowing how the elements are stacked together and the orientation of the unit cells and lattice plane we can distinguish them.

IV. PROPERTIES OF CRYSTALS.

Since crystals have highly ordered arrangements of atoms and molecules. They have

1) Firm structure.

2) Hold a definite and fixed shape.

3) ·Rigid and incompressible.

4) Have geometric shapes and flat faces.

5) They have definite heat of fusion.

6) When cutting with a sharp edge, the two new halves will have smooth surfaces (Cleavage Property).

International Journal for Research in Applied Science
)
& Engineering Technology (IJRASET
434 ©IJRASET: All Rights are Reserved | SJ Impact Factor 7.538 | ISRA Journal Impact Factor 7.894 |
 Hexagonal

ISSN: 2321 9653; IC Value: 45.98; SJ Impact Factor: 7.538

Volume 10 Issue X Oct 2022 Available at www.ijraset.com

7) The spaces between the atoms are very less due to high intermolecular forces. This results in crystals having high melting and boiling points.

8) The intermolecular force is also uniform throughout the structure. Crystals have a long range order, which means the arrangement of atoms is repeated over a great distance. That is a crystal has the same structure, orientation, and lattice parameters throughout its length.

9) Anisotropic in nature. i.e., the magnitude of physical properties (such as refractive index, electrical conductivity, thermal conductivity, etc) is different along with different directions of the crystal.

V. TYPES OF SOLID MATERIALS.

Solids are generally distinguished as SINGLE

CRYSTALLINE, POLYCRYSTALLINE AND AMORPHOUS.

The fundamental difference between single crystal, polycrystalline and amorphous solids is the length scale over which the atoms are related to one another by translational symmetry i.e. periodicity or long range order. Single crystals have infinite periodicity, polycrystals have local periodicity, and amorphous solids have no long range order.

An ideal single crystal has an atomic structure that repeats periodically across its whole volume. Even at infinite length scales, each atom is related to every other equivalent atom in the structure by translational symmetry.

A polycrystalline solid is comprised of many individual grains or crystallites. Each grain can be thought of as a single crystal, within which the atomic structure has long range order. In an isotropic polycrystalline solid, there is no relationship between neighboring grains. Therefore, on a large enough length scale, there is no periodicity across a polycrystalline sample.

Amorphous materials, like window glass, have no long range order at all, so they have no translational symmetry. The distances between atoms in the structure are randomly defined. Both liquids and amorphous solids have short range order that fixes the distances between atoms, but only crystals have long range order.

A. Single Crystalline

A single crystal often has distinctive plane faces and some symmetry. The actual shape of the crystal depends on the parameters such as temperature, pressure, property of the materials, and others. The angles between the faces will be characteristic of the material and will define an ideal shape. The properties of crystalline samples can be completely isotropic or strongly anisotropic depending on the nature of the material and how it was formed.

Gemstones are often single crystals. They tend to be cut artificially to obtain desired refractive and reflective properties. This generally requires cutting along crystallographic planes. This is known as cleaving the crystal. A familiar example is a diamond, from which decorative stones can be cleaved in different ways to produce a wide range of effects. Most single crystals show anisotropy in certain properties, such as optical and mechanical properties. The characteristic shape of some single crystals is a clue that the properties of the material might be directionally dependent.

International Journal for Research in Applied
)
Science & Engineering Technology (IJRASET
435 ©IJRASET: All Rights are Reserved | SJ Impact Factor 7.538 | ISRA Journal Impact Factor 7.894 |

ISSN: 2321 9653; IC Value: 45.98; SJ Impact Factor: 7.538

Volume 10 Issue X Oct 2022 Available at www.ijraset.com

SINGLE CRYSTAL SI SINGLE CRYSTAL

B. Poly Crystalline

Polycrystalline materials are solids that consist of many small crystals which are called grains. The grains are separated by grain boundaries and normally have random crystallographic orientations. The lattice arrangement of atoms within each grain is nearly identical, but the orientation of the atoms is different for each adjoining grain. The surface that separates neighboring grains is the grain boundary.

The size of grain varies according to the conditions under which the growth is formed. In some cases, Galvanized steel has a visible large grain. Some materials have much finer grains and require the use of optical microscopy. The properties of polycrystalline materials are notably different from those of a single crystal. The three dimensional shape of grains in a polycrystalline material is similar to the arrangement of soap bubbles in a small area. Ceramics are polycrystalline materials. Ceramics are made up of metallic as well as non metallic elements. They are bonded by ionic bonds along with some covalent bonds. Certain properties of ceramics like low ductility and brittleness have limited their use.

The grains of this iron carbon alloy. Packing of soap bubbles similar to Poly crystals.

C. Amorphous

Amorphous solids, lacking the three dimensional long range order of a crystalline material, possess a more random arrangement of molecules, exhibit short range order over a few molecular dimensions, and have physical properties quite different from those of their corresponding crystalline states. Amorphous solids resemble liquids in that they do not have an orderly arrangement of atoms or ions in a three dimensional structure. These solids do not have a sharp melting point and the solid to liquid transformation occurs over a range of temperatures. The physical properties exhibited by amorphous solids are generally isotropic as the properties do not depend on the direction of measurement and show the same magnitude in different directions.

International Journal for Research in Applied Science
)
& Engineering Technology (IJRASET
436 ©IJRASET: All Rights are Reserved | SJ Impact Factor 7.538 | ISRA Journal Impact Factor 7.894 | Lab
Grown Crystals
QUARTZ

ISSN: 2321 9653; IC Value: 45.98; SJ Impact Factor: 7.538 Volume 10 Issue X Oct 2022 Available at www.ijraset.com

Amorphous solid, when heated and then cooled slowly by annealing, becomes crystalline at some specific temperature. That is why glass objects of ancient times look milky as some crystallization has taken place. Amorphous solids find many applications because of their unique properties. For example, inorganic glasses find applications in construction, houseware, and laboratories. Plastics are used extensively in households and industries. Unlike crystalline solids, the physical properties of amorphous solids are identical in all directions along any axis so they are isotropic. The study of how amorphous solids form, their structure, characteristics, and properties is essential for a better understanding of our natural environment and the development and optimization of important consumer materials and advanced technologies.

A glass block. Atomic structure of glass materials.

VI. WHY SINGLE CRYSTALS?

A single crystal is a mixture of elements that can be formed in such a way that the entire object is essentially a single giant “grain,” i.e., one continuous crystal. In the single crystalline material, the crystal structure is near perfect and the arrangement of the atoms or molecules exhibits strict order. In this entire sample, the crystal lattice is continuous with no grain boundaries. The absence of the defects associated with grain boundaries can give crystals unique properties, particularly mechanical, optical and electrical, which can also be anisotropic, depending on the type of crystallographic structure. Single crystals find important uses in research and development. According to some researchers and scientists, single crystals are true solids due to their little to no defects. Thus, an understanding of the physics and chemistry of solid state single crystals is a prerequisite. One may use polycrystalline samples rather than single crystals for many studies, but often single crystals are preferred. As we know, poly crystals contain grain boundaries. For the study of the bulk property of a material and if we measure that on a polycrystalline specimen, it will include the effect of grain boundaries. A notable example is, where single crystals are essential is electrical conductivity, which is particularly impurity sensitive. Impurities tend to segregate at grain boundaries, thereby obstructing the passage of current. Hence, single crystals are almost required for determining any conductivity measurement. Another common effect of grain boundaries and associated voids is light Scattering and, hence, single crystals are required in optical studies as well. Many properties of crystals depend on the crystallographic direction in which the measurement is carried out because the spatial arrangement of the constituent atoms is not in general the same in all directions. Consequently, if we determine a directionally dependent property in a polycrystalline specimen, where the crystallites are randomly oriented, we will obtain only an average value of the property in which the directional dependence gets masked. Single crystals have important practical applications in technology. For example, in quartz oscillators, much better frequency stability can be achieved in single crystal quartz than in polycrystalline samples. In nonlinear optical conversion processes, one invariably uses oriented single crystals.

A. Two Principle Reaons For The Deliberate Usage Of Single Crystal Is

1) Many physical properties of solids are obscured or complicated by the effects of grain boundaries.

2) The full range of tensor relationships between applied physical cause and observed effect can be obtained only if the full internal symmetry of the crystal structure is maintained throughout the sample.

International Journal
Research in Applied
)
for
Science & Engineering Technology (IJRASET
437 ©IJRASET: All Rights are Reserved | SJ Impact Factor 7.538 | ISRA Journal Impact Factor 7.894 |

ISSN: 2321 9653; IC Value: 45.98; SJ Impact Factor: 7.538 Volume 10 Issue X Oct 2022 Available at www.ijraset.com

CRYSTALS USED SEMICONDUCTORS

MATERIAL CLASS DEVICES

A. Electrical diodes.

B. Hall Effect magnetometer. C. Integrated circuits.

D. Infrared detectors.

E. Light emitting diodes.

F. Photo diodes.

G. Photo conduction devices. H. Radiation detectors. I. Transistors. J. Thyristors.

Si, Ge InSb Si, GaAs GaSb, InAs, CdxHg₁ xTe GaAs, GaSb, GaP, Sn, Pb, Te, GaN, ZnTe Si, GaAs, CdxHg₁ xTe Si, CdxHg₁ xTe Si, Ge, CdTe, BGO, PbS Ge, Si, GaAs Si

OPTICAL MATERIALS

A. Electro optic devices

MATERIAL CLASS

OPTICAL MATERIALS

B. Laser hosts DEVICES

A. Lenses, prisms, windows

B. Magneto optic devices

C. Nonlinear optical devices

LiNbO, ADP, KDP YAG, Al2O3:Cr³ (ruby), alexandrite, CaWO, Ti:Al₂O, GaAs, AlGaAs, InP, InSb, AlGaInP, InGaAsSb, InGaN

CRYSTALS USED

Al₂O, Ge ,LaF, Si ,CaF2, MgF₂ , AgBr, AgCl,LiF,CsBr,Quartz, ZnS

YIG (Y3Fe5O12) ADP, KDP, LiNbO3, KTP, BBO, LBO, CLBO

PIEZOELECTRIC MATERIALS

A. Resonant bulk wave devices

B. Surface wave devices

C. Transducers

SiO2, LiTaO3 SiO2, LiNbO3

Quartz, Rochelle salts, ADP MAGNETIC MATERIALS

A. Microwave filter

PYROELECTRIC MATERIALS

B. Tape heads Pyroelectric devices

Garnets Y3Fe5O12

Ferrites

TGS, LiTaO3, BaXSrX 1Nb2O6 (fire alarm)

VII. WHY CRYSTALS SHOULD BE GROWN ARTIFICIALLY?

Naturally occurring crystals are not as pure as the lab or artificially grown crystals. By growing crystals in labs and other artificial methods, we could change the composition of the crystals to be suited to our necessity. The orientation of atoms and molecules plays an important role in the physical, optical, and chemical properties of crystals. Crystals that are grown in the lab can be modified in their orientation, lattice parameters, and elemental composition whereas naturally occurring crystals cannot be modified.

International Journal for Research in Applied
)
Science & Engineering Technology (IJRASET
438 ©IJRASET: All Rights are Reserved | SJ Impact Factor 7.538 | ISRA Journal Impact Factor 7.894 |

ISSN: 2321 9653; IC Value: 45.98; SJ Impact Factor: 7.538 Volume 10 Issue X Oct 2022 Available at www.ijraset.com

Organic crystals are mostly polycrystalline it is not suitable for semiconductor and other technological purposes, this is where the major contribution of artificially lab grown crystals comes from. Lab grown crystals can be grown as single and polycrystalline based on the needs. The crystal growth industry is a multi billion dollar industry. With the rise of technology and consumer demand for computer devices, the raise of the crystal growth industry is not going to decline any time sooner.

VIII. THEORY AND TERMNOLOGIES.

A. GIBBS Surface Energy Theory

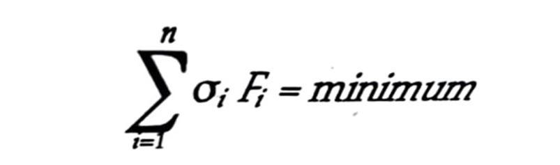
The first quantitative theory of a crystal growth was given by Gibbs himself on thermodynamic grounds. The surface theory states that the growing crystal assumes a shape, which has minimum surface energy i.e. the total free energy of a crystal in equilibrium with its surroundings at constant temperature and pressure would be minimum for given volume. Taking the volume of free energy per unit volume as constant throughout the crystal, the condition becomes

Where i is the surface free energy per unit area of the ith face of area Fi, on a crystal bounded by n faces. Thus, only those faces will develop that lead to a minimum total surface free energy for a given volume.

B. Phase Transition

A phase transition is a change in state from one phase to another. The defining characteristic of a phase transition is the abrupt change in one or more physical properties with an infinitesimal change in temperature. The cause for a phase transition is a change of a thermodynamic parameter, such as temperature, pressure, volume or magnetic field. The primary example is a change of temperature as the cause for a phase transition. There are six phase transitions between the three phases of matter. Melting, vaporization, and sublimation are all endothermic processes, requiring an input of heat to overcome intermolecular attractions. Common examples of phase transitions are the ice melting and the water boiling, or the transformation of graphite into diamond at high pressures.

C. Nucleation

Nucleation is an important phenomenon in crystal growth and is the precursor of crystal growth and of the overall crystallization process. Nucleation is simply defined as when few atoms or molecules join together a change in free energy takes place in the process of formation of a cluster in a new phase. The cluster consisting of such atoms or molecules is called nuclei that have the ability to irreversibly grow into larger sized crystal. Nucleation of the new phase is an extremely localized phenomenon, is the result of system fluctuations that bring a sufficient number of atoms or molecules together to form a stable size. Many natural processes happen due to nucleation, the most common among them being the formation of raindrops. All natural and artificial crystallization processes start with a nucleation event. Nucleation normally occurs at nucleation sites on surfaces contacting the liquid or vapor. Suspended particles or minute bubbles also provide nucleation sites. This is called heterogeneous nucleation. Nucleation without preferential nucleation sites is called homogeneous nucleation.

International Journal
Research
)
for
in Applied Science & Engineering Technology (IJRASET
439 ©IJRASET: All Rights are Reserved | SJ Impact Factor 7.538 | ISRA Journal Impact Factor 7.894 |

ISSN: 2321 9653; IC Value: 45.98; SJ Impact Factor: 7.538

Volume 10 Issue X Oct 2022 Available at www.ijraset.com

D. Super Saturation

A supersaturated solution contains more dissolved solute than required for preparing a saturated solution and can be prepared by heating a saturated solution, adding more solute, and then cooling it gently.

The driving force for crystallization is the supersaturation of the gas or liquid phase with respect to the component whose growth is required. Very little saturation will result in an unacceptably slow growth rate. At the other extreme of supersaturation range the rate of condensation exceeds the rate at which the atoms or molecules can be incorporated onto the crystal lattice, leading to breakdown of the single crystal interface and the onset of non uniform cellular growth. The object for good crystal growth is therefore to achieve and maintain a constant level of supersaturation within a range.

IX. HOW SINGLE CRYSTALS ARE GROWN.

Crystal growth is an interdisciplinary subject covering physics, chemistry, material science, chemical engineering, metallurgy, crystallography, mineralogy, etc. In the past few decades, there has been a growing interest in crystal growth processes, particularly given the increasing demand for materials for technological applications. The growth of crystal ranges from a small inexpensive technique to a complex sophisticated expensive process and crystallization time ranges from minutes, hours, days, and months. Single crystals may be produced by the transport of crystal constituents in the solid, liquid, or vapor phase.

On the basis of this, crystal growth may be classified into three categories as follows,

1) Growth from the solid phase.

2) Growth from the melts.

3) Growth from the liquid solution.

4) Growth from the vapour phase.

A. Growth From The Solid Phase

Solid state single crystal growth (SSCG) is a crystal growth technique where crystals are grown from a polycrystalline matrix. The growth of single crystals was initiated by the single crystal seeds and this growth continued as the surrounding polycrystalline matrix was converted into a single crystal. The application of external pressure during the process has been found beneficial for reducing the porosity of the grown single crystal. In solid phase growth, some grains grow larger at the expense of the others.

International Journal
Research
)
for
in Applied Science & Engineering Technology (IJRASET
440 ©IJRASET: All Rights are Reserved | SJ Impact Factor 7.538 | ISRA Journal Impact Factor 7.894 |

ISSN: 2321 9653; IC Value: 45.98; SJ Impact Factor: 7.538 Volume 10 Issue X Oct 2022 Available at www.ijraset.com

B. Growth From The Melt

In melt growth the single crystals are grown by melting and resolidification. Crystalization is formed in the melt on cooling the liquid below its freezing point. In this technique apart from possible contamination from crucible materials and surrounding atmosphere, no impurities are introduced in the growth process and the rate or growth is normally much higher than other methods. Melt growth is commercially the most important method of crystal growth. The growth from melt can further be sub grouped into various techniques  Czochralski method.

Brigmann method.

Vernuil method.

Zone melting method.

Skull melting

1) Czochralski Process: This process was invented by polish scientist Jan Czochralski in 1915. The idea of the Czochralski method is based on pulling a crystal from the melt against gravity forces. The Czochralski process is a well established method for growing large scale single crystals of semiconductors, metals, salts, and gemstones. The most important use of this method is the growth of semiconductors, particularly that of single crystalline silicon, which cannot easily be grown using other methods. Silicon is a particularly important material because it has many desirable properties; it is abundant and cheap, reliable and its semiconducting properties are excellent. In the Czochralski process shape of the crystal is free from the constraint of the shape of the crucible. In this method, the charge is melted and maintained at a temperature slightly above the melting point. The pulling rod is lowered to just touch the melt. Since the rod is at a lower temperature compared to the melt crystallization occurs at the pointed tip of the pulling rod. The crystal is pulled slowly. The rate of pulling varies on factors like thermal conductivity, latent heat of fusion of charge, and rate of cooling of the pulling rod. The seed is rotated to keep the grown crystal uniform and cylindrical.

a) Advantage: This method is used to grow large grain single crystals. Thus it is used extensively in the semiconductor industry. There is no direct contact between the crucible walls and the crystal which helps to produce stress free single crystal.

b) Disadvantage: In general this method is not suitable for incongruently melting compounds. The need for a seed crystal of the same composition limits it’s used as a tool for exploratory scientific research.

International Journal for Research
Applied
)
in
Science & Engineering Technology (IJRASET
441 ©IJRASET: All Rights are Reserved | SJ Impact Factor 7.538 | ISRA Journal Impact Factor 7.894 |

ISSN: 2321 9653; IC Value: 45.98; SJ Impact Factor: 7.538 Volume 10 Issue X Oct 2022 Available at www.ijraset.com

2) Bridgman Method: This technique was named after its inventor Bridgeman in 1925, Stockbarger in1938.

In the Bridgman technique, the nucleation is produced on a single solid liquid interface by carrying out the crystallization in a temperature gradient environment. The material to be crystallized is usually contained in a cylindrical crucible, which is lowered through a temperature gradient in a vertical furnace. In some cases, the crucible is held stationary in a furnace with a temperature profile that produces approximately a linear gradient, and the furnace is then moved upward. In either case, an isotherm normal to the axis of the crucible is made to move through the crucible slowly so that the melt solid interface follows it. Initially, the entire material in the crucible is melted and homogenized. When the solidification starts, if the crucible has a flat bottom, the first nucleation will be several crystallites at the bottom of the crucible. However, by suitably modifying the shape of the crucible bottom, it is possible to cause one of these crystallites to dominate the solid liquid interface. The mentioned shape is the most commonly used crucible shape and the simplest where the bottom of the crucible has a conical tip so that initially the melt solidifies only in a small volume. Hence, only one or at worst a few nuclei are formed.

a) Advantage

The primary advantage of the Bridgman method is its simplicity and ease of implementation.  This method allows rapid growth rates and can grow dislocation free crystal.  Selecting the appropriate container can produce crystal of pre assigned diameter.  Bridgman method can be modified based on the material requirements.

b) Disadvantage

The compression of the solid by the contracting container during cooling can lead to the development of stresses high enough to nucleate dislocations in the material.

3) Vapour Growth

a) Chemical Vapour Deposition: Chemical vapor deposition may be defined as the deposition of a solid on a heated surface from a chemical reaction in the vapor phase. It belongs to the class of vapor transfer processes which is atomistic that is the deposition species are atoms or molecules or a combination of these.

b) Physical Vapour Deposition: Physical vapor deposition (PVD) is fundamentally a vaporization coating technique, involving the transfer of material onto the substrate. The process is similar to chemical vapor deposition except that the raw materials/precursors, i.e. the material that is going to be deposited start in solid form, whereas in CVD, the precursors are introduced to the reaction chamber in the gaseous state.

International Journal
)
for Research in Applied Science & Engineering Technology (IJRASET
442 ©IJRASET: All Rights are Reserved | SJ Impact
7.538 | ISRA Journal Impact
7.894 |
Factor
Factor
T/C ThermoCouple

ISSN: 2321 9653; IC Value: 45.98; SJ Impact Factor: 7.538

Volume 10 Issue X Oct 2022 Available at www.ijraset.com

c) Applications

In metallurgical coating industries. 

In semiconductor and microelectronic industries.  Optical fibers for telecommunications. 

Wear resistant coatings, corrosion resistant coatings, heat resistant coatings.

Preparation of high temperature materials.

d) Disadvantages

Reactive gases are dangerous and need special handling procedures. 

Uniformity of the deposition is hard to control.  Deposition takes place on the substrate as well as on the walls of containment. This becomes difficult to clean.

4) Solution Growth: In this method, Crystals are grown from aqueous solution. This method is also widely practiced for producing bulk crystals.

a) Low Temperature Solution Growth: A saturated solution above the room temperature is poured in a crystallizer and thermally sealed. A seed crystal is suspended in the solution and the crystallizer is kept in a water thermostat, whose temperature is reduced according to a pre assigned plan, which results in the formation of large single crystals. The need to use a range of temperature is the disadvantage. The possible range is usually small so that much of the solute remains in the solution at the end of run. To compensate for this effect, large volumes of solution are needed.

b) High Temperature Solution Growth: High temperature solution growth is similar to Low temperature solution growth the notable difference is that this operates in high temperature. In the growth of crystals from high temperature solutions, the constituents of the material to be crystallized are dissolved in a suitable solvent and crystallization occurs as the solution becomes critically supersaturated. The most widely used high temperature solution growth technique is the flux growth.

c) Flux Growth: The flux method of crystal growth is a method where the components of the desired substance are dissolved in a solvent (flux). The method is particularly suitable for crystals needing to be free from thermal strain. It takes place in a crucible made of highly stable, non reactive material. One advantage of this method is that the crystals grown often display natural facets, which often makes preparing crystals for measurement significantly easier. A disadvantage is that most flux method syntheses produce relatively small crystals.

X. CHARACTERIZATION

Characterization techniques are tools to assess the qualitative and quantitative properties of the crystalline material. These techniques reveal the structure, composition, atomic arrangement, absorption, transmittance, conductivity and other physical properties.

A. X RAY Powder Diffraction.

X ray powder diffraction (XRD) is a rapid analytical technique primarily used for phase identification of a crystalline material and can provide information on unit cell dimensions. The analyzed material is finely ground, homogenized, and the average bulk composition is determined. X ray diffraction Is a common technique for the study of crystal structures and atomic spacing. X ray diffraction is based on constructive interference of monochromatic X rays and a crystalline sample. These X rays are generated by a cathode ray tube, filtered to produce monochromatic radiation, collimated to concentrate, and directed toward the sample. The interaction of the incident rays with the sample produces constructive interference (and a diffracted ray) when conditions satisfy Bragg's Law (nλ=2d sin θ). This law relates the wavelength of electromagnetic radiation to the diffraction angle and the lattice spacing in a crystalline sample. These diffracted X rays are then detected, processed, and counted. By scanning the sample through a range of 2θangles, all possible diffraction directions of the lattice should be attained due to the random orientation of the powdered material. Conversion of the diffraction peaks to d spacing allows identification of the mineral because each mineral has a set of unique d spacing. Typically, this is achieved by comparison of d spacing with standard reference patterns.

1) Application

a) X ray powder diffraction is most widely used for the identification of unknown crystalline materials.

b) Characterization of crystalline materials

c) Determination of unit cell dimensions

d) Measurement of sample purity

International Journal
Research
)
for
in Applied Science & Engineering Technology (IJRASET
443 ©IJRASET: All Rights are Reserved | SJ Impact Factor 7.538 | ISRA Journal Impact Factor 7.894 |

ISSN: 2321 9653; IC Value: 45.98; SJ Impact Factor: 7.538

Volume 10 Issue X Oct 2022 Available at www.ijraset.com

2) Advantages

a) Powerful and rapid technique for identification of an unknown mineral

b) In most cases, it provides an unambiguous mineral determination

c) Minimal sample preparation is required

d) XRD units are widely available

e) Data interpretation is relatively straight forward

3) Disadvantages

a) Homogeneous and single phase material is best for identification of an unknown b) Must have access to a standard reference file of inorganic compounds (d spacing, hkls)

c) Requires tenths of a gram of material which must be ground into a powder

d) For mixed materials, detection limit is ~ 2% of sample

e) Peak overlay may occur and worsens for high angle 'reflections

B. Laue Diffraction Method

The Laue method is mainly used to determine the orientation of large single crystals. By the incident, radiation is reflected from, or transmitted through, a fixed crystal. It provides information about the structure of an area with a diameter of about 1.5 mm. Laue diffraction pattern, in X rays, a regular array of spots on a photographic emulsion resulting from X rays scattered by certain groups of parallel atomic planes within a crystal. When a thin, pencil like beam of X rays is allowed to impinge on a crystal, those of certain wavelengths will be oriented at just the proper angle to a group of atomic planes so that they will combine in phase to produce intense, regularly spaced spots on a film or plate centered around the central image from the beam, which passes through without scattering. To carry out the measurements, the test sample is placed in a special installation, called a diffractometer. The diffractometer schemes to obtain the diffractograms by the Bragg method. The crystal is located on a so called goniometer, a device that allows rotating both the crystal and detector, accurately counting the angles and distances. The goniometer ensures a simultaneous rotation of the sample by an angle θ and rotation of the detector by an angle of 2θ. A typical diffractogram is shown.

Journal
)
International
for Research in Applied Science & Engineering Technology (IJRASET
444 ©IJRASET: All Rights are Reserved | SJ Impact Factor 7.538 | ISRA Journal Impact Factor 7.894 |
XRD UNIT SAMPLE XRD GRAPH

ISSN: 2321 9653; IC Value: 45.98; SJ Impact Factor: 7.538 Volume 10 Issue X Oct 2022 Available at www.ijraset.com

1) Transmission Laue

In the transmission Laue method, the film is placed behind the crystal to record beams which are transmitted through the crystal. One side of the cone of Laue reflections is defined by the transmitted beam. The film intersects the cone, with the diffraction spots generally lying on an ellipse.

Crystal orientation is determined from the position of the spots. Each spot can be indexed, i.e. attributed to a particular plane, using special charts. The Leonhardt chart is used for transmission patterns. The Laue technique can also be used to assess crystal perfection from the size and shape of the spots. If the crystal has been bent or twisted in anyway, the spots become distorted and smeared out.

X ray Laue diffraction pattern of a single crystal with [100] orientation parallel to the incident x ray beam.

C. UV VIS NIR Spectroscopy

UV/VIS/NIR spectroscopy is a powerful analytical technique to determine the optical properties such as transmittance, reflectance, and absorbance of crystal samples. It can be applied to characterize semiconductor materials, coatings, glass, and many other research and manufacturing materials. UV/VIS/NIR operates in the optical range between 175 nm to 3300 nm.

)
International Journal for Research in Applied Science & Engineering Technology (IJRASET
445 ©IJRASET: All Rights are Reserved | SJ Impact Factor 7.538 | ISRA Journal Impact Factor 7.894 |

Technology (IJRASET

ISSN: 2321 9653; IC Value: 45.98; SJ Impact Factor: 7.538

Volume 10 Issue X Oct 2022 Available at www.ijraset.com

A sample is placed in front of the integrating sphere. Light from an optical light source is transmitted through the sample and enters the integrating sphere. The light is then reflected by the internal surface of the sphere and reaches the detector.Both the overall transmittance and the direct transmittance can be measured.

1) Applications: Ultraviolet visible (UV Vis) spectroscopy is a widely used technique in many areas of science ranging from bacterial culturing, drug identification and nucleic acid purity checks and quantization, to quality control in the beverage industry and chemical research.

2) Advantages

a) Suitable for the determination of the concentrations of a wide variety of components in solution.

b) Quantification of analytes in solutions using UV/VIS/NIR is simpler and less time consuming than chromatographic analysis.

c) Transmittance, reflectance, absorption spectrum data of the given sample can be identified.

3) Disadvantages

a) Other components in solution may cause interferences

b) Chromatographic analysis methods are more accurate and precise than UV/VIS/NIR methods

c) Sample size/sample volume have specific requirements.

D. FTIR Spectroscopy

Fourier transform infrared spectroscopy (FTIR) is a technique that is used to obtain the infrared spectrum of absorption, emission, and photoconductivity of solid, liquid, and gas. FTIR spectrum is recorded between 4000 and 400 cm−1.

Fourier Transform (FT) IR instruments become common in the 1980s, leading to a great increase in sensitivity and resolution. A Fourier transform is a method for separating overlapping waveforms with different frequencies. It uses an interferometer and polychromatic light, which is all frequencies used at one time, instead of one at a time to generate an interferogram i.e. graph between intensity vs. time. The interferogram is then mathematically decoded by a Fourier transformation.

In infrared spectroscopy, a sample is irradiated with infrared light, and the transmitted or reflected light is measured, allowing structural analysis and quantification.

International Journal for Research in Applied Science & Engineering
)
446 ©IJRASET: All Rights are Reserved | SJ Impact Factor 7.538 | ISRA Journal Impact Factor 7.894 |

ISSN: 2321 9653; IC Value: 45.98; SJ Impact Factor: 7.538

Volume 10 Issue X Oct 2022 Available at www.ijraset.com

FTIR detectors observe interferograms as analog signals, but to perform a Fourier transform, a digital signal is needed. Where the monochromatic light (632.8 nm) from a He Ne laser is used, together with a moving mirror, and the intensity of the output interference signal is measured as a function of time.

1) Advantages

a) Identification of inorganic compounds and organic compounds

b) Identification of components of an unknown mixture.

c) Analysis of solids, liquids, and gasses

2) Disadvantages

a) The sampling chamber of an FTIR can present some limitations due to its relatively small size.

b) Mounted pieces can obstruct the IR beam. Usually, only small items as rings can be tested.

c) Several materials completely absorb Infrared radiation; consequently, it may be impossible to get a reliable result.

XI. APPLICATION OF CRYSTALS IN ELECTRONICS AND TECHNOLOGY.

Crystals play an important role from cheap electronic watches to multi million dollar computational systems.

Crystals are also used in sensors that are very sensitive and detect changes in speed and movement. These ubiquitous devices are indispensable in the modern world. Modern electronics relies enormously on synthetic crystals. This is because high quality quartz crystal with few impurities is necessary for the manufacture of crystal devices and for accurate data collections.

Integrated circuits and electrical circuits depend greatly on crystals as oscillators. They are mainly used for providing a stable clock signal and in specific applications which require high frequency reference. Crystal oscillators are preferred in microcontrollers due to advantages such as accuracy, compactness, low cost, low power consumption, and high frequency generation

Detector instruments need crystals to identify anomalies in the surrounds and to convert it into signals. Radiation detection, frequency detection, photon detection, electromagnetic spectrum detection and rectification are some of the interdisciplinary branches that require crystals as appropriators.

International Journal for Research in Applied Science & Engineering Technology (IJRASET)
447 ©IJRASET: All Rights are Reserved | SJ Impact Factor 7.538 | ISRA Journal Impact Factor 7.894 |

Technology (IJRASET

ISSN: 2321 9653; IC Value: 45.98; SJ Impact Factor: 7.538 Volume 10 Issue X Oct 2022 Available at www.ijraset.com

One such example of detectors is radiation detector. Radiation Detector is an instrument used to detect or identify high energy particles, such as those produced by nuclear decay, cosmic radiation, or reactions in a particle accelerator. There are three different main types of radiation detectors. These are detectors based on gas ionization, scintillation detectors, and semiconductor detectors. By using crystals that are specifically grown for radiation detection, the functionality and efficiency of the device can be increased. Sodium iodide (NaI), Stilbene, Anthracene is some kind of crystals used in radiation detectors. In this ever changing and evolving field people started to experiment different types of materials and arrangement for a more cost effective and more efficient crystal and one such type of crystal is Cadmium telluride. The detailed advantages and uses of cadmium telluride is explained in the forthcoming pages.

XII. CADMIUM TELLURIDE AS RADIATION (CdTe) DETECTORS:

Cadmium telluride (CdTe) is a stable crystalline compound formed from cadmium and tellurium. It is mainly used as the semiconducting material in cadmium telluride photovoltaic and infrared optical windows. It is mainly used in solar cells but also finds application in IR detectors, radiation detectors, and electro optic modulators. There are two types of solid materials are used in a detector system such as scintillators and semiconductors. Scintillators use either inorganic salts or organic substances in the form of solid crystals. Thallium doped sodium iodide [NaI(Tl)] or thallium doped cesium iodide cerium are examples of scintillation substrates. The scintillator detectors convert the gamma ray photons to visible photons, and then, the visible photons are converted into an electrical signal. Whereas semiconductor materials such as cadmium telluride (CdTe) and cadmium zinc telluride (CdZnTe) are important alternatives for the scintillation detector, known as solid state detectors. The gamma ray photons' interaction with the detectors causes electron hole pairs and those pairs drift to opposite directions using an applied electric field, inducing signals on electrodes, and directly creating an electrical current.

International Journal for Research in Applied Science & Engineering
)
448 ©IJRASET: All Rights are Reserved | SJ Impact Factor 7.538 | ISRA Journal Impact Factor 7.894 |

ISSN: 2321 9653; IC Value: 45.98; SJ Impact Factor: 7.538 Volume 10 Issue X Oct 2022 Available at www.ijraset.com

XIII. ADVANTAGES

A. High Image And Energy Resolution

The light converted from radiation via the scintillator is emitted in all directions; the photodiode reacts to not only the area radiation is exposed but also the near exposed area. It makes object outlines of the radiograph unclear.

As regards the CdTe detector, radiation exposure to the crystal is directly changed to electrons and holes, electric charge carrier; it is called a direct conversion detector. Electric charges generated from the absorbed radiation directly gravitate towards electric fields and are transferred to pixel electrodes. Hence, signals hardly spread over; the structure enables obtaining sharp radiographs. One of the CdTe radiation detector characteristics is sufficient energy resolution applicable for various applications; the characteristic is very useful for the identification of radioactive nuclides for environmental inspection, material identification with X ray fluorescence, and medial gamma ray imaging.

HIGH B. Detection Sensitivity

To detect γ rays, it is required that exposed radiation is absorbed and electron hole pairs are created. If radiation isn’t absorbed and transmitted properly through the crystal, the radiation cannot be detected. This may give incorrect and vastly different values than the original radiation. Thus radiation detector requires to be made of materials that have high absorbency to detect radiation. The radiation absorption level increases with the atomic number of the material. This is the reason lead (Pb 82) blocks are used to shield X rays in reactors and scans. Silicon (Si 14) and Germanium (Ge 32) have been traditionally utilized as semiconductor radiation detectors. On the contrary, the effective atomic number of CdTe is 50 and it has a much larger radiation absorbency compared to Si and Ge radiation detectors, which means that CdTe detection sensitivity is very high.

The graph shows absorption rate by detector thickness of Si, Ge, and CdTe when applying 100kev X ray. Absorption of CdTe is much higher than Si and Ge, it is greatly expected that the thin detector bears high sensitivity.

Journal
)
International
for Research in Applied Science & Engineering Technology (IJRASET
449 ©IJRASET: All Rights are Reserved | SJ Impact Factor 7.538 | ISRA Journal Impact Factor 7.894 |

ISSN: 2321 9653; IC Value: 45.98; SJ Impact Factor: 7.538 Volume 10 Issue X Oct 2022 Available at www.ijraset.com

REFERENCES

[1] https://www.xtal.iqfr.csic.es/Cristalografia/parte_01_1

en.html#:~:text=The%20Ancient%20Egyptians%20used%20lapis,powder%20as%20the%20eye%20shadow

[2] https://gem matrix.com/indianhistoryjewellery

[3] Physical properties of crystals their representation by tensors and matrices

[4] Characterization of Amorphous and Crystalline Rough Surface: Principles and Applications. BY Yiping Zhao, Gwo Ching Wang and Toh Ming Lu (Eds.)

[5] In Introduction to Aerospace Materials, 201.

[6] Grain boundary strengthening Min Wang, Bin Duan, in Encyclopedia of Biomedical Engineering , 2019The application of single crystal to single crystal transformationtowardsadjustableSMMpropertiesPhase Equilibria of Pure Materials In Practical Chemical Thermodynamics for Geoscientists, 2013

[7] https://www.sciencedirect.com/topics/materials science/nucleation#:~:text=European%20Polymer%20Journal%2C%202015

[8] DIFFERENT TYPES OF CRYSTAL GROWTH METHODS K.Seevakan1, S.Bharanidharan2 Assistant Professor 1 2 Department of Physics, BIST, BIHER, Bharath University, Chennai.

[9] Introduction to Crystal Growth and Characterization Klaus Werner Benz and Wolfgang Neumann

[10] Crystal Growth for Beginners Fundamentals of Nucleation, Crystal Growth, and Epitaxy Ivan V Markov Bulgarian Academy of Sciences, Bulgaria.

[11] Crystals Growth, Morphology, and Perfection Ichiro Sunagawa

[12] Theories and Techniques of Crystal Structure Determination Uri Shmuel

[13] FORMATION AND APPLICATIONS OF SINGLE CRYSTAL MATERIAL Ashish Prajapati, Shilpesh Rajpurohit

[14] Characterization of Amorphous and Crystalline Rough Surface" Principles and Applications Yiping Zhao, Gwo Ching Wang, and Toh Ming Lu

[15] In Introduction to Aerospace Materials, 2012 4.4.3 Grain boundary strengthening

[16] Min Wang, Bin Duan, in Encyclopedia of Biomedical Engineering, 2019

[17] Cadmium Telluride Semiconductor Detector for Improved Spatial and Energy Resolution Radioisotopic Imaging Samira Abbaspour, Babak Mahmoudian1 , Jalil Pirayesh Islamian

[18] DICTIONARY OF GEMS AND GEMOLOGY BY M. MANUTCHEHR DANAI

[19] CRYSTAL GROWTH PROCESSES AND METHOD DR.P.RAMASAMY DR.P. SANTHANARAGHAVAN

[20] INTRODUCTION TO CRYSTAL GROWTH PRINCIPLES AND PRACTICE H.L. BHAT

International Journal
Research
)
for
in Applied Science & Engineering Technology (IJRASET
450 ©IJRASET: All Rights are Reserved | SJ Impact Factor 7.538 | ISRA Journal Impact Factor 7.894 |

Turn static files into dynamic content formats.

Create a flipbook
Issuu converts static files into: digital portfolios, online yearbooks, online catalogs, digital photo albums and more. Sign up and create your flipbook.
Introduction to Crystal Growth by IJRASET - Issuu