Intelligent Road Illumination Network using IoT

Page 1

10 X October 2022 https://doi.org/10.22214/ijraset.2022.47149

ISSN: 2321 9653; IC Value: 45.98; SJ Impact Factor: 7.538

Volume 10 Issue X Oct 2022 Available at www.ijraset.com

Intelligent Road Illumination Network using IoT

Apurva Patel1, Anuj Patel2, Dhruva Uplap3

1School of Electrical Engineering, 2, 3School of Electronics Engineering, Vellore Institute of Technology, Tamil Nadu, India

Abstract: In day-to-day life electricity has been an area of concern worldwide. There are not many sources for nonrenewable sources and most of the power generation stations, they are based on fuels that are conventional. Street lights are one of the consumable sources of electricity that are essential parts of the day to day life. The conventional street lighting systems require manual operation and also consume a large amount of power as they are in powered on condition from evening to early morning. The conventional manual operated street lighting systems consume a large amount of power, need manual operators and heavy cost on installation which has been a great disadvantage and an area of major concern. The costs of energy can be reduced immediately to 35% through intelligent on/off mechanism and targeted organized way of power consumption. The aim of this project is conservation of energy by reducing electricity wastage and to minimize the manpower. The idea utilizes Light Emitting Diodes (LED) that doesn’t take huge amount of power and being directional light sources, it can radiate light in specific direction thereby improving the efficiency of the streetlamps. Using LDR with LED lights the intensity can be controlled. IR sensors utilized on one roadside send signals for the LEDs to get glowing for the next specific section of the road after sensing the density and movement of pedestrians.

Keywords: power saving, conserving, IOT, LED, LDR, pedestrians, minimize manpower

I. INTRODUCTION

IOT is the interface of physical gadgets which permits the gadgets to contact with each other and make the devices sensed and controlled remotely. These progressed automation and analytics framework utilize manufactured insights innovation to give computerized and progressed items and administrations. IOT based frameworks allow superior straightforwardness, control, and great performance.

The Led (Light Emitting Diode) is seen as a next generation light source since not solely is it energy efficient be that as it may it has the long life required for the illumination of outside, work environments and homes. Recently, the investigate center has moved to the arrange of an intelligent LED lighting framework on account of the truth that the Driven is effortlessly combined with distinctive hardware, for example, small scale controllers, wired and/or wireless transmission gadgets and a assortment of sensors to execute intelligent lighting framework . It utilizes most recent development in LED light source to supplant conventional streetlights such as HID lights or High Pressure Sodium lights. The Driven lights are grasped in see of its distinctive preferences over existing advancements like control sparing since of increased current glowing productivity, tall colour rendering index, reduced support taken a toll, quickened start up, and durability . These days adaptability of streetlamp framework is being profoundly challenged. Most portion of the control runs in a manual course of action in spite of the fact that a few are robotized depend on their encompassing parameters. The point of this project is to mechanize the streetlamps to extend the efficiency and accuracy of the system in a viable way additionally permits wireless accessibility and control over the framework . The main purpose of the framework is the vitality conservation for the fact that the resources like hydro, coal, thermal that we depend upon are not renewable vitality, so showing control saving components like LDR and LEDs can enlighten a huge region with high intensity light at whatever point required

The full framework is based on the NodeMCU platform. It gives Wireless Fidelity (Wi Fi) capabilities and cloud connectivity with the sensors within the system. One of the main purposes of interfacing all gadgets to the web and cloud is to have remote get to of those gadgets. This framework makes a difference the user to control the gadgets from removed regions over the web, cloud or local area network (LAN). But within the LAN type connection extend of the framework get diminished. On the off chance that the connection with the gadgets is over web or cloud at that point one can control those gadgets from anyplace on the planet with active web from both framework and client side. During daytime there is no need of street lamps so the LDR keeps the streetlamp off until the light level is low or the light frequency is low and the LDR resistance is high. This keeps current from going to the base of the transistors. Due to this reason the lights do not glow. When sufficiently high frequency light falls on the equipment, the semiconductor soak up photons and give bound electrons adequate energy to fence into the conduction band.

International Journal for Research in Applied Science
Engineering
)
&
Technology (IJRASET
1186 ©IJRASET: All Rights are Reserved | SJ Impact Factor 7.538 | ISRA Journal Impact Factor 7.894 |

ISSN: 2321 9653; IC Value: 45.98; SJ Impact Factor: 7.538

Volume 10 Issue X Oct 2022 Available at www.ijraset.com

The following free electron (and its hole partner) conduct electricity, thus dropping resistance.

IOT based streetlamps automation is a practical and eco friendly technique which aadditionally take out the issues in disposal of incandescent lights and power saving

Currently, existing traditional street light system is facing issues like :

1) Lack of information about the real time status of the street lights and area.

2) Lack of proper system for monitoring and operating lights ON/OFF schedule

3) Lack of system to optimize the efficiency of street light system as per requirement.

4) Managing the independent unit of street light in terms of turning ON/OFF, etc.

II. LITERATURESURVEY

In the present years, many efforts have been taken to automate the existing streetlamp system. For any smart streetlight system, it should work in an efficient method to maximize the quality and productivity. So, by implementing a more dependable system can remove a significant road lighting cost and reduce human effort as well. However, manymethods are still operating with conventional light sources, it mayreduce the human effort but the light pollution and energy wastage still exist.

Ruchika Prasad et al. [1] in the year 2020 proposed a case study on Energy Efficient Smart Street Lighting System in Nagpur Smart City using IoT where it analysed different paradigms which were applied in automating light network in the city of Nagpur using and integrating different sensors and communication protocol and which all were controlled using a web application connected to same LAN network to that of the lighting system

The paper proposed by Jeetendra Swami et al. [2] in the year 2019 is quite same like the previous one, but here they used sensors also for vehicle detection. Still the installation cost and maintenance is high for this system. Nabil Ouerhani et al. [3] in the year 2016 published their paper with respect to streetlamp controlling utilizing Zigbee remote module. They included microcontroller, LDR, and a transmission module. Zigbee permits wireless communication with the light module. The system consists of two LDR sensors to analyze the day night variations and light health conditions. The outcomes from the LDR are moved to the microcontroller after processing the data and further into the transmission module. The wireless Zigbee sends the information to the control centre to monitor and operate each streetlamp. The system utilizes Zigbee network and the range of Zigbee is exceptionally short.

III. HARDWAREARCHITECTURE&PROPOSEDSYSTEM

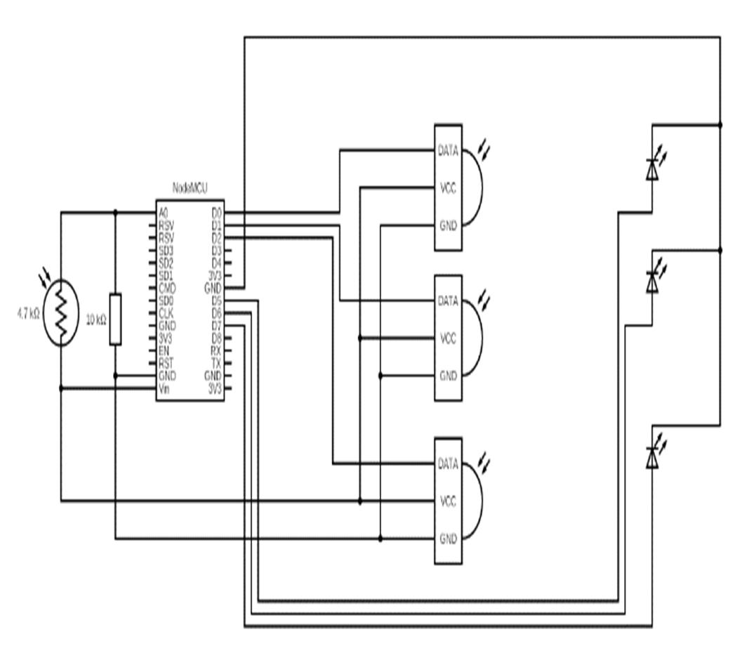
The system consists of LDR, IR sensor, ESP8266 Wi Fi module, NodeMCU, LED and few basic electronic components e.g. Breadboard, Resistor, Connecting wires etc. A single system is capable of controlling 3 lights. The required connection for the proposed project is shown. TheESP8266 WIFI MODULE integrated with NodeMCU board is powered by using a microUSB cable. Here thethree sensors IR sensor and one Light dependent resistor (LDR) sensor are interfaced to the board. Fig.1 Proposed Circuit Diagram

International Journal
Research
)
for
in Applied Science & Engineering Technology (IJRASET
1187 ©IJRASET: All Rights are Reserved | SJ Impact Factor 7.538 | ISRA Journal Impact Factor 7.894 |

ISSN: 2321 9653; IC Value: 45.98; SJ Impact Factor: 7.538 Volume 10 Issue X Oct 2022 Available at www.ijraset.com

The respective ground and VCC pin from the IR sensor connected to GND and 3V3 pin of NodeMCU module respectively and output(data) pin of IR is connected to digital pins of NodeMCU. One of the terminals of LDR sensor is given to analogue read pin A0 of NodeMCU and another terminal is in 3v3 supply of NodeMCU. A 2.2kohm resistor is connected in parallel with LDR to save it from hysteresis damage. The Anode of the LEDs is connected to the remaining digital pins of NodeMCU and the Cathode is grounded by connecting it to GND pin of NodeMCU.

Fig. 2 Hardware Interconnection Overlay Diagram

ESP8266 module requires a local Wi Fi Hotspot and we can access cloud through mobile/tablet/laptop through HTTP & HTTPs protocols. Through cloud dashboard we can fetch data from all simultaneous systems which can control three lights individually.

A. NodeMCU

NodeMCU measures 49mm x 26mm with a standard pin space of 0.1″ between pins and 0.9″ between rows. This board is based on Espressif 8266 Wi Fi (ESP 8266 Wi Fi) module. Machine Learning (ML) algorithms can be easily integrated with IoT projects for detecting or predicting anomalies in the sensor values. Fig. 3 NodeMCU component picture

I

International Journal for Research in Applied
Science & Engineering Technology (IJRASET)
1188 ©IJRASET: All Rights are Reserved | SJ Impact Factor 7.538 | ISRA Journal Impact
7.894 |
Factor
TABLE
SPECIFICATIONS FOR NODEMCU Parameters Specifications Microcontroller ESP8266 Memory 32 bit Processor TenSilica L 106 Processor Clock 80MHz 160MHz Ram 36 Kb Storage 15 Mb Built in WiFi 2.4GHz supports 802.11/b/g/n ADC pin 1(10bit Resolution) GPIO pins 10 Operating Voltage 3V
Operating
) Operating
3.6V
Current 80mA(avg
Temperature 40°C 120°C

ISSN: 2321 9653; IC Value: 45.98; SJ Impact Factor: 7.538 Volume 10 Issue X Oct 2022 Available at www.ijraset.com

B. LDR

An LDR is a light sensitive electronic device whose resistivity is a component of the incident electromagnetic radiation. They are also known as photo conductive cells, photo conductors or simply photocells. LDRs are created with the help of semiconductor materials which have high resistance. So, when the photons fall on the gadget, the electrons in the valence band of the semiconductor material are aroused to the conduction band. LDR is used in this circuit as a darkness detector.

C. IR Sesnsor

IR Sensor An infrared sensor is an electronic instrument that is utilized to detect certain characteristics of its surroundings by either transmitting or detecting infrared radiation. It is additionally can measure heat of an object and detect motion. Infrared waves are not noticeable to the natural eye. In the electromagnetic range, infrared radiation is the region having frequencies longer than visible light frequencies, yet more limited than microwaves. The infrared regions roughly differentiated from 0.75 to 1000µm.

IV. METHODOLOGY

Fig. 4 Flowchart of our working system

In this proposed system IR sensor is installed at the starting point of the system and then sequentially three street lights are installed (Light 1,2,3).

Fig. 5 Hardware setup of our system in day time and night time

International Journal for Research in Applied Science & Engineering Technology (IJRASET)
1189 ©IJRASET: All Rights are Reserved | SJ Impact Factor 7.538 | ISRA Journal Impact Factor 7.894 |

ISSN: 2321 9653; IC Value: 45.98; SJ Impact Factor: 7.538 Volume 10 Issue X Oct 2022 Available at www.ijraset.com

The LDR (Light Dependent Resistor) is used to sense the amount of light or darkness in the environment in order to switch ON/OFF the lights. In day time when sufficient light is present, street lights are OFF. The system waits for the ambient light to fall which is detected by the LDR; system gets activated and keeps all the light (LED) off.

Fig. 6 IR sensor detection

Whenever the system detects an object by IR sensor, all the LEDs are powered to 100% brightness. Afterwards when sufficient light is available the LDR sense and turned off LED automatically. Each of the street light can also be individually turned ON/OFF manually via login in the web IDE via the same Wi Fi to which the NodeMCU is connected. Corresponding states of LED is displayed in Thingspeak

V. RESULT

This IOT based automated streetlamp system is extremely cost effective. The project aim is the conservation of energy. It can likewise terminate the CO2 outflows and light pollution. The method does not require manpower and frequent check rather the system status can be thoroughly monitored through updated data stored in Thingspeak. In Thingspeak we can monitor and analyse state of light over the day. The system checks for the evening to fall which is recognized by the LDR; system gets triggered and keeps all the streetlamp (LED) off.

Whenever the system detects an object (human, vehicle) through IR sensor the associated LEDs are powered to its 100% brightness. After objects moves out of the range all the street light are reset to off. After that when intensity value of the ambient light become high which implies day the street light are turn off automatically. The control of individual lights is also possible through login in the web IDE

Journal
)
International
for Research in Applied Science & Engineering Technology (IJRASET
1190 ©IJRASET: All Rights are Reserved | SJ Impact Factor 7.538 | ISRA Journal Impact Factor 7.894 |
Fig. 7 Web IDE / Dashboard created for remotely controlling the system

(IJRASET)

ISSN: 2321 9653; IC Value: 45.98; SJ Impact Factor: 7.538 Volume 10 Issue X Oct 2022 Available at www.ijraset.com

The below figure shows the individual light in a IoT mobile application where widgets are created to monitor day and night and to monitor which lights in the network is on or off.

Fig. 8 Thingspeak real time visualization in mobile application

Thingspeak Cloud Output

Fig. 8 Thingspeak cloud visualization using website

International Journal for Research in Applied Science & Engineering Technology
1191 ©IJRASET: All Rights are Reserved |
| ISRA
|
SJ Impact Factor 7.538
Journal Impact Factor 7.894

ISSN: 2321 9653; IC Value: 45.98; SJ Impact Factor: 7.538 Volume 10 Issue X Oct 2022 Available at www.ijraset.com

VI. CONCLUSION

Maintenance cost is also minimal and the reduced power consumption in today’s era makes it an immediate call at this hour. Since saving of energy plays an important role, this proposed project provides a good solution for reduced power consumption. A great portion of energy can be saved by replacing sodium vapor lamps by LED. By adding smart switching to LED streetlamps, it is turned ON/OFF automatically It gives an effective and intelligent automatic streetlamp control system with the assistance of LDR For any emergency condition we can manually operate each of the street lights through web interface or mobile application, which make the system more reliable. It can decrease the energy utilization and maintenance cost. It tends to be applied in urban as well as rural areas. The system is expandable and absolutely adaptable to the requirements of the user. It establishes a safe environment with maximum intensity light at whatever point required. This system can report street lamp failure, which make the maintenance of street lamp simpler and less formidable. The existing bulbs or lights are also may be linked to this low cost street light management system. The lights will make good use of the Internet of Things (IoT) connectivity to not only prevent the power wastage but also for better management and fault detection. The need of the system is to reduce energy consumption, decrease the maintenance cost and to expand the lifespan of the system. By allowing this method the energy can be used more efficiently in smart street lightning system. This smart and relatively low cost IoT system can also reduce the CO2 emissions and help to protect the environment.

REFERENCES

[1] R. Prasad, "Energy Efficient Smart Street Lighting System in Nagpur Smart City using IoT A Case Study," 2020 Fifth International Conference on Fog and Mobile Edge Computing (FMEC), 2020, pp. 100 103, doi: 10.1109/FMEC49853.2020.9144848.

[2] Jeetendra Swami, Himanshu Patel, Krishna Patel and Ms.Nisha Bhalse, “ IoT Based Street Light Automation System” International Journal of Trend in Research and Development, Volume 6(2), ISSN: 2394 9333.

[3] N. Ouerhani, N. Pazos, M. Aeberli and M. Muller, "IoT based dynamic street light control for smart cities use cases," 2016 International Symposium on Networks, Computers and Communications (ISNCC), Yasmine Hammamet, Tunisia, 2016, pp. 1 5, doi: 10.1109/ISNCC.2016.7746112.

International Journal for Research in Applied Science
)
& Engineering Technology (IJRASET
1192 ©IJRASET: All Rights are Reserved | SJ Impact Factor 7.538 | ISRA Journal Impact Factor 7.894 |

Turn static files into dynamic content formats.

Create a flipbook
Issuu converts static files into: digital portfolios, online yearbooks, online catalogs, digital photo albums and more. Sign up and create your flipbook.