Fault Ride Through Capability Analysis of Cascaded Multilevel Inverter System

Page 1

10 X October 2022 https://doi.org/10.22214/ijraset.2022.47080

ISSN: 2321 9653; IC Value: 45.98; SJ Impact Factor: 7.538 Volume 10 Issue X Oct 2022 Available at www.ijraset.com

Fault Ride Through Capability Analysis of Cascaded Multilevel Inverter System

Abstract: Photovoltaic is defendable, clean, conserving, ubiquitous and everlasting system. But still compactness, protection, reliability and monitoring functions are receiving more and more attention in this area. This paper discusses the effect of faults on multilevel cascaded H-bridge inverter when connected to grid through transmission lines. single phase double stage cascaded multilevel inverter in different cases with enhanced FRT capability is presented here. In this paper, SDBR concept has been used.

Keywords: SDBR, PV Inverter, H Bridge, Cascaded Multilevel Inverter

I. INTRODUCTION

To maintain the connectivity of inverter to the power system during the fault by use of technique called Series dynamic braking resistor (SDBR). The whole model implemented with use of MATLAB in which LG fault taken in consideration for required study to perform various analysis with the use of SDBR. Simulation result of grid voltage, load voltage, load current under LG fault condition represented in form of graph with respect to time for cascaded multilevel inverter without SDBR and with SDBR. Considering the FRT capability, there are four major reasons for inverter disconnection during grid faults, viz. (i) over current at the ac side, (ii) excessive dc link voltage, (iii) loss of grid voltage synchronization, (iv) The reactive current injection imbalance. If system remains connected during these abnormalities, it indicates improved FRT capability of system. Here first two conditions have been focused mainly and achieved better results in simulation.

II. SDBRCONTROL

Series dynamic braking resistor (SDBR) is employed in first time by Mitra Mirhosseini et al [11] in their paper, where voltage error was the reference of controller. Here SDBR has been used by taking current error ∆I as reference for controller. Fig 1 shows the basic concept which has been used here such that PV inverter needs not disconnect immediately from the grid at the occurrence of the fault.

Fig 1 Control scheme with SDBR

Under normal conditions by pass switch remains close, thus causes for bypassing the braking resistor. Grid current increment above a selected reference point send signal to the switch for opening the current path. The braking resistor would persist in the system as long as the grid current of the PV generator is above a set value. When the fault is cleared, the system becomes stable and the grid current becomes same as the reference value, the switch would close and the system would be rehabilitated to its normal condition.

International Journal for Research in Applied Science
)
& Engineering Technology (IJRASET
748 ©IJRASET: All Rights are Reserved | SJ Impact Factor 7.538 | ISRA Journal Impact Factor 7.894 |
Gajender Singh1 , Dr. M. K. Bhaskar2 , Manish Parihar3, Vinay Hans4 1, 2, 3, 4Electrical

ISSN: 2321 9653; IC Value: 45.98; SJ Impact Factor: 7.538

Volume 10 Issue X Oct 2022 Available at www.ijraset.com

III.PROPOSEDGRIDCONNECTEDSOLARSYSTEM

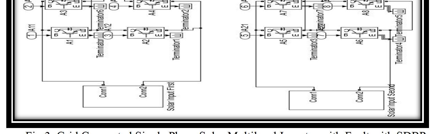
Fig 2 represents the simplified diagram of the grid connected PV plant followed by double stage conversion block employed to dispatch the AC power to the grid. The inverter is capable of maintaining constant 230V DC voltage at the DC link. Solar inverter feeds power to the grid and also satisfy local load. A L G fault near the grid side is shown in figure. To protect the inverter from voltage imbalance, series dynamic breaking resistance (SDBR) has been used in the system. The work using single stage H bridge inverter having spikes for 0.0009 second [19].

IV.MATLAB IMPLEMENTATION

Fig 3 shows the implemented MATLAB Simulink model of the proposed system described above section. Here relay and circuit breaker concept has been used with SDBR to control fault current.

1) LG Fault duration = 0.4 to 0.5 seconds and, 2) SDBR 100 ohm

The system under study is simulated in MATLAB/Simulink, and its different responses are examined under all possible working conditions. Graphical results of Grid voltage, load voltage and load current has shown with respect to time under normal condition, during the fault without application of SDBR and with SDBR is also shown here

International Journal for Research in Applied Science
)
& Engineering Technology (IJRASET
749 ©IJRASET: All Rights are Reserved | SJ Impact Factor 7.538 | ISRA Journal Impact Factor 7.894 |
Fig 2 Double stage of grid Cascaded M.L solar inverter with fault & SDBR Fig 3 Grid Connected Single Phase Solar Multilevel Inverter with Fault with SDBR

ISSN: 2321 9653; IC Value: 45.98; SJ Impact Factor: 7.538 Volume 10 Issue X Oct 2022 Available at www.ijraset.com

V. SIMULATIONRESULTSUNDERL GFAULTCONDITION

At the time of L G fault occur near grid side, then high magnitude of grid current causes high switching of inverter current as shown in Fig 4. In this situation voltage collapse occur across load due to which current magnitude become low. But PV power still remains in the system, which is dangerous for solar inverter.

Fig 4 Various voltages and current at the time of fault condition

)
International Journal for Research in Applied Science & Engineering Technology (IJRASET
750 ©IJRASET: All Rights are Reserved | SJ Impact Factor 7.538 | ISRA Journal Impact Factor 7.894 |

ISSN: 2321 9653; IC Value: 45.98; SJ Impact Factor: 7.538 Volume 10 Issue X Oct 2022 Available at www.ijraset.com

VI. SIMULATIONRESULTSUNDERPROPOSEDCONDITION

Above problem can be removed, if time of large switching oscillation of inverter current is reduced. For this fast current error controlled SDBR switch has been used, due to which there is no need to disconnect the solar inverter during the fault which is proved in Fig 5. It can be seen that fault time is reduced completely as compare to single stage work [19]. Thus, fault ride through capability of solar inverter has been improved. Thus, application of SDBR in single phase double stage solar inverter is implemented successfully.

Fig 5 Various voltages and current with SDBR action

VII. CONCLUSION

We have implemented the application of SDBR for improving the FRT capability of grid connected single phase cascaded multilevel solar inverter. An entire modelling of grid connected PV system is presented. As per the simulated results inverter current has very low harmonic content and high percentage of power conversion. From the results of Single Phase Cascaded Double Stage Multilevel Solar Fed Inverter and single phase H bridge inverter, we can also conclude that cascaded multilevel inverter got better THD performance, handled fault in better manner and with of use of SDBR in our proposed system switching spikes mitigated completely. No need to disconnect the inverter during the fault, and it increase fault ride through capability of solar inverter The complete work also enhances the new dimension in the solar industries in smart grid application as local distribution system.

Journal
Research
Applied
)
International
for
in
Science & Engineering Technology (IJRASET
751 ©IJRASET: All Rights are Reserved | SJ Impact Factor 7.538 | ISRA Journal Impact Factor 7.894 |

(IJRASET

ISSN: 2321 9653; IC Value: 45.98; SJ Impact Factor: 7.538 Volume 10 Issue X Oct 2022 Available at www.ijraset.com

REFERENCES

[1] Frede Blaabjerg, Yongheng Yang, Ke Ma, Xiongfei Wang, Power electronic the key technology for renewable energy system integration, Published in International Conference on Renewable Energy Research and Applications (ICRERA) 2015

[2] Kubera, Vinaykumar, Shivakumar, Mahesh Krishna, Fault Analysis of Grid Connected Solar Photovoltaic System, published in International Research Journal of Engineering and Technology (IRJET) Volume: 07, Feb 2020

[3] D. P. Hohm, M. E. Ropp, Comparative study of maximum power point tracking algorithms published in November 2002

[4] YonghengYang, Ali Q.Al Shetwi, Muhamad Zahim Sujod, Frede Blaabjerg, Fault ride through control of grid connected photovoltaic power plants: A review, published in Solar Energy Volume 180, 1 March 2019

[5] Prakash Hota, Fault Analysis of Grid Connected Photovoltaic published in System American Journal of Electrical Power and Energy Systems, January 2016

[6] T. Samatha, K.Ramesh, Analysis of fault ride through capability for grid connected solar pv system to grid faults, published in IJARIIE Vol 2, 2016

[7] M. Coppola, P. Guerriero, D. Iannuzzi, S. Daliento, and A. Del Pizzo, ‘Extended operating range of PV module level CHB inverter’, Int. J. Electr. Power Energy Syst., vol. 119, no. February, p. 105892, 2020.

[8] M. Alsumiri, ‘Residual Incremental Conductance Based Nonparametric MPPT Control for Solar Photovoltaic Energy Conversion System’, IEEE Access, vol. 7, pp. 87901 87906, 2019.

[9] https://en.wikipedia.org/wiki/World_energy_supply_and_consumption

[10] M. Parihar, M.K. Bhaskar,“ Radial Transmission Line Voltage Stability Analysis”, IJRERD (ISSN: 2455 8761), VOLUME02 Issue 09, September 2017, PP. 01 07.

[11] Mitra Mirhosseini , Josep Pou and Vassilios G. Agelidis, "Single stage inverter based grid connected photovoltaic power plant with ride through capability over different types of grid faults" IEEE Ind. Electron. Society Conf., IECON 10 13 Nov. 2013, pp. 8008 8013.

[12] M. K. Hossain and M. H. Ali, “Low voltage ride through capability enhancement of grid connected PV System by SDBR”, in Proc. IEEE PES Transmission & Distribution (T&D) conf. & Expo., paper id: 539, Chicago, USA, April 15 17, 2014.

[13] M. A. Ansari, J. A. Lone, and M. Tariq, ‘Performance Analysis and Comparative Evaluation of Two winding Multi tapped Transformer Based Nine Level Inverter’, in 2019 International Conference on Power Electronics, Control and Automation, ICPECA 2019 Proceedings, 2019, vol. 2019 Novem, pp. 1 5.

[14] Digvijay Sarvate,M. K. Bhaskar,Deepak Bohra,Dharmendra Jain,Manish Parihar, "Analysis Of Variations In Irradiance For Mono Crystalline And Poly Crystalline Pv Cells ", International Journal of Creative Research Thoughts (IJCRT), ISSN:2320 2882, Volume.5, Issue 4, pp.3374 3379, December 2017

[15] J. Arya and L. M. Saini, "Single stage single phase solar inverter with improved fault ride through capability," 2014 IEEE 6th India International Conference on Power Electronics (IICPE), 2014, pp. 1 5, doi: 10.1109/IICPE.2014.7115828.

[16] Verma, Poonam, M. K. Bhaskar, Chetna Chhangani, and Manish Parihar. "Design and analysis of Single ended primary inductance Converter (SEPIC) for Battery Operated devices using MATLAB Simulation.",IRJET, Volume 5, Issue 8 (2018).

[17] http://www.solardesigntool.com/components/module panel solar/Sunpower/514/SPR 305 WHT U/specification data sheet.html

[18] Abdelghani Harrag, 2015, “Variable step size modified P&O MPPT algorithm using GA based hybrid offline/online PID controller”, http://dx.doi.org/10.1016/j.rser.2015.05.003.

[19] Wu, Xiang, Guojun Tan, Zongbin Ye, Guangyao Yao, Zhan Liu, and Guanghui Liu. "Virtual space vector PWM for a three level neutral point clamped inverter with unbalanced DC links." IEEE Transactions on Power Electronics 33, no. 3 (2017): 2630 2642.

[20] Liuzhu Zhua, Xiuting Ronga, Jie Zhaob , Hui Zhanga, Huaixun Zhangb, Chenyiyang Jiab, Gaoyuan Ma, Topology optimization of AC/DC hybrid distribution network with energy router based on power flow calculation, published ICNEPE, 2021.

[21] Alimorad Khajehzadeh1, Moslem Amirinejad2, Sasan Rafieisarbejan, An introduction to Inverters and Applications for system design and control wave power, published in International Journal of Scientific & Engineering Research, July 2014.

International Journal
for Research in Applied Science & Engineering Technology
)
752 ©IJRASET: All Rights are Reserved | SJ Impact Factor 7.538 | ISRA Journal Impact Factor 7.894 |

Turn static files into dynamic content formats.

Create a flipbook
Issuu converts static files into: digital portfolios, online yearbooks, online catalogs, digital photo albums and more. Sign up and create your flipbook.
Fault Ride Through Capability Analysis of Cascaded Multilevel Inverter System by IJRASET - Issuu