DM System of Residential Loads with Integrated Renewable Energy Sources

Page 1

10 XII December 2022 https://doi.org/10.22214/ijraset.2022.47989

ISSN: 2321-9653; IC Value: 45.98; SJ Impact Factor: 7.538

Volume 10 Issue XII Dec 2022- Available at www.ijraset.com

DM System of Residential Loads with Integrated Renewable Energy Sources

Abstract: In the world, many new imminent technologies are premeditated and introduced to lessen the carbon emission and various summit takes places every year. Moreover, the countless scholars are betrothed in the field of renewable resources like solar energy, wind energy and various renewable sources across the globe. This technology gap put forth the new innovation of emission control with energy management topology.

An AC small micro-grid system with Renewable energy sources like an EV, DG are implemented and mainly controlling of load shift for domestic residential applications are designed. In case of PV, the controlling of temperature plays a vital role in this design, whereas the conditions like Standard Test Condition and Nominal Operating Cell Temperature modes are intended. Furthermore, the secondary backup support system like battery (EV) are aimed to provide non interrupted power deliver in the scenarios of lower irradiance, moreover D-Q algorithm optimization are used to AC load regulation and this design simulated using MATLAB.

Keywords: Energy management, renewable energy, Electric vehicle EV, microgrid, neural network.

I. INTRODUCTION

Micro-grid had broadly classified in power system technology, since worldwide rapid increase in energy demands & an international unease over the environmental problems instigated by existing fuel technologies. MG would include altered energy sources from non-renewable to renewable sources.

To the point, an ESS are designed to reserve energy excess, as a result of overproduce related to power demand. Subsequently, precisely, the ESS uses leads to following circumstances. Hereby

1) A reserve energy potential overdue consume of the generated energy in comprehensive otherwise part lack of synchronized energy demand in needed.

2) A reserve tolerates the consumer to deed power at different location of power level at which can be obtainable for the period of generation.

3) A reserve system is revocable. i.e. the situation will tolerate the deferred almost all use of hoarded energy agreeing to its efficiency.

The energy resources like renewable is generally considered as an energy allows, whereas it means which are certainly reloaded on a real time such as natural resource things. RE varies from non-conventional to conventional fuels in four major areas: production of Electricity, water & air systems, fuels for the motor, and non-rural (off-grid) energy services.

“The depletion of energy distributed as 0.09 percent coming from traditional biomass, 0.42 percent as heat energy (non-biomass), 0.38 percent hydro- electricity and 0.02 percent is electricity from other resources.”

There are non-conventional projects which are large-scale system, RE expertise are fitted with the rural & isolated areas scenarios and upcoming countries, somewhere an energy is being critical in social side development.

II. LITERATURE SURVEY

A. Renewable Integration And Various Aspects Of Dg In Spain On Larger Scale: Recent Situation And Future Needs [1]

In European Union countries, the mechanism also diminishes the electricity generation by promotion with it. It also combined with various renewable energy sources and CHP (combined heat and power) production had provided a considerable growth in distributed generation (DG) in countries like Spain.

The Low rating DG permeation levels doesn’t have a serious importance on electricity network systems. This review paper analyzed the present scenario of DG/RES in Spain including penetration rates & payments of RES and incentives for DSO innovation. This paper investigates several enhancements that would be made to the action of DG/RES.

International Journal for Research in Applied Science
Engineering
)
&
Technology (IJRASET
673 ©IJRASET: All Rights are Reserved | SJ Impact Factor 7.538 | ISRA Journal Impact Factor 7.894 |

Science & Engineering Technology (IJRASET

ISSN: 2321-9653; IC Value: 45.98; SJ Impact Factor: 7.538 Volume 10 Issue XII Dec 2022- Available at www.ijraset.com

B. Various Impacts Of Discontinuous Renewables Generation On Electricity System Operation [7]

Renewable sources like wind, photovoltaic (PV) solar and concentrated solar power (CSP) with non-storage have non-controllable inconsistency, restricted unpredictability. These abilities make an investigation of their effects on age framework activity. This paper examinations how a solid presence of rotating sustainable age will change how future force frameworks are booked, worked and coordinated. The change is recently seen in nations that as of now have a huge view of wind and sun powered creation. This work perceives open issues that legitimize further investigation from a specialized, financial and administrative observation.

C. Increased Renewables Generation On Power Plants Operations [8]

Now divergence with earlier research, the present work models each discrete transmission line and power plant within the two regions. Moreover for conventional plants, electricity costs are calculated with detail to fuel type, nameplate capability, operating condition; For renewable power plants, costs are determined using hydrology models & mesoscale weather simulations. National validation of the simulation shows that all renewable and most traditional power generation is forecast with <10% error. It defined that the increased perception of renewables in 2020 will induce a 4–23% increases.

D. Estimating Limits To Pv In Energy Storage Control Systems And Other Enabling Technologies [9]

This review paper investigates the cause of limits on outdated power systems to be flabbergasted by solar photovoltaics (PV). Using hourly solar insolation & load info, we executed simulations of an outsized utility system and attempted to give up to 50 percent of the energy of this classification from PV. In order to evade the limits of useless PV resulting in higher penetrations as a result of an unyielding base-load generators, we calculated several procedures.

E. Impact Of Energy Reserves In Upcoming Power System Networks [11]

The implementation of energy storage enhances the potential for linking many renewable energy sources in a more significant way. Through a detailed review of published scientific literature, the paper discusses implementation. On the other hand, the primary energy storage device could also gain large energy-overriding areas such as electricity users, etc.

F. Pv Study On Self-Consumption Method In Buildings: A Review [17]

The knowledge among PV system owners and within the scientific community of the self-consumption of PV electricity from grid-connected housing systems is broad. because the portion of the entire PV output directly spent by the PV device owner, self-consumption are often well specified. Reduced subsidies for PV on the power distribution gridside in many countries. This following review paper discusses current PV self-consumption research and possibilities for improving it.

G. Enhancing Pv And Grid Charging In United Applications To Progress The Effectiveness Of Domestic Batteries [18]

Improved self-consumption might be advance the benefit of PV systems & subordinate the burden on the distribution side with the decrease in PV subsidies in many countries. This study paper summarizes prevailing research and options for rallying PV selfconsumption. In addition, several paper discussed PV-battery systems, often along with DSM.

III. SYSTEM ANALYSIS

In this perspective, the present review study (refer Fig. 1), conferring to an pioneering method, which can be deigned for the grid connection. Explicitly, this work details the improvement of a suitable managing of loads to realize, also near the assumed storage incorporation, the intensification of the PV utilization with a more energy independence MG in following with : The work was executed along with the subsequent steps:

1) Load Profile investigation and classification on a normal regular cycle of residential loads (i.e. home appliances);

2) Enhancement in the Matlab Simulink environment atmosphere of the MG dynamic model;

3) The design is a PV system and Hybrid AC model that is considered to satisfy the daily load management prerequisite. (Refer Fig. 2)

4) For PV based converter control scheme used such as perturb and observe, with the artificial neural network (ANN) technique.

5) For battery-based converter control scheme used boost control technique.

International Journal for Research in Applied
)
674 ©IJRASET: All Rights are Reserved | SJ Impact Factor 7.538 | ISRA Journal Impact Factor 7.894 |

for Research in Applied Science & Engineering Technology (IJRASET

ISSN: 2321-9653; IC Value: 45.98; SJ Impact Factor: 7.538 Volume 10 Issue XII Dec 2022- Available at www.ijraset.com

Figure1. Existing System Block diagram

Figure2. Proposed system block diagram

The block representation of the grid connected Photovoltaic and battery system is represented in Figure 2. The single line diagram includes of a PV panel, battery & grid with three phase residential load. The PV panel produces extreme DC power along with its PV panels based on solar radiation & temperature, also which represented in Figure. by integrating MPPT algorithm.

Figure3. Controller Diagram

)
International Journal
675 ©IJRASET: All Rights are Reserved | SJ
7.538 | ISRA Journal
7.894 |
Impact Factor
Impact Factor

International

for Research in Applied Science & Engineering Technology (IJRASET

ISSN: 2321-9653; IC Value: 45.98; SJ Impact Factor: 7.538 Volume 10 Issue XII Dec 2022- Available at www.ijraset.com

The PV and battery connected common dc bus and it’s combined with the inverter controller.

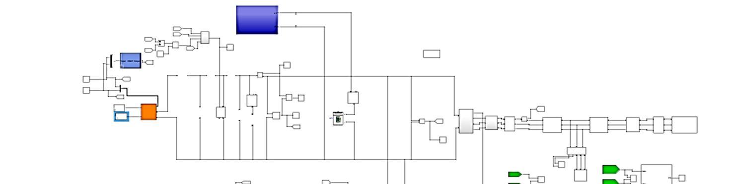
Figure 4. Simulation of the proposed micro-grid

A. Neural Network Structure of Fault Classifier

Figure 6. Structure of (ANN) layer

Figure5. Structure of (ANN) classifier

Figure 7. Structure of P&O Flowchart

Journal
)
676 ©IJRASET: All Rights are Reserved |
| ISRA
|
SJ Impact Factor 7.538
Journal Impact Factor 7.894

ISSN: 2321-9653; IC Value: 45.98; SJ Impact Factor: 7.538 Volume 10 Issue XII Dec 2022- Available at www.ijraset.com

To attain precise outputs for the resultant of simulation. It displays the snapshot of the trained ANN with the configuration, it is to be distinguished that the number of iteration required. Neural Network are undeniably a consistent and attractive method for transmission line faults scheme particularly in opinion of surge complexity of the modern power systems. The technique is easy appropriate and supple.

IV. RESULTS

The following figure depicts the justification for the simulation when it is in grid connected and islanded, from the upper as well as the load voltage, Vabc, the Iabc. Vdc signify the source voltage & current respectively.

)
International Journal for Research in Applied Science & Engineering Technology (IJRASET
677 ©IJRASET: All Rights are Reserved | SJ Impact Factor 7.538 | ISRA Journal Impact Factor 7.894 |
1) Islanded Mode Figure 8 Residential Load Figure 9. Inverter Figure 10 Grid
A. STC Mode
International Journal for Research in Applied Science & Engineering Technology (IJRASET)
678 ©IJRASET: All Rights are Reserved | SJ Impact Factor 7.538 | ISRA Journal Impact Factor 7.894 | B. NOTC Mode 1) Grid Connected Mode Figure 11. Residential Load Figure 12 Inverter Figure 13. Grid Figure14. Power Quality
ISSN: 2321-9653; IC Value: 45.98; SJ Impact Factor: 7.538 Volume 10 Issue XII Dec 2022- Available at www.ijraset.com

ISSN: 2321-9653; IC Value: 45.98; SJ Impact Factor: 7.538 Volume 10 Issue XII Dec 2022- Available at www.ijraset.com

V. CONCLUSION

The analysis of various testing conditions like STC and NOTC are implemented in the software with small AC grid with solar PV as major source in addition with residential load to investigate the uninterrupted power supply. A redesign of hybrid model of AC micro-grid system is designed for residential load management with control algorithm suggested. This gave a tremendous result to confirm a non-interrupted power delivered in simulation where lower solar irradiance occurs. In Future work, this design will be implemented in real time in addition with Electric vehicle battery management system as well.

REFERENCES

[1] R. Cossent, T. Gómez, L. Olmos, Large-scale integration of renewable and distributed generation of electricity in Spain: current situation and future needs, Energy Policy 39 (2011) 8078–8087, http://dx.doi.org/10.1016/j.enpol.2011.09. 069

[2] M. Burgos-Payán, J.M. Roldán-Fernández, Á.L. Trigo-García, J.M. Bermúdez-Ríos, J.M. Riquelme-Santos, Costs and benefits of the renewable production of electricity in Spain, Energy Policy 56 (2013) 259–270, http://dx.doi.org/10.1016/j.enpol. 2012.12.047.

[3] W.F. Pickard, A.Q. Shen, N.J. Hansing, Parking the power: strategies and physical limitations for bulk energy storage in supply-demand matching on a grid whose input power is provided by intermittent sources, Renew. Sustain. Energy Rev. 13 (2009) 1934–1945, http://dx.doi.org/10.1016/j.rser.2009.03.002

[4] L. Barelli, U. Desideri, A. Ottaviano, Challenges in load balance due to renewable energy sources penetration: the possible role of energy storage technologies relative to the Italian case, Energy 9 (2015) 3, http://dx.doi.org/10.1016/j.energy.2015.09. 057.

[5] P. Keatley, A. Shibli, N.J. Hewitt, Estimating power plant start costs in cyclic operation, Appl. Energy 111 (2013) 550–557, http://dx.doi.org/10.1016/j.apenergy. 2013.05.033.

[6] K. Van Den Bergh, E. Delarue, Cycling of conventional power plants: technical limits and actual costs, Energy Convers. Manage. 97 (2015) 70–77, http://dx.doi. org/10.1016/j.enconman.2015.03.026.

[7] I.J. Perez-Arriaga, C. Batlle, Impacts of intermittent renewables on electricity generation system operation, Econ. Energy Environ. Policy 1 (2012) 3–18, http:// dx.doi.org/10.5547/2160-5890.1.2.1.

[8] P. Eser, A. Singh, N. Chokani, R.S. Abhari, Effect of increased renewable generation on operation of thermal power plants, Appl. Energy 164 (2016) 723–732, http://dx. doi.org/10.1016/j.apenergy.2015.12.017.

[9] P. Denholm, R.M. Margolis, Evaluating the limits of solar photovoltaics (PV) in electric power systems utilizing energy storage and other enabling technologies, Energy Policy 35 (2007) 4424–4433, http://dx.doi.org/10.1016/j.enpol.2007.03. 004.

[10] M. Perrin, Y.M. Saint-Drenan, F. Mattera, P. Malbranche, Lead-acid batteries in stationary applications: competitors and new markets for large penetration of renewable energies, J. Power Sources 144 (2005) 402–410, http://dx.doi.org/10. 1016/j.jpowsour.2004.10.026.

[11] S. Alahakoon, Significance of energy storages in future power networks, Energy Procedia 110 (2017) 14–19, http://dx.doi.org/10.1016/j.egypro.2017.03.098

[12] B. Böcker, C. Weber, Different storages and different time-variable operation modes of energy storages in future electricity markets, Int. Conf. Eur. Energy Mark. EEM 2015 (August) (2015), http://dx.doi.org/10.1109/EEM.2015.7216686

[13] F. Rahman, S. Rehman, M.A. Abdul-Majeed, Overview of energy storage systems for storing electricity from renewable energy sources in Saudi Arabia, Renew. Sustain. Energy Rev. 16 (2012) 274–283, http://dx.doi.org/10.1016/j.rser.2011.07.153

[14] A.G. Olabi, Renewable energy and energy storage systems, Energy 136 (2017) 1–6, http://dx.doi.org/10.1016/j.energy.2017.07.054

[15] Y. Yoon, Y.-H. Kim, Effective scheduling of residential energy storage systems under dynamic pricing, Renew. Energy 87 (2016) 936–945, http://dx.doi.org/10.1016/j. renene.2015.09.072.

[16] D. Parra, G.S. Walker, M. Gillott, Modeling of PV generation, battery and hydrogen storage to investigate the benefits of energy storage for single dwelling, Sustain. Cities Soc. 10 (2014) 1–10, http://dx.doi.org/10.1016/j.scs.2013.04.006

[17] R. Luthander, J. Widén, D. Nilsson, J. Palm, Photovoltaic self-consumption in buildings: a review, Appl. Energy 142 (2015) 80–94, http://dx.doi.org/10.1016/j apenergy.2014.12.028.

[18] A. Pena-Bello, M. Burer, M.K. Patel, D. Parra, Optimizing PV and grid charging in combined applications to improve the profitability of residential batteries, J. Energy Storage 13 (2017) 58–72, http://dx.doi.org/10.1016/j.est.2017.06.002

[19] S. Nan, M. Zhou, G. Li, Optimal residential community demand response scheduling in smart grid, Appl. Energy 210 (2017) 1280–1289, http://dx.doi.org/10.1016/j. apenergy.2017.06.066.

[20] A. Rieger, R. Thummert, G. Fridgen, M. Kahlen, W. Ketter, Estimating the benefits of cooperation in a residential microgrid: a data-driven approach, Appl. Energy 180 (2016) 130–141, http://dx.doi.org/10.1016/j.apenergy.2016.07.105

[21] P. Siano, D. Sarno, Assessing the benefits of residential demand response in a real time distribution energy market, Appl. Energy 161 (2016) 533–551, http://dx.doi. org/10.1016/j.apenergy.2015.10.017.

[22] F. Pallonetto, S. Oxizidis, F. Milano, D. Finn, The effect of time-of-use tariffs on the demand response flexibility of an all-electric smart-grid-ready dwelling, Energy Build. 128 (2016) 56–67, http://dx.doi.org/10.1016/j.enbuild.2016.06.041

[23] J.H. Yoon, R. Baldick, A. Novoselac, Dynamic demand response controller based on real-time retail price for residential buildings, IEEE Trans. Smart Grid 5 (2014) 121–129, http://dx.doi.org/10.1109/TSG.2013.2264970

[24] D. Setlhaolo, X. Xia, J. Zhang, Optimal scheduling of household appliances for demand response, Electr. Power Syst. Res. 116 (2014) 24–28, http://dx.doi.org/10. 1016/j.epsr.2014.04.012.

[25] B. Alimohammadisagvand, J. Jokisalo, S. Kilpeläinen, M. Ali, K. Sirén, Cost-optimal thermal energy storage system for a residential building with heat pump heating and demand response control, Appl. Energy 174 (2016) 275–287, http://dx.doi. org/10.1016/j.apenergy.2016.04.013.

International Journal for Research in Applied
)
Science & Engineering Technology (IJRASET
679 ©IJRASET: All Rights are Reserved | SJ Impact Factor 7.538 | ISRA Journal Impact Factor 7.894 |

Turn static files into dynamic content formats.

Create a flipbook
Issuu converts static files into: digital portfolios, online yearbooks, online catalogs, digital photo albums and more. Sign up and create your flipbook.