Application of Triple Active Bridge Converter for Future Grid and Integrated Energy System

Page 1

https://doi.org/10.22214/ijraset.2023.49729

11 III
2023
March

ISSN: 2321-9653; IC Value: 45.98; SJ Impact Factor: 7.538

Volume 11 Issue III Mar 2023- Available at www.ijraset.com

Application of Triple Active Bridge Converter for Future Grid and Integrated Energy System

Anshuma G. Kondekar1 , Asst. Prof. Nilima B. Dhande2 , Asst. Prof. Dimpal U. Zade3 1, 2, 3Electrical Engineering, SSCET, Gondwana University, India

Abstract: Renewable energy systems and electric vehicles (EVs) are receiving much attention in industrial and scholarly communities owing to their roles in reducing pollutant emissions. Integrated energy systems (IES), which connect different types of renewable energies and storages, have become common in many applications, such as the grid-connected photovoltaic (PV) and battery systems, fuel cells and battery/super capacitor in EVs. The advantages of all energy sources are maximized by utilizing connection and control strategies. Because many storage systems and household loads are mainly direct current (DC) types, the DC grid has considerable potential for increasing the efficiency of distribution grids in the future. In IES and future DC grid systems, the triple active bridge (TAB) converter is an isolated bidirectional DC-DC converter that has many advantages as a core circuit. In this paper reviews the characteristics of the TAB converter in current applications and suggests nextgeneration applications. First, the characteristics and operation modes of the TAB converter are introduced. An overview of all current applications of the TAB converter is then presented. The advantages and challenges of the TAB converter in each application are discussed. Thereafter, the potential future applications of the TAB converter with an adaptable power transmission design are presented.

Keywords: Triple active bridge; Integrated energy systems; DC grid; Isolated bidirectional DC-DC converter; Multiport converter component.

I. INTRODUCTION

Direct current (DC) grids offer many advantages over alternating current (AC) grids, such as potentially higher efficiencies, and reduced filter effort. DC-DC converters are one of the most important technologies for future DC grids. They offer precise control ability for power flow with high reliability. Dual active bridge (DAB), an isolated bidirectional dc-dc converter, has been proposed for many applications.

The DAB converter includes two full-bridge inverters that are connected by an isolation transformer at high-frequency operation, as shown in Figure1. It has advantages such as a bidirectional power flow with high efficiency. However, it can only connect two ports; thus, many DAB converters need to be used to connect different elements to the DC-bus in the IES. Moreover, it may require a communication bus to control power flow. Therefore, the triple-active-bridge (TAB) converter was proposed to connect one more element by adding one more port to the DAB converter. The advantages of the DAB converter can be kept in the TAB converter. Also, the communication between the three elements is not necessary when using the TAB converter. Therefore, the control of the total system is more straightforward. In addition, in comparison to other multiport converters, the TAB converter has the advantage by using a transformer, which not only converts the voltage ratio but also improves the safety of the system. Therefore, the TAB converter is proposed for many applications in IES and DC grid.

II. OBJECTIVE

In this paper presents an overview of current applications. The advantages and challenges of the TAB converter in different applications are analysed. Then, future applications, which use storage systems, are suggested for use with the TAB converter. Also, potential applications and concepts in next-generation applications are proposed. Control methods of the TAB converter.

1) Comparison of DC bus micro grid using the TAB converter and the conventional DC-DC converter

2) DC converter microgrid using TAB converter.

3) TAB converter for electric vehicles (EVs) as an integrated on-board charger and DC-DC converter.

4) Future application for controlling power flow.

International Journal for Research in Applied Science & Engineering Technology (IJRASET)
1588 ©IJRASET: All Rights are Reserved | SJ Impact Factor 7.538 | ISRA Journal Impact Factor 7.894 |

A. Control Methods Of The Tab Converter.

ISSN: 2321-9653; IC Value: 45.98; SJ Impact Factor: 7.538

Volume 11 Issue III Mar 2023- Available at www.ijraset.com

III. METHODOLOGY

The DAB converter includes two full-bridge inverters that are connected by an isolation transformer at high-frequency operation, as shown in Figure. It has advantages such as a bidirectional power flow with high efficiency. However, it can only connect two ports; thus, many DAB converters need to be used to connect different elements to the DC-bus in the IES. Moreover, it may require a communication bus to control power flow. The triple-active-bridge (TAB) converter was proposed to connect one more element by adding one more port to the DAB converter, as shown in Figure2[ 17]. The advantages of the DAB converter can be kept in the TAB converter. Moreover, it is not only applicable to one more port but also enables flexible power transmission between three ports, as shown in Figure3. This shows that three DAB converters are required in Figure3to achieve flexible power transmission between three elements, which is achieved by only one TAB converter in Figure3b. Also, the communication between the three elements is not necessary when using the TAB converter. Therefore, the control of the total system is more straightforward. In addition, in comparison to other multiport converters, the TAB converter has the advantage by using a transformer, which not only converts the voltage ratio but also improves the safety of the system. Therefore, the TAB converter is proposed for many applications in IES and DC grid.

The TAB converter is proposed to develop micro-grid systems. The future DC grid has potential in household applications, for which the TAB converter has an advantage [19–22]. It can be used to connect medium and low voltages in the DC distribution grid [26–30].

An uninterruptible power supply (UPS), which uses a battery to support the source in the worst-case scenario, is a suitable application for the TAB converter [31–33].

The TAB converter was discussed as an important part that can improve the reliability of the distribution system in the data center [34,35]. The proposed system in EVs applications is discussed in [36–40]. However, researches on the TAB converter focuses on each separated application and characteristic. It loses an overview of the current status, such as the advantages and challenges of the TAB converter in current applications. Also, there are many new applications such as all electrical ships, autonomous underwater vehicles, etc., that involve replacing other energy systems with electricity. Therefore, this paper presents an overview of current applications. The advantages and challenges of the TAB converter in different applications are analyzed. Then, future applications, which use storage systems, are suggested for use with the TAB converter. Also, potential applications and concepts in next-generation applications are proposed. This becomes a reference for researchers and engineers in the related topic for improving the TAB converter in current applications and extending applications.

International Journal for Research in Applied Science
Engineering
(IJRASET)
&
Technology
1589 ©IJRASET: All Rights are Reserved | SJ Impact Factor 7.538 | ISRA Journal Impact Factor 7.894 |
Figure 1. Triple-active-bridge (TAB) converter circuit.

ISSN: 2321-9653; IC Value: 45.98; SJ Impact Factor: 7.538

Volume 11 Issue III Mar 2023- Available at www.ijraset.com

B. Dc Converter Microgrid Using Tab Converter

A microgrid is an integrated system that combines sources, storage systems, and loads. The DC bus Microgrid systems using TAB converter were discussed in. Figure shows the comparison of a DC bus microgrid using the TAB converter and the conventional converter. It shows that the system using the TAB converter can reduce the required number of DC-DC converters and communication lines. Consequently, the cost of the system is reduced.. The rapidly increasing use of the EVs will bring much change in household electrical systems in the future. The DC household electrical system is discussed in fig. The TAB converter can be used in household electrical systems for a power range of 10 kilowat (kW), as discussed in [21,22]. The EVs or storage can be charged from the grid or directly from the rooftop PV. In addition, EVs have a high-power battery, which can be a storage and support system for the household load or grid [5]. By using the TAB converter, the DC bus microgrid system becomes more flexible in setup and more optional in operation, which are advantages.

An autonomous DC microgrid using the TAB converter is proposed in as shown in Figure11. One port of the TAB converter is connected to one element, and the remaining two ports are connected to the autonomous DC microgrid to control the power and voltage. The TAB converter can change the control target to keep a constant voltage and for different loads depending on the condition of the system. The transformers of the TAB converters isolate all the parts of the microgrid. Therefore, if one element has an error, other elements still work well, and the system is easy to extend at any time. The DC/AC converter can be added to a port that connects to an AC load or source. This idea can be applied to the traditional microgrid system when some elements are used to improve reliability. In the future microgrid system, the TAB converter is a promising circuit when combining two above systems.

International Journal for Research in Applied Science
)
& Engineering Technology (IJRASET
1590 ©IJRASET: All Rights are Reserved | SJ Impact Factor 7.538 | ISRA Journal Impact Factor 7.894 |
Figure2.DC bus microgrid using the TAB converter and the conventional DC-DC converter. Figure3. TAB converter for an autonomous DC microgrid system.

ISSN: 2321-9653; IC Value: 45.98; SJ Impact Factor: 7.538

Volume 11 Issue III Mar 2023- Available at www.ijraset.com

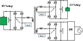
C. TAB Converter For Electric Vehicles (Evs) As An Integrated On-Board Charger And DC-DC Converter Electric vehicles (EVs) normally have a high voltage (HV) battery of 300 V–400 V and a low voltage (LV) battery of 14 V. The HV battery supplies the main power for the motor. The LV battery supplies power for other facilities such as the fan, light, wiper, radio, etc. The on-board charger is implemented in EVs to charge the EVs at home with a power range of 3–6 kW. Therefore, the DC-DC converter and charger are combined using the TAB converter as shown in Fig. The port-1 is connected to the main battery. The port-2 is connected to the low voltage battery. The port-3 is connected to the DC source after the rectifier from the AC grid. The two DC-DC converters in the conventional system are combined by using one TAB converter. This reduces the components, size, and cost of the system. However, the idling isolation of the charger port is a challenge in this application. Therefore, phase shift combined duty cycles are proposed for this condition to reduce the peak and RMS current. This shows that this method can be applied in other applications that have a similar critical condition.

The 42 V bus for EVs was discussed in [40] to increase the power for HEVs. Therefore, the electrical system may have three voltage levels (14 V/42 V/400 V). The TAB converter has many advantages for this system because it separates voltage levels using one converter with a three-winding transformers, as shown in Figure19. The power can be supplied from three storage systems effectively during start-up or regular running. This shows that all the operation modes of the TAB converter can be applied in this application to maximize the power and lifetime of the system.

D. Future Application for Controlling Power Flow

The AC power utility system for a railway, for example, shinkansen in Japan, uses two single-phase AC voltages 25 kV or 20 kV for two direction lines [70–72]. The single-phase AC voltages are supplied from a three-phase voltage using a Scott-connected transformer, as shown in Figure23a. The electric power load of each single-phase voltage may be unbalanced depending on the number and position of the trains in each direction. This affects the three-phase voltage side, which causes a more significant voltage fluctuation. Therefore, a railway static power conditioner (RPC) is developed to control voltage fluctuation on the threephase voltage side in [72], as shown in Figure23b. An RPC is constructed from two pulse width modulation (PWM) inverters, which are connected by a large DC link capacitor system. The other side of each inverter is connected to a single-phase voltage by a single-phase transformer.

Journal for Research in
)
International
Applied Science & Engineering Technology (IJRASET
1591 ©IJRASET: All Rights are Reserved | SJ Impact Factor 7.538 | ISRA Journal Impact Factor 7.894 |
Figure4.TAB converter for electric vehicles (EVs) application as an integrated on-board charger and DC-DC converter. Figure5. Proposed future concept for shinkansen power supply using the TAB converter.

ISSN: 2321-9653; IC Value: 45.98; SJ Impact Factor: 7.538

Volume 11 Issue III Mar 2023- Available at www.ijraset.com

The two inverters can work as a static synchronous compensator (STATCOM), and the reactive power is compensated by feeding an active power from one bus to another. The power utility system then needs a scott traction transformer, two inverters, two single-phase transformers, and a DC link capacitor system. Both the Scott transformer and RPC have large-capacity, high weight, and big size.

A future concept is suggested for application in the future railway utility by using the TAB converter. A TAB converter, which connected 160KV DC voltage from the rectifier and two 44KV DC voltage output for the train system. It can replace both the Scott transformer and RPC to achieve isolation and power flow control targets. The connection in the module can be suggested to solve the challenges of very high voltage and power.

IV. WORKING

A. Configuration And Model

Figure. shows the circuit diagram of the TAB converter. It includes a three-winding transformer connecting port-1, port-2 and port3.Each port has an inductance connected in series, and a full bridge inverter. The series inductances, L1, L2j , and L3j include the leakage and external inductances on each port.

The symbols n2 and n3 are the turn ratios of the port-2 and port-3. The phase voltages between the leg midpoints of each port, u1, u2j, and u3j, have the amplitudes V1,V2j, and V3j, respectively. S11 to S14, S21 to S24, and S31 to S34 are the control signals of ports 1, 2 and 3, respectively. Figure shows a three-phase TAB converter made by adding one switching leg to each inverter [41]. It is proposed for high power applications. Each phase of the three-phase TAB converter can be modeled as a single-phase TAB converter

Figure shows. Ү and ∆ type equivalent circuits of the TAB converter, respectively. The voltages and current of the port 2 and 3 refer to port 1 as the following equation.

Journal
International
for Research in Applied Science & Engineering Technology (IJRASET)
1592 ©IJRASET: All Rights are Reserved | SJ Impact Factor 7.538 | ISRA Journal Impact Factor 7.894 |
Figure. Three-phase TAB converter.
U2=u2 ' /n2 U3=u3 ' /n3 (1). I2=i2'n2 I3=i'3n3

International Journal for Research in Applied Science & Engineering Technology (IJRASET)

ISSN: 2321-9653; IC Value: 45.98; SJ Impact Factor: 7.538

Volume 11 Issue III Mar 2023- Available at www.ijraset.com

Where u2 and u3 are the port1 referred voltages and i2 and i3 are the port1 referred current respectively.

L2=L2 ' /n22

L3=L3 ' /n32

V2=V2/n2 (2).

V3=V3/n3

Where L2 and L3 are the port referred inductances and V2 and V3 are the port referred voltage respectively.

V. CONCLUSION

A. The TAB converter is considered a promising circuit for next-generation DC grid and integrated energy systems, which have vast market prospects. The advantages of the TAB converter include multiple interfacing ports with isolation, achievable implementation of centralized controls, and improved flexibility of electric systems.

B. This paper reviewed the characteristics of the TAB converter and the research status of the current applications. The paper also showed that the TAB converter could be an upgraded solution for conventional systems. Additionally, some potential future applications with the battery were presented.

C. A future concept for AC voltage railway systems was also proposed. The design and performance optimization of the TAB converter for high power applications with high reliability will be the trend in the future.

REFERENCES

[1] Chan, C.C. The State of the Art of Electric, Hybrid, and Fuel Cell Vehicles. Proc. IEEE 2007, 95, 704–718. [CrossRef]

[2] Huang, A.Q.; Crow, M.L.; Heydt, G.T.; Zheng, J.P.; Dale, S.J. The Future Renewable Electric Energy Delivery and Management (FREEDM) System: The Energy Internet. Proc. IEEE 2011, 9, 133– 148. [CrossRef]

[3] Blaabjerg, F.; Teodorescu, R.; Liserre, M.; Timbus, A.V. Overview of Control and Grid Synchronization for Distributed Power Generation Systems. IEEE Trans. Ind. Electron. 2006, 53, 1398– 1409. [CrossRef]

[4] Kim, J.; Yu, C.J.; Khammuang, M.; Lui, J.; Almujahid, A.; Daim, T. Forecasting Battery Electric Vehicles. In Proceedings of the 2017 IEEE Technology & Engineering Management Conference (TEMSCON), Santa Clara, CA, USA, 8–10 June 2017.

[5] Yilmaz, M.; Krein, P.T. Review of the Impact of Vehicle-to-Grid Technologies on Distribution Systems and Utility Interfaces IEEE Trans. Power Electron. 2013, 28, 5673–5689.

[6] Longo, M.; Yaïci, W.; Foiadelli, F. Electric Vehicle Charge with Residential’s Roof Solar Photovoltaic System: A Case Study in Ottawa. In Proceedings of the 2017 IEEE 6th International Conference on Renewable Energy Research and Applications (ICRERA), San Diego, CA, USA, 5–8 November 2017; pp. 121–125.

[7] Sharaf, O.Z.; Orhan, M.F. An overview of fuel cell technology: Fundamentals and applications. Renew. Sustain. Energy Rev. 2014, 32, 810–853. [CrossRef]

[8] He, H.; Zhang, Y.; Wan, F. Control strategies design for a fuel cell hybrid electric vehicle. In Proceedings of the IEEE Vehicle Power and Propulsion Conference, Harbin, China, 3–5 September 2008; pp.1–6.

[9] US Department of Energy. The Department of Energy Hydrogen and Fuel Cells Program Plan; An integrated strategic plan for the research, development, and demonstration of hydrogen and fuel cell technologies; US Department of Energy: Washington, DC, USA, 2011.

[10] Gao, W. Performance comparison of a fuel cell-battery hybrid powertrain and a fuel cell-ultracapacitor hybrid powertrain. In Proceedings of the Power Electronics in Transportation (IEEE Cat. No.04TH8756), Novi, MI, USA, 21–22 October 2004; pp. 143–150.

1593 ©IJRASET: All Rights are Reserved | SJ Impact Factor 7.538 | ISRA Journal Impact Factor 7.894 |
Figure. Equivalent circuit of the TAB converterY-type and ∆-type.

Turn static files into dynamic content formats.

Create a flipbook
Issuu converts static files into: digital portfolios, online yearbooks, online catalogs, digital photo albums and more. Sign up and create your flipbook.
Application of Triple Active Bridge Converter for Future Grid and Integrated Energy System by IJRASET - Issuu