Fluid Power Journal June 2024

Page 1

MANUFACTURERS ANNUAL DIRECTORY NOTABLE WORDS Michael Cook AIR TEASER & FIGURE IT OUT WHAT IN THE WORLD IS A
PASCAL Five MUST HAVE HYDRAULIC PRESSURE GAUGE FEATURES Efficient HYDRAULICS FOR ELECTRIFYING MACHINES Six CONSIDERATIONS WHEN SELECTING A BALL VALVE JUNE 2024 fluidpowerjournal.com Nonprofit Organization US Postage PAID Bolingbrook, IL Permit #323 Innovative Designs & Publishing • 3245 Freemansburg Avenue • Palmer, PA 18045-7118
MEGA
REPAIRED CYLINDER- AFTER YATES INDUSTRIES INC 23050 E. Industrial Dr. St. Clair Shores, MI, 48080 Phone: 586-778-7680 sales@yatesind.com YATES CYLINDERS ALABAMA 55 Refreshment Place Decatur, AL, 35601 Phone: 256-351-8081 alsales@yatesind.com YATES CYLINDERS GEORGIA 7750 The Bluffs Austell, GA, 30168 Phone: 678-355-2240 gasales@yatesind.com YATES CYLINDERS OHIO 550 Bellbrook Ave Xenia, OH 45385 Phone: 513-217-6777 ohsales@yatesind.com Custom Mill Duty Bore Sizes 2" - 40+" Hydraulic and Pneumatic Bore Sizes 1.5" - 24" Custom Welded Bore Sizes 1.5" - 24" CONTACT US TODAY! 586-778-7680 or YATESIND.COM

Publisher’s Note: The information provided in this publication is for informational purposes only. While all efforts have been taken to ensure the technical accuracy of the material enclosed, Fluid Power Journal is not responsible for the availability, accuracy, currency, or reliability of any information, statement, opinion, or advice contained in a third party’s material. Fluid Power Journal will not be liable for any loss or damage caused by reliance on information obtained in this publication.

Features 08 Efficient Hydraulics Are Critical in Electrifying Off-Highway Machines Insights into designing optimal hydraulic systems for electrified off-highway machinery. » COVER STORY 10 What in the World Is a Megapascal Exploring the intricacies of the metric system and its application in fluid power. 14 Six Considerations When Selecting a Ball Valve Learn about the essential factors to consider when selecting ball valves for fluid conveyance systems. 26 Top 5 Must Have Hydraulic Pressure Gauge Features Choosing the right pressure gauge for hydraulic systems, ensuring optimal performance and safety. 30 Creating a Safer Workplace With a Few Simple Hose Management Changes Best practices in high-pressure hose maintenance and management. » TEST YOUR SKILLS 32 Understanding the Function of Valves How much do you know about valves? June 2024 VOLUME 31 • ISSUE 6 26 10 14 IN THIS ISSUE
04 Notable Words 05 Figure It Out 06 Air Teaser 18 Literature Review 21 IFPS Update 34 Manufacturers Directory 55 Classifieds
Departments

Aiding in the Balancing Act

REMOVING THE BURDEN OF INNOVATION FOR FLUID POWER CUSTOMERS

» AS FLUID POWER professionals, from original equipment manufacturers (OEMs) to C-Parts suppliers, we are continually challenged to manage day-to-day business activities that drive the bottom line while also looking to the future. While the need to do both seems obvious, the two can sometimes be at odds. The payout from investing in development isn’t always immediate but it is necessary to keep up with advancements in technology, materials, and other industry trends.

We need to look at ways to help each other formulate new solutions with minimal effects on daily business operations. One way to do this is by pursuing a shared innovation approach

across the fluid power supply chain. While this may sound idyllic, as individual organizations we are committed to helping our customers respond to the demands for accelerated time to market, reduced production costs, and improved transitions from design to serial production. We should create designated spaces for innovation and work with our customers to create samples and multiple design iterations, drive more effective production methods and expedite scale-ups.

In some instances, a physical dedicated innovation space is impractical, but we can still develop high-quality engineering simulation capabilities. Good simulations and the experts to interpret them can produce better recommendations, leading to faster prototyping, improvements in predictive maintenance, and a more efficient fluid power system. At the start of a project, customers want to know the practicality of a component including how long it will function. Engineering simulations are the most effective way to answer questions about the durability of components. Testing if a system component works is generally straightforward but understanding its functional life traditionally requires long-term testing that may exceed timing constraints. Simulations can be utilized across a fluid power system, furthering the benefits of collaboration as each manufacturer will have the best understanding of their respective product’s attributes.

Regardless of our positions in the supply chain and the resources we can contribute to

innovation, we all work together to provide the best products to our end users. Open communication about challenges and trends with those who drive an organization’s strategy and move ideas toward implementation is therefore critical.

Designing for sustainability should be part of these discussions. The road to long-term sustainability in the fluid power industry is just beginning, but it is essential to explore innovations that contribute to production efficiency while reducing the use of critical resources. Focusing on efforts that align with manufacturing best practices and embody a circular economy for products instead of the traditional linear approach can support a more sustainable future for the industry. Finally, time is a precious resource for everyone. Being involved with the right things at the right times is critical. This includes investing time in industry associations like the National Fluid Power Association (NFPA) or Association of Equipment Manufacturers (AEM) and participating in future-focused industry committees and task forces. Additionally, we all need to use our resources wisely. If you have a large net to cast, cast it. If you have a global network, leverage the capabilities, and knowledge of your colleagues around the world. If your facility in the US can’t do it but your site in Europe can – make it happen for your customer. The power of many is greater than the power of one.

04 | June 2024 CELEBRATING 30 YEARS WWW.FL u IDPOW e RJO u R n AL.COM | WWW.IFPS.ORG NOTABLE WORDS

PUBLISHER

Innovative Designs & Publishing, Inc.

3245 Freemansburg Avenue, Palmer, PA 18045-7118

Tel: 800-730-5904 or 610-923-0380

Fax: 610-923-0390 • Email: Art@FluidPowerJournal.com www.FluidPowerJournal.com

Founders: Paul and Lisa Prass

Associate Publisher and Marketing Consultant: Kristy Jones

Editor: Hannah Coursey

Technical Editor: Dan Helgerson, CFPAI/AJPP, CFPS, CFPECS, CFPSD, CFPMT, CFPCC

Senior Marketing Consultant: Bob McKinney

Graphic Designer: Nicholas Reeder

Accounting: Donna Bachman, Sarah Varano

Circulation Manager: Josh Shoup

INTERNATIONAL FLUID POWER SOCIETY

1930 East Marlton Pike, Suite A-2, Cherry Hill, NJ 08003-2141

Tel: 856-424-8998 • Fax: 856-424-9248

Email: AskUs@ifps.org • Web: www.ifps.org

2024 BOARD OF DIRECTORS

President: Jeff Hodges, CFPAI/AJPP, CFPMHM - Altec Industries, Inc.

Immediate Past President: Scott Sardina, PE, CFPAI, CFPHS - Waterclock Engineering Corporation

First Vice President: Garrett Hoisington, CFPAI/AJPPOpen Loop Energy

Treasurer: Lisa DeBenedetto, CFPS - GS Global Resources

Vice President Certification: James O’Halek, CFPAI/AJPP - The Boeing Company

Vice President Marketing: Chauntelle Baughman, CFPHSOneHydraulics, Inc.

Vice President Education: Daniel Fernandes, CFPAI – Hawe Hydraulik

Vice President Membership: Brian Wheeler, CFPAI/AJPP - The Boeing Company

DIRECTORS-AT-LARGE

Bradlee Dittmer, CFPPS - IMI Precision Engineering Brian Kenoyer, CFPHS - CemenTech

Bruce Bowe, CFPAI/AJPP - Altec Industries, Inc. Cary Boozer, PE, CFPE - Motion Industries, Inc.

Ethan Stuart, CFPS, CFPECS - Quadrogen Power Systems

Jon Rhodes, CFPAI, CFPS, CFPECS - CFC Industrial Training

Stephen Blazer, CFPE, CFPS - Altec Industries, Inc.

Wade Lowe, CFPS - Hydraquip Distribution, Inc. Jeff Curlee, CFPE, Cross Mobile Systems Integration Deepak Kadamanahalli, CFPS - CNH Industrial Steven Downey, CFPAI/AJPP - Hydraulex John Juhasz, CFPS - Kraft Fluid Systems

CHIEF EXECUTIVE OFFICER (EX-OFFICIO) Donna Pollander, ACA

HONORARY DIRECTOR (EX-OFFICIO) Ernie Parker, Hydra Tech, Inc. CFPAI/AJPP

IFPS STAFF

Chief Executive Officer: Donna Pollander, ACA

Communications Coordinator: Victoria Piro

Technical Director: Thomas Blansett, CFPAI/AJPP Sr. Training/Dev. Manager: Bradley (BJ) Wagner, CFPAI/AJPP

Assistant Director: Jenna Mort

Certification Logistics Manager: Kyle Pollander

Bookkeeper: Diane McMahon

Instructional Designer & Layout: Chalie Clair

Fluid Power Journal (ISSN# 1073-7898) is the official publication of the International Fluid Power Society published monthly with four supplemental issues, including a Systems Integrator Directory, Off-Highway Suppliers Directory, Tech Directory, and Manufacturers Directory, by Innovative Designs & Publishing, Inc., 3245 Freemansburg Avenue, Palmer, PA 18045-7118. All Rights Reserved. Reproduction in whole or in part of any material in this publication is acceptable with credit. Publishers assume no liability for any information published. We reserve the right to accept or reject all advertising material and will not guarantee the return or safety of unsolicited art, photographs, or manuscripts.

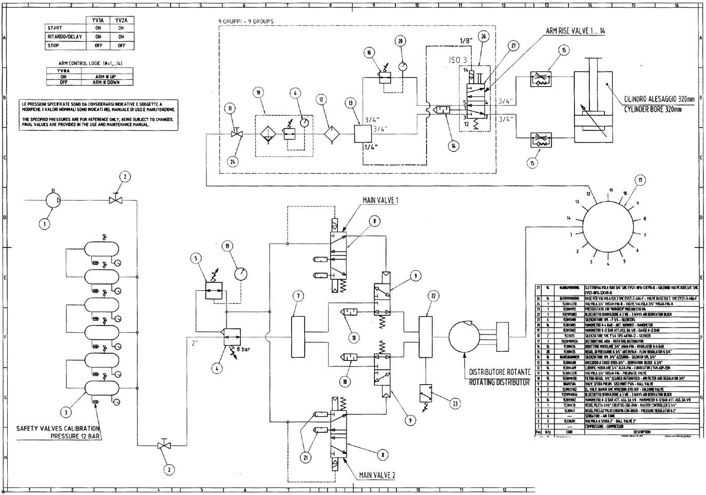
NEW PROBLEM Coil Lifting Circuit on a Rolling Mill Will Not Lower the Coil

» A STEEL MILL that takes large coils of automotive sheet metal, uncoils and runs it through a coating process. It is then recoiled after the process is finished. The hydraulic circuit the customer provided is attached. (Many times they are not accurate, but it’s a place to start). The hydraulic drawing shows a unique setup for the motor brake circuit and uses pressure-reducing valves to keep pressure on the outlet of the motor.

A problem developed where they could raise the coils but could not lower them properly. They found if they held the lower function energized the roll would slowly creep down the full distance and then they could raise with no problem. They felt the proportional valve was at fault but replacing it with a new one did not help.

What do you think is the solution to the problem?

Robert Sheaf has more than 45 years troubleshooting, training, and consulting in the fluid power field. Email rjsheaf@cfc-solar.com or visit his website at www.cfcindustrialtraining.com. Visit fluidpowerjournal.com/figure-it-out to view previous problems. For the solution, see page 54.

WWW.IFPS.ORG | WWW.FL u IDPOW e RJO u R n AL.COM CELEBRATING 30 YEARS June 2024 | 05
FIGURE IT OUT
3 MPa (435 psi) 2 MPa (290 psi) Energize to Release Brake C 2.4 MPa (350 psi 5 MPa (725 psi) 25 MPa (3625 psi)
Moves Coil Roll Up/Down

NEW PROBLEM

Troubleshooting Tales | The Mystery of a Faulty Amusement Park Ride

» RECENTLY A NEW ride was installed in an amusement park and it didn’t work on startup. The main cylinder would not extend. After the normal troubleshooting it was notice that valve #26 was a double solenoid controlled, pilot operated valve instead of what the schematic is showing without any change in the plumbing. I have two questions:

1. What is the problem?

2. List all the errors that you can find in the two schematics.

For the solution, see page 54.

06 | June 2024 CELEBRATING 30 YEARS WWW.FL u IDPOW e RJO u R n AL.COM | WWW.IFPS.ORG AIR TEASER

Avoid costly downtime from ruptures, contamination, and damaged ttings by protecting your entire hydraulic hose assembly with Essentra’s complete line of protection products.

- Spiralguard

- Tectorguard

- Point of Contact Protector

- Hose Sleeves

- Hydraulic Caps & Plugs

- Hose Bundling and Securing Clamps & Straps

EMAIL AN ESSENTRA EXPERT
IT?
sales@essentracomponents.com RISK
FREE Samples and CAD Drawings Available at www.essentracomponents.com Full Range eCatalog SCAN NOW DOWNLOAD TODAY!

EFFICIENT HYDRAULICS ARE CRITICAL IN

ELECTRIFYING

OFF-HIGHWAY MACHINES

By Jeff Curlee, CFPE, Engineering Manager, Cross Company

functions. While each application is different, this can allow a designer the freedom to choose a less expensive, low pressure drop control valve and use the variable speed of the motor-pump group to provide proportional speed control for a given function in the most efficient way possible. Even if this is impractical for a given function, understanding the specific demands of a function allows the designer to select the best possible control methodology to deliver power to the function with the lowest possible losses. This highlights why a detailed understanding of the operational requirements of the machine is so important.

Efficiently sizing of fluid conveyance

Just as with valving, it is important to give full consideration to the plumbing design of electrified equipment. It may seem counterintuitive, but even a quarter-inch change in hose size can have a huge impact on the overall efficiency of the machine.

Cross’s eMobility team recently worked on electrifying a mini-excavator for an OEM. During the process of electrifying the machine, our team changed the design architecture of the entire hydraulic system with the exception of the fluid conveyance system in an effort to gain efficiency. As we began to

evaluate the performance of the machine, we discovered that the hoses were the source of significant pressure drop– even though they worked perfectly fine on the ICE version of the machine. This pressure drop significantly reduced operation time before recharge. After carefully analyzing the pressure losses due to improperly sized hoses, the team was able to implement a fluid conveyance design that increased the operating time of the machine by 30%. When compared to the cost of batteries that would be required to accomplish the same goal, the change in hose size and routing turned out to be a true bargain.

Hydraulic oil selection

Unfortunately, the selection of hydraulic fluid is an afterthought in most system designs. Many factors come into play when selecting the right fluid for your machine. All hydraulic component manufacturers have a recommended safe operating viscosity range for their components. The designer should take this into account along with the operating conditions of the machine in question. Once operating temperature ranges are understood, the designer can select a fluid that meets minimum requirements for the safe operation of the components in the system while minimizing pressure drop due to the effects of viscosity. •

CELEBRATING 30 YEARS June 2024 | 09

WHAT IN THE WORLD IS A MEGA PASCAL

COVER STORY

curve. It is the Pascal (Pa) as a unit of pressure. Units of pressure (Up) are determined by dividing a unit force (UF) by a unit area (UA). In the US Customary system an example would be pound per square inch (lb./in², psi). But in the metric system, we are given the name of the man who came up with the concept. The man was Blaise Pascal, and the pressure unit is the Pascal (Pa). But what is a Pascal Up? Well, it must be some version of UF /UA, but what force and what area?

The UF is the Newton (N), and the UA is the square meter (m2), So, the Pa is N/m2.

pressure insidiously crept into the fluid power vocabulary. The bar is not a Pa, a kPa, an MPa, or even a psi. It is somewhere between a kPa and an MPa.

Here is a visual aid that may be of help. If you were to take a stick of butter, cut off about 10%, and then spread the rest evenly over a square meter (m²), it would have a downward force of 1 N. As you can see, the Pa is an exceedingly small amount of pressure. It is so small that the industry decided to use the Megapascal (MPa) as the preferred unit of pressure.

The prefix “Mega” means a million. So, an MPa equals a million Newtons pressing on one m2

So, why is it called bar? The bar derives its name from the barometer. In 1665, Robert Boyle wanted to give a name to an instrument that had been invented years earlier by Evangelista Toricelli. The instrument was used for measuring the weight of air. Boyle joined together two Greek words to coin the term barometer, which means “weight measuring.” It was not until around 1900 that Vilhelm Bjerknes, the founder of the modern practice of weather forecasting, used the term bar as a unit of pressure. His barometer had a reading of 100,000 Pa at his research facility, and he considered this to be one atmosphere and called it one bar, short for barometer. However, atmospheric pressure is defined as the UF per UA exerted by air at sea level. His lab was 111 meters (364 feet) above sea level. So, his bar is close to, but not equal to, one atmosphere which is 101,352 Pa. But somehow, this measurement became thought of as a comfortable metric unit of pressure (Up) and is currently (and incorrectly) used, even in our most prestigious manuals and reference material.

So, what’s so bad about the bar? We stick it in our equations, and, with a little modification, we get the correct answers.

Probably, the most important equation in fluid power is F = p × A where F = UF, p = Up and A = UA.

Let’s break this down a little further. A millimeter (mm) is 1/1000th of a meter (milli stands for 1/1000th). A m2 equals 1,000 mm × 1,000 mm or 1,000,000 mm2. Bear with me now. If 1 MPa equals 1,000,000 Newtons pressing on 1,000,000 mm2, then a pressure of 1 MPa equals 1 N acting on 1 mm2 MPa = N/mm2

When we realize that MPa = N/mm², we can see why the equation F = p × A uses, and must use, MPa as the metric Up. That brings us to another issue; this Up called the bar. Now, I don’t know who started it, so, I don’t know who to blame, but somewhere along the way, this illegitimate unit of

In the metric system, the UF is the Newton. Those of us who are addicted to working with the bar must do a conversion to get the Newtons. For example, given a piston with a diameter of 100 mm and an available pressure of 200 bar, what would be the force in Newtons? The area of a 100 mm piston is 7,854 mm². Multiplying that by 200 bar, we get 1,570,800 units. But units of what? Minni Newtons, Macro-Newtons, fig Newtons? Hmmmm…

We can check our math by getting back into our comfort zone, solving for pounds, and then converting to Newtons. 100 mm / 25.4 = 3.937. Square this and multiply by 0.7854 and we find the area of the bore is 12.174 in². This

continued on page 12

CELEBRATING 30 YEARS June 2024 | 11
Newton
Equation Metric Units US Customary Units F = p × A F = Newtons P = MPa A = mm² F = pounds (lbf.) P = psi A = in²

continued from page 11

times 2,900 psi (200 bar) = 35,303.8 pounds. To convert that to Newtons, we divide by about 0.225 and get about 156,905 Newtons. So, with the rounding, we know our target answer is

in the ballpark of 157,000 Newtons. When we compare the numbers, we see that our answer using mm² and bar is off by a factor of 10, so we must adjust our equation.

We Make Valve Automation Easy!

Automated Valves from Stock

Built, Tested, Shipped - Same

Day

Lower Pressure Water, Oil,

Gas, and Steam

OEM’s, integrators, and factories all over the world are turning to Assured Automation’s compact on/o valves and high-cycle ball valves to improve machine reliability and increase productivity.

See the complete range of valves at:

What if we change the mm to cm? That might help. 100 mm equals 10 cm, so my bore area will be 10 cm squared times 0.7854 or 78.54 cm². Multiplying 78.54 cm² × 200 bar gives us 15,708 units of something but still off by a factor of 10, just in the other direction. It seems that, to get to where we want to be, we must divide something by 10 if we really want to keep the bar.

Dividing by 10 we find ((100 mm)2/10) × 0.7854 × 200 bar = 157,080 N or (100 mm)2 × 0.7854 × 200 bar / 10 = 157,080 N

Great! We now have the answer we were looking for and were able to use the bar.

Success!

But wait a second. Isn’t 200 bar / 10 equal to 20 MPa? So, (100 mm)2 × 0.7854 × 20 MPa = 157,080 N

Am I saying that, if we had just learned the equation F = p × A where F is in Newtons, p is in MPa, and A is in mm², we could have solved the problem without modification.

Yes!

Or how about the equation for Torque?

It works just fine in US Customary terms with T being torque in lbf.in., p being psi, d being in³ displacement, and 2π being, well, 2π (6.2832). So, what if someone comes along and tells you that the metric equation must be different? It must be T = p × d / 20π. This is where T is torque in Nm, p is pressure in bar, and d is displacement in cm³. Using bar instead of MPa, the initial equation is off by a factor of 10. 2π must be multiplied by 10 to accommodate the bad bar habit.

The next equation is for determining power.

Once again, if we were to substitute bar for MPa we would have to add an additional set of units having the “K” factor be 600. Wouldn’t it be better to have a single equation each for Force, Torque, and Power that works with both metric and Imperial?

It is time to push away from the bar. After all, we may need to drive home. •

12 | June 2024 CELEBRATING 30 YEARS WWW.FL u IDPOW e RJO u R n AL.COM | WWW.IFPS.ORG
Compact
High-Cycle
For
On/O Valves
Ball Valves
/FPJ
Equation Metric Units US Customary Units T = p × d / 2π T = Torque Nm p = MPa d = cm³ T = Torque lb.in p = psi d = in³
Equation Metric Units US Customary Units P = Q × p / K P = Power kW Q = Flow lpm p = MPa K = 60 P = Power hp Q = Flow gpm p = psi K = 1714

Air Compressors

Clean Dry Air Improves Performance...

Dry Compressed Air Starts with The Extractor/Dryer® Manufactured by LA-MAn Corporation

• Point of Use Compressed Air Filter to Improve and Extend Equipment Life

• Removes Moisture and Contaminates to a 5-Micron Rating: Lower Micron Ratings are Available

• Models with Flow Ranges of 15 SCFM to 500 SCFM Rated Up To 250psi are Standard

• Differential Pressure Gauge Built in

• Mounting Hardware Included for Easy Installation

• Weep Drain is Standard; Float Drain or Electronic Drain Valves Optional

hose configuration, less hose and adapters combine to reduce repairs and downtime cutting the overall cost of hydraulics.

No Kinks No Hose Twisting In BSPP • Available In 304 & 440 Stainless Steel • Rated To 10,000 P.S.I. • Custom Design & Sizes Available • Rebuildable Ball Bearing Design • Full Flow —Low Pressure Drop • Superior Quality Alloy Steel • Side Load Resistant • Heat Treated Sw i tc h Y o u r S w i v e ®l S w i t c h Y o u r S iw v ®le Quality Products Made In The U.S.A. Patent No. 5547233 Email: sales@superswivels.com Fax: 763-784-7423 www.SuperSwivels.com 763-784-5531 LiveHydraulicSwivels Inline & 90° Heavy Duty Ball Bearing Design •Variable Displ. Piston Pumps from 28-65cc •Pressures Up To 5000 PSI •Multiple Control Options •Rear, Side, Thru Drive Port Options •Made in the USA for Over 40 Years “Short Lead timeS With exceptionaL QuaLity” Delta ˆ Q l t D . 14233 West Road
info@deltaq.com www.deltaq.com 800-650-3110 Manufacturer of Hydraulic Piston Pu M Ps Made In The USA
Simplified
Houston, TX 77041
Clean,

WHEN SELECTING A BALL VALVE

Ball valves are a versatile and essential component in a fluid conveyance system. They allow for a line to be completely shut off from the flow of a fluid so maintenance can easily be performed. Due to the reliable, tight seal created by the rotary ball, ball valves are the ideal valve of choice for liquid and gas conveyance lines. By selecting the right body material and seals, ball valves can be used in a multitude of applications, ranging from diesel fuel to compressed air.

It is important to note that ball valves can only be used in the fully on or fully off position. Ball valves are not designed to throttle the flow of a fluid. Using a ball valve in this application will result in premature failure of components and cause the system to leak or render it unable to be isolated.

When selecting a ball valve for your application, it is important to consider these six factors:

1

|

BODY MATERIAL

Common materials used for ball valve bodies include brass, carbon steel, stainless steel, and thermoplastic. Each material has its own advantages and disadvantages. Your application will determine what material you should select.

Brass

Brass ball valves are the most common option for general purpose applications. The chemical makeup of brass makes it a very strong and durable metal. If stored and used properly, brass ball valves are resistant to

corrosion. They are also the most economical choice of materials. These valves are ideal for compressed air, diesel fuel, vacuum, and inert gas applications. Brass can be used for applications ranging up to 4 MPa (600 psi) (dependent on fluid) and 175° C (350° F). For

14 | June 2024 CELEBRATING 30 YEARS WWW.FL u IDPOW e RJO u R n AL.COM | WWW.IFPS.ORG
Ball valves, like these from Parker, are available in different materials and shapes and are a versatile component to allow isolation of a fluid conveyance line. By Nick Spanhak Nick Spanhak is product sales manager, Parker Fluid System Connectors Division. In this role, he handles a broad product portfolio, including ball valves.

applications such as biodiesel, there is also an electroless nickel plated option for greater chemical compatibility.

Carbon steel

Carbon steel ball valves are commonly used for hydraulic systems where pressure ratings can exceed 21 MPa (3,000 psi). High-quality carbon steel ball valves can handle pressure ratings of up to 41 MPa (6,000 psi), depending on size. The downsides of carbon steel are the chemical compatibility and temperature rating. When selecting a carbon steel valve, the type of fluid needs to be confirmed so that it will not cause a negative reaction with the valve. While still respectable, a carbon steel valve can only handle temperatures of around 99° C (210° F). The temperature of the continued on page 16

PROUDLY SERVING THE INDUSTRY FOR OVER 6 5 YEARS

HYDR AULIC FL ANGES D COMPONENTS

Metric Ports

Specials Quick Request MAIN’s NEW Catalog

MAIN’S ADVANTAGES

MAIN’s engineers are active on the SAE, NFPA, and ISO tech committees

DEPENDABLE - 65 years of hydraulic experience

INFORMED - Main’s engineers are active on the SAE, NFPA, and ISO tech committees

QUICK - Thousands of Styles and Flange Types STOCKED

Q u ic k Thousand of Styles and Types STOCKED A U.S. MANUFACTURER

www.MAINmfg.com/fpj

Grand Blanc, MI 48439 800.521.7918

info@MAINmfg.com www.MAINmfg.com/fpj

PH: 800-521-7918 info@MAINmfg.com Grand Blanc, MI 48439

WWW.IFPS.ORG | WWW.FL u IDPOW e RJO u R n AL.COM CELEBRATING 30 YEARS June 2024 | 15
*
61& 62 * * Stainless * ISO,
*
*
HYD R A ULI C FLA NG E S A ND CO MP ON E NT S A ND CO MP ON E NT S * SAE 4-BOLT * FLANGE ADAPTERS * STAINLES
* ISO,
DIN
SAE J518 Code
JIS, DIN
S
JIS,
Req u est MAIN 's c a t a lo g A US Manufacturer MAIN ’s AD VAN TA GE S "Serving Industry for 57 years" * METRIC PORTS * SPECIALS MAIN manufacturing products, inc * De p en dabl e — 57 y e a r s o f h yd r a u lic ex p er i en c e *
n f or m e d
*
I

application needs to be monitored to ensure the valve will perform as expected.

Stainless steel

Stainless steel ball valves are the most durable option. These valves offer the most robust offering of compatible chemicals. The chemical makeup of stainless steel offers natural corrosion resistance. These valves are also towards the top for pressure and temperature ratings. Many stainless steel ball valves can handle pressures of 14 MPa (2,000 psi) and temperatures of 204° C (400° F). The downside of these valves is the cost. Stainless steel valves are among the most expensive available options. Due to the cost, you will see these valves used sparingly, mostly in food/ beverage washdown applications.

Thermoplastic

Thermoplastic ball valves are the ideal option for applications that require high purity. These valves are commonly used in drinking water and beverage dispensing applications. In addition to beverages, these valves can be used for a select list of chemicals, such as liquid fertilizer. (dependent on the type of thermoplastic used) The all-plastic construction makes these valves naturally corrosion resistant. Thermoplastic valves have lower pressure and temperature ratings. These valves are rated for applications with a pressure rating of 1 MPa (150 psi) and up to 65° C (150° F).

2|

CONFIGURATION

Due to their malleability, brass body ball valves (like these from Parker) are available in the widest range of shapes and configurations.

Selecting the correct valve configuration ensures proper hose, tube and pipe routing for optimal flow in your application. In addition to the standard in-line ball valve, some

manufacturers, like Parker, also offer special configurations. Understanding where the ball valve is going to be used in your application determines what configuration you will need. Some of the more common shapes include:

• 3-way diversion

• 4-way diversion

• 90 elbow

• In-line

• Mini In-line

• Stacked in-line

3| PORT CONNECTION

To determine the required port connection, it is best to investigate your application and understand if the valve will connect to a hose, tube, or directly into a piece of machinery or component. Some of the more common connection types (depending on body material) include:

• BSPP female/male threads

• Beaded hose barb

• NPT female/male threads

• O-ring face seal

• Push-to-connect

• Solder end

• Straight thread o-ring

• VDA

4| SEALS

For a ball valve to provide a leak-free connection, a seal is required. The type of seal is dependent on the type of fluid being conveyed through the ball valve. Most valves have standard options for seals, but these can be customized to fit your application. Standard options include:

• Acetal

• EPDM

• FKM

• Fluorocarbon

• Nitrile

WWW.FL u IDPOW e RJO u R n AL.COM | WWW.IFPS.ORG
continued
CELEBRATING 30 YEARS
from page 15

5| HANDLE

Parker’s ball valves are available with a wide range of handle options. The handle style does not change performance but is a matter of personal preference.

Even the handle can be customized on most ball valves. The choice of handle is dictated by two factors--the space available to turn the handle and personal preference. Common handle options include:

• Lever

• Oval

• Short lever handle

• Tee

• Pad locking handle

6| VENTING

The last consideration when selecting a ball valve is whether or not the valve needs to be vented. There are both vented and non-vented options on most standard ball valves. When selecting a vented option, it is important to understand your application. Typically, vented ball valves should only be used on compressed air systems to allow venting of downstream pressure in a closed position. Using a vented ball valve on a fuel or oil line could result in costly leaks. It is important to note that a vented ball valve does not take the place of an OSHA-approved emergency shut-off. If, after researching your options, you are unable to find a standard ball valve that fits your requirements, check to see if your supplier has the capabilities to custom design and manufacture one for you. Choosing a ball valve that exactly meets your application needs will go a long ways in providing you with a safe and efficient fluid conveyance system. •

WWW.IFPS.ORG | WWW.FL u IDPOW e RJO u R n AL.COM CELEBRATING 30 YEARS June 2024 | 17 Flange Type Check Valve Bodies INSERTA® PRODUCTS Blue Bell, PA • 215.643.0192 www.inserta.com ©2024 Reversible Check Valve Elements

LITERATURE REVIEW

Adaconn® + Inserta® Product Catalog

A continuously updated product catalog is available as an interactive pdf version on the Adaconn® + Inserta® website, providing the most up to date resource for new product offerings. Printed catalogs are available by request.

Adaconn® + Inserta® components, when used together, can be used to save space, time, and money, resulting in a compact and professional appearing assembly.

Adaconn® + Inserta®

Blue Bell, Pennsylvania

215.643.1900 | 215.643.0192 www.adaconn.com | www.inserta.com

Compressed Air Filtration

Brochure offers a comprehensive overview of the company’s complete line of compressed air filtration products. Highlighted is the patented family of Extractor/Dryers. These two-stage, point of use filters remove contaminates to a 5-micron rating with flow ranges of 15 to 2,000 scfm. Additional products available include the SuperStar Membrane Dryer, .01 Micron Filter, Refrigerated Extractor/Dryer, and much more.

La-Man Corporation

800.348.2463 www.laman.com

AVENTICS Series AF2 –

Available from Motion

AVENTICS Series AF2 flow sensors monitor air consumption in pneumatic systems, enabling rapid intervention in the event of leakage. The Series AF2 helps to optimize energy consumption, prevent machine downtime and cut costs. Now, both the in-line piped version and modular filter version with American National Standard Taper Pipe Thread (NPT) are available in the Americas.

Motion

800-526-9328

Motion.com

Product Line Overview

Hydraulics International, Inc. stands as a premier manufacturer in the field of fluid power equipment. Our extensive catalog includes air and electric-driven gas boosters, air-driven test pumps, air pressure amplifiers, high-pressure valves, turbine flow meters, and fully integrated packaged systems. We pride ourselves on offering the widest selection of models in the industry, whether measured by ultimate pressure, discharge flow rate, or fluid compatibility. Contact us today to request your complimentary copy of our product catalog!

Hydraulics International, Inc. 818-407-3400 www.HIIpumps.com

Hydraulic Flanges and Components

New 120 page catalog includes popular styles of MAIN Manufacturing’s extensive offering of carbon and stainless Hydraulic Flanges and Components – ready for immediate shipment. Metric ordering information, weld specs, and dimensional information included. The “Quick Reference Guide” helps specify less popular items often stocked or quickly manufactured (generally 3-4 days) at our US plant.

MAIN Manufacturing Products, Inc. Grand Blanc, MI

800.521.7918; FAX: 810.953.1385

E-mail: info@mainmfg.com www.mainmfg.com

Hydraulic Live Swivels Catalog

Inline and 90° hydraulic live swivels. Available in sizes from 1/8” to 2-1/2”, rated to 10,000 PSI, heat treated, superior quality alloy steel, chrome or stainless steel ball bearings, withstands heavy side loads, burnished (micro smooth) barrel bores, Viton®, Aflas®, or Teflon® encapsulated seals, zinc or nickel plated, available in 304 and 440 stainless steel, full flow - low pressure drop, rebuilding kits available.

Super Swivels

Phone: 763.784.5531

Fax: 763.784.7423

Website: www.superswivels.com

18 | June 2024 CELEBRATING 30 YEARS WWW.FL u IDPOW e RJO u R n AL.COM | WWW.IFPS.ORG SPECIAL AD SECTION

Metric & SAE

Hydraulic Tubing

Tube catalog offers comprehensive range of seamless tubing in Carbon Steel and Stainless steel.

Metric and SAE standard sizes are available, as well as CRVI-free plating on Carbon Steel tubes. In addition, we offer Metric Copper coils and rigid tubes as well as tube clamps.

www.worldwidemetric.com sales@worldwidemetric.com 732-247-2300

SPECIAL AD SECTION
World Wide Metric Tubing GET IN ON THIS SPECIAL AD SECTIONS » Talk to your account rep or visit fluidpowerjournal.com/advertise WE DO THE HARD PART. NO DESIGN NECESSARY. PRODUCT SPOTLIGHT WEB MARKETPLACE LITERATURE REVIEW COMPONENT SHOWCASE ASK THE EXPERT FACES OF FLUID POWER CLASSIFIED BULLETIN design to recommend for your application. ENGINEERING & DESIGN DISTRIBUTION ● 98% FILL RATE ● 300 SEAL PROFILES ● OVER 30,000 LINE ITEMS IN STOCK MANUFACTURING LITERATURE REVIEW

SAVE TIME SAVE MONEY SAVE LABOR SAVE OIL This product is Patented, other Patents pending.
No tools required
Stop the Mess The FlangeLock™ Tool is the ultimate contamination control tool for protecting your hydraulic systems. It allows for the simple sealing of open SAE code 61, 62 CAT-Style hydraulic flanges without tools. Constructed from lightweight aluminum. Easy on, easy off. Offers a leakproof solution to hydraulic system and environmental cleanliness. FlangeLock™ Tools stop the mess!
No expensive hardware needed
No more rags stuffed into hoses
No more messy plastic caps
The ultimate contamination control tool
One hand installation
Eliminate hydraulic oil spills & clean up
Quick installation & ease of usage
Safe for personnel & environment
Industry acclaimed Use Code FPJ10 at Checkout for a 10% Discount (Expires 9/1/2024) (203) 861-9400 or email sales@flangelock.com. www.flangelock.com

MEET THE STAFF Donna Pollander

WHAT IS YOUR ROLE WITH IFPS?

My title with the organization is CEO; my primary responsibility is overseeing the day-to-day operations of the organization. However, my commitment extends beyond management tasks; I am dedicated to safeguarding the well-being and securing the

future of our Society. To me, this group is like a fifth child, and as its "parent," my daily efforts are to ensure that it thrives with all the necessary resources and support. I have been part of this organization since 2002, and when the time comes for my retirement, my ultimate goal and wishes are to look back with a profound sense of satisfaction, knowing that I gave my all to ensure the group's success.

WHAT IS YOUR FAVORITE HOBBY OUTSIDE OF WORK?

My family is my favorite hobby. My husband of 36 years, my four sons (all of whom have wonderful wives/girlfriends) my 6 grandchildren (5 of whom are boys!) are my joy. I come from a big Italian family, and Sunday family dinner was always a staple growing up; my husband and I continue this tradition, having all our boys, their wives/girlfriends, and grandchildren for dinner every Sunday; that’s 15 for dinner each week! There’s usually a dance party after dinner with the grandkids. I also love to bake and make (mostly Christmas) crafts.

WHICH COUNTRY HAVE YOU ALWAYS WANTED TO VISIT?

Scotland. And my wish came true in 2018, and we are scheduled for another trip, a tour of the Scottish Highlands, in 2024!

Newly Certified Professionals

MARCH 2024

CONNECTOR AND CONDUCTOR (CC)

Jonathan Cochran, Custom Hydraulics & Design, Inc.

Michael Girard, The Boeing Company

Justin Haley, The Boeing Company

Lance Hartman, The Boeing Company

David Hels, The Boeing Company

Zakary Jakubik, The Boeing Company

Cameron Reid, The Boeing Company

Ryan Rettinghouse, The Boeing Company

ELECTRONIC CONTROLS SPECIALIST (ECS)

Mark Jorgensen

HYDRAULIC SPECIALIST (HS)

Naganarayanan Meyyappan, Parker

Hannifin

Emmett Staat, Arcon Training Center

Mason Sussner

MOBILE HYDRAULIC MECHANIC (MHM)

Kyle Adams, AEP

Matthew Anderson, Michels

Grayson Calmes, Altec Industries, Inc.

Preston Cooley, Altec Industries, Inc.

Justin Cullens, Altec Industries, Inc.

Jason Day, Baldwin EMC

Jeffrey Forrest, Altec Industires, Inc.

Gumero Garcia, Altec Industries, Inc.

Colby Hocker, Altec Industries, Inc.

Matthew Hoffman-Miller, Par Western Line Contractors

Michael Kress, Penske Truck Leasing

Josh LaFond, Altec Industries, Inc.

Jerad Ligtenberg, Altec Industries, Inc.

Jacob Maldonado, Altec Industries, Inc.

Edgar Orozco, Altec Industries, Inc.

Thomas Polka, Altec Industries, Inc.

Brandon Rice, AEP

Zachary Sanders, Altec Industries, Inc.

WHAT IS THE MOST ADVENTUROUS THING YOU HAVE EVER DONE?

Giving birth to and raising 4 BOYS!

WHICH BOOK OR MOVIE CHARACTER DO YOU RELATE TO THE MOST?

Elizabeth Bennett from Jane Austen’s Pride and Prejudice.

IF YOU COULD HAVE ANY SUPERPOWER, WHAT WOULD IT BE?

The ability to stop hate and division.

WHAT IS YOUR HIDDEN TALENT?

I think I have something that I call the “geek factor” (which, I think, is a good thing). I define the “geek factor” as the ability to teach myself complicated computer software and help others do the same.

IF YOU COULD LIVE ANYWHERE, WHERE WOULD IT BE?

I could live anywhere, as long as my family is close by!

Tyson Schupbach, Altec

Sam Sharp, Altec Industries, Inc.

MOBILE HYDRAULIC TECHNICIAN (MHT)

Raymond McFarlen, Open Loop Energy, Inc.

MASTER MECHANIC (MM)

Ian Macgilivray, The Boeing Company

MASTER MOBILE MECHANIC (MMH)

Raymond McFarlen, Open Loop Energy, Inc.

PNEUMATIC MECHANIC (PM)

Jonathan Goulet, The Boeing Company

Ian Macgilivray, The Boeing Company

Kyle McCulloch, The Boeing Company

Harold Wilson, The Boeing Company

Samuel Wright, The Boeing Company

WWW.IFPS.ORG | WWW.FL u IDPOW e RJO u R n AL.COM CELEBRATING 30 YEARS June 2024 | 21 IFPS UPDATE

IFPS Spring Meeting Recap

» MEMBERSHIP COMMITTEE: Ms. Pollander provided the committee with the membership statistical reports, noting that membership was flat in 2023. The Membership Committee discussed and brainstormed ideas on how to enhance the appeal of membership for companies. The Discussion Forum was also discussed, and several suggestions were made to make it more user-friendly.

» EDUCATION COMMITTEE: The Education Committee has been busy creating new training materials to support certification preparation. During the meeting, Ms. Pollander provided updates on various initiatives, including new safety posters, monthly live webinars, YouTube videos, and additional educational videos for members. Recorded webinars are archived for members, and plans for more educational content are underway. Ms. Pollander reported strong enrollment numbers for the In-person/Online Instructor-Led Review Training, with 17 courses sold and over 150 students enrolled. Additionally, the fourth Fluid Power Fundamentals Course, held in conjunction with WCTC, has sold out and is currently underway. IFPS has also developed a customizable fundamentals course that can be delivered online or in person. The Interactive Training Modules, covering various certifications, are popular among those without access to in-person classes, with modules for ECS and Support Associate certifications currently in development. Ms. Pollander also reported on the development of a series of website "Tour" videos. Three videos have been completed, with more in progress. Links to these videos can be found on the FAQ section of the IFPS homepage.

» THE CERTIFICATION COMMITTEE: During the Certification Committee meeting, Ms. Pollander provided the committee with certification statistical information, noting an increase in the number of tests taken in 2023 compared to 2022 despite not meeting the goal of 1,850 tests. Ms. Pollander also highlighted a 10% increase in the pass rate for the MHM written test in 2023, attributed to collaborative

22 | June 2024 CELEBRATING 30 YEARS WWW.FL u IDPOW e RJO u R n AL.COM | WWW.IFPS.ORG IFPS UPDATE

efforts in reviewing test questions. Tom Blansett reported on the development of a quarterly newsletter designed to support IFPS' Accredited Instructors & JP Proctors, aiming to facilitate smooth preparation and test events. The positive feedback received for the first newsletter, sent in February, was noted. BJ Wagner provided an update on the Hydraulic Technician certification development, seeking clarification on content repetition from the Mechanic Certification. The group discussed prerequisites and decided to inform potential Technician candidates that while there would be no prerequisites, familiarity with the content of the MHM and IHM certifications would be necessary for success. Mr. Wagner also announced the completion of the upgraded ECS study manual, which is pending final proofreading after committee review. Additionally, the subcommittee named the newest certification the “Certified Fluid Power Support Associate (CFPSA)”. The study manual was released in February, garnering highly positive feedback. The committee has established the weighting of job responsibilities and set the test parameters to include 75 questions within a 3-hour time limit. Test questions are currently under review, with

the test expected to be available in June. Additionally, Mr. Wagner reported that work will commence on upgrading the Pneumatic Mechanic and Technician certifications once the Hydraulic Technician certification nears completion.

» MARKETING COMMITTEE: During the marketing meeting, Victoria Piro announced the completion of the website upgrade and the refreshing of most graphics during the Headquarters report. She shared IFPS website statistics, noting increased engagement from both members and non-members compared to the previous year. A significant rise in social media followers across all platforms, including TikTok, was highlighted. Ms. Baughman provided updates on the 2024 Marketing segment, discussing IFPS's utilization of social media platforms for organizational promotion. She highlighted various platforms and suggested collaborating with social media influencers to expand the organization's reach. Additionally, she introduced social media terminology and requested committee chairs to contribute content for marketing purposes.

Mark Your Calendar

For more information, visit ifps.org/web-seminars.

UPCOMING TRAINING & EVENTS

ITW: Accredited Instructor Workshop WHAT IS AN IFPS ACCREDITED INSTRUCTOR?

An Accredited instructor (AI’s) are certified professionals who train and can prepare candidates for IFPS Certification Programs. AI’s have extensive backgrounds and instructional experience in the fluid power industry. If you hold an IFPS certification and have a knack for training, plan to attend!

WHEN: August 27 - 28, 2024

WHERE: IFPS Headquarters - Cherry Hill NJ

NEW! Fluid Power Support Associate Certification

» WHETHER YOU'RE AIMING to enhance your knowledge of industry terminology, understand fluid power principles, grasp basic component functions, or gain an understanding of fluid power safety, our Fluid Power Support Associate Certification offers a straightforward format to focus your efforts and achieve success. Don't miss this opportunity to elevate your expertise and join the ranks of certified professionals in the fluid power industry!

PREP RESOURCES FOR THE SUPPORT ASSOCIATE CERTIFICATION

• Fluid Power Support Associate Certification Study Manual: Start preparing for the Fluid Power

Support Associate Certification test with our newly released comprehensive study manual. Members enjoy FREE access to study manuals – join IFPS now for this exclusive benefit!

• Online Pretests - Our comprehensive pre-tests, available online and in the back of each study manual, are designed to test your understanding of the material covered, allowing you to identify areas that require further attention before taking the real test. Don’t forget members have access to these study manuals for FREE! Not a member?

Join IFPS today!

• Fluid Power Support Associate Certification Online Training Modules: This online training module features full-color and animated graphics, enhancing the learning experience. Interactive chapter review questions provide immediate feedback, helping learners assess their understanding. Voice-over text caters to auditory learners, making the content more accessible. Three additional online pre-tests offer more

opportunities for practice and self-assessment. Safety and energy tips are interspersed throughout the module, reinforcing key concepts. Additionally, the module contains additional explanations not covered in the printed manual, providing a more comprehensive learning experience.

• Fluid Power Support Associate Certification Review Training PowerPoint: The PowerPoint Presentation for Support Associate Certification Review Training is designed to enhance the learning experience by incorporating every illustration, many of which are animated from the Study Manual. The presentation includes detailed instructor notes to guide you through each slide and facilitate a comprehensive review with a detailed explanation of where the answer was derived from. With this resource, you can effectively reinforce key concepts, clarify complex topics, and prepare candidates for success in their Fluid Power Support Associate certification exams.

WWW.IFPS.ORG | WWW.FL u IDPOW e RJO u R n AL.COM CELEBRATING 30 YEARS June 2024 | 23
IFPS UPDATE

CFPAI

Certified Fluid Power Accredited Instructor

CFPAJPP

Certified Fluid Power Authorized Job Performance Proctor

CFPAJPPCC

Certified Fluid Power Authorized Job Performance Proctor Connector & Conductor

CFPE

Certified Fluid Power Engineer

CFPS

Certified Fluid Power Specialist (Must Obtain CFPHS & CFPPS)

CFPHS

Certified Fluid Power Hydraulic Specialist

CFPPS

Certified Fluid Power Pneumatic Specialist

CFPECS

Certified Fluid Power Electronic Controls Specialist

CFPMT

Certified Fluid Power Master Technician (Must Obtain CFPIHT, CFPMHT, & CFPPT)

CFPIHT

Certified Fluid Power

Industrial Hydraulic Technician

CFPMHT

Certified Fluid Power

Mobile Hydraulic Technician

CFPPT

Certified Fluid Power Pneumatic Technician

CFPMM

Certified Fluid Power Master Mechanic (Must Obtain CFPIHM, CFPMHM, & CFPPM)

CFPIHM

Certified Fluid Power

Industrial Hydraulic Mechanic

CFPMHM

Certified Fluid Power Mobile Hydraulic Mechanic

CFPPM

Certified Fluid Power Pneumatic Mechanic

CFPMIH

Certified Fluid Power

Master of Industrial Hydraulics (Must Obtain CFPIHM, CFPIHT, & CFPCC)

CFPMMH

Certified Fluid Power

Master of Mobile Hydraulics (Must Obtain CFPMHM, CFPMHT, & CFPCC)

CFPMIP

Certified Fluid Power

Master of Industrial Pneumatics

(Must Obtain CFPPM, CFPPT, & CFPCC)

CFPCC

Certified Fluid Power

Connector & Conductor

CFPSD

Fluid Power System Designer

Tentative Certification Review Training

IFPS offers onsite review training for small groups of at least 10 persons. An IFPS accredited instructor visits your company to conduct the review. Contact kpollander@ifps.org for details of the scheduled onsite reviews listed below.

HYDRAULIC SPECIALIST

2024 certification review training dates will be announced soon. For custom IFPS training inquiries, please contact Bj Wagner (bwagner@ifps.org) » CFC Industrial Training – Cincinnati, Ohio – June 17-21, 2024

ELECTRONIC CONTROLS SPECIALIST

For custom IFPS training inquiries, please contact Bj Wagner (bwagner@ifps.org).

For dates, call CFC Industrial Training at (513) 874-3225 or visit www.cfcindustrialtraining.com.

PNEUMATIC SPECIALIST

2024 certification review training dates will be announced soon. For custom IFPS training inquiries, please contact Bj Wagner (bwagner@ifps.org)

CONNECTOR & CONDUCTOR

2024 certification review training dates will be announced soon.

For custom IFPS training inquiries, please contact Bj Wagner (bwagner@ifps.org).

MOBILE HYDRAULIC MECHANIC

2024 certification review training dates will be announced soon. For custom training IFPS inquiries, please contact Bj Wagner (bwagner@ifps.org)

Online Mobile Hydraulic Mechanic certification review for written test is offered through CFC Industrial Training. This course surveys the MHM Study Manual (6.5 hours) and every outcome to prepare you for the written test. Members may e-mail for a 20% coupon code off the list price. Test fees are not included.

» CFC Industrial Training – Cincinnati, Ohio – December 2-6, 2024

INDUSTRIAL HYDRAULIC MECHANIC

For custom IFPS training inquiries, please contact Bj Wagner (bwagner@ifps.org).

For dates, call CFC Industrial Training at (513) 874-3225 or visit www.cfcindustrialtraining.com.

» CFC Industrial Training – Cincinnati, Ohio – August 5-9, 2024

INDUSTRIAL HYDRAULIC TECHNICIAN

For custom IFPS training inquiries, please contact Bj Wagner (bwagner@ifps.org).

» For dates, call CFC Industrial Training at (513) 874-3225 or visit www.cfcindustrialtraining.com.

MOBILE HYDRAULIC TECHNICIAN

2024 certification review training dates will be announced soon. For custom IFPS training inquiries, please contact Bj Wagner (bwagner@ifps.org).

PNEUMATIC TECHNICIAN & PNEUMATIC MECHANIC

For custom IFPS training inquiries, please contact Bj Wagner (bwagner@ifps.org).

» For dates, call CFC Industrial Training at (513) 874-3225 or visit www.cfcindustrialtraining.com.

WWW.IFPS.ORG | WWW.FL u IDPOW e RJO u R n AL.COM CELEBRATING 30 YEARS June 2024 | 25 IFPS UPDATE
AVAILABLE
»
IFPS CERTIFICATIONS

TOP 5 Must Have Hydraulic Pressure Gauge Features

If you work with any of the critical mechanical applications found in the modern world it is likely you also manage hydraulic systems. Arguably, hydraulic machinery far exceeds most other forms of mechanical power transmission. Excavators, tree harvesters, mining and tow trucks, and other hydraulic vehicles perform the harshest tasks on uneven terrains with heavy loads that apply tremendous forces on hydraulic systems.

Because each of these systems uses liquids in various forms to transmit power, you know that the inherent pressure feature of hydraulics must be managed properly. In the best-case scenario, a lack of sufficient pressure-level management in a system could lead to inferior output. In the worst cases, it could cause damage to equipment or physical harm to system operators.

Hydraulic pressure gauges play a critical role in regulating pressure by monitoring levels in either a specified part or the entire system to ensure things are operating normally. So how do you know which pressure gauge will work best in your hydraulic system?

Just know what you’re looking for and choose carefully. As a pressure gauge product lead at Ashcroft – a recognized authority in temperature and pressure solutions —I have seen many scenarios where the wrong pressure gauges were selected and the impact that decision had on operations.

In this article, you will learn about the top five factors to consider when selecting a pressure gauge for hydraulic applications so you can be confident about selecting the best option to meet your specific needs. Let’s get started.

1RESISTANCE TO PRESSURE SPIKES

There are many situations where you may be relying on hydraulics in unpredictable conditions such as in a construction loader hauling materials over uneven surfaces. In these applications, an unexpected shock or

force could quickly send pressure levels up by tens of thousands of psi. A malfunction or temporary slip in any part of a system could also cause a huge pressure spike.

Pneumatic systems can sometimes cushion a shock load because of its compressibility, while the much stiffer hydraulic system responds with a spike in pressure. If your pressure gauges aren’t adequately designed to manage these pressure spikes, it can lead to serious challenges with both efficiency and accuracy.

As you compare options for pressure gauges, consider the maximum capacity of each option to determine whether or not it aligns with your requirements.

One accessory that can help with this issue is a pressure-limiting valve. These devices are designed to limit pressure up to a set value to prevent sudden pressure increases from damaging your gauge. Once the pressure drops below the specified value, the valve will reopen.

26 | June 2024 CELEBRATING 30 YEARS WWW.FL u IDPOW e RJO u R n AL.COM | WWW.IFPS.ORG

Min/Max Temperature Limits

ABILITY TO WITHSTAND EXTREME TEMPERATURES

Hydraulic systems are often used in environments with extreme or unpredictable temperatures. Think about offshore mining equipment operated near the floor of the ocean, or construction vehicles working in places with sub-zero weather conditions. In these cases, there is a large difference in temperature between the hydraulic fluid and the working environment.

Because of the way temperature and pressure interact, temperature changes can cause corresponding shifts in pressure levels.

When comparing pressure gauges, make sure to check the device’s reference temperature for span calibration and the specific amount of offset to expect for a particular range. Also, consider a dry gauge ambient temperature and temperature of the fluid under pressure:

PROTECTION FROM VIBRATION, PULSATION AND FLUTTER

Vibration refers to the periodic or random mechanical oscillation caused by various components like motors, pumps, actuators, and hydraulic lines. This vibration can lead to flow disturbances or ripples, creating harmonic pressure waves that impact pressure instrument performance and longevity if not properly managed.

“Pointer flutter” occurs when consistent vibration or pulsation causes the indicator on a gauge to move very quickly back and forth between a small range on the dial. This in turn makes the gauge more difficult for an operator to read and interpret. There are many reasons why a hydraulic system might be emitting vibration or pulsations.

Some degree of flutter isn’t necessarily a sign that a system is failing or malfunctioning. As a rule of thumb, if flutter is causing your gauge’s pointer to move more than 5% across the full range of the device, you need to take steps to address whatever is causing the external vibration or the application.

continued on page 28

WWW.IFPS.ORG | WWW.FL u IDPOW e RJO u R n AL.COM CELEBRATING 30 YEARS June 2024 | 27 Custom valve & actuator builds Highest levels of quality Industry best lead-times Personal customer service A tradition of excellence since 1935 dynaquip.com Discover the DynaQuip Difference
2
Version Ambient Process Storage Dry with Flutter-Guard™ -40 °F to 200 °F (-40 °C to 93 °C) -40 °F to 250 °F (-40 °C to 121 °C) -40 °F to 200 °F (-40 °C to 93 °C) Glycerin Fill -20 °F to 158 °F (-7 °C to 70 °C) -4 °F to 212 °F (-20 °C to 100 °C) -40 °F to 158 °F (-40 °C to 70 °C) Silicone Fill -40 °F to 158 °F (-40 °C to 70 °C) -40 °F to 212 °F (-40 °C to 100 °C) -40 °F to 158 °F (-40 °C to 70 °C) 3

Here are a few options to consider:

• Gauge dampening techniques like liquid fill, FlutterGuard or PLUS! Performance. These options help minimize movement of the gauge’s components to reduce or eliminate flutter issues, which reduces potential damage to the gauge and expands its life span. This solution also improves gauge accuracy and helps improve readability.

• A pulsation dampener can also help with flutter. This is a piston-style dampener that uses an adjustable pin to restrict pulsation. The pin can be placed in one of several different-sized pinholes, allowing you to vary the dampening amount to suit your application requirements.

QUALITY ASSEMBLY AND COMPOSITION

The material a pressure gauge is built from is a key factor in compatibility with hydraulic systems. Better quality materials mean a pressure sensor has a better chance of withstanding internal and external challenges. Remember, even an ordinary-sized pressure gauge for use in a hydraulic system is typically built from many different parts, including:

• The external casing that houses the entire unit and helps protect it from physical damage that affects operation. This is sometimes called the housing or enclosure. Stainless steel is the ideal option for a casing material. It is tough enough to withstand physical shock and can usually stand up to corrosive factors including moisture and extreme temperatures.

• Sealing components like gaskets and O-rings that are used to connect various parts while maintaining an airtight seal, are critical for accurate pressure readings. Be sure the sealing components are also made of a durable enough material to work in your system and operating conditions.

DUAL TRUNNION MOUNT CYLINDER OPTIONS

• Solid or open-front construction is another important assembly factor to consider. When a pressure gauge is pushed beyond its capacity, it may physically rupture. A solid-front gauge is built with a rear blow-out plug to divert force and any fragmentary debris away from its operators. With an open-front gauge, there is a risk of physical injury or equipment damage in the event of a pressure overload.

Enclosure production classifications

Mobile hydraulics applications require pressure instruments that offer the most rugged electrical, mechanical, and environmental protection, due to the extreme outdoor dynamic and remote operating conditions. There are two types of enclosure protection classifications:

1. Ingress Protection (IP) ratings. IP ratings specify standards for protection against the ingress of solid foreign objects or liquids.

28 | June 2024 CELEBRATING 30 YEARS WWW.FL u IDPOW e RJO u R n AL.COM | WWW.IFPS.ORG
4
1-800-323-8416 seattlesales@hydraulex.com
Genuine Metaris MH300 series telescopic cylinders are dual trunnion mount single acting cylinders that have an integrated cover. They are a bleederless design with all stages hard chrome plated. They are fit, form and function interchangeable with popular models from manufacturers such as: Mailhot® and Hyva® Learn more at HYDRAULEX.COM NEW continued from page 27
MH300 Series Telescopic Cylinder

2. National Electronic Manufacturers Association (NEMA). NEMA ratings also specify protection against other conditions, such as corrosive agents. Though NEMA and IP ratings are not identical, they are similar and can often be used interchangeably for rating enclosures of pressure instruments. Typically, most pressure instrument manufacturers define the instrument enclosure ratings on their product data sheets.

The Ashcroft 8008S offers a tamper-proof gauge with a crimped ring.

• The Ashcroft 8009S features a removable bayonet ring that allows operator access to the unit to make calibration adjustments.

Both options offer a solid-front design if needed for additional safety. They are each UKCA, CE, and RoHS certified and meet testing requirements of EN837-1 and ASME B40.100 specifications for international use. To learn more about consideration for selecting pressure gauges for your hydraulic application, free to contact an industry expert to get your questions answered. •

COMPATIBLE MOUNTING AND CONNECTION OPTIONS

Because there are so many different types of hydraulic pressure gauges, there are a significant number of ways to connect and mount them. It’s relatively easy to find a gauge for a normal direct mount placement onto the specific pipe or area being measured, but for harsh applications involving hydraulics, you may need a more involved option like a panel mount or flange mount. Some of these mountings will require additional equipment.

• Panel mount: This is offered with a back-connect gauge

• Front flange flush mount: This comes with a back-connect gauge (for panel installations)

Pressure gauges offer a wide variety of pressure connections. The most common standard for the United States is NPT (National Pipe Thread). For hydraulic applications, be sure you know the thread type to ensure proper installation and prevent potential damage due to galling or cross-threading. In the U.S. the standard for pressure gauge connection is expressed in National Pipe Thread (NPT). Economical gauges with 1-½ to 3-½ in. dials typically offer 1/8 NPT to 1/4 NPT, while 4-½ in. or larger dial sizes offer 1/4 NPT to 1/2 NPT.

Two Hydraulic Pressure Gauges that Cover All the Bases

Knowing the potential risks of working with hydraulic systems requires special care and attention, it is important to trust your pressure gauge to manage those risks and keep your operation running smoothly and safely. Two examples of gauges that offer the composition and flexibility you need for hydraulic systems are built from durable 316L stainless steel with laserwelded components for reliable performance:

WWW.IFPS.ORG | WWW.FL u IDPOW e RJO u R n AL.COM CELEBRATING 30 YEARS June 2024 | 29
5

Creating a Safer Workplace With A Few Simple Hose Management Changes

After 25 years of supplying hose, fittings, valves, and quick disconnects to valued customers who require up to 60,000 psi working pressures, SPIR STAR recognizes that

ISO certification may be the safe gold standard but when that is not possible, implementing just a few simple procedures can dramatically increase worker safety. The following are a few suggestions that can be incorporated into even the most basic of equipment maintenance programs.

Store hose assemblies correctly: The main thing to be aware of is to keep anything that might contaminate a hose off of, and out of the hose. Therefore, storing it outside, on the floor, around chemicals, etc. is not a good idea if you want to maintain the best integrity of the hose. Similarly, hoses should be cleaned, drained, and coiled after use before they are stored.

Follow recommended service life: Is there such a thing, you ask? Well, the answer is yes, and no. Ultimately, multiple variables will affect the life expectancy like how well it is taken care of when not in use, how often it is used, the media flowing through the hose, and the environment in which the hose is being used to name just a few. However, there are general guidelines available, especially regarding high-pressure water blasting hoses. The WJTA has done the research and made it available regarding the recommended maximum service life

30 | June 2024 CELEBRATING 30 YEARS WWW.FL u IDPOW e RJO u R n AL.COM | WWW.IFPS.ORG
www rota-ltd com info@rota-ltd com \ WWW.FL u IDPOW e RJO u R n AL.COM | WWW.IFPS.ORG

of water blasting hose assemblies that can be followed to help prevent leaving them in service until failure.

Recertify prior use hoses with the manufacturer: The most important thing to remember if this is part of your hose management protocol, is that testing prior used assemblies (recertification) only indicates the condition of the assembly at the time of the test. The manufacturer will generally test the assembly as if it is new and therefore at the recommended test pressure of a new hose. Periodic hose testing can be beneficial but in and of itself is not enough to ensure the safety of the hose assembly and generally should not be done any more frequently than every three months. Consider the use of accessories: Abrasion covers for example help protect the hose from excessive wear due to its use on rough surfaces, thereby increasing the working life of the hose. Similarly, other accessories are designed to prevent kinking of the hose, reduce stress near the hose end fitting, and protect the operator or surrounding equipment.

Use a visual pre-inspection checklist: Of all the suggestions, this one is probably the most critical to employ. Many hose failures can be prevented by removing a hose assembly from service that shows signs of damage before use. Employees can be trained to identify hose damage such as kinks, damaged end fittings, and exposed and damaged support wires, and then remove them from service. Many manufacturers like

TARGETED DISPLAY ADVERTISING

has documentation that goes with each hose assembly about the proper care and use of a high-pressure hose and can even offer staff training if requested. Most hose failures occur due to external damage that is likely visible and will be noticed through a preuse inspection of the hose assembly. •

REACH THE RIGHT CUSTOMERS WITH GEO-TARGETING

» THESE DIGITAL ADS help you reach your customers and while increasing your audience reach across all devices. If they’ve been to your website, searched for your products and services, or they’re reading content relevant to what you offer, we’ll help get your message in front of them today!

» ALL CAMPAIGNS ARE geo-targeted, ensuring that we only share your ad with potential customers in your defined service area. Reach out to people who have attended trade shows and conferences.

For more information, please visit our web sites at www.spirstar.com and www.spirstarvalves.com.

WWW.IFPS.ORG | WWW.FL u IDPOW e RJO u R n AL.COM CELEBRATING 30 YEARS June 2024 | 31
SPIR STAR
AKA “PROGRAMMATICS” 3245 Freemansburg Ave, Palmer PA 18045 Phone: 800.730.5904 | 610.923.0380 Fax: 610.923.0390 | www.fluidpowerjournal.com

UNDERSTANDING THE FUNCTION OF VALVES

Unloading valves (Fig. 1.45): When fixed displacement pumps are used in accumulator or high-low circuits, unloading valves are used to minimize the power requirements.

They do this by allowing a pump to unload to the reservoir at low pressure when its flow is not needed. The valve is externally piloted6 and has an isolation check valve, 9, in the circuit. As shown in Fig. 1.46, the fixed displacement pump8 is charging an accumulator, 10, with the directional valve, 11, in the center position. The P port is closed. As the accumulator is filled, the pressure builds to the setting of the unloading valve. The pilot signal lifts the spool and directs the pump flow to the reservoir. The sudden loss of pressure at the pump outlet causes the isolation check valve, 9, to close and lock in the pressure at the accumulator. Because the pilot line is connected downstream from the check valve, the signal remains and allows all pump flow to be diverted to the reservoir at low pressure. This condition remains until the accumulator pressure drops below the setting of the spring, 4.

With the loss of pilot pressure, the valve closes, and pump flow is redirected to the accumulator.

a separate relieving circuit within the valve body (Fig. 1.47 for graphical symbol).

Fig. 1.47 Unloading Relief Valve Symbol

Unloading relief valves: It is sometimes necessary for an unloading valve to also have a relieving function. This is done by adding

Flow control: Flow is the movement of fluid. Flow is always from a region of higher pressure toward a region of lower pressure; upstream to downstream. Flow rate describes an amount (volume) of fluid that is moving over time. It is commonly expressed as liters per minute (lpm) or gallons per minute (gpm). It is the flow rate that determines the speed of a cylinder or motor. Consequently, flow control is sometimes referred to as speed control.

Flow control is power control. It is possible to have pressure without flow, but there cannot be flow without pressure. The combination of pressure and flow is power.

The flow rate through a restriction is determined by the following:

• The pressure upstream of the orifice.

• The pressure downstream of the orifice.

• The size of the orifice.

Fluid temperature also plays a part in the flow rate because warmer fluid is less viscous and may slip more easily through a restriction. This may reduce the pressure loss through an orifice, increasing the flow rate.

The restriction can be in the form of a simple orifice disk that is placed in the plumbing. An equation is used to determine the pressure consumed across the orifice at a given flow. The orifice is not adjustable and is used where there is a relatively constant

32 | June 2024 CELEBRATING 30 YEARS WWW.FL u IDPOW e RJO u R n AL.COM | WWW.IFPS.ORG TEST YOUR SKILLS
Pressure with no flow Pressure differences cause flow No pressure no flow
11 A B P T 10 3 4 7 1 5 2 6 6 9 8
Fig. 1.45 Unloading Valve Symbol
11 A B P T 10 5 3 4 7 1 2 6 6 9 8
Fig. 1.46a Unloading Valve Closed, Low Pilot Signal Fig. 1.46b Unloading Valve Open with Signal Beyond Isolation Check Valve

pressure available. If there is a change in upstream or down- stream pressure, the flow through the orifice will change accordingly.

Needle Valve (with Symbol)

A needle valve is an orifice that is adjustable. It adds a restriction to the flow path of fluid, extracting energy as heat. The flow through the valve will be determined by the upstream pressure and the pressure required to move the load. Even with a constant upstream pressure, a change in the pressure required to move the load will make a change in the Δp and a consequent change in the flow rate. Neither the orifice disk nor the needle valve can be used to establish a fixed flow if there is any variation in the Δp.

maintains the pressure at 5 so that it is always the bias spring pressure above the load pressure. The arrangement causes the constant Δp across the control orifice, which produces a constant flow, regardless of changes to supply or load pressure.

Pressure-Compensated Flow Control (with Symbol)

Pressure compensation: A pressure-compensated flow control is a device with two restrictive orifices in series. The first restriction 1 is at the compensator spool. The second restriction is at a control orifice, which could be a fixed disk or an adjustable needle valve 5 as in the picture.

One side of the compensator spool is piloted from upstream of the control orifice 4. The other end has a bias spring 2 and is also piloted from the valve outlet 3. The bias spring pressure is typically about 0.6 MPa (90 psi). The compensator spool modulates so that the pressure loss (Δp) across the restriction at 1

Temperature compensation: The viscosity of hydraulic fluid is affected by temperature. A change in viscosity also alters the Δp across an orifice, which in turn affects the flow. Temperature compensation is achieved by using a material that expands and contracts with temperature changes to modulate the flow to maintain set flow rate.

Anti-lunge control: A pressure-compensated flow control valve is a normally open valve. At start up, full flow may be directed to the actuator until the compensator can react to the pressure. This will cause the actuator to lunge momentarily at an uncontrolled speed. Some flow control valves include a feature that offsets the compensator spool to a controlled position until the input and output pressures can position the spool. This feature is called anti-lunge control.

Flow dividers: A flow control limits flow, while a flow divider does not limit flow but rather distributes it. Two identical cylinders or motors that must operate at the same speed but under different loads will each have a different power requirement. If the actuators must be synchronized but driven from a single source, the input power must be distributed to meet the demands of each.

set of two variable orifices 2. The variable orifices modulate, adding restrictions that equalize the pressure at p1 and p2. If the outlet pressures are equal, the spool is centered with the variable restrictions providing equal resistance. If the pressures at the outlets are different, the system becomes unbalanced, and the higher pressure moves the spool toward the lower pressure port. This decreases the restriction at the higher pressure port and simultaneously increases the restriction to the lower-pressure port, equalizing p1 and p2. This provides a constant pressure drop and constant flow across the two fixed orifices. The inlet pressure must be high enough to meet the greatest demand. The power is regulated by dissipating the excess energy as heat. The image in Fig. 1.48 shows a flow divider that splits the flow evenly. By changing the size of the fixed orifices 1, the flow can be split to ratios other than 50/50. Flow can be reversed through this spool divider, but it will not be combined proportionally. Additional features can be added to the spool that will make it into a flow divider/ combiner. A valve with these features will have a model number that will indicate that it will both divide flow and combine flow proportionally. •

TEST YOUR SKILLS

1.

In order to have flow, there must be:

A. No resistance to the movement of fluid.

B. A directional control valve.

C. A flow control valve.

D. A pressure differential.

E. Equal pressure.

2 Restrictive-type flow controls:

A. Save energy.

B. Limit the power to an actuator.

C. Are always variable.

D. Cannot be pressure-compensated.

Flow Dividers/Combiners

Spool-type: Spool flow dividers are restrictive devices that regulate the power by using a set of two fixed orifices 1 in series with a

E. Cannot use sharp-edge orifices.

See page 54 for the solution.

WWW.IFPS.ORG | WWW.FL u IDPOW e RJO u R n AL.COM CELEBRATING 30 YEARS June 2024 | 33
1 2 3 4 5
Temperature Compensation Cool Fluid Symbol Temperature Compensation Warm Fluid
1 2 Inlet Outlet 1 p 2 p 1 Outlet 2 1 2 Inlet Outlet 1 Outlet 2 p 2 p1
Fig. 1.48 Flow Divider Showing Even Flow

MANUFACTURERS

1A Total Safety

P.O. Box 100088

Pittsburgh, PA 15233

P: 412-262-3950

F: 412-262-4055

E: sales@1atotalsafety.com

W: 1atotalsafety.com

6R Supply, Inc.

1001 16th St. B-180 Denver, CO 80265

P: 303-656-9503

E: mlogan@6rsupply.com

W: 6rsupply.com

6K Products

1006 143rd Ave SE Tenino, WA 98589

P: 360-264-2141

F: 360-264-5105

E: sales@6kproducts.com

W: 6kproducts.com

A & A Manufacturing Co. Inc.

2300 South Calhoun Rd.

New Berlin, WI 53151

P: 262-786-1500

F: 262-786-3280

E: sales@aaman.com

W: aaman.com

A & H Fluid Technologies, Inc.

3431 Lorna Lane Birmingham, AL 35216

P: 205-823-7400

F: 205-979-5398

E: sedwards@applied.com

W: ahfluidtech.com

A.R. North America

140 81st Ave. N.E. Fridley, MN 55432

P: 763-398-6064

F: 763-398-6065

E: kyleN@arnorthamerica.com

W: arnorthamerica.com

AAA Products International 7114 Harry Hines Blvd. Dallas, TX 75235

P: 214-357-3851

F: 214-357-7223

E: info@aaaproducts.com

W: aaaproducts.com

Aalborg® Instruments 20 Corporate Drive Orangeburg, NY 10962

P: 845-770-3005

F: 845-770-3010

E: cpomponio@aalborg.com

W: aalborg.com

ABZ, Incorporated

4451 Brookfield Corporate Dr., Suite 107 Chantilly, VA 20151

P: 703-631-7401

E: info@abzinc.com

W: abz-inc.com

ACCES I/O Products 10623 Roselle Street

San Diego, CA 92121

P: 858-550-9559

Toll Free: 800-326-1649

F: 858-550-7322

E: sales@accessio.com

W: accesio.com

Accro-Seal

P.O. Box 210, 316 W. Briggs St. Vicksburg, MI 49097

P: 616-649-1014

F: 616-649-1067

E: sales@accroseal.com W: accroseal.com

Accuaire Instruments Inc. Avon Industrial Park Reading, PA 19612-3875

P: 800-308-0100

F: 610-372-8444

E: accuaire@mindspring.com

Accuflex 8000 Ronda Dr. Canton, MI 48187

P: 734-451-0080

F: 734-451-0544

E: sales@accuflex.com W: accuflex.com

Accumulators, Inc. 18435 Morton Rd. Houston, TX 77084

P: 713-465-0202

F: 713-468-1618

E: info@accumulators.com W: accumulators.com

ACE Controls 23435 Industrial Park Dr. Farmington Hills, MI 48335

P: 1-248-476-0213

F: 1-248-476-2470

E: shocks@acecontrols.com W: acecontrols.com

Ace Pump Corporation 1650 Channel Avenue/ PO Box 13187

Memphis, TN 38113

P: 901-948-8514

F: 901-774-6147

E: sales@acepumps.com W: AcePumps.com

Ace Wire Spring & Form Co., Inc. 1105 Thompson Avenue McKees Rocks, PA 15136

P: 412-331-3353

F: 412-331-1602

E: aceinfo@acewirespring.com W: acewirespring.com

Acqiris

234 Cromwell Hill Rd. Monroe, NY 10950

P: 845-782-6544

F: 845-782-4745

E: Klass.vogel@aquiris.com W: acqiris.com

Actuators Unlimited 536 Township Line Rd Blue Bell, PA 19422

P: 215-643-2059

F: 215-643-4017

E: sales@actuatorsunlimited.com

W: actuatorsunlimited.com

Adaconn 538 Township Line Road Blue Bell, PA 19422

P: 215-643-1900

E: sales@adaconn.com

W: adaconn.com

Adsens Tech Inc. 18310 Bedford Cir

City of Industry, CA 91744

P: 626-854-2772

F: 626-854-8183

E: sales@adsens.net

W: adsens.net

Advance Hydraulics

Sales & Warranty Repairs

Enerpac, SPX, Donaldson, and Yuken

3073 S. Chase Avenue Milwaukee, WI 53207

P: 414-481-1545

Toll Free: 800-236-1545

F: 414-744-1667

E: mail@advancehydraulics.com

W: advancehydraulics.com

Advance Motion Control, Inc.

Division of Devine Hydraulics, Inc. 1650 Old Colchester Road Oakdale, CT 06370

P: 860-859-1650

F: 860-859-3711

E: sales@dhict.com

W: amcct.com

Advanced Assembly & Automation 6717 Alcoa Road Benton, AR 72015

P: 501-315-1684

E: advancedaa@aol.com

W: advancedaa.com

Advanced Control Technology Inc. 7050 E. Hwy. 101 Shakopee, MN 55379

Toll Free: 1-877-800-8820

F: 952-890-3644

E: sales@actsensors.com

W: actsensors.com

Advanced Cylinders, LLC

13575 Yorba Ave. Chino, CA 91745

P: 909-920-6437

F: 909-498-3712

E: sales@advancedcylindersllc.com W: advancedcylindersllc.com

Advanced Fluid Systems, Inc 245 Campbell Rd York, PA 17402

P: 717-757-1068

F: 717-449-0608

E: sales@advancedfluidsystems.com

W: advancedfluidsystems.com

Advanced Machine and Engineering 2500 Latham St. Rockford, IL 61103

P: 815-316-5297

F: 815-962-6483

E: marketing@ame.com W: ame.com

Aggressive Hydraulics 18800 Ulysses St N.E. P.O. Box 187 Cedar, MN 55011

P: 763-792-4000

F: 763-792-4400

E: sales@aggressivehydraulics.com

W: aggressivehydraulics.com

Aignep USA

7121 Loblolly Pine Blvd. Fairview, TN 37062

P: 615-771-6650

F: 615-771-0926

E: service@aignepusa.com W: aignepusa.com

Air & Hydraulic Equipment, Inc. 821 E. 11th Street Chattanooga, TN 37404

P: 423-756-2000

F: 423-265-8463

E: gmoore@aheinfo.com

W: aheinfo.com

Air Draulics Engineering Company 4250 Pilot Drive Memphis, TN 38118

P: 901-794-4300

F: 901-795-5841

E: info@airdraulic.com

W: airdraulic.com

Air Hydraulics, Inc. 545 Hupp Ave. Jackson, MI 49203

P: 517-787-9444 F: 517-787-7585 E: info@airhydraulics.com W: airhydraulics.com

Air Hydraulic Systems 6055 Nathan Lane Plymouth, MN 55442

P: 800-742-0664 F: 763-519-2101

E: AHSCO@Airhydraulicsystems.com W: airhydraulicsystems.com

Airline Hydraulics 3557 Progress Drive Bensalem, PA 19020

P: 800-999-7378 F: 215-638-1707

E: sales@airlinehyd.com W: airlinehyd.com

Air Logic 5102 Douglas Ave. Racine, WI 53402

P: 262-639-9035

F: 262-639-5996

E: airlogic@air-logic.com W: air-logic.com

Air Sentry 930 Whitmore Drive Rockwall, TX 75087 P: 855-242-2792

F: 972-771-1000

E: sales@airsentry.com W: airsentry.com

Air System Products, Inc. 51 Beach Avenue Lancaster, NY 14086 P: 716-683-0435 F: 716-683-7128 W: airsyspro.com

Air-Mite Devices, Inc. 4739 W. Montrose Chicago, IL 60641 P: 773-286-3393 F: 773-286-4703 E: airmite@att.net W: airmite.com

Airmo Inc. Pressure Technologies 9445 Evergreen Blvd. NW Minneapolis, MN 55433 P: 1-800-394-0016 F: 763-786-4622 E: airmo@airmo.com W: airmo.com

Airotronics 2747 Route 20 East Cazenovia, NY 13035 P: 315-655-8476 F: 315-655-3862 E: rpage@pelcocaz.com W: pelcocaz.com

Airoyal 1355 Rte. 23

Butler, NJ 07405 P: 973-838-0371 F: 973-838-2638 E: info@airoyal.com W: airoyal.com

Airpot Corp 35 Lois Street

Norwalk, CT 06851

P: 203-846-2021 F: 203-849-0539 E: mag@airpot.com W: airpot.com

Airtek 4087 Walden Ave. Lancaster, NY 14086

P: 716-685-4040 F: 716-685-1010

E: airtek@airtek.com W: airtek.com

AIRTEC Pneumatics, Inc. 730 Racquet Club Dr. Addison, IL 60101

P: 630-543-0265

F: 630-543-4420

E: airtec@airtec-usa.com W: airtec-usa.com

Air-Way Manufacturing Company 586 N. Main St. Olivet, MI 49076 P: 800-253-1036 F: 269-749-2046 E: sales@air-way.com W: air-way.com

AKG of America, Inc. PO Box 370 Mebane, NC 27302 P: 919-563-4286 F: 919-563-6060

E: sales@AKG-America.com W: AKG-America.com

AKG Thermal Systems 809 Mattress Factory Rd. Mebane, NC 27302 P: 919-563-4871 F: 919-563-4917

E: sales@AKGTS.com W: AKGTS.com

AL Xander Co., Inc. 36 E. South Street Corry, PA 16407

P: 814-665-8268

F: 814-664-7343

E: sales@alxander.com W: alxander.com

Al Xander Co., Inc. P.O. Box 98 Corry, PA 16407-0098 P: 814-665-8268 F: 814-664-7343

E: sales@alxander.com W: alxander.com

ALA Industries Limited 3410 Delta Dr. Portage, IN 46368

P: 219-762-2059

E: info@yuken-usa.com

W: alaindustrieslimited.com

Aladco 1100B South Prairie Avenue Waukesha, WI 53186

P: 262-544-5994

F: 262-544-0116

W: aladco.com

34 | June 2024 CELEBRATING 30 YEARS WWW.FL u IDPOW e RJO u R n AL.COM | WWW.IFPS.ORG
2024 DIRECTORY Check out the online matrix at www.fluidpowerjournal.com #
A

Alemite LLC

5148 North Hanley Road

St. Louis, MO 63134

P: 800-822-4579

F: 800-648-3917

E: brenda.hendrick@skf.com

W: alemite.com

Allegheny Petroleum Products Company

470 Mall Circle Drive

Monroeville, PA 15146

P: 412-829-1990

F: 412-829-1956

E: sales@oils.com

W: oils.com

Allegheny York

3995 N. George St. Ext Manchester, PA 17345

P: 717-266-6617

F: 717-266-6371

E: sales@alleghenyyork.com

W: alleghenyyork.com

Allen Orton LLC

3180 Reps Miller Rd., Ste. 200 Norcross, GA 30071

P: 770-986-9999

F: 770-986-9990

E: info@allen-orton.com

W: allen-orton.com

Allenair Corporation

255 East Second Street Mineola, NY 11501

P: 516-747-5450

F: 516-747-5481

E: steves@allenair.com

W: allenair.com

Alliance Plastics

3123 Station Rd. Erie, PA 16510

P: 814-899-7671

F: 814-898-1638

E: service@allianceplastics.com

W: allianceplastics.com

Alliance Sensors Group

102 Commerce Dr., Unit 8 Moorestown, NJ 08057

P: 856-727-0250

F: 856-727-0251

E: jrm@alliancesensors.com

W: alliancesensors.com

Allied Fluid Conditioners

536 Township Line Road BLDG B Blue Bell, PA 19422

P: 215-643-0966

F: 215-643-4017

E: sales@alliedfluidconditioners.com

W: AlliedFluidConditioners.com

Allied Metrics Seals & Fasteners, Inc.

2 Wilson Dr. Sparta, NJ 07871

P: 973-383-2487

F: 973-383-3329

E: alliedmetrics@nac.net

W: alliedmetrics.com

Alloys & Components, SW 2525 Sea Harbor Rd. Dallas, TX 75212

P: 800-441-1994

F: 214-637-9303

E: jc@alloysandcomponents.com

W: alloysandcomponents.com

Almo Manifold & Tool Co.

P.O. Box 112 East Tawas, MI 48730

P: 989-984-0800

F: 989-984-0830

E: sales@almomanifold.com

W: almomanifold.com

Alpha 320 Premier CT #224 Franklin, TN 37067

E: source@alphafittings.com

W: alphafittings.com

A-Lube

536 Township Line Rd. Blue Bell, PA 19422

P: 215-643-9969

F: 215-643-4017

E: Sales@A-Lube.com

W: A-Lube.com

Alumi-Tec Inc. PO Box 753

Grand Haven, MI 49417

P: 800-327-7558

F: 800-338-4811

W: alumitecmanifolds.com

American Chemical Technologies 485 E.Van Riper Rd. Fowlerville, MI 48836

P: 800-938-0101

F: 517-223-1703

E: Rdirmeyer@americanchemtech.com

W: americanchemtech.com

American Cylinder Co., Inc. 481 S. Governors Hwy. Peotone, IL 60468

P: 708-258-3935

F: 708-258-3980

E: amcyl@americancylinder.com W: americancylinder.com

American Grippers Inc. [AGI] 171 Spring Hill Road Trumbull, CT 06611

P: 203-459-8345

F: 203-452-5943

E: info@agi-automation.com W: agi-automation.com

American High Performance Seals Inc. 408 High Tech Dr. Oakdale, PA 15071

P: 412-788-8815

F: 412-788-8816

E: ahpseals@ahpseals.com W: ahpseals.com

American Industrial Heat Transfer, Inc. 355 American Industrial Drive Lacrosse, VA 23950

P: 434-757-1800

F: 434-757-1810

E: sales@aihti.com

W: aihti.com

American Seal & Packing 1537 E. McFadden Ave., Unit A Santa Ana, CA 92705

P: 714-593-9780

F: 714-593-9701

E: dave@aspseal.com

W: americansealandpacking.com

American Sensor Technologies, Inc. 450 Clark Drive Mount Olive, NJ 07828

P: 973-448-1901

F: 973-448-1905

E: info@astsensorscom W: astsensors.com

Ametek Factory Automation 1080 N. Crooks Road Clawson, MI 48017

P: 248-435-0700

F: 248-435-8120

E: apt.sales@ametek.com W: ametekfactoryautomation.com

Ametek Drexelbrook 205 Keith Valley Rd. Horsham, PA 19044

P: 215-674-1234

F: 215-674-2731

E: info@drexelbrook.com W: drexelbrook.com

AMETEK U.S. Gauge 820 Pennsylvania Blvd. Feasterville, PA 19053

P: 215-355-6900

F: 215-354-1802

E: sales.info@ametek.com W: ametekusg.com

Amphenol Industrial Product Group 40-60 Delaware Ave. Sidney, NY 13838-1395

P: 607-563-5088

F: 607-563-5157

E: mhartman@amphenol-aio.com W: amphenol-industrial.com

Anchor Fluid Power 5553 Murray Road Cincinnati, OH 45227

P: 513-527-4444

F: 513-527-4449

E: sales@anchorfluidpower.com W: anchorfluidpower.com

Anderson Fittings 4325 Frontage Rd.

Oak Forest, IL 60452

P: 800-323-5284

F: 630-922-0469

E: dchristensen@andersonfittings.com

W: andersonfittings.com

Anderson Metals Corporation, Inc.

P.O. Box 34200 1701 Southern Road

Kansas City, MO 64120

P: 800-821-5672

F: 816-472-8700

E: info@andersonmetals.com W: andersonmetals.com

Anderson Power Products 13 Pratts Junction Rd. Sterling, MA 01564

P: 978-422-3635

F: 978-422-3600 W: andersonpower.com

Anfield Industries Inc.

375 International Park, Suite 300 Newnan, GA 30265

P: 404-530-3804

F: 404-530-3805

E: info@anfieldind.com W: anfieldind.com

Animated Software Co.

P.O. Box 1936 Carlsbad, CA 92018

P: 760-720-7394

F: 800-551-2726

E: rhoffman@animatedsoftware.com

W: animatedsoftware.com

Anver Corp.

36 Parmenter Rd. Hudson, MA 01749

P: 978-568-0221

F: 978-568-1570

E: info@anver.com

W: anver.com

Appalachian Fluid Power, Inc.

3364 State Route 31 Acme, PA 15610

P: 724-593-8333

F: 724-593-8334

E: salesdesk.afp.@gmail.com

W: appalachianfluidpower.com

APB Enterprises

203 Howard Road Waxahachie, TX 75365

P: 972-937-7432

F: 972-937-1368

E: allen@birdsradiator.com

W: apbenterprises.net

Apex Design Technology

2350 E. Coronado St. Anaheim, CA 92806

P: 714-688-7188

F: 714-688-7189

E: tgallagher@apexdt.com

W: apexdt.com

API Heat Transfer

2777 Walden Ave. Buffalo, NY 14225

P: 716-684-6700

F: 716-684-2129

E: sales@apiheattransfer.com W: apiheattransfer.com

APM Hexseal Corp.

44 Honeck St. Englewood, NJ 07631

P: 201-569-5700

F: 201-569-4106

E: info@apmhexseal.com

W: apmhexseal.com

Apple Rubber Products 310 Erie St. Lancaster, NY 14086

P: 716-684-6560

Toll Free: 800-828-7745

F: 716-684-8302

E: info@applerubber.com

W: applerubber.com

Applied Energy Company, LLC. 1205 Venture Court Suite #100 Carrollton, TX 75006

P: 214-355-4200

F: 214-355-4201

W: appliedenergyco.com

Applied Industrial Technologies 1 Applied Plaza Cleveland, OH 44115

P: 800-655-6552

W: applied.com

ArcelorMittal Tubular Products 132 West Main Street Shelby, OH 44875

P: 800-345-8823

F: 419-342-1437

E: Shelby.tubularproducts@ arcelormittal.com

W: ArcelorMittal.com/Tubular

Argo-Hytos Inc. 1835 N. Research P.O. Box 28 Bowling Green, OH 43402

P: 419-353-6070

F: 419-354-3496

E: info.us@argo-hytos.com

W: argo-hytos.com

Arizona Sealing Devices, Inc. 150 E. Alamo Dr., Suite 4 Chandler, AZ 85225

P: 480-892-7325

F: 480-892-7388

E: info@azseal.com

W: azseal.com

Arkema Inc. 900 First Avenue King of Prussia, PA 19406

P: 800-225-7788

F: 610-205-7913

E: Arkema.usph-general@arkema.com

W: arkema-americas.com

Ark-Plas Products, Inc. 165 Industry Lane Flippin, AR 72634

P: 870-453-2343

F: 870-568-0811

E: info@ark-plas.com

W: ark-plas.com

ASA Hydraulik of America 160 Meister Avenue #20A Somerville, NJ 08876

P: 800-473-9400

F: 908-541-1550

E: sales@US@asahydraulik.com

W: asahydraulik.com

ASCO Valve, Inc. 50 Hanover Road Florham Park, NJ 07932

P: 800-972-2726

E: info-valve@asco.com W: ascovalve.com

Ashcroft Inc. 250 East Main St. Stratford, CT 06614

P: 1-800-328-8258

E: info@ashcroft.com W: ashcroft.com

Assured Automation 263 Cox St. Roselle, NJ 07203

P: 800-899-0553

F: 732-381-2328

E: info@assuredautomation.com

W: assuredautomation.com

Astrodyne

300 Columbus Circle, Suite F Edison, NJ 08837

P: 908-409-3900

F: 610-278-0935

E: bahhi@astrodyne.com W: astrodynetdi.com

Astrodyne 375 Forbes Boulevard Mansfield, MA 02048

P: 800-823-8082 F: 508-339-0375

E: sales@astrodyne.com W: astrodyne.com

ATEQ Corp. 42000 Koppernick Road Canton, MI 48187-2409

P: 734-451-9449 F: 734-451-9462

E: leaktest@atequsa.com W: atequsa.com

Atlantic Industrial Technologies 90 Precision Drive Shirley, NY 11967 P: 800-254-3131 F: 631-234-3283

E: sales@aitzone.com W: aitzone.com

Atlas Copco Compressors, Inc. 161 Lower Westfield Rd. Holyoke, MA 01040 P: 413-536-0600 F: 413-493-7382 E: info@atlascopcompressors-asa.com W: atlascopco.com

Atlas Cylinders 500 S. Wolf Road Des Plaines, IL 60016 P: 847-298-2400 F: 847-294-2640 E: atlascylmktg@parker.com W: atlascylinders.com

Atos North America 1670 Toronita St. York, PA 17402 P: 717-840-7814 F: 717-840-7396 E: sales@atosna.com W: atos.com

Atos Systems, Inc. 44-C W. Ferris St. E. Brunswick, NJ 08816 P: 732-390-4504 F: 732-254-9121 E: atos@atosusa.com W: atos.com

Attica Hydraulic Exchange Corp. 48175 Gratiot Ave. Chesterfield, MI 48051 P: 586-949-4240 F: 586-949-5309 E: sales@ahx1.com W: ahx1.com

AUMA Actuators, Inc. 100 Southpointe Blvd. Canonsburg, PA 15317 P: 724-743-2862 F: 724-743-4711 E: mailbox@auma-usa.com W: auma-usa.com

Aurelius Mfg. Co., Inc. 220 - 8th Street SW Braham, MN 55006 P: 320-396-3343 F: 320-396-3346

E: info@aurelius-mfg.com W: Aurelius-mfg.com

WWW.IFPS.ORG | WWW.FL u IDPOW e RJO u R n AL.COM CELEBRATING 30 YEARS June 2024 | 35 MANUFACTURERS 2024 DIRECTORY
Allegheny York Engineering ● Distribution ● Design ● Manufacturing www.AlleghenyYork.com ● Seals ● O-Rings ● Gaskets ● Cylinders ● Custom Molded
Shapes

Aurora Air Products Inc.

231C North Eola Rd. Aurora, IL 60502

P: 630-851-4515

F: 630-851-5165

W: auroraair.com

Autoclave Engineers FCD

8325 Hessinger Dr. Erie, PA 16509

P: 814-860-5700

F: 814-833-0145

E: ae_sales@snap-tite.com

W: autoclave.com

Automated Wire Products

N118 W18324 Bunsen Drive Germantown, WI 53022

P: 262-250-1480

F: 262-250-1481

E: todd@automatedwire.com

W: automatedwire.com

Automatic Valve Corp.

41144 Vincenti Court Novi, MI 48375

P: 248-474-6700

F: 248-474-6732

E: avc@automaticvalve.com

W: automaticvalve.com

AutomationDirect

3505 Hutchinson Road Cumming, GA 30040

P: 800-633-0405

F: 770-889-7876

E: customersupport@ automationdirect.com

W: automationdirect.com

Automation Products, Inc.

DYNATROL® Div.

3030 Maxroy Street Houston, TX 77008-6294

P: 713-869-0361

F: 713-869-7332

E: sales@dynatrolusa.com

W: dynatrolusa.com

AW-Lake Company

2440 W. Corporate Preserve Dr. #600 Oak Creek, WI 53154

P: 414-574-4300

E: sales@aw-lake.com

W: aw-lake.com

Axiomatic Technologies Corp. 5915 Wallace St. Mississauga, Ontario

L4Z 1Z8 CANADA

P: 905-602-9270

F: 905-602-9279

E: sales@axiomatic.com

W: axiomatic.com

Axxionflex 1825 Ponce de Leon, #310 Coral Gables, FL 33134

P: 786-655-7577

F: 954-639-9622

E: sales@axxionflex.com

W: axxionflex.com

AZ Hydraulic Engineering Inc.

P.O. Box 3615

Kingman, AZ 86402

P: 928-757-1400

F: 928-757-1004

E: sales@azpump.com

W: azpumps.com

Baumer Ltd.

122 Spring Street, Unit C-6

Southington, CT 06489

P: 860-621-2121

F: 860-628-6280

E: sales.us@baumer.com

W: baumer.com

Baumer/Bourdon-Haenni

3295 Cobb International Blvd. Kennesaw, GA 30152

P: 888-650-6924

F: 770-429-0795

W: BaumerProcess.com

Bay Advanced Technologies 8100 Central Ave. Newark, CA 94560

P: 510-857-0900

F: 510-857-1400

W: bayat.com

B

Bailey International, LLC 2527 Westcott Blvd. Knoxville, TN 37931

P: 800-800-1810

F: 800-800-1811

E: marketing@baileyhydraulics.com

W: BaileyHydraulics.com

Bakelite Synthetics 1040 Crown Pointe Parkway, Suite 250 Atlanta, GA 30338

P: 49.2374.925467

E: information@cldmarcomm.com

W: bakelite.com

Bal Seal Engineering 19650 Pauling Foothill Ranch, CA 92610

P: 949-460-2100

F: 949-460-2300

E: sales@balseal.com

W: balseal.com

Baldwin Filters 4400 East Highway 30 Kearney, NE 68847

P: 308-234-1951

F: 800-828-4453

E: info@baldwinfilter.com

W: baldwinfilter.com

Balluff Inc.

8125 Holton Dr. Florence, KY 41042

P: 859-727-2200

F: 859-727-4823

E: tim.jordan@balluff.com

Bar Hydraulics

4506 Main St. Buffalo, NY 14226

P: 716-824-1788

F: 716-839-2341

E: info@barhydraulics.com

W: barhydraulics.com

Barco, Div. of Marison Industries 1100 Alexander Court Cary, IL 60013

P: 847-516-0900

F: 847-516-5590

E: info@barcoseals.com

W: barcoseals.com

Barnant Company

28W092 Commercial Ave. Barrington, IL 30010

P: 847-381-7050

F: 847-381-7053

E: barnant@barnant.com

W: barnant.com

Barrington Automation 9116 Virginia Road

Lake in The Hills, IL 60156

P: 847-458-0900

F: 847-458-0934

E: info@barringtonautomation.com

W: barringtonautomation.com

Battlefield International Inc. 1664 Kohler Rd. Cayuga, Ontario N0A 1E0

P: 905-772-3000

F: 905-772-3099

E: sales@battlefield.biz W: battlefield.biz

BETE Fog Nozzle, Inc.

50 Greenfield Street Greenfield, MA 01301

P: 413-772-0846

F: 413-772-6729

E: Sales@bete.com

W: bete.com

Biddle Precision Components

701 S. Main St. Sheridan, IN 46069

P: 317-758-4451

F: 317-758-5260

E: cadkins@bpcinc.biz

W: bpcinc.biz

Bifold Fluid Power

P.O. Box 422 Grimsby, Ontario L3M 4H8

P: 905-309-1834

F: 905-309-1835

E: marketing@bifold.co.uk

W: bifold-fluidpower.co.uk

Bay Seal Company 1550 West Winton Ave. Haywood, CA 94545

P: 510-732-7000

F: 510-782-2651

E: info@bayseal.com

W: bayseal.com

Beach Filter Products, Inc.

555 Centennial Ave. Hanover, PA 17331

P: 717-698-1403

F: 717-698-1610

E: sales@beachfilters.com

W: beachfilters.com

BEHCO-MRM 1666 E. Lincoln Ave. Madison Heights, MI 48071

P: 888-882-3426

F: 586-755-5464

E: sales@behco.com

W: behco.com

Behringer Corporation 17 Ridge Rd Branchville, NJ 07826

P: 973-948-0226

F: 973-948-2562

E: sales@behringersystems.com

W: behringersystems.com

Belden Americas, Hirschmann Products 1540 Orchard Drive Chambersburg, PA 17201

P: 717-217-2298

F: 717-217-2279

E: info@hirschmann-usa.com

W: hirschmann-usa.com

Belden Americas, Lumberg Automation Products 1540 Orchard Drive Chambersburg, PA 17201

P: 717-217-2298

F: 717-217-2279

E: info.us@lumbergautomationusa.com

W: lumberg-automationusa.com

Bell & Gossett 8200 N. Austin Avenue Morton Grove, IL 60053

P: 847-966-3700

F: 847-965-8379

E: monika.laivinieks@itt.com

W: bellgossett.com

Berendsen Fluid Power 1730 West Oak Commons Ct. Marietta, GA 30062

P: 770-419-3430

F: 770-419-3439

Berendsen Fluid Power 1200 Mid-Continent Tower 401 South Boston Ave. Tulsa, OK 74103

P: 918-622-3781

F: 918-581-5080

E: info@bfpna.com W: bfpna.com

Beswick Engineering

284 Ocean Road Greenland, NH 03840

P: 603-433-1188

F: 603-433-3313

E: techsupport@beswick.com W: beswick.com

Bonomi North America, Inc.

750 Imperial Court Charlotte, NC 28273

P: 704-412-9031

E: sales@bonominorthamerica.com W: bonominorthamerica.com

Bosch Rexroth 2315 City Line Rd. Bethlehem, PA 18012

P: 610-694-8300

F: 610-694-8339 W: boschrexroth-us.com

Bosch Rexroth 14001 S Lakes Dr. Charlotte, NC 28273

P: 1-800-739-7684

E: info@boschrexroth-us.com W: boschrexroth-us.com

Bijur Delimon International 2100 Gateway Centre Blvd., Suite 109 Morrisville, NC 27560

P: 919-465-4448

F: 919-465-0516

E: morrisville@bijurdelimon.com

W: bijurdelimon.com

Bijur Lubricating Corporation

808 Aviation Pkwy. Suite 1400 Morrisville, NC 27560

P: 919-465-4448

F: 919-465-0516

E: info@bijurlube.com

W: bijur.com

Bimba Manufacturing Company 25150 S. Governors Hwy. University Park, IL 60484

P: 708-534-8544

F: 708-534-2014

E: cs@bimba.com

W: bimba.com

Bird’s Hydraulics 203 Howard Rd. Waxahachie, TX 75165

P: 972-937-7432

E: info@fluidlinesolutions.com W: fluidlinesolutions.com

Birmingham Hydraulics, Inc. 1675 E. Maple Rd. Troy, MI 48083

P: 248-689-2400

F: 248-689-2403

E: sales@birmingham-hydraulics.com W: birmingham-hydraulics.com

BJM Pumps 123 Spencer Plain Road Old Saybrook, CT 06475 P: 860-399-5937 F: 860-399-7784 E: sales@bjmpumps.com W: bjmpumps.com

BKO Technical 5561 156th Lane NW Ramsey, MN 55303

P: 651-452-2077 F: 651-452-5336

E: sales@BKOtechnical.com W: bkotechnical.com

Bobalee Hydraulics 137 N. East Street Laurens, IA 50554 P: 712-845-4554 F: 712-845-2503 E: rhurst@bobalee.com W: bobalee.com

Bondioli & Pavesi, Inc. 10252 Sycamore Drive Ashland, VA 23005 P: 804-550-2224 F: 804-550-2837

E: BPUS.Info@bondioli-pavesi.com W: bondioli-pavesi.com

Bonfiglioli USA 3541 Hargrave Dr. Hebron, KY 41048 P: 859-334-3333 F: 859-334-8888 E: mobilesalesUSA@bonfiglioli.com W: bonfiglioli.com

Brand Hydraulics PO Box 6069 Omaha, NE 68106 P: 402-344-4434 F: 402-341-5419

E: d.k.petersen@brand-hyd.com W: brand-hyd.com

Bray Controls, Div. of Bray Intl. Inc. 13333 Westland E. Blvd. Houston, TX 77041 P: 281-894-5454 F: 281-894-0077

E: bob.bloem@bray.com W: braycontrols.com

Brennan Industries 6701 Cochran Rd. Solon, OH 44139

P: 888-331-1523

F: 440-248-7282

E: sales@brennaninc.com W: brennaninc.com

Brevini USA 400 Corporate Woods Pkwy. Vernon Hills, IL 60061

P: 847-478-1000

F: 847-478-1001

E: info@breviniusa.com W: breviniusa.com

Briggs Company 3 Bellecor Drive New Castle, DE 19720

P: 800-441-7312

F: 302-322-7707

E: rjnewman@briggsco.net W: briggsco.net

Bristol Babcock/ Helicoid Products 1100 Buckingham St. Watertown, CT 06795

P: 860-945-2218

F: 860-945-2278

W: bristolbabcock.com

BSF, Inc PO Box 459

Vandalia, OH 45377

P: 937-890-6121

F: 937-890-0974

E: sales@bsfinc.net

W: bsfinc.net

BSM Pump Corporation 180 Frenchtown Rd. No. Kingstown, RI 02852

P: 401-886-2658

F: 401-886-2448

Bucher Hydraulics Inc. 2545 Northwest Parkway Elgin, IL 60124

P: 847-429-0700

F: 847-429-0777

E: info.us@bucherhydraulics.com W: bucherhydraulics.com

Buckeye Rubber & Packing Co. 23940 Mercantile Rd. Cleveland, OH 44122

P: 216-464-8900

F: 216-831-0254

E: dcatlin@buckeyerubber.com

W: buckeyerubber.com

Burkert Fluid Control Systems 11425 Mt. Holly-Huntersville Road Huntersville, NC 28078

P: 704-504-4440

E: marketing-usa@burkert.com

W: burkert-usa.com

36 | June 2024 CELEBRATING 30 YEARS WWW.FL u IDPOW e RJO u R n AL.COM | WWW.IFPS.ORG MANUFACTURERS 2024 DIRECTORY

Buschjost now IMI Precision Engineering

5400 S. Delaware Street

Littleton, CO 80120

P: 800-710-7823

BuyFittingsOnline.com

4388 Broadway Depew, NY 14043

P: 800-569-0810

F: 716-681-0881

E: sales@qmctechnologies.com

W: buyfittingsonline.com

CC S Unitec

22 Harbor Ave.Norwalk, CT 06850

P: 203-853-9522

E: info@csunitec.com

W: csunitec.com

C. C. Jensen, Inc.

1557 Senoia Road – Suite A Tyrone, GA 30290

P: 770-692-6001

F: 770-692-6006

E: ccjensen@ccjensen.com

W: ccjensen.com

C-CHANGE INC

11337 Trade Center Drive #300 Rancho Cordova, CA 9574

P: 916-752-2984

E: sales@c-changeinc.com

W: c-changeinc.com

Cameron’s Measurement Systems Division 14450 JFK Blvd. Houston, TX 77032

P: 281-582-9500

F: 713-682-2018

W: c-a-m.com/flo

Camozzi Pneumatics, Inc.

2160 Redbud Blvd., Suite 101 McKinney, TX 75069

P: 972-548-8885

F: 972-548-2110

E: info@camozzi-usa.com

W: camozzi-usa.com

Canfield Connector

8510 Foxwood Ct. Youngstown, OH 44514

P: 330-758-8299

E: customerservice@ canfieldconnector.com

W: canfieldconnector.com

Canimex, Inc.

285 St-Georges Drummondville, Quebec J2C 4H3

CANADA

P: 819-477-1335

F: 819-477-2908

E: lavoier@canimex.com

Caplugs

2150 Elmwood Ave. Buffalo, NY 14207

P: 716-876-9855

F: 716-874-1680

E: sales@caplugs.com

W: caplugs.com

Carolina Fluid Components 9309 Stockport Place Charlotte, NC 28273

P: 704-588-6101

F: 704-588-6115

E: mmcdonald@cfcsite.com

W: cfcsite.com

Cascade Machinery + Electric Inc 4600 E. Marginol Way S Seattle, WA 98134

P: 206-762-0500

F: 206-767-5122

E: rhust@cascade-machinery.com

W: cascade-machinery.com

CAT PUMPS –High Pressure Pumps & Systems 1681 - 94th Lane N.E. Minneapolis, MN 55449

P: 763-780-5440

F: 763-780-2958

E: techsupport@catpumps.com

W: catpumps.com

Catey Controls – A Womack Company 3102 W. Broadway Missoula, MT 59808

P: 406-728-7860

F: 406-549-3720

E: bwright@cateycontrols.com

W: cateycontrols.com

CEJN North America 212 Ambrogio Dr. Gurnee, IL 60031

P: 800-222-2356

F: 847-263-7200

E: customer.service.usa@cejn.com W: cejn.com

Central Steel & Wire Co. 3000 W. 51st Street Chicago, IL 60632

P: 800-621-8510

F: 800-232-9279

E: csw@centralsteel.com W: centralsteel.com

Certified Power, Inc. 970 Campus Dr. Mundelein, IL 60060

P: 888-905-7411

F: 847-573-3836

E: cpi_il@certifiedpower.com W: certifiedpower.com

CFC Industrial Training 7042 Fairfield Business Drive Fairfield, OH 45014-5480

P: 1-513-874-3225

F: 1-513-874-3229

E: info@cfcindustrialtraining.com W: cfcindustrialtraining.com

CFC Parts Inc. dba DMKTECH 1867 NW 97th Ave., Ste. 100 Miami, FL 33172

P: 954-689-2559

F: 954-639-9622

E: sales@cfcparts.com W: cfcparts.com

Checkfluid Inc. 4070 Eastgate Cres. London ON N6L 1B2, CANADA

P: 1-519-652-6373

F: 519-652-0392

E: sales@checkfluid.com W: checkfluid.com

CIM-TEK Filtration (Central Illinois Mfg. Co.) 201 N. Champaign St. Bement, IL 61813

P: 217-693-6555

F: 217-693-6673

E: info@cim-tek.com

W: cim-tek.com

Clark-Cooper Div. of Magnatrol Valve Corp. 855 Industrial Highway #4 Cinnaminson, NJ 08077

P: 856-829-4580

F: 856-829-7303

E: techsupport@clarkcooper.com W: clarkcooper.com

Clean Filtration USA PO Box 4313 222 S. Navigation Blvd. Corpus Christi, TX 78469/78405

P: 888-861-8058

F: 361-883-3893

E: service@cleanfiltrationusa.com W: cleanfiltrationusa.com

Clinton Industries, Inc. 6435 Gulfton Dr. Houston, TX 77081

P: 713-523-5521

F: 713-523-0920

E: sales@clintonindustries.com W: clintonindustries.com

Clippard Instrument Laboratory, Inc. 7390 Colerain Ave. Cincinnati, OH 45239

P: 877-245-6247

E: sales@clippard.com W: clippard.com

CMC Marine, Inc. 3920 S. 13th Street Duncan, OK 73533

P: 800-654-3697

F: 580-252-2970

E: rpresley@cook-mfg.com W: cmcmarineproducts.com

Coastal Hydraulics Inc. 2251 Technical Pkwy. Charleston, SC 29406

P: 843-572-5714

F: 843-572-7615

E: webinfo@coastalhydraulics.net W: coastalhydraulics.net

co-ax valves, inc.

1518 Grundy’s Ln Bristol, PA 19007

P: 215-757-3725

F: 215-757-4060

E: info@coaxvalves.com W: coaxvalves.com

Coilhose Pneumatics 19 Kimberly Road East Brunswick, NJ 08816

P: 732-390-8480

F: 732-390-9693

E: info@coilhose.com

W: coilhose.com

Colonial Seal Co. 1114 Crown Point Rd. Westville, NJ 08093

P: 856-432-0012

F: 856-845-0660

E: sales@colonialseal.com W: colonialseal.com

Columbia Hydraulic Svc., Inc. 1601 N.E. Columbia Blvd. Portland, OR 94211

P: 7800-283-0381

F: 503-285-3794

Comatrol

1407 Pelzer Hwy. Easley, SC 29642

P: 864-644-0055

E: marketing@comatrol.com W: comatrol.com

COMOSO, The Hose Authority 1320 S. Priest Drive #107 Tempe, AZ 85281

P: 602-437-8799

F: 602-437-8597

E: sales@comoso.com

W: comoso.com

Compact Automation Products 105 Commerce Way Westminster, SC 29693

P: 864-647-9521

F: 864-647-9574

E: cap_customerservice@itt.com

W: compactautomation.com

Compudraulic

3880 Scenic Way Franksville, WI 53126

P: 414-940-2232

E: medhat@compudraulic.com

W: compudraulic.com

Conant Controls Inc.

215 Salem St., Suite K Woburn, MA 01801

P: 781-395-2240

F: 781-395-7247

E: sales@conantcontrols.com W: conantcontrols.com

Conbraco Industries Inc. P.O. Box 247 Matthews, NC 28106

P: 704-847-9191

F: 704-841-6020

E: conbraco@conbraco.com

W: conbraco.com

Concentric Rockford Inc. 2222 15th Street Rockford, IL 61104

P: 815-398-4400

Toll free: 800-572-7867

F: 815-398-5977

E: info.usro@concentricAB.com W: concentricAB.com

Contitech USA 703 S. Cleveland Massillon Road Fairlawn, OH 44333

P: 800-235-4632

F: 330-664-7145

W: contitech.us

E: hydraulics@contitech.us

Continental Hydraulics

5505 West 123rd Street

Savage, MN 55378

P: 952-895-6400

F: 952-895-6444

E: sales@conthyd.com

W: continentalhydraulics.com

Control Enterprises, Inc. (C.E.I.) 40124 Highway 49 Oakhurst, CA 93644

P: 559-683-2044

F: 559-683-8666

E: ceiinc-ken@sti.net

W: ceivalve.com

Control Line Equipment, Inc. 14750 Industrial Pkwy. Cleveland, OH 44135

P: 216-433-7766

F: 216-433-7664

E: sales@control-line.com

W: control-line.com

Control Products Inc.

280 Ridgedale Ave. E. Hanover, NJ 07936

P: 973-887-9400

F: 973-887-5083

E: sales@cpi-nj.com

W: cpi-nj.com

ControlAir, Inc. 8 Columbia Dr. Amherst, NH 03031

P: 603-886-9400

F: 603-886-1844

E: info@controlair.com

W: controlair.com

Controlled Fluids, Inc. 7725 South Major Drive Beaumont, TX 77705

P: 800-722-2630

E: isales@confluids.com

W: confluids.com

Controlled Motion Solutions, Inc. 4000 E. Brundage Lane Bakersfield, CA 93307

P: 661-324-2260

F: 661-324-9124

E: sales@comoso.com

W: comoso.com

Cooper Instruments & Systems P.O. Box 3048 Warrenton, VA 20188

P: 540-349-4746

F: 540-347-4755

E: sales@cooperinstruments.com

W: cooperinstruments.com

Copper State Fluid Power LLC 4195 S Contractors Way Tucson, AZ 85714

P: 520-777-3867

F: 520-777-4647

E: Sales@copperstatefluidpwr.com

W: copperstatefluidpwr.com

Copperweld Corporation (Formerly LTV Copperweld) 2200 Four Gateway Center Pittsburgh, PA 15222-1211

P: 866-BUY-TUBE

F: 412-263-6995

E: info@copperweld.com

W: copperweld.com

Coronet Parts Manufacturing Co., Inc. 901 Elton Street Brooklyn, NY 11208

P: 718-649-1750

F: 718-272-2956

E: sales@coronetparts.com

W: coronetparts.com

Cotta Transmission Company 1301 Prince Hall Drive Beloit, WI 53511-4439

P: 608-368-5600 F: 608-368-5605

E: sales@cotta.com W: cotta.com

Coxreels 5865 South Ash Avenue Tempe, AZ 85283

P: 800-269-7335

F: 800-229-7335

E: info@coxreels.com W: coxreels.com/

CPV Manufacturing, Inc. 851 N. Preston Street Philadelphia, PA 19104

P: 215-386-6508

F: 215-387-9043

E: sales@cpvmfg.com W: cpvmfg.com

Crest Rubber Company 6408 Newton Falls Rd. Ravenna, OH 44266 P: 330-296-4015 F: 330-296-4684

E: crestrubber@nec.rr.com W: crestrubber.com

Crimp-Tech Hydraulics 171 Pond Cypress Road Venice, FL 34292 P: 941-473-1566

E: office@crimp-tech.com W: crimp-tech.com/

Cross Manufacturing, Inc. 100 James H. Cross Blvd. Lewis, KS 67552 P: 620-324-5525 F: 620-324-5737 E: info@crossmfg.com W: crossmfg.com

CRS Service, Inc. 1986 Rochester Industrial Drive Rochester Hills, MI 48309 P: 248-652-9940 F: 248-652-9946

E: customerservice@crsservice.com W: crsservice.com

Crucial, Inc. 142 Enterprise Drive Gretna, LA 70056

P: 504-347-9292 F: 504-347-8900 E: info@crucialinc.com W: crucialinc.com

Cunningham Fluid Power Inc. 4020 SE 45th Ct. Ocala, FL 34480

P: 352-624-9333 F: 352-624-3755

E: sales@slypig.com W: slypig.com

Curtiss-Wright Sprague 10195 Brecksville Rd. Brecksville, OH 44141

P: 440-838-7690 F: 440-838-7528 W: cw-industrial.com

Custom Control Sensors, LLC 21111 Plummer St. Chatsworth, CA 91311

P: 818-341-4610

E: stajbakhsh@ccsdualsnap.com W: ccsdualsnap.com

WWW.IFPS.ORG | WWW.FL u IDPOW e RJO u R n AL.COM CELEBRATING 30 YEARS June 2024 | 37 MANUFACTURERS 2024 DIRECTORY

Custom Cylinders Inc.

700 Industrial Drive Cary, IL 60013

P: 847-516-6467

F: 847-516-6470

E: sales@customcylinders.com

W: customcylinders.com

Custom Hoists, Inc.

P.O. Box 98 Hayesville, OH 44838

P: 800-837-4668

F: 800-224-6478

E: info@customhoists.com

W: customhoists.com

Custom Hydraulics, Inc

38 Steubenville Pike Burgettstown, PA 15021

P: 724-729-3170

F: 724-729-3172

E: bob@customhydraulics.com

W: customhydraulics.com

Custom Manifold Systems (CMS)

59 Industrial Dr. New Britain, PA 18901

P: 215-230-4260

F: 215-230-4261

E: sales@cmschant.com

W: cmschant.com

Custom Sensors & Technologies (CST)

14501 Princeton Avenue Moorpark, CA 93021

P: 805-552-3599

F: 805-552-3577

E: info@cstsensors.com

W: cstsensors.com

Cyber-Tech, Inc.

7943 S.W. Cirrus Dr. Beaverton, OR 97008

P: 503-620-2285

F: 503-968-8882

E: sales@cyber-tech.net

W: cyber-tech.net

D

Dakota Fluid Power

3409 N. Lewis Ave. Sioux Falls, SD 57104

P: 605-338-9982

F: 605-332-0988

W: dakotafluidpower.com

Del Equipment Limited

139 Laird Drive

Toronto, ON M4G 3V6

CANADA

P: 416-421-5851

F: 416-421-7663

E: Info@delequipment.com W: delequipment.com

Del Hydraulics, Inc. 571 Howard Street

Buffalo, NY 14206

P: 716-853-7996

F: 716-853-8003

E: markz@delhydraulics.com W: del.us.com

Delta Motion 1818 SE 17th Street

Battle Ground, WA 98604

P: 360-254-8688

E: gnasca@deltamotion.com W: deltamotion.com

Delta Q, Ltd. 14233 West Road Houston, TX 77041

P: 281-807-1840

F: 281-807-4457

E: rotwell@deltaq.com W: deltaq.com

Deltrol Fluid Products

3001 Grant Ave. Bellwood, IL 60104

P: 708-547-0500

F: 708-547-6881

E: info@deltrolfluid.com

W: deltrolfluid.com

Deluge, Inc.

18832 N. 95th Street

Scottsdale, AZ 85255

P: 602-431-0566

Dalton Electric Heating Co., Inc.

28 Hayward Street Ipswich, MA 01938

P: 978-356-9844

F: 978-356-9846

E: Dalton@daltonelectric.com W: daltonelectric.com

Daman Products Company, Inc. 1811 N. Home St. Mishawaka, IN 46545 P: 800-959-7841 F: 800-241-7664

E: info@daman.com W: daman.com

Danfoss Power Solutions 2800 E 13th St Ames, IA 50010

P: 515-239-6000

E: danfoss@danfoss.com W: danfoss.com

Danz Tech Corporation 735 W. Duarte Rd. #205 Arcadia, CA 91007

P: 626-574-7888

F: 626-574-7979

E: biz@danzusa.com W: danzusa.com

Datum-A-Industries, Inc. P.O. Box 218 1410 County Road 90 Maple Plain, MN 55359

P: 763-479-1133

F: 763-479-3667

E: info@datum-manifolds.com W: datum-manifolds.com

Dean Pump Division, Met-Pro Corp. 6040 Guion Road P.O. Box 68172 Indianapolis, IN 46268-0172

P: 317-293-2930

F: 317-297-7028

E: deanpump@met-pro.com W: metpro.com/dean.html

Dees Fluid Power 1809 Fashion Court, Suite 110 Joppa, MD 21085

P: 410-679-1666

F: 410-679-1162

W: deesfluidpower.com

Devine Hydraulics, Inc.

179 Gallivan Lane Uncasville, CT 06382

P: 860-859-1650 F: 860-859-3711

E: dsaunders@dhict.com W: dhict.com

DFT Inc 140 Sheree Blvd. Exton, PA 19341

P: 610-363-8903

E: dft@dft-valves.com W: dft-valves.com

DGD Fluid Power 1628 Waterbury Waconia, MN 55387

P: 612-293-5432

E: info@DGDFluidPower.com W: DGDFluidPower.com

Diamond Hydraulics, Inc 6776 FM 2004 Hitchcock, TX 77563 P: 409-986-3957 F: 409-986-7437

E: sales@diamondhydraulicsinc.com W: diamondhydraulics.com

Diamond Wire Spring 1901 Babcock Blvd. Pittsburgh, PA 15209 P: 412-821-2703 F: 412-824-2743 E: sales@diamondwirespring.com W: diamondwire.com

Dichtomatik Americas 1087 Park Place Shakopee, MN 55379 P: 952-894-8400 F: 952-894-1588 E: sales@dichtomatik.us W: dichtomatik.us

F: 602-431-0599

E: info@delugeinc.com W: delugeinc.com

Des-Case

675 N. Main St. Goodlettsville, TN 37072

P: 615-672-8800

F: 615-672-0701

E: sales@descase.com

W: descase.com

Deschner Corporation

3211 West Harvard St. Santa Ana, CA 92704

P: 714-557-1261

F: 714-557-4762

E: info@deschner.com W: deschner.com

De-Sta-Co Industries

31791 Sherman Dr. Madison Heights, MI 48071

P: 248-397-6700

F: 248-397-6734

E: solutions@destaco.com W: destaco.com

Detroit Coil Company 2435 Hilton Rd Ferndale, MI 48220

P: 248-398-5600

F: 248-398-0481

E: sales@detroitcoil.com W: detroitcoil.com

Deublin Company, LLC

2050 Norman Drive Waukegan, IL 60085

P: 847-689-8600

E: info@deublin.com W: Deublin.com

Devcon 30 Endicott St. Danvers, MA 01923

P: 800-933-8266

F: 978-774-0516

E: mroinfo@devcon.com W: devcon.com

Doc’s Hydraulic- Pneumatic Training

2817 Sardis Mill CT

Buford, GA 30519

P: 770-831-7677

F: 770-831-7677

E: Sales@fluidpowertraining.net

W: Fluidpowertraining.com

Doering Company

6343 River Road. SE Clear Lake, MN 55319

P: 320-743-2276

F: 320-743-3723

E: info@doering.com W: doering.com

Donaldson Company, Inc. PO Box 1299

Minneapolis, MN 55440

P: 800-374-1374

F: 952-887-3716

E: grphydfilters@donaldson.com W: donaldson.com

Double A Hydraulics 536 Township Line Road Blue Bell, PA 19422

P: 215-643-0617

E: sales@doubleahydraulics.com W: doubleahydraulics.com

Dresser Instruments 250 E. Main St. Stratford, CT 06614-5145

P: 203-378-8281

F: 203-385-0408

E: info@dresser.com W: weksler.com

Dropsa USA, Inc. 50679 Wing Dr. Utica, MI 48315

P: 810-566-1540

F: 810-566-1541

Differential Pressure Plus, Inc. 16 Carriage Hill Drive Branford, CT 06405 P: 203-481-2545 F: 203-483-7169 E: DPGauge@aol.com W: differentialpressure.com

Ditch Witch PO Box 66 Perry, OK 73077 P: 800-654-6481 F: 580-336-3458 E: info@ditchwitch.com W: ditchwitch.com

Diversico Industries, Inc. 3401 48th Ave. N. Minneapolis, MN 55429 P: 763-537-5919 F: 763-537-5985

E: sales@diversico.com

W: diversico.com

Dixon

800 High St. Chestertown, MD 21620 P: 410-778-2002 F: 410-778-4702

E: sales@dixonvalve.com

W: dixonvalve.com

DJ Instruments

37 Manning Rd. Billerica, MA 01821

P: 978-667-5301

F: 978-667-6804

E: dj@djinstruments.com

W: djinstruments.com

DLH Fluid Power Inc. 12263 Barringer St. South El Monte, CA 91733

P: 626-453-8887

F: 626-453-8889

E: biz@dlhfluidpower.com W: dlhfluidpower.com

DMIC

3776 Commerce Ct Wheatfield, NY 14120

P: 800-248-3642

F: 716-743-4370

E: sales@DMIC.com

W: DMIC.com

E: sales@dropsausa.com W: dropsausa.com

DTS Fluid Power, LLC 3560 Busch Dr., SW Grandville, MI 49418

P: 616-538-3759

F: 616-538-3798

W: dtsfluidpower.com

Duff Norton P.O. Box 7010 Charlotte, NC 28241

P: 800-477-5002

F: 704-588-1994

E: duffnorton@cmworks.com W: duffnorton.com

Duplomatic Motion Solutions 9337 Ravenna Rd., Unit G Twinsburg, OH 44087

P: 330-405-1800 F: 330-405-1801

E: sales@uhiltd.com W: uhiltd.com

Dura-Bar 1800 West Lake Shore Drive Woodstock, IL 60098 P: 815-206-6713

E: smeehan@dura-bar.com W: dura-bar.com

Duramaster Cylinders Div. 5688 West Crenshaw Tampa, FL 33634

P: 813-882-0040 F: 813-888-6688

E: sales@duramastercylinders.com W: duramastercylinders.com

Dura Valve, Inc. 2331 Eastern Ave. Elk Grove, IL 60007

P: 847-616-0430

F: 847-616-0432

E: duravalve@ameritech.net W: duravalve.com

Durex Industries 190 Detroit St. Cary, IL 60013

P: 847-639-5600

F: 847-639-2199

E: sales@durexindustries.com W: durexindustries.com

38 | June 2024 CELEBRATING 30 YEARS WWW.FL u IDPOW e RJO u R n AL.COM | WWW.IFPS.ORG MANUFACTURERS 2024 DIRECTORY
Custom valve & actuator builds Highest levels of quality Industry best lead-times Personal customer service A tradition of excellence since 1935 Discover the DynaQuip Difference dynaquip.com

Duryea Technologies

1060 Old Bernville Rd Ste 300 Reading, PA 19605

P: 484-277-7137

E: info@duryeatech.com

W: duryeatechnologies.com

Dwyer Instruments

P.O. Box 373 Michigan City, IN 46361

P: 219-872-9141

F: 219-872-9057

E: lit@dwyer-inst.com

W: dwyer-inst.com

Dylix Corp

347 Lang Blvd. Grand Island, NY 14072

P: 716-773-2985

F: 716-773-2786

E: sales@dylixcorp.com

W: dylixcorp.com

Dynamic Fluid Components, Inc.

2810 Blue Ridge Blvd.

P.O. Box 100 West Union, SC 29696

P: 864-638-5544

F: 864-638-0005

E: vj@dynamicfc.com

W: dynamicfc.com

DynaQuip Controls 10 Harris Industrial Park St. Clair, MO 63077

P: 800-545-3636

F: 636-629-5528

E: eric@dynaquip.com

W: dynaquip.com

Dynatect Manufacturing, Inc.

2300 S Calhoun Rd New Berlin, WI 53151

P: 262-786-1500

F: 262-786-3280

E: sales@dynatect.com

W: dynatect.com

Dynex/Rivett Inc.

770 Capitol Dr. Pewaukee, WI 53072

P: 262-691-0300

F: 262-691-0312

E: sales@dynexhydraulics.com

W: dynexhydraulics.com

Eagle Hydraulic

12055 Rue Arthur Sicard Mirabel, Quebec J7J0E9 Canada

P: 1-450-433-2800

F: 1-450-433-3004

E: sales@eagle-hydraulic.com

W: eagle-hydraulic.com

EAO Corporation

One Parrott Drive Shelton, CT 06484

P: 203-951-4600

F: 203-951-4601

E: sales.eus@eao.com

W: eao.com

Eaton Fluid Power Training 15151 Highway 5, Bldg. 2

Eden Prairie, MN 55344

P: 952-294-2017

F: 952-294-2080

E: hydraulicstraining@eaton.com

W: eatonhydraulics.com/training

Eaton – Hydraulics Business

14615 Lone Oak Road

Eden Prairie, MN 55344

P: 952-937-9800

F: 952-937-7105

E: eatonhydpmcmarketing@eaton.com

W: eaton.com/hydraulics

Eaton’s Filtration Division 44 Apple Street Tinton Falls, NJ 07724

P: 800-859-9212

E: filtration@eaton.com

W: eaton.com/filtration

Echo Engineering and Production

Supplies, Inc.

5406 W. 78th Street

Indianapolis, IN 46220

P: 888-324-6365

F: 317-875-0035

E: info@echosupply.com

W: echosupply.com

eCycle, Incorporated 4700 North 5th Street

Temple, PA 19522

P: 610-939-0480

F: 610-939-0474

E: msharer@ecycle.com W: ecycle.com

Eldon James Corp. 626 W. 66th St. Loveland, CO 80538

P: 970-667-2728

F: 970-667-3204

E: bill@eldonjames.com

W: eldonjames.com

Elect Air 11897 Cabernet Dr., Suite C Fontana, CA 92337

P: 951-685-1675

F: 951-361-4271

E: Rstrasbaugh@electair.com

W: electair.com

Electric Solenoid Valves 85 B Hoffman Lane Islandia, NY 11749

P: 800-983-8230

E: sales@electricsolenoidvalves.com

W: electricsolenoidvalves.com

Electroswitch 180 King Ave. Weymouth, MA 02188

P: 781-335-5200

F: 781-335-5200

E: info@electroswitch.com

W: electroswitch.com

Elesa 1930 Case Parkway North Twinsburg, OH 44087

P: 330-405-1300

F: 330-405-1310

E: aivakovic@elesausa.com

W: elesa.com

Elite Manifolds 1640 New Market Ave. South Plainfield, NJ 07080

P: 732-595-7410

F: 732-424-1262

E: eng@elitemanifolds.com

W: elitemanifolds.com

Embassy Global LLC PO Box 924

Hamburg, NY 14075

P: 1-716-646-0924

E: inquiries@embassyglobalpr. com

W: embassyglobalpr.com

Emerson Automation Solutions PO Box 13597 1953 Mercer Road Lexington, KY 40512

P: 859-254-8031

E: us.aventics@emerson.com

W: aventics.com/us

Emerson Automation Solutions |

Emerson Electric Co. 8000 West Florissant Avenue P.O. Box 4100

St. Louis, MO 63136

P: 1-314-553-2000

E: info-valve@asco.com

W: emerson.com/automation

Emerson Process Management

Valve Automation Div. P.O. Box 508 Waller, TX 77484

P: 281-727-5300

F: 281-727-5303

E: dan.wisenbaker@ emersonprocess.com

W: emersonprocess/ valveautomation.com

Emerson Process Management

TopWorks

3300 Fern Valley Road Louisville, KY 40213

P: 502-969-8000

F: 502-969-5911

E: sheri.collins@emerson.com

W: info@topworx.com

EMMEGI Heat Exchangers, Inc.

3606 East Southern Avenue #2 Phoenix, AZ 85040

P: 602-438-7101

F: 602-438-7127

E: Mel@Emmegiinc.com

W: Emmegiinc.com

Endress & Hauser, Inc. 2350 Endress Pl. Greenwood, IN 46143

P: 888-363-7377

F: 317-535-8498

E: inquiry@us.endress.com

W: us.endress.com

Energy Manufacturing Co., Inc. 204 Plastic Lane Monticello, IA 52310-9472

P: 319-465-3537

F: 319-465-5279

E: info@energymfg.com

W: energymfg.com

EnerSys

2366 Bernville Rd., PO Box 14145 Reading, PA 19612

P: 610-208-1837

F: 610-372-8613

E: dana.kowalski@enersys.com W: enersys.com

Enertrols

23435 Industrial Park Dr. Farmington Hills, MI 48335

P: 734-595-4500

F: 734-595-6410

E: customerservice@enertrols.com

W: enertrols.com

Enfield Technologies

50 Waterview Drive Shelton, CT 06484

P: 203-375-3100

E: ghaithwaite@enfieldtech.com

W: enfieldtech.com

Engineered Inserts and Systems, Inc.

25 Callender Rd. Watertown, CT 06795

P: 203-301-3334

F: 203-301-3335

E: sales@eisinserts.com

W: eisinserts.com

Engineered Sales 18 Progress Pkwy. Maryland Hts., MO 63043

P: 314-878-4500

F: 314-878-7022

E: bkroupa@engineeredsales.com W: engineeredsales.com

Engineered Specialty Products, Inc. 3295 Cobb International Blvd. Kennesaw, GA 30152

P: 800-367-1377

F: 770-429-0795

E: sales@espgauges.com W: espgauges.com

Engineering Technology Services 3861 Delp Street Memphis, TN 38118

P: 901-369-5404

F: 901-362-8901

E: pdearmond@etshydro.com W: etshydro.com

Enidine Inc.

7 Centre Drive Orchard Park, NY 14051

P: 716-662-1900

F: 716-662-1909

E: marketing@enidine.com

W: enidine.com

Entwistle Co.

6 Bigelow St. Hudson, MA 01749-2697

P: 508-481-4000

F: 508-481-4004

E: jkendall@entwistle.com W: entwistle.com

Protecting your entire hydraulic hose assembly with Essentraʼs complete line of protection products.

Samples and CAD Drawings www.essentracomponents.com

Stockbridge, GA 30281

P: 800-659-5050

F: 888-353-7325

E: seals@epm.com

W: epm.com

Eskridge 1900 Kansas City Rd. Olathe, KS 66061

P: 913-782-1238

F: 913-782-4206

E: sales@eskridgeinc.com

W: eskridgeinc.com

Essentra Components 3123 Station Road Erie, PA 16510

P: 800-847-0486

F: 866-561-6617

E: sales@essentracomponents.com

W: essentracomponents.com

ETI

1246 N Denver Avenue Loveland, CO 80537

P: 800-371-9491

E: fluidpower@etiglobal.com

W: ww.etiglobal.com

Evco Sealing Systems 2165 Sunnydale Blvd. Ste. B Clearwater, FL 33765

P: 727-442-1778

F: 727-442-2247

E: sales@evcoss.com

W: evco.fr

Evolutionary Concepts,Inc.

600-B W. Terrace Dr. San Dimas, CA 91773

P: 909-305-2363

F: 909-305-2373

E: jborger@ecivalves.com

W: ecivalves.com

Evonik Oil Additives 723 Electronic Drive Horsham, PA 19044-4050

P: 215-706-5800

F: 215-706-5801

E: oil-additives@evonik.com W: evonik.com/oil-additives

Exair Corporation 11510 Goldcoast Drive Cincinnati, OH 45249-1621

P: 513-671-3322

F: 513-671-3363

E: techelp@exair.com W: exair.com

Exergy, LLC 320 Endo Blvd. Garden City, NY 11530 P: 516-832-9300 F: 516-832-9304 E: info@exergyllc.com W: Exergyllc.com

Exotic Automation + Supply 34700 Grand River Ave. Farmington Hills, MI 48335 P: 248-477-2122 F: 248-477-0427

E: sales@erpc.com W: exoticautomation.com

ExpresSeal 204 Cemetery Road Lancaster, NY 14086

P: 800-446-4773

F: 716-684-1678

E: exsales@expresseal.com W: expresseal.com

Exxon Mobil L & S 3225 Gallows Rd. Fairfax, VA 22037

P: 703-846-6825

F: 706-846-3041 W: exxon.com

F

Fabco-Air, Inc 3716 NE 49th Ave. Gainesville, FL 32609

P: 352-373-3578

F: 352-375-8024

E: joey_burch@fabco-air.com W: fabco-air.com

Fabco Power Generators PO Box 582 Chester, NY 10918

P: 845-469-9151

F: 845-469-7871

E: mail@fabcopower.com W: fabcopower.com

WWW.IFPS.ORG | WWW.FL u IDPOW e RJO u R n AL.COM CELEBRATING 30 YEARS June 2024 | 39 MANUFACTURERS 2024 DIRECTORY
E

Fairchild Industrial Products Company

3920 Westpoint Blvd.

Winston Salem, NC 27103

P: 800-334-8422

F: 336-659-9323

E: cs@fairchildproducts.com

W: fairchildproducts.com

Fairchild Semiconductor

7701 Las Colinas Ridge, Suite 400

Irving, TX 75063

P: 888-522-5372

F: 972-910-8036

W: fairchildsemi.com

Fairfield Manufacturing Co., Inc.

U.S.52 S. P.O.Box 7940

Lafayette, IN 47905

P: 765-772-4000

F: 765-772-4001

E: sales@fairfieldmfg.com

W: fairfieldmfg.com

Fairview Fittings & Manufacturing Inc.

3777 Commerce Court

Wheatfield, NY 14120

P: 716-614-0320

F: 716-614-0329

E: gordyshanor@buffalo. fairviewfittings.com

W: fairviewfittings.com

Famic Technologies Inc.

9999 Cavendish Blvd. Suite #350

St. Laurent, Quebec H4M 2X5

CANADA

P: 514-748-8050 x 307

F: 514-748-7169

E: sales@famictech.com

W: automationstudio.com

FAS now IMI Precision Engineering

5400 S. Delaware Street Littleton, CO 80120

P: 800-710-7823

Faster Inc.

6560 Weatherfield Court Maumee, OH 43537

P: 419-868-8197

F: 888-316-2695

FasTest Inc.

1646 Terrace Drive Roseville, MI 55113

P: 651-645-6266

F: 651-645-7390

E: fastsales@fastestinc.com

W: fastestinc.com

Feroy Company, Inc.

3220 B St. SE Auburn, WA 98002

P: 253-939-1363

F: 253-939-0810

E: glenn@feroy.com

W: feroy.com

Ferry Inc.

3179 Walden Ave. Depew, NY 14043

P: 716-684-1703

F: 716-684-1706

E: sales@Ferryinc.com

W: Ferryinc.com

Festo Corporation

1377 Motor Pkwy. Ste. 310 Islandia, NY 11749

P: 1-800-993-3786

F: 1-800-963-3786

E: customer.service.us@festo.com W: festo.com

FHI-Steffen, Inc.

623 W. 7th Street

Sioux City, IA 51103

Toll Free: 800-783-3832

F: 800-329-3522

E: DaveH@Fhi-steffen.com

Filtration Products Corp.

18151 Territorial Rd.

Dayton, MN 55369

P: 763-428-6415

F: 763-428-8659

E: sales@filtrationproducts.com W: filtrationproducts.com

Firestone Industrial Products 12650 Hamilton Crossing Blvd. Carmel, IN 46032

P: 317-818-8613

F: 317-818-8645

E: support@firestoneindustrial.com

W: firestoneindustrial.com

Fisher Electric Technology 2801 72nd Street North St. Petersburg, FL 33710

P: 727-345-9122

F: 727-345-2904

E: sales@fisherelectric.com

W: fisherelectric.com

Fitzsimmons Hydraulics, Inc. 4400 Shisler Road Clarence, NY 14031

P: 716-759-8389

F: 716-759-8426

E: info@fitzsimmonshydraulics.com

W: fitzsimmonshydraulics.com

FlangeLock, LLC 57 Old Post Road #2 Greenwich, CT 06830

P: 203-861-9400

F: 203-622-1238

E: sales@flangelock.com W: flangelock.com

Flanges LLC 3181 Tri Park Grand Blanc, MI 48439

P: 810-953-1380

F: 810-953-1385

E: info@flanges.com

Flaretite, Inc. 4036 Shadow Oak Fenton, MI 48430

P: 810-750-4140

E: sales@flaretite.com W: flaretite.com

Flexicraft Industries 2315 W. Hubbard St. Chicago, IL 60612

P: 312-738-3588

F: 312-421-6327

E: sales@flexicraft.com W: flexicraft.com

Flextral 2937 East Broadway Rd., Ste. 400 Phoenix, AZ 85040

P: 602-263-8000

F: 602-263-8989

W: flextral.com

Flint Hydraulics, Inc.

4099 B.F. Goodrich Blvd. Memphis, TN 38118

P: 901-794-4884

F: 901-794-1618

E: sales@flinthyd.com W: flinthyd.com

Flint Hydrostatics, Inc. 4084 E. Shelby Drive Memphis, TN 38118

P: 800-238-0155

E: sales@flinthydrostatics.com W: flinthydrostatics.com

Flo Cat (a division of TTI) PO Box 1073 Williston, VT 05495

P: 802-863-0085 F: 802-863-1193

E: sales@flocat.com W: ww.flocat.com

Flodar Fittings Div.of Lube Devices, Inc. P.O. Box 1810 Manitowoc, WI 54221

P: 920-682-6877

F: 920-684-7210

E: sales@flodar.com W: flodar.com

Flodraulic 3539 North 700 West Greenfield, IN 46140

P: 800-545-5414

F: 317-890-3701

E: info@flodraulicgroup.com W: flodraulic.com

Flodraulic Group, The 45 Sinclair Ave. Georgetown, Ontario L7G 4X4

Canada

P: 905-702-9456

F: 905-702-9457

E: flodraulic@flodraulic.com W: flodraulic.com

Flodyne Controls, Inc.

48 Commerce Dr. Murray Hill, NJ 07974

P: 908-464-6200

F: 908-464-1553

E: sales@flodynecontrols.com W: flodynecontrols.com

Flo-Tork, Inc.

1701 N. Main St, PO Box 68 Orrville, OH 44667-0068

P: 333-682-0010

F: 330-683-6857

E: executive@flo-tork.com W: flo-tork.com

Flow Ezy Filters, Inc.

P.O. Box 1749

Ann Arbor, MI 48106

P: 800-237-1165

F: 800-252-1730

E: flowezy@flowezyfilters.com W: flowezyfilters.com

Flow Technology

8930 S. Beck Ave., Ste. 107 Tempe, AZ 85284

P: 480-240-3400

F: 480-240-3401

E: ftimarket@ftimeters.com

W: ftimeters.com

Flowmetrics Inc.

9201 Independence Ave. Chatsworth, CA 91311

P: 818-407-3420

F: 818-700-1961

E: sales@flowmetrics.com W: flowmetrics.com

Flow-Tek, Inc.

A Subsidiary of BRAY Intl., Inc. 8323 N. Eldridge Pkwy. #100 Houston, TX 77041

P: 832-912-2300

F: 832-912-2301

E: steve.johnston@flow-tek.com

W: flow-tek.com

Fluent Inc.

10 Cavendish Court Lebanon, NH 03766

P: 603-643-2600

F: 603-643-3967

E: sales@fluent.com W: fluent.com

Fluid Components Int’l (FCI) 1755 LaCosta Meadows Dr. San Marcos, CA 92069

P: 800-854-1993

F: 760-736-6250 W: fluidcomponents.com

Fluid Design Products, Inc. 3516 East Main Spokane, WA 99202

P: 509-533-0479

F: 509-534-2998

E: sales@fluiddesignproducts.com W: fluiddesignproducts.com

Fluid Energy Controls, Inc. 201 Gemini Ave Brea, CA 92821

P: 323-642-6456

F: 408-618-5193

E: sales@fecintl.com W: fecintl.com

Fluid Gear Products, Inc. 115 Market St. Marcus Hook, PA 19061

P: 610-200-6045

E: sales@fluidgearproducts.com W: fluidgearproducts.com

Fluid Line Products, Inc.

P.O. Box 1000 Willoughby, OH 44096

P: 440-946-9470 F: 440-946-9472 E: flp@fluidline.com W: fluidline.com

Fluid Motion Sales, Inc. 11220 Grader St., Ste. 700 Dallas, TX 75238

P: 972-437-1333 F: 972-437-6288

E: sales@fluidmotionsales.com W: fluidmotionsales.com

Fluid Power Associates, Inc. 50 Aberdeen Rd. York, PA 17406

P: 717-840-7814

F: 717-840-7396

E: admin@fluidpowerassociates.com W: fluidpowerassociates.com

Fluid Power Connections P.O. Box 475 Englishtown, NJ -7726

P: 732-792-0411

E: craig@usa-4u.com W: fluidpowerconnections.com

Fluid Power, Inc. 534 Township Line Road Blue Bell, PA 19422 P: 215-643-0350 F: 215-643-4017 E: sales@fluidpowerinc.com W: fluidpowerinc.com

Fluid Power Products 302 Turnpike Rd. Southborough, MA 01772 P: 508-481-8881 F: 508-485-4346 E: info@fppinc.com W: fppinc.com

Fluid Power Sealing P.O. Box 117 Mars, PA 16046 P: 724-625-3577 F: 724-625-4004

E: fpseal@connecttime.net

Fluid Power Training Institute PO Box 711201 Salt Lake City, UT 84171 P: 801-908-5456

Fluid Press/ALA Industries LTD (North America Distributor) 3410 Delta Drive Portage, IN 46368 P: 877-419-8536 F: 219-477-4194 E: info@alaindustrieslimited.com W: eng.fluidpress.it

Fluid Protection Corp. 930 Whitmore Dr. Rockwall, TX 75087 P: 972-722-1415 F: 972-722-3253 E: sales@airsentry.net W: airsentry.net

Fluid Systems Partners US, Inc. P.O. Box 28 Bowling Green, OH 43402 P: 419-353-6070 F: 419-354-3496

E: teamfsp@fsp-us.com W: yourfsp.com

FluidTech, LLC 10940 Eicher Drive Lenexa, KS 66219 P: 913-492-3300 F: 913-894-4218 E: sales@fluidtech.net W: fluidtech.net

Fluid Technologies, Inc. 1016 E. Airport Rd. Stillwater, OK 74075 P: 405-624-0400 F: 405-624-0401 E: info@fluidtechnologies.com W: fluidtechnologies.com

Fluid Transfer Div. of Lee Industries, Inc.

P.O.Box 471

Philipsburg, PA 16866

P: 814-342-0902

F: 814-342-5660

E: sales@leeind.com W: leeind.com

Fluidtechnik USA, Inc. PO Box 715

Uwchland, PA 19480 P: 610-321-2407 F: 610-321-2409

E: sales@fluidtechnikusa.com W: fluidtechnikusa.com

FluiDyne Fluid Power 31915 Groesbeck Hwy. Fraser, MI 48026 P: 586-296-7200 F: 586-296-7210

E: sales@fluidynefp.com W: fluidynefp.com

FORCE America 501 East Cliff Road Burnsville, MN 55337 P: 952-707-1300 W: forceamerica.com

Foster Manufacturing Co., Inc. 2324 W. Battlefield Rd. Springfield, MD 65807 P: 866-918-3003 F: 417-881-3645

E: sales@couplers.com W: couplers.com

Franklin Electric 9255 Coverdale Road Fort Wayne, IN 46809 P: 1-209-824-2900

E: melissa.Wright@fele.com W: franklin-electric.com/

Franklin Electrofluid Co., Inc. 3854 Watman Ave. Memphis, TN 38118

P: 800-238-7500

F: 901-362-0343

E: rdfranklin@frankelectro.com W: frankelectro.com

Freedom Industrial Hydraulics 226 N.W. Platte Valley Dr. Riverside, MO 64150

P: 816-541-3243

F: 816-541-3246

E: sales@freedomhydraulics.com W: freedomhydraulics.com

Freelin-Wade 1730 N.E. Miller St. McMinnville, OR 97128

P: 888-373-9233

E: sales@freelin-wade.com W: freelin-wade.com

Freudenberg-NOK (Sealing Technologies Simrit) 2250 Point Blvd., Suite 230 Elgin, IL 60123

P: 866-274-6748

E: information@simrit.us W: simritna.com

FTI Flow Technology, LLC

8930 S. Beck Ave, Ste 107 Tempe, AZ 85284

P: 480-240-3400

F: 480-240-3401

E: ftimarket@ftimeters.com W: ftimeters.com

FUTEK Advanced Sensor Technology, Inc. 10 Thomas Irvine, CA 92618

P: 949-465-0900

F: 949-465-0905

E: futek@futek.com W: futek.com

Fybroc Division Met-Pro Corp. 700 Emlen Way Phoneford, PA 18969

P: 215-723-8155

F: 215-723-2197

E: sales@fybroc.com W: fybroc.com

40 | June 2024 CELEBRATING 30 YEARS WWW.FL u IDPOW e RJO u R n AL.COM | WWW.IFPS.ORG MANUFACTURERS 2024 DIRECTORY

Galtech Canada Inc

3140-102 Joseph Monier

Terrebonne QC J6X 4R1

CANADA

P: 450-477-1076

F: 450-477-8784

E: MMalo@GaltechCanada.com

W: galtechcanada.com

Gardner Denver 1800 Gardner Expressway Quincy, IL 62301

P: 800-682-9868

F: 217-228-8243

E: respond@gardnerdenver.com

W: gardnerdenver.com

Garlock Sealing Technologies

1666 Division St. Palmyra, NY 14522

P: 315-597-4811

F: 315-597-3039

E: gst.info@garlock.com

W: garlock.com

Garrison Manufacturing, Inc.

3320 South Yale St. Santa Ana, CA 92704

P: 800-203-1894

F: 714-557-5414

E: info@garrisonmfg.com

W: garrisonmfg.com

Gast Mfg. Inc.

P.O. Box 97 Brenton Harbor, MI 49022

P: 616-926-6171

F: 616-925-8288

W: gastmfg.com

Gates 1144 15th St. Suite 1400 Denver, CO 80202

P: 303-744-4533

E: namarketing@gates.com

W: gates.com

Gates Corporation 1551 Wewatta Street Denver, CO 80202

P: 800-366-3128

F: 303-744-4499

E: custserv@gates.com

W: gates.com

Gator Hose

12327 E. 1st. St. Tulsa, OK 74128

P: 918-794-2550

F: 918-794-2560

E: info@gatorhose.com

W: gatorhose.com

Gear Products Inc.

1111 N.161st East Ave. Tulsa, OK 74116

P: 918-234-3044

F: 918-234-3455

E: info@gearproducts.com

W: gearproducts.com

Geartek

1506 S. Fulton Drive Corinth, MS 38834

P: 662-286-2252

F: 662-287-6580

E: haisales@geartek.com

W: geartek.com

Gefran Inc.

400 Willow Street North Andover, MA 01845

P: 888-888-4474

F: 781-729-1468

E: sales.us@gefran.com

W: gefran.com

Gemels North America Inc.

35 Watterson St. Dayton, OH 45417

E: northamerica@gemels.com

W: gemels.com

Gems Sensors Inc.

One Cowles Road Plainville, CT 06062

P: 800-747-3000

F: 860-793-4520

E: bneale-siemon@gemssensors.com W: gemssensors.com

Gemu Valves

3800 Camp Creek Pkwy

Bldg 2600 Ste 120 Atlanta, Ga 30331

P: 678-553-3400

F: 404-344-9350

E: info@gemu.com W: gemu.com

General Devices Co., Inc. 1410 S. Post Rd. Indianapolis, IN 46239

P: 317-897-7000

F: 317-898-2971

E: sales@generaldevices.com W: generaldevices.com

Gezon Industrial Surplus 3 Coldbrook N.W. Grand Rapids, MI 49503

P: 616-454-7600

F: 616-454-7007

Global Hydraulic Solutions, Inc. 10 Chatham Court Matawan, NJ 07747

P: 732-616-8344

F: 732-566-9554

E: sandy@glohydsol.com info@universalflexibles.com W: universalflexibles.com

Global Servo Hydraulics, Inc. 609 Corry A Edwards Drive Kennedale, TX 76060

P: 800-673-4745

F: 817-478-4958 E: servovalve@yahoo.com W: globalservo.com

Goodway Technologies Corp. 420 West Ave. Stamford, CT 06902

P: 203-359-4708

F: 203-359-9601

E: goodway@goodway.com W: goodway.com

Goodyear Tire and Rubber Company 1144 East Market Street Akron, OH 44316

P: 1-800-468-4046

F: 1-800-762-4017

E: hydraulics@goodyear.com

W: hydraulics.goodyear.com

GPM Controls 1607 Industrial Dr. Carlisle, PA 17013

P: 717-218-6565

E: info@gpmcontrols.com W: gpmcontrols.com

Granzow Inc.

2300 Crownpoint Exec. Dr. Charlotte, NC 28227

P: 704-845-2300

F: 704-845-2301

E: sales@granzow.com

W: granzow.com

Graphite Metallizing Corp. 1050 Nepperhan Ave. Yonkers, NY 10703

P: 914-968-8400

F: 914-968-8468

E: sales@graphalloy.com W: graphalloy.com

Greenco Corp. 5688 West Crenshaw St. Tampa, FL 33634

P: 813-882-4400

F: 813-888-6688

E: sales@greencocylinders.com W: greencocylinders.com

Greene, Tweed 1910 Rankin Rd. Houston, TX 77073

P: 1-800-820-9005

F: 281-821-2696

E: sales-pp-us@gtweed.com W: gtweed.com

GRH/ALA Industries 3410 Delta Drive Portage, IN 46368

P: 877-419-8536

F: 219-477-4194

E: info@alaindustrieslimited.com

W: alaindustrieslimited.com

Griffco Valve Inc.

188 Creekside Drive

Amherst, NY 14228

P: 800-474-3326

E: sales@griffcovalve.com

W: griffcovalve.com

Grindex Pumps

18524 81st Ave. Tinley Park, IL 60487

P: 708-532-9988

F: 708-532-8767

E: info.us@grindex.com

W: grindex.com/us

Gripnail 97 Dexter Road East Providence, RI 02914

P: 800-474-7624

F: 401-438-8520

E: lterlizzi@gripnail.com

W: gripnail.com

GS Global Resources, Inc. 926 Perkins Dr. Mukwonago, WI 53149

P: 262-378-5200

F: 262-378-5400

E: sales@gsgr.com

W: gsglobalresources.com

Guardian Industries

300 Indiana Hwy. 212 Michigan City, IN 46360

P: 219-874-5248

F: 219-879-6643

E: sales@guardiancouplings.com

W: guardiancouplings.com

GW Lisk 2 South St. Clifton Springs, NY 14432

P: 315-462-0152

E: sales@gwlisk.com

W: gwlisk.com

H C & S C Inc.

PO Box 1778 Lawrenceville, GA 30046

P: 770-728-8518

F: 678-752-4243

E: PaPhoneMB@HCSCparts.com

W: hcscparts.com

Hach Company PO Box 389 Loveland, CO 80539

P: 970-663-1377

F: 970-962-6710

E: sstephens@hach.com

W: hach.com

Hadady Machining Company 16730 Chicago Ave. Lansing, IL 60438

P: 708-474-0876

F: 708-474-0883

E: info@hadadyinc.com

Hagglunds Drives Inc. 2275 International St. Columbus, OH 43228

P: 614-527-7400

F: 614-527-7401

E: info@us.hagglunds.com W: hagglunds.com

Hampton Controls P.O Box 187 Wendel, PA 15691

P: 724-861-0150

F: 724-861-0160

E: sales@hamptoncontrols.com W: hamptoncontrols.com

Hannay Reels Inc.

553 State Route 143 Westerlo, NY 12193

P: 518-797-3791

F: 800-733-5464

E: reels@hannay.com

W: hannay.com

Hannon Hydraulics

625 N. Loop 12 Irving, TX 75061

P: 800-333-4266

F: 972-554-4047

E: info@hannonhydraulics.com W: hannonhydraulics.com

Harmonic Drive Technologies

247 Lynnfield St. Peabody, MA 01960

P: 978-532-1800

F: 978-532-9406 W: harmonicdrive.com

Harmsco Filtration Products 7169 49th Terrace N. Riviera Beach, FL 33407

P: 800-327-3248

F: 561-845-2474

E: sales@harmsco.com W: harmsco.com

Harrison Hose & Tubing, Inc. P.O. Box 9386 Trenton, NJ 08650

P: 866-333-3350

F: 609-631-8796

E: sales@harrisonhose.com W: harrisonhose.com

Harrison Hydra-Gen 14233 West Rd. Houston, TX 77041

P: 800-723-3334

F: 281-807-4815

E: sales@harrisonhydragen.org

W: harrisonhydragen.com

Hartfiel Automation 6533 Flying Cloud Dr., Ste. 100 Eden Prairie, MN 55344

P: 800-331-7301

W: hartfiel.com

Hartford Technologies, Inc. 1022 Elm Street Rocky Hill, CT 06067

P: 860-571-3602

F: 860-571-3604

E: info@htco.com

W: hartfordtechnologies.com

Hartmann Controls, Inc 604 Progress Drive Hartland, WI 53029

P: 262-367-4299

F: 262-367-5645

E: sales@hartmanncontrols.com W: hartmanncontrols.com

Harvard Corporation 505 Union St. Evansville, WI 53536

P: 608-882-6330

W: harvardcorp.com

Harwil Corporation 221 Lombard St. Oxnard, CA 93030

P: 805-988-6800

F: 805-988-6804

E: harwil@harwil.com

W: harwil.com

Haskel International, Inc. 100 E. Graham Place Burbank, CA 91502-2027

P: 818-843-4000

F: 818-841-4291

E: sales@haskel.com W: haskel.com

Hauhinco 1325 Evans City Rd. Evans City, PA 16033

P: 724-789-7056

F: 724-789-7056

E: khuffman@hauhinco.com W: hauhinco.com

HAWE Hydraulik 13020 Jamesburg Drive, Suite A Huntersville, NC 28078

P: 704-509-1599

F: 704-509-6302

E: info@HAWEusa.com W: HAWE.com

Haydon Kerk Motion Solutions, Inc. 1500 Meriden Road Waterbury, CT 06705

P: 203-756-7441

F: 203-756-8724

E: info.haydonkerk@ametek.com W: haydonkerk.com

HBC-radiomatic, Inc. 1017 Petersburg Road Hebron, KY 41048 P: 800-410-4562 F: 866-266-7227 E: sales@hbc-usa.com W: hbc-usa.com

HBControls, Inc. 221 Weaver St. Fall River, MA 02720 P: 800-879-7918 F: 508-675-7346

E: hbc@hbcontrols.com W: hbcontrols.com

Heavy Motions Inc 2134 S Green Privado Ontario, CA 91761 P: 866-865-8889 F: 909-498-0468 E: info@heavymotions.com W: heavymotions.com

Heco Gear, Inc. PO Box 1388 West Sacramento, CA 95691 P: 916-372-5411 F: 916-373-0952 E: orders@hecogear.com W: hecogear.com

HED 2120 Constitution Ave Hartford, WI 53027 P: 262-673-9450 F: 262-673-9455

E: Sales@HEDcontrols.com W: HEDcontrols.com/FP23

Hedland Flow Meters 8635 Washington Ave. Racine, WI 53406 P: 262-639-6770 Toll Free: 800-433-5263 F: 262-639-2267 E: hedlandsales@racinefed.com W: hedland.com

Heinrichs USA LLC 1020 Arbor Tech Dr., Suite J Hebron, KY 41048 P: 859-371-4999 F: 859-371-4899 E: mail@heinrichs-usa.com W: heinrichs-usa.com

Helac Corporation 225 Battersby Ave. Enumclaw, WA 98022 P: 360-825-1601 F: 360-825-1603 E: actuators@helac.com W: helac.com

Helicoid Instruments Div. of Bristol Babcock 1100 Buckingham St. Watertown, CT 08795 P: 860-945-2219 F: 860-945-2278 E: ksaunders@bristolbabcock.com W: bristolbabcock.com

Helium Leak Testing, Inc. 19348 Londelius Street Northridge, CA 91324 Toll-free P: 1-800-423-1701 P: 818-349-5690 F: 818-717-8584 E: info@heliumleaktesting.com W: heliumleaktesting.com

Henderson Engineering 95 N. Main Sandwich, IL 60548 P: 815-786-9471 F: 815-786-6117 E: saharachip@aol.com W: saharahenderson.com

HENEK Manufacturing Inc. 9700 Almeda Genoa Rd. Bldg. 601 Houston, TX 77075 P: 713-943-7543 F: 713-943-3213 E: tkamke@henekMFG.com W: henekMFG.com

WWW.IFPS.ORG | WWW.FL u IDPOW e RJO u R n AL.COM CELEBRATING 30 YEARS June 2024 | 41 MANUFACTURERS 2024 DIRECTORY G
H

HMF Innovations, Inc.

2214 Franklin St. Manitowoc, WI 54220

P: 920-684-7165

F: 920-684-6004

E: jherrmann@hmf.com

W: hmf.com

Hobbs Corporation 1034 E. Ash St. Springfield, IL 62703

P: 217-753-7790

F: 217-753-7789

W: hobbs-corp.com

HOERBIGER

Automatisierungstechnik Holding GmbH

Südliche Römerstraße15 Altenstadt, Bavaria, Germany 86972

P: 334-498-1182

E: carter.land@hoerbiger.com

W: hoerbiger.com

HOLMBURY

Connect with quality - Connect with Holmbury

SO, YOU PURCHASED YOUR LAST HYDRAULIC CYLINDER BASED ON PRICE?

Do you know what your real costs are? Failure + Downtime +Repair = $$$ far more than you signed up for.

Ask about our lifetime warrantyHunger Hydraulics USA. #HOWBIGDOYOUWANTIT

Hengli America

580 W. Crossroads Parkway

Bolingbrook, IL 60440

P: 630-995-3674

E: sales@hengliamerica.com

W: HengliAmerica.com

Hercules Sealing Products

1016 North Belcher Rd. Clearwater, FL 33765

P: 727-796-1300

F: 727-797-8849

E: sales@herculesUS.com

W: herculesUS.com

Herion now IMI Precision Engineering

5400 S. Delaware Street Littleton, CO 80120

P: 800-710-7823

Hexion Inc.

180 East Broad Street Columbus, OH 43215

P: 888-443-9466

F: 877-443-9466

E: service@hexion.com

W: hexion.com

Heypac Inc.

1098 E. Avon Road

Rochester Hills, MI 48307

P: 248-652-3500

F: 248-652-1717

E: answers@heypac.com

W: heypac.com

Hunger Hydraulics

1-800-248-9232

E-mail: info@hunger-hydraulics.com hunger-hydraulics.com

Hiblow USA, Inc. 1300 Tefft Ct., #8 Saline, MI 48176

P: 734-944-5032

F: 734-944-5163

E: info@hiblow-usa.com W: hiblow-usa.com

Hi-Flow Hydraulic Services, LLC 5181 113th Ave. North Pinellas Park, FL 33760

P: 405-245-0147

E: hi-flowhydraulicservices@gmail. com

W: Hi-Flow.us

High Country Tek, Inc. 208 Gold Flat Court Nevada City, CA 95959

P: 530-265-3236

F: 530-265-3275

E: rhulse@hctcontrols.com W: highcountrytek.com

High Pressure Equipment Co. 1222 Linden Ave. Erie, PA 16505

P: 814-838-2028

F: 814-838-6075

E: sales@highpressure.com W: highpressure.com

Hirschmann Automation and Control

1540 Orchard Drive Chambersburg, PA 17257

P: 717-263-7655

F: 717-263-7845

E: hirschmann.mcs@belden.com W: hirschmann-usa.com

Hi-Tech Hose, Inc.

400 E. Main St. Georgetown, MA 01833

P: 978-352-2077

F: 978-352-2487

E: sales@hitechhose.com W: hitechhose.com

HKX Inc. 16761 146th St., Suite 115 Monroe, WA 98272

P: 800-493-5487

F: 800-353-5736

E: sales@hkx.com W: hkx.com

HL Hydraulic, Inc.

P.O. Box 450 Seneca, PA 16346

P: 814-677-4086

F: 814-677-4087

E: kkirk@hlhydraulic.com W: hlhydraulic.com

Hoerbiger Origa 100 West Lake Glendale Heights, IL 60139

P: 630-871-8300

F: 630-871-1515

E: cvolk@hoerbigeroriga.com

W: hoerbigeroriga.com

Hoffer Flow Controls 107 Kitty Hawk Lane Elizabeth City, NC 27909

P: 252-331-1997

F: 252-331-2886

E: info@hofferflow.com

W: hofferflow.com

Holmbury Inc 33801 Curtis Blvd Suite 104 Eastlake, OH 44095

P: 440-578-1070

F: 440-578-1078

E: couplings@holmburyusa.com

W: holmbury.com

Honeywell Sensotec 2080 Arlingate Lane Columbus, OH 43228

P: 800-848-6564

F: 614-850-1111

E: sales@sensotec.com

W: honeywell.com/sensotec

Honor Gear Pumps PO Box 4313 222 S. Navigation Blvd. Corpus Christi, TX 78405

P: 713-984-8144

F: 361-883-3893

E: service@honorpumps.com W: honorpumps.com

Houghton International Inc. Madison + VanBuren Aves. Valley Forge, PA 19482

P: 610-666-4095

F: 610-666-0174

E: Tnoblit@houghtonintl.com W: houghtonintl.com

Houston Hydraulic 3901 Billingsley St. Houston, TX 77009 P: 713-692-4421 F: 713-692-0259

E: trip.spencer@houstonhydraulic. com

W: houstonhydraulic.com

Howell Laboratories, Inc. P.O. Box 389 Bridgton, ME 04009

P: 8207-647-3327

F: 207-647-8273

E: contracts@howelllabs.com

W: howelllabs.com

HPI Cylinders 13766 Milroy Place Santa Fe Springs, CA 90670

P: 562-926-1122

F: 562-926-1155

E: jim@hpicylinders.com W: hpicylinders.com

Huade-USA 1152 Marsh Street, Suite D Valparaiso, IN 46385

P: 219-548-2211

F: 219-477-4194

E: info@huade-usa.com

W: huade-usa.com

Hudson Extrusions, Inc

P.O. Box 255

Hudson, OH 44264

P: 330-650-0524

F: 330-653-6551

E: info@hudsonextrusions.com

W: hudsonextrusions.com

Huey Fluids Inc. 13821 Monroe’s Business Park Tampa, FL 33635

P: 813-854-2153

F: 813-854-2072

E: sales@hueyfluids.com W: hueyfluids.com

Humphrey Automation Inc. 570 Alden Rd., Unit #10 Markham, Ontario L3R 8N5 CANADA

P: 905-479-3633

F: 905-479-3755

E: humphrey@pneumation.ca W: humphreyautomation.ca

Humphrey Products 5070 East N Ave., PO Box 2008 Kalamazoo, MI 49003

P: 269-381-5500 F: 269-381-4113

E: websales@humphrey-products. com W: humphrey-products.com

Hunger Hydraulics, C.C. Ltd 63 Dixie Hwy Rossford, OH 43460

P: 1-800-248-9232 F: 1-419-666-9834

E: k.hunger@hunger-hydraulics.com W: hunger-hydraulics.com

HUSCO International Inc. 2339 Pewaukee Rd. Waukesha, WI 53188

P: 262-513-4200 F: 262-513-4427

E: hussales@huscointl.com W: huscointl.com

Hyco International Inc. 100 Galleria Pkwy, Ste. 1000 Atlanta, GA 30339

P: 800-544-0279 F: 770-980-1936

E: sales@hyco.net W: hyco.net

Hycom Incorporated 374 5th St. N.W. Barberton, OH 44203 P: 330-753-2330 F: 330-753-2336

E: jbilinovich.hycom@yahoo.com W: hycominc.com

HYDAC Technology Corp. 2260 City Line Road Bethlehem, PA 18017 P: 610-266-0100

E: gretchen.walters@hydacusa.com W: hydac-na.com

Hyde Industrial Blade Solutions 54 Eastford Road Southbridge, MA 01550 P: 508-764-4344 F: 508-764-8172

E: sales@hydeblades.com W: hydeblades.com

Hydra Dynamic Systems 1311 NW 65 Place Ft. Lauderdale, FL 33309

P: 954-303-4000 F: 954-975-7893

E: Richard@hydradynamicsystems. com W: hydradynamicsystems.com

HydraCheck 2170 South 3140 West Salt Lake City, UT 84119

P: 801-908-5717 F: 801-908-5734

E: sales@hydracheck.com W: hydracheck.com

42 | June 2024 CELEBRATING 30 YEARS WWW.FL u IDPOW e RJO u R n AL.COM | WWW.IFPS.ORG MANUFACTURERS 2024 DIRECTORY

Hydra-Check

562 E.7200 S. Midvale, UT 84065

P: 800-316-5342

F: 801-256-9989

E: sales@hydracheck.com

W: hydracheck.com

Hydradyne, LLC

15050 FAA Blvd. Fort Worth, TX 76155

P: 817-391-1547

F: 817-391-1589

E: ssmith@rfallc.com

W: hydradynellc.com

Hydraforce, Inc.

500 Barclay Blvd. Lincolnshire, IL 60069

P: 847-793-2300

F: 847-793-0086

E: sales-us@hydraforce.com

W: hydraforce.com

Hydra-Hose & Supply Co.

5017 Cleveland St. Virginia Beach, VA 23462

P: 757-497-8704

F: 747-490-5930

E: info@hydrahose.net

W: hydrahose.net

Hydramation, Inc. 9329 Ravenna Road Twinsburg, OH 44087

P: 330-405-5544

F: 330-405-5552

E: sales@hydramation.com

W: hydramation.com

Hydra-Power Systems Inc.

5445 N.E. 122nd Ave. Portland, OR 97230

P: 503-777-3361

F: 503-775-6447

E: sales@hpsx.com

W: hpsx.com

Hydrasoft Corporation

103 Gentry Creek Lane Georgetown, TX 78633

P: 815-933-8840

E: dlpersson@ hydrasoftcorporation.com

W: hydrasoftcorporation.com

Hydra-Tool 1864 Nagle Avenue Manitowoc, WI 54221

P: 920-682-6877

F: 920-684-7210

W: hydra-tool.com

Hydraulex 48175 Gratiot Ave Chesterfield, MI 48051

P: 586-949-4240

E: sales@hydraulex.com

W: hydraulex.com/

Hydraulex 701 North Levee Road Puyallup, WA 98371

P: 253-604-0400

F: 253-604-0408

E: sales@h-r-d.com

W: h-r-d.com

Hydraulic Components Co., Inc. 13406 SE 32nd St. Bellevue, WA 98005

P: 425-747-0927

F: 425-747-0940

W: hydrauliccomponents.com

Hydraulic Component Services, Inc. 8010 New Jersey Ave. Hammond, IN 46323

P: 219-845-7000

F: 219-845-7031

E: info@hydraulicrepair.com W: hydraulicrepair.com

Hydraulic Management Group, LLC 1910 Buckthorn Ct. Troy, MI 48098

P: 248-804-2350

E: pkguha@hydraulicmanagement. com; pguha@aol.com W: hydraulicmanagement.com

Hydraulic Parts Source 41350 Production Drive

Harrison Twp., MI 48045

P: 586-463-3166

F: 586-463-3398

Toll Free P: 888-477-7278

Toll Free F: 888-477-7279

E: sales@hydparts.com W: hydparts.com

Hydraulic Power Systems, Inc. 1203 Ozark N. Kansas City, MO 64116

P: 816-221-4774

F: 816-221-4591

W: hpsi-worldwide.com

Hydraulic Repair Estimator –Estimator4U.com

585 N. Twin Oaks Valley Rd., Suite C San Marcos, CA 92069

P: 760-744-1005

E: jrupe@Estimator4U.com W: Estimator4U.com

Hydraulic Service & Manufacturing Inc. W165 N5760 Ridgewood Dr. Menomonee Falls, WI 53051

P: 262-703-4476

F: 262-703-4407

E: mruka@hydraulic-cylinder.com W: wwwhydraulic-cylinder.com

Hydraulic Solutions Inc. 216 – 40th St. Moline, IL 61265-1646

P: 309-797-3353

F: 309-797-3476

Hydraulic Specialists, Inc. 12100 N. Santa Fe Oklahoma City, OK 73114

P: 405-752-7980

F: 405-936-3235

E: his@hsi-usa.com W: hsi-usa.com

Hydraulic Specialty Inc. 1131-72nd Ave. NE Fridley, MN 55432

P: 763-571-3072

F: 763-571-2330

E: sales@hydraulicspecialty.com W: hydraulicspecialty.com

Hydraulic Supply Company

300 International Parkway Sunrise, FL 33325

P: 800-507-9651

F: 954-845-9113

E: Sales@Hydraulic-Supply.com W: hydraulic-supply.com

Hydraulic Technologies LLC

850 South Street Galion, OH 44833

P: 419-462-2300

F: 419-462-4333

E: knicley@hydraulictechnologies.com W: hydraulictechnologies.com

Hydraulic Warehouse Inc. 121 9th Street Lewiston, ID 83501

P: 800-452-9440

F: 208-746-5518

E: HWI@cableona.net W: hydwarehouse.com

Hydraulics, Inc. 2935 St. Louis Avenue Fort Worth, TX 76110

P: 817-923-1965

F: 817-927-8002

E: sales@hydraulicsinc.com W: hydraulicsinc.com

Hydraulics International, Inc. 9201 Independence Ave. Chatsworth, CA 91311

P: 818-407-3400

F: 818-407-3428

E: lturner@hiipumps.com W: hiigroup.com

Hydrauliques Continental Inc. 11385 boul. Marc-Aurèle-Fortin Montréal, Québec, H1E 3C6, CANADA

P: 1-800-226-1601

F: 1-866-648-6322

E: info@continentalhydraulics.ca W: continentalhydraulics.ca

Hydra-Zorb Company 1751 Summit Drive. Auburn Hills, MI 48326

P: 248-373-5151

F: 248-373-0711

E: sales@hydra-zorb.com

W: hydra-zorb.com

Hydreco, Inc. 2915 Whitehall Park Dr. Charlotte, NC 28273

P: 704-295-7575

F: 704-295-7574

W: hydreco.com

Hydro Air Dees

1809 Fashion Court, Suite C Joppa, MD 21085

P: 410-679-1666

F: 410-679-1162

E: grogers@hughesind.com W: hydroair.net

Hydro Air Hughes 243 State St. North Haven, CT 06473

P: 203-248-8863

F: 203-248-8867

E: grogers@hydroair.com

W: hydroair.net

Hydro Air Hughes 9685 Main St. Clarence, NY 14031

P: 716-759-8374

F: 716-759-8289

E: grogers@hughesind.com

W: hydroair.net

Hydro/Power LLC. 540 Carson Road North Birmingham, AL 35217

P: 205-520-1220

F: 205-520-1176

E: jerry-mcvay@hydropower1.com

W: hydropower1.com

Hydro-Craft Inc.

1821 Rochester Industrial Dr. Rochester Hills, MI 48309

P: 248-652-8100

F: 248-652-0343

W: hydrocraft.com

Hydromotion, Inc.

85 East Bridge St. Spring City, PA 19475

P: 610-948-4150 F: 610-948-6733

E: cbrennan@hydromotion.com W: hydromotion.com

Hydronic Corporation 32613 Folsom Road Farmington Hills, MI 48336

P: 248-477-2288

F: 248-893-3689

E: sales@hydroniccorp.com W: hydroniccorp.com

Hydrotech, Inc. 10052 Commerce Park Dr. Cincinnati, OH 45246-1338

P: 513-881-7000

F: 513-881-7020

E: info@hydrotech.com W: hydrotech.com

Hyflow Controls Inc 2134 S. Green Privado Ontario, CA 91761

P: 909-628-9866

F: 909-498-0468

E: sales@hyflow-controls.com W: hyflow-controls.com

HyPower Hydraulics 1240 S. First Street Turlock, CA 95380

P: 209-632-2275

F: 209-634-6606

E: toni@hypowerhydraulics.com W: hypowerhydraulics.com

Hydro-Pneumax Components LLP

Unit No. DD – 6 & 7, Khan Real

Industrial Estate, N. H. 08, Pelhar, Vasai Phata, Vasai East, Dist. Palghar - 401208, Maharashtra, INDIA.

P: 91-9833355596

E: info@hydropnemuax.com

W: hydropneumax.com

Hy-Pro Filtration

6810 Layton Road Anderson, IN 46011

P: 317-849-3535

F: 317-849-9201

E: info@hyprofiltration.com

W: hyprofiltration.com

HyVair Corp.

31341 Friendship Dr. Magnolia, TX 77355

P: 281-259-7768

F: 281-259-7249

E: mail@hyvair.com

W: hyvair.com I

IC-Fluid Power, Inc. 63 Dixie Hwy Rossford, OH 43460

P: 419-661-8811

F: 419-661-8844

E: us@icfluid.com

W: icfluid.com

ICONICS

100 Foxborough Blvd. Foxborough, MA 02035

P: 508-543-8600

F: 508-543-1503

E: info@iconics.com

W: iconics.com

Ideal Aerosmith 1510 Gateway Dr. N.E. E. Grand Forks, MN 56721

P: 218-773-2455

F: 218-773-7665

W: ideal-aerosmith.com

IHD, Inc.

6830 Eldridge Parkway, Unit 102 Houston, TX 77041

P: 713-849-2949

F: 713-849-5638

E: info@ihd.com

W: ihd-usa.com

IMI Precision Engineering (Norgren) 5400 S. Delaware Street Littleton, CO 80120

P: 3/794-5000

E: sales.usa@imi-precision.com

W: imi-precision.com

IMO Pump 1710 Airport Rd. P.O. Box 5020 Monroe, NC 28111

P: 704-289-6511

F: 704-289-9273

E: imo-pump@colfaxcorp.com

W: imo-pump.com

IMPCO, Inc. 27 Dexter Road East Providence, RI 02914

P: 401-521-2490

F: 401-521-5690

E: mail@impco-inc.com

W: impco-inc.com

Industrial Hydraulic Services 1027 Industrial Parkway Medina, OH 44256

P: 330-722-2685

F: 330-722-2775

E: sales@ihsmedina.com

W: ihsmedina.com

Industrial Nut Corp. 1425 Tiffin Ave. Huron, OH 44839

P: 419-625-8543

F: 419-625-5517

E: sales@industrialnut.com

W: industrialnut.com

Industrial Servo Hydraulics, Inc. 17650 Malyn Blvd. Fraser, MI 48026

P: 586-296-0960 F: 586-296-0375

E: klamberti@indservo.com W: indservo.com

Industrial Specialties Mfg. 4091 S. Eliot Street Englewood, CO 80110

P: 303-781-8486 F: 303-761-7939 E: sales@industrialspec.com W: industrialspec.com

Industrial Training Zone 333 S. 520 W. Ste. 360 Lindon, UT 84042 P: 888-344-0609 F: 801-847-0130

Innotek Corporation 9140 Zachary Lane North Maple Grove, MN 55369 P: 800-543-8321 F: 763-493-2809 E: lhughes@innotek-ep.com W: innotek-ep.com

Innovative Hydraulic Designs, Inc. 1773 Westborough Drive Katy, TX 77449 P: 713-849-2949 F: 713-849-5638 E: donwest@ihd-usa.com W: ihd-usa.com

Innovative Hydraulics LLC 305 S. 84th Avenue Wausau, WI 54401 P: 715-803-2600

E: sales@innovativehyd.com W: innovativehyd.com

InPhoneliSchematic

900 North 128th West Spanish Fork, UT 84660

P: 877-794-3232 F: 801-794-3234 E: brad@certifiedfluidpower.com W: certifiedfluidpower.com

Inserta Products 538 Township Line Road Blue Bell, PA 19422 P: 215-643-0192 F: 215-643-4017

E: sales@inserta.com W: inserta.com

Integrated Hydraulics, Inc. 7047 Spinach Drive Mentor, OH 44060 P: 440-974-3171 F: 440-974-3170

E: usinfo@inthyd.com W: integratedhydraulics.com

Interchange, LLC 15532-A Montanus Drive Culpeper, VA 22701

P: 540-825-7030 F: 540-825-7037

E: sales@hydraulic.net W: hydraulic.net

Interface Devices, Inc. 230 Depot Road Milford, CT 06460

P: 800-539-0193 F: 203-882-0885

E: info@interfacedevices.com W: interfacedevices.com

Interface Solutions, Inc. 216 Wohlsen Way Lancaster, PA 17603-4043

P: 717-207-6080 F: 717-207-6185

E: vkburriss@sealinfo.com W: sealinfo.com

International Fluid Power of America 43123 Business Park Drive Temecula, CA 92590

P: 951-676-2155 F: 951-676-2154, 2156 E: info@intlfp.com W: intlfpa.com

WWW.IFPS.ORG | WWW.FL u IDPOW e RJO u R n AL.COM CELEBRATING 30 YEARS June 2024 | 43 MANUFACTURERS 2024 DIRECTORY

OilN2 ®

• Inert nitrogen gas blankets oil in reservoir - stops

• Heat pipe & cartridge attracts & captures water in internal air

• Breaths displaced air over & over - stops air ingression

• Stops frequent oil, & oil filter & breather filter/dryer changes

• Save oil - Saves oil filters - Save filter/driers - Save equipment

• Eliminates the main source of the oil contamination problems

JB Radiator Specialties 8401 Specialty Circle Sacramento, CA 95828

P: 916-381-4790 F: 916-381-8943

E: sales@jbradspec.com W: jbradspec.com

JEM Technical Marketing 550 N. Old Crystal Bay Road Orono, MN 55356

P: 952-473-5012

F: 952-473-6930

E: sales@jemtechnical.com W: jemtechnical.com

JH Technology, Inc. 4233 Clark Road, Unit 9 Sarasota, FL 34233

P: 941-927-0300

F: 941-925-8774 E: jhtek@jhtechnology.com W: jhtechnology.com

John Crane Mechanical Seals 6400 W. Oakton St. Morton Grove, IL 60053 P: 847-967-2400 F: 847-967-3915 E: seals@johncrane.com W: johncrane.com

John Deere Cylinder Div. 909 River Drive Moline, IL 61265 P: 309-765-7596 F: 309-765-7379 E: fluckleem@johndeere.com

InterTech Development Co.

7401 N. Cinder

Skokie, IL 60077

P: 847-679-3377

F: 847-679-3391

E: info@intertechdevelopment. com

W: intertechdevelopment.com

Inventive Resources, Inc.

5038 Salida Blvd.

P.O. Box 1316

Salida, CA 95368

P: 209-545-1663

F: 209-545-3533

E: info@OilN2.com

W: OilN2.com

IQ Valves

425 West Drive

Melbourne, FL 32904

P: 321-729-9634

F: 321-768-8732

E: sales@iqvalves.com

W: iqvalves.com

ISOPur Fluid Technologies

183 Providence New London TPR, Suite 103

N. Stonington, CT 06359

P: 860-599-1872

F: 860-599-1874

E: info@isopur.com

W: isopur.com

ITT

8200 N. Austin Ave. Morton Grove, IL 60053

P: 847-966-3700

F: 847-965-8379

E: FHS.Webmaster@ITT.com W: bellgossett.com

ITW Devcon 30 Endicott Street Danvers, MA 01923

P: 800-933-8266 F: 978-774-0516

E: mroinfo@devcon.com W: devcon.com

ITW Vortec 10125 Carver Rd. Cincinnati, OH 45242

P: 800-441-7475

F: 513-891-4092

E: techsupport@vortec.com W: itwvortec.com

iQ Valves

425 West Dr. Melbourne, FL 32904

P: 321-729-9634

E: sales@iqvales.com

W: iqvalves.com

Iwaki America 5 Boynton Rd. Holliston, MA 01746

P: 508-429-1440

F: 508-429-6513

E: JSeng@Iwakiamerica.com W: Iwakiamerica.com

Kawasaki – KPM - USA 3838 Broadmoor Ave. Grand Rapids, MI 49512

P: 616-975-3100

F: 616-975-3103

E: customer@kpm-usa.com W: kpm-usa.com

Kaydon Custom Filtration Corp. 1571 Lukken Industrial Drive West LaGrange, GA 30240

P: 706-884-3041

Toll-free: 800-241-2342

F: 706-883-6199

E: filtration@kaydon.com W: kaydonfiltration.com

Keller America, Inc.

351 Bell King Road

Newport News, VA 23606

P: 757-596-6680

F: 757-596-6659

E: sales@kelleramerica.com W: kelleramerica.com

Kelly Pneumatics, Inc. 1611 Babcock St. Newport Beach, CA 92663

P: 800-704-7552

E: sales@kellypneumatics.com W: kellypneumatics.com

Kent Fluid Power 22030 84th Ave. S. Kent, WA 98032

P: 253-872-0214

F: 253-395-7372

E: nschwehm@applied.com W: kentfluidpower.com

JJ.E. Myles, Inc. 310 Executive Drive Troy, MI 48083-4587

P: 248-583-1020

F: 248-583-6998

E: sales@jem-cp-r.com W: jemyles.com

J.R. Merritt Controls, Inc. 55 Sperry Ave. Stratford, CT 06615

P: 203-381-0100

F: 203-381-0400

E: info@jrmerritt.com W: jrmerritt.com

Janatics USA, Inc. 2654A Lehigh Street Whitehall, PA 18052

P: 610-443-2400

F: 610-530-8439

E: seshb@janaticsusa.com W: janatics.com

JARP Industries 1051 Pine St. Schofield, WI 54476

P: 715-359-4241, Ext. 378

E: kmcclenahan@jarpind.com W: jarpind.com

Jason Industrial 221 South Westgate Drive Carol Stream, IL 60188

P: 630-752-0600

F: 630-752-0662

E: miguel.velazquez@ammega.com W: jasonindustrial.com

John Guest USA, Inc. P.O. Box 625 Pine Brook, NJ 07058 P: 973-808-5600 F: 973-808-5036 E: info@jgusa.com W: johnguest.com

John Henry Foster MN, Inc. 3103 Mike Collins Drive Eagan, MN 55121 P: 651-452-8452 F: 651-681-9368 E: solutions@jhfoster.com W: jhfoster.com

J/T Hydraulics & Service Co., Inc. 1601 W. 25th Street Houston, TX 77008 P: 713-984-9727 W: erik@jthydraulics.com W: jthydraulics.com

Jun-Air USA, Inc. 1350 Abbott Ct. Buffalo Grove, IL 60089 P: 847-215-9444 F: 847-215-9449 W: jun-air.com

JWF Technologies 6820 Fairfield Dr. Fairfield, OH 45014 P: 513-769-9611 F: 513-769-0109 E: info@jwftechnologies.com W: jwftech.com K

K.R. West Company, Inc. 909 Hyland Avenue PO Box 468 Kaukauna, WI 54915

P: 920-766-0113

F: 920-766-0679

E: sales@krwest.com W: krwest.com

Kaeser Compressors, Inc. 511 Sigma Drive Fredericksburg, VA 22408

P: 800-981-6888

F: 540-898-5520

E: info.usa@kaeser.com

W: us.kaeser.com

Kavlico Corporation 14501 Princeton Ave. Moorpark, CA 93021

P: 805-523-2000

F: 805-523-7125

E: sales@kavlico.com W: kavlico.com

Kentak Products Company 1230 Railroad Street East Liverpool, OH 43920

P: 800-831-6790

F: 330-385-5877

E: sales@kentak.com W: kentak.com

Kepner Products Company 995 N. Ellsworth Ave. Villa Park, IL 60181

P: 630-279-1550

F: 630-279-9669

E: kepner@kepner.com W: kepner.com

Key Instruments 250 Andrews Rd. Trevose, PA 19053 P: 215-357-0893

F: 215-357-9239

E: sales@keyinstruments.com W: keyinstruments.com

Keystone Filter Division, Met-Pro Corp. 2385 N. Penn Rd. Hatfield, PA 19440 P: 215-822-1963 F: 215-997-1839

E: filters@keystonefilter.com W: keystonefilter.com

Kim Hotstart Manufacturing 5723 E. Alki Ave. Spokane Valley, WA 99212

P: 509-534-6171

F: 509-534-4216

E: sales@kimhotstart.com W: kimhotstart.com

Kinematics Manufacturing 21410 N. 15th Lane Phoenix, AZ 85027

P: 843-834-7965

E: jcangelosi@kinematicsmfg.com W: kinematicsmfg.com

Kinnear Specialties, Inc. 35863 Industrial Way St. Helens, OR 97051

P: 503-366-2660

E: info@kinnearspecialties.com

W: kinnearspecialties.com

KNF Neuberger Inc. 2 Black Forest Rd. Trenton, NJ 08691-1810

P: 609-890-8600

F: 609-890-8323

W: knf.com

Knotts Company, The 350 Snyder Ave. Berkeley Heights, NJ 07922

P: 908-464-4800

F: 908-464-7747

E: solutions@knottsco.com

W: knottsco.com

44 | June 2024 CELEBRATING 30 YEARS WWW.FL u IDPOW e RJO u R n AL.COM | WWW.IFPS.ORG MANUFACTURERS 2024 DIRECTORY
Made in Germany KRACHT CORP. 6552 Weatherfield Court Maumee, OH 43537 Phone +1 419 874 1000 Fax +1 419 874 1006 Email info@krachtcorp.com ® www.krachtcorp.com Gear Pumps Flow Measurement Hydraulics Valves Inventive Resources, Inc. • (209) 545-1663 • OilN2.com • info@OilN2.com
oxidation
Replaces breather vent cap, filter / dryer. Stops ingression of H2O, O2 & particles.
Patented From the manufacturer of Seal’N’Dry® PRV

Kobold Instruments Inc.

1801 Parkway View Dr. Pittsburgh, PA 15205

P: 412-788-2830

F: 412-788-4890

E: info@koboldusa.com

W: koboldusa.com

Kocsis Technologies, Inc.

11755 South Austin Avenue Alsip, IL 60803

P: 708-597-4177

F: 708-371-6560

E: service@kocsistech.com

W: kocsistech.com

Kracht Corp.

6552 Weatherfield Ct. Maumee, OH 43537

P: 419-874-1000

E: z.hallett@krachtcorp.com

W: krachtcorp.com

Kraft Fluid Systems, Inc. 14300 Foltz Parkway Cleveland, OH 44149

P: 800-257-1155

F: 440-238-5266

E: csdept@kraftfluid.com

W: kraftfluid.com

KTI Hydraulics, Inc.

3195-D Airport Loop Drive Costa Mesa, CA 92626

P: 714-556-8818

F: 714-556-1520

E: jkingktihydraulics@yahoo.com

W: ktihydraulicsusa.com

KTR Corporation 122 Anchor Road Michigan City, IN 46360

P: 219-872-9100

F: 219-872-9150

E: ktr-us@ktr.com

W: ktr.com/us

Kuriyama of America, Inc.

360 E. State Parkway Schaumburg, IL 60173

P: 847-755-0360

F: 847-885-0996

E: sales@kuriyama.com

W: kuriyama.com

Kurt Hydraulics

5280 Main St. Minneapolis, MN 55421

P: 763-572-1500

F: 763-571-8466

E: kurthyd@aol.com

W: kurthydraulics.com

Kurz Instruments, Inc.

2411 Garden Rd. Monterey, CA 93940

P: 831-646-5911

F: 831-646-8901

E: salesadmin@kurz-instruments.com

W: kurz-instruments.com

KV Pneumatics Inc. McDermott Drive, Suite 104 West Chester, PA 19380

P: 610-946-9000

E: sales@kvpneumatics.com

W: kvglobal.com

KYB Americas Corporation

140 N. Mitchell Ct. Addison, IL 60101

P: 630-620-5555

F: 630-620-8211

E: mike@kyb.com

W: kybfluidpower.com

Kytola Instruments

900 Old Roswell Lakes Parkway, Suite 120, Roswell, GA 30076

P: 1-678-701-3569

F: 1-514-448-5151

E: flow@kytola.com

W: kytola.com

L

La-Man Corporation PO Box 328 Mazeppa, MN 55956

P: 800-348-2463

F: 888-905-2626

E: sales@laman.com

W: laman.com

LCR Electronics 9 South Forest Avenue

Norristown, PA 19401

P: 610-278-0840

F: 610-278-0935

E: sales@lcr-inc.com W: lcr-inc.com

LDI Industries, Inc. 1864 Nagle Avenue Manitowoc, WI 54220

P: 920-682-6877

F: 920-684-7210

E: sales@ldi-industries.com

W: ldi-industries.com

Lee Company, The 2 Pettipaug Rd. P.O. Box 424 Westbrook, CT 06498

P: 860-399-6281

F: 860-399-2270 W: theleeco.com

E: inquiry@theleeco.com

Lee Industries, Inc. P.O. Box 687 Philipsburg, PA 16866

P: 814-342-0470

F: 814-342-5660

E: sales@leeind.com W: leeind.com

Lee Linear 727 South Ave. Piscataway, NJ 08812

P: 732-752-5200

F: 732-968-7080

E: leelinear@linearmotion.com W: leelinear.com

Legend Valve & Fitting, Inc.

300 N. Opdyke Road Auburn Hills, MI 48326

P: 800-752-2082

F: 800-835-4457

E: service@legendvalve.com W: legendvalve.com

Legris Inc. 7205 E. Hampton Ave. Mesa, AZ 85209

P: 480-830-0216

F: 480-830-7556

E: customerservice@legris.com W: legris.com

Lehigh Fluid Power 1413 Route 179 Lambertville, NJ 08530

P: 800-257-9515

F: 609-397-0932

E: sales@lehighfluidpower.com

W: lehighfluidpower.com

LENZ Inc.

P.O. Box 1044 Dayton, OH 45401

P: 937-277-9364

F: 937-277-6516

E: rwagner@lenzinc.com W: lenzinc.com

Lenze Americas 630 Douglas Street Uxbridge, MA 01569

P: 508-278-9100

F: 508-278-7873

E: marketing@LenzeAmericas. com W: lenze.com

Lexair, Inc. 2025 Mercer Road Lexington, KY 40511

P: 859-255-5001

F: 859-255-6656

E: jjennings@lexairinc.com

W: lexairinc.com

Lightning Bay Pneu-Draulics 4302 E. 10th Ave. #401 Tampa, FL 33605

P: 813-655-0806

F: 813-661-1935

E: Pamela@lightning-bay.com W: lightning-bay.com

Lillbacka USA, Inc.

619 Estes Ave. Schaumburg, IL 60193

P: 847-301-1300

F: 847-301-2562

E: sales@lillbackausa.com W: lillbackausa.com

Lincoln Industrial One Lincoln Way St. Louis, MO 63120

P: 314-679-4207

F: 800-424-5359

E: bhendricks@lincolnindustrial.com W: lincolnindustrial.com

Lindberg Fluid Power 314 N. Jackson Street Jackson, MI 49201

P: 517-787-3791

F: 517-787-7677

E: info@linbercyl.net W: linbercyl.net

Linde Hydraulics Corporation 5089 W. Western Reserve Rd. Canfield, OH 44406

P: 330-533-6801*119

F: 330-286-0741

E: meggan.sutherland@lindehydraulics.co W: linde-hydraulics.us

Liquid Controls 105 Albrecht Drive Lake Bluff, IL 60044

P: 847-295-1050

F: 847-295-1057

E: le-info.lemeter@idexcorp.com W: liquidcontrolsgroup.com

Livingston & Haven 11616 Wilmar Blvd. Charlotte, NC 28273

P: 704-588-3670

F: 704-504-2530

E: info@LHTech.com

Lodar USA

549 U.S. Hwy. 287 S. Henrietta, TX 76365

P: 940-538-5643

F: 940-538-4382

E: wade@lodar.com

W: lodarusa.com

Logic Hydraulic Controls, Inc. 6616 Windmill Way Wilmington, NC 28405

P: 910-791-9293

F: 910-392-5621

E: 1sales@logichyd.com W: logichyd.com

Lovejoy Hydraulics 2655 Wisconsin Ave. Downers Grove, IL 60515

P: 630-852-0500

F: 630-852-2120

E: hydraulicsinfo@lovejoy.com W: lovejoyhydraulics.com

Lube Devices, Inc. P.O. Box 1810 Manitowoc, WI 54221

P: 920-682-6877

F: 920-684-7216

E: sales@lubedevices.com W: lubedevices.com

Lubrication Engineers, Inc. 1919 E. Tulsa St. Wichita, KS 67216

P: 800-537-7683

E: info@le-inc.com W: LElubricants.com

Lubriplate Lubricants Co. 129 Lockwood Street Newark, NJ 07105

P: 800-733-4755

F: 800-347-5329

E: LubeXpert@lubriplate.com W: lubriplate.com

Ludeca, Inc. 1425 NW 88th Ave. Miami, FL 33172

P: 305-591-8935

F: 305-591-1537

E: info@ludeca.com W: ludeca.com

Lumberg Inc. 14121 Justice Road

Midlothian, VA 23113

P: 804-379-2010

F: 804-379-3232

E: info@lumbergusa.com W: lumbergusa.com

Lutz Pumps, Inc. 1160 Beaver Ruin Rd. Norcross, GA 30093

P: 770-925-1222

F: 770-923-0334

E: info@lutzpumps.com

W: lutzpumps.com

Lynair, Inc. 3515 Sacheele Dr. Jackson, MI 49202

P: 517-787-2240

F: 517-787-4521

E: sales@lynair.com

W: lynair.com

Lynch Fluid Controls 1799 Argentia Road Mississauga, Ontario L5N 3A2 CANADA

P: 1-888-626-4365

F: 1-800-263-5807

E: sales@lynch.ca W: lynch.ca

M & M Rogness Equipment Co. 1941 W. County Road C2 Roseville, MN 55113

P: 651-633-0550

F: 651-633-6797

E: Sales@mmrogness.com W: mmrogness.com

M.M. Newman Corporation 24 Tioga Way Marblehead, MA 01945

P: 781-631-7100

F: 781-631-8887

E: sales@mmnewman.com

W: mmnewman.com

Mac’s Hose & Hydraulics 2502-A Reynolds Industrial Rd. Augusta, GA 30907

P: 706-945-6860

F: 706-243-4985

E: rock2160@msn.com

W: macshose.com

Machinery Service & Design W232 N2960 Roundy Cir. West Ste. 400 Pewaukee, WI 53072

P: 262-513-8040

F: 262-513-8044

E: sales@ms-d.com

W: ms-d.com

Mack Corporation 3695 E. Industrial Dr. Flagstaff, AZ 86004

P: 928-526-1120

F: 928-526-0473

E: mackcorp@aol.com W: mackcorp.com

MacMillin Hydraulic Engineering Corp. 7355 N. Lawndale Avenue (P.O. Box 6) Skokie, IL 60070

P: 847-676-2910

F: 847-676-0365

E: bobmac@macmillinhydraulic.com

W: macmhydraulic.com

Macnaught Americas 614 Ware Blvd. Tampa, FL 33619

P: 813-628-5506

F: 509-694-8495

E: info@macnaughtusa.com W: macnaughtusa.com

Macro Sensors

7300 U.S. Rte. 130 N, Bldg. 22 Pennsauken, NJ 08110

P: 856-662-8000

F: 856-317-1005

Macrotech Polyseal, Inc. (MPI) 1754 West 500 South Salt Lake City, UT 84126

P: 801-973-9171

F: 801-973-9188

E: info@polyseal.com W: polyseal.com

Madison Company 27 Business Park Drive

Branford, CT 06405

P: 203-488-4477

F: 203-481-5036

E: info@madisonco.com W: madisonco.com

Magnatrol Valve Corp. 67 Fifth Ave. Hawthorne, NJ 07506

P: 973-427-4341

F: 973-427-7611

E: info@magnatrol.com W: magnatrol.com

Magnet Schultz of America 401 Plaza Dr. Westmont, IL 60559

P: 630-789-0600 F: 630-789-0614 E: sales@magnet-schultz.com W: magnet-schultz.com

Magnetek N49 W13650 Campbell Drive Menomonee Falls, WI 53217 P: 262-783-3500 F: 262-783-3510 E: radio.sales@magnetek.com W: columbusmckinnon.com/ magnetek

Magnetrol International, Inc. 5300 Belmont Road Downers Grove, IL 60515 P: 630-969-4000 F: 630-969-9489 E: info@magnetrol.com W: magnetrol.com

Mailhot Hydrautech 2721 Route 341 Nord St-Jacques, Quebec J0K 2R0 CANADA

P: 450-839-3663 F: 450-839-2758 W: mailhotindustries.com

Main Manufacturing Products Inc 3181 Tri Park Dr. Grand Blanc, MI 48439 P: 800-521-7918 F: 810-953-1380

E: info@mainmfg.com W: mainmfg.com

Manuli Hydraulics 410 Keystone Dr. Warrendale, PA 15086 P: 724-778-3380 E: info@manuli-hydraulics.com W: manuli-hydraulics.com

Maradyne Corp. 4540 W. 160th St. Cleveland, OH 44135 P: 216-362-0755 F: 216-362-0799

E: mwalsh@maradyne.com W: maradyne.com

Marathon Electric 100 E. Randolph Street Wausau, WI 54401 P: 715-675-3311 F: 715-675-8030 E: info@marathonelectric.com W: marathonelectric.com

March Mfg., Inc. 1819 Pickwick Ave. Glenview, IL 60026

P: 847-729-5300 F: 847-729-7062

E: march@marchpump.com W: marchpump.com

Marco Rubber & Plastics

35 Woodworkers Way Seabrook, NH 03874

P: 603-468-3600 F: 800-421-2923

E: sales@marcorubber.com W: marcorubber.com

WWW.IFPS.ORG | WWW.FL u IDPOW e RJO u R n AL.COM CELEBRATING 30 YEARS June 2024 | 45 MANUFACTURERS 2024 DIRECTORY
M

Marion Fluid Power

4540 W. 160th St. Cleveland, OH 44135

P: 216-362-0755 ext. 121

F: 216-362-0799

E: walsh55@sbcglobal.net

W: maradyne.com

Marken Mfg.

2081 E. Center Circle Plymouth, MN 55441

P: 763-577-0111

F: 763-577-0112

E: info@markenmfg.com

W: markenmfg.com

Marktech Optoelectronics, Inc.

3 Northway Lane North Latham, NY 12110

P: 1-518-956-2980

F: 1-518-785-4725

E: info@marktechopto.com

W: marktechopto.com

Marmon/Keystone Corp. LLC

225 East Cunningham Street Butler, PA 16001

P: 724-283-3000

F: 724-283-0558

E: sales@marmonkeystone.com

W: marmonkeystone.com

Marsh Bellofram

8019 Ohio River Blvd. Newell, WV 26050

P: 304-387-1200

F: 304-387-1212

E: jgamble@marshbellofram.com

W: marshbellofram.com

Marsh McBirney/ A Hach Company

4539 Metropolitan Ct. Frederick, MD 21704

P: 301-874-5599

F: 301-874-8459

E: sales@marsh-mcbirney.com

W: marsh-mcbirney.com

Marshall Metal Products

1006 E. Michigan Ave. Marshall, MI 49068

P: 269-781-3924

F: 269-781-1199

E: bmees@marshallmetalproducts.com

W: marshallmetalproducts.com

Martin Fluid Power (MFP Seals) 900 E. Whitcomb Ave Madison Heights, MI 48071

P: 248-585-8170

F: 248-585-4398

E: ryan.k@mfpseals.com

W: mfpseals.com

Marzocchi Pumps USA Corp. 905 Albion Schaumburg, IL 60193

P: 847-923-9910

F: 847-923-9937

E: pumps@marzocchipumpsusa.com

W: marzocchipumpsusa.com

Master Pneumatic Inc.

6701 Eighteen Mile Rd. Sterling Heights, MI 48314

P: 586-254-1000

F: 586-254-6055

E: mp@masterpneumatic.com

W: masterpneumatic.com

Match Manufacturing 1819 Pickwick Ave. Glenview, IL 60026

P: 847-729-5300

F: 847-729-7062

W: matchpump.com

Maverick Hydraulics and Machining 2226 East Main St. Grand Prairie, TX 75050

P: 972-266-2700 F: 972-266-2706

E: info@newcylinders.com

Max Machinery, Inc. 33A Healdsburg Ave. Healdsburg, CA 95448

P: 707-433-2662

W: maxmachinery.com

Maxbar, Inc. 11319 Tanner Rd. Houston, TX 77041

P: 832-327-0534

F: 832-327-0537

E: info@maxbar.com W: maxbar.com

Maxpro Technologies, Inc. 7728 Klier Dr. S. Fairview, PA 16415 P: 814-474-9191 F: 814-474-9391 W: maxprotech.com

Maxseal now IMI Precision Engineering 5400 S. Delaware Street Littleton, CO 80120 P: 800-710-7823

MB Dynamics, Inc. 25865 Richmond Rd. Cleveland, OH 44146 P: 1-216-292-5850 F: 1-216-292-5614

E: sales@mbdynamics.com W: mbdynamics.com

MCS Fluid Power 10528 A Tanner Rd. Houston, TX 77041 P: 713-849-5110 F: 713-849-3487 E: sales@mcsfp.com W: mcsfp.com

Mead Fluid Dynamics 4114 N. Knox Ave. Chicago, IL 60641 P: 773-685-6800 F: 773-685-7002

E: sales@mead-usa.com W: mead-usa.com

MEDER Electronic Inc. 766 Falmouth Rd. Mashpee, MA 02649

P: 800-870-5385

F: 508-539-4088 E: salesusa@meder.com W: meder.com

Med-Kas Hydraulics, Inc. 1419 John R Road Troy, MI 48083

P: 248-585-3220 F: 248-585-0646

E: tcrean@med-kas.com W: med-kas.com

Medo USA, Inc.

4525 Turnberry Dr. Hanover Park, IL 60103

P: 630-924-8811

F: 630-924-0808

E: inquiry@medousa.com

W: medousa.com

Mefiag Division, Met-Pro Corp. 160 Cassell Rd. P.O. Box 144 Harleysville, PA 19438

P: 215-721-6030

F: 215-723-6758

E: mefiag@met-pro.com W: met-pro.com/mefiag.html

Metallized Carbon Corp. 19 South Water Street Ossining, NY 10562

P: 914-941-3738

F: 914-941-4050

E: sales@metcar.com W: metcar.com

Metal-Matic, Inc. 629 2nd St. S.E. Minneapolis, MN 55414

P: 612-378-0411

F: 612-392-3399

E: sales@metal-matic.com W: metal-matic.com

Metaris Corp.

1519 Hwy. 35 North Forest, MS 39074

P: 601-469-1987

F: 601-469-2120

Toll Free: 1-800-962-2703

E: sales@metarisusa.com W: metaris.com

Metaris Inc.

101 Canarctic Dr., Toronto, Ontario, CA M3J 2N7

P: 416-638-6000

F: 416-638-9365

Toll Free: 1-888-477-2737

E: sales@metaris.com

W: metaris.com

Metro Machine & Engineering

8001 Wallace Road

Eden Prairie, MN 55344

P: 952-937-2800

F: 952-937-2374

E: info@metromachine.com

W: metromachine.com

MFP Seals

84 Minnesota Troy, MI 48083

P: 248-585-8170

F: 248-585-4398

E: sales@mfpseals.com

W: mfpseals.com

Micro-Mini Hydraulics 536 Township Line Road Blue Bell, PA 19422

P: 215-542-2198

F: 215-643-4017

E: sales@microminihydraulics.com W: microminihydraulics.com

Micro Motors, Inc. 151 E. Columbine Ave. Santa Ana, CA 92707

P: 714-546-4045

F: 714-546-1109

E: loriloy@micromotorsinc.com W: micromotorsinc.com

Micromatic 525 Berne St. Berne, IN 46711

P: 260-589-2136

F: 260-589-8966

E: customerservice@ micromaticllc.com W: micromaticllc.com

Micropump, Inc. 1402 N.E. 136th Ave. Vancouver, WA 98684

P: 360-253-2008

F: 360-253-8294

E: info.micropump@idexcorp.com W: micropump.com

Midland-ACS North America

P.O. Box 422 Grimsby, ON L3M 4H8 Canada

P: 905-309-1834

F: 905-309-1835

E: rjthake@aol.com

W: midland-acs.com

Midland Metal Mfg. 1219 Lydia Ave.

Kansas City, MO 64106

P: 888-821-5725

F: 888-877-5391

E: sales@midlandindustrial.com

W: midlandindustrial.com

Mid-West Instrument

6500 Dobry Drive

Sterling Hgts, MI 48314

P: 800-648-5788

F: 586-254-6509

E: sales@midwestinstrument.com

W: midwestinstrument.com

Miller Fluid Power 500 S. Wolf Road Des Plaines, IL 60016

P: 847-298-2400

F: 847-294-2640

E: mfpcylmktg@parker.com W: millerfluidpower.com

Milton Roy 201 Ivyland Road Ivyland, PA 18974

P: 215-41-0800

F: 215-441-8620

E: info@miltonroy.com

W: miltonroy-americas.com

Milwaukee Cylinder 5877 S. Pennsylvania Ave. Cudahy, WI 53110

P: 414-769-9700

F: 414-769-0157

E: sales@milwaukeecylinder.com

W: milwaukeecylinder.com

Milwaukee School of Engineering 1025 N. Broadway Milwaukee, WI 53202-3109

P: 414-277-7191

F: 414-277-7470

E: wanke@msoe.edu

W: msoe.edu

Minnesota Rubber and Plastics 1100 Xenium Lane N. Minneapolis, MN 55441

P: 952-927-1400

E: webmaster@mrubber.com

W: mnrubber.com

Miratron 16420 SW 72nd Ave. Portland, OR 97225

P: 503-352-0654

F: 503-217-6060

E: sales@miratron.com

W: miratron.com

MKS Instruments 2 Tech Drive, Suite 201 Andover, MA 01810

P: 978-645-5500 F: 978-645-5100 E: mks@mksinst.com W: mksinst.com

Mobile Hose & Hydraulic Supply 911 N. Poinsettia St. Santa Ana, CA 92701 P: 714-541-2244 F: 714-541-2266 E: sales@comoso.com W: comoso.com

MOCAP

409 Parkway Drive Park Hills, MO 63601

P: 800-633-6775 F: 314-543-4111

E: sales@mocap.com W: mocap.com

Monarch Hydraulics, Inc. 1363 Michigan Street NE Grand Rapids, MI 49503

P: 616-458-1306 F: 616-458-0079

E: monarch.info@ bucharhydraulics.com W: monarchhyd.com

Monarch Instrument 15 Columbia Dr. Amherst, NH 03031 P: 603-883-3390 F: 603-886-3300 W: monarchinstrument.com

Monnier Inc.

2034 Fruit St. Algonac, MI 48001

P: 810-794-4935 F: 810-794-9451

E: pnichols@monnier.com W: monnier.com

Moog 300 Jamison Road East Aurora, NY 14052

P: 716-687-7764

F: 716-687-4989

E: info.usa@moog.com W: moog.com/industrial

Moog Flo-Tork 1701 North Main Orrville, OH 44667

P: 330-682-0010

F: 330-683-6857

E: sales@ft.moog.com W: moogflo-tork.com

Motion Industries Tampa, FL Hose Shop 4750 Distribution Drive Tampa, FL 33605

P: 813-241-8919 F: 813-241-4979

E: Daniel.Arnold@Motion-ind.com W: motionindustries.com

Motion 1605 Alton Road Birmingham, AL 35210

P: 800-526-9328

F: 205-957-5290

E: MKsupport@motion.com W: motion.com

Motoman Inc. 805 Liberty Ln. W. Carrollton, OH 45449

P: 937-847-6200

F: 937-847-3228

E: info@motoman.com W: motoman.com

Motor Magnetics Inc. 79 East Hoffman Avenue Lindenhurst, NY 11757

P: 631-957-7850

F: 631-957-0898

E: sales@motormagnetics.com W: motormagnetics.com

MP Filtri USA, Inc. 1181 Richland Commerce Drive Quakertown, PA 18951

P: 888-263-0090

F: 215-529-1902

E: sales@mpfiltriusa.com W: mpfiltriusa.com

MP Pumps, Inc. 34800 Bennett Dr. Fraser, MI 48026

P: 586-293-8240

F: 586-293-8469

E: mppumps@mppumps.com W: mppumps.com

MPL

2901 Gateway Dr. Pompano Beach, FL 38069

P: 954-973-6166

F: 954-973-6339

E: mpl@pressureswitch.com W: pressureswitch.com

MRM Incorporated 22660 Heslip Drive Novi, MI 48375

P: 248-348-6900

F: 248-348-8490

E: sales@mrm-inc.com

W: MRM-Inc.com

MTE Hydraulics, Inc. 4701 Kishwaukee Street Rockford, IL 61109

P: 815-397-4701

F: 815-399-5528

E: sales@mtehydraulics.com W: mtehydraulics.com

46 | June 2024 CELEBRATING 30 YEARS WWW.FL u IDPOW e RJO u R n AL.COM | WWW.IFPS.ORG MANUFACTURERS 2024 DIRECTORY

MTS Systems Corporation

14000 Technology Drive

Eden Prairie, MN 55344-2290

P: 952-937-4000

F: 952-937-4515

E: info@mts.com

W: mts.com

Muncie Power Products, Inc.

201 E. Jackson Street Muncie, IN 47305

P: 1-800-367-7867

F: 765-284-6991

E: info@munciepower.com

W: munciepower.com

Murrelektronik Inc.

1400 Northbrook Parkway, Ste. 300 Suwanee, GA 30024

P: 770-497-9292

F: 770-497-9391

E: 2info@murrinc.com

W: murrinc.com

Myron L Company

2450 Impala Drive Carlsbad, CA 92010

P: 760-438-2021

F: 760-931-9189

E: info@myronl.com

W: myronl.com

Nachi America, Inc.

17500 23 Mile Rd. Macomb, MI 48044

P: 800-622-4410

F: 586-226-5289

E: jgrimes@nachiamerica.com

W: nachiamerica.com

Nass Controls 51509 Birch St. New Baltimore, MI 48047

P: 586-725-6610

F: 586-725-5802

E: jim.rosenbury@nasscontrols.com

W: nasscontrols.com

National Technical Systems 24007 Ventura Blvd #200 Calabasas, CA 91302

P: 818-591-0776

F: 818-591-0899

E: info@ntscorp.com

W: ntscorp.com

NBB Controls, Inc. 5909 School Avenue Richmond, VA 23228

P: 804-262-4846

F: 804-262-0596

E: brian.downes@nbbcontrols.com

W: nbbcontrols.com

NC Servo Technology 38422 Webb Drive Westland, MI 48185

P: 734-326-6666

F: 734-326-6669

E: sales@ncservo.com

W: ncservo.com

Neptune Chemical Pump Company, Inc.

P.O. Box 247 Lansdale, PA 19445

P: 215-699-8700

F: 215-699-0370

E: pump@neptune1.com

W: neptune1.com

NewAge® Industries, Inc. 145 James Way Southampton, PA 18966

P: 215-526-2300

F: 215-526-2190

E: info@newageindustries.com

W: newageindustries.com

New Pig One Pork Avenue Tipton, PA 16684

P: 814-684-0101

F: 814-684-7690

E: hothogs@newpig.com

W: newpig.com

Niagara Caps & Plugs

7090 Edinboro Rd. Erie, PA 16509

P: 800-458-0465

F: 800-358-4391

E: info@niagaracapsandplugs.com

W: niagaracapsandplugs.com

Nike Hydraulics, Inc.

3980 W. Albany, Unit 1

McHenry, IL 60050

P: 815-385-7777

F: 815-385-7776

E: info@nikehydraulics.com W: nikehydraulics.com

NIMCO Controls Inc. 1500 S. Sylvania Ave. Sturtevant, WI 53177

P: 262-884-0950

F: 262-886-1129

E: sales@nimcous.com W: nimco-controls.com

Nitro Steel, A Premier Thermal Company 9955 80th Ave. Pleasant Prairie, WI 53158

P: 517-482-7240

E: info@premierthermal.com

W: premierthermal.com

Nopak 10179 S. 57th Street Franklin, WI 53132

P: 414-645-6000

F: 414-645-6048

E: sales@nopak.com W: nopak.com

Norgren now IMI Precision Engineering

5400 S. Delaware Street Littleton, CO 80120

P: 800-710-7823

E: requestquotes@norgren.com W: norgren.com/us imi-precision.com

Norgren-KIP Fluid Controls

72 Spring Ln. Farmington, CT 06032

P: 800-722-5547

F: 860-677-0272

E: sales@kipinc.com W: kipinc.com

Norman Equipment Power Unit Division 16150 W. Rogers Dr. New Berlin, WI 53151

P: 262-784-1700

F: 262-784-9644

W: normanequipment.com

Norman Equipment Company

9850 S. Industrial Dr. Bridgeview, IL 60455

P: 708-430-4000

F: 708-430-1770

E: sales@normanequipment.com W: normanequipment.com

Norman Filter Company, LLC

9850 S. Industrial Dr. Bridgeview, IL 60455

P: 708-233-5521

F: 708-430-5961

E: sales@normanfilters.com W: normanfilters.com

Norstat, Inc. 300 Roundhill Dr. Rockaway, NJ 07866

P: 973-586-2500

F: 973-586-1590

E: breilly@norstat.con W: norstat.com

North American Hydraulics 11549 Sunbelt Court

Baton Rouge, LA 70809

P: 225-751-0500

F: 225-751-0610

E: info@nahi.com W: nahi.com

Northlake Steel Corporation 5455 Wegman Dr. Valley City, OH 44280

P: 800-966-1470

F: 330-220-7718

E: sales@northlakesteel.com

W: northlakesteel.com

Northwest Swiss-Matic, Inc. 7600 32nd Ave. N. Minneapolis, MN 55427

P: 763-544-4222

F: 763-544-6873

E: jgraeber@nwswissmatic.com

W: nwswissmatic.com

NOSHOK, Inc.

1010 W. Bagley Rd. Berea, OH 44017

P: 440-243-0888

F: 440-243-3472

E: noshok@noshok.com

W: noshok.com

Nott Company 4480 Round Lake Road W Arden Hills, MN 55112

P: 800-634-3301

F: 651-415-3632

E: nottfp@nottco.com

W: nottco.com

Novotechnik US Inc. 155 Northboro Road Southborough, MA 01772

P: 508-485-2244

F: 508-485-2430

E: info@novotechnik.com

W: novotechnik.com

NR Pneumatics USA, Corp. 18 Bridge Street, Unit 2A Brooklyn, NY 11201

P: 1-718-522-5575

F: 1-347-402-2561

E: info@nrpneumatics.com

W: nrpneumatics.com

Numatics Incorporated 46280 Dylan Drive Novi, MI 48377

P: 248-596-3200

F: 248-596-3201

E: marketing@numatics.com W: numatics.com

Nutron Motor Co., Inc. 56 Summersea Rd. Mashpee, MA 02649

P: 508-717-5441

F: 508-444-3640

E: bobb@nutronmotors.com

W: nutronmotors.com

Nycoil Company 164 Pointe South Dr. Randleman, NC 27406

P: 866-322-6644

F: 336-495-9520

E: nycoil@nycoil.com W: nycoil.com

OCV Control Valves 7400 E. 42nd Place Tulsa, OK 74145

P: 918-627-1942

F: 918-622-8916

E: sales@controlvalves.com

W: controlvalves.com

OEM Controls, Inc. 10 Controls Dr. Shelton, CT 06484

P: 203-929-8431

F: 203-929-3867

E: chkovac@oemdd.com W: oemcontrols.com

OEM International, Inc. 575 Route 73N, Bldg. B3 West Berlin, NJ 08091

P: 856-768-0723

F: 856-768-8717

E: sales@oeminternational.com

W: oeminternational.com

Oetiker, Inc. 6317 Euclid Street Marlette, MI 48453

P: 989-635-3621

F: 989-635-2157

E: info@us.oetiker.com

W: oetiker.com

Ogontz Corp 2835 Terwood Road Willow Grove, PA 19090

P: 1-800-523-2478

E: info@ogontz.com

W: ogontz.com

Ogura Industrial Corp. PO Box 5790 Somerset, NJ 08875

P: 732-271-7361

E: info@ogura-clutch.com

W: ogura-clutch.com

Ohio Fabricators Company 111 North 14th Street – PO Box 218 Coshocton, OH 43812

P: 888-354-0291

F: 740-622-3307

E: info@ohfab.com

W: ohfab.com

Oiles America Corporation 44099 Plymouth Oaks Blvd., Ste. 109 Plymouth, MI 48170

P: 734-414-7400

F: 734-414-7484

E: oiles@oiles.com

W: oiles.com

Oilgear Company, The 905 S. Downing Street Fremont, NE 68025

P: 402-727-9700

E: ussales@oilgear.com

W: oilgear.com

Oilgear 1424 International Drive Traverse City, MI 49686

P: 231-929-1660

E: ussales@oilgear.com W: oilgear.com

Oil-Rite Corporation PO Box 1207 Manitowoc, WI 54221-1207

P: 920-682-6173 F: 920-682-7699

E: sales@oilrite.com W: oilrite.com

OilSafe 930 Whitmore Drive Rockwall, TX 75087

P: 888-429-3135 F: 972-722-3252

E: sales@oilsafe.com W: oilsafe.com

O’Keefe Controls Co. 4 Maple Drive Monroe, CT 06468

P: 800-533-3285

E: info@okeefecontrols.com W: okeefecontrols.com

OLAER USA INC 15102 Sommermeyer, Suite 125 Houston, TX 77041 P: 713-937-8900 F: 713-937-0438

E: amulders@olaerusa.com W: olaerusa.com

Omega Engineering 800 Connecticut Avenue Norwalk, CT Suite 5N01 P: 203-359-1660 F: 203-359-7700

E: sales@omega.com W: omega.com

OMNEX Control Systems Inc. 74-1833 Coast Meridian Rd. Port Coquitlam, BC V3C 665 P: 604-944-9247 F: 604-944-9267

E: sales@omnexcontrols.com W: omnexcontrols.com

Open Loop Energy, Inc. 1878 Safford Bryce Road Safford, AZ 85546 P: 928-348-9200 F: 928-348-9600 W: openloop.net

Orange Seal 7345 West Sand Lake Road Unit 406 Orlando, FL 32819

P: 407-565-2207

E: info@orangeseal.us W: orangeseal.us

Orange Research 140 Cascade Boulevard Milford, CT 06460

P: 203-877-5657 F: 203-783-9546

E: info@orangeresearch.com W: orangeresearch.com

WWW.IFPS.ORG | WWW.FL u IDPOW e RJO u R n AL.COM CELEBRATING 30 YEARS June 2024 | 47 MANUFACTURERS 2024 DIRECTORY
N
O

Ortman Fluid Power, Inc.

1400 N. 30th St, Suite 20 Quincy, IL 62301

P: 844-759-4922

F: 217-222-1773

E: sales@ortmanfp.com

W: ortmanfp.com

Oslo Switch Inc.

30 Diana Court Cheshire, CT 06410

P: 203-272-2794

F: 203-272-3492

W: osloswitch.com

OSSCO Bolt & Screw Co.

1351 Elmwood Ave. Cranston, RI 02910

P: 401-461-6900

F: 401-461-6970

OTTO

2 E. Main St. Carpentersville, IL 60110

P: 847-428-7171

E: Karen.Flowers@ottoexcellence.com

W: ottoexcellence.com

Pace Mfg., Div. of

Atlas Hydraulics Inc.

600 S. Sioux Blvd. Brandon, SD 57005

P: 605-582-7221

F: 605-582-7222

E: customerservice@pacemfg.com

W: pacemfg.com

Packing & Seals, Inc.

2602 Transportation Ave #K

National City, CA 91950

P: 619-474-8281

F: 619-474-5911

E: PackingandSeals@gmail.com

W: packingandseals.com

PacSeal Hydraulics Inc.

561 Tamarack Ave. Brea, CA 92821

P: 714-529-9495

F: 714-529-1366

E: sales@pacsealhydraulics.com

W: pacsealhydraulics.com

Palmer Wahl Instrumentation Group 234 Old Weaversville Rd. Asheville, NC 28804

P: 828-658-3131

F: 828-658-0728

E: info@palmerwahl.com

W: palmerwahl.com

Pamark, Inc.

1730-B Olson, N.E. Grand Rapids, MI 49503

P: 616-456-6043

F: 616-456-8849

W: pamarkinc.com

Panagon Systems, Inc.

51375 Regency Center Macomb, MI 48042

P: 586-786-3920

F: 586-786-7331

E: sales@panagonsystems.com W: panagonsystems.com

PANOLIN America, Inc.

1901 N. Roselle Rd. Ste. 940 Schaumburg, IL 60195

P: 877-889-2975

E: sales@panolinamerica.com

W: panolinamerica.com

Paragon Technologies

5775 Ten Mile Rd. Warren, MI 48091

P: 800-229-5350

F: 800-229-5375

E: service@paragontech.com

W: paragontech.com

Parker Cylinder Division

500 S. Wolf Road Des Plaines, IL 60016

P: 847-298-2400

F: 847-294-2640

W: parker.com/cylinder

Parker Domnick Hunter

5900-B Northwoods Pkwy Charlotte, NC 28269

P: 800-345-8462

F: 704-921-1960

E: domnickhuntersales@parker.com

W: domnickhunter.com

Parker Fluid Control Division 95 Edgewood Ave.

New Britain, CT 06051

P: 860-827-2300

F: 860-827-2384

E: skinnervalve@parker.com

W: parkerfluidcontrol.com

Parker Hannifin 6035 Parkland Blvd. Cleveland, OH 44124-4141

P: 216-896-3000

F: 216-896-4000

E: jweber@parker.com

W: parker.com

Parker Hannifin Finite Filter

500 S. Glaspie Oxford, MI 48371

P: 248-628-6400

F: 248-628-1850

E: finitefilter@parker.com

W: parker.com/finitefilter

Parker Hannifin Corporation Global Accumulator Division 10711 N. Second Street Machesney Park, IL 61115

P: 815-636-4100

F: 815-636-4111

W: parker.com/accumulator

Parker Hannifin Corporation Hose Products Division 30240 Lakeland Blvd. Wickliffe, OH 44092

P: 440-943-5700

F: 440-943-3129

W: parkerhose.com

Parker Hannifin Corporation Hydraulic Filter Division 16810 Fulton County Rd. #2 Metamora, OH 43540

P: 800-253-1258

F: 419-644-6205

E: hydraulicfilter@parker.com

W: parker.com/hydraulicfilter

Parker Hannifin Corporation Hydraulic Pump Division 14249 Industrial Pkwy. Marysville, OH 43040

P: 937-644-3915

F: 937-642-3738 W: phpump.com

Parker Hannifin Corporation Hydraulic Valve Division 520 Ternes Ave. Elyria, OH 44035

P: 440-366-5100

F: 440-366-5253

E: HVDsales@parker.com

W: parker/hydraulicvalve.com

Parker Hannifin Corp. MOC Training 6035 Parkland Blvd. Cleveland, OH 44124-4141

P: 216-896-2574

F: 216-514-6738

E: mctrain@parker.com W: parker.com/training

Parker Hannifin Pneumatic Division 8676 East. M-89 Richland, MI 49083-0901

P: 269-629-5000

F: 269-629-5385

E: pdnmktg@parker.com W: parker.com/pneumatic

Parker Hannifin Corporation Quick Coupling Division 8145 Lewis Road Minneapolis, MN 55427

P: 763-544-7781

F: 763-544-3418

E: QCD_sales@parker.com W: parker.com/quickcouplings

Parker Hannifin Corporation Racor Division 3400 Finch Rd. Modesto, CA 95354

P: 800-344-3286

F: 209-529-3278

E: racor@parker.com W: parker.com/racor

Parker Hannifin Corp.

Seal Group 14300 Alton Pkwy. Irvine, CA 92618

P: 800-C-PARKER

F: 440-266-7400

E: c-parker@parker.com

W: parkerseals.com

Parker Hannifin Corporation

Tube Fittings Division

3885 Gateway Blvd. Columbus, OH 43228

P: 614-279-7070

W: parker.com/tfd

Parker Hannifin Corp.

Zenith Pumps Division 5910 Elwin Buchanan Dr. Sanford, NC 27330

P: 919-775-4600

F: 919-774-5952

E: zenithpumps@parker.com W: zenithpumps.com

Parker/Snap-Tite 201 Titusville Road Union City, PA 16438

P: 814-438-3821

F: 814-438-3069

E: QDV_sales@snap-tite.com W: snap-titequickdisconnects.com

ParkerStore & Zemarc Fluid Power 2960 Los Olivos Oxnard, CA 94544

P: 805-973-5900

F: 805-973-5919

E: sales@zemarc.com

W: zemarc.com

PCB Piezotronics Inc. 3425 Walden Ave. Depew, NY 14043

P: 716-684-0001

F: 716-684-0987

E: amohn@pcb.com

W: pcb.com

PEER Bearing Company 2200 Norman Drive Waukegan, IL 60085

P: 847-578-1000

F: 847-578-1200

E: info@peerbearing.com

W: peerbearing.com

Peninsular Cylinder Co. 27650 Groesbeck Hwy Roseville, MI 48066

P: 586-775-7211

F: 586-775-4545

E: sales@peninsularcylinders.com W: peninsularcylinders.com

Penny and Giles Controls, Inc. 919 N. Plum Grove Rd. Suite A and B Schaumburg, IL 60173

P: 847-995-0840

F: 847-995-0838

W: pennyandgiles.com

Perforated Tubes, Inc.

4850 E. Fulton St. Ada, MI 49301

P: 616-942-4550

E: pti@perftubes.com W: perftubes.com

Performance Pulsation Control, Inc.

3309 Essex Drive, Suite 200 Richardson, TX 75082

P: 972-318-9141

F : 972-699-8602

E: sales@performancepulsation.com W: performancepulsation.com

Permco, Inc.

1500 Frost Road, PO Box 2068 Streetsboro, OH 44241

P: 800-626-2801

F: 330-626-2805

E: info@permco.com W: permco.com

Peter Paul Electronics Co., Inc.

480 John Downey Dr. New Britain, CT 06051

P: 860-229-4884

F: 860-223-1764

E: info@peterpaul.com W: peterpaul.com

Petro-Canada

385 Southdown Rd. Toronto, ON L5J 2Y3

P: 905-403-6778

F: 905-403-6740

W: petro-canada.com

PFA, Inc.

N118 W18251 Bunsen Drive Germantown, WI 53022

P: 262-250-4410

F: 262-250-4409

E: staff@pfa-inc.com

W: pfa-inc.com

PHD, Inc.

9009 Clubridge Drive Fort Wayne, IN 46809

P: 800-624-8511

E: phdinfo@phdinc.com

W: phdinc.com

Piab

65 Sharp Street Hingham, MA 02043

P: 800-321-7422 F: 781-337-6864 E: info-usa@piab.com W: piab.com

Pierce Sales 549 U.S. Highway 287 South Henrietta, TX 76365

P: 940-538-5644 F: 940-538-4382 E: sales@piercesales.com W: piercesales.com

Pinnacle Systems, Inc. P.O. Box 100088 Pittsburgh, PA 15233 P: 412-262-3950 F: 412-262-4055 E: sales@pinnaclesystems.com W: pinnaclesystems.com

Pirtek, Fluid Transfer Solutions 501 Haverty Court Rockledge, FL 32955 Toll free: 888-774-7835 P: 321-504-4422 F: 321-504-4433 W: pirtekusa.com

Pisco USA, Inc. 463 Wrightwood Ave. Elmhurst, IL 60126 P: 630-993-3500 F: 630-993-3501 E: hnakayama@pisco.com W: pisco.com

Plymouth Tube Company 29 W150 Warrenville Road Warrenville, IL 60555 P: 800-323-9506 F: 630-393-3551 E: sales@plymouth.com W: plymouth.com

PMC A&E, INC 3435 Wilshire Blvd. STE 2370 Los Angeles, CA 90010 P: 213-221-4556 F: 213-221-4557 E: info@pmcane.com W: pmcane.com

Pneuline Supply, Inc. 2881 South 31st Ave., Unit 2A Greeley, CO 80631 P: 970-506-9670 F: 970-330-1089

E: sales@pneulinesupply.com W: pneulinesupply.com

Pneumadyne Inc. 14425 23rd Ave. N Plymouth, MN 55447

P: 763-559-0177 F: 763-559-0547 E: sales@pneumadyne.com W: pneumadyne.com

Pneumatech LLC 4909 70th Avenue Kenosha, WI 53144

P: 262-658-4300 F: 262-658-1945 W: pneumatech.com

Pneumatics, Hydraulics & Abrasives, Inc. (PHA, Inc.) 1155 Allgood Road, Suite 1 Marietta, GA 30062

P: 678-560-9411

F: 678-560-9557

E: sales@pha-south.com W: pha-south.com

Pneumatic Solutions, Inc.

P.O. Box 1589

Wake Forest, NC 27588

P: 919-554-1214

F: 919-554-1740

E: info@pneusol.com W: pneumaticsolutions.com

Poclain Hydraulics

1300 Grandview Parkway Sturtevant, WI 53177 P: 262-321-0676 F: 262-321-0703

E: info-america@poclain.com W: poclain-hydraulics.us

Polygon Composites Company 103 Industrial Park Dr. Walkerton, IN 46574

P: 574-586-3145

E: sales@polygoncompany.com W: polygoncomposites.com

Poly Mod® Technologies Inc. 4146 Engleton Dr. Fort Wayne, IN 46804

P: 260-436-1322

F: 260-432-6051

E: sales@polymod.com W: polymod.com

Polymer Molding Inc. 1655 W. 20th St. Erie, PA 16502

P: 800-344-7584

F: 888-257-5566

E: psutter@polymermolding.com W: polymermolding.com

Porous Media Corp. 1350 Hammond Road St. Paul, MN 55110

P: 651-653-2000

F: 651-653-2230

E: LHTech@porous.com W: porous.com

Positech Corporation 191 North Rush Lake Rd. Laurens, IA 50554 P: 800-831-6026 F: 712-841-4765

E: sales@positech.com W: positech.com

Power Drives, Inc. 801 Exchange Street Buffalo, NY 14210

P: 716-822-3600

F: 716-824-4817

E: sales@powerdrives.com W: powerdrives.com

Poweram, Inc. 150 N. 18th St. Barron, WI 54812-0153

P: 715-537-9050

E: sales@poweram.com W: poweram.com

Powerex, Inc. 173 Pavilion Lane Youngwood, PA 15697

P: 724-925-7272

F: 724-925-4393

E: prxinfo@pwrx.com W: pwrx.com

Power Seal international, LLC 2932 Waterview Dr. Rochester Hills, MI 48309

P: 248-852-9111

F: 248-852-9250

E: powerseal@prodigy.net

Power Systems 8325 Commerce Drive Chanhassen, MN 55317

P: 952-361-6800

F: 952-361-6801

E: tsteinkamp@powersystemsmn.com W: PowerSystems-MN.com

48 | June 2024 CELEBRATING 30 YEARS WWW.FL u IDPOW e RJO u R n AL.COM | WWW.IFPS.ORG MANUFACTURERS 2024 DIRECTORY
P

Power Valve USA PO Box 4313

222 S. Navigation Blvd.

Corpus Christi, TX 78469/78405

P: 713-869-1064

F: 361-883-3893

E: service@powervalveusa.com

W: powervalveusa.com

P-Q Controls

95 Dolphin Rd. Bristol, CT 06010

P: 860-583-6994

F: 860-583-6011

E: bperrella@p-qcontrols.com

W: p-qcontrols.com

Precision Filtration Products

3770 Lafield Road Pennsburg, PA 18073

P: 215-679-6645

F: 215-679-6648

E: sales@precisionfiltration.com

W: precisionfiltration.com

Precision Industries

4220 S 102nd Street Omaha, NE 68127

P: 402-537-8706

F: 402-537-8730

E: jper@precisionind.com

W: precisionind.com

Precision Instrument Company

3295 Cobb International Blvd. Kennesaw, GA 30152

P: 888-650-6923

F: 770-429-0795

E: sales@picgauges.com

W: picgauges.com

Precix

744 Belleville Ave.

New Bedford, MA 02745

P: 508-998-4000

F: 508-998-4100

E: success@precixinc.com

W: precixinc.com

Premier Thermal Solutions

209 W. Mt. Hope Avenue Lansing, MI 48910

P: 517-485-5090

E: sales@premierthermal.com

W: premierthermal.com

Pressroom Electronics P.O. Box 99875 Pittsburgh, PA 15233

P: 412-262-1115

F: 412-262-1197

E: sales@pressroomelectronics.com

W: pressroomelectronics.com

Pressure Components, Inc.

5101 Naiman Pkwy. Solon, OH 44139

P: 440-349-4020

F: 440-349-3653

E: sales@pressurecomponents. com

W: pressurecomponents.com

Pressure Connections Corp.

610 Claycraft Road Columbus, OH 43230

P: 614-863-6930

F: 614-864-1327

W: pressureconnections.com

Pressure Switches Inc.

353 California Ave. Grants Pass, OR 97526-8882

P: 541-474-4444

F: 541-476-7993

W: pressureswitches.com

Pressure Systems Inc.

34 Research Dr. Hampton, VA 23666

P: 757-865-1243

F: 757-865-8744

E: denise.topping@ pressuresystems.com

W: pressuresystems.com

Prevost Corp 1200 Woodruff Rd., Unit A2 Greenville, SC 29607

P: 864-284-6425

F: 864-284-6428

E: sales.corp@prevostusa.com W: prevostusa.com

PRIME Measurement Products, LLC

900 S. Turnbull Canyon Rd. City of Industry, CA 91745

P: 626-961-2547

F: 626-961-4452

E: info@prime-measurement.com

W: prime-measurement.com

Prince Manufacturing Corp.

P.O. Box 7000

North Sioux City, SD 57049-7000

P: 605-235-1220

F: 605-235-1082

E: prince@princehyd.com W: princehyd.com

Pro-Active Fluid Power 44383 Reynolds Dr. Clinton Twp., MI 48036

P: 586-465-6708

F: 586-465-6709

E: insidesales@ proactivefluidpower.com W: proactivefluidpower.com

Progress Casting 2600 Niagara Ln. N. Plymouth, MN 55447

P: 763-557-1000

F: 763-557-0320

E: info@progresscasting.com W: progresscasting.com

Progressive Hydraulics, Inc.

350 North Midland Ave. Saddle Brook, NJ 07663

P: 201-791-3400

F: 201-791-3582

E: sales@phionline.com W: phionline.com

Proportion-Air, Inc. 8250 N. 700 West McCordsville, IN 46055

P: 317-335-2602 F: 317-335-3853

E: info@proportionair.com W: proportionair.com

PTI Technologies, Inc. 501 Del Norte Blvd. Oxnard, CA 93030

P: 805-604-3700

F: 805-604-3701

E: filters@ptitechnologies.com W: ptitechnologies.com

Pulsafeeder, Inc. 2883 Brighton-Henrietta TownLine Rd. Rochester, NY 14623

P: 585-292-8000

F: 585-424-5619

E: pulsa@idexcorp.com W: pulsafeeder.com

Pulse 12220 World Trade Dr. San Diego, CA 92128

P: 858-674-1800

F: 858-674-8262

E: sales@pulseeng.com W: pulseeng.com

PUREGAS

226 A Commerce St. Broomfield, CO 80020

P: 800-521-5351

F: 303-657-2205

E: INFO@PUREGAS.com W: PUREGAS.com

PVS Sensors Inc. 2810 Blue Ridge Blvd. West Union, SC 29696

P: 864-638-5544

F: 864-638-0005

E: sales@pvssensors.com W: pvssensors.com

PWM Controls Inc.

185-911 Yates St. Victoria, BC V8V4Y9

P: 866-719-2561

E: sales@pwmcontrols.com

W: pwmcontrols.com

Quaker Chemical 901 E. Hector St. Conshohocken, PA 19428

P: 800-523-7010

F: 610-832-4497

W: quintolubric.com

E: info@quakerchem.com

W: quakerchem.com

Quality Control Corp.

7315 West Wilson Avenue

Harwood Heights, IL 60706

P: 708-887-5400

F: 708-887-5009

E: info@qccorp.com

W: qccorp.com

R&R Rubber Molding, Inc.

P.O. Box 3533 2444 Loma Avenue

South El Monte, CA 91733

P: 626-575-8105

F: 626-575-3756

E: rpn@rrrubber.com

W: rrrubber.com

Racine Flow Meter Group

8635 Washington Ave. Racine, WI 53406

P: 262-639-6770

F: 262-639-2267

E: info@racinefed.com

W: racinefed.com/flow

RAM Industries Inc.

33 York Road, East PO Box 5007

Yorkton, SK Canada S3N 3Z4

P: 1-877-799-1005

F: 306-786-2651

E: ESTIMATING@ RAMINDUSTRIES.COM

W: ramindustries.com

Ramco Innovations/Optex US Sales 1207 Maple St. West Des Moines, IA 50265

P: 515-225-6933

F: 515-225-0063

E: mreelitz@ramcoinnovations.com

W: optex-ramco.com

RB Royal Industries 1350 S. Hickory St. Fond du Lac, WI 54937

P: 920-921-1550

F: 920-921-4713

E: rbroyal@rbroyal.com

W: rbroyal.com

Rectus-Tema Corporation 164 Pointe S. Dr. Randleman, NC 27317

P: 336-495-0014

F: 336-495-0024

E: information@rectus-tema.com

W: rectus-tema.com

Reed Switch Developments Corp. 2524 Norwood Ct. Racine, WI 53403

P: 1-262-883-9060

F: 1-262-883-9066

E: sales@reedswitchdevelopments.com

W: reedswitchdevelopments.com

Reelcraft Industries, Inc. 2842 East Business Hwy 30 Columbia City, IN 46725

P: 800-444-3134/260-248-2605

F: 260-248-2605

E: reelcraft@reelcraft.com

W: reelcraft.com

RegO 100 RegO Drive Elon, NC 27244

P: 336-449-7707

F: 336-449-6594

E: ecii@RegOproducts.com

W: RegOproducts.com

Reid Tool Supply Company 2265 Black Creek Road Muskegon, MI 49444

P: 800-253-0421

F: 800-438-1145

E: mail@reidtool.com

W: reidtool.com

Renco Inc. 6719 Alcoa Road Benton, AR 72015

P: 501-565-0404

F: 501-315-2395

E: rencousa@gmail.com

W: rencocontrols.com

Reverso Pumps, Inc.

201 SW 20th Street

Fort Lauderdale, FL 33315

P: 954-522-0882

F: 954-522-0456

E: contact@reversopump.com

W: reversopumps.com

RG Group 650 North State Street York, PA 17403

P: 877-870-2692

F: 877-727-4332

E: CustomerService@rg-group.com

W: rg-group.com

RHEINTACHO Messtechnik GmbH

Waltershofener Str. 1 Freiburg, Baden-Württemberg 79111

Germany

P: +49(0) 761 4513 0

E: info@rheintacho.de W: rheintacho.com

RHM Fluid Power (a Flodraulic company)

375 Manufacturers Drive Westland, MI 48186

P: 734-326-5400

F: 734-326-0339

E: info@rhmfp.com

W: rhmfp.com

Rietschle Thomas 1419 Illinois Ave. Sheboygan, WI 53081

P: 920-457-4891

F: 920-451-4276

E: leads@rtpumps.com

W: rtpumps.com

Rineer Hydraulics 331 Breesport San Antonio, TX 78216

P: 210-341-6333

F: 210-341-1231

E: sales@rineer.com

W: rineer.com

Ritepro, Inc.

A Subsidiary of Bray Intl., Inc. 12,200 Albert Hudon Blvd. Montreal, Quebec H1G 3K7 CANADA

P: 514-324-8900

F: 514-324-9525

E: Strudel@bray.qc.ca

W: ritepro.com

RJ Hydraulics Inc. 967 New Castle Rd. Butler, PA 16001

P: 724-865-9883

F: 724-865-2501

E: RJHydraulic@gmail.com

RL Hudson Company 2000 West Tacoma Broken Arrow, OK 74012

P: 918-259-6600

F: 918-259-6700

E: info@RLHudson.com W: RLHudson.com

Robeck Fluid Power Co. 350 Lena Drive Aurora, OH 44202

P: 330-562-1140

F: 330-562-1141

E: sales@robeckfluidpower.com

W: robeckfluidpower.com

Rockford Air Devices, Inc. P.O Box 2497 Loves Park, IL 61132

P: 815-654-3330

F: 815-654-0847

Rosedale Products, Inc. 3730 West Liberty Ann Arbor, MI 48103

P: 800-821-5373

F: 734-665-2214

E: filters@rosedaleproducts.com

W: rosedaleproducts.com

Ross Controls 1250 Stephenson Hwy. Troy, MI 48309

P: 248-764-1800 F: 248-764-1850

E: sales@rosscontrols.com

W: rosscontrols.com

Rota-Cyl Corporation PO Box 269, 136 Stauffer Road BechPhonesville, PA 19505

P: 610-845-8001 F: 610-845-8178

E: sales@rotacyl.com W: rotacyl.com

Rota Engineering Limited Wellington Street Bury, Manchester United Kingdom, BL8 2BD P: 011-44-161-764-0424

E: info@rota-eng.com W: rota-eng.com

Rotary Power Inc. 6009 West 41st Street, Suite 1A Sioux Falls, SD 57106 P: 1-605-361-5155 F: 1-605-362-1949 E: info@rotarypower.com W: rotarypower.com

Rotary Systems, Inc. 14440 Azurite Street NW Minneapolis, MN 55303 P: 763-323-1514 F: 763-323-1622 E: info@rotarysystems.com W: rotarysystems.com

Roth Hydraulics NA Inc.

One General Motors Drive Syracuse, NY 13211 P: 1-315-475-0100 F: 1-315-475-0200

E: service@roth-hydraulics.com W: roth-hydraulics.com

Rotomation, Inc. 11 Sunshine Blvd. Ormond Beach, FL 32174 P: 386-676-6377 F: 386-676-6379 E: sales@rotomation.com W: rotomation.com

Rotor Clip 187 Davidson Avenue Somerset, NJ 08873 P: 732-469-7333 F: 732-469-7898 E: info@rotorclip.com W: rotorclip.com

Rotork-Hiller (Ralph A Hiller Co., Wholly-owned subsidiary of Rotork)

6005 Enterprise Drive Export, PA 15632 P: 724-325-1200 F: 724-733-1825 E: sales@rahiller.com W: rahiller.com

RR USA, Inc. 8 Creek Parkway Boothwyn, PA 19061 P: 610-497-0154 F: 610-497-6085 E: azanellotti@rrusainc.com W: rrusainc.com

RT Dygert International 5250 West 73rd Street Edina, MN 55439 P: 952-835-1700 F: 952-835-1701

E: sales@rtdygert.com W: rtdygert.com

Rupe’s Hydraulics Sales & Service 725 N Twin Oaks Valley Rd San Marcos, CA 92069

P: 760-744-9350 F: 760-744-7859

E: sales@rupeshydraulics.com W: rupeshydraulics.com

WWW.IFPS.ORG | WWW.FL u IDPOW e RJO u R n AL.COM CELEBRATING 30 YEARS June 2024 | 49 MANUFACTURERS 2024 DIRECTORY
Q
R

Ryco Hydraulics, Inc.

1616 Greens Road

Houston, TX 77032

P: 844-700-0247

F: 281-821-4300

E: sales@ryco.us

W: ryco.com.au S

S. Himmelstein & Co.

2490 Pembroke Ave.

Hoffman Estates, IL 60169

P: 847-843-3300

F: 847-843-8488

E: sales@himmelstein.com

W: himmelstein.com

S.G. Morris Co., LLC

699 Miner Road

Cleveland, OH 44143

P: 866-746-6774

F: 866-746-2556

E: sgmmail@sgmorris.com

W: sgmorris.com

Safeway Hydraulics

4040 Norex Dr. Chaska, MN 55318

P: 952-466-6221

F: 952-466-6219

E: info@safewayhyd.com

W: safewayhyd.com

Santest Co.Ltd/Exsenco LLC

P.O. Box 271348 Corpus Christi, TX 78414

P: 361-510-3264

E: exsenco@gmail.com

W: exsenco.com

SC Hydraulic Engineering Corp. 1130 Columbia St. Brea, CA 92821

P: 714-257-4800

F: 714-257-4810

E: info@schydraulic.com

W: schydraulic.com

Scenery Hydraulic, Inc.

1939 S. Lake Pl. Ontario, CA 91761

P: 909-930-9586

F: 909-354-3181

E: kai@sceneryhydraulic.com

W: kalscenery.com

Schmalz

5850 Oak Forest Dr. Raleigh, NC 27616

P: 919-713-0880

F: 919-713-0883

E: schmalz@schmalz.us

W: schmalz.com

Schroeder Industries

580 West Park Rd. Leetsdale, PA 15056

P: 800-722-4810

F: 724-318-1200

E: sisale@schroederindustries.com

W: schroederindustries.com/

Schunk

211 Kitty Hawk Drive Morrisville, NC 27560

P: 919-572-2705

F: 919-572-2818

E: info@us.schunk.com

W: us.schunk.com

Scott Rotary Seals

301 Franklin Street Olean, NY 14760

P: 716-376-0708

F: 716-372-1777

E: sales@scottrotaryseals.com

W: scottrotaryseals.com

Seal Master Corporation

368 Martinel Dr. Kent, OH 44240

P: 330-673-8410

Toll Free: 800-477-8436

F: 330-673-8242

E: info@sealmaster.com

W: sealmaster.com

Seal Science, Inc. 17131 Daimler St. Irvine, CA 92614

P: 800-576-7325

F: 949-253-3141

E: info@sealscience.com

W: sealscience.com

Senix Corporation 10516 Rte 116 Ste 300

Hinesburg, VT 05461

P: 802-489-7300

F: 802-489-7400

E: sales@senix.com W: senix.com

Sensor Systems LLC 2800 Anvil Street North St. Petersburg, FL 33710

P: 727-347-2181

F: 727-347-7520/-3881

E: sales@sensorsllc.com

W: sensorsllc.com

Sensotec, Inc. 2080 Arlingate Ln. Columbus, OH 43228

P: 614-850-5000

F: 610-850-1111

E: sales@sensotec.com

W: sensotec.com

SERFILCO, Ltd. 2900 MacArthur Blvd. Northbrook, IL 60062

P: 847-509-2900 F: 847-559-1995 E: sales@serfilco.com W: serfilco.com

Servi Fluid Power, Inc. 22240 Merchants Way, Suite 100 Katy, TX 77449

P: 281-347-8080

F: 281-576-7704

E: info@sfphyd.com W: sfphyd.com

Service Hydraulics, LLC PO Box 4313 222 S. Navigation Blvd. Corpus Christi, TX 78469/78405

P: 361-883-3891

F: 361-883-3893

E: info@servicehyd.com W: servicehyd.com

Servoflo Corporation 75 Allen Street Lexington, MA 02421

P: 781-862-9572

F: 781-862-9244

E: info@servoflo.com W: servoflo.com

Servometer-PMG, LLC 501 Little Falls Road Cedar Grove, NJ 07009

P: 973-785-4630

F: 973-785-0756

E: info@servometer.com W: servometer.com

Sethco Division, Met-Pro Corp. 70 Arkay Dr., P.O. Box 12128 Hauppauge, NY 11788

P: 631-435-0530

F: 631-435-0654

E: sethcosales@mindspring.com W: sethco.com

Setra Systems, Inc. 159 Swanson Rd. Boxborough, MA 01719

P: 800-257-3872

F: 978-264-0292 W: setra.com

Settima/ALA Industries Limited (North America Distributor) 1150 Southpoint Circle, Suite D Valparaiso, IN 46385

P: 877-419-8536 F: 219-477-4194

E: info@alaindustrieslimited.com W: settima.it

Seven North Industries, Inc. 34 Candlewood Vista New Milford, CT 06776

P: 860-355-4429

F: 860-355-7395

E: j.clery@sevennorthindustries.com W: sevennorthindustries.com

Seven Ocean Hydraulic Industrial Co., LTD 24F., No.789, Zhongming S. Rd Taichung, Taiwan 402

P: 886-4-22658680 *309

F: 886-4-22658690

E: sales@seven-ocean.com.tw W: 7ocean.com

Seventy-Three Mfg. Co. Inc.

136 Stauffer Road

BechPhonesville, PA 19505

P: 610-845-7823

F: 610-845-7824

E: sales@seventythreemfg.com

SFC KOENIG

73 Defco Park Road

North Haven, CT 06473

P: 203-245-1100

F: 203-245-3072

E: info-us@sfckoenig.com W: sfckoenig.com

Sheffer Corporation, The 6990 Cornell Rd. Cincinnati, OH 45242

P: 513-489-9770

F: 513-489-3034

W: sheffercorp.com

Shelco Filters

100 Bradley Street Middletown, CT 06457

P: 860-854-6121

F: 860-854-6120

E: info@shelco.com

W: shelco.com

Sherex Fastening Solutions

400 Riverwalk Pkwy, Suite 600 Tonawanda, NY 14150

P: 866.474.3739

E: info@sherex.com W: sherex.com

SICK, Inc.

16900 W. 110th St. Minneapolis, MN 55438

P: 952-941-6780

F: 952-941-9287

E: info@sick.com W: sickusa.com

Siemens Water Technologies Corp.

181 Thorn Hill Road Warrendale, PA 15086

P: 1-800-525-0658

F: 724-772-1360

E: information.water@siemens.com W: siemens.com/water

Sierra Instruments, Inc

5 Harris Ct., Bldg. L Monterey, CA 93940

P: 831-373-0200

F: 831-373-4402

E: info@sierrainstruments.com

W: sierrainstruments.com

Sika USA Inc

1500 S. Sylvania Ave., Ste. 111 Sturtevant, WI 53177

P: 262-886-2695

F: 262-898-0101

E: info@sika-usa.com W: sika-usa.com

Silicon Designs Inc 13905 NE 128th St Kirkland, WA 98034

P: 1-425-391-8329

F: 1-425-391-0446

E: sales@silicondesigns.com W: silicondesigns.com

Simerics, Inc. 1750 112th Ave, Ste C250 Bellevue, WA 98004

P: 425-502-8878

E: contact@simerics.com W: simerics.com

Simonds Inc.

248 Elm St. Southbridge, MA 01550

P: 508-764-3235

F: 508-765-5125

E: sales@simonds-inc.com

W: simonds-inc.com

Simplex

777 Oakmont Lane Westmont, IL 60559

P: 800-323-9114

F: 630-590-6990

E: info@tksimplex.com

W: tksimplex.com

SIMRIT

2250 Point Boulevard, Ste. 230 Elgin, IL 60123

P: 866-274-6748

F: 847-783-6519

E: info@simrit.us W: simrit.com

SIPCO Mechanical Linkage Solutions

12610 Galveston Road Webster, TX 77598

P: 281-480-8711

F: 281-480-8656

E: mcisneros@sipco-mls.com

W: sipco-mls.com

SIWI Inc.

P.O. Box 1415

Glendora, CA 91740-1415

P: 626-963-7643

F: 626-963-3612

SKF

890 Forty Foot Road Landsdale, PA 19446

P: 1-888-753-3477

E: marketingnam@skf.com W: skf.com

SKF Lincoln 5148 North Hanley Road St. Louis, MO 63134

P: 314-679-4200

E: marketingnam@skf.com

W: skf.com

Skinner Valve 95 Edgewood Ave. New Britain, CT 06051

P: 860-827-2300

F: 860-827-2374

W: parker.com/skinner

Smalley Steel Ring 555 Oakwood Rd. Lake Zurich, IL 60047

P: 847-719-5900 F: 847-719-5999

E: info@smalley.com

W: smalley.com

SMC Corporation of America 10100 SMC Boulevard Noblesville, IN 46060

P: 800-SMC-SMC1

F: 317-898-3896

W: smcusa.com

Sno-Motion Solutions, Inc PO Box 520091

Salt Lake City, UT 84152

P: 801-232-67

E: roliver@sno-motion.com

W: sno-motion.com

Snap-tite

Quick Disconnect & Valve Div. 201 Titusville Road Union City, PA 16438

P: 814-438-3821 F: 814-438-3069 E: qdv_sales@snap-tite.com W: snap-titequickdisconnects.com

Solenoid Solutions, Inc. 2251 Manchester Road Erie, PA 16506

P: 814-838-3190

E: tmartin@solenoidsolutionsinc.com W: solenoidsolutionsinc.com

Sonceboz S.A. Rue Rosselet-Challondes 5 Sonceboz, Switzerland 2605 P: +41 (0) 32 488 11 11 E: info@sonceboz.com W: sonceboz.com

Source Fluid Power 331 Lake Hazeltine Dr. Chaska, MN 55318 P: 952-368-3866 F: 952-448-3392 W: sourcefp.com

Southern Hydraulics & Automation (a Flodraulic company) 737 Harry McCarty Road, Suite 800 Bethlehem, GA 30620 P: 678-425-0346 E: info@shasouth.com W: shasouth.com

Spartan Scientific 230 McClurg Rd. Youngstown, OH 44512 P: 330-758-8446

E: customerservice@ spartanscientific.com W: spartanscientific.com

SPC Company 390 Amapola Ave., Ste. #1 Torrance, CA 90501

P: 310-320-3748 F: 310-320-3436

E: spc@spctrade.com W: spctrade.com

Specialty Mfg. Co., The 5858 Centerville Rd. St. Paul, MN 55127 P: 651-653-0599 F: 651-653-0989

E: info@specialtymfg.com W: specialtymfg.com

Spectroline Industrial 956 Brush Hollow Road Westbury, NY 11590 P: 516-333-4840 F: 516-333-4859 E: info@spectroline.com W: spectroline.com

Spectroline Leak Detection 265 Spagnoli Rd #100 Melville, NY 11747 P: 516-333-4840

E: orders@spectroline.com W: spectroline.com/

Spencer Fluid Power 19308 68th Ave. South Kent, WA 98032

P: 253-796-1100 F: 253-395-1101

W: SpencerFluidPower.com

Spez Tech EFPT 2144 Burbank Drive Mississauga, Ontario L5L 2T8 CANADA

P: 905-828-5579

F: 905-828-8189

E: spez-tech@rogers.com

W: walther-praezision.de

SPhonemi America Inc. 1601 Brooks Dr. Marshall, MI 49068 P: 269-781-6222 F: 269-781-7723 W: sPhonemiamerica.com

E: info@sPhonemiamerica.com

SPIR STAR LTD. 10002 Sam Houston Center Dr Houston, TX 77064

P: 800-890-7827 / 281-664-7800

F: 281-664-7850

E: Sales@spirstar.com W: spirstar.com

Spirax Sarco 1150 Northpoint Blvd. Blythewood, SC 29016

P: 803-714-2036

F: 803-714-2222

E: tracy.bertone@us.spiraxsarco.com W: spiraxsarco.com/global/us

Sponsler 2363 Sandifer Blvd. Westminster, SC 29693

P: 864-647-2065

E: dbourgeois@idexcorp.com W: sponsler.com

Springer Co-Ax, Inc. 10 Noeland Ave. Penndel, PA 19042

P: 215-757-3725

F: 215-757-4060 E: info@coaxvalves.com W: coaxvalves.com

SPX Fluid Power 5885 11th St. Rockford, IL 61109

P: 800-541-1418

F: 800-288-7031

E: info@powerteam.com W: powerteam.com

SRS Crisafulli, Inc. PO Box 1051

Glendive, MT 59330

P: 406-365-3393

F: 406-365-8088

E: SRSC@crisafulli.com W: crisafullipumps.com

50 | June 2024 CELEBRATING 30 YEARS WWW.FL u IDPOW e RJO u R n AL.COM | WWW.IFPS.ORG MANUFACTURERS 2024 DIRECTORY

SSP Fittings Corp.

8250 Boyle Pkwy.

Twinsburg, OH 44087

P: 330-425-4250

F: 330-425-8106

E: help.me@sspfittings.com

W: sspfittings.com

SSS Clutch Company, Inc.

610 West Basin Road

New Castle, DE 19720

P: 302-322-8080

F: 302-322-8548

E: engineering@sssclutch.com

W: sssclutch.com

Stafford Manufacturing Corp.

256 Andover St. Wilmington, MA 01887

P: 978-657-8000

F: 978-657-4731

E: sales@staffordmfg.com

W: staffordmfg.com

Stafford Manufacturing Corp.

P.O. Box 2370

Woburn, MA 01888

P: 800-695-5551

F: 800-649-5101

E: sales@staffordmfg.com

W: staffordmfg.com

Stainless Adapters Inc. PO Box 481 Katy, TX 77492-0481

P: 281-769-7467

E: info@stainlessadapters.com

W: stainlessadapters.com

Stainless Hose Fittings LTD

8103 Red Bluff Road Pasadena, TX 77507

P: 832-456-2000

F: 832-456-2005

E: info@shfltd.com

W: shfltd.com

Stanley M. Proctor Company

2016 Midway Dr. Twinsburg, OH 44087

P: 330-425-7815

F: 330-425-3222

E: proctor@stanleyproctor.com

W: stanleyproctor.com

Starcyl Cylinders Corp

20 Ron Joye Road

Hemingway, SC 29554

P: 843-461-6023

F: 843-353-2442

E: sales@starcyl.com

W: starcyl.com

Stäubli Corporation

201 Parkway West Duncan, SC 29334

P: 864-433-1980

F: 864-486-5495

E: connectors.sales@staubli.com

W: staubli.com

Stauff Corporation

7 Wm. Demarest Place Waldwick, NJ 07463

P: 201-444-7800

E: sales@stauffusa.com

W: stauff.com

Steelhead Composites

500 Corporate Cir., Ste. O Golden CO, 80401

P: 720-524-3360

E: sales@steelheadcomposites.com

W: steelheadcomposites.com

Steffen, Inc.

623 W. 7th St. Sioux City, IA 51103

P: 800-783-3832

F: 800-329-3522

W: steffenhydro.com

Sterling Hydraulics, Inc.

850 Arthur Ave.

Elk Grove Village, IL 60007

P: 847-690-1333

F: 847-690-1334

W: sterling-hydraulics.co.uk

Sterling-PCU

2280 Dorothy Ln. Dayton, OH 45439

P: 937-853-1710

F: 937-299-3843

E: equipment@pcunic.com

W: sterlingpcu.com

Strahman Valves, Inc.

2801 Baglyos Circle Bethlehem, PA 18020

P: 484-893-5080

F: 484-893-5099

E: pvanblarcom@strahman.com

W: strahmanvalves.com

Suco ESI North America 6560 W. Rogers Circle, Suite 22 Boca Raton, FL 33496

P: 561-989-8499

E: marketing@sucoesi.com

W: sucoesi.com

SUHNER Manufacturing, Inc. 43 Anderson Road Rome, GA 30161

P: 706-235-8046

F: 706-235-8045

E: todd.newsom@suhner.com

W: suhner-transmission-expert.com

Summit Industrial Products 9010 CR 2120 Tyler, TX 75707

P: 903-534-8021

F: 903-581-4376

E: info@klsummit.com W: klsummit.com

Sun Hydraulics 1500 University Parkway West Sarasota, FL 34233

P: 941-362-1225

E: steve.berlin@sunhydraulics.com

W: sunhydraulics.com

Sunfab Hydraulics Inc. 6426 Hendry Road, Suite A Charlotte, NC 28269

P: 704-509-6435

E: sunfab-us@sunfab.com

W: sunfab.com/us

Sunsource 2301 Windsor Ct. Addison, IL 60101

P: 888-786-7723

F: 630-317-1001

E: info@sunsrce.com

W: sun-source.com

Sunx Sensors 1207 Maple St. W. Des Moines, IA 50265

P: 515-225-6933

F: 515-225-0063

W: sunx-ramco.com

Super Swivels

7917 Beech St NE Fridley, MN 55432

P: 763-784-5531

F: 763-784-7423

E: sales@superswivels.com

W: superswivels.com

Surplus Center 1015 West O Street Lincoln, NE 68528

P: 800-488-3407

F: 402-474-5198

W: surpluscenter.com

Swanson Industries 2608 Smithtown Road Morgantown, WV 26508

P: 800-327-6203

F: 304-292-8151

E: industirialsales@ swansonindustries.com

W: swansonindustries.com

Switches Unlimited 34-11 56th Street Woodside, NY 11377

P: 718-478-5000

F: 718-672-6370

E: info@switchesunlimited.com

W: switchesunlimited.com

Switching Solutions Inc.

380 Four Valley Drive Concord, ON L4K 5Z1

CANADA

P: 905-303-8700

F: 905-303-7130

E: sales@switchingssi.com W: switchingssi.com

SymCom, Inc.

2880 N. Plaza Drive

Rapid City, SD 57702

P: 605-348-5580

F: 605-348-5685

E: customerservice@symcom.com

W: symcom.com

Sync-Lok, Inc.

6 Janice Street Stanhope, NJ 07874

P: 973-810-2773

F: 973-810-2774

E: info@sync-lok.com

W: sync-lok.com

System Components Inc. 1635 Stieve Dr. South Haven, MI 49090

P: 800-866-1290

F: 269-637-8377

E: sales@sc-couplings.com

W: sci-coupling.com

TTAIMI Hydraulics

192 Parc Industriel

Saint-Prime, QC, Canada G8J 2B1

P: 1-418-686-6868

F: 1-888-830-5331

E: info@taimi.ca

W: taimi.ca

Tarrant Hydraulic Service, Inc. 1321 Pinson Valley Pkwy. Tarrant, AL 35217

P: 205-841-0457

F: 205-841-7457

E: clowery@tarranthydraulic.com W: tarranthydraulic.com

Taylor Devices, Inc. 90 Taylor Drive North Tonawanda, NY 14120-0748

P: 716-694-0800

F: 716-795-6015

E: taylordevi@aol.com W: taylordevices.com

TCR Corporation 1600 67th Ave. N. Minneapolis, MN 55430

P: 763-560-2200

F: 763-561-0949

W: tcr-corp.com

Techno-Omil 2101 Jericho Turnpike

New Hyde Park, NY 11040

P: 516-328-3970

F: 516-358-2576

E: grippersupport@techno-omil.com

W: techno-omil.com

Techno-Sommer 2101 Jericho Turnpike

New Hyde Park, NY 11040

P: 516-328-3970

F: 516-358-2576

E: grippersupport@technosommer.com W: Techno-sommer.com

Teknocraft Inc. 425 West Dr. Melbourne, FL 32904

P: 321-729-9634

F: 321-768-8732

E: sales@teknocraft.com

W: teknocraft.com

Tele Radio 14895 NE 20th Ave North Miami Miami, FL 14895

P: 1-866-629-0780

E: info@teleradio.com

W: tele-radio.com

Terrell Manufacturing, Inc. 19444 Progress Dr. Strongsville, OH 44149

P: 440-238-5445

F: 440-238-4249

E: terellmfg@cs.com

W: terrellmfg.com

Teseq/Ametek 52 Mayfield Ave. Edison, NJ 08837

P: 888-417-0501

E: maryjane.salvador@ametek.com

W: teseq.com

Texacone Co. 4111 Forney Ave. Mesquite, TX 75149

P: 972-288-4404

F: 972-289-6285

E: jwheeler@texacone.com

W: texacone.com

Texas Hydraulics, Inc. 3410 Range Rd. Temple, TX 76502

P: 254-778-4701

F: 254-774-9940

E: sales@texashyd.com

W: texashydraulics.com

TEXCEL 4444 Homestead Road Houston, TX 77028

P: 800-231-7116

F: 800-759-4673

E: sales@texcelrubber.com

W: texcelrubber.com

The Briggs Company 3 Bellecor Drive New Castle, DE 19720

P: 302-328-9471

F: 302-322-7707

E: briggssales@briggsco.net

W: briggsco.net

The Hope Group 70 Bearfoot Rd. Northborough, MA 01532

P: 508-393-7660

F: 508-393-8203

E: techSupport@TheHopeGroup.com

W: TheHopeGroup.com

The IFH Group 3300 East Rock Falls Road Rock Falls, IL 61071

P: 800-435-7003 F: 815-626-1438

E: info@ifhgroup.com W: ifhgroup.com

The Knotts Company 350 Snyder Avenue Berkeley Heights, NJ 07922

P: 908-464-4800

F: 908-464-7747

E: solutions@knottsco.com W: knottsco.com

The Lee Company 2 Pettipaug Road, PO Box 424 Westbrook, CT 06498-0424

P: 860-399-6281

E: inquiry@theleeco.com W: leeco.com

The Paquin Company 9286 Mercantile Dr. Mentor, OH 44060 P: 216-261-5700 F: 216-261-5705 E: paquin@paquin.com W: paquin.com

The Strainrite Companies 65 First Flight Drive Auburn, ME 04210 P: 207-376-1612 F: 207-777-3177

E: ebush@strainrite.com W: strainrite.com

Thermal Transfer Products 5215 21st St. Racine, WI 53406 P: 262-554-8330 F: 262-554-8773

E: thermal_transfer_sales@ thermasys.com W: thermasys.com

Thomas Industries, Inc. 1417 Illinois Ave. Sheboygan, WI 53081 P: 920-451-4891 F: 920-451-4238 W: thomaspumps.com

Thomas Products LTD 987 West St. Southington, CT 06489 P: 1-800-666-9101 F: 860-621-1470

E: sales@thomasprod.com W: thomasprod.com

Thomas-Gordon Ltd. 3225 Mainway Dr. Burlington, ON L7M 1A6 P: 905-335-1440 F: 905-335-4033 W: thomson-gordon.com

WWW.IFPS.ORG | WWW.FL u IDPOW e RJO u R n AL.COM CELEBRATING 30 YEARS June 2024 | 51 MANUFACTURERS 2024 DIRECTORY

Thompson Dayton Steel Service

120 Royall Street

Canton, MA 02021

P: 781-828-8800

F: 781-828-5082

E: eryan@thompsonsteelco.com

W: thompsondayton.com

Thompson Pump

4620 City Center Dr. Port Orange, FL 32129

P: 386-767-7310

F: 386-761-0362

E: sales@thompsonpump.com

W: thompsonpump.com

Thornton Inc./Mettler-Toledo

1432 Main St. Waltham, MA 02451

P: 781-839-6400

F: 781-890-5507

E: info@thorntoninc.com

W: thorntoninc.com

Titan Inc.

9900 Durand Avenue

Sturtevant, WI 53177

P: 262-884-2890

F: 262-884-8070

E: info@titansystems.com

W: titansystems.com

Titan Worldwide

701 Montreal St. Thunder Bay, Ontario P7E 3P2 CANADA

P: 866-244-9862

F: 807-623-5692

E: info@titanworldwide.com

W: titanworldwide.com

T-Lon Products Inc 1110 Richards Road Hartland, WI 53029

P: 262-367-2333

F: 262-367-8159

E: bolson@t-lon.com

W: t-lon.com

Tobeyco Mfg. Co., Inc.

Federal Brass Div.

165 Cedar St. Corning, NY 14830

P: 607-962-6054

F: 607-962-8871

E: suztobeyco@stny.rr.com

Tobul Accumulator, Inc.

61 Innovation Drive Bamberg, SC 29003

P: 803-245-2400

F: 803-245-2636

E: sales@tobul.com

W: tobul.com

Tolomatic, Inc.

3800 County Rd. 116 Hamel, MN 55340

P: 763-478-8000

Toll Free P: 800-328-2174

F: 763-478-8080

E: sales@tolomatic.com

W: tolomatic.com

TopWorx

3300 Fern Valley Rd. Louisville, KY 40213

P: 502-969-8000

F: 502-969-5911

E: info@topworx.com

W: topworx.com

TPC Pneumatics 12411 McCann Dr. Santa Fe Springs, CA 90670

P: 800-347-3954

F: 562-944-3785

W: tpcpage.com

TR Engineering Inc. 1350 Green Hills Road Scotts Valley, CA 95066

P: 831-430-9920

F: 831-430-9989

E: rromero@TREngineering.com

W: TREngineering.com

Trans Metrics, Div. Of United Electric Controls 5325 Naiman Pkwy.E Solon, OH 44139

P: 440-248-2229

F: 440-248-7780

E: sales@trans-metrics.com

W: trans-metrics.com

Trelleborg Sealing Solutions 2531 Bremer Road Fort Wayne, IN 46803

P: 260-749-9631

F: 260-749-4844

E: tssusa@trelleborg.com

W: tss.trelleborg.com/en/yourindustry/fluid-power

Tribute, Inc. 1696 Georgetown Rd. F Hudson, OH 44236

P: 330-656-3006

F: 330-656-3464

E: tribute@tribute.com W: tribute.com

Trico Corporation 1235 Hickory St. Pewaukee, WI 53072

P: 262-691-9336

F: 262-691-2576

E: cservice@tricocorp.com W: tricocorp.com

Triple R America Co. Ltd. 60 Industrial Parkway Cheektowaga, NY 14227

P: 800-668-8671 F: 416-413-9387 E: dmurray@triple-rrr.com W: triple-rrr.com

Triple R Oil Cleaner 225 MacPherson Ave. Toronto, ONT M4V 1A1 CANADA

P: 416-413-9202

E: info@triple-rrr.com W: triple-rrr.com

Tri-Rotor, Inc. 36 East Lawton Street Torrington, CT 06790

P: 860-482-8581 F: 860-482-8435 E: info@trirotor.com W: trirotor.com

TSD Integrated Controls 3500 Anapolis Ln. Plymouth, MN 55447

P: 763-509-2107 F: 763-694-2197 W: tsdcontrols.com

TTI, Inc.

P.O. Box 1073 Williston, VT 05495

P: 802-863-0085 F: 802-863-1193

E: sales@ttiglobal.com W: ttiglobal.com

Tubes n Hoses

820 N. Dallas Ave Lancaster, TX 75146

P: 972-923-0766

F: 972-332-4119

E: sales@tubesnhoses.com W: tubesnhoses.com

Turn-Act

105 Commerce Way Westminster, SC 29693

P: 864-647-9521 F: 864-647-9574

E: CAP_CustomerService@itt.com W: turn-act.com

Turner Hydraulics 1605 Industrial Dr. Carlisle, PA 17013

P: 717-243-3329

E: cs@turnerhydraulics.com W: turnerhydraulics.com

Tuthill Coupling Group

1000 West Bagley Rd. Berea, OH 44017

P: 440-826-1115

F: 440-826-1105

E: Hansencouplings@tuthill.com W: tuthill.com

TWG-Dover

11135 S. James Ave. Jenks, OK 74037-1731

P: 918-298-8300

E: esallee@team-twg.com W: team-twg.com

U

UE Systems Inc.

14 Hayes St. Elmsford, NY 10523

P: 914-592-1220

F: 914-347-2181

E: info@uesystems.com

W: uesystems.com

Ultra Clean Technologies 1274 Hwy 77 Bridgeton, NJ 08302

P: 856-451-2176

F: 856-453-4975

E: sales@ultracleantech.com

W: ultracleantech.com

Ultra Electronics, Measurement Systems Inc.

50 Barnes Park North Wallingford, CT 06492

P: 203-949-3500

F: 203-949-3598

E: sales@ultra-MSI.com

W: ultra-msi.com

Ultraflo Corporation

A Subsidiary of Bray Int’l. Inc. #8 Trautman Industrial Drive Ste. Genevieve, MO 63670

P: 800-950-1762

F: 573-883-8882

E: ultraflo@ultraflovalve.com W: ultraflovalve.com

ULVAC Technologies, Inc.

401 Griffin Brook Dr. Methuen, MA 01844

P: 978-686-7500

F: 978-689-6300

W: ulvac.com

Uniflex of America, LLC

1088 National Parkway Schaumburg, IL 60173

P: 1-847-519-1100

F: 1-847-519-1104

E: sales@uniflex.de W: uniflexusa.com

Unique Automation LLC

612 East Main Street Palmyra, NY 14522

P: 315-597-4900

F: 315-597-4953

E: C.Schaufelberger@ uniqueautomation.com W: uniqueautomation.com

United Electric Controls Co. 180 Dexter Ave. Watertown, MA 02472

P: 617-926-1000

F: 617-926-2568

E: marketing@ueonline.com W: ueonline.com

United Motors & Heavy Equipment Co. LLC PO Box 17986, Jebel Ali Dubai, UAE

P: 9-714-881-3888

F: 9-714-881-2233

E: fluidpower@utdmotors.com W: dbasons.com

Universal Components, Inc. (UCI) 1313 Hall Spencer Rd. Rock Hill, SC 29730

P: 803-324-5176

F: 803-324-2640 W: ucimfg.com

Universal Flow Monitors, Inc. 1755 E. 9 Mile Rd

P.O. Box 249 Hazel Park, MI 48030

P: 248-542-9635

F: 248-398-4274

E: ufm@flowmeters.com W: flowmeters.com

Universal Grinding Corporation 1234 West 78th St. Cleveland, OH 44102

P: 216-631-9410

F: 216-631-5589

E: monica@universalgrinding.com W: universalgrinding.com

Universal Hydraulics International, Ltd.

9337 Ravenna Road, Unit G Twinsburg, OH 44087

P: 330-405-1800

F: 330-405-1801

E: sales@uhiltd.com W: uhiltd.com

Universal Hydraulik USA. Corp. Fort Meigs Business Center 25651 Fort Meigs Road, Suite A Perrysburg, OH 43551

P: 1-419-873-6340 F: 1-419-873-6342

E: info@universalhydraulik.com W: universalhydraulik-usa.com V

V&P Hydraulic Products 1162 Peachblow Rd. Lewis Center, OH 43035

P: 740-548-5181

F: 740-548-6206

E: mikeueber@vphyd.com W: vphyd.com

Vac-Cubes

536 E. Tarpon Ave., Suite 5 Tarpon Springs, FL 34689

P: 727-944-3337 F: 727-945-0079

E: info@vac-cube.com W: vac-cube.com

Vaccon Company., Inc. 9 Industrial Park Road Medway, MA 02053

P: 508-359-7200 F: 508-359-0177

E: eferri@vaccon.com W: vaccon.com

Vacudyne Incorporated 375 East Joe Orr Road Chicago Heights, IL 60411

P: 708-757-5200 F: 708-757-7180

E: info@vacudyne.com W: vacudyne.com

Vacuum Research Corporation 100 Chapel Harbor Drive, #4 Pittsburgh, PA 15238

P: 412-261-7630 F: 412-261-7220

E: vrc@vacuumresearch.com W: vacuumreseach.com

Valtorc International 3105 Carter Circle NW Kennesaw, GA 30144

P: 770-423-7100 F: 770-499-7483

E: ajbental@valtorc.com W: valtorc.com

Valve Check Inc. 4290 Centerville Road Vadnais Heights, MN 55127

P: 651-653-0048 F: 651-653-0346 E: sales@valvecheckinc.com W: valvecheckinc.com

Valv-Trol Co. 1350 Commerce Drive Stow, OH 44224

P: 330-686-2800 F: 330-686-2820 E: sales@valv-trol.com W: valv-trol.com

Van Air Systems 2950 Mechanic Street Lake City, PA 16423 P: 814-774-2631 F: 814-774-0778 E: kyonko@vanairinc.com W: vanairsystems.com

Van Hydraulics Inc. 643 Sayre Ave. Perth Amboy, NJ 08861 P: 732-442-5500 F: 732-442-5443

E: VanHydraulics@earthlink.net W: VanHydraulics.com

Veethree Electronics 2050 47th Terrace East Bradenton, FL 34203 P: 941-538-7775 F: 941-755-1222

E: sales@veethree.com W: veethree.com

Veethree Instruments 2420 Trailmate Drive

Sarasota, FL 34243

P: 941-538-7775 F: 941-755-1222

E: jeff.labas@veethree.com W: v3instruments.com

Veljan Hydrair Pvt. Ltd.

Balanagar Hyderabad AP 500037

INDIA

P: 91 40 2377 4649 F: 91 40 2377 3963

E: export@veljan.in W: veljan.in

Ventura Hydraulic & Machine Works, Inc. 1555 Callens Road Ventura, CA 93003

P: 805-656-1760

F: 805-644-3800

E: Katherine@venturahydraulics.com W: venturahydraulics.com

Versa Products Company, Inc. 22 Spring Valley Rd. Paramus, NJ 07652

P: 201-843-2400

E: sales@versa-valves.com W: versa-valves.com

Vest, Inc.

3250 W. Big Beaver Rd., Ste. 440 Troy, MI 48084

P: 248-649-9550

F: 248-649-9560

E: sales@vestusa.com W: vestusa.com

VIAIR Corporation 15 Edelman Irvine, CA 92618

P: 949-585-0011

F: 949-585-0188

E: sales@viaircorp.com W: viaircorp.com

Viatran 199 Fire Tower Dr. Tonawanda, NY 14150

P: 716-629-3800

F: 716-693-9162

E: solutions@viatran.com W: viatran.com

Vickers-Warnick 342 Dewitt Rd. N. Stoney Creek, ON L8E 2T2 CANADA

P: 905-662-7737

F: 905-662-9424

E: bwhittaker@vickers-warnick.com W: vickers-warnick.com

Viking Pump, Inc. 406 State Street Cedar Falls, IA 50613

P: 319-266-1741 F: 319-273-8157

E: info.viking@idexcorp.com W: vikingpump.com

Vindum Engineering, Inc. 1 Woodview Court San Ramon, CA 94582

P: 925-275-0633

F: 925-275-9697

E: info@vindum.com W: vindum.com

Vivoil/ALA Industries Limited (North America Distributor) 3410 Delta Drive Portage, IN 46368

P: 877-419-8536

F: 219-477-4194

E: info@alaindustrieslimited.com W: vivoil.com/en

Vogelsang Fastener Solutions 1790 Swarthmore Unit 1 Lakewood, NJ 08701

P: 732-364-0444

F: 732-364-8111

E: sales@vogelsangfastener.com W: vogelsangfastener.com

Voith Turbo 25 Winship Rd. York, PA 17406

P: 717-767-3200

E: voithpumpservice@voith.com W: voith.com

52 | June 2024 CELEBRATING 30 YEARS WWW.FL u IDPOW e RJO u R n AL.COM | WWW.IFPS.ORG MANUFACTURERS 2024 DIRECTORY

Volz USA

19525 Wied Rd., Suite 410 Spring, TX 77388

P: 281-209-2463

F: 281-209-2478

E: sales@volzusa.com

W: volzusa.com

Von Ruden Mfg.

1008 First Street NE Buffalo, MN 55313

P: 763-682-3122

F: 763-682-3954

E: sales@vonruden.com

W: vonruden.com

Vonberg Valve, Inc. 1380 Norwood Avenue Itasca, Illinois 60143

P: 847-259-3800

F: 1-847-259-3997

E: sales@vonberg.com

W: vonberg.com

Voss Fluid GmbH

7625 DiSalle Blvd. Fort Wayne, IN 46825

P: 330-668-1504

F: 330-668-1509

E: michael.purdy@us.voss.net

W: voss.de

VTI Microwave 2031 Main Street Irvine, CA 92614

P: 949-955-1894

F: 949-955-3041

E: sales@uxitech.com

W: vtimicrowave.com

VXI Technology, Inc. 2031 Main Street Irvine, CA 92614

P: 949-955-1894

F: 949-555-3041

E: vxisales@vxitech.com

W: vxitech.com

Walchem, Iwaki America

5 Boynton Rd. Holliston, MA 01746

P: 508-429-1110

F: 508-429-6513

E: JSeng@Iwakiamerica.com

W: Walchem.com

Walvoil Fluid Power

4111 N Garnett Rd Tulsa, OK 74116

P: 918-858-7100

F: 918-858-7150

E: info@walvoil.com

W: walvoil.com

Wandfluh of America, Inc.

4213 Grove Avenue

Gurnee, IL 60013

P: 847-566-5700

F: 847-566-5733

E: sales@wandfluh-us.com

W: wandfluh-us.com

Wanner Engineering 1204 Chestnut Ave. Minneapolis, MN 55403

P: 612-332-5681

F: 612-332-6937

E: sales@wannereng.com

W: WannerEng.com

Warren Electric Corp. 36 Franklin St. Warren, RI 02885

P: 401-245-3700

F: 401-245-9331

E: wec@warrene.com

W: warrene.com

Waterclock Engineering

342 N Water St, #600 Milwaukee, WI 53202

P: 888-902-2297

E: info@waterclockeng.com

W: waterclockeng.com

WC Branham, Inc.

398 Troy Street

River Falls, WI 54022

P: 715-426-2000

F: 715-426-1400

E: askwcb@wcbranham.com W: wcbranham.com

Web Seal Inc. 15 Oregon Street

Rochester, NY 14605-3094

P: 585-546-1320

Alt P: 800-366-1320

F: 585-546-5746

E: sales@websealinc.com

W: websealinc.com

Webtec LLC 1290 E Waterford Ave

St Francis, WI 53235

P: 1-800-932-8378

E: sales-us@webtec.com W: webtec.com

WEH Technologies Inc. 24903 Laguna Edge Drive Katy, TX 77494

P: 832-331-0021

F: 281-712-2664

E: sales@weh.us W: weh.us

Weiss Instruments, Inc. 905 Waverly Ave. Holtsville, NY 11742

P: 631-207-1200

F: 631-207-0900

E: sales@weissinstruments.com W: weissinstruments.com

Wen Technology, Inc. 8411 Garvey Drive, Suite 117 Raleigh, NC 27616

P: 919-954-1004 F: 919-954-1009 E: pgubbins@wentec.com W: wentec.com

West Coast Calibration, Inc. 224-122 Reindollar Ave. Marina, CA 93933

P: 831-883-3985

F: 831-883-3986

E: service@wccal.com W: wccal.com

West Coast Fluid Power

5370 S. Watt Ave. Suite 300 Sacramento, CA 95826

P: 800-532-8837

F: 800-370-0447

E: sales@comoso.com W: comoso.com

Western Filter Corp. 26235 Technology Dr. Valencia, CA 91355

P: 661-295-0800

F: 661-295-8443

E: sales@westernfilter.com W: westernfilter.com

Western Fluid Power, LLC 4309 N.W St. Helens Rd. Portland, OR 97210

P: 503-228-6666

F: 503-228-7318

W: hydrauliccomponents.com

Western Hydrostatics, Inc. 1956 Keats Dr. Riverside, CA 92501-1747

P: 909-784-2133

F: 909-784-8423

E: sales@weshyd.com W: weshyd.com

Western Integrated Technologies 7651 S. 190th Street Kent, WA 98032

P: 800-456-6248

F: 206-988-6773

E: sales@westernintech.com W: westernintech.com

Westlake Epoxy Inc., a Westlake Company 12650 Directors Drive, Suite 100 Stafford, TX 77477

P: 614-986-2484

E: service@hexion.com W: westlakeepoxy.com

White Drive Products, Inc.

P.O. Box 2700

110 Bill Bryan Blvd. Hopkinsville, KY 42240

P: 270-885-1110

F: 270-886-8462

E: infousa@whitedriveproducts.com W: whitedriveproducts.com

Whitman Controls Corp.

201 Dolphin Road Bristol, CT 06010

P: 860-233-4401

F: 860-583-5293

E: info@whitmancontrols.com W: whitmancontrols.com

Whitmore 930 Whitmore Drive Rockwall, TX 75087

P: 972-771-1000

F: 972-722-2108

E: sales@whitmores.com

W: whitmores.com

WIKA Instrument Corp. 1000 Wiegand Blvd. Lawrenceville, GA 30043

P: 770-513-8200

F: 770-338-5118

E: info@wika.com W: wika.com

WIKA Mobile Control 1540 Orchard Drive Chambersburg, PA 17201

P: 717-217-2200

E: sales.us.wmc@wika.com W: wika-mc.com

Wilkes & McLean Ltd. 600 Estes Ave. Schaumburg, IL 60193

P: 847-534-2000 F: 847-534-2016

E: info@wilkesandmclean.com W: wilkesandmclean.com

Williams Machine and Tool 204 Plastic Lane Monticello, IA 52310-9472

P: 319-465-3537

F: 319-465-5279

E: sales@energymfg.com

W: williamsmachineandtool.com

Wilson Fluid Power Solutions 16301 Addison Road Addison, TX 75001

P: 972-931-8666

F: 972-248-1177

W: wilson-company.com

Winters Instruments 600 Ensminger Rd. Buffalo, NY 14150

P: 716-874-8700

F: 716-874-8800

E: usasales@winters.com

W: winters.com

Winters Instruments 121 Railside Road Toronto, Ont CANADA M3A 1B2

P: 1-800-Winters F: 416-444-8979

E: sales@winters.com W: winters.com

Wojanis Supply Company 1001 Montour West Industrial Park Coraopolis, PA 15108

P: 724-695-1415

F: 724-695-1203

E: dougg@wojanis.com

W: wojanis.com

Womack Machine Supply Company 13835 Senlac Drive Farmers Branch, TX 75234

P: 800-569-9800

E: sales@womack-machine.com W: womackmachine.com

Woodward HRT 25200 West Rye Canyon Rd. Santa Clarita, CA 91355

P: 661-702-5224

F: 661-702-5100

E: Mark.Tandy@woodward.com

W: r-ddv.com

World Wide Fittings

600 Corporate Woods Parkway Vernon Hills, IL 60061

P: 847-588-2200

F: 847-588-2212

E: sales@worldwidefittings.com W: worldwidefittings.com

World Wide Metric

37 Readington Road Branchburg, NJ 08876

P: 732-247-2300

F: 732-247-7258

E: sales@worldwidemetric.com

W: worldwidemetric.com

Worthington AG Parts 122 St. George Lane Sikeston, MO 63801-8705

P: 800-637-5165

F: 573-471-2693

E: dbell@worthingtonagparts.com

W: worthingtonagparts.com

WP Associates 211 Hickory Point Buckhead, GA 30625

P: 706-991-9946

E: wpassociates@plantationcable. net

Y

Yates Industries Inc. 23050 East Industrial Drive

St. Clair Shores, MI 48080

P: 586-778-7680

E: sales@yatesind.com

W: yatesind.com

York Precision Machining & Hydraulics 706 Willow Springs Lane York, PA 17406

P: 717-764-8855

F: 717-767-2798

E: kreichard@yorkpmh.com

W: yorkpmh.com

Youli-America 222 S. Navigation Blvd. Corpus Christi, TX 78405

P: 713-861-8041

F: 361-883-3893

E: service@youli-america.com

W: youli-america.com

Young Powertech Inc. 3060 Plaza Drive Garnet Valley, PA 19060

P: 610-558-0760

F: 610-558-0762

E: info@youngpowertech.com

W: youngpowertech.com

Young Touchstone 2825 Four Mile Rd. Racine, WI 53404 P: 262-639-1013 F: 262-639-1013

E: chorton@wabtec.com W: youngtouchstone.com

Yuken/ALA Industries Limited (North America Master Distributor) 3410 Delta Drive Portage, IN 46385

P: 877-419-8536

F: 219-477-4194

E: alaindustries@yuken-usa.com

W: yuken-usa.com

Zander

A Division of Parker-Hannifin Corp. 5900-B Northwoods Pkwy. Charlotte, NC 28269

P: 800-543-0851 F: 678-924-1111

E: zanderusa@zanderusa.com

W: zanderusa.com

Zatkoff Seals & Packings P.O. Box 486 Farmington, MI 48332

P: 248-478-2400 F: 248-478-3392 E: info@zatkoff.com W: zatkoff.com

ZEKS Compressed Air Solutions

302 Goshen Pkwy.

West Chester, PA 19380

P: 610-692-9100 F: 610-692-9192

E: zeks@zeks.com W: zeks.com

ZF Off-Highway Solutions Minnesota, Inc. 1911 Lee Blvd.

North Mankato, MN 56003

P: 507-625-6426 F: 507-625-3212 E: sh-orders.nmn@zf.com W: mico.com

Zemarc Corporation 6431 Flotilla Street Los Angeles, CA 90040 P: 323-721-5598 F: 323-722-2220 W: zemarc.com E: sales@zemarc.com

Zemarc Engineering 6431 Flotilla Street Los Angeles, CA 90040 P: 323-721-5598 F: 323-722-2220

E: sales@zemarc.com W: zemarc.com/engineering

Zemar Fluid Power 1801 Addison Way Hayward, CA 94544

P: 510-783-3964 F: 510-783-1443

E: sales@zemarc.com W: zemarc.com

Zemarc Fluid Power & Ventura ParkerStore 2960 Los Olivos Oxnard, CA 94544

P: 805-973-5900 F: 805-973-5919

E: sales@zemarc.com W: zemarc.com

Zemarc Fluid Power – Authorized Service Center 3510 E. Church Avenue Fresno, CA 93725

P: 559-264-2009 F: 559-268-2361

E: sales@zemarc.com W: zemarc.com/service

Zenith® Pumps

5910 Elwin Buchanan Drive Sanford, NC 27330

P: 919-775-4600 F: 919-774-5952

E: zenithpumps@parker.com W: zenithpumps.com

Zero-Max 13200 6th Ave. N. Minneapolis, MN 55441

P: 763-546-4300 F: 763-546-8260

E: sales@zero-max.com W: zero-max.com

Zinga Industries, Inc. 2400 Zinga Dr. Reedsburg, WI 53959

P: 608-524-4200 F: 608-524-4220

E: zinga@zinga.com W: zinga.com

ZMC Corporation 1255 Stone Dr. San Marcos, CA 92069

P: 760-471-0440 F: 760-471-0902

E: btaylor@zemarc.com W: zmccorporation.com

ZSI 42550 Executive Drive Canton, MI 48188

P: 800-323-7053

F: 734-844-0066

E: twright@zsi-inc.com W: zsi-inc.com

WWW.IFPS.ORG | WWW.FL u IDPOW e RJO u R n AL.COM CELEBRATING 30 YEARS June 2024 | 53 MANUFACTURERS 2024 DIRECTORY
W
Z

» HERE IS THE SOLUTION TO AIR TEASER ON PAGE 06

If you are a technician that troubleshoots systems, this would be a good one to show your boss why it can take so long to find the problem on a machine, especially when the schematics aren’t drawn correctly.

1. The pilot line was missing to the #26 valve.

2. I may not catch them all, but here are the ones that I caught.

a. Starting with the bottom schematic at the compressor – no relief valve or even a pressure switch at the tank to stop the compressor.

b. The pilot section of the first air regulator would not be using a normally open, air regulator (pressure reducing valve) to control the main air regulator. It would be a relief valve. I also question using the vent port for an air supply for the pilot of main valves #8.

c. Valve #7 is what? I believe that it is some kind of diverter valve, but it doesn’t have any way to shift it.

d. The two main valves #8 both have open ports so when the valves are shifted, air will exhaust. I’m assuming they should be drawn as a 3-way valve.

e. Box 22 evidently is another diverter valve, but why would you have a pressure switch on the pilot port of the valve. If #7 and #22 are only a connection, why would it be in a box?

f. It doesn’t make any sense to me to have two main valve circuits if you only use one at a time with no flow controls on either

side. Could one be a backup circuit? If so, why doesn’t the rest of the circuit have backup capability? Another way to look at it is that they are using two 3-way valve to switch directions, but that doesn’t answer two lines going into #22 and only one out.

g. Next is the “Rotating Distributor” device. How can you change directions without two air lines feeding it, unless the controls are electric and they aren’t showing it.

h. Moving up to the top schematic and looking at regulator #16. I believe the

HERE IS THE SOLUTION TO FIGURE IT OUT ON PAGE 05

sensing line should go back diagonally to outlet port of the valve to indicate that the sensing line is internal. Why would someone what to plumb the line externally in this application?

i. Valve 26 is the cause for the machine not to work. The valve is actually a double solenoid controlled, pilot operated valve and the second pilot line was missing going to the valve. A print like this is even harder when the print is so small and in a foreign language.

The steel mill problem with a coil lifting circuit not lowering was caused by two leaking paths. The 2 MPa (290) psi reducing valve was one. The valve is a pilot-operated pressure control that has a control orifice to control the outlet or inlet pressure. Any time you have a problem with the orifice plugging due to contamination, the valve will always fail safely. Relief types fully open losing all outlet pressure while pressure-reducing valves completely fail in the closed, (non-passing) position, blocking all flow/ pressure on its outlet. Clearing the obstruction solved the problem. The other cause that helped the drifting problem was the normal leakage through the 2.4 MPa (350) psi brake-reducing valve since pilot-operated reducing valves always have to flow out the drain line only when they are reducing the outlet, typically as much as 1 liter (¼ gpm).

The correct answers to Test Your Skills on page 33 are 1D and 2B.

54 | June 2024 CELEBRATING 30 YEARS WWW.FL u IDPOW e RJO u R n AL.COM | WWW.IFPS.ORG SOLUTIONS
»

Adaconn

CLASSIFIED BULLETIN

ADVERTISER INDEX

alleghenyyork.com

almomanifold.com

assuredautomation.com/fpj

Automated Wire Products IFC, 36 262-250-1480 automatedwire.com

BSF Incorporated 37, 56 937-890-6121 bsfinc.net

Co-ax Valves 20 215-757-3725 coaxvalves.com

Continental Hydraulics/Hydreco

952-894-6400 continentalhydraulics.com

1-800-650-3110 deltaq.com

Diamond Hydraulics 38, 56 409-986-3957 diamondhydraulics.com

Dynaquip Controls 27, 38 800-545-3636 dynaquip.com

Eagle Hydraulic 7, 39 1-450-433-2800 eagle-hydraulic.com

Essentra Components 7, 39 1-800-847-0486 essentracomponents.com

Flange Lock 20 203-861-9400 flangelock.com

Fluid Design Products, Inc 17 1-800-774-7554 fluiddesignproducts.com

FluiDyne Fluid Power 29, 55 586-296-7200 fluidynefp.com

Holmbury, Inc 42 440-578-1070 holmbury.com

Hunger Hydraulics 42 1-800-248-9232 hunger-hydraulics.com

Hydraulex 28 1-800-422-4279 hydraulex.com

Hydraulics International Inc 15, 18 818-407-3400 hiipumps.com

International Fluid Power of America 3 951-676-2155 intlfpa.com

Inventive Resources Inc 44 209-545-1663 oiln2.com

Kracht Corp 44 1-419-874-1000 krachtcorp.com

La-Man Corp 13, 18 1-800-348-2463 laman.com

Main Mfg Products 15, 18, 55 1-800-521-7918 mainmfg.com

Max Machinery Inc 46 707-433-2662 maxmachinery.com

MOCAP

Super Swivels

World

SPECIAL AD SECTION WWW.IFPS.ORG | WWW.FL u IDPOW e RJO u R n AL.COM CELEBRATING 30 YEARS June 2024 | 55
IN STOCK FROM 25MM TO 80MM MANY COVERS IN STOCK • Pressure, Flow, Directional • Large Flow 90° Valves
Phone: 989.984.0800 Toll Free: 1.877.ALMO. NOW Fax: 989.984.0830 • Single DIN blocks • Active Valves • Monitored Poppets
LOAD HOLD VALVE
32mm to 50mm
Prevent unintended or uncontrolled movement of static or dynamic loads
Offers greater stability
Control the load speed in case of hydraulic hose failure
Suitable for safe and stable load handling
Available with or without Inline Cavity Block Company............................................................................... Page......................................................................... Phone......................................................................................................... Web
almomanifold.com
HIGH FLOW COUNTERBALANCE
17, 18
+ Inserta
1-215-643-0192
19, 35
55
inserta.com Allegheny York LLC
717-266-6617
Almo Manifold
989-984-0800
Assured Automation 12 1-800-899-0553
31
Delta^Q 13
30
18,
1-800-526-9328
Inc
1-800-633-6885 mocap.com Motion Industries
OBC
motion.com
Inc 47 215-529-1300
MP Filtri USA
mpfiltriusa.com
30
51
Rota Limited
972-359-1041 rota-ltd.com SPIR STAR Ltd
1-800-890-7827 spirstar.com
13,
IBC
18 763-784-5531 superswivels.com Ultra Clean Technologies
1-800-791-9111 ultracleantech.com
19
Wide Metric Inc
732-247-2300 worldwidemetric.com
1
Yates Cylinders, Inc
586-778-7680 yatesind.com
The “special” you want is probably on our shelves. Call 800.521.7918 | Fax 810.953.1385 | Visit MAINMFG.com
account rep
visit fluidpowerjournal.com/advertise
HYDRAULIC FLANGES + COMPONENTS
GET IN ON THIS CLASSIFIEDS » Talk to your
or
Ensuring Cleanliness in hydraulic hose and tube assemblies is critical to a hydraulic systems operation and longevity. Contamination will cause significant wear and tear leading to failures and inefficiencies. During hydraulic hose and tube fabrication removing and preventing contamination is essential. Ultra Clean Technologies products are recognized industry wide as a fast and reliable solution for cleaning and sealing out future contamination. For More Information: 800-791-9777 sales@ultracleantech.com www.ultracleantech.com CLEAN & SEAL OUT CLEAN & SEAL OUT CONTAMINATION CONTAMINATION

Turn static files into dynamic content formats.

Create a flipbook
Issuu converts static files into: digital portfolios, online yearbooks, online catalogs, digital photo albums and more. Sign up and create your flipbook.
Fluid Power Journal June 2024 by Innovative Designs & Publishing, Inc. - Issuu