


Product:COLDPLANER
Model:PM-200COLDPLANERP1M
Configuration:C-18CaterpillarEngineForPM200ColdPlanerP1M00001-UP(MACHINE)POWEREDBYC-18Engine
OperationandMaintenanceManual
PM-200ColdPlaner
MediaNumber-KEBU8010-00PublicationDate-01/06/2014DateUpdated-23/06/2014
Foreword
SMCS-7220
LiteratureInformation
Thismanualshouldbestoredintheoperator'scompartmentintheliteratureholderorseatback literaturestoragearea.
Thismanualcontainssafetyinformation,operationinstructions,transportationinformation, lubricationinformationandmaintenanceinformation.
Somephotographsorillustrationsinthispublicationshowdetailsorattachmentsthatcanbe differentfromyourmachine.Guardsandcoversmighthavebeenremovedforillustrative purposes.
Continuingimprovementandadvancementofproductdesignmighthavecausedchangestoyour machinewhicharenotincludedinthispublication.Read,studyandkeepthismanualwiththe machine.
Wheneveraquestionarisesregardingyourmachine,orthispublication,pleaseconsultyourCat dealerforthelatestavailableinformation.
Safety
Thesafetysectionlistsbasicsafetyprecautions.Inaddition,thissectionidentifiesthetextand locationsofwarningsignsandlabelsusedonthemachine.
Readandunderstandthebasicprecautionslistedinthesafetysectionbeforeoperatingor performinglubrication,maintenanceandrepaironthismachine.
Operation
Theoperationsectionisareferenceforthenewoperatorandarefresherfortheexperienced operator.Thissectionincludesadiscussionofgauges,switches,machinecontrols,attachment controls,transportationandtowinginformation.
Photographsandillustrationsguidetheoperatorthroughcorrectproceduresofchecking,starting, operatingandstoppingthemachine.
Operatingtechniquesoutlinedinthispublicationarebasic.Skillandtechniquesdevelopasthe operatorgainsknowledgeofthemachineanditscapabilities.
Maintenance
Themaintenancesectionisaguidetoequipmentcare.TheMaintenanceIntervalSchedule(MIS) liststheitemstobemaintainedataspecificserviceinterval.Itemswithoutspecificintervalsare listedunderthe"WhenRequired"serviceinterval.TheMaintenanceIntervalScheduleliststhe pagenumberforthestep-by-stepinstructionsrequiredtoaccomplishthescheduledmaintenance. UsetheMaintenanceIntervalScheduleasanindexor"onesafesource"forallmaintenance procedures.
MaintenanceIntervals
Usetheservicehourmetertodetermineservicingintervals.Calendarintervalsshown(daily, weekly,monthly,etc.)canbeusedinsteadofservicehourmeterintervalsiftheyprovidemore convenientservicingschedulesandapproximatetheindicatedservicehourmeterreading. Recommendedserviceshouldalwaysbeperformedattheintervalthatoccursfirst.
Underextremelysevere,dustyorwetoperatingconditions,morefrequentlubricationthanis specifiedinthemaintenanceintervalschartmightbenecessary.
Performserviceonitemsatmultiplesoftheoriginalrequirement.Forexample,atevery500 servicehoursor3months,alsoservicethoseitemslistedunderevery250servicehoursor monthlyandevery10servicehoursordaily.
CaliforniaProposition65Warning
DieselengineexhaustandsomeofitsconstituentsareknowntotheStateofCaliforniatocause cancer,birthdefects,andotherreproductiveharm.
Batteryposts,terminalsandrelatedaccessoriescontainleadandleadcompounds.Washhands afterhandling.
CertifiedEngineMaintenance
Propermaintenanceandrepairisessentialtokeeptheengineandmachinesystemsoperating correctly.Astheheavydutyoff-roaddieselengineowner,youareresponsiblefortheperformance oftherequiredmaintenancelistedintheOwnerManual,OperationandMaintenanceManual,and ServiceManual.
Itisprohibitedforanypersonengagedinthebusinessofrepairing,servicing,selling,leasing,or tradingenginesormachinestoremove,alter,orrenderinoperativeanyemissionrelateddeviceor elementofdesigninstalledonorinanengineormachinethatisincompliancewiththe
regulations(40CFRPart89).Certainelementsofthemachineandenginesuchastheexhaust system,fuelsystem,electricalsystem,intakeairsystemandcoolingsystemmaybeemission relatedandshouldnotbealteredunlessapprovedbyCaterpillar.
MachineCapacity
Additionalattachmentsormodificationsmayexceedmachinedesigncapacitywhichcan adverselyaffectperformancecharacteristics.Includedwouldbestabilityandsystemcertifications suchasbrakes,steering,androlloverprotectivestructures(ROPS).ContactyourCatdealerfor furtherinformation.
CatProductIdentificationNumber
EffectiveFirstQuarter2001theCatProductIdentificationNumber(PIN)haschangedfrom8to 17characters.Inanefforttoprovideuniformequipmentidentification,Caterpillarandother constructionequipmentmanufacturersaremovingtocomplywiththelatestversionoftheproduct identificationnumberingstandard.Non-roadmachinePINsaredefinedbyISO10261.Thenew PINformatwillapplytoallCatmachinesandgeneratorsets.ThePINplatesandframemarking willdisplaythe17characterPIN.Thenewformatwilllooklikethefollowing:


1.Caterpillar'sWorldManufacturingCode(characters1-3)
2.MachineDescriptor(characters4-8)
3.CheckCharacter(character9)
4.MachineIndicatorSection(MIS)orProductSequenceNumber(characters10-17).Thesewere previouslyreferredtoastheSerialNumber.
This is the sample of the manual if you need complete manual Click Here to download
MachinesandgeneratorsetsproducedbeforeFirstQuarter2001willmaintaintheir8character PINformat.
Componentssuchasengines,transmissions,axles,etc.andworktoolswillcontinuetousean8 characterSerialNumber(S/N).
Copyright1993-2023CaterpillarInc. AllRightsReserved. PrivateNetworkForSISLicensees.
WedDec1301:21:18UTC+05302023

Product:COLDPLANER
Model:PM-200COLDPLANERP1M
Configuration:C-18CaterpillarEngineForPM200ColdPlanerP1M00001-UP(MACHINE)POWEREDBYC-18Engine
OperationandMaintenanceManual
MediaNumber-KEBU8010-00PublicationDate-01/06/2014DateUpdated-23/06/2014
SafetyMessages
SMCS-7000;7405
Thereareseveralspecificsafetymessagesonthismachine.Theexactlocationofthehazardsand thedescriptionofthehazardsarereviewedinthissection.Becomefamiliarwithallofthesafety messages.
Makesurethatallofthesafetymessagesarelegible.Cleanthesafetymessagesorreplacethe safetymessagesifyoucannotreadthewords.Replacetheillustrationsiftheillustrationsarenot legible.Whenyoucleanthesafetymessages,useacloth,water,andsoap.Donotusesolvent, gasoline,orotherharshchemicalstocleanthesafetymessages.Solvents,gasoline,orharsh chemicalscouldloosentheadhesivethatsecuresthesafetymessage.Looseadhesivewillallow thesafetymessagetofall.
Replaceanysafetymessagethatisdamaged,ormissing.Ifasafetymessageisattachedtoapart thatisreplaced,installasafetymessageonthereplacementpart.AnyCaterpillardealercan providenewsafetymessages.










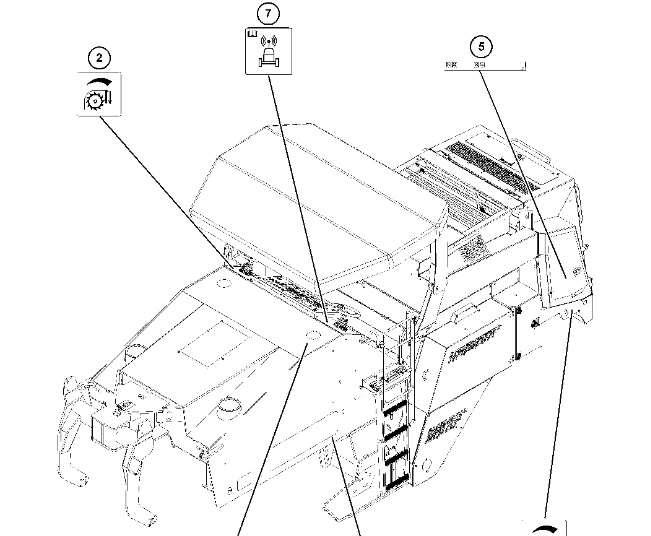
DoNotOperate(1)
Thissafetymessageislocatedontheoperatorconsole,neartheleftsteeringwheel,andontherear leftandrearrightsidesofthemachineneargroundcontrolcovers.

Donotoperateorworkonthisequipmentunlessyouhavereadand understandtheinstructionsandwarningsintheOperationand MaintenanceManual.Failuretofollowtheinstructionsorheedthe warningscouldresultininjuryordeath.ContactanyCatdealerfor replacementmanuals.Propercareisyourresponsibility.
CrushHazard(2)
Thissafetymessageislocatednearthegroundcontrolscovers.Thereareatotaloffourground controlscovers.Twogroundcontrolscoversonthefrontandrearleftsideofthemachineandtwo groundcontrolscoversonthefrontandrearrightsideofthemachine.

Acrushinghazardexistswhentheboomsectionsarebeingretractedor extended.Stayclearoftheboomwhenthemachineisinoperation. Failuretostayclearoftheboomwhenthemachineisoperationcan causeinjuryordeath.
HotSurface(3)
Thissafetymessageislocatedontheradiatorcapcover.

Hotpartsorhotcomponentscancauseburnsorpersonalinjury.Donot allowhotpartsorcomponentstocontactyourskin.Useprotective clothingorprotectiveequipmenttoprotectyourskin.
PavementCutter(4)
Thissafetymessageislocatedonbothsidesofthemachineonthesidebulkheads.

Rotormovementcancauseinjuryordeath.Stayclearoftherotorwhen theengineisrunning.Shutofftheenginebeforeperforminganyservice ontherotororitshousing.
CrushHazard(5)
Thissafetymessageislocatedonbothsidesoftheupperconveyorsupport.

Objectsmayfallfromconveyoratanytimecausingseriousinjuryor death.Stayclear.
NoClearance(6)
Thissafetymessageislocatedontheleftandrightsideofthesecondaryconveyorsupport.

Noclearanceformaninthisareawhenconveyorturns;Severeinjury ordeathfromcrushingcouldoccur.
ElectrocutionHazard(7)
Thissafetymessageislocatedonthedashboard.

ElectrocutionHazard!Keepthemachineandattachmentsasafedistance fromelectricalpower.Stayclear3m(10ft)plustwicethelineinsulator length.Readandunderstandtheinstructionsandwarningsinthe OperationandMaintenanceManual.Failuretofollowtheinstructions andwarningswillcauseseriousinjuryordeath
ExplosionHazard(8)
Thissafetymessageislocatedontheairtank.

g03420765
Explosionhazard,couldcauseseriousinjuryordeath.Components containairunderhighpressure.ReadtheServiceManualorconsult yourCatDealer.
RunOverHazard(9)
Thissafetymessageislocatedateachtrackassembly.

Contactwithmovingtrackcanresultinpersonalinjuryordeath.Stay clearoftrackwhenmachineismoving.
EntanglementHazard(10)
Thissafetymessageislocatedonthedoorsfortherotordrivebelt.

Contactwithmovingbeltcanresultinpersonalinjuryordeath.Stay clearifengineisrunning.
AdjustmentfortheMirrors(11)
Thissafetymessageislocatedonbothsidesofthemachine,nexttothemirrors.

Donotadjustthemirrorswhenthemachineismoving.Refertothe OperationandMaintenanceManualforcompleteinstructionsfor adjustingthemirrors.Personalinjuryordeathmayresultfrom adjustingthemirrorswhenthemachineismoving.
ProductLink(12)

Thissafetymessageislocatedontheoperatorplatform,neartheleftsteeringwheel. g01370917
ThismachineisequippedwithaCaterpillarProductLink communicationdevice.Whenelectricdetonatorsareused,this communicationdeviceshouldbedeactivatedwithin12m(40ft)ofa blastsiteforsatellite-basedsystemsandwithin3m(10ft)ofablastsite forcellularbasedsystems,orwithinthedistancemandatedunder applicablelegalrequirements.Failuretodosocouldcauseinterference withblastingoperationsandresultinseriousinjuryordeath.
IncaseswherethetypeofProductLinkmodulecannotbeidentified, Caterpillarrecommendsthatthedevicebedisablednolessthan12m (40ft)fromtheblastperimeter.
Copyright1993-2023CaterpillarInc.
AllRightsReserved.
PrivateNetworkForSISLicensees.
WedDec1301:21:42UTC+05302023

Product:COLDPLANER
Model:PM-200COLDPLANERP1M
Configuration:C-18CaterpillarEngineForPM200ColdPlanerP1M00001-UP(MACHINE)POWEREDBYC-18Engine
MediaNumber-KEBU8010-00PublicationDate-01/06/2014DateUpdated-23/06/2014 i05419024
AdditionalMessages
SMCS-1000;7000;7405


Illustration1g03420610


Illustration2g03420613 WaterTank(1)
Thismessageislocatedonthemachineclosetothewatertankfillerpoints.

Illustration3g02864498
MoldboardPressureRegulator(2)
Thismessageislocatedonthedashboardandontherearleftsideofthemachine,closetothe moldboardpressureregulatorcontrols.


Illustration4g03421196
ManualsStorageCompartment(3)
Thismessageislocatedontheoperatorstation,onthemanualsstoragecompartment.

Thismessageislocatedontherearrightsideofthemachine,closetothelevelingunitconnection box.

LHLevelingUnitConnections(5)
Thismessageislocatedontherearleftsideofthemachine,closetothelevelingunitconnectionbox.

ClutchOil(6)
Thismessageislocatedontheclutchhydraulictank.


Illustration8g03421215
ProductLink(7)
Themessageforthemachineproductlinkislocatedontheleftoperatorplatform.

Illustration9g01418953
Thismessageislocatedontopofthemachine,closetotheradiatorcapcover.

Copyright1993-2023CaterpillarInc.
AllRightsReserved.
PrivateNetworkForSISLicensees.
WedDec1301:21:54UTC+05302023

Product:COLDPLANER
Model:PM-200COLDPLANERP1M
Configuration:C-18CaterpillarEngineForPM200ColdPlanerP1M00001-UP(MACHINE)POWEREDBYC-18Engine
OperationandMaintenanceManual
PM-200ColdPlaner
MediaNumber-KEBU8010-00PublicationDate-01/06/2014DateUpdated-23/06/2014
GeneralHazardInformation
SMCS-7000


Illustration1g00104545
Typicalexample
Attacha"DoNotOperate"warningtagorasimilarwarningtagtothestartswitchortothe controls.Attachthewarningtagbeforeyouservicetheequipmentorbeforeyourepairthe equipment.WarningtagSEHS7332isavailablefromyourCatdealer.
Operatingthemachinewhiledistractedcanresultinthelossofmachine control.Useextremecautionwhenusinganydevicewhileoperatingthe
machine.Operatingthemachinewhiledistractedcanresultinpersonal injuryordeath.
Knowthewidthofyourequipmentinordertomaintainproperclearancewhenyouoperatethe equipmentnearfencesornearboundaryobstacles.


Beawareofhighvoltagepowerlinesandpowercablesthatareburied.Ifthemachinecomesin contactwiththesehazards,seriousinjuryordeathmayoccurfromelectrocution. Illustration2g00702020
Wearahardhat,protectiveglasses,andotherprotectiveequipment,asrequired.
Donotwearlooseclothingorjewelrythatcansnagoncontrolsoronotherpartsoftheequipment.
Makesurethatallprotectiveguardsandallcoversaresecuredinplaceontheequipment.
Keeptheequipmentfreefromforeignmaterial.Removedebris,oil,tools,andotheritemsfrom thedeck,fromwalkways,andfromsteps.
Securealllooseitemssuchaslunchboxes,tools,andotheritemsthatarenotapartofthe equipment.
Knowtheappropriateworksitehandsignalsandthepersonnelthatareauthorizedtogivethehand signals.Accepthandsignalsfromonepersononly.
Donotsmokewhenyouserviceanairconditioner.Also,donotsmokeifrefrigerantgasmaybe present.Inhalingthefumesthatarereleasedfromaflamethatcontactsairconditionerrefrigerant cancausebodilyharmordeath.Inhalinggasfromairconditionerrefrigerantthroughalighted cigarettecancausebodilyharmordeath.
Neverputmaintenancefluidsintoglasscontainers.Drainallliquidsintoasuitablecontainer.
Obeyalllocalregulationsforthedisposalofliquids.
Useallcleaningsolutionswithcare.Reportallnecessaryrepairs.
Donotallowunauthorizedpersonnelontheequipment.
Unlessyouareinstructedotherwise,performmaintenancewiththeequipmentintheservicing position.RefertoOperationandMaintenanceManualfortheprocedureforplacingtheequipment intheservicingposition.
Whenyouperformmaintenanceabovegroundlevel,useappropriatedevicessuchasladdersor manliftmachines.Ifequipped,usethemachineanchoragepointsanduseapprovedfallarrest harnessesandlanyards.
PressurizedAirandWater
Pressurizedairand/orwatercancausedebrisand/orhotwatertobeblownout.Thedebrisand/or hotwatercouldresultinpersonalinjury.
Whenpressurizedairand/orpressurizedwaterisusedforcleaning,wearprotectiveclothing, protectiveshoes,andeyeprotection.Eyeprotectionincludesgogglesoraprotectivefaceshield.
Themaximumairpressureforcleaningpurposesmustbereducedto205kPa(30psi)whenthe nozzleisdeadheadedandthenozzleisusedwithaneffectivechipdeflectorandpersonal protectiveequipment.Themaximumwaterpressureforcleaningpurposesmustbebelow275kPa (40psi).
Avoiddirectsprayingofwateronelectricalconnectors,connections,andcomponents.When usingairforcleaning,allowthemachinetocooltoreducethepossibilityoffinedebrisigniting whenre-depositedonhotsurfaces.
TrappedPressure
Pressurecanbetrappedinahydraulicsystem.Releasingtrappedpressurecancausesudden machinemovementorattachmentmovement.Usecautionifyoudisconnecthydrauliclinesor fittings.High-pressureoilthatisreleasedcancauseahosetowhip.High-pressureoilthatis releasedcancauseoiltospray.Fluidpenetrationcancauseseriousinjuryandpossibledeath.
FluidPenetration
Pressurecanbetrappedinthehydrauliccircuitlongafterthemachinehasbeenstopped.The pressurecancausehydraulicfluidoritemssuchaspipeplugstoescaperapidlyifthepressureis notrelievedcorrectly.
Donotremoveanyhydrauliccomponentsorpartsuntilpressurehasbeenrelievedorpersonal injurymayoccur.Donotdisassembleanyhydrauliccomponentsorpartsuntilpressurehasbeen relievedorpersonalinjurymayoccur.RefertotheServiceManualforanyproceduresthatare requiredtorelievethehydraulicpressure.


Illustration3g00687600
Alwaysuseaboardorcardboardwhenyoucheckforaleak.Leakingfluidthatisunderpressure canpenetratebodytissue.Fluidpenetrationcancauseseriousinjuryandpossibledeath.Apin holeleakcancausesevereinjury.Iffluidisinjectedintoyourskin,youmustgettreatment immediately.Seektreatmentfromadoctorthatisfamiliarwiththistypeofinjury.
ContainingFluidSpillage
Caremustbetakeninordertoensurethatfluidsarecontainedduringperformanceofinspection, maintenance,testing,adjusting,andrepairoftheequipment.Preparetocollectthefluidwith suitablecontainersbeforeopeninganycompartmentordisassemblinganycomponentthat containsfluids.
RefertoSpecialPublication,NENG2500,"CatdealerServiceToolCatalog"forthefollowing items:
•Toolsthataresuitableforcollectingfluidsandequipmentthatissuitableforcollecting fluids
•Toolsthataresuitableforcontainingfluidsandequipmentthatissuitableforcontaining fluids
Obeyalllocalregulationsforthedisposalofliquids.
Inhalation
This is the sample of the manual if you need complete manual Click Here to download