Skip to main content

CAT + Caterpillar AP-255E Asphalt Paver Operation & Maintenance Manual

Page 1


Product:ASPHALTPAVER

Model:AP-255EASPHALTPAVERD8A

Configuration:AP255EAsphaltPaverD8A00001-UP(MACHINE)POWEREDBYC2.2Engine

OperationandMaintenanceManual

MediaNumber-KEBU7173-02PublicationDate-01/05/2015DateUpdated-30/11/2016

Foreword

LiteratureInformation

Thismanualshouldbestoredintheoperator'scompartmentintheliteratureholderorseatback literaturestoragearea.

Thismanualcontainssafetyinformation,operationinstructions,transportationinformation, lubricationinformationandmaintenanceinformation.

Somephotographsorillustrationsinthispublicationshowdetailsorattachmentsthatcanbe differentfromyourmachine.Guardsandcoversmighthavebeenremovedforillustrative purposes.

Continuingimprovementandadvancementofproductdesignmighthavecausedchangestoyour machinewhicharenotincludedinthispublication.Read,studyandkeepthismanualwiththe machine.

Wheneveraquestionarisesregardingyourmachine,orthispublication,pleaseconsultyourCat dealerforthelatestavailableinformation.

Safety

Thesafetysectionlistsbasicsafetyprecautions.Inaddition,thissectionidentifiesthetextand locationsofwarningsignsandlabelsusedonthemachine.

Readandunderstandthebasicprecautionslistedinthesafetysectionbeforeoperatingor performinglubrication,maintenanceandrepaironthismachine.

Operation

Theoperationsectionisareferenceforthenewoperatorandarefresherfortheexperienced operator.Thissectionincludesadiscussionofgauges,switches,machinecontrols,attachment controls,transportationandtowinginformation.

s00037320

Photographsandillustrationsguidetheoperatorthroughcorrectproceduresofchecking,starting, operatingandstoppingthemachine.

Operatingtechniquesoutlinedinthispublicationarebasic.Skillandtechniquesdevelopasthe operatorgainsknowledgeofthemachineanditscapabilities.

Maintenance

Themaintenancesectionisaguidetoequipmentcare.TheMaintenanceIntervalSchedule(MIS) liststheitemstobemaintainedataspecificserviceinterval.Itemswithoutspecificintervalsare listedunderthe"WhenRequired"serviceinterval.TheMaintenanceIntervalScheduleliststhe pagenumberforthestep-by-stepinstructionsrequiredtoaccomplishthescheduledmaintenance. UsetheMaintenanceIntervalScheduleasanindexor"onesafesource"forallmaintenance procedures.

MaintenanceIntervals

Usetheservicehourmetertodetermineservicingintervals.Calendarintervalsshown(daily, weekly,monthly,etc.)canbeusedinsteadofservicehourmeterintervalsiftheyprovidemore convenientservicingschedulesandapproximatetheindicatedservicehourmeterreading. Recommendedserviceshouldalwaysbeperformedattheintervalthatoccursfirst.

Underextremelysevere,dustyorwetoperatingconditions,morefrequentlubricationthanis specifiedinthemaintenanceintervalschartmightbenecessary.

Performserviceonitemsatmultiplesoftheoriginalrequirement.Forexample,atevery500 servicehoursor3months,alsoservicethoseitemslistedunderevery250servicehoursor monthlyandevery10servicehoursordaily.

CaliforniaProposition65Warning

DieselengineexhaustandsomeofitsconstituentsareknowntotheStateofCaliforniatocause cancer,birthdefects,andotherreproductiveharm.

Batteryposts,terminalsandrelatedaccessoriescontainleadandleadcompounds.Washhands afterhandling.

CertifiedEngineMaintenance

Propermaintenanceandrepairisessentialtokeeptheengineandmachinesystemsoperating correctly.Astheheavydutyoff-roaddieselengineowner,youareresponsiblefortheperformance oftherequiredmaintenancelistedintheOwnerManual,OperationandMaintenanceManual,and ServiceManual.

Itisprohibitedforanypersonengagedinthebusinessofrepairing,servicing,selling,leasing,or tradingenginesormachinestoremove,alter,orrenderinoperativeanyemissionrelateddeviceor elementofdesigninstalledonorinanengineormachinethatisincompliancewiththe regulations(40CFRPart89).Certainelementsofthemachineandenginesuchastheexhaust system,fuelsystem,electricalsystem,intakeairsystemandcoolingsystemmaybeemission relatedandshouldnotbealteredunlessapprovedbyCaterpillar.

MachineCapacity

Additionalattachmentsormodificationsmayexceedmachinedesigncapacitywhichcan adverselyaffectperformancecharacteristics.Includedwouldbestabilityandsystemcertifications suchasbrakes,steering,androlloverprotectivestructures(ROPS).ContactyourCatdealerfor furtherinformation.

CatProductIdentificationNumber

EffectiveFirstQuarter2001theCatProductIdentificationNumber(PIN)haschangedfrom8to 17characters.Inanefforttoprovideuniformequipmentidentification,Caterpillarandother constructionequipmentmanufacturersaremovingtocomplywiththelatestversionoftheproduct identificationnumberingstandard.Non-roadmachinePINsaredefinedbyISO10261.Thenew PINformatwillapplytoallCatmachinesandgeneratorsets.ThePINplatesandframemarking willdisplaythe17characterPIN.Thenewformatwilllooklikethefollowing:

1.Caterpillar'sWorldManufacturingCode(characters1-3)

2.MachineDescriptor(characters4-8)

3.CheckCharacter(character9)

4.MachineIndicatorSection(MIS)orProductSequenceNumber(characters10-17).Thesewere previouslyreferredtoastheSerialNumber.

MachinesandgeneratorsetsproducedbeforeFirstQuarter2001willmaintaintheir8character PINformat.

This is the sample of the manual if you need complete manual Click Here to download

Componentssuchasengines,transmissions,axles,etc.andworktoolswillcontinuetousean8 characterSerialNumber(S/N).

Copyright1993-2023CaterpillarInc. AllRightsReserved. PrivateNetworkForSISLicensees. SatSep204:37:52UTC+05302023

Product:ASPHALTPAVER

Model:AP-255EASPHALTPAVERD8A

Configuration:AP255EAsphaltPaverD8A00001-UP(MACHINE)POWEREDBYC2.2Engine

Product:ASPHALTPAVER

Model:AP-255EASPHALTPAVERD8A

Configuration:AP255EAsphaltPaverD8A00001-UP(MACHINE)POWEREDBYC2.2Engine

Product:ASPHALTPAVER

Model:AP-255EASPHALTPAVERD8A

Configuration:AP255EAsphaltPaverD8A00001-UP(MACHINE)POWEREDBYC2.2Engine OperationandMaintenanceManual

MediaNumber-KEBU7173-02PublicationDate-01/05/2015DateUpdated-30/11/2016

AugerConveyors-Lubricate

NOTICE

Alldailygreaselubricantshouldbeappliedattheendofeach machineoperationwhilethemachineisstillwarmandthe asphaltisstillsoftornotsetup.Failuretodosomayallow asphalttohardenaroundthesealsandriskdamagingaseal andleadtoprematurebearingfailure.

i06105420

Note:

SatSep204:39:14UTC+05302023

Product:ASPHALTPAVER

Model:AP-255EASPHALTPAVERD8A

Configuration:AP255EAsphaltPaverD8A00001-UP(MACHINE)POWEREDBYC2.2Engine

Product:ASPHALTPAVER

Model:AP-255EASPHALTPAVERD8A

Configuration:AP255EAsphaltPaverD8A00001-UP(MACHINE)POWEREDBYC2.2Engine

SatSep204:39:34UTC+05302023

Product:ASPHALTPAVER

Model:AP-255EASPHALTPAVERD8A

Configuration:AP255EAsphaltPaverD8A00001-UP(MACHINE)POWEREDBYC2.2Engine

Product:ASPHALTPAVER

Model:AP-255EASPHALTPAVERD8A

Configuration:AP255EAsphaltPaverD8A00001-UP(MACHINE)POWEREDBYC2.2Engine

MediaNumber-KEBU7173-02PublicationDate-01/05/2015DateUpdated-30/11/2016

Copyright1993-2023CaterpillarInc.

AllRightsReserved. PrivateNetworkForSISLicensees.

SatSep204:40:01UTC+05302023

Product:ASPHALTPAVER

Model:AP-255EASPHALTPAVERD8A

Configuration:AP255EAsphaltPaverD8A00001-UP(MACHINE)POWEREDBYC2.2Engine

i01851175

Note:

SatSep204:40:13UTC+05302023

Product:ASPHALTPAVER

Model:AP-255EASPHALTPAVERD8A

Configuration:AP255EAsphaltPaverD8A00001-UP(MACHINE)POWEREDBYC2.2Engine OperationandMaintenanceManual

MediaNumber-KEBU7173-02PublicationDate-01/05/2015DateUpdated-30/11/2016

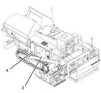
i06113569 Belt(GeneratorDrive)-Inspect

SMCS-

Copyright1993-2023CaterpillarInc. AllRightsReserved. PrivateNetworkForSISLicensees.

SatSep204:40:49UTC+05302023

Product:ASPHALTPAVER

Model:AP-255EASPHALTPAVERD8A

Configuration:AP255EAsphaltPaverD8A00001-UP(MACHINE)POWEREDBYC2.2Engine

GeneratorDriveBelt

Product:ASPHALTPAVER

Model:AP-255EASPHALTPAVERD8A

Configuration:AP255EAsphaltPaverD8A00001-UP(MACHINE)POWEREDBYC2.2Engine

Personalinjurycanresultifthemachinemoveswhiletesting.

Ifthemachinebeginstomove,releasetheparkingbrakeand usethepropelleverinordertomovethemachinetoalevel surface.

Ifthemachinemoveswhentestingthebrakes,contactyour Caterpillardealer.

Havethedealerinspectandrepairthebrakesbeforereturning themachinetooperation.Failuretohavethebrakesinspected andrepairedcancauseinjuryordeath.

Product:ASPHALTPAVER

Model:AP-255EASPHALTPAVERD8A

Configuration:AP255EAsphaltPaverD8A00001-UP(MACHINE)POWEREDBYC2.2Engine

Product:ASPHALTPAVER

Model:AP-255EASPHALTPAVERD8A

Configuration:AP255EAsphaltPaverD8A00001-UP(MACHINE)POWEREDBYC2.2Engine

This is the sample of the manual if you need complete manual Click Here to download

Turn static files into dynamic content formats.

Create a flipbook