

Product:WHEELDOZER
Model:824BWHEELDOZER36H
Configuration:824BTRACTOR36H01139-UP(MACHINE)POWEREDBYD343ENGINE
OperationandMaintenanceManual 824TRACTOR
MediaNumber-FE035966-01PublicationDate-01/11/1968DateUpdated-10/10/2001
LocationofSerialNumbers



SunJul612:46:35UTC+05302025
This is the sample of the manual if you need complete manual Click Here to download

Product:WHEELDOZER
Model:824BWHEELDOZER36H
Configuration:824BTRACTOR36H01139-UP(MACHINE)POWEREDBYD343ENGINE
OperationandMaintenanceManual 824TRACTOR
MediaNumber-FE035966-01PublicationDate-01/11/1968DateUpdated-10/10/2001 CapacitiesApproximatequantities

Copyright1993-2025CaterpillarInc. AllRightsReserved. PrivateNetworkForSISLicensees.
SunJul612:46:25UTC+05302025

Product:WHEELDOZER
Model:824BWHEELDOZER36H
Configuration:824BTRACTOR36H01139-UP(MACHINE)POWEREDBYD343ENGINE
OperationandMaintenanceManual 824TRACTOR
MediaNumber-FE035966-01PublicationDate-01/11/1968DateUpdated-10/10/2001
BallastingOfTheMachine
Formaximumperformance,themachineshouldhavethepropergrossweight.Ballasting,by meansofironcounterweights,calciumchloridesolutionand/ordrypowderballast,willbringthe baremachineweightuptothedesiredworkingweightand/orweightdistributionforanyjob application.Ironcounterweightsareavailableasanattachment.Toballastthetireswithcalcium chloridesolutionordrypowderballastaplugisprovidedineachwheel.
Forinformationonworkingweightand/orweightdistributionforaspecificjobapplicationsee yourCaterpillardealer.


Product:WHEELDOZER
Model:824BWHEELDOZER36H
Configuration:824BTRACTOR36H01139-UP(MACHINE)POWEREDBYD343ENGINE
OperationandMaintenanceManual 824TRACTOR
MediaNumber-FE035966-01PublicationDate-01/11/1968DateUpdated-10/10/2001
LightingSystem
Theswitchtoturnthelightsonoroffismountedinthegaugepanel.
Thefront"head"andtherear"flood"lightingcircuitsareindividuallyprotectedbyfuseswhich burnoutwheneverthereisanexcessiveloadorgroundedwireinthelightingcircuit.Thefusesare locatedbehindthefrontlowercoveroftheinstrumentconsole.Thefront"flood"lightsare protectedbyanautomaticresetcircuitbreakerlocatedinsidetheinstrumentconsolebesidethe fuseblock.Whenonlythefront"flood"lightsgooff,theindicationisthattheautomaticcircuit breakerhasopened.Itwillautomaticallyresettoturntheselightson.
Ifthefusesburnoutorthecircuitbreakeropens,thelightingsystemwiringshouldbechecked. Replacelightingcircuitburnedoutfuseswithfusesof15ampererating.Seethetopic,WIRING DIAGRAM.

SunJul612:46:05UTC+05302025

Product:WHEELDOZER
Model:824BWHEELDOZER36H
Configuration:824BTRACTOR36H01139-UP(MACHINE)POWEREDBYD343ENGINE
OperationandMaintenanceManual 824TRACTOR
MediaNumber-FE035966-01PublicationDate-01/11/1968DateUpdated-10/10/2001
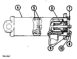
EtherStartingAid
HandlingPrecautions:Capsulesarefilledwithetherwhichishighlyflammable.Thesecapsules arepressurizedtoactasanexpellant.Theyaremadeofmetalandthistypeofpackagingprovides maximumsafetyinstorage,handlinganduse.Theprincipalprecautionstobetakenare:
1.Donotheatthecapsules.
2.Whenthedischargerisbeingusedfortesting,inspectingordemonstratingpurposes,andisnot installedonanengine,thecontentsofcapsulesshouldnotbedischargedinconfinedareasornear anopenflame.
Maintenance:Ifitissuspectedthattheetherstartingaidisnotfunctioningproperlytoassistin starting,disassembletheetherdischarger(6)
1.Disconnectthetubingfromthebottomofthedischarger.
2.Removethescreenassembly(7)andwashthescreen.
3.Removethenutandwasher(5)toremovethedischarger.
4.Removethescrew(1),rubberwasher(3)andpin(4).
5.Inspectthepin(4)toseethatitissharp.Ifthepinisnotsharp,replaceit.
6.Checkthesmallholethroughthepintoseethatitisclean.

ETHERDISCHARGER
1-Screw.2-Freelengthmeasurementof3/8inch(9.5mm.).3-Rubberwasher4-Pin.5-Nutandwasher.6-Ether discharger.7-Screenassembly.
7.Inspecttherubberwasher(3).Therubberwashershouldhaveafreelengthmeasurementof approximately3/8inch(9.5mm.)at(2)andshouldnotbedistorted,otherwisereplaceit.
8.Assemblethedischargerandinstallit.
Copyright1993-2025CaterpillarInc. AllRightsReserved. PrivateNetworkForSISLicensees.
SunJul612:45:54UTC+05302025

Product:WHEELDOZER
Model:824BWHEELDOZER36H
Configuration:824BTRACTOR36H01139-UP(MACHINE)POWEREDBYD343ENGINE
OperationandMaintenanceManual 824TRACTOR
MediaNumber-FE035966-01PublicationDate-01/11/1968DateUpdated-10/10/2001
Introduction
AttachmentsareavailablefromyourCaterpillardealer.Manyoftheseattachmentswilladdto operatorcomfortandconvenienceaswellasincreasetheusefulnessofyourtractor.
Copyright1993-2025CaterpillarInc. AllRightsReserved. PrivateNetworkForSISLicensees.
SunJul612:45:44UTC+05302025





SunJul612:37:38UTC+05302025












































Copyright1993-2025CaterpillarInc. AllRightsReserved. PrivateNetworkForSISLicensees.
SunJul612:39:04UTC+05302025

Product:WHEELDOZER
Model:824BWHEELDOZER36H
Configuration:824BTRACTOR36H01139-UP(MACHINE)POWEREDBYD343ENGINE
This is the sample of the manual if you need complete manual Click Here to download