




This is the sample of the manual if you need complete manual Click Here to download

Product:TRUCK
Model:775GLRCTRUCKRFM
HIDlampsoperateatveryhighvoltages.Toavoidelectrical shockandpersonalinjury,disconnectpowerbeforeservicing HIDlamps.
HIDbulbsbecomeveryhotduringoperation.Beforeservicing, removepowerfromlampforatleastfiveminutestoensurelamp iscool.
NOTICE
AlthoughHIDbulbmaterialsmaychangeovertime,HIDbulbs producedatthetimeoftheprintingofthismanualcontain mercury.Whendisposingofthiscomponent,oranywastethat containsmercury,pleaseusecautionandcomplywithany applicablelaws.
Note:
Note:
Note:
Copyright1993-2022CaterpillarInc. AllRightsReserved. PrivateNetworkForSISLicensees.
FriApr2215:14:27UTC+05302022




Copyright1993-2022CaterpillarInc. AllRightsReserved. PrivateNetworkForSISLicensees.
FriApr2215:14:00UTC+05302022

Product:TRUCK
Model:775GLRCTRUCKRFM
Configuration:775GLRCOff-HighwayTruckRFM00001-UP(MACHINE)POWEREDBYC27Engine
OperationandMaintenanceManual
773Gand775GOff-HighwayTrucks
MediaNumber-SEBU8547-08PublicationDate-01/04/2015DateUpdated-24/10/2017
Hotoilandhotcomponentscancausepersonalinjury.Donot allowhotoilorhotcomponentstocontacttheskin.
NOTICE
Caremustbetakentoensurethatfluidsarecontainedduring performanceofinspection,maintenance,testing,adjusting,and repairoftheproduct.Bepreparedtocollectthefluidwith suitablecontainersbeforeopeninganycompartmentor disassemblinganycomponentcontainingfluids.
RefertoSpecialPublication,NENG2500,"DealerServiceTool Catalog"fortoolsandsuppliessuitabletocollectandcontain fluidsonCatproducts.
Disposeofallfluidsaccordingtolocalregulationsand mandates.


Note:


Copyright1993-2022CaterpillarInc. AllRightsReserved. PrivateNetworkForSISLicensees.
FriApr2215:12:40UTC+05302022

Note:


Product:TRUCK
Model:775GLRCTRUCKRFM
Configuration:775GLRCOff-HighwayTruckRFM00001-UP(MACHINE)POWEREDBYC27Engine
OperationandMaintenanceManual 773Gand775GOff-HighwayTrucks
MediaNumber-SEBU8547-08PublicationDate-01/04/2015DateUpdated-24/10/2017
i04631440 Fuses,CircuitBreakersandRelays-Replace/Reset
SMCS-1417-510;1420-510;1422-510

Illustration1g02648910
Thefuseandrelaypanelislocatedbehindthecompanionseat. (A)12Vpanel
Fuses
NOTICE
Ifitisnecessarytoreplacefusesfrequently,anelectricalproblemmay exist.
ContactyourCatdealer.
NOTICE
Alwaysreplacefuseswiththesametypeandcapacityfusethatwas removed.Otherwise,electricaldamagecouldresult.
Fusesprotecttheelectricalsystemfromdamagethatiscausedbyoverloadedelectricalcircuits. Replaceafuseiftheelementseparates.Ifthefuseofaparticularelectricalsystemrequiresfrequent replacement,checktheelectricalcircuit.Repairtheelectricalcircuit,ifnecessary.Thefusepanelis positionedintheoperatorcompartmentbehindthecompanionseat.
12VPanel

Illustration2g02157781
(1)12VPowerPort(DashPanel)(15A)
(2)12VPowerPort(RearPanel)(15A)
(3)CigarLighter(15A)
(4)CommunicationRadio(15A)
(5)EntertainmentRadio(15A)
(6)MineStar(10A)



(7)24Vto12VConverter(20A) (8)StopLamps(15A) (9)BrakeECM(15A) (10)InstrumentCluster(10A) (11)ProductLink(15A) (12)ChassisECM(15A) (13)Horn(10A) (14)DirectionalSignal/HazardLights(10A) (15)VIMS(10A) (16)Keyswitch(10A) (17)DetectObjectDetection(15A) (18)RightHighBeamLight(15A) (19)LeftHighBeamLight(15A) (20)WorkLights(15A) (21)LeftLowBeamLight(15A) (22)RightLowBeamLight(15A) (23)FuelPrimingPump(15A) (24)InstrumentPanelBacklight(10A) (25)CustomLight(Pre-wired)(15A) (26)WindowWiper(5A)
(27)CustomLight(Pre-wired)(15A) (28)AirPrecleaner(10A) (29)SuspensionSeat(15A) (30)Reverse(Rear)Lights(10A) (31)WindowWasher(10A)
(32)AutoLube(15A) (33)Accessories(10A) (34)WAVS(CameraSystem)(15A) (35)AlternatorExciter(10A) (36)SensorPower(10A) (37)HeatedMirror(15A) (38)HVACBlowerFan(20A)
(39)TirePressureMonitorReceiver(10A) (40)PowerWindow(20ACircuitBreaker)
CircuitBreakers
Pushinthebuttoninordertoresetthecircuitbreaker.Iftheelectricalsystemisworkingproperly,the buttonwillremaindepressed.Ifthebuttondoesnotremaindepressed,checktheappropriate electricalcircuit.Repairtheelectricalcircuit,ifnecessary.Usethetoolthatisstoredontheelectrical panelinordertoremovethecircuitbreakers.
Note:Thecircuitbreakersforthelowbeamheadlightsareautomaticresetcircuitbreakers.

PowerWindow(40)-20Amp(Refer toillustration3)

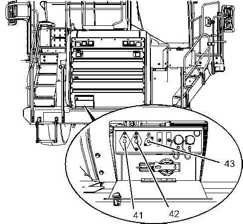
Illustration4g02660996
Groundlevelcontrolbox



Relays
Alternator(41)-90Amp
Main(42)-90Amp
EngineECM(43)-15Amp
Arelayisanelectricalswitchthatopensandclosesunderthecontrolofanotherelectricalcircuit.

(44)LeftLowBeamLights (45)RightLowBeamLights (46)RightHighBeamLights (47)LeftHighBeamLights (48)WorkLights


(49)Reverse(Rear)Lights
(51)AirConditioner (51)StopLamps (52)IntermittentWiper (53)DetectObjectDetectionWorkLight (54)AutoLube (55)WiperParkPosition (56)HeatedMirror
Copyright1993-2022CaterpillarInc. AllRightsReserved. PrivateNetworkForSISLicensees.
FriApr2215:09:21UTC+05302022

Product:TRUCK
Model:775GLRCTRUCKRFM Configuration:775GLRCOff-HighwayTruckRFM00001-UP(MACHINE)POWEREDBYC27Engine
Personalinjuryordeathcanoccurifpersonnelaretrapped betweenthewheelandtheframe.
Thesteeringsystemishydraulicallycontrolledandwheelscan crushpersonnelduringmovement.
Usecautionwhenworkingbetweenthewheelsandtheframe.If thewheelsmustbeturned,ensurethatallpersonnelareclearof themachinebeforeanymovement.
Hotoilandhotcomponentscancausepersonalinjury.Donot allowhotoilorhotcomponentstocontacttheskin.
This is the sample of the manual if you need complete manual Click Here to download