Skip to main content

CAT + Caterpillar 725 Articulated Truck Operation & Maintenance Manual

Page 1


Product:ARTICULATEDTRUCK

Model:725ARTICULATEDTRUCKAFX

Configuration:725ArticulatedTruckAFX00001-UP(MACHINE)POWEREDBY3176CEngine

This is the sample of the manual if you need complete manual Click Here to download

Product:ARTICULATEDTRUCK

Model:725ARTICULATEDTRUCKAFX

Configuration:725ArticulatedTruckAFX00001-UP(MACHINE)POWEREDBY3176CEngine

OperationandMaintenanceManual 725and730ArticulatedTrucks

MediaNumber-SEBU7347-11PublicationDate-01/01/2004DateUpdated-01/05/2020

AxleBreathers-Clean/Replace

SMCS-3278-070-BRE;3278-510-BRE

Parkthemachineonalevelsurface.MovetheparkingbrakecontroltotheENGAGEDposition. Lowerthebodyandshutofftheengine.

InstalltheSteeringFrameLock.RefertoOperationandMaintenanceManual,"SteeringFrame Lock".

Frontaxlebreather(1)ismountedontheleftsideofthefrontframe.

i01981266

Illustration2g00679631

Centeraxlebreather(2)ismountedontherightsideoftherearframe.

Illustration3g00679629

Rearaxlebreather(3)ismountedontherightsideoftherearframe.

Note:Beforeyouremovethebreathers,blockthefrontframeofthemachine.

1.Removeeachaxlebreather.

2.Washeachbreatherinacleannonflammablesolvent.

3.Shakeeachbreatheruntilthebreatherisdry.

4.Installeachbreather.

Ifanyoftheaxlebreathersaredamaged,replacethedamagedbreather. RemovetheSteeringFrameLockoncealltheaxlebreathersareinstalled.RefertoOperationand MaintenanceManual,"SteeringFrameLock".

Copyright1993-2022CaterpillarInc.

WedNov212:17:06UTC+05302022

Product:ARTICULATEDTRUCK

Model:725ARTICULATEDTRUCKAFX

Configuration:725ArticulatedTruckAFX00001-UP(MACHINE)POWEREDBY3176CEngine

OperationandMaintenanceManual 725and730ArticulatedTrucks

MediaNumber-SEBU7347-11PublicationDate-01/01/2004DateUpdated-01/05/2020

BackupAlarm-Test

SMCS-7406-081

Thebackupalarmisontherearofthemachine.

TurntheenginestartswitchtotheONpositioninordertoperformthetest. Applytheservicebrakes.MovethetransmissioncontrollevertotheREVERSEposition.

i02305428

Thebackupalarmshouldstarttosoundimmediately.Thebackupalarmwillcontinuetosound untilthetransmissioncontrolleverismovedtotheNEUTRALpositionortotheFORWARD position.

Copyright1993-2022CaterpillarInc. AllRightsReserved. PrivateNetworkForSISLicensees. WedNov212:17:21UTC+05302022

Product:ARTICULATEDTRUCK

Model:725ARTICULATEDTRUCKAFX

Configuration:725ArticulatedTruckAFX00001-UP(MACHINE)POWEREDBY3176CEngine

OperationandMaintenanceManual 725and730ArticulatedTrucks

MediaNumber-SEBU7347-11PublicationDate-01/01/2004DateUpdated-01/05/2020

Battery-Recycle

SMCS-1401-561

i08232552

Alwaysrecycleabattery.Neverdiscardabattery.Returnusedbatteriestooneofthefollowing locations:

•Abatterysupplier

•Anauthorizedbatterycollectionfacility

•Arecyclingfacility

Copyright1993-2022CaterpillarInc. AllRightsReserved. PrivateNetworkForSISLicensees.

WedNov212:17:45UTC+05302022

Product:ARTICULATEDTRUCK

Model:725ARTICULATEDTRUCKAFX

Configuration:725ArticulatedTruckAFX00001-UP(MACHINE)POWEREDBY3176CEngine

OperationandMaintenanceManual 725and730ArticulatedTrucks

MediaNumber-SEBU7347-11PublicationDate-01/01/2004DateUpdated-01/05/2020

BatteryorBatteryCable-Inspect/Replace

SMCS-1401-510;1402-510

i01951790

Inspecttheconditionofthecablestothebatteriesandinspecttheconditionofthebatteries.

Note:Whenyoureplacethebatteries,alwaysusethesametypeofbattery.

Usethefollowingprocedureinordertoisolatethebatteriesifanyrepairsarenecessary.

1.TurntheenginestartswitchtotheOFFposition.TurnallswitchestotheOFFposition.

2.TurnthebatterydisconnectswitchtotheOFFposition.Removethekey.

3.Atthebatterydisconnectswitch,disconnectthenegativebatterycablethatisconnectedto theframe.

Note:Donotallowthedisconnectedbatterycabletocontactthedisconnectswitch.

4.Disconnectthenegativebatterycablefromtheterminalsofthebatteries.

5.Performthenecessaryrepairs.Replacethecablesorthebatteries,asneeded.

6.Connectthenegativebatterycabletotheterminalsofthebattery.

7.Connectthenegativebatterycableatthebatterydisconnectswitch.

8.Installthekeyforthebatterydisconnectswitch.TurnthekeytotheONposition.

Copyright1993-2022CaterpillarInc. AllRightsReserved. PrivateNetworkForSISLicensees.

WedNov212:17:59UTC+05302022

Product:ARTICULATEDTRUCK

Model:725ARTICULATEDTRUCKAFX

Configuration:725ArticulatedTruckAFX00001-UP(MACHINE)POWEREDBY3176CEngine

OperationandMaintenanceManual 725and730ArticulatedTrucks

MediaNumber-SEBU7347-11PublicationDate-01/01/2004DateUpdated-01/05/2020

Belts-Inspect/Adjust/Replace

SMCS-1357-040;1357-510;1357-025

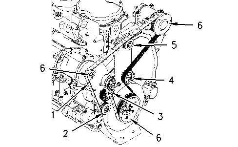
Theengineisequippedwithabeltthatdrivesthealternatorandtheairconditioner.

i01836155

Note:Theengineisequippedwithabelttensionerthatautomaticallyadjuststhebelttothecorrect tension.

1.Parkthemachineonalevelsurface.Engagetheparkingbrake.Shutofftheengine.

2.Raisethehood.RefertoOperationandMaintenanceManual,"HoodControl".

3.Removethepulleyguard.

4.Inspectdrivebelt(1).Checkthebeltforwear,frayingorcracking.Ifthebeltisdamaged, replacethebelt.

5.Ifbelt(1)requiresreplacement,insertasquaredriveintotheholeintensioner(3)andturn counterclockwiseinordertoreleasethetensionfromthebelt.

6.Removethebeltfromtheengine.

7.InordertoInstallanewbelt,insertasquaredriveintotheholeintensioner(3)andturn counterclockwise.

8.Installbelt(1)inthefollowingorder:tensioner(3),idler(2),drivepulleys(6),idler(5)and idler(4).

9.Installthepulleyguard.

10.Lowerthehood.RefertoOperationandMaintenanceManual,"HoodControl".

Copyright1993-2022CaterpillarInc. AllRightsReserved. PrivateNetworkForSISLicensees.

WedNov212:18:32UTC+05302022

Product:ARTICULATEDTRUCK

Model:725ARTICULATEDTRUCKAFX

Configuration:725ArticulatedTruckAFX00001-UP(MACHINE)POWEREDBY3176CEngine

OperationandMaintenanceManual 725and730ArticulatedTrucks

MediaNumber-SEBU7347-11PublicationDate-01/01/2004DateUpdated-01/05/2020

BodyPivotBearings-Lubricate

SMCS-7258-086-BD;7424-086

i02207824

Parkthemachineonalevelsurface.Ensurethattheparkingbrakeisfullyengaged.Lowerthe dumpbodyandstoptheengine.

Removethecapsandwipethegreasefittingsbeforelubricantisapplied.Installthecapsafter lubricanthasbeenapplied.

Thereisatotaloftwogreasefittings.Onegreasefittingontheendofeachpivotpin.Thefittings arelocatedattherearofthemachine.

Lubricatethepivotbearingsthroughthegreasefittings.Oneortwoshotswillberequiredateach fittingiflubricationiscarriedoutattherecommendedinterval.

Product:ARTICULATEDTRUCK

Model:725ARTICULATEDTRUCKAFX

Configuration:725ArticulatedTruckAFX00001-UP(MACHINE)POWEREDBY3176CEngine

OperationandMaintenanceManual 725and730ArticulatedTrucks

MediaNumber-SEBU7347-11PublicationDate-01/01/2004DateUpdated-01/05/2020

BrakeAccumulator(Service)-Check

SMCS-4263-535

Personalinjuryordeathcanresultfromimproperaccumulator charging.

DryNitrogenistheonlygasapprovedforuseintheaccumulator. Chargingtheaccumulatorwithoxygenwillcauseanexplosion.This dangerwillnothappenifnitrogencylinderswithstandardCGA (CompressedGasAssociation,Inc.)Number580connectionsareused.

Whenorderingnitrogengas,besurethatthecylindersareequipped withCGANumber580connections.Donotusecolorcodesorother methodsofidentificationtotellthedifferencebetweennitrogenand oxygencylinders

Neveruseanadaptertoconnectyournitrogencharginggrouptoavalve outletusedonbothnitrogen,oxygen,orothergascylinders.BESURE YOUUSEDRYNITROGEN(99.8%purity).

i02253515

RefertoSystemsOperation,TestingandAdjusting,"BrakeAccumulator(Service)-Testand Charge"formoreinformation.

Copyright1993-2022CaterpillarInc. AllRightsReserved. PrivateNetworkForSISLicensees.

WedNov212:19:13UTC+05302022

Product:ARTICULATEDTRUCK

Model:725ARTICULATEDTRUCKAFX

Configuration:725ArticulatedTruckAFX00001-UP(MACHINE)POWEREDBY3176CEngine

OperationandMaintenanceManual 725and730ArticulatedTrucks

MediaNumber-SEBU7347-11PublicationDate-01/01/2004DateUpdated-01/05/2020

BrakePads-Check

SMCS-4251-535;4267-535;4273-535

i01976087

Thebrakesonthismachineareself-adjusting.Visuallyinspectthebrakepadsandreplaceworn brakepads,ifnecessary.

Note:Beforeservicingthebrakepads,blockthefrontframeofthemachine.

Whennewbrakepadsareinstalled,recordthemeasurementateachinspectionholeinthebrake caliper.Recordtheaxleasthelocationoftheinspectionholechangeswiththeaxle.Theserecords canbeusedasacomparisonforfuturemeasurements.

Illustration1g00646109

TypicalBrakeWearMeasurementGauge (1)Handle (2)SteelRod (3)SocketSetscrew

Asteelrodcanbeusedinordertocheckthebrakepadsforwearifameasuringtoolisnot available.Thesteelrodshouldmeasure5mm(0.2inch)diameterand100mm(4inch)long.

1.Applytheservicebrakes.Seektheassistanceofacapableoperatorinordertoapplythe servicebrakeswhileyoucheckthebrakepads.Insertthesteelrodininspectionhole(5). Measurethedistancefromthefaceofthebrakecalipertothebrakepads.Removethesteel rodfromtheinspectionhole.Whenallthecomponentsarenew,themeasurementshouldbe approximately70mm(2.8inch).Repeattheprocedureatinspectionhole(4).Whenallthe componentsarenew,themeasurementshouldbeapproximately50mm(2inch).Whenthe measurementshaveincreasedby14mm(0.6inch),thebrakepadsarenearingthe maximumwear.Checkthemeasurementatbothinspectionholesinthebrakecaliperasthe brakepadscangiveunevenwear.

Note:Thesteelrodmustbeincontactwiththebrakepadswhenthemeasurementsare taken.

2.Themeasurementattheinspectionholescandifferifthebrakediscplatehasbeen skimmed.Themeasurementattheinspectionholescanalsobeaffectedifthebrakepadsare wornorthebrakediscplatesaredistorted.Repeatthisprocedureateachinspectionholeon eachaxle.Releasetheservicebrakes.

Removethebrakepadsfromthebrakecalipersforcloserinspection.Measurethethicknessofthe frictionmaterialandcarrieratbothendsofthebrakepads.Minimumthicknessofthefriction materialis11mm(0.4inch).Replacethebrakepadsifthefrictionmaterialisworntothese figures.Installthebrakepads.

Presstheservicebrakecontrol.Observethatthebrakepadsmovefreelyawayfromthebrake caliper.

Releasetheservicebrakecontrol.Observethatthebrakepadsmovefreelyawayfromthebrake disc.Ifthereisnotenoughfreeplaybetweenthebrakepadsandthebrakecaliper,theservice brakesmaynotreleasecompletely.Investigatethecause.Replaceanywornoutparts.

Repeattheprocedureforeachwheelbrake.

Installtheplasticplugsonallofthebrakecalipers.

Starttheengine.

Raisethesuspension.

RefertoOperationandMaintenance,"SuspensionSystem-Check/Adjust".

Copyright1993-2022CaterpillarInc. AllRightsReserved. PrivateNetworkForSISLicensees.

WedNov212:19:35UTC+05302022

Product:ARTICULATEDTRUCK

Model:725ARTICULATEDTRUCKAFX

Configuration:725ArticulatedTruckAFX00001-UP(MACHINE)POWEREDBY3176CEngine

OperationandMaintenanceManual

725and730ArticulatedTrucks

MediaNumber-SEBU7347-11PublicationDate-01/01/2004DateUpdated-01/05/2020

Brakes,IndicatorsandGauges-Test

SMCS-4251-081;4267-081;7000;7450-081;7490-081

i01514959

Beforeyouoperatethemachine,performthefollowingchecksandmakeanynecessaryrepairs.

•Lookforbrokenlensesonthegauges,brokenindicatorlights,brokenswitches,andother brokencomponentsinthecab.

•Starttheengine.

•Lookforinoperativegauges.

•Turnonallmachinelights.Checkforproperoperation.

•Soundtheforwardhorn.

•Testtheservicebrakes.RefertoOperationandMaintenanceManual,"BrakingSystemTest".

•Testtheparkingbrake.RefertoOperationandMaintenanceManual,"BrakingSystemTest".

•Stoptheengine.

Copyright1993-2022CaterpillarInc. AllRightsReserved. PrivateNetworkForSISLicensees.

WedNov212:19:52UTC+05302022

Product:ARTICULATEDTRUCK

Model:725ARTICULATEDTRUCKAFX

Configuration:725ArticulatedTruckAFX00001-UP(MACHINE)POWEREDBY3176CEngine

OperationandMaintenanceManual 725and730ArticulatedTrucks

MediaNumber-SEBU7347-11PublicationDate-01/01/2004DateUpdated-01/05/2020

BrakingSystem-Test

SMCS-3077-081;4251-081;4267-081

i04045434

Personalinjurycanresultifthemachinemoveswhiletesting.

Ifthemachinebeginstomoveduringtest,reducetheenginespeed immediatelyandengagetheparkingbrake.

Theservicebrakeholdingabilitytestdetermineswhethertheservicebrakeisfunctional.Thistest isnotintendedtomeasurethemaximumbrakeholdingability.

Theholdingabilityoftheservicebrakesataspecificenginerpmwillbedifferentforeach machine.

Theresultsofthetestshouldberecorded.Theresultsshouldbecomparedtoprevioustestresults andsubsequenttestresults.Usethecomparisonasanindicationofsystemdeteriorationfora particularmachine.

1.Beforeyouperformthetest,ensurethatyoucantestthebrakesonasurfacewhichislevel, dry,andclearofobstacles.Fastenyourseatbelt.Ensurethatthetransmissioncontrolisin theNpositionandthattheparkingbrakecontrolisintheENGAGEDposition.

Starttheengineandwaituntilthebrakesystemisfullycharged.

2.Engagetheservicebrakes.Movethetransmissioncontroltothe1position.Movethe parkingbrakecontroltotheDISENGAGEDposition.

3.Graduallyincreasetheenginespeeduntilthemachinemovesforward.Recordtheengine speedwhenthemachinemoves.

Reducetheenginespeedimmediatelyandmovetheparkingbrakecontroltothe ENGAGEDposition.MovethetransmissioncontroltotheNposition.Shutofftheengine.

4.Ifthemachinemovesatanenginespeedbelow1200rpm,theservicebrakesrequire service.

NOTICE

Ifthemachinemovedwhiletestingtheservicebrakes,contactyour Caterpillardealer.

Havethedealerinspectand,ifnecessary,repairtheservicebrakes beforereturningthemachinetooperation.

ParkingBrakeCheck

Theparkingbrakeholdingtestisamaintenancetestprocedureonly. Themachineshouldneverbeparkedonagradewithonlytheparking brakeengaged.Ifnecessarytostopthemachineonagrade,blockthe wheelssecurely.RefertoOperationandMaintenanceManual, "Jacking/BlockingLocations"formoreinformation.Failuretoblock thewheelssecurelycouldresultinunintendedmachinemovement. Personalinjuryordeathcouldresultifthemachinemoves.

Thetestfortheparkingbrakemustbecarriedoutwiththeratedloadinthebody.

Testtheservicebrakesandthesecondarysteeringsystemonlevelgroundbeforeyoucarryout thisprocedure.

1.Drivethemachineontoaninclineof15%.Themachinemustbepointingdowntheincline.

Note:Ifrequiredbylocalregulations,the15%inclinecanbereplaced.Aninclinethat representsthemaximumgradethatthemachinewillbeoperatedonatthesitemaybe used.Ifthemachinemovedduringthemaximumgradetest,theparkingbrakemay requireservice.Themachineoperationmayneedtobemodifiedtoreducethe maximumgradethatthemachineisoperatedoninordertomeetlocalregulatory requirements.

2.Engagetheservicebrakesinordertostopthemachineontheincline.Theareaaroundthe machinemustbeclearofpersonnelandobstacles.

3.MovetheparkingbrakecontroltotheENGAGEDposition.Movethetransmissioncontrol totheNposition.

5.Graduallydisengagetheservicebrakes.

6.Ifthemachinemovesforward,engagetheservicebrakesimmediately.Starttheengine. Disengagetheparkingbrakeanddrivethemachineontolevelground.Shutofftheengine.

7.Checkthethicknessofthebrakepadliningsandcheckthethicknessofthebrakedisc.Refer toSpecifications,RENR6724,"ParkingBrake".Replacepartsifthespecificationisnotmet.

Ifthemachinemovedduringthetest,theparkingbrakerequiresservice.

NOTICE

Ifthemachinemovedwhiletestingtheparkingbrake,inspectthe parkingbrakecomponentsforwearordamage.Repairorreplacethe wornordamagedparkingbrakecomponentsasrequiredbefore returningthemachinetoservice.

Copyright1993-2022CaterpillarInc. AllRightsReserved. PrivateNetworkForSISLicensees.

WedNov212:20:10UTC+05302022

Product:ARTICULATEDTRUCK

Model:725ARTICULATEDTRUCKAFX

Configuration:725ArticulatedTruckAFX00001-UP(MACHINE)POWEREDBY3176CEngine

OperationandMaintenanceManual 725and730ArticulatedTrucks

MediaNumber-SEBU7347-11PublicationDate-01/01/2004DateUpdated-01/05/2020

CabAirFilter-Clean/Replace

SMCS-7342-510;7342-070

NOTICE

Anairrecirculationfilterelementpluggedwithdustwillresultin decreasedperformanceandservicelifetotheairconditionerorcab heater.

Topreventdecreasedperformance,cleanthefilterelement,as required.

i02206819

Bothcabairfiltersmustbeservicedatregularintervals.Operatingconditionswillinfluencethe serviceintervalforthecabairfilters.Inspectthefiltersmoreofteninverydustyconditions.Both cabairfiltersarelocatedintherightsidewallofthecab.

Replacebothairfiltersiftheairfilterelementshavebeeninserviceforoneyear.

1.Parkthemachineonalevelsurface.movetheparkingbrakecontroltotheENGAGED position.Lowerthedumpbodyandshutofftheengine.

Illustration1g01125350

2.Removecover(1)andremovetheairfilter.

Illustration2g01125366

3.Removecover(2)andremovetheairfilter.

4.Cleantheinsideofbothairfilterhousings.

This is the sample of the manual if you need complete manual Click Here to download

Turn static files into dynamic content formats.

Create a flipbook