Skip to main content

CAT + Caterpillar 621G Wheel Tractor Operation & Maintenance Manual

Page 1


S/NCEN00001UP

Product:WHEELTRACTOR

Model:621GWHEELTRACTORCEN

Configuration:621GWheelTractorCEN00001-UP(MACHINE)POWEREDBY3406EEngine

OperationandMaintenanceManual

621GWheelTractor-Scraper

MediaNumber-SEBU7696-02PublicationDate-01/04/2004DateUpdated-03/05/2004

Foreword

LiteratureInformation

Thismanualshouldbestoredintheoperator'scompartmentintheliteratureholderorseatback literaturestoragearea.

Thismanualcontainssafetyinformation,operationinstructions,transportationinformation, lubricationinformationandmaintenanceinformation.

Somephotographsorillustrationsinthispublicationshowdetailsorattachmentsthatcanbe differentfromyourmachine.Guardsandcoversmighthavebeenremovedforillustrative purposes.

Continuingimprovementandadvancementofproductdesignmighthavecausedchangestoyour machinewhicharenotincludedinthispublication.Read,studyandkeepthismanualwiththe machine.

Wheneveraquestionarisesregardingyourmachine,orthispublication,pleaseconsultyourCat dealerforthelatestavailableinformation.

Safety

Thesafetysectionlistsbasicsafetyprecautions.Inaddition,thissectionidentifiesthetextand locationsofwarningsignsandlabelsusedonthemachine.

Readandunderstandthebasicprecautionslistedinthesafetysectionbeforeoperatingor performinglubrication,maintenanceandrepaironthismachine.

Operation

Theoperationsectionisareferenceforthenewoperatorandarefresherfortheexperienced operator.Thissectionincludesadiscussionofgauges,switches,machinecontrols,attachment controls,transportationandtowinginformation.

s00037320

Photographsandillustrationsguidetheoperatorthroughcorrectproceduresofchecking,starting, operatingandstoppingthemachine.

Operatingtechniquesoutlinedinthispublicationarebasic.Skillandtechniquesdevelopasthe operatorgainsknowledgeofthemachineanditscapabilities.

Maintenance

Themaintenancesectionisaguidetoequipmentcare.TheMaintenanceIntervalSchedule(MIS) liststheitemstobemaintainedataspecificserviceinterval.Itemswithoutspecificintervalsare listedunderthe"WhenRequired"serviceinterval.TheMaintenanceIntervalScheduleliststhe pagenumberforthestep-by-stepinstructionsrequiredtoaccomplishthescheduledmaintenance. UsetheMaintenanceIntervalScheduleasanindexor"onesafesource"forallmaintenance procedures.

MaintenanceIntervals

Usetheservicehourmetertodetermineservicingintervals.Calendarintervalsshown(daily, weekly,monthly,etc.)canbeusedinsteadofservicehourmeterintervalsiftheyprovidemore convenientservicingschedulesandapproximatetheindicatedservicehourmeterreading. Recommendedserviceshouldalwaysbeperformedattheintervalthatoccursfirst.

Underextremelysevere,dustyorwetoperatingconditions,morefrequentlubricationthanis specifiedinthemaintenanceintervalschartmightbenecessary.

Performserviceonitemsatmultiplesoftheoriginalrequirement.Forexample,atevery500 servicehoursor3months,alsoservicethoseitemslistedunderevery250servicehoursor monthlyandevery10servicehoursordaily.

CaliforniaProposition65Warning

DieselengineexhaustandsomeofitsconstituentsareknowntotheStateofCaliforniatocause cancer,birthdefects,andotherreproductiveharm.

Batteryposts,terminalsandrelatedaccessoriescontainleadandleadcompounds.Washhands afterhandling.

CertifiedEngineMaintenance

Propermaintenanceandrepairisessentialtokeeptheengineandmachinesystemsoperating correctly.Astheheavydutyoff-roaddieselengineowner,youareresponsiblefortheperformance oftherequiredmaintenancelistedintheOwnerManual,OperationandMaintenanceManual,and ServiceManual.

Itisprohibitedforanypersonengagedinthebusinessofrepairing,servicing,selling,leasing,or tradingenginesormachinestoremove,alter,orrenderinoperativeanyemissionrelateddeviceor elementofdesigninstalledonorinanengineormachinethatisincompliancewiththe regulations(40CFRPart89).Certainelementsofthemachineandenginesuchastheexhaust system,fuelsystem,electricalsystem,intakeairsystemandcoolingsystemmaybeemission relatedandshouldnotbealteredunlessapprovedbyCaterpillar.

MachineCapacity

Additionalattachmentsormodificationsmayexceedmachinedesigncapacitywhichcan adverselyaffectperformancecharacteristics.Includedwouldbestabilityandsystemcertifications suchasbrakes,steering,androlloverprotectivestructures(ROPS).ContactyourCatdealerfor furtherinformation.

CatProductIdentificationNumber

EffectiveFirstQuarter2001theCatProductIdentificationNumber(PIN)haschangedfrom8to 17characters.Inanefforttoprovideuniformequipmentidentification,Caterpillarandother constructionequipmentmanufacturersaremovingtocomplywiththelatestversionoftheproduct identificationnumberingstandard.Non-roadmachinePINsaredefinedbyISO10261.Thenew PINformatwillapplytoallCatmachinesandgeneratorsets.ThePINplatesandframemarking willdisplaythe17characterPIN.Thenewformatwilllooklikethefollowing:

1.Caterpillar'sWorldManufacturingCode(characters1-3)

2.MachineDescriptor(characters4-8)

3.CheckCharacter(character9)

4.MachineIndicatorSection(MIS)orProductSequenceNumber(characters10-17).Thesewere previouslyreferredtoastheSerialNumber.

MachinesandgeneratorsetsproducedbeforeFirstQuarter2001willmaintaintheir8character PINformat.

This is the sample of the manual if you need complete manual Click Here to download

Componentssuchasengines,transmissions,axles,etc.andworktoolswillcontinuetousean8 characterSerialNumber(S/N).

Copyright1993-2023CaterpillarInc. AllRightsReserved. PrivateNetworkForSISLicensees.

TueJul1109:00:43UTC+05302023

Product:WHEELTRACTOR

Model:621GWHEELTRACTORCEN

Configuration:621GWheelTractorCEN00001-UP(MACHINE)POWEREDBY3406EEngine

OperationandMaintenanceManual

621GWheelTractor-Scraper

MediaNumber-SEBU7696-02PublicationDate-01/04/2004DateUpdated-03/05/2004

Accumulator(CushionHitch)-Check

SMCS-5077-535

S/N-CEN1-UP

i02228281

Thecushion-hitchaccumulatorislocatedontherightsideofthemachinenearthecenterhitch. Checktheprechargepressureinthecushion-hitchaccumulator.Addnitrogen,ifnecessary.Refer toSpecifications,SystemsOperation,TestingandAdjusting,"Accumulator(Cushion-Hitch)TestandCharge".YoumayneedtoconsultyourCaterpillardealerforthecheckingprocedure. Copyright1993-2023CaterpillarInc.

TueJul1109:25:29UTC+05302023

Product:WHEELTRACTOR

Model:621GWHEELTRACTORCEN

Configuration:621GWheelTractorCEN00001-UP(MACHINE)POWEREDBY3406EEngine

OperationandMaintenanceManual 621GWheelTractor-Scraper MediaNumber-SEBU7696-02PublicationDate-01/04/2004DateUpdated-03/05/2004

AirDryer-Check

SMCS-4285-535

S/N-CEN1-UP

Illustration1g00910985

i01778508

1.Opendrainvalves(1)fortheairtanksonthetractor.Theairtanksshouldhaveairpressure. Therearethreevalvesonthetractor.

2.Checkformoistureintheairtank.Moisturewillsprayfromdrainvalves(1)ifmoistureis present.Closedrainvalves(1).

3.Openaccessdoor(2).

4.Ifthereismoistureintheairtank,replaceairdryerdesiccantcartridge(3)orrebuildair dryerdesiccantcartridge(3).ConsultyourCaterpillardealerforinformationaboutreplacing airdryerdesiccantcartridge(3)andforinstructionsforrebuildingairdryerdesiccant cartridge(3).

Note:Smallamountsofmoisturemaybeinthesystemduetocondensationinthesystem. Moisturemayalsobeinthesystemifanairdryerisinstalledonamachinethathasbeenoperating withoutanairdryer.Severalweeksmayberequiredinordertocompletelydrythesystem.

Copyright1993-2023CaterpillarInc.

TueJul1109:25:54UTC+05302023

Illustration2g00909446

Product:WHEELTRACTOR

Model:621GWHEELTRACTORCEN

Configuration:621GWheelTractorCEN00001-UP(MACHINE)POWEREDBY3406EEngine

OperationandMaintenanceManual

621GWheelTractor-Scraper

MediaNumber-SEBU7696-02PublicationDate-01/04/2004DateUpdated-03/05/2004

AirDryerDesiccant-Replace

SMCS-4285-510-DSS

S/N-CEN1-UP

Airlinestoandfromtheairdryermustbeatatmosphericpressure. Releasetheairpressurefromtheairsystemcompletelybefore performingmaintenance.

i01778591

Illustration1g00909536

Replacetheairdryerdesiccantcartridgeorrebuildtheairdryerdesiccantcartridgeifwatercannot beabsorbed.ConsultyourCaterpillardealerforserviceorforreplacementparts.

Copyright1993-2023CaterpillarInc. AllRightsReserved. PrivateNetworkForSISLicensees.

TueJul1109:26:11UTC+05302023

Product:WHEELTRACTOR

Model:621GWHEELTRACTORCEN

Configuration:621GWheelTractorCEN00001-UP(MACHINE)POWEREDBY3406EEngine

OperationandMaintenanceManual

621GWheelTractor-Scraper

MediaNumber-SEBU7696-02PublicationDate-01/04/2004DateUpdated-03/05/2004

AirTankMoistureandSediment-Drain

SMCS-4272-543-M&S

Theairtanksshouldhavesomeairpressure.

Checktheairtanksattheendoftheshiftformoistureandforsediment.

Moistureandsedimentcanaccumulateintheairtank.Thiscanleadtoalowreserveofair.The airdryermayneedtobeserviced.RefertoOperationandMaintenanceManual,"AirDryerCheck"forfurtherinformation.

Ifoilisdrainingfromthetanks,consultyourCaterpillardealer.

i01778832

Illustration1g00909442

Threevalves(1)areontheleftsideofthetractor.Thevalvesarelocatedintherecessforthestep.

Openthevalves.Allowthemoistureandthesedimenttodrainintoasuitablecontainer.Closethe valves.

Illustration2g00909637

Theairtankforthescraperisontherightrearsideofthescraper.

Opendrainvalve(2).Allowthemoistureandthesedimenttodrainintoasuitablecontainer.Close valve(2).

Copyright1993-2023CaterpillarInc. AllRightsReserved. PrivateNetworkForSISLicensees.

TueJul1109:26:29UTC+05302023

Product:WHEELTRACTOR

Model:621GWHEELTRACTORCEN

Configuration:621GWheelTractorCEN00001-UP(MACHINE)POWEREDBY3406EEngine

OperationandMaintenanceManual

621GWheelTractor-Scraper

MediaNumber-SEBU7696-02PublicationDate-01/04/2004DateUpdated-03/05/2004

AugerHydraulicSystemOilFilter-Replace

SMCS-5068-510

S/N-CEN1-UP

i02457762

Hotoilandhotcomponentscancausepersonalinjury.Donotallowhot oilorhotcomponentstocontactskin.

NOTICE

Caremustbetakentoensurethatfluidsarecontainedduring performanceofinspection,maintenance,testing,adjustingandrepair oftheproduct.Bepreparedtocollectthefluidwithsuitablecontainers beforeopeninganycompartmentordisassemblinganycomponent containingfluids.

RefertoSpecialPublication,NENG2500,"CaterpillarDealerService ToolCatalog"fortoolsandsuppliessuitabletocollectandcontain fluidsonCaterpillarproducts.

Disposeofallfluidsaccordingtolocalregulationsandmandates.

Note:Threefiltersareassociatedwiththeaugerhydraulicsystem.Youshouldreplaceallthree filtersatthesametime.

Illustration1g00941262

Chargepumpfilter(1)islocatedbehindthetransmissionfilter.

Illustration2g00941263

Casedrainfilter(2)forthepistonpumpislocatedontherightsideofthetransmissioncase.

Filter(3)forthemotorcasedrainislocatedabovethesteeringarmsofthemachine.

1.Parkthemachineonlevelground.Engagetheparkingbrake.

2.Stoptheengine.Lowerthebowl.

3.Cleantheareaaroundthefilters.

4.Removetheoilfilterswithastraptypewrench.RefertoOperationandMaintenance Manual,"OilFilter-Inspect"forfurtherinformation.

5.Cleanthebottomofthefiltermountingbases.Makesurethatalloftheoldfiltersealsare removed.

6.Applyathincoatofcleanhydraulicoiltothesealofthenewfilters.

7.Installthenewfiltershandtightuntilthesealofthefilterscontactsthefiltermounting bases.Notethepositionoftheindexmarksonthefiltersinrelationtoafixedpointonthe filtermountingbases.

Note:Therearerotationindexmarksoneachfilterthatarespaced90degreesor1/4ofa turnawayfromeachother.Whenyoutightenthefilters,usetherotationindexmarksasa guide.

8.Tightenthefiltersaccordingtotheinstructionsthatareprintedonthefilters.Usetheindex marksasaguidefortighteningthefilters.Fornon-Caterpillarfilters,refertotheinstallation instructionsthatareprovidedbythesupplierofthefilters.

Note:YoumayneedtouseaCaterpillarstrapwrench,oranothersuitabletool,inorderto turnthefilterstotheamountthatisrequiredforfinalinstallation.Makesurethatthe installationtooldoesnotdamagethefilters.

9.Starttheengine.Checkforleaksatthefilters.

10.Checkthehydraulicoillevel.Ifnecessary,addoiltothehydraulicoilreservoir.

Copyright1993-2023CaterpillarInc. AllRightsReserved. PrivateNetworkForSISLicensees.

TueJul1109:26:47UTC+05302023

Product:WHEELTRACTOR

Model:621GWHEELTRACTORCEN

Configuration:621GWheelTractorCEN00001-UP(MACHINE)POWEREDBY3406EEngine

OperationandMaintenanceManual

621GWheelTractor-Scraper

MediaNumber-SEBU7696-02PublicationDate-01/04/2004DateUpdated-03/05/2004

BackupAlarm-Test

SMCS-7406-081

Thebackupalarmisontherearofthemachine.

1.TurntheenginestartswitchtotheONpositioninordertoperformthetest.

2.Applytheservicebrakes.

i03639910

3.MovethetransmissioncontrollevertotheREVERSEposition.Thebackupalarmshould starttosoundimmediately.

Thebackupalarmshouldsoundimmediately.Thealarmalertsthepersonnelbehindthe machinethatthemachineisbackingup.Thebackupalarmshouldcontinuetosounduntil thetransmissioncontrolleverismovedtotheNEUTRALpositionortotheFORWARD position.

Copyright1993-2023CaterpillarInc. AllRightsReserved. PrivateNetworkForSISLicensees.

TueJul1109:27:04UTC+05302023

Product:WHEELTRACTOR

Model:621GWHEELTRACTORCEN

Configuration:621GWheelTractorCEN00001-UP(MACHINE)POWEREDBY3406EEngine

OperationandMaintenanceManual 621GWheelTractor-Scraper MediaNumber-SEBU7696-02PublicationDate-01/04/2004DateUpdated-03/05/2004

Battery-Clean/Check

SMCS-1401-535;1401-070;1402-070;1402-535

S/N-CEN1-UP

i01851167

1.TurntheenginestartswitchtotheOFFposition.TurnallswitchestotheOFFposition.

2.TurnthebatterydisconnectswitchtotheOFFposition.Removethekey.

3.Atthebatterydisconnectswitch,disconnectthenegativebatterycablethatisconnectedto theframe.

Note:Donotallowthedisconnectedbatterycabletocontactthedisconnectswitch.

4.Checkthebatteryterminalsforcorrosion.Ifcorrosionispresent,cleanthebatteryterminals withawirebrush.

5.Coatthebatteryterminalswithpetroleumjelly,ifnecessary.

6.Connectthenegativebatterycableatthebatterydisconnectswitch.

7.Installthekeyforthebatterydisconnectswitch.TurnthekeytotheONposition.

Copyright1993-2023CaterpillarInc. AllRightsReserved. PrivateNetworkForSISLicensees.

TueJul1109:27:32UTC+05302023

Product:WHEELTRACTOR

Model:621GWHEELTRACTORCEN

Configuration:621GWheelTractorCEN00001-UP(MACHINE)POWEREDBY3406EEngine

OperationandMaintenanceManual

621GWheelTractor-Scraper

MediaNumber-SEBU7696-02PublicationDate-01/04/2004DateUpdated-03/05/2004

Battery-Recycle

SMCS-1401-561

Alwaysrecycleabattery.Neverdiscardabattery.

Alwaysreturnusedbatteriestooneofthefollowinglocations:

•Abatterysupplier

•Anauthorizedbatterycollectionfacility

•Recyclingfacility

Copyright1993-2023CaterpillarInc. AllRightsReserved.

PrivateNetworkForSISLicensees.

i07746330

TueJul1109:27:49UTC+05302023

Product:WHEELTRACTOR

Model:621GWHEELTRACTORCEN

Configuration:621GWheelTractorCEN00001-UP(MACHINE)POWEREDBY3406EEngine

OperationandMaintenanceManual

621GWheelTractor-Scraper MediaNumber-SEBU7696-02PublicationDate-01/04/2004DateUpdated-03/05/2004

BatteryorBatteryCable-Inspect/Replace

SMCS-1401-510;1401-040;1402-040;1402-510

i01851175

1.TurntheenginestartswitchtotheOFFposition.TurnallswitchestotheOFFposition.

2.TurnthebatterydisconnectswitchtotheOFFposition.Removethekey.

3.Atthebatterydisconnectswitch,disconnectthenegativebatterycablethatisconnectedto theframe.

Note:Donotallowthedisconnectedbatterycabletocontactthedisconnectswitch.

4.Disconnectthenegativebatterycablefromtheterminalsofthebattery.

5.Performthenecessaryrepairs.Replacethecableorthebattery,asneeded.

6.Connectthenegativebatterycabletotheterminalsofthebattery.

7.Connectthenegativebatterycableatthebatterydisconnectswitch.

8.Installthekeyforthebatterydisconnectswitch.TurnthekeytotheONposition.

Copyright1993-2023CaterpillarInc. AllRightsReserved. PrivateNetworkForSISLicensees.

TueJul1109:28:08UTC+05302023

Product:WHEELTRACTOR

Model:621GWHEELTRACTORCEN

Configuration:621GWheelTractorCEN00001-UP(MACHINE)POWEREDBY3406EEngine

OperationandMaintenanceManual

621GWheelTractor-Scraper

MediaNumber-SEBU7696-02PublicationDate-01/04/2004DateUpdated-03/05/2004

Belts-Inspect/Adjust/Replace

SMCS-1357-040;1357-510;1357-025

S/N-CEN1-UP

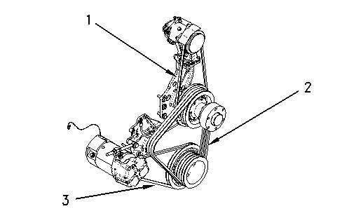
Illustration1g00910014

(1)Drivebeltfortheairconditioningcompressor

(2)Fandrivebelts

(3)Alternatorbelt

i01779903

Inspectthebeltsforcracks.Inspectthebeltsformissingpieces.Inspectthebeltsforfrayedareas. Inspectthebeltsforwear.Awornbeltwillrideinthebottomofthepulley.Replacethebeltsif

anyoftheseconditionsexist.Replacethebeltsifthebeltsarestretchedbeyondthelimitsofthe adjuster.

Note:Ifnewbeltsareinstalled,recheckthebeltadjustmentafter30minutesofoperation.Iftwo beltsormorearerequiredforanapplication,replacethebeltsinbeltsetsthatarematched.Ifonly onebeltofamatchedsetneedsreplacement,replaceallofthebeltsintheset.Beltsofthesame partnumberarenotnecessarilymatchedbelts.

FanDriveBelts

Thefandrivebeltsarelocatedintheenginecompartmentofthetractor.Opentheaccessdooron therightsideoftheengineinordertoinspectthefandrivebelts.Thefandrivebeltsrunona pulleythatisspringloaded.Thereisnoadjustmentforthepulleythatisspringloaded.Replace thebeltsifthebeltsarewornorifthebeltsaredamaged.

AlternatorBelt

Alternatorbelt(2)islocatedintheenginecompartmentofthetractor.Opentheaccessdooronthe rightsideoftheengineinordertoinspectthealternatorbelt.Replacethebeltifthebeltiswornor ifthebeltisdamaged.

1.Loosenpivotbolts(4),(6),and(7).

Note:Pivotbolt(4)islocatedunderthealternator.

2.Loosenlockingnut(8).

3.Moveadjustingnut(5)untiltheproperbelttensionisreached.Tocheckthebelttension, apply110N(25lb)offorcemidwaybetweenthepulleys.Correctlyadjustedbeltswill deflect13to19mm(1/2to3/4inch).

4.Tightenlockingnut(8)to150±20N·m(110±15lbft).

5.Tightenpivotbolts(4),(6),and(7).

DriveBeltfortheAirConditioningCompressor

Illustration3g00922859

Airconditioningcompressorbelt(1)islocatedintheenginecompartmentofthetractor.Openthe accessdooronthetopoftheengineinordertoinspecttheairconditioningcompressorbelt. Replacethebeltifthebeltiswornorifthebeltisdamaged.

1.Loosenpivotbolts(9),(11),and(13).

2.Loosenlockingnut(10).

3.Moveadjustingnut(12)untiltheproperbelttensionisreached.Tocheckthebelttension, apply110N(25lb)offorcemidwaybetweenthepulleys.Correctlyadjustedbeltswill deflect13to19mm(1/2to3/4inch).

4.Tightenlockingnut(10)to150±20N·m(110±15lbft).

5.Tightenpivotbolts(9),(11),and(13).

6.Closetheaccesspanels.

Copyright1993-2023CaterpillarInc. AllRightsReserved. PrivateNetworkForSISLicensees.

TueJul1109:28:46UTC+05302023

Product:WHEELTRACTOR

Model:621GWHEELTRACTORCEN

Configuration:621GWheelTractorCEN00001-UP(MACHINE)POWEREDBY3406EEngine

OperationandMaintenanceManual

621GWheelTractor-Scraper

MediaNumber-SEBU7696-02PublicationDate-01/04/2004DateUpdated-03/05/2004

BrakeAirSystemPressure-Test

SMCS-4250-081

Illustration1g00910133

i01780088

1.Starttheengineandlookatairpressuregauge(1).Allowthebrakesystemairpressureto reach850±50kPa(125±10psi).

2.Applytheservicebrakeandholddownservicebrakepedal(2).

3.Stoptheengine.

4.Thereadingontheairpressuregaugeshouldnotdropbymorethan35kPa(5psi)afterthe engineisstoppedfor10minutes.Repairthebrakes,ifnecessary.

Copyright1993-2023CaterpillarInc. AllRightsReserved. PrivateNetworkForSISLicensees.

TueJul1109:29:12UTC+05302023

This is the sample of the manual if you need complete manual Click Here to download

Turn static files into dynamic content formats.

Create a flipbook