
Note: Use Bookmarks panel to navigate
This is the sample of the manual click on the download link for complete manual
DOWNLOAD LINK
For some reason if link does not work download this pdf and then click

Product: BACKHOE LOADER
Model: 444F2 BACKHOE LOADER LYL
Configuration: 444F2 Side Shift Backhoe Loader LYL00001-UP (MACHINE) POWERED BY C4.4 Engine
Disassembly and Assembly
C4.4 (Mech) Engines for Caterpillar Built Machines
Media Number -KENR9210-09
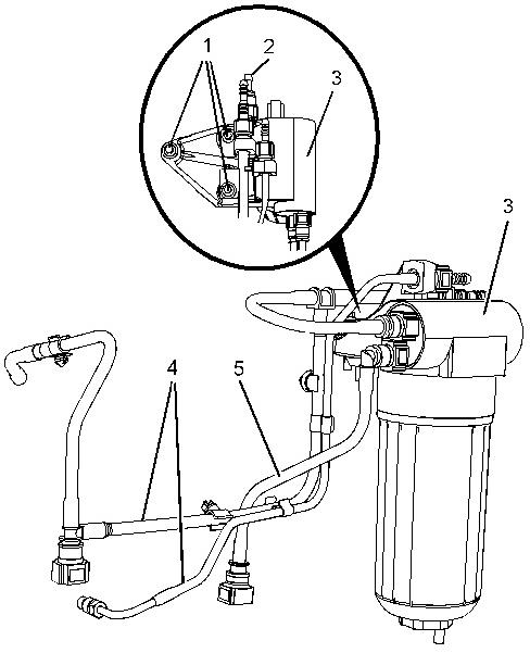
Fuel Priming Pump and Fuel Filter Base - Remove and Install
Removal Procedure
NOTICE
Keep all parts clean from contaminants.
Contaminants may cause rapid wear and shortened component life.
NOTICE
Care must be taken to ensure that fluids are contained during performance of inspection, maintenance, testing, adjusting and repair of the product. Be prepared to collect the fluid with suitable containers before opening any compartment or disassembling any component containing fluids.
Dispose of all fluids according to local regulations and mandates.
Note:




Note:
Installation Procedure
NOTICE
Keep all parts clean from contaminants.
Contaminants may cause rapid wear and shortened component life.

Copyright 1993 - 2024 Caterpillar Inc. All Rights Reserved.
Private Network For SIS Licensees.

Product: BACKHOE LOADER
Model: 444F2 BACKHOE LOADER LYL
Configuration: 444F2 Side Shift Backhoe Loader LYL00001-UP (MACHINE) POWERED BY C4.4 Engine
Disassembly and Assembly
C4.4 (Mech) Engines for Caterpillar Built Machines
Media Number -KENR9210-09 Publication Date -01/12/2014 Date Updated -13/07/2017
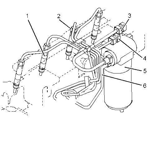
Fuel Injection Lines - Remove and Install
Removal Procedure
NOTICE
Keep all parts clean from contaminants.
Contaminants may cause rapid wear and shortened component life.
NOTICE
Care must be taken to ensure that fluids are contained during performance of inspection, maintenance, testing, adjusting and repair of the product. Be prepared to collect the fluid with suitable containers before opening any compartment or disassembling any component containing fluids.
Dispose of all fluids according to local regulations and mandates.
i02762534




Installation Procedure
NOTICE
Keep all parts clean from contaminants.
Contaminants may cause rapid wear and shortened component life.






Note:

Product: BACKHOE LOADER
Model: 444F2 BACKHOE LOADER LYL
Configuration: 444F2 Side Shift Backhoe Loader LYL00001-UP (MACHINE) POWERED BY C4.4 Engine
Disassembly and Assembly
C4.4 (Mech) Engines for Caterpillar Built Machines
Media Number -KENR9210-09
Publication Date -01/12/2014
Fuel Injector Cover - Remove and Install
Removal Procedure
Date Updated -13/07/2017
i02762537
NOTICE
Keep all parts clean from contaminants.
Contaminants may cause rapid wear and shortened component life.



Installation Procedure
NOTICE
Keep all parts clean from contaminants.
Contaminants may cause rapid wear and shortened component life.




Product: BACKHOE LOADER
Model: 444F2 BACKHOE LOADER LYL
Configuration: 444F2 Side Shift Backhoe Loader LYL00001-UP (MACHINE) POWERED BY C4.4 Engine
Disassembly and Assembly
C4.4 (Mech) Engines for Caterpillar Built Machines
Media Number -KENR9210-09
Fuel Injection Pump - Remove
Removal Procedure
Start By:
Note:
Contaminants may cause rapid wear and shortened component life.
NOTICE
Care must be taken to ensure that fluids are contained during performance of inspection, maintenance, testing, adjusting and repair of the product. Be prepared to collect the fluid with suitable containers before opening any compartment or disassembling any component containing fluids.
Dispose of all fluids according to local regulations and mandates.






Note:
Copyright 1993 - 2024 Caterpillar Inc.

Product: BACKHOE LOADER
Model: 444F2 BACKHOE LOADER LYL
Configuration: 444F2 Side Shift Backhoe Loader LYL00001-UP (MACHINE) POWERED BY C4.4 Engine
Disassembly and Assembly
C4.4 (Mech) Engines for Caterpillar Built Machines
Media Number -KENR9210-09
Fuel Injection Pump - Install
Installation Procedure
Keep all parts clean from contaminants.
Contaminants may cause rapid wear and shortened component life.
i05572369
NOTICE
Care must be taken to ensure that fluids are contained during performance of inspection, maintenance, testing, adjusting and repair of the product. Be prepared to collect the fluid with suitable containers before opening any compartment or disassembling any component containing fluids.
Dispose of all fluids according to local regulations and mandates.



Note:
Note:




Product: BACKHOE LOADER
Model: 444F2 BACKHOE LOADER LYL
Configuration: 444F2 Side Shift Backhoe Loader LYL00001-UP (MACHINE) POWERED BY C4.4 Engine
Disassembly and Assembly
C4.4 (Mech) Engines for Caterpillar Built Machines
Media Number -KENR9210-09
Fuel Injection Pump Gear - Remove
Removal Procedure
Start By:
This is the sample of the manual click on the download link for complete manual
DOWNLOAD LINK
For some reason if link does not work download this pdf and then click