


Product:EXCAVATOR
Model:390FLEXCAVATORMGF
Configuration:390FLExcavatorMGF00001-UP(MACHINE)POWEREDBYC18Engine
OperationandMaintenanceManual 390FExcavator
MediaNumber-SEBU8587-13PublicationDate-01/09/2015DateUpdated-23/02/2018 s03548206
Foreword
CaliforniaProposition65Warning
DieselengineexhaustandsomeofitsconstituentsareknowntotheStateofCaliforniatocause cancer,birthdefects,andotherreproductiveharm.
WARNING

www.P65Warnings.ca.gov
Donotingestthischemical.Washhandsafterhandlingtoavoidincidentalingestion.
WARNING

www.P65Warnings.ca.gov
Washhandsafterhandlingcomponentsthatmaycontainlead.
Safety
Operation
Maintenance
MaintenanceIntervals
This is the sample of the manual if you need complete manual Click Here to download

Copyright1993-2022CaterpillarInc. AllRightsReserved. PrivateNetworkForSISLicensees.
WedDec2102:35:04UTC+05302022

Product:EXCAVATOR
Model:390FLEXCAVATORMGF
Configuration:390FLExcavatorMGF00001-UP(MACHINE)POWEREDBYC18Engine
OperationandMaintenanceManual 390FExcavator
MediaNumber-SEBU8587-13PublicationDate-01/09/2015DateUpdated-23/02/2018 i06659336
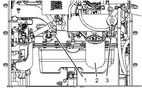
EngineOilandFilter-Change
SelectionoftheOilChangeInterval
NOTICE
A500hourengineoilchangeintervalisavailable,providedthat theoperatingconditionsandrecommendedmultigradeoil typesaremet.Whentheserequirementsarenotmet,shorten theoilchangeintervalto250hours,oruseanS·O·SServices oilsamplingandanalysisprogramtodetermineanacceptable oilchangeinterval.
Ifyouselectanintervalforoilandfilterchangethatistoolong, youmaydamagetheengine.
MultigradeOilType
AdjustmentoftheOilChangeInterval
Note: ProgramB
Note:
Hotoilandhotcomponentscancausepersonalinjury.Donot allowhotoilorhotcomponentstocontacttheskin.
Note:


Note:


Note:



Note:
NOTICE
Donotunderfilloroverfillenginecrankcasewithoil.Either conditioncancauseenginedamage.
Operatingyourenginewhentheoillevelisabovethe"FULL" markcouldcauseyourcrankshafttodipintotheoil.Theair bubblescreatedfromthecrankshaftdippingintotheoil reducestheoil'slubricatingcharacteristicsandcouldresultin thelossofpowerorenginefailure.




Note:
Copyright1993-2022CaterpillarInc. AllRightsReserved. PrivateNetworkForSISLicensees.
WedDec2102:43:28UTC+05302022

Product:EXCAVATOR
Model:390FLEXCAVATORMGF
Configuration:390FLExcavatorMGF00001-UP(MACHINE)POWEREDBYC18Engine
OperationandMaintenanceManual 390FExcavator
MediaNumber-SEBU8587-13PublicationDate-01/09/2015DateUpdated-23/02/2018
Note:
Note:
Copyright1993-2022CaterpillarInc. AllRightsReserved. PrivateNetworkForSISLicensees.
WedDec2102:43:22UTC+05302022

Product:EXCAVATOR
Model:390FLEXCAVATORMGF
Configuration:390FLExcavatorMGF00001-UP(MACHINE)POWEREDBYC18Engine



Product:EXCAVATOR
Model:390FLEXCAVATORMGF
Configuration:390FLExcavatorMGF00001-UP(MACHINE)POWEREDBYC18Engine
OperationandMaintenanceManual 390FExcavator
MediaNumber-SEBU8587-13PublicationDate-01/09/2015DateUpdated-23/02/2018
Wheninspectingthevalverotators,protectiveglassesorface shieldandprotectiveclothingmustbeworntopreventbeing burnedbyhotoilspray.


WedDec2102:43:09UTC+05302022

Product:EXCAVATOR
Model:390FLEXCAVATORMGF
Configuration:390FLExcavatorMGF00001-UP(MACHINE)POWEREDBYC18Engine
OperationandMaintenanceManual 390FExcavator
MediaNumber-SEBU8587-13PublicationDate-01/09/2015DateUpdated-23/02/2018
Note:
Hotoilandhotcomponentscancausepersonalinjury.Donot allowhotoilorhotcomponentstocontacttheskin.




Note:
Note: NOTICE
Operatingyourenginewhentheoillevelisabovethe"FULL" markcouldcauseyourcrankshafttodipintotheoil.Theair bubblescreatedfromthecrankshaftdippingintotheoil reducestheoil'slubricatingcharacteristicsandcouldresultin thelossofpower.
WedDec2102:43:06UTC+05302022

Product:EXCAVATOR
Model:390FLEXCAVATORMGF
Configuration:390FLExcavatorMGF00001-UP(MACHINE)POWEREDBYC18Engine
OperationandMaintenanceManual
390FExcavator
MediaNumber-SEBU8587-13PublicationDate-01/09/2015DateUpdated-23/02/2018
EtherStartingAidCylinder-Replace-IfEquipped
SMCS-
Breathingethervaporsorrepeatedcontactofetherwithskin cancausepersonalinjury.Personalinjurymayoccurfrom failuretoadheretothefollowingprocedures.
Useetheronlyinwellventilatedareas.
Donotsmokewhilechangingethercylinders.
Useetherwithcaretoavoidfires.
Donotstorereplacementethercylindersinlivingareasorinthe operator'scompartment.
Donotstoreethercylindersindirectsunlightorattemperatures above49°C(120°F).
Discardcylindersinasafeplace.Donotpunctureorburn cylinders.
Keepethercylindersoutofthereachofunauthorizedpersonnel.
Toavoidpossibleinjury,besurethebrakesareappliedandall controlsareinHoldorNeutralwhenstartingtheengine.




Note:
Copyright1993-2022CaterpillarInc. AllRightsReserved. PrivateNetworkForSISLicensees.
WedDec2102:42:58UTC+05302022

Product:EXCAVATOR
Model:390FLEXCAVATORMGF
Configuration:390FLExcavatorMGF00001-UP(MACHINE)POWEREDBYC18Engine
OperationandMaintenanceManual 390FExcavator
Performthismaintenancewiththeenginestopped.

Note: Copyright1993-2022CaterpillarInc. AllRightsReserved. PrivateNetworkForSISLicensees.
WedDec2102:42:53UTC+05302022
This is the sample of the manual if you need complete manual Click Here to download