Skip to main content

CAT + Caterpillar 390F L Excavator Operation & Maintenance Manual

Page 1


Product: EXCAVATOR

Model: 390F L EXCAVATOR MGF

Configuration: 390F L Excavator MGF00001-UP (MACHINE) POWERED BY C18 Engine

Operation and Maintenance Manual 390F Excavator

Foreword

California Proposition 65 Warning

Diesel engine exhaust and some of its constituents are known to the State of California to cause cancer, birth defects, and other reproductive harm.

www.P65Warnings.ca.gov

Do not ingest this chemical. Wash hands after handling to avoid incidental ingestion.

Wash

Literature Information

Operation

Product: EXCAVATOR

Model: 390F L EXCAVATOR MGF

Configuration: 390F L Excavator MGF00001-UP (MACHINE) POWERED BY C18 Engine

Operation and Maintenance Manual

390F Excavator Media

Engine Oil and Filter - Change

SMCS

Selection of the Oil Change Interval

NOTICE

A 500 hour engine oil change interval is available, provided that the operating conditions and recommended multigrade oil types are met. When these requirements are not met, shorten the oil change interval to 250 hours, or use an S·O·S Services oil sampling and analysis program to determine an acceptable oil change interval.

If you select an interval for oil and filter change that is too long, you may damage the engine.

Operating Conditions

Multigrade Oil Type



Adjustment of the Oil Change Interval

Note:

Program B

References

Reference:

Reference:

Reference:

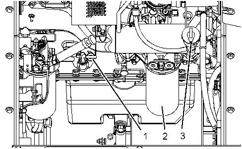
Procedure for Changing the Engine Oil and Filter

Note:

Hot oil and hot components can cause personal injury. Do not allow hot oil or hot components to contact the skin.





Note:

Note:

Note:

Note:



Do not under fill or overfill engine crankcase with oil. Either condition can cause engine damage.

NOTICE

Operating your engine when the oil level is above the "FULL" mark could cause your crankshaft to dip into the oil. The air bubbles created from the crankshaft dipping into the oil reduces the oil's lubricating characteristics and could result in the loss of power or engine failure. 

Product: EXCAVATOR

Model: 390F L EXCAVATOR MGF

Configuration: 390F L Excavator MGF00001-UP (MACHINE) POWERED BY C18 Engine

Operation and Maintenance Manual

Excavator

Engine Valve Lash and Fuel Injector Timing - Check

Product: EXCAVATOR

Model: 390F L EXCAVATOR MGF

Configuration: 390F L Excavator MGF00001-UP (MACHINE) POWERED BY C18 Engine

Operation and Maintenance Manual

390F Excavator

Engine Oil Sample - Obtain

Product: EXCAVATOR

Model: 390F L EXCAVATOR MGF

Configuration: 390F L Excavator MGF00001-UP (MACHINE) POWERED BY C18 Engine

Operation and Maintenance Manual

390F Excavator

Engine Valve Rotators - Inspect

When inspecting the valve rotators, protective glasses or face shield and protective clothing must be worn to prevent being burned by hot oil spray.

Product: EXCAVATOR

Model: 390F L EXCAVATOR MGF

Configuration: 390F L Excavator MGF00001-UP (MACHINE) POWERED BY C18 Engine

Operation and Maintenance Manual

390F Excavator

Media Number -SEBU8587-13

Engine Oil Level - Check

Note:

Hot oil and hot components can cause personal injury. Do not allow hot oil or hot components to contact the skin.

i02207916

NOTICE

Operating your engine when the oil level is above the "FULL" mark could cause your crankshaft to dip into the oil. The air bubbles created from the crankshaft dipping into the oil reduces the oil's lubricating characteristics and could result in the loss of power.

Product: EXCAVATOR

Model: 390F L EXCAVATOR MGF

Configuration: 390F L Excavator MGF00001-UP (MACHINE) POWERED BY C18 Engine

Operation and Maintenance Manual

390F Excavator

Ether Starting Aid Cylinder - Replace - If Equipped

SMCS

Breathing ether vapors or repeated contact of ether with skin can cause personal injury. Personal injury may occur from failure to adhere to the following procedures.

Use ether only in well ventilated areas.

Do not smoke while changing ether cylinders.

Use ether with care to avoid fires.

Do not store replacement ether cylinders in living areas or in the operator's compartment.

Do not store ether cylinders in direct sunlight or at temperatures above 49 °C (120 °F).

Discard cylinders in a safe place. Do not puncture or burn cylinders.

Keep ether cylinders out of the reach of unauthorized personnel.

To avoid possible injury, be sure the brakes are applied and all controls are in Hold or Neutral when starting the engine.

i04688455

Note: 

  

Product: EXCAVATOR

Model: 390F L EXCAVATOR MGF

Configuration: 390F L Excavator MGF00001-UP (MACHINE) POWERED BY C18 Engine

Operation and Maintenance Manual

390F Excavator

Engine Crankcase Breather - Clean

NOTICE

Perform this maintenance with the engine stopped.



Note:



Copyright 1993 - 2022 Caterpillar Inc. All Rights Reserved. Private Network For SIS Licensees.

Turn static files into dynamic content formats.

Create a flipbook