


Product: SKID STEER LOADER
Model: 216B3 SKID STEER LOADER CD3
Configuration: 216B3 Skid Steer Loader CD300001-UP (MACHINE) POWERED BY C2.2 Engine
Disassembly and Assembly
C1.5 and C2.2 Engines for Caterpillar Built Machines
Alternator - Remove and Install - 55 Amp Alternator
SMCS - 1405-010
Removal Procedure
Start By:
a. Remove the V-Belt. Refer to Disassembly and Assembly, "V-Belts - Remove and Install".
NOTICE
Keep all parts clean from contaminants.
Contaminants may cause rapid wear and shortened component life.
1. Turn the battery disconnect switch to the OFF position.
2. Make temporary identification marks on the connections of the harness assembly.

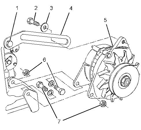
Illustration 1 g01308282
Typical example
3. Disconnect the harness assembly (not shown) from alternator (5).
4. Remove bolt (2) and washer (3) from alternator (5).
5. Remove fasteners (6) and (7) and remove alternator (5) from the mounting bracket.
6. If necessary, remove bolt (2) and remove adjusting link (4).
Installation Procedure

Illustration 2 g01308282
Typical example
1. If necessary, install adjusting link (4) and install bolt (1) finger tight.
2. Position alternator (5) on the mounting bracket.
3. Install fasteners (6) and (7) finger tight.
4. Install bolt (2) and washer (3) finger tight.
5. Install the V-Belt. Refer to Disassembly and Assembly, "V-Belts - Remove and Install".
Note: Ensure that the alternator pulley is in alignment with the crankshaft pulley. Ensure that all fasteners are tightened.
6. Connect the harness assembly (not shown) to the alternator.
7. Turn the battery disconnect switch to the ON position.

Product: SKID STEER LOADER
Model: 216B3 SKID STEER LOADER CD3
Configuration: 216B3 Skid Steer Loader CD300001-UP (MACHINE) POWERED BY C2.2 Engine
Disassembly and Assembly
C1.5 and C2.2 Engines for Caterpillar Built Machines
Alternator - Remove and Install - 65 Amp and 85 Amp Alternators
SMCS - 1405-010
Removal Procedure
Start By:
a. Remove the V-Belt. Refer to Disassembly and Assembly, "V-Belts - Remove and Install".
NOTICE
Keep all parts clean from contaminants.
Contaminants may cause rapid wear and shortened component life.
1. Turn the battery disconnect switch to the OFF position.
2. Make temporary identification marks on the connections of the harness assembly.

Illustration 1 g01308285
Typical example
3. Disconnect the harness assembly (not shown) from alternator (5).
4. Remove bolt (4) and washer (3) from alternator (5).
5. Remove washer (7) and nut (6). Remove bolt (8) and alternator (5) from the mounting bracket.
6. If necessary, remove bolt (1) and remove adjusting link (2).
Installation Procedure

Illustration 2 g01308285
Typical example
1. If necessary, install adjusting link (2) and install bolt (1) finger tight.
2. Position alternator (5) on the mounting bracket.
3. Install bolt (8), washer (7) and nut (6) finger tight.
4. Install bolt (4) and washer (3) finger tight.
5. Install the V-Belt. Refer to Disassembly and Assembly, "V-Belts - Remove and Install".
Note: Ensure that the alternator pulley is in alignment with the crankshaft pulley. Ensure that all fasteners are tightened.
6. Connect the harness assembly (not shown) to the alternator.
7. Turn the battery disconnect switch to the ON position.
Copyright 1993 - 2020 Caterpillar Inc. All Rights Reserved. Private Network For SIS Licensees.
Thu Jun 18 15:46:09 UTC+0530 2020

Product: SKID STEER LOADER
Model: 216B3 SKID STEER LOADER CD3
Configuration: 216B3 Skid Steer Loader CD300001-UP (MACHINE) POWERED BY C2.2 Engine
Disassembly and Assembly
C1.5 and C2.2 Engines for Caterpillar Built Machines
Bearing Clearance - Check
SMCS - 1203-535; 1219-535
Measurement Procedure
Table 1
Required Tools Tool
Plastic Gauge (Green)
to 0.076 mm
to 0.003 inch)
Plastic Gauge (Red)
to 0.152 mm
to 0.006 inch)
Plastic Gauge (Blue)
to 0.229 mm (0.004 to 0.009 inch)
Plastic Gauge (Yellow) 0.230 to 0.510 mm (0.009 to 0.020 inch)
Keep all parts clean from contaminants.
Contaminants may cause rapid wear and shortened component life.
Note: Caterpillar does not recommend the checking of the actual bearing clearances particularly on small engines. This is because of the possibility of obtaining inaccurate results and the possibility of damaging the bearing or the journal surfaces. Each Caterpillar engine bearing is quality checked for specific wall thickness.
Note: The measurements should be within specifications and the correct bearings should be used. If the crankshaft journals and the bores for the block and the rods were measured during disassembly, no further checks are necessary. However, if the technician still wants to measure the bearing clearances, Tooling (A) is an acceptable method. Tooling (A) is less accurate on journals with small diameters if clearances are less than 0.10 mm (0.004 inch).
NOTICE
Lead wire, shim stock or a dial bore gauge can damage the bearing surfaces.
The technician must be very careful to use Tooling (A) correctly. The following points must be remembered:
• Ensure that the backs of the bearings and the bores are clean and dry.
• Ensure that the bearing locking tabs are properly seated in the tab grooves.
• The crankshaft must be free of oil at the contact points of Tooling (A).
1. Put a piece of Tooling (A) on the crown of the bearing that is in the cap.
Note: Do not allow Tooling (A) to extend over the edge of the bearing.
2. Use the correct torque-turn specifications in order to install the bearing cap. Do not use an impact wrench. Be careful not to dislodge the bearing when the cap is installed.
Note: Do not turn the crankshaft when Tooling (A) is installed.
3. Carefully remove the cap, but do not remove Tooling (A). Measure the width of Tooling (A) while Tooling (A) is in the bearing cap or on the crankshaft journal. Refer to Illustration 1.

Illustration 1 g00953605
Typical Example
4. Remove all of Tooling (A) before you install the bearing cap.
Note: When Tooling (A) is used, the readings can sometimes be unclear. For example, all parts of Tooling (A) are not the same width. Measure the major width in order to ensure that the parts are within the specification range. Refer to Specifications Manual, "Connecting Rod Bearing Journal" and Specifications Manual, "Main Bearing Journal" for the correct clearances.

Product: SKID STEER LOADER
Model: 216B3 SKID STEER LOADER CD3
Configuration: 216B3 Skid Steer Loader CD300001-UP (MACHINE) POWERED BY C2.2 Engine
Disassembly and Assembly
C1.5 and C2.2 Engines for Caterpillar Built Machines
Media Number -KENR6948-04
Publication Date -01/06/2015
Date Updated -30/06/2016
i02601967
Camshaft - Assemble
SMCS - 1210-016
Assembly
Procedure NOTICE
Keep all parts clean from contaminants.
Contaminants may cause rapid wear and shortened component life.
1. Ensure that all components of the camshaft assembly are clean and free from damage.

Illustration 1 g01326129
Typical example
2. Lubricate the nose of camshaft (1) with clean engine oil. Use a suitable press to install bearing (3) to the camshaft.
Note: Ensure that the bearing is installed in the correct orientation. The camshaft bearing should be pressed squarely onto the camshaft or damage to the bearing may occur. Do not press on the outer race of the bearing.
3. Install spacer (4) and woodruff key (2) to camshaft (1).
4. Align gear (5) with woodruff key (2). Use a suitable press to install the gear to the nose of camshaft (1).
Note: The gear should be positioned on a suitable support in order to prevent damage to the governor flyweights during installation.
End By:
a. Install the camshaft assembly. Refer to Disassembly and Assembly, "Camshaft - Install".
1993 - 2020 Caterpillar Inc.

Product: SKID STEER LOADER
Model: 216B3 SKID STEER LOADER CD3
Configuration: 216B3 Skid Steer Loader CD300001-UP (MACHINE)
Disassembly and Assembly
C1.5 and C2.2 Engines for Caterpillar Built Machines
i02601970
Camshaft - Disassemble
SMCS - 1210-015
Disassembly Procedure
Table 1 Required Tools
Start By:
a. Remove the camshaft assembly. Refer to Disassembly and Assembly, "Camshaft - Remove".
NOTICE
Keep all parts clean from contaminants.
Contaminants may cause rapid wear and shortened component life.

Illustration 1 g01326129
Typical example
1. Use Tooling (A) to remove gear (5) from camshaft (1).
Note: The gear should be positioned on a suitable support in order to prevent damage to the governor flyweights during disassembly.
2. Remove spacer (4) and woodruff key (2) from camshaft (1).
3. Use Tooling (A) to remove bearing (3) from camshaft (1).
Note: Identify the orientation of the bearing for installation.

Product: SKID STEER LOADER
Model: 216B3 SKID STEER LOADER CD3
Configuration: 216B3 Skid Steer Loader CD300001-UP (MACHINE) POWERED BY C2.2 Engine
Disassembly and Assembly
C1.5 and C2.2 Engines for Caterpillar Built Machines
Media Number -KENR6948-04
Publication Date -01/06/2015 Date Updated -30/06/2016
i06721482
Camshaft - Install
SMCS - 1210-012
Installation Procedure NOTICE
Keep all parts clean from contaminants.
Contaminants may cause rapid wear and shortened component life.
1. Ensure that the assembly of the camshaft is clean and free from damage.
2. Lubricate the bearings of the camshaft with clean engine oil.

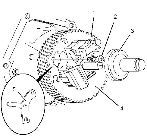
Illustration 1 g01311416
Typical example



Illustration 2 g01311407
Typical example
3. Carefully install camshaft assembly (8) into the cylinder block. Ensure that timing marks (X) are aligned on the following gears:
Crankshaft gear (7)
Camshaft gear (4)
Idler gear (6)
Note: Do not damage the lobes of the camshaft or the camshaft bearings.



Illustration 3 g01311411
Typical example
4. Place camshaft retainer (5) in position. Align the holes in the retainer with the holes in the cylinder block.
5. Rotate camshaft gear (4) to align the access hole in the camshaft gear with the hole for fastener (2).
Install bolt (2) and tighten to a torque of 10 N·m (89 lb in). Rotate camshaft gear (4) to align the access hole in the camshaft gear with the hole for bolt (1). Install bolt (1) and tighten to a torque of 10 N·m (89 lb in).
6. Install slider (3) to camshaft gear (4).
7. If the engine is equipped with a mechanical fuel transfer pump, install the fuel transfer pump. Refer to Disassembly and Assembly, "Fuel Transfer Pump - Remove and Install".
End By:
a. Install the lifters. Refer to Disassembly and Assembly, "Lifter Group- Remove and Install".
b. Install the front housing. Refer to Disassembly and Assembly, "Housing (Front) - Install".
1993 - 2020 Caterpillar Inc.

Product: SKID STEER LOADER
Model: 216B3 SKID STEER LOADER CD3
Configuration: 216B3 Skid Steer Loader CD300001-UP (MACHINE) POWERED BY C2.2 Engine
Disassembly and Assembly
C1.5 and C2.2 Engines for Caterpillar Built Machines
i06721478
Camshaft - Remove
SMCS - 1210-011
Removal Procedure
Start By:
a. Remove the lifters. Refer to Disassembly and Assembly, "Lifter Group - Remove and Install".
b. Remove the front housing. Refer to Disassembly and Assembly, "Housing (Front) - Remove".
NOTICE
Keep all parts clean from contaminants.
Contaminants may cause rapid wear and shortened component life.
NOTICE
Care must be taken to ensure that fluids are contained during performance of inspection, maintenance, testing, adjusting and repair of the product. Be prepared to collect the fluid with suitable containers before opening any compartment or disassembling any component containing fluids.
Dispose of all fluids according to local regulations and mandates.
1. If the engine is equipped with a mechanical fuel transfer pump, remove the fuel transfer pump. Refer to Disassembly and Assembly, "Fuel Transfer Pump - Remove and Install".



1 g01311407 Typical example

Illustration 2 g01311411
Typical example
2. Remove slider (3) from camshaft gear (4).
3. Rotate camshaft gear (4) to align the access hole in the camshaft gear with fastener (2).
Remove bolt (2). Rotate camshaft gear (4) to align the access hole in the camshaft gear with bolt (1). Remove bolt (1).
4. Remove camshaft retainer (5).
5. Rotate the crankshaft until timing marks (X) are aligned on the following gears:
Crankshaft gear (7)
Camshaft gear (4)
Idler gear (6)

Illustration 3 g01311416
Typical example
6. Carefully remove camshaft assembly (8) from the cylinder block.
Note: Ensure that the lobes of the camshaft and the camshaft bearings are not damaged.
Copyright 1993 - 2020 Caterpillar Inc. All Rights Reserved. Private Network For SIS Licensees. Thu Jun 18 15:40:46 UTC+0530 2020

Product: SKID STEER LOADER
Model: 216B3 SKID STEER LOADER CD3
Configuration: 216B3 Skid Steer Loader CD300001-UP (MACHINE) POWERED BY C2.2 Engine
Disassembly and Assembly
C1.5 and C2.2 Engines for Caterpillar Built Machines
Connecting Rod Bearings - Remove - Connecting rods in position
SMCS - 1219-011
Removal Procedure
Start By:
a. Remove the suction pipe. Refer to Disassembly and Assembly, "Engine Oil Pump - Remove".
NOTICE
Keep all parts clean from contaminants.
Contaminants may cause rapid wear and shortened component life.
Note: If all connecting rod bearings require replacement on a four cylinder engine, the procedure can be carried out on two cylinders at the same time. The procedure can be carried out on the following pairs of cylinders. 1 with 4 and 2 with 3. Ensure that both pairs of the connecting rod bearings are installed before changing from one pair of cylinders to another pair of cylinders.. Refer to Disassembly and Assembly, "Connecting Rod Bearings - Install".

Illustration 1 g01317759
Typical example
Note: The connecting rod and the connecting rod cap should have matching numbers at position (X). If necessary, make a temporary mark on connecting rod (1) and on connecting rod cap (5).
1. Rotate the crankshaft until the piston is at the bottom center position. Remove nuts (6) and remove connecting rod cap (5) from connecting rod (1).
2. Remove lower connecting rod bearing (4) from connecting rod cap (5).
3. Carefully push connecting rod (1) into the cylinder bore. Remove upper connecting rod bearing (3) from the connecting rod.
Note: Use tape or rubber tubing on connecting rod bolts (2) in order to protect the crankshaft journals. The sharp edges of the connecting rod bolts could damage the crankshaft journals.
Thu Jun 18 15:43:02 UTC+0530 2020

Product: SKID STEER LOADER
Model: 216B3 SKID STEER LOADER CD3
Configuration: 216B3 Skid Steer Loader CD300001-UP (MACHINE) POWERED BY C2.2 Engine
Disassembly and Assembly
C1.5 and C2.2 Engines for Caterpillar Built Machines Media Number -KENR6948-04
i06721485
Connecting Rod Bearings - Install - Connecting rods in position
SMCS - 1219-012
Installation Procedure NOTICE
Keep all parts clean from contaminants.
Contaminants may cause rapid wear and shortened component life.
1. Inspect the pins of the crankshaft for damage. If the crankshaft is damaged, replace the crankshaft or recondition the crankshaft. Refer to Disassembly and Assembly, "CrankshaftRemove" and Disassembly and Assembly, "Crankshaft - Install". Ensure that the connecting rod bearings are clean and free from wear or damage. If necessary, replace the connecting rod bearings.