Electronica Azi nr.9 - Noiembrie 2022

Page 1

Anul XXII | Nr. 9 [ 269 ] Noiembrie 2022
www.electronica-azi.ro

În sfârșit, mult aștep tata expoziție de la Munchen, Germania - electronica 2022își deschide, din nou, porțile în perioada 15 - 18 Noiembrie. Este un eveniment de top, la care participă cele mai importante com panii din lume din domeniul electronicii. Pe lângă faptul că îmi era dor de electronica, sunt și foarte curios cum se vor descurca, acum, organizatorii după patru ani de la ultimul eveniment, deoarece lumea a trecut în această perioadă prin încercări majore, în urma cărora lucrurile s-au schimbat foarte mult.

Pandemia de coronavirus a închis porțile expoziției acum doi ani și, datorită acestei situații, lumea a fost nevoită să se îndrepte către mediul virtual mult mai repede decât se preconiza. Chiar dacă a fost nevoie de un efort uriaș pentru a organiza expoziția în format digital, rezultatele nu au fost pe măsură. Pentru un vizitator, cel puțin, diferența dintre formatul tradițional și cel online este colosală.

Socializarea cu care suntem obișnuiți (și de care avem ex trem de multă nevoie) lipsește cu desăvârșire, chiar dacă, aparent, ai senzația că ești acolo. Și cu toate astea, lumea a devenit mai pragmatică în acest sens, după patru ani. Acum, obișnuit cu tehnologia mobilă care “te plimbă” prin toată lumea într-o secundă, te gândești că te poți întâlni online cu clienții sau partenerii tăi și, astfel, toate resursele financiare alocate acestui eveniment pot fi în dreptate într-o altă direcție. Ca să nu mai vorbim de timpul pierdut (și câștigat acum) prin gări, aeroporturi sau pe autostrăzi... Vom vedea la fața locului ce va fi, dar sunt motive pentru mulți oameni de departe să opteze pentru varianta online a expoziției. Și războiul din Ucraina, din păcate, generează lipsa multor firme sau vizitatori la acest eveniment... Pe lângă cele două situații, critice, nu ar trebui să neglijăm apariția altor expoziții mai mici, de nișă, care încep să “extragă” din acest eveniment expozanți tradiționali, de top. Fără să mai amintesc de o altă expoziție importantă din domeniu - SPS/IPC/Drives 2022, organizată, de obicei, la sfârșitul lui Noiembrie și mutată, acum, înaintea eveni mentului de la Munchen (8 – 10 Noiembrie 2022) care nu face decât să “agite apele” în ceea ce privește participarea la una dintre cele mai importante expoziții de electronică din lume. Analizăm și comparăm luna viitoare! gneagu@electronica azi.ro

www.electronica-azi.ro
EDITORIAL | de Gabriel Neagu 3

Management

Director General - I onela G anea

Director Editorial - Gabriel N eagu

Director Economic - I oana P araschiv

P ublicitate - Irina G anea

Web design - Petre Cristiscu

Editori Seniori

Contact: office@electronica-azi.ro https://www.electronica-azi.ro Tel.: +40 (0) 744 488818

Revista “Electronica Azi” apare de 10 ori pe an (exceptând lunile Ianuarie şi August. Revista este disponibilă atât în format tipărit, cât şi în format digital (Flash / PDF). Preţul unui abonament la revista “Electronica Azi” în format tipărit este de 200 Lei/an.

Revista “Electronica Azi” în format digital este disponibilă gratuit la adresa: https://www.electronica-azi.ro În acest format pot fi vizualizate toate paginile revistei şi descărcate în format PDF.

Revistele editurii în format flash pot fi accesate din pagina de internet a revistei “Electronica Azi” sau din pagina web Issuu: https://issuu.com/esp2000/

Revistele sunt, de asemenea, disponibile pentru Android sau iOS, descărcând aplicaţia oferită de Issuu. 2022© - Toate drepturile rezervate.

“Electronica Azi” este marcă înregistrată la OSIM - România, înscrisă la poziţia: 124259

ISSN: 1582-3490

Contact: Tel.: +40 (0) 31 8059955 // office@esp2000.ro https://www.esp2000.ro

Prof. Dr. I ng. Paul S vasta Prof. Dr. I ng. N orocel C odreanu Conf. Dr. I ng. Marian V lădescu Conf. Dr. I ng. B ogdan G rămescu I ng. Emil Floroiu https://www.electronica-azi.ro

Electronica • Azi nr. 9 (269)/2022 4
® ®
https://www.facebook.com/ELECTRONICA.AZI Electronica Azi nr. 9/2022 | SUMAR Tipar
Tipografia
https://issuu.com/esp2000
executat la
Everest EURO STANDARD PRESS 2000 srl CUI: RO3998003 J03/1371/1993
3 | Editorial 6 | Câștigați o placă de dezvoltare Microchip PIC32MM Curiosity 6 | Advantech explică în episodul 3 al podcastului “The Innovation Experts” al Farnell de ce integrarea este calea spre deblocarea 4.0. 6
www.twitter.com/ElectronicaAzi 5 https://international.electronica-azi.ro www.electronica-azi.ro https://www.instagram.com/electronica_azi 8 | O distribuție inteligentă a energiei pentru maximizarea disponibilității rețelei 12 | Amenințări de securitate cibernetică asupra punctelor finale inteligente 16 | Evoluția cerințelor de securitate și a soluțiilor asociate 19 | Gata pentru decolare: a treia generație de module de mărimea unui card de credit 24 | O varietate cuprinzătoareAutomatizare și control la Digi-Key 26 | Cum să îmbunătățiți durata de viață a bateriei în cazul unui sistem embedded 29 | Farnell livrează acum noile drivere de poartă inteligente de la Toshiba 29 | Farnell își mărește investițiile cu privire la portofoliul Traco Power 30 | Edge IoT: Foaia de parcurs a SoC-urilor QUALCOMM răspunde nevoilor diverse ale pieței ‘Edge IoT’ 32 | Supercondensatoare: Principii și utilizări ale EDLC-urilor 36 | Cum să valorificați topologia Buck-Boost cu inversare de polaritate în aplicații de înaltă tensiune 40 | Investigarea consumului de energie al unui proiect embedded 43 | Seria FHV7: O nouă cameră cu funcții avansate de procesare a imaginii 45 | Router industrial 50 | Scurt ghid despre motoare AC 54 | Condensatoare din grupul OS-CON de la Panasonic 56 | Senzori pentru aplicații cu AGV 58 | INXPECT: Siguranță industrială cu Sistemul LBK 60 | Encodere cubice de la POSITAL: Reintroducerea unei construcții favorite în industrie 62 | Eroii necunoscuți ai productivității, eficienței și siguranței 65 | Felix Electronic Services: Servicii complete de asamblare 66 | Brady: Siguranță și conformitate 16 26 45 62

Electronica Azi | CONCURS

Câștigați o placă de dezvoltare Microchip

PIC32MM Curiosity

Câștigați o placă de dezvoltare Microchip PIC32MM

Curiosity (DM320101) de la Electronica Azi și, dacă nu o câștigați, primiți un cupon de reducere de 15% pentru această placă, plus transport gratuit.

Placa de dezvoltare PIC32MM Curiosity dispune de noua familie de microcontrolere ieftine PIC32MM “GPL” (PIC32MM0064GPL036), eXtreme Low Power (XLP), cu consum redus de putere. Această placă este o platformă simplă și ușor de utilizat care facilitează evaluarea rapidă a microcontrolerelor PIC32MM, experimentarea și prototiparea aplicațiilor. Placa include, de asemenea, un pro gramator/depanator și oferă o integrare perfectă cu MPLAB® X IDE și MPLAB Code Configurator de la Microchip pentru o con figurare și dezvoltare facilă. Familia PIC32MM dispune de periferice independente de nucleu, proiectate pentru a descărca de sarcini unitatea centrală de proce sare, cum ar fi Celulele logice configurabile (CLC) și PWM-urile MCCP (Multiple-output Capture Compare PWM) care ajută la re alizarea de aplicații pentru controlul motoarelor BLDC fără senzori. Dispozitivele au obținut un punctaj CoreMark™ de 79 pentru o funcționare la 25 MHz, dispunând de instrucțiunile compacte microMIPS™, de nucleul microAptiv™ UC și de un set de regiștri 'shadow' pentru comutarea rapidă a contextului de întrerupere. ISA microMIPS combină instrucțiuni pe 16- și 32-biți pentru o di mensiune compactă a codului. (n.red.: un ‘shadow register’ este un registru creat în interiorul microcontrolerului cu scopul de a reține anumite date care vor fi folosite ulterior. Numele “shadow” implică duplicarea unei anumite valori și utilizarea ei ulterioară). Datorită consumului său redus de putere, costului scăzut și capabilităților de expansiune, placa de dezvoltare PIC32MM Cu riosity este ideală pentru dezvoltarea de aplicații care funcționează alimentate de la baterii, dispozitive portabile de monitorizare medicală și noduri de senzori IoT. Placa oferă, de asemenea, diverse interfețe de utilizator, cum ar fi întrerupătoare, LED-uri, potențiometru și suportă o interfață Mikro Elektronika mikroBUS™ care vă permite să accesați un ecosistem de peste 300+ plăci click™, dând posibilitatea clienților să accele reze dezvoltarea prototipurilor de aplicații. În plus, comunicația Bluetooth® Low Energy poate fi adăugată cu ușurință folosind modulul BM71 de la Microchip.

Pentru a avea șansa de a câștiga o placă de dezvoltare PIC32MM Curiosity sau pentru a primi un cupon de reducere de 15% pentru această placă, plus transport gratuit, accesați pagina: https://page.microchip.com/E-Azi-32MM.html

și introduceți datele voastre în formularul online.

Farnell a lansat cel de-al treilea episod din seria 2 a podcastului “The Innovation Experts”, în care Advantech, lider global în do meniul soluțiilor pentru Internetul Industrial al Lucrurilor (IIoT). Seria 2 împărtășește opiniile celor mai importanți experți din industrie, descoperind tendințele, provocările, produsele și soluțiile care permit tranziția globală pentru adoptarea Industriei 4.0 și accelerarea procesului de inovare în domeniul IIoT. În acest episod, Advantech explică de ce integrarea este poarta de acces pentru deblocarea principiilor de bază ale tehnologiei Industrie 4.0. Matt Dentino, ‘Channel Manager Industrial Internet of Things’ al Advantech pentru America de Nord, explică modul în care o politică de lungă durată de adoptare a unei arhitecturi deschise a influențat strategia companiei în ceea ce privește integrarea activelor, managementul energiei, transformarea digitală și monitorizarea și analiza în timp real.

Ascultând podcastul, companiile de toate mărimile vor afla despre necesitatea parteneriatelor strategice de afaceri și despre impor tanța angajării unei noi generații de ingineri și informaticieni pen tru a-și menține avantajul competitiv pe măsură ce Industrie 4.0 suprasolicită lumea industrială. Dentino face, de asemenea, predicții întemeiate cu privire la modul în care inteligența artificială (AI) va permite un nou val de inovare în Industrie 4.0, indispensabil pentru construirea și operarea fabricilor inteligente de generație următoare.

Dave Beck, ‘Global Director E-mech & Passives’ la Farnell, a declarat: “Producătorii pot fi adesea reticenți în adoptarea de noi tehnologii, deoarece nu doresc să își riște afacerea bazându-se pe lucruri necu noscute. Potrivit Advantech, aceste probleme din trecut devin din ce în ce mai puțin îngrijorătoare, deoarece fiecare proces și fiecare dis pozitiv IIoT nou-venit pe piață este testat foarte riguros. În prezent, singurul risc tehnologic pentru producătorii mici și mijlocii până la marile organizații 'blue-chip' este acela de a rămâne în urmă.”

Noile episoade 'The Innovation Experts' sunt lansate la fiecare câteva săptămâni și abordează subiecte cheie, precum proiecta rea fabricilor inteligente și puterea automatizării, sinergia revo luției industriale cu electrificarea, cum să demonstrezi rentabilitatea investițiilor din Industrie 4.0 și multe altele. Toate episoa dele anterioare ale podcastului din a doua serie sunt acum dis ponibile pe hub-ul de resurse tehnice al Farnell.

■ Farnell | https://ro.farnell.com

Electronica • Azi nr. 9 (269)/2022 6
Advantech explică în episodul 3 al podcastului “The Innovation Experts” al Farnell de ce integrarea este calea spre deblocarea 4.0.

O distribuție inteligentă a energiei

Scop: maximizarea disponibilității rețelei

Articolul analizează comparativ mediile de operare precum și așteptările asociate iPDU-urilor atunci când sunt instalate în medii de tip cloud sau edge, inclusiv la nivel hardware și software, menționând recomandări de implementare; apoi prezintă tipurile de iPDU-uri potrivite pentru centre de date cloud și edge de la Panduit și Orion Fans.

Preocupările legate de creșterea costurilor energiei determină operatorii de centre de date și alte instalații de rețea să regândeas că felul în care sunt structurate instalațiile, inclusiv să analizeze care este aportul unităților inteligente de distribuție a ener giei (iPDU intelligent Power Distribution Unit) la o funcționare mai ecologică, mai fiabilă și cu costuri mai mici, toate acestea având ca rezultat o îmbunătățire a dispo nibilității rețelei. În plus, o varietate din ce în ce mai mare de tipuri de centre de date necesită abordări diferite în ceea ce priveș te selectarea și integrarea iPDU-urilor, de la centrele de date mari care susțin aplicații de tip ‘cloud computing’ până la centre de date mult mai mici, aflate la periferie, dis persate în fabrici, depozite sau alte insta lații. Centrele de date mari sunt operate cu iPDU-uri amplasate în culoare cu tempera turi de 60°C pentru a reduce nevoile de ră cire și consumul de energie.

În comparație, centrele de date periferice funcționează la temperaturi maxime de 40°C, conforme cu mediul instalației în care sunt amplasate. Specificațiile și caracteristi cile de funcționare ale iPDU-urilor trebuie să se potrivească cu mediul în care sunt imple mentate. Se așteaptă din ce în ce mai mult ca iPDU-urile să permită monitorizarea și controlul energiei de la distanță pentru a optimiza disponibilitatea în toate cazurile. Trei dintre caracteristicile mediilor de tip cloud și edge care au impact asupra selecției iPDU-urilor sunt diferențele de temperatură din mediile în care operează, diferențele din tre arhitecturile de comunicație din rețea și diferențele dintre densitățile echipamen telor. Probabil cea mai dificilă diferență din tre mediile cloud și edge este așteptarea de a opera la temperaturi de până la 40°C pen tru majoritatea instalațiilor edge, comparativ cu operarea la temperaturi de 60°C în cen trele de date cloud (figura 1).

În mediile cloud, culoarele calde și reci mini mizează nevoile de răcire și reduc cheltuie lile cu energia, un cost operațional major în centrele de date mari. iPDU-urile se află de obicei în culoarul fierbinte și trebuie să fie proiectate pentru operare la 60°C.

iPDU-urile din centrele de date ‘cloud’ trebuie să opereze la 60°C, astfel încât să poată fi instalate în culoare calde.

Electronica • Azi nr. 9 (269)/2022 8 ALIMENTAREA CENTRELOR DE DATE
©
Figura 1
Panduit

Figura 2

iNC-ul din iPDU-urile Gen 5 poate fi înlocuit “la cald” pentru a asigura un timp de funcționare maxim și suportă o gamă largă de funcții de monitorizare și control.

Proiectarea iPDU-urilor care minimizează efectul vibrațiilor și al gravitației asupra cablurilor de alimentare, minimizând astfel deconectările accidentale, poate fi impor tantă în instalațiile edge și este o cerință în instalațiile cloud.

iPDU-uri clasificate pentru 60°C la sarcină maximă

În plus, atunci când sunt utilizate în culoarele calde și reci, societatea americană a ingine rilor ASHRAE (American Society of Heating, Refrigerating and Air-Conditioning Engineers) solicită trei senzori de temperatură și un senzor de umiditate (denumit ‘3T + H’) în partea frontală a cabinetului (dulapului) aflat în culoarul rece și doar un senzor de temperatură în partea din spate a dulapului atunci când acesta se află în culoarul cald. Prin urmare, iPDU-urile care acceptă mai multe intrări de senzori elimină necesitatea unui dispozitiv intermediar 1RU pentru senzori acesta fiind un aspect important în centrele de date cloud Chiar dacă ambele tipuri de instalații, edge și cloud, necesită din partea rețelei o dispo nibilitate mare, aceasta este mult mai im portantă pentru mediul cloud. Modulul de controler instalat la iPDU-uri trebuie să per mită înlocuirea acestuia în timpul funcțio nării (hot-swappable) pentru unitățile instalate în centrele de date cloud. Abilitatea de înlocuire “la cald” a modulului controlerului minimizează timpul de nefuncționare, un considerent esențial pentru mediul cloud. În plus, tehnologia Gigabit (Gb) Ethernet este mai larg adoptată în cloud, iar iPDU-urile din cloud beneficiază de suportul pentru conec tivitatea Gb Ethernet, care nu este la fel de valorizată în instalațiile edge. În plus, insta lațiile din cloud solicită, în general, iPDU-uri care să suporte niveluri mai ridicate de secu ritate și un software mai complex de moni torizare și gestionare a energiei.

În centrele de date cloud se găsesc rack-uri cu o densitate mai mare decât în cele perife rice, ceea ce face ca densitatea de putere să fie un factor important în selectarea unități lor iPDU pentru instalațiile cloud. iPDU-urile din aceste centre de date beneficiază de un număr mai mare de prize, dar trebuie totuși să ofere un nivel ridicat de control și moni torizare inteligentă a energiei electrice pentru a susține densități de putere mai mari.

Atât în instalațiile cloud, cât și în cele perife rice, deconectările accidentale ale cabluri lor de alimentare reprezintă una dintre principalele cauze ale întreruperii activității echipamentelor.

Cea mai frecventă cauză a deconectărilor accidentale în iPDU-uri este efectul vibra țiilor și al gravitației în timp, care exercită o presiune asupra cablurilor de alimentare; nu este o “eroare a utilizatorului”.

Inginerii din centrele de date pot apela la PDU-urile inteligente G5 de la Panduit (Gen 5 iPDU) pentru a răspunde nevoilor de dis tribuție a energiei, disponibilitate, securitate și monitorizare a instalațiilor cloud. Unitățile Gen 5 iPDU au o temperatură de operare de 60°C la sarcină maximă. De asemenea, aces tea au intrări de senzori pentru a susține cerința ASHRAE pentru 3T + H pentru cu loarul rece și un senzor de temperatură pentru culoarul cald, fără un dispozitiv inter mediar 1RU. Senzorii digitali cu autoidenti ficare pot fi conectați direct în iPDU, accelerând implementarea. Controlerul de rețea inteligent (iNC) din iPDU-urile Gen 5 poate fi înlocuit “la cald” pentru a asigura un timp de funcționare maxim (figura 2). Acesta include un display OLED de mare vizibilitate, control reset/ setări implicite din fabrică, butoane de selectare a meniului, un LED de stare, un conector USB pentru actualizări de firmware și configurație și/sau conexiune opțională pentru iluminare automată a rack-ului, un port 1Gb Ethernet pentru conexiuni de rețea, porturi PDU out și PDU in/serial pentru co nectarea în lanț a mai multor iNC-uri și două porturi pentru senzori care se pot conecta, fiecare, la maximum 4 senzori, ajungând la un total de 8 senzori, utilizând portul opțio nal de extindere a senzorilor. Pot fi conec tate în cascadă până la patru iPDU-uri și, de asemenea, pot fi conectate la două conexi uni de rețea securizate diferite pentru: • Monitorizarea consumului de energie și urmărirea datelor în rețeaua unei fabrici

• Gestionarea și monitorizarea a până la patru iPDU-uri per rack, utilizând o singură adresă IP (figura 3).

Figura 3

9 www.electronica-azi.ro
© Panduit ⮞ ANALIZĂ
Până la 4 iPDU-uri Gen 5 pot fi conectate în lanț prin intermediul unei singure adrese IP. © Panduit

Fiecare iPDU din lanț poate fi conectat la maximum opt senzori, ceea ce înseamnă un total de 32 de senzori pe o singură conexi une. În plus, este disponibilă o configurație redundantă de acces la rețea folosind două iPDU-uri. În centrele de date mari este nevoie de monitorizarea și identificarea problemelor de funcționare pentru a îmbunătăți eficien ța operațională, reduce costurile și minimiza amprenta asupra mediului. Gen 5 iPDU supor tă un software amplu și precis de măsurare a energiei pentru a utiliza eficient resursele de energie, pentru a lua decizii avizate de planificare a capacității, îmbunătăți timpul de funcționare și măsura rentabilitatea uti lizării energiei (PUE). Aceste iPDU-uri oferă măsurarea energiei, monitorizarea și controa lele necesare pentru a sprijini îmbunătățirile continue în utilizarea energiei, inclusiv: • Măsurarea și monitorizarea energiei la nivel de PDU

Contorizarea energiei în wați-oră (kWh)

Măsurători de putere (W)

Măsurători de putere la nivel de fază de intrare, inclusiv V, A, VA, kWh și factor de putere (pf)

Măsurători de curent la nivel de întrerupător de circuit Capabilități de contorizare la nivel de facturare

Memorie integrată pentru înregistrarea/ vizualizarea/raportarea datelor istorice Praguri de alarmă și notificări personalizabile

• Controale la nivel de priză

Pornirea și oprirea de la distanță a alimentării de la o priză individuală Întârziere la pornire definită de utilizator pentru a secvenția echipamentele și a evita supraîncărcările de curent de pornire

Roluri și niveluri de securitate de acces alocabile de utilizator

• Măsurarea energiei la nivel de priză Contorizare a energiei în wați/oră (kWh) Măsurători de putere, inclusiv V, A, VA, W și pf

Date pentru calcule PUE Green Grid

Level 3

iPDU-urile Gen 5 oferă densități mari de pu tere, dispun de până la 48 de prize și vin standard cu un cablu de alimentare de trei metri. Acestea sunt disponibile într-o gamă variată de configurații de montare, inclusiv pe verticală (0U) sau pe orizontală (1U sau 2U). De exemplu, modelul P36D08M are un curent nominal de 30 A pe fază, un factor de formă FULL 0U, o mufă pe intrare L1530P, 3 întrerupătoare de circuit, poate gestiona 8,6 kW și dispune de 36 de prize (30 C13 și 6 C19).

Figura 4

Gen 5 iPDUs oferă posibilitatea de a alege între coliere pentru cabluri sau prize cu blocare pentru a răspunde preocupărilor legate de deconectările accidentale.

Pentru a rezolva problema deconectărilor accidentale, proiectanții care utilizează iPDU-uri Gen 5 pot alege între două soluții diferite. Prizele standard C13 și C19 au alături o fantă încastrată, în care se poate fixa un colier nemetalic de prindere a cablu lui, eliminând, practic, efectele vibrațiilor și ale gravitației. Chiar dacă aceste prize nu sunt scumpe, utilizarea colierului de prin dere a cablului implică un cost de manoperă și nici nu fixează cablul de alimentare pe partea echipamentului.

Pentru o soluție mai completă, iPDU-urile Gen 5 sunt disponibile și cu prize cu blocare pentru o fixare sigură a cablurilor. În plus, capătul pentru echipamente are un meca nism de blocare universal care se prinde de echipamentul IT, asigurând fixarea perma nentă a cablului la ambele capete.

În funcție de nevoile de instalare, proiectan ții pot utiliza iPDU-uri Gen 5 care combină prize cu fante de prindere a cablurilor și prize cu blocare (figura 4). În plus, centrele de date cloud au un număr mare de cabluri electrice care alimentează partea din spate a cabinetului, ceea ce poate complica gestio narea cablurilor. PDU-urile Gen 5 oferă coli ere de cablu colorate, benzi colorate pentru marcare și cabluri electrice colorate (cu și fără blocare) pentru a simplifica identificarea și gestionarea cablurilor din spatele dulapului.

Mânerul opțional de securitate Panduit Smart Zone G5 poate fi utilizat cu iPDU Gen 5 pentru a asigura controlul accesului pentru până la 200 de utilizatori.

Mânerul include un LED de stare care oferă starea de securitate a mânerului și un LED de semnalizare care indică starea de sănă tate a cabinetului. De asemenea, acesta dis pune de un senzor de umiditate și de senzori dedicați de temperatură și de alarmă pentru ușă pentru a simplifica instalarea senzorilor și pentru a respecta standardele ASHRAE (figura 5).

Mânerul de securitate G5 include încuie tori și chei de rezervă pentru înlocuirea în teren și patru moduri de a controla accesul în cabinet:

• Cititoarele de carduri cu dublă frecvență pot fi utilizate fie cu carduri de frecvență joasă, fie cu carduri de frecvență înaltă.

• Accesul poate fi controlat de la distanță prin intermediul unei interfețe web încorporată în iPDU Gen 5

• Modelul ACF06 include o tastatură opțională care permite accesul la cabinet prin intermediul unui cod PIN securizat.

• Modelul ACF06 poate implementa o dublă autentificare atunci când sunt necesare atât scanarea cardului, cât și introducerea unei parole.

Electronica • Azi nr. 9 (269)/2022 10
iPDU
© Panduit

Figura 5

Mânerul opțional de securitate Smart Zone G5 are un senzor de umiditate integrat și LED-uri de stare și poate fi configurat cu sau fără tastatură integrată pentru controlul accesului.

iPDU-uri pentru instalații Edge Pentru centrele de date de la periferie și alte aplicații care pot utiliza iPDU-uri calificate pentru o funcționare maximă la 40°C, Orion Fans oferă seria Smart Switched PDU care dispune de prize ce pot fi pornite secvențial de la distanță, controlate și monitorizate. PDU-urile Smart Switched monitorizează fiecare priză în parte și, în cazul în care este depășit un prag definit de utilizator,

trimite un avertisment prin e-mail sau alarmă sonoră.

Alte caracteristici incluse:

• Controlul și monitorizarea alimentării la nivel de priză pentru echipamentele montate în rack

• Operare de la 0 la 40°C

• Monitorizarea puterii prin contor, web sau prin protocol SNMP (Simple Network Management Protocol)

• Protocoale de comunicație http, https, SNMP, DHCP și UDP

• Contor de curent digital, true RMS inclus în PDU

• Software-ul încorporat oferă control și analiză pentru îmbunătățirea eficienței energetice, reducerea costurilor de operare și minimizarea timpului de nefuncționare De exemplu, modelul OSP-V-16-23-16-N1 include 14 prize IEC320 C13 și 2 prize IEC320 C19, o priză intrare IEC320 C20 și un cablu de alimentare IEC320 C19 - C20 de 3 metri și un întrerupător de circuit de 16 A. Alternativ, OSP-H-16-23-08-N1 are 8 prize IEC320 C13, o priză intrare IEC320 C20, un cablu de alimentare IEC320 C19 - C20 de 3 metri și un întrerupător de circuit de 16 A cu un contor de curent de 20 A cu trei cifre și o rezoluție de 0,1 A (figura 6).

Concluzie

Figura 6

iPDU OSP-H-16-23-08-N1 are 8 prize

IEC320 C13 și un contor de curent cu trei cifre cu o rezoluție de 0,1 A.

Centrele de date de tip cloud și edge au nevoi diferite în ceea ce privește iPDU-urile, inclusiv cerințe diferite privind temperatura de operare, așteptări diferite legate de fiabi litate și disponibilitate și nevoi diferite în materie de securitate, control al puterii și monitorizare. Inginerii de rețea pot selecta dintre iPDU-urile care se potrivesc cerințelor specifice ale instalațiilor edge și cloud pentru a susține soluții mai ecologice cu un echilibru optim între costuri și performanță.

■ Digi-Key Electronics www.digikey.ro

11 www.electronica-azi.ro
© Panduit © Panduit

Amenințări de securitate cibernetică

Asupra punctelor finale inteligente

Având în vedere că inteligența artificială la nivel de punct final (sau TinyML) se află într-o fază incipientă și este adoptată lent de către industrie, tot mai multe companii încorporează inteligența artificială în sistemele lor pentru întreținerea predictivă în fabrici sau pentru iden tificarea cuvintelor cheie în aparatele electronice de consum. Dar odată cu adăugarea unei componente AI în sistemul IoT, trebuie luate în considerare noi măsuri de securitate.

IoT s-a maturizat până la un punct în care puteți lansa cu încredere produse pentru a fi utilizate în teren, cu certificări precum PSA Certified™, care oferă garanția că IP-ul vos tru poate fi securizat printr-o varietate de tehnici, cum ar fi motoare de securitate izo late, stocare securizată a cheilor criptogra fice sau utilizând Arm® TrustZone®. Astfel de asigurări pot fi găsite pe microcon trolerele (MCU) care au fost proiectate luând în considerare securitatea, dispunând de caracteristici de securitate scalabile bazate pe hardware, așa cum este familia RA de la Renesas. Cu toate acestea, adăugarea inteligenței artificiale conduce la apariția unor noi amenințări, care se infiltrează în zonele securizate și anume sub forma unor atacuri adversariale.

Atacurile adversariale vizează complexita tea modelelor de învățare profundă și mate matica statistică subiacentă pentru a crea puncte slabe și a le exploata în teren, ceea ce duce la scurgeri de informații despre părți ale modelului, date de instruire sau la emiterea unor rezultate neașteptate.

Acest lucru se datorează naturii de ‘cutie neagră’ a rețelelor neurale profunde (DNN), în care procesul decizional din DNN nu este transparent, adică sunt “straturi ascunse”, iar clienții nu sunt dispuși să își riște sistemele prin adăugarea unei caracteristici de inteligență artificială, ceea ce încetinește proliferarea inteligenței artificiale până la punctul final. Atacurile adversariale sunt di ferite de atacurile cibernetice convenționale, deoarece în cazul amenințărilor tradiționale la adresa securității cibernetice, analiștii de securitate pot remedia o eroare (bug) în codul sursă și o pot documenta pe larg.

Deoarece în DNN-uri nu există o linie specifică de coduri pe care să o puteți aborda, devine de înțeles că este dificil. Atacurile adversariale în cultura pop pot fi văzute în Star Wars. În timpul războiului clonelor, Ordinul 66 poate fi văzut ca un atac adversarial, în care clonele s-au comportat așa cum era de așteptat pe tot parcursul războiului, dar odată ce au primit ordinul, s-au schimbat, determinând o răsturnare de situație în război.

Exemple notabile pot fi găsite de-a lungul a numeroase aplicații, cum ar fi o echipă de cercetători care a lipit autocolante pe indi catoarele de circulație STOP, determinând inteligența artificială să prezică faptul că este vorba despre indicatoare de viteză[1] O astfel de clasificare greșită poate duce la accidente de circulație și la o mai mare neîn credere a publicului în utilizarea AI în sis teme. Cercetătorii au reușit să obțină o clasificare greșită de 100% în laborator și de 84,8% în testele din teren, demonstrând că autocolantele au fost destul de eficiente. Algoritmii păcăliți se bazau pe rețele neurale convoluționale (CNN), astfel încât proiectul poate fi extins la alte cazuri de utilizare care folosesc CNN ca bază, cum ar fi detectarea obiectelor și identificarea cuvintelor cheie. Un alt exemplu dat de cercetătorii de la Uni versitatea din California, Berkley, a arătat că, prin adăugarea de zgomot sau perturbații în muzică sau în vorbire, modelul de inteli gență artificială va interpreta greșit muzica redată sau va transcrie ceva complet diferit, deși perturbația respectivă este impercep tibilă pentru urechea umană[2].

Electronica • Azi nr. 9 (269)/2022 12
IoT/IIoT

Acest lucru poate fi utilizat cu rea intenție în cazul asistenților inteligenți sau al servi ciilor de transcriere bazate pe inteligență artificială. Cercetătorii au reprodus forma de undă audio care este peste 99,9% similară cu fișierul audio original, dar pot transcrie orice fișier audio ales de ei cu o rată de succes de 100% pe algoritmul DeepSpeech de la Mozilla.

Inițial, instruirea se face offline, de obicei în cloud, urmată de executabilul binar final op timizat, care este plasat pe microcontroler și utilizat prin intermediul apelurilor API.

Fluxul de lucru necesită un inginer speciali zat în aplicații de învățare automată și altul în aplicații embedded. Deoarece acești in gineri tind să lucreze în echipe separate,

În timpul instruirii, un atacator rău inten ționat ar putea încerca “otrăvirea modelului”, care poate fi de tip direcționat sau nedirec ționat. În cazul otrăvirii țintite a modelului, un atacator ar contamina setul de date de instruire/modelul de bază al AI, rezultând un “backdoor” (un tip de software rău intenționat) care poate fi activat de o intrare arbitrară pentru a obține o anumită ieșire, dar care funcționează corect cu intrările așteptate. Contaminarea ar putea fi o mică perturbare care nu afectează funcționarea așteptată (cum ar fi acuratețea modelului, viteza de inferență etc.) a modelului și ar da impresia că nu există probleme. De asemenea, acest lucru nu necesită ca atacatorul să ia și să implementeze o clonă a sistemului de instruire pentru a verifica funcționarea, deoarece sistemul însuși a fost contaminat și ar afecta ubicuu orice sis tem care utilizează modelul/setul de date otrăvit. Acesta a fost atacul folosit asupra clonelor din Războiul Stelelor.

Tipuri de atacuri adversariale Pentru a înțelege numeroasele tipuri de ata curi adversariale, trebuie să ne uităm la pipe line-ul convențional de dezvoltare TinyML, așa cum este prezentat în figura 3.

noul peisaj de securitate poate duce la con fuzie în ceea ce privește împărțirea respon sabilităților între diferitele părți interesate. Atacurile adversariale pot avea loc fie în fa zele de instruire, fie în cele de inferență.

Otrăvirea nedirecționată a modelului sau atacurile bizantine au loc atunci când ata catorul intenționează să reducă performan ța (acuratețea) modelului și stagnează instruirea. Acest lucru ar necesita revenirea la un punct anterior compromiterii modelului /setului de date (potențial de la început). În afară de instruirea offline, învățarea fede rată, o tehnică în care datele colectate de la punctele finale sunt utilizate pentru a reinstrui/îmbunătăți modelul cloud, este in trinsec vulnerabilă din cauza naturii sale des centralizate a procesării, permițând atacatorilor să participe cu dispozitive 'endpoint' compromise, ceea ce duce la compromite rea modelului cloud. Acest lucru ar putea avea implicații mari, deoarece același model cloud ar putea fi utilizat în milioane de dis pozitive. În timpul fazei de inferență, un hacker poate opta pentru tehnica de “eva ziune a modelului”, prin care interoghează iterativ modelul (de exemplu, o imagine) și adaugă zgomot la intrare pentru a înțe lege cum se comportă modelul.

13 www.electronica-azi.ro
lipite pe un indicator de circulație STOP pentru a înșela AI și a o face să creadă că este un indicator de viteză.
Autocolante
Prin adăugarea unei mici perturbații, modelul poate fi păcălit să transcrie orice frază dorită.
Figura 1 © Renesas
⮞ Flux de lucru TinyML de la un capăt la altul.
ANALIZĂ | Familia de microcontrolere RA de la Renesas
Figura 2 © Renesas
Figura 3 © Renesas

Astfel, hackerul ar putea obține o ieșire specifică/necesară, adică o decizie logică, după ce și-a ajustat intrarea de nenumărate ori fără a utiliza intrarea așteptată. O astfel de interogare ar putea fi utilizată și pentru “inversarea modelului”, în cazul în care infor mațiile despre model sau despre datele de instruire sunt extrase în mod similar.

Analiza riscurilor în timpul dezvoltării AI TinyML

Pentru faza de inferență, atacurile adversa riale asupra modelelor de inteligență artifi cială reprezintă un domeniu activ de cercetare, în care mediul academic și industria s-au aliniat pentru a lucra la aceste probleme și au dezvoltat “ATLAS - Adversarial Threat Landscape for Artificial-Intelligence Systems!”, o matrice care permite analiștilor în dome niul securității cibernetice să evalueze riscul pentru modelele lor. De asemenea, este con stituită din cazuri de utilizare în întreaga industrie, inclusiv ‘edge AI’. Învățând din studiile de caz furnizate, dezvoltatorii/pro prietarii de produse vor înțelege modul în care le-ar putea fi afectat cazul lor de utili zare, vor evalua riscurile și vor lua măsuri de securitate suplimentare de precauție pen tru a atenua îngrijorările clienților. Mode lele de inteligență artificială ar trebui să fie considerate ca fiind predispuse la astfel de atacuri, iar diversele părți interesate trebuie să efectueze o evaluare atentă a riscurilor. Pentru faza de instruire, asigurarea că setu rile de date și modelele provin din surse de încredere ar reduce riscul de otrăvire a date lor/modelelor. Astfel de modele/date ar tre bui să fie furnizate, de obicei, de furnizori de software de încredere. Un model ML poate fi, de asemenea, antrenat ținând cont de securitate, făcând modelul mai robust, cum ar fi o abordare bazată pe forța brută a antrenamentului adversarial, în care mode lul este antrenat pe mai multe exemple adversariale și învață să se apere împotriva acestora. Cleverhans, o bibliotecă de instru ire cu sursă deschisă dezvoltată de mediul academic, este utilizată pentru a construi astfel de exemple pentru atacarea, apărarea și

evaluarea comparativă a unui model împo triva atacurilor adversariale. Distilarea apărării este o altă metodă prin care un model este antrenat pornind de la un model mai amplu pentru a genera probabilități de clase diferite, mai degrabă decât decizii ferme, ceea ce face mai dificilă exploatarea modelului de către adversar. Cu toate acestea, ambele metode pot fi des compuse cu o putere de calcul adecvată.

Protejați-vă IP-ul AI Uneori, companiile își fac griji cu privire la tentativele rău intenționate ale competito rilor de a fura proprietatea intelectuală/ caracteristica modelului care este stocată pe un dispozitiv pentru care compania a alocat resurse financiare pentru cercetare și dez voltare. Odată ce modelul este antrenat și perfecționat, acesta devine un executabil binar stocat pe microcontroler și poate fi protejat prin măsurile convenționale de securitate IoT, cum ar fi protecția interfețelor fizice ale cipului, criptarea software-ului și utilizarea TrustZone. Chiar și în cazul în care executabilul binar ar fi furat, este important de reținut că modelul final și optimizat, pro iectat pentru un anumit caz de utilizare, poate fi ușor identificat și considerat ca o violare a drepturilor de autor, iar ingineria inversă ar necesita mai mult efort decât dacă s-ar porni de la zero cu un model de bază. Mai mult, în dezvoltarea TinyML, modelele de inteligență artificială sunt în general bine cunoscute și sunt tehnologii cu sursă des chisă, de exemplu MobileNet, care pot fi apoi optimizate printr-o varietate de hiper parametri. Seturile de date, pe de altă parte, sunt păstrate în siguranță, deoarece sunt comori valoroase pentru care companiile cheltuiesc resurse importante pentru a le achiziționa și sunt specifice unui anumit caz de utilizare. Un exemplu ar fi adăugarea de chenare pentru regiunile de interes din imagini. Seturile de date generalizate sunt, de asemenea, disponibile ca sursă deschisă, precum CIFAR, ImageNet etc. Acestea sunt utile pentru a compara diferite modele, dar seturile de date personalizate ar trebui

utilizate pentru dezvoltarea de cazuri de utilizare specifice. De exemplu, 'visual wake word', un set de date rezervat mediului de birou, ar oferi rezultate optime.

Rezumat Întrucât TinyML este încă în dezvoltare, este bine să fiți conștienți de diferitele ata curi care pot apărea asupra modelelor de inteligență artificială, de felul în care aces tea ar putea afecta dezvoltarea TinyML și de cazurile de utilizare specifice. În prezent, modelele ML au ajuns la o precizie ridicată, dar pentru implementare, este important să vă asigurați că modelele voastre sunt, de asemenea, robuste. În timpul dezvoltării, ambele părți (inginerii ML și inginerii din domeniul embedded) împart responsabili tatea pentru aspectele legate de securita tea cibernetică, inclusiv AI. În cazul în care inginerii ML se vor concentra pe atacurile din timpul instruirii, inginerii din sectorul embedded vor asigura protecția împotriva atacurilor de inferență.

În ceea ce privește proprietatea intelectuală a modelelor, un element crucial este să se asigure că seturile de date de instruire sunt păstrate în siguranță pentru a nu permite concurenților să dezvolte modele similare pentru cazuri de utilizare similare. În legătură cu codul executabil, adică IP-ul modelului de pe dispozitiv, acesta poate fi securizat cu ajutorul celor mai bune măsuri de securitate IoT din clasa sa, pentru care familia RA de la Renesas este renumită, ceea ce face foarte dificilă accesarea în mod rău intenționat a informațiilor securizate.

Referințe

[1] Eykholt, Kevin, et al. “Robust physical-world attacks on deep learning visual classification” Proceedings of the IEEE conference on computer vision and pattern recognition. 2018. [2] Carlini, Nicholas, and David Wagner. “Audio adversarial examples: Targeted attacks on speech-to-text”. 2018 IEEE Security and Privacy Workshops (SPW). IEEE, 2018.

Electronica • Azi nr. 9 (269)/2022 14
IoT/IIoT ■ Securitate cibernetică
■ Renesas www.renesas.com

Autoturismele

Când le spun oamenilor că lucrez în industria semiconductorilor, cu accent pe securitatea automobilelor, aceștia presupun, de obicei, că este vorba despre alarme auto și brelo curi de chei. Deși furtul de mașini rămâne o preocupare legitimă, există amenințări de securitate mult mai mari asociate cu unitățile de control electronic interne (ECU) și cu comunicațiile acestora în interiorul ve hiculului și cu lumea exterioară. Aproxima tiv 50% din toate vehiculele noi vândute în acest an vor fi vehicule conectate și mulți estimează că aproximativ 95% vor fi conec tate până în 2030. Aceste conexiuni prin Bluetooth®, USB, LTE, 5G, Wi-Fi® etc. aduc multă comoditate consumatorului, dar hackerii sunt la fel de încântați de creșterea spectaculoasă a spațiului de atac. O căutare rapidă pe Google pe subiectul pirateriei in formatice a vehiculelor va genera un număr nesfârșit de breșe de securitate din lumea

reală, care au dus la re chemări costisitoare, pro cese și la afectarea reputației unor mărci. Fapt: software-ul poate fi predispus la erori, iar ero rile pot fi exploatate de hackeri. Există multe lu cruri pe care le puteți face pentru a reduce la mini mum bug-urile și pentru a lua măsuri corective odată detectate; cu toate aces tea, atât timp cât oamenii scriu cod nou, pot apărea noi bug-uri.

Obținerea accesului la rețeaua de control a vehiculului (CAN bus) este o țintă obișnuită pentru hackeri. Au fost demonstrate cazuri de piraterie infor matică prin care hackerii, profitând de o

eroare în Bluetooth, au putut exploata o eroare în sistemul de operare al vehiculului, care le-a per mis accesul de la distanță pentru a manipula mesa jele de pe magistrala

CAN. Vehiculele moder ne pot avea până la 100 de ECU-uri, iar multe din tre acestea – esențiale pentru siguranță – sunt conectate la bus.

CAN bus oferă mai multe avantaje. Utilizează un protocol simplu, ieftin, extrem de robust și relativ imun la perturbații elec trice, ceea ce reprezintă o opțiune fiabilă pentru comunicația între nodurile critice din punct de vedere al siguranței.

Electronica • Azi nr. 9 (269)/2022 16
Autor: Todd Slack Business Development | Strategic & Product Marketing | Automotive & Commercial Security IC's Microchip Technology
Evoluția cerințelor de securitate și a soluțiilor asociate
traficul
rețea la bordul vehiculelor
deplasarea în siguranță AUTOMOBILE
conectate și
tot mai mare de comunicații în
pot crea dificultăți în ceea ce privește

Dezavantajul este că, timp de zeci de ani, protocolul nu a avut niciun fel de securitate, ceea ce înseamnă că, odată ce un hacker obține acces, poate trimite mesaje false care pot provoca distrugeri în comunicația de la bordul vehiculelor. Printre exemple se numără activarea sau dezactivarea ștergătoarelor de parbriz, stin gerea farurilor, distragerea atenției șoferului prin manipularea sunetului, crearea de alar me false în instrumentarul de bord, afișarea incorectă a vitezei, deplasarea scaunelor sau chiar scoaterea mașinii de pe șosea. Vestea bună este că, odată cu apariția CAN FD, există octeți suplimentari disponibili în sarcina utilă a mesajului pentru a adăuga securitate prin includerea unui cod de auten tificare a mesajului (MAC) pentru a verifica criptografic autenticitatea mesajului, filtrând astfel orice mesaj falsificat. Există două tipuri de MAC-uri din care se poate alege: un HMAC bazat pe ‘hash’ sau un CMAC bazat pe un cifru bloc cu cheie simetrică AES. CMAC este implementat de cele mai multe ori.

ANALIZĂ

Cerințe de securitate pentru industria auto

și se află într-o stare de încredere la pornire, la resetare și, adesea, repetat la o cadență prescrisă după pornire. Pe locul al doilea, la mică distanță, se află cerința de a suporta actualizări securizate ale firmware-ului. Reamintim că toate software-urile pot fi afectate de erori; prin urmare, este adesea necesar să se creeze ‘patch’-uri pentru erori de firmware care să poată fi aplicate pe teren. Aceste actualizări de firmware necesită, de asemenea, implementări de securitate criptografică care, de obicei, au nevoie ca sarcinile utile de firmware primite să fie criptate cu o cheie simetrică (AES) și semnate cu o cheie privată asimetrică, cel mai ade sea criptografie pe curbă eliptică (ECC). În acest fel, atunci când o imagine de actuali zare este prezentată controlerului gazdă, nu se întreprinde nicio acțiune până când sem nătura încărcăturii utile nu este verificată cu ajutorul cheii publice ECC încorporate în controler. Odată ce semnătura este verificată, imaginea poate fi decriptată, iar firmwareul controlerului poate fi actualizat cu ‘patch’ -ul de eroare sau cu funcția îmbunătățită.

ceea ce înseamnă că fiecare modul trebuie să fie autentificat criptografic pentru a con firma că producătorul modulului a fost verifi cat și aprobat de producătorul de echipamente originale înainte de a i se permite să funcționeze în cadrul pachetului. Un modul care nu provoacă incendii, dar care, în schimb, nu funcționează corespunzător, poate afecta reputația mărcii OEM, ceea ce poate duce la o publicitate negativă și la pierderi de venituri. Încă un motiv în plus pentru a verifica crip tografic sursa producătorului de module.

Producătorii de echipamente originale au fost foarte ocupați cu actualizarea specifi cațiilor de securitate cibernetică ca răspuns la toate cazurile de piraterie informatică care au avut loc. Aproape toți producătorii de echipamente originale solicită actua lizarea ECU-urilor critice din punct de vede re al siguranței pentru a pune în aplicare noile cerințe de securitate cibernetică, iar unii producători de echipamente originale solicită actualizarea în proporție de 100% a ECU-urilor conectate. Blocul de securitate de bază constă în implementarea unei por niri securizate, care implică verificarea criptografică care să ateste că, codul de por nire (boot) și codul aplicației care rulează pe un controler gazdă nu au fost modificate

A treia contribuție la evoluția securității este autentificarea mesajelor, așa cum a fost descrisă mai sus. Un aspect unic în dome niul vehiculelor electrice este nevoia tot mai mare de autentificare a bateriei. Cele mai multe pachete de baterii sunt proiectate cu module de baterii înlocuibile în cadrul unui pachet mai mare, astfel încât, atunci când un modul se defectează, acesta poate fi în locuit fără a fi nevoie să se înlocuiască între gul pachet sau să trebuiască să avem de-a face cu un pachet neperformant. Modulele prost proiectate pot reprezenta un pericol pentru siguranță, provocând un incendiu la bordul vehiculului; prin urmare, este impor tant ca producătorii de echipamente origi nale să impună managementul ecosistemului,

Ce înseamnă verificarea criptografică a unui modul? Acest lucru se realizează prin con figurarea unor chei de semnare personali zate pentru fiecare client, care vor fi utilizate pentru a furniza dispozitivelor lanțuri de cer tificate x.509 specifice clientului și un certi ficat unic la nivel de dispozitiv bazat pe o pereche unică de chei ECC. Dispozitivul pro vizionat este montat pe fiecare modul de baterie. Atunci când un modul de baterie este înlocuit în cadrul pachetului, sistemul de management al bateriei (Battery Man agement System - BMS), cunoscut și sub numele de gateway-ul bateriei, va solicita modulului certificatul X.509 unic și va verifica lanțurile de semnături până la o rădăcină de încredere. După verificarea semnăturii, mo dulului i se prezintă o provocare care urmea ză să fie semnată cu cheia privată asociată, dovedind cunoașterea unui secret fără a-l transmite pe magistrală, în unele cazuri transmis prin radiofrecvență. Cazul de utili zare la nivel de modul se oprește aici. În ca drul BMS, producătorii de echipamente originale (OEM) au adesea nevoie de un caz de utilizare mai complex. Deoarece BMS/Gate way este punctul de comunicație cu lumea exterioară, furnizând în cloud rapoarte de rutină privind starea de sănătate a bateriei, cazul de utilizare a securității este extins pentru a include pornirea securizată, actua lizarea securizată a firmware-ului și TLS (Transport Layer Security) pentru a stabili un canal de comunicație securizat cu cloud-ul.

Toate implementările de securitate discu tate necesită o stocare securizată a cheilor, care poate fi realizată numai cu o securi tate reală bazată pe hardware. Poate fi ușor să se extragă chei de la microcontrolerele standard și chiar de la multe dintre cele care pretind a fi “microcontrolere sigure”, prin efectuarea unor atacuri standard prin microprobare, injectare de erori, atacuri electromagnetice prin canale secundare, cicluri de temperatură/alimentare /schim bare de alimentare și atacuri de sincroni zare, pentru a numi doar câteva. ⮞

17 www.electronica-azi.ro
|

Este important să se selecteze dispozitivul potrivit pentru a efectua operațiile cripto grafice grele și pentru a proteja cheile îm potriva acestor tipuri de atacuri. Dispozitivele de securitate specializate sunt disponibile într-o varietate de arhi tecturi și sunt denumite prin diverse ter minologii, cum ar fi modulele de securitate hardware (HSM - Hardware Security Modules), atât la nivel de cip cât și extern, elemente securizate, subsisteme de stocare securi zate, seif de chei, carduri inteligente etc. Aceste dispozitive trebuie să includă sis teme de protecție împotriva atacurilor menționate anterior pentru a proteja cheile din memoria securizată a acestora.

Dar cum poate un furnizor Tier 1 sau un OEM să verifice dacă securitatea imple mentată este suficient de bună? Cel mai bun mod în care un furnizor de elemente securizate poate dovedi că este demn de securitate este să supună dispozitivul unei terțe părți pentru a efectua o evaluare a vulnerabilității. Această terță parte ar trebui să fie acreditată de o sursă de încredere, cum ar fi Institutul Național de Standarde și Tehnologie (NIST), recunoscut în America de Nord, Biroul Federal pentru Securitatea Informației (BSI) din Germania sau grupul SOGIS (Senior Officials Group Information Systems Security), recunoscut la nivel mon dial. Laboratoarele acreditate de SOGIS uti lizează un sistem de evaluare a vulnerabilității recunoscut la nivel mondial, JIL (Joint Interpretation Library), care necesită o evaluare “white box”, ceea ce înseamnă că furnizorul de circuite integrate care pre zintă proiectul trebuie să furnizeze labo ratorului documentația privind proiectarea dispozitivului (fluxul de date, subsistemul, definirea memoriei), secvența de pornire a hardware-ului și firmware-ului, descrierea mecanismelor de protecție a securității, fișa tehnică integrală, documentația de în drumare privind securitatea și bootloader-ul, toate codurile disponibile (RTL și nivel C, biblioteca criptografică, FW), implemen tările de algoritmi, scripturile de progra mare, protocolul de comunicație, configurația cipului și codul sursă. Apoi, laboratorul analizează toată docu mentația și își trasează planul de atac împo triva mostrelor trimise pentru testare. Sistemul de evaluare alocă puncte în func ție de timpul necesar pentru a extrage o cheie secretă, de nivelul de expertiză nece sar (de la proaspăt absolvent de facultate până la mai mulți experți), de cunoștințele despre ținta de evaluare (TOE), de accesul la TOE (câte dispozitive de probă pentru a efectua un atac reușit), de complexitatea și

costul echipamentului de piratare și de ușurința de acces la mostrele supuse testului. Scorurile JIL rezultate încep de la nicio cla sificare, apoi Basic, Enhanced Basic, Mode rate și High fiind cel mai bun scor realizabil. Orice valoare sub JIL High înseamnă că la boratorul a reușit să extragă cheia (cheile) privată (private) din dispozitiv. Dispozitive precum HSM-ul extern CryptoAutomotive™ TrustAnchor100 (TA100) de la Microchip, care au primit un scor JIL High, sunt capa bile să reziste la atacuri timp de peste 3 luni de atac, moment în care laboratorul declară dispozitivul “Not practical” în fața atacurilor.

Pe cip sau în afara lui, aceasta este întreba rea. Soluțiile “on-die”, cum ar fi microcon trolerele dual-core pe 32-biți, pot reprezenta un upgrade costisitor pentru o generație anterioară de ECU-uri care ar putea fi foarte bine deservită de un microcontroler (MCU) standard înainte ca securitatea reală să fie impusă de un OEM. De asemenea, gene rațiile noi de microcontrolere pot introduce întârzieri semnificative în ceea ce privește timpul de lansare pe piață, având în vedere cerința de a reproiecta complet codul aplicației. Dezvoltarea internă a codului de securitate poate fi extrem de riscantă, iar plata unui terț poate fi prohibitivă din punct de vedere al costurilor.

De asemenea, este dificil pentru un furnizor de nivel 1 să propage soluția pe mai multe tipuri de ECU, având în vedere cerințele dife rite de performanță și periferice ale fiecărui tip. În acest caz, HMS-urile externe sau ele mentele securizate complementare pot re duce semnificativ sarcina de actualizare a securității pentru furnizorii de nivel 1. Ele pot fi adăugate la un microcontroler standard într-un proiect existent sau pot fi fixate pe toate proiectele noi cu cerințe diferite pen tru microcontrolerul gazdă. HSM-urile ex terne, cum ar fi TA100, sunt preprovizionate, inclusiv toate codurile de securitate, cheile și certificatele, astfel că timpul de lansare pe piață se reduce semnificativ. Este ușor de transferat la orice microcontroler, având în vedere că biblioteca criptografică asociată este agnostică față de microcontroler. Riscurile, timpul de lansare pe piață și cos turile totale sunt reduse, oferind furnizorilor de nivel 1 o cale flexibilă de a câștiga afaceri în fața competitorilor care urmează calea unei reproiectări complete.

Având în vedere mașinile conectate din ziua de azi și traficul intens de comunicație în rețeaua din interiorul autovehiculului, nevoia de securitate pentru autovehicule se extinde în mod clar mult dincolo de alar mele auto. În condițiile în care siguranța și reputația mărcii sunt în joc, este mai impor tant ca niciodată să se selecteze dispozitive cu adevărat sigure, care au fost verificate de terțe părți atunci când se actualizează un ECU pentru a satisface o multitudine de noi specificații de securitate cibernetică ale producătorilor de echipamente originale, standardele SAE, ISO și mandatele de secu ritate ale guvernelor regionale.

■ Microchip Technology www.microchip.com

Electronica • Azi nr. 9 (269)/2022 18
⮞ ■ Securitate cibernetică AUTOMOBILE

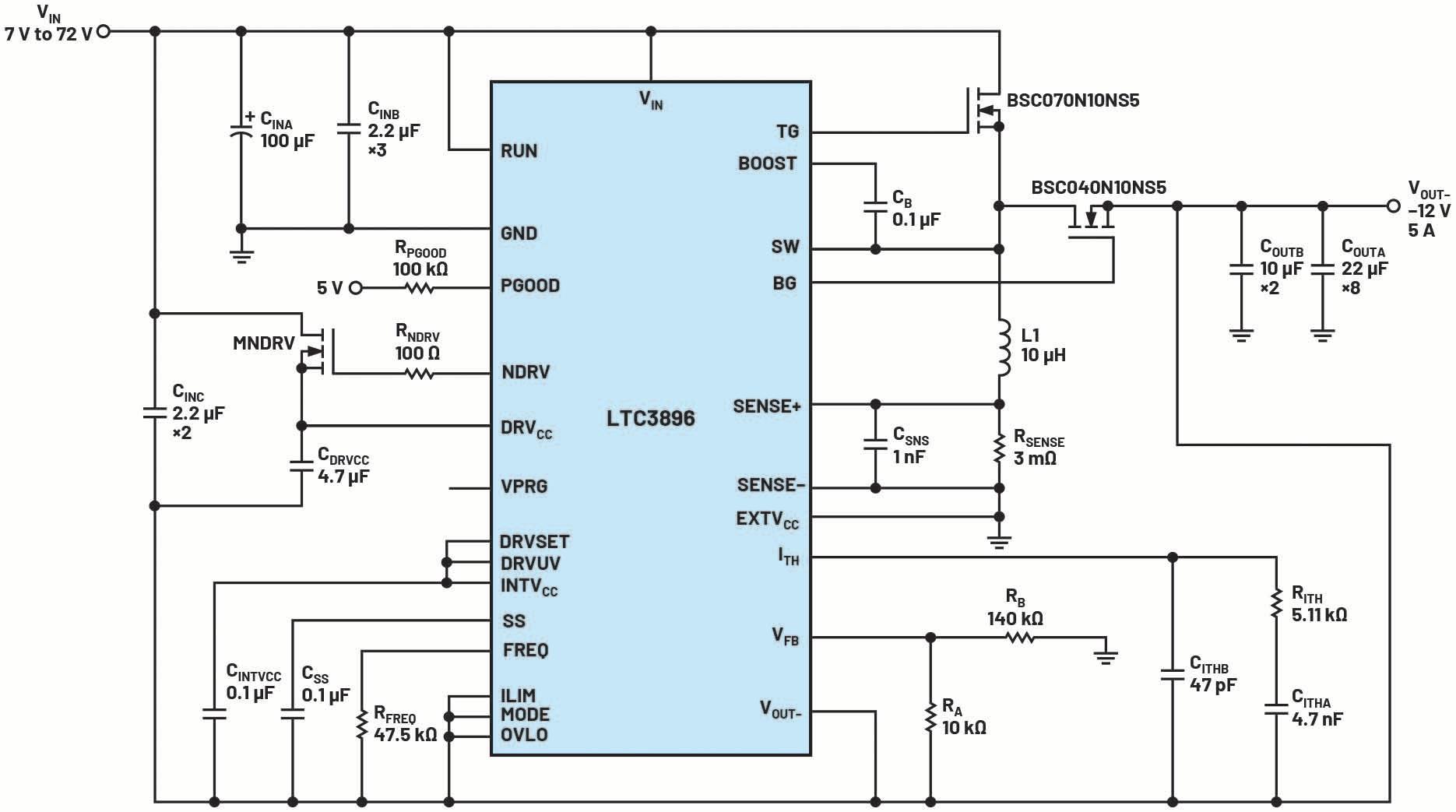
Gata pentru

A treia generație de module de mărimea unui card de credit se apropie: În ciuda faptului că măsoară doar 95×60 mm, modulele COM-HPC client în format Mini vor oferi un set complet de interfețe, inclusiv 16x PCIe, 3x grafică și mai multe interfețe USB4.

O privire asupra evoluției computerelor pe modul (COM) de mărimea unui card de credit arată că piața ar putea produce și alte variante. Prima generație de astfel de mo dule standardizate – DIMM PC – a fost înlo cuită de COM Express Mini, fiind urmată de Qseven și, ceva mai târziu, de SMARC. Aceste două alternative la COM Express Mini au fost create pentru a economisi costurile aferente conectorului, ceea ce părea impor tant pentru implementările de procesoare

“low-cost”, de mică putere, cu un consum de energie de câțiva wați. Un alt motiv a fost ambiția de a deservi procesoarele ARM, ceea ce nu era posibil cu COM Express. În schimb, COM-HPC Mini vizează zona de înaltă per formanță a COM-urilor de dimensiunea unui card de credit și este probabil să fie singura alegere reală pentru acest segment.

COM-HPC Mini este, de asemenea, o alter nativă pentru migrarea soluțiilor de dimen siuni mai mari, COM Express Compact

(95×95 mm) și COM Express Basic (95×125 mm) către module de dimensiunea unui card de credit. Acest lucru este valabil mai ales în cazul volumelor mari de producție pentru aplicații cu factori de formă mici și medii – atât timp cât procesorul se potri vește cu factorul de formă.

Pentru astfel de proiecte, COM-HPC Mini oferă un potențial uriaș de economisire a spațiului fără pierderi de performanță și, practic, fără pierderi de interfețe.

19 www.electronica-azi.ro
Lansarea factorului de formă COM-HPC Mini marchează începutul unei noi ere pentru com puterele embedded compacte, bazate pe module COM (Computer-on-Module) de dimensiunea unui card de credit. Această a treia generație va oferi dezvoltatorilor o creștere masivă a performanțelor și mai multe interfețe decât oricând. Autor: Zeljko Loncaric | Inginer de marketing congatec ©
A treia generație de module de mărimea unui card de credit
congatec
decolare ⮞

SISTEME EMBEDDED

COM-HPC Mini

COM-HPC Mini poate accelera considerabil tendința de miniaturizare în acest segment, care – după cum arată istoria COM-urilor de mărimea cardului de credit – a înregistrat o creștere imensă a performanțelor și a densității interfețelor.

DIMM PC a fost primul modul de dimensiunea unui card de credit Unul dintre pionierii din piața computerelor pe modul a fost Hans Mühlbauer, multă vreme implicat în activitățile companiei congatec, specializată în produse COM.

La începutul anilor 1990, Hans Mühlbauer –pe atunci proprietarul companiei JUMPtec – a lansat primele module echipate cu procesor Intel 80C88 de 9,54 MHz bazate pe bus-ul AT/ISA96 (foarte răspândit la acea vreme) memorie DRAM de 640 kB și conector ‘edge card’ cu 120 de linii de semnal și de ali mentare cu factor de formă de 100×160 mm. El a dezvoltat, totodată, specificația modulului DIMM PC la începutul mileniului, acesta având dimensiunea unui card de credit de 68×40 mm iar conectorul său avea 144 de pini. Modulele DIMM PC erau sem nificativ mai compacte decât primele COM-uri ModulAT, dar ofereau mai multe interfețe – în ciuda amprentei mai mici. Astfel, modulele DIMM PC au marcat începu tul primei ere a COM-urilor de dimensiunea unui card de credit. Acest factor de formă a fost foarte ușor de comercializat: În 2000, de exemplu, un model cu această specifi cație a fost declarat cel mai mic PC indus trial din lume al momentului. Desigur, modulul – numit Little Donkey – era ceva mai mare decât permitea specificația DIMM-PC (68×55 mm). Dar exact din acest motiv, micul “cal de bătaie” a fost capabil să im plementeze și grafica, oferind astfel pentru prima dată toate funcțiile necesare pentru un PC industrial. Precedentele PC-uri DIMM nu suportau grafică.

Destinat tuturor aplicațiilor mici și eficiente energetic Inima computerului industrial DIMM a fost un STPC compatibil x86 de 100 MHz. Princi palele ținte au fost dispozitivele de mici di mensiuni proiectate pentru achiziția mobilă de date și implementate, de exemplu, în sis temele de căi ferate sau în terminalele ope ratorilor pentru controlul prezenței și al accesului. Aceste PC-uri au fost, de aseme nea, recomandate pentru utilizarea în auto matele de vânzare și în sistemele din chioșcuri. Într-un proiect de server de internet, inten ția de atunci era de a implementa procese descentralizate pentru vizualizare, între ținere, monitorizare și control la distanță. Așadar, în principiu, la acea vreme se vorbea deja despre IoT, Industrie 4.0 și 5G; doar că aceste cuvinte, la modă, nu existau, încă. De fapt, tot ce trebuia să fie mic, cu consum redus de energie și mobil putea fi pus în aplicare cu un astfel de dispozitiv. Cu toate acestea, performanța acelor PCuri DIMM și numărul de interfețe furnizate erau departe de ceea ce oferă astăzi lumea embedded. Pe lângă faptul că dispuneau de o memorie DRAM de 32 MB și un BIOS Flash pe 8-biți de 512 kB, modulele inclu deau un bus ISA și PCI, acesta din urmă era descris ca fiind modern. Hard disk-urile IDE și unitățile de dischetă erau încă mediile de stocare obișnuite ale vremii. Erau dispo nibile, de asemenea, o imprimantă para lelă LPT și două interfețe seriale, pe lângă un mouse PS/2 și o tastatură PC/AT. Din cauza numeroaselor interfețe paralele, mai era loc pentru doar câteva interfețe I/O, până când conectorul DIMM-PC cu 144 de pini a fost utilizat în totalitate.

Conectorul folosit la acea vreme – nomen est omen – era cel care fusese specificat în 1999 pentru modulele de memorie SODIMM. Neavând spațiu liber, grafica trebuia executată printr-un conector suplimentar. (n.red.: Expresia latină “nomen est omen”este o locuțiune de notorietate a cărei traducere literală (cuvânt cu cuvânt) ar fi: “numele este un destin”) – dexonline)

Calculatoarele pe modul se lansează începând cu anul 2000 În anii care au urmat, COM-urile s-au impus ca fiind cel mai important principiu de pro iectare pentru sistemele embedded. Acest lucru este valabil în special pentru clasa de performanță de mijloc și de vârf a module lor ETX, COM Express, COM-HPC și a mo dulelor de mărimea unui card de credit. Studii precum cele realizate de IHS Markit au constatat că, în 2020, calculatoarele pe modul reprezentau aproximativ 38% din vânzările totale de plăci, module și sisteme de calcul embedded. Unul dintre principa lele argumente pentru utilizarea modulelor a fost acela că nu era nevoie să găzduiască toate funcțiile pe o placă monolitică, pentru a amortiza ciclurile rapide de inovare ale unităților centrale de procesare.

La acea vreme, Intel și AMD aduceau pe piață noi procesoare la fiecare 6 luni. Prin urmare, modulele erau esențiale pentru in dustrie ca să asigure longevitatea necesară proiectelor, deoarece nu se știa sigur cât timp vor mai fi disponibile procesoarele mai vechi. Desigur, această scalabilitate a făcut posibilă crearea de versiuni, care diferă între ele din punct de vedere al performanței.

De la μQseven la COM-HPC, numărul de pini și dimensiunile sunt în creștere. Cu toate acestea, toți factorii de formă prezentați au aproximativ dimensiunea unui card de credit (85,6×53,98 mm).

Electronica • Azi nr. 9 (269)/2022 20 ⮞
© SAMS Network
©
Extrem de atractiv: Lansat în anul 2000, DIMM PC “Little Donkey” a fost primul modul care a integrat grafică și a fost considerat la vremea respectivă drept cel mai mic IPC din lume
congatec

Argumentul reducerii complexității proiec tării plăcii I/O este, de asemenea, foarte im portant. De regulă, plăcile I/O necesită semnificativ mai puține ‘layere’ (straturi), fapt care scade costul de proiectare a PCB-ului. Reducerea consumului de putere și a căl durii reziduale cu fiecare nou modul a jucat, de asemenea, un rol important. În plus, uti lizatorii au dorit întotdeauna să aibă acces la cele mai recente procesoare – o cerere care a rămas neschimbată până în prezent. Acest lucru este, de asemenea, ușor de rea lizat cu ajutorul modulelor.

JUMPtec a elaborat o specificație la acea vreme și, practic, a făcut munca de pionierat necesară dezvoltării business-ului cu module la nivel mondial. Cu succes, dacă ne uităm la evoluțiile ulterioare până acum. Un argu ment valabil pentru module a fost oferit și de factorul de formă SBC PC/104, care nu oferea suficient spațiu pentru conectori atunci când erau montați pe aceeași parte cu procesorul și chipset-ul. Dar când solici tările clienților pentru mai multă conectivi tate s-au făcut auzite, conectorii au fost montați (la comandă) și pe partea opusă a

carcasă prin intermediul unei plăci purtă toare (carrier board) specifice aplicației, fără niciun cablu. Aceste argumente sunt vala bile pentru toate standardele de module, indiferent de clasa de performanță și, prin urmare și pentru modulele de dimensiunea unui card de credit.

Luptă dură pentru cel mai bun concept de modul

Factorul de formă DIMM-PC pentru aceste module de dimensiunea unui card de credit bazate pe ISA/PCI nu a avut un succes rapid.

Modulele rezolvă problema aglomerării de cabluri

Primele module au apărut pe piață într-un moment în care tehnologia x86 era încă la început. La acea vreme, x86 și Windows nu erau deja consacrate în industrie și încă se luptau cu “ecranul albastru” (n.red.: indicația unei erori critice de sistem). În acest sens, modulele arătau mai degrabă ca niște pro duse-pirat ale unei industrii nou apărute în loc să reprezinte începutul unui nou ciclu de viață al unei generații întregi și consa crate de module standard.

PCB-ului pentru a face posibilă conectarea și mai multor periferice. Principiul de proiec tare PC/104 din acea vreme a însemnat, tot odată, că I/O-urile trebuiau să fie direcționate către carcasă cu ajutorul unor cabluri. Aglomerația de cabluri rezultată a dus la o mai mare expunere la erori de sistem, ceea ce a însemnat că o cablare curată și ordo nată caracteriza la acea vreme o proiectare bună a sistemului. Un argument important pentru conceptul de modul a fost, așadar, acela de a limita dezordinea cauzată de cabluri prin conectarea I/O-urilor externe la

Și asta nu din cauză că ar fi existat foarte multe alternative, așa cum s-a întâmplat în gama de performanță medie și înaltă, unde mai multe concepte de module au concurat o vreme, până când ETX s-a impus, în cele din urmă. Provocarea cu modulele de mărimea unui card de credit a fost mai curând legată de dimensiunile acestora, care nu mai erau potrivite pentru noile procesoare și chipseturi x86. Pentium M, introdus în 2003 – o revoluție pentru piața embedded de la acea vreme – pur și simplu nu încăpea pe un asemenea modul.

21 www.electronica-azi.ro
|
eră pentru computerele embedded ⮞
ANALIZĂ
COM-HPC Mini - o nouă
© congatec O comparație directă între COM-HPC Mini și COM Express Mini împreună cu COM-HPC Size A, care este mai mare.
Primele prototipuri de module COM-HPC Mini bazate pe procesoare Intel Atom și plăcile purtătoare corespunzătoare sunt deja în curs de dezvoltare.
©congatec

SISTEME EMBEDDED

COM-HPC Mini

Din acest motiv, doar procesoarele cu consum mic de putere puteau fi folosite pe PC-urile DIMM, cum ar fi 568 ZFx86 de la ZF Micro Devices, cu o viteză de ceas, de 128 MHz, sau STPC Elite de la STMicroelectronics.

COM Express Mini

Odată cu adoptarea pe scară largă a busului PCI Express și cu încetarea suportului ISA, a fost nevoie de o nouă specificație pentru module: COM Express. Adoptat ofi cial de către comitetul de standardizare PICMG în 2005, procesul de standardizare a durat un an și jumătate de la prima prezen tare a conceptului, în colaborare cu Intel, în toamna anului 2003. De la Rev. 2.0 din 2010 până la actuala Rev. 3.0, specificația COM Express a fost dezvoltată continuu sub con ducerea editorului de proiecte Christian Eder, care a lucrat inițial pentru Mühlbauer la JUMPtec, mai târziu la Kontron, iar acum la congatec. Pe lângă formatele de mare succes COM Express Basic (125×95 mm) și COM Express Compact (95×95 mm), a mai fost specificat și factorul de formă COM Express Mini (84×55 mm) pentru modulele de tip card de credit.

Modulele COM Express Mini au luat avânt odată cu lansarea primelor procesoare Intel Atom în 2008, acestea fiind primele care ofereau un controler de sistem “all-in-one”, cu alte cuvinte, combinau puntea de nord (North Bridge) cu cea de sud (South Bridge). Prin urmare, acestea se potrivesc perfect pe COM Express Mini și chiar și astăzi – la 17 ani de la lansarea PICMG – sunt procesoarele dominante pentru această dimensiune, deși există și furnizori de module cu procesoare AMD Ryzen sau chiar cu procesoare Intel Core din generația a 8-a. Portofoliul de module disponibile astăzi la congatec, de exemplu, variază de la a treia generație Intel Atom, trecând prin a patra și a cincea, până la actua lele procesoare Intel Atom x6000E Series, precum și la procesoarele Intel Celeron și Pentium N & J (nume de cod Elkhart Lake).

SMARC devansează COM Express Mini În plus față de COM Express Mini, au mai fost elaborate două specificații suplimentare: SMARC (82×50 mm) și μQseven (70×40 mm).

Acestea sunt acum găzduite ca standarde independente de furnizori de către cel de-al doilea organism de standardizare pentru

SMARC și μQseven, pe de altă parte, au ne voie doar de un conector ‘edge card’. Am bele standarde folosesc conectorul dezvoltat pentru plăcile grafice MXM, care este utilizat în notebook-uri. Într-un fel, principiul de pro iectare DIMM-PC de a prelua standardele de conectare din sectorul IT este valabil și aici.

SMARC, cu cei 314 pini ai săi, a avut cel mai mare succes în ceea ce privește formatul de tip card de credit. În comparație, μQseven are doar 230 de pini. Numărul de pini ar putea fi un motiv pentru care SMARC do mină piața modulelor de tip card de credit, depășind COM Express Mini, chiar dacă, per ansamblu, COM Express este factorul de formă dominant, cu toate dimensiunile și pinout-urile sale diferite pentru modulele client și server. De asemenea, SMARC de servește cu siguranță o gamă mai largă de procesoare decât COM Express Mini. În ceea ce privește tehnologia procesoarelor Intel și AMD, este imposibil, să se conclu zioneze pe baza statisticilor disponibile, care standard este, în cele din urmă, domi nant. Realitatea este, totuși, că SMARC oferă cu 43% mai mulți pini decât COM Express Mini și cu 37% mai mulți decât μQseven. Cu toate acestea, μQseven nu este în declin. Dimpotrivă: Se preconizează că fratele său mai mare, Qseven, va înregistra cea mai mare creștere între 2022 și 2026, ceea ce se va transfera cu siguranță asupra μQseven. În mod evident, segmentul ‘low-end’ cu mai puține funcții prosperă și el datorită tendinței IoT.

Pentru prima dată, exista o specificație pen tru toate dimensiunile curente. Acest eco sistem unitar a încurajat principalii furnizori de sisteme de automatizare din întreaga lume să își bazeze proiectele de PC-uri și controlere compacte pe șină DIN, unde spațiul este foarte limitat pe această spe cificație, deoarece le permitea să utilizeze același standard pentru toate soluțiile din portofoliul lor – cu avantaje suplimentare, precum ghiduri de proiectare și compo nente standardizate.

tehnologia computerelor embedded, care a fost înființat în 2012. Un factor declanșator pentru dezvoltarea acestor specificații a fost dorința de a integra și procesoarele ARM, care deveneau din ce în ce mai populare alături de tehnologia x86. Acest lucru, însă, nu a fost posibil în cazul COM Express Mini.

Un al doilea motiv a fost dorința de a reduce costurile. În cazul COM Express, atât placa purtătoare (carrier), cât și modulul în sine trebuie să includă un conector.

Singura constantă este schimbarea La fel ca și în alte domenii, progresul teh nologic în lumea modulelor este continuu, motiv pentru care a sosit timpul să se lan seze cea de-a treia generație de computere pe modul de mărimea unui card de credit. Prezentată la embedded world 2022, noua specificație COM-HPC Mini are rolul de a permite aplicații noi și compacte, care nece sită niveluri de performanță mai ridicate decât cele pe care le suportă actualul COM Express Mini. Grupul de lucru PICMG pen tru COM-HPC a fost oarecum reticent în a dezvolta aceste noi standarde pentru acest factor de formă, deoarece toată atenția era concentrată pe noile module server și client de vârf. Iar, odată cu lansarea COM-HPC, utilizatorii COM Express Mini au început să se întrebe dacă nu cumva ar putea exista o nouă generație de module și pentru ei. Întrebările nu vin însă numai din partea uti lizatorilor COM Express Mini, ci și din partea grupului COM Express Compact – tocmai pentru că miniaturizarea sistemelor exis tente poate fi implementată în acest mod.

Electronica • Azi nr. 9 (269)/2022 22 ⮞
© congatec Ecosistemul COM-HPC descrie în ansamblu cea de-a treia generație a tuturor computerelor pe modul și oferă vârful de gamă actual al fiecărui factor de formă, pentru care nu există în prezent alternative în alte standarde.

Ce oferă COM-HPC Mini?

COM-HPC Mini va oferi multe interfețe pe care COM Express nu le poate acoperi, cum ar fi USB 3.2 cu 20 Gbiți/s, USB 4.0 cu 40 Gbiți/s, PCIe Gen4/5 cu până la 16 benzi, NVMe și multe altele. Noul conector este esențial pentru această nouă specificație. Conecto rul COM Express actual este limitat la PCIe Gen 3.0 cu o frecvență de ceas de 5,0 GHz și 8 Gbiți/s. Noul conector suportă rate de transfer de peste 32 Gbiți/s, suficient pentru a susține PCIe Gen 5.0 sau chiar Gen 6.0.

În plus, noile generații de procesoare pentru aplicații de calcul periferic (edge computing) au nevoie de mai multe interfețe decât până acum. COM-HPC Mini va aborda acest aspect prin furnizarea a 400 de pini pentru placa ‘carrier’ – ceea ce reprezintă cu 81% mai mult decât COM Express Mini. Comparativ cu SMARC, este totuși o creștere de 27%.

În comparație cu COM Express Basic sau Compact, care oferă ambele 440 de pini, este disponibilă 90% din capacitatea modu lelor client Type 6 cu drepturi depline sau a modulelor server ‘headless edge’ (Type 7). Oricine nu are nevoie de întreaga capaci tate de 100% poate, în consecință, să aleagă o altă soluție.

Dezvoltatorii de proiecte de sisteme bazate pe oricare dintre acești factori de formă existenți se confruntă acum cu decizia de a trece la noul factor de formă COM-HPC Mini pentru următoarea generație a sistemelor lor. Cu toate acestea, COM-HPC Mini nu tre buie înțeles ca un înlocuitor pentru COM Express Mini sau SMARC. Și așa cum COM Express nu a înlocuit ETX, nici COM-HPC nu va înlocui COM Express. Este o practică uzuală să continuăm să susținem proiectele existente pentru o perioadă lungă de timp.

Chiar și în prezent, mai există module ETX/XTX pe care clienții le pot implementa pe baza principiilor de proiectare de la acea vreme. În acest sens, noul standard pentru modulul COM-HPC Mini dovedește, de asemenea, că ideile de bază care se aplicau atunci sunt valabile și astăzi – doar că la un alt nivel de performanță. Desigur, sarcinile implicate în proiectarea noilor procesoare au devenit, între timp, mult mai complexe. De aceea, astăzi, este mult mai logic să de cuplezi I/O-urile de modulul de procesor prin utilizarea unei plăci purtătoare (carrier) specifice aplicației, în loc să integrezi toate componentele pe o singură placă PCB.

ETX,

COM Express și COM-HPC

Pe lângă piața computerelor pe modul de mărimea unui card de credit, există și o piață pentru modulele de calculatoare cu performanțe medii și înalte. ETX și COM Express sunt doi factori de formă ‘Computer-on-Module’ care au fost definiți de organisme de standardizare independente pentru acest sector, impunându-se și oferind tot mai multe performanțe la niveluri semnificativ mai ridicate pe măsura progresului tehnologic.

Cu COM-HPC, o a treia generație a fost lansată în 2019 pentru a răspunde celor mai înalte cerințe de performanță ale dispozitivelor, mașinilor și sistemelor cu conectivitate în bandă largă și 5G. Ca și COM Express, aceasta oferă atât module server, cât și module client. Modulele de dimensiunea unui card de credit completează oferta ambelor specificații.

Istoria standardelor ETX, COM Express și COM-HPC de medie și înaltă performanță a fost descris în detaliu în revista “Electronica Azi” nr. 3 din luna Aprilie 2021 (https://issuu.com/esp2000/docs/electronica_azi_nr_3_aprilie-2021_digital).

Acest articol poate fi, de asemenea, citit online aici: https://www.electronica-azi.ro/ 2021/04/11/al-treilea-ciclu-de-performanta-pentru-modulele-com/.

Când vor fi disponibile modulele COM-HPC Mini? Departamentele de dezvoltare ale unor companii precum congatec lucrează deja la turație maximă pentru a defini detaliile specificației în cadrul grupului de lucru PICMG. De asemenea, acestea analizează cu atenție primele concepte de proiectare COM-HPC Mini bazate pe cea mai recentă tehnologie de procesor, pe care producă torii de semiconductori, cum ar fi Intel, le îm părtășesc cu ei prin intermediul programelor de acces timpuriu. Primele module COMHPC Mini de la congatec ar putea fi prezen tate chiar în prima jumătate a anului 2023. Așadar, acum este momentul să evaluați COM-HPC Mini atunci când inițiați noi proiecte. Apropo, nu este nevoie ca dezvoltatorii să se îngrijoreze dacă nu cumva ar putea exista și o nouă generație de SMARC în pregătire. Nu există, în prezent, niciun conector ‘edge card’ care să ofere, de asemenea, 400 de pini și debitul care vine cu ei. Teoretic, standardul OSM ar putea fi o alternativă; dar, întrucât acesta specifică module care pot fi lipite, este greu de comparat cu modulele care se pot introduce în socluri. OSM Size-M (mediu) oferă 476 de pini pe 30×45 mm, în timp ce Size-L (mare) măsoară 45×45 mm și sur prinde cu 662 de pini BGA.

Cu toate acestea, procesoarele de înaltă performanță sunt prea mari pentru acest format, așa că va mai trece ceva timp până când astfel de soluții vor fi pregătite pentru clasa de procesoare Intel Atom.

În concluzie, nu există, practic, nicio moda litate de a ocoli COM-HPC Mini. Pentru dez voltatori, acest lucru înseamnă, mai presus de toate, cea mai mare siguranță posibilă în proiectare.

■ congatec www.congatec.com

23 www.electronica-azi.ro
ANALIZĂ | COM-HPC Mini - o nouă eră pentru computerele embedded

O varietate cuprinzătoare

Automatizare și control la Digi-Key

Problemele actuale legate de lanțul de apro vizionare afectează pe toată lumea și, chiar dacă produsele de automatizare, în mod cert, nu sunt ferite de astfel de provocări, acestea nu cuprind la fel de multe compo nente precum cele ale unor produse de consum.

Așadar, în timp ce termenele de livrare pen tru produsele de automatizare s-au prelungit un pic și poate fi mai dificil pentru ingineri să obțină volumul pe care îl primeau anterior, situația nu a ajuns la punctul în care acestea să fie alocate, ca în cazul altor mărfuri și materii prime. În calitate de distribuitor, Digi-Key are noro cul de a putea oferi multe mărci și produse diferite – unele care se completează reci proc, iar altele care pot concura între ele – în așa fel încât clientul final să găsească exact ceea ce își dorește pentru proiectul sau linia sa de producție. Unii clienți pot proiecta pro duse de automatizare bazate în întregime pe o anumită platformă a unei mărci, în timp ce alții pot folosi mai multe branduri diferite pentru lucruri diferite. Apoi, mai sunt produ sele auxiliare, dar necesare, cum ar fi cabluri, tubulatură pentru cabluri, elemente de interconectare și altele. Achiziționarea de la un distribuitor vă oferă posibilitatea de a comanda totul în același coș. Lucrăm îndeaproape cu partenerii noștri furnizori pentru a le oferi cât mai multă vizi bilitate cu putință în ceea ce privește pro dusele care au cea mai mare cerere, iar în unele cazuri, plasăm deja comenzi până la sfârșitul anului 2023 pentru a ne asigura că stocul nostru este alimentat corespunzător. Cererea este mare în toate industriile și pe verticală, inclusiv în domeniul automatizării

și al controlului, astfel încât timpii de exe cuție sunt extinși pentru toate categoriile de produse. În timp ce menținerea stocuri lor este încă o provocare, nivelul stocurilor noastre crește de la o lună la alta. În ultimele două trimestre, am primit cel mai mare număr de produse per trimestru din întreaga istorie a companiei.

Sfaturi pentru ingineri Încurajăm inginerii să creeze proiecte cu componente care pot fi obținute de la mai mulți furnizori. Bineînțeles, nu pot face acest lucru pentru fiecare componentă, dar există adesea soluții pentru a reconfigura un pro iect prin utilizarea unor componente care provin de la furnizori diferiți. Dispunând de o listă de componente de la producători diferiți, se creează o anumită asigurare în cazul în care stocul nu este disponibil. Scopul nostru este de a face cât mai ușor po sibil pentru clienți să găsească soluții al ternative care se potrivesc nevoilor lor. Atunci când un client încearcă să comande una dintre componentele de pe site-ul nos tru, care nu se află în stoc, Digi-Key prezintă automat alternative potențiale din baza sa de date, de aproape 60 de milioane de referințe încrucișate de coduri de compo nente de producător.

Unul dintre numeroasele beneficii ale colaborării cu Digi-Key este acela că dis punem de asocieri complexe de repere pe site-ul nostru web – ceea ce înseamnă că, dacă sunteți în căutarea unui anumit sen zor, de exemplu, puteți găsi cu ușurință cablul și colierul care îl însoțesc. Dorim să facem cât mai ușor posibil să obțineți tot ce aveți nevoie pentru un anumit proiect.

În august 2022, Digi-Key Electronics a tăiat panglica la inaugurarea noului său centru de distribuție a produselor (PDCe) cu o suprafață de 204.400 m², situat în Thief River Falls, Minnesota, USA.

Ne extindem instrumentele de configurare și de selectare a componentelor pentru a face procesul de specificare și mai ușor. De asemenea, echipele noastre de vânzări și de asistență tehnică răspund la numeroase solicitări ale clienților pentru a-i ajuta pe ingineri să găsească referințe încrucișate ale componentelor pentru a le înlocui pe cele din proiectele lor care nu mai sunt în stoc sau pentru a califica mai multe opțiuni în proiectele lor.

În unele cazuri, vedem ingineri care își reproiectează produsele finale pentru a uti liza componente pe care le avem în stoc; sau încep proiectarea căutând pe site-ul nostru web produse aflate în stoc cu scopul de a crea un proiect în funcție de stocurile disponibile. Digi-Key este cunoscută pentru gama sa largă de produse, cu milioane de produse în stoc și gata pentru a fi expediate imediat, ceea ce înseamnă că nu există ter mene de livrare pentru produsele aflate în stoc. De asemenea, avem o platformă web – marketplace – care permite furnizorilor cu produse speciale să vândă online prin inter mediul site-ului nostru. Având o varietate atât de mare de produse în stoc, ne permite să expediem aproape 99% din totalul co menzilor în ziua în care au fost plasate.

Automatizarea în cadrul Digi-Key În ceea ce privește serviciile oferite clienților, Digi-Key se distinge prin sistemele sale automatizate, special proiectate pentru a se asigura că produsele comandate de clienții săi sunt livrate în aceeași zi. Digi-Key a dez voltat multe sisteme brevetate pentru a-i ajuta pe clienți să primească de fiecare dată componenta dorită în cantitatea potrivită.

Autor:
© Digi-Key Electronics
Electronica • Azi nr. 9 (269)/2022 24

În luna august, Digi-Key a deschis porțile noului centru de distribuție a produselor (PDCe – Product Distribution Center expansion), care are o suprafață de 204.400 de metri pătrați. Această extindere mărește considerabil spațiul disponibil pentru depozitarea produselor existente și a celor noi. În plus, gradul sporit de automatizare din cadrul PDCe va reduce timpii de procesare și va impulsiona onorarea comenzilor către clienți în aceeași zi. Cea mai importantă componentă a noului nostru sistem au tomatizat este KNAPP Order, Storage and Retrieval (OSR), care furnizează de fiecare dată piesele potrivite operatorului, eliminând timpul de mers pe jos și oferind un mediu ergo nomic adecvat pentru persoana care face selecția. 98% din toate operațiile de preluare provin din sistemul KNAPP OSR pentru a minimiza erorile și pentru a îmbunătăți considerabil eficiența și volumul comenzilor din unitatea din Thief River Falls, astfel încât clienții să fie siguri că vor primi de fiecare dată componentele comandate. Acest nivel ridicat de automatizare îmbunătățește eficiența cu până la 35% pentru preluare și crește considerabil calitatea și procesului de ambalare. PDCe dispune, de asemenea, de două sisteme principale de sortare pentru a asigura redun danță în cazul unei defecțiuni și pentru a oferi oportunități de creștere în viitor. Crearea unui mediu de lucru prietenos pentru echipă și, în același timp, planificarea scalabilității și a creșterii au fost prioritare în planurile și proiectarea noii clădiri. În prezent, există zone ale clădirii lăsate libere, exis tând, însă, planuri de extindere viitoare.

Există peste 43 de kilometri de bandă transportoare automată în noul centru de distribuție (PDCe) al Digi-Key, unde, o comandă obișnuită va parcurge mai mult de 975 de metri în interiorul clădirii.

Privind spre viitor Piața automatizărilor și a controlului este în plină expan siune și va continua să crească și să se îndrepte în direcții foarte interesante. Digi-Key este pregătită să contribuie la impulsionarea inovarii tehnologice până în 2023 și dincolo de această dată, cu resurse tehnice detaliate și funcții de căutare robuste pentru a-i ajuta pe clienți să găsească exact produsele de care au nevoie pentru a-și duce pro iectele la nivelul următor.

■ Digi-Key Electronics www.digikey.ro

COMPANII www.electronica-azi.ro 25

Cum să îmbunătățiți durata de viață a bateriei

În calitate de consumatori, atunci când ne gândim să cumpărăm un dispozitiv alimen tat de la baterie, unul dintre parametrii cheie pe care îl verificăm de obicei este du rata de viață a acesteia la o singură încărcare. Durata de viață a bateriei a deve nit un punct de vânzare cheie pentru multe dispozitive purtabile, dar este, de aseme nea, un aspect important pentru numărul tot mai mare de senzori IoT industriali și alte aplicații similare. Prelungirea duratei de viață a bateriei nu înseamnă pur și simplu utilizarea unei baterii mai mari; dimensi unile fizice și factorii de formă au limitări practice și stilistice. Inginerii care dezvoltă aplicații embedded trebuie să cerceteze în detaliu profilul de consum energetic al aplicației lor pentru a înțelege pe deplin cerințele de putere ale acesteia în timp real și factorii care afectează acest lucru.

Lumea noastră alimentată de baterii Să considerăm că înlocuirea ocazională a bateriei unui termostat wireless sau a unui senzor de securitate folosit în casa noastră este un inconvenient minor.

Durează doar câteva minute și costă foarte puțin. În cele mai multe cazuri, dispozitivul ne avertizează prin intermediul unei aplicații inteligente că bateria trebuie înlocuită. În cazul dispozitivelor care ne protejează, o alarmă de fum, de exemplu, notificările acesteia ne ajută să menținem funcționarea senzorului și să prevenim situațiile periculoase.

Dar gândiți-vă la situația în care trebuie să înlocuiți bateriile a sute de senzori industriali amplasați în diverse locații îndepărtate. Deși sarcina de înlocuire a bateriei durează doar câteva minute, deplasarea la fiecare locație, găsirea tuturor senzorilor poate deveni o sarcină “full-time” destul de scumpă. O astfel de provocare ‘truck roll’, așa cum este cunoscută, a devenit un aspect ascuns și costisitor al oricărei implementări IIoT. Pentru a micșora efortul de schimbare frecventă a bateriilor, producătorii de dis pozitive alimentate de la baterii trebuie să cunoască modul în care produsul lor consumă energie în timpul funcționării. Cu aceste informații, se poate afla o indicație a duratei probabile de viață a bateriei.

Această abordare este, de asemenea, un prim pas esențial pentru înlocuirea bateriei cu o sursă de energie alternativă.

Un exemplu este punerea în aplicare a tehnicilor de recoltare a energiei pentru a stoca energie într-un supercapacitor. Prin tre sursele potențiale de energie se numără vibrațiile, energia solară și căldura. O exa minare aprofundată a profilului de consum de putere și a ciclului de funcționare a dis pozitivului va determina dacă se poate re colta și stoca suficientă energie pentru a permite o funcționare normală.

Arhitectura unui senzor tipic alimentat de la o baterie Figura 1 ilustrează arhitectura funcțională a unui exemplu de senzor de temperatură și umiditate conectat fără fir, alimentat de la o baterie. Arhitectura este tipică pentru multe dispozitive IoT/IIoT utilizate pentru a măsura și raporta diverși parametri de mediu.

Funcționarea senzorului implică secvenți erea microcontrolerului prin următorii pași:

Electronica • Azi nr. 9 (269)/2022 26
Articolul evidențiază analiza profilului consumului de putere al unui senzor IIoT și pașii concreți pe care inginerii îi pot face pentru a contribui la reducerea acestuia.
Autor:
INSTRUMENTE DE LABORATOR Arhitectura funcțională simplificată a unui senzor IoT/IIoT tipic. Figura 1 © Mouser Microcontrolerul wireless SiP, înalt integrat, cu transceiver RF – nRF9160 – de la Nordic Semiconductor.
© Nordic Semiconductor
În cazul unui sistem embedded
Figura 2

• Trezirea din somn

• Solicitarea citirilor de temperatură și umiditate de la elementele senzoriale

• Împachetarea datelor senzorilor într-un format de protocol de mesagerie

• Transmițătorul wireless care inițiază o legătură cu un punct de acces wireless

• Transferul datelor către sistemul gazdă

• Punerea întregului dispozitiv în stare de veghe

Stabilizarea și conversia sursei de alimen tare a bateriei se realizează cu ajutorul unui circuit integrat de management a puterii (PMIC), iar circuitele suplimentare asigură măsurarea tensiunii și a curentului. Aceste date pot fi “împachetate” împreună cu datele senzorilor de la aplicația gazdă.

Tabelul 1 ilustrează consumul tipic de curent al microcontrolerului în diferite stări, cu valori cuprinse între 0,1 μA și 600 μA. Transceiverul wireless este controlat inde pendent, oferind posibilitatea de a gestiona profilul său de consum. De exemplu, firm ware-ul încorporat poate asigura activarea transceiver-ului wireless numai atunci când este necesar. Unele dintre perifericele mi crocontrolerului pot fi plasate în modul de veghe în timpul acestei operațiuni, redu când astfel profilul general de consum.

Provocări și resurse pentru măsurarea consumului de putere Estimarea duratei de viață a bateriei unui senzor necesită o analiză atentă a consumu lui de curent al dispozitivului.

Cu toate acestea, măsurarea precisă a cu rentului într-o gamă dinamică atât de mare este complexă și depășește domeniul de aplicare al unui multimetru digital (DMM), tipic, de laborator.

Microcontrolerele wireless de tip sistem-pecip (SoC) puternic integrate încorporează, de obicei, majoritatea funcțiilor evidențiate în figura 1. Un exemplu este circuitul SiP (System-in-Package) nRF9160 de la Nordic Semiconductor – figura 2.

Doar senzorii și componentele asociate de condiționare a semnalului sunt necesare pentru a finaliza un proiect. Fișa tehnică a dispozitivului evidențiază parametrii indi viduali de consum de putere ai microcon trolerului și ai tansmițătorului wireless în diferite moduri de veghe.

Semiconductor

Odată ce a fost stabilit un punct de referință pentru consumul mediu, echipa de dezvol tare poate încerca diverse metode pentru a îmbunătăți durata de viață preconizată a bateriei. Tehnicile pot implica:

• Secvențierea atentă a microcontrolerului și a transmițătorului wireless.

• Dezactivarea perifericelor atunci când nu sunt necesare.

• Modificarea ciclului de funcționare a dispozitivului.

• Experimentarea diferitelor moduri de veghe.

• Încetinirea ceasului microcontrolerului atunci când nu se procesează date.

În general, curentul este calculat cu ajutorul legii lui Ohm prin măsurarea căderii de ten siune pe un rezistor de șunt. Căderea de ten siune pe rezistorul de șunt (burden voltage) reduce tensiunea furnizată pe sarcină. Pen tru măsurători perceptibile și precise ale unor valori mici de curent (de ordinul μA), această cădere de tensiune trebuie să fie suficient de mare pentru ca multimetrul digital (DMM) să o poată măsura, dar să nu reducă alimentarea în așa măsură încât să provoace un comportament neregulat al dispozitivului supus testării (DUT – Device Under Test). Acest lucru este complicat și mai mult de natura dinamică a funcționării DUT, care trece instantaneu de la valori mici, de ordinul μA, la valori mA. Având în vedere că liniile de alimentare ale unui SoC tipic sunt de 1,8V sau 3,3V, schimbarea dinamică a căderii de tensiune pe rezistorul de șunt ar determina reporniri de tip ‘brown-out’) ale dispozitivului supus testării (DUT) în timpul operării. Unele DMM-uri de precizie sunt disponibile pentru a răspunde acestei cerințe specifice. Totuși, asemenea dispozitive costisitoare utilizează relee de comutare pentru a schimba valorile rezistorului de șunt în tim pul operării, dar timpul implicat, chiar și în cazul switch-urilor ‘solid-state’, duce la o pier dere de detalii și precizie a măsurătorilor. Pentru a rezolva provocarea legată de măsurarea domeniului dinamic ridicat al curentului, producătorii au dezvoltat in strumente de profilare a puterii pentru a măsura și înregistra cu acuratețe consumul în timp real. Printre exemple se numără Power Profiler Kit 2 (PPK) de la Nordic și Otti Arc de la Qoitech.

Power Profiler 2

Capabilitățile de măsurare ale kitului Power Profiler 2 de la Nordic Semiconductor, ali mentat prin USB, variază de la 200nA la 1A, cu o rezoluție dependentă de domeniu între 100nA și 1mA. Acesta poate opera în mod sursă, în care furnizează tensiunea DUT, sau în mod ampermetru, în care măsoară pur și simplu curentul. PPK oferă o ieșire configurabilă prin software de la 0,8Vcc la 5V, până la un maxim de 1A. Capacitatea de măsurare a curentului în timp real este de 100 kS/s, dispozitivul co mutând automat între cinci intervale de măsurare a curentului pentru a menține rezoluția optimă. ⮞

27 ANALIZĂ | Profilul
IIoT
consumului de putere al unui dispozitiv
Power Profiler 2 de la Nordic Semiconductor. Figura 3 © Nordic Consumul de curent al microcontrolerului nRF9160 de la Nordic Semiconductor în diferite moduri de veghe. Tabelul 1
www.electronica-azi.ro
© Nordic Semiconductor

Aplicația Power Profiler pentru PC de la Nor dic se conectează la PPK și asigură interfața pentru configurarea PPK și înregistrarea datelor de măsurare. Figura 4 ilustrează un exemplu de captură de ecran în timp real. Reducerea rezoluției de eșantionare de la 100 kS/s la 1 S/s extinde perioada maximă de înregistrare de la 7 minute la 500 de zile.

Ultima variantă oferă o metodă de emulare și profilare a diferitelor baterii și scenarii de aplicații până la un maxim de 2,5 A. Rata de eșantionare a dispozitivului este de 4 kS/s.

Acesta poate fi alimentat de la portul USB al computerului gazdă sau de la o sursă de alimentare externă.

Software-ul Otti Arc include toate caracte risticile necesare pentru a configura diver sele opțiuni de măsurare a curentului și pentru a înregistra consumul de curent al DUT. Figura 6 ilustrează un exemplu de captură de ecran. Linia de timp permite creșterea granularității citirilor de curent, iar valoarea medie a profilului de curent este afișată în partea de sus a ecranului. Pe panoul frontal sunt disponibili pini GPIO pentru a urmări stările logice și a controla funcționarea DUT în scopul analizei.

Profilarea energetică a proiectului vostru Pentru a maximiza durata de viață a bateriei, trebuie să înțelegeți pe deplin profilul con sumului de putere al dispozitivului vostru. Curentul mediu consumat de acesta ajută la estimarea duratei de viață a bateriei, dar vâr furile influențează puternic media în timpul operării obișnuite. Înainte de a putea începe să optimizați firmware-ul dispozitivului, tre buie să stabiliți un profil al consumului de curent prin cicluri complete de comporta ment al dispozitivului. Cele două dispozitive evidențiate în acest articol pot măsura cu precizie valori de curent extrem de scăzute, caracterizate de o gamă dinamică ridicată.

PPK2 dispune, de asemenea, de un set de pini GPIO pentru conectarea la DUT cu scopul de a secvenția funcțiile de control sau la un analizor logic pentru a sincroniza măsurătorile de curent în pas cu codul aplicației DUT.

Qoitech Otti

Qoitech Otti Arc, (vedeți figura 5) este un analizor de putere compact, portabil și ver satil, capabil să măsoare opt ordine de mărime, cu o rezoluție de la 50nA în sus, de la zeci de nanoamperi la 5A.

Otti Arc poate fi configurat ca sursă constantă de tensiune sau de curent și ca absorbant de curent (current sink)

Software-ul Otti Arc (pentru aplicații desktop) este disponibil pentru Ubuntu Linux, Microsoft Windows și Apple macOS. Figura 6

Ele pot înregistra și trasa datele măsurate în funcție de o perioadă de timp sincronizată cu firmware-ul dispozitivului. Înarmați cu aceste informații detaliate, dez voltatorul de aplicații embedded și inginerul hardware pot începe să examineze codul pentru a descoperi oportunități de reducere a vârfurilor de curent.

Otti Arc pentru măsurarea cu precizie a curenților de mică intensitate.

Figura 5 ©

■ Mouser Electronics https://ro.mouser.com Distributor autorizat Urmărește-ne pe Twitter

Electronica • Azi nr. 9 (269)/2022 28
INSTRUMENTE
Creșterea duratei de viață a bateriei
DE LABORATOR
O captură de ecran a aplicației Power Profiler care efectuează măsurători de curent în timp real. Figura 4 © Nordic Semiconductor Dispozitivul Qoitech Qoitech
© Qoitech

Farnell livrează acum noile drivere de poartă inteligente de la Toshiba

Gama inovatoare de optocuploare Toshiba pentru aplicații industriale și de energie verde este acum disponibilă pentru livrare rapidă la Farnell. Farnell livrează acum noua serie de optocuploare de la Toshiba. Disponibilă pentru livrare rapidă, noua gamă de optocuploare in clude dispozitivele TLP5212 și TLP5222, care sunt potrivite pentru o gamă largă de aplicații, inclusiv circuite invertoare utilizate în echipamentele de control industrial, surse de putere în sistemele de energie solară și UPS, precum și sisteme de baterii pentru locuințe rezidențiale. Caracteristicile avansate ale noilor dispozi tive permit inginerilor proiectanți să beneficieze de economii spo rite de spațiu și de costuri de sistem. Dispozitivele TLP5212 și TLP5222 includ diverse funcții, inclusiv detecție VCE,(sat) sau VDS,(sat), blocare Miller și o funcție de ieșire de ‘defect’(fault), pe lângă un cuplor de driver de poartă de uz general pentru a proteja IGBT-ul de supracurenții generați în etajul invertorului. Funcția de blocare Miller suprimă creșterea potențialului de poartă și funcționarea defectuoasă a IGBT-ului prin anularea curentului Miller generat atunci când IGBT-ul este pus la masă. TLP5212 necesită un semnal pe partea de intrare pentru a reporni după protecția la oprire, în timp ce TLP5222 repornește automat după un timp specificat. Toată această tehnologie de înaltă performanță este inclusă într-o capsulă SO16L cu 16 pini cu profil redus și o temperatură de funcționare de la - 40 la 110°C. Alte caracteristici cheie ale noilor drivere de poartă inteligente de la Toshiba includ:

TLP5212 este un optocuplor cu ieșire de ±2,5A capabil să co mande IGBT-uri și MOSFET-uri, prote jând în mod fiabil dispozitivele de pu tere împotriva supra curentului și sunt potrivite pentru aplica ții de mare viteză care necesită niveluri ridicate de izolație și de securitate (BVs = 5000Vrms). Capsula SO16L dispune de un ‘creepage’ (distanța pe placă) de 8 mm pentru utilizarea în aplicații cu spațiu limitat.

TLP5222 este un optocuplor înalt inte grat și multifuncțio nal pentru controlul ieșirii de mare viteză și curent ridicat, care asigură un curent de ieșire de ±2,5A. Dis ponibil într-o capsulă SO16L cu ‘creepage‘ și ‘clearance’ mare (distanță pe placă și în aer), acesta include detecție desaturare, feed back stare FAULT, deconectare ‘soft gate’ și blocare Miller activă, blocare sub tensiune (UVLO) și resetare automată a stării FAULT.

■ Farnell | https://ro.farnell.com

Farnell își mărește investițiile cu privire la portofoliul Traco Power

Pentru

a garanta disponibilitatea produselor și securizarea lanțului

de aprovizionare

Farnell și-a mărit investițiile cu privire la Traco Power pentru a asigura disponibilitatea produselor și a depăși provocările legate de lanțul de aprovizionare. Farnell stochează acum cele mai populare game de produse Traco Power, inclusiv convertoare DC/DC de înaltă performanță, surse de alimentare AC/DC și pro duse cu montare pe șină DIN.

Traco Power este un producător de top de surse de alimentare, cu o experiență de peste 35 de ani în proiectarea și fabricarea de produse de conversie a puterii DC/DC și AC/DC de înaltă calitate. Patru noi serii de produse de conversie a puterii sunt acum în stoc și disponibile pentru livrare rapidă de la Farnell, printre care: • Seria TSR-1 de regulatoare coborâtoare în comutație: Dispu nând de un randament foarte ridicat de 96%, seria TSR-1 permite ca funcționarea la sarcină maximă să crească până la o tempe ratură de 60°C fără a necesita un radiator sau o răcire forțată. Alte caracteristici cheie includ o precizie de ieșire îmbunătățită de ±2%, un curent de standby mai mic de 2mA fără a fi nevoie de capacitori externi. Seria oferă o stabilizare excelentă a liniei de tensiune și a sarcinii, o gamă largă de tensiuni de operare la intrare și o garanție a produsului de 3 ani.

Seria TXLN de surse de alimentare AC/DC: Oferind mai multe surse de alimentare AC/DC de înaltă eficiență, cu profil redus și carcasă metalică, seria TXLN dispune de 12 niveluri de putere di ferite, de la 18 la 960W și este ușor de integrat în sistemele finale. Seria include corecție activă a factorului de putere și respectă standardele internaționale de siguranță și EMC.

• Seriile TSP cu montare pe șină DIN pentru surse de alimentare AC/DC: Seria TSP oferă niveluri ridicate de performanță și o func ționare fiabilă în cele mai dificile condiții din fabrică. Construcția rezistentă la șocuri și vibrații este dublată de o imunitate ridicată la perturbații electrice, ceea ce face din seria TSP o soluție ideală pentru sarcinile sensibile din punct de vedere energetic. Acceso riile includ module redundante pentru partajarea completă a cu rentului, module de control al bateriei pentru a configura cele mai fiabile sisteme UPS și module ‘buffer’ pentru protecția împotriva pierderilor de putere AC de scurtă durată.

• Seria TEP 60UIR de convertoare DC/DC de 60 W: Cu o gamă foarte largă de tensiuni de intrare de 12:1, seria TEP 60UIR per mite dispozitivelor să servească drept soluție ‘all-in-one’ pentru o gamă largă de intervale de tensiuni de intrare, eliminând ne voia de surse de tensiune multiple într-un sistem. Caracteristicile cheie includ o eficiență ridicată de până la 91%, o gamă largă de temperaturi de funcționare de la 40°C° la +75°C și o tensiune de izolație I/O de 3000 VAC.

■ Farnell | https://ro.farnell.com

MODULE DE PUTERE 29 www.electronica-azi.ro

Edge IoT

Edge Computing sau Edge IoT este o evoluție recentă pe piața IoT care se bucură de o creștere exponențială în ultimul timp. Acești termeni se referă la o evoluție recentă în domeniul calculului distribuit, prin care computerele, camerele și sis temele de procesare a senzorilor sunt implementate în același spațiu fizic în care mașinile, roboții și oamenii se conectează și interacționează cu lumea digitală.

Edge IoT se implementează atunci când procesul de luare a deciziilor de către mașini trebuie să se desfășoare în timp real și atunci când se înregistrează un volum foarte mare de date generate de senzori la fața locului, care este dificil de trimis către o rețea exter nă (de exemplu, din cauza reglementărilor privind confidențialitatea sau a problemelor de conectivitate). Printre exemplele de apli cații Edge IoT se numără îndeplinirea comen zilor din depozite, sistemele robotizate din fabrici, comerțul cu amănuntul la fața locu lui, sistemele de autocontrol și de monito rizare a siguranței personale, sistemele de divertisment din trenuri și avioane. Analiștii estimează că piața Edge IoT va ajunge la o valoare de până la 155 de miliarde USD până în 2030, iar Gartner preconizează că aproximativ 18 miliarde de dispozitive vor presta servicii Edge IoT până în 2030. Satis facerea nevoilor unui set atât de divers de cazuri de utilizare reprezintă o provocare pentru industria semiconductorilor.

Partenerul de lungă durată al CODICO, QUALCOMM, a fost ocupat în ultimii ani cu dezvoltarea de soluții SoC care combină punctele forte ale tehnologiilor lor în materie de calcul și inteligență artificială, camere foto, conectivitate wireless și audio pentru a dezvolta una dintre cele mai cuprinză toare foi de parcurs de dispozitive SoC pen tru a susține numeroasele aplicații Edge IoT. SoC-urile QUALCOMM pentru IoT sunt ca pabile să echipeze tot felul de dispozitive, de la senzori IoT de joasă putere la căști cu interfață vocală (Voice UI), scannere porta bile, panouri de control, automatizări cu mai multe camere și afișaje, sisteme de semnalizare digitală până la roboți, AGV-uri și drone. Pentru fiecare dintre aceste aplicații este disponibilă o soluție SoC foarte inte grată care să îndeplinească cerințele de con sum de putere, preț și performanță. În acest articol vom examina mai îndeaproa pe foaia de parcurs a SoC-urilor destinate aplicațiilor Edge IoT.

Gama de dispozitive SoC (Connected and Application) de la QUALCOMM oferă o arhi tectură comună, care combină procesarea puternică de calcul și inteligență artificială, împreună cu blocuri hardware dedicate pentru procesarea camerelor, display-urilor, securității și senzorilor. Dispozitivele înalt integrate simplifică gradul de complexitate a proiectării hardware și oferă un factor de formă optimizat. Starea actuală a ofertei de semiconductori pune proiectanții și inginerii în fața unor provocări fără precedent în încercarea de a identifica dispozitive semiconductoare pentru noile lor produse. Foile de parcurs IoT ale QUALCOMM oferă un alt avantaj în această privință. Dispozitivele SoC nu sunt furnizate ca dispozitive de sine stătătoare; un portofoliu de soluții însoțitoare de mana gement al puterii, CODEC-uri audio, ampli ficatoare de putere, soluții de încărcare, localizare și conectivitate wireless sunt dis ponibile de la QUALCOMM pentru a însoți fiecare dintre aceste dispozitive SoC. Procesoarele ‘Application SoC’ de la QUAL COMM sunt clasificate în funcție de perfor manța, capabilitățile și prețul unui SoC. Tabelul de mai jos prezintă cele mai impor tante caracteristici ale fiecărui SoC disponi bil în prezent de la QUALCOMM. Dispozitivele ‘entry level’sunt optimizate pentru a răspunde unei aplicații specifice, de exemplu QCS405 pentru audio wireless sau QCS2290 pentru dispozitive portabile pentru uz industrial și de retail. În timp ce SoC-urile din nivelurile superioare, cum ar fi QCS610, oferă mai multe funcții și performanțe pentru a permite proiectanților să adopte SoC-ul pentru mai multe cazuri de utilizare, cum ar fi camerele pentru comerțul cu amănuntul și securitate, panourile de control industrial și robotica. Sistemele SoC de la QUALCOMM împart o arhitectură comună care permite proiectan ților să construiască o familie de produse Edge IoT pe baza acestor dispozitive fără a mai reinvesti în componente software.

Electronica • Azi nr. 9 (269)/2022 30
IoT/IIoT
Foaia de parcurs a SoC-urilor QUALCOMM răspunde nevoilor diverse ale pieței ‘Edge IoT’
Gama de dispozitive SoC (Connected and Application) de la QUALCOMM
© CODICO

În unele cazuri, sunt oferite dispozitive pincompatibile, precum QCS2290/QCS4290 și QCS410/QCS610, pentru a satisface cerin țele unice ale segmentelor de piață “Smart Connected Camera” și “POS / handheld”.

Durata de viață mai lungă a produselor și intervalele extinse de temperatură sunt alte cerințe ale pieței Edge IoT pe care foaia de parcurs QUALCOMM le poate oferi. De asemenea, pentru clienții care doresc să

reducă efortul de proiectare, riscurile și tim pul de lansare pe piață, este disponibilă o gamă de soluții SoM (System on Module) de la THUNDERCOMM (partenerul QUALCOMM) precum și de la alte companii.

Ne așteptăm ca în anii următori piața Edge IoT să reprezinte o oportunitate majoră pentru clienții noștri.

Vizitați-ne la expoziția ‘electronica 2022’ pentru a verifica dacă unul dintre SoC-urile QUALCOMM sau SoM-urile Thundercomm poate răspunde cerințelor voastre.

Contact: Gabor Lefanti Field Sales Engineer

Matroz Str. 4/b, 1213 Budapest, Hungary +43 1 86305-272

■ CODICO www.codico.com

ANALIZĂ | Proiecte IoT bazate pe SoC-urile QUALCOMM 31 www.electronica-azi.ro Caracteristicile principale ale arhitecturii SoC de la QUALCOMM
© CODICO

Supercondensatoare

Principii și utilizări ale EDLC-urilor

EDLC-urile, cunoscute și sub numele de supercondensatoare sau ultracapacitoare, (sau variantele din limba engleză “supercaps” sau “boost caps”), sunt condensatoare electrochimice, care combină o capacitate mare cu o rezistență internă scăzută. Prin urmare, aceste dispozitive sunt potrivite pentru o gamă largă de aplicații. Dar ce sunt supercondensatoarele și ce trebuie luat în considerare?

Autori: Julio Gállego-López, Business Development Manager, Rutronik

Christian Kasper, Technical Support, Rutronik

Un EDLC (Electronic Double-Layer Capacitor – capacitor electronic cu strat dublu) este format din doi electrozi de aluminiu acoperiți cu carbon (figura 1). Datorită struc turii lor foarte poroase, rezultă o suprafață extrem de mare, care este în primul rând responsabilă pentru capacitatea ridicată. Hârtia separatoare dintre electrozi acționea ză în același timp ca un rezervor pentru elec trolit. Acesta este format în principal din acetonitril (ACN). Este utilizat ca solvent pen tru dizolvarea sărurilor care măresc conduc tivitatea. Atunci când se aplică o tensiune continuă, purtătorii de sarcină se colectează în funcție de polaritate la o distanță extrem de mică de suprafața de carbon. Acest efect, cunoscut sub numele de strat Helmholtz, formează dielectricul. Deoarece se întâmplă atât la electrodul pozitiv, cât și la cel negativ, componentele sunt denumite condensa toare cu strat dublu.

Sisteme de stocare a energiei bazate pe supercondensatoare Trei aplicații sunt relevante pentru supercon densatoare: recoltarea de energie, preluarea vârfurilor de putere și stocarea de energie.

Obiectivul este de a dezvolta un sistem de stocare a energiei bazat exclusiv pe supercon densatoare sau combinat cu o baterie, unde supercondensatorul este utilizat ca depozit secundar pentru a acoperi vârfurile de putere.

Recoltarea de energie În cazul recoltării de energie, sursa primară de energie, de exemplu un panou solar, necesită o metodă de stocare a energiei generate și de recuperare a acesteia în funcție de necesități, de exemplu prin inter mediul unui supercondensator. Este impor tant, însă, să se țină seama că, în comparație cu bateriile, supercondensatoarele au un curent de scurgere mai mare sau o rată de autodescărcare mai mare. În timpul fazei de recoltare sau de încărcare, curentul de încărcare ar trebui să fie de cel puțin zece ori mai mare decât curentul de scurgere.

Gestionarea impulsurilor de putere În cazul în care o aplicație are nevoie în mod repetat de vârfuri de putere, un super condensator le poate acoperi, prelungind, astfel, durata de viață a sursei primare de energie, de exemplu o baterie (figura 2).

În acest caz, ESR-ul (rezistența echivalentă serie) a condensatorului este cel mai impor tant parametru și stă la baza alegerii super condensatorului. Ca regulă generală, ESR-ul condensatorului ar trebui să fie în jur de 25% din ESR-ul bateriei primare.

Figura 1: Structura unui capacitor electronic cu strat dublu (EDLC).

Figura 2: Bateria primară furnizează în mod constant un curent relativ scăzut, iar supercondensatorul acoperă vârfurile maxime de consum.

Sursă de energie de rezervă

Supercondensatoarele sunt capabile să fur nizeze energie pentru o anumită perioadă de timp (figura 3). Sistemul nu trebuie neapărat să aibă o sursă de energie, cum ar fi o baterie.

Figura 3: În cazul în care sursa de energie cedează (de exemplu, rețeaua electrică), supercondensatoarele pot acționa ca sursă de rezervă pentru a furniza energia necesară, de exemplu, pentru a opri în siguranță serverele.

Printre exemple se numără aplicațiile pen tru ceasuri în timp real care necesită câțiva microwați de energie pe parcursul mai mul tor zile sau chiar săptămâni, dar și aplicațiile foarte consumatoare de energie, cum ar fi

Electronica • Azi nr. 9 (269)/2022 32
SURSE DE ALIMENTARE
© Rutronik © Rutronik © Rutronik

tramvaiele, care trebuie să traverseze o distanță scurtă fără linie aeriană. De asemenea, supercondensatoarele sunt potrivite pentru funcționarea sistemelor de transport fără șofer (vehicule cu ghidaj automat, AGV) pe o anumită distanță fără a fi nevoie de o baterie.

Parametrii importanți în dezvoltarea de aplicații cu supercondensatoare Anumiți parametri trebuie să fie luați în considerare pentru pro iectele care implică supercondensatoare. Cei mai importanți sunt: Intervalul de temperatură: Datorită compoziției lor chimice și fizice, supercondensatoarele au o putere foarte constantă pe o gamă foarte largă de temperaturi de funcționare. Curbele pen tru capacitate și ESR în funcție de temperatură sunt disponibile de la furnizor, la cerere.

Durata de funcționare (de viață): Tensiunea de operare și tem peratura au cea mai mare influență asupra duratei de viață a supercondensatoarelor. Dacă acestea sunt depozitate în stare neîncărcată, durata lor de viață este aproape nelimitată. În fișele tehnice, furnizorii precizează, ca date caracteristice ale duratei de viață, modificarea performanțelor care apare de obicei din cauza scăderii capacității și a creșterii rezistenței. Cicluri pe durata de viață: În condiții de exploatare obișnuite, în funcție de celulă, un supercondensator poate efectua până la un milion de cicluri de lucru cu o reducere a capacității nomi nale care se situează, în majoritatea cazurilor, între 20 și 30%. Gama de tensiuni utilizabile: Supercondensatoarele au o tensi une nominală de 2,7 sau 3,0V (cele hibride: 3,8V). Ele pot opera până când aceasta este 0V (tipurile hibride doar până la 2,2V). Componentele hibride combină proprietățile unei baterii cu cele ale unui supercondensator. Cu toate acestea, utilizarea lor trebuie analizată cu atenție din cauza tensiunii minime necesare. Unii furnizori specifică, de asemenea, în fișele lor tehnice valoarea creșterii bruște a tensiunii. Aceasta descrie tensiunea maximă absolută pentru o perioadă de maximum o secundă. Vârfurile de tensiune aleatorii peste tensiunea nominală nu deteriorează imediat capacitorul, dar, în funcție de frecvența și durata lor, pot reduce semnificativ durata de viață a acestuia. Teoretic, conți nutul total de energie al unui capacitor este E = ½ C·V2 (C = capacitatea, V = tensiunea). Deoarece majorita tea dispozitivelor electronice necesită o anumită tensiune minimă pentru a funcționa, acest lucru înseamnă că intervalul de tensiune nu se “întinde” niciodată de la tensiunea nominală la zero. Utilizând un interval de tensiune la jumătate din valoa rea tensiunii nominale, se poate obține aproximativ 75% din energia disponibilă de la supercondensator. Conținutul de energie cu descărcare parțială se calculează cu ajutorul următoarei formule: E = ½ C (V2max – V2min)

Costuri: Prețul per watt-oră al unui supercondensator este relativ ridicat în comparație cu cel al bateriilor litiu-ion, de exemplu, motiv pentru care se recomandă să se analizeze foarte atent dacă dezvoltarea unui sistem cu un supercondensator are sens și este fezabilă. Costurile trebuie să fie comparate cu avantajele utilizării supercondensatoarelor.

Parametrii de încărcare: Supercondensatoarele nu stochează energia prin reacție chimică, la fel ca și bateriile, ci electrostatic. Astfel, acestea pot fi încărcate și descărcate în același mod și cu aceeași valoare a curentului. Acest lucru este posibil cu un curent constant sau o putere constantă de la o sursă de curent continuu. Echilibrare: În general, tensiunea de operare a aplicațiilor pentru care sunt potrivite supercondensatoarele depășește cu mult tensiunea nominală a celulelor supercondensatorului, care este de 2,7 sau 3,0V.

www.electronica-azi.ro
33 LABORATOR ⮞

Pentru a obține tensiunea necesară, de exemplu, 12, 24 sau 48V, trebuie conectate în serie mai multe condensatoare. Diferitele toleranțe de capacitate și de curent de scur gere ale celulelor individuale ale conden satorului trebuie să fie echilibrate la încărcare cu ajutorul echilibrării celulelor, astfel încât celulele individuale să nu scadă sub inter valul lor de tensiune maximă. Sunt disponi bile atât metode active, cât și pasive. În termeni simpli, echilibrarea pasivă este potrivită pentru aplicațiile cu o sarcină redusă, iar echilibrarea activă pentru cele cu o sarcină ridicată și cu secvențe mai rapide ale ciclurilor de încărcare/ descărcare. Echilibrarea pasivă presupune conectarea unui rezistor de bypass sau a unei diode Zener în paralel cu fiecare celulă pentru a compensa curentul de scurgere din celulă și a reduce astfel diferențele de capacitate dintre celule. Dacă toate rezistoarele conectate în paralel sunt identice, celulele cu o tensiune mai mare ar trebui să se descarce mai repe de decât celulele cu o tensiune mai mică din cauza rezistenței, ceea ce duce la echilibra rea tensiunilor individuale ale celulelor. Echilibrarea activă presupune integrarea comparatoarelor de tensiune fie individual, fie într-un circuit combinat cu alte funcții de monitorizare/încărcare. Echilibrarea activă nu reglează continuu întregul curent de compensare, așa cum se întâmplă în cazul echilibrării pasive, ci doar atunci când ten siunea depășește un prag predefinit. Acest lucru face ca echilibrarea activă să fie foarte eficace și eficientă, dar și mai complexă și mai costisitoare. În general, un modul de supercondensator care are deja integrată cea mai mare parte a echilibrării este, în general, cea mai bună alegere. În acest caz, echilibrarea este adaptată optim la celule.

Scalarea unui supercondensator În prima etapă a unei dezvoltări cu supercon densatoare, este esențial să se definească va lorile parametrilor din figura 4. Aceștia determină operarea supercondensatorului în aplicație.

Vmax: Tensiunea maximă de operare. Vmin: Tensiunea minimă sub care aplicația nu va funcționa.

Time: Timpul pentru care supercondensa torul trebuie să furnizeze o tensiune și un cu rent între tensiunea maximă și cea minimă. Vdrop: Căderea de tensiune pe condensator datorată ESR-ului (determinată ulterior).

It: Curentul necesar pentru operarea dispo zitivului. Deoarece majoritatea aplicațiilor

Figura 4: Curba de descărcare a supercon densatorului

© Rutronik

necesită un curent aproape constant, dar unele au un curent nominal variabil, se specifică, aici, un curent mediu.

Sfârșitul duratei de viață a unui supercondensator

Un supercondensator ajunge la EOL (End of Life) atunci când, în comparație cu fișa teh nică, fie capacitatea a scăzut cu 30% (în unele aplicații, de exemplu, în aviație, se aplică 20%; în altele, de exemplu, în industria auto, 50%) fie ESR-ul s-a dublat (de regulă, la o re ducere a capacității cu aproximativ 30%, în cazul celulelor de tip monedă se aplică o creștere de 400%). Criteriile EOL relevante pot fi găsite, de obicei, la rubrica “Durata de viață în curent continuu” din fișa tehnică.

Calculul capacității

Următoarea formulă (pentru IT sau C) poate fi utilizată pentru a determina capacitatea necesară a unui supercondensator:

IT = C dV/dT = C (Vmax – Vmin – Vdrop)/T C = It T/(Vmax – Vmin – Vdrop) În prima etapă nu se ia în considerare căderea de tensiune (Vdrop): C = It T/(Vmax – Vmin) Se selectează, apoi, o capacitate standard, care este peste valoarea calculată. De exem plu, dacă rezultatul formulei este de 13,2 F, trebuie selectat un capacitor de 15 F. Următoarea etapă este un al doilea calcul care ia în considerare valoarea maximă a ESR pentru curent continuu (sau la frecvență joasă). ESR pentru curent continuu este în mod normal definită în fișa tehnică; un exemplu este prezentat în figura 5.

Figura 5: Răspunsul ESR (în ohmi) în funcție de frecvență

Este întotdeauna important să se țină cont de degradarea capacitanței și de ESR (figura 6). De exemplu, dacă luăm 80% din capaci tanța originală pentru EOL și dacă valoarea calculată a capacitanței este de 13,8 F, capa citanța trebuie să fie de fapt cu 20% mai mare decât aceasta, adică 16,56F. Înseamnă că tre buie ales un capacitor de 25 F, de exemplu.

© Rutronik

Căderea de tensiune (căderea ESR) Vdrop = DC ESR It C = It T/(Vmax – Vmin – Vdrop) Luând în considerare ESR Vdrop, rezultă o ca pacitanță finală mai mare, deoarece interva lul de tensiune utilizabil este redus. Această nouă valoare calculată trebuie să fie mai mică decât capacitanța selectată anterior. De exemplu, dacă aceasta este de 13,8 F, ca pacitorul de 15 F selectat este încă potrivit. Cu toate acestea, în cazul în care capacitanța calculată este mai mare de 15 F, trebuie selec tat un capacitor cu o capacitanță mai mare.

Figura 7: Pierderea capacitanței unui supercondensator; conform fișei tehnice, sfârșitul duratei de viață este atins la 65 până la 80% din capacitanța inițială.

Profilul de temperatură

Un factor crucial atunci când se utilizează un supercondensator este profilul de tempe ratură al aplicației, deoarece acesta are o influență uriașă asupra diferitelor proprietăți ale supercondensatorului, în special asupra ESR-ului, capacitanței și curentului de scur gere. La rândul său, acest lucru are un impact asupra duratei sale de viață. Rezistența in ternă (ESR) este aproape stabilă în intervalul mediu de temperatură și chiar scade ușor la temperaturi mai ridicate (Figura 8).

© Rutronik

Figura 6: Pe măsură ce capacitanța tipică scade de-a lungul duratei de viață a unui supercondensator, ESR-ul crește.

Figura 8: Pentru aplicațiile care operează la temperaturi mai mici de 20°C (68°F), trebuie să se ia întotdeauna în considerare creșterea valorii ESR.

Dacă componenta este exploatată la tem peraturi mai mici de 20°C, creșterea ESR tre buie să fie luată în considerare și inclusă în calcule. În schimb, capacitanța este relativ stabilă pe întreaga evoluție a temperaturii, scăzând ușor doar la temperaturi joase.

În termeni simpli, curentul de scurgere este curentul minim care trebuie furnizat unui supercondensator pentru a menține per manent aceeași sarcină sau același nivel de tensiune. Acesta depinde semnificativ de temperatură și de tensiunea aplicată. Cu fie care creștere a temperaturii cu 10°C, crește

Electronica • Azi nr. 9 (269)/2022 34
SURSE DE ALIMENTARE ⮞

Figura 9: Curentul de scurgere de la super condensatoare în funcție de temperatură © Rutronik

de aproximativ două-trei ori și crește brusc peste 40°C (figura 9). O reducere a tensiunii cu 0,2V determină scăderea acesteia cu aproximativ 50%. Aceasta este proporțională cu capacitanța ca pacitorului și depinde de tipul electrolitului. Atunci când se utilizează ACN (acetonitril), este ușor mai mare decât cu PC (car bonat de propilenă). Curentul de scurgere joacă un rol major în aplicațiile în care tensiunea este aplicată perma nent, deoarece celulele trebuie să fie alimen tate mereu cu curent pentru a menține tensiunea la un nivel constant. În cazul condensatoare lor conectate în serie care sunt conectate permanent la tensi une, curentul de scurgere este, de asemenea, important. Modificarea acestuia pe durata de viață scoate din echilibru sis temul, în timp. Celulele cu un curent de scurgere mai mic se încarcă ușor, iar celula cu cel mai mare curent de scurgere se descarcă ușor. Acest lucru duce la o îmbătrânire neuniformă suplimentară a celulelor din sistem. Echilibrarea pasivă ar fi un remediu în acest caz. Ca regulă generală: curentul de echilibrare ar trebui să fie de zece ori mai mare decât curentul de scurgere. Exemplu de sistem de supercondensator În depozitele pentru comerțul electronic modern, transferul foarte automatizat către stoc și procesele de colectare sunt ade sea efectuate de sisteme de transport fără șofer (AGV). Acestea preiau cutii sau paleți de pe rafturi și le transportă către o stație de împachetare. O astfel de operațiune durează, în mod normal, două-trei minute. Alimentarea cu energie provine fie de la șinele de ghidare, fie de la un acumulator de energie încorporat (baterie sau supercondensator). Acest acumulator de energie poate fie să furnizeze energie pentru întreaga zonă și să fie încărcat la sfârșitul turei, fie să acopere doar o parte a traseului și să fie reîncărcat în mod regulat la o stație de încărcare între două sarcini.

© Rutronik

Figura 10: Ciclul de lucru al unui sistem de transport fără șofer cu un sistem de stocare a energiei cu supercondensatoare de 48V/ 65 F cu o greutate de aproximativ 7 Kg și un volum de 9 litri.

Supercondensatoarele au progresat și au devenit o soluție populară de alimentare cu energie pentru aceste tipuri de vehi cule fără șofer, în special în depozitele frigorifice sau în cazul în care este necesară o funcționare fără întreținere 24 de ore din 24, 7 zile din 7. Motivul este că acestea pot fi încărcate în timpul utilizării vehiculului în 10-30 de secunde pentru două-trei minute de utilizare, permițând astfel operatorului depozitului să obțină o utilizare a vehiculului de aproape 100% datorită timpilor scurți de întrerupere a încărcării.

■ Rutronik | www.rutronik.com

www.electronica-azi.ro
35 LABORATOR

Cum să valorificați topologia Buck-

Boost cu inversare de polaritate în aplicații de înaltă tensiune

Întrebare

Cum puteți selecta cu ușurință bobina potrivită pentru topologiile Buck-Boost cu inversare de polaritate de înaltă tensiune?

Răspuns

Prin utilizarea unor ecuații simplificate ale ciclului de funcționare pentru a reprezenta grafic riplul curentului bobinei în funcție de tensiunea de intrare asociată tensiunii de ieșire a circuitului nostru, apoi validând rezultatele cu LTspice®.

Introducere

Pentru aplicațiile care necesită generarea unei linii de tensiune negativă pot fi luate în considerare o varietate de topologii, așa cum este descris în articolul “The Art of Generating Negative Voltages.”1 Cu toate acestea, dacă tensiunea absolută la intrare și/sau la ieșire poate depăși 24V, iar curen tul de ieșire necesar poate ajunge la câțiva amperi, pompa de sarcină și regulatorul LDO negativ trebuie eliminate din cauza capacității lor reduse de curent, în timp ce dimensiunea ocupată de componentele lor magnetice face ca soluțiile flyback și convertorul Ćuk să devină destul de greoaie. Ca urmare, în aceste condiții, con vertorul buck-boost cu inversare oferă cel mai bun compromis între eficiența ridicată și factorul de formă mic.

Totuși, pentru a beneficia de aceste avan taje, trebuie să se înțeleagă pe deplin funcționarea topologiei buck-boost cu in versare în condiții de înaltă tensiune. Înainte de a intra în astfel de detalii, vom începe cu o scurtă trecere în revistă a topologiei buckboost cu inversare. Apoi, vom compara tra seele critice de curent ale topologiilor buck-boost cu inversare, buck și boost.

Cele trei topologii de bază neizolate

Convertorul buck-boost cu inversare face parte din cele trei topologii fundamentale de comutare neizolate.

Toate aceste topologii constau dintr-un tranzistor de comandă (de obicei un MOS FET), o diodă (care poate fi o diodă Schottky sau o diodă activă – MOSFET sincron) și un inductor de putere ca element de stocare a energiei. Conexiunea comună dintre aceste trei elemente este denumită nod de comutare. Poziționarea inductorului de putere în raport cu nodul de comutare determină topologia. Dacă bobina este amplasată între nodul de comutare și ieșire, obținem convertorul buck DC-DC, pe care îl vom numi în restul articolului, pur și simplu buck. Alternativ, poziționarea bobinei între intrare și nodul de comutare creează convertorul boost DC-DC, denumit aici boost.

Figura 1

În sfârșit, convertorul buck-boost DC-DC cu inversare constă în plasarea bobinei între nodul de comutare și masă (GND). În timpul fiecărei perioade de comutare și chiar și în modul de conducție continuă (CCM), toate cele trei topologii includ com ponente și trasee PCB care se confruntă cu schimbări rapide de curent, ceea ce duce la tranzițiile zgomotoase evidențiate în Figura 1c, Figura 2c și Figura 3c.

Prin menținerea buclei fierbinți (hot loop) la dimensiuni mici, interferențele electromag netice (EMI) radiate de circuit pot fi reduse. În această etapă, merită menționat că bucla fierbinte nu este neapărat o buclă fizică prin care circulă curentul.

Componente și trasee aparținând buclei fierbinți – convertor buck operând în CCM.

Figura 2

Componente și trasee aparținând buclei fierbinți – convertor boost operând în CCM.

Figura 3

Componente și trasee aparținând buclei fierbinți – convertor buck-boost cu inversare operând în CCM.

CONVERTOARE DE TENSIUNE
Electronica • Azi nr. 9 (269)/2022 36
© ADI
© ADI
© ADI

Într-adevăr, pentru buclele respective eviden țiate în figurile 1, 2 și 3, tranzițiile bruște de curent nu se produc în aceeași direcție pen tru componentele și traseele evidențiate cu roșu și albastru care formează bucla fierbinte. În cazul convertorului buck-boost cu inver sare ce operează în CCM reprezentat în fi gura 3, bucla fierbinte este formată din CINC, Q1 și D1. Comparativ cu bucla fierbinte a topologiilor buck și boost, bucla fierbinte a buck-boost-ului cu inversare conține com ponente situate atât pe partea de intrare, cât și pe partea de ieșire. Dintre aceste com ponente, recuperarea inversă a diodei (sau a corpului diodei dacă se utilizează un MOS FET sincron) atunci când MOSFET-ul de co mandă se activează generează cel mai ridicat di/dt și EMI. Deoarece este necesar un con cept de layout minuțios pentru a limita inter ferențele electromagnetice radiate de pe aceste două laturi, ultimul lucru pe care îl doriți este să creați interferențe electro magnetice radiate suplimentare, generate de un riplu excesiv al curentului bobinei prin subestimarea inductanței necesare a buck-boost-ului cu inversare în condiții de tensiune de intrare și/sau ieșire ridicată. Acest risc există pentru inginerii care mizează pe experiența lor cu topologia boost pentru a dimensiona inductanța circuitului lor buckboost cu inversare, după cum vom vedea acum prin compararea celor două topologii.

Considerații de proiectare a circuitelor Buck-Boost cu inversare în cazul tensiunilor ridicate

Atât boost-ul, cât și buck-boost-ul cu inver sare pot genera o tensiune de ieșire abso lută a cărei amplitudine este mai mare decât tensiunea de intrare. Cu toate acestea, există diferențe relevante între cele două topolo gii, care pot fi evidențiate cu ajutorul ciclu rilor de funcționare respective în CCM, furnizate de Ecuațiile 1 și 2. Vă rugăm să reți neți că acestea sunt aproximări de ordinul întâi care nu iau în considerare efecte precum căderile de tensiune prin diodele Schottky și MOSFET-urile de putere.

Observăm în figura 4 că ciclul de funcțio nare al unui buck-boost cu inversare va depăși 50% de la un |VOUT| mult mai mic decât cel al boost-ului: 12V și, respectiv, 24V. Acest lucru poate fi înțeles consultând figura 5. În cazul boost-ului, inductorul se află pe traseul dintre intrare și ieșire.

Figura 4

multă energie la ieșire, ceea ce explică de ce ciclul de funcționare ajunge deja la 50% pentru o |VOUT| mult mai mică. Putem refor mula această observație afirmând că, pe măsură ce raportul |VOUT|/VIN scade, ciclul de funcționare scade mult mai lent pentru buck-boost-ul cu inversare decât pentru boost.

Ciclul de funcționare și riplul curentului prin bobină în funcție de |VOUT| la VIN = 12V pentru buck-boost cu inversare și boost.

Figura 5

Aproximația de ordinul întâi pentru variația acestor cicluri de funcționare în funcție de |VOUT| și cu VIN = 12V este reprezentată în partea stângă a figurii 4. În plus, presu punând în ambele cazuri o frecvență de co mutare (fSW) de 1 MHz și o inductanță de 1 μH pentru bobina de putere, variația riplu lui de curent bobină în funcție de VOUT a fost obținută în partea dreaptă a figurii 4.

Impactul poziționării bobinei asupra tensiunii de ieșire obținute.

Prin urmare, tensiunea prin inductorul de putere (VL) se adaugă la VIN pentru a furniza VOUT-ul necesar. Cu toate acestea, în cazul buck-boost-ului cu inversare, VL este singu rul factor care contribuie la tensiunea de ieșire obținută. Cu această ocazie, inducto rul de putere trebuie să furnizeze mult mai

Figura 6

Acesta este un aspect important care tre buie luat în calcul în timpul proiectării, iar impactul său poate fi mai bine înțeles dacă ne referim la figura 6, unde sunt redesenate aproximarea de ordinul întâi a ciclului de funcționare și riplul curentului bobinei, dar de data aceasta în funcție de VIN

Ciclul de funcționare și riplul curentului bobinei în funcție de VIN la |VOUT| = 48V pentru buck-boost cu inversare și boost.

37 www.electronica-azi.ro
LABORATOR | Generarea
negativă
de linii de tensiune
© ADI
© ADI
© ADI

După cum se demonstrează în figura 6, riplul de curent prin bobină (ΔIL) este proporțio nal cu VIN și D. În cazul boost-ului, pe măsu ră ce VIN devine mai mare de jumătate din VOUT, ciclul de funcționare scade mai repe de decât crește VIN, trecând de la 50% la VIN = 24V la un sfert din această valoare la VIN = 42 V pentru curba albastră din graficul din stânga al figurii 6. În consecință, ΔIL scade

Figura 7

În general, eventuala creștere a riplului cu rentului prin bobină în condiții de tensiune ridicată cu care se confruntă buck-boost-ul cu inversare în comparație cu boost-ul explică de ce prima topologie necesită valori mai mari ale bobinei dacă funcționează la aceeași fSW Să folosim aceste informații într-un caz con cret cu ajutorul figurii 7, care se bazează, de asemenea, pe aproximări de ordinul întâi.

Mai mult, menținerea în acest interval reco mandat între 30% și 70% din IOUT,MAX în seamnă că ne putem permite doar un raport de până la 2,33 – adică 70% împărțit la 30% – între cea mai mare și cea mai mică valoare a curentului de riplu pe intervalul nostru de tensiune de intrare. Aceasta nu este o sarcină banală pentru o topologie precum cea a buck-boost-ului cu inversare, unde ΔIL variază semnificativ cu V IN, așa cum s-a observat anterior.

Ciclul de funcționare și riplul curentului bobinei în funcție de VIN la VOUT = -12V și -150V pentru buck-boost cu inversare.

rapid pentru VIN peste 24V pentru boost-ul din graficul din dreapta al figurii 6. Cu toate acestea, în cazul buck-boost-ului cu inversare, am văzut anterior, în figura 4, că D scade foarte încet atunci când |VOUT|/ VIN scade sau, altfel spus, atunci când VIN crește pentru un |VOUT| fix. Acest lucru poate fi observat în cazul curbei verzi din graficul din stânga al figurii 6, unde ciclul de funcționare pierde doar 25% atunci când VIN crește cu 62,5% de la 48V la 78V. Deoarece scăderea lui D nu compensează creșterea lui VIN, riplul curentului bobinei crește semnifi cativ cu VIN, așa cum este ilustrat de curba verde din graficul din dreapta al figurii 6.

Aplicație cu domeniu larg de tensiune de intrare și curent de ieșire ridicat Să luăm în considerare o aplicație cu VIN = 7V până la 72V și VOUT = -12V la 5A. Având în vedere curentul de ieșire ridicat, optăm pentru un controler sincron (LTC3896) pentru a obține o eficiență ridicată.

Selectarea inductanței

Atunci când utilizați dispozitivul LTC3896 în CCM, se recomandă să mențineți ΔIL între 30% și 70% din IOUT,MAX, care este de 5A pen tru exemplul nostru. În consecință, dorim să proiectăm pentru ΔIL între 1,5A și 3,5A pe toată gama noastră de tensiuni de intrare.

Figura 8

Referindu-ne la figura 7, atunci când se uti lizează fSW = 1 MHz și L = 1 μH, riplul curen tului prin bobină ar varia între 4,42A și 10,29A, ceea ce este mult prea mult. Pentru a poziționa cel mai mic ΔIL la limita inferioară recomandată de noi, de 1,5A sau 30% din IOUT,MAX, trebuie să reducem valoa rea existentă de 4,42A cu un factor de trei. Acest lucru poate fi realizat prin setarea fSW la 300 kHz cu un rezistor de 47,5 kΩ la pinul FREQ și prin selectarea unei inductanțe de 10 μH. Într-adevăr, acest lucru reduce ΔIL cu (1 μH × 1 MHz)/(300 kHz × 10 μH) = 1/3. Datorită acestei scalări, riplul curentului prin bobină (ΔIL) ar trebui să fluctueze acum între aproximativ 1,5A și 3,4A (între 30% și 68% din IOUT,MAX) pe întreaga gamă de tensiuni de intrare, ceea ce se încadrează exact în intervalul recomandat. Obținem circuitul furnizat pe ultima pagină a fișei tehnice a LTC3896, care este redat în figura 8.

Validarea selecției noastre pentru inductanță cu LTspice În ceea ce privește riplul curentului prin bobină, se pot obține valori mai precise prin simularea aceluiași circuit LTC3896 cu LTspice, așa cum se demonstrează în figura 9. În figura 10, ΔIL este egal cu aproximativ 1,45A și, respectiv, 3,5A, la VIN = 7V și 72V, ceea ce este în concordanță cu valorile de aproximare de ordinul întâi extrase anterior cu ajutorul figurii 7 și a scalării fSW și L. Rețineți că valoarea curentului măsurat prin bobină din figura 10 este considerată pozitivă atunci când curge spre RSENSE

Un beneficiu suplimentar al simulării LTspice este determinarea curentului de vârf al bobinei care apare în timpul operării, obținut la cea mai mică tensiune de intrare, de 7V. După cum se vede în figura 10, aplicația noastră se va confrunta cu un cu rent de vârf prin bobină de aproape 15,4A. Cunoscând această valoare, se poate se lecta un inductor de putere cu un curent nominal suficient de mare.

© ADI

Circuitul LTC3896 cu VIN = 7V până la 72V, VOUT- = -12V și fSW = 300 kHz.

Proiectarea cu tensiuni de ieșire și mai mari Dacă ne întoarcem la figura 7, valorile riplu lui de curent au fost, de asemenea, furni zate pentru un caz ipotetic cu o plajă VIN de la 12V la 40V și o VOUT egală cu -150V.

Electronica • Azi nr. 9 (269)/2022 38
© ADI
CONVERTOARE DE TENSIUNE

Prima observație este că valoarea riplului curentului devine semnificativ mai mare pentru VOUT mai mare, atunci când se păs trează aceleași fSW și L. Un ΔIL atât de ridicat este adesea inacceptabil, prin urmare, ar trebui să aplicăm un factor de reducere mai mare în comparație cu exemplul ante rior, ceea ce înseamnă o inductanță mai mare pentru aceeași fSW. A doua observație se referă la variația ΔIL pe întregul interval de tensiune de intrare. Pentru exemplul anterior cu VOUT = -12V, ΔIL creștea doar cu aproximativ 2,33 de la cea mai mică la cea mai mare oscilație, în con dițiile în care tensiunea de intrare creștea cu mai mult de zece ori. Pentru cazul de față, cu VOUT = -150V, ΔIL crește deja cu 2,85 de la cea mai mică la cea mai mare oscilație a cu rentului, și aceasta în ciuda faptului că ten siunea de intrare crește doar cu un factor de 3,33 de la 12V la 40V.

Din fericire, astfel de provocări există doar în CCM. Atunci când se află în modul de con ducție discontinuă (DCM), limitări precum 30% până la 70% din IOUT(MAX) nu se mai aplică. Ar fi oricum prea obositor să se convertească VIN = 12V în VOUT = -150V la IOUT(MAX) = 5A într-o singură etapă. În orice caz, atunci când sunt necesare astfel de con versii de tensiune, cerința de curent de ieșire este în general scăzută, ceea ce înseamnă că operăm în DCM. Acesta este, de exemplu, cazul circuitului de pe ultima pagină a fișei tehnice a LTC3863, reprodus în figura 11. Datorită curenților DC mici, utilizarea unui controler nesincron, cum ar fi LTC3863, a fost suficient de bună pentru a oferi o eficiență acceptabilă în aceste condiții. În cazul acestui proiect LTC3863 în DCM, circuitul LTC3863 furnizat cu LTspice este un instrument bun pentru a optimiza selecția bobinei.

Concluzie

Bucla fierbinte a topologiei buck-boost cu inversare include componente situate atât pe partea de intrare, cât și pe cea de ieșire, ceea ce face ca schema să fie mai dificil de im plementat decât topologia buck sau boost. Deși există unele analogii cu boost-ul, buckboost-ul cu inversare se confruntă cu un riplu de curent mult mai mare în condiții de aplicare similare, deoarece bobina sa consti tuie singura sursă de energie la ieșire (dacă ignorăm capacitanța de ieșire). În cazul apli cațiilor buck-boost cu inversare cu tensiuni de intrare și/sau ieșire ridicate, curentul prin bobină este potențial și mai mare.

Figura 10

Figura 9

Circuitul LTC3896 simulat cu LTspice. © ADI

Măsurarea ΔIL la VIN = 7V și 72V și extragerea curentului de vârf al bobinei cu circuitul LTspice anterior.

© ADI

Figura 11

Un circuit LTC3863 cu VIN = 12V până la 40V, VOUT- = -150V și fSW = 320 kHz. © ADI

Pentru a-l limita, se utilizează valori mai mari ale inductanței în comparație cu to pologia boost. Un exemplu practic a fost utilizat pentru a demonstra cum se poate scala rapid inductanța în funcție de condițiile de aplicare.

Despre autor Olivier Guillemant este inginer de aplicații la Analog Devices în München, Germania. El oferă asistență pentru proiectare în ceea ce privește portofoliul Power by Linear™ pentru clienții europeni din piață. Din 2000, a ocupat diverse posturi în domeniul aplicațiilor de putere, iar în 2021 s-a alăturat ADI. A obținut un masterat în electronică și telecomunicații la Universitatea din Lille, Franța.

1)Dostal, Frederik. “The Art of Generating Negative Voltages.” (Arta de a genera tensiuni negative) Power Systems Design, Ianuarie 2016.

■ Analog Devices www.analog.com

Interacționați cu experții în tehnologia ADI din comunitatea noastră de asistență online. Puneți întrebări dificile de proiectare, răsfoiți întrebările frecvente sau participați la o conversație. Vizitați https://ez.analog.com

39 www.electronica-azi.ro
LABORATOR | Generarea
de
negativă
de linii
tensiune

Investigarea consumului de energie al unui proiect embedded

Se pune din ce în ce mai mult accent pe înțelegerea profilului de consum de putere al unui proiect embedded. De exemplu, este posibil ca senzorii IoT/IIoT să trebuiască să opereze fiind alimentați de la baterii timp de ani de zile, astfel încât este esențial să se știe cât timp un dispozitiv poate sta în repaus, dar să poată răspunde rapid la o întrerupere. Acest articol investighează cererile de energie ale unui dispozitiv wireless tipic și provocările cu care se confruntă inginerii atunci când măsoară consumul și prevăd cu exactitate durata de viață a bateriei.

Câtă putere utilizează sistemul meu embedded?

Pe măsură ce IoT/IIoT își extind raza de acțiune, atât în ceea ce privește diversitatea aplicațiilor, cât și implementarea în locații îndepărtate, utilizarea bateriilor pentru ali mentarea dispozitivelor periferice a devenit o regulă. Din punct de vedere ingineresc, utilizarea unei baterii este o metodă comodă pentru alimentarea unui sistem.

Cu toate acestea, provocarea constă în a de termina cât din capacitatea bateriei este necesară pentru a alimenta dispozitivul pentru o anumită durată. Bateriile tip monedă oferă suficientă energie pentru a alimenta un senzor cu consum foarte redus de putere timp de mai mulți ani; însă, în cele din urmă, acestea vor trebui înlocuite.

Costurile cu forța de muncă și de deplasare sunt disproporționate față de costul bate riei, iar gestionarea a sute de dispozitive de vine nesustenabilă. Utilizarea unei baterii reîncărcabile și a tehnicilor de recoltare a energiei, cum ar fi un panou fotovoltaic solar, ajută considerabil, dar afectează di mensiunea fizică a dispozitivului. Înțelegerea profilului de consum de putere al dispozitivului devine un parametru critic pentru a prezice durata de viață a bateriei și cerințele de capacitate. Profilul este o măsură dinamică, cu vârfuri și minime de putere, mai degrabă decât o simplă citire a unui parametru. Chimia anumitor baterii le face mai puțin capabile decât altele să se redreseze rapid în cazul unor solicitări de vârfuri de putere, astfel încât este esențial să aflăm ce cauzează aceste vârfuri.

Odată ce se identifică cauza vârfurilor de putere și a curentului de repaus, măsurile de reducere a acestora includ tehnici software, cum ar fi trecerea microcontrolerului în modul de repaus și modificarea planificării sarcinilor.

Măsurarea consumului de energie al unui proiect embedded Dacă încercați să măsurați un senzor wire less IIoT în timpul operării cu un multimetru digital, veți obține un consum mediu de curent, dar nu veți obține o imagine exactă.

Consultați fișa tehnică a unui microcontroler wireless obișnuit cu consum redus de pu tere pe care l-ați putea găsi într-un dispozitiv IoT pentru a avea o idee despre intervalele de curent implicate.

Electronica • Azi nr. 9 (269)/2022 40

Având în componență două blocuri funcționale majore, microcontrolerul în sine și transceiverul wireless, majoritatea furni zorilor oferă posibilitatea de a dezactiva funcțiile radio separat de microcontroler. Să luăm ca exemplu SoC-ul wireless Bluetooth EFR32BG22 Series 2 de la Silicon Labs. Cel mai mare consum de curent este de 8,2mA și are loc atunci când emițătorul furnizează un semnal de ieșire de 6dBm. Atunci când SoC-ul se află în modul de veghe profundă EM4, consumul scade la doar 0,17μA. O astfel de gamă dinamică atât de largă a consumului de curent, aproximativ 50:1, care poate apărea în câteva microsecunde, indică amploarea provocării. Interfețele periferice și GPIO vor consuma, de asemenea, putere în timpul utilizării, împreună cu funcțiile asociate ale dispoziti vului IoT, astfel încât este necesar un punct de vedere holistic. Măsurarea curentului consumat de orice dispozitiv implică, de obicei, plasarea unui rezistor de șunt cu o valoare ohmică scă zută și o toleranță ridicată, de obicei 1%, în linia de alimentare a sistemului embedded. Măsurarea tensiunii la bornele rezistorului de șunt permite calcularea curentului care circulă prin acesta. Există o valoare optimă pentru ca rezistorul să fie eficient. Aceasta va impune o tensiune de sarcină ridicată și va scădea tensiunea de alimen tare a microcontrolerului dacă este prea mare. O valoare prea mică va face dificilă măsurarea curenților foarte mici. Conceptul de testare a consumului de pu tere a apărut pentru prima dată în industria proiectării de dispozitive embedded în urmă cu peste zece ani. Sondele J-TAG stan dard sunt acum disponibile cu o funcție de măsurare a curentului. Există multe seturi populare de instrumente embedded și IDE-uri care le acceptă, dar, de obicei, aces tea nu oferă gama dinamică sau granulari tatea de măsurare necesară pentru sistemele embedded de astăzi.

Pentru a răspunde cererii de măsurare precisă în timp real a consumului de ener gie al unui dispozitiv este necesară utilizarea unui instrument precum Otii Arc produs de Qoitech.

Măsurarea curentului în timp real și cu gamă dinamică ridicată în aplicații embedded

Qoitech Otii Arc (figura 1) dispune de o sursă de alimentare programabilă și de un analizor într-o unitate compactă și porta bilă. O aplicație software cuprinzătoare oferă interfața de utilizator pentru Otii Arc și este disponibilă pentru toate sistemele de operare cunoscute.

Otii Arc poate afișa și înregistra curentul în timp real cu o precizie de nanoamperi și are o rată maximă de eșantionare de 4 ks/sec. Domeniul său dinamic ridicat de măsurare a curentului, de la zeci de nanoamperi la 5 amperi, este cel mai bun din industrie și îl face ideal pentru a fi utilizat în orice proiect de sistem embedded.

Otii Arc dispune de o interfață UART, două intrări GPIO, două ieșiri GPIO și doi pini de detecție a tensiunii. Cu ajutorul interfeței UART, mesajele de depanare de la DUT sunt afișate împreună cu măsurătorile de curent în timp real. Caracteristica UART permite dez voltatorului de aplicații embedded să eviden țieze sarcini sau puncte de supraveghere

Figura 2

Alimentarea cu energie pentru Otii Arc poate proveni fie de la o sursă USB, fie de la un adaptor extern de curent continuu. Tensiunea de ieșire aplicată dispozitivului testat (DUT) este programabilă între 0,5 și 5VDC în pași de 1 mV.

Otii oferă un curent de ieșire continuu de 2,5A și un curent de vârf de până la 5A. Pentru a furniza curenți mai mari decât cei disponibili de la un port USB, este necesară o sursă de alimentare externă.

în codul său pentru a indica funcții specifice aplicației. Mesajele UART permit sincroniza rea codului aplicației cu măsurarea curen tului în timp real.

Vedeți un exemplu în figura 2. Software-ul Otii Arc permite înregistrarea și stocarea se siunilor în timp real. Această caracteristică este deosebit de utilă pentru a compara im pactul îmbunătățirilor aduse codului sau hardware-ului în timpul etapelor de proto tipare ale dezvoltării embedded. ⮞

41 www.electronica-azi.ro
|
wireless
LABORATOR
Profilul consumului de putere al unui dispozitiv
Otii Arc de la Qoitech, compact și portabil. Figura 1 © Qoitech
Utilizarea mesajelor de depanare ale UART pentru sincronizarea cu măsurătorile de curent în timp real ale Otii Arc
© Qoitech

Pinii GPIO permit ca pinii de stare de la DUT să apară în timp real pe display-ul Otii Arc, ajutând și mai mult procesul de depanare. Pinii de detecție permit măsurarea altor linii de alimentare ale DUT sau facilitează moni torizarea cu patru fire a tensiunii de alimen tare primare a DUT. Otii Arc dispune, de asemenea, de un absorbant de curent (current sink) programabil pentru a facilita descărcarea unei baterii și înregistrarea pro filului acesteia. Otii poate apoi să emuleze profilul memorat al bateriei cu tensiunea sa de ieșire primară. Pentru a utiliza aceste funcții este necesară o licență opțională a software-ului Otii battery toolbox.

Figura 3 ilustrează o baterie tip monedă CR2032 conectată la Otii Arc pentru a reali za profilul de descărcare al acesteia. Setările profilului pentru testarea bateriei apar în figura 4. Rețineți că puteți seta sarcina de curent și durata printr-o setare de valoare ridicată și una scăzută. De asemenea, puteți seta iterațiile de repetare a unui ciclu.

Setarea de curent ridicat, ilustrată în figura 4, este de 40 mA, iar valoarea scăzută este de 100 μA. Timpul pentru fiecare zonă de curent și durata ciclului reprezintă o perioadă de descărcare de 30 de zile. Dotat cu un dispozitiv Otii Arc, un dezvol tator de sisteme embedded poate des coperi rapid cum și când prototipul său consumă putere. Acest lucru nu numai că oferă informații pentru a manipula modu rile de veghe ale unui microcontroler și pentru a dezactiva funcțiile periferice, dar permite și investigarea altor idei de redu cere a consumului de putere.

Un exemplu este acela de a se decide asu pra protocolului wireless pe care să-l utilize ze. Cei mai mulți senzori wireless IoT situați la periferie trebuie să transmită doar date esențiale, cum ar fi citirile de temperatură și umiditate, la fiecare 15 minute.

Din cauza naturii unor protocoale wireless, a rețelei și a metodelor de securitate a date lor, un mesaj de 40 octeți se poate trans forma rapid într-unul de câțiva Kocteți. Un document tehnic recent de la Qoitech subliniază cum influențează alegerea pro tocolului wireless consumul de energie. Figura 5 ilustrează rezultatele sumare ale unei serii de teste efectuate cu ajutorul unui modul wireless NB-IoT cu diferite pro tocoale și setări de securitate.

Analiza consumului de putere al unui dispozitiv IoT în câteva minute

Determinarea duratei de viață a bateriei unui sistem IoT embedded este plină de dificultăți. Fără măsurarea precisă a energiei consumate, durata de viață preconizată a bateriei este, în cel mai bun caz, o estimare. Foile de date ale SoC-urilor wireless oferă o bună indicație, dar nu iau în considerare na tura dinamică, de exemplu, a stabilirii unei legături wireless și a trimiterii de date. De asemenea, vârfurile de consum de putere au un impact asupra performanței bateriei pe termen lung, astfel încât abilitatea de a modela comportamentul probabil devine esențială.

Grație capabilității de a controla furnizarea de energie, de a analiza consumul în timp real și de a sincroniza codul de depanare într-o singură unitate compactă, Otii Arc de la Qoitech, disponibil acum la Mouser, devine rapid un produs indispensabil pe bancul de lucru al oricărui dezvoltator.

■ Mouser Electronics

https://ro.mouser.com

Distributor autorizat

Urmărește-ne pe Twitter

Electronica • Azi nr. 9 (269)/2022 42 POWER
O comparație despre cum influențează protocolul de date consumul de energie. Figura 5
⮞ ■
© Qoitech Instrumente de laborator O baterie CR2032 atașată la Otii Arc pentru a crea profilul unei baterii tip monedă. Figura 3 © Qoitech Setările pentru trasarea profilului bateriei tip monedă CR2032. Figura 4 © Qoitech

Camere inteligente seria FHV7

Camera inteligentă FHV7 este o cameră “all-in-one” cu funcționalitatea unui sistem de vizualizare, cu specificații performante din seria FH. Corpul său compact și robust, face ca dispozitivul să fie ușor de implementat. Oferă aproape toate funcțiile de inspecție și măsurare ale seriei FH și permite inspecții mai ușoare pe baza unor imagini de calitate corespunzătoare, chiar și în procesele în care inspecția a fost omisă anterior din cauza restricțiilor de durabilitate, spațiu și timp de implementare a sistemului.

Corpul robust al camerei de tip “all-in-one”, facilitează instalarea într-o plajă largă de condiții. Camera beneficiază de o structură integrată a controlerului, dispunând de tot ceea ce este nevoie pentru procesarea imaginii. Structura “all-in-one” include nu numai controlerul, ci și lentila și sistemul de iluminare, având posibilitatea să-l atașați cu cu ușurință oriunde doriți, pentru inspecții sau măsurători suplimentare, fără a vă face griji cu privire la spațiul panoului de control. Dispozitivul menține structura imperme abilă IP67 pentru a permite utilizarea în con diții de umezeală, cum ar fi spălările regulate în locurile în care sunt instalate camerele. Modulele de camere se pot înlocui, iar, în acest sens, se utilizează șuruburi captive,

O nouă cameră cu funcții avansate de procesare a imaginii

pentru a preveni problemele cauzate de posibila cădere a șuruburilor în linia de producție etc.

Capacul cu sursă de lumină și filtrul optic sunt ușor de îndepărtat și înlocuit, astfel nu este nevoie de protecție împotriva prafului.

Seriile de sisteme de iluminare FLV și FL fac parte dintr-o gamă largă de peste 150 de modele și pot fi atașate cu ușurință ca lu mini externe la camerele inteligente FHV7. Prin conectarea controlerului de iluminare, se poate regla cu ușurință din fereastra FHV7 intensitatea emisiei de lumină. De asemenea, se poate sincroniza declanșarea obturatorului.

Soluțiile de iluminare multicoloră oferă o rezolvare rapidă a problemei măsurării di feritelor culori. De exemplu, obiectele cu pachete de diferite culori pe o linie de producție sunt măsurate corespunzător cu o lumină care își schimbă culoarea pentru a se potrivi fiecărui obiect. Când designul produsului este modificat sau se adaugă un model nou, puteți schimba, pur și simplu, un parametru în loc să înlocuiți sau să reglați luminile. Linia de producție este, în totdeauna, pregătită pentru o varietate mai largă de produse.

Obiectivul cu focalizare automată acoperă un interval de distanțe focale de la 59 mm la 2.000 mm. Chiar și atunci când sunt utili zate produse de diferite dimensiuni, inter valul de focalizare poate fi schimbat cu ușurință prin parametri. Această caracteris tică elimină operarea mecanică pentru schimbarea în timpul înlocuirii produsului, ceea ce duce la un sistem mai simplu, cu o productivitate mai mare.

Datele cu privire la imagine, sunt atât de mari încât controlerele convenționale nu pot stoca toate imaginile din cauza timpu lui și capacității de stocare limitate. Camera inteligentă FHV7 dispune de algoritmi și hardware, care pot salva imagini în formate Omron și pot comprima datele cu privire la imagine cu viteză mare, permițând stoca rea tuturor imaginilor pentru a răspunde nevoilor tot mai mari de control al calității. Procesarea distribuită pe 2 nuclee permite procesorului să efectueze procesarea para lelă a măsurătorilor și înregistrarea imagini lor. Cu o conexiune la un NAS (Network -Attached Storage) de mare viteză și capaci tate, toate imaginile de pe linia de mare viteză pot fi salvate, ceea ce anterior era di ficil. Analiza tendințelor tuturor imaginilor salvate izolează rapid erorile și facilitează contramăsurile.

Aurocon COMPEC vă pune la dispoziție o gamă largă de dispozitive pentru măsurare, inspecție și monitorizare, cu posibilitate de implementare în sisteme de control pentru aproape orice aplicație. Pentru oferta completă vă invităm să accesați https://ro.rsdelivers.com

43 www.electronica-azi.ro
Acum în stocul RS Components: Nr.
215-1553 Marca
Cod
Funcționalitatea și viteza pe care le solicită locul dumneavoastră de producție, într-un singur dispozitiv “all-in-one”.
stoc RS
Omron
de producător FHV7H-M032-C

Router industrial

Un router industrial are dimensiuni mici și e încapsulat într-o carcasă metalică rezis tentă, deoarece este proiectat pentru a funcționa în mediul extern cu temperaturi în gama industrială (-40°...+85°C), umidi tate și praf, vibrații, cât și perturbații elec tromagnetice, oferind conectivitate și comunicații sigure printr-o rețea celulară. Cu o funcționalitate GPS adăugată, se poate urmări routerul dacă este conectat la dispo zitiv activ mobil (telefon, laptop). Routerul oferă funcția de bază de accesare și distri buire a internetului către dispozitive sau aplicații, în principal prin intermediul rețelei de date celulare folosind tehnologia 3G, 4G și 5G (spre deosebire routerul de acasă unde internetul este recepționat convențional printr-un cablu). Acest lucru va elimina riscul de întrerupere a liniei fixe. Cu toate acestea, dacă preferați conectivi tatea la linie fixă, gama de routere Siretta QUARTZ are și această funcționalitate, unele modele putând trece la o rețea celulară, dacă linia fixă se întrerupe.

Modemuri și routere. Ambele au o caracteristică comună, care este, în esență, transmiterea de date pentru o anumită aplicație, de exemplu: dispozitive distribuite de plată și încasare, automate în spații publice, stații de încărcare pentru ve hicule electrice, controlul iluminatului etc. Dacă aplicația necesită mai multe funcționa lități, doar un router celular ar putea fi soluția optimă. În comparație cu un modem celular tradițional, un router oferă elemente supli mentare benefice precum: Ethernet, Wi-Fi, conectivitate RS232 și RS485, securitate VPN, rutare dinamică și multe alte caracte ristici în funcție de model.

Cu toate aceste caracteristici adăugate, un router celular oferă conectivitate fiabilă și chiar un mecanism “failover” în care poate fi utilizat un SIM secundar dacă rețeaua principală are întreruperi. Dacă protecția și securitatea datelor sunt primordiale, atunci un router va fi cea mai logică alegere. Route rele industriale oferă coloana vertebrală de

comunicații pentru toate aplicațiile care rulează în medii exterioare, inclusiv aplicații industriale grele precum minerit, petrol și gaze, agricultură, precum și aplicații de sem nalizare digitală, iluminatul stradal, contori zarea și gestionarea apelor uzate.

Soluția cu router industrial nu depinde de echipamentul conectat, deoarece software ul din unitatea router controlează și gestio nează conexiunea la internet și funcționalitatea de rutare, precum și conexiunea TCP (TCP − Transmission Control Protocol) pen tru a ruta datele seriale RS232 sau RS485 prin rețeaua celulară. Serviciul Link-Connect (Link-Connect oferă servicii de telecomunicații și soluții IT: server și servicii de acces la Internet de mare viteză) acceptă orice protocol sau tip de date, inclusiv binar și ASCII, astfel încât sistemul de operare de bază sau softwareul de control din echipamentul conectat nu trebuie să înțeleagă mecanismul conexiunii, ceea ce face conectarea oricărui echipa ment ușoară și simplă.

45 www.electronica-azi.ro
⮞ CONECTIVITATE INDUSTRIALĂ

Notă

TCP (Transmission Control Protocol) este un protocol folosit tot timpul (fără să sesizăm).

TCP ne permite să avem conexiunile (date le transmise de la server) corecte și sigure. Caracteristicile și avantajele de bază ale TCP sunt:

• Asigură retransmiterea pachetelor (în cazul în care acestea se “pierd pe drum”)

• Ordonează pachetele ajunse la destinație (pot ajunge diferit față de cum au fost trimise)

• Stabilește o conexiune între client și server.

Caracteristici și tehnologie pe un router de acasă

Un router pentru consumator casnic (home router) va fi, de obicei, wireless și va include uneori un modem pentru a se conecta la internet. Chiar dacă se folosește un modem extern, următoarele caracteris tici sunt comune.

• Oferă acces wireless pentru un număr specificat de dispozitive client (computere și alte dispozitive): 5, 10, până la 64 (32 pe bandă de frecvență).

• Dispune de 4 porturi Ethernet pentru acces prin cablu al unor computere sau dispozitive.

• Are conectivitate USB pentru atașarea unui dispozitiv de stocare în masă.

• Acceptă securitatea wireless.

• Poate avea un firewall de bază și alte opțiuni de configurare.

Soluția de router industrial se ocupă de toate problemele comune ale rețelei celulare și menține o conexiune robustă la rețeaua celulară, permițând un canal de comunica ție consistent cu echipamentul la distanță.

Caracteristica failover SIM (metodă de pro tejare a sistemelor informatice împotriva defecțiunilor, în care echipamentele secun dare, de așteptare, preiau automat controlul atunci când sistemul principal se defectează) oferă redundanță completă a rețelei și un mecanism pentru a avea un tarif diferit în funcție de disponibilitatea rețelei.

Familia de routere industriale Siretta este configurabilă ca server de apelare folosind fie o cartelă SIM cu IP static, fie DNS dina mic, pentru a oferi cea mai mare flexibilitate pentru a obține acces la informațiile de pe echipamentul de la distanță și reprezintă cea mai rentabilă soluție în ceea ce privește costul în rețeaua celulară, pentru întreaga locație în care e aplicația.

Caracteristici și tehnologie pe un router de business Întreprinderile cer un router de afaceri, la nivel de bază (small business router) care oferă mai multe caracteristici.

• Sunt, adesea, dispozitive de servicii integrate: servicii de rețea, aplicații și securitate pe un singur dispozitiv.

• Pot oferi acces VPN bazat pe hardware pentru personalul firmei și clienților de la distanță.

• Sunt versatile la configurare și oferă opțiuni avansate pentru gestionarea dispozitivelor conectate, cum ar fi controlul calității serviciului (QoS) pentru dispozitive, porturi și tipuri specifice de trafic.

• Cele de ultimă generație (exemplu Cisco) vor necesita dispozitive separate pentru crearea punctelor de acces wireless și vor folosi comutatoare externe pentru conec tarea cu fir a dispozitivelor la un router.

• Folosesc componente de înaltă calitate ce pot să funcționeze timp de mulți ani, pe când dispozitivele de consum casnic folosesc componente mai ieftine, care se pot degrada și defecta în perioada de garanție, dacă au funcționare continuă.

În concluzie, routerele de afaceri sunt mai complexe, dar omit și unele dintre caracte risticile pe care le au routerele de acasă. Routerele de afaceri sunt create pentru a fi un singur dispozitiv de înaltă performanță într-o rețea mai mare și mai complexă, în timp ce routerele de acasă sunt proiectate pentru a fi soluții ‘all-in-one’ pentru ușurință de conectivitate și acces.

Digi EX50 5G Cellular Router Soluție 5G pentru întreprindere, asigură conectivitate wireless principală sau de rezervă; -30°C ... +60°C.

Electronica • Azi nr. 9 (269)/2022 46 46
⮞ CONECTIVITATE INDUSTRIALĂ

Digi IX30

Ce face deosebit un router industrial Mulți cred că toate routerele sunt similare. Dar, această idee este greșită. Routerele folosite sunt diferite în funcție de aplicație: acasă sau într-o companie sau aplicații IoT industriale sau de control inteligent. O primă diferență evidentă este costul. Un router indus trial costă de câteva ori mai mult decât un router de acasă.

1. Diferența de utilizare

Routerele industriale sunt utilizate pe scară largă în transporturi, energie, agricultură, meteorologie, apă, electricitate, fabrici etc. Routerele industriale pot fi utilizate și în diverse domenii din lanțul industrial IoT, cât și aplicații inteligente (clădiri inteligente, retail inteligent, dulapuri smart express, autobuze inteligente etc). Routerul de acasă este, de fapt, un distribuitor pentru aplicații de uz personal, care poate redirecționa semnalul rețelei de bandă largă din fibra optică, prin antenă către dispozitivele de rețea fără fir din apropiere (telefon mobil, tabletă, laptop și consolă de entertainment). Utilizarea routerelor de acasă este simplă și nu există nicio complexitate ca în cazul routerelor industriale.

2. Diferența de funcție

ECAS

47 www.electronica-azi.ro
ELECTRO Bd. D. Pompei nr. 8, (clădirea Feper), 020337 București Tel.: 021 204 8100 | Fax: 021 204 8130; 021 204 8129 birou.vanzari@ecas.ro | office@ecas.ro www.ecas.ro SEMICONDUCTOARE APARATE ȘI DISPOZITIVE COMPONENTE PASIVE ȘI ELECTROMECANICE ⮞ LABORATOR | Router industrial
Industrial Cellular Router Router inteligent
LTE
infrastructură critică și aplicații industriale;
celulare Digi
Routerele industriale sunt o parte importantă de control in dustrial, cerințele lor funcționale sunt foarte avansate, necesi tând nu numai un răspuns rapid, ci și maparea portului, VPN, firewall și protecție la mediul de lucru (inclusiv la perturbații electromagnetice). Routerul industrial este un dispozitiv robust care conectează două sau mai multe rețele pentru a transmite semnale numai către porturile necesare. LTE
4G
pentru
-34°C ... +74°C. Extensoare
EX15
Digi EX15 modem, soluție compactă, accesibilă, ‘all-in-one’; 0° ... +40°C.
Electronica • Azi nr. 9 (269)/2022 48 ⮞ CONECTIVITATE INDUSTRIALĂ

Gateway-ul face conversia între protocoale standard Ethernet și Industrial Ethernet, interfețe fără fir și cu fir sau protocoale de comunicație Ethernet și Fieldbus. Routerul de acasă are interfața principală WAN, LAN, WIFI și alte interfețe, iar funcția principală este de a oferi acces la Internet.

3. Diferența de componente

Routerele industriale sunt robuste fizic pentru medii industriale dure. Toate compo nentele electronice din routerele industriale sunt de grad industrial. Componentele routerelor industriale trebuie să funcționeze normal în gamă industrială de temperatură.

Siretta Industrial Router Selector Tool Industrial Router, Selector de soluții. Tehnologie: 2G GSM, 3G UMTS, 4G LTE, GPS Position, 5G NR New Radio Frecvență/Categorie: WiFi 4 802.11n, Wifi 2.4G, WiFi 2.4G & 5G, WiFi 5 802.11ac Interfețe: Dual LAN, PTP Connect, Single LAN, GPIO Interface, RS232 Serial, Gbit Ethernet, RS485 Serial, MIMO Antenna, Quad LAN Caracteristici: Win/Linux/MAC, Voltage 732, VPN Tunnel, Telnet, SSH, WAN Backup, GPRS Enabled, Voltage 6-32, WEB Portal, IP Services, SNMP Manage, DHCP Server, LED Status, DUAL SIM Support, TEMP -30 ... +75.

Produsele au carcasă metalică rigidă robustă, rezistentă la interferențe electro magnetice standard.

Gama QUARTZ este proiectată pentru management de la distanță, telemetrie, monitorizare a stării, CCTV, bancomate.

Gamele acceptate în funcție de domeniu: Comercial: 0° ... +70°C. Industrial: -40° ... +85°C. Militar: -55° ... +125°C. Routerul de acasă are cerințe din domeniul comercial pentru componente, deci în medii dure de lucru nu poate îndeplini standardele pentru routere industriale.

4. Diferența de stabilitate

Routerele industriale oferă comunicații fi abile și sigure pentru sisteme complexe, iar semnalele sunt stabile și în medii dure. Routerul de acasă, dacă e activ o perioadă lungă de timp, aproape la temperatura maximă admisă specificată (de exemplu +40°C) va scădea viteza datelor, vor exista deconectări frecvente, semnal instabil.

Față de punctele de mai sus, routerele in dustriale și routerele de acasă au încă multe diferențe, dar atât utilizatorii industriali, cât și utilizatorii casnici ar trebui să le achizi ționeze în funcție de condițiile lor de lucru reale. Dacă este doar pentru uz casnic, se va urmări în mod excesiv performanța de viteză ridicată, ceea ce va face, ca unele funcții ale routerului să fie inactive și nefolosite.

Siretta Seria QUARTZ. 3G & 4G Dual LAN Industrial Router Siretta QUARTZ este o serie de routere celu lare industriale de mare viteză, de calitate profesională. Seria de routere QUARTZ poate fi utilizată în medii industriale care necesită performanță ridicată permanentă, fiabilă.

Caracteristici

Benzile globale 3G/UMTS • Benzile euro pene 4G/LTE • 1 × linkCONNECT (RS232 la TCP/IP, RS485 în versiunile QUARTZ485) • 3 × I/O digitale • 2 porturi LAN • Date de mare viteză prin rețeaua UMTS și LTE • Imunitate puternică la interferențe electromagnetice • Watch Dog încorporat, detecție multi-link • Design industrial robust din metal − mon tare pe șină DIN • SIM dual pentru failover/ backup între rețele • WiFi, 802.11/b/g/n • WAN suportă PPOE, IP static, DHCP Client • Se livrează cu antene și PSU • Temperatura de operare: -30° ... +70°C • Dimensiuni: 102 × 100 × 42mm.

Despre autor: Dl. Constantin Savu − Director general al firmei ECAS Electro − este inginer electronist cu o experiență de peste 30 ani în domeniul compo nentelor electronice și al selectării acestora pentru aplicații. Fiind bun cunoscător al componentelor și al tehnologiei de fabricație a modulelor electronice cu aplicații în domeniile industrial și comercial, coordonează direct producția la firma de profil Felix Electronic Services.

ECAS Electro (www.ecas.ro) este distribuitor autorizat pentru produsele Siretta Detalii tehnice : Emil Floroiu | emil@floroiu.ro birou.vanzari@ecas.ro

https://www.siretta.com/products

• https://www.siretta.com/products/industrial-routers/

• https://www.siretta.com/2021/10/introducing-the-new-quartz-gold/

• https://www.digi.com/products/networking/cellular-routers/industrial

• https://www.digi.com/products/networking/cellular-routers/enterprise/digi-ex50

• https://www.digi.com/products/networking/cellular-routers/industrial/digi-ix30#specifications

• https://www.digi.com/products/networking/cellular-routers/enterprise/digi-ex15

• https://www.farnell.com/datasheets/2548921.pdf

• https://www.youtube.com/watch?v=Mad4kQ5835Y

49 www.electronica-azi.ro
Referințe WEB
LABORATOR | Router industrial

Ce sunt motoarele AC?

Un motor AC este un tip uzual de motor electric, acționat de un curent alternativ. La fel ca majoritatea motoarelor practice efi ciente utilizate în aplicațiile industriale de zi cu zi (precum și în proiecte de hobby, bunuri de uz casnic și tot felul de alte echipa mente profesionale și produse de larg consum), motoarele de cu rent alternativ oferă o metodă relativ eficientă de producere a energiei mecanice cu ajutorul unui semnal de intrare electric.

Motoarele de curent alternativ se disting de multe alte tipuri de mo toare electrice – și de motoarele de curent continuu ceva mai familiare, în special – prin câteva criterii impor tante. Cel mai important dintre aces tea este faptul că un motor de curent alternativ se bazează în special pe al ternarea fluxului de curent în jurul circuitului său pentru a produce energie mecanică eficientă.

Motoarele de curent alternativ sunt, de asemenea, distincte de motoa rele de curent continuu prin faptul că majoritatea motoarelor de curent alternativ nu includ perii. Acest lucru înseamnă că există o nevoie foarte redusă de întreținere și înlocuire a pieselor la un motor de curent alternativ și, în general, majoritatea utilizatorilor se așteaptă ca acestea să aibă o durată medie de viață mai lungă, ca rezultat. De asemenea, spre deosebire de motoarele de curent continuu, viteza de ieșire pentru multe tipuri de motoare de curent alterna tiv este, de obicei, dictată de un control al convertizorului de frecvență. Motoarele de curent alternativ sunt utilizate frecvent întro plajă largă de produse de larg consum și echipamente industriale

foarte familiare, datorită, în principal, durabilității, costurilor reduse de producție, accesibilității generale și ușurinței de operare. Utilizările tipice ale motoarelor AC pot include:

Electronica • Azi nr. 9 (269)/2022
joacă un rol din ce în ce mai important în industria globală, deoarece noile procese evoluează în mod constant. Cuprinzând utilizarea sistemelor de control sofisticate și a tehnologiilor informaționale de pionierat, automatizarea devine din ce în ce mai implicată într-o gamă variată de industrii – iar avantajele sunt foarte clare. AUTOMATIZĂRI Scurt ghid despre motoare AC Dispozitive de acționare eficiente pentru aplicații de automatizare și nu numai. 50 Ceasuri Scule de putere Unități de stocare HDD Mașini de spălat și alte aparate electrocasnice Dispozitive Audio Ventilatoare
Automatizarea

În acest scurt ghid, adresat celor care doresc să aleagă și să cumpere motoare de curent alternativ, vom aborda câteva caracteristici funcționale ale diferitelor tipuri de motoare de curent alternativ. De asemenea, vom analiza potențialele avantaje și dezavantaje ale fiecărui tip pe care îl veți găsi în general la vânzare de la o gamă largă de furnizori și producători de compo nente de pe piață.

Cum lucrează motoarele AC? După cum s-a menționat mai sus, caracteristica esențială care evidențiază într-adevăr motoarele de curent alternativ față de multe alte tipuri de motoare – în special motoarele de curent continuu – este faptul că funcționează în mod specific pe curent alternativ. Există și alte diferențe, dar aceasta este cheia pentru a obține o înțelegere de bază a modului exact în care funcționează motoarele AC.

Curentul alternativ este în general abreviat AC, de unde și denumirea de motor AC. Acest motor este unul în care direcția de curgere a curentului este inversată la intervale regulate. (Această trăsătură de comutare a direcției curentului înseamnă, de aseme nea, că tensiunea pe un circuit de curent alternativ se schimbă periodic).

Curentul alternativ și, prin extensie, motoarele de cu rent alternativ se bazează pe un dispozitiv numit al ternator pentru a produce această direcție de încărcare alternativă. Un alternator este un tip specializat de generator electric, în care un câmp electromagnetic (EMF) este, de obicei, creat atunci când electricitatea este trecută printr-un arbore care se învârte (rotorul), care el însuși se rotește în jurul său cu un set de bobine statice de sârmă (statorul). EMF rezultat schimbă direcția sau polaritatea, pe măsură ce rotorul se rotește în raport cu statorul. Deoarece un EMF creat de un rotor încărcat care se rotește pe o axă fixă, va schimba polaritatea la punc tele de referință în raport cu statorul, inversarea peri odică a direcției curentului într-un motor de curent alternativ are loc la intervale regulate și previzibile. În practică, alternatorul și curentul de pe circuitul de cu rent alternativ se comportă prin comparație ca un pis ton sau o paletă care mișcă apa în jurul unui sistem de conducte – pe măsură ce pistonul se mișcă înăuntru și în afara cu o viteză constantă, la rândul său împinge, apoi trage apa înainte și înapoi prin conductă. După cum s-a menționat anterior, o altă diferență importantă între motoarele de curent alternativ și de curent continuu este că motoarele de curent alter nativ nu au nicio perie. Într-un motor de curent con tinuu tipic, periile sunt cele care conduc electricitatea direct de la rețeaua de alimentare la armătură (com ponenta producătoare de energie), motiv pentru care un motor de curent continuu este uneori cunos cut ca un motor de conducție. În schimb, anumite motoare de curent alternativ fără perii sunt, adesea, date ca exemple de motor cu inducție, deoarece procesul de generare a unei sarcini alternative de la un EMF prin intermediul unui rotor și al unui stator este cunoscut sub numele de inducție (electro)magnetică.

www.electronica-azi.ro
51

Diferite tipuri de motoare AC

Există numeroase tipuri diferite de motoare de curent alternativ disponibile pe piața actuală, fiecare dintre ele având caracteris tici de funcționare și performanțe de ieșire ușor diferite.

Printre specificațiile importante de care va trebui să țineți cont atunci când planificați o achiziție se numără factori precum:

• tip motor (exemple mai jos)

• frecvență nominală

• cuplu și viteză maximă de ieșire

• număr faze și secvență – acest lucru descrie metode de distribuire a AC în circuit și va afecta randamentul și distribuția de putere pentru un motor AC la o anumită solicitare

• tensiune de alimentare

• clasă de eficiență

• sens rotație

• lungime și diametru arbore

• număr de poli

• marcă

Indiferent de numeroasele specificații men ționate și de detaliile în care ghidurile producătorului ar putea intra, diferențierea cheie care trebuie făcută între cele mai mul te tipuri de motoare de curent alternativ este cea legată de modul în care sunt con struite rotoarele lor, deoarece aceasta le va dicta adesea gama de capabilități practice. În cazul tuturor acestor componente elec trice, cea mai bună alegere pentru orice sarcină dată va depinde de specificul aplica ției și de tipul de rol pe care trebuie să-l îndeplinească motorul AC. În secțiunile de mai jos, sunt evidențiate câteva dintre cele mai comune categorii și subtipuri pe care probabil le veți întâlni atunci când cumpă rați, online, motoare de curent alternativ.

Motoare cu inducție După cum s-a subliniat mai sus, un motor cu inducție (sau un transformator rotativ, așa cum sunt numite mai puțin frecvent) este un tip specific de motor de curent al ternativ, care se bazează pe un rotor care se învârte, încărcat electric pentru a crea un EMF în jurul unui stator și, astfel, produce curent alternativ pe care motorul AC îl poate transforma apoi în energie mecanică.

Motoarele de curent cu inducție sunt cu noscute și ca motoare asincrone, deoarece rotorul de ieșire se rotește în general cu o viteză mai mică comparativ cu frecvența care îi este furnizată la un moment dat. Cu alte cuvinte, motorul se rotește “desincroni zat” cu puterea furnizată. Acest lucru este necesar din cauza unei alte caracteristici cheie a unui motor cu inducție și anume că o sarcină creată prin inducție electromagnetică este singura sursă de excitație electrică pe care o primește armătura. Dacă rotorul s-ar învârti exact cu aceeași viteză ca și câmpul magnetic rotativ de pe stator, nu ar fi indus niciun curent, iar armă tura ar necesita o altă sursă de excitație pentru a genera energie. Acesta este ceea ce se întâmplă într-un motor de curent con tinuu, unde curentul este condus direct la armătură, sau într-un motor de curent alter nativ sincron (vezi mai jos).

EXEMPLU

Motor AC reversibil cu inducție Panasonic M9M, 90 W, 3 faze, 4 poli, 230 V

Motoare sincrone

Un motor de curent alternativ sincron este un tip special în care viteza rotorului de ieșire este direct aliniată – “în sincronizare”, așa cum ar fi – cu frecvența curentului alter nativ care îi este furnizat. În timp ce acest lucru ar tinde să nu inducă curent într-o construcție standard cu inducție AC sau motor asincron, motorul sincron AC are, de obicei, montate componente suplimentare, cunoscute sub numele de inele colectoare, care permit transmiterea curentului între părțile rotative și fixe ale motorului. Inelele colectoare sunt dispozitive elec tromecanice care permit transmiterea sem nalelor electrice prin sisteme electromecanice construite din componente care trebuie să se rotească în timp ce generează energie. În cazul unui motor de curent alternativ sin cron, inelele colectoare sunt cele care gene rează câmpul magnetic necesar în jurul rotorului și, astfel, îi permit să se rotească cu aceeași viteză cu curentul alternativ furnizat fără a întrerupe fluxul de curent. Pe scurt, motoarele sincrone de curent al ternativ sunt numite așa deoarece viteza rotorului este direct proporțională cu câm pul magnetic rotativ al statorului. Acestea tind să fie opțiunea preferată acolo unde un grad mai mare de precizie este un factor important în aplicație, cum ar fi ceasurile și alte dispozitive de cronometrare.

EXEMPLU

Caracteristici de produs:

• 90W

• 90mm × 90mm

• Simplu de utilizat cu reductoarele Panasonic Seria 3 90W, într-o mare varietate de aplicații industriale

• Aplicații tipice: sisteme de transport, mașini, dispozitive de deschidere a ușilor

• Dimensiuni de montare identice cu Seria G, înlocuind și oferind următoarele avantaje față de aceasta: reductor cu lubrifiere, durată de viață de 10000 de ore, operare silențioasă, izolație motor clasă B.

• Motorul dispune de un număr de schimbări de proiectare cum ar fi: reductoare cu trepte de reducere mai mici, diferiți arbori pentru motor.

• Aprobări: UL, CE și CCC.

Motor AC sincron, reversibil, McLennan 9904, 1.8 W, 1 fază, 24 poli, 110 V, montare cu flanșă

Caracteristici de produs:

• Motor sincron pentru discuri de înregistrare

• Motor special pentru acționarea prin curea a discurilor de înregistrare

Electronica • Azi nr. 9 (269)/2022 ⮞ Nr. stoc RS 424-083 Marca Panasonic Cod de producător M9MZ90GK4YGA Nr. stoc RS 441-0423 Marca McLennan Servo Supplies Cod de producător 9904 111 31813 52 AUTOMATIZĂRI

• Viteză redusă – 250 rpm @ 50Hz

• Rotor special pentru vibrație redusă și zgomot redus

• Potrivit pentru operare la 110Vac, iar pentru 220Vac necesită o rezistență de 6,8KΩ

Aceste motoare asincrone de curent alter nativ sunt utilizate pentru comanda directă de la o sursă de tensiune AC. Ideale pentru comenzi temporizate în instrumentație, mașini și controlul proceselor. Unitățile mai mici pot fi conectate direct la cutiile de vi teze sincrone (Nr. stoc tipic 332-868 etc).

Specificații

Putere nominală 1,8 W

Tip motor AC Sincron

Tensiune de alimentare 110 V

Faze 1

Viteză de ieșire 250 rpm @ 230 V

Număr de poli 24

Tip montare Montare cu flanșă

Diametru arbore 3mm

Lungime arbore 12,7mm

Lungime 23,9mm

Curent nominal 18 mA

Rotație Reversibilă

Cuplu de ieșire maxim 10 mNm

Dimensiuni 51 mm (Diametru) × 23,9 mm Seria 9904

Motor colivie de veveriță

Motoarele colivie de veveriță sunt un sub tip de motor cu inducție AC asincron, care utilizează rotoare colivie – un design simplu și robust, cu un cilindru fabricat din bare metalice solide folosite pentru a conduce curentul prin rotor – în loc de o serie de bobine înfășurate.

Deoarece barele conductoare ale rotorului nu implică contacte în mișcare în cadrul me canismului rotorului însuși (sunt permanent scurtcircuitate prin încorporarea în inele de capăt), motoarele cu cuști de veveriță sunt văzute ca opțiunea mai durabilă, cu mai puțină întreținere și sunt considerabil mai ieftine, față de motoarele cu rotoare bobi nate sau cu inele colectoare.

Dezavantajul acestui tip de motor este fap tul că o construcție cu scurtcircuit perma nent precum cea a unei colivii de veveriță, înseamnă că nicio rezistență externă nu poate fi conectată în serie la circuit. Cu alte cuvinte, nu se poate controla curentul indus în înfășurarea rotorului dincolo de starea sa fixă. În termeni practici, acest lucru înseam nă, în general, că necesită un curent mare de pornire și generează inițial un cuplu des tul de scăzut până la turația maximă. Totuși, aceste neajunsuri percepute pot fi atenuate într-o anumită măsură folosind componente suplimentare, cum ar fi unități de viteză vari abilă (VSD) și demaroare cu tensiune redusă.

Motoarele cu inducție cu colivie de veveriță sunt adesea folosite în aplicații în care un cuplu de pornire scăzut și lipsa controlului vitezei nu prezintă o problemă majoră, de exemplu în pompe și compresoare de aer.

EXEMPLU

Motor AC colivie de veveriță, reversibil, Siemens SIMOTICS GP, 2.2 kW, 2.5 kW, IE3, 3 faze, 2 poli, 230 V, 400 V, 460 V

EXEMPLU

Motor AC cu pol divizat, Mellor Electrics AC1000, sensul orar, 19 W, 1 fază, 2 poli, 220 → 260 V

Clasă de eficiență IE3 Tip motor AC Motor cu colivie de veveriță

Tensiune de alimentare 230 V, 400 V, 460 V

Faze 3

Număr poli 2 Tip montare Cu flanșă Rotație Reversibil Seria SIMOTICS GP

Motoare cu pol divizat Motoarele de curent alternativ cu pol divi zat sunt un subtip de motor monofazat cu colivie de veveriță, definit prin utilizarea unei înfășurări de rotor auxiliar compusă fie dintr-un inel de cupru, fie dintr-o bară –aceasta este cunoscută sub numele de bobină de divizare.

Spre deosebire de motoarele standard cu colivie de veveriță, acestea sunt potrivite pentru a funcționa la mai multe viteze, deși produc doar un cuplu de pornire relativ mic în comparație cu cuplul lor la turație maximă. Motoarele cu pol divizat sunt, de obicei, economice de fabricat și ieftine de cumpărat, fiind în același timp impresio nant de fiabile datorită construcției lor simple și robuste. Din toate aceste motive, motoarele cu pol divizat reprezintă, adesea, una dintre alegerile principale pentru mo toarele de curent alternativ pentru alimen tarea matricelor de ventilatoare, precum și o serie de alte dispozitive cu sarcini care pot fi pornite ușor, cum ar fi:

• Dispozitive de înregistrare

• Jucării

• Ceasuri electrice

• Uscătoare de păr

• Alte instrumente mici

Caracteristici de produs:

• Motor AC cu pol divizat 240 Vac 50/60 Hz cu caracteristici de pornire ideale pentru sarcini mici precum cele necesare pentru mișcarea aerului și lichidelor.

• Arborele este din oțel, cu un diametru de Ø6 mm și o extensie de 25mm, filetat pentru primii 5 mm cu M4.

• Cele două înfășurări sunt impregnate cu lac, conform clasei de izolație F, cu protecție la impedanță. Motorul este de tip fără inversarea rotației, cu auto-pornire și fără interferențe r.f. și t.v. Lagărele sunt din bronz sinterizat.

• Sunt oferite două versiuni: cu sens orar și cu sens trigonometric văzut dinspre arbore. Motorul dispune de conductoare de 300, inclusiv împământare. Ambele versiuni sunt conforme UL 94-V0 și sunt cu autostingere în 10-15 secunde.

RS Components, în calitate de distribuitor de top, este alături de voi pentru a vă ajuta să depășiți orice provocări legate de automati zare industrială cu care se confruntă afacerea voastră în prezent. Gama noastră impresio nantă de produse include tot ce aveți nevoie pentru o soluție completă de automatizare industrială ‘end-to-end’, acoperind multe apli cații pentru o multitudine de sectoare diferite. Explorați gamele noastre de produse asociate sau aruncați o privire la ghidurile noastre de taliate, articole și multe altele pentru a porni în călătoria către automatizarea industrială.

Autor: Grămescu Bogdan

■ Aurocon Compec www.compec.ro

53 www.electronica-azi.ro
2.2
2.5
Putere nominală
kW,
kW
Caracteristici tehnice LABORATOR | Motoare AC Nr. stoc RS 248-7112 Cod de producător AC1002 Nr. stoc RS 225-8862 Marca Siemens Cod de producător 1LE1003-0EA42-2FB4 Marca Mellor Electrics

Condensatoare din grupul

OS-CON de la Panasonic

În efortul de a miniaturiza și de a crește efici ența dispozitivelor electronice, în special a circuitelor de putere, producătorii caută în mod constant componente electronice noi, mai eficiente și mai compacte. În acest domeniu, cea mai mare provocare a fost miniaturizarea condensatoarelor, care nu numai că îndeplinesc o serie de funcții în aproape toate circuitele, dar, de asemenea, datorită designului și principiului de funcțio nare, sunt componente predispuse la defec țiuni. Și totuși, o defecțiune a condensatorului poate trece neobservată, având ca re zultat, de exemplu, o viteză de transmisie redusă în sistemele cu microprocesoare sau chiar în infrastructura de rețea (chiar dacă un singur condensator de decuplare a cedat).

Unul dintre cei mai importanți producători de componente electronice din lume este Panasonic. În calitate de producător de echi pamente industriale și de consum și de componente utilizate în circuitele acestora, com pania cunoaște foarte bine cerințele pentru componentele pasive moderne și se strădu iește să aducă pe piață soluții inovatoare.

Unul dintre acestea este tehnologia de fa bricare a condensatoarelor din aluminiupolimer. Acestea au o serie de avantaje care le recomandă ca fiind o alternativă viabilă la condensatoarele electrolitice, polimerice și, datorită dimensiunilor lor compacte, la cei ceramici. În oferta Panasonic, elementele sunt grupate sub denumirea OS-CON, iar în catalogul TME veți găsi o gamă largă de aceste produse. Îi invităm pe toți cei intere sați să se familiarizeze cu această ofertă, iar mai jos prezentăm avantajele și caracteristicile componentelor disponibile.

Avantajele seriei OS-CON

Condensatoarele realizate cu tehnologie din aluminiu-polimer au o serie de avantaje și pot funcționa într-o varietate de circuite. Punctele forte de bază ale gamei OS-COM sunt enumerate mai jos. Caracteristicile fiecă rui tip sunt discutate în secțiunea următoare.

Caracteristicile Low-ESR Utilizarea polimerului permite condensa toarelor OS să atingă specificația low ESR. Datorită impedanței lor scăzute, acestea au o toleranță bună la curenții de riplu și sunt potrivite pentru funcționarea în cir cuite de înaltă frecvență. Sunt potrivite pentru sursele de alimentare în comutație, precum și pentru decuplarea microproce soarelor și a microcontrolerelor din elec tronica industrială și de consum. În plus, datorită dimensiunii lor compacte, acestea permit miniaturizarea plăcii de circuit im primat, ceea ce face posibilă construirea unor încărcătoare de rețea convenabile, precum și a unor circuite complexe care furnizează tensiuni diferite (de exemplu, în electronica de consum). Impedanța scăzută se traduce direct în încălzirea redusă a con densatorului în timpul operării DF-SEN0467

Conform cu standardul Pb-free și cu directiva RoHS

Din motive de protecție a sănătății utili zatorilor de dispozitive electronice (dar și a muncitorilor din fabrică și a tehnicienilor de service), precum și din motive de preocu pări legate de mediu, asamblarea compo nentelor cu lianți fără plumb a devenit un standard mondial. Eliminarea plumbului din aliajele utilizate în industrie necesită utiliza rea unor temperaturi de lipire mai ridicate

în procesul de producție. Din păcate, conden satoarele se numără printre componentele sensibile la condițiile termice, nu numai în timpul funcționării.

Cu toate acestea, cu tehnologia OS-CON, care permite fabricarea de componente gata pentru montare pe mașină, aceste con densatoare nu numai că pot fi instalate folo sind soluții de lipire fără plumb, dar ele însele nu conțin plumb (caracteristici Pb Free) și nici alte substanțe nocive, îndeplinind astfel cerințele Directivei RoHS.

Durată lungă de viață și toleranță termică ridicată În comparație cu dispozitivele electrolitice cu parametri comparabili, condensatoarele OS se caracterizează printr-o durată de viață foarte lungă. Acest lucru va depinde de seria specifică, dar Panasonic furnizează compo nente care asigură funcționarea fără defec țiuni în condiții termice extreme (105°C) până la 20000h. Oferta de bază a TME (dispo nibilă direct din stoc) include componente cu o durată de viață de 5.000 de ore, de exemplu, seria SEPC sau SVPF. Acest lucru permite construcția de dispozitive elec tronice cu fiabilitate ridicată – ceea ce va fi deosebit de important în cazul circuitelor de alimentare, unde defectarea unui conden sator poate duce la defectarea întregului dispozitiv. De asemenea, este important de menționat aici toleranța termică menționată mai sus, care pentru componentele OS-CON poate fi în intervalul -55…105°C și chiar 55…125°C, ceea ce le permite produselor Panasonic să fie utilizate în aplicații solici tante, nu numai în circuite de înaltă frecvență și curent ridicat, ci și în dispozitive care funcționează în medii dificile.

Electronica • Azi nr. 9 (269)/2022 54
COMPONENTE PASIVE

Gamă largă de capacități

Un alt avantaj al produselor OS-CON este disponibilitatea unei game largi de capacități. Condensatoarele sunt dispo nibile în variante de la 3,3μF la 2700μF, ceea ce va satisface nevoile majorității circuitelor. Merită subliniat în acest moment faptul că în catalogul TME sunt disponibile componente montate pe suprafață (SMD) în aproape toate aceste capacități (3,3...1500μF), ceea ce face posibilă construirea de circuite cu cerințe electrice ridicate fără a fi necesară imple mentarea de componente cu găuri de trecere (THT). Acestea din urmă sunt disponibile de la 6,8μF în sus. Tensiune ridicată și fiabilitate crescută În cele din urmă, trebuie remarcat faptul că tehnologia po limerului de aluminiu face posibilă obținerea de conden satoare adecvate pentru tensiuni de operare ridicate (chiar 100V). Majoritatea produselor Panasonic vor respecta parametrii aplicațiilor, cum ar fi convertoarele DC/CC utili zate în sistemele de alimentare pentru calculatoare per sonale, precum și servere, și caracteristicile electrice ale panourilor cu iluminare din spate LCD (electronice de consum), echipamente medicale, precum și circuite utili zate în aplicații auto

Oferta TME

Gama de componente OS de la Panasonic din catalogul TME include peste 20 de serii. Cele mai multe dintre ele au o specializare proprie sau caracteristici specifice, distinctive. De exemplu, seriile SXE, SEF și SEK sunt condensatoare de înaltă tensiune create în principal pentru echipamente in dustriale, precum și în domeniul medical. SVPC, SVPE reprezintă o serie de componente destinate convertoarelor DC/DC; în timp ce SVPG, SEPG tolerează curenți de riplu mari și sunt caracterizate de impedanță extrem de scăzută, utilizarea lor fiind de componente pentru infrastructura de informații. Vă rugăm să rețineți că parametrii afișați sunt dați în cadrul ofertei noastre, iar specificațiile lor vor depinde de modelul de condensator selectat.

Condensatoare OS-CON THT

Caracteristici

Tensiune de operare 2V ... 100VDC Capacitate 6,8μF ... 2700μF Impedanță 5mΩ ... 100mΩ

Curent de operare 340mA ... 7,2A Dimensiuni Ø5×9mm ... Ø10×13mm Pas pini 2mm, 2,5mm, 3,5mm sau 5mm

Durata de viață până la 5000h

Condensatoare OS-CON SMD

Caracteristici

Tensiune de operare 2,5V ... 100V DC Capacitate 3,3μF ... 1500μF Impedanță 8mΩ ... 260mΩ Dimensiuni Ø4×5,4mm ... Ø10×12,7mm

Durata de viață până la 5000h Toleranță ±20%

Condensatoarele SMD sunt disponibile în formate standard, miniaturale.

Conductoarele condensatorului sunt aranjate într-o grilă metrică.

Text elaborat de Transfer Multisort Elektronik https://www.tme.eu/ro/news/library-articles/page/45956/condensatoaredin-grupul-os-con-de-la-panasonic/

■ Transfer Multisort Elektronik https://www.tme.eu

www.electronica-azi.ro
55

Senzori pentru aplicații cu AGV

Soluții pentru aplicații tipice pentru vehicule de ridicare, vehicule platformă și vehicule de tractare.

materialul din care sunt construite paletul și raftul de depozitare. Cu până la două ieșiri în comutație, se pot găsi soluții la aceste aplicații folosind doar un senzor.

Siguranța traseului de transport cu navigare naturală

Vehiculele ghidate automat (AGV) sunt utilizate pentru transportul materialelor și produselor între punctul A și B, rapid, în siguranță și autonom. Funcție de aplicație și tipul materialului de transportat, se aleg vehicule auto matizate de ridicare, platformă sau de tractare. Un AGV este controlat prin ghidare optică, navigare pe tra seu marcat sau navigare naturală, fără marcaje. Utilizând senzori Leuze, se garantează, de asemenea, depozitarea și transportul precis al paleților, siguranța transportului chiar și în cazul modificării vitezei, precum și eliminarea vibra țiilor în acest proces. Portofoliul se întinde de la senzori cu costuri optimizate pentru aceste aplicații, până la soluții pentru navigare cu precizie ridicată și în siguranță.

Vehicule automate de ridicare Aceste tipuri de vehicule sunt frecvent utilizate în depo zite, unde servesc drept dispozitive autonome pentru depozitarea produselor/paleților.

Poziționarea verticală a brațului de încărcare Este important ca furca de ridicare să fie poziționată întotdeauna la înălțimea corectă. Doar în acest mod se poate realiza în siguranță depozitarea și preluarea paletului. Soluția: Senzorul AMS 300i realizează măsurători pentru poziție la fiecare 2 ms cu o acuratețe absolută de ±2mm. Aceste date legate de poziție pot fi transferate către partea de control printr-o multitudine de interfețe disponibile.

Detecție palet și raft De la mișcarea de preluare a paletului cu brațul mobil până la depozitarea aces tuia, vehiculul trebuie să detecteze întotdeauna dacă aceste trasee sunt libere. Detecția prezenței paletului, precum și muchiilor raftului, sunt, de asemenea, esențiale. Soluția: Folosind senzori Leuze din seria 3, pot fi definite puncte de comutare foarte precise, independente de

Un AGV se deplasează în totdeauna pe un traseu predefinit, în ambele di recții. Pentru orientarea lui în timpul navigării fără utilizarea reflectorilor și pentru asigurarea rutei de transport, mediul înconjurător trebuie scanat cu acuratețe milimetrică. Soluția: Scannerul laser de siguranță RSL 400 realizează scanarea ariei din jurul vehicului cu o rezoluție de 0.1°. Prin urmare, este generată o hartă foarte precisă a me diului înconjurător pentru siguranța navigării. Cu până la 100 câmpuri de protecție interschimbabile, aria de siguranță a AGV-ului poate fi adaptată necesităților în orice aplicație de transport.

Detecția poziției materialului transportat Pentru siguranța trans portului, este esențială verificarea ridicării corec te a paletului sau mate rialului de transportat de către vehicul. Soluția: Folosind un sen zor HRT 25B, pot fi învățate până la două puncte de co mutare. Tehnologia de detecție time-of-flight permite ca cele două puncte de comutare să fie independente de material sau de culoarea acestuia.

Integrarea senzorilor de siguranță Toate funcțiile de sigu ranță utilizate pe vehicul trebuie interconectate logic. Un exemplu este corelarea între diferite câm puri de protecție în vățate de scannerul laser de siguranță și monitorizarea vitezei de deplasare. Soluția: Folosind relee de siguranță configurabile din seria MSI 400, senzorii de siguranță și diverse funcții de siguranță pot fi integrate eficient. Folosind modulul de bază, sunt disponibile 24 intrări/ieșiri configurabile. Acestea se pot utiliza pentru conectarea senzorilor incre mentali pentru monitorizarea siguranței vitezei de trans port conform cu standardul EN 61800-5-2.

Electronica • Azi nr. 9 (269)/2022 56

Poziționarea la capăt de cursă pentru brațul de ridicare Poziția brațului mobil tre buie determinată întot deauna. Spre exemplu, trebuie să fie definită clar poziția acestuia la schim barea vitezei de depla sare a vehiculului.

Soluția: Senzorii inductivi IS 212 în carcasă M12 realizează detecția poziției brațului metalic de încărcare. Distanțele mari de operare și dimensiunile reduse, îi fac o soluție eficientă în acest caz.

Vehicule platformă automate În arii de producție semi-automatizate, cum ar fi producția semiconductorilor sau a panourilor de afișare, aceste ti puri de AGV sunt utilizate ca o alternativă mai flexibilă față de sistemele de conveyoare instalate permanent.

Navigarea pe traseu marcat Pentru a avea un traseu predefinit, un AGV tre buie să știe tot timpul unde se află, indiferent dacă viteza de rulare este joasă sau ridicată. Soluția: O soluție simplă și fiabilă este navigarea pe un traseu de coduri 2D. Scan nerul DCR 200i realizează detecția codurilor 2D care sunt amplasate pe podea, pe un traseu predefinit, chiar și la viteze foarte ridicate. DCR 200i, de asemenea, realizează decoda rea pentru stabilirea poziției pe traseu și determină unghiul de orientare al codului, pentru reorientarea AGV-ului.

Poziționarea precisă

Pentru asigurarea trans ferului materialui fără erori, vehiculul trebuie poziționat cu acuratețe milimetrică față de stația de transfer.

Soluția: Senzorul cu cameră IPS 200i determină poziția față de un marcaj cu acuratețe milimetrică. Acesta trans mite valorile absolute măsurate prin interfața de comuni care către partea de control, în intervale de milisecunde.

Controlul prezenței materialului de transportat

Nu sunt acceptate erori în momentul încărcării ma terialului de transportat. Este important, prin urma re, determinarea cu acura tețe a poziției acestuia în momentul operațiunilor

de încărcare și descărcare de pe AGV. Soluția: Senzorii compacți retro-reflexivi din seria 5 deter mină cu precizie poziția materialului transportat. În plus, teh nologii integrate precum A²LS fac senzorii imuni la lumina ambientală, iar lumina roșie contribuie la o ajustare rapidă.

Control

conveyor Operațiunile de încărcare și descărcare trebuie ac tivate cât mai simplu și eficient. De obicei, un sin gur semnal trebuie să fie suficient.

Soluția: Comanda pentru activarea și dezactivarea convey orului este transferată ușor, fără contact și economic, între vehicul și conveyor, prin senzorii optici emițător-receptor din seria 3. Senzorii se aliniază ușor datorită luminii vizibile și indicatorilor LED. Insensibili la lumina ambientală, ei funcționează stabil și eficient.

Vehicule de tractare Vehiculele de tractare sunt utilizate de obicei dacă mate rialele trebuie livrate pe linie. Aplicațiile lor sunt în special în industria auto.

Ghidare optică

Un AGV trebuie să se de plaseze sigur și eficient în spațiul industrial. De obi cei însă, extinderea produc ției și a spațiilor de depozitare pot reprezenta o provocare. Mai mult, mulți senzori nu pot fi integrați în vehicule plate, datorită dimensiunilor. Soluția: O posibilitate simplă este ghidarea optică. Vehicu lul urmărește un traseu de contrast ridicat cu podeaua și care permite senzorului să-i determine poziția. Senzorul compact OGS 600 permite ghidajul pe diferite grosimi ale traseului și comunicarea prin diverse interfețe. Distanța minimă față de podea este de doar 10 mm.

Siguranța rutei de transport Pentru asigurarea rutei de transport a AGV-uri lor, trebuie definită o arie în fața vehiculului pentru oprirea acestuia în cazul unei situații critice. Soluția: Scannerul laser de siguranță RSL 400 monitori zează eficient o arie de până la 8.25 m cu un unghi de scanare de 270 grade. Datorită posibilității de schimbare între câmpurile de protecție, mărimea acestora poate fi adaptată vitezei de deplasare a vehiculului. www.oboyle.ro

57 www.electronica-azi.ro

INXPECT: Siguranță industrială cu Sistemul LBK

Barieră volumetrică liniară de siguranță. Sistemul LBK a fost creat pentru utilizarea în jurul utilajelor și a ariilor automatizate cu risc ridicat de acciden tare, realizând protec ția perimetrală sau detecția accesului perso nalului. Sistemul de siguranță volumetric SIL2 a fost conceput ca o soluție economică, utilizând sen zori radar inteligenți FMCW, cu arii de prezență dinamică configurabile (arie de avertizare + arie de pericol). Potrivit pentru utilizarea în aplicații în care fumul, praful, așchiile sau umiditatea pot genera alarme false pentru un sistem de siguranță optic, sistemul LBK poate fi configurat simplu printr-o aplicație PC cu care este livrat.

■ Releu de ieșire pentru prealarmare, Muting sau semnal de start

■ Hardware simplu, fără dispozitive anexe necesare

Imunitate la fum, praf, așchii, stropire, particule generate de utilajele din producție

O aliniere perfectă între senzorii radar nu este necesară

Configurarea zonelor de avertizare și pericol se realizează rapid și ușor prin aplicația PC cu care este livrat sistemul

Sistemul poate detecta prezența personalului și poate prealarma pentru prevenirea opririi accidentale a utilajelor Sistemul detectează în ce parte a zonei de pericol a intrat personalul și se pot configura diferite acțiuni funcție de zona accesată

Protecția operatorului, imunitate la praf, lichide și fum Utilizarea dispozitivelor de siguranță pentru protecția personalului la locul de muncă poate varia funcție de in dustrie. În foarte multe aplicații industriale de siguranță, barierele optice de siguranță sau soluțiile bazate pe sen zori de presiune nu pot fi implementate.

O nouă tehnologie de barieră de siguranță care oferă protecție industrială a personalului fără compromi terea productivității și eficienței, chiar și în medii in dustriale dure

Sistemul LBK este bazat pe senzori radar de mișcare LBKS01, care împreună cu unitatea de control LBK asigură intrarea în modul de siguranță a utilajelor sau roboților industriali la pătrunderea operatorilor în zona de pericol. Sistemul constă în cel puțin un senzor radar inteligent LBK-S01 și o unitate de control LBK-C22, care crează un sistem activ de protecție SIL2 conform IEC 61508.

Caracteristici principale:

■ Două câmpuri de protecție configurabile: avertizare și pericol

■ Funcții configurabile EDM și Restart Interlock I/O

Acolo unde cortinele/barierele optice sau preșurile de siguranță nu sunt o soluție bună, poate fi implementat sistemul de siguranță LBK.

Electronica • Azi nr. 9 (269)/2022 58

Inxpect LBK-C22 este unitatea de control pentru bariera de siguranță, folosită pentru monitorizarea a până la 6 senzori inteligenți LBK-S01. Intervenția în perimetrul unuia dintre senzori rezultă în dezactivarea ieșirii de siguranță a sistemului.

Parametrii de configurare permit setarea sistemului pentru utilizare împreună cu dispozitive externe EDM, configura rea funcțiilor de Muting sau Restart Interlock. Senzorii Inxpect LBK-S01 sunt bazați pe tehnologie radar FMCW, cu performanțele cele mai ridicate pentru detecția și urmărirea mișcării. Spre deosebire de senzorii tradiționali bazați pe tehnologie infraroșie, laser sau micro unde, LBK-S01 pot procesa în timp real deplasarea per sonalului spre zonele de pericol. LBK-S01 este un senzor imun la fum, praf, așchii, stropire, particule generate de utilajele din producție, prevenind activarea alarmelor false și generând creșterea productivității fără compro miterea siguranței. ⮞

Unitatea de control LBK-C22 se configurează prin aplicația PC pe un port USB. Ajustarea sensibilității, di mensionarea câmpurilor de avertizare și pericol, ieșirea auxiliară pe releu, pot fi configurate ușor din software.

59 www.electronica-azi.ro

Câmp de detecție programabil Fiecare senzor LBK-S01 din sistem poate fi programat individual, pentru a acoperi o arie mai largă sau mai îngustă.

Câmpul de detecție depinde de înălțimea de instalare și de înclinarea senzorului.

Domenii de utilizare

■ Zone automatizate cu roboți

■ Industria alimentară

■ Utilaje cu risc ridicat de accidentare

■ Echipamente de transport materiale

■ Utilaje de împachetare

■ Construcția de utilaje speciale www.oboyle.ro

Encodere cubice de la POSITAL: Reintroducerea unei construcții favorite în industrie

Răspuns dinamic într-o construcție solidă

Encodere cubice – encoderele incrementale de rotație într-o carcasă cubică au fost populare în construcțiile de mașini începând cu anii 1960’s, mai ales datorită ușurinței instalării, fără suporți sau cleme speciale. POSITAL a reintrodus și îmbunătățit această construcție cu noi funcții și capabilități relevante pentru aplicațiile viitoare.

■ Instalare simplă – Nu sunt necesare cleme și suporți speciali

■ Carcasă robustă, cu rezistență la șocuri și vibrații

■ Programabilitatea interfeței incrementale și a rezoluției prin UBIFAST Configuration Tool

■ Soluție economică pentru poziționare cu acuratețe ridicată

■ Înlocuire ușoară

NOU

Encoderele cubice POSITAL sunt construite pe platforma de măsurare magnetică. Modulul magnetic intern de măsură are acuratețe și răspuns dinamic ridicate, rezistență la șocuri, vibrații, praf și umezeală. Mai mult, acest modul Posital este programabil. Rezoluția (numărul de impulsuri pe rotație) poate fi programat între 1 și 16,384 impulsuri pe rotație (PPR) doar prin interfața de programare, fără modificări ale componentelor mecanice. Similar, sensul de rotație și ieșirile – Push-Pull (HTL), RS422 (TTL) sau Open Collector (NPN) – pot fi configurate în interfața de programare. Posibilitatea programării encoderului este semnificativă pentru distribuitori, integratori de sisteme sau constructori de mașini, ajutând la gestionarea eficientă a stocurilor. Utilizând senzori programabili, aceștia pot stoca produse “standard” în cantități reduse, care pot fi mai apoi configurate funcție de necesitățile aplicației în care vor fi integrate. Când este necesară reîntregirea stocului, sistemul internațional de producție Posital, poate livra produsul oriunde în doar câteva zile, la prețuri competitive. Înlocuire simplă și eficientă: Encoderele cubice POSITAL sunt construite în ideea unei înlocuiri simple și rapide a encoderelor cubice tradiționale, cu dimensiuni și interfețe similare. Acestea le fac un înlocuitor economic pentru com ponente defecte, ineficiente sau care nu se mai produc. Sunt, de asemenea, o alegere versatilă pentru noile utilaje, datorită ușurinței de montaj și tehnologiilor noi integrate.

Electronica • Azi nr. 9 (269)/2022 60
www.oboyle.ro

Eroii necunoscuți ai productivității, eficienței și siguranței

Fabricile viitorului sunt adesea strâns legate de cuvinte la modă, inclusiv Internetul lucrurilor (IoT), Industrial IoT și In dustrie 4.0 și alte tendințe ‘high-tech’. Cu toate acestea, după cum explică Cliff Ortmeyer, Directorul Global de Marketing Tehnic al Farnell, deseori, există produse și componente simple și neobservate, dar care pot fi foarte importante pentru atingerea productivității, eficienței și siguranței într-o fabrică modernă.

Atunci când oamenii se gândesc la fabrica viitorului, se gândesc adesea la vehicule de transport autonome și la alte mașini robo tizate care îndeplinesc eficient sarcini 24 de ore din 24, fără întreruperi sau cu un timp de întrerupere limitat. Este adevărat că noile inovații tehnologice sunt adoptate din ce în ce mai des în fabrici și aduc cu ele îmbună tățiri fără precedent ale productivității și eficienței. Totuși, o linie de producție este puternică doar în măsura în care este pu ternică și veriga ei cea mai slabă. Într-o uzină obișnuită, există nenumărate componente care funcționează “neobservate”, dar care, cu toate acestea, îndeplinesc funcții critice, în special în ceea ce privește siguranța. Dacă un întrerupător, un buton, un comu tator sau o lumină nu funcționează corect, acest lucru poate pune în pericol rezistența

unei linii de producție și poate pune în pericol vieți omenești. Siguranța persona lului care lucrează în apropierea utilajelor grele este primordială și nu poate fi com promisă. Chiar și cele mai mici compo nente trebuie să fie fiabile și să continue să funcționeze impecabil. Întreprinderile mici și mijlocii (IMM-uri) reprezintă o proporție semnificativă din numărul total de întreprinderi din întreaga lume și sunt considerate a fi coloana vertebrală a unei economii sănătoase. Un sector dinamic al IMM-urilor oferă locuri de muncă și generează creștere economică atât la nivel local, cât și la nivel general. Conform Organizației pentru Cooperare și Dezvoltare Economică (OCDE)1), IMM-urile creează aproximativ 70% din locurile de muncă și generează în medie între 50 și

60% din valoarea adăugată. În economiile emergente, IMM-urile contribuie cu până la 45% din totalul locurilor de muncă și cu 33% din PIB. Contribuția lor colectivă la economiile regionale și globale evidențiază necesitatea critică de a menține aceste în treprinderi să funcționeze cât mai eficient, mai sigur și mai productiv posibil.

Să ne bucurăm de valul post-pandemic În prezent, revenirea post-pandemică a IMM-urilor se traduce prin creșterea volu mului de comenzi și accelerarea dezvoltării. În consecință, investițiile în automatizare, digitalizare și alte tehnologii inovatoare continuă să sporească. Mai degrabă decât să concureze cu marile companii care au soluții financiare mult mai mari, majoritatea IMM-urilor își crează valoarea prin aborda rea unor piețe specializate sau de nișă. Ca atare, liniile lor de producție sunt adesea foarte personalizate. În plus, aceste firme nu își pot permite, frecvent, investiții sem nificative de capital pentru a automatiza o întreagă linie de producție sau pentru a re vizui procesele de producție cu ajutorul roboticii. De regulă, adoptarea digitalizării are loc într-un ritm mai lent și include sis teme disparate și componente de la mai mulți producători pentru a crea un ansam blu funcțional.

Electronica • Azi nr. 9 (269)/2022 62
INDUSTRIE4.0

În timp ce noile și inovatoarele metode de producție pot declanșa niveluri înalte de productivitate, este esențial ca operatorii economici să aibă în vedere elementele de bază corecte. În acest caz, “elementele de bază” se referă la elementele mai puțin “la modă” ale unei linii moderne de producție, care îndeplinesc sarcini esențiale. Aceste componente includ butoane de siguranță, coloane și lumini de semnalizare, precum și sisteme de alarmă care nu ajung niciodată “pe prima pagină a ziarelor” – cu excepția cazului în care se defectează.

Funcții critice de siguranță

Butonul de oprire de urgență reprezintă o componentă de bază utilizată într-o fabrică, dar este și una dintre cele mai importante. Această componentă critică poate preveni deteriorarea echipamentelor, rănirea per sonalului și, în cazuri extreme, poate în semna diferența dintre viață și moarte. Este vorba despre singura piesă a unui echipa ment care trebuie să fie 100% fiabilă. Dis tribuitorii globali de componente electronice, cum ar fi Farnell, oferă o gamă de bu toane de oprire de la producători de renu me, într-o varietate de modele și configurații pentru a se potrivi nevoilor specifice ale unei uzine sau ale forței de muncă. Butoa nele de oprire de urgență pot fi prevăzute cu activare cu cheie sau fără cheie, cu funcții de eliberare prin tragere sau prin rotire, iar pentru o vizibilitate sporită, există și variante cu butoane iluminate.

Eaton dispune de o gamă cuprinzătoare de butoane de oprire în siguranță și de oprire de urgență, care pot fi mon tate pe partea frontală a echi pamentelor sau direct pe podeaua fabricii. Elementele de contact cu automonitori zare asigură siguranța opera țională, chiar și în cazul unei instalări defectuoase sau al unei exploatări excesive.

Butoanele de oprire de urgență de la Eaton sunt ide ale pentru utilizarea în medii dificile, datorită designului ro bust care oferă un grad ridicat de protecție (IP67, IP69K) și o gamă largă de temperaturi ambientale. În cele din urmă, butonul de oprire de urgență este o componentă critică, prin care se asigură că oame nii, mașinile și sistemele sunt protejate în totalitate.

Coloanele luminoase reprezintă un alt exem plu de echipament care rareori atrage aten ția, dar care îndeplinește o funcție vitală, permițând o mai bună vizibilitate în fa brică. Utilizarea inteligentă a iluminatului, combinată cu o bună proiectare a sistemu lui de automatizare, permite interfețelor om-mașină (HMI) să ofere pentru depanare o abordare bazată mai mult pe indicii vizu ale. Coloanele luminoase utilizează adesea lumini de semnalizare pentru a afișa exact locul în care a apărut o problemă. Sistemele de semnalizare pot fi, de asemenea, utilizate pentru a oferi indicii vizuale ușor de înțeles și intuitive pentru lucrătorii din fabrică pentru a comunica starea producției și orice riscuri potențiale prezente, în special în mediile zgomotoase. Printre exemple se numă ră coloana de semnaliza re SL7-100-L-RG- 24LED de la Eaton și coloana lu minoasă JT028-RYGBCCD de la Mallory. Atunci când vine vorba de loca lizarea defecțiunilor, co loanele luminoase pot economisi timp prețios în identificarea și izola rea unei potențiale pro bleme, îmbunătățind siguranța instalației și eficiența lucrărilor de întreținere care trebuie efectuate. Coloanele luminoase, împreună cu un sis tem de alarmă sonoră, pot îm bunătăți și mai mult siguranța. Din nou, aceste dispozitive nu sunt în general asociate cu liniile de producție avangardiste, dar, cu toate acestea, îndeplinesc o funcție vitală. Distribuitorii dispun de o gamă considerabilă de opțiuni pentru a contribui la îmbunătățirea siguranței utilajelor grele și pen tru a garanta că asistența poa te fi direcționată rapid acolo unde este necesar în caz de urgență.

Printre soluțiile de vârf de pe piață pentru utilizare în interior și exterior se numără sirena de perete 57005268 de la Werma Signaltechnik GmBH.

Pe măsură ce arhitectura fabricilor devine tot mai sofisticată, pe piață intră noi soluții tehnologice pentru siguranță care comple tează componentele testate și încercate, cum ar fi alarmele și butoanele. De exemplu, perdelele optice de siguranță, care creează o barieră virtuală în jurul unui pericol, funcționează în esență ca senzori de proximitate și pot fi utilizate ca alternativă la barierele mecanice. Acestea utilizează lu mina pentru a crea o barieră virtuală în jurul unui obiect sau al unei zone. Atunci când sunt declanșate, acestea pot activa instan taneu și automat funcții de siguranță, cum ar fi alarmele sau oprirea echipamentului pentru a reduce riscul pentru personalul care efectuează lucrări de întreținere pe utilaje în mișcare.

Eroii necunoscuți ai fabricii moderne Asemenea canarului din minele de cărbu ne, ar fi ideal ca multe componente de sigu ranță din instalațiile moderne să nu trebuiască să intre vreodată în acțiune. (n.red.: În trecut, minerii aduceau canari în minele de cărbune pentru a da un semnal de avertizare timpurie în cazul în care, acolo, existau gaze toxice.) Totuși, acestea trebuie să funcțio neze atunci când este necesar. Este esențial pentru proprietarii de fabrici să se asigure că toate echipamentele sunt certificate, testate și actualizate. Oamenii și mașinile care lucrează împreună comportă riscuri inerente și necesită utilizarea unor dispozi tive care pot proteja lucrătorii împotriva practicilor nesigure, pot accelera găsirea defecțiunilor și pot asigura o oprire rapidă și eficientă în caz de urgență.

S-a dovedit că intensificarea automatizării industriale duce la creșterea productivității, dar poate atrage după sine și o sursă de riscuri. Tehnologia a ajutat fabrica modernă să devină mai conectată și, prin urmare, să obțină îmbunătățiri în ceea ce privește viteza și randamentul. Cu toate acestea, atunci când vă gândiți la fabrica viitorului, nu neglijați câțiva dintre eroii necunoscuți de care aveți nevoie pentru a construi o linie de producție și pentru a asigura un mediu de lucru productiv și sigur.

1) https://www.oecd.org/industry/C-MIN-2017-8-EN.pdf

■ Farnell https://ro.farnell.com

ANALIZĂ | Fabricile viitorului: un mediu de lucru productiv și sigur 63 www.electronica-azi.ro SL7-100-L-RG-24LED Signal Indicator Tower / Eaton 57005268 Wall-mounted Horn Werma Signaltechnik GmBH JT028-RYGBC-CD Stack Light / Mallory
Electronica • Azi nr. 9 (269)/2022 66 ............................................................................... LTHD Corporation S.R.L. Head Office: Timișoara - ROMÂNIA, 300153, 70 Ardealul Str., lthd@lthd.com, www.lthd.com Tel.: +40 256 201273, +40 356 401266, +40 729 009922, Fax: +40 256 490813

Turn static files into dynamic content formats.

Create a flipbook
Issuu converts static files into: digital portfolios, online yearbooks, online catalogs, digital photo albums and more. Sign up and create your flipbook.