Electronica Azi nr.8 - Octombrie 2022

Page 1

Anul XXII | Nr. 8 [ 268 ] Octombrie 2022 www.electronica-azi.ro

Foarte promițător în ceputul de toamnă în domeniul nostru, al electronicii!

În perioada 13-16 Septembrie, la Sibiu, a avut loc cea de-a 9-a ediție a conferinței ESTC (Electronics Sys tem-Integration Tech nology Conference).

Este vorba despre un eveniment internațio nal de prim rang în domeniul packaging -ului electronic și al integrării sistemelor.

ESTC se desfășoară o dată la doi ani și este conferința emblematică a IEEE EPS (Electronics Packaging Society of IEEE) din Europa. Un alt moment important, care a debutat la începutul lunii Octombrie, de această dată, a fost anunțul prin care onsemi (lider în domeniul tehnologiilor inteligente de putere și detecție) și-a extins operațiunile din București prin deschiderea unui nou Centru de Proiectare pentru dezvoltarea de semiconductori de ultimă generație! Sediul va găzdui întregul ciclu de dezvoltare a noilor produse, acoperind o gamă largă de activități, precum proiectare de circuite integrate, layout, dezvoltare de aplicații, mana gement de proiect și multe altele. Acum, toate privirile încep să se îndrepte către Electronica 2022 (una dintre cele mai mari expoziții de electronică din lume – 15/18 Noiembrie, la Munchen) dar, până atunci să vedem care este oferta revistei noastre pentru această ediție: Digi-Key propune un articol foarte interesant, care compară, pe scurt, performanțele memoriilor obișnuite (EEPROM, SRAM și flash) cu cele ale memoriei magneto rezistive cu acces aleatoriu – MRAM. Aceasta oferă latență redusă, are pierderi minime, număr mare de cicluri de scriere și retenție ridicată, cu alte cuvinte, tehnologia MRAM pare să fie o soluție foarte bună pentru aplicațiile de tip ‘edge computing’.

Mark Patrick (Mouser Electronic) “face puțină ordine” în lumea plăcilor de dezvoltare într-un articol unde explică semnificația termenului “placă de dezvoltare”, evidențiind diferențele dintre aceste tipuri de plăci electronice și “ru dele” lor apropiate – computerele pe o singură placă (SBC). Autorul prezintă evoluția lor din trecut până în prezent și analizează tendințele cu privire la modul în care acestea ar putea evolua în viitor. Tot legat de acest subiect, Rutronik vine cu un kit de dezvoltare (RDK2), care oferă o gamă extinsă de caracteristici și interfețe utile. În plus, datorită extensiilor Arduino, proiectanții se pot bucura de o platformă hardware modernă și ușor de utilizat, capabilă să reducă semnificativ timpul de dezvoltare. Să nu uităm, totuși, de SBC-uri! Raspberry Pi “își face loc” în aplicațiile IIoT, iar acest lucru ni-l explică Cliff Ortmeyer de la Farnell.

www.electronica-azi.ro
gneagu@electronica azi.ro EDITORIAL | de Gabriel Neagu 3

Management

Editori Seniori

Prof. Dr.

orocel C odreanu Conf. Dr.

ng.

Revista “Electronica Azi” apare de 10 ori pe an (exceptând lunile Ianuarie şi August. Revista este disponibilă atât în format tipărit, cât şi în format digital (Flash / PDF). Preţul unui abonament la revista “Electronica Azi” în format tipărit este de 200 Lei/an.

Revista “Electronica Azi” în format digital este disponibilă gratuit la adresa: https://www.electronica-azi.ro În acest format pot fi vizualizate toate paginile revistei şi descărcate în format PDF. Revistele editurii în format flash pot fi accesate din pagina de internet a revistei “Electronica Azi” sau din pagina web Issuu: https://issuu.com/esp2000/

Revistele sunt, de asemenea, disponibile pentru Android sau iOS, descărcând aplicaţia oferită de Issuu. 2022© - Toate drepturile rezervate.

Electronica • Azi nr. 8 (268)/20224 ® ® ISSN: 1582-3490 “Electronica Azi” este marcă înregistrată la OSIM - România, înscrisă la poziţia: 124259
Director General - I onela G anea Director Editorial - Gabriel N eagu Director Economic - I oana P araschiv P ublicitate - Irina G anea Web design - Petre Cristiscu
Prof. Dr. I ng. Paul S vasta
I ng. N
I
Marian V lădescu Conf. Dr. I ng. B ogdan G rămescu I ng. Emil Floroiu https://www.electronica-azi.ro https://issuu.com/esp2000 https://www.facebook.com/ELECTRONICA.AZI Electronica Azi nr. 8/2022 | SUMAR Tipar executat la Tipografia Everest EURO STANDARD PRESS 2000 srl CUI: RO3998003 J03/1371/1993 Contact: Tel.: +40 (0) 31 8059955 // office@esp2000.ro https://www.esp2000.ro Contact: office@electronica-azi.ro https://www.electronica-azi.ro Tel.: +40 (0) 744 488818 3 | Editorial 6 | Câștigați o placă de dezvoltare AVR-IoT Cellular Mini produsă de Microchip 6 | Noul episod al seriei de podcasturi de la Farnell, “The Innovation Experts”, cu Schneider Electric, este acum disponibil 6
www.twitter.com/ElectronicaAzi 5 https://international.electronica-azi.ro www.electronica-azi.ro https://www.instagram.com/electronica_azi 8 | Utilizarea memoriei MRAM în aplicații de tip ‘Edge Computing’ 12 | RDK2 - Suport în dezvoltare pentru nenumărate aplicații 14 | Spre EtherCAT® și mai departe 18 | Mai multă performanță pentru siguranța funcțională 22 | Digi-Key își extinde centrul de distribuție a produselor pentru a continua să livreze excelență la nivel global 24 | Plăci de dezvoltare - Trecut, prezent și viitor 28 | Transformarea digitală elimină panoul de comandă 30 | Raspberry Pi oferă soluția pentru centrul de date industrial 32 | Conectori industriali etanși 35 | Farnell, singurul distribuitor de servicii de înaltă calitate, care oferă soluții software T&M clienților săi 36 | Senzor de poziție multitură cu capabilități TPO (True Power-On) și consum zero de putere 40 | Maximizarea densității de putere cu ajutorul un driver de transformator LLC de 5MHz inovator de la MPS 43 | Releu de control Eaton easyE4 pentru utilizare cu interfață HMI 44 | Furnizăm tehnologie GaN 45 | În urma publicării rezultatelor celui de-al patrulea trimestru și al anului fiscal 2022 de către compania Avnet, Farnell înregistrează un nou record în ceea ce privește veniturile 46 | 5G New Radio 50 | Modul în care s-a procedat întotdeauna pentru conectare 54 | DRT 25C: Detecție optică perpendiculară pe conveior 56 | FUJIFILM PRESCALE: Folie pentru măsurarea presiunii 57 | Detecția muchiilor transparente 58 | Senzori inductivi full-inox imuni la așchii metalice de fier, aluminiu, oțel inox, alamă, cupru sau titaniu 60 | Cum să folosiți eficient elastomerii conductivi pentru conexiunile electrice din conectorii Mil -Aero 65 | Felix Electronic Services: Servicii complete de asamblare 66 | Brady: Siguranță și conformitate 14 18 32 40

Electronica Azi | CONCURS

Câștigați o placă de dezvoltare AVR-IoT Cellular Mini produsă de Microchip

Câștigați o placă de dezvoltare Microchip AVRIoT Cellular Mini (EV70N78A) de la Electronica Azi și, dacă nu o câștigați, primiți 15% reducere la următoarea achiziție și transport gratuit.

Placa de dezvoltare AVR-IoT Cellular Mini se bazează pe micro controlerul (MCU) AVR128DB48 pe 8-biți. Având un factor de formă mic, placa de dezvoltare AVR-IoT Cellular Mini reprezintă o soluție ideală pentru proiectanții care vor să conecteze dispo zitive IoT la o rețea 5G disponibilă. Aceasta este o caracteristică esențială pentru dispozitivele aflate în mișcare sau amplasate în zone îndepărtate cu disponibilitate limitată privind rețelele cu rază lungă de acțiune (LoRa®) sau alte soluții LPWAN (Low Power Wide Area Network). Clienții pot profita de flexibilitatea și ușurința în proiectare oferite de cea mai recentă familie de microcontrolere pe 8-biți AVR128DB48, inclusiv de protecție în materie de secu ritate cu ajutorul dispozitivului ATECC608 CryptoAuthentication™ de la Microchip. Acesta poate fi configurat cu ușurință la majori tatea furnizorilor importanți de servicii cloud prin intermediul IoT Provisioning Tool de la Microchip. Placa de dezvoltare AVR-IoT Cellular Mini vine pre-configurată pentru a trimite date către cloud de la senzorii de lumină și temperatură aflați pe placă, datele putând fi vizualizate cu aju torul portalului sandbox de la Microchip. Portalul sandbox oferă clienților posibilitatea de a-și urmări și monitoriza dispozitivul de la distanță, în timp real. Această funcționalitate răspunde cerințelor de bază ale multor aplicații din diverse industrii, inclusiv agricultură, industrie și energie, precum și din spații de consum, cum ar fi transportul de bunuri, sisteme de alarmă, automati zarea clădirilor și monitorizarea de la distanță. Mai mult, Microchip a încheiat un parteneriat cu Sequans pen tru a include în această soluție modulul radio Monarch 2 GM02S echipat cu 5G LTE-M și IoT în bandă îngustă. De aseme nea, Microchip a încheiat un parteneriat cu Truphone pentru a furniza cartela SIM pentru serviciul celular, care oferă o acope rire viabilă la nivel mondial.

Pentru a avea șansa de a câștiga o placă de dezvoltare AVR-IoT Cellular Mini produsă de Microchip sau de a primi 15% reducere la următoarea achiziție Microchip și transport gratuit, accesați pagina: https://page.microchip.com/E-Azi-Mini.html și introduceți datele voastre în formularul online.

Noul episod al seriei de podcasturi de la Farnell, “The Innovation Experts”, cu Schneider Electric, este acum disponibil

Seria de podcasturi din acest sezon investighează modul în care unii dintre cei mai importanți producători de componente și soluții electronice din lume permit inovația tehnologică în domeniul IIoT (Industrial Internet of Things) și al producției inteligente. Fiecare epi sod al seriei va permite cumpărătorilor, inginerilor proiectanți, managerilor de fabrici și altor profesioniști din industrie să profite de conceptele din spatele Industriei 4.0 și să adopte optimizarea. De asemenea, vor fi împărtășite informații valoroase despre cele mai recente tendințe, provocări, produse, instrumente și aplicații. În acest nou episod, Schneider Electric oferă o prezentare exclusivă a abordării inovatoare a companiei în ceea ce privește dezvoltarea de noi soluții tehnologice pentru IIoT, inclusiv modul în care cunoștințele cheie sunt transmise direct către clienți. Mark Yeeles, Vicepreședinte Industrial Automation la Schneider Electric UK & Ireland, recomandă că implicarea în par teneriate strategice și desfășurarea de proiecte pilot înainte de integrarea completă a sistemului este esențială pentru crearea unor facilități complet optimizate. Inginerii și managerii de fabrici vor putea lua decizii mai inteligente, adesea autonome, care pot eficientiza procesele și pot realiza o transformare digitală de succes într-un ritm mult mai rapid.

Cu noi episoade lansate la fiecare câteva săptămâni, The Inno vation Experts – “Industry 4.0 and the Future of Manufacturing” va aborda subiecte precum tendințe în domeniul fabricilor inteli gente și modul în care se poate demonstra rentabilitatea investițiilor, sinergia revoluției industriale cu electrificarea, rolul crucial al dezvoltării parteneriatelor strategice și multe altele. Primul episod din seria 2 s-a axat pe modalitatea prin care companiile de procesare și de producție pot integra principiile Industrie 4.0 prin adoptarea digitalizării. Omega Engineering a prezentat modalități inovatoare de modernizare a sistemelor existente din fabrici folosind soluții critice, cum ar fi senzorii și noile sonde digi tale inteligente, pentru a capta informații în timp real. Ascultătorii au înțeles mai bine monitorizarea edge (la marginea rețelei), colectarea și analiza de date uriașe și pașii care trebuie urmați înainte de instalarea completă a sistemului.

Cel de-al doilea episod, cu Schneider Electric, este disponibil acum pe hub-ul de resurse tehnice al Farnell.

| https://ro.farnell.com

Electronica • Azi nr. 8 (268)/20226
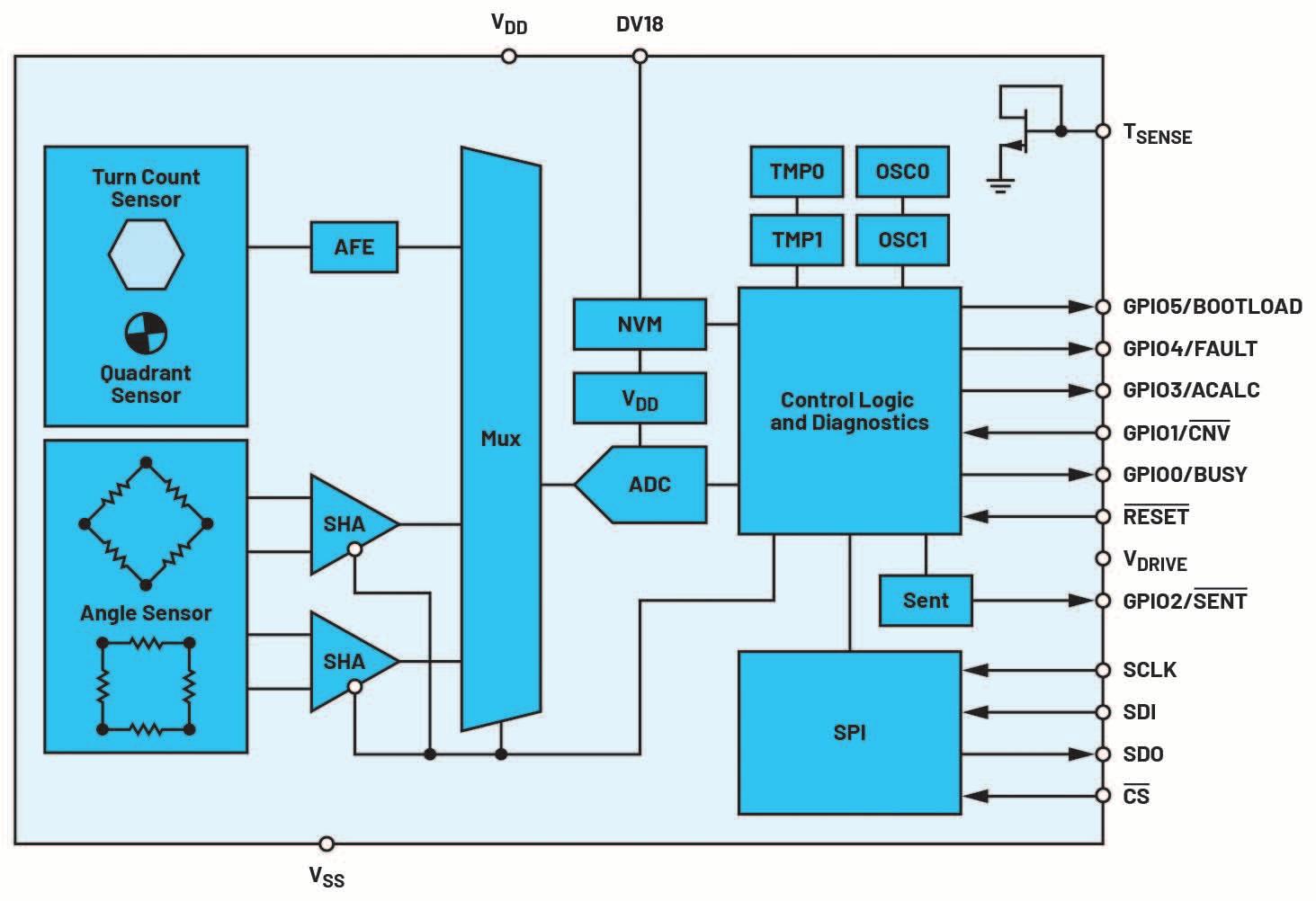
■ Farnell

Utilizarea memoriei MRAM în aplicații de tip ‘Edge Computing’

Articolul compară pe scurt capabilitățile de performanță ale tehnologiilor de memorie obișnuite, precum EEPROM, SRAM și flash cu MRAM. Apoi va trece în revistă beneficiile utilizării MRAM în mai multe aplicații de tip ‘edge computing’, după care va prezenta câteva dispozitive MRAM de la Renesas Electronics, sfaturi privind utilizarea lor și o platformă de evaluare pentru a ajuta proiectanții să înceapă proiectarea.

Autor: Rolf Horn | Inginer de aplicații Digi-Key Electronics

Utilizarea tehnologiei de calcul la periferia rețelei (edge computing) este în creștere în aplicații precum IIoT (Internetul Industrial al Lucrurilor), robotică, dispozitive medicale, dispozitive purtabile, inteligență artificială, industria auto și echipamente portabile. Pe lângă această creștere, este nevoie de me morie de mare viteză, cu latență redusă, nevolatilă, cu consum redus de putere și costuri minime pentru utilizări, cum ar fi stocarea programelor și salvarea datelor.

Deși există multe opțiuni disponibile, precum memoria statică cu acces aleatoriu (SRAM), memoria RAM dinamică (DRAM), memoria flash și memoria nevolatilă EEPROM (Electrically erasable programmable read-only memory), fiecare dintre aceste tehnologii utilizate pe scară largă necesită compromisuri în unul sau mai multe domenii, ceea ce le face mai puțin adecvate pentru ‘edge computing’.

Prin urmare, proiectanții se pot orienta către memoriile magnetorezistive cu acces aleatoriu (MRAM). Dispozitivele MRAM, după cum sugerează și numele, stochează datele în elemente de stocare magnetice și oferă un acces aleatoriu veritabil, permițând atât citirea, cât și scrierea aleatorie în memorie. Structura și funcționarea lor sunt de așa natură încât acestea se caracterizează printr-o latență redusă, pierderi minime, număr mare de cicluri de scriere și retenție ridicată, toate acestea fiind foarte dorite pentru calculul ‘edge’.

Comparație între tehnologiile de memorie Proiectanții de aplicații de procesare la mar ginea rețelei au de ales între mai multe tehnologii de memorie, fiecare dintre aces tea oferind diverse capabilități de perfor manță, dar și compromisuri (Tabelul 1).

DRAM asigură cel mai frecvent memoria de lucru pentru diferite tipuri de procesoare în timpul execuției software. Este ieftină, rela tiv lentă (în comparație cu SRAM), consumă cantități semnificative de energie și păs trează datele doar atât timp cât există ali mentare cu energie. În plus, celulele de memorie DRAM pot fi afectate de radiații. SRAM este mai rapidă și mai scumpă decât DRAM. Este adesea utilizată ca memorie cache pentru procesoare, în timp ce DRAM asigură memoria principală. Este cea mai mare consumatoare de energie dintre memoriile descrise aici și, la fel ca DRAM, este o memorie volatilă. Și celulele SRAM pot fi afectate de radiații, dar ambele memorii oferă o bună anduranță. EEPROM este o memorie nevolatilă care utilizează o tensiune aplicată din exterior pentru a șterge datele. EEPROM-urile sunt lente, au o durată de viață limitată − de obicei până la un milion de cicluri − și consumă o cantitate relativ mare de ener gie. Memoria EEPROM este în prezent cea mai puțin utilizată dintre tehnologiile de memorie descrise aici.

1

Memoria MRAM este non-volatilă, ca și flash și EEPROM și are timpi de citire/scriere compatibili cu SRAM.

Electronica • Azi nr. 8 (268)/20228 MEMORII
Tabelul
© Renesas
Electronics
Scop: îmbunătățirea fiabilității, scăderea latenței și reducerea consumului de putere

ANALIZĂ

Flash este o variantă a memoriei EEPROM, cu o capacitate de stocare mult mai mare și cu viteze de citire/scriere mai mari, dar este încă relativ lentă. Flash este ieftină, iar da tele pot fi păstrate până la 10 ani în condiții de oprire a alimentării. Cu toate acestea, uti lizarea memoriei flash este mai complexă în raport cu alte tipuri de memorie. Datele trebuie să fie citite în blocuri și nu pot fi citite octet cu octet. De asemenea, înainte de a fi rescrise, celulele trebuie să fie șterse. Ștergerea trebuie efectuată bloc cu bloc, nu pe fiecare octet în parte. În ceea ce o privește, MRAM este o adevă rată memorie cu acces aleatoriu, permițând atât citirea, cât și scrierea aleatorie în memo rie. MRAM prezintă, de asemenea, zero pierderi atunci când este în standby și combină abilitatea de a suporta 1016 cicluri de scriere cu o capabilitate de păstrare a da telor mai mare de 20 de ani la 85°C. În pre zent, MRAM este disponibilă cu o densitate cuprinsă între 4 megabiți (Mbiți) și 16 Mbiți. Tehnologia MRAM este similară cu tehno logia flash cu timpi de citire/scriere compati bili cu SRAM [MRAM este uneori denumită SRAM persistentă (P-SRAM)].

Datorită caracteristicilor sale, MRAM este deosebit de potrivită pentru aplicațiile care trebuie să stocheze și să recupereze date cu o latență minimă. Aceasta combină latența redusă cu consumul redus de pu tere, anduranța infinită, scalabilitatea și non-volatilitatea. Imunitatea inerentă a MRAM la particulele alfa o face, de aseme nea, potrivită pentru dispozitivele care sunt expuse în mod regulat la radiații.

potrivite pentru aplicații de

Renesas Electronics a adăugat recent dis pozitive MRAM care utilizează o tehnolo gie proprietară STT-MRAM (Spin Transfer Torque MRAM) aceasta bazându-se pe o joncțiune magnetică tunel perpendiculară (p-MTJ). P-MTJ include un strat magnetic fix și imuabil, un strat de barieră dielectrică și un strat feromagnetic de stocare schim babil (Figura 1).

În cazul unei întreruperi a alimentării, datele înregistrate trebuie să fie păstrate pe termen nelimitat. MRAM satisface cerințele de performanță ale înregistratoarelor de date. Persistența MRAM, combinată cu un mod de consum extrem de redus de putere, permite o soluție unitară de memorie pen tru cod și date în nodurile IoT, care funcționează utilizând surse de recoltare a

Funcționarea memoriei MRAM După cum sugerează și numele, datele din MRAM sunt stocate prin elemente de sto care magnetică. Elementele sunt formate din două plăci feromagnetice separate printr-un strat izolator subțire, fiecare din tre plăci putând menține o magnetizare. Această structură se numește joncțiune magnetică tunel (MTJ − Magnetic Tunnel Junction). Una dintre cele două plăci este un magnet permanent setat la o anumită polaritate în timpul fabricării; magnetiza rea celeilalte plăci poate fi modificată pen tru a stoca date.

În timpul unei operațiuni de programare, orientarea magnetică a stratului de sto care este comutată electric dintr-o stare paralelă (stare de rezistență scăzută “0”) într-o stare antiparalelă (stare de rezistență ridicată “1”) sau invers, în funcție de direcția curentului prin elementul p-MTJ. Aceste două stări distincte de rezistență sunt utilizate pentru stocarea și detectarea datelor.

energiei sau baterii în factori de formă ex trem de mici (Tabelul 2). Timpul de iniția lizare este adesea un aspect important în nodurile IoT. Implementarea unei structuri de tip “code-in-place” utilizând MRAM poate reduce timpul necesar pentru bootare, precum și costul total al listei de materiale, deoarece sunt necesare mai puține com ponente decât în cazul utilizării memoriilor DRAM sau SRAM.

Cazuri de utilizare pentru MRAM Înregistrarea datelor, memoriile din nodu rile IoT, învățarea automată/inteligența artificială în dispozitivele de calcul perife ric și etichetele RFID din spitale sunt exem ple de cazuri de utilizare a memoriilor MRAM. Înregistratoarele de date necesită mai mulți megabiți de memorie nevolatilă pentru a permite acumularea de date pe termen lung. De obicei, acestea sunt ali mentate de la baterii, dar se pot baza, de asemenea, pe recoltarea de energie pen tru alimentare și, prin urmare, necesită o memorie cu consum redus de energie.

Persistența oferită de MRAM permite, de asemenea, o nouă generație de noduri IoT capabile de învățare automată, în care al goritmii de inferență nu trebuie reîncărcați de fiecare dată după trezirea dispozitivu lui. Procesarea locală include analiza date lor senzorilor, luarea de decizii și, în unele cazuri, chiar reconfigurarea nodului. Această inteligență localizată necesită o memorie persistentă și cu consum redus de putere. Astfel de dispozitive pot să im plementeze o inferență grosieră locală în timp real și pot utiliza cloud-ul pentru o analiză îmbunătățită.

9www.electronica-azi.ro
Viteza, anduranța și capabilitățile de păstrare a datelor oferite de memoria MRAM permit acesteia să îndeplinească cerințele de memorie ale nodurilor IoT. Tabelul 2 © Avalanche Technology Celula de bază a STT-MRAM este alcătuită dintr-un MTJ și un tranzistor de acces. Figura
1
© Avalanche Technology
| Alegerea memoriei
calcul ‘edge’

Viteza MRAM este benefică pentru imple mentarea învățării automate în dispozitive ‘edge’, cum ar fi sistemele de planificare a resurselor întreprinderii (ERP), sistemele de execuție a producției (MES) și sistemele de control și achiziție de date (SCADA). În aceste sisteme, datele sunt analizate, iar modelele intermediare sunt identificate și partajate cu domeniile adiacente. Arhitec tura ‘edge’ necesită viteză de procesare și memorie persistentă.

De asemenea, proiectanții pot implementa memorii MRAM în dispozitivele de asistență medicală, unde identificarea prin radio frecvență (RFID) poate fi benefică. Consumul lor redus de putere, combinat cu imunitatea la radiații, le face potrivite pentru mediile spitalicești. Etichetele RFID în spitale sunt utilizate din diverse motive, inclusiv pentru gestionarea inventarului, îngrijirea și sigu ranța pacienților, identificarea echipamen telor medicale, precum și pentru identificarea și monitorizarea consumabilelor.

Memorie MRAM serială de înaltă performanță

Proiectanții de sisteme de calcul la limita sistemului, cum ar fi control industrial și automatizări, echipamente medicale, dis pozitive purtabile, sisteme de rețea, sto care/RAID, aplicații auto și robotică pot utiliza memoria M30082040054X0IWAY de la Renesas (Figura 2). Aceasta este dispo nibilă în densități de la 4 Mbiți la 16 Mbiți. Tehnologia MRAM de la Renesas este simi lară cu tehnologia flash, cu timpi de citire/ scriere compatibili cu SRAM. Datele sunt întotdeauna nevolatile, cu o anduranță de 1016 cicluri de scriere și o retenție mai mare de 20 de ani la 85°C.

M30082040054X0IWAY dispune de o inter față periferică serială (SPI), care elimină nevoia

de drivere de dispozitiv. SPI este o interfață serială sincronă ce utilizează linii separate pentru date și ceas pentru a ajuta la asigu rarea unei sincronizări perfecte între ‘gazdă’ și ‘slave’. Ceasul “comunică” receptorului exact când este necesar să eșantioneze biții de pe linia de date. Acesta poate fi pe frontul crescător ( de la nivel scăzut la nivel ridicat) sau pe cel descrescător (de la nivel ridicat la nivel scăzut) sau pe ambele fronturi ale semnalului de ceas.

M30082040054X0IWAY oferă atât scheme de protecție a datelor bazate pe hardware, cât și pe software. Protecția hardware se realizează prin intermediul pinului WP#. Protecția software este controlată de biții de configurare din registrul ‘Status’. Am bele scheme inhibă scrierea în regiștri și în matricea de memorie. Are o matrice de stocare augmentată de 256-octeți care este independentă de matricea de memo rie principală.

Ambele

M30082040054X0IWAY suportă funcția XIP (eXecute-In-Place) care permite com pletarea unei serii de instrucțiuni de citire și scriere fără a fi necesară încărcarea individuală a comenzii de citire sau scriere pentru fiecare instrucțiune. Astfel, modul XIP reduce overhead-ul înainte de execu tarea unei comenzi precum și timpul de acces aleatoriu la citire și scriere.

Aceasta este programabilă de către utiliza tor și poate fi protejată la scriere împotriva scrierilor involuntare. Pentru a răspunde și mai bine aplicațiilor cu consum redus de putere, memoria M30082040054X0IWAY are două stări de consum redus de putere: Deep Power Down și Hibernare. Datele nu se pierd în timp ce dispozitivul se află în oricare dintre aceste două stări de consum redus de pu tere. Mai mult, dispozitivul își păstrează toate configurațiile. Memoria este disponibilă în capsule DFN (WSON) cu 8 pad-uri și SOIC cu 8-pini. Aceste capsule sunt compatibile cu cele ale produselor volatile și non-vola tile similare cu consum redus de putere. Dispune de intervale de temperatură de operare de tip industrial (-40°C ... 85°C) și industrial plus (-40°C ... 105°C).

Utilizând memoria MRAM

MRAM poate reduce semnificativ consumul global de putere în comparație cu alte tehnologii de memorie. Însă valoarea eco nomiilor de energie poate varia în funcție de tiparele de utilizare ale proiectului de aplicație specific. Ca și în cazul altor memorii nevolatile, curentul de scriere este mult mai mare decât cel de citire sau de standby.

Electronica • Azi nr. 8 (268)/202210
Kitul de evaluare M3016-EVK se montează deasupra unei plăci gazdă Arduino UNO pentru a sprijini evaluarea rapidă a performanțelor memoriei MRAM. Figura 3 © Renesas Electronics
M30082040054X0IWAY oferă atât scheme de protecție a datelor bazate pe hardware, cât și pe software. Protecția hardware se realizează prin intermediul pinului WP#. Protecția software este controlată de biții de configurare din registrul Status.
scheme inhibă scrierea în regiștrii și în matricea de memorie. Figura 2 © Renesas Electronics MEMORII

MRAM

Prin urmare, timpii de scriere trebuie să fie minimizați în aplicațiile cu consum energetic critic, în special în proiec tele care necesită scrieri frecvente în memorie. Timpii de scriere mai scurți ai MRAM pot atenua acest aspect și pot reduce consumul de energie în comparație cu alte opțiuni de memorie nevolatilă, cum ar fi EEPROM sau flash. Economii suplimentare de energie sunt posibile cu MRAM folosind o arhitectură de sistem de control al consumului de putere și plasând memoria în modul standby cât mai des posibil. Timpul mai scurt de pornire la scriere al memo riei MRAM face posibilă punerea acesteia în standby mai frecvent decât în cazul altor memorii nevolatile. De asemenea, scurgerile zero ale MRAM atunci când se află în standby sunt de ajutor în acest caz. Rețineți că este deseori nevoie de un condensator de decuplare mai mare pentru a susține necesarul de putere de pornire atunci când se utilizează un sistem de control al alimentării.

Placă de evaluare MRAM

Pentru a ajuta proiectanții să înceapă să utilizeze dispozi tivul M30082040054X0IWAY, Renesas oferă kitul de eva luare M3016-EVK. Acesta conține MRAM-ul de 16-Mbiți și permite utilizatorilor să dezvolte soluții hardware inter active folosind populara placă Arduino (Figura 3). Kitul 'plug-n-play' include o placă gazdă Arduino și un emulator de terminal care comunică cu interfața USB a calculatoru lui. Placa de evaluare se montează deasupra plăcii gazdă Arduino UNO prin intermediul conectorilor UNO R3. Pro gramele de testare furnizate permit utilizatorilor să eva lueze rapid funcționalitatea dispozitivului MRAM.

Concluzie

Proiectarea dispozitivelor de calcul periferic (edge) care utilizează tehnologii de memorie convenționale, cum ar fi DRAM, SRAM, flash și EEPROM, necesită o serie de com promisuri ce pot limita performanța. Pentru aplicații de tip ‘edge computing’, proiectanții se pot orienta către memoriile MRAM recent lansate, care oferă acces alea toriu real, permițând atât citirea, cât și scrierea aleatorie în memorie. După cum s-a văzut, MRAM satisface nevoile de memo rie ale proiectanților de sisteme de calcul la marginea rețelei, inclusiv: un dispozitiv care trebuie să stocheze și să recupereze date fără a înregistra latențe mari; un con sum redus de putere datorită scurgerilor zero atunci când se află în standby; și capacitatea de a suporta 1016 cicluri de scriere cu posibilitatea de păstrare a datelor mai mult de 20 de ani la 85°C.

Lectură recomandată

■ Intelligent Security Systems using Edge-Computing (Sisteme de securitate inteligente utilizate în aplicații EdgeComputing).

[ https://www.digikey.co.uk/en/product-highlight/r/rene sas/edge-computing-for-security-systems ]

■ Digi-Key Electronics www.digikey.ro

www.electronica-azi.ro
11 ANALIZĂ | Memoria

RDK2

Suport în dezvoltare pentru nenumărate aplicații

Rutronik a proiectat kitul de dezvoltare RDK2, care oferă o gamă extinsă de caracteristici și interfețe utile. Mai mult, datorită extensiilor Arduino, acesta pune la dispoziția proiectanților o platformă hardware modernă și ușor de utilizat, capabilă să reducă semnificativ timpul de dezvoltare.

Elementul central al platformei RDK2 este sistemul pe cip programabil PSoC62 (Pro grammable System on Chip) de la Infineon. Microcontrolerul cu consum ultra-redus de putere este bazat pe tehnologia de fabri cație de 40 nm și combină procesoare Arm Cortex-M4 și Cortex-M0 cu două nuclee. Datorită comutatorului rotativ integrat pen tru selectarea sursei de alimentare în comu tație (SMPS), RDK2 oferă diverse opțiuni de funcționare: Platforma poate fi alimentată fie de la o sursă de alimentare standard, fie prin USB Type-C, fie chiar de la o baterie tip monedă. Convertorul coborâtor-crescător (buck-boost) BD83070GWL poate furniza la ieșire o tensiune de 3,3V și 2A pentru shieldurile Arduino fiind alimentat de la o baterie Li-ion cu o singură celulă sau de la orice altă sursă de tensiune cuprinsă între 2,0V și 5,5V. Convertorul coborâtor (buck) AP63357DV-7 poate furniza la ieșire o tensiune de 5V și 3A pentru extensiile Arduino fiind alimentat de orice sursă de tensiune externă cuprinsă între 5V și 20V.

În plus față de interfața USB, RDK2 include o interfață CAN-FD și o interfață RS 485 pentru comunicația între diverse dispozitive sau componente, cum ar fi senzori sau actua toare. În combinație cu memoria externă PSRAM (64 Mbit QSPI) sau memoria NOR Flash (512 Mbit Semper NOR Flash cu carac teristici pentru siguranță funcțională con form IEC 61508, de exemplu, Safe Boot sau ECC), kitul de dezvoltare este deosebit de potrivit pentru dezvoltarea de dispozitive purtabile și senzori. Datorită slotului pentru card microSD, datele pot fi stocate și extern. Pentru o flexibilitate și mai mare, atunci când se utilizează controlerul, toate intrările/ ieșirile de uz general (GPIO) pot fi adresate prin intermediul unor conectori cu pini care pot fi lipiți pe placă. Un potențiometru inte grat ajută la o primă ajustare a ADC-ului și poate fi utilizat și pentru aplicații ulterioare. Circuitul integrat pentru managementul puterii (PMIC) este alimentat de sursa de ali mentare de urgență, adică de o baterie sau de un supercapacitor.

Acesta gestionează alimentarea controleru lui și a restului sistemului (senzori și actua toare sau shield-uri Arduino). Activarea se face prin intermediul unui push buton sau al alarmei ceasului în timp real (RTC). Acest lucru permite implementarea unor soluții de economisire a energiei pentru aplicații din domeniul industrial și auto.

Conectorul USB-C, combinat cu capabili tatea USB PD (Power Delivery), permite transferul unei cantități mai mari de energie în aceeași perioadă de timp la fel ca pre decesorii săi USB-A și USB-B. Astfel, timpii de încărcare pot fi reduși semnificativ. Ca atare, RDK2 asigură, de asemenea, confor mitatea cu specificația USB-PD.

Pentru aplicații tactile elegante și fiabile Tehnologia CapSense a PSoC62 oferă o sensibilitate ridicată pentru un răspuns tactil precis, chiar și în medii zgomotoase și timpi de detecție rapizi pentru aplicații tactile capacitive elegante, fiabile și ușor de utilizat. Pentru a face acest lucru, tehnologia utilizează un algoritm de detecție capacitivă Sigma Delta (CSD) brevetat, care asigură detecția capacitivă printr-o tehnică de condensator comutat cu un modulator delta-sigma.

Electronica • Azi nr. 8 (268)/202212
PLĂCI DE DEZVOLTARE
© PRBX/NASA

Folosind KitProg3 de la com pania Infineon, depanarea este posibilă direct pe placă, fără a fi nevoie de un depanator extern. KitProg este un firmware de comunicație de nivel scăzut pentru programarea și depa narea microcontrolerelor PSoC. KitProg3 utilizează standardul industrial CMSIS-DAP ca meca nism de transport, în timp ce punctele finale USB bulk asigură o comunicație rapidă. Pentru programare, Infineon oferă gratuit IDE “ModusTool box”. Acesta include o colec ție de programe ușor de utilizat și instrumente puternice de sine stătătoare, de exem plu, configuratoare, care pot fi combinate în mod flexibil cu orice compilatoare, editoare, depanatoare și sisteme de control al reviziei.

Ușor de extins cu plăci adaptoare de la Arduino RDK2 este proiectat în formă de fluture. În mijloc sunt am plasați conectori stivuibili Ar duino, unde utilizatorii pot conecta orice extensii Arduino. Acest design unic asigură nu numai un factor de recunoaș tere, ci și o compatibilitate electromagnetică (EMC) ridicată. Deoarece shield-urile Arduino sunt suspendate, fluxul de cu rent nu este perturbat la frecvențe înalte, de exemplu, datorită traseelor de cupru de pe placă.

Rutronik a dezvoltat deja două astfel de plăci adaptoare și furnizează în plus stivele de software corespunzătoare:

• RutAdaptBoard-TextTo Speech scurtează timpul de dezvoltare pentru realizarea unei aplicații de voce de înaltă calitate. Aceasta vine cu un cir cuit integrat pentru voce de la Epson, care poate emite propoziții liber definite în 12 limbi cu ajutorul unui software pentru PC primit de la furnizor. În acest scop, Rutronik a dez voltat un software pentru încărcarea fișierelor text create de pe PC pe RDK2 prin inter mediul unei interfețe grafice

de utilizator (GUI). Un amplifi cator audio și o mufă jack de 3,5 mm pot fi, apoi, utilizate pentru a controla propozițiile din kit și pentru a le emite prin intermediul difuzorului.

• RutAdaptBoard-HMS se bazează pe procesorul de rețea Anybus NP40 de la HMS. Acesta poate fi controlat în serie și poate emite diverse protocoale pentru Ethernet industrial și fieldbus. De aseme nea, permite integrarea unor componente de infrastructură optimizate, cum ar fi switchuri pentru Ethernet de înaltă performanță. Nu sunt necesare ASIC-uri și FPGA-uri suplimen tare pentru comunicație. Aplicațiile EtherCAT pot fi im plementate cu software-ul TwinCAT PC de la Beckhoff. În prezent sunt în curs de dezvol tare add-on-uri pentru alte protocoale.

Inutil să mai spunem că și alte shield-uri Arduino pot fi com binate cu RDK2. Cu toate aces tea, se așteaptă ca utilizatorii să efectueze singuri ajustările software necesare.

Mai mult, Rutronik furnizează gratuit firmware și aplicații demo. Toate componentele necesare pentru proiecte per sonalizate sunt disponibile direct de la Rutronik. Informații suplimentare des pre RDK2 pot fi găsite la: https://www.rutronik.com/de velopment-stories/rutronikdevelopment-kit-rdk2/.

RDK2 oferă multe caracteristici care reduc semnificativ timpul de dezvol tare pentru nenumărate aplicații. În cadrul Rutronik System Solutions, plăcile dezvoltate, cum ar fi RAB1Sensorfusion Board, Adapter Board - Text To Speech, RAB2 - CO2 sau HMS Anybus, pot fi stivuite pe RDK2. În plus, toate plăcile pot fi combinate între ele, ceea ce oferă și mai multe posibilități de dezvoltare. Toate componentele utilizate pentru plăci sunt, de asemenea, disponibile în portofoliul Rutronik.

■ Rutronik www.rutronik.com

www.electronica-azi.ro
13 LABORATOR

Spre EtherCAT® și mai departe

În ultimele două decenii, a avut loc o mare schimbare în modul în care comunică siste mele industriale. Această schimbare a făcut ca firmele să se îndepărteze de sistemele bazate pe fieldbus și să se orienteze către sisteme de comunicații care se bazează pe Ethernet. Creșterea puternică a comuni cațiilor industriale axate pe Ethernet este de așteptat să continue într-un ritm accele rat, cele mai recente cercetări ale analiștilor de la MarketsandMarkets constatând că piața globală pentru Ethernet industrial ar urma să crească de la 9,2 miliarde USD în 2020 la 13,7 miliarde USD până în 2026, un CAGR de 7,3% în perioada de cercetare.

Nu este o surpriză reală faptul că Industrial Ethernet a ocupat o astfel de cotă de piață în această perioadă relativ scurtă de timp.

Deși au fost aduse îmbunătățiri sistemelor bazate pe Fieldbus, acestea au încă unele limitări. Sunt ideale pentru funcționalități de control simple, dar, având în vedere că tot mai mulți producători lucrează la imple mentarea unei strategii Industrie 4.0, aceste limitări devin greu de depășit. Cea mai evidentă limitare este viteza, în special atunci când vorbim despre aplicații care necesită un control foarte complex și precis, cum ar fi robotica.

O implementare bazată pe Ethernet este o alternativă evidentă. Ethernet dispune cu ușurință de o lățime de bandă suficientă pentru a face față marii majorități a cazurilor de utilizare industrială, chiar și pentru cele mai solicitante aplicații ale Industriei 4.0. Este un standard bine înțeles, rentabil și utilizat în întreaga lume.

Este flexibil și poate fi utilizat pentru multe aplicații diferite, mai ales că ramurile field bus mai vechi pot fi ușor și ieftin încorpo rate în coloana vertebrală Ethernet. Pentru implementare și întreținere, nu lipsesc ingi nerii care au lucrat cu tehnologia Ethernet și care o înțeleg. Industrie 4.0 necesită o legătură puternică între operațiunile indus triale și IT, așa că este logic să avem sisteme de comunicații care se bazează pe același standard. Cu toate acestea, Ethernet-ul care se găsește în sistemele IT nu este de terminist, iar aceasta este una dintre cele mai importante cerințe pentru sistemele de control.

Lipsa acestei cerințe a impulsionat mai mulți producători și organizații să dezvolte un standard bazat pe Ethernet care să fie adecvat pentru uz industrial.

Electronica • Azi nr. 8 (268)/202214
Microchip
INDUSTRIE 4.0

Cele mai populare dintre aceste noi stan darde sunt Ethernet TSN, EtherNet/IP, PRO FINET și EtherCAT. De la dezvoltarea lor inițială, fiecare dintre aceste protocoale și alte sisteme mai mici sau proprietare și-au găsit propria nișă geografică sau tehnică. Toate protocoalele au propriile avantaje și dezavantaje.

LABORATOR | Sisteme de comunicații în industrie

În general, acestea preiau conceptul de Ethernet, așa cum se regăsește în domeniul IT și îl adaptează pentru a asigura funcțio narea în timp real.

O implementare a Ethernet-ului industrial face lucrurile un pic diferit – EtherCAT (Ethernet for Control Automation Technology) păstrează stratul fizic Ethernet standard și construiește un protocol determinist com plet nou deasupra. Protocolul utilizează un controler gazdă, care este singurul dispozi tiv căruia i se permite să creeze frame-ul EtherCAT. Acesta are întotdeauna aceeași lungime, iar fiecare nod de dispozitiv din rețea are o zonă adresabilă a frame-ului care îi este dedicată. Pe măsură ce frame-ul “se deplasează” în cadrul rețelei, fiecare nod preia datele de control și lasă informațiile de răspuns în spațiul alocat pe măsură ce trece, fără a întârzia frame-ul mai mult decât întârzierea de propagare hardware permi țând, astfel, un debit de date maxim efectiv apropiat de viteza liniei de 100Mbit/s.

În alte implementări de Ethernet industrial, verificarea frame-ului, efectuarea unei veri ficări CRC și trecerea prin stivă poate dura sute de microsecunde. EtherCAT este pro iectat să realizeze întregul proces în numai 125μs. Această viteză mai rapidă face ca sistemul să fie mult mai receptiv, ceea ce, la rândul său, face ca întreaga aplicație de control să fie mai eficientă și mai sigură.

Nodul dispozitivului EtherCAT este, de asemenea, mult mai simplu decât în cazul altor implementări Ethernet industriale, necesitând doar un cod SSC (Slave Stack Code) care rulează pe un microcontroler modest, ceea ce reduce, de asemenea, complexitatea și costul sistemului.

Cu toate acestea, implementarea EtherCAT nu este chiar cel mai ușor obiectiv de realizat.

Cea mai dificilă barieră pentru proiectanți este îndeplinirea cerințelor privind timpul de ciclu. Mulți producători, în special cei care utilizează motoare, doresc să imple menteze algoritmi de control la 8000 de cicluri pe secundă, ceea ce reprezintă un timp de ciclu de 125 μs. Deși sistemele EtherCAT ar trebui să atingă cu ușurință această cifră, obținerea ei în practică s-a dovedit a fi dificilă și, de obicei, necesită multă scriere și optimizare a software-ului. De asemenea, poate fi costisitor un con troler EtherCAT pe șină DIN din comerț, care să fie montat alături de un controler de motor, poate costa sute de dolari.

Cu toate acestea, un design personalizat poate fi realizat pentru un preț de aproape zece ori mai mic.

O nouă soluție

Microchip s-a implicat în piața EtherCAT încă din 2012. Compania a debutat cu pri mul său controler de dispozitiv EtherCAT (ESC), LAN9252, în 2015. Această intrare pe piață s-a dovedit a fi un succes și, de asemenea, a permis companiei să strângă informații despre punctele nevralgice de pe piață. Aceasta a constatat că utilizatorii doreau o modalitate mai ușoară de a înde plini cerințele privind timpul de ciclu și o serie de caracteristici care să le permită să adauge valoare implementărilor lor și să le ofere o mai bună înțelegere a funcționării EtherCAT.

Răspunsul din piață a dus la dezvoltarea de către Microchip a celei de-a doua generații de soluții ESC, care au fost lansate în septembrie 2020. Dispozitivele LAN9253 și LAN9254 sunt ESCuri cu 3 porturi care dispun de două PHY-uri Ethernet integrate, echipate fiecare cu un transceiver full-duplex 100BASE-TX și funcționare la 100Mbps.

15www.electronica-azi.ro
Sistem EtherCAT, tipic, în care sunt ilustrate rolurile pe care produsele Microchip le pot îndeplini. © Microchip Technology Figura
1 ⮞

Cea mai importantă îmbunătățire pe care compania a făcut-o pentru noile ESC-uri a fost adaptarea designului pentru a permite proiectanților să atingă obiectivele de timp de ciclu cu foarte puțină optimizare software. Noile dispozitive au simplificat, de asemenea, implementarea nodurilor EtherCAT prin re ducerea timpului de proiectare și a listei de materiale necesare (BoM). Implementările EtherCAT obișnuite utilizează un ESC, un micro controler și un EEPROM, acesta din urmă găzduind configurația pentru ESC. Microchip a dezvoltat o tehnică prin care emulează eficient EEPROM-ul. ESC utilizează o funcție de apelare pentru a obține instrucțiuni direct de la microcontrolerul gazdă, fără a afecta performanța, ceea ce face ca EEPROM-ul fizic să nu fie necesar. Noile circuite integrate au fost proiectate, de asemenea, cu o funcție care reduce can titatea de cristale necesare pentru sincro nizare. Multe proiecte industriale folosesc controlere multi-axă pentru aplicații pre cum robotica. Aceste proiecte pot necesita până la șase controlere diferite pentru a opera un braț de robot cu mai multe axe. Anterior, fiecare dintre aceste circuite nece sita propriul cristal pentru sincronizare. Acum, noile circuite includ o metodă de re plicare precisă a sistemului de sincronizare și un atenuator de jitter pentru cele șase cir cuite folosind un singur cristal, eliminând astfel necesitatea a cinci cristale suplimentare și reducând și mai mult costul sistemului. Cele două dispozitive oferă și alte caracte ristici care facilitează implementarea și ope rarea sistemelor EtherCAT.

Protocolul EtherCAT a fost proiectat fără diagnosticare la nivelul fizic, astfel încât utili zatorii află despre defecțiuni, cum ar fi de gradarea cablului, doar atunci când încep să primească erori CRC și alte probleme.

Microchip a proiectat capabilitatea de a monitoriza starea cablurilor în orice mo ment, permițând utilizatorilor să vadă defec țiunile înainte ca acestea să devină o problemă – un principiu cheie al Industriei 4.0.

LAN9253 este găzduit într-o capsulă QFN, replicând pe cât posibil pin-out-ul capsulei LAN9252 pentru a permite clienților să profite de îmbunătățirile pe care le oferă acest design cu o reproiectare minimă. LAN9254 are 16 pini I/O suplimentari care permit ESC-ului să funcționeze ca un simplu controler fără a fi nevoie de un microcontroler.

Microcontrolerul are suficientă viteză pentru a se ocupa de cerințele EtherCAT, acționând în același timp ca procesor de aplicații pentru sistemul de control.

Unitatea în virgulă mobilă a procesorului ajută la algoritmi mai complecși, cum ar fi cei necesari pentru controlul motoarelor.

De asemenea, au fost adăugate prize Ethernet care suportă cod pentru SNMP ver siunea 3, pentru a permite proiectanților mai multă flexibilitate atunci când conectează tehnologia operațională la sistemele IT.

Deoarece se cunoaște zona din frame pe care o utilizează nodul dispozitivului și în târzierea de propagare, biții din ESC pot fi mapați la decalajele din frame și la cele 32 de linii I/O pentru a permite conectarea directă a echipamentelor din teren la rețeaua EtherCAT.

Mulți clienți au solicitat să includem un con troler pentru a oferi o soluție ESC completă. În acest an, Microchip a lansat LAN9255 care adaugă un microcontroler Cortex-M4F.

Concluzie

LAN9253 și LAN9254 de la Microchip au fa cilitat mult implementarea și întreținerea nodurilor EtherCAT, reducând timpul și cos turile prin eliminarea necesității unor com ponente suplimentare, ușurând procesul de optimizare a software-ului și adăugând capabilitatea de a analiza rețeaua. Noul circuit integrat LAN9255 duce această tendință cu un pas mai departe, eliminând necesitatea unui controler gazdă extern și oferind dezvoltatorilor o soluție de nod EtherCAT și de control pe teren într-o singură capsulă. Utilizarea mediului Microchip MPLAB X Harmony Framework accelerează și mai mult timpul de lansare pe piață, per mițând scrierea și optimizarea softwareului atât pentru comunicație, cât și pentru control într-un singur mediu de utilizare ușor de utilizat.

Toate dispozitivele discutate în acest articol sunt disponibile acum – livrate în volume de producție și susținute de serviciile Microchip de verificare tehnică a proiectării. https://www.microchip.com/en-us/products/highspeed-networking-and-video/ethernet/ethercatslave-controllers

■ Microchip Technology www.microchip.com

Electronica • Azi nr. 8 (268)/2022
Sistem EtherCAT, tipic, în care sunt ilustrate rolurile pe care produsele Microchip le pot îndeplini. © Microchip Technology
INDUSTRIE 4.0 16
Figura 2
⮞ ■ EtherCAT

Mai multă performanță pentru siguranța funcțională

Roboții colaborativi au nevoie de performanțe de calcul ridicate pentru conștientizarea situației.

Aplicațiile privind siguranța funcțională (FuSa – Functional Safety) au nevoie platforme de calcul embedded mai puternice, datorită tehnologiei senzorilor integrați, care necesită din ce în ce mai multă performanță. Acesta este motivul pentru care procesoarele multi-nucleu, cum ar fi procesoarele Intel Atom calificate pentru FuSa, sunt atât de atractive în prezent. De asemenea, acestea pot fi utilizate pentru a consolida funcțiile noncritice pe un singur sistem mixt critic, ceea ce reprezintă un avantaj major. Dacă există, de asemenea, computere pe modul (Computer-on-Module – COM) care să susțină funcțiile FuSa ale acestor procesoare, fabricanții de echipamente originale beneficiază de blocuri de construcție gata pregătite pentru aplicații, care sunt deja complet calificate pentru certificarea de siguranță a aplicațiilor clienților lor și care pot fi adaptate la performanța necesară. congatec este una dintre primele companii care fabrică astfel de dispozitive COM.

Autor:

Zeljko Loncaric | Inginer de marketing congatec

Senzorii de conștientizare a situației sunt, fără îndoială, cei mai importanți factori aflați în spatele cererii tot mai mari de perfor manță în aplicațiile de siguranță funcțio nală. Să luăm, de exemplu, aplicațiile cu coboți. Aici, senzorii și switch-urile calificate FuSa nu sunt necesare doar pentru a opri

roboții atunci când intră în cușca din zona de producție. Mai degrabă, orice mișcare trebuie să fie detectată. Prin urmare, utili zarea roboților colaborativi și a vehiculelor logistice autonome în producție necesită, de asemenea, procesarea și analiza datelor de la camere, lidar și laser.

Acest lucru implică din ce în ce mai mult uti lizarea inteligenței artificiale. Uneori, aceste date trebuie comparate cu datele de geo poziție provenite de la alți senzori pentru a permite efectuarea de manevre evazive atunci când sunt respectați anumiți pa rametri predefiniți.

Electronica • Azi nr. 8 (268)/202218
©
congatec
SISTEME EMBEDDED

ANALIZĂ | Computere pe modul sigure din punct de vedere funcțional

Toate acestea trebuie să se desfășoare în timp real și, mai mult, într-o manieră sigură din punct de vedere funcțional. Și nu toate exemplele sunt la fel de elaborate precum vehiculele autonome. Chiar și o oglindă retrovizoare digitală, instalată pe un camion industrial operat de un șofer uman, este un senzor complex. Pentru a fi sigură din punct de vedere funcțional, aceasta tre buie să fie controlată în permanență pen tru a confirma că funcționează corect. La urma urmei, o imagine înghețată ar putea face ca șoferul să judece complet greșit situația.

Tehnologie de senzori din ce în ce mai performantă Este adevărat că blocurile funcționale cu performanțe ridicate utilizate în mediile de siguranță funcțională nu trebuie să fie în totdeauna sigure din punct de vedere funcțional. De exemplu, se discută despre cum să se implementeze detectarea me diului în vehicule, fără constrângerile im puse de ISO26262[1]. Nu există, însă, nicio îndoială că acestea necesită semnificativ mai multă performanță pentru a interac ționa cu soluțiile sigure din punct de vedere funcțional decât au avut vreodată nevoie elementele sigure din punct de vedere funcțional ale unui sistem pentru a reveni la nivelul de siguranță. În prezent, este nevoie de mai multă per formanță în primul rând în cazul aplicațiilor care au nevoie de cunoașterea situației cu

ajutorul inteligenței artificiale. Conectivita tea în timp real a unor astfel de sisteme sporește, de asemenea, nevoia de un debit de date rapid și cu latență redusă, de exem plu atunci când logica de control de nivel superior este utilizată pentru sistemele cu ghidare autonomă care sunt conectate prin intermediul rețelelor 5G private.

În cazul utilajelor mobile, de exemplu, ar fi vorba de sistemele de asistență pentru șoferi. Tocmai acest lucru face ca tehnologia x86 să fie foarte interesantă pentru astfel de sisteme critice mixte. În primul rând, pentru că se așteaptă ca această tehnologie gene rică de procesoare multi-nucleu să cunoască în continuare o dezvoltare omogenă.

“Pick & Place” sunt aplicații tipice în care omul și mașina trebuie să lucreze împreună.

Sistemele critice mixte sunt în creștere Spre deosebire de controlerele FuSa tradi ționale, procesoarele de aplicații de astăzi trebuie, inevitabil, să fie capabile să găz duiască și interfața grafică a sistemului, pe lângă conștientizarea situației și inteligența artificială.

Și nu în ultimul rând, pentru că primele pro cesoare de acest tip integrează astăzi contro lere cu funcții FuSa. De exemplu, tehnologia procesorului Intel Atom x6000E este deja calificată pentru a suporta aplicații care nece sită certificare analogică în conformitate cu IEC 61508 Safety Integrity Level 2 (SIL2).

Datorită controlerului său “Safe Island”, tehnologia procesorului Intel Atom multi-nucleu permite proiectarea de sisteme critice mixte care găzduiesc aplicații sigure în mașini virtuale în timp real. Acestea pot găzdui chiar și tehnologie sofisticată de senzori pentru conștientizarea situației.

19www.electronica-azi.ro
© congatec © congatec

SISTEME EMBEDDED

Domeniile de aplicare pentru SIL2 se regă sesc în mașinile industriale, roboții colabo rativi și produsele din Industrie 4.0, cum ar fi gateway-urile IoT și serverele edge. Alte piețe decurg din cerințele intralogisticii au tomatizate pentru vehiculele logistice au tonome și variază de la mobilitatea fabricilor la toate noile piețe găsite în cadrul conducerii autonome, de la mașini agricole și de construcții la vehicule urbane inteli gente, AUV-uri și UAV-uri. Nu în ultimul rând, piețele țintă includ, de asemenea, dispozitive medicale, precum și hardware pentru controlul trenurilor și al căilor ferate sau pentru avionică. În aceste domenii este necesară certificarea de siguranță, de exem plu, pentru a preveni accidentele sau rănile cauzate de șocuri electrice, incendii și explozii sau de strivire sau impact. Acest lucru face ca redundanța și capacitatea de a pune în aplicare procese de siguranță să fie o necesitate.

Aceasta definește pinouturile de semnal pentru a suporta aplicațiile FuSa – foarte important pentru a putea suporta insulele de siguranță (Safety Island) certificate FuSa ale chipseturilor moderne sau ale sisteme lor pe cipuri (SoC). Aceasta este o parte spe cială a hardware-ului care este separată de chipset-ul principal sau de SoC, împreună cu firmware-ul și software-ul de suport. “Safety Island” monitorizează starea și sta tusul chipsetului principal sau al SoC-ului și raportează rezultatele, de exemplu prin in termediul GPIO-urilor dedicate FuSa și al unei interfețe “slave” FuSa SPI dedicate către un controler de siguranță sau un agent de siguranță al sistemului FuSa, care este im plementat ca “master” FuSa SPI pe placa purtătoare și care pregătește informațiile de siguranță și status pentru o utilizare ulterioară. Specificația finală este așteptată până la sfârșitul anului sau, cel târziu, la începutul anului 2023.

Combinând hipervizorul în timp real certi ficat cu mașini virtuale sigure din punct de vedere funcțional și cu altele non-sigure, alături de un sistem de operare sigur certi ficat, cum ar fi Zephyr bazat pe Linux sau QNX, acesta va fi livrat ca un pachet OEM complet. Acest pachet se adresează oricărei platforme de calcul embedded comerciale sau personalizate echipate cu procesoare x86 compatibile cu FuSa. Implementările inițiale se vor baza pe procesoarele Intel Atom din seria x6000E cu Intel Safety Island integrat. O extindere la produse bazate pe procesoare Intel Core din generația a 11-a este o altă opțiune pentru viitor.

Scopul RTS este de a oferi dezvoltatorilor cea mai eficientă cale de a ajunge la aplicații complet funcționale și conforme cu cerin țele de siguranță prin furnizarea de plat forme pre-certificate. Tehnologia hipervizo rului securizat în timp real este esențială în acest sens, conectând totul, de la hardware securizat, mașini virtuale securizate de tip 1 și sisteme de operare securizate la dome nii nesecurizate, care rulează sisteme de operare multifuncționale. În cele din urmă, dezvoltatorii de aplicații trebuie să se pre ocupe doar de partea de siguranță critică a aplicației lor pentru a obține certificarea siguranței funcționale.

de siguranță

de inițializare,

siguranță de până

IEC 61508:2010.

îndeplinesc,

PL=d în configurații pe un cip.

Computere pe modul sigure din punct de vedere funcțional Prin urmare, producătorii de tehnologie de computere embedded își califică din ce în ce mai mult oferta pentru siguranța funcțională. De exemplu, organismul de standardizare PICMG – care este responsa bil pentru factorii de formă ai computere lor embedded, cum ar fi COM-HPC și COM Express – a anunțat la “embedded world” 2022 o extensie FuSa la specificația hard ware COM-HPC.

Mașini virtuale sigure din punct de vedere funcțional Real-Time Systems (RTS) a promis la expo ziția “embedded world” să abordeze FuSa cu produsul său RTS Safe Hypervisor, un hipervizor de tip 1 independent de siste mul de operare pentru tehnologia proce soarelor x86, care va fi certificat pentru siguranță funcțională. Acesta vizează sarci nile de lucru critice mixte bazate pe tehno logia procesoarelor multi-nucleu x86 și va fi disponibil la nivel mondial.

Producătorii de echipamente originale care utilizează astfel de platforme hardware pen tru proiecte de aplicații critice mixte econo misesc costuri, deoarece sunt mai puține sisteme de implementat, ceea ce duce la o îmbunătățire a timpului mediu între defec țiuni (MTBF) în comparație cu instalațiile cu mai multe sisteme. Un alt beneficiu este faptul că dezvoltatorii pot gestiona aplicații critice și necritice pe un singur cip sau hard ware, ceea ce facilitează dezvoltarea și tes tarea aplicațiilor, precum și schimbul de date între aceste aplicații. Și, în ciuda abor dării cu un singur sistem, o astfel de imple mentare a unui hipervizor permite ca toate aplicațiile care nu sunt critice din punct de vedere al siguranței să fie actualizate și modificate în permanență, fără a fi necesară recertificarea componentelor critice din punct de vedere al siguranței. Acest lucru este ab solut esențial – nu numai pentru inovare, ci și pentru o securitate cibernetică sporită.

Sisteme de operare în timp real pentru siguranță și securitate cibernetică congatec și-a confirmat intenția de a in vesti semnificativ pe piața siguranței funcționale. Într-o etapă anterioară, la sfârșitul anului 2021, compania anunțase deja un parteneriat strategic cu SYSGO, principalul furnizor european de sisteme de operare sigure în timp real.

Electronica • Azi nr. 8 (268)/202220 ⮞
■ COM-HPC
Computerul pe modul conga-MA7 cu tehnologie de procesor Atom x6000E este primul bloc
pe care congatec îl comercializează ca supercomponentă pregătită pentru certificare - inclusiv toate componentele software relevante, cum ar fi sistemul
hipervizorul și BSP. “Safety Island” suportă niveluri de integritate de
la SIL2 în configurația 1oo1 (HFT=0 Single Chip) în conformitate cu
Modulele
de asemenea, cerințele ISO 13849 până la Cat. 3,
© congatec

ANALIZĂ

Computere pe modul sigure din punct de vedere

Scopul acestei cooperări este de a oferi nu numai platforme de soluții pentru x86, ci și pentru procesoarele ARM, care sunt special adaptate la cerințele de siguranță funcțio nală și securitate cibernetică. Primele implementări, care, în funcție de proiect, pot fi certificate până la ASIL B sau SIL 2, vor fi disponibile pe computere pe modul x86 și ARM Cortex. Un caz tipic de utilizare este elementul de siguranță în afara contextului (SEooC – Safety Element out of Context), așa cum este definit de ISO 26262. Oferta de servicii complete furnizată în ca drul noului acord de parteneriat a fost creată pentru a simplifica și scurta procesul de dez voltare a sistemelor critice din punct de ve dere al siguranței. Aceasta include un sprijin cuprinzător pentru certificarea diferitelor standarde de siguranță analogice cu IEC 61508 pentru sistemele electronice de sigu ranță funcțională. Sunt suportate platfor mele bazate pe SYSGO PikeOS RTOS și hipervizor SYSGO PikeOS pentru aplicații ferovi are (EN 50129/EN 50657), vehicule comerci ale și agricole (ISO 26262), tehnologie de aviație civilă (DO 254), precum și PLC-uri în domeniul automatizării și controlului proceselor (IEC 61508) și aplicații medicale (IEC 62304).

Tehnologia procesorului

Intel Atom x6000E pe COM-uri

Combinația dintre tehnologia de procesor cu siguranță funcțională și sistemele de operare/hipervizoare devine deosebit de atractivă atunci când este furnizată pe com putere pe modul gata pentru utilizare. congatec a prezentat un exemplu de astfel de module FuSa la expoziția “embedded world” în cadrul unei demonstrații live. Această aplicație demonstrativă FuSa a pre zentat modulul COM Express Mini congaMA7 pregătit pentru siguranță funcțională, cu procesor Intel x6427FE calificat FuSa, cu suport Safety Island, în combinație cu hiper vizorul RTS și Linux în timp real integrat. Demonstrația FuSa de la “embedded world” a fost o dovadă impresionantă a progresu lui deja realizat de congatec în procesul de calificare a primelor module computerizate

bazate pe tehnologia procesorului Intel Atom x6000E (denumit anterior Elkhart Lake). OEM-urile pot începe deja să imple menteze modulele și BSP-urile congatec calificate din punct de vedere al siguranței funcționale în platformele lor de aplicații, împreună cu propriile componente soft ware. Compania congatec este, de aseme nea, pregătită să sprijine clienții OEM cu orice personalizare care ar putea fi necesară pentru a îndeplini cerințele specifice de cer tificare – de la selectarea componentelor și implementarea pe plăci purtătoare (carrier boards), până la suportul pentru sistemul de operare și hipervizor sau implementarea driverelor I/O.

trebuie, de asemenea, să fie aduse în con formitate cu cerințele de certificare și revi zuite de evaluatori externi. congatec oferă toate acestea din start, astfel încât clienții să poată începe imediat proiectele FuSa pen tru a ajunge mai repede pe piață, pentru a face economii și pentru a reduce costurile și riscul de implementare.

Platformele multi-nucleu embedded bazate pe x86 oferă astfel un ecosistem solid pen tru siguranța funcțională. Ceea ce face ca acest ecosistem să iasă în evidență, în spe cial, sunt foile de parcurs omogene ale procesoarelor, care nu sunt legate de un singur producător de procesoare.

Atingerea mai rapidă a obiectivului cu module de soluții precertificate Pentru a califica computerele pe modul pentru funcționarea în condiții de siguranță, toate componentele, precum și întregul BSP tre buie să fie pregătite pentru certificarea FuSa – inclusiv manualele de siguranță și restul documentelor necesare. Toate procesele și documentele organizaționale create în tim pul dezvoltării și testării – cum ar fi FMEDA (Failure Modes, Effects and Diagnostic Analysis) și procesul de verificare și validare (V&V) –

Sistemul demonstrativ al congatec cu RTS Hypervisor integrat și Linux în timp real, prezentat în premieră la “embedded world”, se bazează pe modulul COM Express Mini conga-MA7. Acesta este proiectat pentru siguranță funcțională și integrează procesorul Intel CPU x6427FE calificat FuSa cu suport Safety Island.

De asemenea, modulele COM (Computeron-Module) standardizate oferă fundația pentru scalarea performanței pe toate tipu rile de procesoare și producători. OEM-urile care implementează computere pe modul precertificate pentru siguranță funcțională ca blocuri de construcție gata pentru aplicații – inclusiv toate componentele software relevante, cum ar fi sistemul de inițializare (bootloader-ul), hipervizorul și BSP – pot, de asemenea, să economisească timp și bani. Tot ceea ce trebuie să facă este să califice placa purtătoare specifică clientului și adaptările pentru certificare.

[1] Sursă: Elektroniknet.de, Roland Rathmann, 5 mai 2021, preluat la 12 iunie 2022. https://www.elektroniknet.de/automotive/assistenzsysteme/ umwelterkennung-nach-iso-26262.186049.html

■ congatec www.congatec.com

21www.electronica-azi.ro
|
funcțional
© congatec Vehiculele logistice autonome din domeniul producției și depozitării trebuie să integreze tehnologii complexe de sen zori pentru a evita coliziunile. © congatec

Digi-Key î

i extinde centrul de distribu

ie a produselor pentru a continua să livreze excelen

la nivel global

După cinci ani de planificare și construcție, suntem mândri să anunțăm că în luna august Digi-Key a sărbătorit inaugurarea noului nostru centru de distribuție a produselor (PDCe) din Thief River Falls, Minnesota, prin tăierea unei role de bandă pentru ambalare utilizată de Digi-Key. Având o suprafață de 204.400 m², noul PDCe al Digi-Key este unul dintre cele mai mari 10 depozite din America de Nord, alăturându-se sediului actual al Digi-Key pentru a oferi un total de aproape 279.000 m².

Autor: Chris Lauer | Vice president, Order fulfillment, Digi-Key Electronics

Este o bornă importantă pentru Digi-Key și pentru comunitatea, furnizorii și clienții noștri. Noua facilitate ne va ajuta să continuăm să livrăm excelență clienților noștri pentru mulți ani de acum încolo, permițându-ne să preluăm, să ambalăm și să expediem aproape de trei ori mai mult decât media zilnică anterioară de 27.000 de pachete către clienți din peste 180 de țări din întreaga lume.

Pe cât de importantă este această extin dere pentru noi, pe atât de mult sperăm ca toți clienții noștri să nu perceapă vreo diferență – tranziția pentru clienți ar trebui să fie fără probleme și să le ofere o experiență și mai bună în ceea ce privește serviciile adresate lor.

Deschiderea noului centru vine într-un moment de creștere record. În 2021, Digi-Key a crescut mai rapid ca niciodată, cu o spo

rire a vânzărilor cu 65%, iar comenzile din 2022 au înregistrat o creștere de peste 25% față de anul trecut. Și numărul de furnizori a crescut semnificativ, cu 250 de furnizori deja adăugați în acest an.

Noua facilitate este aproape complet automatizată; singura sarcină care se face cu adevărat manual este ridicarea fizică propriu-zisă a pieselor.

22 Electronica • Azi nr. 8 (268)/2022
ș
ț
ță
Imagine din interiorul PDCe
COMPANII

Digi-Key a dezvoltat multe sisteme brevetate pentru a garanta clienților noștri că primesc de fiecare dată piesele potrivite în cantitatea potrivită. Cea mai importantă componentă a noului nostru sistem automatizat este KNAPP Order, Storage and Retrieval (OSR), care furnizează de fiecare dată piesele potri vite operatorului, eliminând timpul de mers pe jos și oferind un mediu ergonomic adecvat pentru persoana care face selecția.

Acest nivel ridicat de automatizare îmbună tățește eficiența cu până la 35% pentru pre luare și îmbunătățește calitatea și eficiența procesului de ambalare.

PDCe dispune de două sisteme principale de sortare pentru a asigura redundanță în cazul unei defecțiuni și pentru a permite o viitoare extindere.

Crearea unui mediu de lucru prietenos pentru echipă și, în același timp, planifica rea scalabilității și a creșterii au fost priori tare în planurile și proiectarea noii clădiri. Există peste 43 de kilometri de bandă transportoare automatizată în noua facili tate, iar o comandă medie va parcurge mai mult de 975 de metri în interiorul clădirii.

Le mulțumim clienților, furnizorilor și parte nerilor noștri transportatori pentru susține rea creșterii și expansiunii Digi-Key.

Nu am fi putut face acest lucru fără voi și așteptăm cu nerăbdare să continuăm să vă servim, în timp ce alimentăm inovația în întreaga lume cu cele mai înalte niveluri de servicii și asistență în care ați ajuns să aveți încredere pe parcursul ultimilor 50 de ani. Sperăm că vom continua la fel și în următorii 50 de ani și chiar mai departe!

Sustenabilitatea a fost, de asemenea, luată în considerare în timpul planificării și construcției facilității.

Membrana albă a acoperișului reflectă căldura soarelui, luminile LED activate de senzori reduc la minimum consumul de energie electrică, iar un sistem de transport special creat maximizează utilizarea și eficiența energetică.

Inaugurarea noului centru de distribuție a produselor (PDCe) al Digi-Key din Thief River Falls, Minnesota. În imagine, (de la stânga la dreapta): Chris Lauer, Vice Președinte, Depo zitare și livrare comenzi, Digi-Key; Brian Holmer, Primarul orașului Thief River Falls; Dr. Ron Stordahl, proprietarul compa niei Digi-Key; Dave Doherty, Președinte, Digi-Key; Steve Grove, Comisar al Departa mentului pentru Ocuparea Forței de Muncă și Dezvoltare Economică din Minnesota și Ramesh Babu, CIO, Digi-Key.

Compania Digi-Key Electronics este un lider constant și inovator în industria serviciilor de înaltă calitate pentru distribuția de componente electronice și produse de automatizare la nivel mondial, oferind peste 10,6 milioane de componente de la peste 2.300 de producători de marcă de calitate.

www.electronica-azi.ro
■ Digi-Key Electronics www.digikey.ro © Digi-Key Electronics 23
© Digi-Key Electronics
DEZVOLTARE

Plăci de dezvoltare

Trecut, prezent ș i viitor

În acest articol explicăm semnificația termenilor “placă de dezvoltare” (figura 1) și evidențiem diferențele dintre acestea și “rudele” lor apropiate – computerele pe o singură placă (SBC). Prezentăm evoluția lor din trecut până în prezent și analizăm unele tendințe legate de modul în care acestea ar putea evolua în viitor.

În ultimii ani, semnificația termenului “placă de dezvoltare” s-a pierdut în multitudinea de termeni utilizați pentru a descrie plăcile hardware folosite în scopuri de dezvoltare, inclusiv “plăci demonstrative (demo)”, “kituri de evaluare” și “proiecte de referință”.

Ce este o placă de dezvoltare? Pentru început, este necesară o definiție clară a ceea ce înseamnă o placă de dezvol tare și a diferențelor dintre acestea și un computer pe o singură placă (SBC). O placă de dezvoltare este, de obicei, creată de producătorul unui microcontroler pentru a evidenția caracteristicile acestuia (deși ter menul este adesea aplicat, acum, și altor ti puri de componente). Un microcontroler este un circuit integrat care conține un procesor, o anumită cantitate de memorie RAM, o memorie flash și are funcționalități IO care îi permit să se conecteze cu lumea

reală – acesta funcționează efectiv ca un computer în miniatură “găzduit” într-o capsulă, scopul său fiind acela de a oferi dezvoltatorilor o modalitate convenabilă de a se conecta la acesta și de a controla componente externe precum becuri, mici motoare etc. Un SBC oferă, de asemenea, această funcționalitate, principala diferență fiind că unitatea centrală, memoria RAM și memoria flash sunt fiecare conținute în cir cuite integrate separate pe placă, iar interfețele permit conectarea la o tastatură și/sau la un afișaj.

Microprocesorul de pe un SBC necesită un sistem de operare, în timp ce un microcon troler este gestionat cu ajutorul unui mediu de dezvoltare integrat (IDE) furnizat de producător. În multe cazuri, producătorii creează, acum, plăci de dezvoltare care in clud un microcontroler, dar al căror scop principal nu este acela de a demonstra

ca racteristicile microcontrolerului în sine, ci pe cele ale senzorilor sau ale altor circuite integrate cu care acesta se conectează. Este vorba despre “plăci demonstrative”, “kituri de evaluare” sau, dacă au fost asamblate pentru a permite ca întregul set de compo nente să îndeplinească un scop concret, “proiecte de referință”. Rolul anumitor plăci nu este în primul rând de a dezvolta hardware, ci de a oferi acces la datele din lumea reală de care dezvol tatorii de software au nevoie pentru a crea și perfecționa algoritmii necesari pentru aplicațiile de inteligență artificială și de învățare automată. Deși este posibil ca aces tea să nu se conformeze definiției și scopu lui inițial al unei “plăci de dezvoltare”, acestea sunt acum înțelese în mod colectiv ca referindu-se la orice parte hardware care poate fi utilizată în dezvoltarea hardware și software a unor noi produse electronice.

Electronica • Azi nr. 8 (268)/202224
INSTRUMENTE DE DEZVOLTARE

și viitorul plăcilor de dezvoltare

Trecut

Prima placă de dezvoltare cu microcontroler care a captat atenția comunității de ingineri a fost lansată în 2006.

Această platformă de prototipare, care a devenit ulterior cunoscută sub numele de Arduino (figura 2), a fost rapid adoptată de o nouă categorie de proiectanți electroniști care includea entuziaști, pasionați și ingineri DIY (do-it-yourself).

Arduino a pus bazele succesului comercial al SBC-urilor și al platformelor ulterioare bazate pe microcontrolere și a fost urmat la scurt timp, în 2008, de Beagleboard, care a pus la dispoziția inginerilor o platformă de dezvoltare cu costuri reduse, cu sursă deschisă și sprijinită de comunitate.

În 2012 a fost lansat Raspberry PI – primul computer pe o singură placă. La fel ca Bea gleboard, acesta a fost gândit ca o platformă educațională menită să ofere o modalitate ieftină prin care studenții să învețe cum să scrie coduri de program. Atractivitatea Raspberry PI a depășit cu mult sfera studenților și a fost adoptată rapid atât de pasionații amatori, cât și de inginerii profesioniști.

Prezent

În prezent, există două categorii principale de SBC-uri – cele proprietare și cele cu sursă deschisă. SBC-urile proprietare sunt, de obi cei, create pentru a fi utilizate în aplicații fi nale și au fost supuse aceluiași tip de testare și asigurare a calității ca și produsele finale.

Ele sunt fie integrate în echipamente elec tronice, fie instalate într-o configurație de montare în rack. SBC-urile cu sursă deschisă oferă utilizatorilor acces la proiectarea și configurația hardware și la orice cod sursă pe care îl folosesc. Acest lucru le permite utilizatorilor să învețe rapid și ușor cum funcționează software-ul și hardware-ul și apoi să adopte designul pentru a corespunde cerințelor lor.

Astăzi, plăcile de dezvoltare și SBC-urile vin cu o mare varietate de tipuri de proce soare. Acestea variază de la procesoarele bazate pe x86 din cadrul spațiului tradițional al PC-urilor (AMD și Intel) până la procesoarele ARM utilizate în aplicații in dustriale și mobile. Linux și derivatele sale (Ubuntu, Fedora, Debian etc.), Android și Windows CE, sunt cele mai utilizate sis teme de operare pe SBC-uri. ⮞

ANALIZĂ | Evoluția
www.electronica-azi.ro
25
Figura 2: Placa de dezvoltare cu microcontroler Arduino Figura 1 Inginer lucrând la o placă de dezvoltare
▶ © www.shutterstock.com • 422451454

Plăcile de dezvoltare cu microcontroler nu necesită un sistem de operare și sunt pro gramate prin intermediul unui IDE furnizat de producător. Atât plăcile de dezvoltare cu microcontrolere, cât și SBC-urile au evo luat pentru a include conectivitate wireless (Wi-Fi, Bluetooth) și cele mai recente interfețe audio și video, ceea ce înseamnă că unele SBC-uri au acum caracteristici echivalente cu cele întâlnite pe multe PCuri și tablete.

Viitor

PLĂCILE DE DEZVOLTARE

DEVIN PRODUSE FINALE

Inițial, producătorii au creat instrumente de dezvoltare cu intenția de a le utiliza ca aju tor în marketing, care să îmbunătățească șansele de vânzare a microcontrolerelor lor către potențialii clienți (ceea ce, adesea, se numește “Design-in” în cadrul industriei).

Producătorii sperau că, prin minimizarea volumului de muncă necesar inginerilor proiectanți pentru a pune în funcțiune o parte a produsului în laborator și prin facili tarea accesului și a cercetării caracteristici lor acestuia, ar fi destul de probabil ca aceștia să aleagă microcontrolerul și com ponentele auxiliare pentru a fi utilizate în prototiparea inițială a produsului și, în cele din urmă, ar conduce la comenzi de volum mai mare în cazul în care dispozitivul ar urma să fie utilizat în producția de masă. În cazul produselor unde nu există o diferență semnificativă între specificațiile tehnice ale componentelor provenite de la furnizori diferiți, aceasta este o abordare prudentă.

Pentru producători, însă, acest demers a fost, în anumite privințe, victima propriului succes. Aceștia și-au dat seama că trebuie să continue să reducă volumul de muncă pe care trebuie să îl depună un inginer pentru ca acesta să se “apropie” de produ sele lor – placa de dezvoltare devenind ele mentul cheie de diferențiere. În special pentru produsele care sunt, în mare parte, similare cu cele ale competitorilor.

Așteptările inginerilor proiectanți au crescut în așa fel încât, chiar și în cazul componen telor care au un avantaj competitiv clar identificabil (de exemplu, în ceea ce privește puterea sau viteza), aceștia se așteaptă ca plăcile de dezvoltare asociate să aibă un nivel de accesibilitate plug'n'play.

Producătorii și-au îmbunătățit și mai mult oferta cu ajutorul proiectelor de referință care constau dintr-un microcontroler și alte componente electronice (de obicei, senzori).

Inițial, acestea erau destinate să ofere un ghid pentru modul în care dispozitivele ar putea fi interconectate pentru a emula funcționalitatea electrică a unui produs final, fără a se pune prea mult accent pe factorul de formă, dimensiunea proiectului sau simplificarea fabricației. Cu toate aces tea, unii producători au dus proiectele de referință la nivelul următor pentru a crea prototipuri de produse cu drepturi depline și chiar produse complet viabile.

Proiectele de referință privind platforma de senzori în domeniul sănătății HSP (Health Sensor Platform) ale companiei Maxim Integrated (care acum face parte din Analog Devices) pot fi folosite ca exemplu pentru a trasa această evoluție. Versiunea inițială a acestor proiecte de referință a fost o placă de dezvoltare de mici dimensiuni care includea un set de senzori (temperatură, presiune, accelerometru, biopotențial etc.) adecvați pentru utilizarea în aplicații de sănătate și fitness și care puteau fi configurați cu aju torul unui microcontroler. Variantele ulte rioare, HSP2.0 și HSP3.0, au avut factori de formă care au permis ca dispozitivele să poată fi purtate la încheietura mâinii și să semene foarte mult cu alte dispozitive pur tabile disponibile pe piață (figura 3).

Demonstrând modul în care hardware-ul lor facilitează accesul ușor la date, Maxim a sperat că dezvoltatorii de produse vor alege unele dintre circuitele integrate (sau chiar toate) din soluția lor de senzori pentru a fi utilizate în produsele lor. Maxim a extins această abordare până la dezvoltarea produselor MAX HEALTH BAND (încheietura mâinii) și MAX ECG MONITOR (curea toracică), am bele proiectate și construite în totalitate pentru a fi dispozitive purtabile pentru aplicații de sănătate și fitness complet via bile. Deși nu erau destinate vânzării directe către consumatori, companiile puteau în cheia un acord cu Maxim pentru ca aceste produse să fie comercializate sub marcă proprie în schimbul unei plăți de redevențe.

A oferi un produs complet funcțional în această manieră, în condițiile în care toată munca de dezvoltare a fost deja făcută, are potențialul de a atrage o bază nouă și mai largă de clienți non-tehnici din mediul de afaceri. Thingy:91 de la Nordic Semiconductor este un alt exemplu de platformă de dez voltare în care hardware-ul joacă un rol aproape secundar în ceea ce privește misiu nea de a oferi dezvoltatorilor acces la date; aceștia trebuie să dezvolte software-ul și algoritmii care să permită realizarea valorii intrinseci a hardware-ului (și, în acest fel, să devină alegerea potrivită pentru a fi folo sită în noile proiecte de produse care utili zează acești algoritmi). Probabil că această abordare va fi adoptată de un număr și mai mare de producători în viitor.

Creșterea gradului de utilizare a plăcilor de dezvoltare în produsele industriale Adaptarea plăcilor de dezvoltare și a SBCurilor pentru a fi utilizate în produse comer ciale a devenit din ce în ce mai frecventă, dar o altă tendință emergentă este utilizarea lor în aplicații cu volume mai mici, dar cu va loare mai mare − produse finale industriale, cum ar fi controlerele logice programabile, care sunt supuse unor standarde mai exi gente decât echivalentele lor comerciale.

Acest lucru a permis dezvoltatorilor să eva lueze funcționalitatea senzorilor lor în sce narii din lumea reală. De asemenea, este important de remarcat că aceste proiecte au oferit dezvoltatorilor de software acces liber la citirea senzorilor (informații care nu sunt ușor accesibile de la alte dispozitive purtabile pentru sănătate și fitness). Scopul acestei abordări a fost acela de a permite dezvoltarea de algoritmi de învățare automată și de inteligență artificială care să adauge valoare aplicației.

Plăci de testare pentru aplicații industriale Multe dintre SBC-urile de astăzi au devenit în mod inerent proiecte complet verificate, deoarece componentele pe care le conțin au fost inițial dezvoltate pentru a fi utilizate în produse finale și, prin urmare, au fost testate și au calitatea asigurată. Acest lucru se datorează, de asemenea, faptului că pro iectele cu sursă deschisă sunt revizuite în mod constant de o armată de proiectanți și programatori competenți care actualizează și evaluează plăcile și software-ul pe care îl utilizează.

Electronica

• Azi nr. 8 (268)/202226
⮞ ■
Plăci de dezvoltare și SBC-uri
Figura 3: HSP3.0 de la Maxim Integrated
INSTRUMENTE DE DEZVOLTARE

ANALIZĂ

Evoluția și viitorul plăcilor de dezvoltare

Testarea plăcilor SBC se realizează în pre zent prin intermediul unor firme de proiec tare și producție de înaltă calitate, iar acestea sunt supuse aceluiași grad riguros de control al calității ca orice alt produs final, permițându-le, astfel, să obțină chiar și certificări CE sau FCC. Acest flux de testare poate fi extins cu ușurință pentru a satisface cerințele produselor industriale. Pe de altă parte, plăcile de dezvoltare cu microcontroler furnizate de producători sau de terți, deși sunt, de obicei, adecvate pentru utilizarea în produse comerciale, nu sunt supuse acelorași niveluri riguroase de testare necesare produselor industriale.

Principala cerință de calitate pentru pro ducători este ca plăcile lor să funcționeze în mod fiabil la temperatura camerei și, prin urmare, cumpărătorii ar trebui să fie conștienți că este puțin probabil ca acestea să fi fost testate la temperaturi extreme sau în condiții critice de umiditate. De aseme nea, acestea nu sunt testate nici pentru a rezista la solicitări asociate cu vibrații sau șocuri intense.

Prin urmare, principalul obiectiv atunci când se stabilește ce placă de dezvoltare să se utilizeze într-o aplicație industrială este reducerea riscurilor.

Concluzie

SBC-urile și plăcile de dezvoltare cu micro controlere oferă companiilor mici o moda litate facilă de a lansa rapid pe piață proiectele lor fără a suporta cheltuielile de dezvoltare pentru un hardware nou. Acestea le permit să se concentreze pe inovația software și, din ce în ce mai mult, pe dezvoltarea algoritmilor de învățare automată și de inteligență artificială.

SBC-urile și plăcile de dezvoltare și-au lărgit atribuțiile cu mult dincolo de ceea ce fusese prevăzut inițial pentru ele și au avut un impact real asupra istoriei recente a in dustriei electronice.

Acest lucru înseamnă că producătorii nu le recomandă, în prezent, pentru utilizare imediată (în forma lor actuală) în aseme nea aplicații.

În timp ce unele plăci includ componente de calitate industrială, acestea sunt, de multe ori, doar de calitate comercială, fiind proiectate pentru a opera numai la tempe ratura camerei.

Prototipurile plăcilor de dezvoltare sunt su puse, tipic, unor teste la temperatura came rei timp de câteva zile sau săptămâni, dar acest lucru variază în funcție de producător, deoarece nu există standarde stabilite.

Atunci când selectați o placă pentru utiliza rea într-o aplicație industrială, componen tele plăcii trebuie să corespundă unui nivel adecvat de temperatură. De asemenea, are sens să se testeze simultan mai multe plăci la temperaturi ridicate pentru o perioadă de câteva zile. Similar, dacă se planifică să se utilizeze o placă de dezvoltare într-un produs care se va confrunta cu o umiditate ridicată, acestea trebuie evaluate în condiții compa rabile. În cazul în care o placă este destinată utilizării într-o aplicație cu vibrații ridicate, aceasta trebuie montată într-un stand de tes tare pentru a fi supusă unui test de vibrații.

Plăcile continuă să devină tot mai puter nice, mai inteligente și mai receptive, rămâ nând în același timp ușor accesibile atât inginerilor profesioniști, cât și pasionaților de electronică.

■ Mouser Electronics

https://ro.mouser.com

Distributor autorizat

Urmărește-ne pe Twitter

www.electronica-azi.ro
27
Figura 4: Controler logic programabil
|

Transformarea digitală elimină panoul de comandă

Transformarea digitală în domeniul automatizării avansează rapid. Viitorul este din ce în ce mai mult axat pe partea de software, ceea ce aduce cu sine noi provocări. Murrelektronik s-a concentrat pe digitalizare de ani de zile și dezvoltă toate produsele hardware necesare pentru transformarea digitală (module fieldbus, switch-uri, surse de alimentare, IO-Link, cabluri și conectori). Compania are o experiență solidă în software și abilități puternice legate de geamănul digital (Digital Twin).

Descentralizarea nu se referă doar la un singur produs sau la produse individuale, ci trebuie gândită la nivel de sistem. Astfel, potențialul de eficiență poate fi identificat doar printr-o analiză, planificare și instalare cuprinzătoare pentru a putea exploata întregul potențial al automatizării. Numai printr-o integrare inteligentă într-un sistem global, un produs devine o soluție.

Datorită interacțiunii dintre toate ele mentele individuale, transformarea digi tală va fi adoptată la nivel profesional.

Module master IO-Link IO-Link este Plug-and-Play în ceea ce privește instalarea în dome niul automatizărilor. Mai ales în contextul unor procese și instalații de producție din ce în ce mai complexe, în care se colectează și se corelează din ce în ce mai multe date, standardul de comunicație necesită o transparență maximă de la nivelul senzorilor-actua toarelor până la Cloud. Noile module fieldbus IP67 MVK Pro și IMPACT67 Pro sunt inova toare în totalitate. Acestea au 8 porturi master multifuncționale și, datorită conectorilor lor cu mufă M12 codificați L, pot produce curenți cu valori ridicate și suportă protocoalele Ethernet PROFINET, EtherNet/IP și EtherCAT.

Modulele fieldbus MVK Pro și Impact76 Pro IP67 sunt două invenții complet noi, care extind portofoliul de produse IO-Link al companiei Murrelektronik. Acestea oferă, printre altele, toate protocoalele uzuale sau posibilitatea folosirii independent de fieldbus, curent de ieșire de 4A pe port, diagnosticare integrată și carcase robuste.

Soluții de instalare Vision Procesarea industrială a imaginilor devine din ce în ce mai importantă în domeniul producției industriale și al logisticii. Cu soluțiile modulare Plug & Play de la Murrelektronik, sistemele Vision nu numai că sunt puse în funcțiune rapid și flexibil. Modulele oferă, de asemenea, posibilitatea unei diagnosticări complete și detaliate, având astfel un impact major asupra disponibilității instalației.

Electronica • Azi nr. 8 (268)/202228
© Murrelektronik GmbH
INDUSTRIE4.0

Soluții de instalare a sistemelor Vision de la Murrelektronik (de la stânga la dreapta): Switch-ul Xelity Hybrid se ocupă de comunicația de date și de alimentarea cu energie electrică, Injection Box este un alimentator cvadruplu de tensiune și semnal de 24V, Master Breakout Box distribuie ten siune și semnale, iar splitter-ul NEC Class 2 este un distribuitor pur de tensiune și semnal.

Sistemul de automatizare Vario-X Datorită sistemului de automatizare descentrali zat Vario-X, panoul de control devine istorie. Vario-X aduce senzorii și actuatoarele în mediul utilajelor și asigură o gestionare fiabilă a tensiunii, a semnalelor și a datelor prin integrarea perfectă a servomotoarelor descentralizate.

Instalația automatizată cu Vario-X are un geamăn digital încă de la început. Imaginea digitală 1:1 conține toate funcțiile și parametrii utilajului și instalației originale și poate fi prezentată prin inter mediul realității augmentate în hala de producție.

Geamănul digital are, de asemenea, o contribuție importantă la întreținerea predictivă în timpul funcționării. Datorită introducerii inteligenței arti ficiale, anomaliile din timpul procesului pot fi iden tificate și pot fi inițiate măsuri de remediere în timp util. Acest lucru nu numai că economisește bani și timp în etapa de planificare, ci și în momentul instalării la fața locului sau al service-ului.

Conectori MQ15

Utilajele și instalațiile au nevoie de putere și este nevoie de soluții simple pentru ca acestea să fie alimentate. Conectorii din seria MQ15, rezistenți la apă și praf, sunt ușor de instalat datorită conexi unii rapide fără unelte. Sunt perfecți pentru conectarea motoarelor asincrone și trifazate.

Vario-X este o platformă de automatizare modulară și extrem de flexibilă, cu ajutorul căreia toate funcțiile de automatizare pot fi implementate, în premieră, complet descentralizat, adică fără o arhitectură cu panou de control.

Conectorii electrici din seria MQ15 de la Murrelektronik, rezistenți la praf și apă, alimentează cu energie utilajele și instalațiile și sunt creați pentru conectarea motoarelor asincrone și trifazate.

Valorile ridicate de transmitere a curentului (până la 16A sarcină continuă) la o tensiune de până la 600 VAC oferă, prin urmare, o gamă largă de aplicații.

Concept de instalare în cadrul unui sistem Luarea în considerare a întregului sistem poate crește nivelul de economii în timpul instalării și pot fi evitate erorile de instalare.

Calea către transformarea digitală este întot deauna o combinație între digitalizare și un con cept de instalare eficient dezvoltat în cadrul sistemului global.

digitalizării, mașinile și instalațiile pot fi adaptate pentru

29www.electronica-azi.ro
Datorită
viitor Murrelektronik GmbH Tel: +43 1 7064525-0 mail@murrelektronik.at www.murrelektronik.ro
© Murrelektronik GmbH © Murrelektronik GmbH © Murrelektronik
GmbH

Raspberry Pi oferă soluția pentru centrul de date industrial

Industrie 4.0 este o mișcare care are ramificații importante pentru arhitectura sistemelor de calcul industrial. O direcție esențială a Industriei 4.0 este fuziunea tehnologiei informației (IT) cu tehnologia operațională (OT) care coordonează mașinileunelte și sistemele de control al proceselor din fabrică. Comunicarea mai intensă între aceste două jumătăți ale unei firme de producție permite furnizorilor să reacționeze mult mai rapid la schimbările de pe piață. Un al doilea motor este integrarea IT-OT pentru a controla procesele din unitatea de producție într-o manieră orientată foarte mult pe date.

În loc să se construiască linii de producție fixe, în care componentele trec printr-o serie de etape prestabilite pe măsură ce produsul este asamblat, traseul este deter minat în timp real pe baza cerințelor pro dusului și a disponibilității utilajelor de producție în acel moment. Două variante pot fi procesate de utilaje sau celule de pro ducție diferite, în funcție de componentele care trebuie integrate și de gradul de fini sare aplicat fiecăreia dintre ele. În principiu, fiecare produs finit care iese din fabrică este personalizat în funcție de cerințele specifice ale cumpărătorului. Personalizarea în masă este percepută ca fiind un factor de creștere a profitabilității și a cotei de piață pentru companiile care o adoptă.

Flexibilitatea este esențială pentru Industrie 4.0

Flexibilitatea este un factor crucial valabil atât pentru infrastructura de calcul, care supraveghează unitatea de producție, cât și pentru mașinile-unelte și sistemele care transportă produsele în curs de execuție către diferitele celule de producție.

În trecut, accentul era pus pe insule de au tomatizare autonomă bazate pe mașini și roboți care executau programe fixe pentru a îndeplini sarcini specifice. Sistemele din Industrie 4.0 au nevoie de un grad mult mai mare de coordonare, nu doar la nive lul fabricii, ci și cu sistemele administrative care programează și expediază comenzile.

În același timp, rețelele mai rapide nece sare pentru a susține această integrare IT-OT pot fi utilizate pentru a îmbunătăți func ționalitatea mașinilor și a roboților deja existenți în fabrică.

În acest mediu, este posibil să se execute sarcini care presupun o putere de procesare mai mare, fără a necesita actualizări majore ale computerelor industriale și ale sisteme lor de control care sunt conectate la mașinile-unelte. Un exemplu este inspecția vizuală asistată de inteligență artificială pentru a verifica calitatea asamblării sau a stratului de acoperire. În schimb, sarcinile pot fi transmise către calculatoare flexibile din atelier în situațiile în care latența este importantă. Alternativ, în cazul în care procesarea locală este insuficientă, sarcinile pot fi transmise către sisteme în cloud, puterea de procesare locală fiind utilizată pentru a comprima imaginile și clipurile video cu scopul de a minimiza timpul și costurile de transfer.

Sistemele pot determina care este cea mai bună abordare în timp real pentru a echili bra utilizarea resurselor de calcul locale în raport cu timpii de răspuns. În cazul în care un model de inteligență artificială relativ simplu, care rulează pe un sistem local, detectează o problemă la un proces de acoperire, datele pot fi transmise în cloud pentru a fi analizate și pentru a verifica dacă nu este vorba despre un defect al mașinilor sau al materiilor prime.

Electronica • Azi nr. 8 (268)/202230
INDUSTRIE4.0

Procesare în rețea pentru îmbunătățirea calității produselor Cu ajutorul procesării în rețea, devine mai ușor să se adauge la celulele de producție senzori suplimentari și algoritmi care pot fi utilizați pentru a îmbunătăți calitatea gene rală. De exemplu, schimbările de tempe ratură și umiditate pot afecta procesele chimice care duc la modificări ale calității vopselei sau ale aderenței dintre suprafețe. În loc să modernizeze utilajele pentru a in clude acești senzori, cei care adoptă practi cile Industrie 4.0 pot atașa interfețele senzorilor la module de calculator care proce sează datele în formate ce pot fi utilizate de mașinile-unelte existente.

Aceasta este o abordare pe care producă torul britanic de biciclete Brompton a adoptat-o la fabrica sa. Compania a folosit module Raspberry Pi pentru a spori urmă rirea produselor în cadrul fabricii, fără a fi nevoită să schimbe utilajele de producție de bază. În prezent, compania a instalat în fabrică peste 100 de module Pi ieftine, ori unde a fost nevoie de sisteme suplimentare de detecție și de captare a datelor.

În Singapore, Jabil, specialist în servicii de producție de echipamente și dispozitive electronice, a adoptat Raspberry Pi ca plat formă hardware de bază. Programul de digi talizare a fabricii Jabil permite dezvoltarea, testarea și implementarea cu ușurință și în siguranță a aplicațiilor în sistemele de pro ducție, indiferent de locul în care acestea se află. Elementul comun al acestor cazuri de utilizare a tehnologiei Raspberry Pi constă în gradul ridicat de compatibilitate software între diferitele versiuni de hardware și în capabilitățile de bază ale hardware-ului în sine. Acest lucru face mult mai ușoară muta rea aplicațiilor acolo unde este nevoie de ele sau unde sunt disponibile resurse de calcul.

Integrare software și hardware

Raspberry Pi oferă avantaje esențiale pentru următoarea etapă a Industriei 4.0. Rețelele de calculatoare cu costuri reduse, dar cu capabilități ridicate, trebuie să se integreze pentru a forma un centru de date al fabricii în care aplicațiile se pot muta acolo unde este nevoie de ele și chiar pot migra de la un sistem la altul pe măsură ce se schimbă cerințele. În acest mediu, instrumentele și componentele software dezvoltate inițial pentru centrele de date în cloud sunt adap tate pentru a fi utilizate în sistemele care rulează la marginea fabricii, indiferent dacă aceste sisteme periferice sunt atașate direct la utilajele de producție, amplasate în dula puri în fabrică sau în microcentre de date din apropiere.

ANALIZĂ

Raspberry Pi: platformă hardware de bază

Bazat pe seria de nuclee de microproce soare Cortex-A dezvoltată de ARM, fiecare

Raspberry Pi este un computer multi-nu cleu echipat cu o unitate completă de ges tionare a memoriei, care include suport pentru sisteme de operare, precum Linux. Aceste sisteme de operare dispun de su port de memorie virtuală și de un număr mare de porturi I/O de mare viteză, toate acestea putând fi alimentate prin interme diul unui simplu port USB. Raspberry Pi 4, de exemplu, se bazează pe un SoC Broadcom cu patru nuclee, cu 1 MB de cache de nivel doi, combinat cu ieșiri video HDMI duale pentru a susține interfețele operatorului și Gigabit Ethernet.

Suportul pentru Linux specific lui Raspberry Pi este vital pentru a permite clienților in dustriali să beneficieze de avantajele dezvoltării și implementării tehnologiilor de tip ‘cloud computing'. Un element cheie al sistemelor cloud actuale este virtualizarea și containerizarea. Virtualizarea oferă o moda litate de a separa aplicațiile unele de altele mai eficient decât în cazul în care acestea sunt găzduite de același sistem de operare. În cadrul virtualizării, aplicațiile care rulează într-un sistem de operare nu pot accesa me moria celor care rulează în alt sistem de operare. Toate accesările la I/O sau la memo rie în afara propriului spațiu de adrese vir tuale sunt supravegheate de un hipervizor.

Acesta este un avantaj major în sistemele industriale în care unele programe vor fi esențiale pentru funcționarea unei mașini, dar ar putea avea nevoie să ruleze alături de programe terțe pentru a asigura alte funcții. În cazul în care sunt necesare actualizări pentru unul dintre programe, acestea pot fi efectuate fără a afecta celelalte compo nente. În plus, suportul pentru Trustzone specific arhitecturii ARM Cortex-A oferă me canisme de verificare a autenticității imagi nilor software înainte ca acestea să fie instalate, precum și de control al accesului acestora la I/O în timpul execuției.

Puterea containerizării și a orchestrării Virtualizarea impune o supraîncărcare a procesorului din cauza necesității de a in tercepta accesările la memorie și I/O. Ca răspuns, industria de ‘cloud-computing’ a dezvoltat tehnologia de containerizare, mai eficientă din punct de vedere al resur selor. Există o serie de caracteristici de secu ritate integrate direct în Linux care pot fi utilizate pentru a împiedica aplicațiile să corupă memoria din afara spațiului de adrese propriu și care nu antrenează cos turi suplimentare generate de intervențiile hipervizorului.

O a doua caracteristică importantă a tehno logiilor de tip container, cum ar fi Kata sau Docker, este posibilitatea de a împacheta toate bibliotecile și funcțiile sistemului de care are nevoie o aplicație într-o singură imagine ce poate fi transferată către orice mașină compatibilă din rețea. Aceste biblio teci pot fi complet diferite de cele necesare unui container care rulează pe aceeași ma șină. Deoarece containerul izolează aplicația de diferențele de hardware și de software de sistem, rezultatul este un mecanism care garantează că aplicațiile pot rula oriunde există resurse de calcul disponibile.

În cloud, Kubernetes, un instrument de or chestrare open-source creat de Google, este utilizat pentru a încărca, rula, muta și elimina containere în mod automat, pe baza unor reguli stabilite de administratorii de sistem. Instrumente similare se mută acum în sis teme ‘edge’ prin proiecte precum Cassini de la ARM și altele. Combinația dintre contai nerizare și orchestrare oferă utilizatorilor industriali posibilitatea de a maximiza utilizarea sistemelor lor informatice și de a le face să fie pregătite pentru viitor. O nouă capacitate poate fi adăugată cu ușurință prin adăugarea sau modernizarea module lor de procesare. Prin intermediul platformei Raspberry Pi, utilizatorii pot face acest lucru într-o manieră extrem de rentabilă și pot profita de capabilitățile de I/O și de rețea integrate pentru a se asigura că toate siste mele din acest centru de date industrial distribuit pot comunica între ele.

Rezultatul arată că Raspberry Pi este mult mai mult decât o platformă ieftină pentru procesare de mare viteză. Datorită migrării tehnologiilor cloud în spațiul de producție, acesta poate deveni fundamentul centrului de date industrial atât de necesar pentru a unifica IT și OT sub umbrela Industrie 4.0.

■ Farnell https://ro.farnell.com

|
în IIoT 31www.electronica-azi.ro

Conectori industriali etanși

Rezistent la apă (Waterproof): termenul colocvial sugerează rezistența totală a unui obiect la efectele umidității – de exemplu, sub formă de ceață sau ploaie – și la scufun darea în lichide. Totuși, din experiența de zi cu zi se știe că, de obicei, nu există decât o protecție relativă, de exemplu a unui ceas, a unei camere foto sau a unui telefon inteligent, ale căror specificații permit doar o imersiune la o adâncime limitată sau la o presiune hidrostatică maximă. Pentru utilizatorii de produse de conectivitate electrică industrială, este evident că această experiență trebuie transferată la scenariile de aplicare pentru conectori, de exemplu în procesul tehnologic. Protecția interfețelor împotriva lichidelor este o cerință esen țială în acest caz, atât din punct de vedere funcțional, cât și din punct de vedere al siguranței.

Pentru a asigura etanșeitatea întregului sistem electromecanic, conectorii sunt de

În lumea proceselor tehnologice, protecția conexiunilor electromecanice împotriva umidității și a apei este o cerință esențială.

Protejarea interfețelor electromecanice împotriva lichidelor este una dintre cerințele de bază pentru electronica industrială în domeniul automatizării și a procesului tehnologic. Cu toate acestea, termenul “rezistent la apă” este o chestiune de interpretare. În funcție de aplicația respectivă, pentru tehnologia de conectare electrică sunt necesare diferite grade de rezistență la lichide.

o importanță deosebită în electronica industrială. Pe de o parte, aceștia trebuie să poată fi conectați și deconectați de mai multe ori; pe de altă parte, în funcție de aplicație, conexiunea trebuie să împiedice în mod fiabil pătrunderea mediilor lichide în momentul conectării.

Gradul de rezistență necesar – și, prin urmare, interpretarea corectă a atributului “rezis tent la apă” – este indisolubil legat de circum stanțele aplicației în cauză: Deși în multe aplicații de automatizare conectorii nu se află în contact direct cu apa, există utilizări speciale în care aceștia sunt expuși la stropi de apă sau chiar trebuie să reziste la scufundări temporare. Mai ales în mediile solicitante din punct de vedere igienic, conectorii pot fi tratați sub presiune înaltă în scopuri de curățenie. În astfel de cazuri, considerațiile speciale de proiectare sunt esențiale pentru a asigura o transmisie fiabilă a semnalului și a puterii.

Etichetare standardizată: grade de protecție și indice IP Gradul de rezistență la umezeală și lichide este indicat în foile tehnice de produs ale fabricanților de conectori. Specificația tehnică relevantă se referă la așa-numitul grad de protecție; aceasta determină sub ce influen țe de mediu – atingere fizică, precum și pă trunderea de particule și apă – poate fi utilizat conectorul respectiv. În conformitate cu standardele DIN EN 60529 și ISO 20653, gradul de protecție este specificat prin inter mediul unui indice IP (International Protec tion), care, pentru conectori, este în general valabil numai atunci când aceștia sunt conectați. Exemplele de mai sus corespund, prin urmare, gradelor de protecție IP67 –protecție împotriva imersiunii temporare –și IP68/69K – protecție împotriva imersiunii permanente sau a expunerii la presiune ridicată. Deoarece standardele nu definesc criterii precum “temporar” sau “permanent”

Electronica • Azi nr. 8 (268)/202232
CONECTORI
©Mulderphoto –stock.adobe.com Autor:
David Phillips Managing director binder

într-o manieră clară și obligatorie, este reco mandabil ca producătorii să furnizeze, în practică, informații mai precise. În realitate, o cunoaștere insuficientă a nor melor DIN EN 60529 sau ISO 20653 duce adesea la presupunerea eronată că un număr mare în codul IP înseamnă neapărat o pro tecție mai bună. Prin urmare, este important de știut că prima cifră a codului se referă la pătrunderea particulelor solide, cum ar fi praful, în timp ce a doua cifră indică pro tecția împotriva umidității și a apei. Astfel, un produs cu indice IP64 nu poate fi consi derat “mai bine protejat”, per ansamblu, în comparație cu un produs IP55. Primul poate fi mai expus la particule, adică este rezistent la praf. Cu toate acestea, poate rezista doar la stropi de apă, în timp ce al doilea poate fi expus la jeturi de apă din orice unghi. Cele două cifre pentru particule și umidi tate/apă pot fi urmate de litere de cod în a treia și a patra poziție pentru a indica mai precis gradul de protecție. De exemplu, un K (precum cel din IP69K) reprezintă un echipament pentru vehicule rutiere, iar un B pentru a avea acces la părțile active peri culoase prin atingerea cu un deget. Este important de subliniat că indicele de protecție IP se referă numai la protecția echi pamentelor și a componentelor acestora. Acesta nu face nicio declarație cu privire la protecția persoanelor care interacționează cu acest echipament. Măsurile pentru sigu ranța utilizatorilor sunt definite într-o așanumită clasă de protecție, care nu face obiectul acestui articol.

Rezistența la apă în context industrial Pe lângă parametrii electrici, cum ar fi curen tul și tensiunea nominală, suprasarcina sau rezistența de contact, parametrii relevanți pentru instalare, cum ar fi densitatea de in tegrare și gradul de miniaturizare – și, în consecință, designul unui conector – sunt criterii generale de selecție. Dincolo de aces tea, totuși, este necesar să se evalueze carac teristicile speciale ale mediului respectiv de aplicare. Este interfața expusă la sarcini me canice, cum ar fi șocuri sau vibrații? Trebuie luate măsuri de precauție împotriva influ ențelor ansamblurilor electronice adiacente de înaltă frecvență, împotriva riscului de in cendiu sau de explozie? Sau, o conexiune care trebuie să fie cuplată și decuplată frec vent necesită considerații speciale de pro iectare pentru a rezista la multe cicluri de cuplare? Răspunsurile la aceste întrebări și la altele similare îi conduc pe utilizatori la ca racteristicile produsului, cum ar fi sistemul de blocare, ecranarea electromagnetică și materialele de contact, care influențează inevitabil decizia de cumpărare.

de bază privind tehnologia și ghid de selecție

Faptul că dispozitivele de conectare trebuie să reziste – într-o manieră nedefinită inițial – la pătrunderea particulelor și a umidității sau a lichidelor este o cerință standard în in dustrie. Dar, după cum s-a explicat mai sus, gradul de protecție necesar depinde de detaliile aplicației. Deoarece acestea variază de la interfețe de măsurare și control în auto

matizarea fabricilor, trecând prin industria alimentară și a băuturilor, până la utilizarea clinică a instrumentarului medical, cerințele pentru conectorii “etanși” pot varia conside rabil. În special în ultimele două domenii, produsele sunt expuse la o încărcătură de umiditate deosebită, rezultată din proce sele de curățare și sterilizare impuse aici.

33www.electronica-azi.ro
Modelul M12 este utilizat pe scară largă în domeniul automatizărilor, de exemplu, pentru cablarea senzorilor și a actuatoarelor; conectorii tată și mamă care pot fi cablați în teren oferă flexibilitate în timpul instalării. Figura 1 © binder
Not Connected Closed – datorită unui capac din plastic cu arc, conectorii NCC din seria 770 sunt protejați de particule și de stropi de apă chiar și atunci când nu sunt conectați.
Figura 2
©
binder
⮞ LABORATOR | Noțiuni
Miniaturizate și rezistente la apă conform IP67: Seriile 620 și 720 cu garnitură O-ring (pe partea mamă) și garnitură în zona de prindere. Figura 3 ©
binder

Exemple de produse care oferă indici de protecție IP67 și IP68/69K

Toți conectorii M12 de la binder sunt rezistenți la umezeală și apă în conformitate cu standardele IP67, iar mulți dintre ei sunt, de asemenea, rezistenți la IP68/69K. Vari antele rezistente la coroziune sunt echipate cu inele filetate din oțel inoxidabil sau din plastic (figura 1). În timp ce IP67 asigură siguranța aplicației în condiții de umiditate ocazională – fără cerințe mai ridicate – pro dusele mai rezistente, în funcție de gradul de protecție și de material, pot rezista și la condițiile meteorologice în cazul utilizării în exterior, precum și la scufundarea la adân cimi mai mari, la jeturi de apă de înaltă pre siune și la agenți de curățare agresivi.

Portofoliul IP67 include, de asemenea, prize și fișe M12 care pot fi asamblate. Tehnologiile de conectare cu protecție IP67, cum ar fi seria de conectori 770 NCC (Not Connected Closed) (figura 2), sunt recomandate, de exemplu, pentru utilizarea în terminale por tabile, echipamente medicale și ansambluri de iluminat cu LED-uri. Echipate cu un sis tem de blocare tip baionetă și proiectate pentru mai mult de 5.000 de cicluri de co nectare, aceste produse se caracterizează printr-o caracteristică specială de design. Un capac din plastic cu arc în interiorul carcasei lor include contactele – atunci când nu sunt cuplate – astfel încât acestea sunt ferite de atingeri accidentale. Ele sunt astfel protejate împotriva particulelor și a stropilor de apă și sunt, de asemenea, protejate împotriva im pactului mecanic din exterior.

Așa-numitele serii subminiatură și miniatură 620 și, respectiv, 720 – atunci când sunt cu plate – îndeplinesc, de asemenea, criteriile IP67 (figura 3). În acest scop, produsele sunt echipate cu o garnitură O ring pe capătul mamă, precum și cu o garnitură în zona de strângere. În ciuda elementelor lor sensibile de fixare cu clichet, conectorii rezistă la mai mult de 1.000 de cicluri de cuplare. Acestea sunt, de asemenea, potrivite pentru echipa mente medicale; alte aplicații posibile includ echipamentele de metrologie, iluminatul industrial sau încălzirea scaunelor din arenele sportive.

Toți conectorii turnați din seria 763 (figura 4) care includ cabluri de semnal și pentru sen zori, precum și inele filetate din plastic rezis tent la agenți și la temperaturi ridicate, sunt etanși la apă până la gradul de protecție IP68 atunci când sunt conectați. Gradul de protecție IP68/IP69K este obținut de conec torii pentru exterior cu închidere rapidă tip baionetă din seria HEC (figura 5).

Printre exemplele de aplicații se numără ilu minarea tunelurilor pentru medii foarte umede, sondele de măsurare subacvatică și liniile de alimentare pentru pompe submer sibile. Conectorii HEC sunt, de asemenea, utilizați pe scară largă în mașinile agricole și în aparatele de sudură portabile.

Versiunile pentru exterior precum și cele din oțel inoxidabil ale seriei 713 (figura 6) respectă, de asemenea, gradul de protecție IP68/69K.

Versiunile speciale pentru industria alimen tară și a băuturilor din seria 763 și variantele din oțel inoxidabil ale seriei 713 sunt prote jate conform IP69K. Conectorii M12 sunt potriviți, de exemplu, pentru conectarea senzorilor care monitorizează parametrii de proces în instalațiile de îmbuteliere. În general, aceștia sunt destinați să fie instalați în mașini și sisteme care sunt curățate cu aparate de curățare de înaltă presiune și agenți de curățare agresivi.

Versiunile pentru exterior sunt realizate dintr-un material plastic adaptat acestui scop și sunt echipate cu capace pentru protecția conectorilor de semnal împo triva intemperiilor. Produsele din oțel inoxidabil sunt deosebit de rezistente la agenți agresivi.

Electronica • Azi nr. 8 (268)/202234 ⮞
Concluzie Aplicația determină gradul de protecție! ■ Franz Binder GmbH & Co. www.binder-connector.de Seria HEC de conectori pentru exterior conform IP68/IP69K. Figura 5 © binder Seria 713, IP68 – capacele de protecție mențin contactele la adăpost de intemperii în aplicațiile de exterior. Figura 6 © binder Conectori de cablu din seria 763, conform IP68, în diferite versiuni. Figura 4 © binder
CONECTORI

Farnell, singurul distribuitor de servicii de înaltă calitate, care oferă soluții software T&M clienților săi

Farnell, o companie Avnet și distribuitor global de componente, produse și soluții electronice, oferă acum soluții software clienților care cumpără produse de testare și măsurare de la patru dintre principalii săi furnizori globali.

Pachetele de asistență software disponibile acum de la Farnell includ:

• NITest Workflow – (include LabVIEW) este o colecție completă de software pen tru ingineri, cu ajutorul căreia se sprijină

• Software-ul Keysight PathWave

BenchVue oferă acces la o gamă largă de aplicații de control, automatizare și analiză a instrumentelor, cu capabilități diferite pentru a spori productivitatea. Aceste capa bilități depind de funcționalitatea tipurilor de instrumente, a aplicațiilor și a modulelor care sunt conectate la PC-ul pe care rulează software-ul BenchVue. Toate aplicațiile de control, precum aplicațiile pentru anali zoarele portabile BenchVue Fieldfox permit inginerilor să controleze cu ușurință și să construiască secvențe automate persona lizate utilizând BenchVue Test Flow1.

• Software-ul Rohde & Schwarz Campus Dashboard Oscilloscope simplifică ruti nele de predare în laboratoarele studen țești mari cu mai multe bancuri de lucru și poate controla până la 300 de instrumente individuale de testare și măsurare dintr-un singur post de lucru.

Farnell este singurul distribuitor de servicii de înaltă calitate care oferă astfel de servicii digitale, dintr-o singură sursă, pentru a sprijini inginerii de proiectare și testare. NI, Keysight, Rohde & Schwarz și Tektronix au încheiat un parteneriat cu Farnell pentru a lansa această nouă inițiativă, care permite clienților să obțină licențe software, actua lizări și soluții de aplicații de pe site-ul Farnell, după achiziționarea produselor. Serviciul este simplu de accesat, sustenabil, deoa rece nu implică taxe poștale și acte și per mite clienților Farnell să economisească timp și bani atunci când realizează proto tipuri, proiectează și testează produse noi.

fiecare etapă a procesului de testare cu software special creat pentru testare și măsurare. Pachetul conține toate compo nentele necesare pentru munca de zi cu zi și este disponibil în două ediții în funcție de cerințele aplicației. Caracteristicile sale cheie includ LabVIEW, TestStand, DIAdem, FlexLogger și multe altele.

• Software-ul de analiză pentru PC –TekScope™ – oferă capabilitatea unui os ciloscop pe un PC, permițând analiza for melor de undă oriunde și oricând. Este compatibil cu toate osciloscoapele Tektronix, de la TBS1000C până la TBS60000B.

Farnell oferă din stoc o gamă completă de teste, instrumente și consumabile de pro ducție, recunoscute pe piață, pentru a sprijini proiectarea și testarea electronică, fără valoare minimă a comenzii și cu un program de reduceri educaționale. Clienții au acces gratuit la resurse online, foi tehnice, note de aplicații, videoclipuri și webinarii, precum și la un excelent suport tehnic, disponibil 24/5 în limba locală.

Clienții pot explora gama de soluții soft ware T&M de la Farnell (in EMEA).

James McGregor, Global Head of Test, Tools & Production Supplies la Farnell, a declarat: “Constant, căutăm modalități mai inteligente și mai ușoare pentru a-i ajuta pe clienții noștri să proiecteze, testeze și să analizeze cu ajutorul produselor din portofoliul nostru T&M. Acum putem să le furnizăm direct clienților noștri soluțiile hardware și software esențiale de care au nevoie, eliminând necesitatea ca un client să fie nevoit să contacteze furnizorii separat, după achiziție.”

35www.electronica-azi.ro
COMPANII SOLUȚII SOFTWARE

Senzor de poziție multitură cu capabilități TPO (True Power-On) și consum zero de putere

Acest articol prezintă metodele actuale utilizate pentru a activa capabilitățile de detecție multitură TPO (True Power-On) și introduce o nouă soluție simplificată care va remodela piața de senzori detecție a poziției atât în domeniul industrial, cât și în cel auto. Sistemul simplificat va permite proiectanților, cu sau fără experiență în proiectarea sistemelor magnetice, să înlocuiască soluțiile existente, voluminoase și costisitoare.

Autori: Stephen Bradshaw | Product Applications Engineer

Christian Nau | Product Marketing Manager

Enda Nicholl | Strategic Marketing Manager

Analog Devices

Introducere

Senzorii de poziție și codificatoarele sunt omniprezente în aplicațiile auto și indus triale în care este esențial ca poziția siste mului să fie cunoscută în orice moment. Cu toate acestea, senzorii de poziție și codi ficatoarele existente nu pot furniza decât informații despre poziția pentru o singură rotație sau informații despre poziția reală la pornire (TPO) în domeniul de 360°. Sistemele care au nevoie de informații des pre poziția TPO pentru mai multe rotații sau pe o gamă mai largă de măsurători in clud, de obicei, o sursă de alimentare de rezervă pentru a urmări și a memora rotațiile multiple ale senzorului rotativ după o pierdere neașteptată a energiei electrice sau pentru a înregistra rotațiile multiple în timpul opririi sau întreruperii alimentării. Alternativ, se poate adăuga la sistem un mecanism de reducție pentru a reduce rotațiile multiple la o singură rotație care, în combinație cu un senzor cu o singură rotație, să obțină informații despre poziția TPO pentru mai multe rotații. Aceste soluții sunt costisitoare și volumi noase iar, în cazul sistemului de alimentare de rezervă cu baterii, este necesar un con tract de întreținere periodică.

Codificatoarele rotative și liniare sunt dis pozitive cheie pentru aplicațiile în care pro iectantul sistemului trebuie să se asigure că poziția unui sistem mecanic este întot deauna cunoscută pentru un sistem de con trol în buclă închisă, chiar și după o pierdere a alimentării cu energie electrică, fie ca parte a ciclului normal de funcționare, fie acciden tal. Provocarea pentru proiectanții de sis teme este de a se asigura că poziția TPO este disponibilă chiar și după o întrerupere a alimentării. Dacă se pierde ultima stare a sis temului, este necesară o procedură lungă și adesea complexă pentru a readuce sistemul într-o stare cunoscută.

Soluții existente

Fabricile moderne devin din ce în ce mai dependente de roboți și coboți pentru re ducerea duratei ciclurilor, pentru creșterea randamentului fabricii și pentru îmbună tățirea eficienței. Unul dintre costurile și ineficiențele majore asociate cu roboții standard, coboții și alte echipamente de asamblare automatizate este timpul de nefuncționare rezultat, necesar pentru repunerea în funcțiune a roboților după o cădere bruscă a energiei electrice în tim pul exploatării.

Acest timp de nefuncționare și pierderea de productivitate rezultate sunt atât costi sitoare, cât și ineficiente. Deși problema poate fi rezolvată cu ajutorul bateriilor de rezervă, memoriei și senzorilor cu o singură rotație, aceste soluții au limitele lor. Bateriile au o durată de viață limitată și sunt necesare contracte de întreținere/ser vice pentru a asigura înlocuirea lor. În anu mite medii, în care există riscul de explozie, energia maximă care poate fi stocată în pa chetul de baterii este limitată. Reducerea stocării energiei duce la un ciclu inferior de întreținere, în care bateriile trebuie înlocuite mai frecvent.

O alternativă la bateria de rezervă este uti lizarea modulelor Wiegand de recoltare a energiei prin cablu. Aceste module utili zează un fir special tratat, în care coercitivi tatea magnetică a învelișului exterior este mult mai mare decât coercitivitatea miezu lui interior. Diferențele de coercitivitate creează vârfuri de tensiune la ieșirea dispo zitivului atunci când un câmp magnetic este rotit. Vârfurile pot fi utilizate pentru a alimenta circuite externe și pentru a înregis tra numărul de rotații într-o memorie fero electrică cu acces aleatoriu (FRAM).

CONTROL INDUSTRIAL
Electronica • Azi nr. 8 (268)/202236

O asemenea memorie magnetică – dezvol tată de Analog Devices – nu are nevoie de alimentare externă pentru a înregistra numărul de rotații ale unui câmp magnetic extern. Acest lucru conduce la o dimensi une și un cost redus al sistemului.

Tehnologia senzorilor multitură În centrul senzorului magnetic multitură se află o spirală realizată dintr-un material cu magnetorezistență gigantică (GMR) com pus din mai multe nanofire de elemente GMR. Principiul de funcționare al senzoru lui se bazează pe anizotropia formei și pe generarea de pereți de domeniu magnetic în prezența unui câmp magnetic extern. Pe măsură ce câmpul magnetic extern se rotește, pereții domeniului se propagă prin pistele spiralate înguste (nanofire) atașate la generatorul de pereți de domeniu, așa cum se arată în figura 1.

ANALIZĂ

Capabilități de detecție bazate pe

Senzorul se bazează doar pe câmpul mag netic extern și nu este nevoie de nicio sursă de alimentare de rezervă suplimentară sau de o tehnică de recoltare a energiei pentru operațiunea de numărare a turelor.

Atunci când senzorul este realimentat, este disponibilă o citire a stării numărului de ture, fără a fi necesare alte acțiuni ale utilizatoru lui sau resetarea sistemului.

O soluție tehnologică combinată care simplifică proiectarea sistemului Diagrama bloc a dispozitivului ADMT4000, prezentată în figura 2, combină senzorul multitură GMR descris anterior cu un senzor unghiular AMR de mare precizie și un cir cuit integrat de condiționare a semnalului pentru a oferi o soluție capabilă să înregis treze o mișcare de 46 de ture sau 16 560° cu o precizie tipică de ±0,25°.

ADMT4000 oferă o ieșire digitală absolută de 46 de ture (de la 0° la 16.560°) prin inter mediul unei interfețe SPI sau SENT. ADMT4000 este poziționat în fața unui magnet bipolar montat pe arborele rotativ, așa cum este ilustrat în figura 3.

Pe măsură ce pereții domeniului magnetic se deplasează prin structurile bazei spiralate, starea fiecărui element al bazei se schimbă. Deoarece elementele sunt fabricate din ma terial GMR, starea fiecăruia poate fi determi nată prin măsurarea rezistenței lor.

Circuitul integrat de condiționare a sem nalului permite îmbunătățiri suplimentare ale sistemului pentru a suporta calibrare armonică, acesta putând elimina erorile datorate toleranțelor magnetice și meca nice din aplicație.

Figura 3: Ansamblul unei aplicații tipice bazate pe ADMT4000.

ADI pregătește un proiect de referință care va permite utilizatorilor cu foarte putine abilități în proiectarea magnetică să utili zeze cu ușurință dispozitivul ADMT4000 în aplicațiile lor. În plus față de proiectarea magnetică de bază, acest proiect de refe rință va oferi, de asemenea, imunitate și ro bustețe la câmpurile magnetice dispersate, ceea ce va permite clienților să implemen teze senzorul în medii dificile.

Câmpurile perturbatoare pot fi generate din multe surse atunci când curentul electric circulă printr-un conductor, în special atunci când este utilizat în ime diata apropiere a motoarelor electrice sau a actuatoarelor.

Figura 4: ADMT4000 într-o aplicație robot/cobot.

Capabilitățile oferite de ADMT4000 sunt va loroase în multe aplicații industriale, inclu siv urmărirea poziției articulațiilor brațului robotului și cobotului în cazul unei pene de curent sau în timpul opririi alimentării (a se vedea figura 4).

37www.electronica-azi.ro
|
ADMT4000 ⮞
© ADI
Figura 1: Principiul de funcționare al senzorului magnetic multitură. © ADI Figura 2: Diagrama bloc a senzorului ADMT4000 multitură.
© ADI
©
ADI

Alte aplicații industriale includ localizarea absolută și starea corectă la pornirea alimentării (TPO) pentru mesele X-Y (n.red.: cunoscute și sub denumirea de glisoare trans versale) utilizate în automatizări industriale, mașinile-unelte sau aplicațiile pentru echi pamente medicale (prezentate în figura 5).

Alte aplicații rotative până la liniare includ, fără a se limita la acestea, numărarea turelor pentru bobinaj, tamburi, role, trolii, palane, vinciuri și elevatoare (figura 6) atunci când sunt alimentate cu energie sau urmărirea mișcărilor în caz de întrerupere a alimentării sau în timpul unei pene de curent.

În plus, detectarea poziției TPO oferită de ADMT4000 are o valoare importantă pentru aplicațiile din domeniul auto, inclusiv, la mo toare de transmisie (figura 5), servodirecție electrică (EPS), precum și direcție electrică prin cablu (figura 7), actuatoare de blocare pentru parcare, alte actuatoare de uz ge neral și retractoare de centuri de siguranță (figura 8), fără a se limita la acestea.

Dimensiunea, costul și gama de tempera turi de operare a dispozitivului ADMT4000 permit utilizarea acestuia într-o gamă largă de aplicații, inclusiv aplicații critice din punct de vedere al siguranței în domeniul auto și industrial. Aplicațiile critice pentru siguranța automobilelor sunt conforme cu standardul ISO 26262 și cu un anumit nivel de integritate a siguranței automobilelor (ASIL). ADMT4000 va fi furnizat fie ca ASILQM, fie ca ASIL-B(D) pentru a se potrivi aplicațiilor care au sau nu nevoie de func ționalitatea avansată ASIL sau SIL.

Figura 5: ADMT4000 în aplicații rotative – liniare, care implică un dispozitiv de acționare.

Figura 6: Aplicații de tracțiune prin cablu cu codificatoare.

Concluzie

ADMT4000 și primul senzor de poziție in tegrat TPO multitură vor reduce considera bil complexitatea și efortul de proiectare a sistemului, ceea ce va duce în cele din urmă la soluții mai mici, mai ușoare și mai puțin costisitoare. Ușurința de utilizare a dispozi tivului ADMT4000 va permite proiectanților, cu sau fără experiență în proiectarea mag netică, să adauge funcționalități noi și îmbunătățite la aplicațiile actuale și să deschidă calea către multe aplicații noi.

Electronica • Azi nr. 8 (268)/202238
⮞ ■ ADMT4000
©
ADI
© ADI CONTROL INDUSTRIAL

Figura 7:

O aplicație de direcție prin cablu.

Pentru a afla mai multe despre ADMT4000 și despre proiectul de referință magnetic, vă rugăm să contactați echipa locală de vânzări ADI, care va fi încântată să discute despre cerințele și aplicațiile voastre sau să vizitați: https://www.analog.com/en/pro duct-category/magnetic-field-sensors.html

ANALIZĂ

Capabilități de detecție bazate

Notă

Anizotropia este dependența unor mă rimi mecanice, electrice, optice etc., nu mite constante de material, de direcția de-a lungul căreia este exercitată acțiu nea exterioară.

Despre autori

Figura 8: O aplicație de retractare a centurii de siguranță.

Interacționați cu experții în tehnologia ADI din comunitatea noastră de asistență on line. Puneți întrebări dificile de proiectare, răsfoiți întrebările frecvente sau participați la o conversație.

■ Analog Devices www.analog.com

Stephen Bradshaw este licențiat în inginerie electrică la Universitatea din Leeds, precum și absolvent al unui masterat și al unui doctorat în optoelectronică la Universitatea din Glasgow. În prima parte a carierei sale, Stephen a fost responsabil de proiectarea și caracterizarea lentilelor utilizate în prima generație de camere pentru telefoane mobile la STMicroelec tronics, înainte de a lucra la transmițătoarele optice Gbps în cadrul Maroni și la majoritatea transmițătoarelor optice la Nanotech Semiconductor. Stephen lucrează la ADI de peste 10 ani în calitate de inginer de aplicații, susținând atât liniile de produse de monitorizare a bateriilor LiFe și Pb-Acid, cât și senzorii magnetici de poziție. Christian Nau este manager de marketing de produs la Analog Devices și are experiență în domeniul electronicelor și senzorilor pentru automobile. S-a alăturat ADI în 2015 ca inginer de aplicații și expert în domeniul sen zorilor magnetici pentru regiunea EMEA. Din 2019, Christian lucrează în cadrul Grupului de tehnologie a senzorilor magnetici de la ADI, susținând angajamentele clienților privind produsele existente și lucrând la direcția viitoare a grupului care acoperă mai multe piețe.

Enda Nicholl este manager de marketing strategic pentru senzori magnetici la Analog Devices, cu sediul în Limerick, Irlanda. Enda este inginer mecanic și s-a alăturat ADI în 2006. Are aproape 30 de ani de experiență în domeniul senzorilor și al produselor de interfață pentru senzori într-o gamă largă de aplicații și piețe, inclusiv în domeniul auto și industrial. De-a lungul carierei sale, Enda a lucrat în domeniul aplicațiilor de teren și al vânzărilor, precum și în dezvoltarea strategică a afacerilor și în marketing.

39www.electronica-azi.ro
© ADI
© ADI
|
pe ADMT4000

Maximizarea densității de putere

Pe măsură ce omenirea se străduiește să atingă un climat lipsit de emisii de dioxid de carbon, vehiculele electrice (VE) câștigă cu rapiditate o cotă de piață în fața vehiculelor cu motor cu combustie internă. Cu toate acestea, una dintre problemele legate de vehiculele electrice este anxietatea legată de autonomie, deoarece clienții nu sunt siguri de durata de timp în care vor putea conduce fără ca mașina să trebuiască să fie încărcată. Pentru a combate această proble mă, guvernele din întreaga lume investesc masiv în infrastructura de încărcare. În prezent, sunt utilizate mai multe tipuri de stații de încărcare, de la stațiile de încărcare Mod 2 și Mod 3 până la stațiile de încărcare rapidă în curent continuu Mod 4, care pot furniza o putere de până la 400 kW (vezi fig ura 1). Aceste stații de încărcare sunt detaliate mai jos.

• Mod 2 și Mod 3 (cabluri active cu IC-CPD și cutii de perete): Aceste stații furnizează energie de curent alternativ pentru a încărca un vehicul electric. (Notă: Mod 1 nu mai este valabil în Europa). Utilizând 3 faze, Mod 2 permite încărcarea unui vehicul elec tric cu până la 22 kW, în timp ce Mod 3 per mite până la 42 kW (~75 km de autonomie pe oră de încărcare).

• Mod 4 (Încărcătoare rapide de curent con tinuu – DCFC): Aceste stații de încărcare pot încărca bateria unui vehicul electric de la 20% la 80% în 30 de minute, în funcție de puterea nominală (50kW până la 400kW) a stației de încărcare și de puterea maximă la care poate fi încărcat vehiculul.

Atunci când se încarcă la domiciliu sau la locul de muncă, sunt suficiente stațiile Mod 2 și Mod 3. Cu toate acestea, stațiile Mod 4 și stațiile de supraîncărcare sunt necesare

pentru persoanele care nu au la dispoziție o perioadă prea lungă de timp pentru a încărca bateria, cum ar fi atunci când un șofer face o călătorie mai lungă și utilizează întreaga capacitate a bateriei.

Figura 2 prezintă o schemă bloc tipică a unei stații de încărcare rapidă în curent continuu care convertește o tensiune de curent alter nativ trifazat într-o tensiune de curent con tinuu de 250V până la 800V pentru încărcarea vehiculelor electrice. O stație Mod 4 con ține, de obicei, mai multe subunități de acest tip, fiecare variind între 30 kW și 75 kW. Această diagramă prezintă multe dintre soluțiile care pot comanda stații de încăr care rapidă în curent continuu, inclusiv drivere cu poartă izolată, module de alimen tare izolate, drivere de transformator de polarizare și soluții digitale de izolare cu o sursă de alimentare integrată.

Figura 2 arată că sistemul de încărcare rapidă DC este, în general, alcătuit din două etape de conversie. Prima etapă este o etapă de corecție a factorului de putere (PFC), care convertește tensiunea de curent alternativ de la rețeaua electrică într-o magistrală de tensiune continuă interme diară între 800V și 1300V. Pentru etapa PFC se utilizează în mod obișnuit topologia redresor/invertor trifazat. Această topologie specială se referă la un convertor care poate fi conectat la o rețea electrică trifazată.

În cea de-a doua etapă (denumită și etapa DC/DC), un convertor DC/DC izolat con vertește tensiunea continuă intermediară în tensiunea țintă specifică bateriei care se încarcă.

Electronica • Azi nr. 8 (268)/202240
Cu ajutorul un driver de transformator LLC de 5MHz inovator de la MPS
Figura 1: Stații de încărcare a autovehiculelor electrice ©AdobeStock/Mike Mareen
POWER
©AdobeStock/Blue Planet Studio

LABORATOR

Infrastructura de încărcare pentru vehiculele electrice

Convertoarele LLC și convertoarele în punte completă cu deplasare de fază sunt alegeri topologice comune pentru etapa DC/DC.

Unele dintre provocările legate de proiec tarea stațiilor de încărcare de mare putere sunt maximizarea densității de putere, reducerea costurilor și a dimensiunilor.

O metodă utilizată în întreaga industrie pentru a crește eficiența este înlocuirea MOSFET-urilor/IGBT-urilor cu FET-uri din carbură de siliciu (SiC). Acest lucru este deosebit de important, deoarece stațiile de încărcare rapidă DC au crescut în putere de la 50 kW până la 400 kW.

Datorită naturii de înaltă tensiune și de mare putere a sistemelor de încărcare rapidă DC Fast, sunt necesare dispozitive izolate pentru a proteja utilizatorii și circui tele de control de joasă tensiune de even tualele pericole și perturbații care ar putea proveni de la circuitele de conversie a ener giei de înaltă tensiune. Pentru reducerea riscurilor, pot fi implementate componente suplimentare:

• Drivere cu poartă izolată pentru MOSFET-uri și IGBT-uri SiC, cum ar fi MP18831 și MP18851

• Izolatoare de semnal digital, cum ar fi MPQ27811 și MP27631

• Dispozitive izolate pentru detectarea curentului și a tensiunii, cum ar fi MCS1806 și MCS1803

Rețineți că driverele cu poartă izolată necesită o sursă de polarizare izolată pen tru alimentare și că sursele de alimentare pentru driverele de poartă trebuie să poată rezista la tensiuni de izolare ridicate. Cel puțin, sursele de alimentare ale driverelor de poartă trebuie să fie capabile să reziste la tensiunea intermediară a magistralei de curent continuu și trebuie să ofere o capa citanță de izolare redusă pentru a minimiza perturbațiile de la partea de înaltă tensi une la partea de joasă tensiune.

Proiectarea unei surse de alimentare izolate pentru driverele de poartă MPQ18913 este un driver de transformator pentru surse de polarizare izolate. Acest dispozitiv poate funcționa cu FET-uri SiC ca o polarizare izolată pentru driverele de poartă SiC. Topologia Flyback este adesea utilizată pentru surse de alimentare izolate cu scopul de a furniza o ieșire izolată de 18V/-4V care să comande FET-ul SiC.

Figura 3 prezintă un circuit de aplicație tipic cu MPQ18913 pentru a obține o ieșire de 18V/-4V. Numărul de ieșiri poate fi configu rat în funcție de transformatorul utilizat, iar tensiunea de ieșire poate fi modificată prin intermediul raportului de transformare (n.red.: cunoscut și sub numele de raport de spire al transformatorului).

MPQ18913 poate fi utilizat ca un convertor LLC, care este cea mai eficientă topologie pentru sursele de alimentare ale driverelor cu poartă izolată (vedeți figura 4).

Aceste convertoare utilizează un rezervor rezonant LLC, care dispune de o inductanță de magnetizare pentru transferul de ener gie, precum și de un condensator și o inductanță suplimentare care fac rezervorul să re zoneze la o anumită frecvență. Convertorul folosește această rezonanță pentru a obține o comutație ușoară și pentru a asigura o conversie de putere foarte eficientă.

41www.electronica-azi.ro
|
Figura 2: Diagrama bloc a unei subunități Mod 4/DCFC.
© CODICO
Figura 3: Circuitul de aplicație al MPQ18913.
© CODICO ⮞
©AdobeStock/Vlad

Principalul avantaj al convertoarelor LLC este că inductanța de scurgere creată de transformator poate fi utilizată drept induc tanță de rezonanță în rezervor. Acest lucru elimină vârful de tensiune indus de induc tanța de scurgere și îmbunătățește efici ența în comparație cu topologiile flyback. Luând ca exemplu MPQ18913 topologia LLC rezonantă oferă mai multe avantaje notabile în comparație cu o topologie tipică PSR flyback. Unul dintre aceste avantaje este că topologia LLC rezonantă reduce di mensiunea soluției datorită frecvenței de

Figura 4: Topologie LLC.

Parametru

Topologie LLC rezonantă

Frecvența înaltă permite o soluție de dimensiuni mult mai mici

Topologie PSR Flyback Avantaje Frecvență de comutație (fSW) Înaltă (până la 10MHz) Joasă (<400kHz) Dimensiune transformator 13μH (11mm × 6mm) 30μH (10mm × 10mm) Inductanță de scurgere Utilizează inductanța de Inductanța de scurgere În LLC, inductanța de scurgere permite scurgere ca parte a reduce performanța o eficiență mai mare și previne vârfurile rezervorului rezonant de tensiune Tensiune de izolare Înaltă (până la 5kV) Scăzută (1.5kV) LLC permite o tensiune de izolare mai mare pentru a crește siguranța Capacitanță de izolare Scăzută (6pF) Înaltă (până la 25pF)

Reducere cu până la 40% a dimensiunii soluției și un număr de componente cu 20% mai mic

comutație (fSW), care poate ajunge până la 10MHz, în timp ce în cazul topologiei fly back, fSW rămâne sub 400kHz. Acest lucru duce la o dimensiune totală a soluției care este cu 40% mai mică decât o aplicație flyback care utilizează un nivel de putere similar. Un alt avantaj major al topologiilor LLC rezonante este faptul că tensiunea de izolare poate ajunge cu ușurință până la 5kV. Soluțiile flyback tradiționale ating doar 1,5kV, îndeplinind astfel cerințe mai stricte privind tensiunea de izolare. Tabelul 1 compară topologia LLC rezonantă cu topologia flyback.

Concluzie

Sursele de alimentare LLC de înaltă frec vență sunt, de obicei, mai dificil de imple mentat și de optimizat în proiecte decât convertoarele de joasă frecvență, dar dis pozitive precum MPQ18913 simplifică sur sele de alimentare LLC oferind caracteristici care includ detectarea automată a frecven ței de rezonanță și tranzistori integrați. În plus, topologiile LLC rezonante reduc di mensiunea soluției, ceea ce crește densita tea de putere pentru stațiile de încărcare de mare putere, cum ar fi cele utilizate pentru încărcarea vehiculelor electrice.

Pe măsură ce infrastructura de încărcare electrică continuă să se îmbunătățească, MPQ18913, fiind utilizat pentru a polariza FET-urile SiC, este o alegere perfectă în apli cațiile de încărcare de mare putere, precum și în aplicațiile auto, cum ar fi încărcătoarele de bord, invertoarele de tracțiune și conver toarele DC/DC.

Contact (România):

Lefanti

+43 1 86305-272

gergely.balogh@codico.com

CODICO

www.codico.com

Electronica • Azi nr. 8 (268)/202242
Diode (inclusiv dioda Zener) 3 6 Dimensiunea soluției 109mm2 180mm2 Lista de componente 21 componente 26 componente Tabelul 1: Topologia LLC rezonantă vs. topologia flyback
⮞ POWER
Gabor
Tel:
e-mail:
|
©AdobeStock/kinwun

Acum în

Releu de control Eaton easyE4 pentru utilizare cu interfață HMI

Calea cea mai rapidă către succes Mai mult timp pentru lucrurile cu adevărat importante. Fie că este vorba despre controlul temperaturii în industria alimentară, sarcini simple de control în sectorul construcțiilor de mașini sau controlul iluminării în clădiri − easyE4, noua generație de relee de control de la Eaton, asigură simplitate, conveniență și rapiditate în implementarea controlului. Puteți beneficia de experimentarea numeroaselor avantaje ale acestei noi tehnologii, care vă pe rmite să vă eliberați timp valoros pentru ceea ce este cu adevărat important.

Nr. stoc RS 188-3483 Marca Eaton Cod de producător 197215 EASY-E4-AC-12RC1

Implementarea controlului a devenit mai ușoară grație seriei easyE4 de module logice și relee de control de la Eaton; pentru mana gementul energiei, noua tehnologie, mai practică și mai rapidă, economisește timp prețios. Numărul de intrări/ieșiri poate fi extins cu ușurință cu un conector unic Eaton, ceea ce înseamnă că pot fi adăugate module de extensie pentru a răspunde nevoilor voastre. Software-ul easySoft ușor de utilizat le permite utilizatorilor să creeze și să adap teze diagrame, în timp ce meniurile de navi gare fac ca simularea și comunicațiile online să fie simple și intuitive. PLC-urile easyE4 de la Eaton oferă o mare varietate de funcții, controlul sarcinilor este realizat de unitatea de bază prin intrări/ ieșiri integrate, în timp ce personalizarea sistemelor este disponibilă prin modulele de expansiune. PLC-urile dispun, de aseme nea, de interfețe Ethernet și NET și permit ca maxim 8 dispozitive să comunice între ele, iar dispozitive suplimentare pot fi, de asemenea, conectate pentru sarcini mai complexe. O altă caracteristică a seriei este permiterea modulelor să ruleze în paralel cu maximum 10 clustere, iar cu protocolul Modbus TCP, Eaton XC300 poate fi utilizat

ca sistem de control central pentru toate dispozitivele E4.

Cu software-ul ușor de utilizat easySoft, programarea dispozitivelor este rapidă și ușoară. Schemele de circuite pot fi create și adaptate cu ușurință prin intermediul unui PC sau direct pe dispozitiv. Meniurile de selecție ușor de navigat, precum și opțiunile de simulare, comunicații online și documen tare, fac din easySoft însoțitorul ideal pentru dispozitivele easyE4. Sunt disponibile patru limbaje de programare diferite (ST, FBD, LD, EDP) cu alte cuvinte, mediul de programare potrivit pentru toate nevoile voastre.

Nivel 1: Soluție de sine stătătoare Eaton EasyE4 permite o gamă largă de aplicații inteligente de complexitate diferită. Contro lul sarcinilor simple este realizat de unitatea de bază prin intermediul intrărilor/ieșirilor integrate.

Nivel 2: Soluția de sistem Eaton, pentru sar cini mai complexe dispozitive suplimen tare pot fi conectate la unitatea de bază și se pot face extinderi prin intermediul rețelei. Prin interfețele Ethernet și NET, până la opt dispozitive easyE4 pot comunica între ele în cadrul aceluiași cluster de rețea.

Pentru rețele mai mari, seria easyE4 oferă posibilitatea de a opera până la 10 clustere, fiecare cu opt dispozitive easyE4 indivi duale, în paralel. Cu protocolul Modbus TCP, este chiar posibil să utilizați XC300 de la Eaton ca sistem de control central la nivel de master pentru dispozitivele easyE4. Iar prin conectarea unui HMI Eaton (de exem plu, XV300), se pot obține și cele mai solici tante vizualizări.

Nivel 3: Acces IIOT Soluție de sistem Eaton cu conexiune la cloud Industrie 4.0, deja o realitate în multe companii. O astfel de solu ție, pe lângă îmbunătățirea disponibilității datelor, facilitează și optimizarea proceselor de-a lungul întregului lanț valoric. Imple mentarea necesită componente inteligente de sistem, conectate în rețea, cunoscute și sub numele de Industrial Internet of Things (IIoT). easyE4 permite integrarea în arhitec turile IIoT prin interfața Ethernet încorporată. Într-o descriere succintă, dispozitivul are 8 intrări digitale, 4 ieșiri digitale (tip releu), o tensiune de alimentare 100 → 240V ac/dc, conectare la rețea Ethernet, dispune de ecran, permite montare pe șină DIN. Dimensiunile dispozitivului sunt 71,5 mm × 59,6 mm × 110 mm.

Releul de control easyE4 din gama Moeller de la Eaton, este ideal pentru controlul eficient, flexibil și simplu al diferitelor aplicații. Seria de relee oferă o gamă largă de opțiuni de comunicații, prin interfață Ethernet integrată, incluzând toate funcțiile unui mini PLC pentru controlul mașinii și sistemului. Aurocon COMPEC vă pune la dispoziție o gamă largă de dispozitive pentru implementare de sisteme de control pentru aproape orice aplicație. Pentru oferta completă vă invităm să accesați https://ro.rsdelivers.com

Autor: Grămescu Bogdan

Aurocon Compec | www.compec.ro

43www.electronica-azi.ro
stocul RS Components:

Furnizăm tehnologie GaN

Piața de putere GaN se extinde foarte rapid. Este greu de prezis cu exactitate cât de rapid, deoarece situația se schimbă tot timpul. Prin urmare, atunci când analiști respectați, precum Transparency Market Research, prevăd că vânzările de dispozitive GaN de putere vor depăși probabil 2,5 miliarde USD până în 2031, piața extinzându-se cu un CAGR de 40,3%, dar nu reușesc să prezinte un raport despre doi dintre principalii jucători din industrie, trebuie să tratăm cifrele absolute cu o oarecare prudență (noi credem că piața GaN va fi mult mai mare decât aceasta începând din 2025).

Dar, chiar dacă cifrele exacte pot fi greu de estimat, creșterea este de necontestat. În ul timele 18 luni, GaN s-a impus ca tehnologie preferată pentru adaptoarele și încărcătoa rele destinate dispozitivelor inteligente, mărci importante precum Apple, Anker, OPPO și Xiaomi bazându-se pe GaN pentru încărcătoarele noi și elegante, datorită eficienței și performanței de mare putere a tehnologiei în comutație GaN.

Aceleași avantaje – putere mai mare, efici ență mai mare, dimensiuni mai mici – sunt benefice și în cazul multor alte piețe. Impor tante domenii, precum cel auto, al centrelor de date, al driverelor LED, al energiei regene rabile, al sistemelor audio de larg consum și al telefoanelor, au acceptat sau încep să accepte ideea că performanța superioară oferită de GaN în materie de comutație este potrivită și pentru aplicațiile lor.

Așadar, ce reține un tsunami de aplicații GaN? În primul rând, dispozitivele trebuie să fie ro buste și fiabile. În al doilea rând, acestea tre buie să fie simplu de utilizat. În al treilea rând, dispozitivele trebuie să fie disponibile în volume mari pentru a garanta securitatea aprovizionării – acest lucru este deosebit de potrivit având în vedere criza actuală, bine mediatizată, a lipsei de semiconductori.

În cele din urmă, bineînțeles – și probabil, dacă este adevărat, principalul motiv pentru care clienții sunt reticenți în a adopta noi tehnologii – există prețul: industria nu este dispusă să plătească o sumă mare pentru GaN. Innoscience a fost înființată în decembrie 2015 pentru a aborda toate aceste puncte. Să începem cu o afirmație fără echivoc: compania dispune de cele mai mari facilități GaN-on-Si din lume pentru pastille de siliciu de 8 inch. Vom reveni asupra acestui aspect. Innoscience și-a dezvoltat propria tehnologie InnoGaN™. GaN este în mod inerent un proces de tip 'normal-deschis', dar inginerii de sistem și de aplicații solicită 'normal-închis'. Acest lucru a cauzat probleme primilor utili zatori pe măsură ce controlul GaN a devenit mai complex. Companiile au rezolvat aceas tă problemă în mai multe moduri, în primul rând prin utilizarea unei abordări în cascadă cu un driver discret sau co-ambalat. Deși aceste abordări reprezintă o soluție intere santă la această problemă, ele au anumite limitări în ceea ce privește costul și dimen siunea capsulei. Innoscience crește un strat p-GaN deasupra barierei de AlGaN, for mând un contact Schottky cu stratul p-GaN, ceea ce duce la un mod de operare 'e-mode' de tip normal-închis.

Tehnologia InnoGaN de la Innoscience prezintă un alt beneficiu semnificativ: o va loare RDS(on) foarte scăzută. Compania a creat tehnologia “strain enhancement layer”, care constă în depunerea unui strat specific după definirea stivei porții (G).

Prin modularea solicitărilor create de acest strat se induc polarizări piezoelectrice supli mentare, ceea ce determină creșterea densității de 2DEG și, prin urmare, scăderea rezistenței stratului cu 66% în comparație cu un dispozitiv lipsit de un astfel de strat.

44
COMPANII
Electronica • Azi nr. 8 (268)/2022

Datorită acestei inovații, dispozitivele HEMT (High-Electron-Mobility Transistor) GaN-on-Si e-mode de la Innoscience prezintă o rezistență ON specifică extrem de mică.

După ce a abordat provocările legate de performanță și de ușurința în utilizare, Innoscience a văzut că ceea ce împiedica GaN să devină tehnologia dominantă în domeniul comutației de putere era volumul de producție. Disponibilitatea dispozitivelor (sau lipsa acestora) provoacă preocupări legate de securitatea aprovizionării; pe de altă parte, disponibilitatea unui volum mare duce la economii la scară și la prețuri mai mici. Din acest motiv, Innoscience a decis să se concentreze exclu siv pe fabricarea de pastile de siliciu de 8 inch încă de la înființarea com paniei în timp ce toți ceilalți producători se bazează pe procese de 6 inch sau chiar 4 inch.

Innoscience are astăzi o capacitate de producție de 10.000 de pla chete de 8-inch pe lună, care va crește la 14.000 de plachete de 8inch pe lună în cursul acestui an și la 70.000 de plachete de 8-inch pe lună până în 2025. Iar randamentul este, de asemenea, foarte ridicat. Acest lucru se datorează faptului că Innoscience folosește cea mai recentă tehnologie de fabricație dovedită pe dispozitive de siliciu - și, în plus, a optimizat EPI și procesarea plachetelor. Deoarece Innoscience este o companie care controlează toate etapele de fabricație, de la proiectarea dispozitivului, prin EPI și procesarea plachetelor până la analiza defecțiunilor și a fiabilității adică producția completă de GaN-on-Si compania asigură, de asemenea, o calitate ridicată.

Avnet, Inc. (Nasdaq: AVT) a anunțat rezultatele pentru cel de-al patrulea trimestru și al anului fiscal care s-a încheiat la 2 iulie 2022, raportând un trimestru cu o creștere consistentă a vânzărilor și a marjei operaționale. Rezul tatele au fost întărite de un an fiscal record în ceea ce privește veniturile obținute de către Farnell, în valoare totală de 1,8 miliarde de dolari. Performanța solidă a celor de la Farnell, cu o creștere anuală a veniturilor cu 20,2%, este rezultatul unei creșteri notabile a cererii din partea sectoarelor de componente electronice, energie, securitate și transport.

Fabrica inițială a Innoscience (o a doua fabrică este, de asemenea, în funcțiune) este deja calificată conform ISO9001 și certificării IATF 16949:2016 pentru utilizare în domeniul auto, iar HEMT-urile GaN Innoscience sunt calificate conform standardului JEDEC. Innoscience efectuează, de asemenea, teste de fiabilitate mai avansate.

Așadar, pentru a rezuma, Innoscience a intrat pe piață cu dispozitive GaN fiabile și de înaltă performanță care se adresează atât aplicațiilor de joasă tensiune de 30-150V, cât și celor de înaltă tensiune de 650V.

Compania, spre deosebire de restul pieței semiconductorilor (și, mai larg, a produselor electronice), nu se confruntă cu deficite de aprovi zionare produsele fiind disponibile acum pentru comenzi de volum iar prețurile sunt în concordanță cu cerințele pieței. Așteptați avalanșa de aplicații care va apărea!

www.innoscience.com

Farnell a raportat venituri de 442 de milioane de dolari în trimestrul al patrulea și o marjă a venitului opera țional de 14,2%, ceea ce reprezintă o creștere de 597 de puncte de bază, de la an la an. Investiția continuă în stocuri a companiei Farnell a avut un impact pozitiv, cu peste 18.000 de produse noi adău gate numai în trimestrul al patrulea. Stocul expansiv al Farnell rămâne un factor cheie al succesului său și repre zintă o prioritate esențială pentru grupul Avnet. Farnell a jucat un rol central în realizarea marjei operaționale solide a companiei Avnet, de 4,5% în acest trimestru. Rob Rospedzihowski, Președintele departamentului de vânzări, EMEA, Farnell a declarat: “Suntem încântați de această performanță remarcabilă, mai ales având în vedere că a fost obținută pe fondul incertitudinilor continue de pe piață, al provocărilor legate de lanțul de aprovizionare și al creșterii timpilor de execuție asociate cu cererea mare a clienților. Sperăm să valorificăm acest moment pe măsură ce continuăm să facem investiții în stocurile noastre, în marketingul digital și în platforma noastră de comerț electronic.”

Angajamentul Farnell de a îmbunătăți experiența clien ților pe platforma sa de comerț electronic continuă să dea rezultate semnificative. Aproape 56% din vânzările totale ale Farnell și 72% din totalul comenzilor tranzacționate în acest trimestru au fost plasate prin intermediul plat formei de comerț electronic a companiei. ■ Farnell | https://ro.farnell.com

www.electronica-azi.ro
■ Innoscience
PRODUCȚIE
Veniturile cresc cu 20,2% de la an la an, într-un exercițiu financiar fără precedent
În urma publicării rezultatelor celui de-al patrulea trimestru și al anului fiscal 2022 de către compania Avnet, Farnell înregistrează un nou record în ceea ce privește veniturile, de 1,8 miliarde de dolari
MANAGEMENT 45

Dezvoltarea generațiilor de tehnologii pentru rețele celulare fără fir este în desfășurare continuă. 3G a fost considerat fundamentul în bandă largă mobilă, dar cea mai recentă generație de comunicații mobile celulare, numită 5G New Radio, va realiza “societatea în rețea”, în care toată lumea și totul sunt conectate perfect oriunde și de fiecare dată.

Ce este 5G New Radio (NR)? 5G New Radio (NR) este standardul global pentru o interfață aeriană wireless 5G unificată și mai capabilă decât 4G. Acesta va oferi aplicații de bandă largă mobilă mult mai rapide și mai receptive și va ex tinde tehnologia mobilă pentru a conecta și redefini o multitudine de industrii noi.

Ce face 5G atât de special? 5G este a cincea generație dezvoltată pen tru a oferi viteză mai mare, latență mai mică și capacitate mai mare de date decât rețelele 4G/LTE. LTE este frecvent comercializat ca 4G LTE, dar nu îndeplinește strict criteriile tehnice ale unui serviciu wireless 4G. Tehnologiile actuale LTE Advanced și WiMAX-Advanced 4G, au fost definite de ITU (International Tele communication Union) ca fiind “adevăratul 4G”.

5G este una dintre cele mai rapide și mai robuste tehnologii ce se extinde în prezent. Aceasta înseamnă descărcări mai rapide, întârziere mult mai mică și un impact sem nificativ asupra modului în care trăim și lucrăm.

5G NR este proiectat pentru a suporta transmisii de lățime de bandă, echivalentă cu transmisii prin fibră optică, necesare pentru aplicații cu transmisii de volum mare de date în flux continuu (streaming), precum și transmisii cu lățime de bandă redusă utilizate în comunicațiile M2M la scară masivă, acolo unde este necesar.

5G NR suportă transmisii cu cerințe de latență extrem de scăzute un aspect im portant în comunicațiile vehicul-vehicul și vehicul-infrastructură.

Cum funcționează

5G NR?

5G NR folosește o serie de noi tehnici de in ginerie ce stau la baza câștigurilor semnifi cative ale 5G NR în ceea ce privește capacitatea și debitul de date, dar și acoperirea:

• Diversitatea spectrului care variază de la câteva sute de kHz la unde milimetrice (mmWave) pentru a permite diferite cazuri de utilizare, dimensiuni de celule și rate de date;

• Modularitate noi metode de multiplexare ortogonală prin diviziune de frecvență în care un singur flux de informații este împărțit între mai multe frecvențe de subcanal de bandă îngustă distanțate, în loc de o singură frecvență de canal de bandă largă;

• Noi tehnici de codare a canalelor;

• Algoritmi de reutilizare a frecvenței, chiar și în medii dense;

Electronica • Azi nr. 8 (268)/202246
46

• Capacități masive MIMO (intrări multiple, ieșiri multiple) și capabilități evoluate de formare a fasciculului;

• Operațiuni divizate în intervale de timp, dezvoltate pentru a furniza comunicații cu latență ultra scăzută.

Cerințe principale pentru 5G NR Pentru ca o conexiune să se califice ca 5G NR, trebuie îndeplinite mai multe cerințe de performanță și conectivitate. Unele dintre aceste cerințe sunt următoarele:

• Conexiunea trebuie să accepte conexiuni mobile fără fir.

• Conectivitatea trebuie să accepte internetul lucrurilor (IoT), un concept care include toate dispozitivele și conexiunile cu fir sau fără fir care alcătuiesc aplicația digitală a unui utilizator, precum și dispozitivele client inteligente de tip senzor.

• Trebuie să implementeze un design de semnalizare slab. Aceasta înseamnă că semnalele sunt pornite numai atunci când este necesar, scăzând puterea totală de procesare necesară dispozitivelor client.

• Conexiunea trebuie să utilizeze lățime de bandă adaptivă, care permite dispozitivelor să treacă la o lățime de bandă redusă și o putere mai mică ori de câte ori este posibil, economisind energie atunci când sunt necesare lățimi de bandă mai mari.

• 5G NR ar trebui, de asemenea, să impună cerințe stricte de transmisie a datelor. Forțând toți utilizatorii și conexiunile să respecte reguli specifice, se face întreaga rețea mai rapidă și mai eficientă.

Beneficiile 5G NR

Beneficiile 5G New Radio chiar și asupra celor mai bune rețele 4G/LTE (LTE – Long Term Evolution) includ următoarele:

• Capacitate mai mare a zonei wireless;

• Economii sporite de energie pe dispozitiv;

• Perioadă mai mică de timp între actualizări adică, ciclu de timp mediu redus pentru îmbunătățirea serviciului;

• Legături îmbunătățite care conectează un număr mai mare de utilizatori;

• Tehnologie îmbunătățită pentru menținerea calității unei conexiuni pe o zonă geografică extinsă;

• Viteză și rate de date îmbunătățite, adică mai mulți biți sunt procesați într-o unitate de timp;

• Eficiență îmbunătățită în partajarea datelor.

Spectrul 5G NR

Standardul 5G NR acceptă o serie de benzi de frecvență joasă, medie și înaltă. Acestea sunt împărțite în: (1) intervalul de frecvență 1, care include benzi de frecvență mai mici de 6 GHz; (2) intervalul de frecvență 2, care include benzi cu un interval scăzut, combinat cu o lățime de bandă mare; (3) mmWave. Benzile acceptate de 5G NR includ, de asemenea, spectru licențiat și spectru fără licență 5G NR-U, care includ benzi ce pot fi accesate de oricine. Această diversitate largă de secțiuni de spectru este unică pentru 5G NR, dar ajută la îndeplinirea cerințelor tehnologiei cu spectru intensiv.

47www.electronica-azi.ro
ECAS ELECTRO Bd. D. Pompei nr. 8, (clădirea Feper), 020337 București Tel.: 021 204 8100 | Fax: 021 204 8130; 021 204 8129 birou.vanzari@ecas.ro | office@ecas.ro www.ecas.ro SEMICONDUCTOARE APARATE ȘI DISPOZITIVE COMPONENTE PASIVE ȘI ELECTROMECANICE ⮞ LABORATOR | 5G – Societatea în rețea

5G și LTE

DIFERENȚE CHEIE ȘI REDUCEREA DECALAJULUI

Întrucât competența LTE cedează la 5G, este important să înțelegem cum se compară cele două tehnologii.

Arhitectura de rețea 5G NR folosește frecvențele mai mari care necesită cantități mari de noduri mai mici montate pe stâlpi și clădiri pentru a duce rețeaua la utilizatori peste tot. Deci 5G va diferi de 4G cu modelul LTE centrat pe turn. Operatorii de rețelele mobile actualizează infrastructurile lor pentru 5G NR, iar clienții sunt informați de extinderea 5G pe o serie de site-uri web și pot urmări acoperirea 5G.

• HARQ – protocol de tip 'stop-and-wait' În timpul așteptării feedback-ului referitor la pachetul curent, nu se trimite un alt pachet Datorită timpului de călătorie dus-întors, resursele radio rămân neutilizate.

5G NR HARQ rezolvă acest aspect permițând mai multe procese HARQ concurente.

• Time-division duplexing (TDD). Este o tehnică în care funcțiile uplink și downlink au loc pe aceeași frecvență. În 5G NR, TDD a fost elaborat pentru viteză și flexibilitate.

• Starea inactivă. Este o tehnică îmbunătățită de economisire a energiei în 5G NR prin care se mărește starea inactivă. Aceasta reduce consumul conform unui plan de control gradual, în care multe dispozitive trebuie să iasă din modul de repaus pentru a transmite date.

Industria 4.0 și 5G

Capacitățile cheie ale 5G (care acceptă EMBB

Enhanced Mobile Broadband, URLLC Ultra -High Reliability & Low Latency și MMTC

Massive Machine-Type Communications) acționează ca un factor de activare pentru Industria 4.0: tendința actuală de automatizare și schimb de date în tehnologii de fabricație.

Principalele sale domenii de cercetare in clud sistemele ciber-fizice (CPS Cyber-Phys ical System), IoT, cloud computing și cognitive computing. Industria 4.0 realizează ceea ce s-a numit o “fabrică inteligentă”.

În cadrul fabricilor inteligente structurate modular, sistemele ciber-fizice monitori zează procese tehnologice fizice, creând o copie virtuală a lumii fizice, pentru a se lua decizii descentralizate.

Limitările actuale 4G/3G se referă la fiabili tatea conexiunilor wireless, la consumul de energie din dispozitive, întârzierea în comu nicații de la sursă la destinatar, limitarea la o densitate maximă de dispozitive într-o rețea. 5G elimină aceste limitări, permițând cazuri de utilizare care nu erau posibile înainte. Acestea pot fi grupate astfel: (1) Procese critice ca durată de timp (2) Fiabilitate ultra ridicată (monitorizare în timp real, robot con trolat prin viziune), (3) Comunicare critică în timp real (proces logistic care implică bunuri și active, proces de control al calității sau achiziție date) și (4) Controlul fabricii de la distanță (lucrători la distanță, realitate augmentată).

Pentru implementările private 5G NR, CBRS (Citizens Broadband Radio Service) oferă o opțiune convingătoare.

Exemplu: Google Spectrum Access System (SAS) pentru piața CBRS de 3,5 GHz are prețul: 2,25 USD pe lună pe gospodărie, cel puțin într-un set wireless fix.

Trebuie remarcat faptul că rețelele 5G au ne voie de clienți compatibili pentru a profita cu adevărat de capabilitățile noii tehnologii și vedem din ce în ce mai multe dispozitive client 5G. În cele din urmă, 5G NR continuă să se dezvolte în faze, la fel ca 4G/LTE. Deci, nu toate rețelele 5G NR vor fi la fel, din punct de vedere al capacității la un moment dat. 5G NR aduce progrese în tehnologiile celu lare care nu se regăsesc în 4G. Aceste pro grese oferă beneficii impresionante și împlinesc obiectivul final de a fi ultra fiabil.

Unele dintre progrese sunt următoarele:

• Numerologia flexibilă. Un concept complex de inginerie ce permite adaptarea dinamică a intervalelor de timp și a spațiilor subpur tătoarelor pentru a obține o latență scăzută pentru aplicațiile care au nevoie de aceasta, precum și pentru a asigura coexistența între LTE și 5G NR acolo unde este necesar.

Electronica • Azi nr. 8 (268)/202248
⮞ ANTENE
© SCAMP/Imperial College Londaon/EBU

De reținut!

Prin ce diferă 5G de 4G?

5G oferă mai multe beneficii în comparație cu 4G: viteze mai mari, latență mai mică, capacitate pentru un număr mai mare de dispozitive conectate, interferențe mai puține și eficiență mai bună. Va fi posibil să existe mult mai multe dispozitive care funcționează fiabil, sigur și neîntrerupt în aceeași zonă. 4G poate suporta circa 4.000 de dispozitive pe kilometru pătrat, în timp ce 5G va suporta aproximativ un milion. Interfața 5G New Radio, împreună cu alte tehnologii noi, utilizează frecvențe radio de 10 ori mai mari decât 4G.

Poate 5G să treacă prin pereți?

Blochează copacii 5G?

5G folosește unde milimetrice care au ca pacitatea limitată de a pătrunde prin obstacole fizice, cum ar fi clădiri, copaci și chiar prin ploaie sau ninsoare.

Lungimile de undă 4G au o rază de acțiune de aproximativ 16 km, în timp ce 5G are o rază de acțiune de doar 0,3 km. Dificultatea undelor milimetrice de a trece de la exte rior la interior poate duce la o acoperire slabă și la viteze mai mici de descărcare. Problema se rezolvă prin creșterea numărului de antene 5G distribuite pe teren (care au dimensiuni mult mai mici decât cele pentru 4G).

Care sunt benzile de frecvență 5G?

Benzile de frecvență pentru rețelele 5G vin în două seturi. Gama de frecvență 1 este de la 450 MHz la 6 GHz. Gama de frecvență 2 este de la 24,25 GHz la 52,6 GHz.

Tehnologia 4G utilizează frecvențe radio 700 MHz - 2500 MHz. Pentru a partaja frecvențele utilizate de rețelele LTE și 5G, poate fi utilizată duplexarea cu divizare

frecvență și timp.

Notă

LTE și 5G private pentru industrie par să ru leze mai repede decât se aștepta. Opera torul de telefonie mobilă Vodafone din UK a estimat în 2021 – la un eveniment organi zat de furnizorul privat de rețea Athonet: “Un milion de rețele private până la sfârșitul deceniului? La Vodafone, credem că este posibil. Numai în Europa, avem aproximativ un milion de companii care ar putea benefi cia de rețelele mobile private – majoritatea în producție, împreună cu logistică și depozi tare, utilități, petrol și gaze și, din ce în ce mai mult, în domeniul sănătății.”

Analizoare de rețea celulară. Soluțiile SNYPER de la Siretta Familia de analizoare de semnal SNYPER este sofisticată, dar ușor de utilizat, cu un afișaj color mare și luminos.

SNYPER-LTE Spectrum (EU) este un analizor de putere a semnalului de rețea de înaltă performanță, dedicat monitorizării rețelelor europene 4G/LTE (EU), 3G/UMTS și 2G/GSM. Gama este oferită în tehnologiile celulare utilizate acum în aplicații profesionale pen tru a acoperi toate turnurile celulare de rețea utilizate în prezent. Lungimile de undă 4G au o rază de acțiune de aproximativ 16 km, în timp ce 5G are o rază de acțiune de doar 0,3 km.

SNYPER-LTE Graphyte (EU) V2 este un ana lizor de semnal de rețea de înaltă perfor manță și un înregistrator de semnal celular, dedicat supravegherii și înregistrării rețele lor europene 4G/LTE (UE), 3G/UMTS și 2G/ GSM. SNYPER-LTE Graphyte (EU) poate salva mai multe sondaje, fiecare cu diferite opțiuni de înregistrare pe durate de timp.

SNYPER este o unitate portabilă, poate func ționa cu baterie câteva ore, între încărcări. SNYPER afișează un rezumat al tuturor rețe lelor găsite în zonă, puterile lor relative ale semnalului și numărul de celule disponibile.

Familia SNYPER îndeplinește o serie de funcții diferite pentru a determina:

• Amplasarea optimă a antenei

• Evaluarea performanței instalațiilor existente

• Cele mai bune performanțe de rețea pentru un site

• Cea mai bună alegere a operatorului de rețea pentru un site

• Evidențierea puterii semnalului rețelei, în ordine

Rezultatele sondajului pot fi descărcate pe un computer și afișate clar într-un format grafic HTML cu detaliile înregistrate în tim pul sesiunii de sondaj. Astfel, se pot identi fica stațiile de bază nesigure și serviciul celular intermitent, ceea ce nu este posibil cu son dajele la fața locului. Defalcarea completă pentru graficele rezu mative HTML sunt afișate în fișiere CSV corespunzătoare.

• 6 benzi LTE, 3 benzi UMTS/HSPA+, 2 benzi GSM/GPRS

• Ecran LCD mare, ușor de citit

• Meniuri logice și operare

• Opțiuni de înregistrare selectabile pentru a determina cel mai de încredere operator de telefonie mobilă

• Evaluează performanța MNO în timp

• Determină “hotspot-uri” și asistă la alinierea antenei cu liveSCAN

• Salvează până la 84 de sondaje cu un singur ciclu

• Salvează jurnalele LiveSCAN

• Funcții activate pentru portalul de cartografiere integrate.

Despre autor: Dl. Constantin Savu − Director general al firmei ECAS Electro − este inginer electronist cu o experiență de peste 30 ani în domeniul compo nentelor electronice și al selectării acestora pentru aplicații. Fiind bun cunoscător al componentelor și al tehnologiei de fabricație a modulelor electronice cu aplicații în domeniile industrial și comercial, coordonează direct producția la firma de profil Felix Electronic Services.

ECAS Electro (www.ecas.ro) este distribuitor autorizat pentru produsele Siretta

Detalii tehnice : Emil Floroiu | emil@floroiu.ro birou.vanzari@ecas.ro

www.siretta.com/products/antennas

• https://www.techtarget.com/whatis/definition/5G-New-Radio-NR

• https://www.youtube.com/watch?v=n5uxsP3k5DM

• https://www.greensoft.ro/industria-4-0

• https://www.qualcomm.com/products/technology/5g

• https://www.youtube.com/watch?v=3pNfoY-uxZc

• https://www.teldat.com/blog/5g-emmb-mmtc-urllc-fwa-smart-grid-automotive

• https://blog.engineering.vanderbilt.edu/what-is-the-difference-between-cps-and-iot

• https://www.lifewire.com/5g-cell-towers-4584192

• https://www.hyconsys.com/CAADCPS2022

• https://www.siretta.com/products/cellular-network-analysers

49www.electronica-azi.ro
Referințe WEB
în
https://enterpriseiotinsights.com/20210127/channels/ news/million-private-5g-networks-in-europe-vodafone Detalii WEB Gama de frecvență a semnalelor 5G introduse se află în banda neionizantă a spectrului electromagnetic și cu mult sub cele considerate dăunătoare de ICNIRP (International Commission on Non-Ionizing Radiation Protection). Notă importantă
LABORATOR | 5G – Societatea în rețea

Modul în care s-a procedat întotdeauna pentru conectare

Chiar și în unele dintre cele mai inovatoare industrii, cunoscute pentru promovarea tehnologiei într-o gamă largă de aplicații – inginerii folosesc tehnici vechi de zeci de ani. Există o mulțime de motive excelente pentru a urma abordarea încercată și de încredere. Există un sentiment de securitate ce vine odată cu utilizarea tehnologiei, care este de mult stabilită. Produsele cu un istoric lung de siguranță și performanță își fac o reputație excelentă pentru fiabilitate. Cu toate acestea, doar pentru că produsul a funcționat bine în trecut, nu înseamnă că această soluție este de viitor. De aceea, se naște o întrebare: ne costă bani păstrarea modului de lucru? În cele ce urmează, vă prezentăm pe scurt concluziile trase de Connector Geek.

Costul conectărilor Să analizăm cum se realizează conectarea conductoarelor. De zeci de ani, atunci când un cablu trebuie fixat în spatele unui comutator, releu sau conector, a existat o gamă de soluții.

Lipirea a fost un element de bază al indus triei de zeci de ani. Lipitura în sine constă de obicei dintr-un aliaj de staniu și plumb, iar lipirea modernă fără plumb folosește alte elemente, cum ar fi antimoniul și argintul. Aliajul de lipire este topit și curge în jurul firului și terminalului, răcindu-se pentru a forma o îmbinare metalică solidă. Lipirea este favorită printre ingineri, deoarece oferă siguranță și are avantajul de a fi reprelucra bilă – se poate face retopire, iar firul poate fi ajustat înainte de a se răci și solidifica din nou. Cu toate acestea, lipirea aduce cu ea un anumit număr de probleme.

Deși este evident, trebuie menționat că li pirea necesită aplicarea de căldură. Multe terminale sunt găzduite în plastic pentru a asigura o izolație adecvată. Cu câteva excep ții, plasticul este vulnerabil la căldură, iar manipularea neatentă a instrumentului de lipit are potențialul de a provoca daune ireparabile firelor și componentelor scumpe. În plus, există instalații în care poate fi de-a dreptul periculos să manevrezi unelte care au o temperatură în vârf de peste 200°C. Ca rezultat, în unele situații, crearea unei îmbi nări bune prin lipire, păstrând operarea în siguranță, necesită un operator experimentat, ceea ce adaugă cheltuieli considerabile oricărei instalări.

Există o altă problemă metalurgică ce nu poate fi neglijată, în special în conexiunile care utilizează lipirea tradițională cu staniuplumb. Multe terminale sunt placate cu aur,

o practică bine stabilită, care oferă o conduc tivitate și o protecție excelentă pentru meta lul de bază. Cu toate acestea, aurul se dizolvă ușor în operația de lipire, ceea ce înseamnă că este posibil ca staniul și aurul placajului să se combine, formând un strat intermetalic în jurul aliajului de lipire.

Acest strat intermetalic slăbește legătura dintre terminal și fir, reducând fiabilitatea terminației electrice. Dacă este supus la șocuri și vibrații, este posibil ca această terminație defectuoasă să se slăbească și să nască probleme. Acesta este motivul pentru care NASA și alte organizații solicită ca aurul să fie scos de pe un terminal înainte ca firul să fie fixat. Oricare dintre metodele de rezolvare a problemei adaugă cheltuieli considerabile costului de conectare a unui conductor electric.

Electronica • Azi nr. 8 (268)/202250
TEHNOLOGIE
Există lucruri pe care le facem pur și simplu pentru că așa le-am făcut întotdeauna?

Sertizarea ca alternativă

Sertizarea oferă o alternativă fiabilă la lipire. Sertizarea necesită comprimarea metalului firului pentru a forma o etanșare puternică. Forța exactă necesară variază în funcție de construcția firului și de designul termi nalului, dar trebuie menținut un echilibru între prea puțină compresie, care are ca rezultat o îmbinare mecanică slabă și prea multă care riscă să deterioreze firul. Vestea bună este că o unealtă de sertizare, odată setată corect pentru combinația de conductor și ter minal, produce îmbinări repetabile și fiabile, cu puțină abilitate necesară de la operator. Vestea proastă este că uneltele de sertizare nu sunt în general ieftine.

Majoritatea terminalelor de sertizare sunt montate pe fir înainte de introducerea într-un conector. Și acest lucru are avantaje și dezavantaje. Terminalele libere sunt mici și pot fi ușor scăpate și pierdute dacă lucra rea este efectuată într-un spațiu incomod. Uneori este mai bine ca sertizarea să fie făcută în avans într-un mediu mai potrivit, ceea ce generează o economie considerabilă de timp la finalizarea unei instalări la fața locului. Cu toate acestea, există încă un cost inițial relativ ridicat asociat cu echipamentul de sertizare. Nu ar fi grozav dacă ar exista o metodă care să nu aibă nevoie de unelte sau de instruire costisitoare, care să nu necesite manipularea terminalelor care se pot pierde sau lipirea la cald cu problemele sale de siguranță? Există! Se numește conectare (terminație) cu șuruburub.

Alternativă simplă?

Pentru dispozitivele mai mari, cum ar fi întrerupătoare și relee, este posibil să alegeți această metodă “de terminare” care nu necesită nimic mai mult decât o șurubelniță. Cu această alegere, eliminăm toate incon venientele lipirii sau costul sertizării prin simpla uti lizare a unei cleme cu șurub. Problema noastră este rezolvată. Din păcate, o problemă este înlocuită cu altele. Înșurubarea unui fir într-un terminal poate fi un proces lent. Câteva secunde pe terminal ar putea să nu pară prea multe, dar, pe parcursul unei întregi instalări, se va adăuga o perioadă semnificativă de timp cu costul asociat. Există, de asemenea, proble ma confortului și a fiabilității. Instalarea unui fir într-un terminal cu șurub este de obicei o sarcină pentru două mâini – o mână este folosită pentru a ține firul pe loc, iar cealaltă va întoarce șurubelnița până când firul este fixat sigur.

www.electronica-azi.ro
51

Și acest lucru încă nu rezolvă întrebarea cât de mult să strângeți șurubul. Ar trebui să fie suficient de strâns pentru a rezista la o tracțiune ușoară sau ar trebui ca instalatorul să continue să rotească șurubelnița până când “scârțâie”? Majoritatea producătorilor vor publica o valoare recomandată a cuplu lui la care ar trebui strâns șurubul, dar câți instalatori urmează aceste instrucțiuni ad litteram? Cât de repetabile sunt terminațiile cu șuruburi?

Prin reducerea timpului necesar de insta lare, terminalele ‘push-in’ eliberează opera torii calificați de sarcini repetitive, putându-se preocupa de acele sarcini de speciali tate care oferă cele mai multe beneficii. În aceste condiții, de ce tehnologia ‘push-in’ nu a fost preluată peste tot? Trebuie spus că terminalele ‘push-in’ tind să fie puțin mai mari decât alte tipuri, dar pentru aplicații mari de construcții de mașini, acest lucru poate fi de mică importanță. Mai există un posibil răspuns și anume că lipsa de pătrundere mai mare a tehnolo giei ‘push-in’ în industrie este o chestiune de percepție. Unii ingineri s-ar putea să nu aibă încredere într-o terminație pe care nu au înșurubat-o sau sertizat-o. Deoarece le lipsește feedback-ul fizic pe care îl primesc din tehnica “întoarce șurubul până când scârțâie”, ei pot simți că o îmbinare prin îm pingere nu este deosebit de sigură.

Domeniul temperaturii de operare neilumi nat este de -25 ... +60°C (fără îngheț), iar cu iluminare cu LED de -25 ... +55°C (fără îngheț). Interval de umiditate de operare de la 45 la 85% RH (fără condens).

Temperatura de stocare: -40 ... +80°C. Rezistență de contact maxim 50 mΩ (valoare inițială).

Într-o prezentare succintă, am putut vedea că tehnicile de prindere conductor – conector pe care le-am analizat, aduc întotdeauna și limitări. Unele necesită pregătire de specia litate și pot prezenta chiar probleme de siguranță, altele necesită investiții semnifi cative în scule. Chiar și tehnica ce utilizează unelte de mână simple oferă un pachet mixt de beneficii și provocări.

Tehnologia Push-In –terminații fără unelte Nu am discutat încă despre tehnologia prin împingere: push-in. De mulți ani, producă torii au căutat să proiecteze metoda per fectă de instalare fără unelte. Scopul este de a crea o soluție care se instalează rapid, nece sită puțină pregătire prealabilă și poate fi realizată fără unelte specializate, toate creând în același timp o terminație de fir fiabilă, repetabilă și reparabilă. Tehnologia de ter minare ‘Push-in’ oferă toate aceste avantaje. Oferă atât de multe avantaje față de tehni cile de sertizare, lipire și înșurubare! Chiar dacă prețul este puțin mai mare – ceea ce nu este întotdeauna cazul – costul redus de instalare oferă mult mai multă valoare.

De fapt, designul terminalelor moderne ‘push-in’, cum ar fi noul S3 de la IDEC, le face să se potrivească ideal pentru mediile dure întâlnite frecvent la nivelul fabricii. Contactele cu arc utilizate în bornele ‚push-in’ oferă un contact pozitiv și o rezistență excelentă la vibrații, iar viteza procesului de instalare vorbește de la sine. Modul în care am făcut întotdeauna ceva, deși familiar și de încredere, ne poate ține pe loc. Data viitoare când trebuie să finalizați o instalare, faceți un pas înapoi și luați în con siderare dacă vechea metodă este încă cea mai bună. Poate că este timpul pentru o schimbare!

Bloc de contact Idec Seria HW-P10R, 2.5kV, 1NO Idec HW-P10R este un bloc de contact cu un singur pol cu contact normal deschis

Bloc contact Idec seria CW, 1NO Seria CW de la Idec dispune de comutatoare și dispozitive pilot elegante, compacte și care economisesc spațiu. Pârghia de blocare în două trepte, integrată cu protecție oferă un nivel mai ridicat de siguranță, reducând și posibilitatea activării neașteptate. Dimen siunile reduse contribuie la micșorarea di mensiunii panoului de control. Toate dispozitivele din serie încorporează, de aseme nea, pârghii de blocare de siguranță, asigu rând instalarea corectă și menținând siguranța în aplicații cu

Caracteristici cheie:

• Rezistență la coroziune a elementului de blocare

• Contacte pentru 10A

• Construcție modulară pentru flexibilitate maximă

• NEMA 4X și etanșare IP65 cu rezistență la apă și ulei

• Listat UL, Certificat CSA, Aprobat TUV și marcat CE

Conectori de fibră optică

Fibra optică îșî găsește aplicații în toate industriile

Se discută mult de lumea electronicii, dar există un subiect despre care ar trebui vorbit mai mult și anume despre o tehnologie care este din ce în ce mai importantă în comu nicațiile globale și își găsește constant aplicații în lumea industriei. Acest subiect este fibra optică.

Există articole care vorbesc despre fibra optică, dar se poate observa că, multe din tre ele presupun că cititorul este familiari zat cu tehnologia.

La fel ca în cazul comunicațiilor electronice convenționale, fibra optică are avantajele și dezavantajele ei. Transmisia optică prin fibră are capacitatea de a transporta cantități

Electronica • Azi nr. 8 (268)/2022 Tip bloc Bloc contact Series HW-P10R Contact Configuration 1NO Voltage Rating 2.5kV Illumination Type Incandescent Caracteristici tehnice ⮞ TEHNOLOGIE Nr. stoc RS 213-3572 Marca Idec Cod de producător HW-P10R Nr. stoc RS 833-7183 Marca Idec Cod de producător YW-E10R 52

uriașe de informații pe distanțe care s-ar dovedi ineficiente pentru semnalele elec trice convenționale. Ele sunt sigure și imune la perturbările cauzate de interferența electromagnetică (EMI) și sunt remarcabil de mici și ușoare, având în vedere cantitatea de informații pe care o pot transporta.

Comunicare cu lumină Scopul unei fibre optice este de a transfera informații. În cablurile convenționale de cupru, această comunicare se realizează cu electricitate, iar fibrele optice folosesc același principiu, înlocuind electronii cu lu mina și folosind un mediu care îi permite să se propage. Fibra optică folosește sticlă de o puritate extrem de ridicată (pentru a mi nimiza pierderea semnalelor pe distanțe lungi) sub formă de filamente. O expresie des folosită (chiar suprafolosită) este aceea că fibra este mai subțire decât părul uman. De fapt, o fibră optică este realizată din două straturi de sticlă, fiecare cu un indice de refracție diferit.

LABORATOR | Tehnici de conectare

Lumina se deplasează de-a lungul miezului fibrei folosind un principiu numit reflexie internă totală. Este posibil să observați acest efect în acțiune atunci când vă uitați la o cantitate mare de apă. Când priviți di rect spre apă, lumina poate călători liber între interfața dintre apă și aer. Când este privită sub un anumit unghi, lumina din cer de exemplu, este reflectată înapoi către privitor, iar apa pare opacă.

Transmiterea luminii Același efect este prezent într-o fibră optică. Interfața dintre miez și înveliș – ambele pre zintă un indice de refracție diferit – menține lumina în interiorul miezului. De fapt, miezul unei fibre moderne este adesea construit cu un indice de refracție gradat, care curbează ușor lumina spre centru, mai degrabă decât să se bazeze pe reflexia internă.

Dimensiunea nucleului guvernează volu mul de date care pot fi transmise de-a lungul unei fibre. Spre deosebire de sistemele elec trice, în care un conductor mai mare oferă o rezistență mai mică, cele mai mici miezuri de fibre oferă cea mai mare capacitate. Mo tivul pentru aceasta se datorează modului. În fibra optică, modul este denumirea dru mului pe care lumina îl parcurge prin fibră.

Înțelegerea modurilor

O fibră multimodală are un miez cu diame tru mai mare, de obicei 50 sau 62,5 μm. Acest lucru permite mai mult de o cale sau un mod pe care lumina îl poate urma prin miezul fibrei. Aceasta înseamnă că un sem nal poate lua mai multe căi diferite pentru a ajunge la destinație. Prin urmare, este nece sar să se întârzie transmiterea următorului semnal, astfel încât să nu existe riscul ca acesta să interfereze cu semnalul anterior care a luat calea cea mai lentă. În schimb, o fibră de mod unic este mult mai îngustă, de obicei cu un diametru de doar 9 μm. Această construcție permite luminii să călă torească doar pe o singură cale. Prin urma re, este posibil să se trimită mai multe date prin fibră, știind că un semnal nu interfe rează cu altul. Toate cablurile submarine care formează coloana vertebrală a comu nicațiilor globale folosesc fibre monomod.

Conectarea fibrelor optice

Diametrul mic al miezului de fibră optică este unul dintre motivele pentru care folo sirea fibrei optice poate fi o provocare. Acest lucru devine deosebit de important atunci când vine timpul să conectați două lungimi de fibră împreună. Spre deosebire de un sis tem electric care necesită pur și simplu atingerea conductorilor pentru a trece cu rentul, conexiunile de fibră funcționează di ferit. Pentru a uni două fibre, este necesar să aliniați miezul fiecărei fibre și să le aduceți în contact fizic direct. Dacă miezurile sunt nea liniate, există riscul de a pierde semnal la îm binare. Cu miezurile de fibre optice atât de fine, aceasta înseamnă că precizia este de o importanță vitală.

Îmbinarea este unul dintre motivele cheie pentru care este utilizată fibra multimodul, în ciuda performanței sale mai slabe în comparație cu fibra monomod. Precizia necesară pentru a aduce două nuclee de 9 micrometri într-o aliniere perfectă se tra duce într-un proces complex și costisitor și, prin urmare, dacă performanța extremă nu este necesară, fibra multimodală este ade sea alegerea mai ușor de implementat. Când instalați un cablu optic, este, de ase menea, important să rețineți că fibra ne cesită o manipulare atentă. Cablul electric convențional, mai ales dacă are o construc ție torsionată, poate rezista la o anumită forțare fizică. În schimb, fibrele optice pot fi deteriorate dacă sunt forțate sau sunt în doite într-un unghi ascuțit. De fapt, cablurile de fibră optică sunt construite pentru a proteja fibrele vulnerabile adăpostite în interior, folosind adesea fire și chiar armuri pentru a oferi rezistența necesară.

Pentru a crea îmbinarea, fibrele optice sunt montate în dispozitive ceramice care sunt fabricate la o toleranță foarte fină pentru a oferi precizia necesară pentru o bună conexiune.

Conectori de fibră optică pentru medii dure

Fibra optică în aplicațiile de telecomunicații adesea nu trebuie să se confrunte cu mediile dure, iar conectorii convenționali de fibră sunt, în general, ușori și compacți. Popu larele standarde de conector LC (nr. stoc RS 015-6279) și FC (nr. stoc RS 536-8086) sunt exemple perfecte de conectori comerciali de fibră optică, în timp ce pentru aplicațiile care au nevoie de mai multe fibre optice grupate, MT (nr. stoc RS 905-3356) oferă soluția ideală.

Cu toate acestea, avantajele pe care le poate oferi fibra – ușoare, viteze mari de transmi tere a datelor și rezistență la EMI – permit aplicații într-o mare varietate de industrii. De la transmisia în mediul exterior până la comunicații militare, există un apetit consi derabil pentru conectorii de fibră care pot rezista la condiții dure. Exemple oferite pot fi soluțiile de la Bulgin (nr. stoc RS 191-7985) și HARTING (nr. stoc RS 110-9371).

Transmisia prin fibră optică își găsește din ce în ce mai multe aplicații, inclusiv în mediul in dustrial. Aurocon COMPEC vă pune la dispo ziție conectori și unelte necesare pentru aplicații pe fibră optică. Pentru oferta completă vă invităm să accesați ro.rsdelivers.com. Autor: Grămescu Bogdan

■ Aurocon Compec www.compec.ro

53www.electronica-azi.ro

Detecție stabilă a produselor alimentare fără reajustarea senzorului la schimbarea tipului de produs.

Senzorul optic difuz DRT 25C cu referință dinamică – un produs inovator de la Leuze – este special construit pen tru detecția produselor alimentare. Datorita tehnologiei inteligente CAT, senzorul recunoaște cu precizie produse plate sau sferice, transparente sau înfoliate, precum și forme iregulate sau contururi.

Avantaje

■ Detecția precisă a obiectelor cu forme iregulate asigură o producție continuă și previne apariția avariilor pe linie

■ Nu este necesară reajustarea senzorului la schimbarea produselor sau a materialului de împachetare, generând astfel o creștere a productivității

■ Reglaj ușor și rapid al senzorului prin funcție de învățare automată a suprafeței conveiorului, doar cu un buton de învățare; o singură poziție de montaj pentru toate obiectele care vor fi detectate pe linie

■ Detecție stabilă chair dacă banda conveiorului este murdară sau vibrează

■ IO-Link pentru integrare ușoară a funcțiilor cu partea de control a utilajului, cum ar fi mesajele de avertizare în cazul contaminării excesive a opticii senzorului, folosirea numărătorului integrat în electronica senzorului sau dezactivarea tastei de învățare

Senzorii trebuie să detecteze în siguranță o varietate de produse și folii pe conveioarele utilajelor de împachetare (HFFS, FS, Thermoform, VFFS) din industria alimentară. Mai mult, ei trebuie să funcționeze continuu după schimbarea produsului, fără a fi nevoie de recalibrarea lor. Senzorii op tici care îndeplinesc aceste cerințe sunt, de obicei, senzori reflexivi cu suprimarea prim-planului. Această tehnologie are slăbiciunile ei, în momentul în care obiectele de detectat sunt plane, lucioase sau transparente.

Metoda inovatoare de detecție a DRT 25C, funcționează prin învățarea adaptivă a contrastului (CAT – Contrast

Adaptive Teach technology), unde banda conveiorului este utilizată ca referință în locul obiectului. Astfel, senzorul

detectează orice obiect ca o deviere de la suprafața benzii conveiorului. Detecția este independent de caracteristicile obiectului, cum ar fi culoarea, luciul sau transparența. Aplicații

Detecția produselor pe banda conveiorului la utilajele de debitare

Cerință:

Pentru controlul distanței între produse, muchiile frontale ale produselor de pe banda conveiorului trebuie detec tate precis. Senzorul trebuie, de asemenea, să detecteze produse de dimensiuni și forme diferite, plate sau înalte, pentru prevenirea opririi utilajului datorită detecției inco recte. Ajustarea pentru toate tipurile de produse trebuie să se realizeze ușor.

Soluție:

DRT 25C detectează orice produs, de dimensiuni mici sau mari, formă plată, sferică sau iregulată. Aceasta înseamnă că astfel de utilaje pot fi echipate cu un singur senzor, indiferent de aplicație. Învățarea cu un singur buton a DRT 25C îl face, de asemenea, ușor de ajustat.

Electronica • Azi nr. 8 (268)/202254
DRT 25C: Detecție optică perpendiculară pe conveior

Detecția produselor pe banda conveiorului la utilajele de împachetare

Mai mult, poziția de montaj și alinierea senzorului pot rămâne aceleași pentru o varietate de produse. Prin urmare, nu este necesar niciun efort în reajustarea senzorului la schimbarea produselor.

Trei fascicule optice pentru fiabilitate maximă Indiferent de forma produselor sau a ambalajului, utilizând trei fascicule optice, DRT 25C detectează eficient muchiile frontale și asigură un proces fluid fără întreruperea producției. Datorită razei mari de scanare, sunt detectate precis chiar și obiecte cu orificii, ca un singur obiect. Pentru aceste tipuri de produse, nu este necesar ca toate cele trei fascicule ale senzorului să cadă pe obiect.

Cerință:

Pentru controlul distanței între produse fără probleme, trebuie detectate precis ambalaje realizate din diferite materiale. Schimbarea produselor sau a foliei de ambalare nu trebuie să necesite o reajustare a senzorului.

Soluție:

Tehnologia unică a DRT 25C folosește ca referință banda conveiorului. Detecția este independentă de caracteristi cile suprafeței sau a materialului de împachetare utilizat (culoare, luciu, transparență). Aceasta înseamnă că nu este necesară recalibrarea senzorului la schimbarea produselor sau foliei de împachetare.

Tehnologia de funcționare

Nu necesită ajustare la schimbarea produselor Atunci când se realizează învățarea senzorului, banda conveiorului este memorată ca punct de referință. După schimbarea produsului, nu este necesar ca senzorul să fie reajustat, deoarece punctul de referință rămâne același.

De la obiecte transparente, la obiecte foarte lucioase Împachetările cu folii de diverse culori și transparențe sunt detectate în siguranță ca o deviere de la banda con veiorului, stabilită ca referință la învățarea senzorului. Acest lucru înseamnă că utilajele, care lucrează cu o varie tate de ambalaje, pot fi echipate cu un singur senzor.

Tehnologie CAT unică

DRT 25C folosește banda conveiorului ca referință dinamică pentru detecția obiectelor. Prin această metodă, caracteristicile suprafeței benzii sunt învățate de către senzor. Senzorul va detecta orice obiect cu caracteristici ale suprafeței diferite de cele ale benzii. Chiar și contami narea benzii conveiorului poate fi compensată utilizând tehnologia CAT.

Specificații tehnice

■ Tehnologie de memorare a referinței și trei fascicule optice LED pentru detecție fiabilă a unei varietăți de forme și suprafețe

■ Distanțe de operare față de banda conveiorului între 50-200mm

■ Frecvență de comutare de 750Hz pentru viteze ale conveiorului de până la 2m/s

■ Configurare ușoară printr-un buton de învățare

■ Interfață IO-Link pentru comunicare standardizată cu partea de control a utilajului

■ Construcție compactă: 15mm × 42.7mm × 30mm

■ Clasă de protecție IP67 și IP69K, certificare ECOLAB www.oboyle.ro

55www.electronica-azi.ro

FUJIFILM PRESCALE: Folie pentru măsurarea presiunii

Aceasta este singura folie din lume care poate măsura presiunea. Presiunea și distribuția presiunii, care puteau fi vizualizate în trecut, acum pot fi măsurate.

Structura Prescale

Prescale permite măsurarea balansului, distribuției și va lorii presiunii pe o suprafață. Realizată folosind tehnolo gia avansată Fujifilm de acoperire a unei folii cu pelicule, Prescale măsoară distribuția presiunii pe întreaga suprafață de inspecție. Folia se colorează în roșu acolo unde presiunea este aplicată, iar nuanța de roșu variază funcție de valoarea presiunii. Pentru a acoperi un dome niu larg de presiune (0.006 ... 300 MPa), Fujifilm are în gamă 8 tipuri de folie Prescale.

Colile Prescale permit măsurarea presiunii mai accesibil. Colile Prescale sunt recomandate pentru utilizatori noi sau pentru aplicații de presiune pe suprafețe mici. Sunt disponibile 6 tipuri de folii Prescale care acoperă dome niul de presiune 0.2 ... 300 MPa.

Măsurarea presi unii anvelopelor

Măsurarea distribuției presi unii în curățarea panourilor LCD

Măsurarea presi unii între capul cilindrilor și blocul de cilindrii

Fiecare produs Prescale este conceput pentru un anumit domeniu de presiune (MPa). Clientul trebuie să confirme valoarea presiunii din aplicația în care dorește să facă măsurarea sau inspecția.

Cele formate dintr-o singură folie conțin ambele straturi deja asamblate și sunt fo losite pentru măsura rea presiunilor înalte.

Two-sheet type

Ultra Extreme Low Pressure (5LW) ~ Medium Pressure (MW)

Există două tipuri de Prescale: formate din două folii și o singură folie. Cele formate din două folii conțin o folie de developare și o folie pentru colorare. Acestea se supra pun pentru realiza rea măsurătorii.

Mono-sheet type

Medium Pressure (MS), High Pressure (HS), Super High Pressure (HHS)

Cum funcționează Prescale

Microcapsulele din stratul care realizează colorarea se sparg sub presiune și sunt absorbite de stratul developant, cauzând o reacție chimică ce realizează colorarea în roșu a acestuia. Microcapsulele sunt așezate uniform și ajustate ca mărime și rezistență, realizând o densitate a culorii corelată cu valoarea presiunilor aplicate.

Tabelul presiunilor (pentru presiune medie [MW]) Prin corelarea cu tabelul standard, valoarea presiunii poate fi confirmată vizual.

Continuous pressure

Pressure range : Medium pressure (10~50MPa)

Momentary pressure

Pressure range : Medium pressure (10~50MPa)

Pressure application : Measured pressure conditions: reaching time: 2m Measured pressure holding time: 2m

Standard

Pressure application : Measured pressure conditions: reaching time: 5s Measured pressure holding time: 5s

* Porțiunile marcate cu linie punctată pot depăși eroarea permisă, prin urmare trebuie considerate doar ca referință.

* Prescale se folosește în urma determinarii curbei A, B, sau C, funcție de condițiile de umiditate și temperatură ale aplicației

* Timpul de atingere al presiunii pentru Ultra extreme low pressure (5LW), extreme low pressure (4LW) și ultra-super low pressure (LLLW) este de 5 secunde, iar măsurarea ar trebui să dureze 2 minute.

* Super high pressure (HHS) este doar pentru măsurare continuă a presiunii.

Electronica • Azi nr. 8 (268)/202256
color sample Standard color sample

1. Tăiați Prescale sau Prescale Sheets la dimensiunile necesare pentru măsurare în aplicație.

2. Introduceți Prescale între suprafețele unde trebuie măsurată presiunea. Aplicați presiunea de operare uzuală.

3. Înlăturați Prescale.

Detecția muchiilor transparente

4. Acum se poate vizualiza distribuția presiunii.

5. Utilizați un scanner performant pentru scanarea suprafeței colorate.

6. Folosiți software-ul de analiză a distribuției de presiune FPD-8010E. Selectând condițiile de măsurare, se pot mă sura valorile de presiune pe întreaga supra față, pe anumite secțiuni sau în puncte precise. Datele pot fi exportate în format Excel și se poa te realiza analiza 3D a suprafeței verificate

Senzorii convenționali de obicei își ating limitele atunci când este cazul să detecteze sau să numere stive de obiecte transparente, așa cum sunt, de exemplu, paharele din plastic transparent. În procesele de împachetare este foarte importantă ambalarea numărului exact de obiecte într-un pachet. Asemenea probleme pot fi rezolvate acum cu senzorii de muchie din seria RED (un RED-110-L a fost folosit pentru această aplicație). Senzorii de detecție muchie din seria RED folosesc doi receptori optici integrați într-o singură carcasă, care sub unghiuri diferite detectează unda laser care cade pe obiect din emițătorul senzorului. Din unghiul receptorului poziționat în partea opusă față de emițător, unda laser nu este obsevată deoarece se află în spatele unei muchii, dar recep torul poziționat pe aceeași parte cu emițătorul o detectează și da torită suprafeței reflectorizante a obiectului, acesta primește mai multă lumină laser. Chiar dacă obiectele sunt transparente, curbura muchiilor realizează o deviere a luminii pe detectorul din partea opusă emițătorului, iar muchiile pot fi detectate cu precizie. Datorită frecvenței mari de scanare de 100 kHz, senzorul poate fi utilizat pentru detecție și numărare eficientă, chiar și în aplicații foarte rapide. Software-ul de parametrizare RED-Scope Windows® permite configurarea optimă pentru fiecare produs, deoarece interfața Windows® permite afișarea semnalelor și ieșirilor digitale în timp real. Când configurarea este finalizată, para metri sunt salvați în memoria EEPROM a controllerului senzorului sau într-un fișier pe PC sau PLC. Sunt disponibile inter fețe de conectare pentru Profinet, EtherCAT, EthernetIP și PowerLink pentru conectarea la un PLC. www.oboyle.ro

57www.electronica-azi.ro
Măsurare parțială
Măsurare în întregime
Vizualizare 3D Cum se utilizează Prescale www.oboyle.ro

Mașinile pentru strunjire, frezare, foraj sau șlefuire metal, inevitabil vor genera așchii metalice. Pentru senzorii in ductivi, care sunt destinați detecției părților metalice, aceste resturi reprezintă o provocare. Atunci când senzorii sunt acoperiți cu substanțe lubrificante care conțin așchii metalice, există un risc ca aceștia să genereze semnale eronate către sistemul de control al utilajului. Pentru astfel de aplicații, Contrinex oferă seria de senzori inductivi imuni la așchii metalice, în carcase M12, M18 sau M30, în construcție parțial integrabilă. Chiar și acoperiți cu așchii de fier, aluminiu, oțel inoxidabil, cupru sau titaniu, aceștia vor detecta precis piesele construite din aceste metale. Senzorii realizează acest lucru cu o modificare a metodei de detecție Condet®, care operează la baza impulsurilor de curent din bobină și folosește tensiunea primită pe bobină ca semnal de detecție. Acești senzori sunt construiți dintr-o carcasă complet turnată din oțel inoxidabil, cu protecție IP68 și IP69K, iar domeniul temperaturilor de lucru este între -25 și +85°C (-13 și +185°F). Valorile acestea îi fac potriviți pentru lucru în medii dure specifice utilajelor industriale. Funcție de diametrul carcasei senzorului, distanțele de operare sunt de 3, 5 sau 12 mm, cu un domeniu de repetabilitate de la 0.2 la 0.8 mm. Senzorii au frecvențe de comutare de 90, 200 sau 400 Hz. Pentru senzorii cu ieșire PNP, este inclusă interfața I/O-Link pentru comunicare cu restul sistemului.

În practică, folosirea acestor noi senzori inductivi poate salva timp, cheltuieli suplimentare și ajută la protejarea mediului înconjurător. În aplicațiile de prelucrare a metalului, acolo unde sunt utilizați senzori inductivi convenționali, fiabilitatea este asigurată prin îndepărtarea regulată a așchiilor cu jet de apă. Acest lucru nu mai este necesar dacă se utilizează senzori inductivi imuni la așchii metalice.

Caracteristici senzori inductivi imuni la așchii metalice:

■ Construcție M12, M18 sau M30

■ Detecție neinfluențată de așchii de fier, aluminiu, oțel inox, alamă, cupru sau titaniu

■ Detecția obiectelor construite din aceste metale

■ Construcție robustă: carcasă turnată din oțel inox, protecție IP68 și IP69K

■ Domeniu de temperaturi -25 ... +85°C (-13 ... +185°F)

■ Distanțe de operare 3, 5 sau 12 mm

■ IO-Link

Electronica • Azi nr. 8 (268)/202258
Senzori inductivi full-inox imuni la așchii metalice de fier, aluminiu, oțel inox, alamă, cupru sau titaniu
Tel.: 0256-201346 E-mail: office@oboyle.ro www.oboyle.ro

Cum să folosițieficient elastomerii conductivi

Pentru conexiunile electrice din conectorii Mil -Aero

Aceste conexiuni sunt legături RF, nu conexiuni electrice de siguranță, așadar, nu sunt create pentru a conduce curent de înaltă tensiune, în cazul unui scurtcircuit sau al unei defecțiuni. De asemenea, pot oferi parțial protecție împotriva fulgerului (LS/EMP), asemenea unei aeronave, deși este o funcție secundară minoră, deoarece alte structuri vor conduce mare parte din sarcina electrică. Această rezistență poate fi de până la 2,5 mΩ și nu este dificil de atins, dacă folosiți curele metalice, pentru a lega cele două părți ale structurii. Totuși, în unele cazuri, cum ar fi un conector tipic Mil-C-38999, nu se poate sau nu este indicat să utilizați curele. În schimb, șuru burile de lângă o garnitură conductivă plată sau în formă de “O” vă permit să legați mai ușor conectorul de carcasă. Din păcate, une ori, apare un fenomen neobișnuit la aceste conexiuni: rezistența electrică va debuta de obicei cu o valoare de R mΩ; apoi, va crește treptat, câteva zile sau săptămâni, atingând o valoare de trei sau patru ori mai mare decât cea inițială, fără vreun motiv anume, într-un mediu complet favorabil.

Mulți specialiști dau vina pe instabilitatea garniturii, ceea ce poate fi adevărat în cazul garniturilor plate din cauza supra-compre siei. În general, garniturile conductive plate au o deformare maximă de aproximativ 15%, față de grosimea lor inițială. Este foarte difi cil să evitați deteriorarea garniturilor, dacă strângeți excesiv elementele de fixare, din cauza variațiilor de grosime, care pornesc de la ±10% și pot atinge ±20%. Puteți ob serva acest fenomen și dacă folosiți garni turi cu piuliță sau în formă de “O”; chiar dacă există contact între două metale, rezistența tot va crește, în timp.

MECANISMELE

Pentru a înțelege acest fenomen, trebuie să observăm modelul fizic și electric al legăturii, să identificăm căile de conduc tivitate și să măsurăm impactul lor asupra rezistenței generale a legăturii. În plus, tre buie să identificăm mecanismele care pot duce la o rezistență sporită.

Figura 1 ilustrează un dispozitiv de testare a conectorului, iar garnitura albastră și plăcile superioare și inferioare reprezintă capacul conectorului, respectiv carcasa, fixate prin patru elemente M3. În schema electrică alăturată:

Electronica • Azi nr. 8 (268)/202260
COMPANII
Garniturile cu conductivitate electrică oferă o protecție EMI mai bună a carcaselor metalice și metalizate, ameliorând, de asemenea, legătura electrică și, uneori, împământarea structurală.
Autor: Gerard Young, Inginer de aplicații Parker Hannifin Chomerics Division Europe
Figura 1: Dispozitiv de testare a conectorului și model de rezistență.

pentru conectorii

• Rb reprezintă rezistența șuruburilor

• Rc este rezistența învelișului conectorului

• Rg înseamnă rezistența garniturii

• Rh este rezistența învelișului carcasei

Rezistența metalului din carcasă și conectori este neglijabilă, fiind cu câteva ordine de mărime mai mică decât celelalte rezistențe. În acest caz, sunt posibile două căi de conducție:

• Prin garnitură

• Prin contactul dintre capul șurubului și capacul conectorului, apoi, prin dispozitivul de fixare și filetele carcasei

EVITAȚI SUPRACOMPRESIA

De remarcat că, dacă o garnitură EMI plată conductivă nu e deteriorată, contribuția sa generală la rezistența legăturii e foarte mică, deoarece învelișul cromat “conductiv” are cel mai mare impact. După cum am menționat anterior, unele an sambluri reușesc să atingă rezistențe de contact <10 mΩ (deși conectorii sunt foarte mici), care cresc cu timpul. În cazul garnitu rilor plate, acesta este rezultatul conexiunii electrice prin șuruburi, care înlătură învelișul cromat de pe filete și, prin strângere, oferă o mică zonă de contact între metale.

Se poate crea ușor o astfel de zonă, dacă strângeți șuruburile de pe conector, cu condiția ca șuruburile să fie finisate conduc tiv și să înlăturați învelișul cromat. Câteva fi lete de pe un șurub cu acea zonă de contact vor oferi o rezistență de 2,15 mΩ, în paralel cu cei 7,49 mΩ ai garniturii (436 mm²). Dat fiind că această rezistență este în paralel cu rezistențele din tabelul 2, folosind formula pentru rezistențe paralele, obținem rezul tatul de 1,67 mΩ.

Trebuie să reținem că aceste contacte de fixare nu sunt stabile, mai ales în cazul su pracompresiei.

Rb este în paralel cu celelalte rezistențe și, dacă există contact între metale prin filete, se poate ajunge, inițial, la o rezistență de contact scăzută. Cu toate acestea, odată ce contactul se oxidează sau presiunea asupra filetelor scade, pe măsură ce compresia garniturii crește, situația poate dispărea definitiv sau poate apărea o creștere semnificativă a rezistenței.

Să presupunem următoarea situație:

• Carcasa și conectorul sunt din aliaj de aluminiu

• Ambele sunt tratate cu un strat de conversie MIL-DTL-5541, Tip II, Clasa 3

• Observăm o rezistență specifică de cel mult 2,5 mΩ/in² pe fiecare suprafață; eșantionul arată un total de 5 mΩ/in², conform specificațiilor

Tabelele de mai jos prezintă, pe scurt, pro prietățile garniturii și suprafeței, precum și contribuția fiecăruia la rezistența legăturii (fără a lua în considerare contribuția ele mentelor de fixare).

Aria garniturii este egală cu cea a carcasei unei garnituri de conector Mil-C-38999, dimensiunea 19 (aproximativ 4,8 cm² sau 0,75 in²). Se poate calcula rezistența de tre cere a acestei garnituri, folosind formula R=ρL/A, unde:

• ρ este rezistivitatea de volum în Ω cm

• L este grosimea în cm

• A reprezintă aria în cm²

Rezistivitatea de volum a aluminiului curat este de aproximativ 2,65*10-6 ohm cm sau de aproape 3000 de ori mai mică decât o garnitură la 0,008 mΩ cm.

Prin urmare, pentru a obține aceeași rezistență de 10 mΩ, doar prin contact metalic și cu ajutorul unei grosimi de con tact de 0,81 mm, este necesară o suprafață de 0,01 mm².

Astfel, cu timpul, garnitura se va mișca încet, de obicei la colțuri, reducând sarcina supor tată de șuruburi. Prin urmare, se pierde con tactul pe filete și presiunea pe garnitură și, ulterior, va crește rezistența. Chiar dacă gar nitura nu se deteriorează, după strângerea excesivă a șuruburilor, poate să prezinte o oarecare compresie, având o sarcină de compresie mai mică asupra garniturii și o creștere implicită a rezistenței de trecere.

61www.electronica-azi.ro
Figura 2: Dimensiunile garniturii. © CODICO Rezistivitate de volum CHO-SEAL® 1285 0,008 ohm cm Grosimea garniturii 0,081 cm Zona garniturii 4,36 cm² Suprafața de rezistență a unității 1 0,016 ohm/cm² Suprafața de rezistență a unității 2 0,016 ohm/cm² Tabelul 1: Proprietățile legăturilor Rezistența garniturii Rg 0,00015 ohm Rezistența suprafeței 1 Rc 0,00367 ohm Rezistența suprafeței 2 Rh 0,00367 ohm Rezistența totală 0,00749 ohm % Durata rezistenței totale datorată garniturii 1.98% Tabelul 2: Rezistențele legăturii Rezistivitatea volumului Al 2,65*10-6 Ω cm Grosimea Al 0,081 cm Zona de contact a firului 0,0001 cm² Tabelul 3: Proprietăți de contact cu firul Rezistență Al/șurub Rb 0,00215 Ω Garnitura/rezistența la suprafață R 0,00749 Ω Rezistența totală Rezistența paralelă 0,001668 Ω Tabelul 4: Contactul firului cu garnitura PRODUCȚIE | Tehnologii utilizate
militari ⮞

ALEGEREA GARNITURII

Există două moduri în care se pot remedia deficiențele unei garnituri plate conduc toare EMI, tăiată cu matriță din tablă:

• Folosiți un inel în formă de “O” sau “D”, într-o canelură.

• Folosiți o garnitură “plată” turnată, precum și opritoare de compresie, fie pe carcasă sau conector, fie în interiorul garniturii.

Pentru garniturile în formă de “O”, trebuie să aveți în vedere doi factori (ca în cazul garniturilor plate):

• Zona de contact, creată de garniturile în formă de “O”

• Zona de contact dintre metale (care nu include filetele șuruburilor)

A doua variantă, prin care înlocuim o garnitură plată cu una turnată (eventual, cu opritoare de compresie), este o soluție practică și eficientă, dar mai costisitoare.

DIMENSIUNE ȘI PERSONALIZARE

Pe scurt, garniturile plate cu conductivi tate electrică, pentru legăturile electrice din conectorii aerospațiali cu specificații militare, funcționează, atâta timp cât sunt suficient de mari și nu sunt deteriorate de sarcina aplicată de șuruburi.

Garniturile în formă de “O” funcționează și ele, oferind protecție împotriva supracom presiei, dar au o zonă de contact redusă, spre deosebire de o garnitură plată.

Strat de protecție

Un strat MIL-DTL-5541 Tip II Clasa 3 va fi întotdeauna esențial pentru rezistența oricărei legături conductoare, deoarece stratul de conversie are o rezistivitate de volum de aproximativ 45 Ω cm și o gro sime de 0,25 până la 0,5 μm (10-20 mi croinch). În schimb, rezistivitatea de volum a unei garnituri e cuprinsă între câțiva cm miliohm și câțiva cm ohm. Dacă reușiți să obțineți rezistențe scăzu te în miliohmi, pe garniturile conectorilor foarte mici, este probabil să fi deteriorat stratul cromat de conversie de pe carca să, de pe suprafața conectorului sau din filetele șuruburilor, fiind puțin probabil ca această rezistență de conectare scăzută să fie stabilă.

Pe de altă parte, dacă aveți un conector suficient de mare sau, de exemplu, patru conectori cu garnituri care măsoară apro ximativ 3,2 cm² (0,5 in²) sau mai mult, ar trebui să atingeți un standard de legare scăzut în miliohmi. Dacă nu aveți sufi cient spațiu, puteți lua în considerare un finisaj placat, ca alternativă pentru stratul de conversie.

Dacă analizăm din nou un conector a cărui carcasă are dimensiunea 19, o garnitură adecvată în formă de “O” poate avea un dia metru interior de aproximativ 40 mm și o secțiune transversală de 1,78 mm. Dacă este proiectat corect, putem aproxi ma că zona de contact va cuprinde toată lățimea canelurii. Așadar, garnitura va avea o zonă de contact de aproximativ 257 mm² și o grosime de aproximativ 1,45 mm, astfel încât rezistența garniturii, cumulată cu suprafețele cromate, va fi de 17 mΩ. Se impune, deci, să calculăm o zonă para lelă de contact între metale, pentru a obține o rezistență sub 10 mΩ. Folosind și formula pentru rezistențe în paralel, constatăm că rezistența de contact dintre metale trebuie să fie de aproximativ 20 mΩ.

Dacă atingem valoarea de mai sus printr-un contact perfect cu suprafața cromată la 5 mΩ/in², va fi necesar un contact de 0,25 in² (1,6 cm²), un lucru posibil, dar puțin pro babil. Prin urmare, legătura fie necesită un contact direct între metale, neglijându-se faptul că va fi deteriorată suprafața cromată, fie se vor folosi niște curele de prindere, fixate strâns pe suprafața metalică.

Date fiind posibilitățile sale de personali zare, o garnitură turnată e soluția optimă pentru aplicațiile de conectori aerospațiali. Deși va costa mai mult decât o garnitură plată sau în formă de “O”, cea turnată are numeroase avantaje, în privința aspectului și a costurilor de întreținere. De exemplu, veți putea folosi mai puțin material de etan șare, spre deosebire de garniturile tăiate cu matrița și veți economisi bani, în cazul mul tor aplicații, fiind posibil, de asemenea, să respectați cerințele de compresie/defor mare cu mai puține elemente de fixare, ceea ce duce la o întreținere mai bună.

În plus, inginerii de proiectare pot plasa mai ușor elemente de fixare în interiorul sau în exteriorul garniturii, reducând atât scurge rile EMI, cât și cele de umiditate, care ar fi pătruns în carcasă, prin orificiile de fixare.

Se vor face economii și în producție, deoa rece garnitura, capacul și opritoarele de com presie devin o singură piesă, scăzând astfel, numărul de articole achiziționate, inventarul și documentația. În final, cu ajutorul garni turilor turnate, veți scăpa de grija operațiu nilor de conectare nesigure și costisitoare.

Chomerics | www.parker.com/chomerics

Electronica • Azi nr. 8 (268)/202262
COMPANII ⮞ ■ CONECTORI MILITARI
Electronica • Azi nr. 8 (268)/202266 ............................................................................... LTHD Corporation S.R.L. Head Office: Timișoara - ROMÂNIA, 300153, 70 Ardealul Str., lthd@lthd.com, www.lthd.com Tel.: +40 256 201273, +40 356 401266, +40 729 009922, Fax: +40 256 490813

Turn static files into dynamic content formats.

Create a flipbook
Issuu converts static files into: digital portfolios, online yearbooks, online catalogs, digital photo albums and more. Sign up and create your flipbook.