Generac EK130 Hino Diesel Engine Parts Manual

Page 1

DIESEL

3 3

GENERAC EK130 HINO DIESEL ENGINE SERVICE RECOMMENDATIONS

CAPACITIES.

Crankcase oil: 7.13 U.S. Gallons

Cooling system: 7.66 U.S. Gallons (29 liters)

RECOMMENDEDFLUIDS

ENGINE OIL: Use a high quality detergent oil having API classification "For Service CC or CD". The SAE viacosity rating of the oil should be carefully selected, based on the prevailing ambient temperature range anticipated before the next oil change. Recommended SAE viscosity grade is 15W-40.

RECOMMENDEDCOOLANT

Use a mixture of half low silicate.ethylene glycol base anti-freeze and half soft water. Cooling system capacity is about is U.S. gallons (29 liters). Use only soft water and only low silicate anti-freeze. If desired, add a high quality rust inhibitor to the recommended coolant mixture. When adding coolant, always add the recommended 50/50 mixture.

PERIODIC ENGIN-E:MAINTENANCE SCHEDULE:

AFTERFIRST30HOURSOFOPERATION

Change engine crankcase oil.

EVERYSIXMONTHS

Change engine oil and filter.

Lubricate engine controls.

Service engine air cleaner.

Service engine fuel filter.

Inspect AC generator.

Test engine safety controls. Inspect fan belts.

Check engine coolant level.

Check engine cooling system hoses.

EVERYTWOYEARS

Replace all rubber hoses. Replace engine fan belts. Drain, flush and refill engine cooling system.

. �. :. 2
[.
EK130
EngineParts@HeavyEquipmentRestorationParts.com
GENERAC
HINO Diesel Engine Parts Contact email:
Phone: 269 673 1638 Website: www.Generac-Generator-Engine-Parts.com

GENERAC EK130 HINO DIESEL QUICK REFERENCE / TUNE-UP PARTS!

ENGINEGASKETS

DESCRIPTION

Gasket, Cylinder Head

Gasket, Cylinder head cover

Gasket, Valve Push Rod Cover

.Gasket, Cylinder.Liner

Gasket, Cylinder Liner

Gasket, Oil Pan

Gasket, Oil Outlet

Gasket, Front End Plate

Gasket, Timing Gear Cover

Gasket Sub Assembly, Exhaust Manifold

Gasket, Intake Manifold

Gasket, Surge Tank

Gasket, Oil Cooler Case

Gasket, Oil Cooler .Element

Gasket, Nozzle Holder

Gasket, Coolant Pump

Gasket, Thermostat

Gasket, Coolant Pump Case

ENGINE PARTS.

DESCRIPTION

Oil Filter Element (Primary)

Oil Filter Element (Bypass)

Fuel Filter Element

Air Filter Element

Camshaft Bearings (see page 9)

CrankshaftBearings STD (Set)

Ring Set, Piston (STD)

Bearing Set, Conrod STD

Piston STD·

Pin,

Bushing,

··

Bolt ..

Oil Filter Assembly Bolt (to block)

Oil Pump Mounting Bolt

Oil Filter Center Bolt (through element)

GENERAC EK130 HINO Diesel Engine Parts

269 673 1638 Website: www.Generac-Generator-Engine-Parts.com

Piston STD
STD
Pump Injector Assembly, Fuel Feed Pump Body, Water Separator Pump Assembly, Coolant Thermostat V-Belt Set, Coolant Pump V-Belt Set, Alternator Alternator, WI Regulator Starter
Conrod Repair,
Oil
GENERAC# 102-84761 118-59089 165-76815 159-59089 103-76815'. 115-84761, 118-84761 171-76815 136-84761'. 153-84761 353-59089 183-76815 428-59089 430-59089 493-59089 595-59089 605-59089 687-59089 TORQUE SPECS (In fUbs) PART# 101-59089 102-59089 100-59089 61701 Cylinder Head Cover Bolt Cylinder Head Bolt (16mm) Cylinder Head Bolt (12mm) Nozzle Holder Bolt 260-59089 265-59089 133-76815 134-76815 135-76815 148-84761 158-84761 220-76815 211-76815 340-64238 596-59089 624-59089 625-59089 290-76815 694-59089 195-84761 Rocker Arm Support Bolt Idler Gear Bolt Camshaft Gear Bolt Camshaft Gear Thrust Plate Bolt Fuel Injection Pump Drive Gear Nut Oil Pan Bolt Oil Drain Plug (18mm) Oil Drain Plug (22mm) Crankshaft Pulley Bolt FlywheelBolt :Conrod Bolt CrankshaftBearing Cap Bolts Flywheel Housing Bolt Oil Cooler
QTY 2 2 2 6 6 . 1 10-13 196-209 58-65 11-13 109-122 209-224 95-101 55-61 145-159 10-13 29-36 11-18 507-542 189-209 145-159 174-188 95-101 10-13 26-28 80-86 29-36 1 1 1 6 6 3 1 2 6 1 1 1 Inlet Fuel Filter ,( in Inlet Banjo Bolt ) 283-76815 Gasket and Seal Set, Upper 104-76815 Gasket and Seal Set, Lower 118-76815
EngineParts@HeavyEquipmentRestorationParts.com Phone:
Contact email:
ITEM PART NO. DESCRIPTION QTY 11080 159-76815 Engine Assembly, Partial 1 ! 4
GENERAC EK130 HINO DIESEL
GENERAC EK130 HINO DIESEL SHORT BLOCKASSEMBLY! 11400 ITEM PART NO. DESCRIPTION QTY 11400 160-76815 BlockAssembly, Short 1 5
!Ml0116 9341 u:� 6 900236
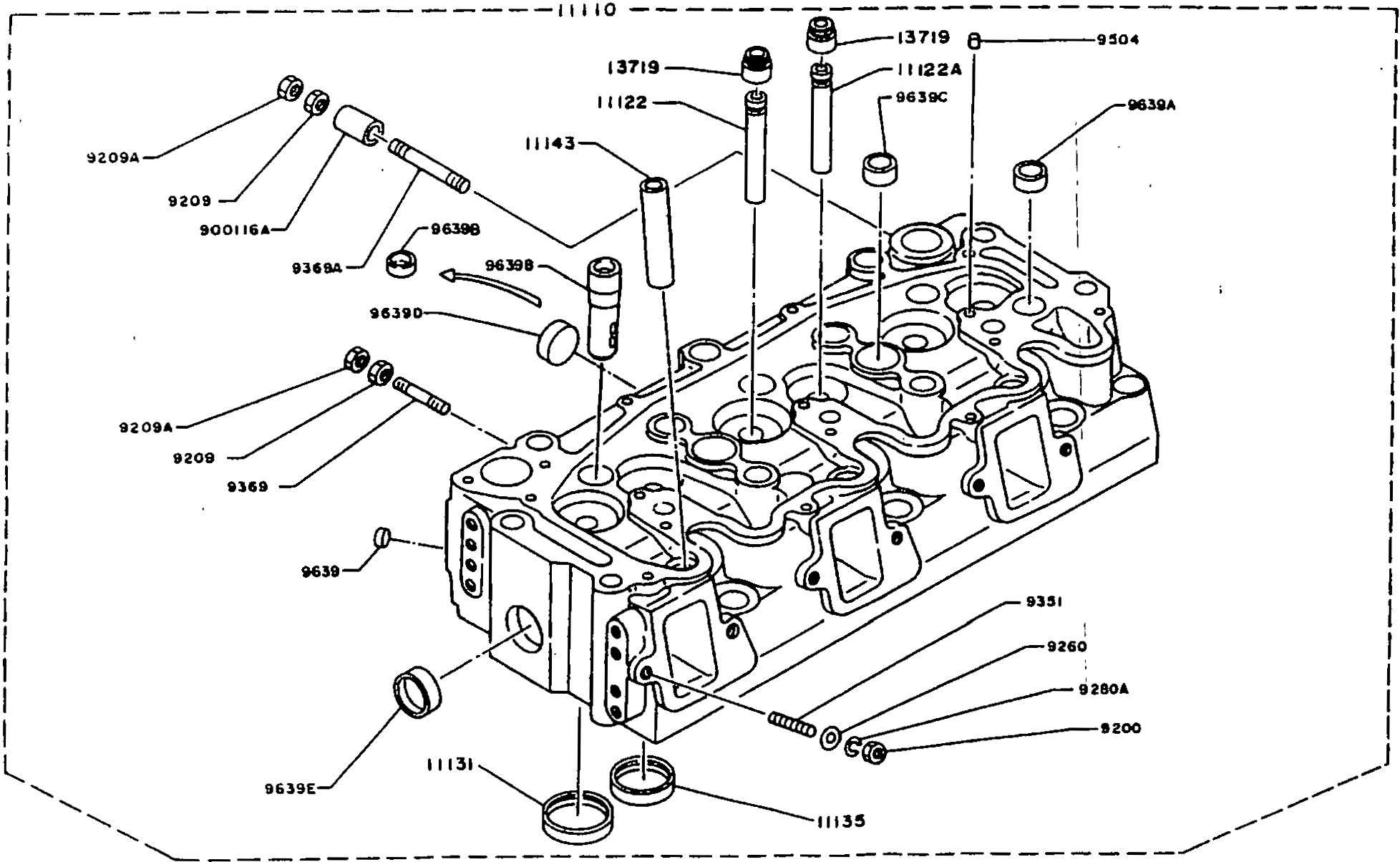
GENERAC EK130 HINO DIESEL CYLINDER HEAD PARTS

GENERAC EK130 HINO DIESEL CYLINDER HEAD PARTS

ITEM PART NO. DESCRIPTION QTY 11110 161-76815 Head Assembly, Cylinder 2 11115 102-84761 Gasket, Cylinder Head 2 11122 109-59089 Bushing, Valve Guide, Intake, STD 6 11122A 108-59089 Bushing, Valve Guide, Intake, STD 6 11131 110-59089 Seat! Valve, Intake 6 11135 162-76815 Seat, Valve, Exhaust 6 11143 112-59089 Pipe, Cylinder Head, Blind 6 11185A 103-84761 Bolt, Cylinder Head 20 111858 115-59089 Bolt, Cylinder Head ; 2 11185C 104-84761 Bolt. Cylinder Head · 6 11185D 163-76815 Bolt, Cylinder Head 2 11211 105-84761 Cover, Cylinder Head 2 11213 118-59089 Gasket, Cylinder Head Cover 2 11243 119-59089 Plate, Baffle 1 12161 120-59089 Pipe, Oil Filler 1 12181 121-59089 Cap, Oil Filler 1 12210 106-84761 Ventilator Assembly 1 12281 123-59089 Hanger, Engine . 1 12281A 124-59089 Hanger, Engine 1 13719 125-59089 Seal, Valve Stem Oil 12 15492 126-59089 Holder, Clip 1 900116 127-59089 Spacer 2 900116A 128-59089 Spacer 4 900236 129-59089 Hose, Vent 1 : 9191 130-59089 Bolt 3 9191A 131-59089 Bolt 16 9200 132-59089 Nut 12 9201 133-59089 Nut 1 9201A 134-59089 Nut 2 9209 135-59089 Nut 12 9209A 13&-59089 Nut 12 9260 137-59089 Washer, Plain 12 9260A 138-59089' Washer, Plain 1 9280 139-59089 Lockwasher 1 9280A 140-59089 Lockwasher 12 92808 141-59089 Lockwasher 2 9341 142-59089 Stud 2 9351 143-59089 Stud 12 9369 144-59089 ·stud 8 9369A 164-76815 Stud 4 9411 .146-59089 Bolt 4 9504 147-59089 Pin, Straight 12 9639 107-84761 Plug, Expansion 6 9639A 127-76815 Plug, Expansion 2 9639B 108-84761 Plug, Expansion 6 9639C 149-59089 Plug, Expansion 6 9639D 150-59089 Plug, Expansion 4 9639E 151-59089 Plug, Expansion 4 9766 152-59089 Clamp 1 9769 153-59089 Clamp 2 9851 154-59089 O-ring 2 7 117-59089Head Bolt Set EK100 EK130 1 Generac Hino EK130 Diesel Engine Parts Phone: 269 673 1638 Email: EngineParts@HeavyEquipmentRestorationParts.com

GENERAC EK130 HINO DIESEL CYLINDER BLOCK PARTS

112111 12151 12101 8 I 191C 11!:SOI 116448 .,.,::::::s ' -

GENERAC EK130 HINO DIESEL CYLINDER BLOCK PARTS

ITEM PART NO. DESCRIPTION QTY 11203 109-84761 Cover Sub Assembly, ValvePush Rod 2 11253 165-76815 Gasket, ValvePush Rod Cover 2 11408 110-84761 Pipe Sub Assembly, Oil Jet 6 11410 111-84761 Block Assembly, Cylinder 1 11453 112-84761 Plug, Main Hole 2 11467 .158-59089 Liner, Cylinder, Standard Size 6 11471 159-59089 Gasket, Cylinder Liner 6 11471A 103-76815 Gasket, Cylinder Liner 6 11488 160-59089 Pipe, Oil Jet 1 11491 166-76815 Bracket, Injection Pump 1 11521 162-59089 Bolt. Bearing Cap 14 11811 163-59089 Bearing, Camshaft No. 1 1 11821 164-59089 Bearing, Camshaft No. 2 1 11831 165-59089 Bearing, Camshaft No. 3 1 11841 107-76815 Bearing, Camshaft No. 4 1 11851 167-59089 Bearing, Camshaft No. 5 .. 1 11861 168-59089 Bearing, Camshaft No. 6 1 11871 169-59089. Bearing, Camshaft No. 7 1 12101 114-84761' Pan Sub Assembly, Oil 1 12141 171-59089 Guide, Oil Level Guage 1 12151 115-84761 Gasket, Oil Pan 1 13575 173-:-59089 Plate, Camshaft 1 15301 174-59089 Guage Sub Assembly, Oil Level 1 15602 208-84761 Valve Sub Assembly, Oil Pressure 1 15707 116-84761 Pipe Sub Assembly, Oil 1 15773 117-84761 Pipe.Oil 1 24135 118-84761 Gasket, Oil Outlet 1 900124 119-84761 Bolt 1 900129 175-59089 Collar 7 . 900211 120-84761 Flange· 1 9029 121-84761 Bolt - 6 91818 122-84761 Bolt 26 9191 176-59089 Bolt· 2 9191A 177-59089 Bolt 1 91918 180-55495 Bolt 38 9191C 179-59089 Bolt· 1 9401 442-59089 Bolt 2 9401A 167-76815 Bolt 2 94018 652-59089 Bolt 1 9411 123-84761 Bolt 2 9419 168-76815 Bolt 2 9503 112-76815 Pin, Straight 6 9504 181-59089 Pin, Straight 4 9504A 114-76815 Pin, Straight 2 95048 115-76815 Pih, Straight 6 9504C 116-76815 Pin, Straight 2 9504D 117-76815 Pin, Straight 2 ·9509 119-76815 Plug 1 9609A 120-76815 Plug 1 9610 121-76815 Plug 1 9626 122-76815 Plug 1 9626A 126-84761 Plug 1 9629 124-76815 Plug 1 9629A 169-76815 Plug 1 9639 125-76815 Plug, Expansion 2 96398 193-59089 Plug, Expansion 3 9639C 127-76815 Plug, Expansion 2 96448 128-76815 O-ring 1 9645A 129-76815 O-ring 1 9654 194-59089 Washer; Soft 2 9654A 195-59089 Washer, Soft 1 9659 130-84761 Washer, Soft 1 96598 132-84761. Washer, Soft 1 9659C 131-84761 Washer, Soft 1 9659D 129-84761 Washer, Soft .2 98,55 199-59089 Joint, Pipe 1 9
0 940��1 900211�(j . J '-96" ,_____.,_,,320 \_9181 90011900212\_ 11� 93� 9260 9290 9201A �:---.... � 9201 201 9280A '· 9280A 9:S41A 934) --· ·11380 � � w r2 m en m r::! I z C) C) m ► ::a :::c 0. C: � z C) ► z C .,, � :::c m m r0 0 < m ::a GENERAC EK130 HINO DIESEL FRONT TIMING GEAR HOUSING, FLYWHEEL HOUSING,

GENERAC EK130 HINO DIESEL FRONT TIMING GEAR HOUSING, FLYWHEEL HOUSING

ITEM PART NO. DESCRIPTION QTY 11306A 134-84761 Cover Sub Assembly, F/H Dust 1 113068 201-59089 Cover Sub Assembly, F/H Dust 1 11311 170-76815 Plate, Front End 1 11312 171-76815 Gasket, Front End Plate 1 11320 204-59089 Cover Assembly, T/G Case 1 113298 136-84761 Gasket, T/G Case Cover 1 ,. 11351 137-84761 Housing, Flywheel 1 11380 138-84761 Retainer Assembly, Oil Seal .. 1 12301 172-76815 Bracket Sub Assembly, Engine Mount, Front 1 12302 173-76815 Bracket Sub Assembly, Engine Mount, Front LH 1 900111 216-59089 Shim T=0.05 AR .. 217-59089 Shim T=0.10 AR 218-59089 Shim T=0.20 AR 900113 220-59089 Helisert 2 900113A 220-59089 Helisert 6 9001138 219-59089 Helisert 16 900124 222-59089 Bolt 2 900211 223-59089 Flange 1 900212 224-59089 Pin, Bolt. ,.. AR 225-59089 Pin, Bolt AR 226-59089 Pin, Bolt AR 9181 228-59089 Bolt 2 9191 368-55495 Bolt 6 9191A 230-59089 Bolt 5 91918 231-59089 Bolt . ·2. 9201 232-59089 Nut 3 9201A 233-59089 Nut 3 9260 234-59089 Washer, Plain 3 9280A 236-59089 Lockwasher . · 3 9290 237-59089 Lockwasher 5 9341 174-76815 Stud 1 9341A 140-84761 Stud 2 9351 240-59089 Stud 3 9401 141-84761 Bolt 8 9401A 242-59089 Bolt 3 94018 243-59089 - Bolt 3 9409 175-76815 Bolt 10 9411 247-59089 Bolt 8 9411A 248-59089 Bolt 4 9644 ·142-84761 O-ring ... 1 9828 251-59089 Seal.Oil 1 9828A 252-59089 Seal.Oil· 1 9851A 254-59089 O-ring 1 98518 255-59089 O-ring 2 11
N 13470{13407 13471 -,;..� �(() 13251 13213 13214 3215 3216 gag��� f13265}13260 � ..... 13201 13437B 134!50 � � w r 2 m en m r �z � 0 s z G) � �
GENERAC EK130 HINO DIESEL ENGINE PARTS

GENERAC EK130 HINO DIESEL ENGINE PARTS

DESCRIPTION

WasherSet,CrankshaftThrust,STD WasherSet,CrankshaftThrust,O/S0.25 BearingSet,Crankshaft,STD

ITEM PARTNO. 11011 258-59089 11012 259-59089 11701 260-59089 11703 261-59089 11704 262-59089 11705 263-59089 11706 264-59089 13011 265-59089 13013 267-59089 13014 269-59089 13015 271-59089 13201 133-76815 13213 176-76815 13214 177-76815 13215 178-76815 13216 134-76815 13251 135-76815 13260 146-84761 13265 147-84761 13266 179-76815 13272 148-84761 13400 286-59089 13407 287-59089 13437A 138-76815 13437B 139-76815 13450- 180-76815 13453 291-59089 13455 292-59089 13470 140-76815 13471 294-59089 13474 295-59089 13521 296-59089 13531 297-59089 900124A 298-59089 9001248 141-76815 900129 300-59089 9504A 302-59089 9504B 115-76815 9533A 305-59089 9533B I 306-59089 9629 307-59089 9819 142-76815 9851A 309-59089 9851B 310-59089
RingSet,PistonSTD
Piston,O/S0.50 ·-
Piston,O/S1.00 Piston,STD Pin,PistonSTD RodAssembly,Connecting Bolt,Conrod Nut,Conrod Bushing,ConrodRepair,STD CrankshaftAssembly DamperSubAssembly,Crankshaft Sleeve Sleeve FlywheelAssembly Gear,FlywheelRing Bolt,Flywheel PulleyAssembly,Crankshaft Pulley,Crankshaft Slinger,CrankPulley Gear,Crankshaft Gear,OilPumpDrive Bolt Bolt Collar Pin,Straight Pin,Straight Key Key Plug Ring,Retainer O-ring O-ring 13 ,. -· .. .. I• -· QTY 1 1 1 1 1 1 1 1 1 1 1 1 6 6 6 6 6 6 12 12 6 1 1 1 1 1. 1 8 1 1 1 1 1 1 6 1 1 2 1 1 6 12 1 1
BearingSet,Crankshaft,UIS0.25 BearingSet,Crankshaft,U/S0.50 BearingSet,Crankshaft,UIS0.75 BearingSet,Crankshaft,U/S1.00
RingSet;PistonO/S0.50 RingSet,PistonO/S0.75 RingSet,PistonO/S1.00 BearingSet,Conrod,STD
Piston,O/S0.75

GENERAC EK130 HINO DIESEL.CAMSHAFT AND TIMING GEAR

ITEM PART NO. DESCRIPTION 13505 143-76815 Gear SubAssembly, Idle 13511 312-59089 Camshaft 13523 313-59089 Gear, Camshaft 13571 146-76815 Plate, Camshaft Thrust 13580 147-76815 ShaftAssembly, Idle Gear 13613 181-76815 Gear, Injection Pump Drive 900116 148-76815 Spacer 900116A 149-76815 Spacer 900124 150-76815 Bolt 9019 151-76815Bolt 9269A 152-76815 Washer, Plain 9401 153-76815 Bolt 9503 154-76815 Pin, Straight 9534 324-59089 Key, Woodruff 9867 155-76815 Bushing 14 Fuel
�i 1361:5 QTY 1 1 1 1 1 1 1 ' 1 1 I 1 i 1 4 1 1 2 I
lrd«llanPimpOrh1e

GENERAC EK130 HINO DIESEL VALVES AND VALVE TRAIN PARTS

DESCRIPTION

Rod Sub Assembly, Valve Push

Valve, Intake STD

Valve, Exhaust STD Spring, Valve Outer

Seat, Valve Spring, Lower

Seat, Valve Spring, Upper

Cap, Valve Stem

Lifter Assembly, Valve

Screw, Valve Adjustment

Arm Assembly, Valve Rocker

Bushing, Rocker Arm

Arm Assembly, Valve Rocker Exhaust Support,

ITEM PART NO. 13708 326-59089 13711 150-84761 13715 182-76815 13731 329-59089 13734 330-59089 13735 331-59089 13739 332-59089 13750 333-59089 13787 334-59089 13830 335-59089 13831. 336-59089 13840 337-59089 13951 338-59089 900124 339-59089 900126 340-59089 9219 313-55495 9269 342-59089 9812 343-59089
Bolt
Valve
Nut Washer, Plain Ring, Retainer ..·· . ' QTY 12 6 6 12 12 12 12 12 12 6 12 6 6 6 24 12 12 12 Generac EK130 Hino Diesel Engine Part s Phone: 269 673 1638 15 Email: EngineParts@HeavyEquipmentRestorationParts.com
Valve Rocker
Lock,
Spring Retainer
9219 9260� 17041A 9321 9321A 171!53C �· 27392 282 17141A 9201A 280A 9260 9341 60B 9280 920 �/ vll3A-201 9419 GENERAC EK130 HINO DIESEL
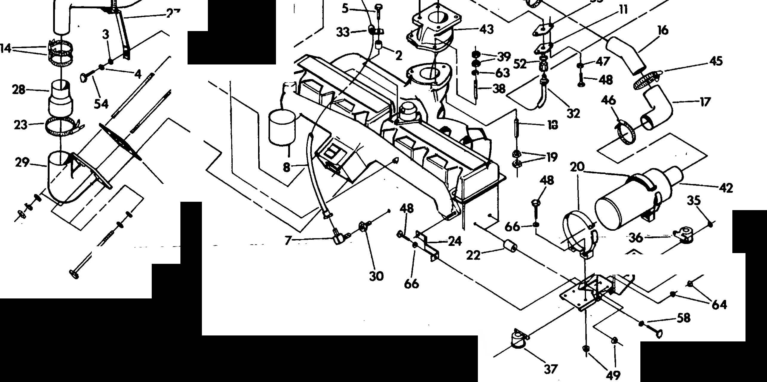
EXHAUST MANIFOLD PARTS INTAKE MANIFOLD PARTS
ITEM PART NO. DESCRIPTION QTY 17041A 152-84761 Insulator Sub Assembly, Exhaust 1 17104 153-84761 Gasket Sub Assembly, Exhaust Manifold 6 17110 345-59089 Manifold Assembly, Intake 1 17113 Pipe, Intake 1 17141 347-59089 Manifold, Exhaust 1 17141A 154-84761 Manifold, Exhaust 1 171418 155-84761 Manifold, Exhaust 1 17153A 351-59089 Bracket, lnsl 1 . 17153C 156-84761 Bracket, lnsl 1 17155 352-59089 Seai, Ring 6 17171 353-�9089 Gasket. Intake Manifold 6 17175 183-76815 Gasket. Surge Tank 3 19201 184-76815 Heater Sub Assembly, Air Intake 2 27392 185-76815 Cover 2 28266 186-76815 Plate 1 900113 358-59089 Helisert 2 900113A 359-59089 Helisert 2 900115 360-59089 Gasket 1 900211 361-59089 Flange 1 900803 362-59089 Strap, Band 1 9191 363-59089 Bolt 2 9201 133-59089 Nut 10 9201A 232-59089 Nut 2 9219 366-,59089 Nut 4 9260 157-84761 Washer, Plain 4 9260A 424-64238 Washer, Plain 2 92608 187-76815 Washer, Plain 2 9280 139-59089 Lockwasher 10 9280A 140-59089 Lockwasher 2 9311 126-55495 Stud 9 9321 373-59089 Stud 2 9341 188-76815 Stud 2 9341A 189-76815 Stud 2 9419 190-76815 Bolt 2 17
GENERAC EK130 HINO DIESEL EXHAUST MANIFOLD PARTS INTAKE MANIFOLD PARTS
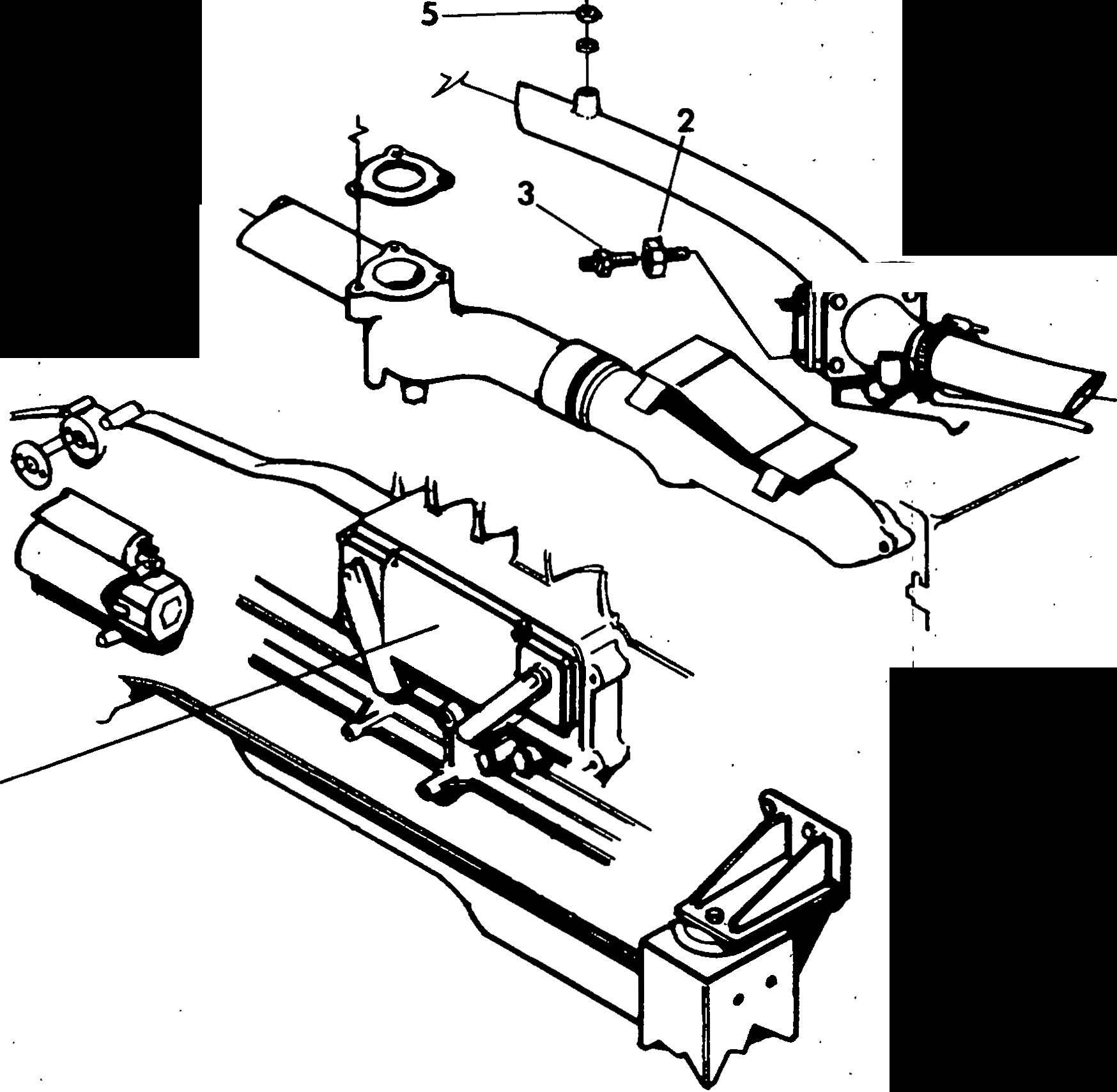
�cm 9401A 9419A ..tr'·�:::� 1!5100 �....-9181 9191 9191 ''"·0 © 9� �1!560 ,•••of,•••,□ ........._r9411A �� .""\,�,1� 1!5671 Generac EK130 Hino Diesel Engine Parts Phone: 269 673 1638 Email: EngineParts@HeavyEquipmentRestorationParts.com GENERAC EK130 HINO DIESEL ENGINE OIL LUBRICATION SYSTEM
ITEM PART NO. DESCRIPTION QTY 15110 158-84761 Pump Assembly, Less Strainer- see page 23 1 15116 417-59089 Screen, Oil Strainer 1 15141 418-59089 Strainer, Oil 1 15418 419-59089 Pipe, Oil Fitter Inlet 1 15431 159-84761 Pipe, Oil Feed 1 15600 421-59089 Filter Assembly, Oil 1 15671 191-76815 Bracket, Oil Fitter 1 15710 161-84761 Cooler Assembly, Oil- see page 22 1 15715 428-59089 Gasket, Oil Cooler Case 1 15800 431-59089 Filter Assembly, Oil- see page 20 1 76581 432-59089 Plate, Caution Complete 2 76581 360-55495 Plate, Caution complete 2 9181 434-59089 Bolt 4 9181A 195-64238 Bolt 2 9191 436-59089 Bolt 14 9191C 437-59089 Bott 2 9401 652-59089 Bolt 1 9401A 442-5908� Bolt 2 9401B 443-59089 Bolt 2 9411 444-59089 Bolt 3 9411B 192-76815 Bolt 2 9411C 445-59089 Bolt 1 94110 447-59089 Bolt 2 9419 448-59089 Bolt 1 9419A 449-59089 Bolt 2 9644 163-84761 O-ring 9 9644A 164-84761 O-ring 1 19 ' Generac EK130
Contact email: EngineParts@HeavyEquipmentRestorationParts.com Phone: 269 673 1638 Website: www.Generac-Generator-Engine-Parts.com
GENERAC EK130 HINO DIESEL ENGINE OIL LUBRICATION SYSTEM
Hino Diesel Engine Parts

GENERAC EK130 HINO DIESEL ENGINE OIL FILTER ASSEMBLY

20

GENERAC EK130 HINO DIESEL ENGINE OIL FILTER ASSEMBLY!

ITEM PART NO. DESCRIPTION QTY 421-59089 Filter Assembly, Oil 1 1 379-59089 Cover, Oil Filter Element, Lower 1 2 380-59089 Cover, Oil Filter Element, Lower 1 3 381-59089 Bolt 1 4 382-59089 Bolt 1 5 512-55495 Plug, Oil Filter Drain 2 6 384-59089 O-ring 3 7 385-59089 Spring, Oil Filter Element Support 2 9 386-59089 Seat Sub Assembly, Element Spring 1 10 102-59089 Element Set, Oil Filter (Bypass) 1 11 387-59089 O-ring 1 13 388-59089 O-ring 1 14 389-59089 O-ring 1 15 390-59089 O-ring 1 16 101-59089 Element Set, Oil Filter (Primary) 1 17 387-59089 O-ring 1 18 392-59089 Washer 1 20 393-59089 O-ring 1 21 394-59089 Cap Assembly, Oil Filter 1 21.1 395-59089 Cover, Oil Filter Element 1 22 396-59089 Valve, Filter Safety 1 23 397-59089 Valve Sub Assembly, Oil Safety 1 24 193-76815 Spring, Oil Valve 1 25 399-59089 Plug Assembly, Oil 1 25.1 400-59089 O-ring 1 27 401-59089 Plug 1 28 400-59089 O-ring 1 30 403-59089 Cap Assembly, Oil Filter 1 30.1 404-59089 Cover, Oil Filter Element 1 31 405-59089 Valve Sub Assembly, Oil Check 1 35 406-59089 O-ring 1 38 401-59089 Plug 1 39 400-59089 0-ring 1 40 409-59089 Stud 4 41 410-59089 Washer, Plain 4 42 428-59089 Lockwasher 4 43 412,59089 Nut 4 44 413-59089 O-ring 1 45 194-76815 O-ring 2 46 406-59089 O-ring 1 21

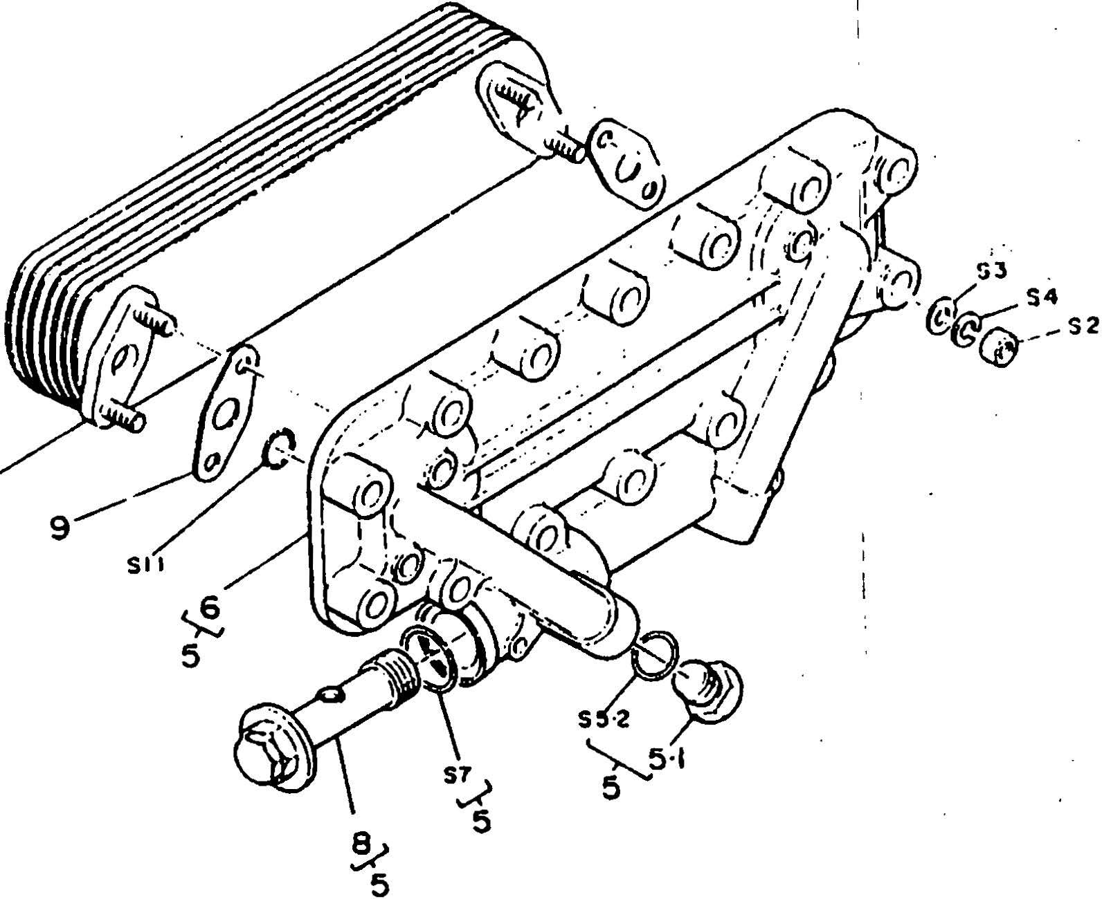
GENERAC EK130 HINO DIESEL ENGINE OIL COOLER ASSEMBLY

ITEM PART NO. DESCRIPTION 161-84761 Cooler Assembly, Oil 1 426-59089 Element, Oil Cooler 2 422-64238 Nut 3 424-64238 Washer, Plain 4 428-64238 Lockwasher 5 423-59089 Case SubAssembly, Oil Cooler 5.1 429-59089 Plug, Valve Spring 5.2 452-59089 O-ring 6 425-59089 Case, Oil Cooler 7 453-59089 O-ring 8 427-59089 Valve, Safety 9 430-59089 Gasket, Oil Cooler Element 11 454-59089 O-ring 22 , , QTY 1 1 4 4 4 ! 1 i 2 2 I 1 1 1 i 2 2 I !
0----2·1 ITEM PART NO. DESCRIPTION QTY 158-84761 Pump Assembly, Oil Less Strainer 1 1 167-84761 Body Assembly, Oil Pump 1 1.1 168-84761 Collar 2 2 195-76815 Cover Assembly, Oil Pump 1 2.1 170-84761 Pin, Straight 1 3 414-55495 Bolt 3 4 459-59089 Gear Sub Assembly, Oil Pump 1 5 460-59089 Valve Safety 1 6 171-84761 Spring, Oil Pump Relief Valve_ 1 9 172-84761 Pin, Straight 2 10 173-84761 Seat, Spring, Oil Pump 1 11 174-84761 Ring, Retainer 1 12 175-84761 Shim T=1.2 2 23
GENERAC EK130 HINO DIESEL ENGINE OIL PUMP ASSEMBLY!
� @ 23666 900119A i154928 �""' 9201 79904A 9854 900Z3', I© 91918 � ij �ann� � I� "900124900119 23620 23607::--.._ 15 23640123600 2.... "'--..,g---23620J 2:=:� 76581P 900116�.,..._!1659C�,I 23806 {//92608 � �9280A9201A 91154 FUEL INJECTION PUMF 22020 �� ,, ® �79904B79 904 1!5492A ® ® 9 , 92i20t �9260A �9191 �r92eo'(}®9201 79904A 1,492 23391 9679�9�7' 15774 �'�i 9�4 �_,,,J..,f}._ @ 972��\_9762 �61 9&e9A 941IA 9C)2g ® (D r;; '°;:a·�t .:J --13610--------, ft, �23394 ( I I 919�} 11487· 9659 ::0�:6 �& 1�� 920,��L\��eo \ 9260A I 15492C 79904A • I 13611 9019A �_ :\"""� �{)�'•f"-9659C23806196598 . '-. 5 ·1 I�� \_99-3"1',JrJII" 28 IA ��� 23 96598 / 23781 � 9659C =:tr9019A-::; 98518 I "-.9534 900129 .. l-� 13610{92,9����--�L___.__13691 ._______..J �J l· . 1941!] 44803" � � 13610does notincludegear See page 14 forgear "Tl C: m r en -< en -t m f Generac EK130 Hino Diesel Engine PartsPhone: 269 673 1638 Email: EngineParts@HeavyEquipmentRestorationParts.com GENERAC EK130 HINO DIESEL INJECTION FUEL SYSTEM

GENERAC EK130 HINO DIESEL INJECTION FUEL SYSTEM

this section continued next poage

I I ITEM 11487 13610 13611 13614 13691 13693 15461 15492 15492A 154928 15492C 15774 22020 22560 23081 23082 23300 23391 23391A 23394 23600 23607 23620 23640 23661 23665 23666 23711 23712 23713 23714 23715 23716 23781 23806 238068 44803 76581 79904 79904A 799048 79904C 900111 900115 900116 900119 900119A 900124 900129 PART NO. 196-76815 197-76815 198-76815 199-76815 200-76815 201-76815 202-76815 203-76815 126-59089 204-76815 205-76815 206-76815 476-59089 211-76815 213-76815 214-76815 215-76815 474-55495 216-76815 217-76815 218-76815 219-76815 220-76815 221-76815 493-59089 222-76815 223-76815 224-76815 225-76815 226-76815 227-76815 500-59089 501-59089 286-64238 228-76815 229-76815 583-59089 616-55495 230-76815 231-76815 491-55495 232-76815 233-76815 234-76815 235-76815 236-76815 237-76815 238-76815 239-76815
DESCRIPTION QTY Pipe, Drain 1 Shaft Assembly, Injection Pump 1 Shaft, Injection Pump Drive (included in 13610) 1 Sleeve (included in 13610) 1 Case, Bearing Holder (included in 13610) 1 Retainer, Bearing (included in 13610) 1 Hose, 011 1 Holder, Clip 1 Holder, Clip 1 Holder, Clip 1 Holder, Clip 1 Pipe.Oil 1 Pump Assembly, Injection 1 PumpAssembly, Fuel Feed- see page 30 1 Pipe Sub Assembly, Nozzle Leakage 1 Pipe Sub Assembly, Nozzle Leakage 1 Filter Assembly, Fuel- see page 28 1 Pipe, Fuel Leakage 1 Pipe, Fuel Leakage 1 Bracket, Fuel Filter 1 6 6 6 6 6 6 4 Nozzle And Holder Set Ring, Sub Assembly. Packing Injector Assembly- see page 29 Nozzle Assembly 1 1 1 1 1 Gasket, Injector Adaptor, Nozzle Holder Gauge, Nozzle Holder Pipe, Injection No. 1 Pipe, Injection No. 2 Pipe, Injection No 3 Pipe, Injection No. 4 Pipe, Injection No. 5 Pipe, Injection No. 6 1 Pipe, Fuel 1 Hose Sub Assembly, Fuel 2 Hose Sub Assembly, Fuel 1 Separator Sub Assembly, Water- see page 31 1 Plate, Caution Complete 1 Clip Sub Assembly 1 Clip Sub Assembly 6 Clip Sub Assembly 10 Clip Sub Assembly 1 Shim T=0.10 (included in 13610) AR Gasket (included in 13610) 1 Spacer 3 Clip 1 Clip 1 Bolt 1 Collar (included in 13610) 1
EK100 EK130 Hino EK100 Hino EK130 Generac EK130 Hino Diesel Engine 25 Part s Phone: 269 673 1638 Email: EngineParts@HeavyEquipmentRestorationParts.com
N 0) 23666 91918900!19�"@ 900119 900124 �1"-�o 23640t23600 23607� 0--2362023665� ,;:::� 900116--......,. J$ @ \154928 f:�9280 �9201 79904A 9854 900Zll, I@ 9854 � 799048 79 904 15492A ® @ F 9 92i201 @ K:_9260A � � f9�:�0 'fi9201 79904A 15492 �,on◄ 9654 ��.i8._@ 972��'-9762 "@..... © ·� � 1 76581A9�f90199 2330� 23806 • . 92608 (_y I,._/ ) ��e�OIA 9659C"l--...__ ..., -'@ FU INJ PU 22 ,® oo;:;.:.,....J�·� 92801 9201 --13610-----.---7, 'r.'I I ,,,' 0 I 238068 1,1 11487 9401A��-----�920 \"'--92809260A79904A 15492C ,,9019 l9659 r, 9190"\ : � I �I 23394 I ���il'l),....· I I 1361I I I9534A---....__ \ 28 f 23806 �598'-... 993"\. '-t, IA I -�•==59:�� t•91A I , , --···· �� \ 1 !'A',\'11-'Y' ---- I ., -� ;·� 13610L �".:'\.' � 9219 \ �))'·'..,L , 3781--Q ftij..rrr ---194ii 9659C�U 44803. � � 9019A--._fi o 1361Odoesnotincludegear See page 14 forgear .,, C: m r en -< en -4 m 3: 0 :::::s d: :::::s C CD a.Generac EK130 Hino Diesel Engine Parts Phone: 269 673 1638 Email: EngineParts@HeavyEquipmentRestorationParts.com GENERAC EK130 HINO DIESEL INJECTION FUEL SYSTEM

GENERAC EK130 HINO DIESEL INJECTION FUEL SYSTEM

ITEM PART NO. DESCRIPTION QTY 900231 240-76815 Hose, Fuel 1 9011 241-76815 Bolt 1 9019 617-55495 Bolt 1 9019A 300-64238 Bolt 2 90198 493-55495 Bolt 2 9029 618-55495 Bolt 1 9190 242-76815 Bolt (included in 13610) 4 9191 130-59089 Bolt 1 9191A 177-59089 Bolt 2 91918 179-59089 Bolt 11 9201 308-64238 Nut 5 9201A 422-64238 Nut 2 9219 243-76815 Nut (included in 13610) 1 9260 332-55495 Washer, Plain 1 9260A 332-55495A Washer, Plain 4 92608 424-64238 Washer, Plain 2 9280 260-64238 Lockwasher 5 9280A 428-64238 Lockwasher 2 9401A 186-55495 Bolt 1 9411 539-59089 Bolt 4 9411A 244-76815 Bolt 4 9534 504-55495A Key, Woodruff (included in 13610) 1 9534A 290-55495 Key, Woodruff (included in 13610) 1 96540 194-59089 Washer, Soft 1 9659 315-64238A Washer, Soft 2 9659A 315-64238 Washer, Soft 2 96598 317-64238 Washer, Soft 2 9659C 546-59089 Washer, Soft 8 9679 245-76815 1 9729 246-76815 1 9749 247-76815 1 9762 248-76815 1 9828 249-76815 1 9851 250-76815 6 9851A 251•76815 1 98518 555-59089 1 9854 319-64238 2 993 252-76815 Grommet Connector Tee, 3-Way Clip Seal, Oil (included in 13610) Injector Seal O-ring (included in 13610) O-ring Clip Bearing, Tapered Roller (included in 13610) 2 27

GENERAC EK130 HINO DIESEL FUEL FILTER ASSEMBLY

ITEM PART NO. DESCRIPTION 215-76815 FilterAssembly, Fuel 1 253-76815 CoverAssembly, Fuel Filter 2 323-64238 Plug, Air 3 535-55495 Gasket, Air Plug 4 100-59089 ElementSet, Fuel Filter . 28 L------4 QTY 1 1 1 1 1

GENERAC EK130 HINO DIESEL INJECTOR

ITEM PART NO. 220-76815 1 255-76815 1.1 256-76815 1.3 257-76815. 4 258-76815 5 259-76815 6 260-76815 7 261-76815 7.1 262-76815 8 263-76815 9 264-76815 10 265-76815 10.2 266-76815
IO (-'·t--NOZZLE CJ . HOLDER -:tih � DESCRIPTION HolderAssembly, Nozzle Nut, Nozzle Holder Cap Connector Sub Assembly, Inlet Gasket, Inlet Connector Pin, NOzzle Holder Press Spring, Nozzle Screw, Nozzle Holder Adjustment Nut, Nozzle Holder Cap Gasket, Retaining Nut Bolt, Joint Gasket Nut, Nozzle Retaining Pin, Nozzle Dowel AND SET QTY 1 1 1 1 1 1 1 1 1 1 2 1 2 Generac EK130 Hino Diesel Engine Parts Contact email: EngineParts@HeavyEquipmentRestorationParts.com Phone: 269 673 1638 Website: www.Generac-Generato29 mr-Engine-Parts.co Injector Assembly Hino EK100 Hino EK130
24
1
283-76815 Filter screen, fuel inlet

GENERAC EK130 HINO DIESEL WATER SEPARATOR

SIO----f'lc ) II------© .·'V .. 0.1------s1. l5 ��8 ell'il----9 ITEM PARTNO. DESCRIPTION QTY 583--59089 SeparatorSubAssembly,Water 1 1 335-64238 CoverAssembly,WaterSeparator 1 2 336-64238 Cover,WaterSeparator 1 3 337-64238 Plug,Air 1 4 338-64238 Gasket,AirPlug 1 5 339-64238 BodyAssembly,WaterSeparator 1 6 340-64238 Body,WaterSeparator 1 7 341-64238 O-ring 1 8 342-64238 Plug,Drain 1 9 34J..64238 Ring,Retainer 1 10 344-64238 O-ring 1 11 345-64238 Float 1 . 31
•I' � 99341] 260 1639201"),928071.90014 -7 lv1J 16323 900149-----11111 117 98!ilA ' 9626 16100 16180 r:900 / \ ' 1'\\ !00�\ -. \ ,,, ,,,,, � .....' � 6391 \ _,,,, ' "' lti37 � 2 \ 9908 r,�A <f.:/ \ ,,, ,,, > \ \ ,,, ,,, \ \ ,,, ,,, \94IIIA\9802// \ \ -,,-/ / /\ 16371 _,, ) V ,.. ,,✓\ 990C// 6382 / ,, 9210A1\ 6377,,-/94ll8 (,,,,✓9279A� 9262A / 6382A \ 808 .,.. ,,, ,,, ✓ �419 \. \ / _,,/\ \ . ' �>(".J.�l \- / \ ' \ 16377A\,,,...,,, ,, "' 16384\ \.G:;;�� 02A\ V / \ \. / / ,.... \ / / \ ' / .... \ , -;;/ 990 / -,_,_,.. , ' -: 9181000IOij \_ 9609 \ ✓,, / � \ . ,... - . \ �900116 ,,,\_ "' �� g339 \ . .,,.. / '\:: .,.,. ·\ 9"9 / 16380 920<A '----_ 9210.,.. ,,, ____., � � w r2 m en m r0 0 0 C: z C) en -< en -I m 3:: Generac EK130 Hino Diesel Engine Parts Website: www.Generac-Generator-Engine-Parts.com Contact email: EngineParts@HeavyEquipmentRestorationParts.com Phone: 269 673 1638 GENERAC EK130 HINO DIESEL COOLING SYSTEM, WATER PUMP, THERMOSTAT,

GENERAC EK130 HINO DIESEL COOLING SYSTEM

ITEM PART NO. DESCRIPTION QTY 11471 595-59089 Gasket, Coolant Pump 1 16100 596-59089 Pump Assembly, Coolant- see page 36 1 16117 283-76815 Plate, Coolant Pump 1 16180 598-59089 Cock Assembly, Coolant ' 1 16181 599-59089 Valve, Coolant Cock 1 16268 600-59089 Pipe, Coolant Bypass 1 16303 601-59089 Manifold Sub Assembly, Coolant 1 16306 623-55495 Fan Sub Assembly, Cooling 1 16321 603-59089 Case, Thermostat 1 16323 604-59089 ·cover, Thermostat Case 1 16325 605-59089 Gasket, Thermostat 1 16333 606-59089 Manifold, Coolant 1 16371 607-59089 Pulley, Fan 1 16372 609-59089 Holder, Fan Drive 1 16372A 608-59089 Holder, Fan Drive 1 16377 610-59089 Spacer, Fan Pulley 1 16377A 611-59089 Spacer, Fan Pulley 1 16380 612-59089 Pulley Assembly, Belt Tension 1 16382 613-59089 Bracket, Tension Pulley 1 16382A 614-59089 Bracket, Tension Pulley 1 16383 615-59089 Shaft, Tension Pulley 1 16384 616-59089 Pulley, Tension 1 16387 617-59089 Cover, Tension Pulley 1 16391 618-59089 Shaft, Fan Drive 1 16900 619-59089 Drive Assembly, Cooling Fan 1 900111 620-59089 Shim T=0._10 AR 900111 621-59089 Shim T=0.30 AR 900116 623-59089 Spacer 1 900146 624-59089 Thermostat 1 900149 625-59089 V-Belt Set 1 900234 626-59089 Hose, Water 1 900234A 627-59089 Hose, Water 2 9002348 628-59089 Hose, Water 1 9181 137-64238 Bolt 3 9191 631-59089 Bolt 2 9201 422-64238 Nut 6 9201A 633-59089 Nut 1 9209 634-59089 Nut 1 33
� 93ll9260 163 9280:77 90014 9201°)t(11 -7 1).,1.J 16323 117 9851A � 9626 940 ,,:,:� 16100 16180 r:900 / ' \ 1'-\ IIOO� \ / \ ,,, ,,, "' "'/ �/-✓� 6391 \ 9900 (o��\<:�r:, ·--·/ '> ' ' ,,, "' ' \ ,,, "' \9411A\ 9802 // ' ',,, "' > ,,,. ..... 71 ; V _,, ,,/ \ 990C // 16382 // 920Sll\ 9 63n_,,/ 94118 (,,,.1"' 9279A \ 262A / 6382A \ 9280B _,,"' 9419 \ fiK.v•"""J \ 9209 .,,, "' � \ •=•// /"' \. ' • \ / / \ 16377A \ _,, _,, _,, ,/' 16384 \ � 9902A\ V / \ \ // ,.... \ . / /, / \ / .,, _,, _,, 990A �/ ..., \,,/ /,--� .,�181 \_ 9609 .,,, ,,, ,,,. � \ .... / . ' \_ , K ,.rn,. /" �, "" \ . """' / � ..... \ '"' // ,,.,. '-----9210 ,,, ✓ ---� � w r2 m (/) m r0 0 0 C z C) (/) -< (/) --t m i:(") 0 ::::, t:!: :::, C CD C.Generac EK130 Hino Diesel Engine PartsPhone: 269 673 1638 Email: EngineParts@HeavyEquipmentRestorationParts.com GENERAC EK130 HINO DIESEL COOLING SYSTEM

GENERAC EK130 HINO DIESEL COOLING SYSTEM (continued)

ITEM PART NO. DESCRIPTION QTY 9210 635-59089 Nut, Lock 1 9210A 636-59089 Nut, Lock 1 9260 309-64238 Washer, Plain 6 9260A 638-59089 Washer, Plain 1 9262 639-59089 Washer, Plain 1 9262A 640-59089 Washer, Plain 1 9279 641-59089 Washer, Lock 1 9279A 642-59089 Washer, Lock 1 9280 428-64238 Lockwasher 6 9280A 644-59089 Lockwasher 1 92808 645-59089 Lockwasher 1 9339 646-59089 Stud 1 9341 647-59089 Stud 4 9341A 648-59089 Stud 2 9401 649-59089 Bolt 2 9401A 360-64238 Bolt 2 94018 651-59089 Bolt 4 9401C 652-59089 Bolt 4 94010 653-59089 Bolt 1 9411 654-59089 Bolt 2 9411A 655-59089 Bolt 4 94118 656-59089 Bolt 1 9411C 657-59089 Bolt 1 9419 658-59089 Bolt 5 9419A 659-59089 Bolt 1 9534 660-59089 Key, Woodruff 1 9609 661-59089 Plug 1 9609A 120-76815 Plug 1 9626 662-59089 Plug 2 9644 676-55495A O-ring 1 9654 195-59089 Washer, Soft 1 9669 663-59089 Gasket, Flange 2 9764 390-55495 Clamp 3 9764A 665-59089 Clamp 3 9800 666-59089 Ball, Steel· 1 9802 667-59089 Fitting, Lubrication 1 9802A 180-84761 Fitting, Lubrication 1 9851A 668-59089 O-ring 2 9851C 670-59089 O-ring 1 990 671-59089 Bearing, Ball 1 990A 672-59089 Bearing, Ball 1 990B 673-59089 Bearing, Ball 1 990C 674-59089 Bearing, Ball 1 35
3242--T 41� ,,, [.....,,,. 26 40 ( I I ✓ .,,,. ..... / / ..... / /......,,,..,,,. ,,, ,,, -J..._ ,,, 19 I' I 17 UPPER RADIATOR HOSE I I I I I I ) 16 3" --35 ✓ .,,,. / �36\!7 ..... LOWER RADIATOR HOSE / <.. ..... / .,,,. / ..... ✓ .,,,. / / ,,,,,,-focNGINE ,,.. HARNESSGRO. ', BAR I ) ..... ..... ..... ..... 18 ' / ',, /�✓ ..... / ..... .,,,. _,,,0;s 43 33 6 16 14\AFTERCOOLERHOSECONNECTOR 2 TO BOSCH 16 AFTERCOOLERHOSE 15CONNECTOR 16 16 FTERCOOLE IPE 16 1�URBOHOSE CONNECTOR

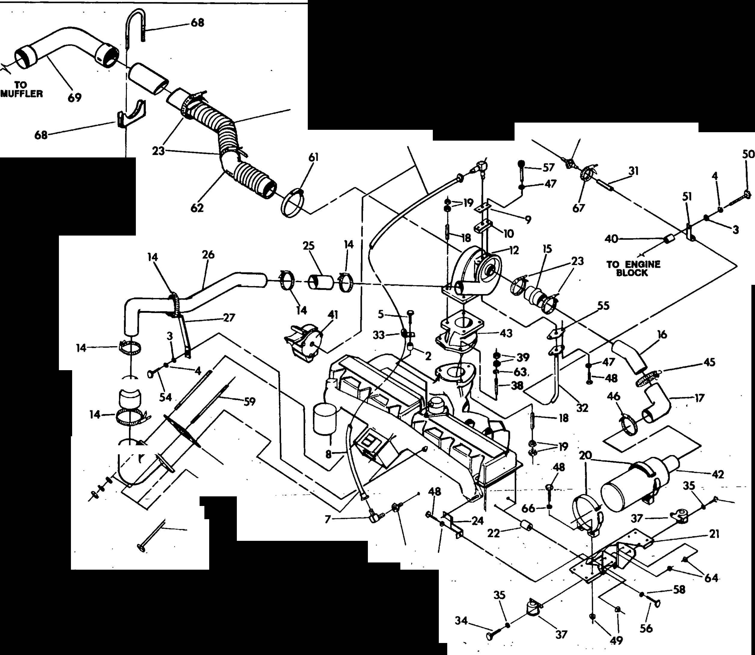
GENERAC EK130 HINO DIESEL RADIATOR HOSES, AFTERCOOLER HOSES, PIPES,

ITEMPART NUMBER DESCRIPTION 12 78172 PIPE, AFTERCOOLER TO AIR INTAKE 13 78171 PIPE, CHARGE AIR AFTERCOOLER INLET TUBE 14 82560 HOSE, AFTERCOOLER PIPE 15 80773 HOSE, TURBO TO AFTERCOOLER PIPE 16 57648 CLAMP 17 0F9231 UPPER RADIATOR HOSE 17 0A2819 UPPER RADIATOR HOSE 17 0A8587 UPPER RADIATOR HOSE 17 0G5276 UPPER RADIATOR HOSE 17 250-59089 UPPER RADIATOR HOSE 17 266-59089 UPPER RADIATOR HOSE 17 250-76815 UPPER RADIATOR HOSE 17 266-76815 UPPER RADIATOR HOSE 18 0F9230 LOWER RADIATOR HOSE 18 0A2813 LOWER RADIATOR HOSE 18 0A2836LOWER RADIATOR HOSE 18 0G3664LOWER RADIATOR HOSE 18 256-59089 LOWER RADIATOR HOSE 18 257-59089 LOWER RADIATOR HOSE 18 251-76815 LOWER RADIATOR HOSE 18 267-76815 LOWER RADIATOR HOSE Generac EK130 Hino Diesel Engine Parts Phone: 269 673 1638 Email: EngineParts@HeavyEquipmentRestorationParts.com Website: Generac-Generator-Engine-Parts.com

GENERAC EK130 HINO DIESEL WATER PUMP

ITEM PART NO. DESCRIPTION 596-59089 Pump Assembly, Coolant 1 676-59089 Case, Coolant Pump 2 677-59089 Shaft Sub Assembly, Coolant Pump 3 678-59089 Vane, Coolant Pump 4 181-84761 Seal Sub Assembly, Coolant Pump 4.1 680-59089 Spacer 5 681-59089 Bearing, Ball 6 682-59089 Seal, Oil 7 182-84761 Retainer, Coolant Pump Bearing 8 684-59089 Bolt 9 260-64238 Lockwasher 10 686-59089 Cover, Coolant Pump 11 687-59089 Gasket, Coolant Pump Case 12 688-59089 Pin, Straight 13 689-59089 Bolt 36 QTY ; 1 1 1 1 1 1 1 1 1 4 4 1 1 2 3

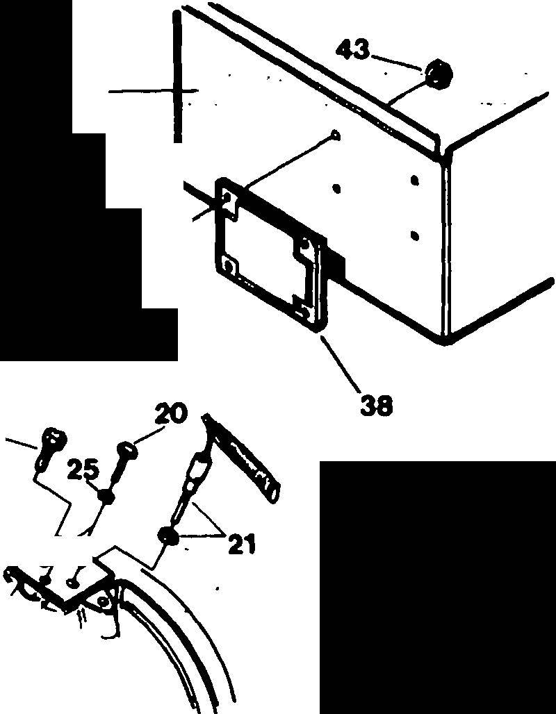
GENERAC EK130 HINO DIESEL AUXILLARY COVERS! 90021194;?18'""%:

< -�ITEM PART NO. DESCRIPTION QTY 11313 284-76815 Gusset, Front End Plate 1 900211 285-76815 Flange 1 9401C 286-76815 Bolt 1 9401D 442-59089 Bolt 1 9411B 654-59089 Bolt 3 9645 287-76815 O-ring 1 9645A 288-76815 O-ring 1 37

GENERAC EK130 HINO DIESEL ELECTRICAL COMPONENTS

<( 0 OI ,., on � : cu 0 ., OI �c 10 ct GI:::g�a-��C( en ai ......... 38 a, NOi0 OI __J @Jf; I IO IO I IO IC) � cu

GENERAC EK130 HINO DIESEL ELECTRICAL COMPONENTS

ITEM PART NO. DESCRIPTION QTY 12511 691-59089 Bracket, Generator 1 12517 692-59089 Bracket, Generator Brace 1 12519 693-59089 Distance Piece, Generator 1 27040 694-59089 Alternator Assembly, With Regulator 1 28100 195-84761 Starter Assembly 1 83420 696-59089 Guage Assembly, Water Temp Sender 1 83430 697-59089 Switch Assembly, Temperature 1 83520 698-59089 Guage Assembly, Oil Pressure Sender 1 83530 289-76815 Switch Assembly, Oil Pressure 1 900116 700-59089 Spacer 1 900145 290-76815 V-Belt 1 900803 362-59089 Strap, Band 1 900803A 703-59089 Strap, Band 1 9019 704-59089 Bolt 1 9031 184-84761 Bolt 1 9191A 706-59089 Bolt 1 9201 422-64238 Nut 2 92608 424-64238 Washer, Plain 2 9262 710-59089 Washer, Plain 2 9262A 711-59089 Washer, Plain 1 92808 428-64238 Lockwasher 2 9401 714-59089 Bolt 1 9401C 957-59089 Bolt 1 94010 442-59089 Bolt 1 9659 435-64238 Washer, Soft 1 9659A 508-55495 Washer, Soft 1 9855 133-84761 Joint, Pipe 1 39 Generac EK130 Hino Diesel Engine Parts Phone: 269 673 1638 Email: EngineParts@HeavyEquipmentRestorationParts.com
� 0 ., 14 ", ��� � -59 44 c_53 ...... 8 �'// l 35 \ 34� � I 56 >--34 21 � � w re m en m r-f C: ::0 m 0 0 :J: t G) m ::0 en C ..a. CII 0 N 0 0 ..a. (0 00 (0 co N GENERAC EK130 HINO DIESEL SD150 - SD200 1998-1992

GENERAC EK130 HINO DIESEL TURBOCHARGED SD150 - SD200 1989-92)

ITEM PART NO. DESCRIPTION QTY 2 22500-A Spacer-O.75" 1 3 49810 Washer,Flat-M8 3 4 22129 Washer,Lock•Ma 3 5 57642 HexHeadCapScrew-M10 1 7 64965 Adaptor,90"JICtoNPT 2 8 64964 Line.0.Turbo1"'81 1 9 59660 Adaptor,OilInletFlange 1 10 64973 Gasket,OilInletflange 1 11 64969 Adaptor,Oil0utletFlange 1 12 64966 Turbochaiger 1 14 39294 Clamp,Hose 6 15 57185 . 1 16 64963 Tube,TurboAirInlet 1 17 61703 Elbow,90"Rubber• 1 18 79922 S1ud,M101.5HighTemp 5 19 45m Nut.Hex·M101.5 - 10 20 61702 Band,AirCleanerMounting 2 21 61704 Braoat,AirCleanerMounting 1 22 59690 Spacer 2 23 57648 Clamp,Hose 3 24 61712 Bracket,AirCleanerSupport 1 25 80773 Tube,Connector 1 26 64962 Tube,TurboAirOulat 1 27 64971 Support,OutletTube 1 28 59999-B 1 29 59654 Elbow.IntakeAJrHeallar 1 30 59683 Adaptor 1 32 64970 Tube,Turbo011Drain 1 33 55934-C Clamp 1 34 42568 HexHeadCapscrew 4 35 22473 Fla1Wlsher 4 36 2«94 Solenoid,·Starter(Black) 1 37 56739 Solenoid.Starter(Silver) 1 36 79921 Stud,M12-1.75HighTemp 2 39 45773 Nut,Hex 4 40 52242 Spacer 2 -'1 59995 Flange,OilRetum 1 42 G061701 Fill&r.AirCleaner 1 -'3 63511 Adaptor,TurtlochaigertoManifold 1 « 100-59089 Gasket,!makeHeaterAdaptor 1 45 511612 Clamp.Hose 1 46 61706 Clamp,HOie ' 1 47 46526 washer,Lock 8 48 49814 HexHeadCapecrew 7 49 52859 Nut,HexLodl 5 50 42914 HexHeadC8pec:n,w 2 51 55934-M Clamp 1 52 .57640 Fitting(Gyrotok) 2 53 52201 SocketHeadCApscrew 2 St 39253 HexHeadC8pec:n,w 1 55 64974 Galket.OilOUtletFlange 1 56 52611 HexHeadcapsaew 2 57 57192 SocketHeadCapsaew 4 58 43123 Washer,Lock 2 59 BEM5761 Stud 2 61 64989 Clamp,Manifold 1 62 66730 Connec:tion,Exhaust 1 63 51769 Wllaher,Lock 2 64 52857 FlangeNut 4 66 22131 Washer,Flat 5 41 Tube, Intake Air Hose, Turbo Air Inlet Boot
� l'v 61 8 I ' "---M /./', 57� '-. 47 31 25 14 1 /Y ' 67 , 26 I > --✓�53 '..\...L\ ' 4 41 j' �";j....// .�/-59 ' 44 \ 34--y TO ENGINE BLOCK I 56 50 51 \) 3 42 ...a. � w r2 m "' m r--1 C: :::0 IJJ 0 0 :I: )> � m :::0 en C ...a. U'I 0 N 0 0 ...a. co co N )> z C C: -a Generac EK130 Hino Diesel Engine Parts Phone: 269 673 1638 Email: EngineParts@HeavyEquipmentRestorationParts.com GENERAC EK130 HINO DIESEL SD150 - SD200 1992 AND UP

GENERAC EK130 HINO DIESEL TURBOCHARGED SD150 - SD200 1992 AND UP

ITEM PART NO. QTY 1 43107 1 2 22500-A 1 3 49810 3 4 22129 3 5 57642 1 7 64965 2 8 64964 1 9 59660 1 10 64973 1 12 64966 1 14 86133-F 5 15 57185 1 16 64963 1 17 61703 1 18 79922 5 19 88510 10 20 61702 2 21 61704 1 22 59690 2 23 57648 3 24 61712 1 25 80773-A 1 26 64962 DESCRIPTION Hex Head Capscrew Spacer-0.75" washer,Flat-MS Washer,Lock-MS Hex HeadCap Screw- M10 Adaptor,90° JICto NPT Line,Oil-TurboInlet Adaptor,OilInletFlange Gasket,011Inlet Flange Turbocharger Clamp Hose,TurboAirInletBoot Tube,TurboAirInlet Elbow,90° RubberStud,M101.5HighTemp Nut, Hex-M101.5 Band,AirCleanerMounting Bracet, Air Cleaner Mounting Spacer Clamp, Hose Bracket,AirCleanerSupport Hose Turbo Outlet Tube,TurboAirOutlet 1 27 64971 1 28 59999-B 1 29 59654 1 30 62303 Support,OutletTubeTube, TubeIntakeAir Elbow,IntakeAirHeater Adaptor 1 32 85368 Tube,TurboOilDrain 1 33 55934-C 1 34 42568 4 35 22473 4 37 56739 2 82982 2 38 79921 2 39 51548 4 40 52242 1 41 59995 1 42 61701 1 43 63511 1 44 100-59089 1 45 58612 1 46 61706 1 47 46526 8 48 49814 7 49 52859 5 50 42914 2 51 55934-M 1 53 ·52201 2 54 39253 1 55 64974 1 56 52611 2 57 57192 4 58 43123 2 59 BB-45761 2 61 64989 1 62 66730 1 63 .51769 2 64 52857 4 65 59967 1 66 22131 5 ' 67 57822 Clamp HexHeadCapscrew FlatWasher Solenoid,Starter(Silver)-12V Solenoid,Starter(Silver)-24V Stud,M12-1.75HighTemp Nut,Hex Spacer Flange,011Return Filter,AirCleaner Adaptor,TurbochargertoManifold Gasket,IntakeHeater�apter Clamp,Hose Clamp, Hose Washer,Lock HexHeadCapscrew Nut,HexLock HexHeadCapscrew Clamp SocketHeadCapscrew HexHeadCapscrew Gasket,OilOutletFlange HexHeadCapscrew SocketHeadCapscrew Washer,Lock Stud Clamp,Manifol� Connection,ExhaustPipe Washer,Lock FlangeNut BarbedStraight,NPT Washer,Flat Clamp,Hose 1 43 Charge Air from Air Filter G061701
70 68------_ :t 28� 29� 44 / . / -- . 53 _,,,,,__ -e / /J', 65 34 30 66 � � w r 2 m en m r � C: :::0 m 0 0 ::c ► :::0 Ci). m :::0 Ci) � en m :::0 m en )> z C en 0 C: z ,.c. � m z C: � m C ..._:...____ Generac EK130 Hino Diesel Engine PartsPhone: 269 673 1638 Email: EngineParts@HeavyEquipmentRestorationParts.com GENERAC EK130 HINO DIESEL TURBOCHARGED AFTERCOOLED

GENERAC EK130 HINO DIESEL TURBOCHARGED AFTERCOOLED GT SERIES AND SOUND ATTENUATED!

DESCRIPTION Spacer-075" Washer,Flat-MS Washer, Lock-MS HexHeadCapSaew-M10 Adaptor,90•JICto NPT

Line,Oil-TurboInlet

OilInletFlange

Oil InletFlange

TurboAirInletBoot

90• Rubber-

M101.5HighTemp

Hex-M101.5

AirCleanerMounting

Clamp, Hose

Bracket,AirCleaner Support

HoseTurboChargeAirOutlet

Tube, TurboAirOutlettoIntake

Support,OutletTube

TubeIntakeAir

Elbow, Intake AirHeater

Adaptor

Tube,TurboOil Drain

Clamp

HexHeadCapscrew

FlatWasher

Solenoid,Starter(Silver)-24V

Stud,M12�1.75HighTemp

Nut, Hex

Spacer

Flange, OilReturn

Filter, AirCleaner

Adaptor,TurbochargertoManifold

Gasket, IntakeHeaterAdaptor

Clamp, Hose

Clamp, Hose

Washer, Lock

Hex HeadCapscrew

Nut, HexLock

HexHeadCapscrew

Clamp

SocketHeadCApsaew

Hex HeadCapscrew

Gasket, OilOutletFlange

Hex Head Capscrew

Socket HeadCapsaew Washer,Lock

Clamp, Manifold FlexExhaustPipe

ITEM PARTNO. QTY 2 22500-A 1 3 49810 3 4 22129 3 5 57642 1 7 64965 2 8 64964 1 9 59660 1 10 64973 1 12 64966 1 14 86133-F 5 15 57185 1 16 64963 1 17 61703 1 18 79922 5 19 88510 10 20 61702 2 21 61704 1 22 59690 2 23 57648 3 24 61712 1 25 80n3-A 1 26 64962 1 27 54971 1 28 59999-8 1 29 59654 1 30 62303 1 32 85368 1 33 55934-C 1 34 42568 4 35 22473 4 37 82982 2 38 79921 2 39 51548 4 40 52242 2 41 59995 1 42 G061701 1 43 63511 1 44 100-59089 1 45 58612 1 46 61706 1 47 46526 8 48 49814 7 49 52859 5 50 42914 2 51 55934-M 1 53 52201 2 54 39253 1 55 64974 1 56 52611 2 57 57192 4 58 43123 2 59 88-45761 2 61 64989 1 62 86295A 1 63 51769 2 64 52857 4 65 59967 1 66 22131
Gasket,
Turbocharger Clamp Hose,
Tube,
Elbow,
Stud,
Nut,
Band,
Bracket,
Spacer
Adaptor,
TurboAirInlet
AirCleanerMounting
Stud
Washer,
FlangeNut BarbedStraight, NPT Washer, Flat 5 67 57822 Clamp, Hose 1 68 83468 U-Bolt&Saddle 1 69 87080 Pipe-so•Exhaust 1 70 82361 Insulation- PipeWrap 25ft 45 from Air Filter
Lock
/ �I 23 61 \,,/]',,,_}2 J •-s1'--32 /"'),/ \,/,/ I ... •47 /_ so _4 I / - et-....�� �i ::-,._�;.J"_,...... r--::. V....---4s (��I'"""\IA_'-.J """'<,__ ))"'-. 46 \ \--17 66 �.L�-�2�,=�A�� 67 TO AFTERCOOLER TO AFTERCOOLER GENERAC EK130 HINO DIESEL TURBOCHARGED AFTERCOOLED SD230 - SD275 1990 - 1992

GENERAC EK130 HINO DIESEL TURBOCHARGED AFTERCOOLED SD230 - SD275 1990-1992

DESCRIPTION

Washer,Flat-MB

Washer,Lock-MB

HexHeadCapSaew-M10

Adaptor,90° JICtoNPT

Line,011-TurboInlet

Adaptor, 011InletFlange

Gasket, OilInletFlange Adaptor,OilOutletFlange Turbocharger Clamp,Hose

HoseTurboAirInlet

Tube,TurboAirInlet

Elbow,90° RubberfromAirFilter

Stud,M101.5HighTemp

Nut, Hex-M101.5

Band,AirCleanerMounting

Bracet,AirCleanerMounting

Spacer

Clamp,Hose

Bracket,AirCleanerSupport

Tube,Connector

Support,OutletTube

Clamp,Hose

Tube,LACOutlet

Adaptor

Tube,Turbo011Drain

Clamp

FlatWasher

HexHeadCapscrew

Solenoid,Starter(Silver)

Stud,M12-1.75HighTemp

Nut,Hex

Spacer

Flange,OilReturn

Filter,AirCleaner

Adaptor,TurbochargertoManifold

Gasket,IntakeHeaterAdaptor

Clamp,Hose

Clamp,Hose

Washer,Lock

HexHeadCapscrew

Nut, HexLock

HexHeadCapscrew

Clamp

Fitting(Gyrolok)

TubeAftercoolerChargeAirInlet

HexHeadCapscrew

Gasket,OilOutletFlange

HexHeadCapscrew

SocketHeadCapscrew

Washer,Lock

Hose,AftercoolertoAirIntake

Hose,ConnectorAirIntake

Clamp,Manifold

Connection, Exhaust

Washer,Lock

HexHeadCapscrew

Aftercooler

ITEM PART NO. QTY 3 49810 3 4 22129 3 5 57642 1 7 64965 2 8 64964 1 9 59660 1 10 64973. 1 11 64969 1 12 81245 1 14 66212 3 15 57185 1 16 64963 1 17 61703 1 18 79922 5 19 45TT2 10 20 61702 2 21 61704 1 22 59690 2 23 78190 2 24 61712 1 25 80TT3 1 27 64971 1 28 57648 11 29 78172 1 30 62303 1 32 64970 1 33 559� 1 34 22473 4 35 42568 4 37 56739 1 38 79921 2 39 45TT3 4 40 52242 2 41 59995 1 42 G061701 1 43 63511 1 44 100-59089 1 45 58612 1 46 61706 1 47 46526 8 48 49814 7 49 52859 5 50 42914 2 51 55934-M 1 52 57640 2 53 78171 1 54 39253 1 55 64974 1 56 52611 2 57 57192 4 58 43123 2 59 82560 2 60 59999-F 1 61 64989 1 62 66730 1 63 51769 2 64 51756 2 65 52857 4 66 8845761 2 67 52201
Stud
FlangeNut
2 47
SocketHeadCapscrew
from
� 00 14 ,· I I 0 /, � 28 23 •///.� I . \ · \ Z�/ .�70 -68 -�7 66 65 \ ·34 ---�- . � TO ENGINE BLOCK � 45 v---42 ..a. w w r2 m en m r-1 C: ::0 m 0 0 ::i:: )> ::0 C) m ::0 en C N w 0 N � ..a. co. co N )> z C C: ,, To Aftercooler To Aftercooler Generac EK130 Hino Diesel Engine PartsPhone: 269 673 1638 Email: EngineParts@HeavyEquipmentRestorationParts.com GENERAC EK130 HINO DIESEL TURBOCHARGED AFTERCOOLED SD230 - SD275 1992 AND UP

GENERAC EK130 HINO DIESEL TURBOCHARGED AFTERCOOLED SD230 - SD275 1992 AND UP

Head CapScrew-M10

90° JICtoNPT

Oil-Turbo Inlet

OilInlet Flange

OilInletFlange

Stu�.M101.5High Temp

Nut, Hex-M101.5

Band, AirCleanerMounting

Bracet, AirCleanerMounting

Spacer

Clamp,High Torque

Bracket,AirCleanerSupport

HoseTurbochargertoAftercooler

Support,Outlet Tube

Clamp,High Torque

Tube, AftercoolerOutlettoIntake

Adaptor

Hose

Tube, TurboOil Drain

Clamp

HexHeadCapscrew

FlangeNut

Solenoid,Starter(Silver)-12V

Solenoid.Starter (Silver)- 24V

Stud, M12-1.75High Temp

Nut,Hex Spacer

Flange, OilReturn

Filter, Air Cleaner

Adaptor, Turbochargerto Manifold

Clamp, Hose

Clamp,Hose

Washer, Lock

HexHead Capscrew

Nut,Hex Lock

HexHead Capscrew

Clamp

HoseAftercoolertoAirIntake

Tube AftercoolerChargeAirInlet

HexHead Capscrew

Gasket, OilOutletFlange

HexHead Capscrew

SocketHead Capscrew

Washer, Lock

HosetoAftercooler

Hose ConnectorAirIntake

Clamp, Manifold

Connection,ExhaustPipe

Washer, Lock

Hex Head Capscrew

FlangeWasher

BarbStraight,NPT

Clamp,Hose

from Aftercooler

Gasket, IntakeHeater Adaptor

SocketHead Capscrew Stud

Clamp, Hose

ITEM PARTNO. QTY 2 22500-A 1 3 49810 2 4 22129 2 5 57642 1 7 64965 2 8 64964 1 9 59660 1 10 64973 1 12 81245 1 14 86133-F 2 15 57185 1 16 64963 1 17 61703 1 18 79922 5 19 88510 10 20 61702 2 21 61704 1 22 59690 2 23 86133-H 1 24 61712 1 25 80TT3-A 1 27 64971 1 28 86133-G 6 29 78172 1 30 62303 1 31 85964 1 32 85368 1 33 55934-C 1 34 42568 4 35 52857 4 37 56739 2 82982 2 38 79921 2 39 51548 4 40 52242 2 41 59995 1 42 G061701 1 43 63511 1 45 58612 1 46 61706 1 47 46526 8 48 49814 7 49 52859 5 50 42914 2 51 55934-M 1 52 A5263-B 1 53 78171 1 54 39253 1 55 64974 1 56 52611 2 57 57192 4 58 43123 2 59 82560-B 1 60 59999-F 1 61 64989 1 62 66730 1 63 51769 3 64 51756 2 65 22473 4 66 59967 1 67 57822 1 68 100-59089 1 69 52201 2 70 �5761 2 71 78190
Spacer Washer,
Hex
Adaptor,
Gasket,
Turbocharger Clamp,
Torque Hose
Tube,
Elbow,
Filter
DESCRIPTION
Flat-MS Washer, Lock-MS
Adaptor,
Line,
High
TurboAirInlet
TurboAirInlet
90"RubberfromAir
2 49
U'I 0 23 . ..,....1�44> Jf_, FUEL INLET 4 I -1 28 FUEL RETURN -. 59 16 7 � ""'=---3 � /�31 •-JS 417 52 53 30 6 ..a. � w ' 2 m en m ' m z C) z m :'0 I )ii ::u· ui Iz c... m 0 a ::u enC mz � C: � ·, � )> en :g � m CGENERAC EK130 HINO DIESEL NATURALLY ASPIRATED

GENERAC EK130 HINO DIESEL ENGINE PARTSINJECTOR SIDE (NATURALLY ASPIRATED)!

ITEM PART NO. QTY 2 58612 3 3 G061701 1 4 61702 2 5 61706 1 6 61707 1 7 59665 1 8 59463-A 1 9 51145 1 10 52232 1 11 49954 1 12 57182 1 14 102-59089 1 15 101-59089 1 16 53666 1 17 42574 1 18 52201 4 19 46526 4 20 59664 1 21 103-59089 1 22 55934-D 3 23 100-59089 1 25 66139 1 26 59690 2 28 61704 1 29 66142 1 30 52611 2 31 43123 2 32 51755 2 33 42911 4 35 52859 5 36 61712 1 37 39253 3 38 22129 5 40 49814 1 41 42907 2 42 55934-F 2 43 35471 2 44 35472 4 45 55934-C 1 46 47783 1 47 22473 2 48 27529 1 49 22097 4 50 36409 5 51 47411 4 52 52857 DESCRIPTION Clamp, Hose Cleaner,Air Band,AirCleanerMounting Clamp, Hose Elbow, 90° Rubber Elbow, 90° Rubber Tube,AirCleaner Intake End, BallJoint Rod Stud Joint, Ball Bracket Filter,Oil Filter,Oil Sender, OilPressure Adaptor SocketHeadCapscrew Washer, Lock Adaptor, Air Intake Gasket, Intake Heater Clamp, Hose Filter, Fuel Bracket, Solenoid Mounting Spacer Bracket,AirCleaner Mounting Solenoid, 24 voe HexHeadCapscrew Washer, Lock Hex HeadCapscrew Hex HeadCapscrew Lock Nut, Flanged Support,AirCleaner Bracket Hex HeadCapscrew Washer, Lock Hex HeadCapscrew HexHeadCapscrew Clamp Hose Clamp, Hose Clamp Hex HeadCap Washer, Flat Nut, Hex Washer, Lock Nut, Hex HexHeadCapscrerw Nut, Hex Lock 8 53 42568 HexHeadCapscrew 4 54 43107 Hex HeadCapscrew 1 55 59694 Hex HeadCapscrew 1 56 87718 Bracket, RPM Sensor Mounting 1 57 82130-D SensorAssy, RPM . 1 59 60137 Switch, Oil Pressure 1 60 56739 Solenoid, Starter (Silver)- 12V 2 62 35430 Tee 1 51 Air Intake Air Intake Air Filter
0, l\l i/ 44. 54 22 :�38 37 � .,, '-'?�16 22 38�/ 1!�62 59 37 25 I 48 fi. �. /1 � ,_37 �/\,� 44 38 42 ·; �-� FUEL RETURN 44 � FUEL INLET 51- t 56 �-> 2 ✓ x-19 � ' 49----� 50 �� 12 J�o . --�(49 n 50 � � w r-· !2 m en m rm z Ci)' z m� :;o -t en I z c.. m C') a ::0 enC men C � C1I 0 I N C1I 0GENERAC
EK130 HINO DIESEL ENGINE PARTS SD150 - SD250

GENERAC EK130 HINO DIESEL ENGINE PARTS- INJECTOR SIDE

SD150
ITEM PART NO. DESCRIPTION QTY 9 51145 End, Ball Joint Rod 1 10 52232 Stud 1 11 49954 Joint, Ball 1 12 57182 Bracket 1 14 102-59089 Filter, Oil 1 15 101-59089 Filter, Oil 1 16 53666 Sender, Oil Pressure 1 17 42574 Adaptor 1 19 46526 Washer, Lock 2 21 103-59089 Gasket, Intake Heater Adaptor 1 22 55934-D Clamp, Hose 3 23 100-59089 Filter, Fuel 1 25 66139 Bracket, Solenoid Mounting 1 29 66142 Solenoid, 24 voe 1 32 51755 Hex Head Capscrew 2 37 39253 Hex Head Capscrew 4 38 22129 Washer, Lock 6 41 42907 Hex Head Capscrew 2 42 55934-F Clamp 2 43 47290 Hose 2 44 35472 Clamp, Hose 4 45 55934-C Clamp 1 46 47783 Hex Head Capscrew 1 47 22473 Washer, Flat 2 48 27529 Nut, Hex Lock 1 49 22097 Washer, Lock 5 50 36409 Nut, Hex 5 51 47411 Hex Head Capscrew 4 52 52857 Nut, Hex Lock 4 54 43107 Hex Head Capscrew 1 55 59694 Hex Head Capscrew 1 56 87718 Bracket, RPM·Sensor Mounting 1 57 82130-D Sensor Assy, RPM 1 59 60108 Switch, Oil Pressure 1 62 35430 Tee 1 53 Fuel Shutoff Solenoid
- SD250
ENGINE MOUNTING BASE SUPPORT .�mi FUEL RETURN 17� .� .�nmv. 32 >·----........19 52 GENERAC EK130 HINO DIESEL GT190 - GT225
ITEM PART NO. DESCRIPTION QTY 9 51145 End, Ball Joint Rod 1 10 52232 Stud 1 11 49954 Joint, Ball 1 12 57182 Bracket 1 14 102-59089 Filter, Oil 1 15 101-59089 Filter, Oil 1 16 53666 Sender, Oil Pressure 1 17 42574 Adaptor 119 46526 washer, Lock 2 23 100-59089 Filter, Fuel 1 25 66139 Bracket, SolenoidMounting 1 29 66142 Solenoid, 24 voe 1 32 51755 Hex Head Capscrew 2 37 39253 Hex Head Capscrew 4 38 22129 Washer, Lock 6 42 55934-F Clamp 2 43 35471 Hose 2 44 35472 Clamp, Hose 4 46 47783 Hex Head Capscrew 1 47 22473 Washer, Flat 2 48 27529 Nut, Hex Lock 1 49 22097 Washer, Lock 5 50 36409 Nut, Hex 5 51 47411 Hex Head Capscrew 4 52 52857 Nut, Hex Lock 4 59 ·60108 Switch, Oil Pressuw 1 62 35430 Tee 1 63 35471 Hose 1 64 22238 Hex Head Capscrew 1 65 22131 Flat Washer 1 66 22237 Lock Washer 1 67 22241 Hex Nut 1 68 22261 Lock Washer, Shakeproof 1 55 Fuel Shutoff Solenoid
GENERAC EK130 HINO DIESEL ENGINE PARTS- INJECTOR SIDE GT190 - GT225
25 4 CONTROL BOX 4\: 4�41 I\)'$// \p,: 11~ __,.__.1223� 342�8'10 I v-31 ' 26-��26 .. ,-\\/��FUEL . � FUE� RETURN INLET �1 -18 14 � GENERAC EK130
HINO DIESEL ENGINE PARTS SD275
ITEM PART NO. DESCRIPTION QTY 1 79944 Actuator, Linear 1 2 78583 Support, Governor 1 3 80534 Clevis 1 4 43463 Rod, Thread 1 5 79945 Throttle, Arm 1 6 79946 Rod, End Bearing 2 7 22158 Nut, Jam 5 8 22859 Round Head Machine Screw 2 9 22152 Washer, Lock 2 10 42568 Hex Head Capscrew 4 11 22097 Washer, Lock 4 12 49813 Nut, Hex 4 13 46526 Washer, Lock 3 14 22131 Washer, Flat 3 15 45772 Nut, Hex 1 16 49541 Hex Head Capscrew 2 17 45757 Hex Head Capscrew 1 18 102-59089 Filter, Oil 1 19 101-59089 Filter, Oil 1 20 42907 Hex Head Capscrew 1 21 82130-0 Sensor Assy, RPM 1 23 87718 Bracket, RPM Sensor Mounting 1 24 59694 Hex Head Capscrew 1 25 22129 Washer, Lock 4 26 35472 Clamp, Hose 4 27 47290 Hose 2 28 100-59089 Filter, Fuel 1 29 103-59089 Gasket, Intake Air Adaptor 1 30 55934-F Clamp 2 31 39253 Hex Head Capscrew 3 32 42574 Adaptor 1 33 35430 Tee, Adaptor 1 34 53666 Sender, Oil Pressure 1 35 60108 Switch, Oil Pressure 1 40 75477 Saew, Phillips 4 41 49226 Washer, Lock 4 42 23897 Washer, Flat 4 43 51716 Nut, Hex 4 57
GENERAC EK130 HINO DIESEL ENGINE PARTS- INJECTOR SIDE SD275

GENERAC EK130 HINO DIESEL ENGINE PARTS SD130 - SD275

01 0) s 13.3LDIESEL 100-130KW 33 27 32--)--,,..., 11��-41
4 7A it� 47-�---.1n-...rTHERMOSTAT HOUSINO / 40 15 / � /-----16��·-· 4c;. r� -35 2!2c� �t""� r I 19 -a. � w r g m en m r m z C) z m J � I en � � m ::a � C m en C men C -a. w 0 � ...., U'I -
FLEXEXHAUSTSHOWNHEREFOREARLIER NATURALLYASPIRATEDUNITSONLY

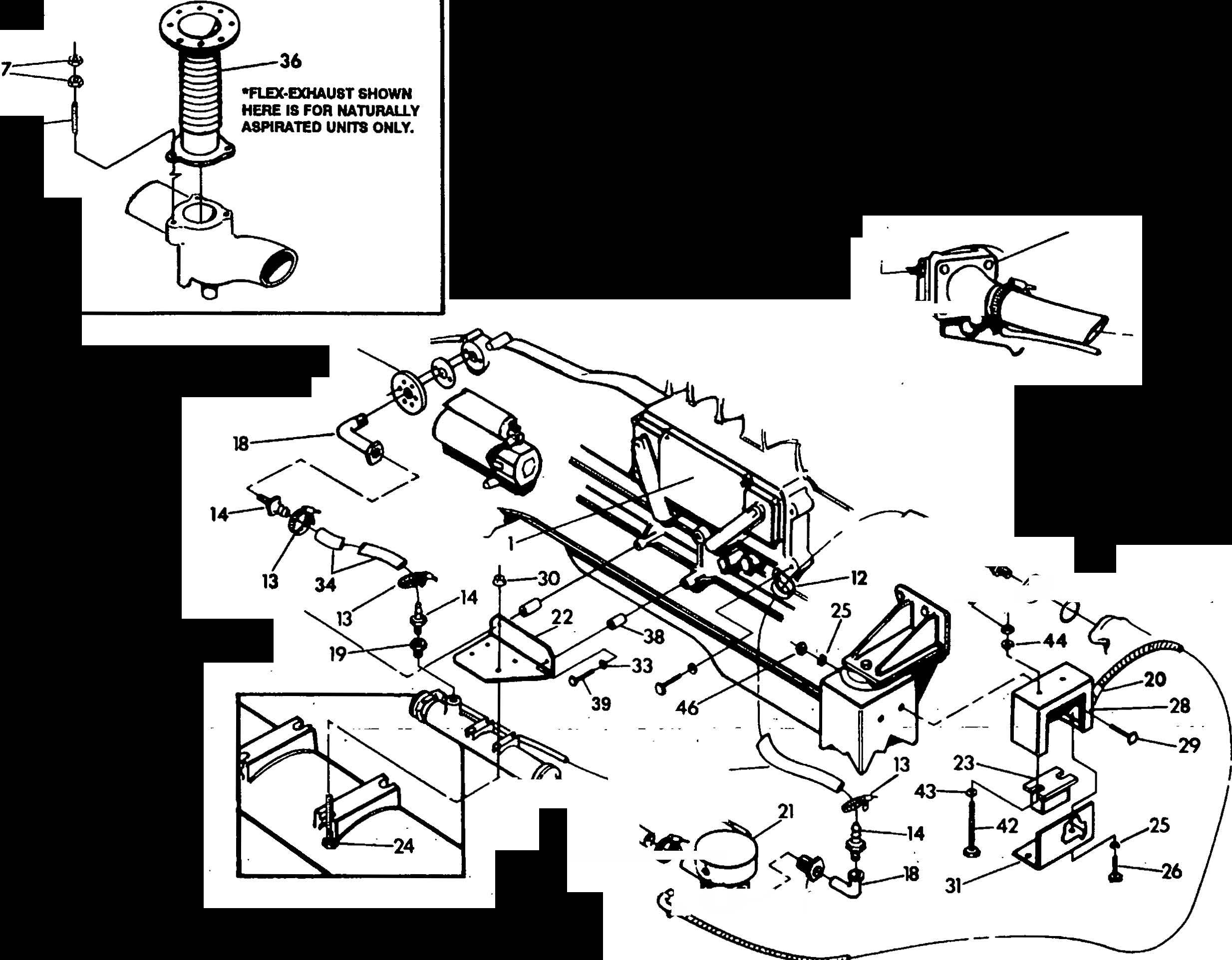
GENERAC EK130 HINO DIESEL ENGINE PARTS STARTER

ITEM PART NO. DESCRIPTION QTY 1 76815 Engine,13.3Diesel 1 4 58917 Gasket,Exhaust 1 5 79921 Stud,HighTemp 3 5A 52645 SocketHeadCapscrew 3 7 51548 Nut,Hex 6 7A 51769 Washer,Lock 3 8 59975 Adaptor,WaterTemp.Sender 1 9 53667 Sender,WaterTemperature 1 11 46526 Washer,Lock 1 12 55934-D Clamp,Hose 1 13 57823 Clamp,Hose 4 14 59967 Fitting,Barbed 3 15 59963 Adaptor,CoolantReturn 1 16 0-ring 1 18 26307 Elbow,90° 2 19 265n Bushing,Reducer 2 21 59687 Heater,EngineCoolant 1 22 61569 Bracket,EngineCoolantHeater 1 23 86743 Relay,15A24VDC 1 60169 Relay,15A12VDC 1 24 45757 HexHeadCapscrew 4 25 22097 Washer,Lock 3 26 43146 HexHeadCapscrew 4 27 59962 Fitting,EngineCoolantSupply 1 28 53966 Box,TrickleCharger 1 29 42568 HexHeadCapscrew 2 30 52857 Nut,FlangedLock 4 31 53965 Cover,TrickleCharger· 1 32 42909 HexHeadCapscrew 2 33 22129 Washer,Lock 4 34 59057 Hose 1 35 59057 Hose 1 36 '65807 Exhaust,Flex 1 38 81098 Spacer 2 39 59921 HexHeadCapscrew 1 40 47527 Fitting,Barbed 1 41 57642 HexHeadCap� 1 42 36918 PhillipsHeadM'achineScrew 2 43 38150 FlatWasher 2 44 22264 LockWasher 2 45 22471 HexNut 2 46 49813 HexNut 1 47 57522 WaterLevelSensor 1 59
SIDE SIDE SD130 - SD275
.... 1 ITEM PART NO. 1 76815 2 59975 3 53667 4 87859 5 88189 y----4 DESCRIPTION Engine, 13.3 Liter Diesel Adaptor, Water Temperature Sender Sender, Water Temperature Switch, High Coolant Temperature Nut, Hex 60 THERMOSTAT HOUSING ��,�'. QTY 1 1 1 1 1 Generac EK130 Hino Diesel Engine Parts Phone: 269 673 1638 Email: ' EngineParts@HeavyEquipmentRestorationParts.com
GENERAC EK130 HINO DIESEL ENGINE PARTS- STARTER SIDE SIDE GT190 - GT225)

Turn static files into dynamic content formats.

Create a flipbook
Issuu converts static files into: digital portfolios, online yearbooks, online catalogs, digital photo albums and more. Sign up and create your flipbook.