

KLAUKE CATALOGUE 2026
Electrical connection systems, Crimping and cutting tools, Hydraulic safety tools, Punching tools, Hand tools, Universal tools, Cable-pulling technology


ALWAYS THE BEST TOOL FOR YOUR NEEDS .

Electrical connection systems
Crimping
Cutting
Hydraulic safety tools
Punching
Universal tools
Pumps
Hand tools
Cable-pulling technology
Technical Appendix
Alphabetical Index
Alpha Numerical Index
OUR FIELDS OF EXPERTISE FOUR SECTORS, ONE QUALITY
We take your needs seriously. For us, “Made by Klauke” means that all products are produced to the highest quality.

TRUSTED SOLUTIONS FOR SOLAR PARK INSTALLATIONS

In a solar park you will find Klauke products every time when you connect a combiner box, an inverter or a transformer.
Solar power systems are an essential green energy source for the present and future generations.
But if we talk about the optimal efficiency of the solar panels, a factor that is often underestimated is the quality and reliability of the electrical connection elements.
TRUSTED SOLUTIONS FOR WIND TURBINE INSTALLATIONS

We offer exactly the right Klauke tools and associated Klauke connection material for the various electrical components in a wind turbine.
Wind turbines play a key role in generating green electricity. High safety requirements apply to the installation. It is therefore essential to comply with the relevant quality criteria for both the electrical connections and the installation tooling.
TOOLS FOR ENERGY SUPPLY

Klauke offers you - energy generators, network operators and service providers in the energy sector - an expanded product range. Alongside Klauke brand products, Greenlee brand test and measurement equipment is also offered.
The measurement and safety products are developed and produced by Greenlee itself in the USA and reflect state-of-the-art technology.
All inspection, test and measuring devices conform to national and international directives and standards, thereby guaranteeing maximum safety for the user.

CONTROL CABINET CONSTRUCTION – CUTTING, STRIPPING, CRIMPING, PUNCHING – IT‘S ALL IN THERE

Efficiency and safety in panel-building are now available in an all-round no-hassle package.
Whether it‘s cutting, stripping, crimping or punching: in our power package you‘ll find precisely the right tool! EK30IDML and EKWF120ML: fast and safe crimping without changing inserts
In panel-building, different conductors, cable lugs and wire end sleeves are usually used at the same time. This means that during crimping the required pressing inserts must be changed frequently. This takes time and effort. With the EK30IDML and the EKWF120ML, we now offer you ideal solutions.



Distribution companies / Sales offices
Germany
(Head quarter)
GUSTAV KLAUKE GMBH
Auf dem Knapp 46 42855 Remscheid Tel.: 02191 / 907-1070 Klauke-info@Emerson.com
DIRECTOR SALES DACH EUROPE PROFESSIONAL TOOLS Outside Sales
Kevin Holohan
Service Center addresses
Your direct link to our tool service offers: https://www.klauke.com/ee/en/ inspecting-and-servicing-tools
Switzerland
EMERSON PROFESSIONAL TOOLS
GELTERKINDERSTRASSE 24, POSTFACH 293, CH 4450 SISSACH TEL.: +41 796426938
Austria
EMERSON PROFESSIONAL TOOLS
INDUSTRIE-ZENTRUM NOE SUED, STRASSE 2A, OBJ. M29 A-2351 WIENER NEUDORF Klauke-austria@Emerson.com
• VIDEO SUPPORT WITH LIVE DEMONSTRATION OF YOUR APPLICATION AND THE PRODUCT
• YOUR QUESTIONS ARE ANSWERED IMMEDIATELY AFTER PRIOR AGREEMENT
• SERVICE VAN FOR ON-SITE SERVICE
• WORLDWIDE REPAIR AND MAINTENANCE SERVICE THROUGH OVER 60 AUTHORISED SERVICE CENTERS (KLAUKE ASC).
• FULL MAINTENANCE SERVICE WITH ANNUAL INSPECTION AND MAINTENANCE AT FIXED PRICES
YOUR DIRECT LINK TO OUR TOOL SERVICE OFFERS: HTTPS://WWW.KLAUKE.COM/EE/EN/ INSPECTING-AND-SERVICING-TOOLS
KLAUKE SERVICE OFFERS
KLAUKE GUARANTEE

THE BEST CONNECTION.
Thanks to the Klauke system, you can be sure that your connection will withstand any load. We find the right connector for every conductor.
Electrical connection systems
Copper tubular cable lugs and connectors
THE CLASSICCOPPER TUBULAR CABLE LUGS
Not every product becomes a classic at Klauke. Only the best ones. Tubular cable lugs made from high-quality electrolytic copper have been part of the Klauke standard range since 1968. The hallmarks: We handle all phases, from development to production. We monitor each and every step. The result: The certified classic remains - in every version.

In brief
` Everything from a single source, from development to production
` Best electrical conductivity thanks to electrolytic copper
` Available for all cross sections and in many special versions
` Tested to international standards
` The system - Klauke connectors
At Klauke all products are matched to one another and we manufacture in our own factories. We think in your work steps – and produce everything systematically. Every cable lug, every tool for the perfect connection.
◾ Full flexibility through solutions for all conductor classes to EN 60228
◾ A single source - for everything from the cable lug to the tool for professional electrical installations

Source material
Folding and crimping
Punching 4 Tinned end product 5 After crimping
` The proof - independent quality tests
Klauke aspires to its own high standard. We have this verified by several independent inspection authorities and have put ourselves through the tough IEC tests - with success.
◾ IEC (International Electric Commission): The IEC is an advisory board for standards in the electrical engineering and electronics sector. The certifications encompass all areas of electrical engineering that have to meet especially high demands.
◾ UL (Underwriters Laboratories): UL is an independent organisation that examines and certifies products for safety. The certification is particularly important on the American market.

` The preparation - Traditional quality
The best material is the basis for quality products. For our classics we use - as for all Klauke productsexclusively high-quality material from certified suppliers. You get all our cable lugs with the optimum features.
◾ Optimum conductivity, high loading capacity and increased safety thanks to high-quality materials
◾ Outstanding processing properties
◾ DNV (Det Norske Veritas) and GL (Germanischer Lloyd): DNV and GL have now merged to form the world’s largest consulting company for onshore and offshore systems.
Electrical connection systems
Copper tubular cable lugs and connectors
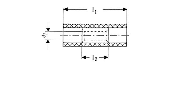
Tubular cable lugs, Cu, standard type

` Cable lug for fine-stranded round conductors, e.g. to EN 60228 Cl. 5
` Simple processing thanks to inspection hole for monitoring full conductor insertion
Characteristics
▪ Simple and safe connection due to flat contact surfaces and internal chamfer
▪ Item identification on cable lug
Material
▪ Copper (EN13600)
Surface
▪ Tin-plated to protect against corrosion
Technical instructions
▪ Tool: see page 1.27
▪ You will find further information on the cable descriptions in the technical appendix, page i-6
▪ Technical instructions, page i-10
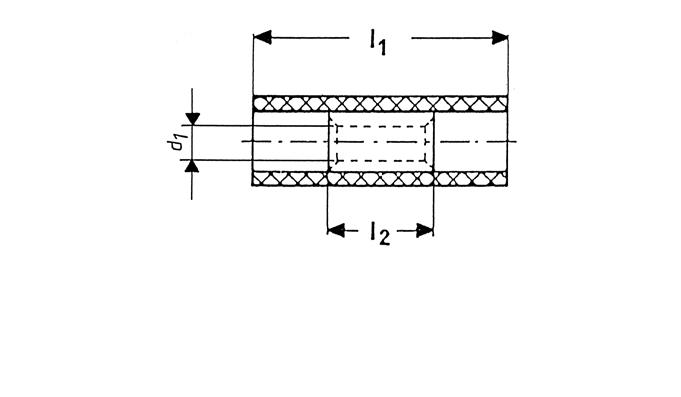
Tubular cable lugs, Cu, fork type

` Cable lug to 6 mm² for fine-stranded round conductors Cl. 5, 10 mm² and 16 mm² for multi-stranded round conductors Cl. 2, e.g. to EN 60228
` Simple fork-type mounting
` Simple processing thanks to inspection hole to check the inserted conductor
Characteristics
▪ Simple and safe connection due to flat contact surfaces and internal chamfer
▪ Item identification on cable lug
Material
▪ Copper (EN13600)
Surface
▪ Tin-plated to protect against corrosion
Technical instructions
▪ Tool: see page 1.27
▪ You will find further information on the cable descriptions in the technical appendix, page i-6
▪ Technical instructions, page i-10
Electrical connection systems
Copper tubular cable lugs and connectors
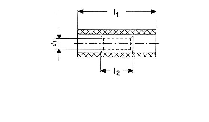
Tubular cable lugs, Cu, standard type with and without inspection hole
1r5grp

See next page
` For multi-stranded round conductors, e.g. to EN 60228 Cl. 2
` For pre-rounded multi-stranded sector shaped conductors
` Ideal cable lug for control cabinet construction
` In combination with EKM 60 ID and EK 30 ID suitable for fine-stranded conductors
` Approved for use with high-temperature cables 180°C (based on a test conducted in accordance with IEC 61238-1-1)
Characteristics
▪ To DIN EN 61373 class 1B vibration-tested
▪ Simple and safe connection due to flat contact surfaces and internal chamfer
▪ Item identification on cable lug
Material
▪ Copper (EN13600)
Surface
▪ Tin-plated to protect against corrosion
Technical instructions
▪ Tool: see page 1.27
▪ You will find further information on the cable descriptions in the technical appendix, page i-6
▪ Sleeves for compacted conductors and sleeves for 3-core and 4-core cables, see chapter „Sleeves for compacted conductors and sector shaped conductors - Cu“
▪ Technical instructions, page i-10
Tubular cable lugs, Cu, standard type with and without inspection hole
Electrical connection systems
Copper tubular cable lugs and connectors
Rohrkabelschuhe für Schaltgeräteanschlüsse
5sg6grp
Tubular cable lugs for switchgear connections, standard type

` For multi-stranded, round conductors e.g. to EN 60228 Cl. 2
` For pre-rounded multi-stranded sector shaped conductors
` In combination with EKM 60 ID and EK 30 ID suitable for fine-stranded conductors
` For connecting in switch cabinets with reduced connecting space
` Narrow palm version manufactured without material loss
Characteristics
▪ Simple and safe connection due to flat contact surfaces and internal chamfer
Material
▪ Copper (EN13600)
Surface
▪ Tin-plated to protect against corrosion
Technical instructions
▪ Tool: see page 1.27
▪ You will find further information on the cable descriptions in the technical appendix, page i-6
▪ Sleeves for compacted conductors and sleeves for 3-core and 4-core cables, see chapter „Sleeves for compacted conductors and sector shaped conductors - Cu“
▪ Technical instructions, page i-10
Angled tubular cable lugs, Cu, 90° angled, standard type

See next page
` For multi-stranded, round conductors e.g. to EN 60228
` For pre-rounded multi-stranded sector shaped conductors
` Flat contact surface by special angle pressing technology
` In combination with the EKM 60 ID and EK 30 ID suitable for fine stranded conductors
Characteristics
▪ Simple cable entry due to internal chamfer
▪ Item identification on cable lug
Material
▪ Copper (EN13600)
Surface
▪ Tin-plated to protect against corrosion
Technical instructions
▪ Tool: see page 1.27
▪ You will find further information on the cable descriptions in the technical appendix, page i-6
▪ Sleeves for compacted conductors and sleeves for 3-core and 4-core cables, see chapter „Sleeves for compacted conductors and sector shaped conductors - Cu“
▪ Technical instructions, page i-10
Electrical connection systems
Copper tubular cable lugs and connectors
Angled tubular cable lugs, Cu, 90° angled, standard type
Angled tubular cable lugs, Cu, 45° angled, standard type

` For multi-stranded, round conductors e.g. to EN 60228
` For pre-rounded multi-stranded sector shaped conductors
` In combination with EKM 60 ID and EK 30 ID suitable for fine-stranded conductors
` Flat contact surface by special angle pressing technology
Characteristics
▪ Simple cable entry due to internal chamfer
▪ Item identification on cable lug Material
▪ Copper (EN13600) Surface
▪ Tin-plated to protect against corrosion Technical instructions
▪ Tool: see page 1.27
▪ You will find further information on the cable descriptions in the technical appendix, page i-6
▪ Sleeves for compacted conductors and sleeves for 3-core and 4-core cables, see chapter „Sleeves for compacted conductors and sector shaped conductors - Cu“
▪ Technical instructions, page i-10
Electrical connection systems
Copper tubular cable lugs and connectors
Angled tubular cable lugs, Cu, 45° angled, standard type
Butt connectors, Cu, standard type

` For fine-stranded round conductors, e.g. to EN 60228 Cl. 5, 0,75-4 mm²
` For multi-stranded round conductors, e.g. to EN 60228 Cl. 2, 6–400 mm²
` For pre-rounded multi-stranded sector shaped conductors
` Simple cable entry for internal chamfer
` In combination with EKM 60 ID and EK 30 ID suitable for fine-stranded conductors
` With reducting sleeves also suitable for connecting different cross-sections
` Approval of the tin-plated cable lugs for use with high-temperature cables 180 °C (based on IEC 61238-1-1): The cable lugs can be used with tin-plated conductors of class 5 (fine-wire)
Characteristics
▪ Simple and safe processing due to butt mark
▪ Item identification on cable lug
Material
▪ Copper (EN13600)
Surface
▪ Tin-plated to protect against corrosion
Technical instructions
▪ Tool: see page 1.27
▪ You will find further information on the cable descriptions in the technical appendix, page i-6
▪ Sleeves for compacted conductors and sleeves for 3-core and 4-core cables, see chapter „Sleeves for compacted conductors and sector shaped conductors - Cu“
▪ Reduction sleeves for connecting unequal cross-sections can be found on page 1.53
▪ Technical instructions, page i-10
Electrical connection systems
Copper tubular cable lugs and connectors
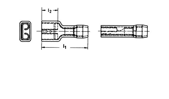
Parallel connectors, Cu, standard type
148rgrp

` For multi-stranded round conductors, e.g. to EN 60228 Cl. 2
` Ideal for connecting differing cable cross-sections
` Simple cable entry due to internal chamfer
Characteristics
▪ Simple cable entry due to internal chamfer
Material
▪ Copper (EN13600)
Surface
▪ Tin-plated to protect against corrosion
Technical instructions
▪ Tool: see page 1.27
▪ You will find further information on the cable descriptions in the technical appendix, page i-6
Additional information
▪ The stated nominal cross-section corresponds to the total cross-section of the cable
▪ Additional conductor types and combinations on request
▪ Technical instructions, page i-10
T-connectors, Cu, standard type

` For multi-stranded, round conductors e.g. to EN 60228
` Suitable for fine-stranded conductors in combination with EKM 60 ID and EK 30 ID
` For pre-rounded multi-stranded sector shaped conductors
` Special version for cable tap conductors
` With reducting sleeves also suitable for connecting different cross-sections
Characteristics
▪ Simple cable entry due to internal chamfer Material
▪ Copper (EN13600) Surface
▪ Tin-plated to protect against corrosion
Technical instructions
▪ Tool: see page 1.27
▪ You will find further information on the cable descriptions in the technical appendix, page i-6
▪ Sleeves for compacted conductors and sleeves for 3-core and 4-core cables, see chapter „Sleeves for compacted conductors and sector shaped conductors - Cu“
▪ Reduction sleeves for connecting different conductor cross-sections you will find on page 1.53
▪ Technical instructions, page i-10
Electrical connection systems
Copper tubular cable lugs and connectors
Rohrkabelschuhe und Verbinder
Insulated tubular cable lugs, Cu, standard type

` For multi-stranded round conductors, e.g. to EN 60228 Cl. 2
` For pre-rounded multi-stranded sector shaped conductors
` No additional insulation of the crimped connection required
` Is directly crimped with the insulation
Characteristics
▪ Simple and safe connection due to flat contact surfaces and internal chamfer
▪ Heat resistant to 105 °C
Material
▪ Cable lug: Copper to EN 13600
▪ Insulation sleeve: PA, halogen-free
Surface
▪ Tin-plated to protect against corrosion
Technical instructions
▪ Tool: see page 1.29
▪ You will find further information on the cable descriptions in the technical appendix, page i-6
▪ Dimensions of tubular cable lugs can be found from page 1.8
▪ Sleeves for compacted conductors and sleeves for 3-core and 4-core cables, see chapter „Sleeves for compacted conductors and sector shaped conductors - Cu“
Insulated butt connectors, Cu, standard type

` For multi-stranded round conductors, e.g. to EN 60228 Cl. 2
` For pre-rounded multi-stranded sector shaped conductors
` No additional insulation of the crimped connection required
` Is directly crimped with the insulation
Characteristics
▪ With buttmarks for precise cable insertion
▪ Simple cable entry due to internal chamfer
▪ Heat resistant to 105 °C
Material
▪ Connector: Copper (EN 13600)
▪ Insulation sleeve: PA, halogen-free
Surface
▪ Tin-plated to protect against corrosion
Technical instructions
▪ Tool: see page 1.29
▪ You will find further information on the cable descriptions in the technical appendix, page i-6
▪ Dimensions of butt connectors can be found on page 1.15
▪ Sleeves for compacted conductors and sleeves for 3-core and 4-core cables, see chapter „Sleeves for compacted conductors and sector shaped conductors - Cu“
Electrical connection systems
Copper tubular cable lugs and connectors
Rohrkabelschuhe und Verbinder für Massivleiter
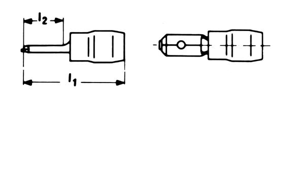
Tubular cable lugs, Cu, solid conductor type

` For single-stranded round conductors, e.g. to EN 60228 Cl. 1
` Safe and secure connecting of solid conductors
Characteristics
▪ Simple and safe connection due to flat contact surfaces and internal chamfer
Material
▪ Copper (EN13600)
Surface
▪ Tin-plated to protect against corrosion
Technical instructions
▪ Tool: see page 1.31
▪ You will find further information on the cable descriptions in the technical appendix, page i-6
sv1525grp
Butt connectors, Cu, solid conductor type

` For single-stranded round conductors, e.g. to EN 60228 Cl. 1
` Safe and secure connecting of solid conductors
` Ideal for repairing damaged NYM cables
Characteristics
▪ Simple cable entry due to internal chamfer Material
▪ Copper (EN13600) Surface
▪ Tin-plated to protect against corrosion
Technical instructions
▪ Tool: see page 1.31
▪ You will find further information on the cable descriptions in the technical appendix, page i-6
stv1525grp
T-connectors, Cu, solid conductor type

` For single-stranded round conductors, e.g. to EN 60228 Cl. 1
` Safe and secure connecting of solid conductors
` Special version for cable tap conductors
Characteristics
▪ Simple cable entry due to internal chamfer Material
▪ Copper (EN13600)
Surface
▪ Tin-plated to protect against corrosion
Technical instructions
▪ Tool: see page 1.31
▪ You will find further information on the cable descriptions in the technical appendix, page i-6
Electrical connection systems
Copper tubular cable lugs and connectors
Tubular cable lugs, Cu, F-series
702f5grp Rohrkabelschuhe und Verbinder für feindrähtige Leiter

See next page
` For fine and superfine stranded round conductors, e.g. to EN 60228 Cl. 5 and 6
` Pipe dimension adjusted for fine and superfine stranded conductors
` Special wide opening for the easy entry of fine conductors
Characteristics
▪ To DIN EN 61373 class 1B vibration-tested
▪ Simple and safe connection due to flat contact surfaces and internal chamfer
▪ Reliable assignment owed to item designation on the cable lug
Material
▪ Copper (EN13600)
Surface
▪ Tin-plated to protect against corrosion
Technical instructions
▪ Tool: see page 1.30
▪ You will find further information on the cable descriptions in the technical appendix, page i-6
Additional information
▪ 10 - 240 mm² UL-tested
Tubular cable lugs, Cu, F-series
Electrical
connection systems
Copper tubular cable lugs and connectors
Angled tubular cable lugs, Cu, 90° and 45° angled, F-series

See next page
` For fine and superfine stranded round conductors, e.g. to EN 60228 Cl. 5 and 6
` Tube dimension adjusted for fine and superfine stranded conductors
` Easy insertion of spliced conductors thanks to special expansion
` Flat contact surface by special angle pressing technology
Characteristics
▪ Flat contact surface and internal chamfer for simple cable insertion
Material
▪ Copper (EN13600)
Surface
▪ Tin-plated to protect against corrosion
Technical instructions
▪ Tool: see page 1.30
▪ You will find further information on the cable descriptions in the technical appendix, page i-6
Additional information
▪ 90° angled version: 10 - 240 mm² UL-tested
Angled tubular cable lugs, Cu, 90° and 45° angled, F-series
Electrical connection systems
Copper tubular cable lugs and connectors
Butt connectors, Cu, F-series

` For fine and superfine stranded round conductors, e.g. to EN 60228 Cl. 5 and 6
` Pipe dimension adjusted for fine and superfine stranded conductors
` Special wide opening for the easy entry of fine conductors
Characteristics
▪ Simple and safe processing due to butt mark
▪ Simple cable entry due to internal chamfer
Material
▪ Copper (EN13600)
Surface
▪ Tin-plated to protect against corrosion
Technical instructions
▪ Tool: see page 1.30
▪ You will find further information on the cable descriptions in the technical appendix, page i-6
Anwendungstabelle mit Werkzeugempfehlung
^WZT_RKS_normal^
Tool application chart
Tubular cable lugs, butt connectors, parallel connectors and T-connectors „standard type“ and tubular cable lugs for switchgear connections made from Cu Part 1 of 2
See next page
Electrical connection systems
Copper tubular cable lugs and connectors
^WZT_RKS_normal^
Tool application chart
Tubular cable lugs, butt connectors, parallel connectors and T-connectors „standard type“ and tubular cable lugs for switchgear connections made from Cu Part 2 of 2
^WZT_RKS_isoliert^ Tool application chart
Insulated tubular cable lugs and butt connectors „standard type“
Mechanical, electrical, pneumatic crimping tools with interchangeable dies / heads
Electrical connection systems
Copper tubular cable lugs and connectors
^WZT_RKS_feindrähtig^ Tool application chart
Tubular cable lugs and butt connectors for fine stranded conductors Tool
Mechanical crimping tools
Mechanical, electrical, pneumatic crimping tools with interchangeable dies / heads
Hand hydraulic crimping tools
Battery powered crimping tools
Hydraulic crimping systems
Hydraulic crimping heads
^WZT_RKS_massiv^
Tool application chart
Tubular cable lugs and butt connectors for solid conductors
electrical, pneumatic crimping tools with interchangeable dies / heads
*For cross-sections 25 + 35 mm2 use the die size 25 mm2 For cross-section 50 mm2 use the die size 35 mm². We recommend 2 crimps on each side
Tubular cable lugs and connectors, nickel or stainless steel
THE RESISTANT – TUBULAR CABLE LUGS
AND CONNECTORS, NICKEL OR STAINLESS STEEL
We also develop for use in tough conditions. Our tubular cable lugs and connectors made from nickel and stainless steel are a cut above: withstanding temperatures of up to 650 °C, our Klauke products have without doubt developed to meet the requirements of the chemical industry, the foodstuff sector and foodstuff industry. You can also rely on our high-quality products for special applications. We know what we are doing.

In brief
` Tough to 650 °C
` Suitable for the chemical and foodstuff industry sectors, for instance
` Suitable even for aggressive environments, such as contact with salt water
` When things get hot: Nickel cable lugs
Nickel cable lugs are especially suitable for use in applications at high temperatures of up to 650 °C. Thanks to their high resilience they no longer need to be frequently replaced at connections exposed to heat.
◾ High-quality nickel
◾ Heat-resistant to 650 °C
◾ No constant replacement of the cable lug at hot locations


` Safe in aggressive environments with stainless steel
High-quality stainless steel ensures extra resilience, especially in aggressive environments. The resistance is retained.
◾ High-quality V2A and V4A stainless steel
◾ Acid resistant
◾ Can be used at temperatures to 400 °C
◾ V2A stainless steel for the chemical and foodstuff sectors and salt water applications
◾ V4A stainless steel in chlorinated environments such as swimming pools, for instance

Electrical connection systems
Tubular cable lugs and connectors, nickel or stainless steel
Tubular cable lugs, stainless steel
79v4grp Rohrkabelschuhe und Verbinder - Edelstahl

` For multi-stranded round conductors, e.g. to EN 60228 Cl. 2
` For pre-rounded stranded sector shaped conductors
` Ideal for aggressive environmental conditions, acid and rust-resistant
` Heat resistant up to 400 °C
Characteristics
▪ Simple and safe connection due to flat contact surfaces and internal chamfer Material
▪ V2A (X5CrNi18-10)
Technical instructions
▪ Tool: see page 1.39
▪ You will find further information on the cable descriptions in the technical appendix, page i-6
Additional information
▪ Available on request as a special item in V4A material (X5CrNiMo17-12-2)
Butt connectors, stainless steel

` For multi-stranded round conductors, e.g. to EN 60228 Cl. 2
` For pre-rounded stranded sector shaped conductors
` Ideal for aggressive environmental conditions, acid and rust-resistant
` Heat resistant up to 400 °C
Characteristics
▪ Simple and safe processing due to butt mark
▪ Simple cable entry due to internal chamfer
Material
▪ V2A (X5CrNi18-10)
Technical instructions
▪ Tool: see page 1.39
▪ You will find further information on the cable descriptions in the technical appendix, page i-6
Additional information
▪ Available on request as a special item in V4A material (X5CrNiMo17-12-2)
Electrical connection systems
Tubular cable lugs and connectors, nickel or stainless steel
Rohrkabelschuhe und Verbinder - Nickel
56n4grp
Tubular cable lug, Ni

` For multi-stranded round conductors, e.g. to EN 60228 Cl. 2
` For pre-rounded stranded sector shaped conductors
` Suitable for high temperatures up to 650 °C
Characteristics
▪ Simple and safe connection due to flat contact surfaces and internal chamfer
Material
▪ Nickel alloy
Technical instructions
▪ Tool: see page 1.39
▪ You will find further information on the cable descriptions in the technical appendix, page i-6
Tubular cable lugs, Cu, fork type

` For multi-stranded round conductors, e.g. to EN 60228 Cl. 2
` For pre-rounded stranded sector shaped conductors
` Suitable for high temperatures up to 650 °C
` Simple fork-type mounting
Characteristics
▪ Simple and safe connection due to flat contact surfaces and internal chamfer
Material
▪ Nickel alloy
Technical instructions
▪ Tool: see page 1.39
▪ You will find further information on the cable descriptions in the technical appendix, page i-6
Electrical connection systems
Tubular cable lugs and connectors, nickel or stainless steel
Butt connectors, Ni

` For multi-stranded round conductors, e.g. to EN 60228 Cl. 2
` For pre-rounded stranded sector shaped conductors
` Suitable for high temperatures to 650 °C
Characteristics
▪ Simple and safe processing due to butt mark
▪ Simple cable entry due to internal chamfer
Material
▪ Nickel alloy
Technical instructions
▪ Tool: see page 1.39
▪ You will find further information on the cable descriptions in the technical appendix, page i-6
Anwendungstabelle mit Werkzeugempfehlung
^WZT_RKS_VA^
^WZT_RKS_Ni^
Tool application chart
Tubular cable lugs and butt connectors made from stainless steel or nickel
Mechanical crimping tools
Mechanical, electrical, pneumatic crimping tools with interchangeable dies / heads
hydraulic crimping tools
Battery powered crimping tools
crimping heads
CONFORMITY - COPPER COMPRESSION CABLE LUGS AND
CONNECTORS
TO DIN
Klauke products conform not only to its own standards. But also to DIN standards with strict standardised dimensions. Our compression cable lugs and connectors range to 1000 mm2 nominal cross-section, with standardised designations and markings. We have the quality certified by the IEC test, including our special versions.

In brief
` Standardised sizes even for special versions
` Clear markings for standardised processing
` For all conductor classes to EN 60228
` Tested and certified for safety
Our DIN cable lugs and connectors are strictly manufactured to standard. In addition, the test suggested in the standard has been passed with ease.
◾ Simple processing with DIN system
◾ Safety through standardised tests (IEC 61238-1)
◾ For all conductor classes to EN 60228 and copper wires to DIN 46267-1


` Clear markings
Where simplicity and safety are key: Every cable lug to DIN comes with the appropriate crimping instruction. Readily visible markings indicate the crimping location required to work in compliance with the standard. Code numbers on the dies and cable lugs show the correct crimp at a glance.
` Every version standardised
We offer cable lugs with tube dimension to DIN in numerous different forms and versions. If there happens to be no suitable connector for you, we will of course make you one to suit your needs.
◾ Flexible thanks to numerous versions
◾ Various surfaces available
◾ Many special versions based on the DIN standard available
◾ Manufactured to suit your particular requirements

Cross-section
Electrical connection systems
Compression cable lugs to DIN, Cu

` For round conductors, e.g. to EN 60228 Cl. 1, 2, 5 and 6
` For non-tension copper cables, e.g. to DIN 48201-1
` For pre-rounded multi-stranded sector shaped conductors
` With code number for clear tool assignment
` To DIN 46235
Characteristics
▪ Easy to process due to crimp markings
▪ Simple and safe connection due to flat contact surfaces and internal chamfer
Material
▪ Copper (EN13600)
Surface
▪ Tin-plated to protect against corrosion
Technical instructions
▪ Tool: see page 1.54
▪ You will find further information on the cable descriptions in the technical appendix, page i-6
▪ Sleeves for 3-core and 4-core cables see chapter „Sleeves for compacted conductors and sector shaped conductors - Cu“
▪ Technical instructions, page i-10
Additional information
▪ Possible as a special bright version on request
▪ 10 - 800 mm² IEC-tested
▪ * = Bore not standardised
▪ Incompatible tool and cable lug combinations:
- D504 for 6 mm² & 10 mm² DIN in combination with copper conductor class 1
- K05D Syncro for 6 mm² DIN in combination with copper conductor class 1
Compression cable lugs to DIN, Cu
Electrical connection systems
Angled compression cable lugs, Cu, 90° angled

` For round conductors, e.g. to EN 60228 Cl. 1, 2, 5 and 6
` For non-tension copper cables, e.g. to DIN 48201-1
` For pre-rounded multi-stranded sector shaped conductors
` Tube dimensions according to DIN 46235
` With code number for clear tool assignment
Characteristics
▪ With crimp markings for correct crimp positioning
▪ Simple and safe connection due to flat contact surfaces and internal chamfer
Material
▪ Copper (EN13600)
Surface
▪ Tin-plated to protect against corrosion
Technical instructions
▪ Tool: see page 1.54
▪ You will find further information on the cable descriptions in the technical appendix, page i-6
▪ Sleeves for 3-core and 4-core cables see chapter „Sleeves for compacted conductors and sector shaped conductors - Cu“
▪ Technical instructions, page i-10
Additional information
▪ Possible as a special bright version on request.
▪ 10 - 240 mm² IEC-tested
Angled compression cable lugs, Cu, 90° angled
Angled compression cable lugs, Cu, 45° angled

` For round conductors, e.g. to EN 60228 Cl. 1, 2, 5 and 6
` For non-tension copper cables, e.g. to DIN 48201-1
` For pre-rounded multi-stranded sector shaped conductors
` Tube dimensions according to DIN 46235
` With code number for clear tool assignment
Characteristics
▪ Flat contact surface by special angle pressing process
▪ Easy to process due to crimp markings
▪ Simple cable entry due to internal chamfer
Material
▪ Copper (EN13600)
Surface
▪ Tin-plated to protect against corrosion
Technical instructions
▪ Tool: see page 1.54
▪ You will find further information on the cable descriptions in the technical appendix, page i-6
▪ Sleeves for 3-core and 4-core cables see chapter „Sleeves for compacted conductors and sector shaped conductors - Cu“
▪ Technical instructions, page i-10
Additional information
▪ Possible as a special bright version on request
▪ 10 - 240 mm² IEC-tested
Angled compression cable lugs, Cu, 45° angled
Presskabelschuhe Sonderausführungen
147d212grp
Compression cable lugs to DIN special type, Cu with 2 holes

` For round conductors, e.g. to EN 60228 Cl. 1, 2, 5 and 6
` For non-tension copper cables, e.g. to DIN 48201-1
` For pre-rounded sector shaped conductors
` Tube dimensions according to DIN 46235
` With code number for clear tool assignment
Characteristics
▪ Easy to process due to crimp markings
▪ Flat contact surface by special pressing technique
▪ Internal chamfer for simple cable insertion
Material
▪ Copper (EN13600)
Surface
▪ Tin-plated to protect against corrosion
Technical instructions
▪ Tool: see page 1.54
Additional information
▪ Auf Anfrage als Sonderartikel in blanker Ausführung möglich
Electrical connection systems
Copper compression cable lugs and connectors acc. to DIN
Compression
cable lugs, special type, Cu with 1 hole, double crimping

` Special design for mounting of 2 multi-stranded cables, e.g. to EN 60228 Cl. 2
` With crimp markings for correct crimp positioning
Characteristics
▪ Simple and safe connection due to flat contact surfaces and internal chamfer
Material
▪ Copper (EN13600)
Surface
▪ Tin-plated to protect against corrosion
Technical instructions
▪ Tool: see page 1.55
Compression cable lugs, special type, Cu with 2 long holes, double crimping

` Special design for mounting of 2 multi-stranded cables, e.g. to EN 60228 Cl. 2
` With crimp markings for correct crimp positioning
Characteristics
▪ Simple cable entry due to internal chamfer
▪ Flat contact surface by special pressing technique
Material
▪ Copper (EN13600)
Surface
▪ Tin-plated to protect against corrosion
Technical instructions
▪ Tool: see page 1.55
2
Pressverbinder DIN 46267, Teil 1 und ähnliche Ausführungen
Compression joints to DIN, Cu

` For round conductors, e.g. to EN 60228 Cl. 1, 2, 5 and 6 and pre-rounded sector shaped conductors
` For non-tension copper cables, e.g. to DIN 48201-1
` To DIN 46267, Part 1
` With code number for clear tool assignment
` With crimp markings for correct crimp positioning
Characteristics
▪ Simple and safe processing due to butt mark
▪ Simple cable entry due to internal chamfer
Material
▪ Copper (EN13600)
Surface
▪ Tin-plated to protect against corrosion
Technical instructions
▪ Tool: see page 1.54
▪ You will find further information on the cable descriptions in the technical appendix, page i-6
▪ Sleeves for 3-core and 4-core cables see chapter „Sleeves for compacted conductors and sector shaped conductors - Cu“
▪ Reduction sleeves for connecting unequal cross-sections can be found on page 1.53
▪ Technical instructions, page i-10
Additional information
▪ Auf Anfrage als Sonderartikel in blanker Ausführung möglich
▪ 10 - 800 mm² IEC-tested
Electrical connection systems
Copper compression cable lugs and connectors acc. to DIN
Compression joints, Cu

` For round conductors, e.g. to EN 60228 Cl. 1, 2, 5 and 6 and pre-rounded sector shaped conductors
` For non-tension copper cables, e.g. to DIN 48201-1
` Barrier design with oil stop
` Tube dimension to DIN 46267, part 1
` With code number for clear tool assignment
Characteristics
▪ Easy to process due to crimp markings
▪ Simple cable entry due to internal chamfer
Suitable for
▪ Non-tension connections
Material
▪ Copper (EN13600)
Surface
▪ Tin-plated to protect against corrosion
Technical instructions
▪ Tool: see page 1.54
▪ You will find further information on the cable descriptions in the technical appendix, page i-6
▪ Sleeves for 3-core and 4-core cables see chapter „Sleeves for compacted conductors and sector shaped conductors - Cu“
▪ Reduction sleeves for connecting unequal cross-sections can be found on page 1.53
▪ Technical instructions, page i-10
Additional information
▪ Auf Anfrage als Sonderartikel in blanker Ausführung möglich
504R_GRP01
Compression joint
for cable connections 10 - 30 kV, copper

` For round conductors, e.g. to EN 60228 Cl. 2 and pre-rounded sector shaped conductors
` For non-tension copper cables, e.g. to DIN 48201-1
` Tube dimension to DIN 46267, part 1
` For copper medium-voltage cable connections 10 - 30 kV
` With chamfered edges for reduced electrical stress in the assembly
Characteristics
▪ List below like other special requests
▪ Easy to process due to crimp markings
▪ Simple cable entry due to internal chamfer
Suitable for
▪ Non-tension connections
Material
▪ Copper (EN13600)
Surface
▪ Bright
Technical instructions
▪ Tool: see page 1.54
▪ You will find further information on the cable descriptions in the technical appendix, page i-6
▪ Sleeves for 3-core and 4-core cables see chapter „Sleeves for compacted conductors and sector shaped conductors - Cu“
▪ Reduction sleeves for connecting unequal cross-sections can be found on page 1.53
Electrical connection systems
Copper compression cable lugs and connectors acc. to DIN
Compression joints to DIN, Cu

` For connecting copper cables to DIN 48201, Part 1
` For full tension cable connections
` To DIN 48085, Part 1
` With code number for clear tool assignment
` With crimp markings for correct crimping
Characteristics
▪ Easy to process due to crimp markings
▪ Simple and safe processing due to butt mark
▪ Simple cable entry due to internal chamfer
Material
▪ Copper (EN13600)
Surface
▪ Bright
Technical instructions
▪ Tool: see page 1.54
▪ You will find further information on the cable descriptions in the technical appendix, page i-6
Additional information
▪ * = not standardised
▪ 16 - 70 mm² IEC-tested
Reduction sleeves, Cu

` For multi-stranded, round conductors e.g. to EN 60228 Cl. 2
` For non-tension copper cables, e.g. to DIN 48201-1
` For connecting different conductor cross-sections
` For use in DIN compression joints and connectors, standard type
Characteristics
▪ Simple cable entry due to internal chamfer
Suitable for
▪ For non-tension compression joints
Material
▪ Copper (EN13600)
Surface
▪ Bright
Technical instructions
▪ Refer to the installation instructions in the technical appendix on page i-6
Electrical connection systems
Copper compression cable lugs and connectors acc. to
Anwendungstabelle mit Werkzeugempfehlung
^WZT_PKS_DIN_einfach^
Tool application chart
Compression cable lugs and compression joints Tool
Mechanical crimping tools
pneumatic crimping tools with interchangeable dies / heads
hydraulic crimping tools
crimping tools
crimping heads
^WZT_PKS_DIN_doppelt^ Tool application chart
Double compression cable lugs
Mechanical, electrical, pneumatic crimping tools with interchangeable dies / heads
Hand hydraulic crimping tools
powered crimping tools
Hydraulic crimping heads
Electrical connection systems
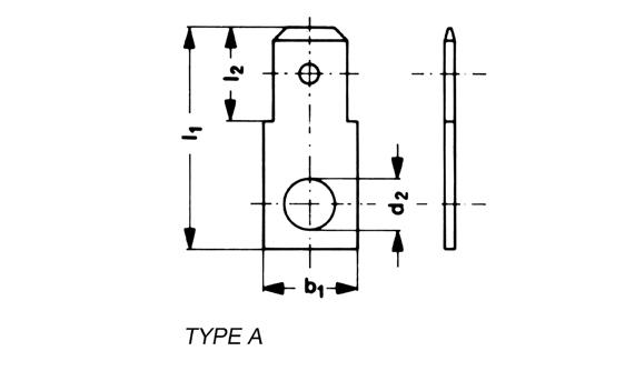
Terminals, connectors and pin terminals to DIN - Cu
PUNCHED - SOLDERLESS TERMINALS MADE FROM COPPER TO DIN 46234
Unlike the tubular cable lugs, Klauke solderless terminals are punched from a sheet, bent and then hard soldered in the crimp area. The grooved profile on the inside ensures higher conductor pull-out values. This product’s small dimensions make it the ideal solution for confined areas.

In brief
` Reliable crimping due to high-quality solder seam
` Small dimensions for confined areas
` Suitable for multi-stranded, fine-stranded and superfine-stranded conductors
` Hard soldered for reliable contact
The quality of Klauke cable lugs is also evident during the crimping operation: The solderless terminal always remains intact due to the high-quality solder seam. Guaranteed quality.
◾ Reliable contact due to high-quality solder seam and tinning
◾ Best possible contacting with ribbed profile
◾ Optimum solution for confined areas thanks to highly-compact dimensions
◾ Insulated and non-insulated versions


` Well insulated
Klauke products make your day-to-day work easier. Thanks to the widened insulation, the conductor can be very conveniently inserted into our insulated solderless terminals. The insulation remains intact even after crimping, eliminating the need for retrospective insulation. Everything accomplished in one operation.
◾ Easy to use thanks to widened sleeve
◾ No additional insulation, hence fast processing
◾ As a fork-type, ideal for connecting meters in confined areas for example
◾ Easy conductor insertion thanks to widened sleeve

Electrical connection systems
Terminals, connectors and pin terminals to DIN - Cu
Solderless terminals to DIN, Cu

see next page
` For round conductors, e.g. to EN 60228 Cl. 2, 5 and 6
` To DIN 46234
` High-quality brazing process in the crimp area
Characteristics
▪ Improved contact properties due to grooved profile
Material
▪ Copper (EN13599)
Surface
▪ Tin-plated to protect against corrosion
Technical instructions
▪ Tool: see page 1.66
▪ You will find further information on the cable descriptions in the technical appendix, page i-6
Additional information
▪ * = Bore not standardised
▪ 0.5 - 6 mm² not UL-tested
Terminals, connectors and pin terminals to DIN - Cu
Quetschkabelschuhe
Insulated solderless terminals, Cu with Easy-Entry

next page
` For round conductors, e.g. to EN 60228 Cl. 2, 5 and 6
` High-quality brazing process in the crimp area
` Simple processing due to crimping over the insulation
` Fast preparation as no additional insulation of the crimped connection is required
Characteristics
▪ Insulating, halogen-free with easy-entry cable insertion
▪ Dimensions in tube according to DIN 46234
▪ Improved contact properties due to grooved profile
▪ Cross-section-dependent colour-coding
▪ Heat resistant to 105 °C
Material
▪ Copper (EN13599)
▪ Insulation sleeve: PA
Surface
▪ Tin-plated to protect against corrosion
Technical instructions
▪ Tool: see page 1.67
▪ You will find further information on the cable descriptions in the technical appendix, page i-6
st1716isgrp Insulated pin terminals, Cu with Easy-Entry

` For round conductors, e.g. to EN 60228 Cl. 2, 5 and 6
` High-quality brazing process in the crimp area
` Fast preparation as no additional insulation of the crimped connection is required
Characteristics
▪ Insulating, halogen-free with easy-entry cable insertion
▪ Improved contact properties due to grooved profile
▪ Cross-section-dependent colour-coding
▪ Heat resistant to 105 °C
Material
▪ Copper (EN13599)
▪ Insulation sleeve: PA
Surface
▪ Tin-plated to protect against corrosion
Technical instructions
▪ Tool: see page 1.67
▪ You will find further information on the cable descriptions in the technical appendix, page i-6
Electrical connection systems
Terminals, connectors and pin terminals to DIN - Cu
Quetschkabelschuhe Gabel- und Stiftform
1620c3grp
Solderless terminals, Cu, fork type

` For round conductors, e.g. to EN 60228 Cl. 2, 5 and 6
` Dimensions in tube to 6 mm² to DIN 46234
` Simple fork-type mounting
` High-quality brazing process in the crimp area
Characteristics
▪ Improved contact properties due to grooved profile
Material
▪ Copper (EN13599)
Surface
▪ Tin-plated to protect against corrosion
Technical instructions
▪ Tool: see page 1.66
▪ You will find further information on the cable descriptions in the technical appendix, page i-6
Additional information
▪ 0.5 - 6 mm² not UL-certified
Pin terminals to DIN, Cu

` For round conductors, e.g. to EN 60228 Cl. 2, 5 and 6
` Nominal cross-sections 0.5 - 6 mm² to DIN 46230
` High-quality brazing process in the crimp area
Characteristics
▪ Improved contact properties due to grooved profile
Material
▪ Copper (EN13599) Surface
▪ Tin-plated to protect against corrosion Technical instructions
▪ Tool: see page 1.66
▪ You will find further information on the cable descriptions in the technical appendix, page i-6
Additional information
▪ * = not standardised
▪ 0.5 - 6 mm² not UL-tested
Electrical connection systems
Terminals, connectors and pin terminals to DIN - Cu
Isolierte Quetschkabelschuhe für Zählerverdrahtung
652c5grp
Insulated solderless terminals for meter connections, Cu, fork type


` For round conductors, e.g. to EN 60228 Cl. 2, 5 and 6
` Special design for meter connection
` High-quality brazing process in the crimp area
` Fast preparation as no additional insulation of the crimped connection is required
Characteristics
▪ Improved contact properties due to grooved profile
▪ Insulated, halogen-free with easy-entry cable entry
▪ Cross-section-dependent colour-coding
▪ Heat resistant to 105 °C
Material
▪ Copper (EN13599)
▪ Insulation sleeve: PA
Surface
▪ Tin-plated to protect against corrosion
Technical instructions
▪ Tool: see page 1.67
▪ You will find further information on the cable descriptions in the technical appendix, page i-6
Solderless connectors to DIN, Cu, short type
1620kgrp Quetschverbinder DIN 46341, Teil 1

` For round conductors, e.g. to EN 60228 Cl. 2, 5 and 6
` To DIN 46341, Part 1, Form A
` Ideal for connecting differing conductor cross-sections
Characteristics
▪ Simple cable entry due to internal chamfer
Material
▪ Copper (EN13600)
Surface
▪ Tin-plated to protect against corrosion
Technical instructions
▪ Tool: see page 1.66
▪ You will find further information on the cable descriptions in the technical appendix, page i-6
Additional information
▪ The sum of the single conductor cross sections must be within the specified cross section range.
Solderless connectors to DIN, Cu, long type

` For round conductors, e.g. to EN 60228 Cl. 2, 5 and 6 ` To DIN 46341, Part 1, Form B
` Simple and safe processing due to butt mark
Characteristics
▪ Simple cable entry due to internal chamfer Material
▪ Copper (EN13600) Surface
▪ Tin-plated to protect against corrosion Technical instructions
▪ Tool: see page 1.66
▪ You will find further information on the cable descriptions in the technical appendix, page i-6
Electrical connection systems
Terminals, connectors and pin terminals to DIN - Cu
Anwendungstabelle mit Werkzeugempfehlung
^WZT_QKS_DIN^
Mechanical crimping tools
Mechanical, electrical, pneumatic crimping tools with interchangeable dies / heads
Tool application chart
Solderless terminals to DIN 46234, pin terminals to DIN 46230, solderless connectors to DIN 46341 Part 1 of 2
powered crimping tools
crimping heads
^WZT_QKS_isoliert^
Tool application chart
Insulated crimp terminals Insulated pin cable lugs
crimping tools
Sleeves for compacted conductors and sector-shaped conductors - copper
COMPENSATING - SLEEVES FOR
COPPER SECTOR-SHAPED AND COMPACTED CONDUCTORS
With the right sleeve, copper sector-shaped conductors are easy to crimp all the way round and can then be conveniently inserted into the cable lug. Klauke sleeves for compacted conductors compensate the difference between the compacted conductor and cable lug - ensuring reliable connections.

In Kürze
In brief
` zum Rundpressen von Sektorleitern
` For round crimping sector-shaped conductors
` bringt verdichtete Leiter auf das gewünschte Volumen
` Brings compacted conductors to the required volume
` guter Leitwert durch hochwertiges Kupfer
` Good conductivity due to high-quality copper
` Available for tubular cable lugs
` verfügbar für DIN- und Rohrkabelschuhe
Hint: Die Hülsen für Sektorleiter müssen mit Rundrückeneinsätzen verpresst werden.
Note: The sleeves for sector-shaped conductors must be crimped with pre-rounding dies.
` Filled in two steps
Making it easy for you: Use the Klauke sleeves to bring compacted conductors to the required volume in just two work steps: Simply attach the sleeve to the stripped conductor and insert it into the appropriate cable lug - done.
No additional tools and no special solutions required.
` Pre-rounded sector-shaped conductors
Pre-rounds 3 and 4-sector-shaped conductors made of copper.
◾ For pre-rounding of sector-shaped conductors
◾ Suitable for 3- and 4-sector-shaped conductors at angles of 120° and 90°
◾ Nominal cross-section up to 240 mm2
◾ No splicing of conductors
◾ No special cable lugs required
◾ Lower storage costs
◾ Simple filling of compacted conductors
◾ For nominal cross-sections of up to 400 mm2
◾ High-quality material reduces contact resistance
◾ No special solutions required: existing tool can be used for reliable crimping


Sleeves for compacted conductors and sector-shaped conductors - copper
Sleeves for compacted conductors, for tubular cable lugs and connector standard type

` For multi-stranded, compacted conductors e.g. to EN 60228 Cl. 2
` Allows the use of Klauke tubular cable lugs and connectors, standard type, on compacted conductors
Material
▪ Copper (HCP)
Surface
▪ Tin-plated to protect against corrosion
Technical instructions
▪ Refer to the installation instructions in the technical appendix on page i-8
Sleeves for sector shaped conductors, 3-core cable, standard type

` For multi-stranded, sector shaped conductors, e.g. to EN 60228
` For tubular cable lugs and connectors, standard version
` To simplify pre-rounding of 3-core cables (120° angle)
` Prevents sector shaped conductors from de-stranding during pre-rounding
Material
▪ Copper (HCP) Surface
▪ Tin-plated to protect against corrosion
Technical instructions
▪ For round crimping dies, see „Crimping dies“
▪ Refer to the installation instructions in the technical appendix on page i-8
Electrical connection systems
Sleeves for compacted conductors and sector-shaped conductors - copper
Sleeves for sector shaped conductors, 3-core cable, DIN version

` For multi-stranded, sector shaped conductors, e.g. to EN 60228
` For DIN compression cable lugs and connectors
` To simplify pre-rounding of 3-core cables (120° angle)
` Prevents sector shaped conductors from de-stranding during pre-rounding
Material
▪ Copper (HCP)
Surface
▪ Tin-plated to protect against corrosion
Technical instructions
▪ For round crimping dies, see „Crimping dies“
▪ Refer to the installation instructions in the technical appendix on page i-8
Sleeves for sector shaped conductors, 4-core cable

` For multi-stranded, sector shaped conductors, e.g. to EN 60228
` For tubular cable lugs and connectors, standard version and DIN compression cable lugs and connectors
` To simplify pre-rounding of 4-core cables (90° angle)
` Prevents sector shaped conductors from de-stranding during pre-rounding
Material
▪ Copper (HCP)
Surface
▪ Tin-plated to protect against corrosion
Technical instructions
▪ Refer to the installation instructions in the technical appendix on page i-8
▪ For round crimping dies, see „Crimping dies“
Electrical connection systems
Aluminium compression cable lugs and connectors to DIN
RELIABLE - ALUMINIUM COMPRESSION CABLE LUGS AND CONNECTORS TO DIN
Light and extremely reliable: Klauke aluminium compression cable lugs are both. Contact grease breaks down the oxidation layer, high-quality tinning facilitates the contact with copper in dry environments. For the toughest demands, all cable lugs and most connectors are IEC-tested for safety. We offer a solution for practically every problem.

In brief
` Aluminium cable lugs and connectors according to and based on DIN standards
` Tested to the stringent IEC 61238-1
` Appropriate solutions to 30 kV
` Also for power lines and conductor wires
` Tinned and non-tinned versions available
` Deep drawn
Deep-drawn connectors are produced with barrier and precisely to DIN 46329. Thanks to the special production method, there is absolutely no ingress or escaping of liquids through the cable lug flange.
` Same excellent quality
Because we at Klauke have our own manufacturing facilities, our products are always the same consistently high quality. No matter which cable lug or connector you need, the Klauke system guarantees you the best results.
◾ Constant qualities in many forms
◾ Connections according to or based on DIN standards
◾ Simple processing with DIN hexagonal crimping or optionally EKM60ID
◾ Guaranteed safety through IEC 61238-1 tests

◾ Barrier design with oil stop
◾ Filled with contact grease as standard
◾ In the tinned version, also suitable for connecting to copper in dry environments
◾ For moist environments, we recommend Klauke connectors made from aluminium/copper

` Flexibility in power line construction
In power line construction too, Klauke products provide the flexible and reliable solution.
For special solutions, contact us directly. We can make them for you.


Electrical connection systems
Aluminium compression cable lugs and connectors to DIN
Presskabelschuhe DIN 46329 und ähnliche Ausführungen - Al
263r8grp
Compression cable lugs to DIN, Al (surface bright or tinned)

See next page
` For non-tension connections of aluminium conductors to EN 60228 and aluminium cables to DIN EN 50182
` For pre-rounded sector shaped conductors
` To DIN 46329
` With code number for clear tool assignment for clear tool assignment
` Filled with contact grease for optimum crimp characteristics
Characteristics
▪ Barrier design with oil stop
▪ Optional tin-plated (20 µm) version to connect copper bus bars in dry indoor areas
▪ Simple and safe connection due to flat contact surfaces and internal chamfer
Material
▪ E-aluminium
Surface
▪ Bright
▪ Tinned (20 μm)
Technical instructions
▪ Tool: see page 1.83
▪ You will find further information on the cable descriptions in the technical appendix, page i-6
Additional information
▪ re = round single solid wire, rm = round multi-stranded, se = sector shaped single solid wire, sm = sector shaped multi-stranded, sector shaped conductors must be pre-rounded
▪ 70 - 240 mm² UL-tested (tin-plated version)
Compression cable lugs to DIN, Al (surface bright or tinned)
Electrical connection systems
Aluminium compression cable lugs and connectors to DIN
Compression cable lugs, Al
202r6grp

` For non-tension connections of aluminium conductors to EN 60228 and aluminium cables to DIN EN 50182
` For pre-rounded sector shaped conductors
` Tube dimensions accordung to DIN 46329
` With code number for clear tool assignment
` Filled with contact grease for optimum crimp characteristics
Characteristics
▪ Easy to process due to crimp markings
▪ Simple and safe connection due to flat contact surfaces and internal chamfer
Material
▪ E-aluminium
Surface
▪ Bright
Technical instructions
▪ Tool: see page 1.83
▪ You will find further information on the cable descriptions in the technical appendix, page i-6
Additional information
▪ re = round single solid wire, rm = round multi-stranded, se = sector shaped single solid wire, sm = sector shaped multi-stranded, sector shaped conductors must be pre-rounded
▪ 16 - 400 mm² IEC-tested
Pressverbinder DIN 46267, Teil 2 und ähnliche Ausführungen - Al
222rgrp
Compression joint to DIN, Al

` For non-tension connections of aluminium conductors to EN 60228 and aluminium cables to DIN EN 50182
` To DIN 46267, Part 2
` With code number for clear tool assignment
` Filled with contact grease for optimum crimp characteristics
` For pre-rounded sector shaped conductors
Characteristics
▪ Easy to process due to crimp markings
▪ Simple cable entry due to internal chamfer
▪ Simple and safe processing due to butt mark
Material
▪ E-aluminium
Surface
▪ Bright
Technical instructions
▪ Tool: see page 1.83
▪ You will find further information on the cable descriptions in the technical appendix, page i-6
Additional information
▪ re = round single solid wire, rm = round multi-stranded, se = sector shaped single solid wire, sm = sector shaped multi-stranded, sector shaped conductors must be pre-rounded ▪ 16 - 500 mm² IEC-tested
* = not standardised
Electrical connection systems
Aluminium compression cable lugs and connectors to DIN
Compression joints, Al

` For non-tension connections of medium-voltage aluminium cable 10-30 kV
` For non-tension connections of aluminium conductors to EN 60228 and aluminium cables to DIN EN 50182 and pre-rounded sector shaped conductors
` For pre-rounded sector shaped conductors
` Tube dimension to DIN 46267, Part 2
` With code number for clear tool assignment
` Filled with contact grease for optimum crimp characteristics
Characteristics
▪ Also available as barrier design with oil stop
▪ With chamfered edges for reduced wrapping during assembly
▪ Easy to process due to crimp markings
▪ Simple cable entry due to internal chamfer
Material
▪ E-aluminium
Surface
▪ Bright
Technical instructions
▪ Tool: see page 1.83
▪ You will find further information on the cable descriptions in the technical appendix, page i-6
Additional information
▪ re = round single solid wire, rm = round multi-stranded, se = sector shaped single solid wire, sm = sector shaped multi-stranded, sector shaped conductors must be pre-rounded
Reduzier-Pressverbinder - Al
425r25grp
Reduction compression joints, Al, barrier type

` For non-tension connections of aluminium conductors to EN 60228 and aluminium cables to DIN EN 50182
` In nominal cross-section area tube dimension to DIN 46267, part 2
` For pre-rounded sector shaped conductors
` Ideal for connecting differing conductor cross-sections
` Filled with contact grease for optimum crimp characteristics
Characteristics
▪ Barrier design with oil stop
▪ Unique tool assignment due to DIN die coding
▪ Easy to process due to crimp markings
▪ Simple cable entry due to internal chamfer
Material
▪ E-aluminium
Surface
▪ Bright
Technical instructions
▪ Tools: see chart page 1.83
▪ You will find further information on the cable descriptions in the technical appendix, page i-6
Additional information
▪ re = round single solid wire, rm = round multi-stranded, se = sector shaped single solid wire, sm = sector shaped multi-stranded, sector shaped conductors must be pre-rounded
Electrical connection systems
Aluminium compression cable lugs and connectors to DIN
Pressverbinder zugfest - Al
Compression joint to DIN, Al, full tension

` For full tension connections of aluminium cables to DIN EN 50182
` To DIN 48085, Part 2
` With code number for clear tool assignment
` Filled with contact grease for optimum crimp characteristics
Characteristics
▪ Easy to process due to crimp markings
▪ Simple cable entry due to internal chamfer
Material
▪ E-aluminium to 95 mm²
▪ AlMgSi from 120 mm²
Surface
▪ Bright
Technical instructions
▪ Tool: see page 1.83
▪ You will find further information on the cable descriptions in the technical appendix, page i-6
Additional information
▪ * = not standardised
Anwendungstabelle mit Werkzeugempfehlung
Tool application chart
Compression cable lugs and connectors made from E-Al
Compression cable lugs for full-tension connections from Al conductors DIN EN 50182, 16 - 95 mm²
* Not suitable for full-tension connections Tool
Mechanical, electrical, pneumatic crimping tools with interchangeable die / head
hydraulic crimping tools
Aluminium/copper compression cable lugs and connectors
CONNECTED - COMPRESSION
CABLE LUGS MADE FROM ALUMINIUM AND COPPER
Two components reliably connected. Copper and aluminium have different material properties. That’s not always a good thing. Our compression cable lugs and connectors made from aluminium and copper are intricately produced by special processes and join together what belongs together. No matter which material you use: Your contacts are reliable with Klauke.

In brief
` Simple processing based on DIN standards
` Reliable connection of copper and aluminium, even in contact with water
` Special manufacturing methods ensure high quality
` Also suitable for sector shaped conductors and wires
` As good as always
Cable lugs and connectors made from aluminium and copper can be processed in exactly the same way as DIN standard aluminium cable lugs. No special tools are required, you simply use the right Klauke dies. And so the result is as good as always.
` Numerous versions available
The great thing about the broad Klauke range is: You can select the suitable cable lug for your project and optimally process your choice using the Klauke tools. Everything fitting together.
◾ Processing as usual with standard aluminium cable lugs
◾ Different versions available, for instance, as a cable lug with a copper eye or Cupal washers or as a rotational friction welded cable lug

◾ For round and sector shaped conductors to EN 60228 and aluminium wires to DIN 50182
◾ No additional costs for new crimping dies
◾ Reliable connection by preventing contact corrosion

` Well connected in every situation
Reduction compression joints enable aluminium conductors to be integrated into copper-containing systems. They connect the two different materials regardless of the physical cable dimensions.
◾ Suitable for round or sector shaped conductors
◾ Suitable for multi-stranded and single-stranded sector shaped conductors

Electrical connection systems
Presskabelschuhe - AI/Cu
363r8grp
Compression cable lugs, Al/Cu

see next page
` For non-tension connections of aluminium conductors to EN 60228 and aluminium cables to DIN EN 50182
` Tube dimension to DIN 46329
` For pre-tounded sector shaped conductors
` With code number for clear tool assignment
` Filled with contact grease for optimum crimp results
` Friction welding connection to prevent galvanic corrosion
Characteristics
▪ For connecting non-tensioned aluminium conductors to copper connections in humid environments and outdoors
▪ Barrier design with oil stop and solid copper palm
▪ With crimp markings for correct crimp positioning
▪ Internal chamfer for simple cable insertion
Material
▪ E-aluminium
▪ E-Copper
Surface
▪ Bright
Technical instructions
▪ Tool: see page 1.93
▪ You will find further information on the cable descriptions in the technical appendix, page i-6
Additional information
▪ re = round single solid wire, rm = round multi-stranded, se = sector shaped single solid wire, sm = sector shaped multi-stranded, sector shaped conductors must be pre-rounded
Compression cable lugs, Al/Cu
Compression cable lugs, Al/Cu with Cu eye

` For non-tension connections of aluminium conductors to EN 60228 and aluminium cables to DIN EN 50182
` Tube dimension to DIN 46329
` For pre-rounded sector shaped conductors
` Unique tool assignment due to coding
` Filled with contact grease for optimum crimp characteristics
Characteristics
▪ For connecting non-tension aluminium connections using Cu-washers in humid areas
▪ With Cu eyelet in screw-on area
▪ Easy to process due to crimp markings
▪ Simple cable entry due to internal chamfer
Material
▪ E-aluminium
▪ Copper (EN13600)
Surface
▪ Bright
Technical instructions
▪ Tool: see page 1.93
▪ You will find further information on the cable descriptions in the technical appendix, page i-6
Additional information
▪
Electrical connection systems
Aluminium/copper compression cable lugs and connectors
Compression cable lugs, Al/Cu with Cu eye
Compression joints,
Al/Cu

see next page
` For non-tension connections of aluminium conductors to EN 60228 and aluminium cables to DIN EN 50182
` For Cu round conductors, e.g. to EN 60228 Cl. 1, 2, 5 and 6
` For non-tension copper cables, e.g. to DIN 48201-1
` For pre-rounded sector shaped conductors
` Tube dimensions to DIN 46267-1 (copper) and DIN 46329 (aluminum)
` With code number for clear tool assignment
Characteristics
▪ For connecting non-tension aluminium and copper conductors
▪ Easy to process due to crimp markings
▪ Simple cable entry due to internal chamfer
Material
▪ E-aluminium
▪ E-Copper
Surface
▪ Bright
Technical instructions
▪ Sleeves for compacted conductors and sleeves for 3-core and 4-core cables, see chapter „Sleeves for compacted conductors and sector shaped conductors - Cu“
▪ Reduction sleeves for connecting unequal cross-sections can be found on page 1.53
▪ Tool: see page 1.93
▪ You will find further information on the cable descriptions in the technical appendix, page i-6
Additional information
▪ re = round single solid wire, rm = round multi-stranded, se = sector shaped single solid wire, sm = sector shaped multi-stranded, sector shaped conductors must be pre-rounded
Electrical connection systems
Aluminium/copper compression cable lugs and connectors
Compression joints, Al/Cu
Compression joints with Cu bolts, Al

` For non-tension connections of aluminium conductors to EN 60228 and aluminium cables to DIN EN 50182
` For pre-rounded sector shaped conductors
` Tube dimension to DIN 46329
` Unique tool assignment due to coding
Characteristics
▪ For screwing non-tension aluminium conductors into copper terminals
▪ Easy to process due to crimp markings
▪ Simple cable entry due to internal chamfer
Material
▪ E-aluminium
▪ E-Copper
Surface
▪ Bright
Technical instructions
▪ Tool: see page 1.93
▪ You will find further information on the cable descriptions in the technical appendix, page i-6
Additional information
▪ re = round single solid wire, rm = round multi-stranded, se = sector shaped single solid wire, sm = sector shaped multi-stranded, sector shaped conductors must be pre-rounded
Electrical connection systems

Characteristics
▪ Washer to prevent galvanic corrosion when connecting aluminium and copper
▪ For connecting copper conductors to aluminium in dry environments
▪ For connecting aluminium conductors to copper in dry environments
▪ Can also be used for connecting tinned aluminium cable lugs in humid environments
Material
▪ E-Al, one side copper plated
^WZT_PV_AlCu^ Anwendungstabelle mit Werkzeugempfehlung
Tool application chart
Compression cable lugs and connectors made from Al/Cu The tools of the copper side of our Al/Cu compression joints you will find in the tool application chart of copper compression cable lugs and connectors acc. to DIN
mechanical, electrical, pneumatic crimping tools with interchangeable die / head
hydraulic crimping tools
UNCOMPLICATEDCLAMPS AND SCREW CONNECTORS
Simple connecting of dissimilar materials and cross-sections. Made possible by Klauke clamps and screw connectors: They suit all standard sizes and materials. In compliance with the specified safety measures, compact tab connectors, for instance, can be installed even when live. All very straightforward.

` H clamps to DIN EN 50164-1 short-circuit current tested
` Also available in a barrier version for Al/Cu connections
In brief
` Simple branching without having to cut the main conductor with Klauke H and C clamps
` Continuously connected
Save yourself the trouble, the conductor does not need to be cut. Various nominal cross-sections can be clamped with multi-purpose clamps.
◾ Flexible due to the large cross-sectional range, C-clamps from 2.5 mm2 to 185 mm2 nominal cross-sections, H-clamps from 70 mm2 nominal cross-section
◾ Efficient connections, without having to cut the main conductor.
◾ Straightforward connection of various cross-sections.

` Clamps for continuous supply
We don’t abandon your supply. With Klauke clamps, your operation can continue without outage, you carry out the installation even while live. No standstill, the operation continues.
◾ Especially suitable for the energy supply industry
◾ Can be installed while live
◾ Main conductor remains intact
◾ Different versions available for 3 and 4 core cables

` Screwing instead of crimping
Connect the conductors using screws. Why? Because no special tools are needed. Screws are available for every application. To make sure they last, all our screw connectors are produced from high-quality materials. Simply an efficient solution!
◾ Connections from 2.5 mm2 to 185 mm2 nominal crosssection
◾ No special tool required
◾ The right screw solution to suit a host of requirements
◾ For aluminium and copper conductors
◾ For round and sector shaped conductors
◾ For conductors and wires

Electrical connection systems
Punched cable lugs, Cu

` For connecting of round conductors to EN 60228 Cl. 1 and 2, for example in lightning protection areas
Characteristics
▪ Also for outdoor assembly
▪ Available with 2 or 4 screws
Material
▪ Copper (ETP)
▪ Screws: DIN 84 / DIN 933 bronze, F 60
Surface
▪ Tin-plated to protect against corrosion
Technical instructions
▪ Possible as a special bright version on request. Part Number appendix „BK“
Schraubhülsen mit Lötloch - CuZn
Tubular soldering sleeves, CuZn

` For round conductors, e.g. to EN 60228 Cl. 1, 2, 5 and 6
` Processed without using a crimping tool
Characteristics
▪ Simple processing due to fixed screws and solder hole
Material
▪ CuZn 40 Pb 2
▪ Screws: Steel to DIN 551
Surface
▪ Tin-plated to protect against corrosion
Technical instructions
▪ A connection needs to be soldered
Parallel groove clamps, Cu, 2 screws
551rgrp SAK_GRP02

` For screwing conductorsacc. to EN 60228 Cl. 1 and 2
` For non-tension copper cables acc. to DIN 48201 part 1
Characteristics
▪ Also for outdoor assembly
▪ Version with 2 screws
Material
▪ Copper (ETP)
▪ Screws: V2A
Surface
▪ Bright
Technical instructions
▪ When connecting cross sections 95, 120 and 150 mm² two power branch clamps are to be used due to the current carrying capacity.
Electrical connection systems
Clamps and screw connectors
Abzweigklemmen in C- und H-Form - Cu
ck16grp
Branch clamps in C-type, Cu

` For non-tension copper cables, e.g. to DIN 48201-1
` Ideal for clamping identical conductor cross-sections e.g. to VDE 60228 Cl. 1 and 2
` No need to cut the main conductor
Material
▪ Copper (ETP)
Surface
▪ Tin-plated to protect against corrosion
Technical instructions
▪ Optimum conducting characteristics in combination with compound
▪ Tool: see page 1.106
▪ You will find further information on the cable descriptions in the technical appendix, page i-6
Additional information
▪ Part Number appendix for bright version „BK“
▪ rm = round multi-stranded; re = round single solid
▪ * = Also suitable for 25 mm² round solid
mck44grp
Branch clamps in C-type, Cu, multi-purpose clamps

` For non-tension copper cables, e.g. to DIN 48201-1
` Ideal for clamping non-identical conductor cross-sections e.g. to VDE 60228 Cl. 1 and 2
` No need to cut the main conductor
` Optimum conducting characteristics in combination with compound
Material
▪ Copper (ETP)
Surface
▪ Tin-plated to protect against corrosion
Technical instructions
▪ Tool: see page 1.106
▪ You will find further information on the cable descriptions in the technical appendix, page i-6
Additional information
▪ Part Number appendix for bright version „BK“
▪ rm = round multi-stranded; re = round single solid
Branch clamps in C-type, Cu, multi-purpose clamps
ah7070grp kf125grp
Branch clamps in H-type, Cu

` For non-tension copper cables, e.g. to DIN 48201-1
` Ideal for clamping identical conductor cross-sect. e.g. to EN 60228 Cl. 1 and 2
` Lightning protection tested to EN 50164-1
` No need to cut the main conductor
Characteristics
▪ H-shape allows simple processing
▪ Optimum conducting characteristics when used with compound
Material
▪ Copper (ETP)
Surface
▪ Tin-plated to protect against corrosion
Technical instructions
▪ Tool: see page 1.107
▪ You will find further information on the cable descriptions in the technical appendix, page i-6
Additional information
▪ Part Number appendix for bright version „BK“
▪ * = To EN 50164-1 lightning current tested
Compound for branch clamps

` Optimum conductivity properties for processing aluminium cable lugs and connectors and branch clamps (C and H-type)
Characteristics
▪ Water-resistant, with corundum for destroying the oxidation layer
▪ Content/tin: 0.125 kg
Electrical connection systems
Clamps and screw connectors
Schraubverbinder für Cu-Schirmdrähte
sv100grp
Screw connectors for shielded copper wires

Schraubverbinder für Straßenbeleuchtung - CuZn
sv200grp
Screw connectors for street lighting

threaded pin, tin-plated
threaded pin, bright finished
For connecting different conductor types and materials, e.g. to EN 60228 Class 1 and 2 (tinned version)
` Suitable cross-section range, for example shielded copper wires
` Ideal for connecting various conductor types and materials, e.g. to EN 60228 Cl. 1 and 2
` Ideal for connecting identical and different conductor cross-sections
` Suitable cross-section range for example shielded copper wires
Characteristics
▪ Special groove profile inside to destroy the oxidation layer when crimping
▪ With inspection hole for monitoring full cable insertion
Material
▪ Insulated body: brass (CuZn)
▪ Screws: stainless steel, tin-plated
Surface
▪ Tin-plated to protect against corrosion
Technical instructions
▪ Refer to the installation instructions in the technical appendix on page i-8
Additional information
▪ rm = round multi-stranded; re = round single solid
` For connecting different conductor types and materials, e.g. to EN 60228 Class 1 and 2 (tinned version)
` Ideal for connecting identical and different conductor cross-sections
` Suitable cross-section range for street lighting
Characteristics
▪ Special groove profile inside to destroy the oxidation layer when crimping
▪ With inspection hole for monitoring full cable insertion
Material
▪ Insulated body: brass (CuZn)
▪ Screws: stainless steel, tin-plated
Surface
▪ Either bright or tin-plated
Technical instructions
▪ Refer to the installation instructions in the technical appendix on page i-8
Additional information
▪ rm = round multi-stranded; re = round single solid
Schraubverbinder, hochfeste AI-Legierung
SV303_GRP01
Screw connector with 2 screws

` For connecting various conductor types and materials, e.g. to EN 60228 Cl. 1 and 2 (tinned version)
` Ideal for connecting identical and different conductor cross-sections
` Reliable processing due to cable insertion control (dissimilar materials must not come into contact)
Characteristics
▪ Special groove profile inside to destroy the oxidation layer when crimping
▪ Either with threaded pin or shear head, shear head partly fixed
▪ Version with 2 screws
Material
▪ Insulated body: high-tensile aluminium alloy
▪ Screws: copper alloy, tin-plated
Surface
▪ Either bright or tin-plated
Technical instructions
▪ Refer to the installation instructions in the technical appendix on page i-8
Additional information
▪ * = fixed version, Part Number appendix „NL“
▪ **= version with fixed countersink shear head, Part Number appendix „VK“
▪ re = round single solid wire, rm = round multi-stranded, se = sector shaped single solid wire, sm = sector shaped multi-stranded, (r) = pre-rounded, (v) = compacted
Electrical connection systems
Clamps and screw connectors
Screw connector with barrier

` For connecting various conductor types and materials, e.g. to EN 60228 Cl. 1 and 2 (tinned version)
` Ideal for connecting identical and different conductor cross-sections
Characteristics
▪ Special groove profile inside to destroy the oxidation layer when crimping
▪ Either with threaded pin or shear head, shear head partly fixed
▪ Version with 2 screws and barrier
Material
▪ Insulated body: high-tensile aluminium alloy
▪ Screws: copper alloy, tin-plated
Surface
▪ Either bright or tin-plated
Technical instructions
▪ Refer to the installation instructions in the technical appendix on page i-8
Additional information
▪ re = round single solid wire, rm = round multi-stranded, se = sector shaped single solid wire, sm = sector shaped multi-stranded, (r) = pre-rounded, (v) = compacted
With threaded pin, bright finished
With threaded pin, tin-plated
With shear head, tin-plated
Screw connector with 4 screws

` For connecting various conductor types and materials, e.g. to EN 60228 Cl. 1 and 2 (tinned version)
` Ideal for connecting identical and different conductor cross-sections
` Reliable processing due to cable insertion control (dissimilar materials must not come into contact)
Characteristics
▪ Special groove profile inside to destroy the oxidation layer when crimping
▪ Available with threaded pin or shear head
▪ Version with 4 screws
Material
▪ Insulated body: high-tensile aluminium alloy
▪ Screws: copper alloy, tin-plated
Surface
▪ Either bright or tin-plated
Technical instructions
▪ Refer to the installation instructions in the technical appendix on page i-8
Additional information
▪ re = round single solid wire, rm = round multi-stranded, se = sector shaped single solid wire, sm = sector shaped multi-stranded
threaded pin, bright finished
With threaded pin, tin-plated
shear head, bright finished
Electrical connection systems
Clamps and screw connectors
Screw connector with barrier

` For connecting various conductor types and materials, e.g. to EN 60228 Cl. 1 and 2 (tinned version)
` Ideal for connecting identical and different conductor cross-sections
Characteristics
▪ Special groove profile inside to destroy the oxidation layer when crimping
▪ Insulated body
▪ Either with threaded pin or shear head, shear head partly fixed
▪ Version with 2 screws and barrier
Material
▪ Insulated body: high-tensile aluminium alloy
▪ Screws: copper alloy, tin-plated
Surface
▪ Either bright or tin-plated
Technical instructions
▪ Refer to the installation instructions in the technical appendix on page i-8
Additional information
▪ re = round single solid wire, rm = round multi-stranded, se = sector shaped single solid wire, sm = sector shaped multi-stranded, (r) = pre-rounded, (v) = compacted
With threaded pin, bright
With shear head, bright
Insulated screw connector

` For connecting various conductor types and materials, e.g. to EN 60228 Cl. 1 and 2 (tinned version)
` Ideal for connecting identical and different conductor cross-sections
` Reliable processing due to cable insertion control (dissimilar materials must not come into contact)
Characteristics
▪ Special groove profile inside to destroy the oxidation layer when crimping
▪ Insulated body
▪ Version with 2 screws, without barrier
▪ Available with threaded pin or shear head
Material
▪ Insulated body: high-tensile aluminium alloy
▪ Screws: copper alloy, tin-plated
Surface
▪ Either bright or tin-plated
Technical instructions
▪ Refer to the installation instructions in the technical appendix on page i-8
Additional information
▪ re = round single solid wire, rm = round multi-stranded, se = sector shaped single solid wire, sm = sector shaped multi-stranded
With threaded pin, bright finished
Compact tap connectors, four conductor cables, for main conductor 25 - 50 mm²


` Suitable for main and branch conductors made from Al and Cu
` No need to cut the main conductor
` For use e.g. with energy suppliers
Characteristics
▪ VDE: can be installed under voltage with corresponding fully insulated assembly tools
Technical instructions
▪ A mounting instruction is included with every clamp
Additional information
▪ re = round single solid wire, rm = round multi-stranded, se = sector shaped single solid wire, sm = sector shaped multi-stranded
▪ Creepage and elongation processes are compensated for by spring washers
▪ Sequence of contacting can be freely determined
Electrical connection systems
Clamps and screw connectors
Anwendungstabelle mit Werkzeugempfehlung Tool application chart
^WZT_Abzweig_C^
Mechanical, electrical, pneumatic crimping tools with interchangeable die / head
crimping tools
powered crimping tools
crimping systems
^WZT_Abzweig_H^ Tool application chart
H-Clamps
Mechanical, electrical, pneumatic crimping tools with interchangeable die / head
Hand hydraulic crimping tools
PROTECTION - CABLE END-
SLEEVES, INSULATED AND NON-INSULATED
Klauke joins together what belongs together. Cable end-sleeves prevent the conductors splicing before they are connected in clamps. All wires remain together. Easy-Entry insulation speeds up the insertion of wires into the sleeve. Fine-stranded conductors in particular benefit from a special trapezoidal crimp. No splicing, no time wasted. Your conductors are protected and can be cleanly processed

In Kürze
In brief
` Schutz vor aufspleißenden Leitern
` Stops conductors splicing
` bessere Kontaktierung
` Improved contact
` keine Kurzschlussgefahr durch abgebogene Adern
` No risk of short-circuit due to bent strands
` gefertigt aus hochwertigem Kupfer
` Produced from high-quality copper
` Oberflächenbehandlung mit Zinn oder in Sonderformen mit Silber
Surface treatment with tin or in special versions with silver
` Simple diversity
We have to admit: Cable end-sleeves are a simple product. Due to the differing crimp shapes in the range and the high-quality materials used in production, the sleeves are just incredibly good.
◾ Broad range: To DIN standards, for short circuit-resistant conductors, in various lengths, with and without insulating collars
` Always the right crimp shape
We give every cable end-sleeve its perfect crimp shape. No matter where the conductor is to be laid later, we have a solution for you.
◾ The correct crimp shape for every connecting terminal
◾ Crimp shapes matched to the DIN dimensions
◾ For compacted conductors
◾ Connect without risk of short-circuit

◾ Marked to DIN colour code
◾ Twin cable end-sleeves for connecting in confined areas
◾ High-quality material for optimum conducting properties
◾ CSA-approved

` Easy-Entry insulation
The special Easy-Entry insulation makes it easier to insert the conductor into the sleeves. In addition, the insulation is highly-resistant, to temperatures of up to 105 °C for example.
◾ Easy-Entry insulation for convenient insertion of the conductor
◾ Temperature-resistant to 105 °C
◾ No toxic vapours in case of fire
◾ Ageing-resistant plastic collars
The easy-entry insulation enables fast insertion of conductors with no splicing.

Electrical connection systems
Cable end-sleeves
Aderendhülsen DIN 46228, Teil 1 und Teil 2
695vgrp
Cable end-sleeves to DIN, Cu

` For fine and superfine stranded conductors, e.g. to EN 60228 Cl. 5 and 6
` Optimal cable entry due to widened sleeve
Characteristics
▪ To DIN 46228, part 1 and similar
Material
▪ Copper
Surface
▪ Tin-plated to protect against corrosion
Technical instructions
▪ Tool: see page 1.122
▪ You will find further information on the cable descriptions in the technical appendix, page i-6
Additional information
▪ Silvered version also available, without Part Number appendix “V“, exception: Part Number 705V in silvered version = Part No. 7050
▪ * = not standardised
Cable end-sleeves to DIN, Cu
See next page
Electrical connection systems
Cable end-sleeves to DIN, Cu
Aderendhülsen DIN 46228, Teil 4 und ähnliche Ausführungen
Insulated cable end-sleeves to DIN, with Easy-Entry

` For fine and superfine stranded conductors, e.g. to EN 60228 Cl. 5 and 6
` Easy-Entry insulation for splice-free cable insertion
` Halogen-free
Characteristics
▪ Colour-coding and tube dimension to DIN 46228, part 4
▪ Heat resistant to 105 °C
Material
▪ Cu-DHP
▪ Synthetic material: polypropylene
Surface
▪ Tin-plated to protect against corrosion
Technical instructions
▪ Tool: see page 1.122
▪ You will find further information on the cable descriptions in the technical appendix, page i-6
Additional information
▪ * = not standardised
▪ *** = quantities in one bag
Electrical connection systems
Cable end-sleeves
Insulated cable end-sleeves to DIN, with Easy-Entry
166grgrp
Insulated cable end-sleeves to DIN with Easy-Entry, colour code 1

` For fine and superfine stranded conductors, e.g. to EN 60228 Cl. 5 and 6
` Easy-Entry insulation for splice-free cable insertion
` Halogen-free
Characteristics
▪ To DIN 46228, part 4, (0.5 - 50 mm²)
▪ Heat resistant to 105 °C
Material
▪ Cu-DHP
▪ Synthetic material: polypropylene
Surface
▪ Tin-plated to protect against corrosion
Technical instructions
▪ Tool: see page 1.122
▪ You will find further information on the cable descriptions in the technical appendix, page i-6
Additional information
▪ * = not standardised
▪ ** = quantities in one bag
Insulated
cable end-sleeves to DIN with Easy-Entry, colour code 1
Insulated cable end-sleeves to DIN with Easy-Entry, colour code 2

` Für fein- und feinstdrähtige Leiter z.B. nach EN 60228 Klasse 5 und 6
` Easy-Entry Isolierung für spleissfreie Kabeleinführung ` Halogenfrei
For fine and superfine stranded conductors, e.g. to EN 60228 Cl. 5 and 6 insulation for splice-free cable insertion Halogen-free
Characteristics
▪ To DIN 46228, part 4, (0.5 - 25 mm²)
▪ Heat resistant to 105 °C
Material
▪ Cu-DHP
▪ Synthetic material: polypropylene
Surface
▪ Tin-plated to protect against corrosion
Technical instructions
▪ Tool: see page 1.122
▪ You will find further information on the cable descriptions in the technical appendix, page i-6
Additional information
▪ * = not standardised
▪ ** = quantities in one bag
Insulated cable end-sleeves to DIN with Easy-Entry, colour code 2

Insulated cable end-sleeves with lug
` For fine and superfine stranded conductors, e.g. to EN 60228 Cl. 5 and 6
` With identification system for max. 6 identification rings
` Halogen-free
Characteristics
▪ Dimensions to DIN 46228, part 4
▪ Heat resistant to 105 °C
Material
▪ Copper (EN13600)
▪ Synthetic material: polypropylene
Surface
▪ Tin-plated to protect against corrosion
Technical instructions
▪ Tool: see page 1.122
▪ You will find further information on the cable descriptions in the technical appendix, page i-6
Electrical connection systems
Cable end-sleeves
3800_GRP01

Designation ring and insert fork
` For identifying the insulated cable end-sleeves with lugs
Characteristics
▪ Differing numbers / letters in the designation rings
▪ Packaging unit in booklet format, 200 of each symbol
▪ Insert fork A300 for inserting in the designation ring on the insulated cable endsleeves with tabs
Additional information
▪ * = without letters “I“, “O“ and “Y“
Isolierte Aderendhülsen für kurzschlusssichere Leitungen
4328grp
Insulated cable end-sleeves for short circuit resistant conductors

` For fine and superfine stranded conductors, e.g. to EN 60228 Cl. 5 and 6
` For short circuit resistant conductors (e.g. NSGAFÖU)
` Halogen-free
Characteristics
▪ Heat resistant to 105 °C
▪ Easy-Entry insulation for simple cable insertion
▪ Colour-coded cross-section assignment
Material
▪ Copper (EN13600)
▪ Synthetic material: polypropylene
Surface
▪ Tin-plated to protect against corrosion
Technical instructions
▪ Tool: see page 1.122
▪ You will find further information on the cable descriptions in the technical appendix, page i-6
8678grp Isolierte Zwillings-Aderendhülsen Insulated twin cable end-sleeves

` For fine and superfine stranded conductors, e.g. to EN 60228 Cl. 5 and 6
` For looping of clamps
` Colour-coding following DIN 46228 part 4 (0.5 - 16 mm²)
` Halogen-free
Characteristics
▪ Heat resistant to 105 °C
Material
▪ Copper (EN13600)
▪ Synthetic material: polypropylene
Surface
▪ Tin-plated to protect against corrosion
Technical instructions
▪ Tool: see page 1.123
▪ You will find further information on the cable descriptions in the technical appendix, page i-6
2
2 x 2.5
2 x 16
Cable end-sleeves
Insulated cable end-sleeves, strip form
st9698grp Isolierte Aderendhülsen, Streifen- und Bandform

` For fine and superfine stranded conductors, e.g. to EN 60228 Cl. 5 and 6
` Crimped cable end-sleeves for simple mounting to cable clamps
` Halogen-free
Characteristics
▪ Colour-coding and tube dimension to DIN 46228, part 4
▪ Heat resistant to 105 °C
▪ 50 pcs. cable end-sleeves per strip
Material
▪ Copper (EN13600)
▪ Synthetic material: polypropylene
Surface
▪ Tin-plated to protect against corrosion
Insulated cable end-sleeves, large coil

` For fine and superfine stranded conductors, e.g. to EN 60228 Cl. 5 and 6
` Easy-Entry insulation for splice-free cable insertion
` Automatic processing due to coil shape
` Halogen-free
Characteristics
▪ Colour-coding and tube dimension to DIN 46228, part 4
▪ Heat resistant to 105 °C
Material
▪ Copper (EN13600)
▪ Synthetic material: polypropylene Surface
▪ Tin-plated to protect against corrosion
Electrical connection systems
Cable end-sleeves
^WZT_AE_DIN46228_1^ Anwendungstabelle mit Werkzeugempfehlung
Tool application chart
Cable end-sleeves to DIN 46228, part 1 and DIN 46228, part 4 Insulated cable end-sleeves for short circuit resistant conductors
Part 1 of 2
crimping tools
Mechanical, electrical, pneumatic crimping tools with interchangeable die / head
0,14 ‑ 2,5 K48 2.7 0,5 ‑ 2,5 K4
‑ 16 K3
‑ 95 K05WF95
0,5 ‑ 6 K507 2.22 0,5 ‑ 50 K507WF 2.22 K50 2.23 2.81 EKWF50ML 6.5 2.81
Anwendungstabelle mit Werkzeugempfehlung
^WZT_AE_DIN46228_1^
Tool application chart
Cable end-sleeves to DIN 46228, part 1 and DIN 46228, part 4 Insulated cable end-sleeves for short circuit resistant conductors
Part 2 of 2
^WZT_ZAE_isoliert^
Tool application chart
Insulated twin cable end-sleeves
PRECISIONCABLE CONNECTIONS, INSULATED
AND NON-INSULATED
Electrical power is the product of voltage and current strength. An optimum connection guarantees to transfer this power without thermal losses. This requires materials, design and tool to be correctly processed and matched to one another. If you want optimum power at all times, you can rely on Klauke’s best work.

In brief
` High requirements in detail
` Solutions available for small cross-sections
` Broad range of versions
` Optimum connection without thermal loss
` Grooved profile for improved conductor hold
` Easy insulation
All insulation is produced in the Easy-Entry version, for simple cable insertion without splicing. For small ranges with big effect.
◾ Cable connections with nominal cross-sections from 0.1 mm2 to 6 mm2
◾ Resistant to temperatures of up to 105 °C
` More hold with grooved profile
The detail is key. Not only are there numerous models of Klauke tabs and receptacles, they are also equipped with special features. No matter whether as a standardised connector or with grooved profile for improved contactingKlauke will always provide the right feature for your requirements.
◾ Broad range of models
◾ All-purpose
◾ Also as standardised connectors with various tab widths
◾ Available with strain relief
◾ Fully-insulated receptacles
◾ Grooved profile and additional copper ring in the insulation area for higher stresses
◾ Flame retardant polyamide insulation: No toxic vapours in case of fire
◾ Halogen-free
◾ Insensitive to corrosion due to tinning ander the insulation
◾ Simple processing thanks to Easy-Entry
◾ Grooved profile on the inside for improved contacting


` Quality in detail
In a machine, everything has to pull together. For the machine to run, every component has to function. Even when it comes to small parts, better to go for high quality products with a high capacity, for our receptacles with snap-in point for example. The snap-in point guarantees a reliable connection even after repeated insertions.
◾ High conductivity and reliable insulation thanks to high-quality materials
◾ Improved spring properties by the use of bronze
Cable connections, insulated and non insulated
Insulated solderless terminals

` For fine and superfine stranded conductors, e.g. to EN 60228 Cl. 5 and 6 ` To DIN 46237
` High-quality brazing process in the crimp area
` Insulation sleeve halogen-free
Characteristics
▪ Heat resistant to 105 °C
▪ Easy-Entry insulation for simple cable insertion
▪ Cross-section-dependent colour-coding Material
▪ Copper (ETP)
▪ Insulation sleeve: PA
Surface
▪ Tin-plated to protect against corrosion
Technical instructions
▪ Tool: see page 1.142
▪ You will find further information on the cable descriptions in the technical appendix, page i-6
Additional information
▪ * = not standardised
▪ 0.1 - 0.4 mm² not CSA-tested
Insulated solderless terminals, fork type

` For fine and superfine stranded conductors, e.g. to EN 60228 Cl. 5 and 6
` Dimensions in the crimp area to DIN 46237
` High-quality brazing process in the crimp area
` Simple fork-type mounting
` Insulation sleeve halogen-free
Characteristics
▪ Heat resistant to 105 °C
▪ Easy-Entry insulation for simple cable insertion
▪ Cross-section-dependent colour-coding
Material
▪ Copper (ETP)
▪ Insulation sleeve: PA
Surface
▪ Tin-plated to protect against corrosion
Technical instructions
▪ Tool: see page 1.142
▪ You will find further information on the cable descriptions in the technical appendix, page i-6
Additional information
▪ 0.1 - 0.4 mm² not CSA-tested
▪ * = not standardised
Electrical connection systems
Cable connections, insulated and non insulated
Insulated pin terminals
704grp

` For fine and superfine stranded conductors, e.g. to EN 60228 Cl. 5 and 6
` To DIN 46231
` High-quality brazing process in the crimp area
` Insulation sleeve halogen-free
Characteristics
▪ Cross-section-dependent colour-coding
▪ Heat resistant to 105 °C
▪ Easy-Entry insulation for simple cable insertion
Material
▪ Copper (ETP)
▪ Insulation sleeve: PA
Surface
▪ Tin-plated to protect against corrosion
Technical instructions
▪ Tool: see page 1.142
▪ You will find further information on the cable descriptions in the technical appendix, page i-6
Additional information
▪ 0.1 - 0.4 mm² not CSA-tested
▪ * = not standardised
Insulated pin receptacles


` For fine and superfine stranded conductors, e.g. to EN 60228 Cl. 5 and 6
` High quality bronze material provides optimum spring characteristic and improved contact strength
Characteristics
▪ Cross-section-dependent colour-coding
▪ Heat resistant to 70 °C
Material
▪ Bronze (CuSnZn)
▪ Insulation sleeve: PVC
Surface
▪ Tin-plated to protect against corrosion
Technical instructions
▪ Tool: see page 1.142
▪ You will find further information on the cable descriptions in the technical appendix, page i-6
Additional information
▪ 1.5 - 2.5 mm² and 4 - 6 mm² not CSA-tested
Insulated pin receptacles


` For fine and superfine stranded conductors, e.g. to EN 60228 Cl. 5 and 6
Characteristics
▪ Cross-section-dependent colour-coding
▪ Heat resistant to 70 °C
Material
▪ Brass (CuZn)
▪ Insulation sleeve: PVC
Surface
▪ Tin-plated to protect against corrosion
Technical instructions
▪ Tool: see page 1.142
▪ You will find further information on the cable descriptions in the technical appendix, page i-6
Additional information
▪ 1.5 - 2.5 mm² and 4 - 6 mm² not CSA-tested
Electrical connection systems
Cable connections, insulated and non insulated
Insulated pin receptacles, fully insulated

` For fine and superfine stranded conductors, e.g. to EN 60228 Cl. 5 and 6
` High quality bronze material provides optimum spring characteristic and improved contact strength
` Fast processing as no additional insulation of the crimped connection is required
` Insulation sleeve halogen-free
Characteristics
▪ Cross-section-dependent colour-coding
▪ Heat resistant to 105 °C
Material
▪ Bronze (CuSnZn)
▪ Insulation sleeve: PA
Surface
▪ Tin-plated to protect against corrosion
Technical instructions
▪ Tool: see page 1.142
▪ You will find further information on the cable descriptions in the technical appendix, page i-6
Additional information
▪ 4 - 6 mm² not CSA-tested
Insulated pin receptacles, fully insulated

` For fine and superfine stranded conductors, e.g. to EN 60228 Cl. 5 and 6
` High quality bronze material provides optimum spring characteristic and improved contact strength
` Fast processing as no additional insulation of the crimped connection is required
` Insulation sleeve halogen-free
Characteristics
▪ Cross-section-dependent colour-coding
▪ Heat resistant to 105 °C
Material
▪ Bronze (CuSnZn)
▪ Insulation sleeve: PA
Surface
▪ Tin-plated to protect against corrosion
Technical instructions
▪ Tool: see page 1.142
▪ You will find further information on the cable descriptions in the technical appendix, page i-6
Additional information
▪ 1.5 - 2.5 mm² and 4 - 6 mm² not CSA-tested
Insulated receptacles, tinned brass


` For fine and superfine stranded conductors, e.g. to EN 60228 Cl. 5 and 6
Characteristics
▪ To DIN 46245, part 1 – 3 and similar versions
▪ Cross-section-dependent colour-coding
▪ Temperature resistance: PVC to 70 °C, PA to 105 °C
Material
▪ Brass (CuZn)
▪ Insulation sleeve: PVC/PA
Surface
▪ Tin-plated to protect against corrosion
Technical instructions
▪ Tool: see page 1.142
▪ You will find further information on the cable descriptions in the technical appendix, page i-6
Electrical connection systems
Cable connections, insulated and non insulated
Insulated receptacles, tinned bronze
720bzgrp


Insulated receptacles, multiple type


` For fine and superfine stranded conductors, e.g. to EN 60228 Cl. 5 and 6
` High quality bronze material provides optimum spring characteristic and improved contact strength
Characteristics
▪ To DIN 46245, part 3
▪ Cross-section-dependent colour-coding
▪ Heat resistant to 70 °C
Material
▪ Bronze (CuSnZn)
▪ Insulation sleeve: PVC
Surface
▪ Tin-plated to protect against corrosion
Technical instructions
▪ Tool: see page 1.142
▪ You will find further information on the
descriptions in the
appendix, page i-6
` For fine and superfine stranded conductors, e.g. to EN 60228 Cl. 5 and 6
Characteristics
▪ Cross-section-dependent colour-coding
▪ Heat resistant to 70 °C
Material
▪ Brass (CuZn)
▪ Insulation sleeve: PVC
Surface
▪ Tin-plated to protect against corrosion
Technical instructions
▪ Tool: see page 1.142
▪ You will find further information on the cable descriptions in the technical appendix, page i-6
Insulated receptacles, fully insulated


` For fine and superfine stranded conductors, e.g. to EN 60228 Cl. 5 and 6
` Fast processing as no additional insulation of the crimped connection is required
Characteristics
▪ Cross-section-dependent colour-coding
▪ Temperature resistance: PVC to 70 °C, PA to 105 °C
Material
▪ Brass (CuZn)
▪ Insulation sleeve: PVC/PA
Surface
▪ Tin-plated to protect against corrosion
Technical instructions
▪ Tool: see page 1.142
▪ You will find further information on the cable descriptions in the technical appendix, page i-6
Electrical connection systems
Cable connections, insulated and non insulated
Insulated tabs


Insulated end-splices


` For fine and superfine stranded conductors, e.g. to EN 60228 Cl. 5 and 6
Characteristics
▪ Cross-section-dependent colour-coding
▪ Temperature resistance: PVC to 70 °C, PA to 105 °C
Material
▪ Brass (CuZn)
▪ Insulation sleeve: PVC/PA
Surface
▪ Tin-plated to protect against corrosion
Technical instructions
▪ Tool: see page 1.142
▪ You will find further information on the cable descriptions in the
page i-6
` For fine and superfine stranded conductors, e.g. to EN 60228 Cl. 5 and 6
` Safe sealing of open conductors
` Insulation sleeve halogen-free
Characteristics
▪ Cross-section-dependent colour-coding
▪ Heat resistant to 105 °C
Material
▪ Copper (ETP)
▪ Insulation sleeve: PA
Surface
▪ Tin-plated to protect against corrosion
Technical instructions
▪ Tool: see page 1.142
▪ You will find further information on the cable descriptions in the technical appendix, page i-6
Insulated butt connectors


` For fine and superfine stranded conductors, e.g. to EN 60228 Cl. 5 and 6
` Simple and safe connecting owed to butt mark
` Fast processing as no additional insulation of the crimped connection is required
` Insulation sleeve halogen-free
Characteristics
▪ Cross-section-dependent colour-coding
▪ Heat resistant to 105 °C
Material
▪ Copper (ETP)
▪ Insulation sleeve: PA
Surface
▪ Tin-plated to protect against corrosion
Technical instructions
▪ Tool: see page 1.142
▪ You will find further information on the cable descriptions in the technical appendix, page i-6
Additional information
▪ 0.1 - 0.4 mm² not CSA-tested
Insulated butt connectors with heat shrink insulation
670wsgrp


` For fine and superfine stranded conductors, e.g. to EN 60228 Cl. 5 and 6
` Simple and safe processing due to butt mark
` Fast processing as no additional insulation of the crimped connection is required
` Insulation sleeve halogen-free
Characteristics
▪ Cross-section-dependent colour-coding
▪ Special crimping tool required
▪ Heat resistant to 105 °C
Material
▪ Copper (ETP)
▪ Insulation sleeve: PE
Surface
▪ Tin-plated to protect against corrosion
Technical instructions
▪ Tool: see page 1.142
▪ You will find further information on the cable descriptions in the technical appendix, page i-6
Electrical connection systems
Cable connections, insulated and non insulated
Insulated parallel connectors
769grp


` For fine and superfine stranded conductors, e.g. to EN 60228 Cl. 5 and 6
` Fast processing as no additional insulation of the crimped connection is requiredInsulation sleeve halogen-free
` Insulation sleeve halogen-free
Characteristics
▪ Cross-section-dependent colour-coding
▪ Heat resistant to 105 °C
Material
▪ Copper (ETP)
▪ Insulation sleeve: PA
Surface
▪ Tin-plated to protect against corrosion
Technical instructions
▪ Tool: see page 1.142
▪ You will find further information on the cable descriptions in the technical appendix, page i-6
Additional information
▪ 0.1 - 0.4 mm² not CSA-tested
Nicht-isolierte Flachsteckverbindungen
18251grp
Non-insulated receptacles


` For fine and superfine stranded conductors, e.g. to EN 60228 Cl. 5 and 6
Characteristics
▪ To DIN 46247, part 1 – 3 and similar versions
▪ Improved contact properties due to grooved profile
Material
▪ Brass (CuZn)
Surface
▪ Tin-plated to protect against corrosion
Technical instructions
▪ Tool: see page 1.143
▪ You will find further information on the cable descriptions in the technical appendix, page i-6
Additional information
▪ * = nickel-plated steel version also available, Part Number appendix “ST“
Non-insulated receptacles, multiple type
18203azgrp


` For fine and superfine stranded conductors, e.g. to EN 60228 Cl. 5 and 6
Characteristics
▪ To DIN 46247, part 1 – 3 and similar versions
▪ Improved contact properties due to grooved profile
Material
▪ Brass (CuZn)
Surface
▪ Tin-plated to protect against corrosion
Technical instructions
▪ Tool: see page 1.143
▪ You will find further information on the cable descriptions in the technical appendix, page i-6
Additional information
▪ * = corresponds to DIN 46345
Electrical connection systems
Cable connections, insulated and non insulated
Non-insulated receptacles with locking latch


` For fine and superfine stranded conductors, e.g. to EN 60228 Cl. 5 and 6
Characteristics
▪ To DIN 46340, sheet 3
▪ With latch to engage in housing
▪ Improved contact properties due to grooved profile
Material
▪ Brass (CuZn)
Surface
▪ Tin-plated to protect against corrosion
Technical instructions
▪ Tool: see page 1.143
▪ You will find further information on the
in the
page i-6
Non-insulated receptacles with lateral conductor connector


` For fine and superfine stranded conductors, e.g. to EN 60228 Cl. 5 and 6
` Improved contact properties due to grooved profile
Material
▪ Brass (CuZn)
Surface
▪ Tin-plated to protect against corrosion
Technical instructions
▪ Tool: see page 1.143
▪ You will find further information on the cable descriptions in the technical appendix, page i-6
Non-insulated tabs


` For fine and superfine stranded conductors, e.g. to EN 60228 Cl. 5 and 6 ` Improved contact properties due to grooved profile
Material
▪ Brass (CuZn)
Surface
▪ Tin-plated to protect against corrosion
Technical instructions
▪ Tool: see page 1.143
▪ You will find further information on the cable descriptions in the technical appendix, page i-6
Additional information
▪ * = dimensions in the plug sector to DIN 46244
Cable connections, insulated and non insulated
Non-insulated tabs, angled version
2040grp


Characteristics
▪ To DIN 46342, part 1 and similar versions
▪ Dimensions in the plug sector to DIN 46244
Material
▪ Brass (CuZn)
Surface
▪ Tin-plated to protect against corrosion
Non-insulated tabs, straight version


Non-insulated tabs for soldering


Characteristics
▪ To DIN 46342, part 1 and similar versions
▪ Dimensions in the plug sector to DIN 46244 Material
▪ Brass (CuZn)
Surface
▪ Tin-plated to protect against corrosion
` Material used offers very good soldering characteristics
Characteristics
▪ Dimensions in the plug sector to DIN 46244
▪ For soldering in printed circuits Material
▪ Brass (CuZn)
Surface
▪ Tin-plated to protect against corrosion
Electrical connection systems
Non-insulated multiple tabs

Cable connections, insulated and non insulated Part
Characteristics
▪ Dimensions in the plug sector to DIN 46244
Material
▪ Brass (CuZn)
Surface
▪ Tin-plated to protect against corrosion
Steckverbinder und Leitungsverteiler
Anwendungstabelle mit Werkzeugempfehlung
^WZT_KV_isoliert^
Tool application chart
Insulated cable connections
^WZT_SV_isoliert^
Tool application chart
^WZT_FSH_gerade^
Tool application chart
Non-insulated receptacles, straight type
^WZT_FSH_seitlich^
Tool application chart
Non-insulated receptacles, with lateral conductor connector
PRACTICALPOCKET BOXES AND ASSORTMENT BOXES
A good professional is always well sorted. The most important thing is the availability of tool and connector material. In Klauke assortment boxes from robust metal, the tools are supplied with matching cable lugs and connectors. Everything matches. Materials and tools have their own space - clearly arranged and immediately to hand. The boxes equip you for every application. On request, we can also stock them to suit your individual needs.

In brief
` Brings order to the workplace due to clearly arranged design
` Everything to hand in one box
` Stocked to suit your needs and numerous versions available
` Practical and always to hand
With the practical pocket boxes, everything has its place and is always to hand, on the go and in the workshop. Chute openings for stackable pocket boxes simplify the removal of cable end-sleeves.
◾ Cable-end sleeves with and without insulation always to hand
◾ Practical chute opening for easy removal
◾ Stackable box
◾ Tough and impact-proof plastic
` Our range, your order
We have already compiled an assortment for you. We offer pre-filled boxes for various applications. You can also fill the robust box yourself if you want.

◾ High-quality boxes made from plastic or metal
◾ Contains tool and connectors matched to one other
◾ Even if exposed to severe vibrations or dropped, everything remains in the right compartment
◾ Boxes also available empty or custom-filled

Electrical connection systems
ST

23 B Pocket box with cable end-sleeves 0.25 - 1 mm²
` Pocket box made from impact-resistant plastic
Characteristics
▪ Stackable and resealable

ST 21 B Pocket box with cable end-sleeves 0.5 - 2.5 mm²
`
Characteristics ▪

ST 22 B Pocket box with cable end-sleeves 4 - 16 mm²
Characteristics ▪
Streudosen mit isolierten Aderendhülsen

ST 15 B Pocket box with insulated twin cable end-sleeves 2 x 0.75 - 2 x 2.5
` Pocket box made from impact-resistant plastic
Characteristics
▪ Stackable and resealable
ST

1 B pocket box with insl. cable end-sleeves 0.5 - 2.5 mm², DIN 46228 Part 4
` Pocket box made from impact-resistant

ST 11 B pocket box with insl. cable end-sleeves 0.5 - 2.5 mm², DIN 46228 Part 4
` Pocket box made from impact-resistant plastic
Characteristics
▪ Stackable and resealable
Electrical connection systems
ST

31 B pocket box with insl. cable end-sleeves 0.5 - 2.5 mm², DIN 46228 Part 4, colour code 2
` Pocket box made from impact-resistant plastic
Characteristics
▪ Stackable and resealable

ST 12 B pocket box with insl. cable end-sleeves 4 - 16 mm², DIN 46228 Part 4
Characteristics

ST 2 B pocket box with insl. cable end-sleeves 4 - 16 mm², DIN 46228 Part 4, colour code 1
`
Characteristics
▪

ST 32 B pocket box with insl. cable end-sleeves 4 - 16 mm², DIN 46228 Part 4, colour code 2
` Pocket box made from impact-resistant plastic
Characteristics
▪ Stackable and resealable

ST 3 B pocket box with insl. cable end-sleeves 0.25 - 1 mm², DIN 46228 Part 4, colour code 1
`

ST 13 B pocket box with insl. cable end-sleeves 0.25 - 1 mm², DIN 46228 Part 4 & similar, colour code 1
` Pocket box made from impact-resistant plastic
Characteristics
▪ Stackable and resealable
Electrical connection systems
ST 33 B pocket box with insl. cable end-sleeves 0.25-1 mm², DIN 46228 Part 4 & similar, colour code 2

` Pocket box made from impact-resistant plastic
Characteristics
▪ Stackable and resealable
colour code 2
GR 4698 DO Pocket box with insulated cable end-sleeves 0.5 mm²

` Pocket box made from impact-resistant plastic
Characteristics
▪ Stackable and resealable
GR 4708 DO Pocket box with insulated cable end-sleeves 0.75 mm²
GR4708DOgrp

` Pocket box made from impact-resistant plastic
Characteristics
▪ Stackable and resealable
GR 4718 DO Pocket box with insulated cable end-sleeves 1 mm²
GR4718DOgrp

` Pocket box made from impact-resistant plastic
Characteristics
▪ Stackable and resealable
GR4728DOgrp
GR 4728 DO Pocket box with insulated cable end-sleeves 1.5 mm²

` Pocket box made from impact-resistant plastic
Characteristics
▪ Stackable and resealable
GR 4738 DO Pocket box with insulated cable end-sleeves 2.5 mm²
GR4738DOgrp

ST5Lgrp
` Pocket box made from impact-resistant plastic
Characteristics
▪ Stackable and resealable
ST 5 L assortment of empty pocket boxes

Sortimentskästen mit Aderendhülsen
` Pocket box made from impact-resistant plastic
Characteristics
and
▪
SK 30 B Steel assortment box with cable end-sleeves and crimping tool
SK30Bgrp

` Hammer-tone finished assortment box ` Ideal for workshop equipment
Electrical connection systems
SK 32 B Steel assortment box with cable end-sleeves and crimping tool

` Broad cable end-sleeve assortment appropriate crimping tool
` Hammer-tone finished assortment box
` Ideal for workshop equipment
Sortimentskästen mit isolierten Aderendhülsen
SK45Bgrp
SK 45 B Steel assortment box with insl. cable end-sleeves and crimping tool

` Four of the most important insulated cable end-sleeve types in a steel carrying case including an appropriate crimping tool ` Hammer-tone finished assortment box
` Ideal for workshop equipment
SK 47 B Steel assortment box with insl. cable end-sleeves and crimping tool

SK 30/3 P Assortment

` Flexible use due to large cross-sectional range ` Hammer-tone finished assortment box
` Ideal for workshop equipment
Electrical connection systems
SK 30/3 S Assortment box from plastic with insl. cable end-sleeves and crimping tool

` With everything needed for conductor preparation ` The exact-shaped foam inlays of the case prevent the contents slipping even with severe impacts

` With everything needed for conductor preparation ` Ideal for workshop equipment

` Hammer-tone finished assortment box ` Ideal for workshop equipment
Characteristics
▪ Sturdy steel carrying case with lock and handle
Steel assortment box with tubular cable lugs "standard type" and crimping tool K05
Tubular cable lug without inspection hole, 35 mm², M8, Cu tinned
Tubular cable lug without inspection hole, 35 mm², M10, Cu tinned
EVERYTHING UNDER CONTROL!
A selection of the most commonly used tubular cable lugs, including crimping tool arranged in an assortment box. There are also other packages in an L-BOXX.
The perfectly coordinated L-BOXXes stand for intelligent mobility and are used for storage and for transport from the workshop to the construction site.

Electrical connection systems
SK 50 B Steel assortment box with DIN compressed cable lugs and crimping tool

Sortimentskästen mit isolierten Kabelverbindungen
` Hammer-tone finished assortment box ` Ideal for workshop equipment
Characteristics
▪ Sturdy steel carrying case with lock and handle
Item
Steel assortment box with DIN compression cable lugs and crimping tool
SK65L Steel carrying case
K05D Crimping tool for compression cable lugs and connectors (DIN 46235 / DIN 46267, Part 1) 6 - 50 mm² 1
101R5
101R6
102R5
102R6
103R8
103R10
Compression cable lug, DIN 46235, 6 mm², M5, Cu tinned 50
Compression cable lug, DIN 46235, 6 mm², M6, Cu tinned 50
Compression cable lug, DIN 46235, 10 mm², M5, Cu tinned 50
Compression cable lug, DIN 46235, 10 mm², M6, Cu tinned 50
Compression cable lug, DIN 46235, 16 mm², M8, Cu tinned 25
Compression cable lug, DIN 46235, 16 mm², M10, Cu tinned 25 104R8
104R10
Compression cable lug, DIN 46235, 25 mm², M8, Cu tinned 25
Compression cable lug, DIN 46235, 25 mm², M10, Cu tinned 25 105R8
Compression cable lug, DIN 46235, 35 mm², M8, Cu tinned 20 105R10
106R10
106R12
Compression cable lug, DIN 46235, 35 mm², M10, Cu tinned 20
Compression cable lug, DIN 46235, 50 mm², M10, Cu tinned 15
Compression cable lug, DIN 46235, 50 mm², M12, Cu tinned 15

` Hammer-tone finished assortment box ` Ideal for workshop equipment
tool
Electrical connection systems
SK 82 P Assortment box from plastic with insl. cable connections and tools

` With everything needed for conductor preparation
` The exact-shaped foam inlays of the case prevent the contents slipping even with severe impacts
SK 82 S Assortment box from plastic with insl. cable connections and crimping tool

Kästen/Tragetaschen
` The exact-shaped foam inlays of the case prevent the contents slipping even with severe impacts
assortment box with insl.
SK30Lgrp
SK 30 L Steel carrying case

` Hammer-tone finished assortment box
Characteristics
▪ 4 small and 1 large additional compartments with lock
Suitable for
▪ For optional storage of crimping tools type K4 and K48
SK 32 L Steel carrying case
SK32Lgrp

` Hammer-tone finished assortment box
Characteristics
▪ 8 small and 1 large additional compartments with lock
Suitable for
▪ For optional storage of crimping tools type K3 and K35
SK 4 L Steel carrying case
SK4Lgrp

` Hammer-tone finished assortment box
Characteristics
▪ 6 small and 1 large additional compartments with lock
Suitable for
▪ For optional storage of crimping tools type K02, K2, K16 and K25
SK 43 L Steel carrying case
SK43Lgrp

` Hammer-tone finished assortment box
Characteristics
▪ 8 small and 2 large additional compartments with lock
Suitable for
▪ For storage of crimping tool K 32 and wire stripper K 41
Electrical connection systems
MK 55 Steel carrying case

MK 210 L Steel carrying case

MK 220 L Steel carrying case

MK 230 L Steel carrying case

` Hammer-tone finished assortment box
Characteristics
▪ 8 small and 1 large additional compartments with lock
Suitable for
▪ For storage of 8 pairs of dies and crimping tool K50
` Hammer-tone finished assortment box
Characteristics
▪ 4 small and 1 large additional compartments with lock
Suitable for
▪ For storage of crimping tool K82A
` Hammer-tone finished assortment box
Characteristics
▪ 8 small and 1 large additional compartments with lock
Suitable for
▪ For storage of crimping tool K82A
` Hammer-tone finished assortment box
Characteristics
▪ 19 small and 1 large additional compartments with lock and handle
Suitable for
▪ For storage of crimping tool K82A
SK65Lgrp
SK 65 L Steel carrying case

` Hammer-tone finished assortment box
Characteristics
▪ 12 small and 1 large additional compartments with lock and handle
Suitable for
▪ For storage of crimping tools type K 05, K 05 BC, K 35/4
MK 22 Steel carrying case
MK22grp

` Hammer-tone finished assortment box
Characteristics
▪ 17 small and 1 large additional compartments with lock and handle
Suitable for
▪ For storage of 17 pairs of dies and crimping tool K 22
KKPEgrp
KKPE Plastic case

Characteristics
▪ With lock and handle
Suitable for
▪ For storing complete crimping die sets
case for crimping dies of series 13
MKU Steel carrying case with wheels
MKUgrp

` Hammer-tone finished assortment box
Characteristics
▪ With additional compartment for dies with lock and handle
Suitable for
▪ For storage of hydraulic crimping tool HK25/2
TT4 Carrying case
TT4grp

Suitable for
▪ For storage of cutting heads SDK 105 and SDK 120
SYSTEMATIC ORDERL-BOXX FROM BS SYSTEMS
We must have order, especially when on the go. L-Boxx from BS Systems is a well thought out arrangement system for safely transporting your Klauke tool and connectors no matter what. Klauke products are safely stowed in the L-Boxxmatched to your individual equipment. Keep the overview!

In brief
` Available in various sizes
` Maximum protection due to shock and impact resistant materials
` Easy to transport with practical handle on the cover and the sides
` Simple stacking of several boxes thanks to click system
` Large or small?
The L-Boxx provides the right tool every time. Select what you need from the broad range of sizes. The boxes are always shock and impact resistant and and can be stacked without risk of slipping due to a click system.
◾ Available in various sizes
◾ Shock and impact resistant
◾ Easy to transport with practical handles on the cover and on the sides
◾ Safe transportation and storage due to click system

` Sorted on the go
Do you need your toolboxes on the go? With the TÜV-tested
Sortimo vehicle equipment, all Klauke tools and ranges can be systematically and safely transported in L-Boxxes.
◾ Quickly located thanks to the Sortimo system overview
◾ Avoid injury by securing the boxes against accidents and braking actions
◾ Short searching time for efficient operations

` Everything practically packed
The L-Box doesn’t just stow your tools - they also assign them exactly the right storage location. Trust in our Klauke system of pre-stocked boxes for various applications.
◾ Pre-stocked boxes equipped to your needs
◾ Choice for differing areas of applications
◾ Everything to hand in one box

Electrical connection systems
65B from plastic with standard equipment for electrical installations

` Comprehensive equipment for conductor preparation, comprising cable cutter, cable knife, crimping tool and connectors
Characteristics
▪ Manufactured from shock and impact resistant ABS plastic, very robust, 100 kg capacity
▪ Stackable using an Easy-Click system, which allows easy opening and closing
L-BOXX from plastic with standard equipment for electrical installations
Scope of
K05 Crimping tool for tubular cable lugs and connectors, standard type 6 - 50 mm² 1 K100 Hand-operated cutting tool for Cu and Al cables to 14 mm dia. 1
1R6 Tubular cable lug without inspection hole, 6 mm², M6, Cu tinned
Tubular cable lug without inspection hole, 6 mm², M8, Cu tinned 25 2R6
2R8
3R10
4R8
Tubular cable lug without inspection hole, 10 mm², M6, Cu tinned 25
Tubular cable lug without inspection hole, 10 mm², M8, Cu tinned 25
Tubular cable lug without inspection hole, 16 mm², M10, Cu tinned 25
Tubular cable lug without inspection hole, 25 mm², M8, Cu tinned 20 4R10
5R8
5R10
6R10
Tubular cable lug without inspection hole, 25 mm², M10, Cu tinned 20
Tubular cable lug without inspection hole, 35 mm², M8, Cu tinned 20
Tubular cable lug without inspection hole, 35 mm², M10, Cu tinned 20
Tubular cable lug without inspection hole, 50 mm², M10, Cu tinned 15 LBOXX102LFG L-BOXX with
L-BOXX with electromechanical crimping tool EK 50 ML 0.14 to 50 mm² and extensive additional equipment

L-BOXX with electromechanical crimping tool EK 50 ML 0.14 - 50 mm² and extensive additional equipment
x 357 x 151 LBOXXEK50ML
4R8 Tubular cable lug without inspection hole, 25 mm², M8, Cu tinned 25 AE5073 Crimping dies AE 507 for cable end-sleeves, 35 - 50 mm² 1
47918 Insl. cable end-sleeve DIN 46228 part 4, 35 mm² 25 48025 Insl. cable end-sleeve DIN 46228 part 4, 50 mm², 40 mm long 20
IS5072 Crimping dies IS 50, single crimping, 10 - 16 mm²
652C6 Insl. solderless terminal M6, 10 mm², fork-type
LBOXX136LFG L-BOXX with front handle (W/D/H: 442 x 357 x 151 mm) 1
L-BOXXes from plastic with tubular cable lugs
LBOXX50BGRP

` Comprehensive equipment for conductor preparation for construction site and workshop
Characteristics
▪ Manufactured from shock and impact resistant ABS plastic, very robust, 100 kg capacity
▪ Stackable using an Easy-Click system, which allows easy opening and closing
L-BOXX 50B from plastic with standard equipment for electrical installations
LBOXX50BGRP LBOXX3R8SET

` Comprehensive equipment for conductor preparation, comprising cable cutter, cable knife, crimping tool and connectors
Characteristics
▪ Manufactured from shock and impact resistant ABS plastic, very robust, 100 kg capacity ▪ Stackable using an Easy-Click system, which allows easy opening and closing
L-BOXX from plastic with standard equipment for electrical installations 442 x 357 x 117
Scope of supply Description
K05D Crimping tool for compression cable lugs and connectors (DIN 46235 / DIN 46267, Part 1) 6 - 50 mm²
K100 Hand-operated cutting tool for Cu and Al cables to 14 mm dia. 1 KL740416
cable lug, 10 mm², M8, Cu tinned
Compression cable lug, DIN 46235, 16 mm², M10, Cu tinned
Compression cable lug, DIN 46235, 25 mm², M8, Cu tinned 20
Compression cable lug, DIN 46235, 25 mm², M10, Cu tinned 20 105R8 Compression cable lug, DIN 46235, 35 mm², M8, Cu tinned 15 106R8
Compression cable lug, DIN 46235, 50 mm², M8, Cu tinned 10 106R10 Compression cable lug, DIN 46235, 50 mm², M10, Cu tinned 10
Electrical connection systems
230 B from plastic with standard equipment for electrical installations

LBOXXMINIK306KGRP
L-BOXX Mini from plastic with crimping tool and insl. cable end-sleeves 1.5 - 10 mm²

LBOXXMINIK304KGRP
L-BOXX Mini from plastic with crimping tool and
insl.
cable end-sleeves 1.5 - 10 mm²

LBOXXMINIK3014Kgrp
L-BOXX Mini from plastic with crimping tool and insl. cable

Electrical connection systems
L-BOXXes with the new battery powered tools of the NEXT GENERATION

This is just a small extract of our range. If you need a different combination, contact us.
Tool
EK 35/4 6 - 150 mm²
EKM 60/22 6 - 300 mm²
EKM 60 ID 10 - 300 mm²
LBOXXEK354CFB
LBOXXEKM6022CFB
LBOXXEKM60IDCFB
ES 20 max. 20 mm dia. LBOXXES20CFB
ES 32 F max. 32 mm dia. LBOXXES32FCFB
ES 32 max. 32 mm dia. LBOXXES32CFB
EKM 60 UNV 6 - 300 mm² max. 25 mm dia. round/shape
LBOXXEKM60UNVCFB
LS 50 FLEX round/shape LBOXXLS50FLEXCFB Tool
EK 35/4 6 - 150 mm²
EKM 60/22 6 - 300 mm²
EKM 60 ID 10 - 240 mm²
LBOXXEK354CFM
LBOXXEKM6022CFM
LBOXXEKM60IDCFM
ES 32 F max. 32 mm dia. LBOXXES32FCFM
ES 32 max. 32 mm dia. LBOXXES32CFM
LS 50 FLEX round/shape LBOXXLS50FLEXCFM
Bosch battery
Makita battery
Crimping & cutting (shown is the scope of supply with Bosch battery)
Part

RALB1EU Bosch battery 18 V / 2.0 Ah, Li-Ion
LGLB1EU Bosch charger for 18 V Li-Ion batteries
UA22 Adapter for crimping dies
LBOXX136LFG L-BOXX (W/D/H: 442 x 357 x 151 mm)






Punching (shown is the scope of supply with Bosch battery)

Scope of supply
Bosch battery 18 V / 5.0 Ah, Li-Ion
Bosch charger for 18 V Li-Ion batteries
Draw stud for hydraulic operation 19 x 105 x 122 mm Spacer, short Draw stud for punch with hydraulic operation 9.5 x 71 mm
LBOXXLS50FLEX

PERFECT CRIMPED CONNECTIONS FOR SURE.
Klauke crimping tools give you peace of mind for optimum processing. The right crimping tool achieves connections that satisfy even the toughest requirements.

FULL FORCE TRANSMISSIONMECHANICAL CRIMPING TOOLS
Less force is more. Klauke crimping tools were developed specifically to make your work faster, more precise and simpler. Ergonomic handles ensure the right grip, improved lever effects provide a manual actuation that transmits your force exactly where it’s needed: With 33 % less effort.

In brief
` Effortless operation due to a third less force
` Exact crimping with precise actuation
` Reliable assignment through clear marking of the crimping profiles
` Durable material
` Individually selectable crimping profiles from 0.08 mm2 to 400 mm2
` Developed for a broad range of applications
To ensure efficient crimps, a good tool needs optimum force transmission and high-quality materials. So we developed our mechanical series to make your work easier. These function make the difference especially with frequent use.
◾ Crimping profiles with nominal cross-sections from 0.08 mm2 to 400 mm2
◾ High-quality steel for long service life
◾ Best possible force transmission: Up to 33 % less effort
◾ Optimum crimp results with integrated ratchet
◾ Ergonomic design for fast and effortless operations

Mechanical crimping tools
Mechanische Press- und Crimpwerkzeuge
K4grp
4 Crimping tool for cable end-sleeves 0.5 - 2.5 mm²

` Indent crimping for round clamp opening
Characteristics
▪ One crimp profile per cross-section
▪ Lateral insertion (side crimping)
▪ Simple and safe: Exact cross-section assignment thanks to permanent marking on the crimping tool
▪ Optimum handling due to ergonomically-shaped handle
Technical data
Crimping range
Length
0.5 - 2.5 mm²
150 mm
Weight 0.16 kg
Item
Crimping tool for cable end-sleeves 0.5 - 2.5 mm²
Accessories
Steel carrying case SK30L
K3grp
K 3 Crimping tool for cable end-sleeves 0.5 - 16 mm²

` Indent crimping for round clamp opening
` With wire cutter
Characteristics
▪ Optimum handling due to ergonomically-shaped handle
▪ Optimised crimp range (up to 3-times wider than before)
▪ Lateral insertion (side crimping)
▪ Simple and safe: Exact cross-section assignment thanks to permanent marking on the crimping tool
▪ Integrated cable stripper
Technical data
Crimping range
Length
0.5 - 16 mm²
230 mm
Weight 0.35 kg
Item
Crimping tool for cable end-sleeves 0.5 - 16 mm² K3
Accessories
Steel carrying case
Variants
Steel assortment box with cable end-sleeves and crimping tool
Steel assortment box with insl. cable end-sleeves and crimping tool
L-BOXX from plastic with crimping tool and cable end-sleeves
0.5 - 16 mm²
No.
SK32L
Part No.
SK32B
SK47B
LBOXXMINIK3

- 35 mm²
` Indent crimping for round clamp opening ` For large cross-sections to 35 mm²
Characteristics
▪ One crimp profile per cross-section
▪ Lateral insertion (side crimping)
▪ Simple and safe: Exact cross-section assignment thanks to permanent marking on the crimping tool
▪ Optimum handling due to ergonomically-shaped handle
Technical data
Crimping range 10 - 35 mm²
48 Crimping tool for cable end-sleeves 0.14 - 2.5 mm²

` Trapezoid crimping suitable for box terminals
Characteristics
▪ One crimp profile per cross-section
▪ Lateral insertion (side crimping)
▪ Simple and safe: Exact cross-section assignment thanks to permanent marking on the crimping tool
▪ Optimum handling due to ergonomically-shaped handle
Technical data
Crimping range 0.14 - 2.5 mm²
Crimping tool for cable end-sleeves 0.14 - 2.5 mm² K48
Accessories
Steel carrying case
Variants
Steel assortment box with cable end-sleeves and crimping tool
Steel assortment box with insl. cable end-sleeves and crimping tool
Part No.
SK30L
Part No.
SK30B
SK45B
36
Crimping tool for cable end-sleeves and twin cable end-sleeves 0.5 - 6 mm²

` Two crimping profiles with the cross-section areas
0.5 - 2.5 mm² and 4 - 6 mm²
` Quick repetition of work steps due to spring-actuated tool opening
Characteristics
▪ Front sleeve insertion (front crimping)
▪ Ergonomically-designed handle with slip guard
Technical data
Crimping range cable end-sleeves
0.5 - 2.5 and 4 - 6 mm²
Crimping range twin cable end-sleeves 2 x 0.25 - 2 x 1.5 and 2 x 2.5 - 2x4 mm²
Length 200 mm
Weight 0.22 kg
Item
Crimping tool for cable end-sleeves 0.5 - 6 mm² and twin cable end-sleeves 2 x 0.25 - 2 x 1.5 and 2 x 2.5 - 2 x 4 mm²
Accessories
Steel carrying case
K
32 TWIST-it Crimping tool for cable end-sleeves and twin cable end-sleeves 0.14 - 10 mm²

` Unique long service life
` One crimping profile for all cross-sections due to automatic cross-section adjustment
` TWIST-it Crimping die for more flexibility and safety
` Lockable crimping die for error prevention
` Extremely small, light and ergonomic
Characteristics
▪ Quick change between front sleeve insertion and lateral insertion
▪ Serrated crimping die for optimal pull-out values of the crimp connection
▪ With ratchet for consistently controlled crimp results
▪ With safety eye for attaching a security strap
▪ Ergonomic design with a small hand opening angle and balanced weight
Suitable for
▪ Push-in, spring clamp and screw technology
Technical data
Crimping range cable end-sleeves 0.14 - 10 mm²
Crimping range twin cable end-sleeves 2 x 0.25 - 2 x 4 mm²
Length 177 mm
Weight 0.298 kg
Item Part No.
Crimping tool for cable end-sleeves 0,14 - 10 mm² and twin cable end-sleeves 2 x 0,25 - 2 x 4 mm²
Accessories Part No.
Steel carrying case
Steel carrying case
Steel carrying case
SK43L
SK30L
SK32L
K 30/3 Crimping tool for cable end-sleeves and twin cable end-sleeves 0.08 - 10 mm²

` Square crimping suitable for box terminals and spring clamp technology
Characteristics
▪ One crimping profile for cross-sections from 0.08-10 mm² due to automatic crosssection adjustment
▪ With ratchet for consistently-controlled crimp results
▪ Lateral insertion (side crimping)
▪ Handle with slip guard and inscription panel
Technical data
Crimping range cable end-sleeves
- 10 mm²
Crimping range twin cable end-sleeves 2 x 0.25 - 2 x 4 mm² Length
mm Weight
kg
Item
Crimping tool for cable end-sleeves and twin cable end-sleeves
0.08 - 10 mm²
Accessories
Steel carrying case SK30L
Variants
Part No.
Plastic assortment box with insl. cable end-sleeves and tools SK303P
Plastic assortment box with insl. cable end-sleeves and crimping tool SK303S
Steel assortment box with insl. cable end-sleeves and tools SK43NB
K 30/4 K Self-adjusting crimping tool for cable end-sleeves and twin cable end-sleeves 0.08 - 16 mm²

` Square crimping K 30/4 K
Characteristics
▪ One crimping profile for cross-sections from 0.08-16 mm² due to automatic crosssection adjustment
▪ With ratchet for consistently-controlled crimp results
▪ Lateral insertion (side crimping)
▪ Positioner for small cable end-sleeves
▪ Handle with slip guard and inscription panel
Technical data
Crimping range cable end-sleeves
0.08 - 16 mm²
Crimping range twin cable end-sleeves 2 x 0.5 - 2 x 6 mm²
Length 215 mm
Weight 0.5 kg
Item
Crimping tool for cable end-sleeves and twin cable end-sleeves
Part No.
0.08 - 16 mm², square crimping K304K
Accessories
Part No.
Steel carrying case SK30L
Variants
Part No.
L-BOXX from plastic with crimping tool and insl. cable end-sleeves 1.5 - 10 mm² LBOXXMINIK304K
Crimping
crimping tools
K 30/6 K Self-adjusting crimping tool for cable end-sleeves and twin cable end-sleeves 0.08 - 16 mm²

` Hexagonal crimping K 30/6 K
Characteristics
▪ One crimping profile for cross-sections from 0.08-16 mm² due to automatic crosssection adjustment
▪ With ratchet for consistently-controlled crimp results
▪ Lateral insertion (side crimping)
▪ Positioner for small cable end-sleeves
▪ Handle with slip guard and inscription panel
Technical data
Crimping range cable end-sleeves
0.08 - 16 mm²
Crimping range twin cable end-sleeves 2 x 0.5 - 2 x 10 mm²
Length
215 mm
Weight 0.5 kg
Item
Crimping tool for cable end-sleeves and twin cable end-sleeves
Part No.
0.08 - 16 mm², hexagonal crimping K306K
Accessories
Part No.
Steel carrying case SK30L
Variants
L-BOXX from plastic with crimping tool and insl. cable end-sleeves 1.5 - 10 mm²
Part No.
LBOXXMINIK306K
K3014Kgrp
K 301/4 K Self-adjusting crimping tool for cable end-sleeves and twin cable end-sleeves 0.14 - 10 mm²

` Square crimping
` Very light and ergonomic
Characteristics
▪ One crimping profile for all cross-sections due to automatic cross-section adjustment
▪ With ratchet for consistently-controlled crimp results
▪ Lateral insertion (side crimping)
▪ Handle with slip guard and inscription panel
▪ Safety pad in handle for slip-free working
Technical data
Crimping range cable end-sleeves 0.14 - 10 mm²
Crimping range twin cable end-sleeves 2 x 0.25 - 2 x 4 mm²
Length 175 mm
Weight 0.35 kg
Item
Crimping tool for cable end-sleeves and twin cable end-sleeves 0.14 - 10 mm²
Variants
L-BOXX from plastic with crimping tool and insl. cable end-sleeves 1.5 - 10 mm²
Part No.
K3014K
Part No.
LBOXXMINIK3014K
K3016Kgrp
K 301/6 K Self-adjusting crimping tool for cable end-sleeves and twin cable end-sleeves 0.14 - 10 mm²

` Hexagonal crimping
` Very light and ergonomic
Characteristics
▪ One crimping profile for all cross-sections due to automatic cross-section adjustment
▪ With ratchet for consistently-controlled crimp results
▪ Lateral insertion (side crimping)
▪ Handle with slip guard and inscription panel
▪ Safety pad in handle for slip-free working
Technical data
Crimping range cable end-sleeves
Crimping range twin cable end-sleeves
0.14 - 10 mm²
2 x 0.25 - 2 x 4 mm²
Length 175 mm
Weight 0.35 kg
Item
Crimping tool for cable end-sleeves and twin cable end-sleeves 0.14 - 10 mm²
Part No.
K80grp
K 80 Crimping tool for insulated cable connections 0.1 - 1 mm²

` Crimping of conductor and insulation in one step
` Adjusting disc to compensate for the natural tool wear
Characteristics
▪ Accurate drive
▪ With ratchet for consistently-controlled crimp results
▪ Colour-coded cross-section assignment
▪ Handle with slip guard and inscription panel
Technical data
Crimping range red insulation sleeve
Crimping range yellow insulation sleeve
0.5 - 1.0 mm²
0.1 - 0.4 mm²
Length 195 mm
Weight 0.38 kg
Item
Part No.
Crimping tool for insulated cable connections 0.1 - 1 mm² K80
Accessories
Part No.
Steel carrying case SK43L
K3016K
K 82 A Crimping tool for insulated cable connections 0.5 - 6
mm²
` With additional locator to ensure a precise crimp connection
` 33 % less effort

` 3-Component handle grip
` Optimised material quality for a long service life
` Precise pre-tension setting maintains constant crimp performance
Characteristics
▪ Less effort required due to new mechanical lever system
▪ 3C handle: YELLOW: hard core for force transmission, BLUE: soft ergonomic grip area, GREY: soft slip protection
▪ Easy handling thanks to reduced tool opening width, optimum ergonomics due to the position of the palms and fingers, which is gentle on the joints
▪ Crimping of conductor and insulation in one step
Technical data
Crimping range red
insulation sleeve
0.5 - 1.0 mm²
Crimping range blue insulation sleeve 1.5 - 2.5 mm²
Crimping range yellow
insulation sleeve 4.0 - 6.0 mm²
Length
Weight 0.53 kg
Item
Part No.
Crimping tool for insulated cable connections 0.5 - 6 mm² K82A
Accessories
Part No.
Steel carrying case MK230L
Variants
Part No.
Plastic assortment box with insl. cable connections and crimping tool SK82S
Plastic assortment box with insl. cable connections and tools SK82P
82 T Crimping tool for insulated cable connections 0.5 - 6 mm²

` With additional locator to ensure a precise crimp connection
` Also suitable for the processing of insulated connectors with vibration protection
` 33 % less effort
` 3-Component handle grip
` Optimised material quality for a long service life
` Precise pre-tension setting maintains constant crimp performance
Characteristics
▪ Less effort required due to new mechanical lever system
▪ 3C handle: YELLOW: hard core for force transmission, BLUE: soft ergonomic grip area, GREY: soft slip protection
▪ Easy handling thanks to reduced tool opening width, optimum ergonomics due to the position of the palms and fingers, which is gentle on the joints
▪ Crimping of conductor and insulation in one step
▪ Extremely high voltage protection due to special crimping of the cable insulation (diamond crimp)
Technical data
Crimping range red insulation sleeve
Crimping range blue insulation sleeve
- 1.0 mm²
- 2.5 mm² Crimping range yellow insulation sleeve
Item
Crimping tool for insulated cable connections 0.5 - 6 mm² K82T
Accessories Part No.
Steel carrying case MK230L
Variants
Part No.
Plastic assortment box with insl. cable connections and crimping tool SK82S
Plastic assortment box with insl. cable connections and tools SK82P
K 16 Crimping tool for insulated solderless terminals 10 + 16 mm²

` Oval crimping
` Crimping tool also for meter connections
Characteristics
▪ With ratchet for consistently-controlled crimp results
▪ Colour-coded cross-section assignment
Technical data
Crimping range red insulation sleeve
Crimping range blue insulation sleeve
Item Part No.
Crimping tool for insulated solderless terminals 10 + 16 mm² K16
Accessories Part No.
Steel carrying case SK4L

` Roll crimping
` Crimping of conductor and insulation in one step
` Tool pre-tensioning adjustable
Characteristics
▪ Simple and quick due to spring-actuated tool opening
▪ With ratchet for consistently-controlled crimp results
▪ Simple and safe: Exact cross-section assignment thanks to permanent marking on the crimping tool
▪ Adjusting disc for compensating for the natural tool wear
Suitable for
▪ Tabs with 4.8 mm tab width
Technical data
Crimping range 0.5 - 2.5 mm²
Length
mm Weight
Item
kg
Crimping tool for non-insulated tabs and receptacles 4.8 mm; 0.5 - 2.5 mm²
K 59/2 Crimping tool for non-insulated tabs and receptacles 6.3 mm; 0.5 - 6 mm²
K592grp K582grp K 58/2 Crimping tool for non-insulated tabs and receptacles 4.8 mm; 0.5 - 2.5 mm²

` Roll crimping
` Crimping of conductor and insulation in one step
` Tool pre-tensioning adjustable
Characteristics
▪ With ratchet for consistently-controlled crimp results
▪ Simple and safe: Exact cross-section assignment thanks to permanent marking on the crimping tool
▪ Simple and quick due to spring-actuated tool opening
▪ Adjusting disc for compensating for the natural tool wear
Suitable for
▪ Tabs with 6.3 mm tab width
Technical data
Crimping range
0.5 - 6 mm²
Length 220 mm
Weight
kg
Item Part No.
Crimping tool for non-insulated tabs and receptacles 6.3 mm; 0.5 - 6 mm²
93 Crimping tool for connectors for solid conductors 1.5
- 4 mm²

` Hexagonal crimping
` Tool pre-tensioning adjustable
Characteristics
▪ Accurate drive
▪ With ratchet for consistently-controlled crimp results
▪ Simple and safe: Exact cross-section assignment thanks to permanent marking on the crimping tool
▪ Handle with slip guard and inscription panel
▪ Adjusting disc for compensating for the natural tool wear
Technical data
Crimping range 1.5 - 4 mm²
K 94 Crimping tool for tubular cable lugs and connectors for solid conductors 6 - 10 mm²

` Hexagonal crimping ` Tool pre-tensioning adjustable
Characteristics
▪ Accurate drive
▪ With ratchet for consistently-controlled crimp results
▪ Simple and safe: Exact cross-section assignment thanks to permanent marking on the crimping tool
▪ Handle with slip guard and inscription panel
▪ Adjusting disc for compensating for the natural tool wear
Technical data
Crimping range 6 - 10 mm²
Item
Crimping tool for tubular cable lugs and connectors for solid conductors 6 - 10 mm²
Crimping tool for tubular cable lugs and connectors, standard type 0.75 - 16 mm²

` Indent crimping
` Ideal crimping tool with spring-actuated tool opening
Characteristics
▪ With ratchet for consistently-controlled crimp results
▪ Simple and safe: Exact cross-section assignment thanks to permanent marking on the crimping tool
Technical data
Crimping range
Length
Item
0.75 - 16 mm²
Crimping tool for tubular cable lugs and connectors, standard type 0.75 - 16 mm²
Accessories
Steel carrying case
K 02
Crimping tool for tubular cable lugs and connectors for solid conductors 0.75 - 16 mm²

` Indent crimping
` Ideal crimping tool with spring-actuated tool opening
` For tubular cable lugs and connectors for solid conductors
Characteristics
▪ With ratchet for consistently-controlled crimp results
▪ Simple and safe: Exact cross-section assignment thanks to permanent marking on the crimping tool
Technical data
Crimping range 0.75 - 16 mm² Length
Item
Crimping tool for tubular cable lugs and connectors for solid conductors 0.75 - 16 mm²
Accessories
carrying case
No.
25 Crimping tool 0.5 - 16 mm²

` Indent crimping
` Ideal crimping tool with spring-actuated tool opening
` For solderless terminals to DIN 46234, pin terminals to DIN 46230
` For nickel and stainless steel tubular cable lugs and connectors EN 60228 Cl. 2 to 6 mm²
Characteristics
▪ With ratchet for consistently-controlled crimp results
▪ Simple and safe: Exact cross-section assignment thanks to permanent marking on the crimping tool
Technical data
Crimping range
- 16 mm²
Crimping tool 0.5 - 16 mm²
Accessories
Steel carrying case
K 95 Crimping tool 16 - 95 mm²

` Indent crimping
Characteristics
▪ For smaller copper conductors
▪ Optimised force transmission
Suitable for
▪ Tubular cable-lugs and connectors, standard type
▪ Tubular cable lugs and connectors for fine-stranded conductors
▪ Solderless terminals DIN 46234, pin terminals DIN 46230
Technical data
Crimping range 16 - 95 mm² Length
Item
Crimping tool 16 - 95 mm²
Crimping
K 5 Crimping tools 6 - 50 mm²
K5grp

` Indent crimping
` Low-maintenance mechanical drive
Characteristics
▪ For smaller copper conductors
▪ Simple and safe: Exact cross-section assignment thanks to permanent marking on the dies
Suitable for
▪ Tubular cable-lugs and connectors, standard type
▪ Tubular cable lugs and connectors for fine-stranded conductors
Technical data
Crimping range 6 - 50 mm²
Item
Crimping tool 6 - 50 mm²
k05bcgrp K 05 WF Crimping tools for cable end-sleeves and twin cable end-sleeves 25 - 95 and 2 x 16 mm²
K05wfgrp



` Easy operation thanks to pre-tensioning using additional lever
` Optimal use for connection in plug-in and screw-type terminal blocks
` High compression thanks to square crimp
` Reduction of crimps due to an increased crimp width
Eigenschaften
▪ Square crimping
▪ Modern, rigid and lightweight elliptical handle tubes
▪ Ergonomic 2-component handle with two-sided slip guard
▪ Energy-saving and effortless tool mechanics
▪ High durability
Technical data
Part No.
K05WF50 K05WF95
Crimping range cable end-sleeve 25 - 50 mm² 50 - 95 mm²
Crimping range twin cable end-sleeve 2 x 16 mm²Length 433 mm 433 mm
Weight 1.6 kg 1.6 kg
Item
Crimping tools for cable end-sleeves and twin cable end-sleeves
25 - 50 and 2 x 16 mm²
K05WF50
Crimping tool for cable end-sleeves 50 - 95 mm² K05WF95
Accessories Part No.
Crimping die AE for cable end-sleeves and twin cable end-sleeves
25 - 50 and 2 x 16 mm²
Crimping die AE for cable end-sleeves 50 - 95 mm²
AE512550
AE515095
K05Dgrp
K 05 / K 05 D Syncro Crimping tools for tubular cable lugs and connectors, standard type 6 - 50 mm² for DIN compression cable lugs and connectors 6 - 50 mm²

` Synchronised die selection when in the open position
` Cross-section display on marked adjusting wheel
Characteristics
▪ Hexagonal crimping
▪ Precisely synchronised head plate position for optimum and consistent crimp results
▪ Modern, rigid and lightweight elliptical handle tubes
▪ Ergonomic 2-component handle with two-sided slip guard
▪ Smooth-running, durable and effortless tool mechanism
▪ Incompatible tool and cable lug combinations:
- K05D Syncro for 6mm² DIN in combination with copper conductor class 1
Technical data
Crimping range 6 - 50 mm²
Length 390 mm
Weight 1.1 kg
Item
Part No.
Syncro Crimping tool for tubular cable lugs and connectors, standard type 6 - 50 mm² K05
Syncro Crimping tool for compression cable lugs and connectors (DIN 46235 / DIN 46267, Part 1) 6 - 50 mm²
Variants
Steel assortment box with tubular cable lugs 6 - 50 mm² and crimping tool K05
L-BOXX from plastic with standard equipment for electrical installations
Steel assortment box with DIN compression cable lugs and crimping tool
L-BOXX from plastic with standard equipment for electrical installations
K05D
SK65B
LBOXX65B
SK50B
LBOXX50B
K06grp
K 06 Syncro Crimping tools for tubular cable lugs and connectors, standard type 6 - 120 mm²

` Unique with extra large crimping range
` Hexagonal crimping
` Faster, safer and synchronous cross-section adjustment
` Ergonomic design
` Extremely light and rigid
Characteristics
▪ Precisely synchronised head plate position for optimum and consistent crimp results
▪ Modern, rigid and lightweight elliptical handle tubes
Technical data
Crimping range 6 - 120 mm²
Length 600 - 750 mm
Weight 2.6 kg
Item
Part No.
Syncro Crimping tools for tubular cable lugs and connectors, standard type 10 - 120 mm² K06
Crimping Mechanical crimping tools
K 06 D Syncro Crimping tools
for DIN compr. cable lugs and connectors 6 - 120 mm²
K06Dgrp

` Unique with extra large crimping range
` Hexagonal crimping
` Faster, safer and synchronous cross-section adjustment
` Ergonomic design
` Extremely light and rigid
Characteristics
▪ Precisely synchronised head plate position for optimum and consistent crimp results
▪ Modern, rigid and lightweight elliptical handle tubes
Technical data
Crimping range 6 - 120 mm²
Length 600 - 750 mm
Weight 2.6 kg
Item Part
Syncro Crimping tool for compression cable lugs and connectors (DIN 46235 / DIN 46267, Part 1) 6 - 120 mm²
K 09 Syncro Crimping
K09grp
Mechanische Presswerkzeuge mit auswechselbaren Einsätzen
tools for tubular cable lugs and connectors, standard type 25 - 150 mm²

` Unique with extra large crimping range
` Hexagonal crimping
` Faster, safer and synchronous cross-section adjustment
` Ergonomic design
` Extremely light and rigid
Characteristics
▪ Precisely synchronised head plate position for optimum and consistent crimp results
▪ Modern, rigid and lightweight elliptical handle tubes
Technical data
Crimping range 25 - 150 mm²
Length
600 - 750 mm
Weight 2.9 kg
Item
Syncro Crimping tools for tubular cable lugs and connectors, standard type 25 - 150 mm²
K06D
K 09 D Syncro Crimping tools for DIN compression cable lugs and connectors, 25 - 150 mm²
K09Dgrp

` Unique with extra large crimping range
` Hexagonal crimping
` Faster, safer and synchronous cross-section adjustment
` Ergonomic design
` Extremely light and rigid
Characteristics
▪ Precisely synchronised head plate position for optimum and consistent crimp results
▪ Modern, rigid and lightweight elliptical handle tubes
Technical data
Crimping range 25 - 150 mm²
Length 600 - 750 mm
Weight 2.9 kg
Item
Syncro Crimping tool for compression cable lugs and connectors (DIN 46235 / DIN 46267, Part 1) 25 - 150 mm²
Part No.
DN-K 74/2 Crimping tool for BNC connectors and coax cable
DNK742grp

` Hexagonal crimping
` Tool pre-tensioning adjustable
Characteristics
▪ With ratchet for consistently-controlled crimp results
▪ Adjusting disc for compensating for the natural tool wear
Suitable for
▪ Coax cable RG 58, RG 59, RG 62 and RG 71
Technical data
Length 220 mm
Weight 0.560 kg
Crimping dimension 1 A: 6.48 mm, B: 10 mm
Crimping dimension 2 A: 5.4 mm, B: 10 mm
Crimping dimension 3 A: 1.72 mm, B: 2.3 mm
Item
Mechanical crimping tool for BNC connector, coax cable RG 58, RG 59, RG 62 and RG 71
Part No.
K09D
DNK742
Crimping
Mechanical crimping tools
K 507 Crimping tool with interchangeable dies

` Fast change of crimping die, no tools required, without readjustment by special fixing system
` Additional crimping dies integrated in the handle
Characteristics
▪ With ratchet for consistently-controlled crimp results
▪ Adjusting disc for compensating for the natural tool wear
Technical data
Length
220 mm
Weight 0.635 kg
Item
Part No.
Crimping tool with interchangeable dies K507
Scope of supply
Part No.
Crimping die for insulated connectors, 0.5 - 6 mm² IS5071
Crimping dies for cable end-sleeves, 0.5 -6 mm² AE5071
Crimping die for insulated connectors 0.5 - 10 mm² Q5071
Variants
Steel assortment box with insl. cable connections and crimping tool
L-BOXX from plastic with standard equipment for electrical installations
K 507 WF Crimping tool with interchangeable dies
K507wfgrp

` Large cross section 0,5 - 50 mm²
` One crimping profile for all common conductors
` Fast, easy replacement of crimping dies
` Fewer pressures due to optimal crimping die width
Characteristics
▪ With ratchet for consistently controlled crimp results
▪ Adjusting disc to compensate for the natural tool wear
Additional information
▪ Optionally available crimping die for twin cable-end sleeves
Technical data
Length
Art.-Nr.
MK230B507
LBOXX230B
220 mm
Weight 0.657 kg
Item Part No.
Crimping tool with interchangeable dies K507WF
Scope of supply Part No.
Crimping dies for cable-end sleeves, 0,5 - 6 mm² AE5071
Crimping dies for cable end-sleeves, 10 - 25 mm² AE5072
Crimping dies for cable end-sleeves, 35 - 50 mm² AE5073
Accessories Part No.
Crimping dies for twin cable end-sleeves, 2x6 - 2x16 mm² ZAE5072
K50grp K 50 Crimping tool for interchangeable dies
` Parallel guided crimping jaws
` Fast change of crimping die without readjustment by special fixing system

Available dies for Series 50 for K 50
` Exact positioning of the crimping dies due to die locating pins
Characteristics
▪ Optimised force transmission
▪ With ratchet for consistently-controlled crimp results
▪ Handle with slip guard and inscription panel
Technical data Length
Crimping tool for interchangeable dies 0.1 - 50 mm²
Crimping
Mechanical crimping tools
K 35/4 Crimping tool for interchangeable dies 6 - 150 mm²

` Very comfortable: Tool-less crimping die change
` Optimised for cable glands and control cabinet construction
` Energy-efficient and low-maintenance mechanical drive
Characteristics
▪ Narrow crimping
▪ Less effort due to extendible telescopic handle
▪ Flexible use: Head rotates 360°
▪ Fast, change of crimping die without readjustment by special fixing system
Technical data
Length
Stepless 420-590 mm
Weight 1.9 kg
Item
Crimping tool for interchangeable dies 6 - 150 mm²
Accessories
Steel carrying case
Available dies for Series 4 for K 35/4
Copper compression cable lugs and connectors to DIN
Copper compression cable lugs (DIN 46235) and
Sleeves for compacted conductors and sector-shaped conductors, copper Pre-rounding
Aluminium/copper compression cable lugs and connectorsl
Aluminum side of aluminum/copper compression cable lugs and connectors: crimping dies HA4, copper side of aluminum/copper compression cable lugs and connectors: crimping dies HD4
Clamps
Crimping
Mechanical crimping tools
K22grp K 22
Crimping tool for interchangeable dies 6 - 300 mm²

` Change of crimping dies without tools
` Optimised for cable glands and control cabinet construction
` Energy-efficient and low-maintenance mechanical drive
Characteristics
▪ Narrow crimping
▪ Large cross section by half shell dies
▪ Less effort due to extendible telescopic handle
▪ Flip top style head rotates 360°
▪ Fast, change of crimping die without readjustment by special fixing system
Technical data
Length
Stepless 560-860 mm
Weight 2.5 kg
Item
Crimping tool for interchangeable dies 6 - 300 mm²
Accessories
Steel carrying case
Available dies for Series 22 for K 22
Refer to the limitations when crimping connectors in the technical appendix.
lugs and connectors
Sleeves for compacted conductors and sector-shaped conductors, copper
Aluminium/copper compression cable lugs and connectors
Aluminum side of aluminum/copper compression cable lugs and connectors: crimping dies A22, copper side of aluminum/copper compression cable lugs and connectors: crimping dies D22
THE LITTLE CRIMPING EXPERT -
BATTERY-POWERED HYDRAULIC CRIMPING TOOL (10.8 V)
We have made performance easy: The Klauke mini is lightweight yet powerful. The Klauke mini’s practical dimensions make it the ideal solution for confined areas, in panel building for instance. A convenient expert for crimp to 150 mm2 nominal cross-section.

` Pure performance without frills
The Klauke mini concentrates on its core task: reliable crimping. Even without pressure sensor and display, the little expert does its job well - no fuss or quibble.
` Usage time at a glance
Read the charge level at any time from the powerful 10.8 V battery.
` All-round crimping
How can confined areas be easily reached? With crimping heads rotating through 360°.
Crimping
Battery powered hydraulic crimping tools 10.8 V
EK 30 ID ML Battery powered hydraulic crimping tool 6 - 120 mm²

` Powerful 10.8 V Li-Ion battery technology with battery charge indicator
` Indent crimping - no change of crimping dies required
Characteristics
▪ Closed head, flip top style, rotatable
▪ Simple and safe: One-button operating concept for controlling all tool functions
▪ Comfortable and secure one-hand operation thanks to 2-component plastic housing with soft lining
▪ Effortless working thanks to low weight
▪ Automatic retraction when operation is complete
▪ Maintenance display via LED
Suitable for
▪ Very well suited for compacted conductors
▪ Especially for fine strand conductors to EN 60228
Technical data
Crimping force
30 kN
Stroke / opening width 22 mm
Crimping range 6 - 120 mm²
Crimping cycle 2,5 s up to 5 s (depending on crimp cross-section)
Charging time 45 min.
Weight incl. battery 1.95 kg
Ambient temperature -10 °C up to +40 °C
Item Part No.
Battery powered hydraulic crimping tool 6 - 120 mm² EK30IDML
Scope of supply
Battery 10.8 V / 2.5 Ah, Li-Ion (27 Wh)
RAML1225
Charger for 10.8 V Li-Ion batteries, 230V LGML1 Plastic case KKML
Suitable for Connection material Crimping range mm² Crimp profile
Copper tubular cable lugs and connectors
Tubular cable lugs and connectors, standard type, tubular cable lugs for switchgear connections
6 - 120
Tubular cable lugs and connectors for fine stranded conductors 6 - 120
Terminals, connectors and pin terminals acc. to DIN, copper
Solderless terminals (DIN 46234), connectors (DIN 46341) and pin terminals (DIN 46230) 6 - 95
120
ML
Battery powered hydraulic crimping tool 6 - 120 mm²

` Innovative square crimping - no change of crimping dies required
` Only one crimp necessary (up to a cable end-sleeve length of 32 mm)
` Powerful 10.8 V Li-Ion battery technology with battery charge indicator
Characteristics
▪ Closed crimping head
▪ Simple and safe: One-button operating concept for controlling all tool functions
▪ Comfortable and secure one-hand operation thanks to 2-component plastic housing with soft lining
▪ Effortless working thanks to low weight
▪ Simple and safe: Automatic retraction when operation is complete
▪ Manual retraction stop (MRS) for positioning control for multiple crimps
▪ Maintenance display via LED
Suitable for
▪ Cable end-sleeves acc. to DIN, insulated cable end-sleeves and insulated twin cable end-sleeves
Technical data
Crimping force 10 / 40 kN
Stroke / opening width 19 mm
Crimping range 6 - 120 mm²
Crimping cycle 1 s up to 5 s (depending on cross-section)
Battery voltage 10.8 V
Battery capacity 2.5 Ah, Li-Ion
Charging time approx. 45 min.
Weight incl. battery 1.96 kg
Ambient temperature -10 °C up to +40 °C
Item
Battery powered hydraulic crimping tool 6 - 120 mm²
Scope of supply
Part No.
EKWF120ML
Part No.
Battery 10.8 V / 2.5 Ah, Li-Ion (27 Wh) RAML1225
Charger for 10.8 V Li-Ion batteries, 230V
Plastic case
suitable for Connection material Crimping range mm² Crimp profile
Cable end-sleeves
Cable end-sleeves 6 - 120
Twin cable end-sleeves 6 - 120
LGML1
KKML
Battery powered hydraulic crimping tools
EK 35/4 ML Battery powered hydraulic crimping tool 6 - 150 mm²

` Large cross section range up to 150 mm²
` Slim crimping head - ideal when space is critical
` Powerful 10.8 V Li-Ion battery technology with battery charge indicator
Characteristics
▪ Closed head, flip top style, rotatable
▪ Simple and safe: One-button operating concept for controlling all tool functions
▪ Comfortable and secure one-hand operation thanks to 2-component plastic housing with soft grips
▪ Effortless working thanks to low weight
▪ Simple and safe: Automatic retraction when operation is complete
▪ Maintenance display via LED
Suitable for
▪ 4-series interchangeable dies, narrow crimping
Technical data
Crimping force 35 kN
Stroke / opening width 9 mm
Crimping range 6 - 150 mm²
Crimping cycle 3 s to 4 s (depending on crimp cross-section)
Number of crimps approx. 200 at 120 mm² Cu
Battery voltage 10.8 V
Battery capacity 21.5 Ah, Li-Ion
Charging time approx. 45 min.
Weight incl. battery 1.6 kg
Ambient temperature -10 °C up to +40 °C
Item
Battery powered hydraulic crimping tool 6 - 150 mm²
Scope of supply
Battery 10.8 V / 2.5 Ah, Li-Ion (27 Wh)
Part No.
EK354ML
Part No.
RAML1225
Charger for 10.8 V Li-Ion batteries, 230 V LGML1
Plastic case KKML
Variants
EK 35/4 ML with crimping die set HR 4 from 6 - 150 mm²
EK 35/4 ML with crimping die set HD 4 from 6 - 120 mm²
Part No.
EK354MLSETHR
EK354MLSETHD
Available dies for Series 4 for K 35/4 ML
Tubular
Copper compression cable lugs and connectors to DIN
Copper compression cable lugs (DIN 46235) and
Sleeves for compacted conductors and sector-shaped conductors, copper Pre-rounding
Aluminium/copper compression cable lugs and connectorsl
Aluminum side of aluminum/copper compression cable lugs and connectors: crimping dies HA4, copper side of aluminum/copper compression cable lugs and connectors: crimping dies HD4
Clamps
Cable end-sleeves
THE NEW STANDARDKLAUKE NEXT GENERATION CRIMPING TOOLS
To guarantee the quality, you can check the tool data from the display or via Klauke Link® App at any time. You can easily make this information available to your customers as project documentation at the touch of a button. The balanced design ensures effortless and continuously high-quality operations up to the end of each working day.

` Selectable battery platform: with Bosch or Makita
` Proof of quality can be created via Bluetooth
` Ensure tool availability: Read the tool properties from the display or via the app
` Effortless operations thanks to modern, ergonomic design
In brief
` Making work easier
Klauke tools guarantee effortless operations: The “mini” impresses through its low weight and the pistol shape thanks to the balanced centre of gravity
◾ Our compact “mini” is just perfect for confined areas
◾ The 2-stage hydraulic system ensures fast operations with fast feed and power stroke (pistol shape)
◾ Especially impressive and reliable: The one-button control concept for all tools with automatic retraction
` Guarantees quality
◾ All relevant tool data immediately in view on the integrated display
◾ In case of a fault, you are warned by a visual and audible signal from the tool

◾ The ARS function (Automatic Retraction Stop) stops the automatic retraction when a crimp is complete through a fully-automated process
Connectivity is the generic term for the digital application that Klauke is making available to its customers in addition to its tools – the new Klauke Link ® App. This application offers you new possibilities with all Klauke Next Generation tools.
The Klauke Link ® App can be found at: https://www.klauke.com/de/en/ klauke-link-connectivity
◾ Provide written proof of the quality of your work with Link® App - now simply and conveniently connect the tool to the computer via Bluetooth.
` Klauke Link ® App
Show your customers how well you work. Klauke Next Generation records your operations, and these can then be transmitted by Bluetooth. The free Klauke Link ® software uses these data to create for you, if you want, a project reportthe proof of quality for your correct operations. You have control over your quality.

` Klauke Link ® App
Battery powered hydraulic crimping tools
EK 35/4 Battery powered hydraulic crimping tool 6 - 150 mm²

` Large cross section range up to 150 mm²
` Slim crimping head - ideal when space is critical
` All tool data in view thanks to display and Klauke Link® App
Characteristics
▪ Choose your battery system: Bosch or Makita
▪ All data can be easily read via Bluetooth
▪ Closed head, flip top style, rotatable
▪ Quality assurance via visual and audible signals in case of error
▪ Simple and safe: One-button operating concept for controlling all tool functions
▪ Simple and safe: Automatic retraction when operation is complete
▪ Effortless working thanks to low weight
▪ LED for work area illumination
▪ Always ready-to-use thanks to battery charge and service display
Suitable for
▪ 4-series interchangeable dies, narrow crimping
Technical data
Crimping force 35 kN
Stroke / opening width 9 mm
Crimping range 6 - 150 mm²
Crimping cycle 3 s to 4 s (depending on crimp cross-section)
Charging time 15 min.
Weight incl. battery 2.4 kg
Ambient temperature -10 °C up to +40 °C
Item
Battery powered hydraulic crimping tool 6 - 150 mm²
Scope of supply
Bosch battery 18 V / 2.0 Ah, Li-Ion RALB1EU
Bosch quick-charger for 18 V Li-Ion battery LGLB1EU
Makita battery 18 V / 1.5 Ah, Li-Ion RAL1
Makita quick-charger for 18 V Li-Ion battery LGL1
Plastic case KK50NG KK50NG
Accessories
Bosch battery 18 V / 5.0 Ah, Li-Ion RALB2EU
Makita battery 18 V / 3.0 Ah, Li-Ion (54 Wh) RAL2
Variants
L-BOXX with battery powered crimping tool EK354CFB, 6 - 150 mm²
L-BOXX with battery powered crimping tool EK354CFM, 6 - 150 mm²
LBOXXEK354CFB
LBOXXEK354CFM
Available dies for Series 4 for K 35/4
Tubular
Copper compression cable lugs and connectors to DIN
Copper compression cable lugs (DIN 46235) and
Sleeves for compacted conductors and sector-shaped conductors, copper Pre-rounding
Aluminium/copper compression cable lugs and connectorsl
Aluminum side of aluminum/copper compression cable lugs and connectors: crimping dies HA4, copper side of aluminum/copper compression cable lugs and connectors: crimping dies HD4
Clamps
Crimping
Battery powered hydraulic crimping tools
EKM 60/22 Battery powered hydraulic crimping tool 6 - 300 mm²
EKM6022grp

` Large crimping range up to 300 mm²
` All tool data in view thanks to display and Klauke Link® App
Characteristics
▪ Choose your battery system: Bosch or Makita
▪ All data can be easily read via Bluetooth
▪ Closed head, flip top style, rotatable
▪ Quality assurance via visual and audible signals in case of error
▪ Effortless working due to balanced centre of gravity
▪ LED for work area illumination
▪ Simple and safe: Automatic retraction when operation is complete
▪ Automatic retract stop (ARS) for positioning control in case of multiple crimps
▪ Always ready-to-use thanks to battery charge and service display
Suitable for
▪ 22-series interchangeable dies, narrow crimping
Technical data
Crimping force 60 kN
Hub 17.5 mm
Crimping range 6 - 300 mm²
Crimping cycle 2 s (bei ARS) und 5 s (depending on crimp cross-section)
Charging time 15 min.
Weight incl. battery 3.0 kg
Ambient temperature -10 °C up to +40 °C
Item
Battery powered hydraulic crimping tool 6 - 300 mm² EKM6022CFB EKM6022CFM
Scope of supply
Bosch battery 18 V / 2.0 Ah, Li-Ion RALB1EU
Bosch quick-charger for 18 V Li-Ion battery LGLB1EU
Plastic case KK50NG
Makita battery 18 V / 1.5 Ah, Li-Ion RAL1
Makita quick-charger for 18 V Li-Ion battery LGL1
Plastic case KK50L
Accessories
Bosch battery 18 V / 5.0 Ah, Li-Ion RALB2EU
Makita battery 18 V / 4.0 Ah, Li-Ion RAL40
Variants
L-BOXX with battery powered crimping tool EKM6022CFB, 6 - 300 mm²
L-BOXX with battery powered crimping tool EKM6022CFM, 6 - 300 mm²
LBOXXEKM6022CFB
LBOXXEKM6022CFM
Available dies for Series 22 for EKM 60/22
for compacted conductors and sector-shaped conductors, copper
compression cable lugs and connectors
Aluminum side of aluminum/copper compression cable lugs and connectors: crimping dies A22, copper side of aluminum/copper compression cable lugs and connectors: crimping dies D22
Crimping
Battery powered hydraulic crimping tools
EK6022GRP
EK 60/22 Battery powered hydraulic crimping tool 6 - 300 mm²

` Large crimping range up to 300 mm²
` Fast crimp cycles due to Automatic Retraction Stop (ARS)
` All tool data in view thanks to display and Klauke Link® App
Characteristics
▪ Choose your battery system: Bosch or Makita
▪ All data can be easily read via Bluetooth
▪ Closed head, flip top style, rotatable
▪ Quality assurance via visual and audible signals in case of error
▪ Simple and safe: One-button operating concept for controlling all tool functions
▪ Effortless working due to balanced centre of gravity
▪ LED for work area illumination
▪ Simple and safe: Automatic retraction when operation is complete
▪ Automatic retract stop (ARS) for positioning control in case of multiple crimps
▪ Always ready-to-use thanks to battery charge and service display
Suitable for
Technical data
Crimping force 60 kN
Hub 17 mm
Crimping range 6 - 300 mm²
Crimping cycle 3 s to 5 s (depending on crimp cross-section)
Charging time 45 min.
Weight incl. battery 4.4 kg
Ambient temperature -10 °C up to +40 °C
Item
Battery powered hydraulic crimping tool 6 - 300 mm²
Scope of supply
EK6022CFB
Bosch battery 18 V / 5.0 Ah, Li-Ion RALB2EU
Bosch quick-charger for 18 V Li-Ion battery LGLB1EU
EK6022CFM
Makita battery 18 V / 4.0 Ah, Li-Ion RAL40
Makita quick-charger for 18 V Li-Ion battery LGL1
Plastic case KK120NG KK120NG
Accessories
Bosch battery 18 V / 5.0 Ah, Li-Ion RALB2EU
Makita battery 18 V / 4.0 Ah, Li-Ion RAL40
▪ 22-series interchangeable dies, narrow crimping Item
EK 60/22 with crimping die set D 22 from 16 - 240 mm²
EK 60/22 with crimping die set R 22 from 16 - 240 mm²
EK6022CFMSETD
EK6022CFMSETR
Available dies for Series 22 for EK 60/22
Refer to the limitations when crimping
Sleeves for compacted conductors and sector-shaped conductors, copper
compression cable lugs and connectors
Aluminum side of aluminum/copper compression cable lugs and connectors: crimping dies A22, copper side of aluminum/copper compression cable lugs and connectors: crimping dies D22
Battery powered hydraulic crimping tools
EK 60 VP Battery powered hydraulic crimping tool 10 - 240 mm²
EK60VPgrp

` Crimps optimised at all times due to the patented centring system
` Fast crimp cycles due to Automatic Retraction Stop (ARS)
` All tool data in view thanks to display and Klauke Link® App
Characteristics
▪ Choose your battery system: Bosch or Makita
▪ All data can be easily read via Bluetooth
▪ Quad-point indent crimping feature with patented centring system, no dies required
▪ Open head, rotatable
▪ Quality assurance via visual and audible signals in case of error
▪ Simple and safe: One-button operating concept for controlling all tool functions
▪ Effortless working due to balanced centre of gravity
▪ LED for work area illumination
▪ 2-stage hydraulic system with fast feed and power stroke
▪ Simple and safe: Automatic retraction when operation is complete
▪ Always ready-to-use thanks to battery charge and service display
Technical data
Crimping force 55 kN
Crimping range 10 - 240 mm²
Crimping cycle 3 s to 6 s (depending on crimp cross-section)
Charging time 45 min.
Weight incl. battery 5.0 kg
Ambient temperature -10 °C up to +40 °C
Item
Part No. Bosch Part No. Makita
Battery powered hydraulic crimping tool 10 - 240 mm² EK60VPCFB EK60VPCFM
Scope of supply
Bosch battery 18 V / 5.0 Ah, Li-Ion RALB2EU
Bosch quick-charger for 18 V Li-Ion battery LGLB1EU
Makita battery 18 V / 4.0 Ah, Li-Ion RAL40
Makita quick-charger for 18 V Li-Ion battery LGL1
Plastic case KK120NG KK120NG
Accessories
Gauge and 10 Test cylinder TS10B TS10B
Suitable for Connection material Crimping range mm² Crimp profile
Copper tubular cable lugs and connectors
Tubular cable lugs, standard type, tubular cable lugs for switchgear connections 10-240
Connectors, standard type 10-120
Tubular cable lugs for fine stranded conductors 10-240
Connectors for fine stranded conductors 10-95
EK60VPFTgrp
EK 60 VP/FT Battery powered hydraulic crimping tool 16
- 300 mm²

` Suitable for crimping tubular cable lugs and connectors „standard type“ and fine and superfine stranded conductors to 300 mm²
` Fast crimp cycles due to Automatic Retraction Stop (ARS)
` All tool data in view thanks to display and Klauke Link® App
Characteristics
▪ Choose your battery system: Bosch or Makita
▪ All data can be easily read via Bluetooth
▪ Quad-point indent crimping feature with patented centring system, no dies required
▪ Closed head with bolt interlock, rotatable, flip top style
▪ Quality assurance via visual and audible signals in case of error
▪ Simple and safe: One-button operating concept for controlling all tool functions
▪ Effortless working due to balanced centre of gravity
▪ LED for work area illumination
▪ 2-stage hydraulic system with fast feed and power stroke
▪ Simple and safe: Automatic retraction when operation is complete
▪ Automatic retract stop (ARS) for positioning control in case of multiple crimps
▪ Always ready-to-use thanks to battery charge and service display
Technical data
Crimping force 55 kN
Crimping range 16 - 300 mm²
Crimping cycle 3 s to 6 s (depending on crimp cross-section)
Charging time 45 min.
Weight incl. battery 5.1 kg
Ambient temperature -10 °C up to +40 °C
Item
Battery powered hydraulic crimping tool 16 - 300 mm² EK60VPFTCFB EK60VPFTCFM
Scope of supply
Bosch battery 18 V / 5.0 Ah, Li-Ion
RALB2EU
Bosch quick-charger for 18 V Li-Ion battery LGLB1EU
Makita battery 18 V / 4.0 Ah, Li-Ion RAL40
Makita quick-charger for 18 V Li-Ion battery LGL1
Plastic case KK120NG KK120NG
Accessories
Bosch battery 18 V / 5.0 Ah, Li-Ion RALB2EU
Makita battery 18 V / 4.0 Ah, Li-Ion RAL40
Suitable for Connection material Crimping range mm² Crimp profile
Tubular cable lugs and connectors - Cu
Tubular cable lugs and connectors, standard type, tubular cable lugs for switchgear connections 16-300
Tubular cable lugs and connectors for fine stranded conductors 16-300
Crimping
Battery powered hydraulic crimping tools
EKM60IDGRP
EKM 60 ID Battery powered hydraulic crimping tool 10

Suitable for Connection material Crimping range mm² Crimp profile
Copper tubular cable lugs and connectors
Tubular cable lugs and connectors, standard type, Tubular cable lugs for switch gear
connections
Tubular cable lugs and connectors for fine stranded conductors
10 - 300
10 - 300
Terminals, connectors and pin terminals acc. to DIN
Solderless terminals (DIN 46234) connectors and pin terminals (DIN 46230, DIN 46341)
10 - 300
Aluminum compression cable lugs and connectors
Aluminum compression cable lugs and connectors acc. to DIN
50 - 240
Aluminum/copper compression cable lugs and connectors
Aluminum/copper compression cable lugs and connectors
50 - 240
- 300 mm²
` Extra large crimping area due to innovative 2-stage telescopic cylinder
` Indent crimping - no changing of dies required
` All tool data in view thanks to display and Klauke Link® App
Characteristics
▪ Choose your battery system: Bosch or Makita
▪ All data can be easily read via Bluetooth
▪ With innovative 2-stage telescopic cylinder
▪ Closed head, flip top style, rotatable
▪ Quality assurance via visual and audible signals in case of error
▪ Simple and safe: One-button operating concept for controlling all tool functions
▪ Effortless working due to balanced centre of gravity
▪ LED for work area illumination
▪ Always ready-to-use thanks to battery charge and service display
Suitable for
▪ Very well suited for compacted conductors
▪ Especially for fine strand conductors to EN 60228
▪ Certified from 16 mm² onwards
Technical data
Crimping force
30 - 60 kN
Stroke / opening width 40.5 mm
Crimping range Cu 10 - 300 mm²
Crimping range Al 50 - 240 mm²
Crimping cycle 2 s (for ARS) to 7 s (depending on cross-section)
Charging time 15 min.
Weight incl. battery 2.5 kg
Ambient temperature -10 °C up to +40 °C
Item
Battery powered hydraulic crimping tool 10 - 240 mm²
Scope of supply
Bosch battery 18 V / 2.0 Ah, Li-Ion
EKM60IDCFB EKM60IDCFM
RALB1EU
Bosch quick-charger for 18 V Li-Ion battery LGLB1EU
Makita battery 18 V / 1.5 Ah, Li-Ion RAL1
Makita quick-charger for 18 V Li-Ion battery LGL1
Plastic case
Accessories
Bosch battery 18 V / 5.0 Ah, Li-Ion
Makita battery 18 V / 4.0 Ah, Li-Ion
Variants
L-BOXX with battery powered crimping tool
EKM60IDCFB, 10 - 240 mm²
L-BOXX with battery powered crimping tool EKM60IDCFM, 10 - 240 mm²
KK50NG KK50NG
RALB2EU
LBOXXEKM60IDCFB
RAL40
LBOXXEKM60IDCFM
EK 120 ID Battery powered hydraulic crimping tool 35 -
500 mm²

` For superfine-stranded conductors to 500 mm²
` Indent crimping, no dies required
` All tool data in view thanks to display and Klauke Link® App
Characteristics
▪ Choose your battery system: Bosch or Makita
▪ All data can be easily read via Bluetooth
▪ Closed head, flip top style, rotatable
▪ Quality assurance via visual and audible signals in case of error
▪ Simple and safe: One-button operating concept for controlling all tool functions
▪ Effortless working due to balanced centre of gravity
▪ LED for work area illumination
▪ 2-stage hydraulic system with fast feed and power stroke
▪ Simple and safe: Automatic retraction when operation is complete
▪ Automatic retract stop (ARS) for positioning control in case of multiple crimps
▪ Always ready-to-use thanks to battery charge and service display
Technical data
Crimping force 108 kN
Stroke / opening width 52 mm
Crimping range 35 - 500 mm²
Crimping cycle 10 s to 11 s (depending on crimp cross-section)
Charging time 45 min.
Weight incl. battery 7.0 kg
Ambient temperature -10 °C up to +40 °C
Item
Battery powered hydraulic crimping tool 35 - 500 mm²
Scope of supply
Bosch battery 18 V / 5.0 Ah, Li-Ion
RALB2EU
Bosch quick-charger for 18 V Li-Ion battery LGLB1EU
Makita battery 18 V / 4.0 Ah, Li-Ion
Makita quick-charger for 18 V Li-Ion battery
Plastic case
Accessories
RAL40
LGL1
KK120NG KK120NG
Bosch battery 18 V / 5.0 Ah, Li-Ion RALB2EU
Makita battery 18 V / 4.0 Ah, Li-Ion
Suitable for Connection material Crimping range mm² Crimp profile
Copper tubular cable lugs and connectors
Tubular cable lugs and connectors, standard type, Tubular cable lugs for switch gear connections
Tubular cable lugs and connectors for fine stranded conductors
70 - 185
70 - 240
Terminals, connectors and pin terminals acc. to DIN
Solderless terminals (DIN 46234) connectors and pin terminals (DIN 46230, DIN 46341)
95 - 500
RAL40
Battery powered hydraulic crimping tools
EK 120/32 Battery powered hydraulic crimping tool 16 - 400 mm²

` Very large crimping range up to 400 mm²
` Up to 60% fewer crimps thanks to wide crimping in comparison to 6 t tools
` All tool data in view thanks to display and Klauke Link® App
Characteristics
▪ Choose your battery system: Bosch or Makita
▪ All data can be easily read via Bluetooth
▪ Open head, rotatable
▪ Quality assurance via visual and audible signals in case of error
▪ Simple and safe: One-button operating concept for controlling all tool functions
▪ Effortless working due to balanced centre of gravity
▪ LED for work area illumination
▪ 2-stage hydraulic system with fast feed and power stroke
▪ Simple and safe: Automatic retraction when operation is complete
▪ Automatic retract stop (ARS) for positioning control in case of multiple crimps
▪ Always ready-to-use thanks to battery charge and service display
Suitable for
▪ 13-series interchangeable dies, wide crimping
Technical data
Crimping force 120 kN
Stroke / opening width 32 mm
Crimping range 16 - 400 mm²
Crimping cycle
7 s to 8 s (depending on crimp cross-section)
Charging time 45 min.
Weight incl. battery 6.8 kg
Ambient temperature -10° C up to +40 °C
Item
Battery powered hydraulic crimping tool 16 - 400 mm² EK12032CFB EK12032CFM
Scope of supply
Bosch battery 18 V / 5.0 Ah, Li-Ion RALB2EU
Bosch quick-charger for 18 V Li-Ion battery LGLB1EU
Makita battery 18 V / 4.0 Ah, Li-Ion
RAL40
Makita quick-charger for 18 V Li-Ion battery LGL1
Plastic case KK120NG KK120NG
Accessories
Bosch battery 18 V / 5.0 Ah, Li-Ion RALB2EU
Makita battery 18 V / 4.0 Ah, Li-Ion RAL40
Available dies for Series 13 for EK 120/32
Crimping
Battery powered hydraulic crimping tools
EK 120/42 Battery powered hydraulic crimping tool 16 - 400 mm²

` C-head with very wide crimping range to 400 mm²
` Up to 60% fewer crimps thanks to wide crimping in comparison to 6 t tools
` Easy handling by optimum weight distribution
` All tool data in view thanks to display and Klauke Link® App
Characteristics
▪ Choose your battery system: Bosch or Makita
▪ All data can be easily read via Bluetooth
▪ Open head, rotatable
▪ Quality assurance via visual and audible signals in case of error
▪ Simple and safe: One-button operating concept for controlling all tool functions
▪ Effortless working due to balanced centre of gravity
▪ LED for work area illumination
▪ 2-stage hydraulic system with fast feed and power stroke
▪ Simple and safe: Automatic retraction when operation is complete
▪ Automatic retract stop (ARS) for positioning control in case of multiple crimps
▪ Always ready-to-use thanks to battery charge and service display
Suitable for
▪ 13-series interchangeable dies, wide crimping
Technical data
Crimping force 120 kN
Stroke / opening width 42 mm
Crimping range 16 - 400 mm²
Crimping cycle
8 s to 9 s (depending on crimp cross-section)
Charging time 45 min.
Weight incl. battery 7.1 kg
Ambient temperature -10 °C up to +40 °C
Scope of supply
Bosch battery 18 V / 5.0 Ah, Li-Ion RALB2EU
Bosch quick-charger for 18 V Li-Ion battery LGLB1EU
Makita battery 18 V / 4.0 Ah, Li-Ion
RAL40
Makita quick-charger for 18 V Li-Ion battery LGL1
Plastic case KK120NG KK120NG
Accessories
Bosch battery 18 V / 5.0 Ah, Li-Ion RALB2EU
Makita battery 18 V / 4.0 Ah, Li-Ion
RAL40
Available dies for Series 13 for EK 120/42
Battery powered hydraulic crimping tools
EK 120 U Battery
powered hydraulic crimping tool 16 - 400 mm²

` H-head for deep groove crimps
` Up to 60% fewer crimps thanks to wide crimping in comparison to 6 t tools
` All tool data in view thanks to display and Klauke Link® App
Characteristics
▪ Choose your battery system: Bosch or Makita
▪ All data can be easily read via Bluetooth
▪ Closed head, rotatable
▪ Quality assurance via visual and audible signals in case of error
▪ Simple and safe: One-button operating concept for controlling all tool functions
▪ Effortless working due to balanced centre of gravity
▪ LED for work area illumination
▪ 2-stage hydraulic system with fast feed and power stroke
▪ Simple and safe: Automatic retraction when operation is complete
▪ Automatic retract stop (ARS) for positioning control in case of multiple crimps
▪ Always ready-to-use thanks to battery charge and service display
Suitable for
▪ 13-series interchangeable dies, wide crimping
Technical data
Crimping force 120 kN
Stroke / opening width 20 mm
Crimping range 16 - 400 mm²
Crimping cycle 7 s to 8 s (depending on crimp cross-section)
Charging time 45 min.
Weight incl. battery 6.2 kg
Ambient temperature -10° C up to +40 °C
Item
Battery powered hydraulic crimping tool 16 - 400 mm² EK120UCFB EK120UCFM
Scope of supply
Bosch battery 18 V / 5.0 Ah, Li-Ion RALB2EU
Bosch quick-charger for 18 V Li-Ion battery LGLB1EU
Makita battery 18 V / 4.0 Ah, Li-Ion RAL40
Makita quick-charger for 18 V Li-Ion battery LGL1
Plastic case KK120NG KK120NG
Accessories
Bosch battery 18 V / 5.0 Ah, Li-Ion RALB2EU
Makita battery 18 V / 4.0 Ah, Li-Ion RAL40
Available dies for Series 13 for EK 120 U
Battery powered hydraulic crimping tools
EK 135 FT Battery powered hydraulic crimping tool 10 - 630 mm²

` Very large crimping range to 630 mm²
` Very powerful with a crimping force of 13.5 t
` All tool data in view thanks to display and Klauke Link® App
Characteristics
▪ Choose your battery system: Bosch or Makita
▪ All data can be easily read via Bluetooth
▪ Closed head, rotatable
▪ Quality assurance via visual and audible signals in case of error
▪ Simple and safe: One-button operating concept for controlling all tool functions
▪ Effortless working due to balanced centre of gravity
▪ LED for work area illumination
▪ 2-stage hydraulic system with fast feed and power stroke
▪ Simple and safe: Automatic retraction when operation is complete
▪ Automatic retract stop (ARS) for positioning control in case of multiple crimps
▪ Always ready-to-use thanks to battery charge and service display
Suitable for
▪ 13-series interchangeable dies, wide crimping
▪ 15-series interchangeable dies, wide crimping
Technical data
Crimping force 135 kN
Stroke / opening width 50.8 mm
Crimping range 10 - 630 mm²
Crimping cycle ca. 10 s to 11 s (depending on cross-section)
Charging time 45 min.
Weight incl. battery 10.2 kg
Ambient temperature -10 °C up to +40 °C Item
Battery powered hydraulic crimping tool 10 - 630 mm² EK135FTCFB
Scope of supply
Adapter for crimping dies series 13 UA15T UA15T
Bosch battery 18 V / 5.0 Ah, Li-Ion RALB2EU
Bosch quick-charger for 18 V Li-Ion battery LGLB1EU
Makita battery 18 V / 4.0 Ah, Li-Ion RAL40
Makita quick-charger for 18 V Li-Ion battery LGL1
Plastic case KK135FTNG KK135FTNG
Accessories
Bosch battery 18 V / 5.0 Ah, Li-Ion RALB2EU
Makita battery 18 V / 4.0 Ah, Li-Ion RAL40
Available dies for Series 13 for EK 135 FT
Available dies for Series 15 for EK 135 FT
Suitable for Connection material Crimping range mm² Crimp profile Page
Compression cable lugs and connectors acc. to DIN - Cu
Compression cable lugs (DIN 46235) and connectors (DIN 46267, part 1) Cu
USE ADAPTERS!
Please note the use of the adapter UA15T ! The adapter extends the cross-section range, as crimping dies of series 13 can also be used ! Please inform yourself !
Crimping
Hand-operated hydraulic crimping tools
EASY TO HANDLEHAND-OPERATED HYDRAULIC CRIMPING TOOLS
Klauke tools work for you. The 2-stage hydraulic system ensures automatic retraction after crimping. Rotating heads come into their own even in confined areas and support you up to a cross-sectional range of 400 mm². Aluminium makes the tool lighter and the work easier. The bolt interlock makes the device safe when not in use. You save energy and time. All you need to do yourself is crimp.

` Convenient to use
Several crimps in succession are tiring. And so for our hand-operated hydraulic tools, we produced the housing and pump lever from aluminium to achieve a low weight. The pump lever is in exactly the correct position, and so the pump movement requires only a small space. Work better with the convenience of Klauke.
◾ Large crimping range up to 400 mm2
◾ Ergonomic design for effortless operations
◾ 2-stage hydraulic system with fast feed and power stroke
◾ Simple and reliable due to automatic retraction after every crimping operation
◾ Low weight thanks to the aluminium pump lever and housing
` Adapts
All hand-operated hydraulic crimping tools have crimping heads that rotate through 360°. You can work even in confined areas with flexible settings.
◾ 360° rotating crimping heads for safe operations in confined spaces
◾ Well suited for installing cable joints underground or in panel building
` Save yourself the return stroke
Your effort goes only into the crimping process. When the crimping process is complete, the crimping jaws retract into the home position via the automatic retraction function.
Crimping
Hand-operated hydraulic crimping tools
HK 60/22 Hand-operated hydraulic crimping tool 6 - 300 mm²

` Large crimping range up to 300 mm²
` Slim crimping head - ideal when space is critical
Characteristics
▪ Closed head, flip top style, rotatable
▪ Light weight due to high quality aluminium housing
▪ 2-stage hydraulic system with fast feed and power stroke
▪ Simple and safe: Automatic retraction when operation is complete
Suitable for
▪ 22-series interchangeable dies, narrow crimping
Technical data
Crimping force 60 kN
Stroke 17 mm
Crimping range 6 - 300 mm²
Length 460 mm
Weight 3.3 kg
Ambient temperature -20 °C up to +40 °C
Item Part No.
Hand-operated hydraulic crimping tool 6 - 300 mm² HK6022
Scope of supply
Steel carrying case
Variants
HK 60/22 with crimping die set D 22 from 16 - 240 mm²
Part No.
MK6022
Part No.
HK6022SETD
Available dies for Series 22 for HK 60/22
Refer to the limitations when crimping
tubular cable lugs and connectors
for compacted conductors and sector-shaped conductors, copper
Aluminium/copper compression cable lugs and connectors
Aluminum side of aluminum/copper compression cable lugs and connectors: crimping dies A22, copper side of aluminum/copper compression cable lugs and connectors: crimping dies D22
Crimping
Hand-operated hydraulic crimping tools
HK 60 VP Hand-operated hydraulic crimping head 10 - 240 mm²

` Suitable for crimping tubular cable lugs and connectors “standard type“ and fine and superfine stranded conductors up to 240 mm²
` The patented centring system guarantees optimum crimps every time
Characteristics
▪ Quad-point indent crimping feature with patented centring system, no dies required
▪ Open head, rotatable
▪ Light weight due to high quality aluminium housing
▪ 2-stage hydraulic system with fast feed and power stroke
▪ Simple and safe: Automatic retraction when operation is complete
Technical data
Crimping force
55 kN
Crimping range 10 - 240 mm²
Length
525 mm
Weight 4.1 kg
Ambient temperature -20 °C up to +40 °C
Item Part No.
Hand-operated hydraulic crimping tool 10 - 240 mm² HK60VP
Scope of supply Part No.
Steel carrying case MK60VP
Gauge and 10 test cylinder TS10B
Accessories Part No.
Gauge and 10 test cylinder TS10B
Suitable for Connection material Crimping range mm² Crimp profile
Copper tubular cable lugs and connectors
Tubular cable lugs, standard type, tubular cable lugs for switchgear connections
Connectors, standard type
Tubular cable lugs for fine stranded conductors
Connectors for fine stranded conductors
10 - 240
10 - 120
10 - 240
10 - 95
HK 60 VP/FT Hand-operated hydraulic crimping head 16 - 300 mm²

` Suitable for crimping tubular cable lugs and connectors “standard type" and fine and superfine stranded conductors to 300 mm²
` The patented centring system guarantees optimum crimps every time
` Closed crimping head - ideal for utility lines construction
Characteristics
▪ Quad-point indent crimping feature with patented centring system, no dies required
▪ Closed head with bolt interlock, rotatable, flip top style
▪ Light weight due to high quality aluminium housing
▪ 2-stage hydraulic system with fast feed and power stroke
▪ Simple and safe: Automatic retraction when operation is complete
Technical data
Crimping force 55 kN
Crimping range 16 - 300 mm²
Length 535 mm
Weight 4.1 kg
Ambient temperature -20 °C up to +40 °C
Item
Part-No.
Hand-operated hydraulic crimping tool 16 - 300 mm² HK60VPFT
Scope of supply
Part-No.
Steel carrying case MK60VP
Gauge and 10 test cylinder TS10B
Accessories
Suitable for
Copper tubular cable lugs and connectors
Tubular cable lugs and connectors, standard type, tubular cable lugs for switchgear connections
Part.-No.
Gauge and 10 test cylinder TS10B
16 - 300
Tubular cable lugs and compression joints for fine stranded conductors 16 - 300
Crimping
Hand-operated hydraulic crimping tools
HK 120/30 Hand-operated hydraulic crimping tool 16 - 400 mm²

` Very large crimping range to 400 mm²
` Up to 60% fewer crimps thanks to wide crimping in comparison to 6 t tools
Characteristics
▪ Open head, rotatable
▪ Light weight due to high quality aluminium housing
▪ 2-stage hydraulic system with fast feed and power stroke
▪ Simple and safe: Automatic retraction when operation is complete
Suitable for
▪ 13-series interchangeable dies, wide crimping
Technical data
Crimping force 120 kN
Stroke 30 mm
Crimping range 16 - 400 mm²
Length 510 mm
Weight 5.4 kg
Ambient temperature -20 °C up to +40 °C
Item Part No.
Hand-operated hydraulic crimping tool 10 - 400 mm² HK12030
Scope of supply
Steel carrying case
Part No.
MK12042
Available dies for Series 13 for HK 120/30
Crimping
Hand-operated hydraulic crimping tools
HK 120/42 Hand-operated hydraulic crimping tool 16 - 400 mm²

` Very large crimping range up to 400 mm²
` Up to 60% fewer crimps thanks to wide crimping in comparison to 6 t tools
` C-head with larger 42 mm jaw opening
Characteristics
▪ Open head, rotatable
▪ Light weight due to high quality aluminium housing
▪ 2-stage hydraulic system with fast feed and power stroke
▪ Simple and safe: Automatic retraction when operation is complete
Suitable for
▪ 13-series interchangeable dies, wide crimping
Technical data
Crimping force 120 kN
Stroke 42 mm
Crimping range 16 - 400 mm²
Length 560 mm
Weight 5.9 kg
Ambient temperature -20 °C up to +40 °C
Item Part No.
Hand-operated hydraulic crimping tool 16 - 400 mm² HK12042
Scope of supply Part No.
Steel carrying case MK12042
Available dies for Series 13 for HK 120/42
Crimping
Hand-operated hydraulic crimping tools
HK 120 U Hand-operated hydraulic crimping tool 16 - 400 mm²

` H-head for deep groove crimps
` Up to 60% fewer crimps thanks to wide crimping in comparison to 6 t tools
Characteristics
▪ Closed head, rotatable
▪ Light weight due to high quality aluminium housing
▪ 2-stage hydraulic system with fast feed and power stroke
▪ Simple and safe: Automatic retraction when operation is complete
Suitable for
▪ 13-series interchangeable dies, wide crimping
Technical data
Crimping force 120 kN
Stroke 20 mm
Crimping range 16 - 400 mm²
Length 540 mm
Weight 5.2 kg
Ambient temperature -20 °C up to +40 °C
Item
Hand-operated hydraulic crimping tool 16 - 400 mm²
Scope of supply Part
Steel carrying case
Available dies for Series 13 for HK 120 U
FLEXIBLE HEADS - HYDRAULIC CRIMPING
HEADS AND CRIMPING TOOL SYSTEMS
No matter whether continuous operation in the workshop or portable use in the fieldKlauke crimping heads and systems provide the right solution each and every time.

` The Klauke system
Full flexibility with the Klauke system - all hydraulic heads and pumps are mutually compatible and your 13 and 22 series crimping dies can also be used in the hydraulic crimping heads.
◾ Crimping heads for the 13 and 22 series, also for workbench mounting
◾ Crimping heads with a crimping force of 55 kN to 1000 kN
◾ Workbench tools BG-tested
` High crimping force for greater width
The crimping heads achieve a crimping force of 55 kN to 1000 kN. Allowing you to process cable lugs of up to 1600 mm2
◾ Compact design
◾ Easy handling
◾ Versatile
◾ Broadest range of applications
Crimping
Hydraulic crimping heads and crimping systems
PK 22 Hydraulic crimping heads 6 - 300 mm²
` Large crimping range up to 300 mm²

` Slim crimping head - ideal when space is critical
Characteristics
▪ Closed head, flip top style, 360° rotation when not pressurised
▪ For connecting to hydraulic pumps with 700 bar operating pressure for best possible results
Suitable for
▪ 22-series interchangeable dies, narrow crimping
Additional information
▪ Part Number appendix for W crimping dies (UL-tested) "W"
Technical data
Crimping force
60 kN
Stroke / opening width 17 mm
Crimping range
6 - 300 mm²
Operating pressure max. 700 bar
Length
305 mm
Weight 3.0 kg
Item
Part No.
Hydraulic crimping head 6 - 300 mm² PK22
Scope of supply
Part No.
Carrying bag TT2
THK 22 Hydraulic crimping tool for workbench mounting 6 - 300 mm²
THK22grp

` Large crimping range up to 300 mm²
` For connecting to hydraulic pumps with 700 bar operating pressure for optimum crimping results
Characteristics
▪ Quick coupling
▪ For workbench mounting
▪ BG-conformity version
Suitable for
▪ 22-series interchangeable dies, narrow crimping
Technical data
Crimping force
Crimping range
60 kN
6 - 300 mm²
Operating pressure max. 700 bar
Weight 8.8 kg
Dimensions
Item
H x W x D: 220 x 160 x 120 mm
Part No.
Hydraulic crimping tool for workbench mounting 6 - 300 mm² THK22
Available dies for Series 22 for PK 22 and THK 22
Aluminium/copper compression cable lugs and connectors
Aluminum side of aluminum/copper compression cable lugs and connectors: crimping dies A22, copper side of aluminum/copper compression cable lugs and connectors: crimping dies D22
Cable end-sleeves
Crimping
Hydraulic crimping heads and crimping systems
Hydraulic crimping head 16 - 300 mm²

` Suitable for crimping tubular cable lugs and connectors “standard type“ and fine and superfine stranded conductors to 300 mm²
` The patented centring system guarantees optimum crimps every time
` Closed crimping head - ideal for utility lines construction, for example
Characteristics
▪ Quad-point indent crimping and wide crimping
▪ Closed head, flip top style, 360° rotation when not pressurised
▪ For connecting to hydraulic pumps with 700 bar operating pressure for best possible results
Technical data
Crimping force 55 kN
Crimping range 16 - 300 mm²
Operating pressure max. 700 bar
Length 315 mm
Weight 2.8 kg
Item
Hydraulic crimping head 16 - 300 mm²
Part No.
PK60VPFT
Scope of supply Part No.
Carrying bag TT2
Suitable for Connection material Crimping range mm² Crimp profile
Copper tubular cable lugs and connectors
Tubular cable lugs and connectors, standard type, tubular cable lugs for switchgear connections
Tubular cable lugs and connectors for fine stranded conductors
16 - 300
16 - 300
PK60IDGRP PK 60 ID
Hydraulic crimping head 10 - 300 mm²
` Extra large crimping area due to innovative 2-stage telescopic cylinders

` Indent crimping - no changing of dies required
Characteristics
▪ Closed head, flip top style, rotatable
▪ For connecting to hydraulic pumps with 700 bar operating pressure for best possible results
Technical data
Crimping force 30 - 60 kN
Stroke / opening width 40.5 mm
Crimping range copper 10 - 300 mm²
Crimping range aluminum 50 - 240 mm²
Operating pressure max. 700 bar
Length 249.5 mm
Weight approx. 2.5 kg
Item
Hydraulic crimping head 10 - 240 mm²
Scope of supply Part No.
Carrying bag TT2
Suitable for Connection material
Copper tubular cable lugs and connectors
Tubular cable lugs and connectors, standard type, Tubular cable lugs for switch gear connections
Tubular cable lugs and connectors for fine stranded conductors
Terminals, connectors and pin terminals acc. to DIN
Solderless terminals (DIN 46234) connectors and pin terminals (DIN 46230, DIN 46341)
Aluminum compression cable lugs and connectors
Aluminum compression cable lugs and connectors acc. to DIN
Aluminum/copper compression cable lugs and connectors
Aluminum/copper compression cable lugs and connectors
10 - 300
10 - 300
10 - 300
50 - 240
50 - 240
Hydraulic crimping heads and crimping systems
PK 120/42 Hydraulic crimping head 10 - 400 mm²

` Large crimping range up to 400 mm²
` C-head with larger 42 mm jaw opening
` Up to 60% fewer crimps thanks to wide crimping in comparison to narrow crimping
Characteristics
▪ Head with quick coupling, 360° rotation when not pressurised
▪ For connecting to hydraulic pumps with 700 bar operating pressure for best possible results
Suitable for
▪ 13-series interchangeable dies, wide crimping
Technical data
Crimping force
Stroke / opening width
Crimping range
Operating pressure
Item
- 400 mm²
Hydraulic crimping head 10 - 400 mm²
Scope of supply
Carrying bag TT2
THK 120 Hydraulic crimping tool for workbench mounting 10 - 400 mm²
` Large crimping range up to 400 mm²
` For workbench mounting
` BG-compliant version
` Up to 60% fewer crimps thanks to wide crimping in comparison to narrow crimping

Characteristics
▪ Quick coupling
▪ For connecting to hydraulic pumps with 700 bar operating pressure for best possible results
Suitable for
▪ 13-series interchangeable dies, wide crimping
Technical data
Crimping force 120 kN
Crimping range 10 - 400 mm²
Operating pressure max. 700 bar
Weight 12 kg
Dimensions H x W x D: 285 x 160 x 110 mm
Item Part No.
Hydraulic crimping tool for workbench mounting 10 - 400 mm² THK120
Available
dies for Series 13 for PK 120/42 and THK 120
Hydraulic crimping heads and crimping systems
PK 120 U Hydraulic crimping head 10
- 400 mm²
` H-head for deep groove crimps
` Up to 60% fewer crimps thanks to wide crimping in comparison to narrow crimping
Characteristics
▪ Head with quick coupling, 360° rotation when not pressurised

Carrying bag TT2 Crimping
▪ For connecting to hydraulic pumps with 700 bar operating pressure for best possible results
Suitable for
▪ 13-series interchangeable dies, wide crimping
Technical data
Crimping force 120 kN
Stroke / opening width 20 mm
Crimping range 10 - 400 mm²
Operating pressure max. 700 bar
Length 320 mm
Weight 3.7 kg
Item Part No.
Hydraulic crimping head 10 - 400 mm² PK120U
Scope of supply Part No.
Available dies for Series 13 for PK 120 U
Crimping
Hydraulic crimping heads and crimping systems
crimping head 16 - 625 mm²
` For dies acc. to DIN 48083, sheet 3

` Very large crimping range up to 625 mm²
` For connecting to hydraulic pumps with 700 bar operating pressure for optimum crimping results
Characteristics
▪ Head with quick coupling, 360° rotation when not pressurised
Suitable for
▪ 25-series interchangeable dies, wide crimping
▪ When using adapter item no. 25A13 also for interchangeable dies of the 13 series
Technical data
Crimping force 250 kN
Stroke / opening width 20 mm
Crimping range 16 - 625 mm²
Operating pressure max. 700 bar
Length 335 mm Weight 5.3 kg
crimping head 16 - 625 mm²
Scope of supply
bag TT2
Accessories
Adapter for crimping dies of the Klauke 13-series 25A13
Available dies for Series 25 for PK 25/2
Refer to the limitations when crimping connectors in the technical appendix.
Suitable for
Compression
Sleeves for compacted conductors and sector shaped conductors, Cu
Pre-rounding crimping dies for Al and Cu sector shaped conductors, 3 and 4
Aluminium/copper compression cable lugs and connectors
Aluminum side of aluminium/copper compression cable lugs and connectors: crimping dies HA25, copper side of aluminium/copper compression cable lugs and connectors: crimping dies HD25
Available dies for Series 13 for PK 25/2
Crimping
Hydraulic crimping heads and crimping systems
Hydraulische Presswerkzeugsysteme
HK 25/2 Hydraulic crimping tool with foot pump 16 - 625 mm²

` Extremely wide cross section range up to 625 mm²
` Hydraulic system with 250 kN crimping force
` Foot pump with two-stage hydraulics
Characteristics
▪ Head with quick coupling, 360° rotation when not pressurised
▪ Manual retract as required
Suitable for
▪ 25-series interchangeable dies, wide crimping
Additional information
▪ The wide choice of available crimping dies can be found in chapter “Crimping dies“ under Series 25.
▪ When using adapter item no. 25A13 also for interchangeable dies of the 13 series
Technical data
Crimping force 250 kN
Crimping range 16 - 625 mm²
Operating pressure max. 700 bar
Weight 17.6 kg
Item
Part No.
Hydraulic crimping tool with foot pump 16 - 625 mm² HK252
Scope of supply
Hydraulic hose, 2 m
Part No.
HS22
Steel carrying case MKU
Accessories
Hydraulic hose, 3 m
Hydraulic hose, 4 m
Hydraulic hose, 5 m
Hydraulic hose, 6 m
Hydraulic hose, 8 m
Hydraulic hose, 10 m
Part No.
HS23
HS24
HS25
HS26
HS28
HS210
Adapter for crimping dies of the Klauke 13-series 25A13
Crimping
Crimping dies
SIX SERIES IN USECRIMPING DIES
The Klauke range of crimping dies is unbeatable. We have developed a total of 6 series to suit your requirements. All are set apart by their high durability and highest precision. For optimum crimping results, the crimping surface of the dies are polished. You can count on that: Tools, crimping dies and connection materials from Klauke deliver the perfect electrical connection every time.

In brief
` Broad range with 6 different crimping dies series
` Solutions for every material
` Polished crimping surfaces for optimum crimping results
Adapter
The use of adapters for crimping tools increases the area of application and enables the processing of smaller cross-sectional areas. Inform yourself!
K15 Series: Part no. UA15T for crimping dies of series 13
K25 Series: Part no. 25A13 for crimping dies of series 13






BNC plug RG 58, RG 59, RG 62, RG 71
Turned pin receptacle and pin connectors
Cross-section depending on conductor structure
Crimping
Crimping dies


Serie 50
r501grp
Crimping dies R 50, indent crimping
Suitable for

▪ Tubular cable lugs and connectors - Cu, standard type Cross section mm² For item
0.75 - 2.5 91R, 92R, 93R R501
4 - 10 94R, 95R, 2R R502
R504GRP
Crimping dies R 50, hexagonal crimping
Suitable for

▪ Tubular cable lugs and connectors - Cu, standard type
- 16 R504 16 - 25 R505
m50154grp
Crimping dies M 50

Suitable for
▪ Tubular cable lugs and connectors for solid conductors
1.5 - 4
6 - 10 M50610
D504grp
Crimping
dies D 50
Suitable for

▪ Compression cable lugs to DIN 46235 and connectors to DIN 46267, part 1 - Cu
▪ Incompatible tool and cable lug combinations: - D504 for 6 mm² & 10 mm² DIN in combination with copper conductor class 1
- 16
- 25
Crimping
q501grp
dies Q 50

Suitable for
▪ Solderless terminals to DIN 46234 and pin terminals to DIN 46230 - Cu
▪ Solderless connectors to DIN 46341 - Cu
- 10
Crimping
ae5071grp
Suitable for
dies AE 507

▪ Cable end-sleeves
Crimping
Crimping dies
Crimping dies IS 50, single crimping
Suitable for

▪ Insulated cable connections, single crimping
▪ Insulated solderless terminals and pin terminals
Cross
0,5 - 2,5 IS504 670 WS, 680 WS
4 - 6 IS505 700 WS
10 - 16 IS5072 ST1716IS, ST1717IS, 652C5, 652C6, 653C6
Crimping dies IS 50, double crimping
is5072grp is5071grp
Suitable for

▪ Insulated cable connections, double crimping
0,1 - 1 IS503 8201-8201B
0,5 - 6 IS5071
Crimping dies CR 50
cr501grp

Suitable for
▪ Non-insulated receptacles
bnc501grp
Crimping dies BNC 50

Suitable for
▪ Stud and shielded sleeves
▪ BNC plugs for coax cable RG 58, 59, 62 and 71
Crimping dies SB 50
sb501grp

Suitable for
▪ Turned pin receptacles
▪ Pin connectors
Crimping dies ZAE 507
Suitable for
zae5072grp

▪ Twin cable end-sleeves
is5072grp pv502grp
Crimping dies PV 50

Suitable for ▪ PV-connectors
Schneideinsätze s502grp
Cutting dies

Suitable for
▪ Knot chains
▪ For stranded conductors up to bis 25 mm² e.g. EN 60228 Class 2
▪ Copper rails up to 3 mm x 10 mm
▪ Steel cables and similar materials up to 3 mm
SD5006grp
Stripping dies PV 50

Stripping dies
▪ all common insulation types



Crimping dies HR 4
HR46grp

Suitable for
▪ Tubular cable lugs and connectors - Cu, standard type
▪ Tubular cable lugs for switchgear connections
hr4setgrp
Crimping die set, 6 - 150 mm² HR 4 in plastic case, 11-pce.

Suitable for
▪ Tubular cable lugs and connectors - Cu, standard type
▪ Tubular cable lugs for switchgear connections
Crimping dies HIS 4
Suitable for

▪ Insulated tubular cable lugs and connectors
▪ Insulated pin terminals
Crimping dies HF 4
his410grp hf410grp

Suitable for
▪ Tubular cable lugs and connectors for fine stranded conductors
hn446grp
Crimping dies HN 4, Double indent crimping

Suitable for
▪ Tubular cable lugs and connectors - Ni
▪ Tubular cable lugs and connectors - stainless steel
hd46grp
Crimping dies HD 4

Suitable for
▪ Compression cable lugs to DIN 46235 and connectors to DIN 46267, part 1 - Cu
hn41525grp
Crimping dies HN 4, Indent crimping

Suitable for
▪ Tubular cable lugs and connectors - Ni
▪ Tubular cable lugs and connectors - stainless steel
Crimping dies HQ 4
hq410grp

Suitable for
▪ Solderless terminals to DIN 46234 and pin terminals to DIN 46230 - Cu
▪ Solderless connectors to DIN 46341 - Cu
Crimping die set, 6 - 120 mm² HD 4 in plastic case, 10-pce.
hd4setgrp

Suitable for
▪ Compression cable lugs to DIN 46235 and connectors to DIN 46267, part 1 - Cu
Crimping dies HISQ 4
hisq410grp

Suitable for
▪ Insulated solderless terminals and pin terminals
Crimping Crimping dies
Crimping dies HRU 4
hru410grp

Suitable for
▪ Pre-rounding dies for sector-shaped Al and Cu conductors
▪ 3- and 4-core sector-shaped conductors
Crimping dies HA 4
Ha410GRP

Suitable for
▪ Compression cable lugs and connectors to DIN - Al
▪ Compression cable lugs and connectors Al/Cu (aluminium side)
hc416grp
Crimping dies HC 4 / HMC 4

Suitable for ▪ C-clamps
Crimping dies HAES 4
haes450sgrp
Suitable for ▪ Cable end-sleeves











Crimping dies R 22

Suitable for
▪ Tubular cable lugs and connectors - Cu, standard type
▪ Tubular cable lugs for switchgear connections
Crimping die set, 6 - 300 mm² R 22 in plastic case, 14-pce.

Suitable for
▪ Tubular cable lugs and connectors - Cu, standard type
▪ Tubular cable lugs for switchgear connections
Part No. R22SET
Crimping dies IS 22

Suitable for
▪ Insulated tubular cable lugs and connectors
▪ Insulated pin terminals
r226grp
r22setgrp
is2210grp
Crimping
Crimping dies
Crimping dies F 22
Suitable for
f2210grp

▪ Tubular cable lugs and connectors for fine stranded conductors
Crimping dies D 22

Suitable for
▪ Compression cable lugs to DIN 46235 and connectors to DIN 46267, part 1 - Cu
Crimping dies M 22

Suitable for
▪ Tubular cable lugs and connectors for solid conductors
Crimping
die set, 6-300 mm² D 22 in plastic case, 14-pce.
b22setgrp

Suitable for
▪ Compression cable lugs to DIN 46235 and connectors to DIN 46267, part 1 - Cu
Suitable for
n2225grp
Crimping dies N 22

▪ Tubular cable lugs and connectors - Ni
▪ Tubular cable lugs and connectors - stainless steel
Crimping dies DP 22

Suitable for
▪ Double compression cable lugs
Crimping dies Q 22
ru2210grp q2210grp

Suitable for
▪ Solderless terminals to DIN 46234 and pin terminals to DIN 46230 - Cu
▪ Solderless connectors to DIN 46341 - Cu
Crimping dies RU 22

Suitable for
▪ Pre-rounding of sector-shaped Al- and Cu-conductors
▪ 3- and 4-core sector-shaped conductors
Crimping dies ISQ 22
isq2210grp

Suitable for
▪ Insulated solderless terminals and pin terminals
Crimping dies A 22
a22setgrp a2210grp

Crimping die set, 10-300 mm² A 22 in plastic case, 11-pce. Suitable for ▪ Compression
Compression

Suitable for
▪ Compression cable lugs and connectors to DIN - Al
▪ Compression cable lugs and connectors Al/Cu (aluminium side)
h2270grp ae2213
Crimping dies H 22

Suitable for ▪ H-clamps
Crimping dies AE 2213
` The crimping dies can be used with tools from crimping dies series 22 und 13

Suitable for ▪ Cable
Crimping dies C 22 / MC 22
c2216grp

Suitable for ▪ C-clamps
Crimping












Crimping die set 16 - 400 mm² HR13 in plastic case, 13 - pce.

Suitable for
▪ Tubular cable lugs and connectors - Cu, standard type
▪ Tubular cable lugs for switchgear connections

25/2 + 25/A13
Crimping dies HR 13

Suitable for
▪ Tubular cable lugs and connectors - Cu, standard type
▪ Tubular cable lugs for switchgear connections
Additional information
▪ * = Narrow crimping (crimp 5 x)
Crimping
Crimping dies
Crimping dies HF 13
hf1316grp

Suitable for
▪ Tubular cable lugs and connectors for fine stranded conductors
hn1350grp
Crimping dies HN 13, Double indent crimping

Suitable for
▪ Tubular cable lugs and connectors - Ni
▪ Tubular cable lugs and connectors - stainless steel
Crimping dies HN 13, Indent crimping
hn1395grp

Suitable for
▪ Tubular cable lugs and connectors - Ni
▪ Tubular cable lugs and connectors - stainless steel
his1310grp
Crimping dies HIS 13

Suitable for
▪ Insulated tubular cable lugs and connectors
▪ Insulated pin terminals
5
Crmping dies HD 13
hd1316grp

Suitable for
▪ Compression cable lugs to DIN 46235 - Cu
▪ Compression joints to DIN 46267, part 1 - Cu
Technical instructions
▪ For connectors, refer to the installation instructions in the technical appendix, page i-8
Additional information
▪ * = Narrow crimping (crimp 5 x)
hdp1350grp
Crimping dies HDP 13

Suitable for ▪ Double compression cable lugs
2
2 x
Crimping dies HQ 13
Suitable for

▪ Solderless terminals to DIN 46234 and pin terminals to DIN 46230 - Cu
▪ Solderless connectors to DIN 46341 - Cu
hq1316grp hd13setgrp
Crimping die set 10 - 300 mm² HD13 in plastic case, 13 - pce.

Suitable for
▪ Compression cable lugs DIN 46235 - Cu
▪ Compression joints DIN 46267, part 1 - Cu
Crimping dies HISQ 13
hisq1310grp

hru1310grp
Crimping dies HRU 13

Suitable for ▪ Pre-rounding dies for sector-shaped Al and Cu conductors ▪ 3- and 4-core sector-shaped conductors
Crimping dies HA 13
ha1310grp

Suitable for
▪ Compression cable lugs and connectors to DIN - Al

▪ Compression cable lugs and connectors Al/Cu (aluminium side)
Technical instructions
▪ For connectors, refer to the installation instructions in the technical appendix, page i-8
Crimping dies HC 13 / HMC 13

Suitable for ▪ C-clamps
Crimping dies AE 2213
Crimping
ha13setgrp
die set 10 - 300 mm² HA13 in plastic case, 11-pce.

Suitable for
▪ Compression cable lugs and connectors to DIN - Al
▪ Compression cable lugs and connectors Al/Cu (aluminium side)
` The crimping dies can be used with tools from crimping dies series 22 und 13

Suitable for
▪ Cable end-sleeves
Crimping dies HAH 13
Suitable for
▪ H-clamps
hah1370grp

ae2213

Adapter for crimping dies Series 13
ua15tgrp

Suitable for ▪ All crimping dies of series 13
Part No. Adapter for crimping dies Series 13 UA15T
HA15400grp
Crimping dies HA 15

Suitable for
▪ Compression cable lugs and connectors to DIN - Al
▪ Compression cable lugs and connectors Al/Cu (aluminium side)
Crimping dies HD 15
HD15400grp

Suitable for
▪ Compression cable lugs to DIN 46235 and connectors to DIN 46267, part 1 - Cu
Additional information
▪ * = Narrow crimping (crimp 7 x)
Crimping
Crimping dies


Adapter for crimping dies Series 13
25a13grp

suitable for
▪ All crimping dies of series 13
Item Part No.
Adapter for crimping dies Series 13 25A13
Crimping dies HR 25
hr2530grp

Suitable for
▪ Tubular cable lugs and connectors - Cu, standard type
▪ Tubular cable lugs for switchgear connections
Crimping dies HD 25
hd2530grp

Suitable for
▪ Compression cable lugs to DIN 46235 - Cu
▪ Compression joints to DIN 46267, part 1 - Cu
hru2540grp
Crimping dies HRU 25

Suitable for
▪ Pre-rounding dies for sector-shaped Al and Cu conductors
▪ 3- and 4-core sector-shaped conductors
Crimping dies HF 25
Suitable for
hf2540grp

▪ Tubular cable lugs and connectors for fine stranded conductors
ha2540grp Crimping dies HA 25

Suitable for
▪ Compression cable lugs and connectors to DIN - Al
▪ Compression cable lugs and connectors Al/Cu (aluminium side)
hc2595grp
Crimping dies HC 25 / HMC 25

Suitable for ▪ C-clamps

CUTS ABSOLUTELY EVERYTHING.
Klauke cutting tools offer an impressively broad range of applications. No matter which material or cross sections you want to cut, Klauke tools ensure you work simply, quickly and safely.

PERFECT CUTTINGMECHANICAL CUTTING TOOLS
In use, every cut must sit straight away. Our mechanical cutting tools are prepared for your work. The ergonomic handle is there to assist you, because the first moment, the typical Klauke lever technology optimally transfers your force. Your cuts are precise, the tools are easy to use and durable thanks to high material quality. Good first impression.

`
In brief
` Cutting tools for aluminium and copper cables up to 100 mm diameter
` Simple working due to optimised force transmission
` Precise cuts with high-quality cutting blades
Effortless operations thanks to ergonomic shape
` For everyday use
Klauke cutting tools are made from high-quality materials: “Made in Germany”. Highly durable and are therefore best suited for daily use in workshops or on the construction site.
◾ Cutting tools for aluminium and copper cables up to 100 mm diameter

` Flexible in use
◾ Stepless telescopic handles permit optimum lever adjustment
◾ Cutting head can be replaced
◾ Well suited for fine-stranded conductors
◾ Also available as fully-insulated tool to 1000 V to DIN EN 60900
◾ Re-adjustable cutters
◾ Effortless operations due to low weight
◾ Processing of high-quality materials
` Powerful in every situation
◾ Compact and convenient size
◾ Practical single-handed operation with low effort
◾ Effective cutting performance up to Cu 12 mm dia.
◾ Reduced effort required due to different cutting profiles for large and small diameters

K118grp
K 118 Hand-operated cutting tool for Al and Cu cables to 12 mm dia.

` Perfect in confined areas
` Handy shape with high cutting performance
` Exceptional cutting tool for solid, multi, fine and superfine stranded cables e.g. to DIN EN 60228, Class 1, 2, 5 and 6
` Increased user convenience thanks to two cutting profiles for small and large cable dimensions
Characteristics
▪ One-hand operation
Suitable for
▪ For solid conductors, class 1, to 10 mm² (max. 4 mm dia.)
▪ Copper stranded conductors, class 2, to 16 mm² (max. 5 mm dia.)
▪ Aluminium stranded conductors, class 2, to 25 mm² (max. 10 mm dia.)
▪ Copper fine and superfine stranded conductors, class 5 and 6, to 50 mm² (max. 12 mm dia.)
Technical data
Cutting range max. 12 mm dia., e.g. 1 x 50 mm² H07VK
Hand-operated cutting tool for to 12 mm dia.
K 100 Hand-operated cutting tool for Al and Cu cables to 14 mm dia.
K100grp

` Optimised cutting tool for fine and multi-stranded cables
Characteristics
▪ Compact design permits cutting in confined areas
▪ Two-hand operation
Technical data
Cutting range max. 14 mm dia., e.g. 1 x 50 mm² H07VK
Length 280 mm Weight 0.55 kg Item
Hand-operated cutting tool for Cu and Al cables to 14 mm dia. K100
K 102 Hand-operated cutting tool for to 20 mm dia.
K102grp

` Optimised cutting tool for fine and superfine stranded Cu cables to DIN EN 60228, Cl. 5+6
` Adjustable pivot point
Characteristics
▪ Handle with slip guard and inscription panel
▪ Two-handed locking
Technical data
Cutting range max. 20 mm dia., e.g. 1 x 95 mm² H07V-K
Length 210 mm
Weight 0.38 kg
Item
Hand-operated cutting tool for to 20 mm dia. K102
K 106/1 Hand-operated cutting tool for Al and Cu cables, class 2 to Ø 34 mm

` Effortless operations thanks to energy-saving 2-stage ratchet system
` Lightweight design with great cutting performance
Characteristics
▪ One-hand operation
▪ Not suitable for cutting steel or steel wire
▪ Handle with slip guard and inscription panel
Technical data Cutting
K 106/2 Hand-operated cutting tool for Al and Cu cables, class 2 to Ø 62 mm

` Effortless operations thanks to energy-saving 2-stage ratchet system
` Lightweight design with great cutting performance
` Cutting range to 62 mm
Characteristics
▪ One-hand operation
▪ Not suitable for cutting steel or steel wire
▪ Handle with slip guard and inscription panel
Technical data
Cutting range
4 x 120 mm² NYY, max. 62 mm dia.
Hand-operated cutting tool for Cu and Al cables to 62 mm dia. K1062
K 103/1 Hand-operated cutting tool for Al and Cu cables to 60 mm dia.
K1031grp

` Energy-efficient 2-stage ratchet system
` For earth, plastic and rubber cables
Characteristics
▪ Not suitable for cutting steel or steel wire
Technical data
Cutting range
4 x 240 mm² NAYY, max. 60 mm dia.
Hand-operated cutting tool for Cu and Al cables to 60 mm dia. K1031
K 130 Hand-operated cutting tool for Al and Cu cables to 30 mm dia.

` Exceptional cutting performance even with fine-stranded conductors thanks to specially designed, extremely sharp cutting blades
` Large cutting range
Characteristics
▪ Safe working thanks to roughened handle
▪ Not suitable for cutting steel or steel wire
Technical data
Cutting range e.g. 4 x 35 mm² NYY, max. 30 mm dia.
Length 570 mm
Weight 1.7 kg
Item
Hand-operated cutting tool for Cu and Al cables to 30 mm dia. K130
K 150 Hand-operated cutting tool for Al and Cu cables to 50 mm dia.

` Exceptional cutting performance even with fine-stranded conductors thanks to specially designed, extremely sharp cutting blades
` Secure grip due to roughened handle
Characteristics
▪ Large cutting range
▪ Not suitable for cutting steel or steel wire
Technical data
Cutting range max. 50 mm dia., e.g. 4 x 120 mm² NYY
Length 710 mm
Weight 3 kg
Item
Hand-operated cutting tool for Cu and Al cables to 50 mm dia. K150
K 105/1 Hand-operated cutting tool for Al and Cu cables to 26 mm with telescopic handles dia.

` Compact dimensions with extending telescopic handles for easier carrying
` High cutting performance
` Also for fine-stranded conductors e.g. to DIN EN 60228 Cl. 5
Characteristics
▪ Two-hand operation
▪ Maintenance on-site due to replacement of cutting heads
▪ Safe working thanks to roughened handle
▪ Not suitable for cutting steel or steel wire
Technical data
Cutting range e.g. 4 x 25 mm² NYY, max. 26 mm dia.
Length Stepless 350 - 520 mm
Weight 1.4 kg
Item
Hand-operated cutting tool for Al and Cu cables to 26 mm dia., length 350 - 520 mm continuous K1051
Accessories
Replacement cutting head
K1011grp
K 101/1 Hand-operated cutting tool for Al and Cu cables to 26 mm dia.

` Can be maintained on-site thanks to replaceable cutting heads
` Exceptional cutting performance even with fine-stranded conductors
Characteristics
▪ Two-hand operation
▪ Excellent leverage
▪ Not suitable for cutting steel or steel wire
▪ Safe working thanks to roughened handle
Technical data
Cutting range e.g. 4 x 25 mm² NYY, max. 26 mm dia. Length 570 mm
1.8 kg
Hand-operated cutting tool for Cu and Al cables to 26 mm dia. K1011
Accessories
Replacement cutting head
K 101/2 Hand-operated cutting tool for Al and Cu cables to 38 mm dia.
K1012grp

K1041grp
` Large cutting range
` Telescopic handles
` Also for fine-stranded conductors e.g. to DIN EN 60228 Cl. 5
` Can be maintained on-site thanks to replaceable cutting heads
Characteristics
▪ Not suitable for cutting steel or steel wire
▪ Safe working thanks to roughened handle
Technical data
Cutting range max. 38 mm dia.
Length 930 mm Weight 4.2 kg Item
Hand-operated cutting tool for Cu and Al cables to 38 mm dia. K1012
Accessories
Replacement cutting head K1012E
K 104/1 Hand-operated cutting tool for Al and Cu cables to 100 mm dia.

` Energy-efficient 2-stage ratchet system
` For earth, plastic and rubber cables
` Very wide cutting range up to 100 mm diameter
Characteristics
▪ Not suitable for cutting steel or steel wire
Technical data
Cutting range e.g. 4 x 400 mm² NAYY, max. 100 mm dia. Length 870 mm
Item
Hand-operated cutting tool for Cu and Al cables to 100 mm dia. K1041
THE LITTLE CUTTING EXPERT -
BATTERY-POWERED HYDRAULIC CUTTING TOOL (10.8 V)
The Klauke mini is lightweight yet powerful. The high-quality shears cut with an opening width of 32 mm, the bolt cutters with a 12 mm opening width. Its practical dimensions make it especially suitable for confined areas.

` Pure performance without frills
The Klauke mini concentrates on its core task: reliable cutting. Even without pressure sensor and display, the little expert does its job well - no fuss or quibble.
` Usage time at a glance
` All-round cutting
Cutting in confined areas? No problem with these cutting heads, which rotate through 360°.
Read the charge level at any time directly from the powerful 10.8 V battery.

` For cutting cable channels, bolts and steel wire, medium-hard (e.g. ST 37)
` Slim cutting head - ideal when space is critical
` Powerful 10.8 V Li-Ion battery with charge status display
Characteristics
▪ Open head, rotatable
▪ Simple and safe: One-button operating concept for controlling all tool functions
▪ Comfortable and secure one-hand operation thanks to 2-component plastic housing with soft grips
▪ Effortless working thanks to low weight
▪ Simple and safe: Automatic retraction when operation is complete
▪ Maintenance display via LED
Technical data
Cutting range
Cutting force
Cutting time
Number of cuts
EBS8ML: max. 8 mm dia., EBS12ML: max. 12 mm dia.
EBS8ML: 15 kN, EBS12ML: 45 kN
EBS8ML: 2 s, EBS12ML: 4 s (depending on material thickness)
ES8ML: 100 at silver steel 6 mm, EBS12ML: 150 at mild steel 10 mm
Battery voltage 10.8 V
Battery capacity 2.5 Ah, Li-Ion
Charging time approx. 45 min.
Weight incl. battery
EBS8ML: 1.2 kg, EBS12ML: 1.8 kg
Ambient temperature -10 °C up to +40 °C
Item
Battery powered hydraulic bolt cutting tool 8 mm dia.
Battery powered hydraulic bolt cutting tool 12 mm dia.
Scope of supply
Battery 10.8 V / 1.5 Ah, Li-Ion (16.2 Wh)
Battery 10.8 V / 2.5 Ah, Li-Ion (27 Wh)
Plastic case
Part No.
EBS8ML
EBS12ML
Part No.
RAML1
RAML1225
KKML
ES20MLGRP ES 20 ML Battery powered hydraulic cutting tool 20 mm dia.

` For cutting Al/St conductors (ACSR) to DIN EN 50182, solid Al/Cu cables to DIN EN 60228, Class 1 and laminated copper bus bars
` Extremely robust design and lightweight
` Powerful 10.8 V Li-Ion battery technology with battery charge indicator
Characteristics
▪ Open head, rotatable
▪ Simple and safe: One-button operating concept for controlling all tool functions
▪ Comfortable and secure one-hand operation thanks to 2-component plastic housing with soft grips
▪ Effortless working thanks to low weight
▪ Simple and safe: Automatic retraction when operation is complete
▪ Maintenance display via LED
Technical data
Cutting range
Multi-stranded max. 20 mm dia. (depending on cable type)
Cutting force 23 kN
Cutting time 4 s to 6 s (depending on material thickness)
Number of cuts approx.200 for steel cable 8 mm
Battery voltage 10.8 V
Battery capacity 21.5 Ah, Li-Ion
Charging time approx. 45 min.
Weight incl. battery 1.6 kg
Ambient temperature -10 °C up to +40 °C
Item
Battery powered hydraulic cutting tool 20 mm dia.
Scope of supply
Battery 10.8 V / 2.5 Ah, Li-Ion (27 Wh)
Charger for 10.8 V Li-Ion batteries, 230 V
Plastic case
Accessories
Replacement blade

` Cuts multi-stranded copper and aluminium cables (ES 32 ML)
` Cuts fine and superfine stranded copper cables (ES 32 F ML)
` Slim cutting head - ideal when space is critical
` Powerful 10.8 V Li-Ion battery technology with battery charge indicator
Characteristics
▪ Open head, rotatable
▪ Electronic control and monitoring of operation
▪ Simple and safe: One-button operating concept for controlling all tool functions
▪ Comfortable and secure one-hand operation thanks to 2-component plastic housing with soft grips
▪ Effortless working thanks to low weight
▪ Simple and safe: Automatic retraction when operation is complete
▪ Maintenance display via LED
Technical data
Cutting range max. 32 mm dia.
Cutting force 15 kN
Cutting time 8 s to 10 s (depending on material thickness)
Number of cuts
ES32ML: approx. 100 at 150 mm² NYY, ES32FML: approx. 150 at H07V-K 185 mm²
Battery voltage 10.8 V
Battery capacity 2.5 Ah, Li-Ion
Charging time approx. 45 min.
Weight incl. battery 1.8 kg
Ambient temperature -10 °C up to +40 °C
Item
Battery powered hydraulic cutting tool 32 mm dia.
Battery powered hydraulic cutting tool 32 mm dia., superfine-stranded
Scope of supply
Battery 10.8 V / 2.5 Ah, Li-Ion (27 Wh)
Part No.
ES32ML
ES32FML
Part No.
RAML1225
Charger for 10.8 V Li-Ion batteries, 230 V LGML1 Plastic case KKML
Accessories
Replacement blade set
Part No.
ES32E
Replacement blade set for fine and superfine stranded copper cables ES32FE
THE NEW STANDARDKLAUKE NEXT GENERATION CUTTING TOOLS
Aspire to the new standard: Battery-powered hydraulic cutting tools from Klauke offer impressive power and durability. The tools effortlessly cut cross-sections up to 105mm, with open cutting head for better accessibility or closed cutting head for improved force transmission. Improved ergonomics with optimised centre of gravity makes work more convenient and faster. Also through the time-saving opening mechanism.

In brief
` Freely-selectable battery platform: with Bosch or Makita
` Proof of quality can be created via Bluetooth
` Ensure tool availability: Read the tool properties from the display or via the app
` Effortless operations thanks to modern, ergonomic design
Interested in Klauke Next Generation tools? Then take a look at our Multi universal tool on Page x.xx >>
` Making work easier
Klauke cutting tools guarantee effortless operations: The “mini” impresses through its low weight and the pistol shape ensures a balanced centre of gravity
◾ Our compact “mini” is just perfect for confined areas
◾ The 2-stage hydraulic system allows you to work quickly thanks to fast feed and power stroke
◾ Save time with the innovative opening mechanism of the cutters. They open immediately after every cut.
◾ Extremely impressive and reliable: The one-button control concept for all tools

` Klauke Link ® App
Connectivity is the generic term for the digital application that Klauke is making available to its customers in addition to its tools – the new Klauke Link ® App. This application offers you new possibilities with all Klauke Next Generation tools.

` Latest developments for your everyday work
Mini design - Pure cutting force: The ESGM45 and the ESM50 impress all along the line and for every application
◾ Cutting made simple thanks to a new, improved cutter geometry
◾ Burr-free cutting of wire mesh cable trays without any rework whatsoever thanks to the new wire mesh cable tray cutter
The Klauke Link ® App can be found at: https://www.klauke.com/de/en/ klauke-link-connectivity

L GKS Battery powered hydraulic cable tray cutter 6 mm dia.

` No follow-up work required thanks to burr-free cutting
` Fast and efficient operations: The cut is made in less than 1 second
` Maintenance required only after 20.000 cuts (renew hydraulic shock absorber system)
` Always cut ready due to autonomous replaceable blades
Characteristics
▪ Open head, rotatable
▪ Electronic control and monitoring of operation
▪ Simple and safe: One-button operating concept for controlling all tool functions
▪ Comfortable and secure one-hand operation thanks to 2-component plastic housing with soft grips
▪ Balanced centre of gravity for easy handling and effortless operations
▪ LED for work area illumination
▪ Powerful 18 V Li-Ion battery - high capacity, short charging time
▪ High-performance motor for maximum operating speed
▪ Energy saving function with motor cut-out after successful operation
▪ Quick motor stop for high user safety
▪ Simple and safe: Automatic retraction when operation is complete
▪ Manual retract as required
▪ Multifunction LED for maintenance display and charge status display of the battery
▪ Environmentally-friendly hydraulic oil, quickly biodegradable
Technical data
Cutting range max. 6 mm (VA)
Cutting force 24 kN
Cutting time < 1 s
Number of cuts approx. 300 at 6 mm VA, 360 at grid channel 5 mm
Battery voltage 18 V
Battery capacity 1.5 Ah
Charging time 15 min.
Weight incl. battery 1.9 kg
Ambient temperature -10 °C up to +40 °C
Item
Battery powered hydraulic cable tray cutter 6 mm dia.
Scope of supply
Part No.
EBS6LGKS
Part No.
Makita battery 18 V / 1.5 Ah, Li-Ion RAL1
Makita quick-charger for 18 V Li-Ion battery LGL1
Plastic case KK50L
Accessories
Part No.
Makita battery 18 V / 3.0 Ah, Li-Ion (54 Wh) RAL2
Makita battery 18 V / 4.0 Ah, Li-Ion RAL40
18 V mains adapter for 230 V Voltage NG2230
EBS 8 Battery powered hydraulic bolt cutter 8 mm dia.

` For cutting cable trays, bolts and medium-hard steel wire (e.g. ST 37)
` Narrow crimping head - Ideal in confined areas
` All tool data in view thanks to display and Klauke Link® App
Characteristics
▪ Choose your battery system: Bosch or Makita
▪ All data can be easily read via Bluetooth
▪ Open head, rotatable
▪ Simple and safe: One-button operating concept for controlling all tool functions
▪ Effortless working due to balanced centre of gravity
▪ LED for work area illumination
▪ Simple and safe: Automatic retraction when operation is complete
▪ LED display for showing tool data
▪ Always ready-to-use thanks to battery charge and service display
Suitable for
▪ Cable trays, bolts, medium-hard steel wire
Technical data
Cutting range max. 8 mm dia.
Cutting force 15 kN
Cutting time 1 s (depending on material thickness)
Charging time 15 min.
Weight incl. battery 1.65 kg
Ambient temperature -10 °C up to +40 °C
Item
Battery powered hydraulic bolt cutting tool 8 mm dia. EBS8CFB EBS8CFM
Scope of supply
Bosch battery 18 V / 2.0 Ah, Li-Ion RALB1EU
Bosch quick-charger for 18 V Li-Ion battery LGLB1EU
Makita battery 18 V / 1.5 Ah, Li-Ion RAL1
Makita quick-charger for 18 V Li-Ion battery LGL1
Plastic case 450 x 370 x 105 mm KK50NG KK50NG
Accessories
Bosch battery 18 V / 5.0 Ah, Li-Ion RALB2EU
Makita battery 18 V / 3.0 Ah, Li-Ion (54 Wh) RAL2
Cutting
EBS 12 Battery powered hydraulic bolt cutter 12 mm dia.

` For cutting cable trays, bolts and medium-hard steel wire (e.g. ST 37)
` Slim cutting head - ideal when space is critical
` All tool data in view thanks to display and Klauke Link® App
Characteristics
▪ Choose your battery system: Bosch or Makita
▪ All data can be easily read via Bluetooth
▪ Open head, rotatable
▪ Simple and safe: One-button operating concept for controlling all tool functions
▪ Effortless working due to balanced centre of gravity
▪ LED for work area illumination
▪ Simple and safe: Automatic retraction when operation is complete
▪ LED display for showing tool data
▪ Always ready-to-use thanks to battery charge and service display
Suitable for
▪ Cable trays, bolts, medium-hard steel wire
Technical data
Cutting range max. 12 mm dia.
Cutting force 45 kN
Cutting time 2 s (depending on cable size)
Charging time 15 min.
Weight incl. battery 2.1 kg
Ambient temperature -10 °C up to +40 °C
Item
Battery powered hydraulic bolt cutting tool 12 mm dia. EBS12CFB
Scope of supply
Bosch battery 18 V / 2.0 Ah, Li-Ion
RALB1EU
Bosch quick-charger for 18 V Li-Ion battery LGLB1EU
Makita battery 18 V / 1.5 Ah, Li-Ion
Makita quick-charger for 18 V Li-Ion battery
Plastic case 450 x 370 x 105 mm
Accessories
Bosch battery 18 V / 5.0 Ah, Li-Ion
Makita battery 18 V / 3.0 Ah, Li-Ion (54 Wh)
RAL1
LGL1
KK50NG KK50NG
RALB2EU
RAL2
ES 20 Battery powered hydraulic cutting tool 20 mm dia.

` For cutting Al/St conductors (ACSR) to DIN EN 50182, solid Al/Cu cables to DIN EN 60228, Class 1 and laminated copper bus bars
` Extremely robust design and lightweight
` Slim cutting head - ideal when space is critical
` All tool data in view thanks to display and Klauke Link® App
Characteristics
▪ Choose your battery system: Bosch or Makita
▪ All data can be easily read via Bluetooth
▪ Open head, rotatable
▪ Simple and safe: One-button operating concept for controlling all tool functions
▪ Effortless working due to balanced centre of gravity
▪ LED for work area illumination
▪ Simple and safe: Automatic retraction when operation is complete
▪ Manual retract stop (MRS) for efficient operations
▪ Always ready-to-use thanks to battery charge and service display
Suitable for
▪ Al/St wire (ACSR)
Technical data
Cutting range max. 18 mm dia. (depending on cable type)
Cutting force 23 kN
Cutting time 2 s to 4 s (depending on cable type)
Charging time 15 min.
Weight incl. battery 2.0 kg
Ambient temperature -10 °C up to +40 °C
Item
Battery powered hydraulic cutting tool 20 mm dia. ES20CFB ES20CFM
Scope of supply
Bosch battery 18 V / 2.0 Ah, Li-Ion RALB1EU
Bosch quick-charger for 18 V Li-Ion battery LGLB1EU
Makita battery 18 V / 1.5 Ah, Li-Ion RAL1
Makita quick-charger for 18 V Li-Ion battery LGL1
Plastic case 450 x 370 x 105 mm KK50NG KK50NG
Accessories
Replacement blade ES20E ES20E
Bosch battery 18 V / 5.0 Ah, Li-Ion RALB2EU
Makita battery 18 V / 3.0 Ah, Li-Ion (54 Wh) RAL2
Variants
L-BOXX with battery powered cutting tool ES20CFB LBOXXES20CFB
Battery-powered hydraulic cutting tools 18 V
Battery powered hydraulic cutting tool with remote control 20 mm and 32 mm dia.




` Tool with remote control, e.g. for telescopic rods
` ES20RMC: For cutting Al/St conductors (ACSR) to DIN EN 50182, solid Al/Cu cables to DIN EN 60228, Class 1 and laminated copper bus bars
` ES32RMC: Cuts multi-stranded Al/Cu cables Class 2
` Extremely robust design and lightweight
` Slim cutting head - ideal when space is critical
` All tool data in view thanks to display and Klauke Link® App
` Powerful 18 V Li-Ion battery - high capacity, short charging time
` Can also be used as a normal cable cutter when the Hotstick holder is not attached
Characteristics
▪ Choose your battery system: Bosch or Makita
▪ All data can be easily read via Bluetooth
▪ Open head, rotatable
▪ Simple and safe: One-button operating concept for controlling all tool functions
▪ Effortless operations due to balanced centre of gravity, even when used with a telescopic rod
▪ LED for work area illumination
▪ Quick motor stop for high user safety
▪ Simple and safe: Automatic retraction when operation is complete
▪ Manual retract stop (MRS) for efficient operations
▪ Energy saving: Motor stops when the operation is complete
▪ Always ready-to-use thanks to battery charge and service display
▪ Simple one-hand operation via remote control
ES 20 RMC suitable for
▪ Al/St wire (ACSR)
▪ Solid Al/Cu cables to DIN EN 60228 Class 1
▪ Laminated Cu bus-bars
ES 32 RMC suitable for
▪ Multi-stranded Al/Cu cable Class 2
Additional information
▪ Part number suffix for tools without battery and charger „0000“
Technical data
Head type Cutter open
Cutting range max. Ø 20 mm / max. Ø 32 mm
Cutting time 2 s to 8 s (depending on material thickness)
Charging time 15 min.
Weight incl. battery 2.0 kg
Ambient temperature -10 °C up to +40 °C Item
Battery powered hydraulic cutting tool 20 mm dia. ES20RMCCFB
Battery powered hydraulic cutting tool 20 mm dia. ES20RMCCFM
Battery powered hydraulic cutting tool 32 mm dia. ES32RMCCFB
Battery powered hydraulic cutting tool 32 mm dia. ES32RMCCFM
Scope of supply
Bosch battery 18 V / 2.0 Ah, Li-Ion RALB1EU
Makita battery 18 V / 1.5 Ah, Li-Ion RAL1
Bosch quick-charger for 18 V Li-Ion battery LGLB1EU
Makita quick-charger for 18 V Li-Ion battery LGL1
Bluetooth remote control BTC3 BTC3
Accessories
Bosch battery 18 V / 4.0 Ah, Li-Ion RALB2EU
Makita battery 18 V / 4.0 Ah, Li-Ion RAL40
Replacement blade set for ES 20 RMC ES20E ES20E
Replacement blade set for ES 32 RMC ES32E ES32E
Scope of supply for ES 20 RMC
Battery powered hydraulic cutting tool with remote control 65 and 105 mm dia.
(Makita-battery)
ESG65RMCCFM

` Remote control tool for safe distance when cutting
` Real end position detection that is unique worldwide
` For cutting copper and aluminum cables according to DIN EN 60228 class 1 and 2, also with light steel armouring
` Cutting forces: ESG65RMC: 60 kN, ESG105RMC: 120 kN for extra large cutting areas
` All tool data in view thanks to display and Klauke Link® App
` Of course, manual operation is also possible without using the remote control.
Characteristics
▪ Acoustic and visual notification on the remote control that the cut has been completed
▪ Very long range up to 70 m
▪ Convenient one-hand control via the remote control
▪ Closed head, rotatable
ESG105RMCCFM

▪ Quick motor stop for high user safety
▪ Retraction stop for efficient operations
▪ Energy saving: the motor stops after the cut has been completed
▪ Always in view: charge status and service display
▪ All data can be easily read via Bluetooth
Suitable for
▪ Cu and Al cables even armoured cable
Technical data
Head type
range
Cutting time
Charging time
Weight incl. battery
Battery powered hydraulic cutting tool 65 mm dia.
Battery powered hydraulic cutting tool 105 mm dia.
Scope of supply
ESG65RMCCFM
ESG105RMCCFM
Guillotine closed Guillotine closed
s bis 13 s (depending on cable type)
bis 13 s (depending on cable type)
ESG65RMCCFM
ESG105RMCCFM
Makita battery 18 V / 4.0 Ah, Li-Ion RAL40 RAL40
Makita quick charger for 18 V Li-Ion battery LGL1 LGL1
Bluetooth remote control BTC3 BTC3
Accessories
Makita battery 18 V / 4,0 Ah, Li-Ion RAL40 RAL40
Bluetooth remote control BTC3 BTC3
Battery-powered hydraulic cutting tools 18 V
Battery powered hydraulic cutting tool with remote control 65 and 105 mm dia. (Bosch-battery)
ESG65RMCCFB

` Remote control tool for safe distance when cutting
` Real end position detection that is unique worldwide
` For cutting copper and aluminum cables according to DIN EN 60228 class 1 and 2, also with light steel armouring
` Cutting forces: ESG65RMC: 60 kN, ESG105RMC: 120 kN for extra large cutting areas
` All tool data in view thanks to display and Klauke Link® App
` Of course, manual operation is also possible without using the remote control.
Characteristics
▪ Acoustic and visual notification on the remote control that the cut has been completed
▪ Very long range up to 70 m
▪ Convenient one-hand control via the remote control
▪ Closed head, rotatable
▪ Quick motor stop for high user safety
▪ Retraction stop for efficient operations
▪ Energy saving: the motor stops after the cut has been completed
ESG105RMCCFB

▪ Always in view: charge status and service display
▪ All data can be easily read via Bluetooth
Suitable for
▪ Cu and Al cables even armoured cable
Technical data
Head type
ESG65RMCCFB ESG105RMCCFB
Guillotine closed Guillotine closed
Cutting range max. 65 mm dia., e.g.
Cutting time 2 s bis 13 s (depending on cable type) 2 s bis 13 s (depending on cable type)
Charging time 36 min. 36 min.
Weight incl. battery
Item
Battery powered hydraulic cutting tool 65 mm dia.
Battery powered hydraulic cutting tool 105 mm dia.
Scope of supply
ESG65RMCCFB
ESG105RMCCFB
Bosch battery 18 V / 5.0 Ah, Li-Ion RALB2EU RALB2EU
Bosch quick charger for 18 V Li-Ion battery LGLB1EU LGLB1EU
Bluetooth remote control
Accessories
BTC3
BTC3
Bosch battery 18 V / 5,0 Ah, Li-Ion RALB2EU RALB2EU
Bluetooth remote control
BTC3 BTC3
ESG 105 RMCP Battery powered hydraulic cutting tool with remote control dia. 105 mm (Bosch-battery)

` Remote control tool for safe distance when cutting
` Real end position detection that is unique worldwide
` For cutting copper and aluminum cables according to EN 60228 class 1 and 2, also with light steel armouring
` Display in German language
` All tool data in view thanks to display and Klauke Link® app
Characteristics
▪ Acoustic and visual notification on the remote control that the cut has been completed
▪ Very long range up to 70 m
▪ Convenient one-hand control via the remote control
▪ Closed head, rotatable
▪ Quick motor stop for high user safety
▪ Retraction stop for efficient operations
▪ Energy saving: the motor stops after the cut has been completed
▪ Always in view: charge status and service display
▪ All data can be easily read via Bluetooth
Suitable for
▪ Cu and Al cables even armoured cable
Technical data
Head type
Guillotine closed
Cutting range max. 105 mm dia, e.g. NYCWY 4 x 240 SM/120
Cutting time 2 s up to 13 s (depending on cable type)
Cutting force 120 kN
Charging time
36 min.
Weight incl. battery 10.5 kg
Ambient temperature -10 °C up to +40 °C
Item
Battery powered hydraulic cutting tool with remote control dia.
105 mm
Scope of supply
Bosch battery 18 V / 5.0 Ah, Li-Ion
Bosch quick charger for 18 V Li-Ion-batteries
Bluetooth remote control
Accessories
Bosch battery 18 V / 5,0 Ah, Li-Ion
Bluetooth remote control
Part No.
ESG105RMCPCFB
Part No.
RALB2EU
LGLB1EU
BTC3
Part No.
RALB2EU
BTC3
ESG 105 RMCP Battery powered hydraulic cutting tool with remote control dia. 105 mm (Makita-battery)

` Remote control tool for safe distance when cutting
` Real end position detection that is unique worldwide
` For cutting copper and aluminum cables according to EN 60228 class 1 and 2, also with light steel armouring
` Display in German language
` All tool data in view thanks to display and Klauke Link® app
Characteristics
▪ Acoustic and visual notification on the remote control that the cut has been completed
▪ Very long range up to 70 m
▪ Convenient one-hand control via the remote control
▪ Closed head, rotatable
▪ Quick motor stop for high user safety
▪ Retraction stop for efficient operations
▪ Energy saving: the motor stops after the cut has been completed
▪ Always in view: charge status and service display
Suitable for
▪ Cu and Al cables even armoured cable
Additional information
▪ Part number suffix for tools without battery and charger „0000“
Technical data
Head type Guillotine closed
Cutting range max. 105 mm dia, e.g. NYCWY 4 x 240 SM/120
Cutting time 2 s up to 13 s (depending on cable type)
Cutting force 120 kN
Charging time 36 min.
Weight incl. battery 10.5 kg
Ambient temperature -10 °C up to +40 °C
Item
Battery powered hydraulic cutting tool with remote control dia. 105 mm
Battery powered hydraulic cutting tool with remote control without chatger and battery
Scope of supply
Part No.
ESG105RMCPCFM
ESG105RMCPCFM0000
Part No.
Makita battery 18 V / 4.0 Ah, Li-Ion RAL40
Makita quick charger for 18 V Li-Ion-batteries LGL1
Bluetooth remote control
BTC3
Accessories Part No.
Makita battery 18 V / 4.0 Ah, Li-Ion
Bluetooth remote control
RAL40
BTC3
ESG 25 Battery powered hydraulic cutting tool 25 mm dia.

` For cutting Al/St cables (ACSR), round materials (Cu, Al, St) as well as armoured cables, solid structural steel and stay wire
` High-performance cutting characteristics for highly-flexible conductors and wire cables
` Extremely robust design and lightweight
` All tool data in view thanks to display and Klauke Link® App
Characteristics
▪ Choose your battery system: Bosch or Makita
▪ All data can be easily read via Bluetooth
▪ Closed head, flip top style, rotatable
▪ Simple and safe: One-button operating concept for controlling all tool functions
▪ Effortless working due to balanced centre of gravity
▪ LED for work area illumination
▪ Simple and safe: Automatic retraction when operation is complete
▪ Manual retract stop (MRS) for efficient operations
▪ Always ready-to-use thanks to battery charge and service display
Suitable for
▪ Al/St wire (ACSR), Cu, Al, St and armoured cables, construction steel, stay wire
Technical data
Head type Guillotine closed
Cutting range max. 25 mm dia.
Cutting force 60 kN
Cutting time Depending on material
Charging time 15 min.
Weight incl. battery 2.0 kg
Ambient temperature -10 °C up to +40 °C
Item
Battery powered hydraulic cutting tool 25 mm dia.
Scope of supply
Bosch battery 18 V / 2.0 Ah, Li-Ion
Bosch quick-charger for 18 V Li-Ion battery
Makita battery 18 V / 1.5 Ah, Li-Ion
Makita quick-charger for 18 V Li-Ion battery
Plastic case 450 x 370 x 105 mm
Accessories
Inner moving blade
Outer fixed blade
Bosch battery 18 V / 5.0 Ah, Li-Ion
Makita battery 18 V / 3.0 Ah, Li-Ion (54 Wh)
Replacement blade set
ESG25CFB
RALB1EU
LGLB1EU
KK50NG
ESG252ES
ESG252EF
RALB2EU
ESG252ESET
ESG25CFM
RAL1
LGL1
KK50NG
RAL2
ESG252ESET
ESM 25 Battery powered hydraulic cutting tool 25 mm dia.

` For cutting Al/St cables (ACSR), round materials (Cu, Al) as well as armoured cables and stay wire
` Protected cutting mechanism through plastic housing
` All tool data in view thanks to display and Klauke Link® App
` Quick-change cutting blades
Characteristics
▪ Choose your battery system: Bosch or Makita
▪ All data can be easily read via Bluetooth
▪ Open head, rotatable
▪ Simple and safe: One-button operating concept for controlling all tool functions
▪ Effortless working due to balanced centre of gravity
▪ LED for work area illumination
▪ Simple and safe: Automatic retraction when operation is complete
▪ Manual retract stop (MRS) for efficient operations
▪ Always ready-to-use thanks to battery charge and service display suitable for
▪ Open wires (ACSR, Aldrey), stay wires and high-tensile stay wires
Technical data
Head type Cutter open
Cutting range Open wire (ACSR, Aldrey) up to Ø 25 mm, stay wires up to Ø 12 mm
Cutting force 67 kN
Cutting time
8 s up to 10 s (depending on material thickness)
Charging time 15 min.
Weight incl. battery 3.0 kg
Ambient temperature -10 °C up to +40
Item
Battery powered hydraulic cutting tool 25 mm dia.
Scope of supply
Makita battery 18 V / 1.5 Ah, Li-Ion
Part No.Bosch
ESM25CFB
Part No. Makita
ESM25CFM
RAL1
Makita quick-charger for 18 V Li-Ion battery LGL1
Bosch battery 18 V / 2.0 Ah, Li-Ion RALB1EU
Bosch quick-charger for 18 V Li-Ion battery LGLB1EU
Plastic case
Accessory
KK50NG KK50NG
Makita battery 18 V / 3.0 Ah, Li-Ion (54 Wh) RAL2
Bosch battery 18 V / 5.0 Ah, Li-Ion RALB2EU
Replacement blade set
ESM25ESET
ESM25ESET
ES 32 Battery powered hydraulic cutting tool 32 mm dia.

` Slim cutting head - ideal when space is critical
` All tool data in view thanks to display and Klauke Link® App
Characteristics
▪ Choose your battery system: Bosch or Makita
▪ All data can be easily read via Bluetooth
▪ Open head, rotatable
▪ Simple and safe: One-button operating concept for controlling all tool functions
▪ Effortless working due to balanced centre of gravity
▪ LED for work area illumination
▪ Simple and safe: Automatic retraction when operation is complete
▪ Manual retract stop (MRS) for efficient operations
▪ Always ready-to-use thanks to battery charge and service display
Suitable for
▪ Stranded Cu and Al cables
Technical data
Head type Cutter open
Cutting range max. 32 mm dia.
Cutting force 15 kN
Cutting time 8 s to 10 s (depending on cable type)
Charging time 15 min.
Weight incl. battery 2.0 kg
Ambient temperature -10 °C up to +40 °C
Item
Battery powered hydraulic cutting tool 32 mm dia. ES32CFB ES32CFM
Scope of supply
Bosch battery 18 V / 2.0 Ah, Li-Ion
RALB1EU
Bosch quick-charger for 18 V Li-Ion battery LGLB1EU
Makita battery 18 V / 1.5 Ah, Li-Ion
Makita quick-charger for 18 V Li-Ion battery
RAL1
LGL1
Plastic case 450 x 370 x 105 mm KK50NG KK50NG
Accessories
Replacement blade set ES32E
Bosch battery 18 V / 5.0 Ah, Li-Ion RALB2EU
Makita battery 18 V / 3.0 Ah, Li-Ion (54 Wh) RAL2
Variants
L-BOXX with battery powered cutting tool ES32CFB LBOXXES32CFB
L-BOXX with battery powered cutting tool ES32CFM LBOXXES32CFM
ES 32 F Battery powered hydraulic cutting tool 32 mm dia. for fine and superfine stranded copper cable

` Cuts fine and superfine stranded copper cables
` Slim cutting head - ideal when space is critical
` All tool data in view thanks to display and Klauke Link® App
Characteristics
▪ Choose your battery system: Bosch or Makita
▪ All data can be easily read via Bluetooth
▪ Open head, rotatable
▪ Simple and safe: One-button operating concept for controlling all tool functions
▪ Effortless working due to balanced centre of gravity
▪ LED for work area illumination
▪ Simple and safe: Automatic retraction when operation is complete
▪ Manual retract stop (MRS) for efficient operations
▪ Always ready-to-use thanks to battery charge and service display
Suitable for
▪ Fine and superfine stranded copper cables
Technical data
Head type Cutter open
Cutting range max. 32 mm dia.
Cutting force 15 kN
Cutting time 8 s to 10 s (depending on material thickness)
Charging time 15 min.
Weight incl. battery 2.0 kg
Ambient temperature -10 °C up to +40 °C
Item
Battery powered hydraulic cutting tool 32 mm dia., superfine-stranded
Scope of supply
ES32FCFB ES32FCFM
Bosch battery 18 V / 2.0 Ah, Li-Ion RALB1EU
Bosch quick-charger for 18 V Li-Ion battery LGLB1EU
Makita battery 18 V / 1.5 Ah, Li-Ion RAL1
Makita quick-charger for 18 V Li-Ion battery LGL1
Plastic case 450 x 370 x 105 mm KK50NG KK50NG
Accessories
Replacement blade set for fine and superfine stranded copper cables ES32FE
Bosch battery 18 V / 5.0 Ah, Li-Ion RALB2EU
Makita battery 18 V / 3.0 Ah, Li-Ion (54 Wh) RAL2
Variants
L-BOXX with battery powered cutting tool ES32FCFB LBOXXES32FCFB
L-BOXX with battery powered cutting tool ES32FCFM LBOXXES32FCFM
ESM
35 Battery powered hydraulic cutting tool 35 mm dia. for copper and aluminium cable

` Protected cutting mechanism through plastic housing
` For cutting copper and aluminum cables of all classes of conductor
` All tool data in view thanks to display and Klauke Link® App
Characteristics
▪ Choose your battery system: Bosch or Makita
▪ All data can be easily read via Bluetooth
▪ Open head, rotatable
▪ Simple and safe: One-button operating concept for controlling all tool functions
▪ Effortless working due to balanced centre of gravity
▪ LED for work area illumination
▪ Simple and safe: Automatic retraction when operation is complete
▪ Manual retract stop (MRS) for efficient operations
▪ Always ready-to-use thanks to battery charge and service display
suitable for
▪ For cutting copper and aluminum cables of all classes of conductor
Technical data
Head type
Cutter open
Cutting range dia. max. 35 mm
Cutting force 25 kN
Cutting time 4 s up to 6 s (depending on material thickness)
Charging time 15 min.
Weight incl. battery 2.9 kg
Ambient temperature -10 °C up to +40
Item
Battery powered hydraulic cutting tool 25 mm dia.
Scope of supply
Makita battery 18 V / 1.5 Ah, Li-Ion
Makita quick-charger for 18 V Li-Ion battery LGL1
Bosch battery 18 V / 2.0 Ah, Li-Ion RALB1EU
Bosch quick-charger for 18 V Li-Ion battery LGLB1EU
Plastic case
Accessory
Makita battery 18 V / 3.0 Ah, Li-Ion (54 Wh)
KK50NG KK50NG
Bosch battery 18 V / 5.0 Ah, Li-Ion RALB2EU
Part No.Bosch
RAL1
RAL2
ESGM 45 Battery powered hydraulic cutting tool 45 mm dia.

` For cutting Al/St cables (ACSR), round materials (Cu, Al, St) as well as armoured cables, solid structural steel and fine-stranded copper cables
` All tool data in view thanks to display and Klauke Link® App
Characteristics
▪ Choose your battery system: Bosch or Makita
▪ All data can be easily read via Bluetooth
▪ Closed head with bolt interlock, rotatable, flip top style
▪ Simple and safe: One-button operating concept for controlling all tool functions
▪ Effortless working due to balanced centre of gravity
▪ LED for work area illumination
▪ 2-stage hydraulic system with fast feed and power stroke
▪ Simple and safe: Automatic retraction when operation is complete
▪ Manual retract stop (MRS) for efficient operations
Suitable for
▪ Cu and Al cables, Al/St wires (ACSR)
Technical data
Head type Guillotine closed
Cutting range max. 45 mm dia.
Cutting force 70 kN
Cutting time 8 s to 10 s (depending on material thickness)
Charging time 15 min.
Weight incl. battery 4.6 kg
Ambient temperature -10 °C up to +40 °C
Item Part No. Bosch Part No. Makita
Battery powered hydraulic cutting tool 45 mm dia.
Scope of supply
Bosch battery 18 V / 2.0 Ah, Li-Ion
ESGM45CFB ESGM45CFM
RALB1EU
Bosch quick-charger for 18 V Li-Ion battery LGLB1EU
Makita battery 18 V / 1.5 Ah, Li-Ion
RAL1
Makita quick-charger for 18 V Li-Ion battery LGL1
Plastic case 450 x 370 x 105 mm
Accessories
KKESGM45NG
Bosch battery 18 V / 5.0 Ah, Li-Ion RALB2EU
KKESGM45NG
Makita battery 18 V / 3.0 Ah, Li-Ion (54 Wh) RAL2
SPECIALIST FOR ARMOURED CABLE + CONSTRUCTION STEEL
Thanks to its closed and rotating head, the ESGM45 is the specialist for cutting ACSR ropes, round materials (Cu, Al, St), and also armoured cable and solid construction steel, for instance. Even fine-stranded and highly-flexible conductors and wire ropes up to 45 mm can be precisely cut. As a special highlight, the tool has the innovative opening mechanism, which facilitates safe and fast operations.If an unwelcome object happens to be located between the cutters, all you need to do is release the control button. The two cutting blades then move apart straight away. This mechanism also makes sure that the tool is quickly ready to use again after a completed cut.
ESGM 452 Battery powered hydraulic cutting tool 45 mm dia.


` For cutting Al/St cables (ACSR), round materials (Cu, Al, St) as well as armoured cables and solid structural steel
` All tool data in view thanks to display and Klauke Link® App
` Cutting blades are interchangeable with a snap lock without special tools
` Optimized cutting head
Characteristics
▪ Battery system: Makita
▪ All data can be easily read via Bluetooth
▪ Closed head with foldig lock, rotatable, flip top style
▪ Simple and safe: One-button operating concept for controlling all tool functions
▪ Effortless working due to balanced centre of gravity
▪ LED for work area illumination
▪ 2-stage hydraulic system with fast feed and power stroke
▪ Simple and safe: Automatic retraction when operation is complete
▪ Manual retract stop (MRS) for efficient operations
Suitable for
▪ Cu and Al cables, Al/St wires (ACSR)
Technical data
Head type Guillotine closed
Cutting range max. 45 mm dia.
Cutting force 70 kN
Cutting time 8 s to 10 s (depending on material thickness)
Charging time 15 min.
Weight incl. battery 4.6 kg
Ambient temperature -10 °C up to +40 °C
Item
Battery powered hydraulic cutting tool 45 mm dia.
Battery powered hydraulic cutting tool 45 mm dia.
Scope of supply
Makita battery 18 V / 1.5 Ah, Li-Ion
Makita quick-charger for 18 V Li-Ion battery
Part
ESGM452CFM
ESGM452CFM0000
RAL1
LGL1
Plastic case KKESGM45NG
Accessories
Makita battery 18 V / 3.0 Ah, Li-Ion (54 Wh)
Blade set
RAL2
ESGM452ESET
ESG 45 Battery powered hydraulic cutting tool 45 mm dia.

` High cutting force cuts armoured copper and aluminium cables and Al/St cables (ACSR)
` Also suitable for round material made of Al, Cu and steel
` Extremely robust design and lightweight
` Saves time with multiple cuts thanks to innovative opening mechanism
` All tool data in view thanks to display and Klauke Link® App
Characteristics
▪ Choose your battery system: Bosch or Makita
▪ All data can be easily read via Bluetooth
▪ Closed head with bolt interlock, rotatable, flip top style
▪ Simple and safe: One-button operating concept for controlling all tool functions
▪ Effortless working due to balanced centre of gravity
▪ LED for work area illumination
▪ 2-stage hydraulic system with fast feed and power stroke
▪ Simple and safe: Automatic retraction when operation is complete
▪ Manual retract stop (MRS) for efficient operations
▪ Always ready-to-use thanks to battery charge and service display
Suitable for
▪ Armoured Cu and Al cables, Al/St wires
Technical data
Head type Guillotine closed
Cutting range max. 45 mm dia.
Cutting force 70 kN
Cutting time 8 s to 18 s (depending on material)
Charging time 45 min.
Weight incl. battery 5.9 kg
Ambient temperature -10 °C up to +40 °C
Item
Battery powered hydraulic cutting tool 45 mm dia.
Scope of supply
ESG45CFB ESG45CFM
Bosch battery 18 V / 5.0 Ah, Li-Ion RALB2EU
Bosch quick-charger for 18 V Li-Ion battery LGLB1EU
Makita battery 18 V / 3.0 Ah, Li-Ion (54 Wh) RAL2
Makita quick-charger for 18 V Li-Ion battery LGL1
Plastic case 450 x 370 x 105 mm KK120NG KK120NG
Accessories
Inner moving blade
Outer fixed blade
Bosch battery 18 V / 5.0 Ah, Li-Ion RALB2EU
ESG45ES1
ESG45EF
Makita battery 18 V / 4.0 Ah, Li-Ion RAL40
ESM 50 Battery powered hydraulic cutting tool 50 mm dia. for copper and aluminium cable

` For cutting copper and aluminium cables (fine-stranded also)
` Very high cutting capacity thanks to innovative cutting geometry
` All tool data in view thanks to display and Klauke Link® App
Characteristics
▪ Choose your battery system: Bosch or Makita
▪ All data can be easily read via Bluetooth
▪ Open head, rotatable
▪ Simple and safe: One-button operating concept for controlling all tool functions
▪ Effortless working due to balanced centre of gravity
▪ LED for work area illumination
▪ Simple and safe: Automatic retraction when operation is complete
▪ Manual retract stop (MRS) for efficient operations
▪ Always ready-to-use thanks to battery charge and service display
Suitable for
▪ Cu and Al cables (multi and fine stranded)
Technical data
Head type Cutter open
Cutting range max. 50 mm dia.
Cutting force 38 kN
Cutting time 8 s up to 10 s (depending on material thickness)
Charging time 15 min.
Weight incl. battery 3.0 kg
Ambient temperature -10 °C up to +40 °C
Item
Battery powered hydraulic cutting tool 50 mm dia.
Scope of supply
Bosch battery 18 V / 2.0 Ah, Li-Ion
Bosch quick-charger for 18 V Li-Ion battery
Makita battery 18 V / 1.5 Ah, Li-Ion
Makita quick-charger for 18 V Li-Ion battery
Plastic case 450 x 370 x 105 mm
Accessories
Bosch battery 18 V / 5.0 Ah, Li-Ion
Makita battery 18 V / 3.0 Ah, Li-Ion (54 Wh)
A GENUINE ALL-ROUNDER!
One tool for (almost) all situations! Both multi-stranded and finestranded (including armoured) cables are reliably cut. So you need only require one tool for a range of applications. Thanks to new cutting geometry, the annoying jamming of strands in the cutting blades is also a thing of the past.
ESM50CFB ESM50CFM
RALB1EU
LGLB1EU
KKESGM45NG
RALB2EU
RAL1
LGL1
KKESGM45NG
RAL2
ESG 55 Battery powered hydraulic cutting tool 55 mm dia.

` High cutting force cuts armoured copper and aluminium cables and Al/St cables (ACSR)
` Also suitable for round material made of Al, Cu and steel
` 120 kN cutting force for maximum output
` Saves time with multiple cuts thanks to innovative opening mechanism
Characteristics
▪ Choose your battery system: Bosch or Makita
▪ All data can be easily read via Bluetooth
▪ Closed head with bolt interlock, rotatable, flip top style
▪ Simple and safe: One-button operating concept for controlling all tool functions
▪ Effortless working due to balanced centre of gravity
▪ LED for work area illumination
▪ 2-stage hydraulic system with fast feed and power stroke
▪ Simple and safe: Automatic retraction when operation is complete
▪ Manual retract stop (MRS) for efficient operations
▪ Always ready-to-use thanks to battery charge and service display
Suitable for
▪ Armoured Cu and Al cables, Al/St wires
Technical data
Head type Guillotine closed
Cutting range max. 55 mm dia.
Cutting force 120 kN
Cutting time 10 s to 19 s (depending on material thickness)
Charging time 45 min.
Weight incl. battery 8.2 kg
Ambient temperature -10 °C up to +40 °C
Item
Battery powered hydraulic cutting tool 55 mm dia.
Scope of supply
Bosch battery 18 V / 5.0 Ah, Li-Ion
ESG55CFB
RALB2EU
Bosch quick-charger for 18 V Li-Ion battery LGLB1EU
ESG55CFM
Makita battery 18 V / 4.0 Ah, Li-Ion RAL40
Makita quick-charger for 18 V Li-Ion battery LGL1
Plastic case 450 x 370 x 105 mm
Accessories
Inner moving blade
Outer fixed blade
Bosch battery 18 V / 5.0 Ah, Li-Ion
KK120NG
ESG55ES
KK120NG
ESG55EF
RALB2EU
Makita battery 18 V / 4.0 Ah, Li-Ion RAL40
ES 65 Battery powered hydraulic cutting tool 65 mm dia.

` Cuts copper and aluminium cables with lightweight steel armouring (depending on cable type)
` Also suitable for fine-stranded cables (depending on cable type)
` Saves time with multiple cuts thanks to innovative opening mechanism
` All tool data in view thanks to display and Klauke Link® App
Characteristics
▪ All data can be easily read via Bluetooth
▪ Choose your battery system: Bosch or Makita
▪ Open head, rotatable
▪ Simple and safe: One-button operating concept for controlling all tool functions
▪ Effortless working due to balanced centre of gravity
▪ LED for work area illumination
▪ 2-stage hydraulic system with fast feed and power stroke
▪ Simple and safe: Automatic retraction when operation is complete
▪ Manual retract stop (MRS) for efficient operations
▪ Always ready-to-use thanks to battery charge and service display
Suitable for
▪ Cu/Al cable
Technical data
Head type Cutter open
Cutting range max. 65 mm dia.
Cutting force 40 kN
Cutting time Depending on material thickness
Charging time 45 min.
Weight incl. battery 6.3 kg
Ambient temperature -12 °C up to +40 °C
Item
Battery powered hydraulic cutting tool 65 mm dia. ES65CFB ES65CFM
Scope of supply
Bosch battery 18 V / 5.0 Ah, Li-Ion
RALB2EU
Bosch quick-charger for 18 V Li-Ion battery LGLB1EU
Makita battery 18 V / 3.0 Ah, Li-Ion (54 Wh)
Makita quick-charger for 18 V Li-Ion battery
Plastic case 450 x 370 x 105 mm
Accessories
Replacement blade
Bosch battery 18 V / 5.0 Ah, Li-Ion
Makita battery 18 V / 4.0 Ah, Li-Ion
RAL2
KK120NG
ES65E
KK120NG
RALB2EU
RAL40
LGL1
ESG 85 Battery powered hydraulic cutting tool 85 mm dia.

` Cuts copper and aluminium cables with lightweight steel armouring (depending on cable type)
` Saves time with multiple cuts thanks to innovative opening mechanism
` All tool data in view thanks to display and Klauke Link® App
Characteristics
▪ Choose your battery system: Bosch or Makita
▪ All data can be easily read via Bluetooth
▪ Larger cutting area, optimum force transmission due to closed head shape
▪ Simple and safe: One-button operating concept for controlling all tool functions
▪ LED for work area illumination
▪ 2-stage hydraulic system with fast feed and power stroke
▪ Simple and safe: Automatic retraction when operation is complete
▪ Manual retract stop (MRS) for efficient operations
▪ Always ready-to-use thanks to battery charge and service display
Suitable for
▪ lightly armoured Cu and Al cables
Technical data
Head type Guillotine closed
Cutting range max. 85 mm dia.
Cutting force 60 kN
Cutting time Depending on material thickness
Charging time 45 min.
Weight incl. battery 6.8 kg
Ambient temperature -10 °C up to +40 °C
Item
Battery powered hydraulic cutting tool 85 mm dia.
Scope of supply
Bosch battery 18 V / 5.0 Ah, Li-Ion
ESG85CFB
RALB2EU
Bosch quick-charger for 18 V Li-Ion battery LGLB1EU
ESG85CFM
Makita battery 18 V / 4.0 Ah, Li-Ion RAL40
Makita quick-charger for 18 V Li-Ion battery LGL1
Plastic case 450 x 370 x 105 mm
Accessories
Inner moving blade
Outer fixed blade
KK120NG KK120NG
ESG85ES1
ESG85EF1
Bosch battery 18 V / 5.0 Ah, Li-Ion RALB2EU
Makita battery 18 V / 4.0 Ah, Li-Ion RAL40
ES 85 Battery powered hydraulic cutting tool 85 mm dia.

` Cuts copper and aluminium cables with lightweight steel armouring (depending on cable type)
` Also suitable for fine-stranded cables (depending on cable type)
` Saves time with multiple cuts thanks to innovative opening mechanism
` All tool data in view thanks to display and Klauke Link® App
Characteristics
▪ Choose your battery system: Bosch or Makita
▪ All data can be easily read via Bluetooth
▪ Open head, rotatable
▪ Simple and safe: One-button operating concept for controlling all tool functions
▪ Effortless working due to balanced centre of gravity
▪ LED for work area illumination
▪ 2-stage hydraulic system with fast feed and power stroke
▪ Simple and safe: Automatic retraction when operation is complete
▪ Manual retract stop (MRS) for efficient operations
▪ Always ready-to-use thanks to battery charge and service display
Suitable for
▪ Cu and Al cable
Technical data
Head type Cutter open
Cutting range max. 85 mm dia.
Cutting force 30 kN
Cutting time Depending on material thickness
Charging time 45 min.
Weight incl. battery 7.2 kg
Ambient temperature -10 °C up to +40 °C
Item
Battery powered hydraulic cutting tool 85 mm dia. ES85CFB
Scope of supply
Bosch battery 18 V / 5.0 Ah, Li-Ion
ES85CFM
RALB2EU
Bosch quick-charger for 18 V Li-Ion battery LGLB1EU
Makita battery 18 V / 4.0 Ah, Li-Ion RAL40
Makita quick-charger for 18 V Li-Ion battery
Plastic case 450 x 370 x 105 mm
Accessories
Replacement blade
LGL1
KK120NG
ES85E
KK120NG
Bosch battery 18 V / 5.0 Ah, Li-Ion RALB2EU
Makita battery 18 V / 4.0 Ah, Li-Ion RAL40
ESG 105 Battery powered hydraulic cutting tool 105 mm dia.

` Cuts copper and aluminium cables with armouring
` 120 kN cutting force for extremely wide cutting range up to 105 mm dia.
` Remarkably lightweight for tools in this performance class
` Saves time with multiple cuts thanks to innovative opening mechanism
` All tool data in view thanks to display and Klauke Link® App
Characteristics
▪ Choose your battery system: Bosch or Makita
▪ All data can be easily read via Bluetooth
▪ Closed head with bolt interlock, rotatable, flip top style
▪ Simple and safe: One-button operating concept for controlling all tool functions
▪ Effortless working due to balanced centre of gravity
▪ LED for work area illumination
▪ 2-stage hydraulic system with fast feed and power stroke
▪ Simple and safe: Automatic retraction when operation is complete
▪ Manual retract stop (MRS) for efficient operations
▪ Always ready-to-use thanks to battery charge and service display
Suitable for
▪ lightly armoured Cu and Al cables
Technical data
Head type Guillotine closed
Cutting range max. 105 mm dia.
Cutting force 120 kN
Cutting time Depending on cable type
Charging time 45 min.
Weight incl. battery 10.7 kg
Ambient temperature -10 °C up to +40 °C
Item
Battery powered hydraulic cutting tool 105 mm dia.
Scope of supply
Bosch battery 18 V / 5.0 Ah, Li-Ion
ESG105CFB
RALB2EU
Bosch quick-charger for 18 V Li-Ion battery LGLB1EU
ESG105CFM
Makita quick-charger for 18 V Li-Ion battery RAL40
Plastic case 450 x 370 x 105 mm LGL1
Makita battery 18 V / 4.0 Ah, Li-Ion
Accessories
Inner moving blade
Outer fixed blade
Bosch battery 18 V / 5.0 Ah, Li-Ion
MK105NG MK105NG
ESG105ES
ESG105EF
RALB2EU
Makita battery 18 V / 4.0 Ah, Li-Ion RAL40
ES 105 Battery powered hydraulic cutting tool 105 mm dia.

` Cuts copper and aluminium cables with lightweight steel armouring and fine-stranded conductors (depending on cable type)
` Extremely large cutting area to 105 mm dia.
` Saves time with multiple cuts thanks to innovative opening mechanism
` All tool data in view thanks to display and Klauke Link® App
Characteristics
▪ Choose your battery system: Bosch or Makita
▪ All data can be easily read via Bluetooth
▪ Open head, rotatable
▪ Simple and safe: One-button operating concept for controlling all tool functions
▪ Effortless working due to balanced centre of gravity
▪ LED for work area illumination
▪ 2-stage hydraulic system with fast feed and power stroke
▪ Simple and safe: Automatic retraction when operation is complete
▪ Manual retract stop (MRS) for efficient operations
▪ Always ready-to-use thanks to battery charge and service display
Suitable for
▪ Cu and Al cable
Technical data
Head type Cutter open
Cutting range max. 105 mm dia.
Cutting force 74 kN
Cutting time Depending on cable type
Charging time 45 min.
Weight incl. battery 9.6 kg
Ambient temperature -10 °C up to +40 °C
Item
Battery powered hydraulic cutting tool 105 mm dia.
Scope of supply
Bosch battery 18 V / 5.0 Ah, Li-Ion
Bosch quick-charger for 18 V Li-Ion battery
Makita battery 18 V / 4.0 Ah, Li-Ion
Makita quick-charger for 18 V Li-Ion battery
Plastic case 450 x 370 x 105 mm
Accessories
Replacement blade
Bosch battery 18 V / 5.0 Ah, Li-Ion
Makita battery 18 V / 4.0 Ah, Li-Ion
ES105CFB
RALB2EU
LGLB1EU
MK105NG
ES105E
ES105CFM
RAL40
LGL1
MK105NG
RALB2EU
RAL40
ALWAYS IN POSITION2 STAGES FOR MORE POWER
We promise you: Our cutting tools are powerful. The 2-stage hydraulic system uses its power to the full, the automatic retraction returns the cutter to the original position once the cut is made. Made from aluminium, it feels light in the hand. As we said: a powerful tool!

` Comfortable all day long
Numerous cuts in succession are tiring. With the handoperated hydraulic cutting tools, the housing and pump lever are therefore made from aluminium. The pump lever is in exactly the correct position, and so the pump movement requires only a small space - compared to a mechanical tool. Work better with the convenience of Klauke.
◾ Effortless operations due to the ergonomic design and low weight
◾ Work faster with the innovative 2-stage hydraulic system for fast feed and power stroke with counter pressure
` Adapts
All hand-operated hydraulic cutting tools have press heads that rotate through 360°. So you can work even in confined areas with flexible settings.
◾ Rotating heads for work in confined areas
◾ Extremely robust cutting heads
` Save yourself the return stroke
Your force acts in just one direction: Forwards. When the cutting process is complete, the cutting blades retract into the home position via the automatic retraction function. You save on the return path.
◾ Automatic retraction returns the cutting blades to the home position after the cut is made
◾ More reliability and shorter intervals between cutting processes
◾ Can be used up to a diameter of 85 mm
◾ Cutting force up to 120 kN
◾ Bolt locking of cutting blade
HSG45grp
HSG 45 Hand-operated hydraulic cutting tool 45 mm dia.

` Cuts armoured copper and aluminium cables and Al/St cables (ACSR)
` Also suitable for round material made of Al, Cu and steel
` Extremely sturdy design
Characteristics
▪ Closed head with bolt interlock, 360° rotation when not pressurised
▪ Light weight due to high quality aluminium housing
▪ 2-stage hydraulic system with fast feed and power stroke
▪ Simple and safe: Automatic retraction when operation is complete
Technical data
Cutting range
45 mm dia.
Item
Hand-operated hydraulic cutting tool 45 mm dia.
Scope of supply
HSG45
Part No.
Steel carrying case for HSG 45 or HSG 50 MK50
Accessories
Outer fixed blade
Inner moving blade
ESG45EF
ESG45ES1
HSG 85/2 Hand-operated hydraulic cutting tool 85 mm dia.
HSG852grp

` Cuts copper and aluminium cables with lightweight steel armouring (depending on cable type)
` Large cutting range
` High user safety owed to cutting head with bolt interlock
Characteristics
▪ Closed head with bolt interlock, 360° rotation when not pressurised
▪ Light weight due to high quality aluminium housing
▪ 2-stage hydraulic system with fast feed and power stroke
▪ Simple and safe: Automatic retraction when operation is complete
Technical data
Cutting range max. 85 mm dia.
Cutting force 60 kN
Length approx. 677 mm
Weight
Ambient temperature -20 °C up to +40 °C
Item
Hand-operated hydraulic cutting tool 85 mm dia.
Scope of supply
Part No.
HSG852
Part No.
Steel carrying case for HSG 85 MK852
Accessories
Outer fixed blade
Inner moving blade
ESG85EF1
ESG85ES1
EXPAND YOUR APPLICATIONS
The correct cutting head creates a host of potentials. Get your pump ready for every application. Klauke cutting heads can be flexibly combined with Klauke system pumps (see page 484) to offer you an individual solution for every challenge.









* This column also includes Cu / Al multi-stranded and Cu / Al with sheet metal and wire armouring. ** The exact cutting performance depends on the type of cable or wire.
` Improved cutting using the right cutting heads.
SDG45grp

` High cutting force cuts armoured copper and aluminium cables and Al/St cables (ACSR)
` Also suitable for round material made of Al, Cu and steel
Characteristics
▪ Closed head with bolt interlock, flip open jaws
▪ Head with quick coupling, 360° rotatable
▪ For connecting to hydraulic pumps with 700 bar operating pressure for best possible results
Technical data
Cutting range max. 45 mm dia.
Cutting force 60 kN
Operating pressure max. 700 bar Length
Item Part No.
Hydraulic cutting head 45 mm dia. SDG45
Scope of supply Part No.
Carrying bag TT2
Accessories
Inner fixed blade
Outer moving blade
ESG45ES1
ESG45EF
Hydraulic cutting heads
Hydraulic cutting heads and cutting systems
SDG 55 Hydraulic cutting head 55 mm dia.

` High cutting force cuts armoured copper and aluminium cables and Al/St cables (ACSR)
` Also suitable for round material made of Al, Cu and steel ` 120 kN cutting force for maximum output
Characteristics
▪ Closed head with bolt interlock, 360° rotation when not pressurised
▪ For connecting to hydraulic pumps with 700 bar operating pressure for best possible results
▪ Ergonomic handling through grip
Technical data
Cutting range
max. 55 mm dia.
Cutting force 120 kN
Operating pressure max. 700 bar
Length
380 mm
Weight 5.6 kg
Item
Hydraulic cutting head 55 mm dia. SDG55
Scope of supply Part No.
Carrying bag TT2
Accessories
Inner moving blade ESG55ES
Outer fixed blade ESG55EF
SDK 65 Hydraulic cutting head 65 mm dia.

` Cuts copper and aluminium cables with lightweight steel armouring (depending on cable type)
` Also suitable for fine-stranded cables (depending on cable type)
` Safe operations due to high ground stability by double handles
` Improved cutting characteristics due to new cutting geometry
Characteristics
▪ Open head with quick coupling, 360° rotation when not pressurised
▪ For connecting to hydraulic pumps with 700 bar operating pressure for best possible results
Technical data
Cutting range max. 65 mm dia.
Cutting force 42 kN
Operating pressure max. 700 bar
Length 425 mm
Weight 4.7 kg
Item Part No.
Hydraulic cutting head 65 mm dia. SDK65
Scope of supply Part No.
Carrying bag TT2
Accessories
Replacement blade
ES65E
SDK85grp SDK 85 Hydraulic cutting head 85 mm dia.

` Cuts copper and aluminium cables with lightweight steel armouring (depending on cable type)
` Suitable for fine-stranded cable and telecommunication cable (depending on cable type)
` Safe operations due to high ground stability by double handles
` Improved cutting characteristics due to new cutting geometry
Characteristics
▪ Open head with quick coupling, 360° rotation when not pressurised
▪ For connecting to hydraulic pumps with 700 bar operating pressure for best possible results
▪ Uniform cut by knife guide
Technical data
Cutting range max. 85 mm dia.
Cutting force 30 kN
Operating pressure max. 700 bar
Length
Hydraulic cutting head 85 mm dia.
Scope of supply
Carrying bag
Accessories Replacement blade
SDG 105 Hydraulic cutting head 105 mm dia.

` Cuts copper and aluminium cables with armouring ` 120 kN cutting force for extremely wide cutting range up to 105 mm dia.
Characteristics
▪ Closed head with bolt interlock, 360° rotation when not pressurised
▪ Compact design permits cutting in confined areas
▪ Simple handling
▪ For connecting to hydraulic pumps with 700 bar operating pressure for best possible results
Technical data
Cutting range
max. 105 mm dia.
Cutting force 120 kN
Operating pressure max. 700 bar
Length 432 mm
Weight
Item
Hydraulic cutting head 105 mm dia.
Scope of supply
Carrying bag
Accessories
Inner moving blade ESG105ES
Outer fixed blade ESG105EF
SDK 105 Hydraulic cutting head 105 mm dia.

` Cuts copper and aluminium cables with lightweight steel armouring (depending on cable type)
` Extremely wide cutting range up to 105 mm dia., also for fine-stranded cables (depending on cable type)
` Safe operations due to high ground stability by double handles
Characteristics
▪ Open head with quick coupling, 360° rotation when not pressurised
▪ For connecting to hydraulic pumps with 700 bar operating pressure for best possible results
▪ High stability due to double grip
Technical data
Cutting range
Cutting force
max. 105 mm dia.
74 kN
Operating pressure max. 700 bar
Length 510 mm
Weight 7.7 kg
Item
Hydraulic cutting head 105 mm dia.
Scope of supply
Carrying bag TT4
Accessories
Replacement blade
ES105E
SDK 120 Hydraulic cutting head 120 mm dia.

` Cuts copper and aluminium cables with lightweight steel armouring (depending on cable type)
` Extremely wide cutting range up to 120 mm dia., also for fine-stranded cables (depending on cable type)
` Exceptionally light and compact design
` Safe operations due to high ground stability by double handles
Characteristics
▪ Open head with quick coupling, 360° rotation when not pressurised
▪ High stability due to double grip
▪ For connecting to hydraulic pumps with 700 bar operating pressure for best possible results
Technical data
Cutting range max. 120 mm dia.
Cutting force 55 kN
Operating pressure max. 700 bar
Length 538 mm
Weight 8.7 kg
Item
Hydraulic cutting head 120 mm dia.
Scope of supply
Part No.
SDK120
Part No.
Carrying bag TT4
Accessories
Replacement blade ES120E
Hydraulische Schneidwerkzeugsysteme

cutting tools for foot pump 105 and 120 mm dia.
` Cuts copper and aluminium cables with lightweight steel armouring (depending on cable type)
` Suitable for fine-stranded cable and telecommunication cable
` Safe operations due to high ground stability by double handles
` Wide cutting range also for fine-stranded cables
Characteristics
▪ Foot pump with two-stage hydraulics
▪ Open head with quick coupling, 360° rotation when not pressurised
▪ Manual retract as required
▪ Hydraulic hose, 2 m
Technical data
Cutting range
Cutting force
AS 105 FHP: max. 105 mm dia., AS120FHP: max. 120 mm dia.
AS105FHP: 74 kN, AS120FHP: 55 kN
Operating pressure max. 700 bar
Weight
Item
AS105FHP: 19.7 kg, AS120FHP: 20.7 kg
Part No.
Hydraulic cutting tool with foot pump 105 mm dia. AS105FHP
Hydraulic cutting tool with foot pump 120 mm dia. AS120FHP
Scope of supply Part No.
Hydraulic hose, 2 m
HS22
Steel carrying case MKU
Accessories Part No.
Replacement blade
Replacement blade
Hydraulic hose, 3 m
Hydraulic hose, 4 m
Hydraulic hose, 5 m
Hydraulic hose, 6 m
Hydraulic hose, 8 m
Hydraulic hose, 10 m
ES105E
ES120E
HS23
HS24
HS25
HS26
HS28
HS210
5 PROFILES FOR SPECIAL CUTTING TOOLS
For challenging operations in plant construction and panel building, we use the Greenlee brand of tools. Built compact, the high-quality devices perform all the functions you need.

` DIN profile rails
So you retain the profile as you cut: DIN profile rail cutter from Greenlee.
◾ Burr-free cutting to length and punching of all common DIN profiles
◾ Hand lever with optimum force transmission
◾ High-quality cutting blades with hardly any wear
◾ Integrated locating holes simplifies mounting on the workbench
◾ Easily replaceable cutting plate cassette
` Always on the right track: Wiring conduit cutter
Everything fits well, from the very first setting. The measuring cutter simplifies precision cutting to length. The cutting blades are covered for safety. They cut halogen-free cable conduit up to 125 mm wide as accurately as you want. High-quality
Cutting values
Work precisely with our wiring conduit cutter.
◾ For halogen-free cable conduit up to 125 mm wide
◾ Maintenance-free mechanism
◾ Measuring rule enables precise cutting to length
◾ High level of operator safety while working due to fullycovered cutting blades
materials and optimised processing ensure safety and reliability: The cutting blades are practically wear-free, the cutting mechanism is entirely maintenance-free. No worries about these tools. You concentrate fully on the task.
`
Profilschienen-Schneidgeräte
50115413grp
DIN profile conductor cutting and punching tool

` For burr-free cutting and punching
` Less effort needed
` Includes die plate holder with 5 profiles
Suitable for
▪ Punches vertical and horizontal mounting holes 6.4 x 12.0 mm
▪ With holes for workbench assembly
52055684grp
Profile conductor cutter Compact

` For burr-free cutting to length
` Less effort needed
` Includes die plank holder with 2 profiles
Suitable for
▪ With holes for workbench assembly
▪ Manual operation
Verdrahtungskanalschneider
50125700GRP
Wiring conduit cutter

` Burr-free cutting even with halogen-free cable ducts
` 90° angle cutting
` Protects from injury when not in use
Characteristics
▪ Simple workbench mounting
▪ Maintenance free
▪ Cutting mechanism completely protected
Suitable for
▪ Standard and halogen-free plastic profile with 2.5 mm wall thickness and up to 125 mm width
Technical data
Cutting width
Length of rail guide
Length of hand lever
mm
kg
mm
mm
Wiring duct (wall thickness) 2.5 mm
Item
Wiring conduit cutter
Scope of supply
Hand lever
Measurement scale

THE
TOOL RANGE FOR MAXIMUM SAFETY

Hydraulic safety tools
VDE-battery powered crimping and cutting tools
KLAUKE ORANGESAFETY IS A CHOICE WE MAKE ! THINK SAFE. ACT
SAFE.
Globally unique
For even more safety, Klauke has now developed the world‘s first battery hydraulic crimping and cutting tools with Tri-Insulation Barrier technology that provides users with 1,000V protection against electrical shocks.
Whether you work as a panel builder or in utilities: Think safe. Act safe. Choose Klauke ORANGE for more safety.

VDE tested and certified to 1,000 V in accordance to the electrical requirements of IEC 60900 and fully certified to IEC 62841-1 REG F647
In brief
` Applied voltage at the tool head does not disrupt to tool body
` Integrated slip-off protection prevents unintentional contact with live parts
` Housing in signal orange for simple differentiation from standard tools
Klauke ORANGE - Safety is a choice we make. https://www.youtube.com/watch?v=Uq6vV79KyhM


` Much safer operations
Working with utility lines presents a series of challenges: Proximity to potentially live parts, limited space and time pressure.
This is why safety and using the right protection equipment are essential when doing this type of work. With Klauke ORANGE, you can rely on an additional layer of protection, whenever it is not possible to disconnect the circuits or when you may not be aware that you are working on a live circuit.


` Safety cutting tools
The ASSG safety cutting system from Klauke, approved by the trade associates, is able to safely cut live Cu/Al cables with a rated voltage of up to 60 kV, even if a fault occurs. The cutting process is carried out using two powerful and durable 5 Ah Lithium-Ion rechargeable batteries. The remote control ensures increased comfort and optimised control during the cutting operation. The quick coupling located on the ASSG pump allows various cutting heads to be quickly and simply connected to the pre-mounted hydraulic hose.

Accidental touching of live parts is prevented by standard-conforming slip-off protection
` Safe and convenient
Electrical system cannot be de-energized or disconnected in many cases, so working on live cables cannot be avoided. Our Oranges Line of battery powered crimping and cutting tools increase operating comfort and safety significantly in these cases. They are suitable for all applications in the low-voltage area up to 1,000 V: from the installation of cable joints and working on overhead transmission lines to mounting and repairing street lighting or meter systems.
The tried and proven functions of our Next Generation remain in place. Hence you can see all information at a glance, thanks to the integrated display. Orange Line tools also have a continuously rotating tool head.

Hydraulic safety tools
VDE-battery powered crimping tools
60/22 IS VDE-battery powered hydraulic crimping tool 6 - 300 mm²

` Housing in signal orange for simple differentiation from standard tools
` Insulated and VDE certified up to 1,000 V for increased safety when working on potentially voltage-carrying parts
` Large crimping range up to 300 mm²
` All tool data in view thanks to the built-in display
Characteristics
▪ Choose your battery system: Bosch or Makita
▪ Closed head with bolt interlock, rotatable, flip top style
▪ Quality assurance via visual and audible signals in case of error
▪ Simple and safe: One-button operating concept for controlling all tool functions
▪ Effortless working due to balanced centre of gravity
▪ LED for work area illumination
▪ Simple and safe: Automatic retraction when operation is complete
▪ Automatic retract stop (ARS) for positioning control in case of multiple crimps
▪ Always ready-to-use thanks to battery charge and service display
▪ All data can be easily read out via Bluetooth
Suitable for
▪ 22-series interchangeable crimping dies, narrow crimping
Technical data
Crimping force
60 kN
Hub 17.5 mm
Crimping range 6 - 300 mm²
Crimping cycle 2 s (for ARS) to 5 s (depending on cross-section)
Charging time 15 min.
Weight incl. battery 3.1 kg
Ambient temperature -10 °C up to +40 °C
Item
VDE-battery powered hydraulic crimping tool
6 - 300 mm²
Scope of supply
Bosch battery 18 V / 2.0 Ah, Li-Ion
EKM6022ISB
RALB1EU
Bosch quick-charger for 18 V Li-Ion battery LGLB1EU
Makita battery 18 V / 1.5 Ah, Li-Ion
Makita quick-charger for 18 V Li-Ion battery
Plastic case
Accessories
Bosch battery 18 V / 5.0 Ah, Li-Ion
Makita battery 18 V / 4.0 Ah, Li-Ion
EKM6022ISM
RAL1
LGL1
KK50IS KK50IS
RALB2EU
RAL40
Available
dies for Series 22 for EKM 60/22 IS
compression cable lugs and connectors
Aluminum side of aluminum/copper compression cable lugs and connectors: crimping dies A22, copper side of aluminum/copper compression cable lugs and connectors: crimping dies D22
Hydraulic safety tools
VDE-battery powered crimping tools
ID IS VDE-battery powered hydraulic crimping tool 10 - 240 mm²

` Housing in signal orange for simple differentiation from standard tools
` Insulated and VDE certified up to 1,000 V for increased safety when working on potentially voltage-carrying parts
` Extra large crimping area due to innovative 2-stage telescopic cylinders
` Indent crimping - no crimping dies required
` All tool data in view thanks to the built-in display
Characteristics
▪ Choose your battery system: Bosch or Makita
▪ With innovative 2-stage telescopic cylinder
▪ Closed head, flip top style, rotatable
▪ Quality assurance via visual and audible signals in case of error
▪ Simple and safe: One-button operating concept for controlling all tool functions
▪ Effortless working due to balanced centre of gravity
▪ LED for work area illumination
▪ Always ready-to-use thanks to battery charge and service display
▪ All data can be easily read out via Bluetooth
Suitable for
▪ Very well suited for compacted conductors
▪ Especially for fine strand conductors to EN 60228
Additional information
▪ Certified from 16 mm² onwards
Technical data
Crimping force
Stroke / opening width
Crimping range Cu
Crimping range Al
Crimping cycle
Suitable for Connection material Crimping range mm² Crimp profile
Copper tubular cable lugs and connectors
Tubular cable lugs and connectors, standard type, Tubular cable lugs for switch gear connections
Tubular cable lugs and connectors for fine stranded conductors
10 - 240
10 - 240
Terminals, connectors and pin terminals acc. to DIN
Solderless terminals (DIN 46234) connectors and pin terminals (DIN 46230, DIN 46341)
10 - 240
Aluminum compression cable lugs and connectors
Aluminum compression cable lugs and connectors acc. to DIN
50 - 240
Aluminum/copper compression cable lugs and connectors
Aluminum/copper compression cable lugs and connectors
50 - 240
30 - 60 kN
35.5 mm
10 - 240 mm²
50 - 240 mm²
2 s (MRS+) to 7 s (depending on cross-section)
Charging time 15 min.
Weight incl. battery 2.6 kg
Ambient temperature -10 °C up to +40 °C
Item
VDE-battery powered hydraulic crimping tool 10 - 240 mm²
Scope of supply
Bosch battery 18 V / 2.0 Ah, Li-Ion RALB1EU
Bosch quick-charger for 18 V Li-Ion battery LGLB1EU
Makita battery 18 V / 1.5 Ah, Li-Ion RAL1
Makita quick-charger for 18 V Li-Ion battery LGL1
Plastic case KK50IS KK50IS
Accessories
Bosch battery 18 V / 5.0 Ah, Li-Ion RALB2EU
Makita battery 18 V / 4.0 Ah, Li-Ion RAL40
Hydraulic safety tools
VDE-battery powered cutting tools
ESM50IS ESM 50 IS VDE-battery powered hydraulic cutting tool
50 mm dia. for copper and aluminium cable

` Housing in signal orange for simple differentiation from standard tools
` Insulated and VDE certified up to 1,000 V for increased safety when working on potentially voltage-carrying parts
` High cutting force cuts copper and aluminium cables (also fine stranded)
` Saves time thanks to innovative opening mechanism
` All tool data in view thanks to the built-in display
Characteristics
▪ Choose your battery system: Bosch or Makita
▪ Open head, rotatable
▪ Simple and safe: One-button operating concept for controlling all tool functions
▪ Effortless working due to balanced centre of gravity
▪ LED for work area illumination
▪ 2-stage hydraulic system with fast feed and power stroke
▪ Simple and safe: Automatic retraction when operation is complete
▪ Manual retract stop (MRS) for efficient operations
▪ Always ready-to-use thanks to battery charge and service display
▪ All data can be easily read out via Bluetooth
Suitable for
▪ Cu and Al cables (multi and fine stranded) even armoured cable
Technical data
Head type cutter open
Cutting range max. 50 mm dia.
Cutting force 38 kN
Cutting cycle 8 s to 10 s (depending on material thickness)
Charging time 15 min.
Weight incl. battery 3.0 kg
Ambient temperature -10 °C up to +40 °C
Item
VDE Battery powered hydraulic cutting tool 50 mm dia.
Scope of supply
Bosch battery 18 V / 2.0 Ah, Li-Ion RALB1EU
Bosch quick-charger for 18 V Li-Ion battery LGLB1EU
Makita battery 18 V / 1.5 Ah, Li-Ion RAL1
Makita quick-charger for 18 V Li-Ion battery LGL1
Plastic case
Accessories
KKESM50IS
Bosch battery 18 V / 5.0 Ah, Li-Ion RALB2EU
KKESM50IS
Makita battery 18 V / 4.0 Ah, Li-Ion RAL2
Hydraulic safety tools
VDE-battery powered cutting tools
ESM35IS ESM 35 IS VDE-battery powered hydraulic cutting tool 35 mm dia. for copper and aluminium cable

` Housing in signal orange for simple differentiation from standard tools
` Insulated and VDE certified up to 1,000 V for increased safety when working on potentially voltage-carrying parts
` High cutting force cuts copper and aluminium cables (also fine stranded)
` All tool data in view thanks to the built-in display
Characteristics
▪ Choose your battery system: Bosch or Makita
▪ Open head, rotatable
▪ Simple and safe: One-button operating concept for controlling all tool functions
▪ Effortless working due to balanced centre of gravity
▪ LED for work area illumination
▪ 2-stage hydraulic system with fast feed and power stroke
▪ Simple and safe: Automatic retraction when operation is complete
▪ Manual retract stop (MRS) for efficient operations
▪ Always ready-to-use thanks to battery charge and service display
▪ All data can be easily read out via Bluetooth
Suitable for
▪ Cu and Al cables (multi and fine stranded) even armoured cable
Technical data
Head type cutter open
Cutting range max. 35 mm dia.
Cutting force 25 kN
Cutting cycle 4 s up to 6 s (depending on material thickness)
Charging time 15 min.
Weight incl. battery 2.9 kg
Ambient temperature -10 °C up to +40 °C
Item
VDE Battery powered hydraulic cutting tool 35 mm dia.
Scope of supply
Bosch battery 18 V / 2.0 Ah, Li-Ion
RALB1EU
Bosch quick-charger for 18 V Li-Ion battery LGLB1EU
Makita battery 18 V / 1.5 Ah, Li-Ion RAL1
Makita quick-charger for 18 V Li-Ion battery LGL1
Plastic case
Accessories
Bosch battery 18 V / 5.0 Ah, Li-Ion
Makita battery 18 V / 4.0 Ah, Li-Ion
KKESM50IS
RALB2EU
KKESM50IS
RAL2

` Housing in signal orange for simple differentiation from standard tools
` Insulated and VDE certified up to 1,000 V for increased safety when working on potentially voltage-carrying parts
` For cutting Al/St cables (ACSR), round materials (Cu, Al, St) as well as armoured cables, steel rods and stay wire
` Extremely robust design and lightweight
` All tool data in view thanks to the built-in display
Characteristics
▪ Choose your battery system: Bosch or Makita
▪ Open head, rotatable
▪ Simple and safe: One-button operating concept for controlling all tool functions
▪ Effortless working due to balanced centre of gravity
▪ LED for work area illumination
▪ 2-stage hydraulic system with fast feed and power stroke
▪ Simple and safe: Automatic retraction when operation is complete
▪ Manual retract stop (MRS) for efficient operations
▪ Always ready-to-use thanks to battery charge and service display
▪ All data can be easily read out via Bluetooth
Suitable for
▪ Open wires (ACSR, Aldrey), stay wire and high-tensile stay wire
Technical data
Head type cutter open
Cutting range Open wire (ACSR, Aldrey) up to dia. 25 mm, stay wire up to dia. 16 mm, hightensile stay wire up to dia. 12 mm
Cutting force 67 kN
Cutting cycle depending on material thickness
Charging time 15 min.
Weight incl. battery 2.9 kg
Ambient temperature -10 °C up to +40 °C
Item
VDE Battery powered hydraulic cutting tool 25 mm dia.
Scope of supply
Bosch battery 18 V / 2.0 Ah, Li-Ion
ESM25ISB
RALB1EU
Bosch quick-charger for 18 V Li-Ion battery LGLB1EU
Makita battery 18 V / 1.5 Ah, Li-Ion
Makita quick-charger for 18 V Li-Ion battery
Plastic case
Accessories
Bosch battery 18 V / 5.0 Ah, Li-Ion
Makita battery 18 V / 4.0 Ah, Li-Ion
Replacement blade set
ESM25ISM
RAL1
LGL1
KKESM50IS KKESM50IS
RALB2EU
ESM25ESET
RAL2
ESM25ESET
VDE-battery powered cutting tools
ES 20 IS VDE battery powered hydraulic cutting tool 20 mm dia.

` Housing in Signal Orange for simple differentiation from standard tools
` Insulated and VDE certified to 1000 V for increased safety when working on potentially voltage-carrying parts
` For cutting Al/St conductors (ACSR) to DIN EN 50182, solid Al/Cu cables to EN 60228, Class 1 and laminated copper bus bars
` Extremely robust design and lightweight
` Slim cutting head - ideal when space is critical
` All tool data in view thanks to the built-in display
Characteristics
▪ Choose your battery system: Bosch or Makita
▪ Open head, rotatable
▪ Simple and safe: One-button operating concept for controlling all tool functions
▪ Effortless working due to balanced centre of gravity
▪ LED for work area illumination
▪ Simple and safe: Automatic retraction when operation is complete
▪ Manual retract stop (MRS) for efficient operations
▪ Always ready-to-use thanks to battery charge and service display
▪ All data can be easily read out via Bluetooth
Suitable for
▪ Al/St wire (ACSR)
Technical data
Head type cutter open
Cutting range max. 18 mm dia. (depending on cable/wire type)
Cutting force 23 kN
Cutting cycle 2 s to 4 s (depending on cable size)
Charging time 15 min.
Weight incl. battery 2.1 kg
Ambient temperature -10° to +40 °C
Item
VDE battery powered hydraulic cutting tool 20mm dia. ES20ISB ES20ISM
Scope of supply
Bosch battery 18 V / 2.0 Ah, Li-Ion RALB1EU
Bosch quick-charger for 18 V Li-Ion battery LGLB1EU
Makita battery 18 V / 1.5 Ah, Li-Ion RAL1
Makita quick-charger for 18 V Li-Ion battery LGL1
Plastic case KK50IS KK50IS
Accessories
Bosch Akku 18 V / 5,0 Ah, Li-Ion RALB2EU
Makita battery 18 V / 3.0 Ah, Li-Ion (54 Wh) RAL2
Replacement blade ES20E ES20E
ES32IS ES 32 IS VDE battery powered hydraulic cutting tool 32 mm dia.

` Housing in Signal Orange for simple differentiation from standard tools
` Insulated and VDE certified to 1000 V for increased safety when working on potentially voltage-carrying parts
` Slim cutting head - ideal when space is critica
` All tool data in view thanks to the built-in display
Characteristics
▪ Choose your battery system: Bosch or Makita
▪ Open head, rotatable
▪ Simple and safe: One-button operating concept for controlling all tool functions
▪ Effortless working due to balanced centre of gravity
▪ LED for work area illumination
▪ Simple and safe: Automatic retraction when operation is complete
▪ Manual retract stop (MRS) for efficient operations
▪ Always ready-to-use thanks to battery charge and service display
▪ All data can be easily read out via Bluetooth
Suitable for
▪ Multistranded Cu- and Al-cable
Technical data
Head type cutter open
Cutting range max. 32 mm dia. (depending on cable/wire type)
Cutting force 15 kN
Cutting cycle 8 s to 10 s (depending on cable size)
Charging time 15 min.
Weight incl. battery 2.0 kg
Ambient temperature -10 °C to 40 °C
Item
VDE battery powered hydraulic cutting tool 32mm dia. ES32ISB ES32ISM
Scope of supply
Bosch battery 18 V / 2.0 Ah, Li-Ion RALB1EU
Bosch quick-charger for 18 V Li-Ion battery LGLB1EU
Makita battery 18 V / 1.5 Ah, Li-Ion RAL1
Makita quick-charger for 18 V Li-Ion battery LGL1
Plastic case KK50NG KK50NG
Accessories
Bosch Akku 18 V / 5,0 Ah, Li-Ion RALB2EU
Makita battery 18 V / 3.0 Ah, Li-Ion (54 Wh)
RAL2
Replacement blade ES32E ES32E
SSG Hydraulic safety cutter with foot pump to max. 105 mm dia.

` Safety cutter for safe cutting of live Cu/Al cables without steel armouring which, in case of a failure, may carry voltages of up to 60 kV
` Single-core lives cables without steel armouring can be cut under voltage of up to 110 kV/60 Hz
Characteristics
▪ Two-stage hydraulics
▪ Manual retract as required
▪ The cutting head is generally delivered including safety hydraulic hose (10 m)
Technical data SSGG85 SSG105 SSGG105
Head type closed (SSKG85) open (SSK105) closed (SSGG105)
Cutting range max. 85 mm dia. (depending on cable type) max. 105 mm dia. (depending on cable type) max.105 mm dia. (depending on cable type)
Operating pressure 625 bar 625 bar 625 bar
Hydraulic oil
Ambient
Item Part No.
Hydraulic safety cutting unit with foot pump max. 85 mm dia. SSGG85
Hydraulic safety cutting unit with foot pump max. 105 mm dia. SSG105
Hydraulic safety cutting unit with foot pump max. 105 mm dia. SSGG105
Scope of supply Part No.
Earthing kit EG1
Steel carrying case MKSSG
Accessories
Heat protection cover 1.8 m x 1.8 m
Heat protection cover 1.2 m x 0.9 m
Replacement blade for SSGG85 SSG105 SSGG105
ES105E
ESG85EF1
ESG85ES1
ESG105EF
ESG105ES
Replacement cutting head
SSKG85
SSK105
SSKG105

` Safety cutter for cutting live Cu/Al cables without steel armouring which, in case of a failure, may carry voltages of up to 60 kV
` Single-core lives cables without steel armouring can be cut under voltage of up to 110 kV/60 Hz
` Powerful 5.0 Ah Li-Ion battery
Characteristics
▪ 2-stage hydraulic system with fast feed and power stroke
▪ Electronic control
▪ Multifunction LED for maintenance display and charge status display of the battery
▪ LED display for service interval after 250 cuts
▪ The cutting head is generally delivered including safety hydraulic hose (10 m)
Technical data
ESSGG85L ESSG105L
Head type closed (SSKG85) open (SSK105)
Cutting range max. 85 mm dia. (depending on cable type) max. 105 mm dia. (depending on cable type)
Cutting force
Cutting
Operating
Battery voltage
Battery capacity 5.0 Ah, Li-Ion
Charging time 60 min. 60 min.
Hydraulic oil Special oil Rivolta S.B.H.11 Special oil Rivolta S.B.H.11
Item Part No.
Battery powered hydraulic safety cutter, max. 85 mm dia.
ESSGG85L
Battery powered hydraulic safety cutter, max. 105 mm dia. ESSG105L
Scope of supply Part No.
Klauke battery 18 V / 5.0 Ah, Li-Ion RALK1850
Klauke charger for 18 V Li-Ion batteries LGLK18EU
Plastic case for ESSG65L and ESSG105L KKESSGL Plastic case for ESSGG85L KKESSGG85L
Earthing kit EG1
Accessories Part No.
Heat protection cover 1.8 m x 1.8 m HSD1
Heat protection cover 1.2 m x 0.9 m HSD2
Replacement blade for ESSGG85L ESSG105L ES105E
ESG85ES1
Replacement cutting head
ASSG Battery powered hydraulic safety cutter to max. 135 mm dia.

` DGUV-approved safety cutter for cutting live Cu/Al cables without steel armouring which, in case of a failure, may carry voltages of up to 60 kV
` Single-core lives cables without steel armouring can be cut under voltage of up to 110 kV/60 Hz
` Very wide opening width to 120 mm
` Safe and fast operations by using remote control and 10 m long safety hydraulic hose
Characteristics
▪ 2-stage hydraulic system with fast feed and power stroke
▪ Quick motor stop for high user safety
▪ Electronic control
▪ DGUV-tested
▪ 360° rotating connection as with the cutting head
▪ Battery-powered pump filled with non-conductive oil
▪ Remote control for increased comfort and safety
▪ Two powerful 5 Ah, 18 V Lithium-Ion batteries (one battery is always there as a replacement)
▪ Sturdy housing from impact-resistant, fibreglass reinforced polyamide
▪ The cutting head is generally delivered including safety hydraulic hose (10 m)
▪ Multi-function display for pressure testing, power consumption and service interval
Additional information
▪ Complete system, different variants available depending on cutting head
Technical data ASSGG85L ASSG105L ASSGG105L ASSG120SL ASSGG135L
Head type closed open closed open closed
Cutting range
Operating pressure
Charging
Hydraulic oil
Battery

QUICK AND CLEAN.
Greenlee tools for punching - exactly the right solution for accurate operations. Extreme reliability quickly achieves a burr-free result.

Round and special shape punches
PATENTED CLEAN SOLUTIONROUND AND SPECIAL SHAPE PUNCH
Speed and innovation set our Greenlee products apart. With Speed Punch and Slug Splitter, you can work quickly and precisely in any application. Our commitment to your work.

In brief
` Long service life
` For aluminium and steel to 3.5 mm thick
` Threadless profile for quick replacement
` No jamming of the slug
` Threads require no maintenance
` Quick punching with Speed Punch
We make you faster. Time-saving operations are really easy with the Speed Punch profile. The threadless stamp profile is quickly changed via clamp technology - no more screwing the counter nut off and on! Which also means: Threads are care and maintenance-free. Punching is up to three-times quicker than before.
` Slug Splitter: Automatic clean punching
We make it easy for you. The Slug Splitter separates punched slug remnants. You can fully concentrate on punching stainless steel, without delays due to time-consuming removal of punched slug remnants.
◾ Splits the punches into two parts for direct removal of punch slug remnants
◾ Longest service life due to high-quality stainless steel
◾ Slug-Splitter: Suitable for use with all Greenlee punching hydraulics

◾ Quick punching system: Punching up to 3 x quicker
◾ For aluminium and steel up to 3.5 mm thick
◾ Innovative clamp technology
◾ No more screwing the counter nut off and on
◾ Threads are now care and maintenance-free

` Square punch: Special-shaped punches
Displays and panels require appropriate square-shaped punching. The special punching stamp from Greenlee punches stainless steel and mild steel without leaving burrs. High-quality tool steel meets your requirements - in proven Greenlee quality.
◾ For mild steel (St37), plastic and aluminium to 3.0 mm thick and V2A stainless steel up to 1.5 mm
◾ Burr-free punching of display panels
◾ High-quality tool steel


Punching
Round and special shape punches
Standard Blechlocher Systeme
Standard punch systems

` Ball bearing draw stud reduces operating force
Suitable for
▪ Mild steel (St37), plastic and aluminium up to 3.5 mm
Operation
▪ Manual / hydraulic
Predrilling
▪ Draw stud 9.5 mm dia., pilot drill 9.7 mm diameter 50360183 Draw stud 11.1 mm dia., pilot drill 12.7 mm dia. 50344102 draw stud 19.0 mm dia., pilot drill 20.5 mm diameter 50344030
Scope of supply
▪ Complete system including punch, die and draw stud for manual operation
Additional information
▪ * 52085634 only for 22.5 mm / Pg 16, 2.5 mm mild steel and 2 mm V2A










15.2










Round and special shape punches
Slug Buster® Spalt Blechlocher
50067273grp
Slug Buster® punch system

` For quick, clean, effortless and burr-free holes
` Split slugs fall free and can be removed easily
Suitable for
▪ Mild steel (St37), plastic and aluminium up to 3.5 mm
Operation
▪ Manual / hydraulic Predrilling
▪ Draw stud 9.5 mm dia., pilot drill 9.7 mm diameter 50360183 Draw stud 11.1 mm dia., pilot drill 12.7 mm dia. 50344102 draw stud 19.0 mm dia., pilot drill 20.5 mm diameter 50344030
Scope of supply
▪ Complete system including punch, die and draw stud for manual operation
Additional information
▪ * 52085633 only for 22.5mm / Pg16, 2.5mm mild steel and 2mm V2A ** 50339672 Adapter 9.5mm /19mm for draw stud 51300430






stud with ball bearing
SLUG SPLITTER® punch system (stainless steel)

` Special alloy for maximum service life
` Split slugs fall free and can be disposed of easily
Suitable for
▪ Stainless steel (V2A), mild steel (St37), plastic and aluminium up to 3.5 mm thick
Operation
▪ Hydraulic
Predrilling
▪ Draw stud 11.1 mm dia., pilot drill 12.7 mm diameter 50344102 draw stud 19.0 mm dia., pilot drill 20.5 mm diameter 50344030
Scope of supply
▪ Complete system including punch and die
Additional information
▪ * = Slug Splitter SC® - self-centring





Round and special shape punches
Speed Punch™ punch system

` Innovative threadless punch profile
` Easy and quick handling as the screwing and unscrewing of the counter nut is not required
Suitable for
▪ Mild steel (St37), plastic and aluminium up to 3.5 mm
Operation
▪ Hydraulic Predrilling
▪ Draw stud 9.5 mm dia.; pilot drill 9.7 mm dia. draw stud 19.0 mm dia.; pilot drill 20.5 mm dia.
Scope of supply
▪ Complete system including punch and die
Additional information
▪ Counter nuts and draw studs must be ordered separately, they are not included in scope of supply
▪ Draw stud for LS100Flex, manual hydraulics 1725 and 767
Speed Punch™ draw stud 19 mm to 9.5 mm for ISO 16/20/25 and PG16 Part-No. 52066000
Speed Punch™ pull stud 19mm for ISO 16/20/25 and PG16 Part-No. 52058897





Draw studs with manual drivers
` High wear resistance
Order info
▪ To increase the service life, we recommend greasing the draw studs with Greenlee installation paste no. 50115472
▪ Sizes given are diameter x length
▪ Subject to tolerance deviations








Draw studs for hydraulic drivers
Order info
▪ To increase the service life, we recommend greasing the draw studs with Greenlee installation paste no. 50115472
▪ Sizes given are diameter x length
▪ Subject to tolerance deviations
▪ Draw stud long, for use with LS100Flex, 767 and 1725 hydraulics (746A punching head)
▪ Draw stud short, for use with LS50Flex, 767 and Quick Draw hydraulics












50600257grp
Spezialformlocher Rectangular punch

Suitable for
▪ Mild steel (St37), plastic and aluminium to 3.0 mm and V2A 1.5 mm
▪ Punching of burr-free openings
Operation
▪ Manual / hydraulic
Predrilling
▪ 9.7 mm dia. pilot drill 50360183
12.7 mm dia. pilot drill 50344102
15.9 mm dia. pilot drill 50344030
30.2 mm dia. 50364146
Scope of supply
▪ Punch unit including punch, die, draw stud, counter nut and ball-bearing nut
Additional information
▪ * = only for use with hydraulic punch drivers 52084920, 52084941, LS50FLEX
▪ ** = only for use with hydraulic punch drivers 52084920, 52084941, LS50FLEX



11.1 x
46.0
Round and special shape punches
50600010grp
Square punch

Suitable for
▪ Mild steel (St37), plastic and aluminium to 3.0 mm and V2A 1.5 mm
▪ Punching of burr-free openings
Operation
▪ Manual / hydraulic
Predrilling
▪ 9.7 mm dia. pilot drill 50360183
12.7 mm dia. pilot drill 50344102
15.9 mm dia. pilot drill 50344030
30.2 mm dia. 50364146
Scope of supply
▪ Punch unit including punch, die, draw stud, counter nut and ball-bearing nut
Additional information
▪ * = only for use with hydraulic punch drivers 52084920, 52084941, LS50 Flex and LS100 Flex
▪ ** = only for use with hydraulic punch drivers 52084920, 52084941 and LS100Flex



12.7
46.0

50611257grp

Special square punch with flattened corners
Suitable for
▪ Mild steel (St37), plastic and aluminium to 2.0 mm
▪ Punching of burr-free openings
Operation
▪ Manual / hydraulic
Predrilling
▪ 12.7 mm dia. pilot drill 50344102
Scope of supply
▪ Punch unit including punch, die, draw stud, counter nut and ball-bearing nut


50602381grp

A B C A B

Round punch with four anti-rotation tabs
Suitable for
▪ Mild steel (St37), plastic and aluminium to 3.0
Operation
▪ Manual / hydraulic
Predrilling
▪ 15.9 mm dia. pilot drill 50344030
Scope of supply
▪ Punch unit including punch, die, draw stud, counter nut and ball-bearing nut




Round and special shape punches
„D“ shaped punch
50600770grp

19.1
Suitable for
▪ Mild steel (St37), plastic and aluminium to 2.0 mm
Operation
▪ Manual / hydraulic
Predrilling
▪ 12.7 dia. mm pilot drill
50344102
Scope of supply
▪ Punch unit including punch, die, draw stud, counter nut and ball-bearing nut
Additional information
▪ 50610830 available only as punch unit

Double „D“ shaped punch
50610861grp

A
B A B
Individual parts for manual operation



Suitable for
▪ Mild steel (St37), plastic and aluminium to 2.0 mm
Operation
▪ Manual / hydraulic
Predrilling
▪ 15.9 mm dia. pilot drill
50344030
Scope of supply
▪ Punch unit including punch, die, draw stud, counter nut and ball-bearing nut
Additional information
▪ All punches available only as punch unit



50601016grp
Keyway punch

A B C
Suitable for
▪ Mild steel (St37), plastic and aluminium to 2.0 mm
Operation
▪ Manual / hydraulic
Predrilling
▪ 23.8 mm dia. pilot drill 50300083
Scope of supply
▪ Punch unit including punch, die, draw stud, counter nut and ball-bearing nut





Sub-Min „D“ punch

Suitable for
▪ Mild steel (St37) up to 2.0 mm and aluminium up to 3.5 mm thick
▪ Front or rear mounting Operation
▪ Manual / hydraulic
Predrilling
▪ 12.7 mm dia. pilot drill 50344102
Scope of supply
▪ Punch unit including punch, die, draw stud, counter nut and ball-bearing nut



Sta3ndard Number Pole
Special shape punch for heavy duty connectors with 4 centre mark points


Characteristics
▪ Rectangular punches for heavy duty connectors feature a drilling jig built into the die, for drilling the 4 locating holes. Suitable for
▪ Mild steel (St37) to 3.0 mm thick and aluminium to 3.5 mm
Operation
▪ Hydraulic Predrilling
▪ 30.2 mm dia. pilot drill 50364146 Scope of supply
▪ Punch unit including punch, die, draw stud and counter nut



shaped punch for heavy duty connectors, 10-pin, 36 x 65 mm
Draw studs for shaped punch
Order info
▪ To increase the service life, we recommend greasing the draw studs with Greenlee installation paste no. 50115472
▪ Sizes given are diameter x length
▪ Subject to tolerance deviations




SAVE TIME AND MONEY - WITH EVERY PUNCH!
From the leaders in knockout technology comes the new SPEED PUNCH™ System. The patent pending “no-thread” design eliminates cross-threading, while the innovative SPEED LOCK mechanism quickly secures the punch in place. This means longer tool life and faster punches, saving you time and money on the job. SPEED PUNCH™ is available in ISO 16 to ISO 63 and PG 16 metric sizes and two kit configurations.
` Speed Punch - saves time and money
◾ SPEED LOCK mechanism quickly secures the entire system in place: Punch more holes in less time.
◾ “No-thread” punch design quickly and easily slides on/off draw stud.
◾ The fastest punch system on the market today.
◾ Matched die heights eliminate need for additional spacers.
◾ Fewer extra parts to lose on the job site.
◾ No more thread damage and costly down time.

` Simplified punching processes
◾ Standard draw stud end
◾ Works with your existing hydraulic and battery-operated punch drivers.

` In combination with the hydraulic punching tool LS 50 Flex it represents the state of the art in performance and speed.
LS50 FLEX
Punching
Punching tools and sets
THE ADVANTAGE IN PUNCHINGPUNCHING TOOLS AND SETS
Greenlee punching tools are quick. No matter whether for straight punchings in steel (St37) and stainless steel or confined areas with swivelling head: Greenlee equips you with the right set for every situation. Combined with the Speed Punch, the quickest and most-efficient punching system in our range puts you in pole position. Take the lead in punching!

In brief
` Always ready for use due to short battery-charging times
` Heads rotatable through 360° for optimised work ergonomics
` No fatigue due to low weight
` 3x quicker punching with the Speed Punch system
` The fast one: LS 50 FLEX
The LS 50 FLEX is not just fast. It is integrally designed and produced. It is fully re-charged and ready for use in just 22 minutes. Ergonomic design and a balanced centre of gravity support you when working over long periods of time.
The head rotates through 360° and reliably punches in confined areas. Combine the LS 50 FLEX with the Speed Punch system for even faster operations. There’s no faster punching than this.
◾ Can be used for steel (St37) and stainless steel
◾ Ergonomic design for effortless operations
◾ Automatic final switch-off for even longer service life of the hole punch
◾ 22 min. to recharge the battery
◾ Integrated LED illuminates the work position
◾ Head rotates through 360°
◾ Can be combined with Speed Punch punch system for maximum punch speed

` Slug Buster ® set ISO 16 - 40
The Slug Buster from Greenlee separates the punch remnants automatically so that they fall from the die by themselves. No jamming or time-consuming removal of the punch remnants. The set comprises all components of the punching system.

` Speed Punch set
Punching is up to three times quicker with the Speed Punch. The threadless stamp profile can be quickly replaced via a clamp technology - no more screwing the counter nut on and off. The set contains everything you need for the Speed Punch.
◾ Speed Punch set ISO 16 - 63, including accessories for hydraulic activation
◾ For all standard steel sheet
◾ High-quality plastic transport case for optimum product protection
◾ Slug Buster system including accessories
◾ Including ratchet wrench for manual activation
◾ Pilot drill included
◾ High-quality plastic transport case for optimum product protection
Punching
Punching tools and sets
Speed Nut
SLSN34grp

KWSET, Keyway punch for hydraulic use
Characteristics
▪ Compatible with all Greenlee hand-operated and battery powered hydraulic punches
▪ Simple handling
suitable for
▪ Mild steel (St37) to 2.5 mm thickness
▪ Stainless steel to 2.5 mm thickness
▪ 19mm, ¾” threaded draw stud
Additional information
▪ When using the Quick Draw Series or LS50Flex, short spacer ( part no. 50032488 ) is required
KWSET
Mechanische und hydraulische Stanzwerkzeuge
50265342grp
Acessory
Spare Punch Kit for KWSET
Spare Spring Kit for KWSET
Spare Die Kit for KWSET 52086955
50265342grp
Keyway punch

3/16” (3.2mm) (4.7mm)
1/8”
` Time-saving punching of slots for anti-twist protected parts ` Long service life
Suitable for
▪ Mild steel (St37) to 3 mm thick
▪ Manual operation
Item
Keyway punch
50342991grp
Hydraulic punch Quick Draw 90™ 7904E

` Ideal for fast, straight-on front panel punching
` Head rotates 180° for maximum flexibility
` Very robust
Characteristics
▪ Compact design
▪ Hand hydraulic punch driver with 90° head
Suitable for
▪ Special shape punches up to a maximum size of 68 x 68 mm or 35 x 65 mm
▪ Round punches up to ISO 63 (64 mm dia.)
Additional information
▪ Accompanying draw studs to 64 mm ST37 are suitable
Technical data
Quick Draw 90™ 7904E
50342991
Scope of supply Part No.
Hand hydraulic punch 7904E
Draw stud for punch with hydraulic operation 9.5 x 71 mm
Draw stud for hydraulic operation 19.0 x 122 mm
Spacer, short
Adapter 19.0 x 48 mm with internal thread 9.5 mm
Plastic case
50337866
51300430
52085691
50032488
50339672
50352024
50342916grp

Hydraulic punch driver Quick Draw™
7804E
` Ideal for fast, straight-on front panel punching
` Compact design
` Very robust
Characteristics
▪ Hand hydraulic punch driver with straight head
Suitable for
▪ Special shape punches up to a maximum size of 68 x 68 mm or 35 x 65 mm
▪ Round punches up to ISO 63 (64 mm dia.)
Additional information
▪ Accompanying draw studs to 64 mm ST37 are suitable
Technical data
Item
Quick Draw™ 7804E
50342916
Scope of supply Part No.
Hand hydraulic punch 7804E
Draw stud for punch with hydraulic operation 9.5 x 71 mm
Draw stud for hydraulic operation 19.0 x 122 mm
Spacer, short
Adapter 19.0 x 48 mm with internal thread 9.5 mm
Plastic case
50342886
51300430
52085691
50032488
50339672
50352024
Punching tools and sets
Manual hydraulic punch

` Flexible head for multi-purpose use even in confined areas
Characteristics
▪ Rotatable/Swivel
Suitable for
▪ Special shape punches up to a maximum size of 68 x 68 mm or 35 x 65 mm
▪ Round punches up to ISO 63 (64 mm dia.)
Additional information
▪ Hand-operated hydraulic punch incl. draw stud, pilot drill and spacer in plastic case
▪ Without hole
▪ Accompanying draw studs to 64 mm ST37 are suitable
Technical data
Dimension 340 x 150 x 85 mm
Punching force 80 kN
Weight 2.2 kg
Revolving/rotatable 360°
Item Part No.
Manual hydraulic punch
Scope of supply Part No.
Draw stud for hydraulic operation 9.5 mm to 19 mm, 122 mm 52042827
Spacer, short 50032488
Plastic case
Akkuhydraulisches Stanzwerkzeug LS 50 Flex

` High flexibility using 360° rotating head
` An integrated pressure sensor increases the service life of the hole punch
` Automatic stop makes the punching tools last longer
Characteristics
▪ Choose your battery system: Bosch or Makita
▪ All data can be easily read via Bluetooth
▪ Balanced centre of gravity for easy handling and effortless operations
▪ LED for work area illumination
▪ Energy saving function with motor cut-out after successful operation
▪ Manual retract as required
▪ Always ready-to-use thanks to battery charge and service display
Technical data
Punching force 60 kN
Weight 2.1 kg
Charging time 15 min.
Punching time 5 s at 22.5 mm dia., 3 mm mild steel 6 s at 63.5 mm dia., 3 mm mild steel
Ambient temperature -15 °C up to +40 °C
Dimensions 340 x 115 x 80 mm
Punching capacity
120 punch operations at 22.5 mm dia., 3.4 mm mild steel
190 punch operations at 22.5 mm dia., 3 mm mild steel
280 punch operations at 22.5 mm dia., 2.5 mm mild steel
Item Part No. Bosch Part No. Makita
LS 50 FLEX battery powered hydraulic punching tool
Lieferumfang
Bosch battery 18 V / 2.0 Ah, Li-Ion RALB1EU
Bosch quick-charger for 18 V Li-Ion battery LGLB1EU
Makita battery 18 V / 1.5 Ah, Li-Ion RAL1
Makita quick-charger for 18 V Li-Ion battery LGL1
Draw stud for hydraulic operation 19.0 x 122 mm 52085691 52085691
Spacer 22 mm, short
Adapter 19.0 x 48 mm with internal thread 9.5 mm
Draw stud for punch with hydraulic operation 9.5 x 71 mm 51300430 51300430
Plastic case KK50FLEXNG KK50FLEXNG
Accessories
Bosch battery 18 V / 5.0 Ah, Li-Ion RALB2EU
Makita battery 18 V / 3.0 Ah, Li-Ion (54 Wh) RAL2
Variants
L-BOXX with flexible battery powered hydraulic punch LS50FLEXCFB
L-BOXX with flexible battery powered hydraulic punch LS50FLEXCFM
LBOXXLS50FLEXCFB
LBOXXLS50FLEXCFM
Punching tools and sets
LS50FLEXGRP Akkuhydraulisches Stanzwerkzeug LS 50 Flex
LS 100 FLEX battery powered hydraulic punching tool

` High flexibility using rotating head
` An integrated pressure sensor increases the service life of the hole punch
` Automatic stop makes the punching tools last longer
Characteristics
▪ Choose your battery system: Bosch or Makita
▪ All data can be easily read via Bluetooth
▪ Balanced centre of gravity for easy handling and effortless operations
▪ LED for work area illumination
▪ Energy saving function with motor cut-out after successful operation
▪ Changeable modes for automatic or manual retraction
▪ Always ready-to-use thanks to battery charge and service display
Additional information
50032488 50032488 Plastic case KK50FLEXNG KK50FLEXNG Punching
▪ When used with Speed Punch use the following draw studs: 52066000 (to ISO 25), 50032488, 52058897 (from ISO 25)
Technical data
Punching force
Weight
100 kN
2.7 kg
Charging time 15 min.
Punching time
5 s at 22,5 mm dia., 3 mm mild steel
6 s at 63,5 mm dia., 3 mm mild steel
Ambient temperature -15° up to +40 °C
Dimensions
Punching capacity
Item
370 x 120 x 80 mm
St37 max.: 152.4 mm at a material thickness of 3 mm V2A max.: 104.8 mm at a material thickness of 3 mm
Part No. Bosch
LS 100 FLEX battery powered hydraulic punching tool
Scope of supply
LS100FLEXCFB
Bosch battery 18 V / 5.0 Ah, Li-Ion RALB2EU
Bosch quick-charger for 18 V Li-Ion battery LGLB1EU
Part No. Makita
LS100FLEXCFM
Makita battery 18 V / 4.0 Ah, Li-Ion RAL40
Makita quick-charger for 18 V Li-Ion battery LGL1
Draw stud for hydraulic operation 19.0 x 137 mm 52085692 52085692
Draw stud for hydraulic operation 9.5 mm to 19 mm, 122 mm 52042827 52042827
Spacer, short
EK120UNVGRP
Hydraulic punch with hand pump

` Compact design
Characteristics
▪ With hand pump, hose and cylinder
Suitable for
▪ All punches up to 144.1 mm round and 138 x 138 mm square
▪ St37 up to 3.5 mm and 3.5 mm V2A (depending on punch size)
Operation
▪ Hydraulic
Additional information
▪ When used with Speed Punch use the following draw studs: 52066000 (to ISO 25), 50032488, 52058897 (from ISO 25)
▪ Draw stud 52085689 11.1 mm to 19mm, used for 22.5mm Pg16 SBPunch*52085633, or 22.5mm Pg16 SR-Punch* 52085634.
*Suitable for mild steel 2.5mm / stainless steel 2mm
Technical data
Punching force 110 kN
Item
Hydraulic punch with hand pump
Scope of supply
Hydraulic cylinder
767 Hydraulic hand pump
Hydraulic punch with foot pump
50250973grp

Characteristics
▪ With foot pump, hose and cylinder
Suitable for
▪ Up to 144.1 mm round and 138 x 138 mm square
▪ St37 up to 3.5 mm and 3.5 mm V2A (depending on punch size)
Operation
▪ Hydraulic
Additional information
▪ When used with Speed Punch use the following draw studs: 52066000 (to ISO 25), 50032488, 52058897 (from ISO 25)
▪ Draw stud 52085689 11.1 mm to 19mm, used for 22.5mm Pg16 SBPunch*52085633, or 22.5mm Pg16 SR-Punch* 52085634. *Suitable for mild steel 2.5mm / stainless steel 2mm
Technical data
Punching force 110 kN
15.2 kg
Hydraulic punch with foot pump 52084941
Scope of supply Part No.
Hydraulic cylinder 50170910
1725 Hydraulic foot pump 50313533
Hydraulic hose 6.4 mm dia. x 3 m 50377299
Draw stud for hydraulic operation 19.0 x 137 mm
Draw stud for hydraulic operation 11.1 mm to 19 mm, 127 mm
Punching
Punching
Thread grease

` Increases the service life
` Prevents "seizing"
` Screw and nut threads resistant to wear
Suitable for
▪ Statically and dynamically high stressed thread connections
Item
Draw stud thread grease, 30 g 50115472
Slug Buster® punch set for all applications from ISO 16 - 40

Suitable for
▪ Mild steel (St37), plastic and aluminium up to 3.5 mm
Operation
▪ Manual
Predrilling
▪ Draw stud 9.5 mm dia., pilot drill 9.7 mm dia. 50360183 draw stud 19.0 mm dia., pilot drill 20.5 mm dia. 50344030
Item
Slug Buster® punch set ISO 16 to 40
Part No.
50366920
Scope of supply Part No.
Slug Buster® punch set ISO 16/20/25/32/40
Draw studs for manual operation 9.5 x 40 mm
Draw studs for manual operation 19.0 x 55 mm
Ratchet
Kwik Stepper™ step bit 9.7 mm
Plastic case
50356178SET
50000420
50040405
50349414
50360183
50366858
50366904grp
Slug Buster® punch set for all applications from PG 9 to PG 21 and 30.5 mm

Suitable for ▪ Mild steel (St37), plastic and aluminium up to 3.5 mm
Operation
▪ Manual
Predrilling
Slug Buster® punch set for ISO 16 - 63
50366939grp

Suitable
▪
Operation ▪ Manual Predrilling ▪
Punching
Punching tools and sets
Slug Buster® punch set for all applications from PG 9 - 48 and 30.5 mm
50366912grp

Suitable for
▪ Mild steel (St37), plastic and aluminium up to 3.5 mm
Operation
▪ Manual
Predrilling
▪ Draw stud 9.5 mm dia., pilot drill 9.7 mm dia. 50360183 draw stud 19.0 mm dia., pilot drill 20.5 mm dia. 50344030
Item
Slug Buster® punch set PG 9 to PG 48 and 30.5 mm
50366912SET
Scope of supply Part No.
Draw studs for manual operation 9.5 x 40 mm 50000420
Draw studs for manual operation 19.0 x 55 mm 50040405
Ratchet
Slug Buster® punch set PG 9 - 48, 30.5 mm
Plastic case
50349414
50328034SET
50366858
Speed Punch™ Set ISO 16 – 40
52055439SETgrp Slug Buster® Blechlocher-Sets

` Up to 3-times faster than conventional punching tools
` Easy and quick handling as the screwing and unscrewing of the counter nut is not required
` Compatible with all Greenlee hand-operated and battery powered hydraulic tools
` No greasing of the draw stud required
Suitable for
▪ Mild steel (St37), plastic and aluminium up to 3.5 mm
▪ LS50Flex and Quick Draw
Operation
▪ Hydraulic
Predrilling
▪ Draw stud 9.5 mm dia., pilot drill 9.7 mm dia. 50360183 draw stud 19.0 mm dia., pilot drill 20.5 mm dia. 50344030
Scope of supply
▪ Complete system including draw stud, cramp, punch and die incl. plastic case
Item Part No.
Speed Punch™ punch set ISO 16/20/25/32/40
52055439SET
Scope of supply Part No.
Punch and die ISO 16 (16.2 mm)
52055431
Punch and die ISO 20 (20.4 mm) 52055432
Punch and die ISO 25 (25.4 mm) 52055434
Punch and die ISO 32 (32.5 mm) 52055435
Punch and die ISO 40 (40.5 mm) 52055436
Speed Lock and draw stud 9.5 mm for ISO 16/20/25 and PG 16
Speed Lock and draw stud 19.0 mm for ISO 32/40/50/63
Plastic case
52055439
52055440
KKSPISO16B63
Accessories Part No.
Plastic case
KKSPISO16B63

` Up to 3-times faster than conventional punching tools
` Easy and quick handling as the screwing and unscrewing of the counter nut is not required
` Compatible with all Greenlee hand-operated and battery powered hydraulic tools
` No greasing of the draw stud required
Suitable for
▪ Mild steel (St37), plastic and aluminium up to 3.5 mm
▪ LS50Flex and Quick Draw
Operation
▪ Hydraulic
Predrilling
▪ Draw stud 9.5 mm dia., pilot drill 9.7 mm dia. 50360183 draw stud 19.0 mm dia., pilot drill 20.5 mm dia. 50344030
Scope of supply
▪ Complete system including draw stud, cramp, punch and die incl. plastic case
Item
Speed Punch™ Set ISO 16 – 63
Part No.
52055440SET
Scope of supply Part No.
Punch and die ISO 16 (16.2 mm)
Punch and die ISO 20 (20.4 mm)
Punch and die ISO 25 (25.4 mm)
Punch and die ISO 32 (32.5 mm)
Punch and die ISO 40 (40.5 mm)
Punch and die ISO 50 (50.8 mm)
Punch and die ISO 63 (64.0 mm)
Speed Lock and draw stud 9.5 mm for ISO 16/20/25 and PG 16
Speed Lock and draw stud 19.0 mm for ISO 32/40/50/63
Plastic case
52055431
52055432
52055434
52055435
52055436
52055437
52055438
52055439
52055440
KKSPISO16B63
Accessories Part No.
Plastic case
KKSPISO16B63
Punching
Punching tools and sets
Slug-Splitter® Blechlocher-Sets
50766803grp
Slug-Splitter®
punch set (stainless steel) ISO 16 - 40

` Unique punch profile
` Split slugs fall free and can be removed easily
Suitable for
▪ Stainless steel (V2A), mild steel (St37), plastic and aluminium up to 3.5 mm thick
Operation
▪ Hydraulic
Predrilling
▪ Draw stud 19 mm dia., pilot drill 20.5 mm dia. 50344030 draw stud 11.1 mm dia., pilot drill 12.7 mm dia. 50344102
Item
Slug-Splitter® punch set (stainless steel) ISO 16/20/25/32/40
50766803
Scope of supply Part No.
Slug-Splitter® punch (stainless steel) 16.2 mm
Slug-Splitter® punch (stainless steel) 20.4 mm
Slug-Splitter® punch (stainless steel) 25.4 mm
Slug-Splitter® punch (stainless steel) 32.5 mm
Slug-Splitter® punch (stainless steel) 40.5 mm
50069527
50069543
50069560
50069594
50069616
Draw stud for hydraulic operation 11.1 mm to 19 mm, 108 mm 50294512
Draw stud for hydraulic operation 19 x 140 mm 50294520
Plastic case KKSSISO16B63
Slug-Splitter® punch set (stainless steel) ISO 16 - 63
50766797SETgrp

` Unique punch profile
` Split slugs fall free and can be removed easily
Suitable for
▪ Stainless steel (V2A), mild steel (St37), plastic and aluminium up to 3.5 mm thick
Operation
▪ Hydraulic
Predrilling
▪ Draw stud 19 mm dia., pilot drill 20.5 mm dia. 50344030 draw stud 11.1 mm dia., pilot drill 12.7 mm dia. 50344102
Item Part No.
Slug-Splitter® punch set (stainless steel) ISO 16/20/25/32/40/50/63
50766797
Scope of supply Part No.
Slug-Splitter® punch (stainless steel) 16.2 mm
Slug-Splitter® punch (stainless steel) 20.4 mm
Slug-Splitter® punch (stainless steel) 25.4 mm
Slug-Splitter® punch (stainless steel) 32.5 mm
Slug-Splitter® punch (stainless steel) 40.5 mm
Slug-Splitter® punch (stainless steel) 50.8 mm
Slug-Splitter® punch (stainless steel) 64 mm
Draw stud for hydraulic operation 11.1 mm to 19 mm, 108 mm
50069527
50069543
50069560
50069594
50069616
50069632
50069667
50294512
Draw stud for hydraulic operation 19 x 140 mm 50294520
Plastic case
KKSSISO16B63
Stanzwerkzeuge und Sets
50356119SETgrp

Suitable for ▪ Mild steel (St37), plastic and aluminium up to 3.5 mm
Operation
▪ Hydraulic
Predrilling
▪
Slug Buster® hand hydraulic 90° punch driver set PG 9 - PG 21, 30.5 mm

Suitable
Operation
▪ Hydraulic
Predrilling
50356143SETgrp
Slug Buster® hand hydraulic punch driver set ISO 16 - 40

Suitable for ▪ Mild steel (St37), plastic and aluminium up to 3.5 mm thick
Operation
▪ Hydraulic
Predrilling
▪ Draw stud 9.5 mm dia., pilot drill 9.7 mm dia. 50360183 draw stud 19.0 mm dia., pilot drill 20.5 mm dia. 50344030
Item
Slug Buster® hand hydraulic punch driver set ISO 16 to 40 50356143SET
Scope of supply
Hand hydraulic punch 7804E 50342886
Draw stud for punch with hydraulic operation 9.5 x 71 mm 51300430
Draw stud for hydraulic operation 19.0 x 105 mm 52085691
Spacer, short 50032488
Adapter 19.0 x 48 mm with internal thread 9,5 mm
50339672
Slug Buster® punch set ISO 16/20/25/32/40 50356178SET
Plastic case
50352024
Slug Buster® hand hydraulic 90° punch driver set ISO 16 - 40
50356160SETgrp

Suitable for
▪ Mild steel (St37), plastic and aluminium up to 3.5 mm thick
Operation
▪ Hydraulic
Predrilling
▪ Draw stud 9.5 mm dia., pilot drill 9.7 mm dia. 50360183 draw stud 19.0 mm dia., pilot drill 20.5 mm dia. 50344030
Item Part No.
Slug Buster® hand hydraulic punch driver set ISO 16 to 40
50356160SET
Scope of supply Part No.
Hand hydraulic punch 7904E 50337866
Draw stud for punch with hydraulic operation 9.5 x 71 mm 51300430
Draw stud for hydraulic operation 19.0 x 122 mm 52085691
Spacer, short 50032488
Adapter 19.0 x 48 mm with internal thread 9,5 mm 50339672
Slug Buster® punch set ISO 16/20/25/32/40
Plastic case
50356178SET
50352024
52034233grp
Hand hydraulic punching set 90° ISO 16 - 40

50356178SETgrp
Slug Buster® punch set ISO 16 – 40

` Flexible head for multi-purpose use even in confined areas
Suitable for
▪ Special shape punches up to a maximum size of 68 x 68 mm or 35 x 65 mm
▪ Round punches up to ISO 63 (64 mm dia.) Item
Hand hydraulic punching set ISO 16 - 40
Scope of supply
Slug Buster® punch set ISO 16/20/25/32/40
Draw stud for hydraulic operation 9.5 mm to 19 mm, 122 mm
Draw stud for hydraulic operation 19.0 x 122 mm
Spacer, short
case
` For quick, clean, effortless and burr-free holes
` Split slugs fall free and can be removed easily
Suitable for
▪ Mild steel (St37), plastic and aluminium to 3.0 mm
Operation
▪ Manual
Predrilling
▪ Draw stud 9.5 mm dia., pilot drill 9.7 mm dia. 50360183 draw stud 19.0 mm dia., pilot drill 20.5 mm dia. 50344030
Scope of supply
▪ Complete system including punch and die incl. plastic case Item
Slug Buster® punch set ISO 16/20/25/32/40
case
Slug Buster® punch set ISO 16 – 63
50068920SETgrp

` Long product life
` Very easy to use
Suitable for
▪ Mild steel (St37), plastic and aluminium up to 3.5 mm
Operation
▪ Manual
Predrilling
▪ Draw stud 9.5 mm dia., pilot drill 9.7 mm dia. 50360183 draw stud 19.0 mm dia., pilot drill 20.5 mm dia. 50344030
Scope of supply
▪ Complete system including punch and die incl. plastic case Item
Slug Buster® punch set ISO 16/20/25/32/40/50/63
50323989SETgrp
Slug Buster® punch set PG 9 - 21, 30.5 mm

` Unique punch profile
` Split slugs fall free and can be removed easily
Suitable for
▪ Mild steel (St37), plastic and aluminium up to 3.5 mm
Operation
▪ Manual
Predrilling
▪ Draw stud 9.5 mm dia., pilot drill 9.7 mm dia. 50360183 draw stud 19.0 mm dia., pilot drill 20.5 mm dia. 50344030
Scope of supply
▪ Complete system including punch and die incl. plastic case
Item
Slug Buster® punch set PG 9/11/13/16/21 and 30.5 mm
50323989SET Accessories
Plastic case
Slug Buster® punch set PG 9 - PG 48, 30.5 mm
50328034SETgrp

` Unique punch profile
` Split slugs fall free and can be removed easily
Suitable for
▪ Mild steel (St37), plastic and aluminium up to 3.5 mm
Operation
▪ Manual
Predrilling
▪ Draw stud 9.5 mm dia., pilot drill 9.7 mm dia. 50360183 draw stud 19.0 mm dia., pilot drill 20.5 mm dia. 50344030
Scope of supply
▪ Complete system including punch and die incl. plastic case
Item Part No.
Slug Buster® punch set PG 9/11/13/16/21/29/36/48 and 30.5 mm
Accessories
Plastic case
50328034SET
FOR DEEP INCISIONSHOLE SAWS
Clear the way for cables and electrical connections. Our Greenlee hole saws offer a long-term precise solution. Reinforced back plate reduces vibrations. Saving you effort and ensuring precise concentricity. HSS bi-metal hole saws are suitable for processing steel sheet, cast iron, brass and other materials.

In brief
` Reduced vibrations thanks to reinforced back plate
` Long service life due to high-performance steel
` Suitable for numerous materials
` For multi-functional use, please note our universal tools
` HSS bi-metal hole saws
No material is safe from the HSS bi-metal hole saws.
Very hard high-performance steel (M 42) for clean and reliable prolonged operation.
◾ Precise cut with positive pitch
◾ Reinforced back plate reduces vibrations
◾ High true running accuracy

◾ Cooling slots for low heat build-up
◾ Saws up to a cut depth of of 41.3 mm
◾ Improved service life due to tooth hardness Rc65-68
◾ Suitable for steel sheet, cast iron, brass, fibreglass, wood and plastic
The hole saw set gives you all standard sizes tidily combined. Well sorted and perfectly protected.
◾ All standard sizes of hole saws
◾ Manufactured from M42 high-performance steel
◾ Including accessories
◾ Securely stowed in a robust case

` Set of hole saws: HSS bi-metal hole saw set
HSS Bi-metal hole saws

` Vibration-reduction and high true running accuracy due to thick back section
` High-quality serration easily assured, precise cut
` Cooling slots ensure low heat build-up
` No canting when sawing
Characteristics
▪ High-quality, rake variable pitch design provides faster, easier cutting
▪ High true running accuracy
▪ Max. cutting depth 41.3 mm
▪ Tooth hardness Rc 65 - 68
Suitable for
▪ Mild steel, cast iron, brass, aluminium, fibreglass, wood, VA sheet and plastic
Additional information
▪ Arbors have to be ordered separately, not included in scope of supply
Bi-metal hole saw set

` Saves time thanks to low vibration and heat development
` Variable pitch for an uniform cut
` Requires minimal effort when drilling
Characteristics
▪ High true running accuracy
▪ Less effort when cutting
Suitable for
▪ Metal, brass, fibreglass, non-ferrous metal, cast iron, aluminium, wood and plastics, stainless steel sheet
HSS
50371576grp

Arbor for HSS bi-metal hole saws 14 - 30 mm
Suitable for ▪ Sizes from 14 - 30 mm
Item
Arbor 6.3 mm
Arbor for HSS bi-metal hole saws 7.9 mm
Arbor 8.6 mm
Arbor 11.1 mm
50371541grp

Arbor for HSS bi-metal hole saws 32 - 152 mm
Suitable for ▪ Sizes from 32 - 51 mm
▪ Sizes from 32 - 152 mm
Arbor 8.6 mm for HSS bi-metal hole saws 32 - 152 mm
Arbor 11.1 mm for HSS bi-metal hole saws 32 - 152 mm
SDS
50069292grp

arbor for HSS bi-metal hole saws
Suitable for ▪ Sizes from 32 - 152 mm
▪ Sizes from 14 - 30 mm
52057782grp

Replaceable pilot drill for arbor HSS bi-metal hole saws
SIMPLE DRILLING –
EVERYTHING IN ONE OPERATION
Greenlee bits are produced using the latest CNC technology. The benefit to you is clear: Clean cutting edges produce longer and better cutting operations from the very first use. That saves you effort. The two-sided deburring of the edge breaker saves you time. The Rotastop system on the shank prevents the bit from slipping through in the chuck. That’s how drilling is done today.

In brief
` Perfect cutting performance in the first pass
` Rotastop prevents the bit slipping through
` Split point requires less effort
` Kwik Stepper with Rotastop
Years of experience and development have gone into this bit. The Kwik Stepper drills not only burr-free with optimum swarf removal, the spiral groove also reduces heat build-up during the drilling operation. This makes the Kwik Stepper especially durable. The Rotastop system holds the bit in place - without slipping through. Additionally, the split point reduces your effort during the drilling operation. Great performance from just one bit.
` Performance in the set: Kwik Stepper set of step bits
To keep you flexible while drilling, we have combined all standard step bits in a practical set and accommodated them in a robust plastic box. Everything to hand.
◾ All common step bits
◾ Clear assignment of the bit through laser scaling of the step bit
◾ Robust plastic box with integrated pop-up hinge
◾ Easy to transport and store
◾ All required drilling ranges in one tool
◾ Rotastop for maximum torque transmission
◾ Quick bit change
◾ No slipping through in the chuck
◾ Spiral groove for improved cutting performance
◾ Two-sided burr removal
◾ Can be used for sheet, pipes, non-ferrous metals, stainless steel and plastics


` Minimum burr ` Long service life ` Good torque transmission ` Less effort when drilling
Suitable for ▪ Sheet, pipe, NF metal and plastic

50069845grp Kwik Stepper™ step bit with ROTASTOP® shaft
` ROTASTOP® guarantees best-possible torque transmission
` Minimal burr
` No slipping in the chuck with ROTASTOP®
` Long service life
` Requires minimum effort when drilling
Suitable for
▪ Reaming of steel sheets, pipes, non-ferrous metals and plastic

Kwik
Kwik Stepper™ step bit with ROTASTOP® shaft


50069900grp
Kwik Stepper™ step bit set

bit set M 3 - M 10

50069900grp
Metric SS DTAP Kit (PKG)

` ROTASTOP® guarantees best-possible torque transmission
` Hardly any burr
` No slipping in the chuck with ROTASTOP®
` Long service life
` Requires minimal effort when drilling
Suitable for
▪ Reaming of steel sheets, pipes, non-ferrous metals and plastic
Kwik Stepper™ step bit set
Scope of supply
Kwik Stepper™ step bit with ROTASTOP® shaft 4 - 12 mm
Kwik Stepper™ step bit with ROTASTOP® shaft 4 - 20 mm
Kwik Stepper™ step bit with ROTASTOP® shaft 6 - 30 mm
` Drill, tap and deburr in one operation
Suitable for
▪ For use with St37, non-ferrous metals, stainless steel and plastics
Combi bit set in plastic cassette M 3 - M 10
Suitable for
▪ For use with St37, non-ferrous metals, stainless steel and plastics
Metric SS DTAP Kit (PKG) 52086846
of supply
Drill/Tap M3 x 0.50 (PKG)
Drill/Tap M4 x 0.70 (PKG)
52086840
52086841
Drill/Tap M5 x 0.80 (PKG) 52086842
Drill/Tap M6 x 1.00 (PKG) 52086843
Drill/Tap M8 x 1.25 (PKG)
Drill/Tap M10 x 1.50 (PKG)
Quick change adapter
52086844
52086845
50116371
Combi

THE ALL-ROUNDER.
Sometimes, you need to be the jack-of-all-trades: Crimping, cutting, bending, punching and offsetting. With Klauke, you have every facility in just one tool.

Universal tools
Electromechanical universal tool
Elektromechanische Crimpzange

THE MULTITALENTED
One tool for a wide range of applications
OUR VERSATILE DIES AT A GLANCE
Crimping dies for




Stripping dies


Crimping die for insulated connectors IS5071 0.5 - 6 mm²

Cutting die S502


All compatible dies of the K50 series can be found here:
EKWF50MLGRP
EK WF 50 ML Electro mechanical crimping tool 0,5 - 50 mm² for cable end-sleeves and twin cable end-sleeves

` The Klauke micro with intuitive PowerSense function combines the benefits of manual crimping tool K 507WF with the convenience of battery powered hydraulic crimping tools
` One crimping profile for all comman typesr
` Quick and easy changing of the crimping dies
` Fewer pressures due to optimal crimping die width
` Excellent crimps with minimum effort
Characteristics
▪ Simple and safe: One-button operating concept for controlling all tool functions
▪ PowerSence function: Manual pre-clamping, motorized crimping
▪ Electronic control with locking function monitors full closing of the dies
▪ Ergonomic 2C housing in the Klauke „In-line Design“
▪ Tool fixing point for use with balancer aid or lanyard
▪ Very low weight and high speed for maximum efficiency
▪ Powerful drive technology for effortless operations
▪ Powerful 10.8 V Li-Ion battery with charge status display
▪ LED for work area illumination
▪ Maintenance display via LED
Suitable for
▪ Cable end-sleeves and twin cable end-sleeves
Technical data
Crimping range 0.5 - 50 mm²
Number of crimps approx. 400 at 10 mm²
Battery voltage 10.8 V
Battery capacity 2.5 Ah, Li-Ion
Charging time approx. 45 min.
Weight incl. battery 0.96 kg
Ambient temperature -10 °C up to +40 °C
Item
Electro mechanical crimping tool 0.5 - 50 mm² for cable end-sleeves EKWF50ML
Scope of supply
Crimping dies AE 507 for cable end-sleeves, 0,5 - 6 mm²

AE5071
Crimping dies AE 507 for cable end-sleeves, 10 - 25 mm² AE5072
Crimping dies AE 507 for cable end-sleeves, 35 - 50 mm² AE5073
Crimping dies AE 507 for twin cable end-sleeves 2 x 6 - 2 x 16 mm² ZAE5072
Battery 10.8 V / 2.5 Ah, Li-Ion (27 Wh)
RAML1225
Charger for 10.8 V Li-Ion batteries, 230V LGML1
Plastic case 450 x 370 x 105 mm KKEK50ML
EK 50 ML Electromechanical crimping tool 0.1 - 50 mm²

` The Klauke micro with intuitive PowerSense function combines the benefits of manual crimping tools with the convenience of battery powered hydraulic crimping tools
` Excellent crimps with minimum effort
Characteristics
▪ Simple and safe: One-button operating concept for controlling all tool functions
▪ PowerSence function: Manual pre-clamping, motorized crimping
▪ Electronic control with locking function monitors full closing of the dies
▪ Ergonomic 2C housing in the Klauke "In-line Design"
▪ Tool fixing point for use with balancer aid or lanyard
▪ Very low weight and high speed for maximum efficiency
▪ Powerful drive technology for effortless operations
▪ Powerful 10.8 V Li-Ion battery with charge status display
▪ LED for work area illumination
▪ Maintenance display via LED
Suitable for
▪ 50-series interchangeable dies
Technical data
Crimping range
0.1 - 50 mm²
Number of crimps approx. 400 at 10 mm²
Battery voltage 10.8 V
Battery capacity 2.5 Ah, Li-Ion
Charging time approx. 45 min.
Weight incl. battery 0.96 kg
Ambient temperature -10 °C up to +40 °C
Item
Electromechanical crimping tool 0.1 - 50 mm²
Scope of supply
Battery 10.8 V / 2.5 Ah, Li-Ion (27 Wh)
Charger for 10.8 V Li-Ion batteries, 230V
Crimping dies IS 50, double crimping, 0.5 - 6 mm²
Plastic case 450 x 370 x 105 mm
Variants

Electromechanical crimping tool 0.1 - 50 mm² with RAML1225 battery, no crimping die, case, charge
L-BOXX with electro-mechanical crimping tool EK 50 ML 0.1 to 50 mm² and extensive additional equipment
Part No.
EK50ML
Part No.
RAML1225
LGML1
IS501
KKEK50ML
Part No.
EK50ML-L
LBOXXEK50ML
50 ML Electromechanical Stripping Tool 6 - 35 mm²


` The Klauke micro with intuitive PowerSense function makes it easy to strip all common types of conductor with the convenience of an electromechanical tool
` One tool for all common insulation types
` Replacing inserts is fast and easy
` Fast and effortless stripping and cutting
` Excellent stripping results with minimal effort
` More than 30 inserts for crimping, stripping and cutting
Characteristics
▪ Simple and safe: One-button operating concept for controlling all tool functions
▪ PowerSence function: Manual pre-clamping, motorized crimping
▪ Electronic control with locking function monitors full closing of the dies
▪ Ergonomic 2C housing in the Klauke „In-line Design“
▪ Tool fixing point for use with balancer aid or lanyard
▪ Very low weight and high speed for maximum efficiency
▪ Powerful drive technology for effortless operations
▪ Powerful 10.8 V Li-Ion battery with charge status display
▪ LED for work area illumination
▪ Maintenance display via LED
Suitable for
▪ 50-series interchangeable dies
Technical data
Stripping range 6 - 35 mm²
Stripping length up to 28 mm
Cutting range up to 11.5 mm diameter
Battery voltage 10,8 V
Battery capacity 2,5 Ah, Li-Ion
Charging time approx. 45 min.
Weight incl. battery 0,96 kg
Ambient temperature -10 °C up to +40 °C
Conductor classes 1
Electromechanical Stripping Tool 6 - 35 mm²
Scope of supply
Battery 10,8 V / 2,5 Ah, Li-Ion (27 Wh)
Charger for 10.8 V Li-Ion batteries, 230V LGL1
Stripping insert 10 mm²
Stripping insert 16 mm²
Stripping insert 25 mm²
Stripping insert 35 mm²
Cable stop
SD5010
SD5016
SD5025
SD5035
SD50CS
Plastic case KKEK50ML
Accesories
Stripping insert 6 mm²
EK
ML Electromechanical crimping tool for PV connectors 2,5 - 6 mm²


` The Klauke micro with intuitive PowerSense function combines the benefits of manual crimping tools with the convenience of battery powered hydraulic crimping tools
` Excellent crimps with minimum effort
` More than 30 inserts for crimping, stripping and cutting
Characteristics
▪ Simple and safe: One-button operating concept for controlling all tool functions
▪ PowerSence function: Manual pre-clamping, motorized crimping
▪ Electronic control with locking function monitors full closing of the dies
▪ Ergonomic 2C housing in the Klauke „In-line Design“
▪ Tool fixing point for use with balancer aid or lanyard
▪ Very low weight and high speed for maximum efficiency
▪ Powerful drive technology for effortless operations
▪ Powerful 10.8 V Li-Ion battery with charge status display
▪ LED for work area illumination
▪ Maintenance display via LED
Suitable for
▪ 50-series interchangeable dies
Technical data
Crimping range 2,5 - 6 mm²
Crimping time < 1,5 s (depending on the connecting material)
Battery voltage 10,8 V
Battery capacity 2,5 Ah, Li-Ion
Charging time approx. 45 min.
Weight incl. battery 0,96 kg
Ambient temperature -10 °C up to +40 °C
Item Part No.
Electromechanical Crimping Tool 2,5 - 6 mm²
Scope of supply
Battery 10,8 V / 2,5 Ah, Li-Ion (27 Wh)
EKPV50ML
Part No.
RAML1225
Charger for 10.8 V Li-Ion batteries, 230V LGL1
Presseinsatz PV-Reihe, 2.5 - 6 mm²
Plastic case
PV502
KKEK50ML
Available dies of series 50 for EK 50 ML
EC 50 ML Electro mechanical cutting tool


` The Klauke micro with intuitive PowerSense function combines the benefits of manual cutting tools with the convenience of battery powered hydraulic cutting tools
` Excellent cuts with minimum effort
Characteristics
▪ Simple and safe: One-button operating concept for controlling all tool functions
▪ PowerSence function: Manual pre-clamping, motorized crimping
▪ Electronic control with locking function monitors full closing of the dies
▪ Ergonomic 2C housing in the Klauke „In-line Design“
▪ Tool fixing point for use with balancer aid or lanyard
▪ Very low weight and high speed for maximum efficiency
▪ Powerful drive technology for effortless operations
▪ Powerful 10.8 V Li-Ion battery with charge status display
▪ LED for work area illumination
▪ Maintenance display via LED
Suitable for
▪ knotted chains
▪ For stranded conductors e.g. EN 60228 Class 2
▪ Copper bars up to 3 mm x 10 mm
▪ Steel cables and similar materials up to 3 mm
Technical data
Cutting range up to 13 mm Ø
Cutting time < 2 s
Battery voltage 10,8 V
Battery capacity 2,5 Ah, Li-Ion
Charging time ca. 45 min.
Weight incl. battery 0,96 kg
Ambient temperature -10 °C bis +40 °C
Item
Electro mechanical cutting tool
Scope of supply
Cutting die
Battery 10.8 V / 2.5 Ah, Li-Ion (27 Wh)
Charger for 10.8 V Li-Ion batteries, 230V
Plastic case 450 x 370 x 105 mm
THINK OF YOUR HEALTH!
Frequent manual working eventually leads to over-strain in the wrist and lower arm.
To work with the Klauke Micro, you only need around 10% of the manual force required by a mechanical hand tool. Motorised working with the Klauke micro is an investment that pays off!

ONE TOOL FOR ALL SITUATIONS –UNIVERSAL TOOLS
Crimping, cutting or punching: Replaceable adapter and dies quickly adapt the tool to individual tasks. Low weight and powerful: Crimping up to 400 mm², cutting up to 40 mm diameter or punching up to 92 x 92 mm, no problem at all for the Klauke Multi.
The Klauke Multi: The right tool in every instance.

` Systematic crimping
All crimping dies from Klauke function with every Klauke tool.
Crimp cable lugs with with the Klauke series 22 (6 t tools) and wide crimping with the series 13 (12 t tools). Differing crimp shapes and nominal cross-sections up to 400 mm2 can be processed with just one tool.
◾ Can be used with dies series 22 (6 t)
◾ Wide crimping with dies series 13 (12 t) possible
◾ Cross sections up to 400 mm2
◾ Simple adapter replacement
` The plus one: Hole punching
Retooling of hole punches is really simple with the Klauke multi. In conjunction with hole punch adapters from Greenlee, you can punch holes up to 64 mm round and max. 92 mm x 92 mm square.
` All-around cutting
Stay prepared for various materials. Cables from copper and aluminium are not a problem with appropriate cutting head, likewise for DIN-profile rails, threaded bars or railway catenary wires. Klauke universal tool cuts everything up to 40 mm diameter.
◾ Differing materials can be cut: Aluminium and copper cables, threaded rods, profile rails, railway catenary wires and open wire
◾ The right cutting dies for every application
◾ Cutting range up to 40 mm
` Solid in use
The Klauke universal tool can also be used for machining operations on solid bus bars and laminated bus bars up to 120 mm x 12 mm. Bending, punching, cutting and offsetting with one device that can be operated with the AHP700L and the electric pumps from Klauke.
Hand-operated hydraulic universal tool, Hydraulic universal head
PK 60 UNV Hydraulic universal head

` One head for crimping, cutting and punching - one tool for all ` Ideal in the assembly field where all common jobs can be carried out using one tool
` For connecting to hydraulic pumps with 700 bar operating pressure for best possible crimping, cutting and punching results
Characteristics
▪ Universal head with quick coupling, 360° rotation when not pressurised, flip top style
▪ Various cutting dies for aluminium and copper conductors with and without armouring as well as Al/St-Cables (ACSR)
▪ Dies to punch DIN rails
▪ Adapter for crimping dies of the Klauke Series 22
Technical instructions
▪ Interchangeable adapters and dies for crimping, cutting and punching you will find on page 6.16
Technical data
Crimping force 60 kN
Stroke 42 mm
Crimping cycle 3 s to 5 s (depending on crimping cross-section)
Number of crimps approx. 300 at 150 mm² Cu DIN
Cutting range max. 40 mm dia.
Number of cuts approx. 110 at 4 x 70 mm² NYY
Punching capacity up to 64 mm dia. round, up to 92 x 92 mm square
Operating pressure max. 700 bar
Length 350 mm
Weight 2.4 kg
Item Part No.
Hydraulic universal head PK60UNV
Scope of supply Part No.
Carrying bag TT2
Akkuhydraulische Universalwerkzeuge
EKM60UNVGRP
EKM 60 UNV Battery-powered hydraulic universal tool 6 - 300 mm²

` One head for crimping, cutting and punching - one tool for all ` Ideal in the assembly field where all common jobs can be carried out using one tool
` All tool data on view thanks to display and i-press app
` Small and slim, perfect for cramped conditions
Characteristics
▪ Choose your battery system: Bosch or Makita
▪ All data can be easily read via Bluetooth
▪ Universal head flip top style, rotatable
▪ Simple and safe: One-button operating concept for controlling all tool functions
▪ Effortless working due to balanced centre of gravity
▪ LED for work area illumination
▪ Simple and safe: Automatic retraction when operation is complete (crimping or cutting)
▪ Always ready-to-use thanks to battery charge and service display
Technical instructions
▪ Interchangeable adapters and dies for crimping, cutting and punching you will find on page 6.16
Technical data
Crimping force 60 kN
Stroke 42 mm
Crimping range 6 - 300 mm²
Crimping cycle 7 s up to 9 s (depending on cross-section)
Cutting range max. 40 mm dia.
Punching capacity up to 64 mm dia. round, up to 92 x 92 mm square
Charging time 15 min.
Weight 3.0 kg
Ambient temperature -10 °C up to +40 °C
Item
Battery-powered hydraulic universal tool 6 - 300 mm² EKM60UNVCFB EKM60UNVCFM
Scope of supply
Bosch battery 18 V / 2.0 Ah, Li-Ion RALB1EU
Bosch quick-charger for 18 V Li-Ion battery LGLB1EU
Makita battery 18 V / 1.5 Ah, Li-Ion RAL1
Makita quick-charger for 18 V Li-Ion battery LGL1
Adapter for crimping dies of Series 22 UA22 UA22
Plastic case 450 x 370 x 105 mm KKMUNVNG KKMUNVNG
Accessories
Bosch battery 18 V / 5.0 Ah, Li-Ion RALB2EU
Makita battery 18 V / 3.0 Ah, Li-Ion (54 Wh) RAL2
Variants
L-BOXX with battery powered universal tool EKM60UNVCFB LBOXXEKM60UNVCFB
UNV Battery-powered hydraulic universal tool 6 - 300 mm²

` One head for crimping, cutting and punching - one tool for all ` Ideal in the assembly field where all common jobs can be carried out using one tool
` Fast working due to 2-stage hydraulics
` All tool data on view thanks to display and i-press app
Characteristics
▪ Choose your battery system: Bosch or Makita
▪ All data can be easily read via Bluetooth
▪ Universal head flip top style, rotatable
▪ Simple and safe: One-button operating concept for controlling all tool functions
▪ Effortless working due to balanced centre of gravity
▪ LED for work area illumination
▪ 2-stage hydraulic system with fast feed and power stroke
▪ Simple and safe: Automatic retraction when operation is complete (crimping or cutting)
▪ Always ready-to-use thanks to battery charge and service display
Technical instructions
▪ Interchangeable adapters and dies for crimping, cutting and punching you will find on page 6.16
Technical data
Crimping force 60 kN
Stroke 42 mm
Crimping range 6 - 300 mm²
Crimping cycle
3 s to 5 s (depending on cross-section)
Cutting range max. 40 mm dia.
Punching capacity up to 64 mm dia. round
Charging time 45 min.
Weight 4.8 kg
Ambient temperature -10 °C up to +40 °C
Item Part No. Bosch
Battery-powered hydraulic universal tool 6 - 300 mm² EK60UNVCFB EK60UNVCFM
Scope of supply
Bosch battery 18 V / 5.0 Ah, Li-Ion RALB2EU
Bosch quick-charger for 18 V Li-Ion battery LGLB1EU
Makita battery 18 V / 4.0 Ah, Li-Ion RAL40
Makita quick-charger for 18 V Li-Ion battery LGL1
Plastic case 450 x 370 x 105 mm UA22 UA22
Adapter for crimping dies of Series 22
KK120UNVNG KK120UNVNG
EK 120
UNV
Battery-powered hydraulic universal tool 10 - 400 mm²

` One head for crimping, cutting and punching - one tool for all ` Ideal in the assembly field where all common jobs can be carried out using one tool
` All tool data on view thanks to display and i-press app
Characteristics
▪ Choose your battery system: Bosch or Makita
▪ All data can be easily read via Bluetooth
▪ Universal head flip top style, rotatable
▪ Simple and safe: One-button operating concept for controlling all tool functions
▪ Effortless working due to balanced centre of gravity
▪ LED for work area illumination
▪ 2-stage hydraulic system with fast feed and power stroke
▪ Simple and safe: Automatic retraction when operation is complete (crimping or cutting)
▪ Always ready-to-use thanks to battery charge and service display
Technical instructions
▪ Interchangeable adapters and dies for crimping, cutting and punching you will find on page 6.16
Technical data
Crimping force 108 kN
Stroke 42 mm
Crimping range 10 - 400 mm²
Crimping cycle Depending on cable type
Cutting range max. 40 mm dia.
Punching capacity up to 144 mm dia. round, up to 138 x 138 mm square
Charging time 45 min.
Weight 6.5 kg
Ambient temperature -10 °C up to +40 °C
Item
Battery-powered hydraulic universal tool 10 - 400 mm² EK120UNVCFB
Scope of supply
Bosch battery 18 V / 5.0 Ah, Li-Ion RALB2EU
Bosch quick-charger for 18 V Li-Ion battery LGLB1EU
Makita battery 18 V / 4.0 Ah, Li-Ion RAL40
Makita quick-charger for 18 V Li-Ion battery LGL1
Adapter for crimping dies of the Klauke 13-series UA12TKL UA12TKL
Plastic case KK120NG KK120NG
Accessories
Bosch battery 18 V / 5.0 Ah, Li-Ion RALB2EU
Makita battery 18 V / 4.0 Ah, Li-Ion RAL40
^Adapter_Universalwerkzeuge^ Interchangeable adapters and dies for crimping, cutting or punching
Part
Application: crimping


Adapter for crimping dies series 13
Adapter for crimping dies series 22
Application: cutting






Cutting die for ACSR overhead lines and steel UCACSR
Cutting die for Al/Cu conductors to max. 26 mm dia.
(Not suitable for fine and superfine stranded conductors) UC26
Cutting die for Al/Cu conductors to max. 40 mm dia.
(Not suitable for fine and superfine stranded conductors)
Cutting die for threaded rods M6 metric
Cutting die for threaded rods M8 metric
Cutting die for threaded rods M10 metric
Cutting die for threaded rods M12 metric
Cutting die for profile conductors 35 x 15 UCD3515
Cutting die for profile conductors 35 x 7.5 UCD3575
Cutting die for laminated Cu bus bars, max. width 37.5 mm
Cutting die 107 mm² type AC for catenary wires in railway construction
Cutting die 85 mm² type BC for catenary wires in railway construction
Cutting die 110 mm² type BC for catenary wires in railway construction UCBC110
Cutting die 120 mm² type BC for catenary wires in railway construction
Cutting die 150 mm² type BC for catenary wires in railway construction
Application: Punching


Hole punch adapter for holes to 64 mm dia., 92 x 92 mm and 46 x 92 mm
Hole punch adapter for holes to 144 mm dia., 138 x 138 mm and 68 x 138 mm
Die for punching DIN rails 35 x 15; 32 x 15 x 9; 35 x 7.5
Stromschienenbearbeitungszentrum
50052241grp
Bus bar tool centre

` Basic tool for bending, punching and cutting solid and laminated bus bars up to 120 x 12 mm
` Compact design and low weight
Suitable for
▪ Drive with EHP4 or AHP700-L
Additional information
▪ For drives with EHP4 the Part Number appendix „EHP4“ is required (50052241EHP4) For drives with AHP700-L connector Sbz4 is required.
Technical data
Crimping force 185 kN
Max. operating pressure 700 bar
Capacity 1.5 l / min.
Required oil volume 0.15 l
Dimension 480 x 500 x 360 mm
Weight 51 kg
Item
Bus bar tool centre
50052250grp
Bending tool

` For AI/Cu materials to max. 120 x 12 mm
` Bending radius 5.00 mm
Characteristics
▪ Max. bending angle 100°
Technical data
Weight 7.1 kg
Item
Bending tool, 5.0 mm bending radius
50052128grp
Punching tool I

Characteristics
▪ Solid conductors from Al/Cu to max. 12 mm and steel to 10 mm thick
Suitable for
▪ Hole diameters from 6.5 - 21 mm
Technical data
Weight 4.5 kg
Item
Punching tool I 50052128
50052276grp
Punching tool I

Characteristics
▪ Solid conductors from Al/Cu to max. 12 mm and steel to 10 mm thick
Item
Punch and die 6.5 mm dia.
Punch and die 8.5 mm dia.
Punch and die 11 mm dia.
Punch and die 13 mm dia.
Punch and die 15 mm dia.
Punch and die 17 mm dia.
Oblong punch and die 6.5 x 13 mm
Oblong punch and die 8.5 x 16 mm
Oblong punch and die 11 x 20 mm
Oblong punch and die 13 x 20 mm
Oblong punch and die 17 x 20 mm
50052276
50052284
50052292
50052306
50052314
50052322
50052349
50052357
50052365
50052373
50052381
50766919grp
Punching tool III

Characteristics
▪ Solid and laminated bus bars from Al/Cu to max. 12 mm and steel to 10 mm thick
Suitable for
▪ Hole diameters from 6.5 - 21 mm
Technical data
Weight 4.5 kg
Item
Punching tool III
50766919
Punch & die for punching tool III
50115286grp

Characteristics
▪ Solid and laminated bus bars from Al/Cu to max. 12 mm and steel to 10 mm thick
Item
Punch and die 6.5 mm dia.
Punch and die 8.5 mm dia.
Punch and die 11 mm dia.
Punch and die 15 mm dia.
Oblong punch and die 6.5 x 13 mm
Oblong punch and die 8.5 x 16 mm
Oblong punch and die 11 x 20 mm
Oblong punch and die 13 x 20 mm
Oblong punch and die 17 x 20 mm
50115286
50115294
50115308
50115324
50115359
50115367
50115375
50115383
50115391
50052144grp
Cutting tool

Characteristics
▪ For AI/Cu materials to max. 120 x 12 mm
Technical data
5.3 kg
50052152grp
Offset tool

Characteristics
▪ Workpiece offset 5, 6, 8, 10 and 12 mm by using insertion plates
▪ For AI/Cu materials to max. 120 x 12 mm
Technical data
Aluminium accessory box for punching tools, empty
50052160grp

Suitable for ▪ Storage of accessories
Technical data

THE RIGHT DRIVE FOR EVERY ACTIVITY.
Even when it comes to drive units, Klauke leaves nothing to chance. No matter where, when and how: Klauke hydraulic pumps give you the power you need.

THE DRIVEHYDRAULIC PUMPS AND DRIVE UNITS
With Klauke, everything fits together. Klauke hydraulic pumps provide every Klauke crimping, cutting and multi head with the required thrust. All pumps are matched to the various heads. They generate 700 bar pressure so that the tool can provide full power with every operation.

` Foot pressure actuation: Hydraulic foot pumps
Keep your hands free: With the steady hydraulic foot pumps, you can operate all crimping and cutting tools by your foot pressure. The 2-stage hydraulic system work especially efficiently.
` Portable pressure: Battery-powered hydraulic pumps
Pumps wherever you want. Simply take our battery-powered hydraulic pump AHP 700-L along with shoulder strap or rucksack.
◾ Pumps delivering up to 700 bar pressure
◾ Compact dimensions for portable use
◾ Simple operation via hand switch with 1.5 m cable
◾ Display with reverse function
◾ Hydraulic hose up to 10 m long available
◾ Foot pumps with up to 700 bar pressure
◾ 2-stage hydraulic system for efficient pumping effect
◾ Automatic pressure switch off
◾ Best possible convenience and good durability
◾ Up to 10 m hydraulic hose available
` Pressure with current: Electro-hydraulic pumps
Use the full force of your tools also with EHP 2, 3 or 4 electro-hydraulic drive.
◾ Power output up to 700 bar
◾ High capacity with compact dimensions
◾ Hydraulic hose up to 10 m long available
FHP2grp FHP 2 Foot pump 700 bar

` Two-stage hydraulics
` Manual retraction if required, also at high pressure
` Sturdy design
Characteristics
▪ Automatic pressure switch off Suitable for
▪ The operation of hydraulic crimping and cutting heads
Technical data
Operating pressure max. 700 bar
Weight 12 kg
Item
Foot pump 700 bar
Scope of supply
Hydraulic hose, 2 m
Accessories
Hydraulic hose, 3 m
Hydraulic hose, 4 m HS24
Hydraulic hose, 5 m HS25
Hydraulic hose, 6 m
HS26
Hydraulic hose, 8 m HS28
Hydraulic hose, 10 m
HS210
Battery powered hydraulic pump, 700 bar

` Compact and lightweight design for mobile use
` High capacity
Characteristics
▪ Select programme from crimping, cutting, and punching
▪ Housing from impact-resistant, fibreglass reinforced polyamide
▪ Large display for monitoring, diagnostics and setting the pump
▪ Two powerful, high-capacity Li-Ion batteries
▪ Automatic retraction when operation is complete
▪ Manual retract stop with „teach-in“ (MRS+) for positioning control for multiple crimps
▪ Remote control with cable for easy operation of the battery-operated pump
▪ Maintenance display via LED
▪ All hydraulic hoses have coupling plug and coupling sleeve, oil filled
▪ High wearing comfort with padded shoulder strap
Suitable for
▪ Operates all single-acting Klauke crimping, cutting and punching tools with 700 bar operating pressure
▪ The connection to busbar machining centre
▪ The punching of busbars in conjunction with the LSK 120 with adapter CMGSK
Additional information
▪ Also available in country-specific variants, Part Number appendix „C“
Technical data
Battery voltage 18 V
Battery capacity 2 x 4.0 Ah, Li-Ion
Charging time 22 min.
Weight incl. battery (with two batteries) approx. 6.4 kg
Ambient temperature -12 °C to +40 °C
Operating pressure max. 700 bar
Max. oil volume; approx. 800 ml
Dimensions L x W x H: 330 x 160 x 280 mm
Item
Battery powered hydraulic pump, 700 bar
Scope of supply
Makita battery 18 V / 4.0 Ah, Li-Ion
Makita quick-charger for 18 V Li-Ion battery
Hydraulic hose, 2 m, oil filled
Carrying strap with shoulder padding
Carrying bag
Remote control with 1.5 m cable
Accessories Part No.
Hydraulic hose, 3 m, oil filled HSOEL3
Hydraulic hose, 4 m, oil filled
2
1
1
1
1
1
HSOEL4
Hydraulic hose, 5 m, oil filled HSOEL5
Hydraulic hose, 6 m, oil filled HSOEL6
Hydraulic hose, 10 m, oil filled HSOEL10
18 V mains adapter for 230 V Voltage NG2230
Two-hand safety control for battery powered hydraulic pump AHP 700-L ZST4
Foot switch for battery powered hydraulic pump FTA4
Transport rucksack TRAHP700L
Variants
AHP 700-L with transport rucksack
No.

` Lightweight, portable hand pump ` Robust construction
Characteristics
▪ All-purpose - works in every position
▪ Incl. mounting holes for work bench assembly
Additional information
▪ In combination with punch cylinder 50170910 for all hole sizes
Technical data

` Foot operation facilitates two-handed operation of round and special shaped punches
Characteristics
▪ Lockable pedal for storage and transport
▪ All-purpose
Additional information
▪ In combination with punch cylinder 50170910 for all hole sizes
Technical data
Zubehör für hydraulische Werkzeuge
RAL 1 Makita battery 18 V / 1.5 Ah Li-Ion
RAL1grp

(27 Wh)
Characteristics
▪ No memory effect
▪ Extremely low self-discharge
▪ Low weight
Suitable for
▪ Next Generation
Technical
RAL 2 Makita battery 18 V / 3.0 Ah Li-Ion (54 Wh)
RAL2grp

Characteristics
▪ No memory effect
▪ Extremely low self-discharge
▪ Low weight
Suitable for
▪ Next
Technical data Battery


Characteristics
▪ No memory effect
▪ Extremely low self-discharge
▪ Light - same weight as the Makita 3.0 Ah battery
Suitable for
▪ Next Generation battery-powered hydraulic tools with Makita battery mounting
Technical data
Battery voltage 18 V
Battery capacity 4.0 Ah
Charging time With LGL1: 36 min.
Ambient temperature -20 °C to +40 °C
Cell technology Li-Ion Weight
Item
RAL40grp RAL4grp RALB1EUGRP RAL 40 Makita battery 18 V / 4.0 Ah Li-Ion (72 Wh)
battery 18 V / 4.0 Ah, Li-Ion
4 Makita battery 18 V / 5.0 Ah, Li-Ion RAL B1 EU Bosch battery 18 V / 2.0 Ah, Li-Ion

Characteristics
▪ No memory effect
▪ Extremely low self-discharge
▪ Light - same weight as the Makita 3.0 Ah battery
Suitable for
▪ Next Generation battery-powered hydraulic tools with Makita battery mounting
Technical data
Battery voltage 18 V
Battery capacity 5.0 Ah, Li-Ion
Charging time With LGL1: 45 min.
Ambient temperature -20 °C to +40 °C
Cell technology Li-Ion Weight 0.6 kg
Item
Makita battery 18 V / 5.0 Ah, Li-Ion (90 Wh)
Technical data
Battery capacity 2.0 Ah
Charging time With LGLB1EU: 15 min.
Cell technology
Voltage range 18 V
Bosch battery 18 V / 2.0 Ah, Li-Ion
RAL B2 EU Bosch battery 18 V / 5.0 Ah, Li-Ion
Technical data

Battery voltage
RAML1GRP
RAML1225 battery 10.8 V / 2.5 Ah, Li-Ion (27 Wh)

Technical data
Battery
Battery 10.8 V / 2.5 Ah, Li-Ion (27 Wh)
NG2 mains adapter 18 V for 120 V or 230 V mains voltage
NG2grp

Characteristics
▪ Temperature protection
▪ Current limiter
▪ Overload protection 250 V
▪ Cable lengths: 5 m
Suitable for
▪ For all Klauke tools with 18 V all-mains sets - Makita version
Technical data
Mains
18 V mains adapter for 120 V Voltage
18 V mains adapter for 230 V Voltage
LGL 1 Makita quick-charger for 18 V Li-Ion batteries
LGL1grp

Suitable for ▪ Klauke Li-Ion Makita battery 18 V
Technical data Charging
LGL K18 EU Klauke charger for 18 V Li-Ion batteries

Suitable
LGL3grp
LGL 3 Makita quick-charger for 18V Li-Ion batteries

LGL B1 EU Bosch charger for 18 V Li-Ion batteries

Characteristics
▪ Charger for safety cutting unit batteries
Suitable for
▪ 18 V / 3.30 Ah Li-Ion batteries
Technical data
Charging time With RALB1EU.:15 min, RALB2EU: 45 min.
Mains supply 230 V
Bosch quick-charger for 18 V Li-Ion battery
LGML 1 Charger for 10.8 V Li-Ion batteries, 230 V

Suitable for
▪ Klauke Li-Ion battery 10.80 V
Technical data
Cell technology Li-Ion
Mains supply 220 - 240 V Voltage range 10.8 V
Charger for 10.80 V Li-Ion batteries, 230 V
TG 3 Carrying strap with shoulder padding

Suitable for
▪ Battery powered hydraulic pump AHP 700-L
Item
Carrying strap with shoulder padding
ZST3grp

ZST 3 / ZST 4 Two-hand safety controls for pumps
Suitable for ▪ Pumps: EHP 4 and AHP 700-L
Item
Two-hand safety controller for pumps EHP 2 to EHP 4
Two-hand safety control for battery powered hydraulic pump AHP 700-L
FTA 1 / FTA 4 Foot switches for pumps
FTA1grp

Suitable for ▪ Pumps: EHP 4, HK 12/2 EL, AHP 700-L Item
Foot switch for electro-hydraulic pumps EHP 4 and HK 12/2 EL FTA1
Foot switch for battery powered hydraulic pump AHP 700-L FTA4
T15grp
T 15 Special hydraulic oil

Characteristics
▪ Environmentally-friendly hydraulic oil, quickly biodegradable ▪ 5 l canister
Suitable for ▪ Hydraulic pumps
HS 2 Hydraulic hoses

Suitable for
▪ Hydraulic crimping and cutting systems and pumps
▪ For connecting to hydraulic pumps FHP 2, PHD 2, EHP 2, EHP 3, EHP 4, HK12/2 EL, HK 25/2 EL, AS 65 FHP, AS 105 FHP, HK 25/2, HK 45
Item Part No.
Hydraulic hose, 2 m
Hydraulic hose, 3 m
Hydraulic hose, 4 m
Hydraulic hose, 5 m
Hydraulic hose, 6 m
Hydraulic hose, 8 m
Hydraulic hose, 10 m
HS22
HS23
HS24
HS25
HS26
HS28
HS210
HSOELgrp
HS OEL hydraulic hose, oil filled

Characteristics
▪ For connecting to battery-powered hydraulic pump AHP 700-L
Additional information
▪ Also available in country-specific variants, Part Number appendix „C“
Item Part No.
Hydraulic hose, 2 m, oil filled
Hydraulic hose, 3 m, oil filled
Hydraulic hose, 4 m, oil filled
Hydraulic hose, 5 m, oil filled
Hydraulic hose, 6 m, oil filled
Hydraulic hose, 10 m, oil filled
HSOEL2
HSOEL3
HSOEL4
HSOEL5
HSOEL6
HSOEL10
Hydraulic hose 6.4 mm dia. x 3 m
50377299grp

Characteristics
▪ Filled with hydraulic oil
Suitable for
▪ Hydraulic foot pump 1725
Item Part No.
Hydraulic hose 6.4 mm dia. x 3 m
50377299
Scope of supply Part No.
Hydraulic hose, 3 m 90525159
Coupler plug 90541693
KST2grp
KST 2 Coupler

Characteristics
▪ Including adapter
Suitable for ▪ Hydraulic crimping and cutting systems and pumps Item
Coupler plug
KMF 1 Coupler for crimping and cutting heads
KMF1grp

Characteristics
▪ KMF 1: For connecting to hydraulic crimping/cutting heads: PK 22, PK 120/42, PK 120 U, PK 25/2, PK 60 VP, PK 60 VP/FT, PK 60 UNV, THK 22, THK 120, SDG 45, SDG 50, SDG 55, SDG 85/2, SDG 105, SDK 65, SDK 85, SDK 105, SDK 120
▪ Includes barrel nipple
▪ With 1/4" connection (external thread)
Item
Coupler for crimping and cutting heads with barrel nipple
DNP 2 Barrel nipple

Suitable for
▪ To connect and to extend hydraulic hoses HS 2
Barrel nipple
HTA 4 remote control for hydraulic pump
DNP2grp HTA4grp

Suitable for
▪ Battery powered hydraulic pump AHP 700-L
Remote control with 1.5 m cable

EFFORTLESS OPERATIONS.
Safety, ergonomics and reliability – these quality features are a given in day-to-day work. Klauke hand tools are designed for this very purpose.

SAFETY-TESTED RANGE –
VDE TOOLS
For the safety of our customers, we also have our tools tested by independent bodies. The "VDE Tool” marking indicates that this special Klauke range conforms to the current directives of the safety testing procedure to EN/IEC 60900. All tools with the VDE name are approved to 1000 V alternating current and 1500 V direct current. Special tool steel creates additional robustness.

In brief
` Conforms to current directive EN/IEC 60900
` Manufactured using special tools steel
` Effortless operations due to optimal ergonomic design
` When you need to go deeper: SLIM range
SLIM range screwdrivers have a tapered blade at the front.
Deeper screws, such as those in circuit breakers, can be reached with ease. No slipping and rolling due to special handle shape. With its narrow tip, the SLIM range is best suited for loosening cables in spring terminals.
◾ For use in confined areas due to tapered blade
◾ Safe operations due to rolling protection

` Everything under control: VDE cable cutters
The VDE cable cutters are hard-wearing. They withstand cold impact tests to -25 °C, tests of the adhesion of the insulating material to 500 N and individual voltage tests in a water bath with 10,000 V AC. The reward: Certification to EN/IEC 60900. Completely safe.
◾ Extra hand protection against flying sparks
◾ Safe operations due to slip-proof overlay
◾ Safe even under extreme conditions
◾ For fine and superfine stranded copper and aluminium cables

` More than just a force: Power combi-pliers
The power combi-pliers are really multi-talented: Cutting, gripping, counter holding, inserting conductors. Hence the name combi-pliers. Four tools in one: You need fewer tools and the power assist function also helps you when working.
◾ Cuts cables, conductors and wires
◾ Grips flat and round material such as safety splints
◾ Simplifies the insertion of cables into the clamp or circuit breaker
◾ Can also be used to tighten nuts

Zangen
KL010160ISgrp
VDE Cable cutter

Characteristics
▪ Adjustable joint
▪ Cuts fine and superfine stranded copper and aluminium cable
Part No.
VDE Power combination pliers
KL020165ISgrp

Characteristics
▪ With combination spanner from 11 - 17 mm (M8 - M10)
▪ Holds flat and round material
▪ Cuts soft wires, e.g. copper, aluminium, medium-hard wires e.g. nails, wire nails and hard wires, e.g. wire cable, steel wire
Part No.
Item VDE Power combination pliers, 165 mm
VDE Power combination pliers, angled
KL026205ISgrp

Characteristics
▪ Comfortable working due to ergonomically optimised, 45° angled head
▪ With combination spanner from 11 - 17 mm (M8 - M10)
▪ Holds flat and round material
▪ Cuts soft wires, e.g. copper, aluminium, medium-hard wires e.g. nails, wire nails and hard wires, e.g. wire cable, steel wire Part No.
KL040145ISgrp
VDE Side cutter

Characteristics
▪ Improved cutting of insulated cables from slip-reducing wave profiled blades
▪ Cuts soft wires, e.g. copper, aluminium, medium-hard wires e.g. nails, wire nails and hard wires, e.g. wire cable, steel wire
Part
KL042190ISgrp

VDE Electricians side cutter
Characteristics
▪ High cutting performance for superfine wires due to hardened precision cutters
▪ Cuts soft wires, e.g. copper, aluminium, medium-hard wires e.g. nails, wire nails and hard wires, e.g. wire cable, steel wire
KL045180ISgrp

Characteristics
▪ Improved cutting of insulated cables from slip-reducing wave profiled blades
▪ Optimum handling due to ergonomically-shaped handle
▪ High cutting performance on hard wires and piano wires
VDE Power side cutter
Hand tools
VDE Lever power side cutter

Characteristics
▪ 40% force saving
▪ High cutting performance for superfine wires due to hardened precision cutters
▪ Special tool steel drop-forged, oil-hardened
▪ Cuts medium-hard wires, e.g. nails, wire nails and hard wires, e.g. wire cable, steel wire as well as piano wire
Part No.
KL050205ISgrp
VDE Telephone pliers, straight

Characteristics
▪ Long, flat/round jaws
▪ Optimum hold due to toothed grip area
▪ Cutting edge inductive hardened
▪ With combination spanner from 11 - 17 mm (M8 - M10)
▪ With wire cutter for soft wires, e.g. copper, aluminium, medium-hard wires e.g. nails, wire nails and hard wires, e.g. wire cable, steel wire
Part No.
VDE Telephone pliers, curved
KL055205ISgrp

Characteristics
▪ Long, 45° offset, flat/round jaws
▪ Optimum hold due to toothed grip area
▪ Cutting edge inductive hardened
▪ With combination spanner from 11 - 17 mm (M8 - M10)
▪ Cuts soft wires, e.g. copper, aluminium, medium-hard wires e.g. nails, wire nails and hard wires, e.g. wire cable, steel wire
Part No.
long-nose pliers, bent, 205 mm
KL060160ISgrp

Characteristics
▪ With opening spring and V-shaped cutting edges
▪ With setting screw for setting the cable diameter
Part No.
KL060160IS

VDE Water pump pliers, jaw width 50 mm
Characteristics
▪ Jaw width 50 mm
▪ Safe working due to clamp protection and safety joint
▪ Ratchet adjustment
▪ Optimum hold due to toothed grip area
Part
KL070250IS
KL760180ISgrp
VDE wire stripper 0.2 - 6 mm²

Characteristics
▪ For safe working on live conductors up to 1000 V
▪ Adjustable length stop from 5 - 12 mm
▪ Locking function to protect the blades
Suitable for
▪ Flexible and solid conductors from 0.2 - 6 mm²
Part
KL760180IS
KL1007525ISgrp
Schraubendreher
VDE Slotted screwdriver

Characteristics
▪ Ergonomically-shaped handle with optimum force transmission
▪ A roll-off protection prevents rolling away on inclined surfaces

VDE Slotted screwdriver, Slim Line
Characteristics
▪ Ergonomically-shaped handle with optimum force transmission
▪ A roll-off protection prevents rolling away on inclined surfaces
▪ Reduced space requirement for use in confined spaces
VDE Phillips screwdriver
KL110PH1ISgrp

Characteristics
▪ Ergonomically-shaped handle with optimum force transmission
▪ A roll-off protection prevents rolling away on inclined surfaces
KL110PH1ISgrp

VDE Phillips screwdriver, Slim Line
Characteristics
▪ Ergonomically-shaped handle with optimum force transmission
▪ A roll-off protection prevents rolling away on inclined surfaces
▪ Reduced space requirement for use in confined spaces
KL120PZ1ISgrp

VDE Pozidriv screwdriver
Characteristics
▪ Ergonomically-shaped handle with optimum force transmission
▪ A roll-off protection prevents rolling away on inclined surfaces

VDE Pozidriv screwdriver, Slim Line
Characteristics
▪ Ergonomically-shaped handle with optimum force transmission
▪ A roll-off protection prevents rolling away on inclined surfaces
▪ Reduced space requirement for use in confined spaces
KL130PM1ISgrp

VDE Plus/Minus-Pozidriv screwdriver
Characteristics
▪ Ergonomically-shaped handle with optimum force transmission
▪ A roll-off protection prevents rolling away on inclined surfaces

VDE Plus/Minus-Pozidriv screwdriver, Slim Line
Characteristics
▪ Ergonomically-shaped handle with optimum force transmission
▪ A roll-off protection prevents rolling away on inclined surfaces
▪ Reduced space requirement for use in confined spaces
VDE TORX® screwdriver

Characteristics
▪ Ergonomically-shaped handle with optimum force transmission
▪ A roll-off protection prevents rolling away on inclined surfaces

VDE TORX® screwdriver, Slim Line
Characteristics
▪ Ergonomically-shaped handle with optimum force transmission
▪ A roll-off protection prevents rolling away on inclined surfaces
▪ Reduced space requirement for use in confined spaces
VDE-M-TEC Screwdriver for hexagonal nuts

Characteristics
▪ With box spanner tube - immersion depth approx. 41 mm - optimal for deep-seated screws and nuts
▪ With spring-loaded magnetic body
KL14555ISgrp KL19073ISgrp

Phase tester with heavy duty handle, one-pin, VDE 0680 150 V - 250 V
Characteristics
▪ Single-pole
▪ With heavy duty handle
tester with heavy duty handle, one-pin, VDE 0680 150 V - 250 V
Sortimente und Sets
KL303ISgrp
VDE Pliers set, 3-pce.

VDE Plier set, 3-pieces
Scope of supply
VDE Power combination pliers, 180 mm
VDE Side cutter 160 mm
VDE long-nose pliers, straight, 205 mm
VDE Pliers set, 4-pce.
KL304ISgrp

VDE Plier set, 4-pieces
Scope of supply
VDE Power combination pliers, 180 mm
VDE Electric power side cutter, 200 mm
VDE long-nose pliers, straight, 205 mm
VDE Wire stripper, 160 mm KL060160IS
KL306ISgrp

VDE Pliers/screwdriver set, 6-pce.
Pliers/screwdriver set, 6-pce. KL306IS
Scope of supply Part No.
VDE long-nose pliers, straight, 205 mm
VDE Side cutter 160 mm
VDE Phillips screwdriver, PH1
VDE Phillips screwdriver, PH2
VDE Slotted screwdriver, 2.5 x 0.4 mm
VDE Slotted screwdriver, 4.0 x 0.8 mm
KL050205IS
KL040160IS
KL110PH1IS
KL110PH2IS
KL1007525IS
KL10010040IS
KL391ISgrp

VDE Screwdriver set, 3-pce.
VDE Screwdriver set, 3-pieces
Scope of supply
No.
VDE Phillips screwdriver, PH1 KL110PH1IS
VDE Phillips screwdriver, PH2 KL110PH2IS
VDE Slotted screwdriver, 3.5 x 0.6 mm
KL392ISgrp

VDE Screwdriver set, 3-pce.
Item
VDE Screwdriver set, 3-pieces KL392IS
Scope of supply
VDE Pozidriv screwdriver, PZ1
VDE Pozidriv screwdriver, PZ2
VDE Slotted screwdriver, 4.0 x 0.8 mm
No.
KL120PZ1IS
KL120PZ2IS
KL10010040IS
KL393ISgrp

VDE Screwdriver set, 3-pce.
Item
VDE Screwdriver set, 3-pieces
Scope of supply
VDE Plus/Minus-Pozidriv screwdriver, Z1
VDE Plus/Minus-Pozidriv screwdriver, Z2
Phase tester with heavy duty handle, one-pin, VDE 0680 150 V - 250 V
KL130PM1IS
KL130PM2IS
KL19073IS
VDE Screwdriver set, 6-pce.
KL390ISgrp

Item
VDE Screwdriver set, 6-pce.
Scope of supply
VDE Phillips screwdriver, PH1
VDE Phillips screwdriver, PH2
VDE Slotted screwdriver, 2.5 x 0.4 mm
VDE Slotted screwdriver, 4.0 x 0.8 mm
VDE Slotted screwdriver, 5.5 x 1.0 mm
Phase tester with heavy duty handle, one-pin, VDE 0680 150 V - 250 V
KL390IS
No.
KL110PH1IS
KL110PH2IS
KL1007525IS
KL10010040IS
KL10012555IS
KL19073IS
KL390ISLIMgrp

VDE Screwdriver set Slim Line, 5-pce.
Characteristics
▪ Reduced blade for optimum fit
▪ Ergonomically-shaped handle with optimum force transmission
▪ Anti-roll-guard
Item
VDE Screwdriver set Slim Line, 5-pce.
Scope of supply
VDE Slotted screwdriver 3.5 x 0.6 x 100 Slim Line
VDE Slotted screwdriver 5.5 x 1.0 x 125 Slim Line
VDE Pozidriv screwdriver PZ1 Slim Line
VDE Pozidriv screwdriver PZ2 Slim Line
Phase tester with heavy duty handle, one-pin, VDE 0680 150 V - 250 V
Part No.
KL390ISLIM
Part No.
KL10010035ISLIM
KL10012555ISLIM
KL120PZ1ISLIM
KL120PZ2ISLIM
KL19073IS
VDE Screwdriver set Slim Line, 6-pce., case

Characteristics
▪ Reduced blade for optimum fit
▪ Ergonomically-shaped handle with optimum force transmission
▪ Anti-roll-guard
VDE Screwdriver set Slim Line, 6-pce., case
Scope of supply
VDE Slotted screwdriver 3.5 x 0.6 x 100 Slim Line
VDE Slotted screwdriver 4.0 x 0.8 x 100 Slim Line
VDE Slotted screwdriver 5.5 x 1.0 x 125 Slim Line
VDE Phillips screwdriver PH2 Slim Line
VDE Pozidriv screwdriver PZ1 Slim Line
VDE Pozidriv screwdriver PZ2 Slim Line
Tool bag, equipped with 9 VDE replaceable blades

Characteristics
▪ Blades from special chrome/molybdenum/vanadium alloy
▪ Standard 1/4“ mounting for use with torque handles
▪ Blade length: 170 mm Item
Tool bag, equipped with 9 VDE replaceable blades
Scope of supply
VDE Slotted blade, 3.5 x 0.6 mm in blister pack
VDE Slotted blade, 4.0 x 0.8 mm in blister pack
VDE Slotted blade, 5.5 x 1.0 mm in blister pack
VDE Philips blade, PH1 in blister pack
VDE Philips blade, PH2 in blister pack
VDE Pozidriv blade, PZ1 in blister pack
VDE Pozidriv blade, PZ2 in blister pack
VDE Plus/Minus Pozidriv blade, PM1 in blister pack
VDE Plus/Minus Pozidriv blade, PM2 in blister pack
STANDARD –KLAUKE BASIC TOOLS, SETS AND ACCESSORIES
With Klauke sets, you always have your basic equipment to hand. Whether you are an electronics technician or precision engineer - the Klauke range includes all standard versions through to pliers for water pumps and fittings. Rely on Klauke quality from the outseteven just for quick, occasional use.

` Socket wrench set KL 361
We have compiled the standard set of socket wrenches for you and made everything shockproof by storing in a high-quality plastic case. In total, the set comprises 29 pieces in ¼" sizes.
◾ 29 piece: 16-piece bit set, bit holder, adapter, 7-piece socket set, professional ratchet, various extensions, T-Smart grip
` The technician’s basic equipment: KL 905 B15
The practical notebook bag holds everything you need on-site. The 15-piece set is securely stowed in the fold-out compartments.
◾ Technician’s notebook bag made from highly durable nylon
◾ Tools are quickly located thanks to fold-out front pocket
` The apprentice’s case: KL 855 B22
The impact-resistant case made from ABS material contains everything an apprentice electrician needs, from standard tools such as cable knives and phase testers through to VDE safety tools.
Head into your apprenticeship well-prepared!
◾ Reliably transported due to splash-proof base
◾ Twin fixed carrying handle
◾ Basic set of VDE screwdrivers
◾ Standard tools such as phase tester and cable knife
Wasserpumpen-, Armaturenzangen
KL070250Ggrp

Water pump pliers, jaw width 50 mm
Characteristics
▪ Jaw width 50 mm
▪ Safe working due to clamp protection and safety joint
▪ Ratchet adjustment
▪ Optimum hold due to toothed grip area
▪ Plastic coated handles
▪ 2-component handle
KL072180Ggrp
Water pump pliers

Characteristics
▪ Jaw width up to 65 mm
▪ Safe working due to clamp protection and safety joint
▪ Push button adjustment for setting quickly and accurately
▪ Inverted box joint with wide guide surfaces
▪ Optimum hold due to toothed grip area
▪ High retaining force and load-bearing capacity due to inductively-hardened teeth
▪ Plastic coated handles
▪ 2-component handle Part
Elektronik- /Feinmechanikerwerkzeuge
KL040115ELgrp
ESD Electronic side cutter

Characteristics
▪ Precision pliers for high precision work
▪ Double leaf spring with low friction
▪ High cutting force thanks to additional induction hardening
▪ Anti-static ergonomic non slip grips
▪ Surface resistance amounts to 1 to 100 MOhm
Suitable for
▪ For soft wires to 1.2 mm
KL050115ELgrp
ESD Electronic long-nose pliers

Characteristics
▪ Smooth inside jaws, edges rounded
▪ Anti-static ergonomic non slip grips
▪ Surface resistance amounts to 1 to 100 MOhm
▪ Optimised for gripping fine strands of wires
KL040128ELgrp
Electronic side cutter

Characteristics
▪ Cutter angled at 21°
▪ Backlash-free operation
▪ With opening spring
▪ 2-component handle
Suitable for
▪ For soft wires to 1.3 mm dia.
Bits, Halter und Adapter
KL2007335grp

Slotted screwdriver bit 1/4", 73 mm
Characteristics
▪ Shank 1/4" (6.3), DIN 3126
KL21073PH1grp

Phillips screwdriver bit 1/4", 73 mm
Characteristics ▪ Shank 1/4" (6.3), DIN 3126
KL22073PZ1grp

Pozidriv screwdriver bit 1/4", 73 mm
Characteristics
▪ Shank 1/4" (6.3), DIN 3126
Plus/Minus-Pozidriv screwdriver bit, 1/4", 73 mm
KL23073PM1grp

TORX® screwdriver bit, 1/4", 73 mm

Characteristics
▪ Shank 1/4" (6.3), DIN 3126
Characteristics
▪ Shank 1/4" (6.3), DIN 3126
Magnetic holder for screwdriver bits, 1/4", 58 mm

Characteristics ▪ Shank 1/4" (6.3), DIN 3126
Bit holder with quick-change chuck E6.3 1/4"

Characteristics
▪ Shank 1/4" (6.3), DIN 3126
▪ With quick-change chuck
KL295grp
Adapter,

1/4", 50 mm
` Shank E 6.3 and 1/4" socket wrench
Characteristics
▪ Shank 1/4" (6.3)
Suitable for ▪ Drive for 1/4" socket wrenches
Adapter, 1/4", 50 mm
15
KL296grp

Adapter, 3/8", 50 mm
Characteristics
▪ Shank 3/8" (10), DIN 3126
3/8", 50 mm
KL361grp
Socket head bit set 1/4", 29-pce.

Socket head bit set 1/4", 29-pce. 1130 29 KL361
Scope of supply
16-pce. Bit set C6.3 1/4"
Bit holder with quick-change chuck E6.3 1/4"
7-pce. Socket set AF5 - AF13 1/4"
Adapter C6.3 (25 mm) 1/4"
Extension E6.3 (150 mm) 1/4"
Extension (75 mm) 1/4"
Professional ratchet 1/4"
T-Smart handle 105 x 39 mm 1/4"
Allen key set, 7-pce.
KL370grp

Characteristics
▪ In practical holder
Ball-point allen key set, 9-pce.
KL375grp

Characteristics
▪ In practical plastic holder
KL38954grp
Torque-wrench set, 3.0 - 5.4 Nm

Characteristics
▪ Easy torque adjustment using an Allen key
▪ Precise release when reaching the set torque
Item
Torque-wrench set, 3.0 - 5.4 Nm 1066 14
Scope of supply
Nm-slotted blade 4.0 x 0.8 x 170 mm
Nm-Phillips blade PH 2 x 170 mm
Nm-Phillips blade PH 1 x 170 mm
Nm blade PZ 1 x 170 mm
Nm blade PZ 2 x 170 mm
Nm-TORX® blade TX 15 x 170 mm
Nm-TORX® blade TX IP 10 x 170 mm
Nm-TORX® blade TX IP 15 x 170 mm
Nm blade Z2 x 170 mm
Nm blade magnetic 170 mm
Nm handle 3.0 - 5.4 Nm
Adjusting spanner
KL330grp
Bit set, 6-piece, 1/4", 73 mm

Characteristics
▪ Shank 1/4" (6.3), DIN 3126
▪ KL330: 3.0 x 0.5 mm / 3.5 x 0.6 mm / 4.0 x 0.8 mm / 5.5 x 1.0 mm / PH 1 / PH 2
▪ KL331: PH 1 / PH 2 / PH 3 / PZ1 / PZ2 / PZ3
▪ KL335: TX10 / TX15 / TX20 / TX25 / TX30 / TX40
assortment, 1/4", 73 mm
assortment, 1/4", 73 mm
1/4", 73
KL340grp
Bit box Swift, 7-piece, 1/4", 25 mm

Characteristics
▪ Shank 1/4" (6.3), DIN 3126
▪ In practical holder
▪ Incl. magnetic holder
▪ KL340: 1.0 x 5.5 mm / 1.2 x 6.5 mm / PZ 1 / PZ 2 / PH 1 / PH 2
box Swift, 1/4", 25 mm
KL365grp
Combination spanner set, 12-pce.
Characteristics
▪ Material: Chrome vanadium
▪ Surface: chromed
spanner set, 12-pce. SW 8 - 22
Messen und Markieren

KL420200grp

Control cabinet spirit level, 200 mm
Characteristics
▪ With horizontal, vertical and 45° spirit level
cabinet spirit level, 200 mm
Alu spirit level
Characteristics
▪ With horizontal and vertical spirit level
Wooden folding rule, 2 m
KL402grp

Characteristics
▪ White/yellow
▪ No. of links 10
Wooden folding rule, 2 m
Measuring tape, 3 m
KL403grp

Characteristics
▪ With 3 functions: Length, inside dimension and circles
Measuring tape, 3 m
Carpenter‘s pencil
KL449grp


Characteristics
▪ Oval shape
▪ Pointed
Carpenter‘s pencil
Marking pen

Characteristics
▪ Multimark permanent marker, black
▪ Fine tip 0.6 mm
Marking pen
KL440Fgrp
KL500grp
Basiswerkzeuge Control cabinet key

Characteristics
▪ With chain, adapter and interchangeable bit 1/4"
▪ Inner square 5, 6 and 7-8 mm
▪ Triangular 9 mm
▪ Double pin keys 3 - 5 mm
▪ Bit PH2 and slot 1.2 x 0.7 mm
▪ Radiator valve key closing (5 mm square) in the centre slot
KL510grp

Universal cabinet key, subkey Electro
Characteristics
▪ 30% lighter and simpler opening mechanism
▪ Inner square 5, 6 and 7-8 mm
▪ Triangular 9 mm
▪ Double pin keys 3 - 5 mm
▪ Including 1/4" bit mounting and 2 double bits
▪ Radiator valve key closing (5 mm square) on the pin head
▪ Bit slot 1.2 x 7 mm, PH2
Engineer‘s hammer
KL580300grp

Characteristics
▪ Steel-forged head
▪ Ground finish
▪ With protective nylon shroud
Sledge hammer
KL5821000grp

Characteristics
▪ Steel-forged head
▪ Ground finish
▪ With protective nylon shroud
KL584230grp
Jointing chisel
Electricians chisel

Characteristics
▪ Chrome vanadium steel
▪ Safety head, annealed
chisel

Characteristics
▪ Chrome vanadium steel
▪ Safety head, annealed
chisel,
Safety handle for jointing chisel

KL540grp


Suitable for
▪ Jointing chisel, part no. KL584230
handle for jointing chisel
Characteristics
▪ Hinged, with plastic handle
Characteristics
▪ With fixed wooden handle
Cable knife
Mini saw
KL550grp
Universal saw
Characteristics
▪ With fibreglass reinforced plastic handle
KL545grp
Combination scissors


Characteristics
▪ Serrated cutting edges
▪ With safety lock
▪ Cuts e.g. round and flat material from copper, aluminium, plastic, paper, cardboard, leather
Universal knife
KL542grp


Characteristics
▪ With adjustable and replaceable blades
Characteristics
▪ Knife with knock-off blades, all 9 mm
KL544grp
Cutter knife
Apprentice case

` Tool case can be personalised with own brand logohttp://www.klauke.com/personalization
Characteristics
▪ Case shell from impact-resistant ABS
▪ Robust aluminium frame with abutting edges
▪ Two lockable clips
Item
Apprentice case
Scope of supply
VDE Power combination pliers, 180 mm
VDE Side cutter 160 mm
VDE long-nose pliers, straight, 205 mm
VDE Slotted screwdriver, 3.0 x 0.5 mm
VDE Slotted screwdriver, 4.0 x 0.8 mm
VDE Slotted screwdriver, 5.5 x 1.0 mm
VDE Pozidriv screwdriver, PZ1
VDE Pozidriv screwdriver, PZ2
VDE Plus/Minus-Pozidriv screwdriver, Z1
VDE Plus/Minus-Pozidriv screwdriver, Z2
Phase tester with heavy duty handle, one-pin,
VDE 0680 150 V - 250 V
Wooden folding rule, 2 m
Control cabinet spirit level, 200 mm
Carpenter‘s pencil
Universal saw
Engineer‘s hammer, 300 g
Cable knife with hooked blade
Automatic VDE wire stripper 0.2 - 6 mm²
Water brush
Plasterer´s bowl 125 mm
Painter‘s spatula 40 mm
x 470 x 210 6.0 KL855B22
KL020180IS
KL040160IS
KL050205IS
KL10010030IS
KL10010040IS
KL10012555IS
KL120PZ1IS
KL120PZ2IS
KL130PM1IS
KL130PM2IS
KL19073IS
KL402
KL420200
KL449
KL550
KL580300
KL745HK
KL760180IS

` Engineers basic equipment, mainly with VDE tools
Characteristics
▪ Technicians Notebook tool bag
▪ Material: hard-wearing nylon
▪ 90° folding-out front pocket
▪ High-quality zipper
▪ Spray-water protected bottom
▪ Each side pocket has a zipper
▪ Adjustable carrying belt with quick-release fastener and shoulder pad
▪ Twin fixed carrying handle
▪ Insert for visitor cards
Item
Engineers professional case, 15-piece
Scope of supply
Technicians professional case, empty
VDE Phillips screwdriver, PH1
VDE Phillips screwdriver, PH2 KL110PH2IS
VDE Slotted screwdriver, 2.5 x 0.4 mm
VDE Slotted screwdriver, 4.0 x 0.8 mm
VDE Slotted screwdriver, 5.5 x 1.0 mm
Phase tester with heavy duty handle, one-pin,
KL1007525IS
KL10010040IS
KL10012555IS
VDE 0680 150 V - 250 V KL19073IS
VDE Plus/Minus-Pozidriv screwdriver, Z1
VDE Plus/Minus-Pozidriv screwdriver, Z2
Cable knife with hooked blade
VDE long-nose pliers, straight, 205 mm
VDE Electric power side cutter, 200 mm
Round cable stripper 8 - 13mm²
VDE Power combination pliers, 165 mm
Measuring tape, 3 m
KL130PM1IS
KL130PM2IS
KL745HK
KL050205IS
KL044200IS
KL710
KL020165IS
KL403
Hand tools
OEM bag, 22-piece

Characteristics
▪ Equipped with 22 mainly VDE-tested tools
▪ Robust version with plastic slide rails and upper metal rails with sponge rubber handle
▪ Adjustable carrying belt with quick-release fastener and shoulder pad
▪ Outdoors: 1 large lockable label pocket, 9 pockets, 2 Velcro® for fastening spirit level etc. Indoor connections: 3 compartments, 14 straps
OEM bag, 22-piece
Scope of supply
VDE Power combination pliers, 180 mm
VDE Side cutter 160 mm
VDE long-nose pliers, straight, 205 mm
VDE Slotted screwdriver, 3.0 x 0.5 mm
VDE Slotted screwdriver, 4.0 x 0.8 mm
VDE Slotted screwdriver, 5.5 x 1.0 mm
VDE Pozidriv screwdriver, PZ1
VDE Pozidriv screwdriver, PZ2
VDE-Plus/Minus-Pozidriv screwdriver Z1
VDE Plus/Minus-Pozidriv screwdriver Z2
Phase tester with heavy duty handle, one-pin, VDE 0680 150 V - 250 V
Cable knife with hooked blade
Automatic VDE wire stripper 0.2 - 6 mm²
Wooden folding rule, 2 m
Control cabinet spirit level, 200 mm
Carpenter's pencil
Universal saw
Engineer's hammer, 300 g
Electrician's chisel, 250 mm
KL020180IS
KL040160IS
KL050205IS
KL10010030IS
KL10010040IS
KL10012555IS
KL120PZ1IS
KL120PZ2IS
KL130PM1IS
KL130PM2IS
KL19073IS
KL745HK
KL760180IS
KL402
KL420200
KL449
KL550
KL580300
KL585250

Technicians professional case, empty



Characteristics
▪ Robust version with plastic slide rails and upper metal rails with sponge rubber handle
▪ Adjustable carrying belt with quick-release fastener and shoulder pad
▪ Outdoors: 1 large lockable label pocket, 9 pockets, 2 Velcro® for fastening spirit level etc. Indoor connections: 3 compartments, 14 straps
Characteristics
▪ Material: highly durable nylon, splash-proof base
▪ 90° folding front pocket, each side pocket has a zipper
▪ Twin fixed carrying handle
▪ Adjustable carrying belt with quick-release fastener and shoulder pad
▪ Protected notebook compartment for laptops up to 17", dimensions 285 x 416 x 89 mm
▪ Insert for visitor cards
▪ High-quality zipper
Characteristics
▪ Robust aluminium frame with abutting edges
▪ With lockable clips
Characteristics
▪ Material: Polytex
▪ Accepts up to 11 tools
Tool wallet from nylon, empty
Tool case, empty
PREPARATION WITH PRECISIONSTRIPPING TOOLS
In the world of professionals, every assignment counts. Better if you can rely on your tool. Stripping tools from Klauke remove insulation and cable sheathing quickly and precisely. All strands remain intact.

`
For very precise use
◾ Fast and precise removal of insulation and cable sheathing
◾ Automatic cross-section adjustment
◾ Reduced effort due to optimum power transmission
◾ Reduced wear
◾ Including replacement blade
Special sheath and insulation materials call for special stripping tools! Innovative blade geometries guarantee a clean cut edge - with hard insulation such as PTFE (Teflon) through to soft/tough materials such as silicon!

K432grp Abisolierwerkzeuge Automatic wire stripper, 0.02 - 10 mm²
Characteristics
▪ Self-setting cutting and stripping tool for commercially available flexible cables 0.02 - 10 mm² and solid conductors to 1.5 mm²
▪ Easily replaceable blade system
▪ Long service life of pliers due to precise adjustment for stripping thin insulation without damaging the conductor
▪ Integrated side cutter
Wire-stripping tool K43/2
- 10
Interchangeable cassette, black, for wire-stripping tool K432 0.02 - 10 mm² flexible conductors and to 1.5 mm² solid conductors
Interchangeable cassette, blue, for wire-stripping tool K432 for PTFE insulated conductors 0.1 - 4 mm²
Interchangeable cassette, red, for wire-stripping tool K432 / 4 - 16 mm²
Automatic wire stripper, 4 - 16 mm²

` Particularly suitable for application-specific cables in the plant and machinery construction, wind energy, robotics, eMobility, marine, shipbuilding, railway and rail transport sectors
Characteristics
▪ Self-adjusting cutting and stripping tool for application-specific solid and flexible cables
▪ Ideal, lightweight and ergonomic tool with a long service life
▪ Automatic opening of the clamping jaws after the stripping process for added safety
▪ No splicing of single conductors - conductor enters the cable end-sleeve with greater ease
▪ Integrated professional, readily accessible cable cutter - accelerates working processes
▪ Adjustable stop with metric and imperial display for precise stripping length
wire stripper, 4 - 16 mm²
4 -16
Wechselkassette rot für massive u. flexible Kabel 4 - 16 mm²
K432E2
K432E3

Wire stripper with stepless stripping range 0.03 - 16 mm²
` First wire stripper with stepless stripping range 0.03 - 16 mm²
` Perfect for damage-free stripping of solid and flexible conductors with PVC
Characteristics
▪ Effortless working thanks to ergonomic styling
▪ Safe working thanks to integrated clamp protection
▪ Durable tool with easily replaceable blades
▪ Integrated side cutter up to max. 9 mm dia.
▪ High stability due to glass fiber reinforced polyamide
▪ Accurate and consistent stripping length thanks to adjustable stop
Wire stripper with stepless stripping range 0.03 - 16 mm²
Accessories
- 16 140
Detachable magazine K433E
KL760180grp
Wire stripper, 0.2 - 6 mm²

Characteristics
▪ Adjustable length stop from 5 - 12 mm
▪ Integrated easy to reach side cutter up to max. 2 mm dia.
Suitable for
▪ For all standard flexible and solid conductors from 0.2 - 6 mm²
stripper for flexible and solid conductors
Wire stripper for round and flat cables
KL765FR215grp Abmantelwerkzeuge

Characteristics
▪ Fine adjustment (5-way) on various cable types and cable diameters
▪ Optical length dimension 8 - 24 mm (5/16 - 1 inch)
▪ Integrated side cutter up to max. 3 mm dia.
Suitable for
▪ Flat cable: Baring and stripping of 2-core PVC-insulated flat cables from 0.75 - 1.5 mm²
▪ Round cable: Baring and stripping flexible cables in the range 0.5 - 16 mm² (20-6 AWG), solid conductors 0.5 - 10 mm² (20-8 AWG)
Wire stripper for round and flat cables
- 16
Automatic wire stripper for round cables in the solar technology sector
Characteristics
▪ Fine adjustment (5-way) on various cable types and cable diameters

▪ Integrated side cutter up to max. 3 mm dia.
▪ Optical length dimension 8 - 24 mm (5/16 - 1 inch)
Suitable for
▪ Baring and stripping of all standard, flexible cables from 1.5 - 10.0 mm² (15-9 AWG) in the solar technology sector.
Cable knife without blade

Cable knife with straight blade

Characteristics
▪ Precise, fast and safe stripping of all standard round cables
▪ No damage to inner conductor due to stepless adjustment of cutting depth
▪ Round and long cut due to self-rotating knife
blade for electricians knife with hooked blade
Characteristics
▪ Precise, fast and safe stripping of all standard round cables
▪ Including protective cover for the blade
▪ Removable reducing adapter made from extremely abrasion-resistant plastic (POM)
▪ No damage to inner conductor due to stepless adjustment of cutting depth
▪ Round and long cut due to self-rotating knife
blade for electricians knife with hooked blade
Stripping tools for communication technology
Cable knife with hooked blade

Characteristics
▪ Precise, fast and safe stripping of all standard round cables
▪ Including protective cover for the blade
▪ Removable reducing adapter made from extremely abrasion-resistant plastic (POM)
▪ No damage to inner conductor due to stepless adjustment of cutting depth
▪ Round and long cut due to self-rotating knife
Round cable stripper 8 - 13 mm Ø

Multi-stripper

Characteristics
▪ Simple stripping even in hard-to-reach areas, e.g. ceiling and walls, junction and distribution boxes, switch cabinets etc.
▪ Strips round and damp proof installation cables from 8 - 13 mm dia.
(e.g. NYM 3 x 1.5 mm² to 5 x 2.5 mm²)
▪ No need to adjust the cutting depth
Characteristics
▪ Universal stripping tool with the following functions: Baring, round cut, long cut, stripping, cutting
Photovoltaic stripper

Werkzeuge und Sets Koax
Coax-stripper

Characteristics
▪ Replaceable blade system
▪ Protected blade
▪ Simple handling
▪ Fixed stripping from 8.5 mm
▪ Compact design
Suitable for
▪ For all standard PV cables to 8.5 mm
Characteristics
▪ No need to adjust the cutting depth
▪ Gradual stripping of all standard coaxial cables (e.g. antenna and transmission cables) 4.8 - 7.5 mm outside diameter
Suitable for
▪ Flexible cables, e.g. 3 x 0.75 mm², 10 mm² and 16 mm²

PUTS CABLE WHERE IT NEEDS TO BE SIMPLY AND SAFELY.
Takes every corner flexibly and robustly – cable pulling technology from Greenlee is set apart by quality and the simplest operation possible for every challenge.

THE PULLING AIDCABLE PULLING TECHNOLOGY
Clean construction site - clean laying. Our cable pulling technology ensures that all cables are cleanly rolled in and out. No parts not required left lying around. No awkward handling. Greenlee pulling systems are made from high-quality ABS plastic. Making them robust and drop-proof. You are in control: Reliable laying with safe cable pulling technology.

In brief
` Simple pulling through of cables and conductors
` Cable puller made from polyester, perlon, nylon and fibreglass
` Cable pulling rods for cavities and suspended ceilings
` Made from high-quality ABS plastic
` Solutions for light and heavy cable types, angled ducts or long straights
` The Dura Spinner
The Dura Spinner is small, but has a great effect. High-quality materials ensure robustness and the best functionality.
Its user-friendly design also permits unwinding on the floor.
The Dura Spinner is even able to hold in place cables that are laid around corners. A genuine help on the construction site.
ABS plastic housing
Cable puller made from virtually indestructible polyester tape
Simple unwinding and rewinding
Unwinding even on the floor
User-friendly design ensures convenient and smooth operations


Fish tapes/pulling rods
52055292grp
Polyester fish tape green 4.5 mm dia.

` 50% less friction than nylon tapes
` Extremely flexible and almost unbreakable
Characteristics
▪ High thrust due to twisted tape design
▪ Reduces the pulling force due to much lower friction
▪ Replaceable pulling eyelet and spring guide head
Additional information
▪ Further detailed information can be found in the application table on page i-13
Accessory
5-piece accessory set for polyester fish tapes
Rotating spring guide head with eyelet, M5, 7 mm dia


Characteristics
▪ With pressed M4 front piece
▪ With unscrewable spring guide head and pulling eyelet
Additional information
▪ Further detailed information can be found in the application table on page i-13
Characteristics
▪ With pressed spring guide head and eyelet
Additional information
▪ Further detailed information can be found in the application table on page i-13
Accessory
Nylon
Nylon
Perlon® fish tape 4 mm dia.
Nylon fish tape 4 mm dia.
Stahl Fibreglass cable pulling rods

Characteristics
▪ Almost unbreakable due to special outer jacket
▪ Time-saving cable laying
▪ Laying also under the most difficult conditions
Suitable for
▪ Cable installation and laying
▪ Pulling or pushing
10 m 52055385 Comprising of: 4 pce. light green fibreglass rods 5.6 mm dia. with WW connecting sleeve, 1 pce. light green fibreglass rod 5.6 mm dia. with WW connecting sleeve and universal joint, 2 pce. black fibreglass rods 6 mm dia. with WW connecting sleeve, 1 pce. white nylon rod 4 mm dia. with WW connecting sleeve, 2 pce. green fibreglass rods 4.6 mm dia. with WW connecting sleeve
5 m 52055386 Consists of: 3 pce. light green fibreglass sticks 5.6 mm dia. with WW connecting bushing, 1 pce. black fibreglass stick 6 mm dia. with WW connecting bushing, 1 pce. white nylon stick 4 mm dia. with WW connecting bushing
Accessories Part No.
Accessory set for cable pulling rods, 8-pcs.
52055387
Accessory set for cable pulling rods, 4-pcs. 52055388
Kabeleinziehsysteme Mit Polyester-Einziehband (Dura Spinner und Flexi Spinner)
Dura Spinner polyester fish tape system

` Cable pulling systems with innovative, extremely robust, twisted polyester fish tape
` Rotatable spring guide head
Characteristics
▪ Extremely robust fi sh tape for very narrow bending radii
▪ This product’s high thrust makes it the ideal solution for laying additional cables
▪ New rotatable spring guide head
▪ Suitable for rigid and flexible conduits
▪ Tape pulled in and out very simply
▪ Can also be uncoiled on the floor
▪ Including accessories and spare parts
▪ Robust ABS housing
▪ No more broken tapes
Suitable for
▪ The laying of additional cables
Dura Spinner 3.0 mm dia., 20 m
Dura Spinner 3.0 mm dia., 30 m
Scope of supply Part No.
Rotating spring guide head with eyelet, M4, 6 mm dia.
Tension head with eyelet, M4
Pulling aid for pulling system 3 - 6 mm dia.
Accessories Part No.
Dura Spinner spare fish tape 3.0 mm dia., 20 m
Dura Spinner spare fish tape 3.0 mm dia., 30 m
Tension head with eyelet M4 (1) and spring guide head M4 (1)
52055389grp

` Almost unbreakable
` Approx. 50 % less frictional resistance compared with nylon and perlon
` High thrust for long distances with narrow bending radius
Characteristics
▪ Highly-flexible polyester tape
▪ Modern design
▪ Robust housing
Additional information
▪ Further detailed information can be found in the application table on page i-13
Scope of supply Part No. Quantity
5-piece accessory set for
Rotatable
Flexi Spinner polyester cable pulling system

` Unique, user-friendly design
` Very simple and quick pulling in and out of fibreglass tapes
Characteristics
▪ One-handed operation
▪ Uncoiling also possible on the floor
▪ Flexible fibreglass spring for quick pulling in and out
▪ High thrust
▪ Accessory set supplied as standard
Suitable for
▪ Tube diameter: 16 - 32 mm
Additional information
▪ Further detailed information can be found in the application table on page i-13
▪ Always order repair adhesive separately!
Spinner fibreglass cable pull-in system
Spinner fibreglass cable pull-in system
Spinner
grip M5, 4-15 mm dia.
aid for pulling system 3 - 6 mm dia.
Accessories
Speedy Spinner accessory, repair patch for fibreglass tape 3 mm dia.
Fibreglass replacement tape 3 mm dia., 20 m
Fibreglass replacement tape 3 mm dia., 30 m
Fibreglass replacement tape 3 mm dia., 40 m
Speedy Spinner repair set, 10-piece 52055303
Rotatable head with eye M5, dia. 7 mm 52055264
Speedy Spinner repair set, 10-piece
with eye M5
sleeves M5
1
3
3
1 Item repair set
aid for pulling system 3 - 6 mm dia.
EASILY FORGOTTEN:
Be aware of the laying temperatures of cables and conductors! These can be obtained from manufacturer‘s data sheets. For a NYM conductor, for example, this temperature is +5° C.
Einziehbänder in Wicklergehäuse
52041709grp
MagnumPRO™ oil-hardened steel fish tape

52041746grp
Characteristics
▪ Winder case eases cable pulling
▪ Dirt-free tape finish
▪ High impact nylon winder case with large handle grip
stainless steel fish tape
` Stainless, speed flex leader
` Slim pulling eyelet permits trouble-free pulling in long and winding conduits

Characteristics
▪ Can be used in conjunction with every steel fish tape with a tape dimension of 3.0 x 1.5 mm
▪ High impact nylon winder case with large handle grip
MagnumPRO™ nylon fish tape
52041750grp

` Non-conductive, non-coiling nylon tape
Characteristics
▪ Diameter 4.8 mm
▪ High impact nylon winder case with large handle grip
MagnumPRO™
52041752grp

50016962grp
Steel fish tape EZ Reach

Characteristics
▪ Non-conductive fibreglass tape with low friction coating
▪ To fish in small and large conduits even with wire or cable in place
▪ High impact nylon winder case with large handle grip
Suitable for
▪ Data and telecommunication industry
Characteristics
▪ With hand crank
▪ Flat steel tape for working above suspended ceilings, under carpets and through walls
Smart Butler fibreglass cable pulling-in system with steel reel basket

` Unique, user-friendly design, galvanised and sprayed ` Teflon-coated adapter for low resistance when winding and unwinding
Characteristics
▪ High thrust
▪ Low-friction unwinding and rewinding
▪ Secure working thanks to operative holding brake
▪ Effective working with accessories mounted directly on frame
▪ From size 790 mm dia. steel reel basket, incl. rollers
Additional information
▪ 4.5 / 6 mm dia.: Tension head with eyelet, fish tape with pressed start/end sleeves, connecting sleeve WW 1/4“ - M6, starting spinner with shackle
▪ 7.5 / 9 / 11 mm dia.: Tension head with eyelet, fish tape with pressed start/end sleeves, connecting sleeve WW 1/2“ - M12, starting spinner with shackle
Accessories Part No.
Smart Butler fibreglass replacement tape 4.5 mm dia., 40 m 52055317
Smart Butler fibreglass replacement tape 4.5 mm dia., 60 m 52055318
Smart Butler fibreglass replacement tape 6 mm dia., 60 m 52055330
Smart Butler fibreglass replacement tape 7.5 mm dia., 80 m 52055344
Smart Butler fibreglass replacement tape 9 mm dia., 100 m 52055356
Starter and end bushing WW 1/4" for fish tape 4.5 mm dia. 52055321
Starter and end bushing WW 1/4" for fish tape 6.0 mm dia. 52055333
Starter and end bushing WW ½" for fish tape 7.5 mm dia. 52055369
Accessory Part No.
Starter and end bushing WW ½" for fish tape 9 mm dia. 52055370
Connecting sleeve for fibreglass 4.5 mm dia. 52055322
Connecting sleeve for fibreglass 6 mm dia. 52055334
Connecting sleeves for fibreglass tape 9 mm dia. 52055372
Connecting sleeves for fibreglass tape 11 mm dia. 52055373
Bulb with shackle WW 1/4" for 4.5 mm dia. 52055323
Bulb with shackle WW 1/4" for 6.0 mm dia. 52055335
Bulb with shackle WW ½" for 7.5 mm dia. 52055367
Bulb with castor WW ½" 52055368
Tension head with eyelet WW 1/4" for 4.5 - 6 mm dia. 52055320
Emergency repair set for fibreglass tape 4.5 mm dia. 52055324
Emergency repair set for fibreglass tape 6 mm dia. 52055336
Emergency repair set for fibreglass tape 7.5 mm dia. 52055375
Emergency repair set for fibreglass tape 9 mm dia. 52055376
Emergency repair set for fibreglass tape 11 mm dia. 52055377
Polyester
Butler
cable pulling system with steel reel basket

` Unique, user-friendly design, galvanised and sprayed
` Teflon-coated adapter for low resistance when winding and unwinding
Characteristics
▪ High thrust
▪ Low-friction unwinding and rewinding
▪ Secure working thanks to operative holding brake
▪ Effective working with accessories mounted directly on frame
Polyester Butler cable pulling system 350 mm dia. steel reel basket, 50 m
Scope of supply Part No.
Smart Butler accessory - start/end sleeves WW 1/4“ for rod 4.5 mm dia.
Smart Butler accessory - starting spinner with shackle WW 1/4“ for 4.5 mm dia.
Spring guide head with eye M5
Head with eye M5 WW 1/4“ for dia. 4.5 - 6 mm
52055321
52055323
52055265
52055320
Kabelzugwinden
Easy Roller (Kabelabroller)
52055383grp
Easy Roller cable drum unwinder

` Unique, user-friendly design
` 30 % less weight
` Ramp with shallow incline
Characteristics
▪ Light - 30% less weight
▪ Easy loading and unloading of heavy cable drums thanks to the shallow inclined ramp
▪ Rollers with integrated side guides
▪ Possible to fit to the cable drum diameter
Suitable for
▪ Large and small cable drums
▪ Width 530 mm, 200 kg carrying capacity
▪ Width 670 mm, 250 kg carrying capacity
Accessory
Easy Roller replacement roller, standard
Easy Roller replacement roller, wide
Cable drum uncoilers Easy Roller Plus

` Reduced incline on the loading ramp allows simple rewinding of the cable drum
` Handles for easy positioning and carrying
` Ball-bearing mounted rollers
` U-sections for fixing the unwinding rails
Additional information
▪ Cable drum unwinders consisting of 2 cable drum unwinding rails and one spacer rail

Characteristics
▪ Breaking strength approx. 14.2 t
▪ Rope diameter 22 mm
▪ Rope on rope stand
Rope stand for ropes 91 m and 182 m
Cable pulling technology
Pulling grips
T-Basket type pulling grips, closed
50305581grp

Zubehör
Characteristics
▪ Double weave galvanized steel mesh with flexible pulling eyelet
Suitable for
▪ Medium-weight pulls in pipes and cable ducts
50307584grp
Pulling grip set, closed
Kabelstrümpfe, offen

Characteristics
▪ Set of the most important pulling grips for the most frequently required pulling operations
50306588grp
Pulling grip, open

Characteristics
▪ Single weave, galvanised steel netting mesh with bar closure
▪ Offset flexible eyelet
Suitable for
▪ Easy and straight pulls when the cable end is not available
Use a pulling grip so you don‘t have to strip the cable before it is pulled in! A cable grip allows you to pull with greater force. This prevents tapering of the cross-section.
52055379grp

Lubricant spray

Characteristics
▪ Reduces friction by up to 80 %
▪ Biodegradable
▪ Harmless to the user
Suitable for
▪ Electric/telephone cables in pipes 16 - 25 mm dia.
▪ Large cable diameters
Cable lubricant liquid for optical fibres and power cables, canister 5 kg
Cable lubricant liquid for optical fibres and power cables, canister 10 kg
Characteristics
▪ Reduces friction by up to 80 %
▪ Biodegradable
▪ Silicon-free
▪ Not flammable
Suitable for
▪ Electric/telephone cables in pipes 16 - 25 mm dia.
Technical Appendix
Technical Appendix
Technical notes on crimping types and legend
Technical notes on the various crimping types
Crimping
Designation
Hexagonal crimping for crimping tubular copper cable lugs and connectors “standard type”, tubular cable lugs for switchgear connections, compression cable lugs and connectors to DIN 46235/DIN 46267, aluminum cable lugs and connectors
Indent crimping for crimping tubular copper cable lugs and connectors “standard type”, tubular cable lugs for switchgear connections, solderless terminals to DIN 46234 and pin cable lugs to DIN 46230, insulated solderless terminals, tubular cable lugs and connectors for fine stranded conductors, nickel tubular cable lugs and connectors, stainless steel tubular cable lugs and connectors
Oval crimping for crimping tubular double compression cable lugs, C-clamps, insulated tubular cable lugs and connectors, insulated pin cable lugs and compression joints to DIN 48217, insulated cable connectors
Indent crimping for crimping copper tubular cable lugs and connectors “standard type”, tubular cable lugs for switchgear connections, tubular cable lugs and connectors for fine stranded conductors
Double indent crimping for crimping copper tubular cable lugs and connectors “standard type”, tubular cable lugs for switchgear connections, nickel tubular cable lugs and connectors, stainless steel tubular cable lugs and connectors
Trapezoid crimping for crimping cable end-sleeves and twin cable end-sleeves
Indent crimping for crimping cable end-sleeves and twin cable end-sleeves
Square crimping for crimping cable end-sleeves and twin cable end-sleeves
Roll crimping for crimping non-insulated receptacles and cable end-sleeves DIN 46228, part 2
Round crimping for crimping cable end-sleeves and twin cable end-sleeves of 90° and 120° sector-shaped conductors
Quad-point indent crimping for crimping copper tubular cable lugs and connectors “standard type”, tubular cable lugs for switchgear connections, tubular cable lugs and connectors for fine stranded conductors
Four point crimping for crimping turned pin receptacles and pin connectors
Legend of pictograms used for type of conductors
Material conductor Type of conductors
Cu Al Cu and Al
Solid conductor (class 1 according to EN 60228) made of bright or coated soft-annealed copper, aluminium or aluminium alloy
Multi-stranded conductor (class 2 according to EN 60228) made of bright or coated soft-annealed copper, aluminium or aluminium alloy
Fine stranded conductor (class 5 according to EN 60228) made of bright or coated soft-annealed copper
Superfine stranded conductor (class 6 according to EN 60228) made of bright or coated soft-annealed copper
Solid sector shaped conductor 120 ° (class 1 according to EN 60228) made of aluminium or aluminium alloy
Solid sector shaped conductor 90 ° (class 1 according to EN 60228) made of aluminium or aluminium alloy
Multi-stranded sector shaped conductor 120 ° (class 2 according to EN 60228) made of bright or coated soft-annealed copper, aluminium or aluminium alloy
Multi-stranded sector shaped conductor 90 ° (class 2 according to EN 60228) made of bright or coated soft-annealed copper, aluminium or aluminium alloy
Copper conductor for overhead lines (DIN 48201-1) and aluminium or aluminium alloy conductors (DIN EN 50182)
Please consider the material of the conductor (Cu, Al). This information is shown in the pictogram.
Technical Appendix
Technical notes on crimping types and legend
^TI_Leitungen_Pressen^ Legend of pictograms used for connecting materials
Connecting material Designation
Tubular cable lugs and connectors – Cu, standard type
Insulated cable lugs and connectors, standard type
Tubular cable lugs and connectors for fine stranded conductors
Tubular cable lugs and connectors for solid conductors
Tubular cable lugs and connectors – stainless steel
Tubular cable lugs and connectors – Ni
Compression cable lugs and connectors to DIN - Cu
Copper compression cable lugs, double crimp (double cable entry)
Solderless terminls, connectors and pin terminals to DIN - Cu
Insulated solderless terminals
Sleeves for compacted conductors and sector shaped conductors - Cu
Compression cable lugs and connectors to DIN - Al
Compression cable lugs and connectors - Al/Cu
C-Clamps
H-Clamps
Cable end-sleeves
Twin cable end-sleeves
Insulated cable connections
Non-insulated receptacles
Legend of pictograms used for test marks
Test mark Content
GS (safety tested):
The GS marking of our crimping and cutting tools stands for the highest possible safety and quality level.
UL (Underwriters Laboratory):
The electrical connection material and the crimping tools are certified according to UL/CSA standards.
CSA (Canadian Standard Association):
Electrical connection material and tooling certified to UL/CSA standards..
VDE (Verband der Elektrotechnik e.V.):
Tests and certifies the electrical safety of tools, chargers and tools for live workung.
IEC Certificates:
The unique safety level of our products has been proven in the area of electrical connection material with the internationally recognized test standard IEC 61238-1 and for battery tools with the internationally recognized standard IEC 60 45-1.
DNV Certificates:
The world´s largest consulting company for onshore and offshore systems
CE Sign
The product has been tested by the manufacturer and meets all EU-wide requirements for safety, health protection and environmental protection.
Widely used names for conductors and cables
^TI_Kennzeichnungen_von_Leitungen^
Markings of conductors and cables according to VDE (Germany)
Notes on wire names
Some of the conductors and cables mentioned below are offered as solid and stranded conductors depending on the cross-section. Please note this when processing.
In the list, a possible protective conductor (marking -J/-O) is not taken into account, as it is not relevant for the assignment and processing..
◾ Conductor class 1 = round conductor solid,
◾ Conductor class 2 = round conductor stranded,
◾ Conductor class 5 = round conductor fine-stranded,
◾ Conductor class 6 = round conductor superfine-stranded
Names of conductors and cables for Austria: The names correspond to the German names, but without the indicated „N“.
Sector shaped conductors must be pre-rounded !
* Please note the correct choice of tools or the use of the correct crimping dies when processing fine-stranded conductors (conductor class 5) ! The products offered are designed for the processing of stranded round conductors !
Marking of conductors and cables according to European harmonised standard
* Please note the correct choice of tools or the use of the correct crimping dies when processing fine-stranded conductors (conductor class 5) ! The products offered are designed for the processing of stranded round conductors !
Assignment of cables and conductors
a) Copper
◾ Our copper cable lugs and connectors are suitable for connecting copper cables according to DIN EN 60228 and copper conductors DIN 48201 part 1. Please use the table below.
b) Aluminium
Sector-shaped conductors must be rounded with pre-rounding tools before assembly.
Cross-section compatibility chart for cable lugs and connectors for copper and aluminum conductors
◾ With the help of this table you can determine the cross-section of your conductor in case of doubt. The minimum diameter of the conductor is for the classes 1 and 2 (not compacted). For classes 5 and 6 are defined by the conductance rather than the minimum diameter. Therefore, no specification can be made regarding the minimum diameter.
◾ Our aluminium cable lugs and connectors are suitable for connecting aluminium cables according to DIN EN 60228 and aluminium conductors according to DIN EN 50182. Please use the table below. Nominal
Round conductor solid, class 1
conductor multi-stranded, class 2 Round conductor multistranded compacted, class 2
conductor fine and superfine, class 5 and class 6
Round conductor solid, class 1 Round conductor multistranded compacted, class 2
Technical Appendix
Electrical properties
◾ Our copper and aluminium cable connections can be loaded with the currents defined in VDE 0298. For higher current loads, we ask for consultation. The current values of VDE 0298 can be found in the table below.
Group 1
One or more single-core conductors laid in conduits
Group 2
Multi-core conductors, e. g. sheathed conductors, conduit wires, lead-sheathed conductors, flat webbed conductors, flexible cables
Group 3
Overhead single-core conductors with clearance of at least their diameter
Values applicable only at an ambient temperature of 30 °C
Mechanical properties
◾ The connections made with our tools in accordance with the processing instructions have sufficient tensile strength in accordance with the standard applicable to the connection (depending on the material used), i.e. IEC 61238-1, DIN EN 60999, DIN EN 60352-2, UL486A-486B, DNV, UL486F.
Please note, that crimping solderless cable connections using tools from other manufactures does not guarantee a proper connection. We recommend only the use of solderless cable connections from using tools.
^TI_Technical instructions^

Assembly instructions for cable lugs and connectors
➊ Strip conductor in line with insertion depth (+ 10 % because of length change of crimp sleeve).
➋ The conductor ends must be cleaned mechanically prior to assembly.
➌ Insert conductor fully into cable lug or connector.
4 Observing the crimping direction, crimp the cable lug or connector using the appropriate tools. The crimping direction for cable lug and connector is indicated in the diagram opposite.
5 Remove excess compound emerging from aluminum cable lugs and connectors.
We recommend the following number of crimps for individual cross sections:
* when using quad-point indent crimping (HK60VP, EK60VP/FT etc.) Number of crimping operations: 2
** Note the cross section of the tool !
*** Crimp with crimping dies of Series 100
**** When using crimping dies of the series 50, 2 crimps are required !
When crimping F-series cable lugs and solderless terminals according to DIN 46234 by using indent crimping dies, for each cross section only one crimp is necessary.
Tubular cable lugs
^TI_Verarbeitung_Huelsen^
Assembly instructions for sleeves for type VHR and VHD compacted conductors
We recommend the use of additional VHR and VHD sleeves for compacted round conductors to ensure that the tubular cable lugs and connectors fit accurately.
For sector-shaped conductors, we recommend the use of additional sector sleeves VHR 3 or VHR 4 and VHD 3 or VHD 4 with Cu cable lugs and connectors to prevent the conductor recoil. Sleeves need to be rounded with pre-rounding tools.
Please note:
➊ Ensure that the conductor is deformed as little as possible when cutting to length.
➋ Strip the conductor insulation in line with the insertion length.
➌ Slip the sleeve up to the front cut edge of the conductor.
4 Place the conductor and sleeve in the pre-rounding tool as per the diagram.
5 Crimp the sleeve
a) Crimping operation as per the diagram (1st pre-crimp)
b) Crimp turned through 90° (2nd pre-crimp)
c) Crimp turned through 30° (finish-crimp)
d) Crimp turned through 30° as required (finish-crimp)
4 / 5
Pre-rounding tool
^TI_Verarbeitung_Reduzierhuelsen^
Instructions for fitting reduction sleeves
Only wide hydraulic crimping dies to be used when crimping more than two cross-sections.
Assembly instructions for full tension Al/steel connectors to DIN 48085, part 3
The connectors consist of an Al sleeve (E-AI 99.5) and a soft steel sleeve (St 52).
➊ Straighten cable ends, remove dirt and any oxide layer.
➋ Slip the Al-compression joint onto one of the cable ends.
➌ Tie off the cable end and strip the Al cores.
4 Tie off Al and steel cores.
5 Slip on the steel sleeve and crimp through according to the crimping marks.
➏ Slide the Al sleeve centrally over the crimped steel sleeve and crimp according to the crimping marks
Caution: Do not crimp in the centre, in the area of the steel connector. Do not crimp in the area of the cones.
➐ Remove excess compound after crimping the connector.
Warning: The compound must not be removed, either fully or partially, prior to assembly.
The tool dies can be assigned either by colour-coding, or preferably based on the code assigned to the cross-section. The dies for the steel sleeve have a black finish, those for the Al sleeve are zinc-coated.
General information:
The crimping process has to be continued until the dies are completely closed, otherwise a proper crimp cannot be guaranteed.
Sleeve
^TI_Allgemeine_Hinweise^
Testing of our copper and aluminium connecting material was carried out with the following maximum torque on the connecting bolt.
Please consider the torque values for the connection terminals.
Assembly instruction for screw connectors
^TI_Montage_Schraubverbinder^
Because they are detachable connecting elements, screw connectors are used preferably for heat-shrunk or cast resin joints. However, they also can be used in all other types of cable joints. Four-screw connectors are especially suitable for multi-stranded conductors, since the longer connector length increases the transverse conductance of the individual wires and the contact resistance decreases accordingly. In addition, higher pull-out values are achieved. Barrier type four-screw connector clamps are suitable for cables with mass-impregnated paper insulation.
In an electrolyte-free, e.g. dry environment, aluminum as well as copper conductors can be combined. This also applies in combination with heatshrunk hoses. If conductors of different materials (e.g. Cu and Al cables) have to be connected, a barrier type connector is recommended.
While identical types of cables (e.g. NAYY-NAVY) can be used with non-barrier types of connectors for unequal cables (e.g. NAYY-NAKBA), plastic or earth cables, the use of connectors with barrier as an oil stop is recommended.
Insertion depth of conductors is controlled either by the conductor stop at the barrier, or by inspection hole on screw connectors without barrier.
In addition to the conventional screw connectors, we offer screw connectors with shear-off heads. The benefit of this design is the defined tightening torque, which is pre-determined by the maximum transferable torque at the rated breaking point. This contact force defined by the manufacturer guarantee optimum electrical and mechanical properties (DIN EN 61238). No torque wrenches are required for assembly of this connector type.
With standard screw connectors, the required contact pressures are reached at approx. 80 % of the specified torque. Over-crimping beyond the torque specified for the connector must be avoided.
The cross-grooves on the conductor channels allow high tensile forces to be transmitted. The tensile forces of our screw connectors correspond to compression joints to DIN 46267, part 2, with identical cross section.
The screws are treated with a high-gliding, molybdenum sulphide-based lubricant. This guarantees adequate contact pressure with a relatively low tightening torque.
^TI_Kabeleinzugstechnik – Anwendungsbeispiele^
Technical
Metric cable glands for electrical installation EN 50262
The new European standard EN 50262 defines conditions for all manufacturers of electrical appliance housings and all electrical installation.
It’s scope includes cables and conductors for control cabinets, distributor housings, junction boxes, domestic connections, installation boxes, equipment housings etc.
Greenlee holemaking tools in ISO sizes acc. to EN 50262
EN 50262 replaces the Pg thread (steel tank pipe thread) used for all housing designs for decades with a metric thread. Sizes Pg 7 to Pg 48 are being replaced by ISO M 6 to M75.
Holemaking systems
Round punch
Slug-Buster ® Manual, Hydraulic punches
Slug-Splitter ® Hydraulic punches max. 3.5 mm in V2A 15.2 to 64.0 mm
Speed PunchTM Hydraulic punches 3.5 mm in St 37 16.2 to 64.0 mm
Standard Manual, Hydraulic punches
Special shaped punches Operation
Special shaped punches Manual, Hydraulic punches
Hydraulic punches






LS 50 FLEX Battery powered hydraulic punching tool
Hydraulic punch Quick Draw™ 7804E
Hydraulic punch Quick Draw 90™ 7904E
3.0 mm in St 37 66.7 to 144.1 mm
See data for the individual punches
LS 50 FLEX
50342916
50342991
Hydraulic punch with hand pump 52084920
Hydraulic punch with foot pump 52084941
Hand hydraulic punch Flex Draw 52033843
Description
- with micro-processor control
- 60 kN punching force
- punches up to 3.0 mm St 37 and up to 3.5 mm V2A, depending on hole size
- ideal for fast, frontal punching
- 80 kN punching force
- punches up to 3.0 mm St 37 and up to 3.5 mm V2A, depending on hole size
- rectangular cylinder head rotatable around 180°
- maximum flexibility in narrow working spaces
- 80 kN punching force
- punches up to 3.0 mm St 37 and up to 3.5 mm V2A, depending on hole size
- compact design of punch, pump and cylinder
- 110 kN punching force
- punches up to 3.5 mm St 37 and up to 3.5 mm V2A, depending on hole size
- foot pump leaves both hands free for operating the punch
- 110 kN punching force
- punches up to 3.5 mm St 37 and up to 3.5 mm V2A, depending on hole size
- rectangular cylinder head rotatable around 180°
- maximum flexibility in narrow working spaces
- 80 kN punching force
- punches up to 3.0 mm St 37 and up to 3.5 mm V2A, depending on hole size
Standards for cabling
A number of standardisation committees that define the technical features of cabling systems have been in existence since 1993. These directives must be observed when planning and setting up networks.
International standards
International Standards are published by the ISO (International Standards Organisation). In Europe these international directives are used for information purposes.
ISO/IEC IS 11801 Description of the performance requirements for a general cabling system
IEC 1156 Multi-core and symmetrical conductors for digital message transmission
European standards
In collaboration with national standard institutes, the European Committee for Electrical Standardisation CENELEC (Comite Europeen de Normalisation Electrotechnique) has published European standards that are based on the international ISO/IEC 11801 and hence normative for Europe.
EN 50173 Description of the performance requirements for a general cabling system (EN 50173 also refers to HD 608 and also EN 55022)
608 General specification for symmetrical conductors for digital message transmission
EN 50167 Framework specification for service cables
American standards
The American standards are published by the EINTIA (Electronic Industries Association / Telecommunication Industries Association) an American Joint Venture.
TSB 36 Framework specification for symmetrical data cables (100 Ohm, unsheathed)
TSB 40 Framework specification for passive components (100 Ohm, unsheathed)
Full volumes can be obtained from specialist bookshops.
IEC 1156-1
IEC 1156-2
IEC 1156-4
EN 50168
EN 50169
EN 55022
Basic specification
Framework specification for service cables IEC1156-3 Framework specification for patch and equipment connecting cables
Framework specification for building connecting and rising cables
Framework specification for patch and equipment connecting cables
Framework specification for building connection and rising cablesl
Framework specification for electromagnetic compatibility (EMC). This specification contains threshold values and measuring procedures for radio interference of data processing equipment.
EIA/TIA 568
Framework specification for cabling systems
Aluminium compression cable lugs acc. to DIN 46329 and similar versions1.76 Aluminium compression cable lugs and connectors acc. to DIN 1.74
Aluminium compression
Aluminium
Assembly
Assignment
B
acc. to DIN 46267 part 2 and similar
9.10
D2235 2.88
D2250 2.88
D226 2.88
D2270 2.88
D2295 2.88
D22SET 2.88
D504 2.81
D505 2.81
DNK742 2.21
DNP2 7.15
DP2270 2.88
EBS12CFB 3.18
EBS12CFM 3.18
EBS12ML 3.11
EBS6LGKS 3.16
EBS8CFB 3.17
EBS8CFM 3.17
EBS8ML 3.11
EC50ML 6.10
EK12032CFB 2.46
EK12032CFM 2.46
EK12042CFB 2.48
EK12042CFM 2.48
EK120IDCFB 2.45
EK120IDCFM 2.45
EK120UCFB 2.50
EK120UCFM 2.50
EK120UNVCFB 6.15
EK120UNVCFM 6.15
EK135FTCFB
EK6022CFB 2.40
EK6022CFM 2.40
EK60UNVCFB 6.14
EK60UNVCFM 6.14
EK60VPCFB 2.42
EK60VPCFM 2.42
EK60VPFTCFB 2.43
EK60VPFTCFM 2.43
EKM6022CFB 2.38
EKM6022CFM 2.38
EKM6022ISB 4.6
EKM6022ISM 4.6
EKM60IDCFB 2.44
EKM60IDCFM 2.44
EKM60IDISB 4.8
EKM60IDISM 4.8
EKM60UNVCFB 6.13
EKM60UNVCFM 6.13
EKPV50ML 6.8 EKSD50ML 6.7 EKWF120ML 2.31
EKWF50ML 6.5
ES105CFB 3.39
ES105CFM 3.39
ES20CFM 3.19
ES20E 3.12
ES20ISB 4.12
ES20ISM 4.12
ES20ML 3.12
ES20RMCCFB 3.20
ES20RMCCFM 3.20
ES32CFB 3.27
ES32CFM 3.27
ES32FCFB 3.28
ES32FCFM 3.28
ES32FML 3.13
ES32ISB 4.13
ES32ISM 4.13
ES32ML 3.13
ES32RMCCFB 3.20
ES32RMCCFM 3.20
ES65CFB 3.35
ES65CFM 3.35
ES85CFB 3.37
ES85CFM 3.37
ESG105CFB 3.38
ESG105CFM 3.38
ESG105RMCCFB 3.22
ESG105RMCCFM 3.21
ESG105RMCPCFB 3.23
ESG105RMCPCFM0000 3.24
ESG105RMCPCFM 3.24
ESG25CFB 3.25
ESG25CFM 3.25
ESG45CFB 3.32
ESG45CFM 3.32
ESG55CFB 3.34
ESG55CFM 3.34
ESG65RMCCFB 3.22
ESG65RMCCFM 3.21
ESG85CFB 3.36
ESG85CFM 3.36
ESGM452CFM0000 3.31
ESGM452CFM 3.31
ESGM45CFB 3.30
ESGM45CFM 3.30
ESM25CFB 3.26
ESM25CFM 3.26
ESM25ISM 4.11
ESM25ISMB 4.11
ESM35CFB 3.29
ESM35CFM 3.29
ESM35ISB 4.10 ESM35ISM 4.10 ESM50CFB 3.33
ESM50CFM 3.33 ESM50ISB 4.9
ESSG105L
F2250
GR1698 1.116
GR1708 1.116
GR170W 1.115
GR1718 1.116
GR171G 1.115
GR1728 1.116
GR172RO 1.115
GR1738 1.116
GR173B 1.115
GR4698 1.113
GR4698DO 1.150
GR4708 1.113
GR4708DO 1.150
GR4718 1.113
GR4718DO 1.150
GR4728 1.113
GR4728DO 1.151
GR4738 1.113
GR4738DO 1.151
H2270 2.90
HA1310 2.94
HA13150 2.94
HA131625 2.94
HA13185 2.94
HA13240 2.94
HA13300 2.94
HA1335 2.94
KL120PZ2IS 8.11
KL120PZ2ISLIM 8.11
KL120PZ3IS 8.11
KL130PM1IS 8.11
KL130PM1ISLIM 8.11
KL130PM2IS 8.11
KL130PM2ISLIM 8.11
KL145100IS 8.12
KL145130IS 8.12
KL14555IS 8.12
KL14560IS 8.12
KL14570IS 8.12
KL14580IS 8.12
KL150TX10IS 8.12
KL150TX15IS 8.12
KL150TX15ISLIM 8.12
KL150TX20IS 8.12
KL150TX20ISLIM 8.12
KL150TX25IS 8.12
KL150TX25ISLIM 8.12
KL150TX30IS 8.12
KL19073IS 8.12
KL2007335 8.19
KL2007340 8.19
KL2007355 8.19
KL2007365 8.19
KL21073PH1 8.19
KL21073PH2 8.19
KL22073PZ1 8.19
KL22073PZ2 8.19
KL23073PM1 8.20
KL23073PM2 8.20
KL25073TX10 8.20
KL25073TX15 8.20
KL25073TX20 8.20
KL25073TX25 8.20
KL25073TX27 8.20
KL25073TX30 8.20
KL25073TX40 8.20 KL290 8.20 KL291 8.20
KL295 8.21
KL296 8.21
KL303IS 8.13
8.13
KL420200 8.23
KL425600
1.168
LBOXXEKM60IDCFB 1.168
LBOXXEKM60IDCFM 1.168
LBOXXEKM60UNVCFB 1.168
LBOXXES20CFB 1.168
LBOXXES32CFB 1.168
LBOXXES32CFM 1.168
LBOXXES32FCFB 1.168
LBOXXES32FCFM 1.168
LBOXXLS50FLEXCFB 1.168
LBOXXLS50FLEXCFM 1.168
LBOXXMINIK3014K 1.167
LBOXXMINIK304K 1.167
LBOXXMINIK306K 1.167
LGL1 7.11 LGL3 7.11
LGLB1EU 7.12
LGLK18EU 7.11
LGML1 7.12
LS100FLEXCFB 5.28
LS100FLEXCFM 5.28
LS50FLEXCFB 5.27
LS50FLEXCFM 5.27
M22154 2.88
M2216 2.88 M22610 2.88 M50154
MCK120120 1.99
MCK150150 1.99
MCK185185

© 2026 Gustav Klauke GmbH. All rights reserved. The Klauke logo and the Emerson logo are registered trademarks of Emerson Electric Co. and its subsidiaries in the USA and in other countries. All other logos are the property of their respective owners. Subject to change. KATHAUPTGB 01/26