

KLAUKE KATALOG 2026
Elektrische Verbindungstechnik, Press- und Schneidwerkzeuge, Sicherheitswerkzeuge, Lochwerkzeuge, Universalwerkzeuge, Handwerkzeuge, Kabeleinzugstechnik


WELTWEITES VERTRIEBS- UND SERVICENETZWERK
ÜBER 145 JAHRE ERFAHRUNG UNSERE ZERTIFIKATE
MADE IN GERMANY SEIT 1879
ISO 9001:2015 Qualitätsmanagement-System
ISO 14001:2015 Umweltmanagement-System
IMMER DAS BESTE WERKZEUG FÜR IHRE ANFORDERUNGEN

Elektrische Verbindungstechnik
Pressen
Schneiden
Hydraulische Sicherheitswerkzeuge
Lochen / Stanzen
Universalwerkzeuge
Pumpen
Handwerkzeuge
Kabeleinziehtechnik
Technischer Anhang
Stichwortverzeichnis
Alphanummerisches Inhaltsverzeichnis
UNSERE KOMPETENZFELDER VIER BEREICHE, EINE QUALITÄT
Wir nehmen Ihre Ansprüche ernst. „Made by Klauke“ heißt für uns, dass alle Produkte mit höchster Qualität gefertigt werden.

BEWÄHRTE LÖSUNGEN FÜR SOLARPARKINSTALLATIONEN

VERBINDUNGSLÖSUNGEN FÜR WINDKRAFTANLAGEN

In einem Solarpark benötigen Sie immer Klauke Produkte, wenn Sie einen Stringsammler, einen Wechselrichter oder einen Transformator anschließen.
Solarstromanlagen sind eine wesentliche grüne Energiequelle für die heutigen und zukünftigen Generationen. Für einen optimalen Wirkungsgrad der Solarpanels müssen mehrere Faktoren zusammenspielen. Ein oft vernachlässigter Faktor ist die Qualität und Zuverlässigkeit der elektrischen Anschlusselemente.
Für die unterschiedlichen elektrotechnischen Komponenten in einer Windkraftanlage bieten wir jeweils genau die passenden Klauke Werkzeuge sowie das dazugehörende Klauke Verbindungsmaterial.
Windkraftanlagen spielen bei der Erzeugung von grünem Strom eine tragende Rolle. Für die Installation gelten hohe Sicherheitsanforderungen. Deshalb ist die Einhaltung von entsprechenden Qualitätskriterien sowohl bei dem Material als auch bei den Elektroverbindungen unverzichtbar.
WERKZEUGE FÜR DIE ENERGIEVERSORGUNG

Klauke bietet Ihnen - Energieerzeuger, Netzbetreiber und Dienstleister im Bereich der Energie - ein erweitertes Produktsortiment an. Neben den Produkten der Marke Klauke werden auch Test- und Messgeräte der Marke Greenlee angeboten.
Die Mess- und Sicherheitsprodukte werden selber von Greenlee in den USA entwickelt und produziert, sie sind auf dem neusten Stand der Technik.
Sämtliche Prüf-, Test- und Messgeräte entsprechen nationalen und internationalen Vorschriften wie auch Standards und garantieren so, maximale Sicherheit für den Anwender.

SCHALTSCHRANKBAU - SCHNEIDEN, ABISOLIEREN, CRIMPEN, LOCHEN – ALLES DRIN

Effizienz und Sicherheit im Schaltschrankbau gibt es bei uns jetzt im Rundum-sorglos-Paket. Ganz gleich, ob es um das Schneiden, Abisolieren, Crimpen oder Lochen geht: In unserem Power-Paket finden Sie genau das passende Werkzeug!
EK30IDML und EKWF120ML: Schnell und sicher verpressen ohne Einsatzwechsel
Im Schaltschrankbau kommen zeitgleich meist verschiedene Leiter, Kabelschuhe und Aderendhülsen zum Einsatz. Beim Verpressen müssen deshalb häufig die benötigten Presseinsätze gewechselt werden. Das kostet Zeit und Aufwand.
Mit der EK30IDML und der EKWF120ML bieten wir Ihnen dafür jetzt ideale Lösungen.
Ihr Kontakt zu Klauke vor Ort
Ansprechpartner in Deutschland, Österreich und der Schweiz

Persönlich und kompetent Ihr Kontakt zum Klauke Außendienst!
Deutschland Bereich Süd Schweiz VERTRIEBS-HOTLINE-ED: 02191 / 907-1070 Klauke-dach@Emerson.com
Deutschland Bereich Nord
Österreich


Ihr Kontakt zu Klauke in Europa
Vertriebsunternehmen / Verkaufsniederlassungen
Deutschland (Hauptsitz)
GUSTAV KLAUKE GMBH
Auf dem Knapp 46 42855 Remscheid Tel.: 02191 / 907-1070 Klauke-info@Emerson.com
DIRECTOR SALES DACH EUROPE PROFESSIONAL TOOLS Outside Sales Kevin Holohan
Schweiz
EMERSON PROFESSIONAL TOOLS
GELTERKINDERSTRASSE 24, POSTFACH 293, CH 4450 SISSACH TEL.: +41 796426938
Österreich
EMERSON PROFESSIONAL TOOLS
INDUSTRIE-ZENTRUM NOE SUED, STRASSE 2A, OBJ. M29 A-2351 WIENER NEUDORF Klauke-austria@Emerson.com
Adresse Service-Center
GUSTAV KLAUKE GMBH SERVICE-CENTER
Haßlinghauser Str. 150 58285 Gevelsberg
REPARATUR- UND LEIHGERÄTE SERVICE
Tel.: 02332 7095 40
ERSATZEIL SERVICE
Tel.: 02332 7095 71
Klauke-Service@emerson.com
• VIDEO-SUPPORT MIT LIVEDARSTELLUNG IHRER ANWENDUNG UND DEM PRODUKT
• DIREKTE BEANTWORTUNG IHRER FRAGEN NACH INDIVIDUELLER TERMINABSPRACHE
• SERVICE MOBIL FÜR VOR-ORT-SERVICE
• WELTWEITER REPARTATUR- UND INSTANDHALTUNGSSERVICE DURCH ÜBER 60
AUTORISIERTE SERVICECENTER (KLAUKE ASC)
• KOMPLETTER WARTUNGSSERVICE MIT JÄHRLICHER INSPEKTION UND WARTUNG ZU FESTPREISEN
VIHR DIREKTER LINK ZU UNSEREN WERKZEUGSERVICEANGEBOTEN: WWW.KLAUKE.COM/DE/SUPPORT/ WERKZEUG-SERVICE/

DIE BESTE VERBINDUNG.
Dank dem Klauke-System können Sie sicher sein, dass Ihre Verbindung jede Beanspruchung besteht.
Wir finden für jeden Leiter den richtigen Verbinder.
Elektrische Verbindungstechnik
Quetschkabelschuhe, Verbinder und Stiftkabelschuhe
Rohrkabelschuhe und Verbinder – Cu
DER KLASSIKER –ROHRKABELSCHUHE AUS KUPFER
Nicht jedes Produkt wird bei Klauke zum Klassiker. Nur die Besten. Seit 1968 gehören Rohrkabelschuhe aus hochwertigem Elektrolytkupfer zum Klauke Standardsortiment. Das Markenzeichen: Von der Entwicklung bis zur Fertigung liegt alles in unserer Hand. Wir kontrollieren jeden Schritt. Das Ergebnis: Der zertifizierte Klassiker hält – in jeder Ausführung.

In Kürze
` Alles aus einer Hand, von der Entwicklung bis zur Fertigung
` Beste elektrische Leitwerte durch Elektrolytkupfer
` Für alle Querschnitte und in vielen Sonderformen erhältlich
` Geprüft nach internationalen Normen
`
Das
System – Klauke Verbindungen
Bei Klauke sind alle Produkte aufeinander abgestimmt und wir fertigen in eigenen Werken. Wir denken in Ihren Arbeitsschritten – und produzieren alles mit System. Jeder Kabelschuh, jedes Werkzeug, für die perfekte Verbindung.
◾ Volle Flexibilität durch Lösungen für alle Leiterklassen nach EN 60228
◾ Ein Lieferant für alles: vom Kabelschuh bis zum Werkzeug für professionelle elektrische Installationen


Ausgangsmaterial
Falzen und Pressen
Stanzen
4 Verzinntes Endprodukt 5 Nach dem Verpressen
` Die Beweise – unabhängige Qualitätsprüfungen
Klauke folgt seinem eigenen hohen Standard. Das lassen wir von mehreren unabhängigen Stellen prüfen und haben uns unter anderem den harten Prüfungen der IEC gestellt –mit Erfolg.
◾ IEC (International Electric Commission): Die IEC ist ein Gremium für Normen im Bereich der Elektrotechnik und Elektronik. Die Zertifizierungen umfassen die gesamte Elektrotechnik mit besonders hohen Ansprüchen.
◾ UL (Underwriters Laboratories): UL ist eine unabhängige Organisation, die Produkte auf Sicherheit untersucht und zertifiziert. Die Zertifizierung ist besonders wichtig auf dem amerikanischen Markt.
` Die Verarbeitung – Qualität aus Tradition Bestes Material ist die Grundlage für Produkte mit Qualität. Für unseren Klassiker verwenden wir – wie für alle Klauke Produkte – ausschließlich hochwertiges Material von zertifizierten Lieferanten. Alle unsere Kabelschuhe bekommen Sie mit den optimalen Eigenschaften.
◾ Optimale Leitfähigkeit, hohe Belastbarkeit und mehr Sicherheit durch hochwertiges Material
◾ Ausgezeichnete Verarbeitungseigenschaften
◾ DNV (Det Norske Veritas) und GL (Germanischer Lloyd): Mittlerweile fusioniert sind DNV und GL die weltweit größte Beratungsgesellschaft für On- und Offshore-Anlagen.
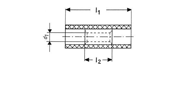
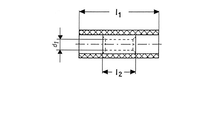
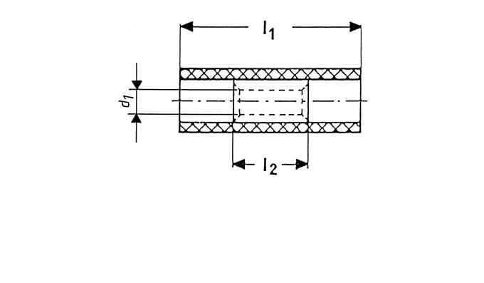
Rohrkabelschuhe und Verbinder - Cu
Rohrkabelschuhe, Cu, Normalausführung
91r3grp

` Kabelschuh für feindrähtige Rundleiter z.B. nach EN 60228 Kl. 5 ` Einfache Verarbeitung dank Sichtloch zur Überprüfung des eingeschobenen Leiters
Eigenschaften
▪ Einfache und sichere Montage durch plane Auflagefläche und präzise Endenbearbeitung
▪ Sichere Zuordnung durch Artikelkennzeichnung auf dem Kabelschuh Werkstoff
▪ Kupfer (EN13600)
Oberfläche
▪ Galvanisch verzinnt zum Schutz gegen Korrosion Verarbeitungshinweise
▪ Werkzeug: siehe Seite 1.27
▪ Weitere Informationen zu den Leitungs- und Kabelbezeichnungen finden Sie auf Seite i-6
▪ Verarbeitungshinweis, siehe Seite i-10 Nennquer-
91c3grp Rohrkabelschuhe, Cu, Gabelform

` Kabelschuhe bis 6 mm² für feindrähtige Kl. 5 Rundleiter, 10 mm² und 16 mm² für mehrdrähtige Rundleiter Kl. 2, z. B. nach EN 60228
` Einfache Montage durch Gabelform
` Einfache Verarbeitung dank Sichtloch zur Überprüfung des eingeschobenen Leiters
Eigenschaften
▪ Einfache und sichere Montage durch plane Auflagefläche und präzise Endenbearbeitung
▪ Sichere Zuordnung durch Artikelkennzeichnung auf dem Kabelschuh
Werkstoff
▪ Kupfer (EN13600)
Oberfläche
▪ Galvanisch verzinnt zum Schutz gegen Korrosion
Verarbeitungshinweise
▪ Werkzeug: siehe Seite 1.27
▪ Weitere Informationen zu den Leitungs- und Kabelbezeichnungen finden Sie auf Seite i-6
▪ Verarbeitungshinweis, siehe Seite i-10
Rohrkabelschuhe und Verbinder - Cu
Rohrkabelschuhe, Cu, Normalausführung mit und ohne Sichtloch
1r5grp

` Für mehrdrähtige Rundleiter z. B. nach EN 60228 Kl. 2
` Für rundgedrückte mehrdrähtige Sektorleiter
` Freigabe zur Verwendung mit Hochtemperaturleitungen 180° C (basierend auf einer in Anlehnung an die IEC 61238-1-1 durchgeführten Prüfung)
` Idealer Kabelschuh für den Schaltschrankbau
` In Kombination mit der EKM 60 ID und EK 30 ID geeignet für feindrähtige Leiter
Eigenschaften
▪ Nach DIN EN 61373 Klasse 1B vibrationsgeprüft
▪ Einfache und sichere Montage durch plane Auflagefläche und präzise Endenbearbeitung
▪ Sichere Zuordnung durch Artikelkennzeichnung auf dem Kabelschuh
Werkstoff
▪ Kupfer (EN13600)
Oberfläche
▪ Galvanisch verzinnt zum Schutz gegen Korrosion
Verarbeitungshinweise
▪ Werkzeug: siehe Seite 1.27
▪ Weitere Informationen zu den Leitungs- und Kabelbezeichnungen finden Sie auf Seite i-6
▪ Hülsen für verdichtete Leiter sowie Hülsen für 3-Leiter und 4-Leiter Kabel siehe Kapitel „Hülsen für verdichtete Leiter und Sektorleiter - Cu“
Zusatzinformationen
▪ Als Sonderartikel mit Sichtloch lieferbar, Artikel-Nummer-Zusatz „MS“
▪ Verarbeitungshinweis, siehe Seite i-10
Nennquerschnitt mm²
Anschl.bolzen ø ohne SichtlochArt.-Nr.
Rohrkabelschuhe, Cu, Normalausführung mit und ohne Sichtloch
Nennquerschnitt mm²
Elektrische Verbindungstechnik
Rohrkabelschuhe und Verbinder - Cu
Rohrkabelschuhe für Schaltgeräteanschlüsse
5sg6grp
Rohrkabelschuhe für Schaltgeräteanschlüsse, Normalausführung

` Für mehrdrähtige Rundleiter z. B. nach EN 60228 Kl. 2
` Für rundgedrückte mehrdrähtige Sektorleiter
` Zum Verschrauben in Schaltanlagen mit reduziertem Anschlussbereich
` Schmale Ausführung durch spezielles Fertigungsverfahren ohne Materialverlust
` In Kombination mit der EKM 60 ID und EK 30 ID geeignet für feindrähtige Leiter
Eigenschaften
▪ Einfache und sichere Montage durch plane Auflagefläche und präzise
Endenbearbeitung
Werkstoff
▪ Kupfer (EN13600)
Oberfläche
▪ Galvanisch verzinnt zum Schutz gegen Korrosion
Verarbeitungshinweise
▪ Werkzeug: siehe Seite 1.27
▪ Weitere Informationen zu den Leitungs- und Kabelbezeichnungen finden Sie auf Seite i-6
▪ Hülsen für verdichtete Leiter sowie Hülsen für 3-Leiter und 4-Leiter Kabel siehe
Kapitel „Hülsen für verdichtete Leiter und Sektorleiter - Cu“
▪ Verarbeitungshinweis, siehe Seite i-10
Winkelrohrkabelschuhe
41r5grp
Winkelrohrkabelschuhe, Cu, 90° abgewinkelt, Normalausführung

schnitt mm²
Fortsetzung nächste Seite
` Für mehrdrähtige Rundleiter z. B. nach EN 60228 Kl. 2
` Für rundgedrückte mehrdrähtige Sektorleiter
` Plane Auflagefläche durch spezielle Winkelprägetechnik
` In Kombination mit der EKM 60 ID und EK 30 ID geeignet für feindrähtige Leiter
Eigenschaften
▪ Einfache und sichere Montage durch plane Auflagefläche und präzise Endenbearbeitung
▪ Sichere Zuordnung durch Artikelkennzeichnung auf dem Kabelschuh
Werkstoff
▪ Kupfer (EN13600)
Oberfläche
▪ Galvanisch verzinnt zum Schutz gegen Korrosion
Verarbeitungshinweise
▪ Werkzeug: siehe Seite 1.27
▪ Weitere Informationen zu den Leitungs- und Kabelbezeichnungen finden Sie auf Seite i-6
▪ Hülsen für verdichtete Leiter sowie Hülsen für 3-Leiter und 4-Leiter Kabel siehe Kapitel „Hülsen für verdichtete Leiter und Sektorleiter - Cu“
▪ Verarbeitungshinweis, siehe Seite i-10
Rohrkabelschuhe und Verbinder - Cu
Winkelrohrkabelschuhe, Cu, 90° abgewinkelt, Normalausführung
Nennquerschnitt mm²
41r545grp Winkelrohrkabelschuhe, Cu, 45° abgewinkelt, Normalausführung

Fortsetzung nächste Seite
` Für mehrdrähtige Rundleiter z. B. nach EN 60228 Kl. 2 ` Für rundgedrückte mehrdrähtige Sektorleiter
` In Kombination mit der EKM 60 ID und EK 30 ID geeignet für feindrähtige Leiter ` Plane Auflagefläche durch spezielle Winkelprägetechnik
Eigenschaften
▪ Einfache und sichere Montage durch plane Auflagefläche und präzise Endenbearbeitung
▪ Sichere Zuordnung durch Artikelkennzeichnung auf dem Kabelschuh Werkstoff
▪ Kupfer (EN13600)
Oberfläche
▪ Galvanisch verzinnt zum Schutz gegen Korrosion Verarbeitungshinweise
▪ Werkzeug: siehe Seite 1.27
▪ Weitere Informationen zu den Leitungs- und Kabelbezeichnungen finden Sie auf Seite i-6
▪ Hülsen für verdichtete Leiter sowie Hülsen für 3-Leiter und 4-Leiter Kabel siehe Kapitel „Hülsen für verdichtete Leiter und Sektorleiter - Cu“
▪ Verarbeitungshinweis, siehe Seite i-10
Rohrkabelschuhe und Verbinder - Cu
Winkelrohrkabelschuhe, Cu, 45° abgewinkelt, Normalausführung Nennquerschnitt mm²
17rgrp
Stoßverbinder, Cu, Normalausführung
Verbinder

` Für feindrähtige Rundleiter z. B. nach EN 60228 Kl. 5 von 0,75-4 mm²
` Für mehrdrähtige Rundleiter z. B. nach EN 60228 Kl. 2 von 6–400 mm²
` Für rundgedrückte mehrdrähtige Sektorleiter
` Einfache Kabeleinführung zur präzisen Endenbearbeitung
` In Kombination mit der EKM 60 ID und EK 30 ID geeignet für feindrähtige Leiter
` Mit Reduzierhülsen auch geeignet zum Verbinden unterschiedlicher Querschnitte
` Freigabe der verzinnten Kabelschuhe zur Verwendung mit Hochtemperaturleitungen 180 °C (in Anlehnung an IEC 61238-1-1): Die Kabelschuhe können mit verzinnten Leitern der Klasse 5 (feindrähtig ) eingesetzt werden.
Eigenschaften
▪ Einfache und sichere Verarbeitung durch Mitteneindruck
▪ Sichere Zuordnung durch Artikelkennzeichnung auf dem Stoßverbinder
Werkstoff
▪ Kupfer (EN13600)
Oberfläche
▪ Galvanisch verzinnt zum Schutz gegen Korrosion Verarbeitungshinweise
▪ Werkzeug: siehe Seite 1.27
▪ Weitere Informationen zu den Leitungs- und Kabelbezeichnungen finden Sie auf Seite i-6
▪ Hülsen für verdichtete Leiter sowie Hülsen für 3-Leiter und 4-Leiter Kabel siehe Kapitel „Hülsen für verdichtete Leiter und Sektorleiter - Cu“
▪ Reduzierhülsen zur Verbindung ungleicher Querschnitte finden Sie auf Seite 1.53
▪ Verarbeitungshinweis, siehe Seite i-10 Nennquerschnitt mm²
Rohrkabelschuhe und Verbinder - Cu
Parallelverbinder, Cu, Normalausführung
148rgrp

` Für mehrdrähtige Rundleiter z. B. nach EN 60228 Kl. 2
` Ideal zum Verbinden unterschiedlicher Kabelquerschnitte
` Einfache Kabeleinführung durch präzise Endenbearbeitung
Eigenschaften
▪ Einfache Kabeleinführung durch präzise Endenbearbeitung
Werkstoff
▪ Kupfer (EN13600)
Oberfläche
▪ Galvanisch verzinnt zum Schutz gegen Korrosion
Verarbeitungshinweise
▪ Werkzeug: siehe Seite 1.27
▪ Weitere Informationen zu den Leitungs- und Kabelbezeichnungen finden Sie auf Seite i-6
▪ Verarbeitungshinweis, siehe Seite i-10

` Für mehrdrähtige Rundleiter z. B. nach EN 60228 Kl. 2
` In Kombination mit der EKM 60 ID und EK 30 ID geeignet für feindrähtige Leiter
` Für rundgedrückte mehrdrähtige Sektorleiter
` Spezielle Ausführung für Kabelabzweigungen
` Mit Reduzierhülsen auch geeignet zum Verbinden unterschiedlicher Querschnitte
Eigenschaften
▪ Einfache Kabeleinführung durch präzise Endenbearbeitung
Werkstoff
▪ Kupfer (EN13600)
Oberfläche
▪ Galvanisch verzinnt zum Schutz gegen Korrosion
Verarbeitungshinweise
▪ Werkzeug: siehe Seite 1.27
▪ Weitere Informationen zu den Leitungs- und Kabelbezeichnungen finden Sie auf Seite i-6
▪ Hülsen für verdichtete Leiter sowie Hülsen für 3-Leiter und 4-Leiter Kabel siehe Kapitel „Hülsen für verdichtete Leiter und Sektorleiter - Cu“
▪ Reduzierhülsen zur Verbindung ungleicher Leiterquerschnitte finden Sie auf Seite Seite 1.53
▪ Verarbeitungshinweis, siehe Seite i-10
Verbindungstechnik
Isolierte Rohrkabelschuhe und Verbinder Isolierte Rohrkabelschuhe, Cu, Normalausführung
602r5grp

Nennquerschnitt mm²
Anschl.bolzen ø Art.-Nr. Farbe
` Für mehrdrähtige Rundleiter z. B. nach EN 60228 Kl. 2
` Für rundgedrückte mehrdrähtige Sektorleiter
` Keine weitere Isolierung der verpressten Verbindung notwendig
` Wird direkt mit der Isolation verpresst
Eigenschaften
▪ Einfache und sichere Montage durch plane Auflagefläche und präzise Endenbearbeitung
▪ Temperaturbeständigkeit: bis 105 °C
Werkstoff
▪ Kabelschuh: Cu gemäß EN 13600
▪ Isolierhülse: PA, halogenfrei
Oberfläche
▪ Galvanisch verzinnt zum Schutz gegen Korrosion
Verarbeitungshinweise
▪ Werkzeug: siehe Seite 1.29
▪ Weitere Informationen zu den Leitungs- und Kabelbezeichnungen finden Sie auf Seite i-6
▪ Maße der Rohrkabelschuhe finden Sie ab Seite 1.8
▪ Hülsen für verdichtete Leiter sowie Hülsen für 3-Leiter und 4-Leiter Kabel siehe Kapitel „Hülsen für verdichtete Leiter und Sektorleiter - Cu“
mm

` Für mehrdrähtige Rundleiter z. B. nach EN 60228 Kl. 2
` Für rundgedrückte mehrdrähtige Sektorleiter
` Keine weitere Isolierung der verpressten Verbindung notwendig
` Wird direkt mit der Isolation verpresst
Eigenschaften
▪ Mit Mitteneindruck für exakten Kabeleinschub
▪ Einfache Kabeleinführung durch präzise Endenbearbeitung
▪ Temperaturbeständigkeit: bis 105 °C
Werkstoff
▪ Verbinder: Kupfer (EN 13600)
▪ Isolierhülse: PA, halogenfrei
Oberfläche
▪ Galvanisch verzinnt zum Schutz gegen Korrosion
Verarbeitungshinweise
▪ Werkzeug: siehe Seite 1.29
▪ Weitere Informationen zu den Leitungs- und Kabelbezeichnungen finden Sie auf Seite i-6
▪ Maße der Stoßverbinder finden Sie auf Seite 1.15
▪ Hülsen für verdichtete Leiter sowie Hülsen für 3-Leiter und 4-Leiter Kabel siehe Kapitel „Hülsen für verdichtete Leiter und Sektorleiter - Cu“ Nennquerschnitt
Rohrkabelschuhe und Verbinder für Massivleiter Elektrische
Rohrkabelschuhe und Verbinder - Cu
Rohrkabelschuhe,
sr65grp
Cu, Ausführung für Massivleiter

` Für eindrähtige Rundleiter z.B. nach EN 60228 Kl. 1 ` Sicherer und beständiger Anschluss von Massivleitern
Eigenschaften
▪ Einfache und sichere Montage durch plane Auflagefläche und präzise Endenbearbeitung
Werkstoff
▪ Kupfer (EN13600)
Oberfläche
▪ Galvanisch verzinnt zum Schutz gegen Korrosion Verarbeitungshinweise
▪ Werkzeug: siehe Seite 1.31
▪ Weitere Informationen zu den Leitungs- und Kabelbezeichnungen finden Sie auf Seite i-6
sv1525grp
Stoßverbinder, Cu,
Ausführung für Massivleiter

Nennquerschnitt mm²
stv1525grp
` Für eindrähtige Rundleiter z.B. nach EN 60228 Kl. 1
` Sicheres und beständiges Verbinden von Massivleitern
` Ideal zum Reparieren von beschädigten NYM Leitungen
Eigenschaften
▪ Einfache Kabeleinführung durch präzise Endenbearbeitung
Werkstoff
▪ Kupfer (EN13600)
Oberfläche
▪ Galvanisch verzinnt zum Schutz gegen Korrosion
Verarbeitungshinweise
▪ Werkzeug: siehe Seite 1.31
▪ Weitere Informationen zu den Leitungs- und Kabelbezeichnungen finden Sie auf Seite i-6
T-Verbinder, Cu, Ausführung für Massivleiter

Nennquerschnitt
` Für eindrähtige Rundleiter z.B. nach EN 60228 Kl. 1
` Sicheres und beständiges Verbinden von Massivleitern
` Spezielle Ausführung für Kabelabzweigungen
Eigenschaften
▪ Einfache Kabeleinführung durch präzise Endenbearbeitung Werkstoff
▪ Kupfer (EN13600) Oberfläche
▪ Galvanisch verzinnt zum Schutz gegen Korrosion Verarbeitungshinweise
▪ Werkzeug: siehe Seite 1.31
▪ Weitere Informationen zu den Leitungs- und Kabelbezeichnungen finden Sie auf Seite i-6
702f5grp Rohrkabelschuhe und Verbinder für feindrähtige Leiter Rohrkabelschuhe, Cu, F-Reihe

Nennquerschnitt
bolzen
Fortsetzung nächste Seite
` Für fein- und feinstdrähtige Rundleiter z. B. nach EN 60228 Kl. 5 und 6 ` Angepasste Rohrabmessung für fein- und feinstdrähtige Leiter
` Leichtes Einführen von aufgespleißten Leitern durch die spezielle Aufweitung
Eigenschaften
▪ Nach DIN EN 61373 Klasse 1B vibrationsgeprüft
▪ Einfache und sichere Montage durch plane Auflagefläche und präzise
Endenbearbeitung
▪ Sichere Zuordnung durch Artikelkennzeichnung auf dem Kabelschuh
Werkstoff
▪ Kupfer (EN13600)
Oberfläche
▪ Galvanisch verzinnt zum Schutz gegen Korrosion
Verarbeitungshinweise
▪ Werkzeug: siehe Seite 1.30
▪ Weitere Informationen zu den Leitungs- und Kabelbezeichnungen finden Sie auf Seite i-6
Zusatzinformationen
▪ 10 - 240 mm² UL geprüft
Rohrkabelschuhe, Cu, F-Reihe
742f5grp Winkelrohrkabelschuhe, Cu , 90° und 45° abgewinkelt, F-Reihe

Nennquerschnitt mm² Anschl.bolzen
Fortsetzung nächste Seite
` Für fein- und feinstdrähtige Rundleiter, z.B. nach EN 60228 Kl. 5 und 6
` Angepasste Rohrabmessung für fein- und feinstdrähtige Leiter
` Leichtes Einführen von aufgespleißten Leitern durch die spezielle Aufweitung
` Plane Auflagefläche durch spezielle Winkelprägetechnik
Eigenschaften
▪ Einfache und sichere Montage durch plane Auflagefläche und präzise Endenbearbeitung
▪ Sichere Zuordnung durch Artikelkennzeichnung auf dem Kabelschuh
Werkstoff
▪ Kupfer (EN13600)
Oberfläche
▪ Galvanisch verzinnt zum Schutz gegen Korrosion
Verarbeitungshinweise
▪ Werkzeug: siehe Seite 1.30
▪ Weitere Informationen zu den Leitungs- und Kabelbezeichnungen finden Sie auf Seite i-6
Zusatzinformationen
▪ 90° gewinkelte Ausführung: 10 - 240 mm² UL geprüft
Winkelrohrkabelschuhe, Cu , 90° und 45° abgewinkelt, F-Reihe
722fgrp Stoßverbinder, Cu, F-Reihe

Nennquerschnitt
` Für fein- und feinstdrähtige Rundleiter, z.B. nach EN 60228 Kl. 5 und 6
` Angepasste Rohrabmessung für fein- und feinstdrähtige Leiter
` Leichtes Einführen von aufgespleißten Leitern durch die spezielle Aufweitung
Eigenschaften
▪ Einfache und sichere Verarbeitung durch Mitteneindruck
▪ Einfache Kabeleinführung durch präzise Endenbearbeitung
▪ Sichere Zuordnung durch Artikelkennzeichnung auf dem Stoßverbinder
Werkstoff
▪ Kupfer (EN13600)
Oberfläche
▪ Galvanisch verzinnt zum Schutz gegen Korrosion
Verarbeitungshinweise
▪ Werkzeug: siehe Seite 1.30
▪ Weitere Informationen zu den Leitungs- und Kabelbezeichnungen finden Sie auf Seite i-6
Anwendungstabelle mit Werkzeugempfehlung
^WZT_RKS_normal^
Anwendungstabelle mit Werkzeugempfehlung
Rohrkabelschuhe, Stoßverbinder, Parallelverbinder und T-Verbinder „Normalausführung“ sowie Rohrkabelschuhe für Schaltgeräteanschlüsse aus Cu Teil 1 von 2
Werkzeugtyp
elektrische, pneumatische Presswerkzeuge mit wechselbaren Presseinsätzen / Köpfen
Fortsetzung nächste Seite
Elektrische Verbindungstechnik
Rohrkabelschuhe und Verbinder - Cu
Anwendungstabelle mit Werkzeugempfehlung
Rohrkabelschuhe, Stoßverbinder, Parallelverbinder und T-Verbinder „Normalausführung“ sowie Rohrkabelschuhe für Schaltgeräteanschlüsse aus Cu Teil 2 von 2
Werkzeugtyp
Presswerkzeuge
Presssysteme
Pressbereich entspr. Nenn-Querschnitt in mm² Presswerkzeug
^WZT_RKS_isoliert^ Anwendungstabelle mit Werkzeugempfehlung
Isolierte Rohrkabelschuhe und Stoßverbinder „Normalausführung“
Werkzeugtyp Pressbereich entspr.
mechanische, elektrische, pneumatische Presswerkzeuge mit wechselbarem Presseinsatz / Kopf
Presswerkzeuge
Presswerkzeuge
Presssysteme
Pressköpfe
Elektrische Verbindungstechnik
Rohrkabelschuhe und Verbinder - Cu
^WZT_RKS_feindrähtig^ mechanische Presswerkzeuge
Werkzeugtyp
mechanische, elektrische, pneumatische Presswerkzeuge mit wechselbaren Einsätzen / Köpfen
Presswerkzeuge
Presswerkzeuge
Anwendungstabelle mit Werkzeugempfehlung
Rohrkabelschuhe und Stoßverbinder für feindrähtige Leiter
Presswerkzeug
Pressbereich entspr. Nenn-Querschnitt in
^WZT_RKS_massiv^
Anwendungstabelle mit Werkzeugempfehlung
Rohrkabelschuhe und Stoßverbinder für Massivleiter
Werkzeugtyp
mechanische Presswerkzeuge
Pressbereich entspr. Nenn-Querschnitt in mm²
‑ 16 K02
‑ 4 K93
6 ‑ 10 K94
25 ‑ 50* K05
Presswerkzeug
/ Adapter
mechanische, elektrische, pneumatische Presswerkzeuge mit wechselbaren Einsätzen / Köpfen 1,5 ‑ 10
16
16
Presswerkzeuge 1,5 ‑ 16
‑ 16
‑ 16
*Für die Querschnitte 25 + 35 mm² ist das Profil 25 mm² zu wählen. Für den Querschnitt 50 mm² ist das Profil 35 mm² zu wählen. Wir empfehlen 2 Pressungen pro Seite.
Rohrkabelschuhe und Verbinder, Nickel oder Edelstahl
DER WIDERSTANDSFÄHIGE –
ROHRKABELSCHUHE UND VERBINDER, NICKEL
ODER EDELSTAHL
Wir entwickeln auch für den Einsatz in Härtefällen. Unsere Rohrkabelschuhe und Verbinder aus Nickel und Edelstahl halten was aus: Temperaturen bis 650 °C, Anforderungen aus der chemischen Industrie, dem Lebensmittelbereich oder der Lebensmittelindustrie sind unsere Klauke-Produkte mit Sicherheit gewachsen. Verlassen Sie sich auch bei Sonderanwendungen auf unsere hochwertigen Produkte. Wir wissen, was wir tun.

In Kürze
` Hart im Nehmen bis 650 °C
` Geeignet zum Beispiel für die Bereiche Chemie und Lebensmittelindustrie
` Auch für aggressive Umgebungen geeignet, wie Kontakt mit Meerwasser
` Wenn es heiß hergeht: Kabelschuh
aus Nickel
Der Kabelschuh aus Nickel ist besonders geeignet für Einsätze in Bereichen mit hohen Temperaturen bis 650 °C.
Durch die hohe Beständigkeit entfällt zum Beispeil das häufige Austauschen an temperaturbelasteten Verbindungen.
◾ Hochwertiges Nickel
◾ Hitzebeständig bis 650 °C
◾ Kein ständiges Austauschen der Kabelschuhe an heißen Stellen


` Sicher in aggressiver Umgebung mit Edelstahl
Hochwertiger Edelstahl sorgt für extra Widerstandsfähigkeit, vor allem in aggressiven Umgebungen. Der Widerstandsfähige hält.
◾ Hochwertiger V2A- und V4A-Edelstahl
◾ Säurebeständig
◾ Einsetzbar bei Temperaturen bis 400 °C
◾ V2A-Edelstahl zum Beispiel für die Bereiche Chemie, Lebensmittelindustrie oder Meerwasser
◾ V4A-Edelstahl in chlorhaltigen Umgebungen wie zum Beispiel Schwimmbädern

Verbindungstechnik
79v4grp Rohrkabelschuhe und Verbinder - Edelstahl Rohrkabelschuhe, Edelstahl

Nennquerschnitt mm²
- 2,5
` Für mehr- und feindrähtige Rundleiter z. B. nach EN 60228 Kl. 2 und 5
` Für rundgedrückte mehrdrähtige Sektorleiter
` Ideal für aggressive Umgebungsbedingungen, säure- und rostbeständig ` Temperaturbeständig bis 400 °C
Eigenschaften
▪ Einfache und sichere Montage durch plane Auflagefläche und präzise Endenbearbeitung
Werkstoff
▪ V2A (X5CrNi18-10)
Verarbeitungshinweise
▪ Werkzeug: siehe Seite 1.39
▪ Weitere Informationen zu den Leitungs- und Kabelbezeichnungen finden Sie auf Seite i-6
Zusatzinformationen
▪ Auf Anfrage als Sonderartikel in Werkstoff V4A (X5CrNiMo17-12-2) möglich
79rgrp Stoßverbinder, Edelstahl

Nennquerschnitt
` Für mehr- und feindrähtige Rundleiter z. B. nach EN 60228 Kl. 2 und 5
` Für rundgedrückte mehrdrähtige Sektorleiter
` Ideal für aggressive Umgebungsbedingungen, säure- und rostbeständig
` Temperaturbeständig bis 400 °C
Eigenschaften
▪ Einfache und sichere Verarbeitung durch Mitteneindruck
▪ Einfache Kabeleinführung durch präzise Endenbearbeitung
Werkstoff
▪ V2A (X5CrNi18-10)
Verarbeitungshinweise
▪ Werkzeug: siehe Seite 1.39
▪ Weitere Informationen zu den Leitungs- und Kabelbezeichnungen finden Sie auf Seite i-6
Zusatzinformationen
▪ Auf Anfrage als Sonderartikel in Werkstoff V4A (X5CrNiMo17-12-2) möglich
Verbindungstechnik
Rohrkabelschuhe und Verbinder - Nickel
56n4grp
Rohrkabelschuhe, Ni

Nennquerschnitt
- 2,5
4 - 6
` Für mehr- und feindrähtige Rundleiter z. B. nach EN 60228 Kl. 2 und 5 ` Für rundgedrückte mehrdrähtige Sektorleiter ` Für hohe Temperaturen bis 650 °C geeignet
Eigenschaften
▪ Einfache und sichere Montage durch plane Auflagefläche und präzise Endenbearbeitung
Werkstoff
▪ Nickellegierung
Verarbeitungshinweise
▪ Werkzeug: siehe Seite 1.39
▪ Weitere Informationen zu den Leitungs- und Kabelbezeichnungen finden Sie auf Seite i-6
56c4grp Rohrkabelschuhe, Ni, Gabelform

` Für mehr- und feindrähtige Rundleiter z. B. nach EN 60228 Kl. 2 und 5
` Für rundgedrückte mehrdrähtige Sektorleiter
` Für hohe Temperaturen bis 650 °C geeignet
` Einfache Montage durch Gabelform
Eigenschaften
▪ Einfache und sichere Montage durch plane Auflagefläche und präzise Endenbearbeitung
Werkstoff
▪ Nickellegierung
Verarbeitungshinweise
▪ Werkzeug: siehe Seite 1.39
▪ Weitere Informationen zu den Leitungs- und Kabelbezeichnungen finden Sie auf Seite i-6
Elektrische Verbindungstechnik
Rohrkabelschuhe und Verbinder - Ni, Edelstahl
62rgrp Stoßverbinder, Ni

Nennquerschnitt
` Für mehr- und feindrähtige Rundleiter z. B. nach EN 60228 Kl. 2 und 5
` Für rundgedrückte mehrdrähtige Sektorleiter
` Für hohe Temperaturen bis 650 °C geeignet
Eigenschaften
▪ Einfache und sichere Verarbeitung durch Mitteneindruck
▪ Einfache Kabeleinführung durch präzise Endenbearbeitung
Werkstoff
▪ Nickellegierung
Verarbeitungshinweise
▪ Werkzeug: siehe Seite 1.39
▪ Weitere Informationen zu den Leitungs- und Kabelbezeichnungen finden Sie auf Seite i-6
Anwendungstabelle mit Werkzeugempfehlung
^WZT_RKS_VA^
^WZT_RKS_Ni^
Werkzeugtyp
mechanische Presswerkzeuge
mechanische, elektrische, pneumatische Presswerkzeuge mit wechselbarem Einsatz/Kopf
Presswerkzeuge
akkuhydraulische Presswerkzeuge
Pressbereich entspr. Nenn-Querschnitt in mm²
- 16 K25
Anwendungstabelle mit Werkzeugempfehlung
Rohrkabelschuhe und Stoßverbinder aus Edelstahl oder Nickel
Presswerkzeug
und Verbinder nach DIN - Cu
DER KONFORME –
PRESSKABELSCHUHE UND VERBINDER NACH DIN AUS KUPFER
Klauke Produkte entsprechen nicht nur den eigenen Standards. Es gibt sie auch nach DIN-Norm mit streng standardisierten Abmessungen. Unsere Presskabelschuhe und Verbinder reichen bis 1.000 mm2 Nennquerschnitt, mit genormten Kennzeichnungen und Markierungen. Die Qualität haben wir durch die IEC-Prüfung zertifizieren lassen, übrigens auch unsere Sonderformen.

In Kürze
` Genormte Größen auch in Sonderformen
` Eindeutige Markierungen zur normgerechten Verarbeitung
` Für alle Leiterklassen nach EN 60228
` Zur Sicherheit geprüft und zertifiziert
Unsere DIN-Kabelschuhe und Verbinder werden streng nach Norm hergestellt. Zusätzlich wurde die in der Norm vorgeschlagene Prüfung erfolgreich bestanden.
◾ Einfache Verarbeitung durch DIN System
◾ Sicherheit durch Prüfungen nach IEC 61238-1
◾ Für alle Leiterklassen nach EN 60228 und Kupferseile nach DIN 46267-1


` Eindeutige Markierungen
Wenn es einfach und sicher gehen muss: Jeder Kabelschuh nach DIN-Norm ist mit der passenden Anleitung zum Ver pressen versehen. Gut sichtbare Markierungen geben an, an welcher Stelle gepresst werden muss, um normgerecht zu arbeiten. Kennzahlen auf den Presseinsätzen und Kabelschuhen machen die richtige Pressung auf einen Blick erkennbar.
` Mit Norm in jeder Form
Wir bieten Kabelschuhe mit Rohrabmessungen nach DIN in vielen verschiedenen Formen und Variationen an. Falls Ihnen doch einmal der passende Verbinder fehlt, fertigen wir Ihnen natürlich den für Ihn passenden individuell an.
◾ Flexibel durch viele verschiedene Ausführungen
◾ Verschiedene Oberflächen verfügbar
◾ Viele an die DIN Norm angelehnte Sonderformen verfügbar
◾ Individuell auch nach Ihren Anforderungen gefertigt
Querschnitt
Kennziffer
Schmalpressung

Herstellerhinweis
Breitpressung
Ø Bohrung
Elektrische Verbindungstechnik
Presskabelschuhe DIN 46235
101r5grp
Presskabelschuhe nach DIN, Cu

Fortsetzung nächste Seite
` Für Rundleiter z.B. nach EN 60228 Kl. 1, 2, 5 und 6
` Für zugentlastete Kupferseile, z.B. nach DIN 48201-1
` Für rundgedrückte mehrdrähtige Sektorleiter
` Eindeutige Werkzeugzuordnung durch Kennziffer
` Nach DIN 46235
Eigenschaften
▪ Leichte Verarbeitung durch Pressmarkierungen
▪ Einfache und sichere Montage durch plane Auflagefläche und präzise Endenbearbeitung
Werkstoff
▪ Kupfer (EN13600)
Oberfläche
▪ Galvanisch verzinnt zum Schutz gegen Korrosion
Verarbeitungshinweise
▪ Werkzeug: siehe Seite 1.54
▪ Weitere Informationen zu den Leitungs- und Kabelbezeichnungen finden Sie auf Seite i-6
▪ Hülsen für 3-Leiter und 4-Leiter Kabel siehe Kapitel „Hülsen für verdichtete Leiter und Sektorleiter - Cu“
▪ Verarbeitungshinweis, siehe Seite i-10
Zusatzinformationen
▪ Auf Anfrage als Sonderartikel in blanker Ausführung möglich
▪ 10 - 800 mm² IEC geprüft
▪ * = Bohrung nicht genormt
▪ Nicht zulässige Werkzeug-Kabelschuh-Kombinationen:
- D504 für 6 mm² & 10 mm² DIN in Verbindung mit Kupfer Leiterklasse 1 - K05D Syncro für 6 mm² DIN in Verbindung mit Kupfer Leiterklasse 1
Presskabelschuhe nach DIN, Cu
Elektrische Verbindungstechnik
Winkelpresskabelschuhe
161r5grp
Winkelpresskabelschuhe, Cu, 90° abgewinkelt

Nennquerschnitt mm²
Fortsetzung nächste Seite
` Für Rundleiter z.B. nach EN 60228 Kl. 1, 2, 5 und 6
` Für zugentlastete Kupferseile, z. B. nach DIN 48201-1
` Für rundgedrückte mehrdrähtige Sektorleiter
` Rohrabmessungen nach DIN 46235
` Eindeutige Werkzeugzuordnung durch Kennziffer
Eigenschaften
▪ Leichte Verarbeitung durch Pressmarkierungen
▪ Einfache und sichere Montage durch plane Auflagefläche und präzise Endenbearbeitung
Werkstoff
▪ Kupfer (EN13600)
Oberfläche
▪ Galvanisch verzinnt zum Schutz gegen Korrosion
Verarbeitungshinweise
▪ Werkzeug: siehe Seite 1.54
▪ Weitere Informationen zu den Leitungs- und Kabelbezeichnungen finden Sie auf Seite i-6
▪ Hülsen für 3-Leiter und 4-Leiter Kabel siehe Kapitel „Hülsen für verdichtete Leiter und Sektorleiter - Cu“
▪ Verarbeitungshinweis, siehe Seite i-10
Zusatzinformationen
▪ Auf Anfrage als Sonderartikel in blanker Ausführung möglich
▪ 10 - 240 mm² IEC geprüft
161r545grp Winkelpresskabelschuhe, Cu, 45° abgewinkelt

` Für Rundleiter z. B. nach EN 60228 Kl. 1, 2, 5 und 6 ` Für zugentlastete Kupferseile, z.B. nach DIN 48201-1 ` Für rundgedrückte mehrdrähtige Sektorleiter ` Rohrabmessungen nach DIN 46235 ` Eindeutige Werkzeugzuordnung durch Kennziffer
Eigenschaften
▪ Leichte Verarbeitung durch Pressmarkierungen
▪ Einfache und sichere Montage durch plane Auflagefläche und präzise Endenbearbeitung
Werkstoff
▪ Kupfer (EN13600)
Oberfläche
▪ Galvanisch verzinnt zum Schutz gegen Korrosion
Verarbeitungshinweise
▪ Werkzeug: siehe Seite 1.54
▪ Weitere Informationen zu den Leitungs- und Kabelbezeichnungen finden Sie auf Seite i-6
▪ Hülsen für 3-Leiter und 4-Leiter Kabel siehe Kapitel „Hülsen für verdichtete Leiter und Sektorleiter - Cu“
▪ Verarbeitungshinweis, siehe Seite i-10
Zusatzinformationen
▪ Auf Anfrage als Sonderartikel in blanker Ausführung möglich
▪ 10 - 240 mm² IEC geprüft
Nennquerschnitt
Anschl.bolzen
Fortsetzung nächste Seite
schnitt
Presskabelschuhe Sonderausführungen
147d212grp
Presskabelschuhe DIN Sonderausführung, Cu mit 2 Langlöchern

` Für Rundleiter z.B. EN 60228 Kl. 1, 2, 5 und 6
` Für zugentlastete Kupferseile, z. B. nach DIN 48201
` Für rundgedrückte mehrdrähtige Sektorleiter
` Rohrabmessungen nach DIN 46235
` Mit Kennziffer zur eindeutigen Werkzeugzuordnung
Eigenschaften
▪ Leichte Verarbeitung durch Pressmarkierungen
▪ Einfache und sichere Montage durch plane Auflagefläche und präzise Endenbearbeitung
Werkstoff
▪ Kupfer (EN13600)
Oberfläche
▪ Galvanisch verzinnt zum Schutz gegen Korrosion
Verarbeitungshinweise
▪ Werkzeug: siehe Seite 1.54
Zusatzinformationen
▪ Auf Anfrage als Sonderartikel in blanker Ausführung möglich
Elektrische Verbindungstechnik
136dp12grp
Presskabelschuhe Sonderausführung, Cu mit 1 Loch, Doppelpressung

` Spezielle Ausführung zur Aufnahme von 2 mehrdrähtigen Leitern, z. B. nach EN 60228 Kl. 2
` Leichte Verarbeitung durch Pressmarkierungen
Eigenschaften
▪ Einfache und sichere Montage durch plane Auflagefläche und präzise Endenbearbeitung
Werkstoff
▪ Kupfer (EN13600)
Oberfläche
▪ Galvanisch verzinnt zum Schutz gegen Korrosion
Verarbeitungshinweise
▪ Werkzeug: siehe Seite 1.55
Nennquerschnitt mm²
Anschl.bolzen
136dp212grp
Presskabelschuhe Sonderausführung, Cu mit 2 Langlöchern, Doppelpressung

` Spezielle Ausführung zur Aufnahme von 2 mehrdrähtigen Leitern, z. B. nach EN 60228 Kl. 2
` Leichte Verarbeitung durch Pressmarkierungen
Eigenschaften
▪ Einfache und sichere Montage durch plane Auflagefläche und präzise Endenbearbeitung
Werkstoff
▪ Kupfer (EN13600)
Oberfläche
▪ Galvanisch verzinnt zum Schutz gegen Korrosion
Verarbeitungshinweise
▪ Werkzeug: siehe Seite 1.55
Pressverbinder DIN 46267, Teil 1 und ähnliche Ausführungen
121rgrp
Pressverbinder nach DIN, Cu

` Für Rundleiter z.B. nach EN 60228 Kl. 1,2,5 und 6
` Für zugentlastete Kupferseile, z. B. nach DIN 48201
` Für rundgedrückte mehrdrähtige Sektorleiter
` Nach DIN 46267, Teil 1
` Eindeutige Werkzeugzuordnung durch Kennziffer
` Mit Pressmarkierungen für richtiges crimpen
Eigenschaften
▪ Einfache und sichere Verarbeitung durch Mitteneindruck
▪ Einfache Kabeleinführung durch präzise Endenbearbeitung
Werkstoff
▪ Kupfer (EN13600)
Oberfläche
▪ Galvanisch verzinnt zum Schutz gegen Korrosion
Verarbeitungshinweise
▪ Werkzeug: siehe Seite 1.54
▪ Weitere Informationen zu den Leitungs- und Kabelbezeichnungen finden Sie auf Seite i-6
▪ Hülsen für 3-Leiter und 4-Leiter Kabel siehe Kapitel „Hülsen für verdichtete Leiter und Sektorleiter - Cu“
▪ Reduzierhülsen zur Verbindung ungleicher Querschnitte finden Sie auf Seite 1.53
▪ Verarbeitungshinweis, siehe Seite i-10
Zusatzinformationen
▪ Auf Anfrage als Sonderartikel in blanker Ausführung möglich
▪ 10 - 800 mm² IEC geprüft

` Für Rundleiter z.B. nach EN 60228 Kl. 1,2,5 und 6
` Für zugentlastete Kupferseile, z. B. nach DIN 48201
` Für rundgedrückte mehrdrähtige Sektorleiter
` Längsdichte Ausführung mit Ölstopp
` Rohrabmessung nach DIN 46267 Teil 1
` Eindeutige Werkzeugzuordnung durch Kennziffer
Eigenschaften
▪ Leichte Verarbeitung durch Pressmarkierungen
▪ Einfache Kabeleinführung durch präzise Endenbearbeitung
geeignet für
▪ Zugentlastete Verbindungen
Werkstoff
▪ Kupfer (EN13600)
Oberfläche
▪ Galvanisch verzinnt zum Schutz gegen Korrosion
Verarbeitungshinweise
▪ Werkzeug: siehe Seite 1.54
▪ Weitere Informationen zu den Leitungs- und Kabelbezeichnungen finden Sie auf Seite i-6
▪ Hülsen für 3-Leiter und 4-Leiter Kabel siehe Kapitel „Hülsen für verdichtete Leiter und Sektorleiter - Cu“
▪ Reduzierhülsen zur Verbindung ungleicher Querschnitte finden Sie auf Seite 1.53
▪ Verarbeitungshinweis, siehe Seite i-10 Zusatzinformationen
▪ Auf Anfrage als Sonderartikel in blanker Ausführung möglich
504R_GRP01 Pressverbinder für Kabelverbindungen 10-30 kV, Cu

` Für Rundleiter z.B. nach EN 60228 Kl. 1,2,5 und 6
` Für zugentlastete Kupferseile, z. B. nach DIN 48201
` Für rundgedrückte mehrdrähtige Sektorleiter
` Rohrabmessung nach DIN 46267 Teil 1
` Für Cu-Mittelspannungskabelverbindungen 10-30 kV
` Mit abgeschrägten Kanten für reduzierten Wickelaufwand bei der Montage
Eigenschaften
▪ Wie andere Sonderanfragen unten aufführen
▪ Leichte Verarbeitung durch Pressmarkierungen
▪ Einfache Kabeleinführung durch präzise Endenbearbeitung
geeignet für
▪ Zugentlastete Verbindungen
Werkstoff
▪ Kupfer (EN13600)
Oberfläche
▪ Blank
Verarbeitungshinweise
▪ Werkzeug: siehe Seite 1.54
▪ Weitere Informationen zu den Leitungs- und Kabelbezeichnungen finden Sie auf Seite i-6
▪ Hülsen für 3-Leiter und 4-Leiter Kabel siehe Kapitel „Hülsen für verdichtete Leiter und Sektorleiter - Cu“
▪ Reduzierhülsen zur Verbindung ungleicher Querschnitte finden Sie auf Seite 1.53
Nennquerschnitt
Version
Elektrische Verbindungstechnik
181rgrp Pressverbinder nach DIN, Cu

` Zum Verbinden von Kupferseilen nach DIN 48201 Teil 1
` Für zugfeste Kabelverbindungen
` Nach DIN 48085 Teil 1
` Eindeutige Werkzeugzuordnung durch Kennziffer
Eigenschaften
▪ Leichte Verarbeitung durch Pressmarkierungen
▪ Einfache und sichere Verarbeitung durch Mitteneindruck
▪ Einfache Kabeleinführung durch präzise Endenbearbeitung
Werkstoff
▪ Kupfer (EN13600)
Oberfläche
▪ Blank
Verarbeitungshinweise
▪ Werkzeug: siehe Seite 1.54
▪ Weitere Informationen zu den Leitungs- und Kabelbezeichnungen finden Sie auf Seite i-6
▪ Hülsen für 3-Leiter und 4-Leiter Kabel siehe Kapitel „Hülsen für verdichtete Leiter und Sektorleiter - Cu“
Zusatzinformationen
▪ * = nicht genormt
▪ 16 - 70 mm² IEC geprüft
rh2510grp Reduzierhülsen, Cu

` Für mehrdrähtige Rundleiter z. B. nach EN 60228 Kl. 2
` Für zugentlastete Kupferseile, z. B. nach DIN 48201-1
` Zum Verbinden unterschiedlicher Leiterquerschnitte
` Zum Einsatz in DIN Pressverbindern und Verbindern Normalausführung
Eigenschaften
▪ Einfache Kabeleinführung durch präzise Endenbearbeitung
geeignet für
▪ Zugentlastete Pressverbindungen
Werkstoff
▪ Kupfer (EN13600)
Oberfläche
▪ Blank
Verarbeitungshinweise
▪ Bitte beachten Sie die Verarbeitungshinweise im techn. Anhang auf Seite i-6
Elektrische Verbindungstechnik
Presskabelschuhe und Verbinder nach DIN - Cu
^WZT_PKS_DIN_einfach^
Anwendungstabelle mit Werkzeugempfehlung mechanische Presswerkzeuge
Werkzeugtyp
mechanische, elektrische, pneum. Presswerkzeuge mit wechselb. Einsatz / Kopf
Anwendungstabelle mit Werkzeugempfehlung
Presskabelschuhe und Pressverbinder
Presswerkzeug
Pressbereich entspr. Nenn-Querschnitt in mm²
Presswerkzeuge
Werkzeugtyp
^WZT_PKS_DIN_doppelt^ mechanische, elektrische, pneum. Presswerkzeuge mit wechselb. Einsatz / Kopf
handhydraulische Presswerkzeuge
akkuhydraulische Presswerkzeuge
Anwendungstabelle
Doppelpresskabelschuhe
mit Werkzeugempfehlung
Presswerkzeug
Pressbereich entspr. Nenn-Querschnitt in mm²
Pressköpfe
Quetschkabelschuhe, Verbinder und Stiftkabelschuhe nach DIN - Cu
DER GESTANZTE –QUETSCHKABELSCHUHE AUS KUPFER NACH DIN 46234
Klauke Quetschkabelschuhe werden im Gegensatz zu den Rohrkabelschuhen aus einem Blech gestanzt, gebogen und anschließend im Pressbereich hartverlötet. Die Rillenprägung im Inneren sorgt für hohe Auszugswerte und eine ausgezeichnete elektrische Verbindung der Leiter. Dank seiner kurzen Bauform ist er besonders geeignet für beengte Platzverhältnisse.

In Kürze
` Sichere Verpressung durch hochwertige Lötnaht
` Kleine Bauweise für beengte Platzverhältnisse
` Geeignet für mehr-, fein- und feinstdrähtige Leiter
` Hartverlötet für sicheren Kontakt
Die Qualität der Klauke Kabelschuhe zeigt sich auch während des Verpressens: Der Quetschkabelschuh bleibt durch die hochwertige Lötnaht immer unversehrt. So geht Qualität.
◾ Sichere Kontakte durch hochwertige Lötnaht und Verzinnung
◾ Beste Kontaktierung durch Rillenprofil
◾ Optimal für beengte Platzverhältnisse durch sehr kurze Bauform
◾ In isolierter und nicht-isolierter Ausführung erhältlich


` Gut isoliert
Klauke Produkte machen Ihren Arbeitsalltag leichter. In unsere isolierten Quetschkabelschuhe lassen sich, durch die aufgeweitete Isolierung, die Leiter ganz entspannt einführen.
Die Isolierung bleibt auch nach der Verpressung intakt, es ist also kein nachträgliches Isolieren notwendig. Alles ist in einem Arbeitsschritt erledigt.
◾ Einfache Anwendung durch aufgeweitete Hülse
◾ Schnelle Verarbeitung, da keine zusätzliche Isolierung
◾ Als Gabelform gut geeignet für schwer zugängliche Stellen, zum Beispiel bei der Zählerverdrahtung
◾ Einfache Leitereinführung durch aufgeweitete Hülse

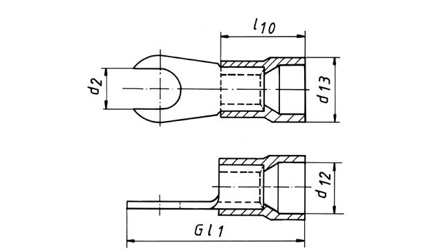
162025grp Quetschkabelschuhe DIN 46234 Quetschkabelschuhe nach DIN, Cu

` Für Rundleiter z.B. nach EN 60228 Kl. 2, 5 und 6 ` Nach DIN 46234
` Hochwertiges Hartlötverfahren im Pressbereich
Eigenschaften
▪ Verbesserte Kontakteigenschaften durch Rillenprägung
Werkstoff
▪ Kupfer (EN13599) Oberfläche
▪ Galvanisch verzinnt zum Schutz gegen Korrosion Verarbeitungshinweise
▪ Werkzeug: siehe Seite 1.66
▪ Weitere Informationen zu den Leitungs- und Kabelbezeichnungen finden Sie auf Seite i-6
Zusatzinformationen
▪ * = Bohrung nicht genormt
▪ 0,5 - 6 mm² nicht UL geprüft
Nennquerschnitt mm² Nenngröße nach DIN Art.-Nr. Hinweis
Quetschkabelschuhe nach DIN, Cu
Elektrische Verbindungstechnik
Isolierte Quetschkabelschuhe
6525grp
Isolierte Quetschkabelschuhe, Cu mit Easy Entry

Nennquerschnitt
Fortsetzung nächste Seite
` Für Rundleiter z.B. nach EN 60228 Kl. 2, 5 und 6
` Hochwertiges Hartlötverfahren im Pressbereich
` Einfache Verarbeitung durch das Verpressen mit der Isolation
` Schnelle Verarbeitung, da keine weitere Isolierung der verpressten Verbindung notwendig ist
Eigenschaften
▪ Isoliert, halogenfrei mit Easy-Entry Kabeleinführung
▪ Maße im Leiteranschlussbereich entsprechend DIN 46234
▪ Verbesserte Kontakteigenschaften durch Rillenprägung
▪ Querschnittabhängige Farbkodierung
▪ Temperaturbeständigkeit: bis 105 °C
Werkstoff
▪ Kupfer (EN13599)
▪ Isolierhülse: PA
Oberfläche
▪ Galvanisch verzinnt zum Schutz gegen Korrosion
Verarbeitungshinweise
▪ Werkzeug: siehe Seite 1.67
▪ Weitere Informationen zu den Leitungs- und Kabelbezeichnungen finden Sie auf Seite i-6
st1716isgrp Isolierte Stiftkabelschuhe, Cu mit Easy Entry

` Für Rundleiter z.B. nach EN 60228 Kl. 2, 5 und 6
` Hochwertiges Hartlötverfahren im Pressbereich
` Einfache Verarbeitung durch das Verpressen der Isolation ` Schnelle Verarbeitung, da keine weitere Isolierung der verpressten Verbindung notwendig ist
Eigenschaften
▪ Isoliert, halogenfrei mit Easy-Entry Kabeleinführung
▪ Verbesserte Kontakteigenschaften durch Rillenprägung
▪ Querschnittabhängige Farbkodierung
▪ Temperaturbeständigkeit: bis 105 °C
Werkstoff
▪ Kupfer (EN13599)
▪ Isolierhülse: PA
Oberfläche
▪ Galvanisch verzinnt zum Schutz gegen Korrosion Verarbeitungshinweise
▪ Werkzeug: siehe Seite 1.67
▪ Weitere Informationen zu den Leitungs- und Kabelbezeichnungen finden Sie auf
1620c3grp
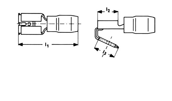
Quetschkabelschuhe Gabel- und Stiftform Quetschkabelschuhe, Cu, Gabelform

Nennquerschnitt mm² Nenngröße nach DIN Art.-Nr.
- 2,5
5 - 6 1650C5
` Für Rundleiter z.B. nach EN 60228 Kl. 2, 5 und 6
` Maße im Leiteranschlussbereich bis 6 mm² entsprechen DIN 46234
` Einfache Montage durch Gabelform
` Hochwertiges Hartlötverfahren im Pressbereich
Eigenschaften
▪ Verbesserte Kontakteigenschaften durch Rillenprägung
Werkstoff
▪ Kupfer (EN13599)
Oberfläche
▪ Galvanisch verzinnt zum Schutz gegen Korrosion
Verarbeitungshinweise
▪ Werkzeug: siehe Seite 1.66
▪ Weitere Informationen zu den Leitungs- und Kabelbezeichnungen finden Sie auf Seite i-6
Zusatzinformationen
▪ 0,5 - 6 mm² nicht UL zertifiziert
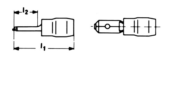
st1705grp Stiftkabelschuhe nach DIN, Cu

` Für Rundleiter z.B. nach EN 60228 Kl. 2, 5 und 6 ` Nennquerschnitte 0,5 - 6 mm² nach DIN 46230 ` Hochwertiges Hartlötverfahren im Pressbereich
Eigenschaften
▪ Verbesserte Kontakteigenschaften durch Rillenprägung Werkstoff
▪ Kupfer (EN13599) Oberfläche
▪ Galvanisch verzinnt zum Schutz gegen Korrosion Verarbeitungshinweise
▪ Werkzeug: siehe Seite 1.66
▪ Weitere Informationen zu den Leitungs- und Kabelbezeichnungen finden Sie auf Seite i-6 Zusatzinformationen
▪ * = nicht genormt
▪ 0,5 - 6 mm² nicht UL geprüft
652c5grp
Isolierte Quetschkabelschuhe für Zählerverdrahtung Isolierte Quetschkabelschuhe zur Zählerverdrahtung, Cu, Gabelform


Nennquerschnitt mm²
` Für Rundleiter z.B. nach EN 60228 Kl. 2, 5 und 6
` Spezielle Bauform zur Zählerverdrahtung
` Hochwertiges Hartlötverfahren im Pressbereich
` Schnelle Verarbeitung, da keine weitere Isolierung der verpressten Verbindung notwendig ist
Eigenschaften
▪ Isoliert, halogenfrei mit Easy-Entry Kabeleinführung
▪ Verbesserte Kontakteigenschaften durch Rillenprägung
▪ Querschnittabhängige Farbkodierung
▪ Temperaturbeständigkeit: bis 105 °C
Werkstoff
▪ Kupfer (EN13599)
▪ Isolierhülse: PA
Oberfläche
▪ Galvanisch verzinnt zum Schutz gegen Korrosion
Verarbeitungshinweise
▪ Werkzeug: siehe Seite 1.67
▪ Weitere Informationen zu den Leitungs- und Kabelbezeichnungen finden Sie auf Seite i-6
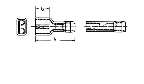
Quetschverbinder nach DIN, Cu, kurze Ausführung
1620kgrp Quetschverbinder DIN 46341, Teil 1

` Für Rundeiter z.B. nach EN 60228 Kl. 2, 5 und 6
` Nach DIN 46341 Teil 1, Form A
` Ideal zum Verbinden unterschiedlicher Leiterquerschnitte
Eigenschaften
▪ Einfache Kabeleinführung durch präzise Endenbearbeitung
Werkstoff
▪ Kupfer (EN13600)
Oberfläche
▪ Galvanisch verzinnt zum Schutz gegen Korrosion Verarbeitungshinweise
▪ Werkzeug: siehe Seite 1.66
▪ Weitere Informationen zu den Leitungs- und Kabelbezeichnungen finden Sie auf Seite i-6 Zusatzinformationen
▪ Die Summe der Einzelleiterquerschnitte muss innerhalb des angegebenen Querschnittbereiches liegen.
1620lgrp Quetschverbinder nach DIN, Cu, lange Ausführung

Nennquerschnitt
` Für Rundleiter z.B. nach EN 60228 Kl. 2, 5 und 6 ` Nach DIN 46341 Teil 1, Form B ` Einfache und sichere Verarbeitung durch Mitteneindruck
Eigenschaften
▪ Einfache Kabeleinführung durch präzise Endenbearbeitung Werkstoff
▪ Kupfer (EN13600) Oberfläche
▪ Galvanisch verzinnt zum Schutz gegen Korrosion Verarbeitungshinweise
▪ Werkzeug: siehe Seite 1.66
▪ Weitere Informationen zu den Leitungs- und Kabelbezeichnungen finden Sie auf Seite i-6
Quetschkabelschuhe, Verbinder und Stiftkabelschuhe nach DIN - Cu
Anwendungstabelle mit Werkzeugempfehlung
Anwendungstabelle mit Werkzeugempfehlung
Quetschkabelschuhe nach DIN 46234, Stiftkabelschuhe nach DIN 46230, Quetschverbinder nach DIN 46341-1
Presswerkzeug
Werkzeugtyp
mechanische Presswerkzeuge
mechanische, elektrische, pneumatische Presswerkzeuge mit wechselbarem Einsatz / Kopf
handhydraulische Presswerkzeuge
akkuhydraulische Presswerkzeuge
Pressbereich entspr. Nenn-Querschnitt in mm²
0,5 - 16 K25
16 - 95 K95
- 10 EK50ML
10 - 35 K354
10 - 70 K22
+UA22
+UA12TKL
Presssysteme
Pressköpfe
^WZT_QKS_isoliert^ Anwendungstabelle mit Werkzeugempfehlung
Isolierte Quetschkabelschuhe Isolierte Stiftkabelschuhe
Werkzeugtyp
mechanische Presswerkzeuge
mechanische, elektrische, pneumatische Presswerkzeuge mit wechselbarem Einsatz / Kopf
Presswerkzeuge
Pressköpfe
Hülsen für verdichtete Leiter und Sektorleiter - Cu
DIE AUSGLEICHENDEN –HÜLSEN FÜR SEKTOR- UND
VERDICHTETE LEITER AUS KUPFER
Sektorleiter aus Kupfer lassen sich mit der passenden Hülse ganz leicht rundpressen und anschließend komfortabel in den Kabelschuh einführen. Klauke Hülsen für verdichtete Leiter gleichen den Unterschied zwischen dem verdichteten Leiter und Kabelschuh aus - für sichere Verbindungen.

In Kürze
` Zum Rundpressen von Sektorleitern
` Bringt verdichtete Leiter auf das gewünschte Volumen
` Guter Leitwert durch hochwertiges Kupfer
` Verfügbar für Rohrkabelschuhe
Hinweis: Die Hülsen für Sektorleiter müssen mit Runddrückeinsätzen verpresst werden.
` Auffüttern
in zwei Schritten
Wir machen es Ihnen leicht: Mit den Klauke Hülsen bringen Sie verdichtete Leiter in nur zwei Arbeitsschritten auf das passende Volumen: Einfach die Hülse auf den abisolierten Leiter stecken und in den passenden Kabelschuh einführen – fertig.
Keine zusätzlichen Werkzeuge und keine Sonderlösungen erforderlich.
` Sektorleiter runddrücken
Erledigen Sie das Runddrücken von 3- und 4-Sektorleitern aus Kupfer.
◾ Zum Runddrücken von Sektorleitern
◾ Für 3- und 4-Sektorleiter geeignet im 120°- und 90°-Winkel
◾ Nennquerschnitt bis 240 mm2
◾ Kein Aufspleißen der Leiter
◾ Keine Sonderkabelschuhe benötigt
◾ Lageraufwand gespart
◾ Einfaches Auffüttern von verdichteten Leitern
◾ Für Nennquerschnitte bis zu 400 mm2
◾ Geringer Übergangswiderstand durch hochwertiges Material
◾ Keine Sonderlösungen erforderlich: vorhandene Presswerkzeuge können zur sicheren Verpressung verwendet werden


Hülsen für verdichtete Leiter und Sektorleiter - Cu
Hülsen für verdichtete Leiter, für Rohrkabelschuhe und Verbinder Normalausführung
vhr16grp

Nennquerschnitt
` Für mehrdrähtige, verdichtete Rundleiter z. B. nach EN 60228 Kl. 2 ` Ermöglicht die Nutzung der Klauke Rohrkabelschuhe und Verbinder Normalausführung bei verdichteten Leitern
Werkstoff
▪ Kupfer (HCP) Oberfläche
▪ Galvanisch verzinnt zum Schutz gegen Korrosion Verarbeitungshinweise
▪ Bitte beachten Sie die Verarbeitungshinweise im technischen Anhang auf Seite i-8
VHR353_GRP01
Hülsen für Sektorleiter, 3-Leiter Kabel, Normalausführung

` Für mehrdrähtige Sektorleiter, z. B. nach EN 60228
` Für Rohrkabelschuhe und Verbinder Normalausführung
` Zum einfachen Runddrücken von 3-Leiter-Kabeln (120° Winkel)
` Verhindert das Aufspleissen der Sektorleiter beim Runddrücken
Werkstoff
▪ Kupfer (HCP)
Oberfläche
▪ Galvanisch verzinnt zum Schutz gegen Korrosion
Verarbeitungshinweise
▪ Runddrückeinsätze siehe Kapitel „Presseinsätze“
▪ Bitte beachten Sie die Verarbeitungshinweise im technischen Anhang auf Seite i-8
Nennquerschnitt mm² Art.-Nr. Abmessung mm für l
Hülsen für verdichtete Leiter und Sektorleiter - Cu
VHR353_GRP01
Hülsen für Sektorleiter, 3-Leiter Kabel,

DIN-Ausführung
` Für mehrdrähtige Sektorleiter, z. B. nach EN 60228
` Für DIN Presskabelschuhe und Verbinder
` Zum einfachen Runddrücken von 3-Leiter-Kabeln (120° Winkel)
` Verhindert das Aufspleissen der Sektorleiter beim Runddrücken
Werkstoff
▪ Kupfer (HCP)
Oberfläche
▪ Galvanisch verzinnt zum Schutz gegen Korrosion
Verarbeitungshinweise
▪ Runddrückeinsätze siehe Kapitel „Presseinsätze“
▪ Bitte beachten Sie die Verarbeitungshinweise im technischen Anhang auf Seite i-8
Nennquerschnitt mm² Art.-Nr. Abmessung mm für l
DIN-Ausführung
VHR354_GRP02
Hülsen für Sektorleiter, 4-Leiter Kabel

Nennquerschnitt mm²
` Für mehrdrähtige Sektorleiter, z. B. nach EN 60228
` Für Rohrkabelschuhe und Verbinder Normalausführung und DIN Presskabelschuhe und Verbinder ` Zum einfachen Runddrücken von 4-Leiter-Kabeln (90° Winkel) ` Verhindert das Aufspleissen der Sektorleiter beim Runddrücken
Werkstoff
▪ Kupfer (HCP)
Oberfläche
▪ Galvanisch verzinnt zum Schutz gegen Korrosion
Verarbeitungshinweise
▪ Bitte beachten Sie die Verarbeitungshinweise im technischen Anhang auf Seite i-8
▪ Runddrückeinsätze siehe Kapitel „Presseinsätze“
Presskabelschuhe und Verbinder nach DIN - Al
DER ZUVERLÄSSIGE –
PRESSKABELSCHUHE UND VERBINDER AUS ALUMINIUM NACH DIN
Leicht und extrem zuverlässig: Klauke Presskabelschuhe aus Aluminium sind beides. Kontaktfett durchbricht die Oxidationsschicht, hochwertige Verzinnung ermöglicht den Kontakt zu Kupfer in trockener Umgebung. Für höchste Ansprüche sind alle Kabelschuhe und ein Großteil und Verbinder zur Sicherheit IEC-geprüft.
Für fast jedes Problem bieten wir eine Lösung an.

In Kürze
` Kabelschuhe und Verbinder aus Aluminium nach und angelehnt an die DIN-Norm
` Geprüft nach der strengen IEC 61238-1
` Passende Lösungen bis 30 kV
` Auch für Freileitungen und Leiterseile
` Erhältlich in verzinnter und nicht-verzinnter Variante
` Der Tiefgezogene
Tiefgezogene Verbinder sind längsdicht und präzise nach DIN 46329 gefertigt. Durch das besondere Fertigungsverfahren gibt es absolut kein Ein- oder Austreten von Flüssigkeit durch den Flansch des Kabelschuh.
` Immer gleich gut
Da wir bei Klauke in eigenen Produktionsstätten fertigen, sind unsere Produkte von immer gleichbleibender, hochwertiger Qualität. Egal, welchen Kabelschuh oder Verbinder Sie brauchen, das Klauke System garantiert Ihnen beste Ergebnisse.
◾ Konstante Qualität in vielen Formen
◾ Verbindungen nach DIN-Norm oder an die DIN-Norm angelehnt
◾ Einfache Verarbeitung durch DIN-Sechskantpressung oder wahlweise der EKM60ID
◾ Garantierte Sicherheit durch IEC 61238-1 Prüfungen
Pressmarkierung

Querschnitt
Kennziffer
◾ Längsdichte Ausführung mit Ölstopp
◾ Standardmäßig gefüllt mit Kontaktfett
◾ In der verzinnten Version auch geeignet zum Anschluss an Kupfer in trockenen Räumen
◾ Für feuchte Räume empfehlen wir Klauke-Verbinder aus Aluminium/Kupfer

` Flexibel im Freileitungsbau
Auch im Freileitungsbau sind Klauke Produkte die flexible und verlässliche Lösung.
Für Sonderlösungen sprechen Sie uns am besten direkt an. Wir machen das für Sie.
Herstellerhinweis
Ø Bohrung


Elektrische Verbindungstechnik
Presskabelschuhe und Verbinder nach DIN - Al
Presskabelschuhe DIN 46329 und ähnliche Ausführungen - Al
263r8grp
Presskabelschuhe nach DIN, Al (Oberfläche blank oder verzinnt)

Anschl.-
` Für zugentlastete Verbindungen von Aluminiumleitern nach EN 60228 und Aluminiumseilen nach DIN EN 50182
` Für rundgedrückte Sektorleiter
` Nach DIN 46329
` Eindeutige Werkzeugzuordnung durch Kennziffer
` Optimaler Übergangswiderstand durch Füllung mit Kontaktfett
Eigenschaften
▪ Längsdichte Ausführung mit Ölstopp
▪ Auch in verzinnter (20 µm) Ausführung zum Anschluss an Cu-Schienen im trockenen Innenraum
▪ Einfache und sichere Montage durch plane Auflagefläche und präzise
Endenbearbeitung
Werkstoff
▪ E-Aluminium
Oberfläche
▪ Blank
▪ Verzinnt (20 μm)
Verarbeitungshinweise
▪ Werkzeug: siehe Seite 1.83
▪ Weitere Informationen zu den Leitungs- und Kabelbezeichnungen finden Sie auf Seite i-6
Zusatzinformationen
▪ re = rund eindrähtig, rm = rund mehrdrähtig, se = sektorförmig eindrähtig, sm = sektorförmig mehrdrähtig, Sektorleiter müssen rundgedrückt werden
▪ 70 - 240 mm² UL geprüft (verzinnte Version)
▪ * = nicht genormt
Presskabelschuhe nach DIN, Al (Oberfläche blank oder verzinnt)
Presskabelschuhe und Verbinder nach DIN - Al
Presskabelschuhe, Al
202r6grp

` Für zugentlastete Verbindungen von Aluminiumleiter nach EN 60228 und Aluminiumseilen nach DIN EN 50182
` Für rundgedrückte Sektorleiter
` Rohrabmessungen nach DIN 46329
` Eindeutige Werkzeugzuordnung durch Kennzeiffer
` Optimaler Übergangswiderstand durch Füllung mit Kontaktfett
Eigenschaften
▪ Leichte Verarbeitung durch Pressmarkierungen
▪ Einfache und sichere Montage durch plane Auflagefläche und präzise Endenbearbeitung
Werkstoff
▪ E-Aluminium
Oberfläche
▪ Blank
Verarbeitungshinweise
▪ Werkzeug: siehe Seite 1.83
▪ Weitere Informationen zu den Leitungs- und Kabelbezeichnungen finden Sie auf Seite i-6
Zusatzinformationen
▪ re = rund eindrähtig, rm = rund mehrdrähtig, se = sektorförmig eindrähtig, sm = sektorförmig mehrdrähtig, Sektorleiter müssen rundgedrückt werden
Pressverbinder DIN 46267, Teil 2 und ähnliche Ausführungen - Al
222rgrp
Pressverbinder nach DIN, Al

` Für zugentlastete Verbindungen von Aluminiumleiter nach EN 60228 und Aluminiumseilen nach DIN EN 50182
` Nach DIN 46267, Teil 2
` Eindeutige Werkzeugzuordnung durch Kennziffer
` Optimaler Übergangswiderstand durch Füllung mit Kontaktfett
` Für rundgedrückte Sektorleiter
Eigenschaften
▪ Leichte Verarbeitung durch Pressmarkierungen
▪ Einfache Kabeleinführung durch präzise Endenbearbeitung
▪ Einfache und sichere Verarbeitung durch Mitteneindruck
Werkstoff
▪ E-Aluminium
Oberfläche
▪ Blank
Verarbeitungshinweise
▪ Werkzeug: siehe Seite 1.83
▪ Weitere Informationen zu den Leitungs- und Kabelbezeichnungen finden Sie auf Seite i-6
Zusatzinformationen
▪ re = rund eindrähtig, rm = rund mehrdrähtig, se = sektorförmig eindrähtig, sm = sektorförmig mehrdrähtig, Sektorleiter müssen rundgedrückt werden
▪ 16 - 500 mm² IEC geprüft
▪ * = nicht genormt
Presskabelschuhe und Verbinder nach DIN - Al
405r_GRP02
Pressverbinder, Al

Nennquerschnitt mm² Kennziffer
Längsdichte Version
` Für zugentlastete Verbindungen von Aluminiumleitern nach EN 60228 und Aluminiumseilen nach DIN EN 50182
` Für zugentlastete Verbindungen von Al-Mittelspannungskabeln 10-30 kV
` Für rundgedrückte Sektorleiter
` Rohrabmessung nach DIN 46267, Teil 2
` Mit Kennziffer zur eindeutigen Werkzeugzuordnung
` Mit Kontaktfett gefüllt für optimale Pressergebnisse
Eigenschaften
▪ Auch als längsdichte Ausführung mit Ölstopp erhältlich
▪ Mit abgeschrägten Kanten für reduzierten Wickelaufwand bei der Montage
▪ Leichte Verarbeitung durch Pressmarkierungen
▪ Einfache Kabeleinführung durch präzise Endenbearbeitung
Werkstoff
▪ E-Aluminium
Oberfläche
▪ Blank
Verarbeitungshinweise
▪ Werkzeug: siehe Seite 1.83
▪ Weitere Informationen zu den Leitungs- und Kabelbezeichnungen finden Sie auf Seite i-6
Zusatzinformationen
▪ re = rund eindrähtig, rm = rund mehrdrähtig, se = sektorförmig eindrähtig, sm = sektorförmig mehrdrähtig, Sektorleiter müssen rundgedrückt werden
Abmessung mm Anzahl Pressungen
Reduzier-Pressverbinder - Al
425r25grp
Reduzier-Pressverbinder, Al, längsdichte

Ausführung
` Für zugentlastete Verbindungen von Aluminiumleitern nach EN 60228 und Aluminiumseilen nach DIN EN 50182
` Für rundgedrückte Sektorleiter
` Im Nennquerschnittsbereich Rohrabmessung nach DIN 46267, Teil 2
` Ideal zum Verbinden unterschiedlicher Leiterquerschnitte
` Optimaler Übergangswiderstand durch Füllung mit Kontaktfett
Eigenschaften
▪ Längsdichte Ausführung mit Ölstopp
▪ Eindeutige Werkzeugzuordnung durch Kennziffer
▪ Leichte Verarbeitung durch Pressmarkierungen
▪ Einfache Kabeleinführung durch präzise Endenbearbeitung
Werkstoff
▪ E-Aluminium
Oberfläche
▪ Blank
Verarbeitungshinweise
▪ Werkzeug: siehe Seite 1.83
▪ Weitere Informationen zu den Leitungs- und Kabelbezeichnungen finden Sie auf Seite i-6
Zusatzinformationen
▪ re = rund eindrähtig, rm = rund mehrdrähtig, se = sektorförmig eindrähtig, sm = sektorförmig mehrdrähtig, Sektorleiter müssen rundgedrückt werden
Elektrische Verbindungstechnik
Pressverbinder zugfest - Al
243rgrp
Pressverbinder nach DIN, Al, zugfest

schnitt mm²
` Für zugfeste Verbindungen von Aluminiumseilen nach DIN EN 50182
` Nach DIN 48085, Teil 2
` Eindeutige Werkzeugzuordnung durch Kennziffer
` Optimaler Übergangswiderstand durch Füllung mit Kontaktfett
Eigenschaften
▪ Leichte Verarbeitung durch Pressmarkierungen
▪ Einfache Kabeleinführung durch präzise Endenbearbeitung
Werkstoff
▪ E-Aluminium bis 95 mm²
▪ AlMgSi ab 120 mm²
Oberfläche
▪ Blank
Verarbeitungshinweise
▪ Werkzeug: siehe Seite 1.83
▪ Weitere Informationen zu den Leitungs- und Kabelbezeichnungen finden Sie auf Seite i-6
Zusatzinformationen
▪ * = nicht genormt
Anwendungstabelle mit Werkzeugempfehlung
Anwendungstabelle mit Werkzeugempfehlung
Presskabelschuhe und Verbinder aus E-Al
Pressverbinder für zugfeste Verbindungen von Al-Leitern DIN EN 50182, 16-95 mm²
Presswerkzeug
Werkzeugtyp
mechanische, elektrische, pneumatische, Presswerkzeuge mit wechselbarem Einsatz / Kopf
Presswerkzeuge
Pressbereich entspr. Nenn-Querschnitt in mm²
* Nicht geeignet für zugfeste Verbindungen
Presskabelschuhe
DIE VERBUNDENEN –PRESSKABELSCHUHE AUS ALUMINIUM UND KUPFER
Zwei sicher verbunden. Kupfer und Aluminium haben unterschiedliche Materialeigenschaften. Das geht nicht immer gut. Unsere Presskabelschuhe und Verbinder aus Aluminium und Kupfer sind in speziellen Verfahren aufwendig gefertigt und fügen zusammen, was zusammengehört. Ganz gleich, welches Material Sie im Einsatz haben: Mit Klauke sind Ihre Kontakte sicher.

In Kürze
` Einfache Verarbeitung durch Anlehnung an DIN Normen
` Sichere Verbindung von Kupfer und Aluminium, auch bei Kontakt mit Wasser
` Hohe Qualität durch spezielle Herstellungsverfahren
` Auch geeignet für Sektorleiter und Seile
` Gewohnt gut
Kabelschuhe und Verbinder aus Aluminium und Kupfer lassen sich genauso verarbeiten wie Aluminiumkabelschuhe der DIN-Norm. Es sind keine besonderen Werkzeuge notwendig, Sie verwenden einfach die entsprechenden Klauke Presseinsätze. So bleibt das Ergebnis gewohnt gut.
` In vielen Ausführungen
Das Gute an der Klauke Vielfalt ist: Sie können die passenden Kabelschuhe für Ihr Projekt auswählen und Ihre Auswahl mit den Klauke Werkzeugen optimal verarbeiten. Hier passt alles zusammen.
◾ Verarbeitung wie normaler Aluminiumkabelschuh
◾ Unterschiedliche Ausführungen verfügbar, zum Beispiel als Kabelschuh mit Kupferauge oder Cupal-Scheibe oder als rotationsreibgeschweißter Kabelschuh

◾ Für Rund- und Sektorleiter nach EN 60228 und Aluminiumseile nach DIN 50182
◾ Keine zusätzlichen Kosten für neue Presseinsätze
◾ Sichere Verbindung durch Unterbindung der Kontakt korrosion

` In jeder Situation gut verbinden
Reduzier-Pressverbinder ermöglichen es, Leitungen aus Aluminium in Systeme mit Kupfer zu integrieren. Sie verbinden die beiden unterschiedlichen Materialien unabhängig von der Abmessung der Kabel miteinander.
◾ Für runde oder sektorförmige Leiter geeignet
◾ Für mehrdrähtige und eindrähtige sektorförmige Leiter geeignet

Presskabelschuhe und Verbinder - Al/Cu
Presskabelschuhe - AI/Cu
363r8grp
Presskabelschuhe, Al/Cu

Anschl.bolzen
ø
Fortsetzung nächste Seite
` Für zugentlastete Verbindungen von Aluminiumleitern nach EN 60228 und Aluminiumseilen nach DIN EN 50182
` Rohrabmessung nach DIN 46329
` Für rundgedrükte Sektorleiter
` Mit Kennziffer zur eindeutigen Werkzeugzuordnung
` Mit Kontaktfett gefüllt für optimale Presseigenschaften
` Reibschweißverbindung zur Verhinderung einer galvanischen Korossion
Eigenschaften
▪ Zum Anschluss von zugentlasteten Aluminiumleitern an Kupferanschlüssen in feuchten Räumen und im Außenbereich
▪ Längsdichte Ausführung mit Ölstopp und massiver Cu-Anschraublasche
▪ Leichte Verarbeitung durch Pressmarkierungen
▪ Präzise Endenbearbeitung zur einfachen Kabeleinführung
Werkstoff
▪ E-Aluminium
▪ E-Kupfer
Oberfläche
▪ Blank
Verarbeitungshinweise
▪ Werkzeug: siehe Seite 1.93
▪ Weitere Informationen zu den Leitungs- und Kabelbezeichnungen finden Sie auf Seite i-6
Zusatzinformationen
▪ re = rund eindrähtig, rm = rund mehrdrähtig, se = sektorförmig eindrähtig, sm = sektorförmig mehrdrähtig, Sektorleiter müssen rundgedrückt werden
Presskabelschuhe, Al/Cu
Presskabelschuhe, Al/Cu mit Cu-Auge

` Für zugentlastete Verbindungen von Aluminiumleitern nach EN 60228 und Aluminiumseilen nach DIN EN 50182
` Rohrabmessung nach DIN 46329
` Für rundgedrückte Sektorleiter
` Eindeutige Werkzeugzuordnung durch Kennziffer
` Optimaler Übergangswiderstand durch Füllung mit Kontaktfett
Eigenschaften
▪ Zum Verschrauben zugentlasteter Aluminium Verbindungen auf Cu-Schienen in feuchten Räumen
▪ Mit Cu-Auge im Anschraubbereich
▪ Leichte Verarbeitung durch Pressmarkierungen
▪ Einfache Kabeleinführung durch präzise Endenbearbeitung
Werkstoff
▪ E-Aluminium
▪ Kupfer (EN13600)
Oberfläche
▪ Blank
Verarbeitungshinweise
▪ Werkzeug: siehe Seite 1.93
▪ Weitere Informationen zu den Leitungs- und Kabelbezeichnungen finden Sie auf Seite i-6
Zusatzinformationen
▪ re = rund eindrähtig, rm = rund mehrdrähtig, se = sektorförmig eindrähtig, sm = sektorförmig mehrdrähtig, Sektorleiter müssen rundgedrückt werden
Fortsetzung nächste Seite Anschl.-
Presskabelschuhe und Verbinder - Al/Cu
Presskabelschuhe, Al/Cu mit Cu-Auge
bolzen
Pressverbinder - AI/Cu
322r10grp
Pressverbinder, Al/Cu

` Für zugentlastete Verbindungen von Aluminiumleitern nach EN 60228 und Aluminiumseilen nach DIN EN 50182
` Für Cu-Rundleiter z. B. EN 60228 Kl. 1, 2, 5 und 6
` Für zugentlastete Kupferseile, z. B. nach DIN 48201-1
` Rohrabmessungen nach DIN 46267-1 (Kupfer) und DIN 46329 (Aluminium)
` Für rundgedrückte Sektorleiter
` Eindeutige Werkzeugzuordnung durch Kennziffer
Eigenschaften
▪ Zum Verbinden zugentlasteter Aluminium- und Kupferleiter
▪ Leichte Verarbeitung durch Pressmarkierungen
▪ Einfache Kabeleinführung durch präzise Endenbearbeitung
Werkstoff
▪ E-Aluminium
▪ E-Kupfer
Oberfläche
▪ Blank
Verarbeitungshinweise
▪ Hülsen für verdichtete Leiter sowie Hülsen für 3-Leiter und 4-Leiter Kabel siehe Kapitel „Hülsen für verdichtete Leiter und Sektorleiter - Cu“
▪ Reduzierhülsen zur Verbindung ungleicher Querschnitte finden Sie auf Seite 1.53
▪ Werkzeug: siehe Seite 1.93
▪ Weitere Informationen zu den Leitungs- und Kabelbezeichnungen finden Sie auf Seite i-6 Zusatzinformationen
▪ re = rund eindrähtig, rm = rund mehrdrähtig, se = sektorförmig eindrähtig, ▪ sm = sektorförmig mehrdrähtig, Sektorleiter müssen rundgedrückt werden
Presskabelschuhe und Verbinder - Al/Cu
Pressverbinder, Al/Cu
Pressverbinder mit Cu-Bolzen, Al

` Für zugentlastete Verbindungen von Aluminiumleitern nach EN 60228 und Aluminiumseilen nach DIN EN 50182
` Für rundgedrückte Sekorleiter
` Rohrabmessung nach DIN 46329
` Eindeutige Werkzeugzuordnung durch Kennziffer
Eigenschaften
▪ Zum Verschrauben zugentlasteter Aluminiumleiter in Kupferklemmen
▪ Leichte Verarbeitung durch Pressmarkierungen
▪ Einfache Kabeleinführung durch präzise Endenbearbeitung
Werkstoff
▪ E-Aluminium
▪ E-Kupfer
Oberfläche
▪ Blank
Verarbeitungshinweise
▪ Werkzeug: siehe Seite 1.93
▪ Weitere Informationen zu den Leitungs- und Kabelbezeichnungen finden Sie auf Seite i-6
Zusatzinformationen
▪ re = rund eindrähtig, rm = rund mehrdrähtig, se = sektorförmig eindrähtig, sm = sektorförmig mehrdrähtig, Sektorleiter müssen rundgedrückt werden
Presskabelschuhe und Verbinder - Al/Cu
Cupal-Scheiben
cs818grp
Cupal-Scheiben

Eigenschaften
▪ Unterlegscheibe zum Verhindern der galvanischen Korrosion bei der Verbindung von Aluminium und Kupfer
▪ Für den Anschluss von Kupferleitern auf Aluminium in trockenen Räumen
▪ Für den Anschluss von Aluminiumleitern auf Kupfer in trockenen Räumen
▪ Verbindung mit verzinnten Aluminiumkabelschuhen auch in feuchten Räumen anwendbar
Werkstoff
▪ E-Al, einseitig mit Cu plattiert Anschl.-
^WZT_PV_AlCu^ Anwendungstabelle mit Werkzeugempfehlung
Anwendungstabelle mit Werkzeugempfehlung
Presskabelschuhe und Verbinder aus Al/Cu Die Werkzeuge der Kupferseite unserer Al/Cu Pressverbinder finden Sie in der Anwendungstabelle der DIN Presskabelschuhe und Verbinder-Cu
Werkzeugtyp
mechanische, elektrische, pneumatische, Presswerkzeuge mit wechselbarem Einsatz / Kopf
Presswerkzeuge
Presswerkzeuge
Klemmen und Schraubverbinder Elektrische
DIE UNKOMPLIZIERTEN –
KLEMMEN UND
SCHRAUBVERBINDER
Einfaches Verbinden von verschiedenen Materialien und Querschnitten. Klauke Klemmen und Schraubverbinder machen das möglich: Sie passen auf alle gängigen Größen und Materialien. Unter Beachtung der vorgeschriebenen Sicherheitsmaßnahmen können zum Beispiel Kabelabzweig-Schraub-Klemmringe auch unter Spannung installiert werden. Alles ganz unkompliziert.

In Kürze
` Einfaches Abzweigen ohne Durchtrennen des Hauptleiters mit den Klauke H- und C-Klemmen
` H-Klemmen nach DIN EN 50164-1 blitzschutzgeprüft
` Auch in längsdichter Ausführung für Al/CuVerbindungen erhältlich
` Durchgehend verbunden
Sparen Sie sich die Mühe, denn ein Auftrennen der Leiter ist nicht notwendig. Verschiedene Nennquerschnitte klemmen Sie mit Mehrbereichsklemmen.
◾ Flexibel durch großen Querschnittsbereich, C-Klemmen von 2,5 mm2 bis 185 mm2 Nennquerschnitt, H-Klemmen ab 70 mm2 Nennquerschnitt
◾ Zeitsparendes Verbinden, da das Auftrennen des Hauptleiters entfällt.
◾ Unkompliziertes Verbinden von verschiedenen Querschnitten.

` Klemmen für Versorgung ohne Unterbrechung
Wir lassen Ihre Versorgung nicht im Stich. Mit Klauke Klemmen kann Ihr Betrieb ohne Ausfall weiterlaufen, die Installation nehmen Sie auch unter Spannung vor. Kein Stillstand, der Betrieb läuft weiter.
◾ Besonders geeignet für die Energieversorgung
◾ Installierbar unter Spannung
◾ Hauptleiter bleibt intakt
◾ In verschiedenen Ausführungen für 3- und 4-Leiter-Kabel erhältlich

` Schrauben statt Pressen
Verbinden Sie die Leiter mit Schrauben. Warum? Weil Sie dafür kein spezielles Werkzeug brauchen. Schrauben sind für jeden Einsatz zu haben. Damit sie lange durchhalten, sind alle unsere Schraubverbinder aus hochwertigem Material hergestellt. Das ist mal eine effiziente Lösung!
◾ Verbindungen von 2,5 mm2 bis 185 mm2 Nennquerschnitt
◾ Kein spezielles Werkzeug benötigt
◾ Für viele Anforderungen die passende Schraublösung
◾ Für Aluminium- und Kupferleiter
◾ Für Rund- und Sektorleiter
◾ Für Leiter und Seile

Klemmen und Schraubverbinder
Klemmkabelschuhe - Cu
572r6grp
Gestanzte Klemmkabelschuhe, Cu

` Zum Verschrauben von Rundleitern nach EN 60228 Kl. 1 und 2, beispielsweise im Blitzschutzbereich
Eigenschaften
▪ Auch zum Verarbeiten im Freien
▪ Wahlweise mit 2 oder 4 Schrauben erhältlich
Werkstoff
▪ Kupfer (ETP)
▪ Schrauben: DIN 84 / DIN 933 Bronze, F 60
Oberfläche
▪ Galvanisch verzinnt zum Schutz gegen Korrosion
Verarbeitungshinweise
▪ Als Sonderartikel in blanker Ausführung auf Anfrage möglich, Artikel-Nummer-Zusatz „BK“ Nennquerschnitt
Schraubhülsen mit Lötloch - CuZn
551rgrp

Nennquerschnitt
SAK_GRP02

b h M lA b h M lA b h M lA Röhren-Löthülsen, CuZn
` Für Rundleiter z.B. nach EN 60228 Klasse 1, 2, 5 und 6 ` Die Verarbeitung erfolgt ohne Presswerkzeug
Eigenschaften
▪ Einfache Verarbeitung durch Fixierschrauben und Lötloch
Werkstoff
▪ CuZn 40 Pb 2
▪ Schrauben: Stahl nach DIN 551
Oberfläche
▪ Galvanisch verzinnt zum Schutz gegen Korrosion
Verarbeitungshinweise
▪ Für eine Verbindung muss gelötet werden
Schraub-Abzweigklemmen, Cu, 2 Schrauben
` Zum Verschrauben von Rundleitern nach EN 60228 Kl. 1 und 2 ` Für zugentlastete Kupferseile, z. B. nach DIN 48201
Eigenschaften
▪ Auch zum Verarbeiten im Freien
▪ Ausführung mit 2 Schrauben
Werkstoff
▪ Kupfer (ETP)
▪ Schraube: V2A
Oberfläche
▪ Blank
Verarbeitungshinweise
▪ Beim Verbinden der Querschnitte 95, 120 und 150 mm² sind hinsichtlich der Stromtragfähigkeit zwei Stromabzweigklemmen zu verwenden.
Abzweigklemmen in C- und H-Form - CuAbzweigklemmen in C-Form, Cu
ck16grp mck44grp
Art.-Nr.

` Für zugentlastete Kupferseile, z. B. nach DIN 48201-1
` Ideal zum Abzweigen gleicher Leiterquerschnitte, z.B. nach EN 60228 Kl. 1 und 2
` Das Durchtrennen des Hauptleiters entfällt
Werkstoff
▪ Kupfer (ETP)
Oberfläche
▪ Galvanisch verzinnt zum Schutz gegen Korrosion
Verarbeitungshinweise
▪ Optimale Leiteigenschaften in Verbindung mit Kontaktfett
▪ Werkzeug: siehe Seite 1.106
▪ Weitere Informationen zu den Leitungs- und Kabelbezeichnungen finden Sie auf Seite i-6 Zusatzinformationen
▪ Artikel-Nummer-Zusatz für blanke Ausführung „BK“
▪ rm = rund mehrdrähtig, re = rund eindrähtig
▪ * = Auch geeignet für 25 mm² rund eindrähtig
Querschnitt Durchgang mm² rm/re Hinweis Abmessung mm
Durchgang Abzweigleiter b l
Abzweigklemmen in C-Form, Cu, Mehrbereichsklemmen

Fortsetzung nächste Seite
` Für zugentlastete Kupferseile, z. B. nach DIN 48201-1
` Ideal zum Abzweigen ungleicher Leiterquerschnitte, z.B. nach EN 60228 Kl. 1 und 2
` Das Durchtrennen des Hauptleiters entfällt
` Optimale Leiteigenschaften in Verbindung mit Kontaktfett
Werkstoff
▪ Kupfer (ETP)
Oberfläche
▪ Galvanisch verzinnt zum Schutz gegen Korrosion
Verarbeitungshinweise
▪ Werkzeug: siehe Seite 1.106
▪ Weitere Informationen zu den Leitungs- und Kabelbezeichnungen finden Sie auf Seite i-6
Zusatzinformationen
▪ Artikel-Nummer-Zusatz für blanke Ausführung „BK“
▪ rm = rund mehrdrähtig, re = rund eindrähtig
Abzweigklemmen in C-Form, Cu,
Mehrbereichsklemmen
ah7070grp kf125grp
Abzweigklemmen in H-Form, Cu

` Für zugentlastete Kupferseile, z. B. nach DIN 48201-1
` Ideal zum Abzweigen gleicher Leiterquerschn., z. B. nach EN 60228 Kl. 1 u. 2
` Nach EN 50164-1 blitzschutzgeprüft
` Das Durchtrennen des Hauptleiters entfällt
Eigenschaften
▪ Besonders einfache Verarbeitung durch H-Form
▪ Optimale Leiteigenschaften in Verbindung mit Kontaktfett
Werkstoff
▪ Kupfer (ETP)
Oberfläche
▪ Galvanisch verzinnt zum Schutz gegen Korrosion
Verarbeitungshinweise
▪ Werkzeug: siehe Seite 1.107
▪ Weitere Informationen zu den Leitungs- und Kabelbezeichnungen finden Sie auf Seite i-6
Zusatzinformationen
▪ Artikel-Nummer-Zusatz für blanke Ausführung „BK“
▪ * = Nach EN 50164-1 blitzschutzgeprüft
Kontaktfett für Abzweigklemmen

` Optimale Leiteigenschaft bei der Verarbeitung von Aluminiumkabelschuhen und Verbindern sowie Abzweigklemmen (C- und H-Form)
Eigenschaften
▪ Wasserbeständig, mit Korund zur Zerstörung der Oxidationsschicht
▪ Inhalt/Dose: 0,125 kg
Art.-Nr. KF125
Klemmen und Schraubverbinder
Schraubverbinder für Cu-Schirmdrähte
sv100grp
Schraubverbinder für Cu-Schirmdrähte

` Ideal zum Verbinden unterschiedlicher Leitertypen und Materialien, z. B. nach EN 60228 Kl. 1 und 2 (verzinnte Version)
` Ideal zum Verbinden gleicher und ungleicher Leiterquerschnitte
` Passender Querschnittsbereich beispielsweise für Cu-Schirmdrähte
Eigenschaften
▪ Spezielles Rillenprofil im Innern zur Zerstörung der Oxidationsschicht beim Verschrauben
▪ Mit Sichtloch zur Kabeleinschubkontrolle
Werkstoff
▪ Klemmkörper: Messing (CuZn)
▪ Schrauben: rostfreier Stahl, verzinnt
Oberfläche
▪ Galvanisch verzinnt zum Schutz gegen Korrosion
Verarbeitungshinweise
▪ Bitte beachten Sie die Verarbeitungshinweise im technischen Anhang auf Seite i-8
Zusatzinformationen
▪ rm = rund mehrdrähtig, re = rund eindrähtig
Nennquerschnitt
Art.-Nr.
Schraubverbinder für Straßenbeleuchtung - CuZn
sv200grp
Schraubverbinder für Straßenbeleuchtung

Nennquerschnitt mm²
Art.-Nr.
Mit Gewindestift, verzinnt
Mit Gewindestift, blank
` Ideal zum Verbinden unterschiedlicher Leitertypen und Materialien, z. B. nach EN 60228 Kl. 1 und 2 (verzinnte Version)
` Ideal zum Verbinden gleicher und ungleicher Leiterquerschnitte
` Passender Querschnittsbereich für Straßenbeleuchtung
Eigenschaften
▪ Spezielles Rillenprofil im Innern zur Zerstörung der Oxidationsschicht beim Verschrauben
▪ Mit Sichtloch zur Kabeleinschubkontrolle
Werkstoff
▪ Klemmkörper: Messing (CuZn)
▪ Schrauben: rostfreier Stahl, verzinnt
Oberfläche
▪ Wahlweise blank oder verzinnt
Verarbeitungshinweise
▪ Bitte beachten Sie die Verarbeitungshinweise im technischen Anhang auf Seite i-8
Zusatzinformationen
▪ rm = rund mehrdrähtig, re = rund eindrähtig
Abmessung mm
Schraubverbinder, hochfeste AI-Legierung
SV303_GRP01
Schraubverbinder mit 2 Schrauben

` Zum Verbinden unterschiedlicher Leitertypen und Materialien, z. B. nach EN 60228 Kl. 1 und 2 (verzinnte Version)
` Ideal zum Verbinden gleicher und ungleicher Leiterquerschnitte
` Sichere Verarbeitung durch Leitereinschubkontrolle (unterschiedliche Materialien dürfen sich nicht berühren)
Eigenschaften
▪ Spezielles Rillenprofil im Innern zur Zerstörung der Oxidationsschicht beim Verschrauben
▪ Wahlweise mit Gewindestift oder Abreißkopf, Abreißkopf teilweise nicht lösbar
▪ Ausführung mit 2 Schrauben
Werkstoff
▪ Klemmkörper: hochfeste Aluminiumlegierung
▪ Schrauben: Kupferlegierung verzinnt
Oberfläche
▪ Wahlweise blank oder verzinnt Verarbeitungshinweise
▪ Bitte beachten Sie die Verarbeitungshinweise im technischen Anhang auf Seite i-8 Zusatzinformationen
▪ * = Ausführung nicht lösbar, Artikel-Nummer-Zusatz „NL“
▪ ** = Ausführung mit versenktem Abreißkopf nicht lösbar, Artikel-Nummer-Zusatz „VK“
▪ re = rund eindrähtig, rm = rund mehrdrähtig, se = sektorförmig eindrähtig, sm = sektorförmig mehrdrähtig, (r) = rundgedrückt, (v) = verdichtet
Mit
Mit Gewindestift,
Schraubverbinder mit Trennwand

Art.-Nr.
Mit Gewindestift, blank
Mit Gewindestift, verzinnt
Mit Abreißkopf, verzinnt
` Zum Verbinden unterschiedlicher Leitertypen und Materialien, z. B. nach EN 60228 Kl.1 und 2 (verzinnte Version)
` Ideal zum Verbinden gleicher und ungleicher Leiterquerschnitte
Eigenschaften
▪ Spezielles Rillenprofil im Innern zur Zerstörung der Oxidationsschicht beim Verschrauben
▪ Wahlweise mit Gewindestift oder Abreißkopf, Abreißkopf teilweise nicht lösbar
▪ Ausführung mit 2 Schrauben und Trennwand
Werkstoff
▪ Klemmkörper: hochfeste Aluminiumlegierung
▪ Schrauben: Kupferlegierung verzinnt
Oberfläche
▪ Wahlweise blank oder verzinnt
Verarbeitungshinweise
▪ Bitte beachten Sie die Verarbeitungshinweise im technischen Anhang auf Seite i-8
Zusatzinformationen
▪ * = Ausführung nicht lösbar, Artikel-Nummer-Zusatz „NL“
▪ re = rund eindrähtig, rm = rund mehrdrähtig, se = sektorförmig eindrähtig, sm = sektorförmig mehrdrähtig, (r) = rundgedrückt, (v) = verdichtet
Nennquerschnitt mm² Hinweis
Abmessung
SV305_GRP03
Schraubverbinder mit 4 Schrauben

` Zum Verbinden unterschiedlicher Leitertypen und Materialien, z. B. nach EN 60228 Kl. 1 und 2 (verzinnte Version)
` Ideal zum Verbinden gleicher und ungleicher Leiterquerschnitte
` Sichere Verarbeitung durch Leitereinschubkontrolle (unterschiedliche Materialien dürfen sich nicht berühren)
Eigenschaften
▪ Spezielles Rillenprofil im Innern zur Zerstörung der Oxidationsschicht beim Verschrauben
▪ Wahlweise mit Gewindestift oder Abreißkopf
▪ Ausführung mit 4 Schrauben
Werkstoff
▪ Klemmkörper: hochfeste Aluminiumlegierung
▪ Schrauben: Kupferlegierung verzinnt
Oberfläche
▪ Wahlweise blank oder verzinnt
Verarbeitungshinweise
▪ Bitte beachten Sie die Verarbeitungshinweise im technischen Anhang auf Seite i-8 Zusatzinformationen
▪ re = rund eindrähtig, rm = rund mehrdrähtig, se = sektorförmig eindrähtig, sm = sektorförmig mehrdrähtig
Mit Gewindestift, verzinnt
Isolierte Schraubverbinder mit Trennwand

` Zum Verbinden unterschiedlicher Leitertypen und Materialien, z. B. nach EN 60228 Kl. 1 und 2 (verzinnte Version)
` Ideal zum Verbinden gleicher und ungleicher Leiterquerschnitte
Eigenschaften
▪ Spezielles Rillenprofil im Innern zur Zerstörung der Oxidationsschicht beim Verschrauben
▪ Klemmkörper isoliert
▪ Ausführung mit 2 Schrauben
▪ Wahlweise mit Gewindestift oder Abreißkopf
Werkstoff
▪ Klemmkörper: hochfeste Aluminiumlegierung
▪ Schrauben: Kupferlegierung verzinnt
Oberfläche
▪ Wahlweise blank oder verzinnt
Verarbeitungshinweise
▪ Bitte beachten Sie die Verarbeitungshinweise im technischen Anhang auf Seite i-8
Zusatzinformationen
▪ re = rund eindrähtig, rm = rund mehrdrähtig, se = sektorförmig eindrähtig, sm = sektorförmig mehrdrähtig
Nennquerschnitt mm² Abmessung mm
Art.-Nr.
Mit Gewindestift, blank
Mit Abreißkopf, blank
Isolierte Schraubverbinder

` Zum Verbinden unterschiedlicher Leitertypen und Materialien, z. B. nach EN 60228 Kl. 1 und 2 (verzinnte Version)
` Ideal zum Verbinden gleicher und ungleicher Leiterquerschnitte
` Sichere Verarbeitung durch Leitereinschubkontrolle (unterschiedliche Materialien dürfen sich nicht berühren)
Eigenschaften
▪ Spezielles Rillenprofil im Innern zur Zerstörung der Oxidationsschicht beim Verschrauben
▪ Klemmkörper isoliert
▪ Ausführung mit 2 Schrauben, ohne Trennwand
▪ Wahlweise mit Gewindestift oder Abreißkopf
Werkstoff
▪ Klemmkörper: hochfeste Aluminiumlegierung
▪ Schrauben: Kupferlegierung verzinnt
Oberfläche
▪ Wahlweise blank oder verzinnt
Verarbeitungshinweise
▪ Bitte beachten Sie die Verarbeitungshinweise im technischen Anhang auf Seite i-8
Zusatzinformationen
▪ re = rund eindrähtig, rm = rund mehrdrähtig, se = sektorförmig eindrähtig, sm = sektorförmig mehrdrähtig
Mit Gewindestift, verzinnt
ksk504grp
Kabelabzweig-Schraubklemmringe, Vierleiterkabel, für Hauptleiter 25 - 50 mm²


` Geeignet für Haupt- und Abzweigleiter aus Al und Cu
` Das Durchtrennen des Hauptleiters entfällt
` Die Anwendung erfolgt z.B. im Energieversorgungsbereich
Eigenschaften
▪ Nach VDE mit entsprechenden vollisolierten Montagewerkzeugen unter Spannung installierbar
Verarbeitungshinweise
▪ Eine Montageanleitung liegt jedem Klemmring bei Zusatzinformationen
▪ re = rund eindrähtig, rm = rund mehrdrähtig, se = sektorförmig eindrähtig, sm = sektorförmig mehrdrähtig
▪ Kriech- und Dehnungsvorgänge werden durch Tellerfedern ausgeglichen
▪ Reihenfolge der Kontaktierung frei bestimmbar
Anwendungstabelle mit Werkzeugempfehlung
Anwendungstabelle mit Werkzeugempfehlung
Abzweigklemmen in C-Form
Werkzeugtyp
mechanische, elektrische, pneumatische Presswerkzeuge mit wechselbarem Einsatz / Kopf
Presswerkzeuge
akkuhydraulische Presswerkzeuge
Pressbereich entspr. Nenn-Querschnitt in mm²
- 70
Presssysteme
Pressköpfe
- 70
Presswerkzeug
^WZT_Abzweig_H^ Anwendungstabelle mit Werkzeugempfehlung
Abzweigklemmen in H-Form
Werkzeugtyp
mechanische, elektrische, pneum. Presswerkzeuge mit wechselb. Einsatz / Kopf
Presswerkzeuge
Presswerkzeuge
Pressbereich entspr. Nenn-Querschnitt in mm²
Presssysteme
Aderendhülsen
DIE BESCHÜTZER –
ADERENDHÜLSEN, ISOLIERT UND NICHT-ISOLIERT
Klauke hält zusammen, was zusammengehört. Aderendhülsen verhindern ein Aufspleißen der Leiter, bevor sie in Klemmen angeschlossen werden. Alle Drähte bleiben zusammen. Easy-Entry-Isolierungen beschleunigen das Einführen der Drähte in die Hülse. Besonders feindrähtige Leiter bekommen eine Sonder-Trapezpressung. Kein Aufspleißen, kein Zeitverlust. Ihre Leitungen sind geschützt und können sauber verarbeitet werden.

In Kürze
` Schutz vor aufspleißenden Leitern
` Bessere Kontaktierung
` Keine Kurzschlussgefahr durch abgebogene Adern
` Gefertigt aus hochwertigem Kupfer
` Oberflächenbehandlung mit Zinn oder in Sonderformen mit Silber
` Einfache Vielfalt
Wir geben es zu: Aderendhülsen sind ein einfaches Produkt.
Durch die verschiedenen Pressformen im Sortiment und die hochwertigen Materialien bei der Fertigung werden die Hülsen allerdings mehr, nämlich richtig gut.
◾ Große Vielfalt im Sortiment: nach DIN-Norm, für kurzschlusssichere Leitungen, in verschiedenen Längen, mit und ohne Isolierkragen
` Immer die passende Pressform
Jede Aderendhülse findet bei uns ihre perfekte Pressform. Egal wo der Leiter später aufgelegt werden soll, wir haben eine Lösung für Sie.
◾ Für jede Anschlussklemme die richtige Pressform
◾ Pressformen passend zu den Kammermaßen nach DIN
◾ Für ausgedünnte Leiter
◾ Anschließen ohne Kurzschlussgefahr

◾ Gekennzeichnet nach DIN Farb-Code
◾ Zwillingsaderendhülsen zum Verbinden unter beengten Verhältnissen
◾ Hochwertiges Material für optimale Leiteigenschaften
◾ CSA-geprüft

` Easy-Entry-Isolierung
Die spezielle Easy-Entry-Isolierung erleichtert das Einführen der Leiter in die Hülsen. Zusätzlich halten die Isolierungen ganz schön was aus, zum Beispiel Temperaturen bis 105 °C.
◾ Leichtes Einführen der Leiter durch Easy-Entry-Isolierung
◾ Temperaturbeständigkeit bis 105 °C
◾ Keine giftigen Dämpfe im Brandfall
◾ Alterungsresistenter Kunststoffkragen
Die Easy-Entry-Isolierung ermöglicht schnelles Einführen der Leiter, ohne dass diese aufspleißen.

Aderendhülsen
Aderendhülsen DIN 46228, Teil 1 und Teil 2
695vgrp
Aderendhülsen nach DIN, Cu

Nennquerschnitt
Fortsetzung nächste Seite
` Für fein- und feinstdrähtige Leiter, z. B. nach EN 60228 Kl. 5 und 6 ` Spleissfreie Kabeleinführung durch aufgeweitete Hülse
Eigenschaften
▪ Nach DIN 46228 Teil 1 und ähnliche
Werkstoff
▪ Kupfer
Oberfläche
▪ Galvanisch verzinnt zum Schutz gegen Korrosion
Verarbeitungshinweise
▪ Werkzeug: siehe Seite 1.122
▪ Weitere Informationen zu den Leitungs- und Kabelbezeichnungen finden Sie auf Seite i-6 Zusatzinformationen
▪ Als Sonderartikel in versilberter Ausführung erhältlich, ohne Artikel-Nummer-Zusatz „V“, Ausnahme: Artikel-Nummer 705V in versilberter Ausführung = Artikel-Nr. 7050
▪ * = nicht genormt
Hinweis
Aderendhülsen nach DIN, Cu
Fortsetzung nächste Seite
Aderendhülsen nach DIN, Cu
4696grp
Isolierte Aderendhülsen DIN 46228, Teil 4 und ähnliche Ausführungen Isolierte Aderendhülsen nach DIN, mit Easy Entry

` Für fein- und feinstdrähtige Leiter z.B. nach EN 60228 Klasse 5 und 6 ` Easy-Entry Isolierung für spleissfreie Kabeleinführung ` Halogenfrei
Eigenschaften
▪ Farbkodierung und Abmessung nach DIN 46228 Teil 4
▪ Temperaturbeständigkeit: bis 105 °C
Werkstoff
▪ Cu-DHP
▪ Kunststoff: Polypropylen
Oberfläche
▪ Galvanisch verzinnt zum Schutz gegen Korrosion Verarbeitungshinweise
▪ Werkzeug: siehe Seite 1.122
▪ Weitere Informationen zu den Leitungs- und Kabelbezeichnungen finden Sie auf Seite i-6 Zusatzinformationen
▪ * = nicht genormt
▪ *** = Stückzahl in einem Beutel
Isolierte Aderendhülsen nach DIN, mit Easy Entry
166grgrp
Isolierte Aderendhülsen nach DIN mit Easy Entry, Farbcode 1

` Für fein- und feinstdrähtige Leiter z.B. nach EN 60228 Klasse 5 und 6 ` Easy-Entry Isolierung für spleissfreie Kabeleinführung ` Halogenfrei
Eigenschaften
▪ Nach DIN 46228 Teil 4 (0,5 - 50 mm²)
▪ Temperaturbeständigkeit: bis 105 °C
Werkstoff
▪ Cu-DHP
▪ Kunststoff: Polypropylen
Oberfläche
▪ Galvanisch verzinnt zum Schutz gegen Korrosion
Verarbeitungshinweise
▪ Werkzeug: siehe Seite 1.122
▪ Weitere Informationen zu den Leitungs- und Kabelbezeichnungen finden Sie auf Seite i-6
Zusatzinformationen
▪ * = nicht genormt
▪ ** = Stückzahl in einem Beutel
Isolierte Aderendhülsen nach DIN mit Easy Entry, Farbcode 1
1666grp
Isolierte Aderendhülsen nach DIN mit Easy Entry, Farbcode 2

Fortsetzung nächste Seite
` Für fein- und feinstdrähtige Leiter z.B. nach EN 60228 Klasse 5 und 6 ` Easy-Entry Isolierung für spleißfreie Kabeleinführung ` Halogenfrei
Eigenschaften
▪ Nach DIN 46228 Teil 4 (0,5 - 25 mm²)
▪ Temperaturbeständigkeit: bis 105 °C
Werkstoff
▪ Cu-DHP
▪ Kunststoff: Polypropylen Oberfläche
▪ Galvanisch verzinnt zum Schutz gegen Korrosion
Verarbeitungshinweise
▪ Werkzeug: siehe Seite 1.122
▪ Weitere Informationen zu den Leitungs- und Kabelbezeichnungen finden Sie auf Seite i-6 Zusatzinformationen
▪ * = nicht genormt
▪ ** = Stückzahl in einem Beutel
Isolierte
Aderendhülsen nach DIN mit Easy Entry, Farbcode 2

Isolierte Aderendhülsen mit Fahne
` Für fein- und feinstdrähtige Leiter z.B. nach EN 60228 Klasse 5 und 6
` Mit Kennzeichnungssystem für max. 6 Bezeichnungsringe
` Halogenfrei
Eigenschaften
▪ Abmessungen nach DIN 46228 Teil 4
▪ Temperaturbeständigkeit: bis 105 °C
Werkstoff
▪ Kupfer (EN13600)
▪ Kunststoff: Polypropylen
Oberfläche
▪ Galvanisch verzinnt zum Schutz gegen Korrosion Verarbeitungshinweise
▪ Werkzeug: siehe Seite 1.122
▪ Weitere Informationen zu den Leitungs- und Kabelbezeichnungen finden Sie auf Seite i-6
Aderendhülsen
3800_GRP01

Bezeichnungsringe und Aufsteckgabel
` Zur Kennzeichnung der isolierten Aderendhülsen mit Fahne
Eigenschaften
▪ Unterschiedliche Zahlen / Zeichen in den Bezeichnungsringen
▪ Verpackungseinheit in Heftform, 200 Stück pro Symbol
▪ Aufsteckgabel A300 zum Aufstecken der Bezeichnungsringe auf die isolierten Aderendhülsen mit Fahne
Zusatzinformationen
▪ * = ohne Buchstaben „I“, „O“ und „Y“
Art.-Nr. Farbe
Bezeichnungsringe
Isolierte Aderendhülsen für kurzschlusssichere Leitungen
4328grp
Isolierte Aderendhülsen für kurzschlusssichere Leitungen

` Für fein- und feinstdrähtige Leiter, z.B. nach EN 60228 Kl. 5 und 6
` Für kurzschlusssichere Leitungen (z.B. NSGAFÖU)
` Halogenfrei
Eigenschaften
▪ Temperaturbeständigkeit: bis 105 °C
▪ Easy-Entry Isolierung für einfache Kabeleinführung
▪ Farbkodierte Querschnittzuordnung
Werkstoff
▪ Kupfer (EN13600)
▪ Kunststoff: Polypropylen
Oberfläche
▪ Galvanisch verzinnt zum Schutz gegen Korrosion
Verarbeitungshinweise
▪ Werkzeug: siehe Seite 1.122 Nennquerschnitt
8678grp Isolierte Zwillings-Aderendhülsen Isolierte Zwillingsaderendhülsen

` Für fein- und feinstdrähtige Leiter, z.B. nach EN 60228 Kl. 5 und 6
` Zum Durchschleifen von Klemmen
` Farbkodierung in Anlehnung an DIN 46228 Teil 4 (0,5 - 16 mm²)
` Halogenfrei
Eigenschaften
▪ Temperaturbeständigkeit: bis 105 °C
Werkstoff
▪ Kupfer (EN13600)
▪ Kunststoff: Polypropylen
Oberfläche
▪ Galvanisch verzinnt zum Schutz gegen Korrosion
Verarbeitungshinweise
▪ Werkzeug: siehe Seite 1.123
▪ Weitere Informationen zu den Leitungs- und Kabelbezeichnungen finden Sie auf Seite i-6
2 x
2 x
2
Aderendhülsen
Isolierte Aderendhülsen, Streifenform
st9698grp Isolierte Aderendhülsen, Streifen- und Bandform

Nennquerschnitt
` Für fein- und feinstdrähtige Leiter z.B. EN 60228 Kl. 5 und 6
` Verpresste Aderendhülsen zur einfachen Montage an Kabelklemmen
` Halogenfrei
Eigenschaften
▪ Farbkodierung und Abmessung nach DIN 46228 Teil 4
▪ Temperaturbeständigkeit: bis 105 °C
▪ 50 St. Aderendhülsen pro Streifen
Werkstoff
▪ Kupfer (EN13600)
▪ Kunststoff: Polypropylen
Oberfläche
▪ Galvanisch verzinnt zum Schutz gegen Korrosion
bag9698grp Isolierte Aderendhülsen, Großspule

Nennquerschnitt
` Für fein- und feinstdrähtige Leiter, z.B. nach EN 60228 Kl. 5 und 6
` Easy-Entry Isolierung für spleissfreie Kabeleinführung ` Maschinelle Verarbeitung durch Spulenform ` Halogenfrei
Eigenschaften
▪ Farbkodierung und Abmessung nach DIN 46228 Teil 4
▪ Temperaturbeständigkeit: bis 105 °C
Werkstoff
▪ Kupfer (EN13600)
▪ Kunststoff: Polypropylen
Oberfläche
▪ Galvanisch verzinnt zum Schutz gegen Korrosion
Aderendhülsen
^WZT_AE_DIN46228_1^ Anwendungstabelle mit Werkzeugempfehlung
Anwendungstabelle mit Werkzeugempfehlung
Aderendhülsen nach DIN 46228-1 und DIN 46228-4 Isolierte Aderendhülsen für kurzschlussichere Leitungen
Teil 1 von 2
Werkzeugtyp
mechanische Presswerkzeuge
‑ 10 K303
‑ 16 K306K
K304K
0,14 ‑ 10 K3014K
K3016K
K32
‑ 2,5 K48
0,5 ‑ 2,5 K4
0,5 ‑ 6 K36
0,5 ‑ 6 K507
0,5 ‑ 50 K507WF
K50 2.23 2.81
0,5 ‑ 16 K3 2.6 10 ‑ 35 K35 2.7 25 ‑ 50 K05WF50 2.18 2.18 50 ‑ 95 K05WF95 2.18 2.18 mechanische, elektrische, pneumatische, Presswerkzeuge mit wechselbarem Einsatz / Kopf
EKWF50ML 6.5 2.81 EK50ML 6.6 2.81
10 ‑ 50 K354 2.24 2.86
25 ‑ 240 K22 2.26 2.90
Anwendungstabelle mit Werkzeugempfehlung
^WZT_AE_DIN46228_1^
Anwendungstabelle mit Werkzeugempfehlung
Aderendhülsen nach DIN 46228-1 und DIN 46228-4 Isolierte Aderendhülsen für kurzschlussichere Leitungen
Teil 2 von 2
Werkzeugtyp
Pressköpfe
^WZT_ZAE_isoliert^
Pressbereich entspr. Nenn-Querschnitt in mm²
+UA22
2.90
Werkzeugtyp
Anwendungstabelle mit Werkzeugempfehlung
Isolierte Zwillingsaderendhülsen
mechanische, elektrische, pneumatische, Presswerkzeuge mit wechselbarem Einsatz / Kopf
akkuhydraulische Presswerkzeuge
Pressbereich entspr. Nenn-Querschnitt in mm²
Elektrische Verbindungstechnik
Kabelverbindungen, isoliert und nicht-isoliert
DIE GENAUEN –KABELVERBINDUNGEN, ISOLIERT UND
NICHT-ISOLIERT
Elektrische Leistung ist das Produkt aus Spannung und Stromstärke. Eine optimale Verbindung garantiert die Übertragung ohne Wärmeverluste. Dafür müssen Material, Ausführung und Werkzeug richtig verarbeitet und aufeinander abgestimmt sein.
Wer dauerhaft beste Leistung will, setzt deshalb auf beste Arbeit von Klauke.

In Kürze
` Große Ansprüche auch im Detail
` Lösungen für kleine Nennquerschnitte vorhanden
` Große Auswahl an verschiedenen Ausführungen
` Optimale Verbindung ohne Wärmeverlust
` Rillenprägung für bessere Kontaktierung
` Easy isoliert
Alle Isolierungen sind in der Easy-Entry-Form gefertigt, für einfaches Einführen der Kabel ohne Aufspleißen.
Für kleine Bereiche mit großer Wirkung.
◾ Kabelverbindungen von 0,1 mm2 bis 6 mm2 Nennquerschnitt
◾ Temperaturbeständig bis 105 °C
` Mehr Halt mit Rillenprägung
Das Besondere liegt im Detail. Klauke Flachsteckverbindungen gibt es nicht nur in vielen Modellen, sie sind auch mit besonderen Merkmalen ausgestattet. Ob als genormter Stecker oder mit Rillenprägung für eine bessere Kontaktierung
– bei Klauke finden Sie immer das richtige Merkmal für Ihre Anforderungen.
◾ Große Auswahl an Modellen
◾ Vielseitig einsetzbar
◾ Auch als genormter Stecker mit unterschiedl. Steckbreiten
◾ Mit Zugentlastung erhältlich
◾ Vollisolierte Flachsteckhülsen
◾ Rillenprägung und zusätzlicher Kupferring im Isolationsbereich für höhere Beanspruchungen
◾ Schwer entflammbare Polyamid-Isolierungen: im Brandfall keine giftigen Dämpfe
◾ Halogenfrei
◾ Unempfindlich gegen Korrosion durch Verzinnung unter der Isolierung
◾ Leichte Verarbeitung durch Easy-Entry-Form
◾ Rillenprägung im Innenteil für eine bessere Kontaktierung


` Qualität im Detail
In einer Maschine muss alles zusammenarbeiten. Jedes Teil muss funktionieren, damit die Maschine läuft. Besser, Sie setzen auch im Kleinen auf Produkte mit hoher Qualität und hoher Belastbarkeit, zum Beispiel auf unsere Flachsteckhülse mit Rastpunkt. Durch den Rastpunkt ist eine sichere Verbindung auch nach mehrmaligen Steckvorgängen garantiert.
◾ Hoher Leitwert und sichere Isolierung durch hochwertige Materialien
◾ Bessere Federeigenschaften durch die Verwendung von Bronze
6192grp Isolierte Kabelverbindungen Elektrische
Kabelverbindungen, isoliert und nicht-isoliert
Isolierte Quetschkabelschuhe

` Für fein- und feinstdrähtige Leiter, z. B. nach EN 60228 Kl. 5 und 6
` Nach DIN 46237
` Hochwertiges Hartlötverfahren im Pressbereich
` Isolierhülse halogenfrei
Eigenschaften
▪ Temperaturbeständigkeit: bis 105 °C
▪ Easy-Entry Isolierung für einfache Kabeleinführung
▪ Querschnittabhängige Farbkodierung
Werkstoff
▪ Kupfer (ETP)
▪ Isolierhülse: PA
Oberfläche
▪ Galvanisch verzinnt zum Schutz gegen Korrosion
Verarbeitungshinweise
▪ Werkzeug: siehe Seite 1.142
▪ Weitere Informationen zu den Leitungs- und Kabelbezeichnungen finden Sie auf Seite i-6
Zusatzinformationen
▪ * = nicht genormt
▪ 0,1 - 0,4 mm² nicht CSA geprüft
Nennquerschnitt mm²
Nenngröße nach DIN Art.-Nr. Farbe
- 0,4
Nennquerschnitt mm²

` Für fein- und feinstdrähtige Leiter, z. B. nach EN 60228 Kl. 5 und 6
` Abmessungen im Crimpbereich nach DIN 46237
` Hochwertiges Hartlötverfahren im Pressbereich
` Einfache Montage durch Gabelform
` Isolierhülse halogenfrei
Eigenschaften
▪ Temperaturbeständigkeit: bis 105 °C
▪ Easy-Entry Isolierung für einfache Kabeleinführung
▪ Querschnittabhängige Farbkodierung
Werkstoff
▪ Kupfer (ETP)
▪ Isolierhülse: PA
Oberfläche
▪ Galvanisch verzinnt zum Schutz gegen Korrosion
Verarbeitungshinweise
▪ Werkzeug: siehe Seite 1.142
▪ Weitere Informationen zu den Leitungs- und Kabelbezeichnungen finden Sie auf Seite i-6
Zusatzinformationen
▪ 0,1 - 0,4 mm² nicht CSA geprüft
▪ * = nicht genormt
Nenngröße nach DIN Art. - Nr. Farbe Hinweis Abmessung
Kabelverbindungen, isoliert und nicht-isoliert
Isolierte Stiftkabelschuhe
704grp

` Für fein- und feinstdrähtige Leiter, z. B. nach EN 60228 Kl. 5 und 6
` Nach DIN 46231
` Hochwertiges Hartlötverfahren im Pressbereich
` Isolierhülse halogenfrei
Eigenschaften
▪ Querschnittabhängige Farbkodierung
▪ Temperaturbeständigkeit: bis 105 °C
▪ Easy-Entry Isolierung für einfache Kabeleinführung
Werkstoff
▪ Kupfer (ETP)
▪ Isolierhülse: PA
Oberfläche
▪ Galvanisch verzinnt zum Schutz gegen Korrosion
Verarbeitungshinweise
▪ Werkzeug: siehe Seite 1.142
▪ Weitere Informationen zu den Leitungs- und Kabelbezeichnungen finden Sie auf Seite i-6
Zusatzinformationen
▪ 0,1 - 0,4 mm² nicht CSA geprüft
▪ * = nicht genormt
Nennquerschnitt mm² Nenngröße nach DIN Art.-Nr. Farbe Hinweis Abmessung mm
Isolierte Rundsteckhülsen


` Für fein- und feinstdrähtige Leiter, z. B. nach EN 60228 Kl. 5 und 6 ` Optimale Federeigenschaft und höhere Steckfestigkeit durch hochwertiges Bronzematerial
Eigenschaften
▪ Querschnittabhängige Farbkodierung
▪ Temperaturbeständigkeit: bis 70 °C
Werkstoff
▪ Bronze (CuSnZn)
▪ Isolierhülse: PVC
Oberfläche
▪ Galvanisch verzinnt zum Schutz gegen Korrosion
Verarbeitungshinweise
▪ Werkzeug: siehe Seite 1.142
▪ Weitere Informationen zu den Leitungs- und Kabelbezeichnungen finden Sie auf Seite i-6
Zusatzinformationen
▪ 1,5 - 2,5 mm² und 4 - 6 mm² nicht CSA geprüft
Isolierte Rundstecker


Nennquerschnitt mm² Art.-Nr. Farbe
` Für fein- und feinstdrähtige Leiter, z. B. nach EN 60228 Kl. 5 und 6
Eigenschaften
▪ Querschnittabhängige Farbkodierung
▪ Temperaturbeständigkeit: bis 70 °C
Werkstoff
▪ Messing (CuZn)
▪ Isolierhülse: PVC
Oberfläche
▪ Galvanisch verzinnt zum Schutz gegen Korrosion
Verarbeitungshinweise
▪ Werkzeug: siehe Seite 1.142
▪ Weitere Informationen zu den Leitungs- und Kabelbezeichnungen finden Sie auf Seite i-6
Zusatzinformationen
▪ 1,5 - 2,5 mm² und 4 - 6 mm² nicht CSA geprüft
Kabelverbindungen, isoliert und nicht-isoliert
Isolierte Rundsteckhülsen, vollisoliert
920vgrp

` Für fein- und feinstdrähtige Leiter, z. B. nach EN 60228 Kl. 5 und 6
` Optimale Federeigenschaft und höhere Steckfestigkeit durch hochwertiges
Bronzematerial
` Schnelle Verarbeitung, da keine weitere Isolierung der verpressten Verbindung notwendig ist
` Isolierhülse halogenfrei
Eigenschaften
▪ Querschnittabhängige Farbkodierung
▪ Temperaturbeständigkeit: bis 105 °C
Werkstoff
▪ Bronze (CuSnZn)
▪ Isolierhülse: PA
Oberfläche
▪ Galvanisch verzinnt zum Schutz gegen Korrosion
Verarbeitungshinweise
▪ Werkzeug: siehe Seite 1.142
▪ Weitere Informationen zu den Leitungs- und Kabelbezeichnungen finden Sie auf Seite i-6
Zusatzinformationen
▪ 4 - 6 mm² nicht CSA geprüft
Abmessung mm Gewicht/
Nennquerschnitt mm² Art.-Nr. Farbe
1020vgrp
Isolierte Rundstecker, vollisoliert

` Für fein- und feinstdrähtige Leiter, z. B. nach EN 60228 Kl. 5 und 6
` Optimale Federeigenschaft und höhere Steckfestigkeit durch hochwertiges Bronzematerial
` Schnelle Verarbeitung, da keine weitere Isolierung der verpressten Verbindung notwendig ist
` Isolierhülse halogenfrei
Eigenschaften
▪ Querschnittabhängige Farbkodierung
▪ Temperaturbeständigkeit: bis 105 °C
Werkstoff
▪ Bronze (CuSnZn)
▪ Isolierhülse: PA
Oberfläche
▪ Galvanisch verzinnt zum Schutz gegen Korrosion
Verarbeitungshinweise
▪ Werkzeug: siehe Seite 1.142
▪ Weitere Informationen zu den Leitungs- und Kabelbezeichnungen finden Sie auf Seite i-6
Zusatzinformationen
▪ 1,5 - 2,5 mm² und 4 - 6 mm² nicht CSA geprüft
Nennquerschnitt mm² Art.-Nr. Farbe Abmessung mm
8201grp Isolierte Flachsteckhülsen, Messing verzinnt


` Für fein- und feinstdrähtige Leiter, z. B. nach EN 60228 Kl. 5 und 6
Eigenschaften
▪ Nach DIN 46245 Teil 1 - 3 und ähnliche Ausführungen
▪ Querschnittabhängige Farbkodierung
▪ Temperaturbeständigkeit: PVC bis 70 °C, PA bis 105 °C
Werkstoff
▪ Messing (CuZn)
▪ Isolierhülse: PVC/PA
Oberfläche
▪ Galvanisch verzinnt zum Schutz gegen Korrosion
Verarbeitungshinweise
▪ Werkzeug: siehe Seite 1.142
▪ Weitere Informationen zu den Leitungs- und Kabelbezeichnungen finden Sie auf Seite i-6
Kabelverbindungen, isoliert und nicht-isoliert
Isolierte Flachsteckhülsen, Bronze verzinnt
720bzgrp


` Für fein- und feinstdrähtige Leiter, z. B. nach EN 60228 Kl. 5 und 6
` Optimale Federeigenschaft und höhere Steckfestigkeit durch hochwertiges Bronzematerial
Eigenschaften
▪ Nach DIN 46245 Teil 3
▪ Querschnittabhängige Farbkodierung
▪ Temperaturbeständigkeit: bis 70 °C
Werkstoff
▪ Bronze (CuSnZn)
▪ Isolierhülse: PVC
Oberfläche
▪ Galvanisch verzinnt zum Schutz gegen Korrosion
Verarbeitungshinweise
▪ Werkzeug: siehe Seite 1.142
▪ Weitere Informationen zu den Leitungs- und Kabelbezeichnungen finden Sie auf Seite i-6
Nennquerschnitt mm² Nenngröße nach DIN Art.-Nr. Farbe Steckdicke Steckbreite Abmessung mm
Isolierte Flachsteckhülsen mit Abzweig
720azgrp


Nennquerschnitt
` Für fein- und feinstdrähtige Leiter, z. B. nach EN 60228 Kl. 5 und 6
Eigenschaften
▪ Querschnittabhängige Farbkodierung
▪ Temperaturbeständigkeit: bis 70 °C
Werkstoff
▪ Messing (CuZn)
▪ Isolierhülse: PVC Oberfläche
▪ Galvanisch verzinnt zum Schutz gegen Korrosion Verarbeitungshinweise
▪ Werkzeug: siehe Seite 1.142
▪ Weitere Informationen zu den Leitungs- und Kabelbezeichnungen finden Sie auf Seite i-6
8201vgrp Isolierte Flachsteckhülsen, vollisoliert


` Für fein- und feinstdrähtige Leiter, z. B. nach EN 60228 Kl. 5 und 6 ` Schnelle Verarbeitung, da keine weitere Isolierung der verpressten Verbindung notwendig ist
Eigenschaften
▪ Querschnittabhängige Farbkodierung
▪ Temperaturbeständigkeit: PVC bis 70 °C, PA bis 105 °C
Werkstoff
▪ Messing (CuZn)
▪ Isolierhülse: PVC/PA
Oberfläche
▪ Galvanisch verzinnt zum Schutz gegen Korrosion
Verarbeitungshinweise
▪ Werkzeug: siehe Seite 1.142
▪ Weitere Informationen zu den Leitungs- und Kabelbezeichnungen finden Sie auf Seite i-6
Kabelverbindungen, isoliert und nicht-isoliert
Isolierte Flachstecker


Nennquerschnitt
- 1
Isolierte Endverbinder


` Für fein- und feinstdrähtige Leiter, z. B. nach EN 60228 Kl. 5 und 6
Eigenschaften
▪ Querschnittabhängige Farbkodierung
▪ Temperaturbeständigkeit: PVC bis 70 °C, PA bis 105 °C
Werkstoff
▪ Messing (CuZn)
▪ Isolierhülse: PVC/PA
Oberfläche
▪ Galvanisch verzinnt zum Schutz gegen Korrosion Verarbeitungshinweise
▪ Werkzeug: siehe Seite 1.142
▪ Weitere Informationen zu den Leitungs- und Kabelbezeichnungen finden Sie auf Seite i-6
` Für fein- und feinstdrähtige Leiter, z. B. nach EN 60228 Kl. 5 und 6
` Sicherer Abschluss von offenen Leitern
` Isolierhülse halogenfrei
Eigenschaften
▪ Querschnittabhängige Farbkodierung
▪ Temperaturbeständigkeit: bis 105 °C
Werkstoff
▪ Kupfer (ETP)
▪ Isolierhülse: PA
Oberfläche
▪ Galvanisch verzinnt zum Schutz gegen Korrosion
Verarbeitungshinweise
▪ Werkzeug: siehe Seite 1.142
▪ Weitere Informationen zu den Leitungs- und Kabelbezeichnungen finden Sie auf Seite i-6
669grp
Isolierte Stoßverbinder


` Für fein- und feinstdrähtige Leiter, z. B. nach EN 60228 Kl. 5 und 6
` Einfache und sichere Verbindung durch Mitteneinschub
` Schnelle Verarbeitung, da keine weitere Isolierung der verpressten Verbindung notwendig ist
` Isolierhülse halogenfrei
Eigenschaften
▪ Querschnittabhängige Farbkodierung
▪ Temperaturbeständigkeit: bis 105 °C
Werkstoff
▪ Kupfer (ETP)
▪ Isolierhülse: PA
Oberfläche
▪ Galvanisch verzinnt zum Schutz gegen Korrosion
Verarbeitungshinweise
▪ Werkzeug: siehe Seite 1.142
▪ Weitere Informationen zu den Leitungs- und Kabelbezeichnungen finden Sie auf Seite i-6
Zusatzinformationen
▪ 0,1 - 0,4 mm² nicht CSA geprüft Nennquerschnitt mm²
670wsgrp
Isolierte Stoßverbinder mit Wärmeschrumpfisolierung


` Für fein- und feinstdrähtige Leiter, z. B. nach EN 60228 Kl. 5 und 6
` Einfache und sichere Verarbeitung durch Mitteneindruck
` Schnelle Verarbeitung, da keine weitere Isolierung der verpressten Verbindung notwendig ist
` Isolierhülse halogenfrei
Eigenschaften
▪ Querschnittabhängige Farbkodierung
▪ Spezielles Presswerkzeug erforderlich
▪ Temperaturbeständigkeit: bis 105 °C
Werkstoff
▪ Kupfer (ETP)
▪ Isolierhülse: PE
Oberfläche
▪ Galvanisch verzinnt zum Schutz gegen Korrosion
Verarbeitungshinweise
▪ Werkzeug: siehe Seite 1.142
▪ Weitere Informationen zu den Leitungs- und Kabelbezeichnungen finden Sie auf Seite i-6
Kabelverbindungen, isoliert und nicht-isoliert
Isolierte Parallelverbinder
769grp


` Für fein- und feinstdrähtige Leiter, z. B. nach EN 60228 Kl. 5 und 6 ` Schnelle Verarbeitung, da keine weitere Isolierung der verpressten Verbindung notwendig ist
` Isolierhülse halogenfrei
Eigenschaften
▪ Querschnittabhängige Farbkodierung
▪ Temperaturbeständigkeit: bis 105 °C
Werkstoff
▪ Kupfer (ETP)
▪ Isolierhülse: PA
Oberfläche
▪ Galvanisch verzinnt zum Schutz gegen Korrosion Verarbeitungshinweise
▪ Werkzeug: siehe Seite 1.142
▪ Weitere Informationen zu den Leitungs- und Kabelbezeichnungen finden Sie auf Seite i-6
Zusatzinformationen
▪ 0,1 - 0,4 mm² nicht CSA geprüft Nennquerschnitt
Nicht-isolierte Flachsteckverbindungen
18251grp
Nicht-isolierte Flachsteckhülsen


Nennquerschnitt mm² Nenngröße nach DIN
` Für fein- und feinstdrähtige Leiter, z. B. nach EN 60228 Kl. 5 und 6
Eigenschaften
▪ Nach DIN 46247 Teil 1 - 3 und ähnliche Ausführungen
▪ Verbesserte Kontakteigenschaften durch Rillenprägung
Werkstoff
▪ Messing (CuZn)
Oberfläche
▪ Galvanisch verzinnt zum Schutz gegen Korrosion
Verarbeitungshinweise
▪ Werkzeug: siehe Seite 1.143
▪ Weitere Informationen zu den Leitungs- und Kabelbezeichnungen finden Sie auf Seite i-6
Zusatzinformationen
▪ * = Auch in Stahl vernickelter Ausführung erhältlich, Artikel-Nummer-Zusatz „ST“
Nicht-isolierte Flachsteckhülsen mit Abzweig
18203azgrp


Nennquerschnitt
` Für fein- und feinstdrähtige Leiter, z. B. nach EN 60228 Kl. 5 und 6
Eigenschaften
▪ Nach DIN 46247 Teil 1 - 3 und ähnliche Ausführungen
▪ Verbesserte Kontakteigenschaften durch Rillenprägung
Werkstoff
▪ Messing (CuZn)
Oberfläche
▪ Galvanisch verzinnt zum Schutz gegen Korrosion
Verarbeitungshinweise
▪ Werkzeug: siehe Seite 1.143
▪ Weitere Informationen zu den Leitungs- und Kabelbezeichnungen finden Sie auf Seite i-6
Zusatzinformationen
▪ * = entsprechen DIN 46345
Kabelverbindungen, isoliert und nicht-isoliert
Nicht-isolierte Flachsteckhülsen mit Rastzunge
2720grp


` Für fein- und feinstdrähtige Leiter, z. B. nach EN 60228 Kl. 5 und 6
Eigenschaften
▪ Nach DIN 46340 Blatt 3
▪ Mit Rastzunge zum Einrasten in Gehäuse
▪ Verbesserte Kontakteigenschaften durch Rillenprägung
Werkstoff
▪ Messing (CuZn)
Oberfläche
▪ Galvanisch verzinnt zum Schutz gegen Korrosion Verarbeitungshinweise
▪ Werkzeug: siehe Seite 1.143
▪ Weitere Informationen zu den Leitungs- und Kabelbezeichnungen finden Sie auf Seite i-6
Nicht-isolierte Flachsteckhülsen mit seitlichem Leiteranschluss
3720grp


Nennquerschnitt
1,5 - 2,5
` Für fein- und feinstdrähtige Leiter, z. B. nach EN 60228 Kl. 5 und 6 ` Verbesserte Kontakteigenschaften durch Rillenprägung
Werkstoff
▪ Messing (CuZn)
Oberfläche
▪ Galvanisch verzinnt zum Schutz gegen Korrosion
Verarbeitungshinweise
▪ Werkzeug: siehe Seite 1.143
▪ Weitere Informationen zu den Leitungs- und Kabelbezeichnungen finden Sie auf Seite i-6
2235grp Nicht-isolierte Flachstecker


` Für fein- und feinstdrähtige Leiter, z. B. nach EN 60228 Kl. 5 und 6 ` Verbesserte Kontakteigenschaften durch Rillenprägung
Werkstoff
▪ Messing (CuZn)
Oberfläche
▪ Galvanisch verzinnt zum Schutz gegen Korrosion Verarbeitungshinweise
▪ Werkzeug: siehe Seite 1.143
▪ Weitere Informationen zu den Leitungs- und Kabelbezeichnungen finden Sie auf Seite i-6 Zusatzinformationen
▪ * = Maße im Steckbereich DIN 46244 Nennquerschnitt mm² Nenngröße nach
1,5 - 2,5
Kabelverbindungen, isoliert und nicht-isoliert
Nicht-isolierte Flachstecker, abgewinkelte Ausführung
2040grp


Nenngröße nach DIN
Eigenschaften
▪ Nach DIN 46342 Teil 1 und ähnliche Ausführungen
▪ Maße im Steckbereich nach DIN 46244
Werkstoff
▪ Messing (CuZn)
Oberfläche
▪ Galvanisch verzinnt zum Schutz gegen Korrosion
2123grp
Nicht-isolierte Flachstecker, gerade Ausführung


Eigenschaften
▪ Nach DIN 46342 Teil 1 und ähnliche Ausführungen
▪ Maße im Steckbereich nach DIN 46244
Werkstoff
▪ Messing (CuZn)
Oberfläche
▪ Galvanisch verzinnt zum Schutz gegen Korrosion
Nicht-isolierte Flachstecker zum Einlöten
2010grp


` Sehr gute Löteigenschaften durch das verwendete Material
Eigenschaften
▪ Maße im Steckbereich nach DIN 46244
▪ Zum Einlöten in gedruckte Schaltungen
Werkstoff
▪ Messing (CuZn)
Oberfläche
▪ Galvanisch verzinnt zum Schutz gegen Korrosion
Elektrische Verbindungstechnik
Kabelverbindungen, isoliert und nicht-isoliert
Nicht-isolierte Steckverteiler
735grp

Eigenschaften
▪ Maße im Steckbereich nach DIN 46244
Werkstoff
▪ Messing (CuZn)
Oberfläche
▪ Galvanisch verzinnt zum Schutz gegen Korrosion
735
Steckverbinder und Leitungsverteiler
Anwendungstabelle mit Werkzeugempfehlung
^WZT_KV_isoliert^
Anwendungstabelle mit Werkzeugempfehlung
Isolierte Kabelverbindungen
Werkzeugtyp Pressbereich entspr. Nenn-Querschnitt in mm²
‑ 1 K80
‑ 6 K82A
mechanische, elektrische, pneumatische Presswerkzeuge mit wechselbarem Einsatz / Kopf
^WZT_SV_isoliert^
Werkzeugtyp
mechanische, elektrische, pneumatische Presswerkzeuge mit wechselbarem Einsatz / Kopf
‑ 16 K50
6 K507
Anwendungstabelle mit Werkzeugempfehlung
Stoßverbinder mit Wärmeschrumpfisolierung
Presswerkzeug
Pressbereich entspr. Nenn-Querschnitt in mm²
‑ 16 K50
6 K82T
^WZT_FSH_gerade^
Anwendungstabelle mit Werkzeugempfehlung
Nicht-isolierte Flachsteckhülsen, gerade Ausführung
Werkzeugtyp
mechanische Presswerkzeuge
mechanische, elektrische, pneumatische Presswerkzeuge mit wechselbarem Einsatz / Kopf
^WZT_FSH_seitlich^
Pressbereich entspr. Nenn-Querschnitt in mm²
Presswerkzeug
Artikelnummer Presskopf / Adapter Presswerkzeug Presseinsatz
0,5 ‑ 2,5 K582
0,5 ‑ 6 K592 2.14
‑ 6 K50
Anwendungstabelle mit Werkzeugempfehlung
Nicht-isolierte Flachsteckhülsen, mit seitlichem Leiteranschluss
Werkzeugtyp
Artikelnummer Hülse
Artikelnummer Presskopf / Adapter Presswerkzeug
mechanische, elektrische, pneumatische Presswerkzeuge mit wechselbarem Einsatz / Kopf 3720, 3735 K50
Presswerkzeug Katalogseite Pressform
DIE PRAKTISCHEN–
STREUDOSEN UND SORTIMENTSKÄSTEN
Ein echter Profi ist immer gut sortiert. Auf die Verfügbarkeit von Werkzeug und Verbindungsmaterial kommt es an. In Klauke Sortimentskästen aus robustem Metall werden die Werkzeuge direkt mit passenden Kabelschuhen und Verbindern geliefert. Alles ist aufeinander abgestimmt. Materialien und Werkzeuge liegen an ihrem Platz – übersichtlich und schnell zur Hand. Mit den Kästen sind Sie immer für den Einsatz gerüstet. Auf Wunsch befüllen wir sie auch individuell.

In Kürze
` Bringt Ordnung an den Arbeitsplatz durch übersichtliche Bauform
` Alles griffbereit in einem Koffer
` Für Ihre Bedürfnisse zusammengestellt und in vielen Varianten lieferbar
` Praktisch und immer griffbereit
Mit den praktischen Streudosen ist alles an seinem Platz und immer griffbereit, unterwegs und in der Werkstatt. Schüttöffnungen bei stapelbaren Streudosen machen die Entnahme von Aderendhülsen einfacher.
◾ Aderendhülsen mit und ohne Isolierung immer griffbereit
◾ Praktische Schüttöffnung zum einfachen Entnehmen
◾ Stapelbare Dose
◾ Widerstandsfähiger und schlagfester Kunststoff

` Unser Sortiment, Ihre Ordnung
Wir haben Ihnen bereits eine Auswahl zusammengestellt. Sie finden bei uns vorgepackte Koffer für unterschiedliche Anforderungen. Wenn Sie die robusten Koffer selbst befüllen möchten, geht das auch.
◾ Hochwertige Kästen aus Kunststoff oder Metall
◾ Mit aufeinander abgestimmtem Sortiment aus Werkzeug und Verbindungselementen erhältlich
◾ Auch bei starken Erschütterungen oder einem Sturz bleibt alles im richtigen Fach
◾ Koffer auch leer oder mit individueller Befüllung lieferbar


ST 23 B Streudose mit Aderendhülsen 0,25 - 1 mm²
` Streudose aus schlagfestem Kunststoff
Eigenschaften
▪ Stapelbar und wiederverschließbar
Artikel
Streudose mit Aderendhülsen 0,25 - 1 mm² nach DIN 46228 Teil 1
Lieferumfang Beschreibung l in mm Menge
ST23L Streudose 1
695V Aderendhülse, 0,25 mm², 5 mm 5 1000
705V Aderendhülse, 0,34 mm², 5 mm, Cu verzinnt 5 1000
716V Aderendhülse, 0,75 mm², 6 mm 6 1000
71S6V Aderendhülse, 0,5 mm², 6 mm, Cu verzinnt 6 500
72S6V Aderendhülse, 1,0 mm², 6 mm

ST 21 B Streudose mit Aderendhülsen 0,5 - 2,5 mm²
` Streudose aus schlagfestem Kunststoff
Eigenschaften
▪ Stapelbar und wiederverschließbar
Artikel
Streudose mit Aderendhülsen 0,5 - 2,5 mm² nach DIN 46228 Teil 1
Art.-Nr.
Lieferumfang Beschreibung l in mm Menge
ST21L Streudose 1
71S6V Aderendhülse, 0,5 mm², 6 mm, Cu verzinnt 6 1000
716V Aderendhülse, 0,75 mm², 6 mm 6
72S6V Aderendhülse, 1,0 mm², 6 mm 6
727V Aderendhülse, 1,5 mm², 7 mm 7 500
737V Aderendhülse, 2,5 mm², 7 mm 7 500

ST 22 B Streudose mit Aderendhülsen 4 - 16 mm²
` Streudose aus schlagfestem Kunststoff
Eigenschaften
▪ Stapelbar und wiederverschließbar
Artikel Art.-Nr.
Streudose mit Aderendhülsen 4 - 16 mm² nach DIN 46228 Teil 1 ST22B
Lieferumfang Beschreibung l in mm Menge
ST22L Streudose 1
749V Aderendhülse, 4 mm², 9 mm 9 200
7512V Aderendhülse 6 mm², 12 mm, Cu verzinnt 12 100
7612V Aderendhülse, 10 mm², 12 mm, Cu verzinnt 12 70
7712V Aderendhülse, 16 mm², 12 mm, Cu verzinnt 12 70
Streudosen mit isolierten Aderendhülsen

ST 15 B Streudose mit isolierten Zwillings-Aderendhülsen 2 x 0,75 - 2 x 2,5 mm²
` Streudose aus schlagfestem Kunststoff
Eigenschaften
▪ Stapelbar und wiederverschließbar
Artikel
Lieferumfang Farbe

ST 1 B Streudose mit isol. Aderendhülsen 0,5 - 2,5 mm², DIN 46228 Teil 4, Farbcode 1
` Streudose aus schlagfestem Kunststoff
Eigenschaften
▪ Stapelbar und wiederverschließbar
Artikel
Streudose mit isol. Aderendhülsen 0,5 - 2,5 mm², DIN 46228 Teil 4, Farbcode 1 ST1B
Lieferumfang Farbe

ST 11 B Streudose mit isol. Aderendhülsen 0,5 - 2,5 mm², DIN 46228 Teil 4
` Streudose aus schlagfestem Kunststoff
Eigenschaften
▪ Stapelbar und wiederverschließbar
Artikel
Streudose mit isol. Aderendhülsen 0,5 - 2,5 mm², DIN 46228 Teil 4 ST11B
Lieferumfang Farbe Beschreibung l2 in mm Menge ST11L Streudose 1 4698
4718
4728
4738
Isol. Aderendhülse, 0,5 mm², 14 mm 8
Isol. Aderendhülse, 0,75 mm², 14 mm 8
Isol. Aderendhülse, 1 mm², 14 mm 8
Isol. Aderendhülse, 1,5 mm², 14 mm 8
Isol. Aderendhülse, 2,5 mm², 14 mm 8
Sortimente Verbindungstechnik

ST 31 B Streudose mit isol. Aderendhülsen 0,5 - 2,5 mm², DIN 46228 Teil 4, Farbcode 2
` Streudose aus schlagfestem Kunststoff
Eigenschaften
▪ Stapelbar und wiederverschließbar
Artikel Art.-Nr.
Streudose mit isol. Aderendhülsen 0,5 - 2,5 mm², DIN 46228 Teil 4, Farbcode 2 ST31B
Lieferumfang Farbe Beschreibung l2 in mm Menge ST31L Streudose 1 1698
Isol. Aderendhülse, 0,5 mm², 13 mm 8 50 1708
Isol. Aderendhülse, 0,75 mm², 13,5 mm 6

1718
Isol. Aderendhülse, 1 mm², 13,5 mm 8 100 1728
1738
Isol. Aderendhülse, 1,5 mm², 13,5 mm 8
Isol. Aderendhülse, 2,5 mm², 14,5 mm 8 50
ST 12 B Streudose mit isol. Aderendhülsen 4 - 16 mm², DIN
46228 Teil 4
` Streudose aus schlagfestem Kunststoff
Eigenschaften
▪ Stapelbar und wiederverschließbar
Artikel Art.-Nr.
Streudose mit isol. Aderendhülsen 4 - 16 mm², DIN 46228 Teil 4 ST12B
Lieferumfang Farbe Beschreibung l2 in mm Menge ST12L Streudose
47410 Isol. Aderendhülse, 4 mm², 17 mm 10
47512 Isol. Aderendhülse, 6 mm², 20 mm 12
47612 Isol. Aderendhülse, 10 mm², 22 mm 12 20 47712 Isol. Aderendhülse, 16 mm², 24 mm 12

ST 2 B Streudose mit isol. Aderendhülsen 4 - 16 mm², DIN 46228 Teil 4, Farbcode 1
` Streudose aus schlagfestem Kunststoff
Eigenschaften
▪ Stapelbar und wiederverschließbar
Artikel Art.-Nr.
Streudose mit isol. Aderendhülsen 4 - 16 mm², DIN 46228 Teil 4, Farbcode 1 ST2B
Lieferumfang Farbe Beschreibung l2 in mm Menge ST2L Streudose 1
174GR Isol. Aderendhülse, 4 mm², 16,5 mm 10 50
175S Isol. Aderendhülse, 6 mm², 20 mm 12 20
176E Isol. Aderendhülse, 10 mm², 21,5 mm 12 20
177GR Isol. Aderendhülse, 16 mm², 22,2 mm 12 10

ST 32 B Streudose mit isol. Aderendhülsen 4 - 16 mm², DIN 46228 Teil 4, Farbcode 2
` Streudose aus schlagfestem Kunststoff
Eigenschaften
▪ Stapelbar und wiederverschließbar
Artikel
Streudose mit isol. Aderendhülsen 4 - 16 mm², DIN 46228 Teil 4, Farbcode 2
Lieferumfang Farbe

ST 3 B Streudose mit isol. Aderendhülsen 0,25 - 1 mm², DIN 46228 Teil 4, Farbcode 1
` Streudose aus schlagfestem Kunststoff
Eigenschaften ▪ Stapelbar und wiederverschließbar Artikel
mit isol. Aderendhülsen 0,25 - 1 mm², DIN 46228 Teil 4, Farbcode 1
ST 13 B Streudose mit isol. Aderendhülsen 0,25 - 1 mm², DIN 46228 Teil 4 u. ähnliche, Farbcode 1

` Streudose aus schlagfestem Kunststoff
Eigenschaften
▪ Stapelbar und wiederverschließbar
Streudose mit isol. Aderendhülsen 0,25 - 1 mm², DIN 46228 Teil 4 u. ähnliche, Farbcode 1
Lieferumfang Farbe
Isol. Aderendhülse, 1 mm², 14 mm
ST33Bgrp
ST 33 B Streudose mit isol. Aderendhülsen 0,25 - 1 mm², DIN 46228 Teil 4 u. ähnliche, Farbcode 2

` Streudose aus schlagfestem Kunststoff
Eigenschaften
▪ Stapelbar und wiederverschließbar
Artikel
Streudose mit isol. Aderendhülsen 0,25 - 1 mm², DIN 46228 Teil 4 u. ähnliche, Farbcode 2
Lieferumfang Farbe Beschreibung l2 in mm Menge ST33L Streudose 1 1676
Isol. Aderendhülse 0,25 mm², 11 mm 6
1686
Isol. Aderendhülse 0,34 mm², 11 mm 6 30 1698
Isol. Aderendhülse, 0,5 mm², 13 mm 6
1708
Isol. Aderendhülse, 0,75 mm², 13,5 mm 8 30 1718
Isol. Aderendhülse, 1 mm², 13,5 mm 8
GR 4698 DO Streudose mit isolierten Aderendhülsen 0,5 mm²
GR4698DOgrp

` Streudose aus schlagfestem Kunststoff
Eigenschaften
▪ Stapelbar und wiederverschließbar
Artikel Art.-Nr.
Streudose mit isolierten Aderendhülsen 0,5 mm² nach DIN 46228 Teil 4
GR4698DO
Lieferumfang Farbe Beschreibung l2 in mm Menge
4698 Isol. Aderendhülse, 0,5 mm², 14 mm 8 1000
GR 4708 DO Streudose mit isolierten Aderendhülsen 0,75 mm²
GR4708DOgrp

` Streudose aus schlagfestem Kunststoff
Eigenschaften
▪ Stapelbar und wiederverschließbar
Artikel
Art.-Nr.
Streudose mit isolierten Aderendhülsen 0,75 mm² DIN 46228 Teil 4 GR4708DO
Lieferumfang Farbe Beschreibung l2 in mm Menge
4708 Isol. Aderendhülse, 0,75 mm², 14 mm 8 1000
GR 4718 DO Streudose mit isolierten Aderendhülsen 1 mm²
GR4718DOgrp

` Streudose aus schlagfestem Kunststoff
Eigenschaften
▪ Stapelbar und wiederverschließbar
Artikel
Art.-Nr.
Streudose mit isolierten Aderendhülsen 1 mm² DIN 46228 Teil 4 GR4718DO
Lieferumfang Farbe Beschreibung l2 in mm Menge
4718 Isol. Aderendhülse, 1 mm², 14 mm 8 1000
GR4728DOgrp
GR 4728 DO Streudose mit isolierten Aderendhülsen 1,5 mm²

` Streudose aus schlagfestem Kunststoff
Eigenschaften
▪ Stapelbar und wiederverschließbar
Artikel
Streudose mit isolierten Aderendhülsen 1,5 mm² DIN 46228 Teil 4
Lieferumfang Farbe Beschreibung l2 in mm Menge 4728 Isol. Aderendhülse, 1,5 mm², 14 mm 8 1000
GR 4738 DO Streudose mit isolierten Aderendhülsen 2,5 mm²
GR4738DOgrp

` Streudose aus schlagfestem Kunststoff
Eigenschaften
▪ Stapelbar und wiederverschließbar
Artikel
Streudose mit isolierten Aderendhülsen 2,5 mm² DIN 46228 Teil 4 GR4738DO
Lieferumfang Farbe Beschreibung l2 in mm
4738 Isol. Aderendhülse, 2,5 mm², 14 mm 8
ST 5 L Streudosensortiment ohne Inhalt
ST5Lgrp

` Streudose aus schlagfestem Kunststoff
Eigenschaften
▪ Stapelbar und wiederverschließbar Artikel
Streudosensortiment
SK 30 B Sortimentskasten aus Stahl mit Aderendhülsen und Presswerkzeug
SK30Bgrp Sortimentskästen mit Aderendhülsen

` Hammerschlaglackierter Sortimentskasten ` Ideal für die Werkstattausstattung
Artikel
Sortimentskasten aus Stahl mit Aderendhülsen und Presswerkzeug
Lieferumfang Beschreibung
K48 Presswerkzeug für Aderendhülsen 0,14 - 2,5 mm²
Aderendhülse, 0,75 mm², 6 mm
Aderendhülse, 1,0 mm², 6 mm
727V Aderendhülse, 1,5 mm², 7 mm
SK32Bgrp
SK 32 B Sortimentskasten aus Stahl mit Aderendhülsen und Presswerkzeug

` Breites Aderendhülsensortiment mit passendem Presswerkzeug ` Hammerschlaglackierter Sortimentskasten ` Ideal für die Werkstattausstattung
Artikel
Sortimentskasten aus Stahl mit Aderendhülsen und Presswerkzeug 285 x 155 x 45 SK32B
Lieferumfang Beschreibung l in mm Menge SK32L Stahlblechkasten 1
K3 Presswerkzeug für Aderendhülsen 0,5 - 16 mm² 1
716V Aderendhülse, 0,75 mm², 6 mm
72S6V Aderendhülse, 1,0 mm², 6 mm
727V Aderendhülse, 1,5 mm², 7 mm
737V Aderendhülse, 2,5 mm², 7 mm
749V
7510V
7618V
7718V
Aderendhülse, 4 mm², 9 mm
Aderendhülse, 6 mm², 10 mm
Aderendhülse, 10 mm², 18 mm
Aderendhülse, 16 mm², 18 mm
Sortimentskästen mit isolierten Aderendhülsen
SK45Bgrp
SK 45 B Sortimentskasten aus Stahl mit isol. Aderendhülsen und Presswerkzeug

` Vier der wichtigsten isolierten Aderendhülsentypen in einem Stahlblechkasten inklusive einem passenden Presswerkzeug
` Hammerschlaglackierter Sortimentskasten
` Ideal für die Werkstattausstattung
Artikel Abmessung mm
Sortimentskasten aus Stahl mit isol. Aderendhülsen und Presswerkzeug 200 x 140 x 40 SK45B
Lieferumfang Farbe Beschreibung l2 in
SK30L Stahlblechkasten
K48 Presswerkzeug für Aderendhülsen 0,14 - 2,5 mm²
4708 Isol. Aderendhülse, 0,75 mm², 14 mm
4718 Isol. Aderendhülse, 1 mm², 14 mm
4728 Isol. Aderendhülse, 1,5 mm², 14 mm
4738
Isol. Aderendhülse, 2,5 mm², 14 mm
SK47Bgrp

` Flexibel einsetzbar durch großen Querschnittsbereich ` Hammerschlaglackierter Sortimentskasten ` Ideal für die Werkstattausstattung
Artikel
Sortimentskasten aus Stahl mit isol. Aderendhülsen und Presswerkzeug
Lieferumfang Farbe Beschreibung
SK303Pgrp SK 47 B Sortimentskasten aus Stahl mit isol. Aderendhülsen und Presswerkzeug
SK 30/3 P Sortimentskasten aus Kunststoff mit isol. Aderendhülsen und Werkzeugen

` Mit allem, was zur Leitungsvorbereitung benötigt wird ` Die passgenaue Schaumstoffeinlage des Koffers verhindert das Verrutschen des Inhalts selbst bei starken Erschütterungen
Abisolierzange K43/2 0,02 - 10 mm²
K303 Presswerkzeug für Aderendhülsen und Zwillingsaderendhülsen 0,08 - 10 mm²
Isol. Aderendhülse, 0,5 mm², 14 mm
Isol. Aderendhülse, 0,75 mm², 14 mm
Isol. Aderendhülse, 1 mm², 14 mm
Isol. Aderendhülse, 1,5 mm², 14 mm
Isol. Aderendhülse, 2,5 mm², 14 mm
Isol. Aderendhülse, 4 mm², 17 mm
Isol. Aderendhülse, 6 mm², 20 mm
Isol. Aderendhülse, 10 mm², 22 mm
Sortimente Verbindungstechnik
SK303Sgrp
SK 30/3 S Sortimentskasten aus Kunststoff mit isol. Aderendhülsen und Presswerkzeug

` Mit allem, was zur Leitungsvorbereitung benötigt wird
` Die passgenaue Schaumstoffeinlage des Koffers verhindert das Verrutschen des Inhalts selbst bei starken Erschütterungen
Artikel
Abmessung mm Art.-Nr.
Sortimentskasten aus Kunststoff mit isol. Aderendhülsen und Presswerkzeug 275 x 230 x 83 SK303S
Lieferumfang Farbe Beschreibung l2 in mm Menge K303 Presswerkzeug für Aderendhülsen und Zwillingsaderendhülsen 0,08 - 10 mm² 1
4698
4708
4718
Isol. Aderendhülse, 0,5 mm², 14 mm 8
Isol. Aderendhülse, 0,75 mm², 14 mm 8
Isol. Aderendhülse, 1 mm², 14 mm 8 100 4728
4738
47410
Isol. Aderendhülse, 1,5 mm², 14 mm 8
Isol. Aderendhülse, 2,5 mm², 14 mm 10
Isol. Aderendhülse, 4 mm², 17 mm 12
Isol. Aderendhülse, 6 mm², 20 mm 18
Isol. Aderendhülse, 10 mm², 22 mm 18
SK43NBgrp

SK 43 NB Sortimentskasten aus Stahl mit isol. Aderendhülsen und Werkzeugen
` Mit allem, was zur Leitungsvorbereitung benötigt wird ` Ideal für die Werkstattausstattung Artikel
Sortimentskasten aus Stahl mit isol. Aderendhülsen und Werkzeugen
Lieferumfang Farbe Beschreibung l2 in mm
SK43L Stahlblechkasten
K432 Automatische Abisolierzange K43/2 0,02 - 10 mm²
K32 TWIST-it Presswerkzeug für Aderendhülsen und Zwillingsaderendhülsen 0,14 - 10 mm² 1
4698
4708
4718
4728
4738
47410
47512
47612
Isol. Aderendhülse, 0,5 mm², 14 mm 8
Isol. Aderendhülse, 0,75 mm², 14 mm 8
Isol. Aderendhülse, 1 mm², 14 mm 8
Isol. Aderendhülse, 1,5 mm², 14 mm 8
Isol. Aderendhülse, 2,5 mm², 14 mm 10
Isol. Aderendhülse, 4 mm², 17 mm 12
Isol. Aderendhülse, 6 mm², 20 mm 18
Isol. Aderendhülse, 10 mm², 22 mm 18
SK65Bgrp
Sortimentskästen mit Rohr- und Presskabelschuhen SK 65 B Sortimentskasten aus Stahl mit Rohrkabelschuhen und Presswerkzeug

` Hammerschlaglackierter Sortimentskasten ` Ideal für die Werkstattaustattung
Eigenschaften
▪ Robuster Stahlblechkasten mit Verschluss und Tragegriff
Artikel
Sortimentskasten mit Rohrkabelschuhen Normalausführung und Presswerkzeug K05
Lieferumfang Beschreibung
SK65L Stahlblechkasten
K05 Presswerkzeug für Rohrkabelschuhe und Verbinder Normalausführung 6 - 50 mm²
Rohrkabelschuh ohne Sichtloch, 6 mm², M6, Cu verzinnt
Rohrkabelschuh ohne Sichtloch, 6 mm², M8, Cu verzinnt
Rohrkabelschuh ohne Sichtloch, 10 mm², M6, Cu verzinnt
Rohrkabelschuh ohne Sichtloch, 10 mm², M8, Cu verzinnt
Rohrkabelschuh ohne Sichtloch, 16 mm², M8, Cu verzinnt
Rohrkabelschuh ohne Sichtloch, 16 mm², M10, Cu verzinnt
Rohrkabelschuh ohne Sichtloch, 25 mm², M8, Cu verzinnt
Rohrkabelschuh ohne Sichtloch, 25 mm², M10, Cu verzinnt
Rohrkabelschuh ohne Sichtloch, 35 mm², M8, Cu verzinnt
Rohrkabelschuh ohne Sichtloch, 35 mm², M10, Cu verzinnt
Rohrkabelschuh ohne Sichtloch, 50 mm², M10, Cu verzinnt
Rohrkabelschuh ohne Sichtloch, 50 mm², M12, Cu verzinnt
ALLES DIREKT IM GRIFF !
Eine Auswahl der meist verwendeten Rohrkabelschuhe inklusive Presswerkzeug in einem Sortimentskasten zusammengestellt. Übrigens gibt es weitere Pakete auch in einer L-BOXX.
Die perfekt aufeinander abgestimmten L-BOXXen stehen für Mobilität mit System und sind die Aufbewahrungs- und Transportmittel für den Einsatz von der Werkstatt zur Baustelle.

Sortimente Verbindungstechnik
SK 50 B Sortimentskasten aus Stahl mit DIN Presskabelschuhen und Presswerkzeug
SK50Bgrp

Sortimentskästen mit isolierten Kabelverbindungen
` Hammerschlaglackierter Sortimentskasten ` Ideal für die Werkstattausstattung
Eigenschaften
▪ Robuster Stahlblechkasten mit Verschluss und Tragegriff
Artikel
Sortimentskasten aus Stahl mit DIN Presskabelschuhen und Presswerkzeug
Lieferumfang Beschreibung
SK65L Stahlblechkasten
Presswerkzeug für Presskabelschuhe und Verbinder (DIN 46235 / DIN 46267 Teil 1) 6-50 mm²
101R5
101R6
102R5
103R10
Presskabelschuh DIN 46235, 6 mm², M5, Cu verzinnt
Presskabelschuh DIN 46235, 6 mm², M6, Cu verzinnt
Presskabelschuh DIN 46235, 10 mm², M5, Cu verzinnt
Presskabelschuh DIN 46235, 10 mm², M6, Cu verzinnt
Presskabelschuh DIN 46235, 16 mm², M8, Cu verzinnt
Presskabelschuh DIN 46235, 16 mm², M10, Cu verzinnt
Presskabelschuh DIN 46235, 25 mm², M8, Cu verzinnt 25 104R10
Presskabelschuh DIN 46235, 25 mm², M10, Cu verzinnt 25 105R8
Presskabelschuh DIN 46235, 35 mm², M8, Cu verzinnt 20 105R10
Presskabelschuh DIN 46235, 35 mm², M10, Cu verzinnt 20 106R10
Presskabelschuh DIN 46235, 50 mm², M12, Cu verzinnt 15
Presskabelschuh DIN 46235, 50 mm², M10, Cu verzinnt 15 106R12
MK230B507grp MK 230 B 507 Sortimentskasten aus Stahl mit isol. Kabelverbindungen und Presswerkzeug

` Hammerschlaglackierter Sortimentskasten ` Ideal für die Werkstattausstattung
Artikel
Sortimentskasten aus Stahl mit isol. Kabelverbindungen und Presswerkzeug
Sortimente Verbindungstechnik
SK
SK82Pgrp
82 P
Sortimentskasten aus Kunststoff mit isol. Kabelverbindungen und Werkzeugen

` Mit allem, was zur Leitungsvorbereitung notwendig ist ` Die passgenaue Schaumstoffeinlage des Koffers verhindert das Verrutschen des Inhalts selbst bei starken Erschütterungen
Artikel
Abmessung mm Art.-Nr.
Sortimentskasten aus Kunststoff mit isol. Kabelverbindungen und Werkzeugen 395 x 295 x 106 SK82P
Lieferumfang Farbe Beschreibung
Menge K432
K82A
6204
6205
Automatische Abisolierzange K43/2 0,02 - 10 mm² 1
Presswerkzeug für isolierte Kabelverbindungen 0,5 - 6 mm² 1
Isol. Quetschkabelschuh M4, 0,5 - 1 mm² 50
Isol. Quetschkabelschuh M5, 0,5 - 1 mm²
670 Isol. Stoßverbinder, 0,5 - 1 mm²
6304
705
710
SK82Sgrp
SK 82 S Sortimentskasten aus Kunststoff mit isol. Kabelverbindungen und Presswerkzeug

Kästen/Tragetaschen
Isol. Flachsteckhülse 6,3 x 0,8 mm, 0,5 - 1 mm²
Isol. Quetschkabelschuh M4, 1,5 - 2,5 mm²
Isol. Quetschkabelschuh M5, 1,5 - 2,5 mm²
Isol. Stoßverbinder, 1,5 - 2,5 mm²
-
Quetschkabelschuh
Isol. Quetschkabelschuh M4, 0,5 - 1 mm²
Isol. Quetschkabelschuh M4, 1,5 - 2,5 mm²
Isol. Stiftkabelschuh, 0,5 - 1 mm², 22 mm
Isol. Stiftkabelschuh, 1,5 - 2,5 mm², 23 mm
` Die passgenaue Schaumstoffeinlage des Koffers verhindert das Verrutschen des Inhalts selbst bei starken Erschütterungen
Artikel
Art.-Nr.
Sortimentskasten aus Kunststoff mit isol. Kabelverbindungen und Presswerkzeug SK82S
Lieferumfang Farbe Beschreibung Menge K82A Presswerkzeug für isolierte Kabelverbindungen 0,5 - 6 mm² 1
6204 Isol. Quetschkabelschuh M4, 0,5 - 1 mm² 20
6205 Isol. Quetschkabelschuh M5, 0,5 - 1 mm² 20
670 Isol. Stoßverbinder, 0,5 - 1 mm² 20
720 Isol. Flachsteckhülse 6,3 x 0,8 mm, 0,5 - 1 mm² 20
6304 Isol. Quetschkabelschuh M4, 1,5 - 2,5 mm² 20
680 Isol. Stoßverbinder, 1,5 - 2,5 mm² 20
730 Isol. Flachsteckhülse 6,3 x 0,8 mm, 1,5 - 2,5 mm² 20
6305 Isol. Quetschkabelschuh M5, 1,5 - 2,5 mm² 20
SK30Lgrp
SK 30 L Stahlblechkasten

` Hammerschlaglackierter Sortimentskasten
Eigenschaften
▪ 4 kleinere und 1 größeres Leerfach mit Verschluss geeignet für
▪ Zur wahlweisen Aufbewahrung der Presswerkzeuge K4 und K48
SK32Lgrp
SK 32 L Stahlblechkasten

` Hammerschlaglackierter Sortimentskasten
Eigenschaften
▪ 8 kleinere und 1 größeres Leerfach mit Verschluss geeignet für
▪ Zur wahlweisen Aufbewahrung der Presswerkzeuge K3, K35
SK4Lgrp
SK 4 L Stahlblechkasten

` Hammerschlaglackierter Sortimentskasten
Eigenschaften
▪ 6 kleinere und 1 größeres Leerfach mit Verschluss geeignet für
▪ Zur wahlweisen Aufbewahrung der Presswerkzeuge K02, K2, K16 und K25
SK43Lgrp
SK 43 L Stahlblechkasten

` Hammerschlaglackierter Sortimentskasten
Eigenschaften
▪ 8 kleinere und 2 größere Leerfächer mit Verschluss geeignet für
▪ Zur Aufbewahrung des Presswerkzeuges K 32 und der Abisolierzange K 41
Sortimente Verbindungstechnik
MK 55 Stahlblechkasten

MK 210 L Stahlblechkasten

MK 220 L Stahlblechkasten

MK 230 L Stahlblechkasten

` Hammerschlaglackierter Sortimentskasten
Eigenschaften
▪ 8 kleinere und 1 größeres Leerfach mit Verschluss geeignet für
▪ Zur Aufbewahrung von 8 Paar Presseinsätzen und dem Presswerkzeug K50
` Hammerschlaglackierter Sortimentskasten
Eigenschaften
▪ 4 kleinere und 1 größeres Leerfach mit Verschluss geeignet für
▪ Zur Aufbewahrung des Presswerkzeuges K82A
` Hammerschlaglackierter Sortimentskasten
Eigenschaften
▪ 8 kleinere und 1 größeres Leerfach mit Verschluss geeignet für
▪ Zur Aufbewahrung des Presswerkzeuges K82A
` Hammerschlaglackierter Sortimentskasten
Eigenschaften
▪ 19 kleinere und 1 größeres Leerfach mit Verschluss und Tragegriff geeignet für
▪ Zur Aufbewahrung des Presswerkzeuges K82A
Artikel
SK65Lgrp
SK 65 L Stahlblechkasten

` Hammerschlaglackierter Sortimentskasten
Eigenschaften
▪ 12 kleinere und 1 größeres Leerfach mit Verschluss und Tragegriff geeignet für
▪ Zur Aufbewahrung von Presswerkzeugen der Typenreihe K 05, K 05 BC, K 35/4
MK22grp
MK 22 Stahlblechkasten

` Hammerschlaglackierter Sortimentskasten
Eigenschaften
▪ 17 kleinere und 1 größeres Leerfach mit Verschluss und Tragegriff geeignet für
▪ Zur Aufbewahrung von 17 Paar Presseinsätzen und dem Presswerkzeug K 22
KKPEgrp
KKPE Kunststoffkoffer

Eigenschaften
▪ Mit Verschluss und Tragegriff geeignet für
▪ Zur Aufbewahrung von kompletten Presseinsatz-Sets
Artikel
Kunststoffkoffer für Presseinsätze der Serie 22 KKPE
Kunststoffkoffer für Presseinsätze der Serie 4 KKPEH25
Kunststoffkoffer für Presseinsätze der Serie 13 KKPE13
MKUgrp
MKU Stahlblechkasten mit Rädern

` Hammerschlaglackierter Sortimentskasten
Eigenschaften
▪ Mit einem Aufbewahrungsfach für Presseinsätze mit Verschluss und Tragegriff geeignet für
▪ Zur Aufbewahrung des hydraulischen Presswerkzeuges HK25/2
Artikel Abmessung mm Gewicht kg
Stahlblechkasten 810 x 310 x 210 10,0 MKU
TT4grp
TT4 Tragetasche

geeignet für
▪ Zur Aufbewahrung der Schneidköpfe SDK 105 und SDK 120
Artikel Gewicht kg
Tragetasche 0,73 TT4
ORDNUNG MIT SYSTEM –L-BOXX VON BS SYSTEMS
Ordnung muss sein, vor allem unterwegs. L-Boxx von BS Systems ist ein durchdachtes Ordnungssystem, mit dem Sie Ihr Klauke Werkzeug und Verbindungsmaterial sicher und in jedem Fall sortiert transportieren. Klauke Produkte sind in der L-Boxx sicher verstaut - passend für Ihre individuelle Einrichtung. Behalten Sie den Überblick!

In Kürze
` Verfügbar in verschiedenen Größen
` Höchster Schutz durch stoß- und schlagfeste Materialien
` Einfacher Transport durch praktische Griffe auf dem Deckel und an den Seiten
` Einfaches Stapeln mehrerer Boxen durch Klicksystem
` Groß oder klein?
Mit der L-Boxx haben Sie immer das passende Werkzeug im Einsatz. Wählen Sie aus den vielen Größen das, was Sie brauchen. In jedem Fall sind die Boxen stoß- und schlagfest und lassen sich über ein Klicksystem rutschfest stapeln.
◾ Verfügbar in verschiedenen Größen
◾ Stoß- und schlagfest
◾ Einfacher Transport durch praktischer Griffe auf dem Deckel und an den Seiten
◾ Sicherer Transport und Lagerung durch Klicksystem

` Mobil sortiert
Sie brauchen Ihre Werkzeugboxen unterwegs? Mit den TÜV-geprüften Sortimo Fahrzeugeinrichtungen lassen sich alle Klauke Werkzeuge und Sortimente in L-Boxxen systematisch und sicher transportieren.
◾ Schnelles Auffinden durch die Übersicht des Sortimo Systems
◾ Vermeidung von Verletzungen durch Sicherung der Boxen gegen Unfälle und Bremsungen
◾ Kurze Suchzeiten für effizientes Arbeiten

` Alles sinnvoll verpackt
Mit der L-Boxx verstauen Sie Ihre Werkzeuge nicht einfachSie geben ihnen den genau richtigen Lagerplatz. Vertrauen Sie auf unser Klauke System von vorsortierten Boxen für unterschiedliche Einsatzgebiete.
◾ Vorsortierte Boxen, nach Ihren Bedürfnissen bestückt
◾ Auswahl für unterschiedliche Einsatzgebiete
◾ Alles in einem Koffer zur Hand

LBOXX65Bgrp
L-BOXX 65B aus Kunststoff mit Standardausstattung für die Elektroinstallation

` Umfangreiche Ausstattung für die Leiterverarbeitung, bestehend aus Kabelschere, Kabelmesser, Presswerkzeug und Verbindungsmaterial
Eigenschaften
▪ Aus stoß- und schlagfestem ABS-Kunststoff hergestellt, sehr robust, belastbar bis 100 kg
▪ Über ein Easy-Klick-System stapelbar, das sich leicht öffnen und schließen lässt
Artikel
L-BOXX aus Kunststoff mit einer Standardausstattung für die Elektroinstallation 442 x 357 x 117 LBOXX65B
Lieferumfang Beschreibung
Menge K05 Presswerkzeug für Rohrkabelschuhe und Verbinder Normalausführung 6 - 50 mm² 1 K100 Hand-Schneidwerkzeug für Al- und Cu-Kabel bis Ø 14 mm 1
KL740416 Kabelmesser, ohne Klinge für Ø 4 - 16 mm 1
1R6 Rohrkabelschuh ohne Sichtloch, 6 mm², M6, Cu verzinnt 25
1R8 Rohrkabelschuh ohne Sichtloch, 6 mm², M8, Cu verzinnt 25
2R6
2R8
3R10
4R8
4R10
5R8
5R10
Rohrkabelschuh ohne Sichtloch, 10 mm², M6, Cu verzinnt 25
Rohrkabelschuh ohne Sichtloch, 10 mm², M8, Cu verzinnt 25
Rohrkabelschuh ohne Sichtloch, 16 mm², M10, Cu verzinnt 25
Rohrkabelschuh ohne Sichtloch, 25 mm², M8, Cu verzinnt 20
Rohrkabelschuh ohne Sichtloch, 25 mm², M10, Cu verzinnt 20
Rohrkabelschuh ohne Sichtloch, 35 mm², M8, Cu verzinnt 20
Rohrkabelschuh ohne Sichtloch, 35 mm², M10, Cu verzinnt 20 6R10
Rohrkabelschuh ohne Sichtloch, 50 mm², M10, Cu verzinnt 15 LBOXX102LFG L-BOXX mit Frontgriff 1
L-BOXX mit elektromechanischer Crimpzange EK 50 ML 0,14 - 50 mm² und umfangreicher Zusatzausstattung

Artikel
L-BOXX mit elektromechanischer Crimpzange EK 50 ML 0,14 - 50 mm² und umfangreicher Zusatzausstattung
Lieferumfang Beschreibung
442 x 357 x 151 LBOXXEK50ML
RAML1225 Akku 10,8 V / 2,5 Ah, Li-Ion (27 Wh) 1 LGML1 Ladegerät für 10,8 V Li-Ion Akkus, 230 V 1 K118 Hand-Schneidwerkzeug für Al- und Cu-Kabel bis Ø 12 mm 1
AE5072 Presseinsätze AE 507 für Aderendhülsen, 10 - 25 mm² 1 47612 Isol. Aderendhülse, 10 mm², 22 mm 50 47712 Isol. Aderendhülse, 16 mm², 24 mm 50 47818 Isol. Aderendhülse DIN 46228 Teil 4, 25 mm² 25 R505 Presseinsätze R 50, 16 - 25 mm² 1
3R8 Rohrkabelschuh ohne Sichtloch, 16 mm², M8, Cu verzinnt 25 4R8 Rohrkabelschuh ohne Sichtloch, 25 mm², M8, Cu verzinnt 25 AE5073 Presseinsätze AE 507 für Aderendhülsen, 35 - 50 mm² 1 47918 Isol. Aderendhülse DIN 46228 Teil 4, 35 mm² 25 48025 Isol. Aderendhülse DIN 46228 Teil 4, 50 mm², 40 mm Länge 20 IS5072 Presseinsätze IS 50, Einfachpressung, 10 - 16 mm² 1
652C6 Isol. Quetschkabelschuh M6, 10 mm², Gabelform 50 LBOXX136LFG L-BOXX mit Frontgriff (B/T/H: 442 x 357 x 151 mm) 1
L-BOXXen
LBOXX50BGRP
aus Kunststoff mit Rohrkabelschuhen

LBOXX3R8SET
` Umfangreiche Ausstattung für die Leiterverarbeitung für Baustelle und Werkstatt
Eigenschaften
▪ Aus stoß- und schlagfestem ABS-Kunststoff hergestellt, sehr robust, belastbar bis 100 kg
▪ Über ein Easy-Klick-System stapelbar, das sich leicht öffnen und schließen lässt
Artikel
Abmessung mm Art.-Nr.
L-BOXX aus Kunststoff mit Rohrkabelschuhen 16 - 95 mm² 442 x 357 x 117
LBOXX3R8SET
L-BOXX aus Kunststoff mit Rohrkabelschuhen 50 - 185 mm² 442 x 357 x 117 LBOXX6R10SET
Lieferumfang
LBOXX3R8SET Beschreibung
3R8
4R8
5R8
Rohrkabelschuh ohne Sichtloch, 16 mm², M8, Cu verzinnt 50
Rohrkabelschuh ohne Sichtloch, 25 mm², M8, Cu verzinnt 50
Rohrkabelschuh ohne Sichtloch, 35 mm², M8, Cu verzinnt 50 6R10
7R10
Rohrkabelschuh ohne Sichtloch, 50 mm², M10, Cu verzinnt 30
Rohrkabelschuh ohne Sichtloch, 70 mm², M10, Cu verzinnt 20 8R10
Lieferumfang LBOXX6R10SET
Rohrkabelschuh ohne Sichtloch, 95 mm², M10, Cu verzinnt 20
ohne Sichtloch, 50 mm², M10, Cu verzinnt
ohne Sichtloch, 95 mm², M10, Cu verzinnt
ohne Sichtloch, 120 mm², M12, Cu verzinnt 12 10R12 Rohrkabelschuh ohne Sichtloch, 150 mm², M12, Cu verzinnt 12 11R12
Rohrkabelschuh ohne Sichtloch, 185 mm², M12, Cu verzinnt 12
L-BOXX 50B aus Kunststoff mit Standardausstattung für die Elektroinstallation
LBOXX50BGRP

` Umfangreiche Ausstattung für die Leiterverarbeitung, bestehend aus Kabelschere, Kabelmesser, Presswerkzeug und Verbindungsmaterial
Eigenschaften
▪ Aus stoß- und schlagfestem ABS-Kunststoff hergestellt, sehr robust, belastbar bis 100 kg
▪ Über ein Easy-Klick-System stapelbar, das sich leicht öffnen und schließen lässt
Artikel
Abmessung mm Art.-Nr. L-BOXX aus Kunststoff mit einer Standardausstattung für die Elektroinstallation 442 x 357 x 117 LBOXX50B
Lieferumfang Beschreibung
K05D Presswerkzeug für Presskabelschuhe und Verbinder (DIN 46235 / DIN 46267 Teil 1) 6-50 mm²
Menge
Hand-Schneidwerkzeug für Al- und Cu-Kabel bis Ø 14 mm 1 KL740416 Kabelmesser, ohne Klinge für Ø 4 - 16 mm 1 101R6
Presskabelschuh DIN 46235, 6 mm², M6, Cu verzinnt
Presskabelschuh, 6 mm², M8, Cu verzinnt
Presskabelschuh DIN 46235, 10 mm², M6, Cu verzinnt
Presskabelschuh, 10 mm², M8, Cu verzinnt 25 103R10
Presskabelschuh DIN 46235, 16 mm², M10, Cu verzinnt 25 104R8
Presskabelschuh DIN 46235, 25 mm², M8, Cu verzinnt 20 104R10
Presskabelschuh DIN 46235, 25 mm², M10, Cu verzinnt 20 105R8
Presskabelschuh DIN 46235, 35 mm², M8, Cu verzinnt 15 106R8
Presskabelschuh DIN 46235, 50 mm², M10, Cu verzinnt 10
Presskabelschuh DIN 46235, 50 mm², M8, Cu verzinnt 10 106R10
Elektrische Verbindungstechnik

Artikel Abmessung mm
L-BOXX aus Kunststoff mit einer Standardausstattung für die Elektroinstallation 442 x 357 x 117 LBOXX230B
Lieferumfang Farbe Beschreibung
K432 Automatische Abisolierzange K43/2 0,02 - 10 mm²
K507 Presswerkzeug mit auswechselbaren Presseinsätzen
Flachsteckhülse 6,3x0,8 mm, 0,5-1 mm²
730 Isol. Flachsteckhülse 6,3x0,8 mm, 1,5-2,5 mm²
Isol. Flachstecker 6,3x0,8 mm, 0,5-1 mm²
Quetschkabelschuh M4, 0,5-1 mm²
Quetschkabelschuh M5, 1,5-2,5 mm²
1652C5 Quetschkabelschuhe Gabelform 10 mm², M5
1652C6 Quetschkabelschuhe Gabelform 10 mm², M6
16505
16506
4708
4718
4728
Quetschkabelschuhe DIN 46234, 4 - 6 mm², M5, Cu verzinnt
Quetschkabelschuhe DIN 46234, 4 - 6 mm², M6, Cu verzinnt
Isol. Aderendhülse, 0,75 mm², 14 mm
Isol. Aderendhülse, 1 mm², 14 mm
Isol. Aderendhülse, 1,5 mm², 14 mm 400 4738
47410
47512
47612
LBOXX102LFG
Isol. Aderendhülse, 2,5 mm², 14 mm
Isol. Aderendhülse, 4 mm², 17 mm
Isol. Aderendhülse, 6 mm², 20 mm
Isol. Aderendhülse, 10 mm², 22 mm
LBOXXMINIK306KGRP
L-BOXX Mini aus Kunststoff mit Presswerkzeug und isol. Aderendhülsen 1,5 - 10 mm²

Artikel
L-BOXX aus Kunststoff mit Presswerkzeug und isol. Aderendhülsen 1,5 - 10 mm²
Lieferumfang Farbe Beschreibung
Presswerkzeug für Aderendhülsen und Zwillingsaderendhülsen 0,08 - 16 mm²
Hand-Schneidwerkzeug für Al- und Cu-Kabel bis Ø 12 mm
Isol. Aderendhülse, 1,5 mm², 14 mm
LBOXXMINIK304KGRP
L-BOXX Mini aus Kunststoff mit Presswerkzeug und isol. Aderendhülsen 1,5 - 10 mm²

L-BOXX aus Kunststoff mit Presswerkzeug und isol. Aderendhülsen 1,5 - 10 mm²
Lieferumfang Farbe Beschreibung 2 in mm Menge K304K K 30/4 K Presswerkzeug für Aderendhülsen 0,08 - 16 mm² und Zwillingsaderendhülsen 2 x 0,5 - 2 x 6 mm²
L-BOXX Mini aus Kunststoff mit Presswerkzeug und isol. Aderendhülsen 1,5 - 10 mm²
LBOXXMINIK3014Kgrp

Artikel
L-BOXX aus Kunststoff mit Presswerkzeug und isol. Aderendhülsen 1,5 -10 mm²
Lieferumfang Farbe Beschreibung 2 in mm
K3014K Presswerkzeug für Aderendhülsen und Zwillingsaderendhülsen 0,14 - 10 mm²
Hand-Schneidwerkzeug für Al- und Cu-Kabel bis Ø 12 mm
Isol. Aderendhülse, 1,5 mm², 14 mm 8
Isol. Aderendhülse, 2,5 mm², 18 mm 12
Isol. Aderendhülse, 4 mm², 20 mm 12
Isol. Aderendhülse, 6 mm², 20 mm 12
Isol. Aderendhülse, 10 mm², 22 mm 12
L-BOXXen mit den neuen akkuhydraulischen Werkzeugen der Next Generation

Hier ist nur ein kleiner Auszug aus unserem Sortiment dargestellt. Wünschen Sie eine andere Zusammenstellung, melden Sie sich einfach !
Werkzeug
EK 35/4 6 - 150 mm²
LBOXXEK354CFB
EKM 60/22 6 - 300 mm² LBOXXEKM6022CFB
EKM 60 ID 10 - 300 mm²
LBOXXEKM60IDCFB
ES 20 max. 20 mm Ø LBOXXES20CFB
ES 32 F max. 32 mm Ø LBOXXES32FCFB
ES 32 max. 32 mm Ø LBOXXES32CFB
EKM 60 UNV 6 - 300 mm² max. 25 mm Ø Rund/Form LBOXXEKM60UNVCFB
LS 50 FLEX Rund/Form LBOXXLS50FLEXCFB
Werkzeug
EK 35/4 6 - 150 mm²
Nr.
LBOXXEK354CFM
EKM 60/22 6 - 300 mm² LBOXXEKM6022CFM
EKM 60 ID 10 - 300 mm² LBOXXEKM60IDCFM
ES 32 F max. 32 mm Ø LBOXXES32FCFM
ES 32 max. 32 mm Ø LBOXXES32CFM
LS 50 FLEX
Rund/Form LBOXXLS50FLEXCFM
Bosch Akku
Makita Akku
Pressen & Schneiden (dargestellt ist der Lieferumfang mit Bosch-Akku)
Art.Nr. Lieferumfang

RALB1EU Akku 18 V / 2,0 Ah, Li-Ion
LGLB1EU Schnell-Ladegerät für 18 V Li-Ion-Akkus
UA22 Pressadapter
LBOXX136LFG L-BOXX 442 x 357 x 151 mm






Lochen & Stanzen (dargestellt ist der Lieferumfang mit Bosch-Akku)

Art.Nr. RALB2EU LGLB1EU 52085691 50032488 51300430 50339672 LBOXX136GL
Lieferumfang Akku 18 V / 5,0 Ah, Li-Ion
SchnellLadegerät für 18 V Li-IonAkkus
Zugbolzen für hydr. Betätigung 19 x 122 mm
Distanzbuchse, kurz
Zugbolzen für hydraul. Betätigung 9,5 x 71 mm
Adapter 19 x 48 mm mit Innengewinde 9,5 mm L-BOXX 442 x 357 x 151 mm
LBOXXLS50FLEX

MIT SICHERHEIT PERFEKTE PRESSVERBINDUNGEN.
Klauke Presswerkzeuge geben Ihnen die Sicherheit für eine optimale Verarbeitung. Mit dem passenden Presswerkzeug erreichen Sie Verbindungen, die auch den höchsten Anforderungen genügen.


VOLLE KRAFTÜBERTRAGUNG –MECHANISCHE PRESS- UND CRIMPWERKZEUGE
Weniger Kraft ist mehr. Klauke Press- und Crimpwerkzeuge sind speziell entwickelt, um Ihre Arbeit schneller, präziser und einfacher zu machen. Ergonomische Griffe geben den richtigen Halt, verbesserte Hebelwirkungen sorgen für einen Handantrieb, der Ihre Kraft genau an die richtige Stelle überträgt: mit 33 % weniger Kraftaufwand. Mechanische Press- und Crimpwerkzeuge
In Kürze
` Ermüdungsfreies Arbeiten durch ein Drittel weniger Kraftaufwand
` Exaktes Verpressen durch präzisen Antrieb
` Sichere Zuordnung durch eindeutige Kennzeichnung der Pressprofile
` Langlebiges Material
` Individuell wählbare Pressprofile von 0,08 mm2 bis 400 mm2 Nennquerschnitt
` Für viele Presseinsätze entwickelt
Um Pressungen effizient durchführen zu können, braucht gutes Werkzeug eine optimale Kraftübertragung und hochwertige Materialien. Wir haben deshalb unsere mechanischen Serien so entwickelt, dass sie Ihre Arbeit erleichtern. Besonders bei häufigen Presseinsätzen machen diese Funktionen den Unterschied.
◾ Pressprofile von 0,08 mm2 bis 400 mm2 Nennquerschnitt
◾ Hochwertiger Stahl für hohe Langlebigkeit
◾ Beste Kraftübertragung: bis zu 33 % weniger Kraftaufwand
◾ Optimale Pressergebnisse durch integrierte Sperrvorrichtung
◾ Ergonomische Bauform für schnelles und ermüdungsfreies Arbeiten

Mechanische Press- und Crimpwerkzeuge
K4grp
K 4
Presswerkzeug für Aderendhülsen 0,5 - 2,5 mm²

` Dornpressung für runde Klemmenöffnung
Eigenschaften
▪ Je Querschnitt ein Pressprofil
▪ Seitliche Hülseneinführung (Seitenpressung)
▪ Exakte Querschnittzuordnung durch dauerhafte Markierung auf dem Presswerkzeug
▪ Ergonomisch geformter Griff
Technische Daten
Pressbereich
0,5 - 2,5 mm²
Länge 150 mm
Gewicht 0,16 kg
Artikel
Art.-Nr.
Presswerkzeug für Aderendhülsen 0,5 - 2,5 mm² K4
Zubehör
Art.-Nr.
Stahlblechkasten SK30L
K 3
K3grp
Presswerkzeug für Aderendhülsen 0,5 - 16 mm²

` Dornpressung für runde Klemmenöffnung
` Mit Drahtabschneider
Eigenschaften
▪ Pressbereich von 0,5 - 16mm²
▪ Optimierter Pressbereich (bis zu 3-mal breiter als bisher)
▪ Seitliche Hülseneinführung (Seitenpressung)
▪ Exakte Querschnittzuordnung durch dauerhafte Markierung auf dem Presswerkzeug
▪ Handgriffe mit Abgleitschutz und Beschriftungsfeld
▪ Integrierter Kabelabschneider
Technische Daten
Pressbereich
0,5 - 16 mm²
Länge 230 mm
Gewicht 0,35 kg
Artikel Art.-Nr.
Presswerkzeug für Aderendhülsen 0,5 - 16 mm² K3
Zubehör Art.-Nr.
Stahlblechkasten SK32L
Varianten
Art.-Nr.
Sortimentskasten aus Stahl mit Aderendhülsen und Presswerkzeug SK32B
Sortimentskasten aus Stahl mit isol. Aderendhülsen und Presswerkzeug SK47B
L-BOXX aus Kunststoff mit Presswerkzeug und Aderendhülsen
0,5 - 16 mm² LBOXXMINIK3
für Aderendhülsen 10 - 35 mm²

` Dornpressung für runde Klemmenöffnung ` Für große Querschnitte bis 35 mm²
Eigenschaften
▪ Je Querschnitt ein Pressprofil
▪ Seitliche Hülseneinführung (Seitenpressung)
▪ Exakte Querschnittzuordnung durch dauerhafte Markierung auf dem Presswerkzeug
▪ Ergonomisch geformter Griff
Technische Daten
Pressbereich 10 - 35 mm²
Länge 230 mm
Gewicht 0,24 kg
Artikel
Art.-Nr.
Presswerkzeug für Aderendhülsen 10 - 35 mm² K35
Zubehör
Stahlblechkasten
K 48 Presswerkzeug für Aderendhülsen 0,14 - 2,5 mm²

` Trapezpressung geeignet für Kastenklemmen
Eigenschaften
▪ Je Querschnitt ein Pressprofil
▪ Seitliche Hülseneinführung (Seitenpressung)
Art.-Nr.
SK32L
▪ Exakte Querschnittzuordnung durch dauerhafte Markierung auf dem Presswerkzeug
▪ Ergonomisch geformter Griff
Technische Daten
Pressbereich 0,14 - 2,5 mm²
Länge 150 mm
Gewicht 0,16 kg
Artikel
Art.-Nr.
Presswerkzeug für Aderendhülsen 0,14 - 2,5 mm² K48
Zubehör
Stahlblechkasten
Varianten
Art.-Nr.
SK30L
Art.-Nr.
Sortimentskasten aus Stahl mit Aderendhülsen und Presswerkzeug SK30B
Sortimentskasten aus Stahl mit isol. Aderendhülsen und Presswerkzeug SK45B
36 Presswerkzeug für Aderendhülsen und Zwillingsaderendhülsen 0,5 - 6 mm²

` Zwei Pressprofile zu den Querschnittbereichen 0,5 - 2,5 mm² und 4 - 6 mm²
` Federunterstützte Werkzeugöffnung
Eigenschaften
▪ Hülseneinführung von vorne (Frontpressung)
▪ Ergonomisch geformter Griff mit Abgleitschutz
Technische Daten
Pressbereich Aderendhülsen 0,5 - 2,5 und 4 - 6 mm²
Pressbereich ZwillingsAderendhülsen 2 x 0,25 - 2 x 1,5 und 2 x 2,5 - 2 x 4 mm²
Länge
200 mm
Gewicht 0,22 kg
Artikel
Presswerkzeug für Aderendhülsen 0,5 - 6 mm² und Zwillingsaderendhülsen 2 x 0,25 - 2 x 1,5 und 2 x 2,5 - 2 x 4 mm²
Zubehör
Stahlblechkasten
Art.-Nr.
Art.-Nr.
K 32 TWIST-it Presswerkzeug für Aderendhülsen und Zwillingsaderendhülsen 0,14 - 10 mm²

` Einzigartig hohe Lebensdauer
` Ein Pressprofil für alle Querschnitte durch automatische Querschnittanpassung
` TWIST-it Presseinsatz für mehr Flexibilität und Sicherheit
` Arretierbarer Presseinsatz zur Fehlervermeidung
` Extrem klein, leicht und ergonomisch
Eigenschaften
▪ Schnelles Wechseln zwischen Hülseneinführung von vorne und seitlicher Hülseneinführung
▪ Gezahnter Presseinsatz für optimale Auszugswerte der Pressverbindung
▪ Mit Sperrvorrichtung für gleichmäßig kontrollierte Pressergebnisse
▪ Mit Sicherungsöse zur Anbringung eines Sicherungsseils
▪ Ergonomisches Design mit kleinem Handöffnungswinkel und ausbalanciertem Gewicht
geeignet für
▪ Push-in, Federklemm- und Schraubtechnik
Technische Daten
Pressbereich Aderendhülsen 0,14 - 10 mm²
Pressbereich ZwillingsAderendhülsen 2 x 0,25 - 2 x 4 mm²
Länge 177 mm
Gewicht 0,298 kg
Artikel
Presswerkzeug für Aderendhülsen 0,14 - 10 mm² und Zwillingsaderendhülsen 2 x 0,25 - 2 x 4 mm²
Zubehör
Stahlblechkasten
Stahlblechkasten
Stahlblechkasten
Art.-Nr.
K32
Art.-Nr.
SK43L
SK30L
SK32L
K303grp
K 30/3 Presswerkzeug für Aderendhülsen und Zwillingsaderendhülsen 0,08 - 10 mm²

` Vierkantpressung geeignet für Kastenklemmen und Federklemmtechnik
Eigenschaften
▪ Ein Pressprofil für alle Querschnitte von 0,08 - 10 mm² durch automatische Querschnittanpassung
▪ Mit Sperrvorrichtung für gleichmäßig kontrollierte Pressergebnisse
▪ Seitliche Hülseneinführung (Seitenpressung)
▪ Handgriffe mit Abgleitschutz und Beschriftungsfeld
Technische Daten
Pressbereich Aderendhülsen 0,08 - 10 mm²
Pressbereich ZwillingsAderendhülsen 2 x 0,25 - 2 x 4 mm²
Länge 190 mm Gewicht 0,3 kg
Artikel
Art.-Nr.
Presswerkzeug für Aderendhülsen und Zwillingsaderendhülsen 0,08 - 10 mm² K303
Zubehör
Stahlblechkasten
Varianten
Sortimentskasten aus Kunststoff mit isol. Aderendhülsen und Werkzeugen
Sortimentskasten aus Kunststoff mit isol. Aderendhülsen und Presswerkzeug
Sortimentskasten aus Stahl mit isol. Aderendhülsen und Werkzeugen
Art.-Nr.
SK30L
Art.-Nr.
SK303P
SK303S
SK43NB
K304KGRP
K 30/4 K Presswerkzeuge für Aderendhülsen und Zwillingsaderendhülsen 0,08 - 16 mm²

` Vierkantpressung K 30/4 K
Eigenschaften
▪ Ein Pressprofil für alle Querschnitte von 0,08-16 mm² durch automatische Querschnittanpassung
▪ Mit Sperrvorrichtung für gleichmäßig kontrollierte Pressergebnisse
▪ Seitliche Hülseneinführung (Seitenpressung)
▪ Positionierer für kleine Aderendhülsen
▪ Handgriffe mit Abgleitschutz und Beschriftungsfeld
Technische Daten
Pressbereich Aderendhülsen 0,08 - 16 mm²
Pressbereich Zwillings-Aderendhülsen 2 x 0,5 - 2 x 6 mm²
Länge
215 mm
Gewicht 0,5 kg
Artikel
Presswerkzeug für Aderendhülsen und Zwillingsaderendhülsen
0,08 - 16 mm², Vierkantpressung
Zubehör
Stahlblechkasten
Varianten
L-BOXX aus Kunststoff inkl. Presswerkzeug für Vierkantpressung und Aderendhülsen 0,5 - 16 mm²
Art.-Nr.
K304K
Art.-Nr.
SK30L
Art.-Nr.
LBOXXMINIK304K
K 30/6 K Presswerkzeuge für Aderendhülsen und Zwillingsaderendhülsen 0,08 - 16 mm²

` Sechskantpressung K 30/6 K
Eigenschaften
▪ Ein Pressprofil für alle Querschnitte von 0,08 - 16 mm² durch automatische Querschnittanpassung
▪ Mit Sperrvorrichtung für gleichmäßig kontrollierte Pressergebnisse
▪ Seitliche Hülseneinführung (Seitenpressung)
▪ Positionierer für kleine Aderendhülsen
▪ Handgriffe mit Abgleitschutz und Beschriftungsfeld
Technische Daten
Pressbereich Aderendhülsen 0,08 - 16 mm²
Pressbereich Zwillings-Aderendhülsen 2 x 0,5 - 2 x 10 mm²
Länge
215 mm
Gewicht 0,5 kg
Artikel
Presswerkzeug für Aderendhülsen und Zwillingsaderendhülsen 0,08 - 16 mm², Sechskantpressung
Zubehör
Stahlblechkasten
Varianten
L-BOXX aus Kunststoff inkl. Presswerkzeug für Sechskantpressung und Aderendhülsen 0,5 - 16 mm²
Art.-Nr.
K306K
Art.-Nr.
SK30L
Art.-Nr.
LBOXXMINIK306K
K3014Kgrp
K 301/4 K Selbsteinstellendes Presswerkzeug für Aderendhülsen und Zwillingsaderendhülsen 0,14 - 10 mm²

` Vierkantpressung
` Sehr leicht und ergonomisch
Eigenschaften
▪ Ein Pressprofil für alle Querschnitte durch automatische Querschnittanpassung
▪ Mit Sperrvorrichtung für gleichmäßig kontrollierte Pressergebnisse
▪ Seitliche Hülseneinführung (Seitenpressung)
▪ Handgriffe mit Abgleitschutz und Beschriftungsfeld
▪ Sicherheitspad im Griff für abrutschsicheres Arbeiten
Technische Daten
Pressbereich Aderendhülsen 0,14 - 10 mm²
Pressbereich Zwillings-Aderendhülsen 2 x 0,25 - 2 x 4 mm²
Länge
175 mm
Gewicht 0,35 kg
Artikel
Selbsteinstellendes Presswerkzeug für Aderendhülsen und Zwillingsaderendhülsen 0,14 - 10 mm²
Varianten
L-BOXX aus Kunststoff inkl. Presswerkzeug für Vierkantpressung und Aderendhülsen 1,5 - 10 mm²
Art.-Nr.
K3014K
Art.-Nr.
LBOXXMINIK3014K
K3016Kgrp
K 301/6 K Selbsteinstellendes Presswerkzeug für Aderendhülsen und Zwillingsaderendhülsen 0,14 - 10 mm²
` Sechskantpressung
` Sehr leicht und ergonomisch

Eigenschaften
▪ Ein Pressprofil für alle Querschnitte durch automatische Querschnittanpassung
▪ Mit Sperrvorrichtung für gleichmäßig kontrollierte Pressergebnisse
▪ Seitliche Hülseneinführung (Seitenpressung)
▪ Handgriffe mit Abgleitschutz und Beschriftungsfeld
▪ Sicherheitspad im Griff für abrutschsicheres Arbeiten
Technische Daten
Pressbereich Aderendhülsen 0,14 - 10 mm²
Pressbereich Zwillings-Aderendhülsen 2 x 0,25 - 2 x 4 mm²
Länge
175 mm
Gewicht 0,35 kg
Artikel
Selbsteinstellendes Presswerkzeug für Aderendhülsen und Zwillingsaderendhülsen 0,14 - 10 mm²
Art.-Nr.
K80grp
80 Presswerkzeug für isolierte Kabelverbindungen 0,1 - 1 mm²

` Die Ader- und Isolationspressung erfolgt in einem Arbeitsgang ` Justierscheibe zum Ausgleich des natürlichen Werkzeugverschleißes
Eigenschaften
▪ Präziser Antrieb
▪ Mit Sperrvorrichtung für gleichmäßig kontrollierte Pressergebnisse
▪ Farbkodierte Querschnittzuordnung
▪ Handgriffe mit Abgleitschutz und Beschriftungsfeld
Technische Daten
Pressbereich rote Isolierhülse 0,5 - 1,0 mm²
Pressbereich gelbe Isolierhülse 0,1 - 0,4 mm²
Länge 195 mm
Gewicht 0,38 kg
Artikel
Art.-Nr.
Presswerkzeug für isolierte Kabelverbindungen 0,1 - 1 mm² K80
Zubehör
Stahlblechkasten
Art.-Nr.
SK43L
K3016K
Press- und Crimpwerkzeuge
K 82 A Presswerkzeug für isolierte Kabelverbindungen 0,5 - 6 mm²
` Mit zusätzlichem Locator zur Gewährleistung einer präzisen Crimpverbindung
` 33 % weniger Kraftaufwand

` 3-K Griff
` Höchste Materialqualität für lange Lebensdauer
` Präzise Einstellung der Vorspannung für das Halten einer konstanten Pressleistung
Eigenschaften
▪ Weniger Kraftaufwand dank neuer Hebelmechanik
▪ 3K-Griff: GELB: harter Kern zur Kraftübertragung, BLAU: softe ergonomische Grifffläche, GRAU: softer Abgleitschutz
▪ Einfaches Handling dank reduzierter Öffnungsweite des Werkzeuges, optimale Ergonomie durch gelenkschonende Position der Handfläche und Finger
▪ Die Ader- und Isolationspressung erfolgt in einem Arbeitsgang
Technische Daten
Pressbereich rote Isolierhülse 0,5 - 1,0 mm²
Pressbereich blaue Isolierhülse 1,5 - 2,5 mm²
Pressbereich gelbe Isolierhülse 4,0 - 6,0 mm²
Länge 225 mm
Gewicht 0,53 kg
Artikel
Art.-Nr.
Presswerkzeug für isolierte Kabelverbindungen 0,5 - 6 mm² K82A
Zubehör
Stahlblechkasten
Varianten
Sortimentskasten aus Kunststoff mit isol. Kabelverbindungen und Presswerkzeug
Sortimentskasten aus Kunststoff mit isol. Kabelverbindungen und Werkzeugen
Art.-Nr.
MK230L
Art.-Nr.
SK82S
SK82P
K82tgrp K 82 T Presswerkzeug für isolierte Kabelverbindungen 0,5 - 6 mm²

` Mit zusätzlichem Locator zur Gewährleistung einer präzisen Crimpverbindung
` Ebenfalls für die Verarbeitung von isolierten Verbindern mit Vibrationsschutz (PIDG - Verbinder) geeignet
` 33 % weniger Kraftaufwand
` 3-K Griff
` Höchste Materialqualität für lange Lebensdauer
` Präzise Einstellung der Vorspannung für das Halten einer konstanten Pressleistung
Eigenschaften
▪ Weniger Kraftaufwand dank neuer Hebelmechanik
▪ 3K-Griff: GELB: harter Kern zur Kraftübertragung, BLAU: softe ergonomische Grifffläche, GRAU: softer Abgleitschutz
▪ Einfaches Handling dank reduzierter Öffnungsweite des Werkzeuges, optimale Ergonomie durch gelenkschonende Position der Handfläche und Finger
▪ Die Ader- und Isolationspressung erfolgt in einem Arbeitsgang
▪ Extrem hoher Vibrationsschutz durch spezielle Verpressung der Kabelisolation (Diamond-Crimp)
Technische Daten
Pressbereich rote Isolierhülse 0,5 - 1,0 mm²
Pressbereich blaue Isolierhülse 1,5 - 2,5 mm²
Pressbereich gelbe Isolierhülse 4,0 - 6,0 mm²
Länge 225 mm
Gewicht 0,53 kg
Artikel
Art.-Nr.
Presswerkzeug für isolierte Kabelverbindungen 0,5 - 6 mm² K82T
Zubehör
Stahlblechkasten
Varianten
Sortimentskasten aus Kunststoff mit isol. Kabelverbindungen und Presswerkzeug
Sortimentskasten aus Kunststoff mit isol. Kabelverbindungen und Werkzeugen
Art.-Nr.
MK230L
Art.-Nr.
SK82S
SK82P
K 16 Presswerkzeug für isolierte Quetschkabelschuhe 10 + 16
K16grp

` Ovalpressung
mm²
` Presswerkzeug auch für Zählerverdrahtung
Eigenschaften
▪ Mit Sperrvorrichtung für gleichmäßig kontrollierte Pressergebnisse
▪ Farbkodierte Querschnittzuordnung
Technische Daten
Pressbereich rote Isolierhülse 10 mm²
Pressbereich blaue Isolierhülse 16 mm²
Länge 305 mm
Gewicht 0,61 kg
Artikel
Art.-Nr.
Presswerkzeug für isolierte Quetschkabelschuhe 10 + 16 mm² K16
Zubehör
Stahlblechkasten
Art.-Nr.
SK4L
K582grp K 58/2 Crimpwerkzeug für nicht-isolierte Flachsteckverbindungen 4,8 mm; 0,5 - 2,5 mm²

` Rollpressung (Crimpung)
` Die Ader- und Isolationscrimpung erfolgt bei diesem Werkzeug in einem Arbeitsgang
` Werkzeugvorspannung nachstellbar
Eigenschaften
▪ Federunterstützte Werkzeugöffnung
▪ Mit Sperrvorrichtung für gleichmäßig kontrollierte Pressergebnisse
▪ Exakte Querschnittzuordnung durch dauerhafte Markierung auf dem Presswerkzeug
▪ Justierscheibe zum Ausgleich des natürlichen Werkzeugverschleißes
geeignet für
▪ Flachsteckverbindungen mit 4,8 mm Steckbreite
Technische Daten
Crimpbereich
Länge
0,5 - 2,5 mm²
220 mm
Gewicht 0,55 kg
Artikel
Art.-Nr.
Crimpwerkzeug für nicht-isolierte Flachsteckverbindungen 4,8 mm; 0,5 - 2,5 mm² K582
K 59/2 Crimpwerkzeug für nicht-isolierte Flachsteckverbindungen 6,3 mm; 0,5 - 6 mm²
K592grp

` Rollpressung (Crimpung)
` Die Ader- und Isolationscrimpung erfolgt bei diesem Werkzeug in einem Arbeitsgang
` Werkzeugvorspannung nachstellbar
Eigenschaften
▪ Mit Sperrvorrichtung für gleichmäßig kontrollierte Pressergebnisse
▪ Exakte Querschnittzuordnung durch dauerhafte Markierung auf dem Presswerkzeug
▪ Federunterstützte Werkzeugöffnung
▪ Justierscheibe zum Ausgleich des natürlichen Werkzeugverschleißes
geeignet für
▪ Flachsteckverbindungen mit 6,3 mm Steckbreite
Technische Daten
Crimpbereich
Länge
0,5 - 6 mm²
220 mm
Gewicht 0,51 kg
Artikel
Art.-Nr.
Crimpwerkzeug für nicht-isolierte Flachsteckverbindungen 6,3 mm; 0,5 - 6 mm² K592
93 Presswerkzeug für Verbinder für Massivleiter 1,5 - 4 mm²

` Sechskantpressung
` Werkzeugvorspannung nachstellbar
Eigenschaften
▪ Präziser Antrieb
▪ Mit Sperrvorrichtung für gleichmäßig kontrollierte Pressergebnisse
▪ Exakte Querschnittzuordnung durch dauerhafte Markierung auf dem Presswerkzeug
▪ Handgriffe mit Abgleitschutz und Beschriftungsfeld
▪ Justierscheibe zum Ausgleich des natürlichen Werkzeugverschleißes
Technische Daten
Pressbereich 1,5 - 4 mm²
Länge 220 mm
Gewicht 0,56 kg
Artikel
Art.-Nr.
Presswerkzeug für Verbinder für Massivleiter 1,5 - 4 mm² K93
K94grp
K 94 Presswerkzeug für Rohrkabelschuhe und Verbinder für Massivleiter 6 - 10 mm²

` Sechskantpressung
` Werkzeugvorspannung nachstellbar
Eigenschaften
▪ Präziser Antrieb
▪ Mit Sperrvorrichtung für gleichmäßig kontrollierte Pressergebnisse
▪ Exakte Querschnittzuordnung durch dauerhafte Markierung auf dem Presswerkzeug
▪ Handgriffe mit Abgleitschutz und Beschriftungsfeld
▪ Justierscheibe zum Ausgleich des natürlichen Werkzeugverschleißes
Technische Daten
Pressbereich 6 - 10 mm²
Länge 220 mm
Gewicht 0,56 kg
Artikel
Art.-Nr.
Presswerkzeug für Rohrkabelschuhe und Verbinder für Massivleiter 6 - 10 mm² K94
Presswerkzeug für Rohrkabelschuhe und Verbinder Normalausführung 0,75 - 16 mm²

` Kerbpressung
` Ideales Presswerkzeug mit federunterstützter Werkzeugöffnung
Eigenschaften
▪ Mit Sperrvorrichtung für gleichmäßig kontrollierte Pressergebnisse
▪ Exakte Querschnittzuordnung durch dauerhafte Markierung auf dem Presswerkzeug
Technische Daten
Pressbereich
Länge
0,75 - 16 mm²
325 mm
Gewicht 0,6 kg
Artikel
Presswerkzeug für Rohrkabelschuhe und Verbinder Normalausführung 0,75 - 16 mm²
Art.-Nr.
Zubehör Art.-Nr.
Stahlblechkasten
02 Presswerkzeug für Rohrkabelschuhe und Verbinder für Massivleiter 0,75 - 16 mm²

` Kerbpressung
` Ideales Presswerkzeug mit federunterstützter Werkzeugöffnung
` Für Rohrkabelschuhe und Verbinder für Massivleiter
Eigenschaften
▪ Mit Sperrvorrichtung für gleichmäßig kontrollierte Pressergebnisse
▪ Exakte Querschnittzuordnung durch dauerhafte Markierung auf dem Presswerkzeug
Technische Daten
Pressbereich 0,75 - 16 mm²
Länge 325 mm
Gewicht 0,6 kg
Artikel
Presswerkzeug für Rohrkabelschuhe und Verbinder für Massivleiter 0,75 - 16 mm²
Zubehör
Art.-Nr.
Art.-Nr.
Stahlblechkasten SK4L
K25grp
25 Presswerkzeug 0,5 - 16 mm²

` Kerbpressung
` Ideales Presswerkzeug mit federunterstützter Werkzeugöffnung
` Für Quetschkabelschuhe DIN 46234, Stiftkabelschuhe DIN 46230
` Für Nickel- und Edelstahl-Rohrkabelschuhe 6 mm² EN 60228 Kl. 2
Eigenschaften
▪ Mit Sperrvorrichtung für gleichmäßig kontrollierte Pressergebnisse
▪ Exakte Querschnittzuordnung durch dauerhafte Markierung auf dem Presswerkzeug
Technische Daten
Pressbereich 0,5 - 16 mm²
Länge 325 mm
Gewicht 0,6 kg
Artikel
Art.-Nr.
Presswerkzeug 0,5 - 16 mm² K25
Zubehör
Stahlblechkasten
Art.-Nr.
SK4L
K 95 Presswerkzeug 16 - 95 mm²
K95grp

` Dornpressung
Eigenschaften
▪ Für kleinere Kupferleiter
▪ Optimale Kraftübersetzung
geeignet für
▪ Rohrkabelschuhe und Verbinder Normalausführung
▪ Rohrkabelschuhe und Verbinder für feindrähtige Leiter
▪ Quetschkabelschuhe DIN 46234, Stiftkabelschuhe DIN 46230
Technische Daten
Pressbereich 16 - 95 mm²
Länge 630 mm
Gewicht 3,6 kg
Artikel
Art.-Nr.
Presswerkzeug 16 - 95 mm² K95
Pressen
Mechanische Press- und Crimpwerkzeuge
K5grp
K 5
Presswerkzeuge 6 - 50 mm²

` Kerbpressung
` Wartungsarmer mechanischer Antrieb
Eigenschaften
▪ Für kleinere Kupferleiter
▪ Exakte Querschnittzuordnung durch dauerhafte Markierung an den Profilscheiben geeignet für
▪ Rohrkabelschuhe und Verbinder Normalausführung
▪ Rohrkabelschuhe und Verbinder für feindrähtige Leiter
Technische Daten
Pressbereich 6 - 50 mm²
Länge 600 mm
Gewicht 2,4 kg
Artikel
Art.-Nr.
Presswerkzeug 6 - 50 mm² K5
K05wfgrp
k05bcgrp K 05 WF Presswerkzeuge für Aderendhülsen und Zwillingsaderendhülsen 25 - 95 und 2 x 16 mm²
` Leichte Bedienung durch Vorklemmen mittels Vorklemmhebel
` Optimale Passform zum Anschluss in Steck- und Schraubreihenklemmen



` Hoher Verdichtungsgrad durch Vierkantpressung
` Reduzierung der Pressanzahl durch eine erhöhte Pressbreite
Eigenschaften
▪ Vierkantpressung
▪ Moderne, formstabile und leichte Ellipsengriffrohre
▪ Ergonomische 2-Komponenten-Handgriffe mit beidseitigem Abgleitschutz
▪ Kraftsparende und ermüdungsfreie Werkzeugmechanik
▪ Besonders langlebig
Technische Daten
Artikel-Nr. K05WF50 K05WF95
Pressbereich Aderendhülsen 25 - 50 mm² 50 - 95 mm²
Pressbereich Zwillingsaderendhülsen 2 x 16 mm² -
Länge 433 mm 433 mm
Gewicht 1,6 kg 1,6 kg
Artikel
Presswerkzeug für Aderendhülsen und Zwillingsaderendhülsen
Art.-Nr.
25 - 50 und 2 x 16 mm² K05WF50
Presswerkzeug für Aderendhülsen 50 - 95 mm² K05WF95
Zubehör
Presseinsatz AE für Aderendhülsen und Zwillingsaderendhülsen
25 - 50 und 2 x 16 mm²
Presseinsatz AE für Aderendhülsen 50 - 95 mm²
Art.-Nr.
AE512550
AE515095
K05Dgrp
K 05 / K 05 D Syncro Presswerkzeuge f. Rohrkabelschuhe u. Verbinder Normalausf. 6 - 50 mm² und f. DIN Presskabelschuhe u. Verbinder 6 - 50 mm²

` Synchronisierte Profilscheiben-Verstellung im geöffneten Zustand ` Querschnittanzeige aus markiertem Stellrad
Eigenschaften
▪ Sechskantpressung
▪ Präzise synchronisierte Kopfplattenstellung für optimale und gleichbleibende Pressergebnisse
▪ Moderne, formstabile und leichte Ellipsengriffrohre
▪ Ergonomische 2-Komponenten-Handgriffe mit beidseitigem Abgleitschutz
▪ Leichtgängige, langlebige und bei der Nutzung ermüdungsfreie Werkzeugmechanik
▪ Nicht zulässige Werkzeug-Kabelschuh-Kombinationen: - K05D Syncro für 6 mm² DIN in Verbindung mit Kupfer Leiterklasse 1
Technische Daten
Pressbereich 6 - 50 mm²
Länge 390 mm
Gewicht 1,1 kg
Artikel
Syncro Presswerkzeug für Rohrkabelschuhe und Verbinder Normalausführung 6 - 50 mm²
Syncro Presswerkzeug für Presskabelschuhe und Verbinder (DIN 46235 / DIN 46267 Teil 1) 6 - 50 mm²
Variante
Sortimentskasten aus Stahl mit Rohrkabelschuhen 6 - 50 mm² und Presswerkzeug K05
L-BOXX aus Kunststoff mit Standardausstattung für die Elektroinstallation
Sortimentskasten aus Stahl mit DIN Presskabelschuhen und Presswerkzeug
L-BOXX aus Kunststoff mit Standardausstattung für die Elektroinstallation
Art.-Nr.
K05
K05D
Art.-Nr.
SK65B
LBOXX65B
SK50B
LBOXX50B
K06grp
K 06 Syncro Presswerkzeuge für Rohrkabelschuhe und Verbinder Normalausführung 6 - 120 mm²

` Einzigartig mit extra großen Pressbereich
` Sechskantpressung
` Schnelle, sichere und synchrone Querschnittanpassung
` Ergonomisches Design
` Extrem leicht und formstabil
Eigenschaften
▪ Mit drehbaren Profilscheiben
▪ Einfach und sicher: Exakte Querschnittzuordnung durch dauerhafte Markierung an den Profilscheiben
Technische Daten
Pressbereich
6 - 120 mm²
Länge 600 -750 mm
Gewicht 2,6 kg
Artikel
Syncro Presswerkzeug für Rohrkabelschuhe und Verbinder Normalausführung
Art.-Nr.
K06
K 06 D Syncro Presswerkzeuge für DIN Presskabelschuhe und Verbinder 6 - 120 mm²
K06Dgrp

` Einzigartig mit extra großen Pressbereich
` Sechskantpressung
` Schnelle, sichere und synchrone Querschnittanpassung
` Ergonomisches Design
` Extrem leicht und formstabil
Eigenschaften
▪ Mit drehbaren Profilscheiben
▪ Einfach und sicher: Exakte Querschnittzuordnung durch dauerhafte Markierung an den Profilscheiben
Technische Daten
Pressbereich
Länge
Gewicht
Artikel
6 - 120 mm²
600 -750 mm
2,6 kg
Syncro Presswerkzeug für Presskabelschuhe und Verbinder (DIN 46235 / DIN 46267 Teil 1)
Art.-Nr.
K09grp
Mechanische Presswerkzeuge mit auswechselbaren Einsätzen
K 09 Syncro Presswerkzeuge für Rohrkabelschuhe und Verbinder Normalausführung 25 - 150 mm²

` Einzigartig mit extra großen Pressbereich
` Sechskantpressung
` Schnelle, sichere und synchrone Querschnittanpassung
` Ergonomisches Design
` Extrem leicht und formstabil
Eigenschaften
▪ Mit drehbaren Profilscheiben
▪ Einfach und sicher: Exakte Querschnittzuordnung durch dauerhafte Markierung an den Profilscheiben
Technische Daten
Pressbereich
Länge
25 - 150 mm²
600 - 750 mm
Gewicht 2,9 kg
Artikel
Art.-Nr.
Syncro Presswerkzeug für Rohrkabelschuhe und Verbinder Normalausführung K09
K06D
K 09 D Syncro Presswerkzeuge für DIN Presskabelschuhe und Verbinder, 25 - 150 mm²
K09Dgrp

` Einzigartig mit extra großen Pressbereich
` Sechskantpressung
` Schnelle, sichere und synchrone Querschnittanpassung
` Ergonomisches Design
` Extrem leicht und formstabil
Eigenschaften
▪ Mit drehbaren Profilscheiben
▪ Einfach und sicher: Exakte Querschnittzuordnung durch dauerhafte Markierung an den Profilscheiben
Technische Daten
Pressbereich 25 - 150 mm²
Länge 600 - 750 mm
Gewicht 2,9 kg
Artikel
Syncro Presswerkzeug für Presskabelschuhe und Verbinder (DIN 46235 / DIN 46267 Teil 1) 25 - 150 mm²
DN-K 74/2 Presswerkzeug für BNC-Stecker und Koax-Kabel
DNK742grp

` Sechskantpressung
` Werkzeugvorspannung nachstellbar
Eigenschaften
▪ Mit Sperrvorrichtung für gleichmäßig kontrollierte Pressergebnisse
▪ Justierscheibe zum Ausgleich des natürlichen Werkzeugverschleißes
geeignet für
▪ Koax-Kabel RG 58, RG 59, RG 62 und RG 71
Technische Daten
Länge 220 mm
Gewicht 0,560 kg
Pressmaß 1
Pressmaß 2
Pressmaß 3
Artikel
A: 6,48 mm, B: 10 mm
A: 5,4 mm, B: 10 mm
A: 1,72 mm, B: 2,3 mm
Mechanisches Presswerkzeug für BNC-Stecker und Koax-Kabel RG 58, RG 59, RG 62 und RG 71
Art.-Nr.
K09D
DNK742
K 507 Presswerkzeug mit auswechselbaren Presseinsätzen

` Schneller, werkzeugloser Presseinsatzwechsel ohne Nachjustierung durch spezielles Fixiersystem
` Zusätzliche Presseinsätze integriert im Griff
Eigenschaften
▪ Mit Sperrvorrichtung für gleichmäßig kontrollierte Pressergebnisse
▪ Justierscheibe zum Ausgleich des natürlichen Werkzeugverschleißes
Technische Daten
Länge
220 mm
Gewicht 0,635 kg
Artikel
Art.-Nr.
Presswerkzeug mit auswechselbaren Presseinsätzen K507
Lieferumfang
Art-Nr.
Presseinsatz für isol. Verbinder 0,5 - 6 mm² IS5071
Presseinsätze für Aderendhülsen, 0,5 - 6 mm² AE5071
Presseinsatz für Quetschkabelschuhe 0,5 - 10 mm² Q5071
Varianten
Sortimentskasten aus Stahl mit isol. Kabelverbindungen und Presswerkzeug
L-BOXX aus Kunststoff mit Standardausstattung für die Elektroinstallation
K 507 WF Presswerkzeug mit auswechselbaren
K507wfgrp

Art.-Nr.
MK230B507
LBOXX230B
Presseinsätzen für Aderendhülsen
` Großer Querschnittbereich von 0,5 - 50 mm²
` Ein Pressprofil für alle gängigen Leiter
` Schnelles und einfaches Auswechseln der Presseinsätze
` Weniger Pressungen aufgrund optimaler Einsatzbreite
Eigenschaften
▪ Mit Sperrvorrichtung für gleichmäßig kontrollierte Pressergebnisse
▪ Justierscheibe zum Ausgleich des natürlichen Werkzeugverschleißes
Zusatzinformationen
▪ Optional erhältlicher Presseinsatz für Zwillings-Aderendhülsen
Technische Daten
Länge 220 mm
Gewicht 0,657 kg
Artikel
Presswerkzeug mit auswechselbaren Presseinsätzen für Aderendhülsen
Lieferumfang
Presseinsatz für Aderendhülsen 0,5 - 6 mm²
Presseinsatz für Aderendhülsen 10 - 25 mm²
Art.-Nr.
K507WF
Art.-Nr.
AE5071
AE5072
Presseinsatz für Aderendhülsen 35 - 50 mm² AE5073
Zubehör
Art.-Nr.
Presseinsatz für Zwillings-Aderendhülsen 2 x 6 - 2 x 16 mm² ZAE5072
K50grp K 50 Presswerkzeug für

` Parallel geführte Pressbacken
` Schneller Presseinsatzwechsel ohne Nachjustierung durch spezielles Fixiersystem
` Exakte Positionierung der Presseinsätze durch Fixierstifte der Einsätze
Eigenschaften
▪ Optimale Kraftübersetzung
▪ Mit Sperrvorrichtung für gleichmäßig kontrollierte Pressergebnisse
▪ Handgriffe mit Abgleitschutz und Beschriftungsfeld
Technische Daten
Länge 220 mm
Gewicht 0,6 kg
Artikel
Presswerkzeug für auswechselbare Presseinsätze 0,1 - 50 mm² K50
Zubehör
Stahlblechkasten
Lieferbare Presseinsätze der Serie 50 für K 50
geeignet für Verbindungsmaterial
und Verbinder für Massivleiter - Cu
Presskabelschuhe und Verbinder nach DIN - Cu
Presskabelschuhe (DIN 46235) und Verbinder (DIN 46237, Teil 1) nach DIN - Cu
Quetschkabelschuhe, Verbinder und Stiftkabelschuhe nach DIN - Cu
Quetschkabelschuhe (DIN 46234) und Stiftkabelschuhe (DIN46230) nach DIN - Cu, Quetschverbinder (DIN 46341 nach DIN - Cu
- 10
Isolierte Quetschkabelschuhe und Verbinder 10 - 16
Aderendhülsen
Aderendhülsen
Kabelverbindungen, isoliert und nicht isoliert
Isolierte Kabelverbindungen, Einzelpressung
Isolierte Kabelverbindungen, Doppelpressung
Nicht-isolierte Flachsteckverbindungen
Für Stift- und Schirmhülsen, BNC-Stecker für Koax-Kabel RG 58, 59, 62 und 71
Gedrehte Rundstecker, Steckbuchsen
- 6
- 6
Mechanische Press- und Crimpwerkzeuge
K 35/4 Presswerkzeug für auswechselbare Presseinsätze 6 - 150 mm²

` Hoher Komfort: Werkzeugloser Presseinsatzwechsel
` Optimal für Muffen- und Schaltschrankbau
` Kraftsparender, wartungsarmer mechanischer Antrieb
Eigenschaften
▪ Schmalpressung
▪ Geringer Kraftaufwand: Mit verlängerbaren Teleskopgriffen
▪ Flexibler Einsatz: Kopf 360° drehbar
▪ Schneller Presseinsatzwechsel ohne Nachjustierung durch spezielles Fixiersystem
Technische Daten
Länge stufenlos 420 - 590 mm
Gewicht 1,9 kg
Artikel Art.-Nr.
Presswerkzeug für auswechselbare Presseinsätze 6 - 150 mm² K354
Zubehör
Stahlblechkasten
Lieferbare Presseinsätze der Serie 4 für K 35/4
geeignet für
Rohrkabelschuhe und Verbinder - Cu
Rohrkabelschuhe und Verbinder - Cu, Normalausführung, Rohrkabelschuhe für Schaltgeräteanschlüsse
Isolierte Rohrkabelschuhe und Verbinder „Normalausführung“
und Verbinder für feindrähtige Leiter
Rohrkabelschuhe und Verbinder - Ni, VA
Rohrkabelschuhe und Verbinder - VA, Dornpressung
Rohrkabelschuhe und Verbinder - VA, Doppeldornpressung
Verbindungsmaterial
und Verbinder - Ni, Doppeldornpressung
Presskabelschuhe und Verbinder nach DIN - Cu
Presskabelschuhe (DIN 46235) und Verbinder (DIN 46267, Teil 1) nach DIN - Cu
Quetschkabelschuhe, Verbinder und Stiftkabelschuhe nach DIN - Cu
Quetschkabelschuhe (DIN 46234), Verbinder (DIN 46341) und Stiftkabelschuhe (DIN 46230) nach DIN - Cu
Isolierte Quetschkabelschuhe und Verbinder
Hülsen für verdichtete Leiter und Sektorleiter Runddrückeinsätze für Al- und Cu-Sektorleiter
Presskabelschuhe und Verbinder nach DIN - Al
Presskabelschuhe und Verbinder nach DIN - Al
Presskabelschuhe und Verbinder - Al/Cu
Aluminiumseite der Presskabelschuhe und Verbinder: Presseinsätze HA4, Kupferseite der Presskabelschuhe und Verbinder: Presseinsätze HD4
Klemmen und Schraubverbinder
Abzweigklemmen C-Form
Aderendhülsen
Aderendhülsen
-
Mechanische Press- und Crimpwerkzeuge
K 22
Presswerkzeug für auswechselbare Presseinsätze 6 - 300 mm²

` Werkzeugloser Presseinsatzwechsel
` Optimal für den Muffen- und Schaltschrankbau
` Kraftsparender, wartungsarmer mechanischer Antrieb
Eigenschaften
▪ Schmalpressung
▪ Großer Querschnittsbereich durch Halbschalen-Presseinsätze
▪ Mit verlängerbaren Teleskopgriffen
▪ Kopf 360° drehbar, aufklappbar
▪ Schneller Presseinsatzwechsel ohne Nachjustierung durch spezielles Fixiersystem
Technische Daten
Länge stufenlos 560 - 860 mm
Gewicht 2,5 kg
Artikel
Art.-Nr.
Presswerkzeug für auswechselbare Presseinsätze 6 - 300 mm² K22
Zubehör
Art.-Nr.
Stahlblechkasten MK22
Lieferbare
Presseinsätze
der Serie 22 für K 22
Bitte beachten Sie bei der Verpressung von Verbindern die Einschränkungen im technischen Anhang!
geeignet für
Rohrkabelschuhe und Verbinder - Cu
Rohrkabelschuhe und Verbinder, Normalausführung, Rohrkabelschuhe für Schaltgeräteanschlüsse
Winkelrohrkabelschuhe, 90° abgewinkelt, Normalausführung
Isolierte Rohrkabelschuhe und Verbinder, Normalausführung, Isolierte Stiftkabelschuhe
Rohrkabelschuhe und Verbinder für feindrähtige Leiter
Rohrkabelschuhe und Verbinder für Massivleiter
Rohrkabelschuhe und Verbinder - Ni, VA
Presskabelschuhe und Verbinder nach DIN - Cu
Presskabelschuhe (DIN 46235) und Verbinder (DIN 46267, Teil 1) nach DIN -
Quetschkabelschuhe, Verbinder und Stiftkabelschuhe nach DIN - Cu
Quetschkabelschuhe (DIN 46234) und Stiftkabelschuhe (DIN 46230), Quetschverbinder (DIN 46341)
Isolierte Quetschkabelschuhe und Stiftkabelschuhe
Hülsen für verdichtete Leiter und Sektorleiter - Cu
Runddrückeinsätze für Al- und Cu-Sektorleiter, 3- und 4-Leiter
Presskabelschuhe und Verbinder nach DIN - Al
Presskabelschuhe und Verbinder nach DIN - Al
Rohrkabelschuhe und Verbinder - Al/Cu
Aluminiumseite der Presskabelschuhe und Verbinder: Presseinsätze A22, Kupferseite der Presskabelschuhe und Verbinder: Presseinsätze D22
Klemmen
Akkuhydraulische Presswerkzeuge 10,8 V
DER KLEINE PRESS-EXPERTE –
AKKUHYDRAULISCHE PRESSWERKZEUGE (10,8 V)
Wir haben Leistung leicht gemacht: Die Klauke mini wiegt wenig und ist dennoch leistungsstark. Mit ihren praktischen Maßen ist die Klauke mini besonders gut geeignet für schwer zugängliche Stellen zum Beispiel im Schaltschrankbau. Ein handlicher Experte für Verpressungen bis 150 mm2 Nennquerschnitt.

` Pure Leistung ohne Schnickschnack
Die Klauke mini konzentriert sich auf ihre Kernaufgabe: das sichere Verpressen. Auch ohne Drucksensor und Display erledigt der kleine Experte seinen Job zuverlässig - ohne Wenn und Aber.
` Einsatzzeit im Blick
Lesen Sie den Ladestand jederzeit direkt am leistungsstarken 10,8 V Akku ab.
` Rundherum Pressen
Wie werden schwierige Stellen gut erreicht? Mit Pressköpfen, die 360° drehbar sind.
EK 30 ID ML Akkuhydraulisches Presswerkzeug 6 - 120 mm²

` Leistungsstarke 10,8 V Li-Ion-Akkutechnologie mit Ladezustandsanzeige
` Dornpressung - es ist kein Wechseln von Presseinsätzen erforderlich
Eigenschaften
▪ Geschlossener Kopf, aufklappbar, drehbar
▪ Einfach und sicher: Ein-Knopf-Bedienkonzept zur Steuerung aller Werkzeugfunktionen
▪ Komfortable und sichere Einhandbedienung durch ergonomisches 2-Komponenten
Kunststoffgehäuse mit Softeinlage
▪ Ermüdungsfreies Arbeiten durch geringes Eigengewicht
▪ Automatischer Rücklauf nach vollendetem Arbeitsgang
▪ Wartungsanzeige mittels LED
geeignet für
▪ Sehr gut geeignet für verdichtete Leiter
▪ Speziell für feindrähtige Leiter nach EN 60228
Technische Daten
Presskraft 30 kN
Hub / Öffnungsweite 22 mm
Pressbereich 6 - 120 mm²
Presszeit 2,5 s bis 5 s (abhängig vom Pressquerschnitt)
Akkuladezeit 45 min.
Gewicht mit Akku 1,95 kg
Umgebungstemperatur -10 °C bis +40 °C
Artikel
Art.-Nr. Akkuhydraulisches Presswerkzeug 6 - 120 mm² EK30IDML
Lieferumfang
Akku 10,8 V / 2,5 Ah, Li-Ion (27 Wh)
RAML1225
Ladegerät für 10,8 V Li-Ion Akkus, 230 V LGML1
Kunststoffkoffer KKML
geeignet für Verbindungsmaterial
Pressbereich mm²
Pressform
Rohrkabelschuhe und Verbinder - Cu
Rohrkabelschuhe und Verbinder Normalausführung,
Rohrkabelschuhe für Schaltgeräteanschlüsse
Rohrkabelschuhe und Verbinder für feindrähtige Leiter
6 - 120
6 - 120
Quetschkabelschuhe, Verbinder und Stiftkabelschuhe nach DIN - Cu
Quetschkabelschuhe (DIN 46234) und Stiftkabelschuhe (DIN 46230) nach
DIN - Cu, Quetschverbinder (DIN 46341) nach DIN - Cu
6 - 95
WF 120 ML Akkuhydraulisches Presswerkzeug 6 - 120 mm²

` Innovative Vierkant (Kamm-) Verpressung - es ist kein Wechseln von Presseinsätzen erforderlich
` Bis zu einer Aderendhülsenlänge von 32 mm nur eine Verpressung notwendig
` Leistungsstarke 10,8 V Li-Ion-Akkutechnologie mit Ladezustandsanzeige
Eigenschaften
▪ Geschlossener Kopf
▪ Einfach und sicher: Ein-Knopf-Bedienkonzept zur Steuerung aller Werkzeugfunktionen
▪ Komfortable und sichere Einhandbedienung durch ergonomisches 2-KomponentenKunststoffgehäuse mit Softeinlage
▪ Ermüdungsfreies Arbeiten durch geringes Eigengewicht
▪ Automatischer Rücklauf nach vollendetem Arbeitsgang
▪ Manueller Rücklaufstopp (MRS) zur Positionssteuerung bei Mehrfachpressungen
▪ Wartungsanzeige mittels LED
geeignet für
▪ Aderendhülsen nach DIN, isolierte Aderendhülsen und isolierte Zwillingsaderendhülsen
Technische Daten
Presskraft 10 / 40 kN
Hub / Öffnungsweite 19 mm
Pressbereich 6 - 120 mm²
Presszeit 1 s bis 5 s (abhängig vom Pressquerschnitt)
Akkuspannung 10,8 V Akkukapazität 2,5 Ah, Li-Ion
Akkuladezeit ca. 45 min.
Gewicht mit Akku 1,96 kg
Umgebungstemperatur -10 °C bis +40 °C
Artikel
Art.-Nr. Akkuhydraulisches Presswerkzeug 6 - 120 mm² EKWF120ML
Lieferumfang
RAML1225 Akku 10,8 V / 2,5 Ah, Li-Ion (27 Wh)
Art-Nr.
RAML1225
Ladegerät für 10,8 V Li-Ion Akkus, 230 V LGML1 Kunststoffkoffer KKML
geeignet für Verbindungsmaterial Pressbereich mm² Pressform
Aderendhülsen
Aderendhülsen
6 - 120
Zwillingsaderendhülsen 6 - 120
Akkuhydraulische Presswerkzeuge
EK 35/4 ML Akkuhydraulisches Presswerkzeug 6 - 150 mm²

` Großer Querschnittsbereich bis 150 mm²
` Schlanker Presskopf - ideal bei kritischen Platzverhältnissen
` Leistungsstarke 10,8 V Li-Ion-Akkutechnologie mit Ladezustandsanzeige
Eigenschaften
▪ Geschlossener Kopf, aufklappbar, drehbar
▪ Einfach und sicher: Ein-Knopf-Bedienkonzept zur Steuerung aller Werkzeugfunktionen
▪ Komfortable und sichere Einhandbedienung durch ergonomisches 2-Komponenten
Kunststoffgehäuse mit Softeinlage
▪ Ermüdungsfreies Arbeiten durch geringes Eigengewicht
▪ Automatischer Rücklauf nach vollendetem Arbeitsgang
▪ Wartungsanzeige mittels LED
geeignet für
▪ Auswechselbare Presseinsätze der Serie 4, Schmalpressung
Technische Daten
Presskraft 35 kN
Hub / Öffnungsweite 9 mm
Pressbereich 6 - 150 mm²
Presszeit 3 s bis 4 s (abhängig vom Pressquerschnitt)
Anzahl Pressungen ca. 200 bei 120 mm² Cu
Akkuspannung 10,8 V
Akkukapazität 2,5 Ah, Li-Ion
Akkuladezeit ca. 45 min.
Gewicht mit Akku 1,6 kg
Umgebungstemperatur -10 °C bis +40 °C
Artikel
Akkuhydraulisches Presswerkzeug 6 - 150 mm²
Lieferumfang
Art.-Nr.
EK354ML
Art-Nr.
Akku 10,8 V / 2,5 Ah, Li-Ion (27 Wh) RAML1225
Ladegerät für 10,8 V Li-Ion Akkus, 230 V LGML1
Kunststoffkoffer
Varianten
EK 35/4 ML mit Presseinsatzset HR 4 von 6 - 150 mm²
EK 35/4 ML mit Presseinsatzset HD 4 von 6 - 120 mm²
KKML
Art.-Nr.
EK354MLSETHR
EK354MLSETHD
Lieferbare Presseinsätze der Serie 4 für K 35/4 ML
geeignet für
Rohrkabelschuhe und Verbinder - Cu
Rohrkabelschuhe und Verbinder - Cu, Normalausführung, Rohrkabelschuhe für Schaltgeräteanschlüsse
Isolierte Rohrkabelschuhe und Verbinder „Normalausführung“
und Verbinder für feindrähtige Leiter
Rohrkabelschuhe und Verbinder - Ni, VA
Rohrkabelschuhe und Verbinder - VA, Dornpressung
Rohrkabelschuhe und Verbinder - VA, Doppeldornpressung
-
und Verbinder - Ni, Doppeldornpressung
Presskabelschuhe und Verbinder nach DIN - Cu
Presskabelschuhe (DIN 46235) und Verbinder (DIN 46267, Teil 1) nach DIN - Cu
Quetschkabelschuhe, Verbinder und Stiftkabelschuhe nach DIN - Cu
Quetschkabelschuhe (DIN 46234), Verbinder (DIN 46341) und Stiftkabelschuhe (DIN 46230) nach DIN - Cu
und Verbinder
Hülsen für verdichtete Leiter und Sektorleiter Runddrückeinsätze für Al- und Cu-Sektorleiter
Presskabelschuhe und Verbinder nach DIN - Al
Presskabelschuhe und Verbinder nach DIN - Al
Presskabelschuhe und Verbinder - Al/Cu
Aluminiumseite der Presskabelschuhe und Verbinder: Presseinsätze HA4, Kupferseite der Presskabelschuhe und Verbinder: Presseinsätze HD4
Klemmen und Schraubverbinder
Abzweigklemmen C-Form
Aderendhülsen
Aderendhülsen
Verbindungsmaterial
-
-
DER NEUE STANDARD –KLAUKE NEXT GENERATION
PRESSWERKZEUGE
Zur Sicherstellung der Qualität können Sie die Werkzeugdaten jederzeit per Display oder Klauke Link® App kontrollieren. Diese Daten können ganz einfach per Knopfdruck als Projektdokumentation Ihrem Kunden zur Verfügung gestellt werden. Die ausbalancierte Bauweise gewährleistet ein ermüdungsfreies und gleichbleibend hochwertiges Arbeiten bis zum Ende eines jeden Arbeitstages.

In Kürze
` Wählbare Akkuplattform: mit Bosch oder Makita
` Qualitätsnachweis via Bluetooth erstellbar
` Werkzeugverfügbarkeit sicherstellen: Ablesen der Werkzeugeigenschaften per Display oder App
` Ermüdungsfreies Arbeiten durch modernes, ergonomisches Design
` Erleichtert das Arbeiten
Klauke Presswerkzeuge garantieren ein ermüdungsfreies
Arbeiten: die „mini“ glänzt durch ihr geringes Eigengewicht und die Pistolenform durch die ausgewogene Schwerpunk tlage
◾ Für schwer zugängliche Stellen ist unsere „mini“ mit ihrer kompakten Bauweise einfach perfekt
◾ Die 2-Stufen-Hydraulik gewährleistet schnelles Arbeiten dank Vorlauf und Krafthub (Pistolenform)
` Sichert die Quaität
◾ Alle relevanten Werkzeugdaten direkt im Blick über das integrierte Display
◾ Sie werden im Fehlerfall durch optische und akustische Signale des Werkzeuges gewarnt

◾ Besonders eindrucksvoll und sicher: das Ein-KnopfBedienkonzept aller Werkzeuge mit automatischem Rücklauf
◾ Die ARS - Funktion (Automatischer Rücklaufstopp) ermöglicht das Stoppen des automatischen Rücklaufs nach vollendeter Pressung vollautomatisch
Connectivity ist der Oberbegriff zu der digitalen Anwendung, die Klauke seinen Kunden zusätzlich zu seinen Werkzeugen zur Verfügung stellt - die neue Klauke Link ® App. Diese Anwendung bietet Ihnen bei allen Werkzeugen der Klauke Next Generation neuartige Möglichkeiten.
Die Klauke Link ® App finden Sie unter: https://www.klauke.com/de/de/ klauke-link-connectivity
◾ Liefern Sie einen schriftlichen Nachweis über die Qualität Ihrer Arbeit mittels Link® App - jetzt einfach und bequem das Werkzeug über Bluetooth mit dem Computer verbinden.
` Klauke Link ® App
Zeigen Sie Ihren Kunden, wie gut Sie arbeiten. Klauke Next Generation speichert Ihre Arbeitsvorgänge, die per Bluetooth übertragen werden können. Die kostenlose Klauke Link ® Software erstellt Ihnen aus diesen Daten auf Wunsch ein Projektprotokoll – der Qualitätsnachweis für Ihr richtiges Arbeiten. Sie haben Ihre Qualität in der Hand.

` Klauke Link ® App
Akkuhydraulische Presswerkzeuge 18 V
EK 35/4 Akkuhydraulisches Presswerkzeug 6 - 150 mm²

` Großer Querschnittsbereich bis 150 mm²
` Schlanker Presskopf - ideal bei kritischen Platzverhältnissen
` Alle Werkzeugdaten im Blick dank Display und Klauke Link® App
Eigenschaften
▪ Wählen Sie Ihr Akku-System: Bosch oder Makita
▪ Einfaches Auslesen aller Daten mittels Bluetooth
▪ Geschlossener Kopf, aufklappbar, drehbar
▪ Qualitätssicherung mittels optischen und akustischen Signalen im Fehlerfall
▪ Einfach und sicher: Ein-Knopf-Bedienkonzept zur Steuerung aller Werkzeugfunktionen
▪ Einfach und sicher: Automatischer Rücklauf nach vollendetem Arbeitsgang
▪ Ermüdungsfreies Arbeiten durch geringes Eigengewicht
▪ LED zur Arbeitsraumbeleuchtung
▪ Immer einsatzbereit dank Ladestand- und Serviceanzeige geeignet für
▪ Auswechselbare Presseinsätze der Serie 4, Schmalpressung
Technische Daten
Presskraft
35 kN
Hub 9 mm
Pressbereich
6 - 150 mm²
Presszeit 3 s bis 4 s (abhängig vom Pressquerschnitt)
Akkuladezeit 15 min.
Gewicht mit Akku 2,4 kg
Umgebungstemperatur -10 °C bis +40 °C
Artikel
Art-Nr. Bosch Art-Nr. Makita Akkuhydraulisches Presswerkzeug 6 - 150 mm² EK354CFB EK354CFM
Lieferumfang
Bosch Akku 18 V / 2,0 Ah, Li-Ion RALB1EU
Bosch Ladegerät für 18 V Li-Ion Akkus LGLB1EU
Makita Akku 18 V / 1,5 Ah, Li-Ion RAL1
Makita Schnell-Ladegerät für 18 V Li-Ion Akkus
LGL1
Kunststoffkoffer KK50NG KK50NG
Zubehör
Bosch Akku 18 V / 5,0 Ah, Li-Ion RALB2EU
Makita Akku 18 V / 3,0 Ah, Li-Ion (54 Wh) RAL2
Varianten
L-BOXX mit akkuhydraulischem Presswerkzeug EK354CFB, 6-150 mm²
L-BOXX mit akkuhydraulischem Presswerkzeug EK354CFM, 6-150 mm²
LBOXXEK354CFB
LBOXXEK354CFM
Lieferbare Presseinsätze der Serie 4 für K 35/4
geeignet für
Rohrkabelschuhe und Verbinder - Cu
Rohrkabelschuhe und Verbinder - Cu, Normalausführung, Rohrkabelschuhe für Schaltgeräteanschlüsse
Isolierte Rohrkabelschuhe und Verbinder „Normalausführung“
und Verbinder für feindrähtige Leiter
Rohrkabelschuhe und Verbinder - Ni, VA
Rohrkabelschuhe und Verbinder - VA, Dornpressung
Rohrkabelschuhe und Verbinder - VA, Doppeldornpressung
Verbindungsmaterial
und Verbinder - Ni, Doppeldornpressung
Presskabelschuhe und Verbinder nach DIN - Cu
Presskabelschuhe (DIN 46235) und Verbinder (DIN 46267, Teil 1) nach DIN - Cu
Quetschkabelschuhe, Verbinder und Stiftkabelschuhe nach DIN - Cu
Quetschkabelschuhe (DIN 46234), Verbinder (DIN 46341) und Stiftkabelschuhe (DIN 46230) nach DIN - Cu
Isolierte Quetschkabelschuhe und Verbinder
Hülsen für verdichtete Leiter und Sektorleiter Runddrückeinsätze für Al- und Cu-Sektorleiter
Presskabelschuhe und Verbinder nach DIN - Al
Presskabelschuhe und Verbinder nach DIN - Al
Presskabelschuhe und Verbinder - Al/Cu
Aluminiumseite der Presskabelschuhe und Verbinder: Presseinsätze HA4, Kupferseite der Presskabelschuhe und Verbinder: Presseinsätze HD4
Klemmen und Schraubverbinder
Abzweigklemmen C-Form
Aderendhülsen Aderendhülsen
-
Akkuhydraulische Presswerkzeuge
EKM6022grp
EKM 60/22 Akkuhydraulisches Presswerkzeug 6 - 300 mm²

` Großer Pressbereich bis 300 mm²
` Alle Werkzeugdaten im Blick dank Display und Klauke Link® App
Eigenschaften
▪ Wählen Sie Ihr Akku-System: Bosch oder Makita
▪ Einfaches Auslesen aller Daten mittels Bluetooth
▪ Geschlossener Kopf, aufklappbar, drehbar
▪ Qualitätssicherung mittels optischen und akustischen Signalen im Fehlerfall
▪ Einfach und sicher: Ein-Knopf-Bedienkonzept zur Steuerung aller Werkzeugfunktionen
▪ Ermüdungsfreies Arbeiten durch ausgewogene Schwerpunktlage
▪ LED zur Arbeitsraumbeleuchtung
▪ Einfach und sicher: Automatischer Rücklauf nach vollendetem Arbeitsgang
▪ Automatischer Rücklaufstopp (ARS) zur Positionssteuerung bei Mehrfachpressungen
▪ Immer einsatzbereit dank Ladestand- und Serviceanzeige
geeignet für
▪ Auswechselbare Presseinsätze der Serie 22, Schmalpressung
Technische Daten
Presskraft 60 kN
Hub 17,5 mm
Pressbereich 6 - 300 mm²
Presszeit 2 s (bei ARS) und 5 s (abhängig vom Pressquerschnitt)
Akkuladezeit 15 min.
Gewicht mit Akku 3,0 kg
Umgebungstemperatur -10 °C bis +40 °C
Artikel
Art-Nr. Bosch Art-Nr. Makita Akkuhydraulisches Presswerkzeug 6 - 300 mm² EKM6022CFB EKM6022CFM
Lieferumfang
Bosch Akku 18 V / 2,0 Ah, Li-Ion RALB1EU
Bosch Ladegerät für 18 V Li-Ion Akkus LGLB1EU
Kunststoffkoffer KK50NG
Makita Akku 18 V / 1,5 Ah, Li-Ion RAL1
Makita Schnell-Ladegerät für 18 V Li-Ion Akkus
Kunststoffkoffer
Zubehör
Bosch Akku 18 V / 5,0 Ah, Li-Ion RALB2EU
LGL1
KK50L
Makita Akku 18 V / 4,0 Ah, Li-Ion RAL40
Varianten
L-BOXX mit akkuhydraulischem Presswerkzeug
EKM6022CFB, 6 - 300 mm²
L-BOXX mit akkuhydraulischem Presswerkzeug EKM6022CFM, 6 - 300 mm²
LBOXXEKM6022CFB
LBOXXEKM6022CFM
Lieferbare Presseinsätze der Serie 22 für EKM 60/22
Bitte beachten Sie bei der Verpressung von Verbindern die Einschränkungen im technischen Anhang!
geeignet für
Rohrkabelschuhe und Verbinder - Cu
Rohrkabelschuhe und Verbinder, Normalausführung, Rohrkabelschuhe für Schaltgeräteanschlüsse
Winkelrohrkabelschuhe, 90° abgewinkelt, Normalausführung
Isolierte Rohrkabelschuhe und Verbinder, Normalausführung, Isolierte Stiftkabelschuhe
Rohrkabelschuhe und Verbinder für feindrähtige Leiter
Rohrkabelschuhe und Verbinder für Massivleiter
Rohrkabelschuhe und Verbinder - Ni, VA
Presskabelschuhe und Verbinder nach DIN - Cu
Presskabelschuhe (DIN 46235) und Verbinder (DIN 46267, Teil 1) nach
Quetschkabelschuhe, Verbinder und Stiftkabelschuhe nach DIN - Cu
Quetschkabelschuhe (DIN 46234) und Stiftkabelschuhe (DIN 46230), Quetschverbinder (DIN 46341)
Quetschkabelschuhe und Stiftkabelschuhe
Hülsen für verdichtete Leiter und Sektorleiter - Cu
Runddrückeinsätze für Al- und Cu-Sektorleiter, 3- und 4-Leiter
Presskabelschuhe und Verbinder nach DIN - Al
Presskabelschuhe und Verbinder nach DIN - Al
Rohrkabelschuhe und Verbinder - Al/Cu
Aluminiumseite der Presskabelschuhe und Verbinder: Presseinsätze A22, Kupferseite der Presskabelschuhe und Verbinder: Presseinsätze D22
Verbindungsmaterial
EK6022GRP Pressen
Akkuhydraulische Presswerkzeuge
EK 60/22 Akkuhydraulisches Presswerkzeug 6 - 300 mm²

` Großer Pressbereich bis 300 mm²
` Schnelle Presszyklen durch automatischen Rücklaufstopp (ARS)
` Alle Werkzeugdaten im Blick dank Display und Klauke Link® App
Eigenschaften
▪ Wählen Sie Ihr Akku-System: Bosch oder Makita
▪ Einfaches Auslesen aller Daten mittels Bluetooth
▪ Geschlossener Kopf, aufklappbar, drehbar
▪ Qualitätssicherung mittels optischen und akustischen Signalen im Fehlerfall
▪ Ermüdungsfreies Arbeiten durch ausgewogene Schwerpunktlage
▪ LED zur Arbeitsraumbeleuchtung
▪ Einfach und sicher: Automatischer Rücklauf nach vollendetem Arbeitsgang
▪ Automatischer Rücklaufstopp (ARS) zur Positionssteuerung bei Mehrfachpressungen
▪ Immer einsatzbereit dank Ladestand- und Serviceanzeige geeignet für
▪ Auswechselbare Presseinsätze der Serie 22, Schmalpressung
Technische Daten
Presskraft 60 kN
Hub 17 mm
Pressbereich 6 - 300 mm²
Presszeit 3 s bis 5 s (abhängig vom Pressquerschnitt)
Akkuladezeit 45 min.
Gewicht mit Akku 4,4 kg
Umgebungstemperatur -10 °C bis +40 °C
Artikel
Art-Nr. Bosch Art-Nr. Makita
Akkuhydraulisches Presswerkzeug 6 - 300 mm² EK6022CFB EK6022CFM
Lieferumfang
Bosch Akku 18 V / 5,0 Ah, Li-Ion RALB2EU
Bosch Ladegerät für 18 V Li-Ion Akkus LGLB1EU
Makita Akku 18 V / 4,0 Ah, Li-Ion RAL40
Makita Schnell-Ladegerät für 18 V Li-Ion Akkus LGL1
Kunststoffkoffer KK120NG KK120NG
Zubehör
Bosch Akku 18 V / 5,0 Ah, Li-Ion RALB2EU
Makita Akku 18 V / 4,0 Ah, Li-Ion RAL40
Artikel
EK 60/22 mit Presseinsatzset D 22 von 16 - 240 mm²
EK 60/22 mit Presseinsatzset R 22 von 16 - 240 mm²
EK6022CFMSETD
EK6022CFMSETR
Lieferbare Presseinsätze der Serie 22 für EK 60/22
Bitte beachten Sie bei der Verpressung von Verbindern die Einschränkungen im technischen Anhang!
geeignet für
Rohrkabelschuhe und Verbinder - Cu
Rohrkabelschuhe und Verbinder, Normalausführung, Rohrkabelschuhe für Schaltgeräteanschlüsse
Winkelrohrkabelschuhe, 90° abgewinkelt, Normalausführung
Isolierte Rohrkabelschuhe und Verbinder, Normalausführung, Isolierte Stiftkabelschuhe
Rohrkabelschuhe und Verbinder für feindrähtige Leiter
Rohrkabelschuhe und Verbinder für Massivleiter
Rohrkabelschuhe und Verbinder - Ni, VA
Presskabelschuhe und Verbinder nach DIN - Cu
Presskabelschuhe (DIN 46235) und Verbinder (DIN 46267, Teil 1) nach DIN -
Quetschkabelschuhe, Verbinder und Stiftkabelschuhe nach DIN - Cu
Quetschkabelschuhe (DIN 46234) und Stiftkabelschuhe (DIN 46230), Quetschverbinder (DIN 46341)
Quetschkabelschuhe und Stiftkabelschuhe
Hülsen für verdichtete Leiter und Sektorleiter - Cu
Runddrückeinsätze für Al- und Cu-Sektorleiter, 3- und 4-Leiter
Presskabelschuhe und Verbinder nach DIN - Al
Presskabelschuhe und Verbinder nach DIN - Al
Rohrkabelschuhe und Verbinder - Al/Cu
Aluminiumseite der Presskabelschuhe und Verbinder: Presseinsätze A22, Kupferseite der Presskabelschuhe und Verbinder: Presseinsätze D22
Verbindungsmaterial
Akkuhydraulische Presswerkzeuge 18 V
EK60VPgrp
EK 60 VP Akkuhydraulisches Presswerkzeug 10 - 240 mm²

` Jederzeit optimale Pressergebnisse durch das patentierte Zentriersystem
` Schnelle Presszyklen durch automatischen Rücklaufstopp (ARS)
` Alle Werkzeugdaten im Blick dank Display und Klauke Link® App
Eigenschaften
▪ Wählen Sie Ihr Akku-System: Bosch oder Makita
▪ Einfaches Auslesen aller Daten mittels Bluetooth
▪ Vierdornpressung mit patentiertem Zentriersystem, keine Presseinsätze erforderlich
▪ Offener Kopf, drehbar
▪ Qualitätssicherung mittels optischen und akustischen Signalen im Fehlerfall
▪ Einfach und sicher: Ein-Knopf-Bedienkonzept zur Steuerung aller Werkzeugfunktionen
▪ Ermüdungsfreies Arbeiten durch ausgewogene Schwerpunktlage
▪ LED zur Arbeitsraumbeleuchtung
▪ 2-Stufen-Hydraulik mit schnellem Vorlauf und Krafthub
▪ Einfach und sicher: Automatischer Rücklauf nach vollendetem Arbeitsgang
▪ Immer einsatzbereit dank Ladestand- und Serviceanzeige
Technische Daten
Presskraft
55 kN
Pressbereich 10 - 240 mm²
Presszeit 3 s bis 6 s (abhängig vom Pressquerschnitt)
Akkuladezeit
45 min.
Gewicht mit Akku 5,0 kg
Umgebungstemperatur -10 °C bis +40 °C
Artikel
Art-Nr. Bosch Art-Nr. Makita
Akkuhydraulisches Presswerkzeug 10 - 240 mm² EK60VPCFB EK60VPCFM
Lieferumfang
Bosch Akku 18 V / 5,0 Ah, Li-Ion RALB2EU
Bosch Ladegerät für 18 V Li-Ion Akkus LGLB1EU
Makita Akku 18 V / 4,0 Ah, Li-Ion RAL40
Makita Schnell-Ladegerät für 18 V Li-Ion Akkus LGL1
Kunststoffkoffer KK120NG KK120NG
Zubehör
Lehre und 10 Prüfzylinder TS10B TS10B
geeignet für Verbindungsmaterial
Rohrkabelschuhe und Verbinder - Cu
Rohrkabelschuhe
Pressbereich mm²
Normalausführung und Rohrkabelschuhe für Schaltgeräte - Anschlüsse 10-240
Verbinder Normalausführung 10-120
Rohrkabelschuhe für feindrähtige Leiter 10-240
Verbinder für feindrähtige Leiter 10-95
Pressform
EK60VPFTgrp

` Geeignet zum Verpressen von Rohrkabelschuhen und Verbindern
Normalausführung und fein- und feinstdrähtige Leiter bis 300 mm²
` Schnelle Presszyklen durch automatischen Rücklaufstopp (ARS)
` Alle Werkzeugdaten im Blick dank Display und Klauke Link® App
Eigenschaften
▪ Wählen Sie Ihr Akku-System: Bosch oder Makita
▪ Einfaches Auslesen aller Daten mittels Bluetooth
▪ Vierdornpressung mit patentiertem Zentriersystem, keine Presseinsätze erforderlich
▪ Geschlossener Kopf mit Bolzenverriegelung, aufklappbar, drehbar
▪ Qualitätssicherung mittels optischen und akustischen Signalen im Fehlerfall
▪ Einfach und sicher: Ein-Knopf-Bedienkonzept zur Steuerung aller Werkzeugfunktionen
▪ Ermüdungsfreies Arbeiten durch ausgewogene Schwerpunktlage
▪ LED zur Arbeitsraumbeleuchtung
▪ 2-Stufen-Hydraulik mit schnellem Vorlauf und Krafthub
▪ Einfach und sicher: Automatischer Rücklauf nach vollendetem Arbeitsgang
▪ Automatischer Rücklaufstopp (ARS) zur Positionssteuerung bei Mehrfachpressungen
▪ Immer einsatzbereit dank Ladestand- und Serviceanzeige
Technische Daten
Presskraft 55 kN
Pressbereich 16 - 300 mm²
Presszeit 3 s bis 6 s (abhängig vom Pressquerschnitt)
Akkuladezeit 45 min.
Gewicht mit Akku 5,1 kg
Umgebungstemperatur -10 °C bis +40 °C
Artikel
Lieferumfang
16-300 EK 60 VP/FT Akkuhydraulisches Presswerkzeug 16 - 300 mm²
Art-Nr. Bosch Art-Nr. Makita
Akkuhydraulisches Presswerkzeug 16 - 300 mm² EK60VPFTCFB EK60VPFTCFM
Bosch Akku 18 V / 5,0 Ah, Li-Ion RALB2EU
Bosch Ladegerät für 18 V Li-Ion Akkus LGLB1EU
Makita Akku 18 V / 4,0 Ah, Li-Ion RAL40
Makita Schnell-Ladegerät für 18 V Li-Ion Akkus LGL1
Kunststoffkoffer KK120NG KK120NG
Zubehör
Bosch Akku 18 V / 5,0 Ah, Li-Ion RALB2EU
Makita Akku 18 V / 4,0 Ah, Li-Ion RAL40
geeignet für Verbindungsmaterial Pressbereich mm² Pressform
Rohrkabelschuhe und Verbinder - Cu
Rohrkabelschuhe und Verbinder
Normalausführung, Rohrkabelschuhe für SchaltgeräteAnschlüsse
Rohrkabelschuhe und Verbinder für feindrähtige Leiter
16-300
Akkuhydraulische Presswerkzeuge
EKM60IDGRP
EKM 60 ID Akkuhydraulisches Presswerkzeug 10 - 300

geeignet für Verbindungsmaterial Pressbereich mm² Pressform
Rohrkabelschuhe und Verbinder - Cu
Rohrkabelschuhe und Verbinder Normalausführung, Rohrkabelschuhe für Schaltgeräteanschlüsse
Rohrkabelschuhe und Verbinder für feindrähtige Leiter
mm²
` Extra großer Pressbereich aufgrund des innovativen 2-stufigen Teleskopzylinders
` Dornpressung - es ist kein Wechseln von Presseinsätzen erforderlich
` Alle Werkzeugdaten im Blick dank Display und Klauke Link® App
Eigenschaften
▪ Wählen Sie Ihr Akku-System: Bosch oder Makita
▪ Einfaches Auslesen aller Daten mittels Bluetooth
▪ Mit innovativem 2-stufigen Teleskopzylinder
▪ Geschlossener Kopf, aufklappbar, drehbar
▪ Qualitätssicherung mittels optischen und akustischen Signalen im Fehlerfall
▪ Einfach und sicher: Ein-Knopf-Bedienkonzept zur Steuerung aller Werkzeugfunktionen
▪ Ermüdungsfreies Arbeiten durch ausgewogene Schwerpunktlage
▪ LED zur Arbeitsraumbeleuchtung
▪ Immer einsatzbereit dank Ladestand- und Serviceanzeige
geeignet für
▪ Sehr gut geeignet für verdichtete Leiter
▪ Speziell für feindrähtige Leiter nach EN 60228
▪ Ab 16 mm² zertifiziert
Technische Daten
Presskraft 30 - 60 kN
Hub / Öffnungsweite 40,5 mm
Pressbereich Cu 10 - 300 mm²
Pressbereich AL 50 - 240 mm²
Presszeit
10 - 300
10 - 300
Quetschkabelschuhe, Verbinder und Stiftkabelschuhe nach DIN - Cu
Quetschkabelschuhe (DIN 46234) und Stiftkabelschuhe (DIN 46230) nach DIN - Cu, Quetschverbinder (DIN 46341) nach DIN - Cu
2 s (bei ARS) bis 7 s (abhängig vom Pressquerschnitt)
Akkuladezeit 15 min.
Gewicht mit Akku 2,5 kg
Umgebungstemperatur -10 °C bis +40 °C
Artikel
10 - 300
Presskabelschuhe und Verbinder nach DIN - Al
Presskabelschuhe und Verbinder nach DIN - Al 50 - 240
Presskabelschuhe und Verbinder - Al/Cu
Presskabelschuhe und Verbinder - Al/Cu 50 - 240
Art-Nr. Bosch Art-Nr. Makita
Akkuhydraulisches Presswerkzeug 10 - 240 mm² EKM60IDCFB EKM60IDCFM
Lieferumfang
Bosch Akku 18 V / 2,0 Ah, Li-Ion RALB1EU
Bosch Ladegerät für 18 V Li-Ion Akkus LGLB1EU
Makita Akku 18 V / 1,5 Ah, Li-Ion RAL1
Makita Schnell-Ladegerät für 18 V Li-Ion Akkus LGL1
Kunststoffkoffer KK50NG KK50NG
Zubehör
Bosch Akku 18 V / 5,0 Ah, Li-Ion RALB2EU
Makita Akku 18 V / 4,0 Ah, Li-Ion RAL40
Varianten
L-BOXX mit akkuhydraulischem Presswerkzeug EKM60IDCFB, 10 - 240 mm²
L-BOXX mit akkuhydraulischem Presswerkzeug EKM60IDCFM, 10 - 240 mm²
LBOXXEKM60IDCFB
LBOXXEKM60IDCFM

` Für feinstdrähtige Leiter bis 500 mm²
` Dornpressung, keine Presseinsätze erforderlich
` Alle Werkzeugdaten im Blick dank Display und Klauke Link® App
Eigenschaften
▪ Wählen Sie Ihr Akku-System: Bosch oder Makita
▪ Einfaches Auslesen aller Daten mittels Bluetooth
▪ Geschlossener Kopf, aufklappbar, drehbar
▪ Qualitätssicherung mittels optischen und akustischen Signalen im Fehlerfall
▪ Einfach und sicher: Ein-Knopf-Bedienkonzept zur Steuerung aller Werkzeugfunktionen
▪ Ermüdungsfreies Arbeiten durch ausgewogene Schwerpunktlage
▪ LED zur Arbeitsraumbeleuchtung
▪ 2-Stufen-Hydraulik mit schnellem Vorlauf und Krafthub
▪ Einfach und sicher: Automatischer Rücklauf nach vollendetem Arbeitsgang
▪ Automatischer Rücklaufstopp (ARS) zur Positionssteuerung bei Mehrfachpressungen
▪ Immer einsatzbereit dank Ladestand- und Serviceanzeige
Technische Daten
Presskraft 108 kN
Hub / Öffnungsweite 52 mm
Pressbereich 35 - 500 mm²
Presszeit 10 s bis 11 s (abhängig vom Pressquerschnitt)
Akkuladezeit 45 min.
Gewicht mit Akku 7,0 kg
Umgebungstemperatur -10 °C bis +40 °C
Artikel
Art-Nr. Bosch Art-Nr. Makita Akkuhydraulisches Presswerkzeug 35 - 500 mm² EK120IDCFB EK120IDCFM
Lieferumfang
Bosch Akku 18 V / 5,0 Ah, Li-Ion RALB2EU
Bosch Ladegerät für 18 V Li-Ion Akkus LGLB1EU
Makita Akku 18 V / 4,0 Ah, Li-Ion RAL40
Makita Schnell-Ladegerät für 18 V Li-Ion Akkus LGL1
Kunststoffkoffer KK120NG KK120NG
Zubehör
Bosch Akku 18 V / 5,0 Ah, Li-Ion RALB2EU
Makita Akku 18 V / 4,0 Ah, Li-Ion RAL40
geeignet für Verbindungsmaterial Pressbereich mm² Pressform
Rohrkabelschuhe und Verbinder - Cu
Rohrkabelschuhe und Verbinder Normalausführung, Rohrkabelschuhe für Schaltgeräteanschlüsse
Rohrkabelschuhe und Verbinder für feindrähtige Leiter
70 - 185
70 - 240
Quetschkabelschuhe, Verbinder und Stiftkabelschuhe nach DIN - Cu
Quetschkabelschuhe (DIN 46234) und Stiftkabelschuhe (DIN 46230) nach DIN - Cu, Quetschverbinder (DIN 46341) nach DIN - Cu
95 - 500
Akkuhydraulische Presswerkzeuge
EK12032grp
EK 120/32 Akkuhydraulisches Presswerkzeug 16 - 400 mm²

` Sehr großer Pressbereich bis 400 mm²
` Bis zu 60% weniger Pressungen durch Breitpressung im Vergleich zu 6 t Werkzeugen
` Alle Werkzeugdaten im Blick dank Display und Klauke Link® App
Eigenschaften
▪ Wählen Sie Ihr Akku-System: Bosch oder Makita
▪ Einfaches Auslesen aller Daten mittels Bluetooth
▪ Offener Kopf, drehbar
▪ Qualitätssicherung mittels optischen und akustischen Signalen im Fehlerfall
▪ Einfach und sicher: Ein-Knopf-Bedienkonzept zur Steuerung aller Werkzeugfunktionen
▪ Ermüdungsfreies Arbeiten durch ausgewogene Schwerpunktlage
▪ LED zur Arbeitsraumbeleuchtung
▪ 2-Stufen-Hydraulik mit schnellem Vorlauf und Krafthub
▪ Einfach und sicher: Automatischer Rücklauf nach vollendetem Arbeitsgang
▪ Automatischer Rücklaufstopp (ARS) zur Positionssteuerung bei Mehrfachpressungen
▪ Immer einsatzbereit dank Ladestand- und Serviceanzeige
geeignet für
▪ Auswechselbare Presseinsätze der Serie 13, Breitpressung
Technische Daten
Presskraft 120 kN
Hub / Öffnungsweite 32 mm
Pressbereich 16 - 400 mm²
Presszeit 7 s bis 8 s (abhängig vom Pressquerschnitt)
Akkuladezeit 45 min.
Gewicht mit Akku 6,8 kg
Umgebungstemperatur -10 °C bis +40 °C
Artikel
Art-Nr. Bosch Art-Nr. Makita
Akkuhydraulisches Presswerkzeug 16 - 400 mm² EK12032CFB EK12032CFM
Lieferumfang
Bosch Akku 18 V / 5,0 Ah, Li-Ion RALB2EU
Bosch Ladegerät für 18 V Li-Ion Akkus LGLB1EU
Makita Akku 18 V / 4,0 Ah, Li-Ion
Makita Schnell-Ladegerät für 18 V Li-Ion Akkus
RAL40
LGL1
Kunststoffkoffer KK120NG KK120NG
Zubehör
Bosch Akku 18 V / 5,0 Ah, Li-Ion
Makita Akku 18 V / 4,0 Ah, Li-Ion
RALB2EU
RAL40
Lieferbare Presseinsätze der Serie 13 für EK 120/32
geeignet für
Rohrkabelschuhe und Verbinder - Cu
Rohrkabelschuhe und Verbinder - Cu, Normalausführung, Rohrkabelschuhe für Schaltgeräteanschlüsse
Isolierte Rohrkabelschuhe und Verbinder, Isolierte Stiftkabelschuhe
und Verbinder für feindrähtige Leiter
Rohrkabelschuhe und Verbinder - VA, Ni
Rohrkabelschuhe und Verbinder - VA
Presskabelschuhe und Verbinder nach DIN - Cu
Presskabelschuhe (DIN 46235) und Verbinder (DIN 46267, Teil 1) nach
Quetschkabelschuhe, Verbinder und Stiftkabelschuhe nach DIN - Cu
Quetschkabelschuhe (DIN 46234) und Stiftkabelschuhe (DIN 46230) nach DIN - Cu, Quetschverbinder (DIN 46341) nach DIN - Cu
Quetschkabelschuhe und Stiftkabelschuhe
Hülsen für verdichtete Leiter und Sektorleiter - Cu
Runddrückeinsätze für Al- und Cu-Sektorleiter, 3- und 4-Leiter Sektorkabel
Presskabelschuhe und Verbinder nach DIN - Al
Presskabelschuhe und Verbinder nach DIN - Al
Presskabelschuhe und Verbinder - Al/Cu
Presskabelschuhe und Verbinder - Al/Cu
Klemmen
Aderendhülsen Aderendhülsen
Verbindungsmaterial
Akkuhydraulische Presswerkzeuge
EK 120/42 Akkuhydraulisches Presswerkzeug 16 - 400 mm²

` C-Kopf mit sehr großem Pressbereich bis 400 mm²
` Bis zu 60% weniger Pressungen durch Breitpressung im Vergleich zu 6 t Werkzeugen
` Einfaches Handling durch optimale Gewichtsverteilung
` Alle Werkzeugdaten im Blick dank Display und Klauke Link® App
Eigenschaften
▪ Wählen Sie Ihr Akku-System: Bosch oder Makita
▪ Einfaches Auslesen aller Daten mittels Bluetooth
▪ Offener Kopf, drehbar
▪ Qualitätssicherung mittels optischen und akustischen Signalen im Fehlerfall
▪ Einfach und sicher: Ein-Knopf-Bedienkonzept zur Steuerung aller Werkzeugfunktionen
▪ Ermüdungsfreies Arbeiten durch ausgewogene Schwerpunktlage
▪ LED zur Arbeitsraumbeleuchtung
▪ 2-Stufen-Hydraulik mit schnellem Vorlauf und Krafthub
▪ Einfach und sicher: Automatischer Rücklauf nach vollendetem Arbeitsgang
▪ Automatischer Rücklaufstopp (ARS) zur Positionssteuerung bei Mehrfachpressungen
▪ Immer einsatzbereit dank Ladestand- und Serviceanzeige geeignet für
▪ Auswechselbare Presseinsätze der Serie 13, Breitpressung
Technische Daten
Presskraft 120 kN
Hub / Öffnungsweite 42 mm
Pressbereich 16 - 400 mm²
Presszeit 8 s bis 9 s (abhängig vom Pressquerschnitt)
Akkuladezeit 45 min.
Gewicht mit Akku 7,1 kg
Umgebungstemperatur -10 °C bis +40 °C
Artikel
Akkuhydraulisches Presswerkzeug 16 - 400 mm²
Lieferumfang
Art-Nr. Bosch Art-Nr. Makita
EK12042CFB EK12042CFM
Bosch Akku 18 V / 5,0 Ah, Li-Ion RALB2EU
Bosch Ladegerät für 18 V Li-Ion Akkus LGLB1EU
Makita Akku 18 V / 4,0 Ah, Li-Ion RAL40
Makita Schnell-Ladegerät für 18 V Li-Ion Akkus LGL1
Kunststoffkoffer KK120NG KK120NG
Zubehör
Bosch Akku 18 V / 5,0 Ah, Li-Ion RALB2EU
Makita Akku 18 V / 4,0 Ah, Li-Ion RAL40
Lieferbare Presseinsätze der Serie 13 für EK 120/42
geeignet für
Rohrkabelschuhe und Verbinder - Cu
Rohrkabelschuhe und Verbinder - Cu, Normalausführung, Rohrkabelschuhe für Schaltgeräteanschlüsse
Isolierte Rohrkabelschuhe und Verbinder, Isolierte Stiftkabelschuhe
und Verbinder für feindrähtige Leiter
Rohrkabelschuhe und Verbinder - VA, Ni
Rohrkabelschuhe und Verbinder - VA
Verbindungsmaterial
Presskabelschuhe und Verbinder nach DIN - Cu
Presskabelschuhe (DIN 46235) und Verbinder (DIN 46267, Teil 1) nach DIN -
Quetschkabelschuhe, Verbinder und Stiftkabelschuhe nach DIN - Cu
Quetschkabelschuhe (DIN 46234) und Stiftkabelschuhe (DIN 46230) nach DIN - Cu, Quetschverbinder (DIN 46341) nach DIN - Cu
Quetschkabelschuhe und Stiftkabelschuhe
Hülsen für verdichtete Leiter und Sektorleiter - Cu
Runddrückeinsätze für Al- und Cu-Sektorleiter, 3- und 4-Leiter Sektorkabel
Presskabelschuhe und Verbinder nach DIN - Al
Presskabelschuhe und Verbinder nach DIN - Al
Presskabelschuhe und Verbinder - Al/Cu
Presskabelschuhe und Verbinder - Al/Cu
Klemmen
Akkuhydraulische Presswerkzeuge
EK 120 U Akkuhydraulisches Presswerkzeug 16 - 400 mm²

` H-Kopf für Tiefnutpressung
` Bis zu 60% weniger Pressungen durch Breitpressung im Vergleich zu 6 t Werkzeugen
` Alle Werkzeugdaten im Blick dank Display und Klauke Link® App
Eigenschaften
▪ Wählen Sie Ihr Akku-System: Bosch oder Makita
▪ Einfaches Auslesen aller Daten mittels Bluetooth
▪ Geschlossener Kopf, drehbar
▪ Qualitätssicherung mittels optischen und akustischen Signalen im Fehlerfall
▪ Einfach und sicher: Ein-Knopf-Bedienkonzept zur Steuerung aller Werkzeugfunktionen
▪ Ermüdungsfreies Arbeiten durch ausgewogene Schwerpunktlage
▪ LED zur Arbeitsraumbeleuchtung
▪ 2-Stufen-Hydraulik mit schnellem Vorlauf und Krafthub
▪ Einfach und sicher: Automatischer Rücklauf nach vollendetem Arbeitsgang
▪ Automatischer Rücklaufstopp (ARS) zur Positionssteuerung bei Mehrfachpressungen
▪ Immer einsatzbereit dank Ladestand- und Serviceanzeige
geeignet für
▪ Auswechselbare Presseinsätze der Serie 13, Breitpressung
Technische Daten
Presskraft 120 kN
Hub / Öffnungsweite 20 mm
Pressbereich 16 - 400 mm²
Presszeit 7 s bis 8 s (abhängig vom Pressquerschnitt)
Akkuladezeit 45 min.
Gewicht mit Akku 6,2 kg
Umgebungstemperatur -10 °C bis +40 °C
Artikel
Art-Nr. Bosch Art-Nr. Makita
Akkuhydraulisches Presswerkzeug 16 - 400 mm² EK120UCFB EK120UCFM
Lieferumfang
Bosch Akku 18 V / 5,0 Ah, Li-Ion RALB2EU
Bosch Ladegerät für 18 V Li-Ion Akkus LGLB1EU
Makita Akku 18 V / 4,0 Ah, Li-Ion RAL40
Makita Schnell-Ladegerät für 18 V Li-Ion Akkus LGL1
Kunststoffkoffer KK120NG KK120NG
Zubehör
Bosch Akku 18 V / 5,0 Ah, Li-Ion RALB2EU
Makita Akku 18 V / 4,0 Ah, Li-Ion RAL40
Lieferbare Presseinsätze der Serie 13 für EK 120 U
geeignet für
Rohrkabelschuhe und Verbinder - Cu
Rohrkabelschuhe und Verbinder - Cu, Normalausführung, Rohrkabelschuhe für Schaltgeräteanschlüsse
90° abgewinkelt, Normalausführung
Isolierte Rohrkabelschuhe und Verbinder, Isolierte Stiftkabelschuhe
und Verbinder für feindrähtige Leiter
Rohrkabelschuhe und Verbinder - VA, Ni
Rohrkabelschuhe und Verbinder - VA
Verbindungsmaterial
Presskabelschuhe und Verbinder nach DIN - Cu
Presskabelschuhe (DIN 46235) und Verbinder (DIN 46267, Teil 1) nach DIN -
Quetschkabelschuhe, Verbinder und Stiftkabelschuhe nach DIN - Cu
Quetschkabelschuhe (DIN 46234) und Stiftkabelschuhe (DIN 46230) nach DIN - Cu, Quetschverbinder (DIN 46341) nach DIN - Cu
Quetschkabelschuhe und Stiftkabelschuhe
Hülsen für verdichtete Leiter und Sektorleiter - Cu
Runddrückeinsätze für Al- und Cu-Sektorleiter, 3- und 4-Leiter Sektorkabel
Presskabelschuhe und Verbinder nach DIN - Al
Presskabelschuhe und Verbinder nach DIN - Al
Presskabelschuhe und Verbinder - Al/Cu
Presskabelschuhe und Verbinder - Al/Cu
Klemmen
Akkuhydraulische Presswerkzeuge
EK 135 FT Akkuhydraulisches Presswerkzeug 10 - 630 mm²

` Sehr großer Pressbereich bis 630 mm²
` Sehr leistungsstark mit einer Presskraft von 13,5 t
` Alle Werkzeugdaten im Blick dank Display und Klauke Link® App
Eigenschaften
▪ Wählen Sie Ihr Akku-System: Bosch oder Makita
▪ Einfaches Auslesen aller Daten mittels Bluetooth
▪ Geschlossener Kopf, drehbar
▪ Qualitätssicherung mittels optischen und akustischen Signalen im Fehlerfall
▪ Einfach und sicher: Ein-Knopf-Bedienkonzept zur Steuerung aller Werkzeugfunktionen
▪ Ermüdungsfreies Arbeiten durch ausgewogene Schwerpunktlage
▪ LED zur Arbeitsraumbeleuchtung
▪ 2-Stufen-Hydraulik mit schnellem Vorlauf und Krafthub
▪ Einfach und sicher: Automatischer Rücklauf nach vollendetem Arbeitsgang
▪ Automatischer Rücklaufstopp (ARS) zur Positionssteuerung bei Mehrfachpressungen
▪ Immer einsatzbereit dank Ladestand- und Serviceanzeige
geeignet für
▪ Auswechselbare Presseinsätze der Serie 13, Breitpressung
▪ Auswechselbare Presseinsätze der Serie 15, Breitpressung
Technische Daten
Presskraft 135 kN
Hub / Öffnungsweite 50,8 mm
Pressbereich 10 - 630 mm²
Presszeit ca. 10 s bis 11 s (abhängig vom Pressquerschnitt)
Akkuladezeit 45 min.
Gewicht mit Akku 10,2 kg
Umgebungstemperatur -10 °C bis +40 °C
Artikel
Art-Nr. Bosch Art-Nr. Makita
Akkuhydraulisches Presswerkzeug 10 - 630 mm² EK135FTCFB EK135FTCFM
Lieferumfang
Adapter für Presseinsätze der Serie 13 UA15T UA15T
Bosch Akku 18 V / 5,0 Ah, Li-Ion RALB2EU
Bosch Ladegerät für 18 V Li-Ion Akkus LGLB1EU
Makita Akku 18 V / 4,0 Ah, Li-Ion RAL40
Makita Schnell-Ladegerät für 18 V Li-Ion Akkus LGL1
Kunststoffkoffer KK135FTNG KK135FTNG
Zubehör
Bosch Akku 18 V / 5,0 Ah, Li-Ion RALB2EU
Makita Akku 18 V / 4,0 Ah, Li-Ion RAL40
Lieferbare Presseinsätze der Serie 13 für EK 135 FT
geeignet für Verbindungsmaterial
Rohrkabelschuhe und Verbinder - Cu
Rohrkabelschuhe und Verbinder - Cu, Normalausführung, Rohrkabelschuhe für Schaltgeräteanschlüsse
Rohrkabelschuhe und Verbinder, Isolierte Stiftkabelschuhe
Rohrkabelschuhe und Verbinder für feindrähtige Leiter
Rohrkabelschuhe und Verbinder - VA, Ni
Presskabelschuhe und Verbinder nach DIN - Cu
Presskabelschuhe (DIN 46235) und Verbinder (DIN 46267, Teil 1) nach DIN - Cu
Quetschkabelschuhe, Verbinder und Stiftkabelschuhe nach DIN - Cu
Quetschkabelschuhe (DIN 46234) und Stiftkabelschuhe (DIN 46230) nach DIN - Cu, Quetschverbinder (DIN 46341) nach DIN - Cu
Isolierte Quetschkabelschuhe und Stiftkabelschuhe
Hülsen für verdichtete Leiter und Sektorleiter - Cu
Runddrückeinsätze für Al- und Cu-Sektorleiter, 3- und 4-Leiter Sektorkabel
Presskabelschuhe und Verbinder nach DIN - Al
Presskabelschuhe und Verbinder nach DIN - Al
Presskabelschuhe und Verbinder - Al/Cu
Presskabelschuhe und Verbinder - Al/Cu
H-Form
Aderendhülsen
Aderendhülsen
Fortsetzung nächste Seite
Lieferbare Presseinsätze der Serie 15 für EK 135 FT
geeignet für
Presskabelschuhe und Verbinder nach DIN - Cu
Presskabelschuhe (DIN 46235) und Verbinder (DIN 46267, Teil 1) nach DIN - Cu
Presskabelschuhe und Verbinder nach DIN - Al
Presskabelschuhe und Verbinder nach DIN - Al
Presskabelschuhe und Verbinder - Al/Cu
Presskabelschuhe und Verbinder - Al/Cu
Verbindungsmaterial
Pressbereich mm² Pressform Seite
NUTZEN SIE ADAPTER!
Bitte beachten Sie die Nutzung des Adapters UA15T ! Der Adapter erweitert den zu verarbeitenden Querschnittsbereich, da auch Presseinsätze der Serie 13 verwendet werden können !
Bitte informieren Sie sich !
LEICHT VON DER HAND –
HANDHYDRAULISCHE
PRESSWERKZEUGE
Klauke-Werkzeuge arbeiten für Sie. Die 2-Stufen-Hydraulik sorgt für einen automatischen Rücklauf nach dem Pressen. Drehbare Köpfe leisten auch an unzugänglichen Stellen vollen Einsatz und unterstützen Sie bis zu einem Querschnittsbereich von 400 mm².
Aluminium macht das Werkzeug und die Arbeit leichter. Die Bolzenverriegelung macht das Gerät bei Nicht-Gebrauch sicher. Sie sparen Kraft und Zeit. Nur das Pressen müssen Sie noch selbst übernehmen.

` Komfortabel im Gebrauch
Viele Verpressungen hintereinander sind ermüdend. Deshalb haben wir bei den handhydraulischen Presswerkzeugen Gehäuse und Pumphebel aus Aluminium gefertigt, um ein geringes Eigengewicht zu erreichen. Der Pumphebel liegt genau an der richtigen Stelle, damit für die Pumpbewegung nur wenig Platz benötigt wird. Arbeiten Sie besser mit dem Komfort von Klauke.
◾ Großer Pressbereich bis 400 mm2
◾ Ergonomisches Design für ermüdungsfreies Arbeiten
◾ 2-Stufen-Hydraulik mit schnellem Vorlauf und Krafthub
◾ Einfach und sicher durch automatischen Rücklauf nach jedem Pressvorgang
◾ Geringes Eigengewicht durch Pumphebel und Gehäuse aus Aluminium
` Passt sich an
Alle handhydraulischen Presswerkzeuge haben 360°-drehbare Pressköpfe. Arbeiten Sie auch in beengten Verhältnissen mit flexiblen Einstellungen.
◾ 360°-drehbare Pressköpfe für sicheres Arbeiten unter beengten räumlichen Verhältnissen
◾ Gut geeignet für die Installation von Verbindungsmuffen im Erdreich oder im Schaltanlagenbau
` Sparen Sie sich den Rückweg
Ihre Kraft geht nur in den Pressvorgang. Nach beendetem Pressvorgang fahren die Pressbacken mit automatischem Rücklauf in die Grundstellung zurück.
HK6022grp Pressen
Handhydraulische Presswerkzeuge
HK 60/22 Handhydraulisches Presswerkzeug 6 - 300 mm²

` Großer Pressbereich bis 300 mm² ` Schlanker Presskopf - ideal bei kritischen Platzverhältnissen
Eigenschaften
▪ Geschlossener Kopf, aufklappbar, drehbar
▪ Geringes Gewicht durch hochwertiges Aluminiumgehäuse
▪ 2-Stufen-Hydraulik mit schnellem Vorlauf und Krafthub
▪ Automatischer Rücklauf nach vollendetem Arbeitsgang geeignet für
▪ Für auswechselbare Presseinsätze der Serie 22, Schmalpressung
Technische Daten
Presskraft 60 kN
Hub 17 mm
Pressbereich 6 - 300 mm²
Länge 460 mm
Gewicht 3,3 kg
Umgebungstemperatur -20 °C bis +40 °C
Artikel
Art.-Nr.
Handhydraulisches Presswerkzeug 6 - 300 mm² HK6022
Lieferumfang
Stahlblechkasten
Varianten
Art-Nr.
MK6022
Art.-Nr.
HK 60/22 mit Presseinsatzset D 22 von 16 - 240 mm² HK6022SETD
Lieferbare Presseinsätze der Serie 22 für HK 60/22
Bitte beachten Sie bei der Verpressung von Verbindern die Einschränkungen im technischen Anhang!
geeignet für Verbindungsmaterial
Rohrkabelschuhe und Verbinder - Cu
Rohrkabelschuhe und Verbinder, Normalausführung, Rohrkabelschuhe für Schaltgeräteanschlüsse
Winkelrohrkabelschuhe, 90° abgewinkelt, Normalausführung
Isolierte Rohrkabelschuhe und Verbinder, Normalausführung, Isolierte Stiftkabelschuhe
Rohrkabelschuhe und Verbinder für feindrähtige Leiter
Rohrkabelschuhe und Verbinder für Massivleiter
Rohrkabelschuhe und Verbinder - Ni, VA
Presskabelschuhe und Verbinder nach DIN - Cu
Presskabelschuhe (DIN 46235) und Verbinder (DIN 46267, Teil 1) nach DIN -
Quetschkabelschuhe, Verbinder und Stiftkabelschuhe nach DIN - Cu
Quetschkabelschuhe (DIN 46234) und Stiftkabelschuhe (DIN 46230), Quetschverbinder (DIN 46341)
Quetschkabelschuhe und Stiftkabelschuhe
Hülsen für verdichtete Leiter und Sektorleiter - Cu
Runddrückeinsätze für Al- und Cu-Sektorleiter, 3- und 4-Leiter
Presskabelschuhe und Verbinder nach DIN - Al
Presskabelschuhe und Verbinder nach DIN - Al
Rohrkabelschuhe und Verbinder - Al/Cu
Aluminiumseite der Presskabelschuhe und Verbinder: Presseinsätze A22, Kupferseite der Presskabelschuhe und Verbinder: Presseinsätze D22
HK 60 VP Handhydraulisches Presswerkzeug 10 - 240 mm²

` Geeignet zum Verpressen von Rohrkabelschuhen und Verbindern „Normalausführung“ sowie fein- und feinstdrähtigen Leitern bis 240 mm²
` Das patentierte Zentriersystem gewährleistet jederzeit optimale Pressergebnisse
Eigenschaften
▪ Vierdornpressung mit patentiertem Zentriersystem, keine Presseinsätze erforderlich
▪ Offener Kopf, drehbar
▪ Geringes Gewicht durch hochwertiges Aluminiumgehäuse
▪ 2-Stufen-Hydraulik mit schnellem Vorlauf und Krafthub
▪ Automatischer Rücklauf nach vollendetem Arbeitsgang
Technische Daten
Presskraft 55 kN
Pressbereich 10 - 240 mm²
Länge 525 mm
Gewicht 4,1 kg
Umgebungstemperatur -20 °C bis +40 °C
Artikel
Handhydraulisches Presswerkzeug 10 - 240 mm²
Lieferumfang
Art.-Nr.
HK60VP
Art-Nr.
Stahlblechkasten MK60VP
Lehre und 10 Prüfzylinder TS10B
Zubehör
Art.-Nr.
Lehre und 10 Prüfzylinder TS10B
geeignet für Verbindungsmaterial Pressbereich mm² Pressform
Rohrkabelschuhe und Verbinder - Cu
Rohrkabelschuhe Normalausführung und Rohrkabelschuhe für Schaltgeräte-Anschlüsse 10-240
Verbinder für feindrähtige Leiter 10-95
Verbinder Normalausführung 10-120
Rohrkabelschuhe für feindrähtige Leiter 10-240

Presswerkzeug 16 - 300 mm²
` Geeignet zum Verpressen von Rohrkabelschuhen und Verbindern „Normalausführung“ sowie fein- und feinstdrähtigen Leitern bis 300 mm²
` Das patentierte Zentriersystem gewährleistet jederzeit optimale Pressergebnisse
` Geschlossener Presskopf - ideal beim Freileitungsbau
Eigenschaften
▪ Vierdornpressung mit patentiertem Zentriersystem, keine Presseinsätze erforderlich
▪ Geschlossener Kopf mit Bolzenverriegelung, aufklappbar, drehbar
▪ Geringes Gewicht durch hochwertiges Aluminiumgehäuse
▪ 2-Stufen-Hydraulik mit schnellem Vorlauf und Krafthub
▪ Automatischer Rücklauf nach vollendetem Arbeitsgang
Technische Daten
Presskraft 55 kN
Pressbereich 16-300 mm²
Länge 535 mm
Gewicht 4,1 kg
Umgebungstemperatur -20 °C bis +40 °C
Artikel
Art.-Nr.
Handhydraulisches Presswerkzeug 16 - 300 mm² HK60VPFT
Lieferumfang
Art-Nr.
Stahlblechkasten MK60VP
Lehre und 10 Prüfzylinder
Zubehör
Lehre und 10 Prüfzylinder
TS10B
Art.-Nr.
TS10B
geeignet für Verbindungsmaterial Pressbereich mm² Pressform
Rohrkabelschuhe und Verbinder - Cu
Rohrkabelschuhe und Verbinder Normalausführung und Rohrkabelschuhe für Schaltgeräte - Anschlüsse 16-300
Rohrkabelschuhe und Verbinder für feindrähtige Leiter 16-300
Handhydraulische Presswerkzeuge
HK12030grp
HK 120/30 Handhydraulisches Presswerkzeug 16 - 400 mm²

` Sehr großer Pressbereich bis 400 mm²
` Bis zu 60% weniger Pressungen durch Breitpressung im Vergleich zu 6 t Werkzeugen
Eigenschaften
▪ Offener Kopf, drehbar
▪ Geringes Gewicht durch hochwertiges Aluminiumgehäuse
▪ 2-Stufen-Hydraulik mit schnellem Vorlauf und Krafthub
▪ Automatischer Rücklauf nach vollendetem Arbeitsgang geeignet für
▪ Für auswechselbare Presseinsätze der Serie 13, Breitpressung
Technische Daten
Presskraft 120 kN
Hub 30 mm
Pressbereich 16 - 400 mm²
Länge 510 mm
Gewicht 5,4 kg
Umgebungstemperatur -20 °C bis +40 °C
Artikel Art.-Nr.
Handhydraulisches Presswerkzeug 10 - 400 mm² HK12030
Lieferumfang
Art-Nr.
Stahlblechkasten MK12042
Lieferbare Presseinsätze der Serie 13 für HK 120/30
geeignet für Verbindungsmaterial
Rohrkabelschuhe und Verbinder - Cu
Rohrkabelschuhe und Verbinder - Cu, Normalausführung, Rohrkabelschuhe für Schaltgeräteanschlüsse
Isolierte Rohrkabelschuhe und Verbinder, Isolierte Stiftkabelschuhe
und Verbinder für feindrähtige Leiter
Rohrkabelschuhe und Verbinder - VA, Ni
Rohrkabelschuhe und Verbinder - VA
Presskabelschuhe und Verbinder nach DIN - Cu
Presskabelschuhe (DIN 46235) und Verbinder (DIN 46267, Teil 1) nach
Quetschkabelschuhe, Verbinder und Stiftkabelschuhe nach DIN - Cu
Quetschkabelschuhe (DIN 46234) und Stiftkabelschuhe (DIN 46230) nach DIN - Cu, Quetschverbinder (DIN 46341) nach DIN - Cu
Quetschkabelschuhe und Stiftkabelschuhe
Hülsen für verdichtete Leiter und Sektorleiter - Cu
Runddrückeinsätze für Al- und Cu-Sektorleiter, 3- und 4-Leiter Sektorkabel
Presskabelschuhe und Verbinder nach DIN - Al
Presskabelschuhe und Verbinder nach DIN - Al
Presskabelschuhe und Verbinder - Al/Cu
Presskabelschuhe und Verbinder - Al/Cu
Klemmen
Handhydraulische Presswerkzeuge
HK12042grp
HK 120/42 Handhydraulisches Presswerkzeug 16 - 400 mm²

` Sehr großer Pressbereich bis 400 mm²
` Bis zu 60% weniger Pressungen durch Breitpressung im Vergleich zu 6 t Werkzeugen
` C-Kopf mit großer 42 mm Öffnungsweite
Eigenschaften
▪ Offener Kopf, drehbar
▪ Geringes Gewicht durch hochwertiges Aluminiumgehäuse
▪ 2-Stufen-Hydraulik mit schnellem Vorlauf und Krafthub
▪ Automatischer Rücklauf nach vollendetem Arbeitsgang
geeignet für
▪ Für auswechselbare Presseinsätze der Serie 13, Breitpressung
Technische Daten
Presskraft 120 kN
Hub 42 mm
Pressbereich 16 - 400 mm²
Länge 560 mm
Gewicht 5,9 kg
Umgebungstemperatur -20 °C bis +40 °C
Artikel
Handhydraulisches Presswerkzeug 16 - 400 mm²
Lieferumfang
Stahlblechkasten
Art.-Nr.
HK12042
Art-Nr.
MK12042
Lieferbare Presseinsätze der Serie 13 für HK 120/42
geeignet für Verbindungsmaterial
Rohrkabelschuhe und Verbinder - Cu
Rohrkabelschuhe und Verbinder - Cu, Normalausführung, Rohrkabelschuhe für Schaltgeräteanschlüsse
Isolierte Rohrkabelschuhe und Verbinder, Isolierte Stiftkabelschuhe
und Verbinder für feindrähtige Leiter
Rohrkabelschuhe und Verbinder - VA, Ni
Rohrkabelschuhe und Verbinder - VA
Presskabelschuhe und Verbinder nach DIN - Cu
Presskabelschuhe (DIN 46235) und Verbinder (DIN 46267, Teil 1) nach
Quetschkabelschuhe, Verbinder und Stiftkabelschuhe nach DIN - Cu
Quetschkabelschuhe (DIN 46234) und Stiftkabelschuhe (DIN 46230) nach DIN - Cu, Quetschverbinder (DIN 46341) nach DIN - Cu
Quetschkabelschuhe und Stiftkabelschuhe
Hülsen für verdichtete Leiter und Sektorleiter - Cu
Runddrückeinsätze für Al- und Cu-Sektorleiter, 3- und 4-Leiter Sektorkabel
Presskabelschuhe und Verbinder nach DIN - Al
Presskabelschuhe und Verbinder nach DIN - Al
Presskabelschuhe und Verbinder - Al/Cu
Presskabelschuhe und Verbinder - Al/Cu
Klemmen
Handhydraulische Presswerkzeuge
HK 120 U Handhydraulisches Presswerkzeug 16 - 400 mm²

` H-Kopf für Tiefnutpressung
` Bis zu 60% weniger Pressungen durch Breitpressung im Vergleich zu 6 t Werkzeugen
Eigenschaften
▪ Geschlossener Kopf, drehbar
▪ Geringes Gewicht durch hochwertiges Aluminiumgehäuse
▪ 2-Stufen-Hydraulik mit schnellem Vorlauf und Krafthub
▪ Automatischer Rücklauf nach vollendetem Arbeitsgang geeignet für
▪ Für auswechselbare Presseinsätze der Serie 13, Breitpressung
Technische Daten
Presskraft 120 kN
Hub 20 mm
Pressbereich 16 - 400 mm²
Länge 540 mm
Gewicht 5,2 kg
Umgebungstemperatur -20 °C bis +40 °C
Artikel Art.-Nr.
Handhydraulisches Presswerkzeug 16 - 400 mm² HK120U
Lieferumfang
Art-Nr.
Stahlblechkasten MK120U
Lieferbare Presseinsätze der Serie 13 für HK 120 U
geeignet für
Rohrkabelschuhe und Verbinder - Cu
Rohrkabelschuhe und Verbinder - Cu, Normalausführung, Rohrkabelschuhe für Schaltgeräteanschlüsse
Isolierte Rohrkabelschuhe und Verbinder, Isolierte Stiftkabelschuhe
und Verbinder für feindrähtige Leiter
Rohrkabelschuhe und Verbinder - VA, Ni
Rohrkabelschuhe und Verbinder - VA
Presskabelschuhe und Verbinder nach DIN - Cu
Presskabelschuhe (DIN 46235) und Verbinder (DIN 46267, Teil 1) nach
Quetschkabelschuhe, Verbinder und Stiftkabelschuhe nach DIN - Cu
Quetschkabelschuhe (DIN 46234) und Stiftkabelschuhe (DIN 46230) nach DIN - Cu, Quetschverbinder (DIN 46341) nach DIN - Cu
Quetschkabelschuhe und Stiftkabelschuhe
Hülsen für verdichtete Leiter und Sektorleiter - Cu
Runddrückeinsätze für Al- und Cu-Sektorleiter, 3- und 4-Leiter Sektorkabel
Presskabelschuhe und Verbinder nach DIN - Al
Presskabelschuhe und Verbinder nach DIN - Al
Presskabelschuhe und Verbinder - Al/Cu
Presskabelschuhe und Verbinder - Al/Cu
Klemmen
FLEXIBLE KÖPFE –
HYDRAULISCHE PRESSKÖPFE UND
PRESSWERKZEUGSYSTEME
Ob Dauerbetrieb in der Werkstatt oder mobiler Einsatz im Feld – mit Klauke Pressköpfen und -systemen haben Sie immer die richtige Lösung.

` Das Klauke-System
Die volle Flexibilität mit dem Klauke System - alle hydraulischen Köpfe und Pumpen sind untereinander kompatibel und auch Ihre Presseinsätze der Serien 13 und 22 sind in den hydraulischen Pressköpfen einsetzbar.
◾ Pressköpfe für die Serien 13 und 22, auch zur Werkbankmontage
◾ Pressköpfe mit einer Presskraft von 55 kN bis 1.000 kN
◾ Tischwerkzeuge BG-geprüft
` Große Presskraft für mehr Breite
Die Pressköpfe erreichen eine Presskraft von 55 kN bis 1.000 kN. Damit bearbeiten Sie Kabelschuhe bis 1.600 mm2
◾ Kompakte Bauform
◾ Einfache Handhabung
◾ Flexibel einsetzbar
◾ Maximaler Anwendungsbereich
Pressen Hydraulische Pressköpfe und Presswerkzeugsysteme
PK 22 Hydraulische Pressköpfe 6 - 300 mm²
PK22grp

` Großer Pressbereich bis 300 mm²
` Schlanker Presskopf - ideal bei kritischen Platzverhältnissen
Eigenschaften
▪ Geschlossener Kopf, aufklappbar, im drucklosen Zustand 360° drehbar
▪ Zum Anschluss an hydraulische Pumpen mit 700 bar Betriebsdruck für optimale Ergebnisse
geeignet für
▪ auswechselbare Presseinsätze der Serie 22, Schmalpressung
Zusatzinformationen
▪ Artikel-Nummer-Zusatz für W-Presseinsätze (UL-geprüft) „W“
Technische Daten
Presskraft
60 kN
Hub / Öffnungsweite 17 mm
Pressbereich
6 - 300 mm²
Betriebsdruck max. 700 bar
Länge
305 mm
Gewicht 3,0 kg
Artikel
Art.-Nr.
Hydraulischer Presskopf 6 - 300 mm² PK22
Lieferumfang
Art-Nr.
Tragetasche TT2
THK 22 Hydraulisches Presswerkzeug zur Tischmontage 6 - 300 mm²
THK22grp

` Großer Pressbereich bis 300 mm²
` Zum Anschluss an hydraulische Pumpen mit 700 bar Betriebsdruck für optimale Pressergebnisse
Eigenschaften
▪ Schnellkupplung
▪ Zur Werkbankmontage
▪ BG-konforme Ausführung
geeignet für
▪ auswechselbare Presseinsätze der Serie 22, Schmalpressung
Technische Daten
Presskraft
Pressbereich
60 kN
6 - 300 mm²
Betriebsdruck max. 700 bar
Gewicht 8,8 kg
Abmessungen H x B x T: 220 x 160 x 120 mm
Artikel
Art.-Nr.
Hydraulisches Presswerkzeug zur Tischmontage 6 - 300 mm² THK22
Lieferbare Presseinsätze der Serie 22 für PK 22 und THK 22
Bitte beachten Sie bei der Verpressung von Verbindern die Einschränkungen im technischen Anhang!
geeignet für
Rohrkabelschuhe und Verbinder - Cu
Rohrkabelschuhe und Verbinder, Normalausführung, Rohrkabelschuhe für Schaltgeräteanschlüsse
Winkelrohrkabelschuhe, 90° abgewinkelt, Normalausführung
Isolierte Rohrkabelschuhe und Verbinder, Normalausführung, Isolierte Stiftkabelschuhe
Rohrkabelschuhe und Verbinder für feindrähtige Leiter
Verbindungsmaterial
Rohrkabelschuhe und Verbinder - Ni, VA
Presskabelschuhe und Verbinder nach DIN - Cu
Presskabelschuhe (DIN 46235) und Verbinder (DIN 46267, Teil 1) nach
Quetschkabelschuhe, Verbinder und Stiftkabelschuhe nach DIN - Cu
Quetschkabelschuhe (DIN 46234) und Stiftkabelschuhe (DIN 46230), Quetschverbinder (DIN 46341)
Isolierte Quetschkabelschuhe und Stiftkabelschuhe
Hülsen für verdichtete Leiter und Sektorleiter - Cu
Runddrückeinsätze für Al- und Cu-Sektorleiter, 3- und 4-Leiter
Presskabelschuhe und Verbinder nach DIN - Al
Presskabelschuhe und Verbinder nach DIN - Al
Rohrkabelschuhe und Verbinder - Al/Cu
Aluminiumseite der Presskabelschuhe und Verbinder: Presseinsätze A22, Kupferseite der Presskabelschuhe und Verbinder: Presseinsätze D22
Klemmen
Aderendhülsen
Pressen
Hydraulische Pressköpfe und Presswerkzeugsysteme
PK60VPFTgrp PK 60 VP/FT Hydraulischer Presskopf 16 - 300 mm²

` Geeignet zum Verpressen von Rohrkabelschuhen und Verbindern „Normalausführung“ sowie fein- und feinstdrähtige Leiter bis 300 mm²
` Das patentierte Zentriersystem gewährleistet jederzeit optimale Pressergebnisse
` Geschlossener Presskopf - ideal zum Beispiel beim Freileitungsbau
Eigenschaften
▪ Vierdornpressung und Breitpressung
▪ Geschlossener Kopf, aufklappbar, im drucklosen Zustand 360° drehbar
▪ Zum Anschluss an hydraulische Pumpen mit 700 bar Betriebsdruck für optimale Ergebnisse
Technische Daten
Presskraft 55 kN
Pressbereich 16 - 300 mm²
Betriebsdruck max. 700 bar
Länge 315 mm
Gewicht 2,8 kg
Artikel
Art.-Nr.
Hydraulischer Presskopf 16 - 300 mm² PK60VPFT
Lieferumfang
Art-Nr.
Tragetasche TT2
geeignet für Verbindungsmaterial
Rohrkabelschuhe und Verbinder - Cu Rohrkabelschuhe Normalausführung und Rohrkabelschuhe für Schaltgeräte - Anschlüsse
Pressbereich mm² Pressform
16 - 300 Rohrkabelschuhe und Verbinder für feindrähtige Leiter
16 - 300
Presskopf 10 - 300 mm²

` Extra großer Pressbereich aufgrund des innovativen 2-stufigen Teleskopzylinders
` Dornpresseung - es ist kein Wechseln von Presseinsätzen erforderlich
Eigenschaften
▪ Geschlossener Kopf, aufklappbar, drehbar
▪ Zum Anschluss an hydraulische Pumpen mit 700 bar Betriebsdruck für optimale Ergebnisse
Technische Daten
Presskraft 30 - 60 kN
Hub / Öffnungsweite 40,5 mm
Pressbereich Cu 10 - 300 mm²
Pressbereich Al 50 - 240 mm²
Betriebsdruck max. 700 bar
Länge 249,5 mm
Gewicht ca. 2,5 kg
Artikel
Art.-Nr.
Hydraulischer Presskopf 10 - 240 mm² PK60ID
Lieferumfang
geeignet für
Rohrkabelschuhe und Verbinder - Cu
Art-Nr.
Tragetasche TT2
Verbindungsmaterial
Pressbereich mm² Pressform
Rohrkabelschuhe und Verbinder Normalausführung, Rohrkabelschuhe für Schaltgeräteanschlüsse 10 - 300
Rohrkabelschuhe und Verbinder für feindrähtige Leiter
Quetschkabelschuhe, Verbinder und Stiftkabelschuhe nach DIN - Cu
Quetschkabelschuhe (DIN 46234) und Stiftkabelschuhe (DIN 46230) nach DIN - Cu, Quetschverbinder (DIN 46341) nach DIN - Cu
Presskabelschuhe und Verbinder nach DIN - Al
Presskabelschuhe und Verbinder nach DIN - Al
Presskabelschuhe und Verbinder - Al/Cu
Presskabelschuhe und Verbinder - Al/Cu
10 - 300
10 - 300
50 - 240
50 - 240
PK 120/42 Hydraulischer Presskopf 10 - 400 mm²
` Großer Pressbereich bis 400 mm²

` C-Kopf mit großer 42 mm Öffnungsweite
` Bis zu 60% weniger Pressungen durch Breitpressung im Vergleich zu einer Schmalpressung
Eigenschaften
▪ Kopf mit Schnellkupplung, im drucklosen Zustand 360° drehbar
▪ Zum Anschluss an hydraulische Pumpen mit 700 bar Betriebsdruck für optimale Ergebnisse
geeignet für
▪ auswechselbare Presseinsätze der Serie 13, Breitpressung
Technische Daten
Presskraft
120 kN
Hub / Öffnungsweite 42 mm
Pressbereich 10 - 400 mm²
Betriebsdruck max. 700 bar
Länge 335 mm
Gewicht 4,5 kg
Artikel Art.-Nr.
Hydraulischer Presskopf 10 - 400 mm² PK12042
Lieferumfang
Art-Nr.
Tragetasche TT2
THK 120 Hydraulisches Presswerkzeug zur
THK120grp

Tischmontage 10 - 400 mm²
` Großer Pressbereich bis 400 mm²
` Zur Werkbankmontage
` BG-konforme Ausführung
` Bis zu 60% weniger Pressungen durch Breitpressung im Vergleich zu einer Schmalpressung
Eigenschaften
▪ Schnellkupplung
▪ Zum Anschluss an hydraulische Pumpen mit 700 bar Betriebsdruck für optimale Ergebnisse
geeignet für
▪ auswechselbare Presseinsätze der Serie 13, Breitpressung
Technische Daten
Presskraft 120 kN
Pressbereich 10 - 400 mm²
Betriebsdruck max. 700 bar
Gewicht 12 kg
Abmessungen H x B x T: 285 x 160 x 110 mm
Artikel
Art.-Nr.
Hydraulisches Presswerkzeug zur Tischmontage 10 - 400 mm² THK120
Lieferbare Presseinsätze der Serie 13 für PK 120/42 und THK 120
geeignet für
Rohrkabelschuhe und Verbinder - Cu
Rohrkabelschuhe und Verbinder - Cu, Normalausführung, Rohrkabelschuhe für Schaltgeräteanschlüsse
und
und
Rohrkabelschuhe und Verbinder - VA, Ni
Presskabelschuhe und Verbinder nach DIN - Cu Presskabelschuhe (DIN 46235) und Verbinder (DIN 46267, Teil 1) nach DIN - Cu
Quetschkabelschuhe, Verbinder und Stiftkabelschuhe nach DIN - Cu
Quetschkabelschuhe (DIN 46234) und Stiftkabelschuhe (DIN 46230) nach DIN - Cu, Quetschverbinder (DIN 46341) nach DIN - Cu
Isolierte Quetschkabelschuhe und Stiftkabelschuhe
Hülsen für verdichtete Leiter und Sektorleiter - Cu
Runddrückeinsätze für Al- und Cu-Sektorleiter, 3- und 4-Leiter
Presskabelschuhe und Verbinder nach DIN - Al Presskabelschuhe und Verbinder nach DIN - Al
Presskabelschuhe und Verbinder - Al/Cu
Presskabelschuhe und Verbinder - Al/Cu
H-Form
Aderendhülsen
Verbindungsmaterial
PK 120 U Hydraulischer Presskopf 10 - 400 mm²
` H-Kopf für Tiefnutpressung
PK120Ugrp

Tragetasche TT2 Pressen Hydraulische Pressköpfe und Presswerkzeugsysteme
` Bis zu 60% weniger Pressungen durch Breitpressung im Vergleich zu einer Schmalpressung
Eigenschaften
▪ Kopf mit Schnellkupplung, im drucklosen Zustand 360° drehbar
▪ Zum Anschluss an hydraulische Pumpen mit 700 bar Betriebsdruck für optimale Ergebnisse
geeignet für
▪ auswechselbare Presseinsätze der Serie 13, Breitpressung
Technische Daten
Presskraft 120 kN
Hub / Öffnungsweite 20 mm
Pressbereich 10 - 400 mm²
Betriebsdruck max. 700 bar
Länge 320 mm
Gewicht 3,7 kg
Artikel Art.-Nr.
Hydraulischer Presskopf 10 - 400 mm²
Lieferumfang
Art-Nr.
Lieferbare Presseinsätze der Serie 13 für PK 120 U
geeignet für
Rohrkabelschuhe und Verbinder - Cu
Rohrkabelschuhe und Verbinder - Cu, Normalausführung, Rohrkabelschuhe für Schaltgeräteanschlüsse
Isolierte Rohrkabelschuhe und Verbinder, Isolierte Stiftkabelschuhe
und Verbinder für feindrähtige Leiter
Rohrkabelschuhe und Verbinder - VA, Ni
Rohrkabelschuhe und Verbinder - VA
Presskabelschuhe und Verbinder nach DIN - Cu
Presskabelschuhe (DIN 46235) und Verbinder (DIN 46267, Teil 1) nach
Quetschkabelschuhe, Verbinder und Stiftkabelschuhe nach DIN - Cu
Quetschkabelschuhe (DIN 46234) und Stiftkabelschuhe (DIN 46230) nach DIN - Cu, Quetschverbinder (DIN 46341) nach DIN - Cu
Quetschkabelschuhe und Stiftkabelschuhe
Hülsen für verdichtete Leiter und Sektorleiter - Cu
Runddrückeinsätze für Al- und Cu-Sektorleiter, 3- und 4-Leiter Sektorkabel
Presskabelschuhe und Verbinder nach DIN - Al
Presskabelschuhe und Verbinder nach DIN - Al
Presskabelschuhe und Verbinder - Al/Cu
Presskabelschuhe und Verbinder - Al/Cu
Klemmen
PK252grp PK 25/2 Hydraulischer Presskopf 16 - 625 mm²
` Für genormte Presseinsätze nach DIN 48083, Blatt 3

` Sehr großer Pressbereich bis 625 mm²
` Zum Anschluss an hydraulische Pumpen mit 700 bar Betriebsdruck für optimale Pressergebnisse
Eigenschaften
▪ Kopf mit Schnellkupplung, im drucklosen Zustand 360° drehbar
geeignet für
▪ auswechselbare Presseinsätze der Serie 25, Breitpressung
▪ Bei Verwendung von Adapter Art.-Nr. 25A13 auch für auswechselbare Presseinsätze der Serie 13
Technische Daten
Presskraft 250 kN
Hub / Öffnungsweite 20 mm
Pressbereich 16 - 625 mm²
Betriebsdruck max. 700 bar
Länge 335 mm
Gewicht 5,3 kg
Artikel
Art.-Nr.
Hydraulischer Presskopf 16 - 625 mm² PK252
Lieferumfang
Art-Nr. Tragetasche TT2
Zubehör
Art-Nr. Adapter für Presseinsätze Serie 13 25A13
Lieferbare Presseinsätze der Serie 25 für PK 25/2
Bitte beachten Sie bei der Verpressung von Verbindern die Einschränkungen im technischen Anhang!
geeignet für
Rohrkabelschuhe und Verbinder - Cu
Rohrkabelschuhe und Verbinder - Cu, Normalausführung, Rohrkabelschuhe für Schaltgeräteanschlüsse
Rohrkabelschuhe und Verbinder für feindrähtige
Presskabelschuhe und Verbinder nach DIN - Cu
Presskabelschuhe (DIN 46235) und Verbinder (DIN 46267, Teil 1) nach DIN - Cu
Hülsen für verdichtete Leiter und Sektorleiter - Cu
Runddrückeinsätze für Al- und Cu-Sektorleiter, 3- und 4-Leiter Sektorkabel
Presskabelschuhe und Verbinder nach DIN - Al
Presskabelschuhe und Verbinder nach DIN - Al
Presskabelschuhe und Verbinder - Al/Cu
Aluminiumseite der Presskabelschuhe und Verbinder: Presseinsätze HA25, Kupferseite der Presskabelschuhe und Verbinder: Presseinsätze HD25
Klemmen und Schraubverbinder
Abzweigklemmen C-Form
Verbindungsmaterial
-
- 185
Lieferbare Presseinsätze der Serie 13 für PK 25/2
geeignet für
Rohrkabelschuhe und Verbinder - Cu
Rohrkabelschuhe und Verbinder - Cu, Normalausführung, Rohrkabelschuhe für Schaltgeräteanschlüsse
90° abgewinkelt, Normalausführung
Isolierte Rohrkabelschuhe und Verbinder, Isolierte Stiftkabelschuhe
und Verbinder für feindrähtige Leiter
Rohrkabelschuhe und Verbinder - VA, Ni
Rohrkabelschuhe und Verbinder - VA
Verbindungsmaterial
Presskabelschuhe und Verbinder nach DIN - Cu
Presskabelschuhe (DIN 46235) und Verbinder (DIN 46267, Teil 1) nach
Quetschkabelschuhe, Verbinder und Stiftkabelschuhe nach DIN - Cu
Quetschkabelschuhe (DIN 46234) und Stiftkabelschuhe (DIN 46230) nach DIN - Cu, Quetschverbinder (DIN 46341) nach DIN - Cu
Quetschkabelschuhe und Stiftkabelschuhe
Hülsen für verdichtete Leiter und Sektorleiter - Cu
Runddrückeinsätze für Al- und Cu-Sektorleiter, 3- und 4-Leiter Sektorkabel
Presskabelschuhe und Verbinder nach DIN - Al
Presskabelschuhe und Verbinder nach DIN - Al
Presskabelschuhe und Verbinder - Al/Cu
Presskabelschuhe und Verbinder - Al/Cu
Klemmen
Pressen
Hydraulische Pressköpfe und Presswerkzeugsysteme
Hydraulische Presswerkzeugsysteme
HK252grp
HK 25/2 Hydraulisches Presswerkzeug mit Fußpumpe 16 - 625 mm²

` Sehr großer Querschnittsbereich bis 625 mm²
` Hydraulisches System mit 250 kN Presskraft
` Fußpumpe mit Zweistufenhydraulik
Eigenschaften
▪ Kopf mit Schnellkupplung, im drucklosen Zustand 360° drehbar
▪ Manueller Rücklauf bei Bedarf
geeignet für
▪ auswechselbare Presseinsätze der Serie 25, Breitpressung
Zusatzinformationen
▪ Das umfangreiche Angebot an lieferbaren Presseinsätzen finden Sie im Kapitel „Presseinsätze“ unter Serie 25.
▪ Bei Verwendung von Adapter Art.-Nr. 25A13 auch für auswechselbare Presseinsätze der Serie 13
Technische Daten
Presskraft
250 kN
Pressbereich 16 - 625 mm²
Betriebsdruck max. 700 bar
Gewicht 17,6 kg
Artikel
Art.-Nr.
Hydraulisches Presswerkzeug mit Fußpumpe 16 - 625 mm² HK252
Lieferumfang
Hydraulikschlauch, 2 m
Art-Nr.
HS22
Stahlblechkasten MKU
Zubehör
Hydraulikschlauch, 3 m
Hydraulikschlauch, 4 m
Hydraulikschlauch, 5 m
Hydraulikschlauch, 6 m
Hydraulikschlauch, 8 m
Hydraulikschlauch, 10 m
Art.-Nr.
HS23
HS24
HS25
HS26
HS28
HS210
Adapter für Presseinsätze Serie 13 25A13
Pressen
Presseinsätze
SECHS SERIEN IM EINSATZ –
PRESSEINSÄTZE
Das Klauke-Sortiment an Presseinsätzen ist umfangreich. Insgesamt 6 Serien haben wir speziell für Ihre Bedürfnisse entwickelt. Alle zeichnen sich durch hohe Standfestigkeit und höchste Präzision aus. Für optimale Pressergebnisse werden die Pressflächen der Presseinsätze poliert. Sie können sich darauf verlassen: Mit Werkzeugen, Presseinsätzen und Ver bindungsmaterialien von Klauke werden elektrische Verbindungen immer perfekt.

In Kürze
` Große Vielfalt durch 6 verschiedene Presseinsatzserien
` Lösungen für jedes Material
` Polierte Pressflächen für optimale Pressergebnisse
Adapter
Der Einsatz von Adaptern für Presswerkzeuge erhöht den Einsatzbereich und ermöglicht die Verarbeitung kleinerer Querschnittsbereiche. Informieren Sie sich!
K15 Serie: Artikel UA15T für Presseinsätze der Serie 13
K25 Serie: Artikel 25A13 für Presseinsätze der Serie 13
Verbindungsmaterial






0,25-6 mm²
BNC-Stecker RG 58, RG 59, RG 62, RG 71
Gedrehte
Rundstecker und Steckbuchsen 0,1-4 mm²
* Querschnitt abhängig vom Leiteraufbau


Serie 50
r501grp
Presseinsätze R 50, Dornpressung
geeignet für

▪ Rohrkabelschuhe und Verbinder - Cu, Normalausführung
Querschnitt
mm² für Artikel
Art.-Nr.
0,75 - 2,5 91R, 92R, 93R R501
4 - 10 94R, 95R, 2R R502
R504GRP
Presseinsätze R 50, Sechskantpressung
geeignet für

▪ Rohrkabelschuhe und Verbinder - Cu, Normalausführung
Querschnitt mm²
Art.-Nr.
6 - 16 R504
16 - 25 R505
m50154grp
Presseinsätze M 50

geeignet für
▪ Rohrkabelschuhe und Verbinder für Massivleiter
Querschnitt mm²
1,5 - 4
6 - 10
Art.-Nr.
M50154
M50610
D504grp
Presseinsätze D 50
geeignet für

▪ Presskabelschuhe nach DIN 46235 und Verbinder nach DIN 46267, Teil 1 - Cu
▪ Nicht zulässige Werkzeug-Kabelschuh-Kombinationen: - D504 für 6 mm² & 10 mm² DIN in Verbindung mit Kupfer Leiterklasse 1
Querschnitt
Art.-Nr. 6 - 16 D504 16 - 25 D505
Presseinsätze Q 50
q501grp

geeignet für
▪ Quetschkabelschuhe nach DIN 46234 und Stiftkabelschuhe nach DIN 46230 - Cu
▪ Quetschverbinder nach DIN 46341 - Cu
Querschnitt
Art.-Nr. 0,5 - 10 Q501
Presseinsätze AE 507
ae5071grp
geeignet für
▪ Aderendhülsen

Querschnitt
Art.-Nr. 0,5 - 6
10 - 25
35 - 50
AE5071
AE5072
AE5073
Presseinsätze IS 50, Einfachpressung
geeignet für

▪ Isolierte Kabelverbindungen, Einfachpressung
▪ Isolierte Quetschkabelschuhe und Stiftkabelschuhe
Querschnitt
mm² Art.-Nr. für Artikel
0,5 - 2,5 IS504 670 WS, 680 WS
4 - 6 IS505 700 WS
10 - 16 IS5072 ST1716IS, ST1717IS, 652C5, 652C6, 653C6
Presseinsätze IS 50, Doppelpressung
is5072grp is5071grp
geeignet für

▪ Isolierte Kabelverbindungen, Doppelpressung
Querschnitt
mm² Art.-Nr. für Artikel
0,1 - 1 IS503 8201-8201B
0,5 - 6 IS5071
Presseinsätze CR 50

geeignet für
▪ Nicht isolierte Flachsteckverbindungen
Querschnitt
mm² Art.-Nr.
0,25 - 6 CR501 2,8 / 6,3
0,5 - 2,5 CR502 4,8
0,5- 2,5 CR504 3720, 3735 6,3
0,5 - 1,5 CR505 3725 6,3
bnc501grp
Presseinsätze BNC 50

geeignet für
▪ Stift- und Schirmhülsen
▪ BNC-Stecker für Koax-Kabel RG 58, 59, 62 und 71
Art.-Nr. BNC501
Presseinsätze SB 50
sb501grp

geeignet für
▪ Gedrehte Rundstecker
▪ Steckbuchsen
Querschnitt mm²
Art.-Nr. 0,1 - 1; 1,5 - 2,5; 4 SB501
cr501grp zae5072grp
Presseinsätze ZAE 507
geeignet für

▪ Zwillings-Aderendhülsen
Querschnitt mm²
Art.-Nr. 2x6 - 2x16 ZAE5072
is5072grp pv502grp
Presseinsätze PV 50

geeignet für
▪ PV-Stecker
Schneideinsätze s502grp
Schneideinsatz

geeignet für
▪ Knotenketten
▪ mehrdrähtige Rundleiter bis 25 mm² z. B. nach EN 60228 Kl. 2
▪ Kupferschienen bis 3 mm × 10 mm
▪ Stahlseile und ähnliche Materialien bis 3 mm
Artikel
Art.-Nr. Schneideinsatz S502
SD5006grp
Abisoliereinsätze PV 50

geeignet für
▪ alle gängigen Kabeltypen



HR46grp
Presseinsätze HR 4

geeignet für
▪ Rohrkabelschuhe und Verbinder - Cu, Normalausführung
▪ Rohrkabelschuhe für Schaltgeräteanschlüsse
hr4setgrp
Presseinsatzset 6 - 150 mm² HR 4 im Kunststoffkoffer, 11-teilig

geeignet für
▪ Rohrkabelschuhe und Verbinder - Cu, Normalausführung
▪ Rohrkabelschuhe für Schaltgeräteanschlüsse
Presseinsätze HIS 4
geeignet für

▪ Isolierte Rohrkabelschuhe und Verbinder
▪ Isolierte Stiftkabelschuhe
Presseinsätze HF 4
his410grp hf410grp

geeignet für
▪ Rohrkabelschuhe und Verbinder für feindrähtige Leiter
hn446grp
Presseinsätze HN 4, Doppeldornpressung

geeignet für
▪ Rohrkabelschuhe und Verbinder - Ni
▪ Rohrkabelschuhe und Verbinder - Edelstahl
Querschnitt
- 6
hn41525grp
Presseinsätze HN 4, Dornpressung

geeignet für
▪ Rohrkabelschuhe und Verbinder - Ni
▪ Rohrkabelschuhe und Verbinder - Edelstahl
Querschnitt
Art.-Nr. 1,5 - 2,5 HN41525
Presseinsatzset 6 - 120 mm² HD 4 im Kunststoffkoffer, 10-teilig
hd4setgrp

geeignet für
▪ Presskabelschuhe nach DIN 46235 und Verbinder nach DIN 46267, Teil 1 - Cu
hd46grp
Presseinsätze HD 4

geeignet für
▪ Presskabelschuhe nach DIN 46235 und Verbinder nach DIN 46267, Teil 1 - Cu
Presseinsätze HQ 4
geeignet für

▪ Quetschkabelschuhe nach DIN 46234 und Stiftkabelschuhe nach DIN 46230 - Cu
▪ Quetschverbinder nach DIN 46341 - Cu
Presseinsätze HISQ 4
hq410grp hisq410grp

geeignet für
▪ Isolierte Quetschkabelschuhe und Stiftkabelschuhe
hru410grp
Presseinsätze HRU 4

geeignet für
▪ Runddrückenpresseinsätze für Al- und Cu-Sektorleiter
▪ 3- und 4-Leiter Sektorkabel
Querschnitt
Querschnitt
Presseinsätze HA 4
Ha410GRP

geeignet für
▪ Presskabelschuhe und Verbinder nach DIN - Al
▪ Presskabelschuhe und Verbinder Al/Cu (Aluminiumseite)
Querschnitt
Presseinsätze HC 4 / HMC 4

geeignet für ▪ Abzweigklemmen C-Form
Presseinsätze HAES 4
hc416grp haes450sgrp
geeignet für ▪ Aderendhülsen











Presseinsätze R 22
r226grp r22setgrp

geeignet für
▪ Rohrkabelschuhe und Verbinder - Cu, Normalausführung
▪ Rohrkabelschuhe für Schaltgeräteanschlüsse
Presseinsatzset 6 - 300 mm² R 22 im Kunststoffkoffer, 14-teilig

geeignet für
▪ Rohrkabelschuhe und Verbinder - Cu, Normalausführung
▪ Rohrkabelschuhe für Schaltgeräteanschlüsse
Art.-Nr. R22SET
is2210grp
Presseinsätze IS 22

geeignet für
▪ Isolierte Rohrkabelschuhe und Verbinder
▪ Isolierte Stiftkabelschuhe
Presseinsätze F 22
f2210grp d226grp

geeignet für
▪ Rohrkabelschuhe und Verbinder für feindrähtige Leiter
Presseinsätze D 22

geeignet für ▪ Presskabelschuhe nach DIN 46235 und Verbinder nach DIN 46267, Teil 1 - Cu
Presseinsätze M 22
m22154grp b226grp

geeignet für
▪ Rohrkabelschuhe und Verbinder für Massivleiter Querschnitt
Presseinsatzset 6 - 300 mm² D 22 im Kunststoffkoffer, 14-teilig
b22setgrp

geeignet für
▪ Presskabelschuhe nach DIN 46235 und Verbinder nach DIN 46267, Teil 1 - Cu
n2225grp
Presseinsätze N 22
geeignet für

▪ Rohrkabelschuhe und Verbinder - Ni
▪ Rohrkabelschuhe und Verbinder - Edelstahl
Art.-Nr. D22SET
Presseinsätze DP 22
dp2250grp

geeignet für ▪ Doppelpresskabelschuhe Querschnitt
Kennziffer
Presseinsätze Q 22
Presseinsätze RU 22
ru2210grp q2210grp

geeignet für
▪ Quetschkabelschuhe nach DIN 46234 und Stiftkabelschuhe nach DIN 46230 - Cu
▪ Quetschverbinder nach DIN 46341 - Cu
Querschnitt
Presseinsätze ISQ 22
isq2210grp

geeignet für
▪ Isolierte Quetschkabelschuhe und Stiftkabelschuhe
Querschnitt
Q2225
Q2235
Q2250
Q2270

geeignet für
▪ Runddrücken von Al- und Cu-Sektorleiter
▪ 3- und 4-Leiter Sektorkabel
Presseinsatzset 10 - 300 mm² A 22 im Kunststoffkoffer, 11-teilig
ISQ2216
Presseinsätze A 22
a22setgrp a2210grp

geeignet für
▪ Presskabelschuhe und Verbinder nach DIN - Al
▪ Presskabelschuhe und Verbinder Al/Cu (Aluminiumseite)
ISQ2270

geeignet für
▪ Presskabelschuhe und Verbinder nach DIN - Al
▪ Presskabelschuhe und Verbinder Al/Cu (Aluminiumseite)
h2270grp
Presseinsätze H 22

Presseinsätze AE 2213
` Die Presseinsätze können bei Werkzeugen der Presseinsatz-Serien 22 und 13 eingesetzt werden

geeignet für
c2216grp
Presseinsätze C 22 / MC 22

geeignet für ▪ Abzweigklemmen C-Form













hr13setgrp
Presseinsatzset 16 - 400 mm² HR13 im Kunststoffkoffer, 13- teilig

geeignet für
▪ Rohrkabelschuhe und Verbinder - Cu, Normalausführung
▪ Rohrkabelschuhe für Schaltgeräteanschlüsse
Art.-Nr. HR13SET
hr1316grp
Presseinsätze HR 13

geeignet für
▪ Rohrkabelschuhe und Verbinder - Cu, Normalausführung
▪ Rohrkabelschuhe für Schaltgeräteanschlüsse
Zusatzinformationen
▪ * = Schmalpressung (Press 5 x)
hf1316grp
Presseinsätze HF 13

geeignet für
▪ Rohrkabelschuhe und Verbinder für feindrähtige Leiter
Querschnitt
HF13150
hn1350grp
Presseinsätze HN 13, Doppeldornpressung

geeignet für
▪ Rohrkabelschuhe und Verbinder - Ni
▪ Rohrkabelschuhe und Verbinder - Edelstahl
Presseinsätze HN 13, Dornpressung
hn1395grp

geeignet für
▪ Rohrkabelschuhe und Verbinder - Ni
▪ Rohrkabelschuhe und Verbinder - Edelstahl
his1310grp
Presseinsätze HIS 13

geeignet für
▪ Isolierte Rohrkabelschuhe und Verbinder
▪ Isolierte Stiftkabelschuhe
Presseinsätze HD 13
hd1316grp

geeignet für
▪ Presskabelschuhe nach DIN 46235 - Cu
▪ Pressverbinder nach DIN 46267, Teil 1 - Cu
Verarbeitungshinweise
▪ Bei Verbindern bitte Verarbeitungshinweise im technischen Anhang beachten, Seite i-8 Zusatzinformationen
▪ * = Schmalpressung (Press 5 x)
Presseinsätze HDP 13

geeignet für ▪ Doppelpresskabelschuhe
2 x
2 x
Presseinsätze HQ 13

geeignet für
▪ Quetschkabelschuhe nach DIN 46234 und Stiftkabelschuhe nach DIN 46230 - Cu
▪ Quetschverbinder nach DIN 46341 - Cu
hdp1350grp hisq1310grp hq1316grp hd13setgrp hru1310grp
Presseinsatzset 10 - 300 mm² HD13 im Kunststoffkoffer, 13- teilig

geeignet für
▪ Presskabelschuhe nach DIN 46235 - Cu
▪ Pressverbinder nach DIN 46267, Teil 1 - Cu
Art.-Nr.
Presseinsätze HISQ 13

geeignet für
▪ Isolierte Quetschkabelschuhe und Stiftkabelschuhe
Presseinsätze HRU 13

geeignet für
▪ Runddrückenpresseinsätze für Al- und Cu-Sektorleiter
▪ 3- und 4-Leiter Sektorkabel
Presseinsätze HA 13
ha1310grp

geeignet für
▪ Presskabelschuhe und Verbinder nach DIN - Al
▪ Presskabelschuhe und Verbinder Al/Cu (Aluminiumseite)
Verarbeitungshinweise

▪ Bei Verbindern bitte Verarbeitungshinweise im technischen Anhang beachten, Seite i-8 Querschnitt
Presseinsätze HC 13 / HMC 13

geeignet für
▪ Abzweigklemmen C-Form
Presseinsätze AE 2213
` Die Presseinsätze können bei Werkzeugen der Presseinsatz-Serien 22 und 13 eingesetzt werden
ha13setgrp
Presseinsatzset 10 - 300 mm² HA13 im Kunststoffkoffer, 11- teilig

geeignet für
▪ Presskabelschuhe und Verbinder nach DIN - Al
▪ Presskabelschuhe und Verbinder Al/Cu (Aluminiumseite)
geeignet für ▪ Aderendhülsen

Presseinsätze HAH 13
hah1370grp
geeignet für

▪ Abzweigklemmen H-Form
ae2213

Adapter für Presseinsätze Serie 13
ua15tgrp

geeignet für
▪ alle Presseinsätze der Serie 13
Artikel
Art.-Nr.
Adapter für Presseinsätze Serie 13 UA15T
HA15400grp
Presseinsätze HA 15

geeignet für
▪ Presskabelschuhe und Verbinder nach DIN - Al
▪ Presskabelschuhe und Verbinder Al/Cu (Aluminiumseite)
Querschnitt mm² Art.-Nr. Kennziffer
HA15400 38 15
HA15500 44 15
Presseinsätze HD 15
HD15400grp

geeignet für
▪ Presskabelschuhe nach DIN 46235 und Verbinder nach DIN 46267, Teil 1 - Cu
Zusatzinformationen
▪ * = Schmalpressung (Press 7 x)
Querschnitt mm² Art.-Nr. Kennziffer


25a13grp
Adapter für Presseinsätze Serie 13

geeignet für
▪ Alle Presseinsätze der Serie 13
Artikel Art.-Nr. Adapter für Presseinsätze Serie 13 25A13
Presseinsätze HR 25
hr2530grp

geeignet für
▪ Rohrkabelschuhe und Verbinder - Cu, Normalausführung
▪ Rohrkabelschuhe für Schaltgeräteanschlüsse
Presseinsätze HD 25
hd2530grp

geeignet für
▪ Presskabelschuhe nach DIN 46235 - Cu
▪ Pressverbinder nach DIN 46267, Teil 1 - Cu Querschnitt mm² Art.-Nr. Kennziffer
HD25300 32 17
HD25400 38 17
42 17
HD25625 44 15
Presseinsätze HRU 25
hru2540grp

geeignet für
▪ Runddrückenpresseinsätze für Al- und Cu-Sektorleiter
▪ 3- und 4-Leiter Sektorkabel
Querschnitt mm² re/se Querschnitt mm² rm/sm Art.-Nr.
Durchm. mm nach Runddrücken Runddrückbreite mm 400 HRU25400SM 26 40
Presseinsätze HF 25
500 HRU25500SM 29 40 Presseinsätze
hf2540grp

geeignet für
▪ Rohrkabelschuhe und Verbinder für feindrähtige Leiter
Querschnitt mm² Art.-Nr. 240 HF25240
ha2540grp Presseinsätze HA 25

geeignet für
▪ Presskabelschuhe und Verbinder nach DIN - Al
▪ Presskabelschuhe und Verbinder Al/Cu (Aluminiumseite)
Querschnitt
Querschnitt
hc2595grp
Presseinsätze HC 25 / HMC 25

geeignet für
Abzweigklemmen C-Form

SCHNEIDEN EINFACH ALLES.
Klauke Schneidwerkzeuge überzeugen mit einem großen Anwendungsbereich. Egal welches Material und welche
Querschnitte Sie schneiden wollen, mit Klauke Werkzeugen arbeiten Sie einfach, schnell und sicher.

PERFEKT SCHNEIDEN –
MECHANISCHE SCHNEIDWERKZEUGE
Im Einsatz muss jeder Schnitt sofort sitzen. Unsere mechanischen Schneidwerkzeuge sind auf Ihre Arbeit vorbereitet. Die ergonomischen Griffe unterstützen Sie, denn ab dem ersten Moment überträgt die typische Klauke Hebeltechnik Ihre Kraft optimal. Ihre Schnitte sind präzise, die Werkzeuge handlich und dank hoher Materialgüte langlebig. Passt ab dem ersten Eindruck.

In Kürze
` Schneidwerkzeuge für Aluminium- und Kupferkabel bis zu einem Durchmesser von 100 mm
` Einfaches Arbeiten durch optimale Kraftübertragung
` Präzise Schnitte mit hochwertigen Schneidmessern
` Ermüdungsfreies Arbeiten durch ergonomische Form
` Für den täglichen Einsatz
Klauke Schneidwerkzeuge sind aus hochwertigen Materialien gefertigt: „Made in Germany“. Sie sind besonders langlebig und damit bestens geeignet für den täglichen Einsatz in der Werkstatt oder auch auf der Baustelle.
◾ Schneidwerkzeuge für Kabel aus Aluminium und Kupfer bis 100 mm Durchmesser

` Flexibel in der Anwendung
◾ Stufenlose Teleskopgriffe ermöglichen eine optimale Hebelanpassung
◾ Schneidkopf kann ausgetauscht werden
◾ Gut geeignet für feindrähtige Leiter
◾ Auch erhältlich als vollisolierte Werkzeuge bis 1.000 V nach DIN EN 60900
◾ Nachjustierbare Schneiden
◾ Schonendes Arbeiten aufgrund geringen Eigengewichtes
◾ Verarbeitung hochwertiger Materialien
` In jeder Situation stark
◾ Kompakt und handlich in der Größe
◾ Praktische Einhandbedienung bei geringem Kraftaufwand
◾ Effektive Schneidleistung bis Cu Ø 12 mm
◾ Geringer Kraftaufwand durch unterschiedliche Schneidprofile für große und kleine Durchmesser

K118grp
K 118 Hand-Schneidwerkzeug für Al- und Cu-Kabel bis Ø 12 mm

` Optimal auch bei engen Platzverhältnissen
` Handliche Bauform mit hoher Schneidleistung
` Hervorragendes Schneidwerkzeug für Massiv-, mehr-, fein- und feinstdrähtige Kabel z.B. nach DIN EN 60228, Klasse 1,2, 5 und 6
` Hoher Anwenderkomfort durch zwei Schneidprofile für kleine und große Kabelabmessungen
Eigenschaften
▪ Einhandbedienung
geeignet für
▪ Cu Massivleiter Klasse 1 bis 10 mm² (max. Ø 4 mm)
▪ Cu mehrdrähtige Leiter Klasse 2 bis 16 mm² (max. Ø 5 mm)
▪ Al mehrdrähtige Leiter Klasse 2 bis 25 mm² (max. Ø 10 mm)
▪ Cu fein- und feinstdrähtige Kabel Klasse 5 und 6 bis 50 mm² (max. Ø 12 mm)
Technische Daten
Schneidbereich max. Ø 12 mm, z.B. 1 x 50 mm² H07VK
Länge 165 mm
Gewicht 0,17 kg
Artikel
Art.-Nr.
Hand-Schneidwerkzeug für Ø bis 12 mm K118
K 100 Hand-Schneidwerkzeug für Al- und Cu-Kabel bis Ø 14 mm
K100grp

` Optimales Schneidwerkzeug für fein- und mehrdrähtige Kabel
Eigenschaften
▪ Kurze Bauform ermöglicht Schneiden auch bei beengten Platzverhältnissen
▪ Zweihandbedienung
Technische Daten
Schneidbereich max. Ø 14 mm z. B. 1 x 50 mm² H07VK
Länge
280 mm
Gewicht 0,55 kg
Artikel
Art.-Nr.
Hand-Schneidwerkzeug für Al- und Cu-Kabel bis Ø 14 mm K100
K 102 Hand-Schneidwerkzeug für Ø bis 20 mm
K102grp

` Optimales Schneidwerkzeug für fein- und feinstdrähtige Cu-Kabel nach DIN EN 60228 Klasse 5+6
` Nachstellbares Schraubgelenk
Eigenschaften
▪ Handgriffe mit Abgleitschutz und Beschriftungsfeld
▪ Beidhändig bedienbare Arretierung
Technische Daten
Schneidbereich max. Ø 20 mm z. B. 1 x 95 mm² H07V-K
Länge
210 mm
Gewicht 0,38 kg
Artikel
Art.-Nr.
Hand-Schneidwerkzeug für Ø bis 20 mm K102
K 106/1 Hand-Schneidwerkzeug für Al- und Cu-Kabel Klasse 2 bis Ø 34 mm

` Ermüdungsfreies Arbeiten durch kraftsparendes 2-Stufen Ratschensystem
` Leichte Bauform bei großer Schneidleistung
` Für Erd-, Kunststoff- und Gummikabel
Eigenschaften
▪ Einhandbedienung
▪ Nicht geeignet zum Schneiden von Stahl oder Stahldraht
▪ Handgriffe mit Abgleitschutz und Beschriftungsfeld
Technische Daten
Schneidbereich max. Ø 34 mm, z. B. 4 x 35 mm² NYY
Länge 260 mm
Gewicht 0,6 kg
Artikel
Hand-Schneidwerkzeug für Al- und Cu-Kabel bis Ø 34 mm K1061
K 106/2 Hand-Schneidwerkzeug für Al- und Cu-Kabel Klasse 2 bis Ø 62 mm
K1061grp K1062grp

` Ermüdungsfreies Arbeiten durch kraftsparendes 2-Stufen Ratschensystem
` Leichte Bauform bei großer Schneidleistung
` Schneidbereich bis 62 mm
` Für Erd-, Kunststoff- und Gummikabel
Eigenschaften
▪ Einhandbedienung
▪ Nicht geeignet zum Schneiden von Stahl oder Stahldraht
▪ Handgriffe mit Abgleitschutz und Beschriftungsfeld
Technische Daten
Schneidbereich z. B. 4 x 120 mm² NYY, max. Ø 62 mm
Länge 260 mm
Gewicht 0,6 kg
Artikel
Art.-Nr.
Hand-Schneidwerkzeug für Al- und Cu-Kabel bis Ø 62 mm K1062
K 103/1 Hand-Schneidwerkzeug für Al- und Cu-Kabel bis Ø 60 mm
K1031grp

` Kraftsparendes 2-Stufen Ratschensystem
` Für Erd-, Kunststoff- und Gummikabel
Eigenschaften
▪ Nicht geeignet zum Schneiden von Stahl oder Stahldraht
Technische Daten
Schneidbereich z. B. 4 x 240 mm² NAYY, max. Ø 60 mm
Länge 720 mm
Gewicht 4,5 kg
Artikel
Art.-Nr.
Hand-Schneidwerkzeug für Al- und Cu-Kabel bis Ø 60 mm K1031
K130grp
K 130 Hand-Schneidwerkzeug für Al- und Cu-Kabel bis Ø 30 mm

` Hervorragende Schneidleistung auch bei feindrähtigen Leitern durch speziell geformte, extrem flache Schneidmesser
` Großer Schneidbereich
Eigenschaften
▪ Sicheres Arbeiten durch angeraute Handgriffe
▪ Nicht geeignet zum Schneiden von Stahl oder Stahldraht
Technische Daten
Schneidbereich z. B. 4 x 35 mm² NYY, max. Ø 30 mm
Länge 570 mm
Gewicht 1,7 kg
Artikel
Art.-Nr.
Hand-Schneidwerkzeug für Al- und Cu-Kabel bis Ø 30 mm K130
K 150 Hand-Schneidwerkzeug für Al- und Cu-Kabel bis Ø 50 mm
K150grp

` Hervorragende Schneidleistung auch bei feindrähtigen Leitern durch speziell geformte, extrem flache Schneidmesser
` Sicheres Arbeiten durch angeraute Handgriffe
Eigenschaften
▪ Großer Schneidbereich
▪ Nicht geeignet zum Schneiden von Stahl oder Stahldraht
Technische Daten
Schneidbereich max. Ø 50 mm z. B. 4 x 120 mm² NYY
Länge 710 mm
Gewicht 3 kg
Artikel
Art.-Nr.
Hand-Schneidwerkzeug für Al- und Cu-Kabel bis Ø 50 mm K150
K 105/1 Hand-Schneidwerkzeug für Al- und Cu-Kabel bis Ø 26 mm mit Teleskopgriffen
K1051grp

` Kompakte Bauform mit verlängerbaren Teleskopgriffen für einen einfachen Transport
` Hohe Schneidleistung
` Auch für feindrähtige Leiter z.B. DIN EN 60228 Klasse 5
Eigenschaften
▪ Zweihandbedienung
▪ Wartung vor Ort durch Austausch der Schneidköpfe
▪ Sicheres Arbeiten durch angeraute Handgriffe
▪ Nicht geeignet zum Schneiden von Stahl oder Stahldraht
Technische Daten
Schneidbereich
z.B. 4 x 25 mm² NYY, max. Ø 26 mm
Länge stufenlos 350-520 mm
Gewicht 1,4 kg
Artikel
Hand-Schneidwerkzeug für Al- und Cu-Kabel bis Ø 26 mm, Länge 350 - 520 mm stufenlos
Zubehör
Ersatzschneidkopf
Art.-Nr.
K1051
Art.-Nr.
K1011E
K1011grp
K 101/1 Hand-Schneidwerkzeug für Al- und Cu-Kabel bis Ø 26 mm

` Wartung vor Ort durch Austausch der Schneidköpfe
` Hervorragende Schneidleistung auch bei feindrähtigen Leitern
Eigenschaften
▪ Zweihandbedienung
▪ Gute Hebelübersetzung
▪ Nicht geeignet zum Schneiden von Stahl oder Stahldraht
▪ Sicheres Arbeiten durch angeraute Handgriffe
Technische Daten
Schneidbereich z. B. 4 x 25 mm² NYY, max. Ø 26 mm
Länge 570 mm
Gewicht 1,8 kg
Artikel
Art.-Nr.
Hand-Schneidwerkzeug für Al- und Cu-Kabel bis Ø 26 mm K1011
Zubehör
Art.-Nr.
Ersatzschneidkopf K1011E
K 101/2 Hand-Schneidwerkzeug für Al- und Cu-Kabel bis Ø 38 mm
K1012grp

K1041grp
` Großer Schneidbereich
` Verlängerte Hebelarme
` Auch für feindrähtige Leiter z.B. DIN EN 60228 Klasse 5
` Wartung vor Ort durch Austausch der Schneidköpfe
Eigenschaften
▪ Nicht geeignet zum Schneiden von Stahl oder Stahldraht
▪ Sicheres Arbeiten durch angeraute Handgriffe
Technische Daten
Schneidbereich max. Ø 38 mm
Länge 930 mm
Gewicht 4,2 kg
Artikel
Hand-Schneidwerkzeug für Al- und Cu-Kabel bis Ø 38 mm
Zubehör
Art.-Nr.
K1012
Art.-Nr.
Ersatzschneidkopf K1012E
K 104/1 Hand-Schneidwerkzeug für Al- und Cu-Kabel bis Ø 100 mm

` Kraftsparendes 2-Stufen Ratschensystem
` Für Erd-, Kunststoff- und Gummikabel
` Sehr großer Schneidbereich bis 100 mm Durchmesser
Eigenschaften
▪ Nicht geeignet zum Schneiden von Stahl oder Stahldraht
Technische Daten
Schneidbereich z. B. 4 x 400 mm² NAYY, max. Ø 100 mm
Länge 870 mm
Gewicht 5,7 kg
Artikel
Art.-Nr.
Hand-Schneidwerkzeug für Al- und Cu-Kabel bis Ø 100 mm K1041

DER KLEINE SCHNEID-EXPERTE –
AKKUHYDRAULISCHE SCHNEIDWERKZEUGE (10,8 V)
Der Klauke mini ist leicht und leistungsstark in einem. Die hochwertigen Scheren schneiden mit einer Öffnungsweite von 32 mm, die Bolzenschneider mit 12 mm Öffnungsweite. Mit seinen praktischen Maßen ist er besonders gut geeignet für schwer zugängliche Stellen.
` Pure Leistung ohne Schnickschnack
Die Klauke mini konzentriert sich auf seine Kernaufgabe: das sichere Schneiden. Auch ohne Drucksensor und Display erledigt der kleine Experte seinen Job zuverlässig - ohne Wenn und Aber.
` Einsatzzeit im Blick
Lesen Sie den Ladestand jederzeit direkt am leistungsstarken 10,8-V-Akku ab. Schneiden
` Rundherum Schneiden
Schneiden an schwierigen Stellen? Kein Problem mit den Schneidköpfen, die 360° drehbar sind.
Plattform auf Basis 10,8 V EBS 8 ML / EBS 12 ML

Ø 8 mm / Ø 12 mm
` Zum Schneiden von Kabelrinnen, Bolzen und Stahldraht mittelhart (z.B. ST 37)
` Ideal bei kritischen Platzverhältnissen: der schlanke Schneidkopf! ` Leistungsstarke 10,8 V Li-Ion-Akkutechnologie mit Ladezustandsanzeige
Eigenschaften
▪ Offener Kopf, drehbar
▪ Einfach und sicher: Ein-Knopf-Bedienkonzept zur Steuerung aller Werkzeugfunktionen
▪ Komfortable und sichere Einhandbedienung durch ergonomisches 2-Komponenten Kunststoffgehäuse mit Softeinlage
▪ Ermüdungsfreies Arbeiten durch geringes Eigengewicht
▪ Einfach und sicher: Automatischer Rücklauf nach vollendetem Arbeitsgang
▪ Wartungsanzeige mittels LED
Technische Daten
Schneidbereich
Schneidkraft
Schneidzeit
Anzahl Schnitte
EBS8ML: max. Ø 8 mm, EBS12ML: max. Ø 12 mm
EBS8ML: 15 kN, EBS12ML: 45 kN
EBS8ML: 2 s, EBS12ML: 4 s (abhängig von Materialstärke)
EBS8ML: 100 bei Silberstahl 6 mm, EBS12ML: 150 bei Baustahl 10 mm
Akkuspannung 10,8 V
Akkukapazität 2,5 Ah, Li-Ion
Akkuladezeit ca. 45 min.
Gewicht mit Akku
EBS8ML: 1,2 kg, EBS12ML: 1,8 kg
Umgebungstemperatur -10 °C bis +40°C
Artikel
Art.-Nr.
Akkuhydraulischer Bolzenschneider Ø 8 mm EBS8ML
Akkuhydraulischer Bolzenschneider Ø 12 mm EBS12ML
Lieferumfang
Art-Nr. Kunststoffkoffer KKML
Akku 10,8 V / 2,5 Ah, Li-Ion (27 Wh)
RAML1225
Ladegerät für 10,8 V Li-Ion Akkus, 230 V LGML1
Akkuhydraulische Schneidwerkzeuge
20 ML Akkuhydraulisches Schneidwerkzeug Ø 20 mm

` Zum Schneiden von Al/St-Seilen (ACSR) nach DIN EN 50182, massive Al/Cu-Kabel nach DIN EN 60228 Klasse 1 und Cu-Lamellen-Schienen
` Extrem robuste Bauform bei geringem Eigengewicht
` Leistungsstarke 10,8 V Li-Ion-Akkutechnologie mit Ladezustandsanzeige
Eigenschaften
▪ Offener Kopf, drehbar
▪ Einfach und sicher: Ein-Knopf-Bedienkonzept zur Steuerung aller Werkzeugfunktionen
▪ Komfortable und sichere Einhandbedienung durch ergonomisches 2-Komponenten
Kunststoffgehäuse mit Softeinlage
▪ Ermüdungsfreies Arbeiten durch geringes Eigengewicht
▪ Einfach und sicher: Automatischer Rücklauf nach vollendetem Arbeitsgang
▪ Wartungsanzeige mittels LED
Technische Daten
Schneidbereich mehrdrähtig max. Ø 20 mm (abhängig vom Kabel-/Seiltyp)
Schneidkraft 23 kN
Schneidzeit 4 s bis 6 s (abhängig von Materialstärke)
Anzahl Schnitte ca. 200 bei Stahlseil 8 mm
Akkuspannung 10,8 V
Akkukapazität 2,5 Ah, Li-Ion
Akkuladezeit ca. 45 min.
Gewicht mit Akku 1,6 kg
Umgebungstemperatur -10 °C bis +40 °C
Artikel
Art.-Nr.
Akkuhydraulisches Schneidwerkzeug Ø 20 mm ES20ML
Lieferumfang
Art-Nr.
Akku 10,8 V / 2,5 Ah, Li-Ion (27 Wh) RAML1225
Ladegerät für 10,8 V Li-Ion Akkus, 230 V LGML1
Kunststoffkoffer KKML
Zubehör
Art-Nr. Ersatzmesser ES20E

Schneidwerkzeuge Ø 32 mm
` Zum Schneiden von mehrdrähtigen Kupfer- und Aluminium-Kabeln (ES 32 ML)
` Zum Schneiden von fein- und feinstdrähtigen Kupferkabeln (ES 32 F ML)
` Schlanker Schneidkopf - ideal bei kritischen Platzverhältnissen
` Leistungsstarke 10,8 V Li-Ion-Akkutechnologie mit Ladezustandsanzeige
Eigenschaften
▪ Offener Kopf, drehbar
▪ Elektronische Steuerung und Überwachung des Arbeitsvorganges
▪ Einfach und sicher: Ein-Knopf-Bedienkonzept zur Steuerung aller Werkzeugfunktionen
▪ Komfortable und sichere Einhandbedienung durch ergonomisches 2-Komponenten Kunststoffgehäuse mit Softeinlage
▪ Ermüdungsfreies Arbeiten durch geringes Eigengewicht
▪ Einfach und sicher: Automatischer Rücklauf nach vollendetem Arbeitsgang
▪ Wartungsanzeige mittels LED
Technische Daten
Schneidbereich max. Ø 32 mm
Schneidkraft 15 kN
Schneidzeit
8 s bis 10 s (abhängig von Materialstärke)
Anzahl Schnitte ES32ML: ca. 100 bei 150 mm² NYY, ES32FML: ca. 150 bei H07V-K 185 mm²
Akkuspannung 10,8 V
Akkukapazität 2,5 Ah, Li-Ion
Akkuladezeit ca. 45 min.
Gewicht mit Akku 1,8 kg
Umgebungstemperatur -10 °C bis +40 °C
Artikel
Art.-Nr.
Akkuhydraulisches Schneidwerkzeug Ø 32 mm ES32ML
Akkuhydraulisches Schneidwerkzeug Ø 32 mm, feinstdrähtig ES32FML
Lieferumfang
Art-Nr. Akku 10,8 V / 2,5 Ah, Li-Ion (27 Wh) RAML1225
Ladegerät für 10,8 V Li-Ion Akkus, 230 V LGML1
Kunststoffkoffer
Zubehör
KKML
Art-Nr. Ersatzmesser-Set ES32E
Ersatzmesser-Set für fein- und feinstdrähtige Kupferkabel ES32FE
DER NEUE STANDARD –KLAUKE NEXT GENERATION SCHNEIDWERKZEUGE
Setzen Sie auf den neuen Standard: Akkuhydraulische Schneidwerkzeuge von Klauke überzeugen mit Leistungsstärke und Ausdauer. Die Werkzeuge schneiden mühelos bis zu einem Querschnitt von 105 mm, mit offenem Schneidkopf für bessere Zugänglichkeit oder geschlossenem Schneidkopf für eine bessere Kraftübertragung. Verbesserte Ergonomie mit optimierter Schwerpunktlage macht das Arbeiten komfortabler und schneller. Auch durch den zeitsparenden Öffnungsmechanismus.

In Kürze
` Frei wählbare Akkuplattform: mit Bosch oder Makita
` Qualitätsnachweis via Bluetooth erstellbar
` Werkzeugverfügbarkeit sicherstellen: Ablesen der Werkzeugeigenschaften per Display oder App
` Ermüdungsfreies Arbeiten durch modernes, ergonomisches Design
` Erleichtert das Arbeiten
Die Klauke Schneidwerkzeuge garantieren ein ermüdungsfreies Arbeiten: die „mini“ glänzt durch ihr geringes Eigengewicht und die Pistolenform sorgt für eine ausgewogene Schwerpunktlage
◾ Für schwer zugängliche Stellen ist unsere „mini“ mit ihrer kompakten Bauweise einfach perfekt
◾ Mit der 2-Stufen-Hydraulik arbeiten Sie schnell dank Vorlauf und Krafthub
◾ Sparen Sie Zeit mit dem innovativem Öffnungsmechanismus der Schneiden. Sie öffnen sofort nach erfolgtem Schnitt.
◾ Besonders eindrucksvoll und sicher: das Ein-KnopfBedienkonzept aller Werkzeuge

` Klauke Link ® App
Connectivity ist der Oberbegriff zu der digitalen Anwendung, die Klauke seinen Kunden zusätzlich zu seinen Werkzeugen zur Verfügung stellt - die neue Klauke Link ® App. Diese Anwendung bietet Ihnen bei allen Werkzeugen der Klauke Next Generation neuartige Möglichkeiten.
Die Klauke Link ® App finden Sie unter: https://www.klauke.com/de/de/ klauke-link-connectivity

` Neueste Entwicklungen für Ihre tägliche Arbeit
Mini-Bauform - Riesen-Schneidkraft: Die ESGM45 und die ESM50 überzeugen auf ganzer Linie und für jeden Arbeitseinsatz
◾ Schneiden einfach gemacht durch eine neue, verbesserte Schneidengeometrie
◾ Gratfreies Schneiden von Gitterkanälen ganz ohne Nacharbeit dank des neuen Gitterkanalschneiders

EBS 6 L GKS Akkuhydraulischer Gitterkanalschneider Ø 6 mm

` Keine Nacharbeit erforderlich dank gratfreiem Schneidresultat
` Schnelles und effizientes Arbeiten: der Schnitt erfolgt in weniger als 1 Sek.
` Wartung erstmals nach 20.000 Schnitten erforderlich (erneuertes hydraulisches Stoßdämpfersystem)
` Immer schneidbereit durch eigenständig austauschbare Schneidklingen
Eigenschaften
▪ Offener Kopf, drehbar
▪ Elektronische Steuerung und Überwachung des Arbeitsvorganges
▪ Einfach und sicher: Ein-Knopf-Bedienkonzept zur Steuerung aller Werkzeugfunktionen
▪ Komfortable und sichere Einhandbedienung durch ergonomisches 2-Komponenten Kunststoffgehäuse mit Softeinlage
▪ Ausgewogene Schwerpunktlage für einfaches Handling und ermüdungsfreies Arbeiten
▪ LED zur Arbeitsraumbeleuchtung
▪ Leistungsstarker 18V Li-Ion Akku - hohe Kapazität, kurze Ladezeit
▪ Leistungsstarker Motor für maximale Arbeitsgeschwindigkeit
▪ Energiesparfunktion durch Motorabschaltung nach erfolgtem Arbeitsvorgang
▪ Motorschnellstopp für hohe Anwendersicherheit
▪ Einfach und sicher: Automatischer Rücklauf nach vollendetem Arbeitsgang
▪ Manueller Rücklauf bei Bedarf
▪ Multifunktions-LED zur Wartungsanzeige sowie Ladezustandsanzeige des Akkus
▪ Umweltfreundliches Hydrauliköl, biologisch schnell abbaubar
Technische Daten
Schneidbereich max. 6 mm (VA)
Schneidkraft 24 kN
Schneidzeit < 1 s
Anzahl Schnitte ca. 300 bei 6 mm (VA), 360 bei Gitterkanal 5 mm
Akkuspannung 18 V
Akkukapazität 1,5 Ah
Akkuladezeit 15 min.
Gewicht mit Akku 1,9 kg
Umgebungstemperatur -10 °C bis +40 °C
Artikel
Akkuhydraulischer Gitterkanalschneider Ø 6 mm
Lieferumfang
Art.-Nr.
EBS6LGKS
Art-Nr.
Makita Akku 18 V / 1,5 Ah, Li-Ion RAL1
Makita Schnell-Ladegerät für 18 V Li-Ion Akkus
Kunststoffkoffer
Zubehör
LGL1
KK50L
Art.-Nr.
Makita Akku 18 V / 3,0 Ah, Li-Ion (54 Wh) RAL2
Makita Akku 18 V / 4,0 Ah, Li-Ion RAL40
18 V Netzadapter für 230 V Netzspannung
NG2230

` Zum Schneiden von Kabelrinnen, Bolzen und mittelhartem Stahldraht (z.B. ST 37)
` Ideal bei kritischen Platzverhältnissen: der schlanke Presskopf! ` Alle Werkzeugdaten im Blick dank Display und Klauke Link® App
Eigenschaften
▪ Wählen Sie Ihr Akku-System: Bosch oder Makita
▪ Einfaches Auslesen aller Daten mittels Bluetooth
▪ Offener Kopf, drehbar
▪ Einfach und sicher: Ein-Knopf-Bedienkonzept zur Steuerung aller Werkzeugfunktionen
▪ Ermüdungsfreies Arbeiten durch ausgewogene Schwerpunktlage
▪ LED zur Arbeitsraumbeleuchtung
▪ Einfach und sicher: Automatischer Rücklauf nach vollendetem Arbeitsgang
▪ LED-Display zur Anzeige von Werkzeugdaten
▪ Immer einsatzbereit dank Ladestand- und Serviceanzeige
geeignet für
▪ Kabelrinnen, Bolzen, mittelharter Stacheldraht
Technische Daten
Schneidbereich max. 8 mm Ø
Schneidkraft 15 kN
Schneidzeit 1 s (abhängig von Materialstärke)
Akkuladezeit 15 min.
Gewicht mit Akku 1,65 kg
Umgebungstemperatur -10 °C bis +40 °C
Artikel
Art-Nr. Bosch Art-Nr. Makita
Akkuhydraulischer Bolzenschneider Ø 8 mm EBS8CFB EBS8CFM
Lieferumfang
Bosch Akku 18 V / 2,0 Ah, Li-Ion RALB1EU
Bosch Ladegerät für 18 V Li-Ion Akkus LGLB1EU
Makita Akku 18 V / 1,5 Ah, Li-Ion RAL1
Makita Schnell-Ladegerät für 18 V Li-Ion Akkus LGL1
Kunststoffkoffer KK50NG KK50NG
Zubehör
Bosch Akku 18 V / 5,0 Ah, Li-Ion RALB2EU
Makita Akku 18 V / 3,0 Ah, Li-Ion (54 Wh) RAL2
Akkuhydraulische Schneidwerkzeuge
EBS 12 Akkuhydraulische Bolzenschneider Ø 12 mm

` Zum Schneiden von Kabelrinnen, Bolzen und mittelhartem Stahldraht (z.B. ST 37)
` Schlanker Schneidkopf - Ideal bei kritischen Platzverhältnissen
` Alle Werkzeugdaten im Blick dank Display und Klauke Link® App
Eigenschaften
▪ Wählen Sie Ihr Akku-System: Bosch oder Makita
▪ Einfaches Auslesen aller Daten mittels Bluetooth
▪ Offener Kopf, drehbar
▪ Einfach und sicher: Ein-Knopf-Bedienkonzept zur Steuerung aller Werkzeugfunktionen
▪ Ermüdungsfreies Arbeiten durch ausgewogene Schwerpunktlage
▪ LED zur Arbeitsraumbeleuchtung
▪ Einfach und sicher: Automatischer Rücklauf nach vollendetem Arbeitsgang
▪ LED-Display zur Anzeige von Werkzeugdaten
▪ Immer einsatzbereit dank Ladestand- und Serviceanzeige geeignet für
▪ Kabelrinnen, Bolzen, mittelharter Stacheldraht
Technische Daten
Schneidbereich max. Ø 12 mm
Schneidkraft 45 kN
Schneidzeit 2 s (abhängig von Materialstärke)
Akkuladezeit 15 min.
Gewicht mit Akku 2,1 kg
Umgebungstemperatur -10°C bis 40 °C
Artikel
Art-Nr. Bosch Art-Nr. Makita
Akkuhydraulischer Bolzenschneider Ø 12 mm EBS12CFB EBS12CFM
Lieferumfang
Bosch Akku 18 V / 2,0 Ah, Li-Ion RALB1EU
Bosch Ladegerät für 18 V Li-Ion Akkus LGLB1EU
Makita Akku 18 V / 1,5 Ah, Li-Ion RAL1
Makita Schnell-Ladegerät für 18 V Li-Ion Akkus LGL1
Kunststoffkoffer
Zubehör
KK50NG KK50NG
Bosch Akku 18 V / 5,0 Ah, Li-Ion RALB2EU
Makita Akku 18 V / 3,0 Ah, Li-Ion (54 Wh)
RAL2

` Zum Schneiden von Al/St-Seilen (ACSR) nach DIN EN 50182, massive Al/Cu-Kabel nach DIN EN 60228 Klasse 1 und Cu-Lamellen-Schienen
` Extrem robuste Bauform bei geringem Eigengewicht
` Schlanker Schneidkopf - ideal bei kritischen Platzverhältnissen
` Alle Werkzeugdaten im Blick dank Display und Klauke Link® App
Eigenschaften
▪ Wählen Sie Ihr Akku-System: Bosch oder Makita
▪ Einfaches Auslesen aller Daten mittels Bluetooth
▪ Offener Kopf, drehbar
▪ Einfach und sicher: Ein-Knopf-Bedienkonzept zur Steuerung aller Werkzeugfunktionen
▪ Ermüdungsfreies Arbeiten durch ausgewogene Schwerpunktlage
▪ LED zur Arbeitsraumbeleuchtung
▪ Einfach und sicher: Automatischer Rücklauf nach vollendetem Arbeitsgang
▪ Manueller Rücklaufstopp (MRS) für effizientes Arbeiten
▪ Immer einsatzbereit dank Ladestand- und Serviceanzeige
geeignet für
▪ Al/St-Seile (ACSR)
Technische Daten
Schneidbereich max. Ø 18 mm (abhängig vom Kabel- / Seiltyp)
Schneidkraft 23 kN
Schneidzeit 2 s bis 4 s (abhängig von Kabelgröße)
Akkuladezeit 15 min.
Gewicht mit Akku 2,0 kg
Umgebungstemperatur -10 °C bis +40 °C
Artikel
Art-Nr. Bosch Art-Nr. Makita
Akkuhydraulisches Schneidwerkzeug Ø 20 mm ES20CFB ES20CFM
Lieferumfang
Bosch Akku 18 V / 2,0 Ah, Li-Ion RALB1EU
Bosch Ladegerät für 18 V Li-Ion Akkus LGLB1EU
Makita Akku 18 V / 1,5 Ah, Li-Ion RAL1
Makita Schnell-Ladegerät für 18 V Li-Ion Akkus LGL1
Kunststoffkoffer KK50NG KK50NG
Zubehör
Ersatzmesser ES20E
Bosch Akku 18 V / 5,0 Ah, Li-Ion RALB2EU
Makita Akku 18 V / 3,0 Ah, Li-Ion (54 Wh) RAL2
Varianten
L-BOXX mit akkuhydraulischem Schneidwerkzeug ES20CFB LBOXXES20CFB
Akkuhydraulisches Schneidwerkzeug mit Fernbedienung Ø 20 und 32 mm




ES 20 RMC mit Lieferumfang
` Werkzeug mit Fernbedienung, z.B. für Teleskopstangen
` ES20RMC: Zum Schneiden von Al/St-Seilen (ACSR) nach DIN EN 50182, massive Al/Cu-Kabel nach DIN EN 60228 Klasse 1 und Cu-Lamellen-Schienen
` ES32RMC: Zum Schneiden von mehrdrähtigen Al/Cu-Kabeln Klasse 2
` Extrem robuste Bauform bei geringem Eigengewicht
` Schlanker Schneidkopf - ideal bei kritischen Platzverhältnissen
` Alle Werkzeugdaten im Blick dank Display und Klauke Link® App
` Leistungsstarker 18 V Li-Ion-Akku - hohe Kapazität, kurze Ladezeit
` Auch als normaler Kabelschneider einsetzbar, wenn der Hotstick-Halter nicht angebracht wird
Eigenschaften
▪ Wählen Sie Ihr Akku-System: Bosch oder Makita
▪ Einfaches Auslesen aller Daten mittels Bluetooth
▪ Offener Kopf, drehbar
▪ Einfach und sicher: Ein-Knopf-Bedienkonzept zur Steuerung aller Werkzeugfunktionen
▪ Ermüdungsfreies Arbeiten durch ausgewogene Schwerpunktlage, auch bei Nutzung mit einer Teleskopstange
▪ LED zur Arbeitsraumbeleuchtung
▪ Motorschnellstopp für hohe Anwendersicherheit
▪ Einfach und sicher: Automatischer Rücklauf nach vollendetem Arbeitsgang
▪ Manueller Rücklaufstopp (MRS) für effizientes Arbeiten
▪ Energiesparend: Motor stoppt nach dem Arbeitsgang
▪ Immer einsatzbereit dank Ladestand- und Serviceanzeige
▪ Einfache Ein-Hand-Steuerung über Fernbedienung
ES 20 RMC geeignet für
▪ Al/St-Seile (ACSR)
▪ Massive Al/Cu-Kabel nach DIN EN 60228 Klasse 1
▪ Cu-Lamellen-Schienen
ES 32 RMC geeignet für
▪ Mehrdrähtige Al/Cu-Kabel Klasse 2
Zusatzinformationen
▪ Artikel-Nummer-Zusatz für Werkzeug ohne Akku und Ladegerät „0000“
Technische Daten
Kopfform
Schneidbereich
Schneidzeit
Schere offen
ES20RMC: max. 20 mm Ø, ES32RMC: max. 32 mm Ø
2 s bis 8 s (abhängig von Kabelgröße/Materialstärke)
Akkuladezeit 15 min.
Gewicht mit Akku 2,0 kg
Umgebungstemperatur -10 °C bis +40 °C
Artikel
Art-Nr. Bosch Art-Nr. Makita
Akkuhydraulisches Schneidwerkzeug Ø 20 mm ES20RMCCFB
Akkuhydraulisches Schneidwerkzeug Ø 20 mm ES20RMCCFM
Akkuhydraulisches Schneidwerkzeug Ø 32 mm ES32RMCCFB
Akkuhydraulisches Schneidwerkzeug Ø 32 mm ES32RMCCFM
Lieferumfang
Bosch Akku 18 V / 2,0 Ah, Li-Ion RALB1EU
Makita Akku 18 V / 1,5 Ah, Li-Ion RAL1
Bosch Ladegerät für 18 V Li-Ion Akkus LGLB1EU
Makita Schnell-Ladegerät für 18 V Li-Ion-Akkus LGL1
Bluetooth Fernbedienung
Zubehör
Bosch Akku 18 V / 5,0 Ah, Li-Ion
BTC3 BTC3
RALB2EU
Makita Akku 18 V / 4,0 Ah, Li-Ion RAL40
Ersatzmesser für ES 20 RMC
Ersatzmesser für ES 32 RMC
ES20E ES20E
ES32E ES32E
Akkuhydraulische Schneidwerkzeuge mit Fernbedienung Ø 65 und 105 mm (Makita-Akku)
ESG65RMCCFM

` Werkzeug mit Fernbedienung für sicheren Abstand beim Schneiden
` Weltweit einzigartige echte Endlagenerkennung
` Zum Schneiden von Kupfer- und Aluminiumkabeln nach DIN EN 60228 Klasse 1 und 2 auch mit leichter Stahlarmierung
` Schneidkräfte: ESG65RMC: 60 kN, ESG105RMC: 120 kN für extra große Schneidbereiche
` Alle Werkzeugdaten im Blick dank Display und Klauke Link® App
` Selbstverständlich ist auch eine manuelle Bedienung, ohne Verwendung der Fernbedienung, möglich
Eigenschaften
▪ Akustische und optische Benachrichtigung über vollendeten Schnitt an der Fernbedienung
▪ Sehr hohe Reichweite bis zu 70 m
▪ Bequeme Ein-Hand-Steuerung über die Fernbedienung
▪ Geschlossener Kopf, drehbar
ESG105RMCCFM

▪ Motorschnellstopp für hohe Anwendersicherheit
▪ Rücklaufstopp für effizientes Arbeiten
▪ Energiesparend: Motor stoppt nach vollendetem Schnitt
▪ Jederzeit im Blick: Ladestand- und Serviceanzeige
▪ Einfaches Auslesen aller Daten mittels Bluetooth geeignet für
▪ Cu- und Al-Kabel, auch leicht armiert
Technische Daten
Kopfform
Schneidbereich
ESG65RMCCFM
ESG105RMCCFM
Guillotine geschlossen Guillotine geschlossen
max. 65 mm Ø, z. B.
NYCWY 4 x 240 SM/120 max. 105 mm Ø, z. B. NYCWY 4 x 240 SM/120
Schneidzeit 2 s bis 13 s (abhängig von Kabelgröße) 2 s bis 13 s (abhängig von Kabelgröße)
Akkuladezeit 36 min. 36 min. Gewicht mit Akku 6,0 kg 10,5 kg
Umgebungstemperatur -10 °C bis +40 °C -10 °C bis +40 °C
Artikel Art-Nr. Art-Nr.
Akkuhydraulisches Schneidwerkzeug Ø 65 mm ESG65RMCCFM
Akkuhydraulisches Schneidwerkzeug Ø 105 mm
Lieferumfang
ESG105RMCCFM
Art-Nr.
Makita Akku 18 V / 4,0 Ah, Li-Ion RAL40 RAL40
Makita Schnell-Ladegerät für 18 V Li-Ion-Akkus LGL1 LGL1
Bluetooth Fernbedienung
Zubehör
BTC3
BTC3
Art-Nr.
Makita Akku 18 V / 4,0 Ah, Li-Ion RAL40 RAL40
Bluetooth Fernbedienung
BTC3 BTC3
Akkuhydraulische Schneidwerkzeuge 18 V
Akkuhydraulische Schneidwerkzeuge mit Fernbedienung Ø 65 und 105 mm (Bosch-Akku)
ESG65RMCCFB

` Werkzeug mit Fernbedienung für sicheren Abstand beim Schneiden
` Weltweit einzigartige echte Endlagenerkennung
` Zum Schneiden von Kupfer- und Aluminiumkabeln nach DIN EN 60228 Klasse 1 und 2 auch mit leichter Stahlarmierung
` Schneidkräfte: ESG65RMC: 60 kN, ESG105RMC: 120 kN für extra große Schneidbereiche
` Alle Werkzeugdaten im Blick dank Display und Klauke Link® App
` Selbstverständlich ist auch eine manuelle Bedienung, ohne Verwendung der Fernbedienung, möglich
Eigenschaften
▪ Akustische und optische Benachrichtigung über vollendeten Schnitt an der Fernbedienung
▪ Sehr hohe Reichweite bis zu 70 m
▪ Bequeme Ein-Hand-Steuerung über die Fernbedienung
▪ Geschlossener Kopf, drehbar
▪ Motorschnellstopp für hohe Anwendersicherheit
▪ Rücklaufstopp für effizientes Arbeiten
▪ Energiesparend: Motor stoppt nach vollendetem Schnitt
ESG105RMCCFB

▪ Jederzeit im Blick: Ladestand- und Serviceanzeige
▪ Einfaches Auslesen aller Daten mittels Bluetooth
geeignet für
▪ Cu- und Al-Kabel, auch leicht armiert
Technische Daten
ESG65RMCCFB ESG105RMCCFB
Kopfform Guillotine geschlossen Guillotine geschlossen
Schneidbereich max. 65 mm Ø, z. B. NYCWY 4 x 240 SM/120 max. 105 mm Ø, z. B. NYCWY 4 x 240 SM/120
Schneidzeit
2 s bis 13 s (abhängig von Kabelgröße) 2 s bis 13 s (abhängig von Kabelgröße)
Akkuladezeit 36 min. 36 min.
Gewicht mit Akku 6,0 kg 10,5 kg
Umgebungstemperatur -10 °C bis +40 °C -10 °C bis +40 °C
Artikel
Art-Nr.
Akkuhydraulisches Schneidwerkzeug Ø 65 mm ESG65RMCCFB
Akkuhydraulisches Schneidwerkzeug Ø 105 mm
Lieferumfang
Art-Nr.
ESG105RMCCFB
Art-Nr.
Bosch Akku 18 V / 5,0 Ah, Li-Ion RALB2EU RALB2EU
Bosch Schnell-Ladegerät für 18 V Li-Ion-Akkus
Bluetooth Fernbedienung
Zubehör
LGLB1EU LGLB1EU
BTC3
BTC3
Art-Nr.
Bosch Akku 18 V / 5,0 Ah, Li-Ion RALB2EU RALB2EU
Bluetooth Fernbedienung
BTC3 BTC3
ESG 105 RMCP Akkuhydraulisches Schneidwerkzeug mit Fernbedienung Ø 105 mm (Bosch-Akku)

` Werkzeug mit Fernbedienung für sicheren Abstand beim Schneiden
` Weltweit einzigartige echte Endlagenerkennung
` Zum Schneiden von Kupfer- und Aluminiumkabeln nach EN 60228 Klasse 1 und 2 auch mit leichter Stahlarmierung
` Display in deutscher Sprache
` Alle Werkzeugdaten im Blick dank Display und Klauke Link® App
Eigenschaften
▪ Akustische und optische Benachrichtigung über vollendeten Schnitt an der Fernbedienung
▪ Sehr hohe Reichweite bis zu 70 m
▪ Bequeme Ein-Hand-Steuerung über die Fernbedienung
▪ Geschlossener Kopf, drehbar
▪ Motorschnellstopp für hohe Anwendersicherheit
▪ Rücklaufstopp für effizientes Arbeiten
▪ Energiesparend: Motor stoppt nach vollendetem Schnitt
▪ Jederzeit im Blick: Ladestand- und Serviceanzeige
▪ Einfaches Auslesen aller Daten mittels Bluetooth
geeignet für
▪ Cu- und Al-Kabel, auch leicht armiert
Technische Daten
Kopfform
Guillotine geschlossen
Schneidbereich max. 105 mm Ø, z. B. NYCWY 4 x 240 SM/120
Schneidzeit 2 s bis 13 s (abhängig von Kabelgröße)
Schneidkraft 120 kN
Akkuladezeit
36 min.
Gewicht mit Akku 10,5 kg
Umgebungstemperatur -10 °C bis +40 °C
Artikel
Art-Nr.
Akkuhydraulisches Schneidwerkzeug Ø 105 mm ESG105RMCPCFB
Lieferumfang
Art-Nr.
Bosch Akku 18 V / 5,0 Ah, Li-Ion RALB2EU
Bosch Schnell-Ladegerät für 18 V Li-Ion-Akkus
Bluetooth Fernbedienung
Zubehör
LGLB1EU
BTC3
Art-Nr.
Bosch Akku 18 V / 5,0 Ah, Li-Ion RALB2EU
Bluetooth Fernbedienung
BTC3
ESG 105 RMCP Akkuhydraulisches Schneidwerkzeug mit Fernbedienung Ø 105 mm (Makita-Akku)

` Werkzeug mit Fernbedienung für sicheren Abstand beim Schneiden
` Weltweit einzigartige echte Endlagenerkennung
` Zum Schneiden von Kupfer- und Aluminiumkabeln nach EN 60228 Klasse 1 und 2 auch mit leichter Stahlarmierung
` Display in deutscher Sprache
` Alle Werkzeugdaten im Blick dank Display und Klauke Link® App
Eigenschaften
▪ Akustische und optische Benachrichtigung über vollendeten Schnitt an der Fernbedienung
▪ Sehr hohe Reichweite bis zu 70 m
▪ Bequeme Ein-Hand-Steuerung über die Fernbedienung
▪ Geschlossener Kopf, drehbar
▪ Motorschnellstopp für hohe Anwendersicherheit
▪ Rücklaufstopp für effizientes Arbeiten
▪ Energiesparend: Motor stoppt nach vollendetem Schnitt
▪ Jederzeit im Blick: Ladestand- und Serviceanzeige
geeignet für
▪ Cu- und Al-Kabel, auch leicht armiert
Zusatzinformationen
▪ Artikel-Nummer-Zusatz für Werkzeug ohne Akku und Ladegerät „0000“
Technische Daten
Kopfform
Guillotine geschlossen
Schneidbereich max. 105 mm Ø, z. B. NYCWY 4 x 240 SM/120
Schneidzeit 2 s bis 13 s (abhängig von Kabelgröße)
Schneidkraft 120 kN
Akkuladezeit 36 min.
Gewicht mit Akku 10,5 kg
Umgebungstemperatur -10 °C bis +40 °C
Artikel
Akkuhydraulisches Schneidwerkzeug mit Fernbedienung Ø 105 mm
Akkuhydraulisches Schneidwerkzeug mit Fernbedienung ohne Ladegerät und Batterie
Lieferumfang
Art-Nr.
ESG105RMCPCFM
ESG105RMCPCFM0000
Art-Nr.
Makita Akku 18 V / 4,0 Ah, Li-Ion RAL40
Makita Schnell-Ladegerät für 18 V Li-Ion-Akkus LGL1
Bluetooth Fernbedienung
Zubehör
BTC3
Art-Nr.
Makita Akku 18 V / 4,0 Ah, Li-Ion RAL40
Bluetooth Fernbedienung
BTC3

` Zum Schneiden von Al/St-Seilen (ACSR), Rundmaterialien (Cu, Al, St) sowie armierten Kabeln, massivem Baustahl, als auch Abspannseile
` Hervorragende Schneideigenschaften für hochflexible Leitungen und Drahtseile
` Extrem robuste Bauform bei geringem Eigengewicht
` Alle Werkzeugdaten im Blick dank Display und Klauke Link® App
Eigenschaften
▪ Wählen Sie Ihr Akku-System: Bosch oder Makita
▪ Einfaches Auslesen aller Daten mittels Bluetooth
▪ Geschlossener Kopf, aufklappbar, drehbar
▪ Einfach und sicher: Ein-Knopf-Bedienkonzept zur Steuerung aller Werkzeugfunktionen
▪ Ermüdungsfreies Arbeiten durch ausgewogene Schwerpunktlage
▪ LED zur Arbeitsraumbeleuchtung
▪ Einfach und sicher: Automatischer Rücklauf nach vollendetem Arbeitsgang
▪ Manueller Rücklaufstopp (MRS) für effizientes Arbeiten
▪ Immer einsatzbereit dank Ladestand- und Serviceanzeige geeignet für
▪ Al/St-Seile (ACSR) Cu, Al, St sowie armierte Kabel, Baustahl, Abspannseile
Technische Daten
Kopfform
Guillotine geschlossen
Schneidbereich max. 25 mm Ø
Schneidkraft 60 kN
Schneidzeit abhängig von Materialstärke
Akkuladezeit 15 min.
Gewicht mit Akku 2,0 kg
Umgebungstemperatur -10 °C bis +40 °C
Artikel
Art-Nr. Bosch Art-Nr. Makita
Akkuhydraulisches Schneidwerkzeug Ø 25 mm ESG25CFB ESG25CFM
Lieferumfang
Bosch Akku 18 V / 2,0 Ah, Li-Ion RALB1EU
Bosch Ladegerät für 18 V Li-Ion Akkus LGLB1EU
Makita Akku 18 V / 1,5 Ah, Li-Ion RAL1
Makita Schnell-Ladegerät für 18 V Li-Ion Akkus LGL1
Kunststoffkoffer KK50NG KK50NG
Zubehör
Inneres bewegliches Messer ESG252ES
Äußeres feststehendes Messer ESG252EF
Bosch Akku 18 V / 5,0 Ah, Li-Ion RALB2EU
Makita Akku 18 V / 3,0 Ah, Li-Ion (54 Wh) RAL2
Ersatzmesser-Set ESG252ESET ESG252ESET
ESM 25 Akkuhydraulisches
Schneidwerkzeug Ø 25 mm

` Zum Schneiden von Al/St-Seilen (ACSR), Rundmaterialien (Cu, Al) sowie armierten Kabeln als auch Abspannseilen (stay wire)
` Geschützte Schneidmechanik durch Kunststoffgehäuse
` Alle Werkzeugdaten im Blick dank Display und Klauke Link® App
` Schnell wechselbare Schneidmesser
Eigenschaften
▪ Wählen Sie Ihr Akku-System: Bosch oder Makita
▪ Einfaches Auslesen aller Daten mittels Bluetooth
▪ Offener Kopf, drehbar
▪ Einfach und sicher: Ein-Knopf-Bedienkonzept zur Steuerung aller Werkzeugfunktionen
▪ Ermüdungsfreies Arbeiten durch ausgewogene Schwerpunktlage
▪ LED zur Arbeitsraumbeleuchtung
▪ Einfach und sicher: Automatischer Rücklauf nach vollendetem Arbeitsgang
▪ Manueller Rücklaufstopp (MRS) für effizientes Arbeiten
▪ Immer einsatzbereit dank Ladestand- und Serviceanzeige
geeignet für
▪ Freileitung (ACSR, Aldrey), Abspannseile und hochfeste Abspannseile
Technische Daten
Kopfform
Schere offen
Schneidbereich Freileitung (ACSR, Aldrey) bis Ø 25 mm, Abspannseile bis Ø 12 mm
Schneidkraft
Schneidzeit
67 kN
8 s - 10 s (abhängig von Materialstärke)
Akkuladezeit 15 min.
Gewicht mit Akku 3,0 kg
Umgebungstemperatur -10 °C bis +40 °C
Artikel
Art-Nr. Bosch Art-Nr. Makita
Akkuhydraulisches Schneidwerkzeug Ø 25 mm ESM25CFB ESM25CFM
Lieferumfang
Makita Akku 18 V / 1,5 Ah, Li-Ion RAL1
Makita Schnell-Ladegerät für 18 V Li-Ion-Akkus LGL1
Bosch Akku 18 V / 2,0 Ah, Li-Ion RALB1EU
Bosch Ladegerät für 18 V Li-Ion Akkus LGLB1EU
Kunststoffkoffer KK50NG KK50NG
Zubehör
Art-Nr.
Makita Akku 18 V / 3,0 Ah, Li-Ion (54 Wh) RAL2
Bosch Akku 18 V / 5,0 Ah, Li-Ion
RALB2EU
Ersatzmesser-Set ESM25ESET ESM25ESET

` Schlanker Schneidkopf - ideal bei kritischen Platzverhältnissen
` Alle Werkzeugdaten im Blick dank Display und Klauke Link® App Eigenschaften
▪ Wählen Sie Ihr Akku-System: Bosch oder Makita
▪ Einfaches Auslesen aller Daten mittels Bluetooth
▪ Offener Kopf, drehbar
▪ Einfach und sicher: Ein-Knopf-Bedienkonzept zur Steuerung aller Werkzeugfunktionen
▪ Ermüdungsfreies Arbeiten durch ausgewogene Schwerpunktlage
▪ LED zur Arbeitsraumbeleuchtung
▪ Einfach und sicher: Automatischer Rücklauf nach vollendetem Arbeitsgang
▪ Manueller Rücklaufstopp (MRS) für effizientes Arbeiten
▪ Immer einsatzbereit dank Ladestand- und Serviceanzeige geeignet für
▪ Mehrdrähtige Leiter Kupfer und Alu
Technische Daten
Kopfform Schere offen
Schneidbereich max. Ø 32 mm
Schneidkraft 15 kN
Schneidzeit 8 s bis 10 s (abhängig von Materialstärke)
Akkuladezeit 15 min.
Gewicht mit Akku 2,0 kg
Umgebungstemperatur -10 °C bis +40 °C
Artikel
Art-Nr. Bosch Art-Nr. Makita
Akkuhydraulisches Schneidwerkzeug Ø 32 mm ES32CFB ES32CFM Lieferumfang
Bosch Akku 18 V / 2,0 Ah, Li-Ion RALB1EU
Bosch Ladegerät für 18 V Li-Ion Akkus LGLB1EU
Makita Akku 18 V / 1,5 Ah, Li-Ion RAL1
Makita Schnell-Ladegerät für 18 V Li-Ion Akkus LGL1
Kunststoffkoffer KK50NG KK50NG
Zubehör
Ersatzmesser-Set ES32E
Bosch Akku 18 V / 5,0 Ah, Li-Ion RALB2EU
Makita Akku 18 V / 3,0 Ah, Li-Ion (54 Wh) RAL2
Varianten
L-BOXX mit akkuhydraulischem Schneidwerkzeug ES32CFB
L-BOXX mit akkuhydraulischem Schneidwerkzeug ES32CFM
LBOXXES32CFB
LBOXXES32CFM
Akkuhydraulische Schneidwerkzeuge
ES32FGRP ES 32 F Akkuhydraulisches Schneidwerkzeug Ø 32 mm für fein- und feinstdrähtige Kupferkabel

` Zum Schneiden von fein- und feinstdrähtigen Kupferkabeln
` Schlanker Schneidkopf - ideal bei kritischen Platzverhältnissen
` Alle Werkzeugdaten im Blick dank Display und Klauke Link® App
Eigenschaften
▪ Wählen Sie Ihr Akku-System: Bosch oder Makita
▪ Einfaches Auslesen aller Daten mittels Bluetooth
▪ Offener Kopf, drehbar
▪ Einfach und sicher: Ein-Knopf-Bedienkonzept zur Steuerung aller Werkzeugfunktionen
▪ Ermüdungsfreies Arbeiten durch ausgewogene Schwerpunktlage
▪ LED zur Arbeitsraumbeleuchtung
▪ Einfach und sicher: Automatischer Rücklauf nach vollendetem Arbeitsgang
▪ Manueller Rücklaufstopp (MRS) für effizientes Arbeiten
▪ Immer einsatzbereit dank Ladestand- und Serviceanzeige
geeignet für
▪ Fein- und feinstdrähtige Kupferkabel
Technische Daten
Kopfform
Schere offen
Schneidbereich max. Ø 32 mm
Schneidkraft 15 kN
Schneidzeit 8 s bis 10 s (abhängig von Materialstärke)
Akkuladezeit 15 min.
Gewicht mit Akku 2,0 kg
Umgebungstemperatur -10 °C bis +40 °C
Artikel
Art-Nr. Bosch Art-Nr. Makita
Akkuhydraulisches Schneidwerkzeug Ø 32 mm, feinstdrähtig ES32FCFB ES32FCFM
Lieferumfang
Bosch Akku 18 V / 2,0 Ah, Li-Ion RALB1EU
Bosch Ladegerät für 18 V Li-Ion Akkus LGLB1EU
Makita Akku 18 V / 1,5 Ah, Li-Ion RAL1
Makita Schnell-Ladegerät für 18 V Li-Ion Akkus LGL1
Kunststoffkoffer KK50NG KK50NG
Zubehör
Ersatzmesser-Set für fein- und feinstdrähtige Kupferkabel ES32FE
Bosch Akku 18 V / 5,0 Ah, Li-Ion RALB2EU
Makita Akku 18 V / 3,0 Ah, Li-Ion (54 Wh) RAL2
Varianten
L-BOXX mit akkuhydraulischem Schneidwerkzeug ES32FCFB LBOXXES32FCFB
L-BOXX mit akkuhydraulischem Schneidwerkzeug ES32FCFM
LBOXXES32FCFM
ESM 35 Akkuhydraulisches Schneidwerkzeug Ø 35 mm für Kupfer- und Aluminiumkabel

` Geschützte Schneidmechanik durch Kunststoffgehäuse
` Zum Schneiden von Kupfer- und Aluminiumkabel aller Leiterklassen
` Alle Werkzeugdaten im Blick dank Display und Klauke Link® App
Eigenschaften
▪ Wählen Sie Ihr Akku-System: Bosch oder Makita
▪ Einfaches Auslesen aller Daten mittels Bluetooth
▪ Offener Kopf, drehbar
▪ Einfach und sicher: Ein-Knopf-Bedienkonzept zur Steuerung aller Werkzeugfunktionen
▪ Ermüdungsfreies Arbeiten durch ausgewogene Schwerpunktlage
▪ LED zur Arbeitsraumbeleuchtung
▪ Einfach und sicher: Automatischer Rücklauf nach vollendetem Arbeitsgang
▪ Manueller Rücklaufstopp (MRS) für effizientes Arbeiten
▪ Immer einsatzbereit dank Ladestand- und Serviceanzeige geeignet für
▪ Zum Schneiden von Kupfer- und Aluminiumkabel aller Leiterklassen
Technische Daten
Kopfform
Schere offen
Schneidbereich max. Ø 35
Schneidkraft 25 kN
Schneidzeit 4 s bis 6 s (abhängig von Materialstärke)
Akkuladezeit 15 min.
Gewicht mit Akku 2,9 kg
Umgebungstemperatur -10 °C bis +40 °C
Artikel
Art-Nr. Bosch Art-Nr. Makita
Akkuhydraulisches Schneidwerkzeug Ø 35 mm ESM35CFB ESM35CFM Lieferumfang
Makita Akku 18 V / 1,5 Ah, Li-Ion
RAL1
Makita Schnell-Ladegerät für 18 V Li-Ion-Akkus LGL1
Bosch Akku 18 V / 2,0 Ah, Li-Ion RALB1EU
Bosch Ladegerät für 18 V Li-Ion Akkus LGLB1EU
Kunststoffkoffer KK50NG KK50NG
Zubehör
Art-Nr.
Makita Akku 18 V / 3,0 Ah, Li-Ion (54 Wh) RAL2
Bosch Akku 18 V / 5,0 Ah, Li-Ion RALB2EU

` Zum Schneiden von Al/St-Seilen (ACSR), Rundmaterialien (Cu, Al, St) sowie armierten Kabeln und massivem Baustahl.
` Alle Werkzeugdaten im Blick dank Display und Klauke Link® App
Eigenschaften
▪ Wählen Sie Ihr Akku-System: Bosch oder Makita
▪ Einfaches Auslesen aller Daten mittels Bluetooth
▪ Geschlossener Kopf mit Bolzenverriegelung, aufklappbar, drehbar
▪ Einfach und sicher: Ein-Knopf-Bedienkonzept zur Steuerung aller Werkzeugfunktionen
▪ Ermüdungsfreies Arbeiten durch ausgewogene Schwerpunktlage
▪ LED zur Arbeitsraumbeleuchtung
▪ 2-Stufen-Hydraulik mit schnellem Vorlauf und Krafthub
▪ Einfach und sicher: Automatischer Rücklauf nach vollendetem Arbeitsgang
▪ Manueller Rücklaufstopp (MRS) für effizientes Arbeiten
geeignet für
▪ Cu- und Al-Kabel, Al/St-Seile (ACSR)
Technische Daten
Kopfform
Guillotine geschlossen
Schneidbereich max. Ø 45 mm
Schneidkraft 70 kN
Schneidzeit 8 s bis 10 s (abhängig von Materialdicke)
Akkuladezeit 15 min.
Gewicht mit Akku 4,6 kg
Umgebungstemperatur -10 °C bis +40 °C
Artikel
Art-Nr. Bosch Art-Nr. Makita Akkuhydraulisches Schneidwerkzeug Ø 45 mm ESGM45CFB ESGM45CFM
Lieferumfang
Bosch Akku 18 V / 2,0 Ah, Li-Ion RALB1EU
Bosch Ladegerät für 18 V Li-Ion Akkus LGLB1EU
Makita Akku 18 V / 1,5 Ah, Li-Ion RAL1
Makita Schnell-Ladegerät für 18 V Li-Ion Akkus
LGL1
Kunststoffkoffer KKESGM45NG KKESGM45NG
Zubehör
Bosch Akku 18 V / 5,0 Ah, Li-Ion RALB2EU
Makita Akku 18 V / 3,0 Ah, Li-Ion (54 Wh)
SPEZIALIST FÜR ARMIERTE KABEL + BAUSTAHL
Die ESGM45 ist dank dem geschlossenen und drehbarem Kopf der Spezialist für das Schneiden von Materialien wie ACSR-Seilen, Rundmaterialien (Cu, Al, St), sowie armiertem Kabel und massivem Baustahl. Auch feindrähtige und hochflexible Leitungen und Drahtseile bis zu 45 mm werden präzise geschnitten. Als besonderes Highlight besitzt das Werkzeug den innovativen Öffnungsmechanismus, welcher ein sichereres und schnelleres Arbeiten ermöglicht. Für den Fall, dass sich ein unerwünschter Gegenstand zwischen die Schneiden befindet, müssen Sie nur noch den Bedienknopf loslassen. Die beiden Schneidmesser fahren dann sofort wieder auseinander. Dieser Mechanismus hilft darüber hinaus dabei, dass das Werkzeug nach einem getätigten Schnitt schneller wieder einsetzbar ist.
RAL2
ESGM 452 Akkuhydraulisches Schneidwerkzeug Ø
45 mm


` Zum Schneiden von Al/St-Seilen (ACSR), Rundmaterialien (Cu, Al, St) sowie armierten Kabeln und massivem Baustahl.
` Alle Werkzeugdaten im Blick dank Display und Klauke Link® App
` Schneidmesser sind ohne Spezialwerkzeug über einen Schnappverschluss austauschbar
` Optimierter Schneidkopf
Eigenschaften
▪ Akku-System: Makita
▪ Einfaches Auslesen aller Daten mittels Bluetooth
▪ Geschlossener Kopf mit Klappverriegelung, aufklappbar, drehbar
▪ Einfach und sicher: Ein-Knopf-Bedienkonzept zur Steuerung aller Werkzeugfunktionen
▪ Ermüdungsfreies Arbeiten durch ausgewogene Schwerpunktlage
▪ LED zur Arbeitsraumbeleuchtung
▪ 2-Stufen-Hydraulik mit schnellem Vorlauf und Krafthub
▪ Einfach und sicher: Automatischer Rücklauf nach vollendetem Arbeitsgang
▪ Manueller Rücklaufstopp (MRS) für effizientes Arbeiten
geeignet für
▪ Cu- und Al-Kabel, Al/St-Seile (ACSR)
Technische Daten
Kopfform
Guillotine geschlossen
Schneidbereich max. Ø 45 mm
Schneidkraft 70 kN
Schneidzeit
8 s bis 10 s (abhängig von Materialdicke)
Akkuladezeit 15 min.
Gewicht mit Akku 4,6 kg
Umgebungstemperatur -10 °C bis +40 °C
Artikel
Akkuhydraulisches Schneidwerkzeug Ø 45 mm
Art-Nr.
ESGM452CFM
Akkuhydraulisches Schneidwerkzeug Ø 45 mm ESGM452CFM0000
Lieferumfang
Makita Akku 18 V / 1,5 Ah, Li-Ion
Makita Schnell-Ladegerät für 18 V Li-Ion Akkus
Kunststoffkoffer
Zubehör
Makita Akku 18 V / 3,0 Ah, Li-Ion (54 Wh)
Messer-Set
RAL1
LGL1
KKESGM45NG
RAL2
ESGM452ESET

` Hohe Schneidkraft zum Schneiden von Kupfer- und Aluminium-Kabeln mit Armierung sowie von Al/St-Seilen (ACSR)
` Auch geeignet für Rundmaterial aus Al, Cu und Stahl
` Extrem robuste Bauform bei geringem Eigengewicht
` Zeitersparnis bei Mehrfachschnitten durch innovativen Öffnungsmechanismus
` Alle Werkzeugdaten im Blick dank Display und Klauke Link® App
Eigenschaften
▪ Wählen Sie Ihr Akku-System: Bosch oder Makita
▪ Einfaches Auslesen aller Daten mittels Bluetooth
▪ Geschlossener Kopf mit Bolzenverriegelung, aufklappbar, drehbar
▪ Einfach und sicher: Ein-Knopf-Bedienkonzept zur Steuerung aller Werkzeugfunktionen
▪ Ermüdungsfreies Arbeiten durch ausgewogene Schwerpunktlage
▪ LED zur Arbeitsraumbeleuchtung
▪ 2-Stufen-Hydraulik mit schnellem Vorlauf und Krafthub
▪ Einfach und sicher: Automatischer Rücklauf nach vollendetem Arbeitsgang
▪ Manueller Rücklaufstopp (MRS) für effizientes Arbeiten
▪ Immer einsatzbereit dank Ladestand- und Serviceanzeige geeignet für
▪ armierte Cu- und Al-Kabel, Al/St Seile
Technische Daten Kopfform Guillotine geschlossen
Schneidbereich max. Ø 45 mm
Schneidkraft 70 kN
Schneidzeit 8 s bis 18 s (abhängig von Materialstärke)
Akkuladezeit 45 min.
Gewicht mit Akku 5,9 kg
Umgebungstemperatur -10 °C bis +40 °C
Artikel
Art-Nr. Bosch Art-Nr. Makita
Akkuhydraulisches Schneidwerkzeug Ø 45 mm ESG45CFB ESG45CFM
Lieferumfang
Bosch Akku 18 V / 5,0 Ah, Li-Ion RALB2EU
Bosch Ladegerät für 18 V Li-Ion Akkus LGLB1EU
Makita Akku 18 V / 3,0 Ah, Li-Ion (54 Wh) RAL2
Makita Schnell-Ladegerät für 18 V Li-Ion Akkus LGL1
Kunststoffkoffer KK120NG KK120NG
Zubehör
Inneres, bewegliches Messer ESG45ES1
Äußeres, feststehendes Messer ESG45EF
Bosch Akku 18 V / 5,0 Ah, Li-Ion RALB2EU
Makita Akku 18 V / 4,0 Ah, Li-Ion RAL40
ESG45grp ESM 50 Akkuhydraulisches Schneidwerkzeug Ø 50 mm für Kupfer- und Aluminiumkabel

` Hohe Schneidkraft zum Schneiden von Kupfer- und Aluminium-Kabeln (auch feindrähtig)
` Zeitersparnis bei Mehrfachschnitten durch innovativen Öffnungsmechanismus
` Alle Werkzeugdaten im Blick dank Display und Klauke Link® App
Eigenschaften
▪ Wählen Sie Ihr Akku-System: Bosch oder Makita
▪ Einfaches Auslesen aller Daten mittels Bluetooth
▪ Offener Kopf, drehbar
▪ Einfach und sicher: Ein-Knopf-Bedienkonzept zur Steuerung aller Werkzeugfunktionen
▪ Ermüdungsfreies Arbeiten durch ausgewogene Schwerpunktlage
▪ LED zur Arbeitsraumbeleuchtung
▪ 2-Stufen-Hydraulik mit schnellem Vorlauf und Krafthub
▪ Einfach und sicher: Automatischer Rücklauf nach vollendetem Arbeitsgang
▪ Manueller Rücklaufstopp (MRS) für effizientes Arbeiten
▪ Immer einsatzbereit dank Ladestand- und Serviceanzeige geeignet für
▪ Cu- und Al-Kabel (mehr- und feindrähtig)
Technische Daten
Kopfform
Schere offen
Schneidbereich max. Ø 50 mm
Schneidkraft 38 kN
Schneidzeit 8 s bis 10 s (abhängig von Materialstärke)
Akkuladezeit 15 min.
Gewicht mit Akku 3,0 kg
Umgebungstemperatur -10 °C bis +40 °C
Artikel
Art-Nr. Bosch Art-Nr. Makita
Akkuhydraulisches Schneidwerkzeug Ø 50 mm ESM50CFB ESM50CFM Lieferumfang
Bosch Akku 18 V / 2,0 Ah, Li-Ion RALB1EU
Bosch Ladegerät für 18 V Li-Ion Akkus LGLB1EU
Makita Akku 18 V / 1,5 Ah, Li-Ion RAL1
Makita Schnell-Ladegerät für 18 V Li-Ion Akkus LGL1
Kunststoffkoffer KKESGM45NG KKESGM45NG
Zubehör
Bosch Akku 18 V / 5,0 Ah, Li-Ion RALB2EU
Makita Akku 18 V / 3,0 Ah, Li-Ion (54 Wh) RAL2
EIN ECHTER ALLROUNDER !
Ein Werkzeug für (fast) alle Fälle! Sowohl mehr- als auch feindrähtige Kabel (auch armierte) werden zuverlässig geschnitten. So benötigen Sie nur noch ein Werkzeug für diverse Anwendungen. Dank der neuen Schneidgeometrie gehört auch das lästige Verklemmen von Litzen in den Schneidmessern der Vergangenheit an.

` Hohe Schneidkraft zum Schneiden von Kupfer- und Aluminium-Kabeln mit Armierung sowie von Al/St-Seilen (ACSR)
` Auch geeignet für Rundmaterial aus Al, Cu und Stahl
` 120 kN Schneidkraft für maximale Leistung
` Zeiterspanis bei Mehrfachschnitten durch innovativern Öffnungsmechanismus
` Alle Werkzeugdaten im Blick dank Display und Klauke Link® App
Eigenschaften
▪ Wählen Sie Ihr Akku-System: Bosch oder Makita
▪ Einfaches Auslesen aller Daten mittels Bluetooth
▪ Geschlossener Kopf mit Bolzenverriegelung, aufklappbar, drehbar
▪ Einfach und sicher: Ein-Knopf-Bedienkonzept zur Steuerung aller Werkzeugfunktionen
▪ Ermüdungsfreies Arbeiten durch ausgewogene Schwerpunktlage
▪ LED zur Arbeitsraumbeleuchtung
▪ 2-Stufen-Hydraulik mit schnellem Vorlauf und Krafthub
▪ Einfach und sicher: Automatischer Rücklauf nach vollendetem Arbeitsgang
▪ Manueller Rücklaufstopp (MRS) für effizientes Arbeiten
▪ Immer einsatzbereit dank Ladestand- und Serviceanzeige geeignet für
▪ armierte Cu- und Al-Kabel, Al/St Seile
Technische Daten
Kopfform Guillotine geschlossen
Schneidbereich max. Ø 55 mm
Schneidkraft 120 kN
Schneidzeit 10 s bis 19 s (abhängig von Materialstärke)
Akkuladezeit 45 min.
Gewicht mit Akku 8,2 kg
Umgebungstemperatur -10 °C bis +40 °C
Artikel
Art-Nr. Bosch Art-Nr. Makita
Akkuhydraulisches Schneidwerkzeug Ø 55 mm ESG55CFB ESG55CFM
Lieferumfang
Bosch Akku 18 V / 5,0 Ah, Li-Ion RALB2EU
Bosch Ladegerät für 18 V Li-Ion Akkus LGLB1EU
Makita Akku 18 V / 4,0 Ah, Li-Ion RAL40
Makita Schnell-Ladegerät für 18 V Li-Ion Akkus LGL1
Kunststoffkoffer KK120NG KK120NG
Zubehör
Inneres, bewegliches Messer ESG55ES
Äußeres, feststehendes Messer ESG55EF
Bosch Akku 18 V / 5,0 Ah, Li-Ion RALB2EU
Makita Akku 18 V / 4,0 Ah, Li-Ion RAL40

` Zum Schneiden von Kupfer- und Aluminium-Kabeln mit leichter Stahlarmierung (kabeltypabhängig)
` Auch geeignet für feindrähtige Kabel (kabeltypabhängig)
` Zeitersparnis bei Mehrfachschnitten durch innovativen Öffnungsmechanismus
` Alle Werkzeugdaten im Blick dank Display und Klauke Link® App
Eigenschaften
▪ Einfaches Auslesen aller Daten mittels Bluetooth
▪ Wählen Sie Ihr Akku-System: Bosch oder Makita
▪ Offener Kopf, drehbar
▪ Einfach und sicher: Ein-Knopf-Bedienkonzept zur Steuerung aller Werkzeugfunktionen
▪ Ermüdungsfreies Arbeiten durch ausgewogene Schwerpunktlage
▪ LED zur Arbeitsraumbeleuchtung
▪ 2-Stufen-Hydraulik mit schnellem Vorlauf und Krafthub
▪ Einfach und sicher: Automatischer Rücklauf nach vollendetem Arbeitsgang
▪ Manueller Rücklaufstopp (MRS) für effizientes Arbeiten
▪ Immer einsatzbereit dank Ladestand- und Serviceanzeige geeignet für
▪ Cu-/Al-Kabel
Technische Daten
Kopfform Schere offen
Schneidbereich max. Ø 65 mm
Schneidkraft 40 kN
Schneidzeit abhängig von der Materialstärke
Akkuladezeit 45 min.
Gewicht mit Akku 6,3 kg
Umgebungstemperatur -10 °C bis +40 °C
Artikel
Art-Nr. Bosch
Art-Nr. Makita
Akkuhydraulisches Schneidwerkzeug Ø 65 mm ES65CFB ES65CFM
Lieferumfang
Bosch Akku 18 V / 5,0 Ah, Li-Ion RALB2EU
Bosch Ladegerät für 18 V Li-Ion Akkus LGLB1EU
Makita Akku 18 V / 3,0 Ah, Li-Ion (54 Wh) RAL2
Makita Schnell-Ladegerät für 18 V Li-Ion Akkus LGL1
Kunststoffkoffer KK120NG KK120NG
Zubehör
Ersatzmesser ES65E
Bosch Akku 18 V / 5,0 Ah, Li-Ion RALB2EU
Makita Akku 18 V / 4,0 Ah, Li-Ion RAL40
Akkuhydraulische

Ø 85 mm
` Zum Schneiden von Kupfer- und Aluminium-Kabeln mit leichter Stahlarmierung (kabeltypabhängig)
` Zeitersparnis bei Mehrfachschnitten durch innovativen Öffnungsmechanismus
` Alle Werkzeugdaten im Blick dank Display und Klauke Link® App
Eigenschaften
▪ Wählen Sie Ihr Akku-System: Bosch oder Makita
▪ Einfaches Auslesen aller Daten mittels Bluetooth
▪ Großer Schneidbereich, optimale Kraftübertragung durch die geschlossene Kopfform
▪ Einfach und sicher: Ein-Knopf-Bedienkonzept zur Steuerung aller Werkzeugfunktionen
▪ LED zur Arbeitsraumbeleuchtung
▪ 2-Stufen-Hydraulik mit schnellem Vorlauf und Krafthub
▪ Einfach und sicher: Automatischer Rücklauf nach vollendetem Arbeitsgang
▪ Manueller Rücklaufstopp (MRS) für effizientes Arbeiten
▪ Immer einsatzbereit dank Ladestand- und Serviceanzeige
geeignet für
▪ leicht armierte Cu- und Al-Kabel
Technische Daten
Kopfform
Guillotine geschlossen
Schneidbereich max. Ø 85 mm
Schneidkraft 60 kN
Schneidzeit abhängig von der Materialstärke
Akkuladezeit 45 min.
Gewicht mit Akku 6,8 kg
Umgebungstemperatur -10 °C bis +40 °C
Artikel
Art-Nr. Bosch Art-Nr. Makita
Akkuhydraulisches Schneidwerkzeug Ø 85 mm ESG85CFB ESG85CFM
Lieferumfang
Bosch Akku 18 V / 5,0 Ah, Li-Ion RALB2EU
Bosch Ladegerät für 18 V Li-Ion Akkus LGLB1EU
Makita Akku 18 V / 4,0 Ah, Li-Ion RAL40
Makita Schnell-Ladegerät für 18 V Li-Ion Akkus LGL1
Kunststoffkoffer KK120NG KK120NG
Zubehör
Inneres, bewegliches Messer ESG85ES1
Äußeres, feststehendes Messer ESG85EF1
Bosch Akku 18 V / 5,0 Ah, Li-Ion RALB2EU
Makita Akku 18 V / 4,0 Ah, Li-Ion RAL40

` Zum Schneiden von Kupfer- und Aluminium-Kabeln mit leichter Stahlarmierung (kabeltypabhängig)
` Auch geeignet für feindrähtige Kabel (kabeltypabhängig)
` Zeitersparnis bei Mehrfachschnitten durch innovativen Öffnungsmechanismus
` Alle Werkzeugdaten im Blick dank Display und Klauke Link® App
Eigenschaften
▪ Wählen Sie Ihr Akku-System: Bosch oder Makita
▪ Einfaches Auslesen aller Daten mittels Bluetooth
▪ Offener Kopf, drehbar
▪ Einfach und sicher: Ein-Knopf-Bedienkonzept zur Steuerung aller Werkzeugfunktionen
▪ Ermüdungsfreies Arbeiten durch ausgewogene Schwerpunktlage
▪ LED zur Arbeitsraumbeleuchtung
▪ 2-Stufen-Hydraulik mit schnellem Vorlauf und Krafthub
▪ Einfach und sicher: Automatischer Rücklauf nach vollendetem Arbeitsgang
▪ Manueller Rücklaufstopp (MRS) für effizientes Arbeiten
▪ Immer einsatzbereit dank Ladestand- und Serviceanzeige geeignet für
▪ Cu- und Al-Kabel
Technische Daten
Kopfform Schere offen
Schneidbereich max. Ø 85 mm
Schneidkraft 30 kN
Schneidzeit abhängig von der Materialstärke
Akkuladezeit 45 min.
Gewicht mit Akku 7,2 kg
Umgebungstemperatur -10 °C bis +40 °C
Artikel
Art-Nr. Bosch
Art-Nr. Makita
Akkuhydraulisches Schneidwerkzeug Ø 85 mm ES85CFB ES85CFM
Lieferumfang
Bosch Akku 18 V / 5,0 Ah, Li-Ion RALB2EU
Bosch Ladegerät für 18 V Li-Ion Akkus LGLB1EU
Makita Akku 18 V / 4,0 Ah, Li-Ion RAL40
Makita Schnell-Ladegerät für 18 V Li-Ion Akkus LGL1
Kunststoffkoffer KK120NG KK120NG
Zubehör
Ersatzmesser
Bosch Akku 18 V / 5,0 Ah, Li-Ion RALB2EU
ES85E
Makita Akku 18 V / 4,0 Ah, Li-Ion RAL40
Akkuhydraulische Schneidwerkzeuge

` Zum Schneiden von Kupfer- und Aluminium-Kabeln mit Armierung
` 120 kN Schneidkraft für extrem großen Schneidbereich bis Ø 105 mm
` Außerordentlich geringes Gewicht für ein Werkzeug dieser Leistungsklasse
` Zeitersparnis bei Mehrfachschnitten durch innovativen Öffnungsmechanismus
` Alle Werkzeugdaten im Blick dank Display und Klauke Link® App
Eigenschaften
▪ Wählen Sie Ihr Akku-System: Bosch oder Makita
▪ Einfaches Auslesen aller Daten mittels Bluetooth
▪ Geschlossener Kopf mit Bolzenverriegelung, aufklappbar, drehbar
▪ Einfach und sicher: Ein-Knopf-Bedienkonzept zur Steuerung aller Werkzeugfunktionen
▪ Ermüdungsfreies Arbeiten durch ausgewogene Schwerpunktlage
▪ LED zur Arbeitsraumbeleuchtung
▪ 2-Stufen-Hydraulik mit schnellem Vorlauf und Krafthub
▪ Einfach und sicher: Automatischer Rücklauf nach vollendetem Arbeitsgang
▪ Manueller Rücklaufstopp (MRS) für effizientes Arbeiten
▪ Immer einsatzbereit dank Ladestand- und Serviceanzeige geeignet für
▪ leicht armierte Cu- und Al-Kabel
Technische Daten
Kopfform Guillotine geschlossen
Schneidbereich max. Ø 105 mm
Schneidkraft 120 kN
Schneidzeit abhängig vom Kabeltyp
Akkuladezeit 45 min.
Gewicht mit Akku 10,7 kg
Umgebungstemperatur -10 °C bis +40 °C
Artikel
Art-Nr. Bosch Art-Nr. Makita
Akkuhydraulisches Schneidwerkzeug Ø 105 mm ESG105CFB ESG105CFM
Lieferumfang
Bosch Akku 18 V / 5,0 Ah, Li-Ion RALB2EU
Bosch Ladegerät für 18 V Li-Ion Akkus LGLB1EU
Makita Akku 18 V / 4,0 Ah, Li-Ion RAL40
Makita Schnell-Ladegerät für 18 V Li-Ion Akkus LGL1
Kunststoffkoffer MK105NG MK105NG
Zubehör
Inneres, bewegliches Messer ESG105ES
Äußeres, feststehendes Messer ESG105EF
Bosch Akku 18 V / 5,0 Ah, Li-Ion RALB2EU
Makita Akku 18 V / 4,0 Ah, Li-Ion RAL40
ES 105 Akkuhydraulisches Schneidwerkzeug Ø 105 mm

` Zum Schneiden von Kupfer- und Aluminium-Kabeln mit leichter Stahlarmierung sowie feindrähtigen Leitern (kabeltypabhängig)
` Extrem großer Schneidbereich bis Ø 105 mm
` Zeitersparnis bei Mehrfachschnitten durch innovativen Öffnungsmechanismus
` Alle Werkzeugdaten im Blick dank Display und Klauke Link® App
Eigenschaften
▪ Wählen Sie Ihr Akku-System: Bosch oder Makita
▪ Einfaches Auslesen aller Daten mittels Bluetooth
▪ Offener Kopf, drehbar
▪ Einfach und sicher: Ein-Knopf-Bedienkonzept zur Steuerung aller Werkzeugfunktionen
▪ Ermüdungsfreies Arbeiten durch ausgewogene Schwerpunktlage
▪ LED zur Arbeitsraumbeleuchtung
▪ 2-Stufen-Hydraulik mit schnellem Vorlauf und Krafthub
▪ Einfach und sicher: Automatischer Rücklauf nach vollendetem Arbeitsgang
▪ Manueller Rücklaufstopp (MRS) für effizientes Arbeiten
▪ Immer einsatzbereit dank Ladestand- und Serviceanzeige geeignet für
▪ Cu- und Al-Kabel
Technische Daten
Kopfform Schere offen
Schneidbereich max. Ø 105 mm
Schneidkraft 74 kN
Schneidzeit abhängig vom Kabeltyp
Akkuladezeit 45 min.
Gewicht mit Akku 9,6 kg
Umgebungstemperatur -10 °C bis +40 °C
Artikel
Art-Nr. Bosch
Art-Nr. Makita
Akkuhydraulisches Schneidwerkzeug Ø 105 mm ES105CFB ES105CFM Lieferumfang
Bosch Akku 18 V / 5,0 Ah, Li-Ion RALB2EU
Bosch Ladegerät für 18 V Li-Ion Akkus LGLB1EU
Makita Akku 18 V / 4,0 Ah, Li-Ion RAL40
Makita Schnell-Ladegerät für 18 V Li-Ion Akkus LGL1
Kunststoffkoffer
Zubehör
MK105NG MK105NG
Ersatzmesser ES105E
Bosch Akku 18 V / 5,0 Ah, Li-Ion RALB2EU
Makita Akku 18 V / 4,0 Ah, Li-Ion RAL40

IMMER IN POSITION –2 STUFEN FÜR MEHR STÄRKE
Wir versprechen Ihnen: Unsere Schneidwerkzeuge sind stark. Die 2-Stufen-Hydraulik nutzt Ihre Kräfte voll und ganz aus, der automatische Rücklauf führt die Schneidmesser nach dem Schneiden in die Ausgangsposition zurück. Aus Aluminium gefertigt liegen sie leicht in der Hand. Wie gesagt: starkes Werkzeug!
` Lange komfortabel
Viele Schnitte hintereinander ermüden. Bei den handhydraulischen Schneidwerkzeugen sind Gehäuse und Pumphebel deshalb aus Aluminium gefertigt. Der Pumphebel liegt genau an der richtigen Stelle, damit für die Pumpbewegung nur wenig Platz benötigt wird – im Vergleich zu einem mechanischen Werkzeug. Arbeiten Sie besser mit dem Komfort von Klauke.
◾ Ermüdungsfreies Arbeiten durch ergonomisches Design und leichtes Gewicht
◾ Schneller arbeiten dank innovativer 2-Stufen-Hydraulik für schnellen Vorlauf und Krafthub bei Gegendruck
` Passt sich an
Alle handhydraulischen Schneidwerkzeuge haben 360°-drehbare Schneidköpfe. So arbeiten Sie auch in beengten Verhältnissen mit flexiblen Einstellungen.
◾ Drehbare Köpfe für Arbeiten in beengten Raumverhältnissen
◾ Extrem robuste Schneidköpfe Schneiden Handhydraulische Schneidwerkzeuge
` Sparen Sie sich den Rückweg
Ihre Kraft geht nur in eine Richtung: nach vorne. Nach beendetem Schneidevorgang fahren die Schneidmesser mit automatischem Rücklauf in die Grundstellung zurück. Sie sparen sich den Rückweg.
◾ Automatischer Rücklauf fährt die Schneidmesser nach dem Schneidvorgang zurück in die Ausgangsposition
◾ Mehr Sicherheit und kürzere Intervalle zwischen Schneidvorgängen
◾ Einsetzbar bis zu einem Durchmesser von 85 mm
◾ Schneidkraft bis zu 120 kN
◾ Bolzenverriegelung der Schneidmesser
HSG45grp
HSG 45 Handhydraulisches Schneidwerkzeug Ø 45 mm

` Zum Schneiden von Kupfer- und Aluminium-Kabeln mit Armierung sowie von Al/St-Seilen (ACSR)
` Auch geeignet für Rundmaterial aus Al, Cu und Stahl
` Extrem robuste Bauform
Eigenschaften
▪ Geschlossener Kopf mit Bolzenverriegelung, aufklappbar, im drucklosen Zustand 360° drehbar
▪ Geringes Gewicht durch hochwertiges Aluminiumgehäuse
▪ 2-Stufen-Hydraulik mit schnellem Vorlauf und Krafthub
▪ Automatischer Rücklauf nach vollendetem Arbeitsgang
Technische Daten
Schneidbereich max. Ø 45 mm
Schneidkraft 60 kN
Länge 560 mm
Gewicht 4,9 kg
Umgebungstemperatur -20 °C bis +40 °C
Artikel
Handhydraulisches Schneidwerkzeug Ø 45 mm
Lieferumfang
Art.-Nr.
HSG45
Art-Nr.
Stahlblechkasten MK50
Zubehör
Äußeres, feststehendes Messer
Inneres, bewegliches Messer
ESG45EF
ESG45ES1
HSG 85/2 Handhydraulisches Schneidwerkzeug Ø 85 mm
HSG852grp

` Zum Schneiden von Kupfer- und Aluminium-Kabeln mit leichter Stahlarmierung (kabeltypabhängig)
` Großer Schneidbereich
` Hohe Anwendersicherheit durch Schneidkopf mit Bolzenverriegelung
Eigenschaften
▪ Geschlossener Kopf mit Bolzenverriegelung, aufklappbar, im drucklosen Zustand 360° drehbar
▪ Geringes Gewicht durch hochwertiges Aluminiumgehäuse
▪ 2-Stufen-Hydraulik mit schnellem Vorlauf und Krafthub
▪ Automatischer Rücklauf nach vollendetem Arbeitsgang
Technische Daten
Schneidbereich max. Ø 85 mm
Schneidkraft 60 kN
Länge ca. 677 mm
Gewicht 5,9 kg
Umgebungstemperatur -20 °C bis +40 °C
Artikel
Handhydraulisches Schneidwerkzeug Ø 85 mm
Lieferumfang
Stahlblechkasten
Zubehör
Äußeres, feststehendes Messer
Inneres, bewegliches Messer
Art.-Nr.
HSG852
Art-Nr.
MK852
ESG85EF1
ESG85ES1
ERWEITERN SIE
IHREN
EINSATZ
Mit dem richtigen Schneidkopf kommen die Möglichkeiten. Machen Sie Ihre Pumpe bereit für jeden Arbeitseinsatz. Klauke Schneidköpfe sind mit den Klauke Systempumpen (ab S.484) flexibel kombinierbar und bieten Ihnen somit für jede Herausforderung eine individuelle Lösung.

` Besser abschneiden mit den richtigen Schneidköpfen.








* Diese Spalte beinhaltet auch Cu / Al mehrdrähtig und Cu / Al mit Blech- und Drahtarmierung. ** Die exakte Schneidleistung hängt vom jeweiligen Kabel- bzw. Seiltyp ab.
Zum Schneiden von Kommunikationsund Erdkabeln bis Ø 85 mm.
Sehr großer Schneidbereich bis Ø 105 mm – auch für armierte Kabel.
Auch für feindrähtige Kabel bis Ø
Extrem großer Schneidbereich bis
SDG45grp
Hydraulische Schneidköpfe SDG 45 Hydraulischer Schneidkopf Ø 45 mm

` Hohe Schneidkraft zum Schneiden von Kupfer- und Aluminium-Kabeln mit Armierung sowie von Al/St-Seilen (ACSR)
` Auch geeignet für Rundmaterial aus Al, Cu und Stahl
Eigenschaften
▪ Geschlossener Kopf mit Bolzenverriegelung, aufklappbar
▪ Kopf mit Schnellkupplung, 360° drehbar
▪ Zum Anschluss an hydraulische Pumpen mit 700 bar Betriebsdruck für optimale Ergebnisse
Technische Daten
Schneidbereich max. Ø 45 mm
Schneidkraft 60 kN
Betriebsdruck max. 700 bar
Länge 340 mm
Gewicht 3,8 kg
Artikel
Art.-Nr.
Hydraulischer Schneidkopf Ø 45 mm SDG45
Lieferumfang
Art-Nr.
Tragetasche TT2
Zubehör
Inneres, bewegliches Messer
ESG45ES1 Äußeres, feststehendes Messer ESG45EF
SDG55grp
SDG 55 Hydraulischer Schneidkopf Ø 55 mm

` Hohe Schneidkraft zum Schneiden von Kupfer- und Aluminium-Kabeln mit Armierung sowie von Al/St-Seilen (ACSR)
` Auch geeignet für Rundmaterial aus Al, Cu und Stahl
` 120 kN Schneidkraft für maximale Leistung
Eigenschaften
▪ Geschlossener Kopf mit Bolzenverriegelung, aufklappbar, im drucklosen Zustand 360° drehbar
▪ Zum Anschluss an hydraulische Pumpen mit 700 bar Betriebsdruck für optimale Ergebnisse
▪ Ergonomisches Handling durch Handgriff
Technische Daten
Schneidbereich
max. Ø 55 mm
Schneidkraft 120 kN
Betriebsdruck
Länge
max. 700 bar
380 mm
Gewicht 5,6 kg
Artikel
Art.-Nr.
Hydraulischer Schneidkopf Ø 55 mm SDG55
Lieferumfang
Art-Nr.
Tragetasche TT2
Zubehör
Inneres, bewegliches Messer
Äußeres, feststehendes Messer
ESG55ES
ESG55EF
SDK65grp
SDK 65 Hydraulischer Schneidkopf Ø 65 mm

` Zum Schneiden von Kupfer- und Aluminium-Kabeln mit leichter Stahlarmierung (kabeltypabhängig)
` Auch geeignet für feindrähtige Kabel (kabeltypabhängig)
` Sicheres Arbeiten aufgrund hoher Bodenstandfestigkeit durch Doppelgriff
` Verbesserte Schneideigenschaften durch neue Schneidgeometrie
Eigenschaften
▪ Offener Kopf mit Schnellkupplung, im drucklosen Zustand 360° drehbar
▪ Zum Anschluss an hydraulische Pumpen mit 700 bar Betriebsdruck für optimale Ergebnisse
Technische Daten
Schneidbereich max. Ø 65
Schneidkraft 42 kN
Betriebsdruck max. 700 bar
Länge
425 mm
Gewicht 4,7 kg
Artikel
Art.-Nr. Hydraulischer Schneidkopf Ø 65 mm SDK65
Lieferumfang
Art-Nr.
Tragetasche TT2
Zubehör
Ersatzmesser
ES65E

Ø 85 mm
` Zum Schneiden von Kupfer- und Aluminium-Kabeln mit leichter Stahlarmierung (kabeltypabhängig)
` Geeignet für feindrähtige Kabel und Telekommunikationskabel (kabeltypabhängig)
` Sicheres Arbeiten aufgrund hoher Bodenstandfestigkeit durch Doppelgriff ` Verbesserte Schneideigenschaften durch neue Schneidengeometrie
Eigenschaften
▪ Offener Kopf mit Schnellkupplung, im drucklosen Zustand 360° drehbar
▪ Zum Anschluss an hydraulische Pumpen mit 700 bar Betriebsdruck für optimale Ergebnisse
▪ Gleichmäßiger Schnitt durch Messerführung
Technische Daten
Schneidbereich max. Ø 85 mm
Schneidkraft 30 kN
Betriebsdruck max. 700 bar
Länge 450 mm
Gewicht 5,2 kg
Artikel
Art.-Nr.
Hydraulischer Schneidkopf Ø 85 mm SDK85
Lieferumfang
Art-Nr.
Tragetasche TT2
Zubehör
Ersatzmesser
ES85E
SDG105grp
SDG 105 Hydraulischer Schneidkopf Ø 105 mm
` Zum Schneiden von Kupfer- und Aluminium-Kabeln mit Armierung

` 120 kN Schneidkraft für extrem großen Schneidbereich bis Ø 105 mm
Eigenschaften
▪ Geschlossener Kopf mit Bolzenverriegelung, aufklappbar, im drucklosen Zustand 360° drehbar
▪ Kurze Bauform ermöglicht Schneiden auch bei beengten Platzverhältnissen
▪ Einfache Handhabung
▪ Zum Anschluss an hydraulische Pumpen mit 700 bar Betriebsdruck für optimale Ergebnisse
Technische Daten
Schneidbereich
max. Ø 104 mm
Schneidkraft 120 kN
Betriebsdruck
Länge
max. 700 bar
432 mm
Gewicht 7,7 kg
Artikel
Art.-Nr.
Hydraulischer Schneidkopf Ø 105 mm SDG105
Lieferumfang
Art-Nr.
Tragetasche TT2
Zubehör
Inneres, bewegliches Messer
Äußeres, feststehendes Messer
ESG105ES
ESG105EF
SDK105grp
SDK 105 Hydraulischer Schneidkopf Ø 105 mm

` Zum Schneiden von Kupfer- und Aluminium-Kabeln mit leichter Stahlarmierung (kabeltypabhängig)
` Extrem großer Schneidbereich bis Ø 105 mm, auch für feindrähtige Kabel (kabeltypabhängig)
` Sicheres Arbeiten aufgrund hoher Bodenstandfestigkeit durch Doppelgriff
Eigenschaften
▪ Offener Kopf mit Schnellkupplung, im drucklosen Zustand 360° drehbar
▪ Zum Anschluss an hydraulische Pumpen mit 700 bar Betriebsdruck für optimale Ergebnisse
▪ Hohe Bodenstandfestigkeit durch Doppelgriff
Technische Daten
Schneidbereich max. Ø 105 mm
Schneidkraft 74 kN
Betriebsdruck max. 700 bar
Länge 510 mm
Gewicht 7,7 kg
Artikel
Art.-Nr.
Hydraulischer Schneidkopf Ø 105 mm SDK105
Lieferumfang
Art-Nr.
Tragetasche TT4
Zubehör
Ersatzmesser
ES105E
SDK 120 Hydraulischer Schneidkopf Ø 120 mm

` Zum Schneiden von Kupfer- und Aluminium-Kabeln mit leichter Stahlarmierung (kabeltypabhängig)
` Extrem großer Schneidbereich bis Ø 120 mm, auch für feindrähtige Kabel (kabeltypabhängig)
` Außerordentlich leichte und kurze Bauform
` Sicheres Arbeiten aufgrund hoher Bodenstandfestigkeit durch Doppelgriff
Eigenschaften
▪ Offener Kopf mit Schnellkupplung, im drucklosen Zustand 360° drehbar
▪ Hohe Bodenstandfestigkeit durch Doppelgriff
▪ Zum Anschluss an hydraulische Pumpen mit 700 bar Betriebsdruck für optimale Ergebnisse
Technische Daten
Schneidbereich max. Ø 120 mm
Schneidkraft 55 kN
Betriebsdruck max. 700 bar
Länge 538 mm
Gewicht 8,7 kg
Artikel
Hydraulischer Schneidkopf Ø 120 mm
Lieferumfang
Art.-Nr.
SDK120
Art-Nr.
Tragetasche TT4
Zubehör
Ersatzmesser
Hydraulische Schneidwerkzeugsysteme
ES120E
AS105FHPgrp AS 105 FHP / AS 120 FHP Hydraul. Schneidwerkzeuge mit Fußpumpe Ø 105 und 120 mm

` Zum Schneiden von Kupfer- und Aluminium-Kabeln mit leichter Stahlarmierung (kabeltypabhängig)
` Geeignet für feindrähtige Kabel und Telekommunikationskabel
` Sicheres Arbeiten aufgrund hoher Bodenstandfestigkeit durch Doppelgriff
` Großer Schneidbereich auch für feindrähtige Kabel
Eigenschaften
▪ Fußpumpe mit Zweistufenhydraulik
▪ Offener Kopf mit Schnellkupplung, im drucklosen Zustand 360° drehbar
▪ Manueller Rücklauf bei Bedarf
▪ Hydraulikschlauch 2 m
Technische Daten
Schneidbereich
Schneidkraft
AS105FHP: max. 105 mm Ø, AS120FHP: max. 120 mm Ø
AS105FHP: 74 kN, AS120FHP: 55 kN
Betriebsdruck max. 700 bar
Gewicht
Artikel
AS105FHP: 19,7 kg, AS120FHP: 20,7 kg
Art.-Nr.
Hydraulisches Schneidwerkzeug mit Fußpumpe Ø 105 mm AS105FHP
Hydraulisches Schneidwerkzeug mit Fußpumpe Ø 120 mm AS120FHP
Lieferumfang
Art-Nr.
Hydraulikschlauch, 2 m HS22
Stahlblechkasten MKU
Zubehör
Ersatzmesser
Ersatzmesser
Hydraulikschlauch, 3 m
Hydraulikschlauch, 4 m
Hydraulikschlauch, 5 m
Hydraulikschlauch, 6 m
Hydraulikschlauch, 8 m
Hydraulikschlauch, 10 m
Art.-Nr.
ES105E
ES120E
HS23
HS24
HS25
HS26
HS28
HS210
5 PROFILE FÜR
SPEZIALSCHNEIDWERKZEUGE
Für anspruchsvolle Arbeiten im Anlagen- und Schaltschrankbau setzen wir Werkzeuge der Marke Greenlee ein. Kompakt gebaut bringen die hochwertigen Geräte alle Funktionen mit, die Sie brauchen.

` DIN-Profilschienen
Damit Sie beim Schneiden im Profil bleiben: DIN-Profilschienenschneider von Greenlee.
◾ Gratfreies Ablängen und Lochen aller gängigen DIN-Profile
◾ Handhebel mit optimaler Kraftübertragung
◾ Hochwertige Schneidemesser nahezu ohne Verschleiß
◾ Integrierte Befestigungslöcher erleichtern Montage an der Werkbank
◾ Einfaches Wechseln der Schnittplattenkassette
` Genau in der Spur: Verdrahtungskanalschneider
Alles passt genau, bereits ab der ersten Einstellung. Der Maßschieber erleichtert präzises Ablängen. Die Schneidemesser sind sicher abgedeckt. Sie schneiden halogenfreie Kabelkanäle bis 125 mm Breite genau da, wo Sie sollen. Hochwertige Materialien und beste Verarbeitung geben
` Schneid-Werte
Arbeiten Sie präzise mit unserem Verdrahtungskanalschneider.
◾ Für halogenfreie Kabelkanäle bis 125 mm Breite
◾ Wartungsfreie Mechanik
◾ Maßschieber erleichtert präzises Ablängen
◾ Hohe Bediensicherheit beim Arbeiten durch vollständig abgedecktes Schneidmesser
Sicherheit und Verlässlichkeit: Die Schneidmesser arbeiten nahezu verschleißfrei, die Schneidmechanik ist ganz wartungsfrei. Sie machen sich keine Gedanken um die Geräte. Volle Konzentration auf die Aufgabe.
Profilschienen-Schneidgeräte
50115413grp
DIN Profilschienen-Schneid- und Stanzgerät

` Zum gratfreien Ablängen und Lochen
` Geringer Kraftaufwand
` Beinhaltet Schnittplattenkassette mit 5 Profilen
geeignet für
▪ Stanzt vertikale und horizontale Montagelöcher 6,4 x 12,0 mm
▪ Mit Bohrungen für Werkbankmontage
Artikel
Art.-Nr.
DIN Profilschienen-Schneid- und Stanzgerät 50115413
52055684grp
Profilschienen-Schneidgerät Compact

` Zum gratfreien Ablängen
` Geringer Kraftaufwand
` Beinhaltet Schnittplattenkassette mit 2 Profilen
geeignet für
▪ Mit Bohrungen für Werkbankmontage
▪ Manuelle Betätigung
Artikel
Länge der Maßschiene mm
Länge des Handhebels mm Art.-Nr.
Profilschienen-Schneidgerät Compact 1000 850 52055684
Verdrahtungskanalschneider
50125700GRP
Verdrahtungskanalschneider

` Gratfreies Ablängen auch für halogenfreie Kabelkanäle ` 90° winkelgenaues Schneiden ` Verletzungsschutz bei Nichtgebrauch
Eigenschaften
▪ Einfache Werkbankmontage
▪ Wartungsfrei
▪ Schneidmechanik vollständig geschützt geeignet für
▪ Standard- und halogenfreie Kunststoffprofile mit 2,5 mm Wandstärke und bis zu einer Breite von 125 mm
Technische Daten
Schnittbreite 125 mm
Abmessungen 1460 x 250 x 990 mm
Gewicht 10,5 kg
Länge der Maßschiene 1000 mm
Länge des Handhebels 600 mm
Verdrahtungskanäle (Wandstärke) 2,5 mm
Artikel
Verdrahtungskanalschneider
Lieferumfang
Handhebel
Maßleiste
Art.-Nr.
50125701
Art-Nr.

KLAUKE WERKZEUGE FÜR
MAXIMALE SICHERHEIT
Integrierter Spannungsschutz bis 1000 V

Hydraulische Sicherheitswerkzeuge
Hydraulische Sicherheitswerkzeuge
Akkuhydraulische Press- und Schneidwerkzeuge
KLAUKE ORANGESICHERHEIT NEU DEFINIERT !
Weltweit einzigartig
Mitarbeiter und deren Gesundheit ist das höchste Gut, das wir haben. Deshalb hat Klauke die weltweit ersten akkuhydraulischen Schneid- und Crimpwerkzeuge mit integriertem Spannungsschutz bis 1.000 V entwickelt.
Ob Schaltschrankbauer oder Energieversorger – entscheiden Sie sich bei Arbeiten an potentiell spannungsführenden Leitungen für mehr Sicherheit: Klauke ORANGE.

VDE geprüft und zertifiziert bis 1000 V in Anlehnung an IEC 60900 und vollumfänglich zertifiziert nach IEC 62841-1
In Kürze
` Anliegende Spannung am Werkzeugkopf schlägt nicht zum Werkzeugkorpus durch
` Integrierter Abgleitschutz verhindert unbeabsichtigten Kontakt mit spannungsführenden Teilen
` Gehäuse in Signalorange zur einfachen Unterscheidung von Standard-Werkzeugen
Klauke ORANGE - Sicherheit. Neu definiert. https://www.youtube.com/watch?v=eZNVe5V7VD0


` Deutlich mehr Arbeitssicherheit
Die Arbeit im Niederspannungsbereich bis 1000V stellt eine Reihe von Herausforderungen dar: Nähe zu potentiell spannungsführenden Teilen, beengte Platzverhältnisse und Zeitdruck.
In einem solchen Arbeitsumfeld sind Sicherheit und die Verwendung der richtigen Schutzausrüstung unerlässlich. Mit Klauke ORANGE erhöhen wir deutlich die Sicherheit des Anwenders, wenn nicht klar ist, dass an potentiell spannungsführenden Teilen gearbeitet wird.


` Sicherheitsschneidgeräte
Mit der BG-geprüften Sicherheitsschneidanlage ASSG von Klauke lassen sich selbst im Fehlerfall unter Spannung stehende Cu/Al-Kabel mit einer Nennspannung bis 60 kV sicher schneiden. Der Schneidvorgang wird mit zwei leistungsstarken und ausdauernden 5 Ah-Lithium-IonenAkkus ausgeführt. Die Fernbedienung sorgt für erhöhten Komfort und für beste Kontrolle während des Schneidvorgangs. Mithilfe der an der ASSG-Pumpe befindlichen Schnellkupplung lassen sich die verschiedenen Schneidköpfe mit vormontiertem Hydraulikschlauch schnell und einfach anschließen.

Unbeabsichtigter Kontakt der Hände mit spannungsführenden Teilen wird durch normgerechten Abgleitschutz verhindert
` Sicher und komfortabel
Häufig können elektrische Anlagen nicht ab- oder freigeschaltet werden, sodass die Kabelbearbeitung unter Spannung durchgeführt werden muss. Unsere akkuhydraulischen
Orange Crimp- und Schneidwerkzeuge ermöglichen in diesem Bereich eine wesentliche Steigerung des Arbeitskomforts und -schutzes. Sie sind für sämtliche Einsatzbereiche im Niederspannungsbereich bis 1000 V geeignet: von der Installation von Muffen über die Arbeit an Freileitungen bis hin zu Montagen und Reparaturen an Straßenbeleuchtungs- oder Zähleranlagen.
Die bewährten Funktionen unserer Next Generation bleiben erhalten. Somit haben Sie alle Informationen auf einen Blick, dank des integrierten Displays. Zusätzlich verfügen die Werkzeuge der Orange Line über einen endlos drehbaren Werkzeugkopf.

Hydraulische Sicherheitswerkzeuge
VDE-Akkuhydraulische Presswerkzeuge
60/22 IS VDE-Akkuhydraulisches Presswerkzeug 6 - 300 mm²

` Gehäuse in Signalorange zur einfachen Unterscheidung von Standard-Werkzeugen
` Isoliert und VDE-Zertifiziert bis 1000V für erhöhte Sicherheit bei Arbeiten an potentiell unter Spannung stehenden Teilen
` Großer Pressbereich bis 300 mm²
` Alle Werkzeugdaten im Blick dank eingebautem Display
Eigenschaften
▪ Wählen Sie Ihr Akku-System: Bosch oder Makita
▪ Geschlossener Kopf mit Bolzenverriegelung, aufklappbar, 360° drehbar
▪ Qualitätssicherung mittels optischen und akustischen Signalen im Fehlerfall
▪ Einfach und sicher: Ein-Knopf-Bedienkonzept zur Steuerung aller Werkzeugfunktionen
▪ Ermüdungsfreies Arbeiten durch ausgewogene Schwerpunktlage
▪ LED zur Arbeitsraumbeleuchtung
▪ Einfach und sicher: Automatischer Rücklauf nach vollendetem Arbeitsgang
▪ Automatischer Rücklaufstopp (ARS) zur Positionssteuerung bei Mehrfachpressungen
▪ Immer einsatzbereit dank Ladestand- und Serviceanzeige
▪ Einfaches Auslesen aller Daten mittels Bluetooth
geeignet für
▪ Auswechselbare Einsätze der Serie 22, Schmalpressung
Technische Daten
Presskraft
60 kN
Hub 17,5 mm
Pressbereich 6 - 300 mm²
Presszeit 2 s (bei ARS) und 5 s (abhängig vom Pressquerschnitt)
Akkuladezeit 15 min.
Gewicht mit Akku 3,1 kg
Umgebungstemperatur -10 °C bis 40 °C
Artikel
Art-Nr. Bosch Art-Nr. Makita
VDE-Akkuhydraulisches Presswerkzeug 6 - 300 mm² EKM6022ISB EKM6022ISM
Lieferumfang
Bosch Akku 18 V / 2,0 Ah, Li-Ion RALB1EU
Bosch Ladegerät für 18 V Li-Ion Akkus LGLB1EU
Makita Akku 18 V / 1,5 Ah, Li-Ion RAL1
Makita Schnell-Ladegerät für 18 V Li-Ion-Akkus LGL1
Kunststoffkoffer KK50IS KK50IS
Zubehör
Bosch Akku 18 V / 5,0 Ah, Li-Ion RALB2EU
Makita Akku 18 V / 4,0 Ah, Li-Ion RAL40
Lieferbare Einsätze der Serie 22 für EKM 60/22 IS
Bitte beachten Sie bei der Verpressung von Verbindern die Einschränkungen im technischen Anhang!
geeignet für
Rohrkabelschuhe und Verbinder - Cu
Rohrkabelschuhe und Verbinder, Normalausführung, Rohrkabelschuhe für Schaltgeräteanschlüsse
Winkelrohrkabelschuhe, 90° abgewinkelt, Normalausführung
Isolierte Rohrkabelschuhe und Verbinder, Normalausführung, Isolierte Stiftkabelschuhe
Rohrkabelschuhe und Verbinder für feindrähtige Leiter
Rohrkabelschuhe und Verbinder für Massivleiter
Rohrkabelschuhe und Verbinder - Ni, VA
Presskabelschuhe und Verbinder nach DIN - Cu
Presskabelschuhe (DIN 46235) und Verbinder (DIN 46267, Teil 1) nach
Quetschkabelschuhe, Verbinder und Stiftkabelschuhe nach DIN - Cu
Quetschkabelschuhe (DIN 46234) und Stiftkabelschuhe (DIN 46230), Quetschverbinder (DIN 46341)
Quetschkabelschuhe und Stiftkabelschuhe
Hülsen für verdichtete Leiter und Sektorleiter - Cu
Runddrückeinsätze für Al- und Cu-Sektorleiter, 3- und 4-Leiter
Presskabelschuhe und Verbinder nach DIN - Al
Presskabelschuhe und Verbinder nach DIN - Al
Rohrkabelschuhe und Verbinder - Al/Cu
Aluminiumseite der Presskabelschuhe und Verbinder: Presseinsätze A22, Kupferseite der Presskabelschuhe und Verbinder: Presseinsätze D22
Verbindungsmaterial
Hydraulische Sicherheitswerkzeuge

` Gehäuse in Signalorange zur einfachen Unterscheidung von Standard-Werkzeugen
` Isoliert und VDE-Zertifiziert bis 1000 V für erhöhte Sicherheit bei Arbeiten an potentiell unter Spannung stehenden Teilen
` Extra großer Pressbereich aufgrund des innovativen 2-stufigen Teleskopzylinders
` Dornpressung - es ist kein Wechseln von Einsätzen erforderlich
` Alle Werkzeugdaten im Blick dank eingebautem Display
Eigenschaften
▪ Wählen Sie Ihr Akku-System: Bosch oder Makita
▪ Mit innovativem 2-stufigen Teleskopzylinder
▪ Geschlossener Kopf, aufklappbar, 360° drehbar
▪ Qualitätssicherung mittels optischen und akustischen Signalen im Fehlerfall
▪ Einfach und sicher: Ein-Knopf-Bedienkonzept zur Steuerung aller Werkzeugfunktionen
▪ Ermüdungsfreies Arbeiten durch ausgewogene Schwerpunktlage
▪ LED zur Arbeitsraumbeleuchtung
▪ Immer einsatzbereit dank Ladestand- und Serviceanzeige
▪ Einfaches Auslesen aller Daten mittels Bluetooth
geeignet für
▪ Sehr gut geeignet für verdichtete Leiter
▪ Speziell für feindrähtige Leiter nach EN 60228
Zusatzinformation
▪ ab 16 mm² zertifiziert
Technische Daten
Presskraft
geeignet für Verbindungsmaterial
Pressbereich mm²
Pressform
Rohrkabelschuhe und Verbinder - Cu
Rohrkabelschuhe und Verbinder Normalausführung, Rohrkabelschuhe für Schaltgeräteanschlüsse
Rohrkabelschuhe und Verbinder für feindrähtige Leiter
10 - 240
10 - 240
Quetschkabelschuhe, Verbinder und Stiftkabelschuhe nach DIN - Cu
Quetschkabelschuhe (DIN 46234) und Stiftkabelschuhe (DIN 46230) nach DIN - Cu, Quetschverbinder (DIN 46341) nach DIN - Cu
10 - 240
Presskabelschuhe und Verbinder nach DIN - Al
Presskabelschuhe und Verbinder nach DIN - Al 50 - 240
Presskabelschuhe und Verbinder - Al/Cu
Presskabelschuhe und Verbinder - Al/Cu 50 - 240
30 - 60 kN
Hub / Öffnungsweite 35,5 mm
Pressbereich
Presszeit
Cu: 10 - 240 mm², Al: 50 - 240 mm²
2 s (bei MRS+) bis 7 s (abhängig vom Pressquerschnitt)
Akkuladezeit 15 min.
Gewicht mit Akku 2,6 kg
Umgebungstemperatur -10 °C bis 40 °C
Artikel
Art-Nr. Bosch Art-Nr. Makita
VDE-Akkuhydraulisches Presswerkzeug 10 - 240 mm² EKM60IDISB EKM60IDISM
Lieferumfang
Bosch Akku 18 V / 2,0 Ah, Li-Ion RALB1EU
Bosch Ladegerät für 18 V Li-Ion Akkus
LGLB1EU
Makita Akku 18 V / 1,5 Ah, Li-Ion RAL1
Makita Schnell-Ladegerät für 18 V Li-Ion-Akkus LGL1
Kunststoffkoffer KK50IS KK50IS
Zubehör
Bosch Akku 18 V / 5,0 Ah, Li-Ion
Makita Akku 18 V / 4,0 Ah, Li-Ion
RALB2EU
RAL40
Hydraulische Sicherheitswerkzeuge
VDE-Akkuhydraulische Schneidwerkzeuge
ESM50IS ESM 50 IS VDE-Akkuhydraulisches Schneidwerkzeug Ø 50 mm für Kupfer- und Aluminiumkabel

` Gehäuse in Signalorange zur einfachen Unterscheidung von Standard-Werkzeugen
` Isoliert und VDE-Zertifiziert bis 1000V für erhöhte Sicherheit bei Arbeiten an potentiell unter Spannung stehenden Teilen
` Hohe Schneidkraft zum Schneiden von Kupfer- und Aluminium-Kabeln (auch feindrähtig)
` Zeitersparnis bei Mehrfachschnitten durch innovativen Öffnungsmechanismus
` Alle Werkzeugdaten im Blick dank eingebautem Display
Eigenschaften
▪ Wählen Sie Ihr Akku-System: Bosch oder Makita
▪ Offener Kopf, 360° drehbar
▪ Einfach und sicher: Ein-Knopf-Bedienkonzept zur Steuerung aller Werkzeugfunktionen
▪ Ermüdungsfreies Arbeiten durch ausgewogene Schwerpunktlage
▪ LED zur Arbeitsraumbeleuchtung
▪ 2-Stufen-Hydraulik mit schnellem Vorlauf und Krafthub
▪ Einfach und sicher: Automatischer Rücklauf nach vollendetem Arbeitsgang
▪ Manueller Rücklaufstopp (MRS) für effizientes Arbeiten
▪ Immer einsatzbereit dank Ladestand- und Serviceanzeige
▪ Einfaches Auslesen aller Daten mittels Bluetooth
geeignet für
▪ Cu- und Al-Leiter (mehr- und feindrähtig), auch armierte Leiter
Technische Daten
Kopfform Schere offen
Schneidbereich max. Ø 50 mm
Schneidkraft 38 kN
Schneidzeit 8 s bis 10 s (abhängig von Materialstärke)
Akkuladezeit 15 min.
Gewicht mit Akku 3,1 kg
Umgebungstemperatur -10 °C bis 40 °C
Artikel
Art-Nr. Bosch Art-Nr. Makita
VDE-Akkuhydraulisches Schneidwerkzeug Ø 50 mm ESM50ISB ESM50ISM
Lieferumfang
Bosch Akku 18 V / 2,0 Ah, Li-Ion RALB1EU
Bosch Ladegerät für 18 V Li-Ion Akkus LGLB1EU
Makita Akku 18 V / 1,5 Ah, Li-Ion RAL1
Makita Schnell-Ladegerät für 18 V Li-Ion-Akkus LGL1
Kunststoffkoffer KKESM50IS KKESM50IS
Zubehör
Bosch Akku 18 V / 5,0 Ah, Li-Ion RALB2EU
Makita Akku 18 V / 3,0 Ah, Li-Ion (54 Wh) RAL2
Hydraulische Sicherheitswerkzeuge
VDE-Akkuhydraulische Schneidwerkzeuge
ESM35IS ESM 35 IS VDE-Akkuhydraulisches Schneidwerkzeug Ø 35 mm für Kupfer- und Aluminiumkabel

` Gehäuse in Signalorange zur einfachen Unterscheidung von Standard-Werkzeugen
` Isoliert und VDE-Zertifiziert bis 1000V für erhöhte Sicherheit bei Arbeiten an potentiell unter Spannung stehenden Teilen
` Hohe Schneidkraft zum Schneiden von Kupfer- und Aluminium-Kabeln (auch feindrähtig)
` Alle Werkzeugdaten im Blick dank eingebautem Display
Eigenschaften
▪ Wählen Sie Ihr Akku-System: Bosch oder Makita
▪ Offener Kopf, 360° drehbar
▪ Einfach und sicher: Ein-Knopf-Bedienkonzept zur Steuerung aller Werkzeugfunktionen
▪ Ermüdungsfreies Arbeiten durch ausgewogene Schwerpunktlage
▪ LED zur Arbeitsraumbeleuchtung
▪ 2-Stufen-Hydraulik mit schnellem Vorlauf und Krafthub
▪ Einfach und sicher: Automatischer Rücklauf nach vollendetem Arbeitsgang
▪ Manueller Rücklaufstopp (MRS) für effizientes Arbeiten
▪ Immer einsatzbereit dank Ladestand- und Serviceanzeige
▪ Einfaches Auslesen aller Daten mittels Bluetooth geeignet für
▪ Cu- und Al-Leiter (mehr- und feindrähtig), auch armierte Leiter
Technische Daten
Kopfform
Schere offen
Schneidbereich max. Ø 35 mm
Schneidkraft 25 kN
Schneidzeit
4 s bis 6 s (abhängig von Materialstärke)
Akkuladezeit 15 min.
Gewicht mit Akku 2,9 kg
Umgebungstemperatur -10 °C bis 40 °C
Artikel
Art-Nr. Bosch Art-Nr. Makita
VDE-Akkuhydraulisches Schneidwerkzeug Ø 25 mm ESM35ISB ESM35ISM
Lieferumfang
Bosch Akku 18 V / 2,0 Ah, Li-Ion RALB1EU
Bosch Ladegerät für 18 V Li-Ion Akkus LGLB1EU
Makita Akku 18 V / 1,5 Ah, Li-Ion RAL1
Makita Schnell-Ladegerät für 18 V Li-Ion-Akkus LGL1
Kunststoffkoffer KKESM50IS KKESM50IS
Zubehör
Bosch Akku 18 V / 5,0 Ah, Li-Ion RALB2EU
Makita Akku 18 V / 3,0 Ah, Li-Ion (54 Wh) RAL2

` Gehäuse in Signalorange zur einfachen Unterscheidung von Standard-Werkzeugen
` Isoliert und VDE-Zertifiziert bis 1000V für erhöhte Sicherheit bei Arbeiten an potentiell unter Spannung stehenden Teilen
` Zum Schneiden von Al/St-Seilen (ACSR), Rundmaterialien (Cu, Al, St) sowie armierten Kabeln, massivem Baustahl, als auch Abspannseilen (stay wire)
` Extrem robuste Bauform bei geringem Eigengewicht
` Alle Werkzeugdaten im Blick dank eingebautem Display
Eigenschaften
▪ Wählen Sie Ihr Akku-System: Bosch oder Makita
▪ Offener Kopf, 360° drehbar
▪ Einfach und sicher: Ein-Knopf-Bedienkonzept zur Steuerung aller Werkzeugfunktionen
▪ Ermüdungsfreies Arbeiten durch ausgewogene Schwerpunktlage
▪ LED zur Arbeitsraumbeleuchtung
▪ 2-Stufen-Hydraulik mit schnellem Vorlauf und Krafthub
▪ Einfach und sicher: Automatischer Rücklauf nach vollendetem Arbeitsgang
▪ Manueller Rücklaufstopp (MRS) für effizientes Arbeiten
▪ Immer einsatzbereit dank Ladestand- und Serviceanzeige
▪ Einfaches Auslesen aller Daten mittels Bluetooth
geeignet für
▪ Freileitung (ACSR, Aldrey), Abspannseile und hochfeste Abspannseile
Technische Daten
Kopfform Schere offen
Schneidbereich bis 25 mm Ø Freileitung (ACSR, Aldrey), bis 16 mm Ø Abspannseile, bis 12 mm Ø Hochfeste Abspannseile
Schneidkraft 67 kN
Schneidzeit abhängig von Materialstärke
Akkuladezeit 15 min.
Gewicht mit Akku 2,9 kg
Umgebungstemperatur -10 °C bis 40 °C
Artikel
Art-Nr. Bosch Art-Nr. Makita
VDE-Akkuhydraulisches Schneidwerkzeug Ø 25 mm ESM25ISMB ESM25ISM
Lieferumfang
Bosch Akku 18 V / 2,0 Ah, Li-Ion RALB1EU
Bosch Ladegerät für 18 V Li-Ion Akkus LGLB1EU
Makita Akku 18 V / 1,5 Ah, Li-Ion RAL1
Makita Schnell-Ladegerät für 18 V Li-Ion-Akkus LGL1
Kunststoffkoffer KKESM50IS KKESM50IS
Zubehör
Bosch Akku 18 V / 5,0 Ah, Li-Ion RALB2EU
Makita Akku 18 V / 3,0 Ah, Li-Ion (54 Wh) RAL2
Ersatzmesser-Set ESM25ESET ESM25ESET
ESG45grp ES 20 IS VDE-Akkuhydraulisches Schneidwerkzeug
Ø 20 mm

` Gehäuse in Signalorange zur einfachen Unterscheidung von StandardWerkzeugen
` Isoliert und VDE-Zertifiziert bis 1000 V für erhöhte Sicherheit bei Arbeiten an potentiell unter Spannung stehenden Teilen
` Zum Schneiden von Al/St-Seilen (ACSR) nach DIN EN 50182, massive Al/CuKabel nach EN 60228 Klasse 1 und Cu-Lamellen-Schienen
` Extrem robuste Bauform bei geringem Eigengewicht
` Schlanker Schneidkopf - ideal bei kritischen Platzverhältnissen
` Alle Werkzeugdaten im Blick dank eingebautem Display
Eigenschaften
▪ Wählen Sie Ihr Akku-System: Bosch oder Makita
▪ Offener Kopf, drehbar
▪ Einfach und sicher: Ein-Knopf-Bedienkonzept zur Steuerung aller Werkzeugfunktionen
▪ Ermüdungsfreies Arbeiten durch ausgewogene Schwerpunktlage
▪ LED zur Arbeitsraumbeleuchtung
▪ Einfach und sicher: Automatischer Rücklauf nach vollendetem Arbeitsgang
▪ Manueller Rücklaufstopp (MRS) für effizientes Arbeiten
▪ Immer einsatzbereit dank Ladestand- und Serviceanzeige
▪ Einfaches Auslesen aller Daten mittels Bluetooth geeignet für
▪ Al/St-Seile (ACSR)
Technische Daten
Kopfform
Schere offen
Schneidbereich max. Ø 18 mm (abhängig vom Kabel- / Seiltyp)
Schneidkraft 23 kN
Schneidzeit 2 s bis 4 s (abhängig von Kabelgröße)
Akkuladezeit 15 min.
Gewicht mit Akku 2,1 kg
Umgebungstemperatur -10 °C bis 40 °C
Artikel
Art-Nr. Bosch Art-Nr. Makita
VDE-Akkuhydraulisches Schneidwerkzeug Ø 25 mm ES20ISB ES20ISM
Lieferumfang
Bosch Akku 18 V / 2,0 Ah, Li-Ion RALB1EU
Bosch Ladegerät für 18 V Li-Ion Akkus LGLB1EU
Makita Akku 18 V / 1,5 Ah, Li-Ion RAL1
Makita Schnell-Ladegerät für 18 V Li-Ion-Akkus LGL1
Kunststoffkoffer KK50IS KK50IS
Zubehör
Bosch Akku 18 V / 5,0 Ah, Li-Ion
RALB2EU
Makita Akku 18 V / 3,0 Ah, Li-Ion (54 Wh) RAL2
Ersatzmesser
ES20E ES20E

` Gehäuse in Signalorange zur einfachen Unterscheidung von StandardWerkzeugen
` Isoliert und VDE-Zertifiziert bis 1000 V für erhöhte Sicherheit bei Arbeiten an potentiell unter Spannung stehenden Teilen
` Schlanker Schneidkopf - ideal bei kritischen Platzverhältnissen
` Alle Werkzeugdaten im Blick dank eingebautem Display
Eigenschaften
▪ Wählen Sie Ihr Akku-System: Bosch oder Makita
▪ Offener Kopf, drehbar
▪ Einfach und sicher: Ein-Knopf-Bedienkonzept zur Steuerung aller Werkzeugfunktionen
▪ Ermüdungsfreies Arbeiten durch ausgewogene Schwerpunktlage
▪ LED zur Arbeitsraumbeleuchtung
▪ Einfach und sicher: Automatischer Rücklauf nach vollendetem Arbeitsgang
▪ Manueller Rücklaufstopp (MRS) für effizientes Arbeiten
▪ Immer einsatzbereit dank Ladestand- und Serviceanzeige
▪ Einfaches Auslesen aller Daten mittels Bluetooth geeignet für
▪ Mehrdrähtige Cu- und Al-Kabel
Technische Daten
Kopfform
Schere offen
Schneidbereich max. Ø 32 mm (abhängig vom Kabel- / Seiltyp)
Schneidkraft 15 kN
Schneidzeit 8 s bis 10 s (abhängig von Materialstärke)
Akkuladezeit 15 min.
Gewicht mit Akku 2,0 kg
Umgebungstemperatur -10 °C bis 40 °C
Artikel
Art-Nr. Bosch Art-Nr. Makita VDE-Akkuhydraulisches Schneidwerkzeug Ø 32 mm ES32ISB ES32ISM
Lieferumfang
Bosch Akku 18 V / 2,0 Ah, Li-Ion RALB1EU
Bosch Ladegerät für 18 V Li-Ion Akkus LGLB1EU
Makita Akku 18 V / 1,5 Ah, Li-Ion RAL1
Makita Schnell-Ladegerät für 18 V Li-Ion-Akkus LGL1
Kunststoffkoffer KK50NG KK50NG
Zubehör
Bosch Akku 18 V / 5,0 Ah, Li-Ion RALB2EU
Makita Akku 18 V / 3,0 Ah, Li-Ion (54 Wh) RAL2
Ersatzmesser ES32E ES32E
Hydraulische Sicherheitswerkzeuge
SSG65_GRP05
SSG
Hydraul. Sicherheitsschneidgeräte mit Fußpumpe bis max. 105 mm Ø

` Sicherheitsschneidgeräte zum Schneiden von im Fehlerfall unter Spannung stehenden Cu/Al-Kabeln ohne Stahlarmierung mit Nennspannung bis 60 kV ` Einleiterkabel ohne Stahlarmierung können bis 110 kV/60Hz gefahrlos unter Spannung geschnitten werden
Eigenschaften
▪ Zweistufenhydraulik
▪ Manueller Rücklauf bei Bedarf
▪ Der Schneidkopf wird generell inklusive Sicherheits-Hydraulikschlauch (10 m) ausgeliefert
Technische Daten SSGG85 SSG105 SSGG105
Kopfform geschlossen offen geschlossen
Schneidbereich max. Ø 85 mm (abhängig vom Kabeltyp) max. Ø 105 mm (abhängig vom Kabeltyp) max. Ø 105 mm (abhängig vom Kabeltyp)
Betriebsdruck 625 bar 625 bar 625 bar
Hydrauliköl Spezialöl Rivolta S.B.H.11
Spezialöl Rivolta S.B.H.11
Spezialöl Rivolta S.B.H.11
Gewicht 16,0 kg 19,0 kg 19,0 kg
Umgebungstemperatur -20 °C bis +40 °C
Artikel
Art.-Nr.
Hydraulisches Sicherheitsschneidgerät mit Fußpumpe max. 85 mm Ø SSGG85
Hydraulisches Sicherheitsschneidgerät mit Fußpumpe max. 105 mm Ø SSG105
Hydraulisches Sicherheitsschneidgerät mit Fußpumpe max. 105 mm Ø SSGG105
Lieferumfang
Erdungsgarnitur
Art-Nr.
EG1
Stahlblechkasten MKSSG
Zubehör
Art.-Nr.
Hitzeschutzdecke 1,80 m x 1,80 m HSD1
Hitzeschutzdecke 1,20 m x 0,90 m HSD2
Ersatzmesser für
ES105E
ESG85EF1
ESG85ES1
ESG105EF
ESG105ES
Ersatzschneidkopf
SSKG105
ESSG65l/85L/105Lgrp ESSG Akkuhydraul. Sicherheitsschneidgeräte bis max. 105 mm Ø

` Sicherheitsschneidgerät zum Schneiden von im Fehlerfall unter Spannung stehenden Cu/Al Kabeln ohne Stahlarmierung mit Nennspannung bis 60 kV
` Einleiterkabel ohne Stahlarmierung können bis 110 kV/60 Hz gefahrlos unter Spannung geschnitten werden
` Leistungsstarker 5,0 Ah Li-Ion Akku
Eigenschaften
▪ 2-Stufen-Hydraulik mit schnellem Vorlauf und Krafthub
▪ Elektronische Steuerung
▪ Multifunktions-LED zur Wartungsanzeige sowie Ladezustandsanzeige des Akkus
▪ LED Anzeige für Serviceintervalle nach 250 Schnitten
▪ Der Schneidkopf wird generell inklusive Sicherheits-Hydraulikschlauch (10 m) ausgeliefert
Technische Daten ESSGG85L
ESSG105L
Kopfform geschlossen offen
Schneidbereich max. Ø 85 mm (abh.vom Kabeltyp) max. Ø 105 mm (abh.vom Kabeltyp)
Schneidkraft 60 kN 80 kN
Schneidzeit ca. 21 - 40 s ca. 21 - 40 s
Betriebsdruck 625 bar 625 bar
Akkuspannung 18 V 18 V
Akkukapazität 5,0 Ah, Li-Ion 5,0 Ah, Li-Ion
Akkuladezeit 60 min. 60 min.
Hydrauliköl Spezialöl Rivolta S.B.H.11 Spezialöl Rivolta S.B.H.11
Gewicht 9,98 kg 13,13 kg
Umgebungstemperatur -20 °C bis +40 °C -20 °C bis +40 °C
Artikel
Art.-Nr.
Akkuhydraulisches Sicherheitsschneidgerät max. 85 mm Ø ESSGG85L
Akkuhydraulisches Sicherheitsschneidgerät max. 105 mm Ø ESSG105L
Lieferumfang
Art-Nr.
Klauke Akku 18 V / 5,0 Ah, Li-Ion RALK1850 Klauke Ladegerät für 18 V Li-Ion-Akkus LGLK18EU
Kunststoffkoffer inklusive Trolley für ESSG65L und ESSG105L KKESSGL
Kunststoffkoffer inklusive Trolley für ESSGG85L KKESSGG85L Erdungsgarnitur EG1
Zubehör
Art.-Nr.
Hitzeschutzdecke 1,80 m x 1,80 m HSD1
Hitzeschutzdecke 1,20 m x 0,90 m HSD2
Ersatzmesser für ESSGG85L ESSG105L
ES105E •
ESG85EF1
Ersatzschneidkopf SSGG85 SSG105
SSKG85
SSK105
Hydraulische Sicherheitswerkzeuge
Sicherheitsschneidgeräte
Akkuhydraulische Sicherheitsschneidgeräte bis max. Ø 135 mm

` DGUV-geprüftes Sicherheitsschneidgerät zum Schneiden von im Fehlerfall unter Spannung stehenden Cu/Al Kabeln ohne Stahlarmierung mit Nennspannung bis 60 kV
` Einleiterkabel ohne Stahlarmierung können bis 110 kV/60 Hz gefahrlos unter Spannung geschnitten werden
` Sehr große Öffnungsweite bis 120 mm
` Sicheres und schnelles Arbeiten durch Nutzung mit Fernbedienung und 10m langen Sicherheitshydraulikschlauch
Eigenschaften
▪ 2-Stufen-Hydraulik mit schnellem Vorlauf und Krafthub
▪ Motorschnellstopp für hohe Anwendersicherheit
▪ Elektronische Steuerung
▪ DGUV-geprüft
▪ 360° drehbarer Anschluss wie auch Schneidkopf
▪ Mit nichtleitendem Öl gefüllte Akkupumpe
▪ Fernbedienung für erhöhten Komfort und Sicherheit
▪ Zwei leistungsstarke 5 Ah, 18 V Lithium-Ionen-Akkus (ein Akku dient immer als Ersatz)
▪ Robustes Gehäuse aus stoßfestem, glasfaserverstärkten Polyamid
▪ Der Schneidkopf wird generell inklusive Sicherheits-Hydraulikschlauch (10 m) ausgeliefert
▪ Multifunktions-Anzeige zur Druckprüfung, Stromaufnahme und Serviceintervall
Zusatzinformationen
▪ Komplettsystem, verfügbar in unterschiedlichen Varianten abhängig vom Schneidkopf
Technische Daten ASSGG85L ASSG105L ASSGG105L ASSG120SL ASSGG135L Kopfform geschlossen offen geschlossen offen geschlossen
Schneidbereich
Betriebsdruck
Akkuspannung 18 V 18 V 18 V 18 V 18 V
Akkukapazität 2 x 5 Ah Li-Ion 2 x 5 Ah Li-Ion 2 x 5 Ah Li-Ion 2 x 5 Ah Li-Ion
Akkuladezeit
Max. Ölvolumen
Hydrauliköl Shell Naturelle HF-E 15 Shell Naturelle HF-E 15 Shell Naturelle HF-E 15
Gewicht mit Akku 2 Akkus ca. 6,4 kg 2 Akkus ca. 6,4
Umgebungstemp.
Abmessung 330 x 160 x 280 mm
Artikel Art.-Nr.
Akkuhydraulisches Sicherheitsschneidgerät max. Ø 85 mm ASSGG85L
Akkuhydraulisches Sicherheitsschneidgerät max. Ø 105 mm
Akkuhydraulisches Sicherheitsschneidgerät max. Ø 105 mm
ASSG105L
ASSGG105L
Akkuhydraulisches Sicherheitsschneidgerät max. Ø 120 mm ASSG120SL
Akkuhydraulisches Sicherheitsschneidgerät max. Ø 135 mm ASSG135SL
Lieferumfang
Art-Nr. Menge
Makita Akku 18 V / 5,0 Ah, Li-Ionen (90 Wh) RAL4 2
Makita Schnell-Ladegerät für 18 V Li-Ion Akkus
Erdungsgarnitur
Tragegurt mit Schulterpolster
1
1
1
Fernbedienung mit 1,5 m Kabel HTA4 1
Kunststoffkoffer inklusive Trolley KKASSGL 1
Zusätzl. Kunststoffkoffer inklusive Trolley für ASSG105L und ASSG120SL KKSSK120S 1

SCHNELL UND SAUBER.
Greenlee Werkzeuge zum Lochen und Stanzeneinfach genau richtig für akkurates Arbeiten. Sicher in der Anwendung führen sie schnell zu einem gratfreien Ergebnis.

Lochen / Stanzen
Rund-
PATENTIERT SAUBERE LÖSUNG –
RUND- UND FORMLOCHER
Geschwindigkeit und Innovation zeichnen unsere Produkte der Marke Greenlee aus. Mit Speed Punch und Slug Splitter arbeiten Sie bei jeder Anwendung schnell und präzise. Unser Einsatz für Ihre Arbeit.

In
Kürze
` Hohe Standzeit
` Für Aluminium und Stahl bis 3,5 mm Dicke
` Gewindeloses Profil für schnelles Wechseln
` Kein Verklemmen von Stanzresten
` Keine Wartung des Gewindes
` Schneller Lochen mit Speed Punch
Wir lassen Sie schneller werden. Zeitsparend arbeiten geht mit dem Speed-Punch-Profil ganz leicht. Das gewindelose Stempelprofil wechseln Sie über eine Klammertechnik schnell aus – kein Auf- und Abschrauben der Kontermutter mehr notwendig! Das heißt auch: Wartung und Pflege des Gewindes entfallen. Lochen geht so bis zu dreimal schneller als bisher.
◾ Schnelllochsystem: bis zu 3 x schnelleres Lochen
` Slug Splitter: automatisch saubere Stanzen
Wir machen es Ihnen leicht. Der Slug Splitter teilt Stanzabfälle. Sie können sich ganz auf das Lochen von Edelstahl konzentrieren, ohne Verzögerungen durch aufwendiges entfernen von Stanzresten.
◾ Teilt die Stanzen in zwei Teile für direkte Entfernung der Stanzreste
◾ Höchste Lebensdauer durch hochwertigen Werkzeugstahl
◾ Slug-Splitter: Einsetzbar mit jeder Greenlee-Stanzhydraulik

◾ Für Aluminium und Stahl bis zu 3,5 mm Dicke
◾ Innovative Klammertechnik
◾ Kein Auf- und Abschrauben der Kontermutter mehr erforderlich
◾ Keine Pflege und Wartung des Gewindes mehr notwendig
Video Speed Punch: youtube.com/watch?v=0LJ7mHEgeow

` Quadratlocher: Lochen in Sonderform
Displays und Anzeigenelemente benötigen die passende Ausstanzung in quadratischer Form. Die besonderen Schneidstempel von Greenlee stanzen Edelstahl und Normalstahl gratfrei. Hochwertiger Werkzeugstahl entspricht Ihren Ansprüchen – in bewährter Qualität von Greenlee.
◾ Für Stahlblech (St37), Kunststoff und Aluminium bis 3,0 mm und V2A-Edelstahl bis 1,5 mm
◾ Gratfreies Stanzen von Ausschnitten für Displays und Anzeigen
◾ Hochwertiger Werkzeugstahl



Effektivmaß Norm-Größe



geeignet für
▪ Stahlblech (St37), Kunststoff und Aluminium bis zu 3,5 mm
Betätigung
▪ Manuell / hydraulisch
Vorbohren
▪ Zugschraube Ø 9,5 mm, Vorbohrer Ø 9,7 mm 50360183 Zugschraube Ø 11,1mm, Vorbohrer Ø 12,7mm 50344102
Zugschraube Ø 19,0 mm, Vorbohrer Ø 20,5 mm 50344030
Lieferumfang
▪ Komplettsystem bestehend aus Stempel, Matrize und Zugschraube für manuelle Betätigung
Zusatzinformationen
▪ * 52085634 nur für 22,5 mm / Pg 16, 2,5 mm Stahlblech und 2 mm V2A


Zugschraube mit Kugellager Kugellagermutter Reduzierbuchse


Handhydraulik 7804E, 7904E Akkuhydraulik LS 50 FLEX

hydr. Pumpe 52084920, 52084941 LS100 FLEX
` Geringer Kraftaufwand durch Kugellagerschraube 15,2


Adapterhülsen 9,5/ 19,0 für 51300430 Art.-Nr.










Lochen / Stanzen
Rund- und Formlocher
Slug Buster® Spalt Blechlocher
50067273grp
Slug-Buster® Spalt-Blechlocher-Systeme

` Für schnelles, sauberes, müheloses und gradfreies Lochen ` Stanzabfall-Stücke werden gespalten und können leicht entfernt werden
geeignet für
▪ Stahlblech (St37), Kunststoff und Aluminium bis zu 3,5 mm
Betätigung
▪ Manuell / hydraulisch
Vorbohren
▪ Zugschraube Ø 9,5 mm, Vorbohrer Ø 9,7 mm 50360183
Zugschraube Ø 11,1mm, Vorbohrer Ø 12,7mm 50344102
Zugschraube Ø 19,0 mm, Vorbohrer Ø 20,5 mm 50344030
Lieferumfang
▪ Komplettsystem bestehend aus Stempel, Matrize und Zugschraube für manuelle Betätigung
Zusatzinformationen
▪ * 52085633 nur für 22,5mm / Pg16, 2,5mm Stahlblech und 2mm V2A ** 50339672 Adapter 9,5mm /19mm für Zugbolzen 51300430






50069519grp
Slug-Splitter® Spalt Blechlocher für Edelstahl Slug-Splitter® Spalt-Blechlocher-System (Edelstahl)

Effektivmaß Normgröße
15,2 Pg 9 2,5
16 2,5
` Spezielle Legierung für höchste Lebensdauer ` Stanzabfallstücke werden gespalten und können leicht entsorgt werden
geeignet für
▪ Edelstahl (V2A), Stahlblech (St37), Kunststoff und Aluminium bis zu 3,5 mm Stärke
Betätigung
▪ Hydraulisch
Vorbohren
▪ Zugschraube Ø 11,1 mm, Vorbohrer Ø 12,7 mm 50344102 Zugschraube Ø 19,0 mm, Vorbohrer Ø 20,5 mm 50344030
Lieferumfang
▪ Komplettsystem bestehend aus Stempel und Matrize Zusatzinformationen
▪ * = Slug Splitter SC® - selbstzentrierend





Spalt-Blechlocher-System

` Innovatives gewindeloses Stempelprofil ` Einfachste und schnellste Handhabung, da kein Auf- und Abschrauben der Kontermutter erforderlich ist
geeignet für
▪ Stahlblech (St37), Kunststoff und Aluminium bis zu 3,5 mm
Betätigung
▪ Hydraulisch
Vorbohren
▪ Zugbolzen Ø 9,5 mm; Vorbohrer Ø 9,7 mm Zugbolzen Ø 19,0 mm; Vorbohrer Ø 20,5 mm
Lieferumfang
▪ Komplettsystem bestehend aus Stempel und Matrize
Zusatzinformationen
▪ Klammer und Zugbolzen müssen separat bestellt werden, diese sind nicht im Lieferumfang enthalten
▪ Zugbolzen für LS100Flex, manuelle Hydraulik 1725 und 767
Speed Punch™ Zugbolzen 19 mm zu 9,5 mm für ISO 16/20/25 und PG16
Art.-Nr. 52066000
Speed Punch™ Zugbolzen 19 mm für ISO 16/20/25 und PG16 Art.-Nr. 52058897




im Lieferumfang) (nicht im Lieferumfang)

Zugschrauben für Blechlocher mit manueller Betätigung
` hoher Abnutzungswiderstand
Bestellinfo
▪ Zur Erhöhung der Standzeiten empfehlen wir das Einfetten der Zugschrauben mit der Greenlee Montagepaste Nr. 50115472
▪ Maßangaben in Durchmesser x Länge
▪ Toleranzabweichungen sind vorbehalten








Maße Art.-Nr
Maße
Maße
Lochen / Stanzen
Rund- und Formlocher
Zugbolzen für Blechlocher mit hydraulischer Betätigung
Bestellinfo
▪ Zur Erhöhung der Standzeiten empfehlen wir das Einfetten der Zugschrauben mit der Greenlee Montagepaste Nr. 50115472
▪ Maßangaben in Durchmesser x Länge
▪ Toleranzabweichungen sind vorbehalten
▪ Zugbolzen lang, zur Verwendung für LS100Flex, 767 und 1725 Hydraulik (746A Stanzkopf)
▪ Zugbolzen kurz, zur Verwendung für LS50Flex und Quick Draw Hydraulik



Maße Art.-Nr 9.5 x 71 mm 51300430


Maße Art.-Nr 11,1 mm x 19 mm, 108 mm (kurz) 52085690 11,1 mm x 19 mm, 127mm (lang) 52085689


Maße Art.-Nr Adapter 19 mm auf 28,6 mm 50031708


Maße Art.-Nr
19 x 122 mm (kurz) 52085691
19 x 143 mm (lang) 52085692
Maße Art.-Nr 19 x 140 mm für Slug Splitter ® 50294520

Maße Art.-Nr 11,1 x 108 mm für Slug Splitter ® 50294512
Maße Art.-Nr 19 x 28,6 x 143 mm (lang) 52085693 19 x 28,6 x 124mm (kurz)
Adapter
52093902

Maße Art.-Nr 19 x 48 mm (Innen 9,5 mm)
50601679
50339672 19 x 48 mm (Innen 12,7 mm)

Maße Art.-Nr 9,5 mm x 19 mm, 122 mm 52042827
50600257grp
Spezialformlocher Rechtecklocher

Lochergröße A x B max. Materialstärke

geeignet für
▪ Stahlblech (St37), Kunststoff und Aluminium bis 3,0 mm und V2A 1,5 mm
▪ Das Stanzen von gratfreien Durchbrüchen
Betätigung
▪ Manuell / hydraulisch
Vorbohren
▪ Ø 9,7 mm Vorbohrer 50360183
Ø 12,7 mm Vorbohrer 50344102
Ø 15,9 mm Vorbohrer 50344030
Ø 30,2 mm Vorbohrer 50364146
Lieferumfang
▪ Komplettsystem bestehend aus Stempel, Matrize, Zugschraube, Kontermutter und Kugellagermutter
Zusatzinformationen
▪ * = Nur für den Gebrauch mit den Hydraulikstanzen 52084920, 52084941, LS50FLEX
▪ ** = Nur für den Gebrauch mit den Hydraulikstanzen 52084920, 52084941, LS50FLEX
Einzelteile für manuellen Betrieb Adapter f. Hydr. Stanze Aufnahmeloch-Ø Komplettlocher


x 42,0 2,0
x 66,7 3,0 Hydr, 52046100
35,0 x 52,0 3,0 Hydr, 52046100
35,0 x 65,0 3,0 Hydr, 52046100
35,0 x 82,0 2,0 Hydr,* 52046100
35,0 x 112,0 2,0 Hydr,* 52046100
46,0 x 92,0 3,0 Hydr,* 52046100
57,2 x 88,9 3,0 Hydr,* 52046100
68,0 x138,0 2,0 Hydr,** 52046100
Rund- und Formlocher
50600010grp
Quadratlocher

Lochergröße A x B max. Materialstärke

x 22,4 2,0
x 24,0 2,0
x
50184369
52020113
x 46,0 3,0 Hydr, 52046100
68,0 x 68,0 3,0 Hydr, 52046100
92,0 x 92,0 3,0 Hydr,* 52046100
x 104,8 2,0 Hydr,* 52046100
x 138,0 2,0 Hydr,** 52055901
geeignet für
▪ Stahlblech (St37), Kunststoff und Aluminium bis 3,0 mm und V2A 1,5 mm
▪ Das Stanzen von gratfreien Durchbrüchen
Betätigung
▪ Manuell / hydraulisch
Vorbohren
▪ Ø 9,7 mm Vorbohrer 50360183 Ø 12,7 mm Vorbohrer 50344102 Ø 15,9 mm Vorbohrer 50344030
Ø 30,2 mm Vorbohrer 50364146
Lieferumfang
▪ Komplettsystem bestehend aus Stempel, Matrize, Zugschraube, Kontermutter und Kugellagermutter
Zusatzinformationen
▪ * = Nur für den Gebrauch mit den Hydraulikstanzen 52084920, 52084941, LS50 Flex und LS100 Flex
▪ ** = Nur für den Gebrauch mit den Hydraulikstanzen 52084920, 52084941 und LS100Flex
Einzelteile für manuellen Betrieb Adapter f. Hydr. Stanze Aufnahmeloch-Ø Komplettlocher



50611257grp

Spezial-Quadratlocher mit abgeflachten Ecken
geeignet für
▪ Stahlblech (St37), Kunststoff und Aluminium bis 2,0 mm
▪ Das Stanzen von gratfreien Durchbrüchen
Betätigung
▪ Manuell / hydraulisch
Vorbohren
▪ Ø 12,7 mm Vorbohrer 50344102
Lieferumfang
▪ Komplettsystem bestehend aus Stempel, Matrize, Zugschraube, Kontermutter und Kugellagermutter
A B
Einzelteile für manuellen Betrieb



50602381grp
Rundlocher mit vier Verdrehschutznasen

A B C
geeignet für
▪ Stahlblech (St37), Kunststoff und Aluminium bis 3,0 mm
Betätigung
▪ Manuell / hydraulisch
Vorbohren
▪ Ø 15,9 mm Vorbohrer 50344030
Lieferumfang
▪ Komplettsystem bestehend aus Stempel, Matrize, Zugschraube, Kontermutter und Kugellagermutter




Lochen / Stanzen
Rund- und Formlocher

„D“-Formlocher
geeignet für
▪ Stahlblech (St37), Kunststoff und Aluminium bis 2,0 mm
Betätigung
▪ Manuell / hydraulisch
Vorbohren
▪ Ø 12,7 mm Vorbohrer 50344102
Lieferumfang
B
Lochergröße
50600770grp 50610861grp

▪ Komplettsystem bestehend aus Stempel, Matrize, Zugschraube, Kontermutter und Kugellagermutter
Zusatzinformationen
▪ * 50610830 nur als Komplettlocher lieferbar 19,1 x 17,9 2,0
Doppel-“D“-Formlocher

A
19,5 x 16,3
B A
Einzelteile für manuellen Betrieb



geeignet für
▪ Stahlblech (St37), Kunststoff und Aluminium bis 2,0 mm
Betätigung
▪ Manuell / hydraulisch
Vorbohren
▪ Ø 15,9 mm Vorbohrer 50344030
Lieferumfang
▪ Komplettsystem bestehend aus Stempel, Matrize, Zugschraube, Kontermutter und Kugellagermutter
Zusatzinformationen
▪ Alle Locher nur als Komplettlocher lieferbar
Einzelteile für manuellen Betrieb



Kerbnutlocher

A B C
Lochergröße
geeignet für
▪ Stahlblech (St37), Kunststoff und Aluminium bis 2,0 mm
Betätigung
▪ Manuell / hydraulisch
Vorbohren
▪ Ø 23,8 mm Vorbohrer 50300083
Lieferumfang
▪ Komplettsystem bestehend aus Stempel, Matrize, Zugschraube, Kontermutter und Kugellagermutter
Einzelteile für manuellen Betrieb



x 1,4 x 0,8

Rund- und Formlocher
Sub-Min-“D“-Locher

geeignet für
▪ Stahlblech (St37) bis 2,0 mm und Aluminium 3,5 mm Stärke
▪ Front- oder rückseitige Montage
Betätigung
▪ Manuell / hydraulisch
Vorbohren
▪ Ø 12,7 mm Vorbohrer 50344102
Lieferumfang
▪ Komplettsystem bestehend aus Stempel, Matrize, Zugschraube, Kontermutter und Kugellagermutter



52033816grp Spezial-Formlocher für schwere Steckverbinder mit 4 Ankörnpunkten


Eigenschaften
▪ Die Rechtecklocher für schwere Steckverbinder sind mit einer in die Matrize integrierten Bohrschablone zum Bohren der 4 Befestigungslöcher ausgestattet. geeignet für
▪ Stahlblech (St37) bis 3,0 mm Stärke und Aluminium bis 3,5 mm
Betätigung
▪ Hydraulisch
Vorbohren
▪ Ø 30,2 mm Vorbohrer 50364146
Lieferumfang
▪ Komplettsystem bestehend aus Stempel, Matrize, Zugschraube und Kontermutter



Spezial-Formlocher für schwere Steckverbinder, 6-polig, 36 x 52 mm
Spezial-Formlocher für schwere
binder, 10-polig, 36 x 65 mm
Spezial-Formlocher für schwere Steckverbinder, 16-polig, 36 x 86 mm
Spezial-Formlocher für schwere Steckverbinder, 24-polig, 36 x 91 mm
Spezial-Formlocher für schwere
binder 36 x 112
Spezial-Formlocher für schwere Steckverbinder 46 x 112 mm
Lochen / Stanzen Rund- und Formlocher
Zugbolzen für Formlocher
Bestellinfo
▪ Zur Erhöhung der Standzeiten empfehlen wir das Einfetten der Zugschrauben mit der Greenlee Montagepaste Nr. 50115472
▪ Maßangaben in Durchmesser x Länge
▪ Toleranzabweichungen sind vorbehalten


mm 52046100

Art.-Nr 12,7 x 117 mm 50601660

6,3 x 87 mm 50601156
Maße Art.-Nr 9,5 x 88 mm 52020113
Maße Art.-Nr
Maße Art.-Nr 19x150
Maße
ZEIT UND GELD SPAREN –BEI JEDER STANZUNG
SPEED PUNCH™ ist das revolutionäre Stanzsystem von Greenlee, dem führenden Hersteller für Lochwerkzeuge. Das patentierte „gewindelose“ Stempel-Design verhindert ein Verkanten des Stempels. Der leistungsstarke und robuste SPEED LOCK-Mechanismus sorgt für eine schnellere und sichere Fixierung des Stempels. Das verlängert die Werkzeuglebensdauer und vereinfacht die Stanzvorgänge, was letztlich Zeit und Kosten spart. SPEED PUNCH™ ist in den metrischen Größen von ISO 16 bis 63 und PG 16 (22,5 mm) erhältlich.
` Speed Punch - spart Zeit und Kosten
◾ SPEED-LOCK-Mechanismus fixiert das Stanzsystem in seiner Position: Für mehr Löcher in kürzerer Zeit.
◾ Das „gewindelose“ Stempeldesign ermöglicht ein schnelles und einfaches Aufschieben auf den Zugbolzen.
◾ Das schnellste Stanzsystem, das gegenwärtig auf dem Markt erhältlich ist.
◾ Angepasste Matrizen-Höhen machen eine zusätzliche Distanzbuchse überflüssig.
◾ Weniger Teile, die am Einsatzort verloren gehen könnten.
◾ Keine Gewindeschäden und teuren Ausfallzeiten mehr

` Vereinfachte Stanzvorgänge
◾ Standard-Zugbolzen-Gewinde
◾ Kann mit Ihren vorhandenen handhydraulischen und akkuhydraulischen Stanzwerkzeugen betrieben werden.

` In Verbindung mit der akkuhydraulischen Stanze LS50 Flex das Non plus Ultra in Leistung und Geschwindigkeit.
LS50 FLEX

DER VORSPRUNG IM STANZEN –STANZWERKZEUGE UND SETS
Greenlee Stanzwerkzeuge sind schnell. Ob für gerade Stanzungen in Stahl (St37) und Edelstahl oder an beengten Stellen mit schwenkbarem
Kopf: Greenlee stattet Sie für jede Situation mit dem richtigen Set aus. In Kombination mit dem Speed Punch steht das schnellste und effizienteste Stanzsystem in unserem Sortiment für Sie in Startposition. Gehen Sie beim Stanzen in Vorsprung! Stanzwerkzeuge und Sets
In Kürze
` Immer einsetzbar durch kurze Akkuladezeiten
` Köpfe um 360° drehbar zur Optimierung der Arbeitsergonomie
` Geringes Gewicht dadurch keine Ermüdung
` 3x schnelleres Stanzen mit dem Speed-Punch System
` Die Schnelle: LS 50 FLEX
Die LS 50 FLEX ist nicht einfach schnell. Sie ist ganzheitlich gedacht und gefertigt. In nur 22 min ist sie vollständig aufgeladen und einsatzbereit. Ergonomisches Design und eine ausgewogene Schwerpunktlage unterstützen Sie bei Arbeiten
über einen langen Zeitraum. Der Kopf ist um 360° drehbar und stanzt auch an beengten Stellen zuverlässig. Für noch mehr Geschwindigkeit kombinieren Sie die LS 50 FLEX mit dem Speed-Punch-Lochsystem. Schneller geht Stanzen nicht.
◾ Einsetzbar für Stahl (St37) und Edelstahl
◾ Ergonomisches Design für ermüdungsfreies Arbeiten
◾ Automatische Endabschaltung für längere Lebensdauer der Lochstempel
◾ 22 min Ladezeit des Akkus
◾ Integrierte LED zur Beleuchtung der Arbeitsstelle
◾ Kopf 360° drehbar
◾ Kombinierbar mit Speed-Punch-Lochsystem für höchste Stanz-Geschwindigkeit

` Slug-Buster-Satz ISO 16 - 40
Der Slug Buster von Greenlee teilt den Stanzabfall automatisch, so dass dieser von alleine aus der Matrize fällt. Kein Verklemmen und aufwendiges Entfernen der Stanzreste mehr. Das Set umfasst alle Bestandteile des SpaltblechlocherSystems.

` Speed-Punch-Satz
Mit dem Speed-Punch geht Lochen bis zu dreimal schneller als bisher. Das gewindelose Stempelprofil lässt sich über eine Klammertechnik schnell auswechseln – es ist kein Auf- und Abschrauben der Kontermutter mehr notwendig. Im Set ist alles enthalten, was Sie für den Speed Punch brauchen.
◾ Speed-Punch-Satz ISO 16 - 63 inklusive Zubehör für hydraulische Betätigung
◾ Für alle gängigen Stahlbleche
◾ Hochwertiger Transportkoffer aus Kunststoff für optimalen Produktschutz
◾ Slug-Buster-System inklusive Zubehör
◾ Ratschenringschlüssel für manuelle Betätigung inklusive
◾ Vorbohrer inklusive
◾ Hochwertiger Transportkoffer aus Kunststoff für optimalen Produktschutz
Lochen / Stanzen
Stanzwerkzeuge und Sets
Speed Nut
SLSN34grp

KWSET, Kerbnutstanze für hydraulische Betätigung
Eigenschaften
▪ Kompatibel mit allen Greenlee Hand- und Akkuhydraulikstanzen
▪ Einfache Handhabung
geeignet für
▪ Stahlblech (St37) bis 2,5 mm Stärke
▪ Edelstahl bis 2,5 mm Stärke
▪ 19 mm Zugbolzenaufnahme
Zusatzinformation
▪ Bei Verwendung der Quick Draw Serie sowie der LS50Flex, ist die Distanzbuchse, kurz ( Art.-Nr 50032488 ) erforderlich
Artikel
Mechanische und hydraulische Stanzwerkzeuge
50265342grp
Art.-Nr.
KWSET 52086978
Zubehör
Art.-Nr.
Ersatzstempel Kit 52086956
Ersatzfeder Kit 52086957
Ersatzmatrize Kit 52086955
Kerbnutzange
50265342grp

3/16” (3.2mm) (4.7mm)
1/8”
` Zeitsparendes Ausstanzen von Nuten für verdrehschutzgesicherte Teile ` Hohe Lebensdauer
geeignet für
▪ Stahlblech (St37) bis 3 mm Stärke
▪ Manuelle Betätigung
Artikel
Art.-Nr. Kerbnutzange 50265342
50342991grp
Hydraulik-Stanze
Quick Draw 90™

7904E
` Ideal für schnelles, frontales Stanzen von Gehäusen
` Sehr flexibel einsetzbar durch drehbaren Kopf um 180°
` Sehr robust
Eigenschaften
▪ Kompakte Bauform
▪ Handhydraulik-Stanze mit 90° Kopf Zusatzinformationen
▪ Beiliegende Zugbolzen bis 64 mm ST 37 geeignet geeignet für
▪ Formlocher bis zu einer Maximalgröße von 68 x 68 mm bzw. 35 x 65 mm
▪ Rundlocher bis ISO 63 (Ø 64 mm)
Technische Daten
Abmessungen 312 x 110 x 65 mm
Stanzkraft 80 kN
Gewicht 3,4 kg
Artikel
Quick Draw 90™ 7904E
Lieferumfang
Art.-Nr.
50342991
Art.-Nr.
Hand-Hydraulik Stanze 7904E 50337866
Zugbolzen für hydraulische Betätigung Ø 9,5 x 71 mm
Zugbolzen für hydraulische Betätigung Ø 19,0 x 122 mm
Distanzbuchse, kurz
Adapter Ø 19,0 x 48 mm mit Innengewinde 9,5 mm
Kunststoffkoffer
51300430
52085691
50032488
50339672
50352024
50342916grp
Hydraulik-Stanze

Quick Draw™ 7804E
` Ideal für schnelles, frontales Stanzen von Gehäusen
` Kompakte Bauform
` Sehr robust
Eigenschaften
▪ Handhydraulik-Stanze mit geradem Kopf
Zusatzinformationen
▪ Beiliegende Zugbolzen bis 64 mm ST 37 geeignet geeignet für
▪ Formlocher bis zu einer Maximalgröße von 68 x 68 mm bzw. 35 x 65 mm
▪ Rundlocher bis ISO 63 (Ø 64 mm)
Technische Daten
Abmessungen
321 x 110 x 70 mm
Stanzkraft 80 kN
Gewicht 2,5 kg
Artikel
Quick Draw™ 7804E
Lieferumfang
Hand-Hydraulik Stanze 7804E
Zugbolzen für hydraulische Betätigung Ø 9,5 x 71 mm
Zugbolzen für hydraulische Betätigung Ø 19,0 x 122 mm
Distanzbuchse, kurz
Adapter Ø 19,0 x 48 mm mit Innengewinde 9,5 mm
Kunststoffkoffer
Art.-Nr.
50342916
Art.-Nr.
50342886
51300430
52085691
50032488
50339672
50352024
Stanzwerkzeuge und Sets
52033843grp
Handhydraulik-Stanze

` Flexibler Kopf ermöglicht universellen Einsatz auch an schwer zugänglichen Stellen
Eigenschaften
▪ Dreh- und Schwenkbar geeignet für
▪ Formlocher bis zu einer Maximalgröße von 68 x 68 mm bzw. 35 x 65 mm
▪ Rundlocher bis ISO 63 (Ø 64 mm)
Zusatzinformationen
▪ Handhydraulik-Stanze inkl. Zugbolzen, Vorbohrer und Distanzbuchse im Kunststoffkoffer
▪ Beiliegende Zugbolzen bis 64 mm ST 37 geeignet
▪ Ohne Locher
Technische Daten
Abmessungen 340 x 150 x 85 mm
Stanzkraft 80 kN
Gewicht 2,2 kg
Dreh-/Schwenkbar 360°
Artikel
Art.-Nr.
Handhydraulik-Stanze 52033843 Lieferumfang
Art.-Nr. Zugbolzen für hydraulische Betätigung Ø 9,5 auf Ø 19 mm, 122 mm 52042827
Distanzbuchse, kurz 50032488
Kunststoffkoffer
Akkuhydraulisches
Stanzwerkzeug LS 50 Flex
LS50FLEXGRP
LS 50 FLEX Akkuhydraulisches Stanzwerkzeug

` Hohe Flexibilität mittels drehbaren Kopf 360°
` Ein integrierter Drucksensor erhöht die Lebensdauer der Lochstempel
` Automatische Endabschaltung erhöht die Standzeiten der Werkzeuge
Eigenschaften
▪ Wählen Sie Ihr Akku-System: Bosch oder Makita
▪ Einfaches Auslesen aller Daten mittels Bluetooth
▪ Ausgewogene Schwerpunktlage für einfaches Handling und ermüdungsfreies Arbeiten
▪ LED zur Arbeitsraumbeleuchtung
▪ Energiesparfunktion durch Motorabschaltung nach erfolgtem Arbeitsvorgang
▪ Manueller Rücklauf bei Bedarf
▪ Immer einsatzbereit dank Ladestand- und Serviceanzeige
Technische Daten
Stanzkraft 60 kN
Gewicht 2,1 kg
Akkuladezeit 15 min.
Stanzzeit 5 s bei Ø 22,5 mm, 3 mm St37 6 s bei Ø 63,5 mm, 3 mm St37
Umgebungstemperatur -15 °C bis +40 °C
Abmessungen 340 x 115 x 80 mm
Stanzkapazität 120 Stanzungen/Akku bei Ø 22,5 mm und 3,4 mm Bleche St37 190 Stanzungen/Akku bei Ø 22,5 mm und 3 mm Bleche St37 280 Stanzungen/Akku bei Ø 22,5 mm und 2,5 mm Bleche St37
Artikel Art-Nr. Bosch Art-Nr. Makita
LS 50 FLEX Akkuhydraulisches Stanzwerkzeug LS50FLEXCFB LS50FLEXCFM
Lieferumfang
Bosch Akku 18 V / 2,0 Ah, Li-Ion RALB1EU
Bosch Ladegerät für 18 V Li-Ion Akkus LGLB1EU
Makita Akku 18 V / 1,5 Ah, Li-Ion RAL1
Makita Schnell-Ladegerät für 18 V Li-Ion Akkus LGL1
Zugbolzen für hydraulische Betätigung Ø 19,0 x 122 mm 52085691 52085691
Distanzbuchse, kurz 50032488 50032488
Adapter Ø 19,0 x 48 mm mit Innengewinde 9,5 mm 50339672 50339672
Zugbolzen für hydraulische Betätigung Ø 9,5 x 71 mm 51300430 51300430
Kunststoffkoffer KK50FLEXNG KK50FLEXNG Zubehör
Bosch Akku 18 V / 5,0 Ah, Li-Ion RALB2EU
Makita Akku 18 V / 3,0 Ah, Li-Ion (54 Wh) RAL2
Varianten
L-BOXX mit flexibler Akkuhydraulik-Stanze LS50FLEXCFB
L-BOXX mit flexibler Akkuhydraulik-Stanze LS50FLEXCFM
LBOXXLS50FLEXCFB
LBOXXLS50FLEXCFM
Lochen / Stanzen
LS 100 FLEX Akkuhydraulisches Stanzwerkzeug

` Hohe Flexibilität mittels drehbarem Kopf
` Ein integrierter Drucksensor erhöht die Lebensdauer der Lochstempel
` Automatische Endabschaltung erhöht die Standzeiten der Werkzeuge
Eigenschaften
▪ Wählen Sie Ihr Akku-System: Bosch oder Makita
▪ Einfaches Auslesen aller Daten mittels Bluetooth
▪ Ausgewogene Schwerpunktlage für einfaches Handling und ermüdungsfreies Arbeiten
▪ LED zur Arbeitsraumbeleuchtung
▪ Energiesparfunktion durch Motorabschaltung nach erfolgtem Arbeitsvorgang
▪ Wechselbare Modi für den automatischen oder manuellen Rücklauf
▪ Immer einsatzbereit dank Ladestand- und Serviceanzeige
Zusatzinformationen
▪ Bei Anwendung mit Speed Punch bitte folgende Zugbolzen verwenden: 52066000 (bis ISO 25), 50032488, 52058897 (ab ISO 25)
Technische Daten
Stanzkraft
100 kN
Gewicht 2,7 kg
Akkuladezeit 15 min.
Stanzzeit
5 s bei Ø 22,5 mm, 3 mm St37 6 s bei Ø 63,5 mm, 3 mm St37
Umgebungstemperatur -15 °C bis +40 °C
Abmessungen 370 x 120 x 80 mm
Stanzkapazität ST37 max.: 152,4 mm bei einer Materialstärke von 3 mm V2A max.: 104,8 mm bei einer Materialstärke von 3 mm
Artikel
Art-Nr. Bosch Art-Nr. Makita
LS 100 FLEX Akkuhydraulisches Stanzwerkzeug LS100FLEXCFB LS100FLEXCFM
Lieferumfang
Bosch Akku 18 V / 5,0 Ah, Li-Ion RALB2EU
Bosch Ladegerät für 18 V Li-Ion Akkus LGLB1EU
Makita Akku 18 V / 4,0 Ah, Li-Ion RAL40
Makita Schnell-Ladegerät für 18 V Li-Ion Akkus LGL1
Zugbolzen für hydraulische Betätigung Ø 19,0 x 137 mm 52085692 52085692
Zugbolzen für hydraulische Betätigung Ø 9,5 auf Ø 19 mm, 122 mm 52042827 52042827
Distanzbuchse, kurz
50032488 50032488
Adapter Ø 19,0 x 48 mm mit Innengewinde 9,5 mm 50339672 50339672
Kunststoffkoffer KK50LFLEX KK50LFLEX
EK120UNVGRP
Hydraulik-Stanze mit Handpumpe

` Kompakte Bauweise
Eigenschaften
▪ Mit Handpumpe, Schlauch und Zylinder geeignet für
▪ Alle Locher bis 144,1 mm rund und 138 x 138 mm quadratisch
▪ St37 bis zu 3,5 mm und 3,5 mm V2A (je nach Lochergröße)
Betätigung
▪ Hydraulisch
Zusatzinformationen
▪ Bei Anwendung mit Speed Punch bitte folgende Zugbolzen verwenden: 52066000 (bis ISO 25), 50032488, 52058897 (ab ISO 25)
▪ Zugbolzen 52085689 11,1 mm auf 19mm, zur Verwendung des 22,5 mm SB-Blechlocher* 52085633, oder 22,5mm SR-Blechlocher* 52085634. *geeignet für St37 2.5mm / V2A 2.0mm
Technische Daten
Stanzkraft 110 kN Gewicht 8,3 kg
Artikel
Hydraulik-Stanze mit Handpumpe
Lieferumfang
Hydraulik-Zylinder
767 Hydraulik-Handpumpe
Zugbolzen für hydraulische Betätigung Ø 19,0 x 137 mm
Zugbolzen für hydraulische Betätigung 11,1mm zu 19mm, 127 mm
Art.-Nr.
52084920
Art.-Nr.
50170910
50132849
52085692
52085689
50250973grp
Hydraulik-Stanze mit Fußpumpe

Eigenschaften
▪ Mit Fußpumpe, Schlauch und Zylinder geeignet für
▪ Bis 144.1 mm rund und 138 x 138 mm quadratisch
▪ St37 bis zu 3,5 mm und 3,5 mm V2A (je nach Lochergröße)
Betätigung
▪ Hydraulisch
Zusatzinformationen
▪ Bei Anwendung mit Speed Punch bitte folgende Zugbolzen verwenden: 52066000 (bis ISO 25), 50032488, 52058897 (ab ISO 25)
▪ Zugbolzen 52085689 11,1 mm auf 19 mm, zur Verwendung des 22,5mm SBBlechlocher* 52085633, oder 22,5 mm SR-Blechlocher* 52085634. *geeignet für St37 2.5mm / V2A 2.0mm
Technische Daten
Stanzkraft 110 kN Gewicht 15,2 kg
Artikel
Hydraulik-Stanze mit Fußpumpe
Lieferumfang
Hydraulik-Zylinder
1725 Hydraulik-Fußpumpe
Hydraulikschlauch Ø 6,4 mm x 3 m
Zugbolzen für hydraulische Betätigung Ø 19,0 x 137 mm
Zugbolzen für hydraulische Betätigung 11,1mm zu 19 mm, 127mm
Art.-Nr.
52084941
Art.-Nr.
50170910
50313533
50377299
52085692
52085689
Stanzwerkzeuge und Sets
Montagepaste

50366920grp Slug Buster® Blechlocher-Sets

` Erhöht die Lebensdauer ` Verhindert „Festfressen“
` Gegen Verschleiß der Gewinde von Schrauben und Muttern geeignet für
▪ Statisch und dynamisch hochbeanspruchte Schraubverbindungen
Artikel
Art.-Nr. Montagepaste, 30 g 50115472
Slug Buster® Spalt-Blechlocher-Satz für alle Anwendungen von ISO 16 - 40 geeignet für
▪ Stahlblech (St37), Kunststoff und Aluminium bis zu 3,5 mm
Betätigung
▪ Manuell
Vorbohren
▪ Zugschraube Ø 9,5 mm, Vorbohrer Ø 9,7 mm 50360183
Zugschraube Ø 19,0 mm, Vorbohrer Ø 20,5 mm 50344030
Artikel
Art.-Nr.
Slug Buster® Spalt-Blechlocher-Satz ISO 16 bis 40 50366920
Lieferumfang
Art.-Nr.
Slug Buster® Spalt-Blechlocher-Satz ISO 16/20/25/32/40 50356178SET
Zugschraube für manuelle Betätigung Ø 9,5 x 40 mm 50000420
Zugschraube für manuelle Betätigung Ø 19,0 x 55 mm 50040405
Ratsche
Kwik Stepper™ Stufenbohrer 9,7 mm
Kunststoffkoffer
50349414
50360183
50366858
50366904grp
Slug Buster® Spalt-Blechlocher-Satz für alle Anwendungen von PG 9 bis PG 21 und 30,5 mm

geeignet für
▪ Stahlblech (St37), Kunststoff und Aluminium bis zu 3,5 mm
Betätigung
▪ Manuell
Vorbohren
▪ Zugschraube Ø 9,5 mm, Vorbohrer Ø 9,7 mm 50360183
Zugschraube Ø 19,0 mm, Vorbohrer Ø 20,5 mm 50344030
Artikel
Slug Buster® Spalt-Blechlocher-Satz PG 9 bis PG 21 und 30,5 mm
Lieferumfang
Slug Buster® Spalt-Blechlocher-Satz PG 9 - 21, 30,5 mm
Zugschraube für manuelle Betätigung Ø 9,5 x 40 mm
Ratsche
Kwik Stepper™ Stufenbohrer 9,7 mm
Kunststoffkoffer
Art.-Nr.
50366904SET
Art.-Nr.
50323989SET
50000420
50349414
50360183
50366939grp
Slug Buster® Spalt-Blechlocher-Satz

für ISO 16 - 63
geeignet für
▪ Stahlblech (St37), Kunststoff und Aluminium bis zu 3,5 mm
Betätigung
▪ Manuell
Vorbohren
▪ Zugschraube Ø 9,5 mm, Vorbohrer Ø 9,7 mm 50360183
Zugschraube Ø 19,0 mm, Vorbohrer Ø 20,5 mm 50344030
Artikel
Slug Buster® Spalt-Blechlocher-Satz ISO 16 bis 63
Lieferumfang
Slug Buster® Spalt-Blechlocher-Satz ISO 16 - 63
Zugschraube für manuelle Betätigung Ø 9,5 x 40 mm
Zugschrauben für manuelle Betätigung Ø 19,0 x 75 mm
Ratsche
Kwik Stepper™ Stufenbohrer 9,7 mm
Kunststoffkoffer
Art.-Nr.
50366939
Art.-Nr.
50068920SET
50000420
50040421
50349414
50360183
50366858
Lochen / Stanzen
Stanzwerkzeuge und Sets
50366912grp
Slug Buster® Spalt-Blechlocher-Satz für alle Anwendungen von PG 9 - 48 und 30,5 mm

52055439SETgrp Slug Buster® Blechlocher-Sets

geeignet für
▪ Stahlblech (St37), Kunststoff und Aluminium bis zu 3,5 mm
Betätigung
▪ Manuell
Vorbohren
▪ Zugschraube Ø 9,5 mm, Vorbohrer Ø 9,7 mm 50360183
Zugschraube Ø 19,0 mm, Vorbohrer Ø 20,5 mm 50344030
Artikel
Slug Buster® Spalt-Blechlocher-Satz PG 9 bis 48 und 30,5 mm
Lieferumfang
Zugschraube für manuelle Betätigung Ø 9,5 x 40 mm
Zugschraube für manuelle Betätigung Ø 19,0 x 55 mm
Ratsche
Slug Buster® Spalt-Blechlocher-Satz PG 9 - 48, 30,5 mm
Kunststoffkoffer
Art.-Nr.
50366912SET
Art.-Nr.
50000420
50040405
50349414
50328034SET
50366858
` Bis zu 3-mal schneller als herkömmliche Lochstanzwerkzeuge
` Einfachste und schnellste Handhabung, da kein Auf- und Abschrauben der Kontermutter erforderlich ist
` Kompatibel mit allen Greenlee Hand- und Akkuhydraulikstanzwerkzeugen
` Kein Einfetten der Zugschraube notwendig
geeignet für
▪ Stahlblech (St37), Kunststoff und Aluminium bis zu 3,5 mm
▪ LS50Flex und Quick Draw
Betätigung
▪ Hydraulisch
Vorbohren
▪ Zugschraube Ø 9,5 mm, Vorbohrer Ø 9,7 mm 50360183
Zugschraube Ø 19,0 mm, Vorbohrer Ø 20,5 mm 50344030
Lieferumfang
▪ Komplettsystem bestehend aus Zugbolzen, Klammer, Stempel und Matrize inkl. Kunststoffkoffer
Artikel
Art.-Nr.
Speed Punch™ Spalt-Blechlocher-Satz ISO 16/20/25/32/40 52055439SET
Lieferumfang
Art.-Nr.
Stempel und Matrize ISO 16 (16,2mm) 52055431
Stempel und Matrize ISO 20 (20,4 mm) 52055432
Stempel und Matrize ISO 25 (25,4 mm) 52055434
Stempel und Matrize ISO 32 (32,5 mm) 52055435
Stempel und Matrize ISO 40 (40,5 mm) 52055436
Speed Lock und Zugbolzen 9,5 mm für ISO 16/20/25 und PG 16 52055439
Speed Lock und Zugbolzen 19,0 mm für ISO 32/40/50/63 52055440
Kunststoffkoffer
Zubehör
KKSPISO16B63
Art-Nr.
Kunststoffkoffer KKSPISO16B63
52055440SETgrp Speed Punch™ Spalt-Blechlocher-Satz ISO 16 - 63

` Bis zu 3-mal schneller als herkömmliche Lochstanzwerkzeuge
` Einfachste und schnellste Handhabung, da kein Auf- und Abschrauben der Kontermutter erforderlich ist
` Kompatibel mit allen Greenlee Hand- und Akkuhydraulikstanzwerkzeugen
` Kein Einfetten der Zugschraube notwendig
geeignet für
▪ Stahlblech (St37), Kunststoff und Aluminium bis zu 3,5 mm
▪ LS50Flex und Quick Draw
Betätigung
▪ Hydraulisch
Vorbohren
▪ Zugschraube Ø 9,5 mm, Vorbohrer Ø 9,7 mm 50360183 Zugschraube Ø 19,0 mm, Vorbohrer Ø 20,5 mm 50344030
Lieferumfang
▪ Komplettsystem bestehend aus Zugbolzen, Klammer, Stempel und Matrize inkl. Kunststoffkoffer
Artikel
Speed Punch™ Spalt-Blechlocher-Satz ISO 16 – 63
Lieferumfang
Stempel und Matrize ISO 16 (16,2mm)
Stempel und Matrize ISO 20 (20,4 mm)
Stempel und Matrize ISO 25 (25,4 mm)
Stempel und Matrize ISO 32 (32,5 mm)
Stempel und Matrize ISO 40 (40,5 mm)
Stempel und Matrize ISO 50 (50,8 mm)
Stempel und Matrize ISO 63 (64,0 mm)
Speed Lock und Zugbolzen 9,5 mm für ISO 16/20/25 und PG 16
Speed Lock und Zugbolzen 19,0 mm für ISO 32/40/50/63
Kunststoffkoffer
Zubehör
Kunststoffkoffer
Art.-Nr.
52055440SET
Art.-Nr.
52055431
52055432
52055434
52055435
52055436
52055437
52055438
52055439
52055440
KKSPISO16B63
Art-Nr.
KKSPISO16B63
Lochen / Stanzen
Stanzwerkzeuge und Sets
Slug-Splitter® Blechlocher-Sets
50766803grp
Slug-Splitter® Spalt-Blechlocher-Satz (Edelstahl) ISO 16 - 40

` Einzigartiges Stempelprofil
` Stanzabfall-Stücke werden gespalten und können leicht entfernt werden
geeignet für
▪ Edelstahl (V2A), Stahlblech (St37), Kunststoff und Aluminium bis zu 3,5 mm Stärke
Betätigung
▪ Hydraulisch
Vorbohren
▪ Zugschraube Ø 19 mm, Vorbohrer Ø 20,5 mm 50344030
Zugschraube Ø 11,1 mm, Vorbohrer Ø 12,7 mm 50344102
Artikel
Slug Splitter® Spalt-Blechlocher-Satz (Edelstahl) ISO 16/20/25/32/40
Lieferumfang
Slug-Splitter® Spalt-Blechlocher (Edelstahl) 16,2 mm
Slug-Splitter® Spalt-Blechlocher (Edelstahl) 20,4 mm
Slug-Splitter® Spalt-Blechlocher (Edelstahl) 25,4 mm
Slug-Splitter® Spalt-Blechlocher (Edelstahl) 32,5 mm
Slug-Splitter® Spalt-Blechlocher (Edelstahl) 40,5 mm
Zugbolzen für hydraulische Betätigung Ø 11,1 auf Ø 19 mm, 108 mm
Zugbolzen für hydraulische Betätigung 19 x 140 mm
Kunststoffkoffer
Art.-Nr.
50766803
Art.-Nr.
50069527
50069543
50069560
50069594
50069616
50294512
50294520
KKSSISO16B63
50766797SETgrp
Slug-Splitter® Spalt-Blechlocher-Satz

(Edelstahl) ISO 16 - 63
` Einzigartiges Stempelprofil
` Stanzabfall-Stücke werden gespalten und können leicht entfernt werden
geeignet für
▪ Edelstahl (V2A), Stahlblech (St37), Kunststoff und Aluminium bis zu 3,5 mm Stärke
Betätigung
▪ Hydraulisch
Vorbohren
▪ Zugschraube Ø 19 mm, Vorbohrer Ø 20,5 mm 50344030
Zugschraube Ø 11,1 mm, Vorbohrer Ø 12,7 mm 50344102
Artikel
Slug Splitter® Spalt-Blechlocher-Satz (Edelstahl) ISO 16/20/25/32/40/50/63
Lieferumfang
Slug-Splitter® Spalt-Blechlocher (Edelstahl) 16,2 mm
Slug-Splitter® Spalt-Blechlocher (Edelstahl) 20,4 mm
Slug-Splitter® Spalt-Blechlocher (Edelstahl) 25,4 mm
Slug-Splitter® Spalt-Blechlocher (Edelstahl) 32,5 mm
Slug-Splitter® Spalt-Blechlocher (Edelstahl) 40,5 mm
Slug-Splitter® Spalt-Blechlocher (Edelstahl) 50,8 mm
Slug-Splitter® Spalt-Blechlocher (Edelstahl) 64 mm
Zugbolzen für hydraulische Betätigung Ø 11,1 auf Ø 19 mm, 108mm
Zugbolzen für hydraulische Betätigung 19 x 140 mm
Kunststoffkoffer
Art.-Nr.
50766797
Art.-Nr.
50069527
50069543
50069560
50069594
50069616
50069632
50069667
50294512
50294520
KKSSISO16B63
Slug Buster® Stanzwerkzeuge und Sets
50356119SETgrp
Slug Buster® Hand-Hydraulik Stanzensatz PG 9 - PG 21, 30,5 mm

geeignet für
▪ Stahlblech (St37), Kunststoff und Aluminium bis zu 3,5 mm
Betätigung
▪ Hydraulisch
Vorbohren
▪ Zugschraube Ø 9,5 mm, Vorbohrer Ø 9,7 mm 50360183
Zugschraube Ø 19,0 mm, Vorbohrer Ø 20,5 mm 50344030
Artikel
Slug Buster® Hand-Hydraulik Stanzensatz PG 9 bis PG 21 und 30,5 mm
Lieferumfang
Hand-Hydraulik Stanze 7804E
Zugbolzen für hydraulische Betätigung Ø 9,5 x 71 mm
Zugbolzen für hydraulische Betätigung Ø 19,0 x 122 mm
Distanzbuchse, kurz
Adapter Ø 19,0 x 48 mm mit Innengewinde 9,5 mm
Slug Buster® Spalt-Blechlocher-Satz PG 9 - 21, 30,5 mm
Kunststoffkoffer
Art.-Nr.
50356119SET
Art.-Nr.
50342886
51300430
52085691
50032488
50339672
50323989SET
50352024
50356151SETgrp
Slug Buster® Hand-Hydraulik Stanzensatz 90° PG 9 - PG 21, 30,5 mm

geeignet für
▪ Stahlblech (St37), Kunststoff und Aluminium bis zu 3,5 mm Stärke
Betätigung
▪ Hydraulisch
Vorbohren
▪ Zugschraube Ø 9,5 mm, Vorbohrer Ø 9,7 mm 50360183
Zugschraube Ø 19,0 mm, Vorbohrer Ø 20,5 mm 50344030
Artikel
Slug Buster® Hand-Hydraulik Stanzensatz PG 9 bis PG 21 und 30,5 mm
Lieferumfang
Hand-Hydraulik Stanze 7904E
Zugbolzen für hydraulische Betätigung Ø 9,5 x 71 mm
Zugbolzen für hydraulische Betätigung Ø 19,0 x 122 mm
Distanzbuchse, kurz
Adapter Ø 19,0 x 48 mm mit Innengewinde 9,5 mm
Slug Buster® Spalt-Blechlocher-Satz PG 9 - 21, 30,5 mm
Kunststoffkoffer
Art.-Nr.
50356151SET
Art.-Nr.
50337866
51300430
52085691
50032488
50339672
50323989SET
50352024
50356143SETgrp
Slug Buster® Hand-Hydraulik Stanzensatz ISO 16 - 40

geeignet für
▪ Stahlblech (St37), Kunststoff und Aluminium bis zu 3,5 mm Stärke
Betätigung
▪ Hydraulisch
Vorbohren
▪ Zugschraube Ø 9,5 mm, Vorbohrer Ø 9,7 mm 50360183
Zugschraube Ø 19,0 mm, Vorbohrer Ø 20,5 mm 50344030
Artikel
Slug Buster® Hand-Hydraulik Stanzensatz ISO 16 bis 40
Lieferumfang
Art.-Nr.
50356143SET
Art.-Nr.
Hand-Hydraulik Stanze 7804E 50342886
Zugbolzen für hydraulische Betätigung Ø 9,5 x 71 mm 51300430
Zugbolzen für hydraulische Betätigung Ø 19,0 x 105 mm 52085691
Distanzbuchse, kurz
Adapter Ø 19,0 x 48 mm mit Innengewinde 9,5 mm
Slug Buster® Spalt-Blechlocher-Satz ISO 16/20/25/32/40
Kunststoffkoffer
50032488
50339672
50356178SET
50352024
Slug Buster® Hand-Hydraulik Stanzensatz 90° ISO16 - 40
50356160SETgrp

geeignet für
▪ Stahlblech (St37), Kunststoff und Aluminium bis zu 3,5 mm Stärke
Betätigung
▪ Hydraulisch
Vorbohren
▪ Zugschraube Ø 9,5 mm, Vorbohrer Ø 9,7 mm 50360183
Zugschraube Ø 19,0 mm, Vorbohrer Ø 20,5 mm 50344030
Artikel
Slug Buster® Hand-Hydraulik Stanzensatz ISO 16 bis 40
Lieferumfang
Hand-Hydraulik Stanze 7904E
Art.-Nr.
50356160SET
Art.-Nr.
50337866
Zugbolzen für hydraulische Betätigung Ø 9,5 x 71 mm 51300430
Zugbolzen für hydraulische Betätigung Ø 19,0 x 122 mm
Distanzbuchse, kurz
Adapter Ø 19,0 x 48 mm mit Innengewinde 9,5 mm
Slug Buster® Spalt-Blechlocher-Satz ISO 16/20/25/32/40
Kunststoffkoffer
52085691
50032488
50339672
50356178SET
50352024
52034233grp
Handhydraulik-Stanzensatz

90° ISO 16 - 40
` Flexibler Kopf ermöglicht universellen Einsatz an schwer zugänglichen Stellen
geeignet für
▪ Formlocher bis zu einer Maximalgröße von 68 x 68 mm bzw. 35 x 65 mm
▪ Rundlocher bis ISO 63 (Ø 64 mm)
Artikel
Hand-Hydraulikstanzenset ISO 16 - 40
Lieferumfang
Slug Buster® Spalt-Blechlocher-Satz ISO 16/20/25/32/40
Zugbolzen für hydraulische Betätigung Ø 9,5 auf Ø 19 mm, 122 mm
Zugbolzen für hydraulische Betätigung Ø 19,0 x 122 mm
Distanzbuchse, kurz
Kunststoffkoffer
Art.-Nr.
52034233
Art.-Nr.
50356178SET
52042827
52085691
50032488
KK52034233
Slug Buster® Spalt-Blechlocher-Satz ISO 16 - 40
50356178SETgrp

` Für schnelles, sauberes, müheloses und gratfreies Lochen
` Stanzabfall-Stücke werden gespalten und können leicht entfernt werden
geeignet für
▪ Stahlblech (St37), Kunststoff und Aluminium bis 3,0 mm
Betätigung
▪ Manuell
Vorbohren
▪ Zugschraube Ø 9,5 mm, Vorbohrer Ø 9,7 mm 50360183
Zugschraube Ø 19,0 mm, Vorbohrer Ø 20,5 mm 50344030
Lieferumfang
▪ Komplettsystem bestehend aus Stempel und Matrize inkl. Kunststoffkoffer
Artikel
Slug Buster® Spalt-Blechlocher-Satz ISO 16/20/25/32/40
Zubehör
Kunststoffkoffer
Art.-Nr.
50356178SET
Art-Nr.
KKISO16B63R
50068920SETgrp
Slug Buster® Spalt-Blechlocher-Satz ISO 16 - 63

` Lange Produktlebensdauer
` Sehr leicht anzuwenden
geeignet für
▪ Stahlblech (St37), Kunststoff und Aluminium bis zu 3,5 mm
Betätigung
▪ Manuell Vorbohren
▪ Zugschraube Ø 9,5 mm, Vorbohrer Ø 9,7 mm 50360183
Zugschraube Ø 19,0 mm, Vorbohrer Ø 20,5 mm 50344030
Lieferumfang
▪ Komplettsystem bestehend aus Stempel und Matrize inkl. Kunststoffkoffer
Artikel
Slug Buster® Spalt-Blechlocher-Satz ISO 16/20/25/32/40/50/63
Zubehör
Art.-Nr.
50068920SET
Art-Nr. Kunststoffkoffer KKISO16B63R
Lochen / Stanzen
Stanzwerkzeuge und Sets
Slug Buster® Spalt-Blechlocher-Satz PG 9 - 21, 30,5 mm
50323989SETgrp

` Einzigartiges Stempelprofil
` Stanzabfall-Stücke werden gespalten und können leicht entfernt werden
geeignet für
▪ Stahlblech (St37), Kunststoff und Aluminium bis zu 3,5 mm
Betätigung
▪ Manuell
Vorbohren
▪ Zugschraube Ø 9,5 mm, Vorbohrer Ø 9,7 mm 50360183
Zugschraube Ø 19,0 mm, Vorbohrer Ø 20,5 mm 50344030
Lieferumfang
▪ Komplettsystem bestehend aus Stempel und Matrize inkl. Kunststoffkoffer
Artikel
Slug Buster® Spalt-Blechlocher-Satz PG 9/11/13/16/21 und 30,5 mm
Zubehör
Art.-Nr.
50323989SET
Art-Nr.
Kunststoffkoffer für Slug Buster® und Slug Splitter® Spalt-Blechlocher-Sätze KKPG9B48
50328034SETgrp

` Einzigartiges Stempelprofil
` Stanzabfall-Stücke werden gespalten und können leicht entfernt werden geeignet für
▪ Stahlblech (St37), Kunststoff und Aluminium bis zu 3,5 mm
Betätigung
▪ Manuell
Vorbohren
▪ Zugschraube Ø 9,5 mm, Vorbohrer Ø 9,7 mm 50360183
Zugschraube Ø 19,0 mm, Vorbohrer Ø 20,5 mm 50344030
Lieferumfang
▪ Komplettsystem bestehend aus Stempel und Matrize inkl. Kunststoffkoffer
Artikel
Slug Buster® Spalt-Blechlocher-Satz PG 9/11/13/16/21/29/36/48 und 30,5 mm
Zubehör
Kunststoffkoffer für Slug Buster® und Slug Splitter® Spalt-Blechlocher-Sätze
Art.-Nr.
50328034SET
Art-Nr.
KKPG9B48
FÜR TIEFE EINSCHNITTE –
LOCHSÄGEN
Machen Sie den Weg frei für Kabel und elektrische Verbindungen. Mit unseren Greenlee Lochsägen haben Sie eine langfristig präzise Lösung in der Hand. Eine Verstärkung der Rückenplatte sorgt für verringerte Vibrationen. Das schont Ihre Kraft und macht den Rundlauf genau. HSS Bi-Metall Lochsägen sind für die Bearbeitung von Stahlblech, Gusseisen, Messing und weiteren Materialien geeignet.

In Kürze
` Verringerte Vibration durch verstärkte Rückenplatte
` Hohe Standzeit durch Hochleistungsstahl
` Für viele Materialien geeignet
` Für den multifunktionalen Einsatz beachten Sie bitte unsere Universalwerkzeuge
Lochen / Stanzen
Lochsägen
` HSS Bi-Metall Lochsäge
Vor den HSS Bi-Metall Lochsägen ist fast kein Material sicher.
Extra harter Hochleistungsstahl (M 42) arbeitet lange sauber und zuverlässig.
◾ Präziser Schnitt durch positive Verzahnung
◾ Verstärkte Rückenplatte reduziert Vibrationen
◾ Hohe Rundlaufgenauigkeit

◾ Kühlungsschlitze für geringe Wärmeentwicklung
◾ Sägt bis zu einer Schnitttiefe von 41,3 mm
◾ Verbesserte Standzeit durch Zahnhärte Rc65-68
◾ Geeignet für Stahlblech, Gusseisen, Messing, Glasfaser, Holz und Kunststoff
` Lochsägen im Set: HSS Bi-Metall Lochsägensatz
Mit dem Lochsägensatz haben Sie alle gängigen Größen sauber in einem Set vereint. Gut sortiert und perfekt geschützt.
◾ Alle gängigen Größen an Lochsägen
◾ Fertigung aus M42 Hochleistungsstahl
◾ Inklusive Zubehörteile
◾ Sichere Aufbewahrung in robustem Koffer

HSS-Bi-Metall-Lochsägen
HSS-Bi-Metall Lochsägen

` Vibrationsreduktion und hohe Rundlaufgenauigkeit durch dicke Rückenplatte ` Hochwertige Verzahnung gewährleistet einfachen, präzisen Schnitt ` Kühlungsschlitze sorgen für geringe Wärmeentwicklung ` Kein Verkanten beim Sägevorgang
Eigenschaften
▪ Hochwertige, variable Schränkung der Zähne gewährleistet einfaches, schnelles Sägen
▪ Hohe Rundlaufgenauigkeit
▪ Max. Schnitttiefe 41,3 mm
▪ Härte der Zähne Rc 65-68 geeignet für
▪ Stahlblech, Gußeisen, Messing, Aluminium, Glasfaser, Holz, VA-Blech und Kunststoff Zusatzinformationen
▪ Aufnahmeschäfte getrennt bestellen, sind nicht im Lieferumfang der Lochsäge enthalten
Empfohlene Schnittgeschwindigkeit U/min. für
52059292SETgrp

Lochsägensatz
` Zeitersparnis durch geringe Vibrations- und Wärmeentwicklung
` Variable Zahnteilung für einen gleichmäßigen Schnitt
` Kaum Kraftaufwand beim Bohren
Eigenschaften
▪ Hohe Rundlaufgenauigkeit
▪ Geringerer Kraftaufwand beim Schneiden geeignet für
▪ Metall, Messing, Glasfaser, NE-Metall, Gusseisen, Aluminium, Holz und Kunststoff, VA-Blech
Artikel
HSS-Bi-Metall Lochsägensatz ISO 16 bis 63
HSS-Bi-Metall Lochsägensatz (830 PG)
50371576grp

Aufnahmeschaft für HSS-Bi-Metall Lochsägen 14 - 30 mm
geeignet für
▪ Die Größen von 14 - 30 mm
Artikel
Art.-Nr.
Aufnahmeschaft 6,3 mm 50371576
Aufnahmeschaft für HSS-Bi-Metall Lochsägen 7,9 mm 50385224
Aufnahmeschaft 8,6 mm 52057780
Aufnahmeschaft 11,1 mm 50371550
50371541grp

Aufnahmeschaft für HSS-Bi-Metall Lochsägen 32 - 152 mm
geeignet für
▪ Die Größen von 32 - 51 mm
▪ Die Größen von 32 - 152 mm
Artikel
Art.-Nr.
Aufnahmeschaft 7,9 mm für HSS-Bi-Metall Lochsägen 32 - 51mm 50371541
Aufnahmeschaft 8,6 mm für HSS-Bi-Metall Lochsägen 32 - 152mm 52057781
Aufnahmeschaft 11,1 mm für HSS-Bi-Metall Lochsägen 32 - 152mm 50371568 Lochen / Stanzen Lochsägen
50069292grp

SDS Aufnahmeschaft für HSS-Bi-Metall Lochsägen
geeignet für
▪ Die Größen von 32 - 152 mm
▪ Die Größen von 14 - 30 mm
Artikel
Art.-Nr.
SDS Aufnahmeschaft für HSS-Bi-Metall Lochsägen 14 - 30 mm 50069691
52057782grp

Auswechselbarer Zentrierbohrer für Aufnahmeschaft HSS-Bi-Metall Lochsägen
Artikel
Art.-Nr.
Auswechselbarer Zentrierbohrer für Aufnahmeschaft HSS-Bi-Metall Lochsägen 52057782
EINFACH BOHREN –
ALLES IN EINEM ARBEITSGANG
Greenlee Bohrer sind mit modernster CNC-Technologie gefertigt. Der Nutzen für Sie ist klar: Saubere Schneidkanten erbringen längere und bessere Schneidleistungen gleich beim ersten Ansetzen. Das spart Ihre Kraft. Die beidseitige Entgratung durch den Kantenbrecher spart Ihnen Zeit. Das Rotastop-System am Schaft verhindert ein Durchrutschen des Bohrers ins Bohrfutter. So geht Bohren heute.

In Kürze
` Perfekte Schneidleistung im ersten Durchgang
` Mit Rotastop gegen Durchrutschen des Bohrers
` Kreuzanschliff für weniger Kraftaufwand
Lochen / Stanzen Bohrer und Stufenbohrer
` Kwik Stepper mit Rotastop
In diesem Bohrer zeigen sich jahrelange Erfahrung und Entwicklung. Der Kwik Stepper bohrt nicht nur gratfrei mit optimaler Spanabfuhr, die Spiralnut verringert außerdem die Wärmeentwicklung während des Bohrvorgangs. Das macht den Kwik Stepper besonders langlebig. Das Rotastop-System hält den Bohrer an seinem Platz – ohne Durchrutschen. Zusätzlich reduziert der Kreuzanschliff Ihren Kraftaufwand beim Bohren. Viel Leistung in einem Bohrer vereint.
` Leistung im Set: Kwik Stepper Stufenbohrersatz
Damit Sie beim Bohren flexibel sind, haben wir alle gängigen Stufenbohrer in einem praktischen Set vereint und in robuster Kunststoffbox verpackt. Mit einem Griff ist alles dabei.
◾ Alle gängigen Stufenbohrer
◾ Leichte Zuordnung der Bohrer durch Laserskalierung der Bohrstufen
◾ Robuste Kunststoffbox mit integriertem Aufsteller
◾ Leichtes Transportieren und Lagern
◾ Alle benötigten Bohrbereiche in einem Werkzeug
◾ Rotastop für höchste Übertragung des Drehmoments
◾ Schneller Bohrerwechsel
◾ Kein Durchrutschen im Bohrfutter
◾ Spiralnut für bessere Schneidleistungen
◾ Beidseitiges Entgraten
◾ Verwendbar für Bleche, Rohre, NE-Metalle, Edelstahl und Kunststoffe


` Geringe Gratbildung
` Hohe Standzeit
` Gute Drehmomentsübertragung
` Geringer Kraftaufwand beim Bohren
geeignet für ▪ Blech, Rohre, NE Metall und Kunststoff
/
/


Artikel
Kwik Stepper™ Stufenbohrer mit ROTASTOP®-Schaft
4 -12 mm
Kwik Stepper™ Stufenbohrer mit ROTASTOP®-Schaft
4 -20 mm
Kwik Stepper™ Stufenbohrer mit ROTASTOP®-Schaft
` ROTASTOP® garantiert bestmögliche Drehmomentübertragung
` Kaum Gratbildung
` Kein Durchrutschen im Futter durch ROTASTOP®
` Lange Standzeit
` Minimaler Aufwand beim Bohren
geeignet für ▪ Das Aufreiben von Blechen, Rohren, NE Metallen und Kunststoff


/ 18,0 / 20,0
6 - 30mm 6 – 30 6,0 / 8,0 / 10,0 / 12,0 / 14,0 / 16,0 / 18,0 / 20,0 / 22,0 / 24,0 / 26,0 / 28,0 / 30,0
Kwik Stepper™ Stufenbohrer mit ROTASTOP®-Schaft 6-36 mm 6 – 36 6,0 / 9,0 / 12,0 / 15,0 / 18,0 / 21,0 / 24,0 / 27,0 / 30,0 / 33,0 / 36,0
Kwik Stepper™ Stufenbohrer mit ROTASTOP®-Schaft
ISO 12 - 40 mm
50069900grp
Kwik Stepper™ Stufenbohrersatz

Kombi Bit Set M 3 - M 10

50069900grp
Kombi Bit Set M 3 - M 10 (VA)

` ROTASTOP® garantiert bestmögliche Drehmomentübertragung
` Kaum Gratbildung
` Kein Durchrutschen im Futter durch ROTASTOP®
` Hohe Standzeit
` Kaum Kraftaufwand beim Bohren
geeignet für
▪ Das Aufreiben von Blechen, Rohren, NE Metallen und Kunststoff
Artikel
Kwik Stepper™ Stufenbohrersatz
Lieferumfang
Kwik Stepper™ Stufenbohrer mit ROTASTOP®-Schaft 4 - 12 mm
Kwik Stepper™ Stufenbohrer mit ROTASTOP®-Schaft 4 - 20 mm
Kwik Stepper™ Stufenbohrer mit ROTASTOP®-Schaft 6 - 30 mm
Art.-Nr.
50069900
Art.-Nr.
50069845
50069853
50069861
` Drei Arbeitsgänge in einem - Kernlochbohren, Gewindeschneiden und Entgraten
geeignet für
▪ Die Bearbeitung von St37, NE Metallen, Edelstahl und Kunststoffen
Artikel
Kombi Bit Set in Kunststoffkassette M 3 - M 10
Art.-Nr.
50121510
geeignet für
▪ Die Bearbeitung von St37, NE Metallen, Edelstahl und Kunststoffen
Artikel
Kombi Bit Set M 3 - M 10 (VA)
Lieferumfang
Kombi Bit M3
Kombi Bit M4
Kombi Bit M5
Kombi Bit M6
Kombi Bit M8
Kombi Bit M10
Kombi Bit Halter
Art.-Nr.
52086846
Art.-Nr.
52086840
52086841
52086842
52086843
52086844
52086845
50116371

DAS MULTITALENT.
Manchmal muss es eben Alles in Einem sein: Pressen, Schneiden, Biegen, Lochen und Kröpfen. Mit Klauke haben Sie alle Möglichkeiten in einem Werkzeug.

Universalwerkzeuge
Universalwerkzeuge
Elektromechanisches
Elektromechanische Crimpzange

DAS MULTITALENT
Ein Werkzeug für eine Vielzahl von Anwendungen
UNSERE VIELSEITIGEN EINSÄTZE IM ÜBERBLICK
Presseinsätze für Aderendhülsen




Abisoliereinsätze
SD5006, SD5010, SD5016, SD5025, SD5035 6 -



Presseinsatz für isolierte Verbinder
IS5071 0.5 - 6 mm²


Alle kompatiblen
Einsätze der K50 Serie finden Sie hier:
EKWF50MLGRP
EK WF 50 ML Elektromechanische Crimpzange 0,5 - 50 mm² für Aderendhülsen und Zwillings-Aderendhülsen

` Die Klauke micro mit intuitiver PowerSense-Funktion verbindet die Vorteile der manuellen Crimpzange K 507 WF mit dem Komfort akkuhydraulischer Presswerkzeuge
` Ein Pressprofil für alle gängigen Leiter
` Schnelles und einfaches Auswechseln der Presseinsätze
` Weniger Pressungen aufgrund optimaler Einsatzbreite
` Exzellente Crimpergebnisse bei minimalem Kraftaufwand
Eigenschaften
▪ Ein-Knopf-Bedienkonzept zur Steuerung aller Werkzeugfunktionen
▪ PowerSense-Funktion: Vorklemmen von Hand, Crimpen mit Motor
▪ Elektronische Steuerung mit Sperrfunktion überwacht vollständiges Schließen der Presseinsätze
▪ Ergonomisches 2K-Gehäuse im Klauke „In-line-Design“
▪ Befestigungsöse für Einsatz mit Balancer oder als Fallsicherung im Außeneinsatz
▪ Sehr geringes Gewicht und hohe Geschwindigkeit für maximale Effizienz
▪ Leistungsstarke Antriebstechnik für ermüdungsfreies Arbeiten
▪ Leistungsstarker 10,8V Li-Ion-Akku - mit Ladezustandsanzeige
▪ LED zur Arbeitsraumbeleuchtung
▪ Wartungsanzeige mittels LED
geeignet für
▪ Aderendhülsen und Zwillings-Aderendhülsen
Technische Daten
Crimpbereich
0,5 - 50 mm²
Anzahl Pressungen 400 bei 10 mm2
Akkuspannung 10,8 V
Akkukapazität 2,5 Ah, Li-Ion
Akkuladezeit ca. 45 min.
Gewicht mit Akku 0,96 kg
Umgebungstemperatur -10 °C bis +40 °C
Artikel

Art.-Nr.
Elektromechanische Crimpzange 0,5 - 50 mm² für Aderendhülsen EKWF50ML
Lieferumfang
Presseinsätze für Aderendhülsen, 0,5 - 6 mm²
Presseinsätze für Aderendhülsen, 10 - 25 mm²
Presseinsätze für Aderendhülsen, 35 - 50 mm²
Presseinsatz für Zwillings-Aderendhülsen 2 x 6 - 2 x 16 mm²
Akku 10,8 V / 2,5 Ah, Li-Ion (27 Wh)
Art.-Nr.
AE5071
AE5072
AE5073
ZAE5072
RAML1225
Ladegerät für 10,8 V Li-Ion Akkus, 230 V LGML1
Kunststoffkoffer 450 x 370 x 105 mm KKEK50ML
EK 50 ML Elektromechanische Crimpzange 0,1 - 50 mm²

` Die Klauke micro mit intuitiver PowerSense-Funktion verbindet die Vorteile manueller Crimpzangen mit dem Komfort akkuhydraulischer Presswerkzeuge
` Exzellente Crimpergebnisse bei minimalem Kraftaufwand
Eigenschaften
▪ Ein-Knopf-Bedienkonzept zur Steuerung aller Werkzeugfunktionen
▪ PowerSense-Funktion: Vorklemmen von Hand, Crimpen mit Motor
▪ Elektronische Steuerung mit Sperrfunktion überwacht vollständiges Schließen der Presseinsätze
▪ Ergonomisches 2K-Gehäuse im Klauke „In-line-Design“
▪ Befestigungsöse für Einsatz mit Balancer oder als Fallsicherung im Außeneinsatz
▪ Sehr geringes Gewicht und hohe Geschwindigkeit für maximale Effizienz
▪ Leistungsstarke Antriebstechnik für ermüdungsfreies Arbeiten
▪ Leistungsstarker 10,8V Li-Ion-Akku - mit Ladezustandsanzeige
▪ LED zur Arbeitsraumbeleuchtung
▪ Wartungsanzeige mittels LED geeignet für
▪ Für auswechselbare Presseinsätze der Serie 50
Technische Daten
Crimpbereich
0,1 - 50 mm²
Presszeit < 1,5 s (abhängig vom Verbindungsmaterial)
Anzahl Pressungen ca. 400 bei 10 mm²
Akkuspannung 10,8 V
Akkukapazität 2,5 Ah, Li-Ion Akkuladezeit ca. 45 min.
Gewicht mit Akku 0,96 kg
Umgebungstemperatur -10 °C bis +40 °C
Artikel

Art.-Nr.
Elektromechanische Crimpzange 0,14 - 50 mm² EK50ML
Lieferumfang
Art-Nr.
Akku 10,8 V / 2,5 Ah, Li-Ion (27 Wh) RAML1225
Ladegerät für 10,8 V Li-Ion Akkus, 230 V LGML1 Presseinsatz für isol. Verbinder 0,5 - 6 mm² IS5071
Kunststoffkoffer 450 x 370 x 105 mm KKEK50ML
Varianten
Elektromechanische Crimpzange 0,1 - 50 mm², ohne Presseinsatz, ohne Ladegerät, ohne Koffer, mit Akku RAML1225
L-BOXX mit elektromechanischer Crimpzange EK 50 ML 0,1 - 50 mm² und umfangreicher Zusatzausstattung
Art.-Nr.
EK50ML-L
LBOXXEK50ML
EKSD50MLGRP
SD 50 ML Elektromechanisches Abisolierwerkzeug 6 - 35 mm²


` Die Klauke micro mit intuitiver PowerSense-Funktion erleichtert das Abisolieren aller gängigen Leitertypen mit dem Komfort eines elektromechanischen Werkzeuges
` Ein Werkzeug für alle gängigen Isolationstypen
` Schnelles und einfaches Auswechseln der Einsätze
` Schnelles und ermüdungsfreies Abisolieren und Schneiden
` Exzellente Abisolierergebnisse bei minimalem Kraftaufwand
` mehr als 30 Einsätze zum Crimpen, Abisolieren und Schneiden
Eigenschaften
▪ Ein-Knopf-Bedienkonzept zur Steuerung aller Werkzeugfunktionen
▪ PowerSense-Funktion: Vorklemmen von Hand, Crimpen mit Motor
▪ Elektronische Steuerung mit Sperrfunktion überwacht vollständiges Schließen der Presseinsätze
▪ Ergonomisches 2K-Gehäuse im Klauke „In-line-Design“
▪ Befestigungsöse für Einsatz mit Balancer oder als Fallsicherung im Außeneinsatz
▪ Sehr geringes Gewicht und hohe Geschwindigkeit für maximale Effizienz
▪ Leistungsstarke Antriebstechnik für ermüdungsfreies Arbeiten
▪ Leistungsstarker 10,8V Li-Ion-Akku - mit Ladezustandsanzeige
▪ LED zur Arbeitsraumbeleuchtung
▪ Wartungsanzeige mittels LED
geeignet für
▪ Für auswechselbare Presseinsätze der Serie 50
Technische Daten
Abisolierbereich 6 - 35 mm²
Abisolierlänge bis 28 mm
Schneidbereich bis 11,5 mm Durchmesser
Akkuspannung 10,8 V
Akkukapazität 2,5 Ah, Li-Ion
Akkuladezeit ca. 45 min.
Gewicht mit Akku 0,96 kg
Umgebungstemperatur -10 °C bis +40 °C
Leiterklassen
Artikel
1 - Rundleiter eindrähtig, 2 - Rundleiter mehrdrähtig, 5 - Rundleiter feindrähtig, 6 - Rundleiter feinstdrähtig
Art-Nr.
Elektromechanisches Abisolierwerkzeug 6 - 35 mm² EKSD50ML
Lieferumfang
Art-Nr. Akku 10,8 V / 2,5 Ah, Li-Ion (27 Wh)
RAML1225
Ladegerät für 10,8 V Li-Ion Akkus, 230 V LGL1
Abisoliereinsatz 10 mm²
Abisoliereinsatz 16 mm²
Abisoliereinsatz 25 mm²
Abisoliereinsatz 35 mm²
Kabelanschlag
SD5010
SD5016
SD5025
SD5035
SD50CS
Kunststoffkoffer KKEK50ML
Zubehör
Art-Nr.
Abisoliereinsatz 6 mm² SD5006
EKPV50MLGRP Universalwerkzeuge
EK PV 50 ML Elektromechanische Crimpzange für PV-Stecker 2,5 - 6 mm²


` Die Klauke micro mit intuitiver PowerSense-Funktion verbindet die Vorteile manueller Crimpzangen mit dem Komfort akkuhydraulischer Presswerkzeuge
` Exzellente Crimpergebnisse bei minimalem Kraftaufwand
` mehr als 30 Einsätze zum Crimpen, Abisolieren und Schneiden
Eigenschaften
▪ Ein-Knopf-Bedienkonzept zur Steuerung aller Werkzeugfunktionen
▪ PowerSense-Funktion: Vorklemmen von Hand, Crimpen mit Motor
▪ Elektronische Steuerung mit Sperrfunktion überwacht vollständiges Schließen der Presseinsätze
▪ Ergonomisches 2K-Gehäuse im Klauke „In-line-Design“
▪ Befestigungsöse für Einsatz mit Balancer oder als Fallsicherung im Außeneinsatz
▪ Sehr geringes Gewicht und hohe Geschwindigkeit für maximale Effizienz
▪ Leistungsstarke Antriebstechnik für ermüdungsfreies Arbeiten
▪ Leistungsstarker 10,8V Li-Ion-Akku - mit Ladezustandsanzeige
▪ LED zur Arbeitsraumbeleuchtung
▪ Wartungsanzeige mittels LED
geeignet für
▪ Für auswechselbare Presseinsätze der Serie 50
Technische Daten
Crimpbereich
2,5 - 6 mm²
Presszeit < 1,5 s (abhängig vom Verbindungsmaterial)
Akkuspannung 10,8 V
Akkukapazität 2,5 Ah, Li-Ion
Akkuladezeit ca. 45 min.
Gewicht mit Akku 0,96 kg
Umgebungstemperatur -10 °C bis +40 °C
Artikel
Art-Nr.
Elektromechanische Crimpzange 2,5 - 6 mm² EKPV50ML
Lieferumfang
Akku 10,8 V / 2,5 Ah, Li-Ion (27 Wh)
RAML1225
Ladegerät für 10,8 V Li-Ion Akkus, 230 V LGL1
Presseinsatz PV-Reihe, 2.5 - 6 mm²
PV502
Kunststoffkoffer KKEK50ML
Lieferbare Presseinsätze der Serie 50 für EK 50 ML
geeignet für
Rohrkabelschuhe und Verbinder - Cu
Rohrkabelschuhe - Cu, Normalausführung
Rohrkabelschuhe und Verbinder - Cu, Normalausführung
Rohrkabelschuhe und Verbinder für Massivleiter - Cu
Presskabelschuhe und Verbinder nach DIN - Cu
Presskabelschuhe (DIN 46235) und Verbinder (DIN 46237, Teil 1) nach DIN - Cu
Quetschkabelschuhe, Verbinder und Stiftkabelschuhe nach DIN - Cu
Quetschkabelschuhe (DIN 46234) und Stiftkabelschuhe (DIN46230) nach DIN - Cu, Quetschverbinder (DIN 46341 nach DIN - Cu
Isolierte Quetschkabelschuhe und Verbinder
Kabelverbindungen, isoliert und nicht isoliert
Kabelverbindungen, Einzelpressung
Isolierte Kabelverbindungen, Doppelpressung
Für Stift- und Schirmhülsen, BNC-Stecker für Koax-Kabel RG 58, 59, 62 und 71
Rundstecker, Steckbuchsen
Schneideinsatz
für das Schneiden von Knotenketten, Kabelklasse 2 bis 25 mm², Kupferschienen und Sthlseilen
Abisoliereinsätze
für das Abisolieren von allen gängigen Isolationstypen
Verbindungsmaterial
Pressbereich mm² Pressform Seite
- 6
EC 50 ML Elektromechanisches
Schneidwerkzeug


` Die Klauke micro mit intuitiver PowerSense-Funktion verbindet die Vorteile manueller Schneidwerkzeuge mit dem Komfort akkuhydraulischer Schneidwerkzeuge
` Exzellente Schneidergebnisse bei minimalem Kraftaufwand
Eigenschaften
▪ Ein-Knopf-Bedienkonzept zur Steuerung aller Werkzeugfunktionen
▪ PowerSense-Funktion: Vorklemmen von Hand, Schneiden mit Motor
▪ Elektronische Steuerung mit Sperrfunktion überwacht vollständiges Schließen der Schneideinsätze
▪ Ergonomisches 2K-Gehäuse im Klauke „In-line-Design“
▪ Befestigungsöse für Einsatz mit Balancer oder als Fallsicherung im Außeneinsatz
▪ Sehr geringes Gewicht und hohe Geschwindigkeit für maximale Effizienz
▪ Leistungsstarke Antriebstechnik für ermüdungsfreies Arbeiten
▪ Leistungsstarker 10,8V Li-Ion-Akku - mit Ladezustandsanzeige
▪ LED zur Arbeitsraumbeleuchtung
▪ Wartungsanzeige mittels LED geeignet für
▪ Knotenketten
▪ mehrdrähtige Rundleiter z. B. nach EN 60228 Kl. 2
▪ Kupferschienen bis 3 mm x 10 mm
▪ Stahlseile und ähnliche Materialien bis 3 mm
Technische Daten
Schneidbereich bis zu 13 mm Ø
Schneidzeit < 2 s
Akkuspannung 10,8 V
Akkukapazität 2,5 Ah, Li-Ion
Akkuladezeit ca. 45 min.
Gewicht mit Akku 0,96 kg
Umgebungstemperatur -10 °C bis +40 °C
Artikel
Art.-Nr.
Elektromechanisches Schneidwerkzeug EC50ML
Lieferumfang
Art-Nr.
Schneideinsatz S502
Akku 10,8 V / 2,5 Ah, Li-Ion (27 Wh)
RAML1225
Ladegerät für 10,8 V Li-Ion Akkus, 230 V LGML1
Kunststoffkoffer 450 x 370 x 105 mm KKEK50ML
DENKEN SIE AN IHRE GESUNDHEIT!
Häufiges manuelles Verarbeiten führt auf die Dauer zu einer Überbeanspruchung im Handgelenk- und Unterarmbereich. Mit der Klauke Micro benötigen Sie nur ca. 10% der Handkraft für die Verarbeitung im Vergleich zu einem mechanischen Handwerkzeug. Das motorisierte Arbeiten mit der Micro ist eine Investition, die sich rechnet!

EIN WERKZEUG FÜR
ALLE FÄLLE –UNIVERSALWERKZEUGE
Pressen, Schneiden oder Lochen: Austauschbare Adapter und Einsätze passen das Werkzeug schnell an individuelle Aufgaben an. Leicht im Gewicht und stark in der Anwendung: Verpressen bis 400 mm², Schneiden bis 40 mm Durchmesser oder Stanzen bis 92 x 92 mm, für die Klauke Multi alles kein Problem. Die Klauke Multi: in jedem Fall das richtige Werkzeug.

` Presst mit System
Alle Presseinsätze von Klauke funktionieren mit jedem Klauke-Werkzeug. Verpressen Sie Kabelschuhe mit der Klauke Serie 22 (6T-Werkzeuge) und mit Breit verpressung der Serie 13 (12T-Werkzeuge). Unterschiedliche Pressformen und Nennquerschnitte bis 400 mm2 bearbeiten Sie mit nur einem Werkzeug.
◾ Verwendbar mit der Einsatzserie 22 (6T)
◾ Breitverpressung mit der Einsatzserie 13 (12T) möglich
◾ Querschnitte bis 400 mm2
◾ Einfaches Auswechseln der Adapter
` Das Plus: Lochstanzen
Umrüsten auf Lochstanzen ist mit der Klauke multi ganz leicht. In Verbindung mit den Lochstanz-Adaptern von Greenlee können Löcher bis 64 mm rund und max. 92 mm x 92 mm quadratisch gestanzt werden.
` Schneidet rundum
Bleiben Sie auf verschiedene Materialien vorbereitet. Kabel aus Kupfer und Aluminium sind mit dem passenden Schneidkopf kein Problem, ebenso wie Profilschienen, Gewindestangen oder Oberleitungen der Eisenbahn. Klauke Universalwerkzeug schneidet alles bis 40 mm Durchmesser.
◾ Schneiden von unterschiedlichen Materialien möglich: Kabel aus Aluminium und Kupfer, Gewindestangen, Profilschienen, Oberleitungen der Eisenbahn und Freileitungsseile
◾ Passende Schneideinsätze für jede Anwendung
◾ Schneidbereich bis 40 mm
` Massiv im Einsatz
Das Klauke Universalwerkzeug kann auch für Bearbeitungsvorgänge an massiven Stromschienen und Lamellenschienen bis 120 mm x 12 mm genutzt werden. Biegen, Lochen, Schneiden und Kröpfen gehen mit einem Gerät, das mit der AHP700L und den elektrischen Pumpen von Klauke betrieben werden kann.

` Ein Kopf zum Pressen, Schneiden und Lochen - Ein Werkzeug für alle Fälle
` Ideal für den Montagebereich, da alle gängigen Arbeiten mit nur einem Werkzeug erledigt werden können
` Zum Anschluss an hydraulische Pumpen mit 700 bar Betriebsdruck für optimale Press-, Schneid- und Lochstanzergebnisse
Eigenschaften
▪ Universalkopf mit Schnellkupplung, im drucklosen Zustand 360° drehbar, aufklappbar
▪ Diverse Schneideinsätze für Aluminium- und Kupferleiter mit und ohne Armierung sowie Al/St-Seile (ACSR)
▪ Locheinsätze zum Lochen von DIN-Schienen
▪ Adapter für Presseinsätze der Klauke Serie 22
Verarbeitungshinweise
▪ Austauschbare Adapter und Einsätze zum Pressen, Schneiden oder Lochen finden Sie auf Seite 6.16
Technische Daten
Presskraft
Hub
Presszeit
60 kN
42 mm
3 s bis 5 s (abhängig vom Pressquerschnitt)
Anzahl Pressungen ca. 300 bei 150 mm² Cu DIN
Schneidbereich max. Ø 40 mm
Anzahl Schnitte ca. 110 bei 4 x 70 mm² NYY
Stanzleistung bis Ø 64 mm rund, bis 92 x 92 mm Quadrat
Betriebsdruck max. 700 bar
Länge 350 mm
Gewicht
Artikel
2,4 kg
Art.-Nr. Hydraulischer Universalkopf PK60UNV
Lieferumfang
Art-Nr.
Tragetasche TT2
Akkuhydraulische Universalwerkzeuge
EKM60UNVGRP
EKM 60 UNV Akkuhydraulisches Universalwerkzeug 6 - 300 mm²

` Ein Kopf zum Pressen, Schneiden, Lochen - Ein Werkzeug für alle Fälle
` Ideal für den Montagebereich, da alle gängigen Arbeiten mit nur einem Werkzeug erledigt werden können
` Alle Werkzeugdaten im Blick dank Display und i-press® App
` Klein und schlank, perfekt für beengte Verhältnisse
Eigenschaften
▪ Wählen Sie Ihr Akku-System: Bosch oder Makita
▪ Einfaches Auslesen aller Daten mittels Bluetooth
▪ Universalkopf aufklappbar, drehbar
▪ Einfach und sicher: Ein-Knopf-Bedienkonzept zur Steuerung aller Werkzeugfunktionen
▪ Ermüdungsfreies Arbeiten durch ausgewogene Schwerpunktlage
▪ LED zur Arbeitsraumbeleuchtung
▪ Einfach und sicher: Automatischer Rücklauf nach vollendetem Arbeitsgang (Pressen oder Schneiden)
▪ Immer einsatzbereit dank Ladestand- und Serviceanzeige
Verarbeitungshinweise
▪ Austauschbare Adapter und Einsätze zum Pressen, Schneiden oder Lochen finden Sie auf Seite 6.16
Technische Daten
Presskraft 60 kN
Hub 42 mm
Pressbereich 6 - 300 mm²
Presszeit 7 s bis 9 s (abhängig vom Pressquerschnitt)
Schneidbereich max. Ø 40 mm
Stanzleistung bis Ø 64 mm rund; bis 92 x 92 mm Quadrat
Akkuladezeit 15 min.
Gewicht 3,0 kg
Umgebungstemperatur -10 °C bis +40 °C
Artikel
Art-Nr. Bosch Art-Nr. Makita Akkuhydraulisches Universalwerkzeug 6 - 300 mm² EKM60UNVCFB EKM60UNVCFM
Lieferumfang
Bosch Akku 18 V / 2,0 Ah, Li-Ion RALB1EU
Bosch Ladegerät für 18 V Li-Ion Akkus LGLB1EU
Makita Akku 18 V / 1,5 Ah, Li-Ion RAL1
Makita Schnell-Ladegerät für 18 V Li-Ion Akkus LGL1
Adapter für Presseinsätze der Serie 22 UA22 UA22
Kunststoffkoffer KKMUNVNG KKMUNVNG
Zubehör
Bosch Akku 18 V / 5,0 Ah, Li-Ion RALB2EU
Makita Akku 18 V / 3,0 Ah, Li-Ion (54 Wh) RAL2
Varianten
L-BOXX mit akkuhydraulischem Universalwerkzeug EKM60UNVCFB LBOXXEKM60UNVCFB
UNV Akkuhydraulisches Universalwerkzeug 6 - 300 mm²

` Ein Kopf zum Pressen, Schneiden und Lochen - Ein Werkzeug für alle Fälle
` Ideal für den Montagebereich, da alle gängigen Arbeiten mit nur einem Werkzeug erledigt werden können
` Schnelles Arbeiten durch 2-Stufen Hydraulik
` Alle Werkzeugdaten im Blick dank Display und i-press® App
Eigenschaften
▪ Wählen Sie Ihr Akku-System: Bosch oder Makita
▪ Einfaches Auslesen aller Daten mittels Bluetooth
▪ Universalkopf aufklappbar, drehbar
▪ Einfach und sicher: Ein-Knopf-Bedienkonzept zur Steuerung aller Werkzeugfunktionen
▪ Ermüdungsfreies Arbeiten durch ausgewogene Schwerpunktlage
▪ LED zur Arbeitsraumbeleuchtung
▪ 2-Stufen-Hydraulik mit schnellem Vorlauf und Krafthub
▪ Einfach und sicher: Automatischer Rücklauf nach vollendetem Arbeitsgang (Pressen oder Schneiden)
▪ Immer einsatzbereit dank Ladestand- und Serviceanzeige
Verarbeitungshinweise
▪ Austauschbare Adapter und Einsätze zum Pressen, Schneiden oder Lochen finden Sie auf Seite 6.16
Technische Daten
Presskraft 60 kN
Hub 42 mm
Pressbereich 6 - 300 mm²
Presszeit 3 s bis 5 s (abhängig vom Pressquerschnitt)
Schneidbereich max. Ø 40 mm
Stanzleistung bis Ø 64 mm rund; bis 92 x 92 mm Quadrat
Akkuladezeit 45 min.
Gewicht 4,8 kg
Umgebungstemperatur -10 °C bis +40 °C
Artikel
Art-Nr. Bosch Art-Nr. Makita
Akkuhydraulisches Universalwerkzeug 6 - 300 mm² EK60UNVCFB EK60UNVCFM
Lieferumfang
Bosch Akku 18 V / 5,0 Ah, Li-Ion RALB2EU
Bosch Ladegerät für 18 V Li-Ion Akkus LGLB1EU
Makita Akku 18 V / 4,0 Ah, Li-Ion RAL40
Makita Schnell-Ladegerät für 18 V Li-Ion Akkus LGL1
Adapter für Presseinsätze der Serie 22 UA22 UA22
Kunststoffkoffer KK120UNVNG KK120UNVNG
EK120UNVGRP
120 UNV Akkuhydraulisches Universalwerkzeug 10 - 400 mm²

` Ein Kopf zum Pressen, Schneiden und Lochen - Ein Werkzeug für alle Fälle
` Ideal für den Montagebereich, da alle gängigen Arbeiten mit nur einem Werkzeug erledigt werden können
` Alle Werkzeugdaten im Blick dank Display und i-press® App
Eigenschaften
▪ Wählen Sie Ihr Akku-System: Bosch oder Makita
▪ Einfaches Auslesen aller Daten mittels Bluetooth
▪ Universalkopf aufklappbar, drehbar
▪ Einfach und sicher: Ein-Knopf-Bedienkonzept zur Steuerung aller Werkzeugfunktionen
▪ Ermüdungsfreies Arbeiten durch ausgewogene Schwerpunktlage
▪ LED zur Arbeitsraumbeleuchtung
▪ 2-Stufen-Hydraulik mit schnellem Vorlauf und Krafthub
▪ Einfach und sicher: Automatischer Rücklauf nach vollendetem Arbeitsgang (Pressen oder Schneiden)
▪ Immer einsatzbereit dank Ladestand- und Serviceanzeige
Verarbeitungshinweise
▪ Austauschbare Adapter und Einsätze zum Pressen, Schneiden oder Lochen finden Sie auf Seite 6.16
Technische Daten
Presskraft 108 kN Hub 42 mm
Pressbereich 10 - 400 mm²
Presszeit Kabeltypabhängig
Schneidbereich max. Ø 40 mm
Stanzleistung bis Ø 144 mm rund; bis 138 x 138 mm Quadrat
Akkuladezeit 45 min.
Gewicht 6,5 kg
Umgebungstemperatur -10 °C bis +40 °C
Artikel
Art-Nr. Bosch Art-Nr. Makita Akkuhydraulisches Universalwerkzeug 10 - 400 mm² EK120UNVCFB EK120UNVCFM
Lieferumfang
Bosch Akku 18 V / 5,0 Ah, Li-Ion RALB2EU
Bosch Ladegerät für 18 V Li-Ion Akkus LGLB1EU
Makita Akku 18 V / 4,0 Ah, Li-Ion RAL40
Makita Schnell-Ladegerät für 18 V Li-Ion Akkus LGL1
Adapter für Presseinsätze der Serie 13 UA12TKL UA12TKL
Kunststoffkoffer KK120NG KK120NG
Zubehör
Bosch Akku 18 V / 5,0 Ah, Li-Ion RALB2EU
Makita Akku 18 V / 4,0 Ah, Li-Ion RAL40
Universalwerkzeuge Stromschienenbearbeitungszentrum
^Adapter_Universalwerkzeuge^ Austauschbare Adapter und Einsätze zum Pressen, Schneiden oder Lochen
Artikelbeschreibung
Anwendung: Pressen 6 ton 12 ton


Adapter für Presseinsätze der Serie 13
Adapter für Presseinsätze der Serie 22
Anwendung: Schneiden





Schneideinsatz für ACSR Freileitungen und Stahl
UCACSR
Schneideinsatz für Cu-/Al-Leiter ohne Armierung (nicht für fein- und feinstdrähtige Leiter geeignet) UC26
Schneideinsatz für Cu-/Al-Leiter ohne Armierung (nicht für fein- und feinstdrähtige Leiter geeignet)
Schneideinsatz für Gewindestangen M6 metrisch
Schneideinsatz für Gewindestangen M8 metrisch
Schneideinsatz für Gewindestangen M10 metrisch
Schneideinsatz für Gewindestangen M12 metrisch
Schneideinsatz für Profilschienen 35 x 15
Schneideinsatz für Profilschienen 35 x 7.5
Schneideinsatz zum Fahrdrahtschneiden im Eisenbahnbau 107 mm2, Typ AC
Schneideinsatz zum Fahrdrahtschneiden im Eisenbahnbau 85 mm2, Typ BC
Schneideinsatz zum Fahrdrahtschneiden im Eisenbahnbau 110 mm2, Typ BC
Schneideinsatz zum Fahrdrahtschneiden im Eisenbahnbau 120 mm2, Typ BC
Schneideinsatz zum Fahrdrahtschneiden im Eisenbahnbau 150 mm2, Typ BC
Anwendung: Lochen


Lochstanzadapter bis Ø 64 mm, 92 x 92 mm und 46 x 92 mm
UC40
UCM6
UCM8
UCM10
UCM12
UCD3515
UCD3575
UCAC107
UCBC85
UCBC110
UCBC120
UCBC150
Lochstanzadapter bis Ø 144 mm, 138 x 138 mm und 68 x 138 mm UA12P
Locheinsatz für Profilschienen 35 x 15; 32 x 15 x 9; 35 x 7,5 UPD6
Stromschienenbearbeitungszentrum
50052241grp
Stromschienenbearbeitungszentrum

` Grundgerät zum Biegen, Lochen und Schneiden von Strom- und Lamellenschienen bis 120 x 12 mm
` Kompakte Bauform und niedriges Gewicht
geeignet für
▪ Antrieb mit der EHP4 oder AHP700-L
Zusatzinformationen
▪ Für Antrieb mit EHP4 ist der Artikel-Nummer-Zusatz „EHP4“ erforderlich (50052241EHP4). Für Antrieb mit AHP700-L ist der Stecker Sbz4 erforderlich.
Technische Daten
Presskraft 185 kN
Max. Arbeitsdruck 700 bar
Förderleistung 1,5 l / min.
Erforderliches Ölvolumen 0,15 l
Abmessungen 480 x 500 x 360 mm
Gewicht 51 kg
Artikel
Art.-Nr. Stromschienenbearbeitungszentrum 50052241
50052250grp
Biegewerkzeug

` Für Materialien AI/Cu bis max. 120 x 12 mm
` Biegeradius 5,0 mm
Eigenschaften
▪ Max. Biegewinkel 100°
Technische Daten
Gewicht 7,1 kg
Artikel
Art.-Nr. Biegewerkzeug 5,0 mm Biegeradius 50052250
50052128grp
Lochwerkzeug I

Eigenschaften
▪ Massivschienen aus Al/Cu bis max. 12 mm und Stahl bis 10 mm Materialstärke geeignet für
▪ Lochdurchmesser von 6,5 - 21 mm
Technische Daten
Gewicht 4,5 kg
Artikel
Art.-Nr. Lochwerkzeug I 50052128
50052276grp
Locheinsätze für Lochwerkzeug I

Eigenschaften
▪ Massivschienen aus Al/Cu bis max. 12 mm und Stahl bis 10 mm Materialstärke
Artikel
Locheinsatz Ø 6,5 mm
Locheinsatz Ø 8,5 mm
Locheinsatz Ø 11 mm
Locheinsatz Ø 13 mm
Locheinsatz Ø 15 mm
Locheinsatz Ø 17 mm
Langlocheinsatz 8,5 x 16 mm
Langlocheinsatz 13,0 x 20 mm
Langlocheinsatz 17,0 x 20 mm
Langlocheinsatz 6,5 x 13 mm
Langlocheinsatz 11,0 x 20 mm
Art.-Nr.
50052276
50052284
50052292
50052306
50052314
50052322
50052357
50052373
50052381
50052349
50052365
Lochwerkzeug III
50766919grp

Eigenschaften
▪ Massiv- und Lamellenschienen aus Al/Cu bis max 12 mm und Stahl bis 10 mm Materialstärke geeignet für
▪ Lochdurchmesser von 6,5 - 21 mm
Technische Daten
Gewicht 4,5 kg
Artikel
Lochwerkzeug III
Art.-Nr.
50766919
Locheinsätze für Lochwerkzeug III
50115286grp

Eigenschaften
▪ Massiv- und Lamellenschienen aus Al/Cu bis max 12 mm und Stahl bis 10 mm Materialstärke
Artikel
Locheinsatz Ø 6,5 mm
Locheinsatz Ø 8,5 mm
Locheinsatz Ø 11 mm
Locheinsatz Ø 15 mm
Langlocheinsatz 6,5 x 13 mm
Langlocheinsatz 8,5 x 16 mm
Langlocheinsatz 11 x 20 mm
Langlocheinsatz 13 x 20 mm
Langlocheinsatz 17 x 20 mm
Art.-Nr.
50115286
50115294
50115308
50115324
50115359
50115367
50115375
50115383
50115391
50052144grp
Schneidwerkzeug

Eigenschaften
▪ Materialien AI/Cu bis max. 120 x 12 mm
Technische Daten
Gewicht 5,3 kg
Artikel
Art.-Nr. Schneidwerkzeug
50052144
50052152grp
Kröpfwerkzeug

Eigenschaften
▪ Werkstückversatz 5, 6, 8, 10 und 12 mm durch Einsatz der Einlegeplatten
▪ Materialien AI/Cu bis max. 120 x 12 mm
Technische Daten
Abmessungen 175 x 90 x 135 mm
Gewicht 10,0 kg
Artikel
Art.-Nr. Kröpfwerkzeug
50052152
Zubehörkoffer Alu für Lochwerkzeuge, leer
50052160grp

geeignet für ▪ Aufbewahrung des Zubehörs
Technische Daten
Abmessungen 350 x 250 x 200 mm
Gewicht 4,3 kg
Artikel
Art.-Nr. Werkzeugkoffer Alu (leer)
50052160

DER RICHTIGE ANTRIEB FÜR JEDE TÄTIGKEIT.
Auch beim Thema Antriebsaggregate überlässt Klauke nichts dem Zufall. Ganz gleich, wo, wie und wann: mit Klauke Hydraulikpumps haben Sie die Kraft, die Sie brauchen.

Pumpen
DER ANTRIEB –
HYDRAULISCHE PUMPEN
UND ANTRIEBSAGGREGATE
Bei Klauke passt alles zusammen. Klauke Hydraulikpumpen versorgen jeden Klauke Press-, Schneid- und Multi-Kopf mit dem nötigen Schub. Alle Pumpen sind auf die verschiedenen Köpfe eingestimmt. Sie machen mit 700 bar Druck, damit das Werkzeug bei jedem Einsatz volle Leistung liefert.

` Antrieb per Fußdruck: hydraulische Fußpumpen
Behalten Sie Ihre Hände frei: Mit den standfesten hydraulischen Fußpumpen betreiben Sie alle Press- und Schneidköpfe mit Ihrem Fußdruck. Die 2-Stufen-Hydraulik arbeitet dabei besonders effizient.
` Mobiler Druck: akkuhydraulische Pumpen
Pumpen Sie, wo Sie wollen. Unsere akkuhydraulische Pumpe AHP 700-L nehmen Sie mit Schultergurt oder Tragerucksack einfach mit.
◾ Pumpe mit bis zu 700 bar Druck
◾ Kompakte Bauweise für den mobilen Einsatz
◾ Einfache Bedienung über Handschalter mit 1,5 m Kabel
◾ Display mit Umstellfunktion
◾ Hydraulikschlauch bis zu 10 m Länge erhältlich
◾ Fußpumpe mit bis zu 700 bar Druck
◾ 2-Stufen-Hydraulik für effiziente Pumpwirkung
◾ Automatische Druckabschaltung
◾ Höchster Komfort und gute Standfestigkeit
◾ Bis zu 10 m Hydraulikschlauch erhältlich
` Druck mit Strom: elektrohydraulische Pumpen
Nutzen Sie die volle Kraft Ihrer Werkzeuge auch mit dem elektrohydraulischen Antrieb der EHP 2, 3 oder 4.
◾ Druckleistung bis zu 700 bar
◾ Hohe Förderleistung bei kompakter Bauform
◾ Hydraulikschlauch bis zu 10 m Länge erhältlich
FHP2grp FHP 2 Fußpumpe 700 bar

` Zweistufenhydraulik
` Manueller Rücklauf bei Bedarf, auch im Hochdruckbereich
` Gute Standfestigkeit
Eigenschaften
▪ Automatische Druckabschaltung geeignet für
▪ Den Betrieb von hydraulischen Press- und Schneidköpfen
Technische Daten
Betriebsdruck max. 700 bar
Gewicht 12 kg
Artikel
Art.-Nr. Fußpumpe 700 bar
Lieferumfang
Hydraulikschlauch, 2 m
Zubehör
Hydraulikschlauch, 3 m
Hydraulikschlauch, 4 m
Hydraulikschlauch, 5 m
Hydraulikschlauch, 6 m
Hydraulikschlauch, 8 m
Hydraulikschlauch, 10 m
FHP2
Art-Nr.
HS22
Art.-Nr.
HS23
HS24
HS25
HS26
HS28
HS210
Akkuhydraulische Pumpe, 700 bar

` Kompakte und leichte Bauform zum mobilen Einsatz ` Hohe Förderleistung
Eigenschaften
▪ Programm-Umschaltung für Pressen, Schneiden und Lochen
▪ Gehäuse aus stoßfestem, glasfaserverstärktem Polyamid
▪ Großes Display zur Überwachung, Diagnose und Einstellung der Pumpe
▪ Zwei leistungsstarke Lithium-Ionen-Akkus mit hoher Kapazität
▪ Automatischer Rücklauf nach vollendetem Arbeitsgang
▪ Man. Rücklaufstopp mit „teach-in“ (MRS+) zur Positionssteuer. bei Mehrfachpressungen
▪ Fernbedienung mit Kabel zur einfachen Bedienung der Akkupumpe
▪ Wartungsanzeige mittels LED
▪ Alle Hydraulikschläuche mit Kupplungsstecker und Kupplungsmuffe, ölbefüllt
▪ Hoher Tragekomfort durch Schultergurt mit Polster geeignet für
▪ Den Betrieb aller einfach wirkenden Klauke Press-, Schneidund Stanzwerkzeuge mit 700 bar Betriebsdruck
▪ Den an Stromschienenbearbeitungszentrum
▪ Das Stanzen von Stromschienen in Verbindung mit LSK 120 und Adapter CMGSK
Zusatzinformationen
▪ Auch in länderspezifischer Variante lieferbar, Artikel-Nummer-Zusatz „C“
Technische Daten
Akkuspannung 18 V
Akkukapazität 2 x 4,0 Ah, Li-Ionen
Akkuladezeit 22 min.
Gewicht mit Akku mit zwei Akkus ca. 6,4 kg
Umgebungstemperatur -12 °C bis +40 °C
Betriebsdruck max. 700 bar
Max. Ölvolumen ca. 800 ml
Abmessungen
Artikel
L x B x H: 330 x 160 x 280 mm
Art.-Nr.
Akkuhydraulische Pumpe, 700 bar AHP700L
Lieferumfang
Makita Akku 18 V / 4,0 Ah, Li-Ion
Makita Schnell-Ladegerät für 18 V Li-Ion-Akkus
Hydraulikschlauch, 2 m, ölbefüllt
Art-Nr. Menge
RAL40 2
LGL1 1
HSOEL2 1
Tragegurt mit Schulterpolster TG3 1
Tragetasche TT2 1
Fernbedienung mit 1,5 m Kabel HTA4 1
Zubehör
Art.-Nr.
Hydraulikschlauch, 3 m, ölbefüllt HSOEL3
Hydraulikschlauch, 4 m, ölbefüllt HSOEL4
Hydraulikschlauch, 5 m, ölbefüllt HSOEL5
Hydraulikschlauch, 6 m, ölbefüllt HSOEL6
Hydraulikschlauch, 10 m, ölbefüllt HSOEL10
18 V Netzadapter für 230 V Netzspannung NG2230
Zweihand-Sicherheitssteuerung für akkuhydraul. Pumpe AHP 700-L ZST4
Fußtaster für akkuhydraul. Pumpe AHP 700-L FTA4
Transport-Rucksack TRAHP700L
Varianten
Art.-Nr.
AHP 700-L mit Transport-Rucksack im Set TRAHP700LSET
50132849grp
767 Hydraulik-Handpumpe

` Leichte, tragbare Handpumpe ` Robuste Bauweise
Eigenschaften
▪ Vielseitig einsetzbar - arbeitet in jeder Position
▪ Inkl. Montagelöcher für die Werkbankmontage
Zusatzinformationen
▪ In Verbindung mit dem Zugzylinder 50170910 für alle Lochergrößen
Technische Daten
Abmessungen
330 x 100 x 100 mm
Betriebsdruck max. 460 bar
Gewicht 2,7 kg
Artikel
Hydraulik-Handpumpe 767
Art.-Nr.
50132849
50313533grp
1725 Hydraulik-Fußpumpe

` Fußbetätigung für beidhändiges Bedienen der Rund- und Formlocher
Eigenschaften
▪ Arretierbares Pedal für Lagerung und Transport
▪ Vielseitig einsetzbar
Zusatzinformationen
▪ In Verbindung mit dem Zugzylinder 50170910 für alle Lochergrößen
Technische Daten
Abmessungen 400 x 200 x 150 mm
Betriebsdruck max. 460 bar
Gewicht 5,0 kg
Artikel
1725 Hydraulik-Fußpumpe
Zubehör
Art.-Nr.
50313533
Art.-Nr. Hydraulikschlauch Ø 6,4 mm x 3 m
50377299
Pumpen
Zubehör für hydraulische Werkzeuge
Zubehör für hydraulische Werkzeuge
RAL 1 Makita Akku 18 V / 1,5 Ah, Li-Ion (27 Wh)
RAL1grp

Eigenschaften
▪ Kein Memory-Effekt
▪ Sehr geringe Selbstentladung
▪ Geringes Gewicht geeignet für
▪ Für akkuhydraulische Werkzeuge Next Generation mit Makita Akkuaufnahme
Technische Daten
Akkuspannung 18 V
Akkukapazität 1,5 Ah
Akkuladezeit mit LGL1: 15 min.
Zellentechnologie Li-Ion Gewicht 0,4 kg
Artikel
Makita Akku 18 V / 1,5 Ah, Li-Ion
RAL 2 Makita Akku 18 V / 3,0 Ah, Li-Ion (54 Wh)
RAL2grp

Eigenschaften
▪ Kein Memory-Effekt
▪ Sehr geringe Selbstentladung
▪ Geringes Gewicht geeignet für
▪ Akkuhydraulische Werkzeuge Next Generation mit Makita Akkuaufnahme
Technische Daten
Akkuspannung 18 V
Akkukapazität 3,0 Ah
Akkuladezeit mit LGL1: 22 min.
Zellentechnologie Li-Ion Gewicht 0,6 kg
Artikel Art.-Nr.
Makita Akku 18 V / 3,0 Ah, Li-Ion (54 Wh)
RAL40grp
RAL 40 Makita Akku 18 V / 4,0 Ah, Li-Ion (72 Wh)

Eigenschaften
▪ Kein Memory-Effekt
▪ Sehr geringe Selbstentladung
▪ Leicht - gleiches Gewicht wie Makita 3,0 Ah Akku geeignet für
▪ Akkuhydraulische Werkzeuge Next Generation mit Makita Akkuaufnahme
Technische Daten
Akkuspannung 18 V
Akkukapazität 4,0 Ah
Akkuladezeit Mit LGL1: 36 min.
Umgebungstemperatur -20 °C bis +40 °C
Zellentechnologie Li-Ion Gewicht 0,6 kg
Artikel
Makita Akku 18 V / 4,0 Ah, Li-Ion
Art.-Nr.
RAL40
RAL 4 Makita Akku 18 V / 5,0 Ah, Li-Ion
RAL4grp

Eigenschaften
▪ Kein Memory-Effekt
▪ Sehr geringe Selbstentladung
▪ Leicht - gleiches Gewicht wie Makita 3,0 Ah Akku
geeignet für
▪ Akkuhydraulische Werkzeuge Next Generation mit Makita Akkuaufnahme
Technische Daten
Akkuspannung 18 V
Akkukapazität 5,0 Ah
Akkuladezeit Mit LGL1: 45 min.
Umgebungstemperatur -20 °C bis +40 °C
Zellentechnologie Li-Ion Gewicht 0,6 kg
Artikel
Makita Akku 18 V / 5,0 Ah, Li-Ionen (90 Wh)
Art.-Nr.
RAL4
RALB1EUGRP
B1 EU Bosch Akku 18 V / 2,0 Ah, Li-Ion

Technische Daten
Akkukapazität 2,0 Ah
Akkuladezeit mit LGLB1EU: 15 min.
Zellentechnologie Li-Ion
Spannungsbereich 18 V Gewicht 0,4 kg
Artikel
Art.-Nr.
Bosch Akku 18 V / 2,0 Ah, Li-Ion RALB1EU
RAL
Pumpen
Zubehör für hydraulische Werkzeuge
RALB2EUGRP
RAL B2 EU Bosch Akku 18 V / 5,0 Ah, Li-Ion
Technische Daten

Akkuspannung 18 V
Akkukapazität 5,0 Ah
Akkuladezeit Mit LGLB1EU: 45 min.
Zellentechnologie Li-Ion Gewicht 0,69 kg
Artikel
Art.-Nr.
Bosch Akku 18 V / 5,0 Ah, Li-Ion RALB2EU
RAML1GRP
RAML1225
Akku 10,8 V / 2,5 Ah, Li-Ion (27 Wh)

Technische Daten
Akkuspannung 10,8 V
Akkukapazität 2,5 Ah
Zellentechnologie Li-Ion Gewicht 0,3 kg
Artikel
Art.-Nr. Akku 10,8 V / 2,5 Ah, Li-Ion (27 Wh) RAML1225
NG2 Netzadapter 18 V für 120 V bzw. 230 V Netzspannung
NG2grp

Eigenschaften
▪ Übertemperaturschutz
▪ Einschaltstrombegrenzung
▪ Überspannungsschutz 250 V
▪ Kabellänge: 5 m
geeignet für
▪ Alle Klauke Werkzeuge mit 18 V Akkuaufnahme - Makita Version
Technische Daten
Netzanschluss 120 V / 230 V
Spannungsbereich 18 V Gewicht 0,8 kg
Artikel
18 V Netzadapter für 120 V Netzspannung
18 V Netzadapter für 230 V Netzspannung
Art.-Nr.
NG2115
NG2230
LGL 1 Makita Schnell-Ladegerät für 18 V Li-Ion-Akkus
LGL1grp

geeignet für
▪ Klauke Li-Ion Makita Akkus mit 18 V
Technische Daten
Akkuladezeit mit RAL1: 15 min., mit RAL2: 22 min.
Netzanschluss 230 V
Spannungsbereich 18 V Gewicht 1,0 kg
Artikel
Makita Schnell-Ladegerät für 18 V Li-Ion-Akkus
LGL K18 EU Klauke Ladegerät für 18 V Li-Ion-Akkus

geeignet für
▪ Klauke Li-Ion Akkus mit 18 V
Technische Daten
Netzanschluss 220 - 240 V
Spannungsbereich 18 V Gewicht 0,982 kg
Artikel Art.-Nr. Klauke Ladegerät für 18 V Li-Ion-Akkus LGLK18EU
LGL 3 Makita Ladegerät für 18 V Li-Ion-Akkus
LGL3grp

geeignet für
▪ Klauke Li-Ion Makita Akkus mit 18 V
Technische Daten
Akkuladezeit 60 min.
Netzanschluss 220 - 240 V
Spannungsbereich 18 V Gewicht 0,6 kg
Artikel
Ladegerät für 18 V Li-Ion Akkus
Pumpen
Zubehör für hydraulische Werkzeuge
LGLB1EUGRP
LGL B1 EU Bosch Ladegerät für 18 V Li-Ion Akkus

geeignet für
▪ Alle Klauke Li-Ion Bosch Akkus mit 18 V
Technische Daten
Akkuladezeit mit RALB1EU: 15 min, mit RALB2EU: 45 min.
Netzanschluss 230 V
Spannungsbereich 18 V Gewicht 0,65 kg
Artikel Art.-Nr. Bosch Ladegerät für 18 V Li-Ion Akkus
LGML1GRP
LGML 1 Ladegerät für 10,8 V Li-Ion Akkus, 230 V

TG 3 Tragegurt mit Schulterpolster

geeignet für
▪ Alle Klauke Li-Ion Bosch Akkus mit 18 V
Technische Daten
Zellentechnologie Li-Ion
Netzanschluss 220 - 240 V
Spannungsbereich 10,8 V Gewicht 0,5 kg
Artikel
Art.-Nr. Ladegerät für 10,8 V Li-Ion Akkus, 230 V LGML1
geeignet für
▪ Akkuhydraulische Pumpe AHP 700-L
Artikel
Art.-Nr. Tragegurt mit Schulterpolster TG3
ZST3grp

ZST 3 / ZST 4 Zweihand-Sicherheitssteuerungen für
Pumpen
geeignet für
▪ Pumpen: EHP 4 und AHP 700-L
Artikel
Art.-Nr.
Zweihand-Sicherheitssteuerung für Pumpe EHP 4 ZST3
Zweihand-Sicherheitssteuerung für akkuhydraul. Pumpe AHP 700-L ZST4
FTA 1 / FTA 4 Fußschalter für Pumpen
FTA1grp

geeignet für
▪ Pumpen: EHP 4, HK 12/2 EL, AHP 700-L
Artikel
Art.-Nr.
Fußschalter für elektrohydraul. Pumpe EHP 4 und HK 12/2 EL FTA1
Fußtaster für akkuhydraul. Pumpe AHP 700-L FTA4
T 15 Spezial-Hydrauliköl
T15grp

Eigenschaften
▪ Umweltfreundliches Hydrauliköl, biologisch schnell abbaubar
▪ 5 l Kanister
geeignet für
▪ Sämtliche Hydraulikpumpen
Artikel
Art.-Nr.
Spezial-Hydrauliköl T15
Pumpen
Zubehör für hydraulische Werkzeuge
HS 2 Hydraulikschläuche
HS22grp

geeignet für
▪ Hydraulische Press- und Schneidsysteme und Pumpen
▪ Zum Anschluss an die Hydraulikpumpen FHP 2, PHD 2, EHP 2, EHP 3, EHP 4, HK12/2 EL, HK 25/2 EL, AS 65 FHP, AS 105 FHP, HK 25/2, HK 45
Artikel
Hydraulikschlauch, 2 m
Hydraulikschlauch, 3 m
Hydraulikschlauch, 4 m
Hydraulikschlauch, 5 m
Hydraulikschlauch, 6 m
Hydraulikschlauch, 8 m
Hydraulikschlauch, 10 m
Art.-Nr.
HS22
HS23
HS24
HS25
HS26
HS28
HS210
HSOELgrp
HS OEL Hydraulikschläuche, ölbefüllt
Eigenschaften
▪ Zum Anschluss an die akkuhydraulische Pumpe AHP 700-L

Zusatzinformationen
▪ Auch in länderspezifischer Variante lieferbar, Artikel-Nummer-Zusatz „C“
Artikel
Hydraulikschlauch, 2 m, ölbefüllt
Art.-Nr.
HSOEL2
Hydraulikschlauch, 3 m, ölbefüllt HSOEL3
Hydraulikschlauch, 4 m, ölbefüllt HSOEL4
Hydraulikschlauch, 5 m, ölbefüllt
Hydraulikschlauch, 6 m, ölbefüllt
HSOEL5
HSOEL6
Hydraulikschlauch, 10 m, ölbefüllt HSOEL10
50377299grp
Hydraulikschlauch Ø 6,4 mm x 3 m

Eigenschaften
▪ Gefüllt mit Hydrauliköl geeignet für
▪ Hydraulik-Fußpumpe 1725
Artikel
Art.-Nr.
Hydraulikschlauch Ø 6,4 mm x 3 m 50377299
Lieferumfang
Art-Nr.
Hydraulikschlauch 3 m 90525159
Kupplungsstecker 90541693
KST2grp
KST 2 Kupplungsstecker

Eigenschaften
▪ Einschließlich Adapter geeignet für
▪ Hydraulische Press- und Schneidsysteme und Pumpen
Artikel
Art.-Nr. Kupplungsstecker KST2
KMF 1 Kupplungsmuffe für Press- und Schneidköpfe
KMF1grp

Eigenschaften
▪ KMF 1: Zum Anschluss an die hydraulischen Press- / Schneidköpfe: PK 22, PK 120/42, PK 120 U, PK 25/2, PK 60 VP, PK 60 VP/FT, PK 60 UNV, THK 22, THK 120, SDG 45, SDG 50, SDG 55, SDG 85/2, SDG 105, SDK 65, SDK 85, SDK 105, SDK 120
▪ Einschließlich Doppelnippel
▪ Mit 1/4" - Anschluss (Außengewinde)
Artikel
Art.-Nr. Kupplungsmuffe für Press- und Schneidköpfe mit Doppelnippel KMF1
DNP2grp
DNP 2 Doppelnippel

geeignet
▪ Zum Verbinden bzw. Verlängern von Hydraulikschläuchen der Typenreihe HS 2
Artikel
Art.-Nr. Doppelnippel DNP2
HTA 4 Fernbedienung für hydraulische Pumpe
HTA4grp

geeignet für
▪ Akkuhydraulische Pumpe AHP 700-L
Artikel
Art.-Nr. Fernbedienung mit 1,5 m Kabel HTA4

SO GEHT DIE ARBEIT LEICHT VON DER HAND.
Sicherheit, Ergonomie und Langlebigkeit – diese Qualitätsmerkmale gehören bei der täglichen Arbeit zum Standard. Klauke Handwerkzeuge sind dafür wie geschaffen.

Handwerkzeuge
Handwerkzeuge
VDE-Werkzeuge
SICHER GEPRÜFTE SERIE –VDE-WERKZEUGE
Für die Sicherheit unserer Kunden lassen wir unsere Produkte auch unabhängig überprüfen. Die Kennzeichnung "VDE-Werkzeug" gibt an, dass diese besondere Klauke-Serie den aktuellen Richtlinien des Sicherheitsprüf verfahrens nach EN/IEC 60900 entspricht. Alle Werkzeuge mit dem VDE-Titel sind bis 1.000 V Wechselspannung und 1.500 V Gleichspannung zulässig. Spezial-Werkzeugstahl bringt zusätzliche Robustheit.

In Kürze
` Entspricht aktuellen Richtlinien EN/IEC 60900
` Fertigung mit Spezial-Werkzeugstahl
` Ermüdungsfreies Arbeiten durch optimale Ergonomie
` Geht gut in die Tiefe: SLIM-Serie
Schraubendreher der SLIM-Serie haben eine verjüngte Klinge im vorderen Bereich. Tiefer liegende Schrauben wie in Sicher ungsautomaten werden gut erreicht. Kein Abrutschen und Wegrollen durch spezielle Griffform. Die Slim-Serie eignet sich durch die schlanke Spitze bestens für das Lösen von Kabeln aus Federklemmen.
◾ Einsatz bei engen Platzverhältnissen durch verjüngte Klinge
◾ Sicheres Arbeiten durch Abrollschutz

` Alles sicher im Griff: VDE-Kabelschere
Die VDE-Kabelscheren halten was aus. Sie bestehen Kälteschlagprüfungen bei -25 °C, Prüfungen der Haftfähigkeit des Isoliermaterials mit 500 N und Spannungszeinzelprüfungen im Wasserbad mit 10.000 V AC. Die Belohnung: Die Zertifizierung nach EN/IEC 60900. Ganz schön sicher.
◾ Erweiterter Handschutz gegen Funkenschlag
◾ Sicheres Arbeiten durch rutschsichere Auflage
◾ Sicherheit auch unter extremen Bedingungen
◾ Für fein- und feinstdrahtige Kupfer- und Aluminiumkabel

` Mehr als eine Kraft: Kraft-Kombizange
Die Kraft-Kombizange ist ein echtes Multitalent: schneiden, greifen, kontern, Leiter einführen. Deshalb haben wir sie auch Kombi genannt. Vier Werkzeuge in einem: Sie reduzieren die Menge an Ihren Werkzeugen und die Kraftunterstützung erleichtert Ihnen auch noch das Arbeiten.
◾ Schneidet Kabel, Leitungen und Drahtseile
◾ Greifen von Flach- und Rundmaterial wie Sicherungssplints
◾ Vereinfacht das Einführen von Leitern in die Klemme oder den Sicherungsautomat
◾ Auch verwendbar, um Muttern zu kontern

Handwerkzeuge
VDE-Werkzeuge
Zangen
KL010160ISgrp
VDE-Kabelschere

Eigenschaften
▪ Nachstellbares Schraubgelenk
▪ Schneidet fein- und feinstdrähtige Kupfer- und Aluminiumkabel
Art.-Nr. KL010160IS KL010210IS
Artikel VDE-Kabelschere, 160 mm VDE-Kabelschere, 210 mm
Abmessung mm 160 210
Gewicht g 225 340
Schneidleistung bis Ø 16 25
KL020165ISgrp
VDE-Kraft-Kombizange

Eigenschaften
▪ Mit Kombi-Ringschlüssel von 11 - 17 mm (M8 - M10)
▪ Hält Flach- und Rundmaterial
▪ Schneidet weichen Draht, z.B. Kupfer, Alu, mittelharten Draht z.B. Nagel, Drahtstift und harten Draht, z.B. Drahtseil, Stahldraht
Art.-Nr. KL020165IS KL020180IS KL020205IS
Artikel VDE-Kraft-Kombizange, 165 mm VDE-Kraft-Kombizange, 180 mm VDE-Kraft-Kombizange, 205 mm
KL026205ISgrp
VDE-Kraft-Kombizange, abgewinkelt

Eigenschaften
▪ Angenehmes Arbeiten durch ergonomisch optimierten, 45° abgewinkelter Kopf
▪ Mit Kombi-Ringschlüssel von 11 - 17 mm (M8 - M10)
▪ Hält Flach- und Rundmaterial
▪ Schneidet weichen Draht, z.B. Kupfer, Alu, mittelharten Draht z.B. Nagel, Drahtstift und harten Draht, z.B. Drahtseil, Stahldraht
Art.-Nr. KL026205IS
Artikel VDE-Kraft-Kombizange, abgewinkelt, 205 mm
Abmessung mm 205
Gewicht g 285
Schneidleistung weicher Draht Ø mm 5,9
Schneidleistung mittelharter Draht Ø mm 3,8
Schneidleistung harter Draht Ø mm 2,5
KL040145ISgrp
VDE-Seitenschneider

Eigenschaften
▪ Verbessertes Schneiden von isolierten Kabeln durch abgleitreduzierendes Wellenprofil
▪ Schneidet weichen Draht, z.B. Kupfer, Alu, mittelharten Draht z.B. Nagel, Drahtstift und harten Draht, z.B. Drahtseil, Stahldraht
Art.-Nr. KL040145IS KL040160IS KL040180IS
Artikel VDE-Seitenschneider, 145 mm VDE-Seitenschneider, 160 mm VDE-Seitenschneider, 180 mm
Abmessung mm 145 160 180 Gewicht g 180
KL042190ISgrp

VDE-Elektriker-Seitenschneider
Eigenschaften
▪ Hohe Schneidleistung für feinste Drähte dank gehärteten Präzisionsschneiden
▪ Schneidet weichen Draht, z.B. Kupfer, Alu, mittelharten Draht z.B. Nagel, Drahtstift und harten Draht, z.B. Drahtseil, Stahldraht
Art.-Nr. KL042190IS
Artikel VDE-Elektriker-Seitenschneider, 190 mm
weicher Draht Ø mm
Schneidleistung mittelharter Draht Ø mm 1,0
KL045180ISgrp

VDE-Kraft-Seitenschneider
Eigenschaften
▪ Verbessertes Schneiden von isolierten Kabeln durch abgleitreduzierendes Wellenprofil
▪ Optimale Handhabung durch den ergonomisch geformten Griff
▪ Hohe Schneidleistung bei harten Drähten und Piano-Draht
Art.-Nr. KL045180IS KL044200IS KL045240IS
Artikel VDE-Kraft-Seitenschneider, 180 mm VDE-Elektro-KraftSeitenschneider, 200 mm VDE-Kraft-Seitenschneider, 240 mm
weicher Draht Ø mm
mittelharter Draht Ø mm
Handwerkzeuge
VDE-Werkzeuge
KL046200ISgrp

VDE-Hebel-Kraft-Seitenschneider
Eigenschaften
▪ 40% Kraftersparnis
▪ Hohe Schneidleistung für feinste Drähte dank gehärteten Präzisionsschneiden
▪ Spezial Werkzeugstahl gesenkgeschmiedet, ölgehärtet
▪ Schneidet mittelharten Draht z.B. Nagel, Drahtstift und harten Draht, z.B. Drahtseil, Stahldraht, sowie Piano-Draht
Art.-Nr.
KL046200IS
Artikel VDE-Hebel-Kraft-Seitenschneider
Abmessung mm 200
Schneidleistung mittelharter Draht Ø mm 4,5
Schneidleistung harter Draht Ø mm 3,5
Schneidleistung Piano-Draht Ø mm 3,0
KL050205ISgrp
VDE-Telefonzange, gerade

Eigenschaften
▪ Lange, flach-runde Backen
▪ Optimaler Halt durch gezahnte Greiffläche
▪ Schneide induktiv gehärtet
▪ Mit Kombi-Ringschlüssel von 11 - 17 mm (M8 - M10)
▪ Mit Drahtschneider für weichen Draht, z.B. Kupfer, Alu, mittelharten Draht z.B. Nagel, Drahtstift und harten Draht, z.B. Drahtseil, Stahldraht
Art.-Nr.
KL050205IS
Artikel VDE-Telefonzange, gerade
Abmessung mm 205
Gewicht g 215
Schneidleistung weicher Draht Ø mm 3,9
Schneidleistung mittelharter Draht Ø
VDE-Telefonzange, gebogen
KL055205ISgrp

Eigenschaften
▪ Lange, 45° abgewinkelte, flach-runde Backen
▪ Optimaler Halt durch gezahnte Greiffläche
▪ Schneide induktiv gehärtet
▪ Mit Kombi-Ringschlüssel von 11 - 17 mm (M8 - M10)
▪ Schneidet weichen Draht, z.B. Kupfer, Alu, mittelharten Draht z.B. Nagel, Drahtstift und harten Draht, z.B. Drahtseil, Stahldraht
Art.-Nr. KL055205IS
Artikel VDE-Telefonzange, gebogen
Abmessung mm 205
Gewicht g 215
Schneidleistung
Schneidleistung
Schneidleistung
KL060160ISgrp
VDE-Abisolierzange

Eigenschaften
▪ Mit Öffnungsfeder und V-förmiger Schneide
▪ Mit Stellschraube zum Einstellen des Kabeldurchmessers
Art.-Nr.
KL060160IS
Artikel VDE-Abisolierzange
Abmessung mm 160
Gewicht g
185

VDE-Wasserpumpenzange, Spannweite 50 mm
Eigenschaften
▪ Spannweite 50 mm
▪ Sicherer Arbeiten durch Klemmschutz und Sicherheitsgelenk
▪ Rasterverstellung
▪ Optimaler Halt durch gezahnte Greiffläche
Art.-Nr.
KL070250IS
Artikel VDE-Wasserpumpenzange, Spannweite 50 mm
Abmessung mm 250
Gewicht g
410
KL760180ISgrp
Automatische VDE-Abisolierzange 0,2 - 6 mm²

Eigenschaften
▪ Für Arbeiten an unter Spannung stehenden Leitern bis 1000 V
▪ Einstellbarer Längenanschlag von 5 - 12 mm
▪ Feststellfunktion zum Schutz der Klingen geeignet für
▪ Flexible und massive Leiter von 0,2 - 6 mm²
Art.-Nr.
KL760180IS
Artikel Automatische VDE-Abisolierzange 0,2 - 6 mm²
Abmessung mm
Gewicht g
215
130
VDE-Werkzeuge
Schraubendreher Handwerkzeuge
KL1007525ISgrp

VDE- Schlitzschraubendreher
Eigenschaften
▪ Ergonomischer Griff mit optimaler Kraftübertragung
▪ Ein Abrollschutz verhindert das Wegrollen auf schrägen Flächen

VDE- Schlitzschraubendreher, Slim Line
Eigenschaften
▪ Ergonomischer Griff mit optimaler Kraftübertragung
▪ Ein Abrollschutz verhindert das Wegrollen auf schrägen Flächen
▪ Reduzierter Platzbedarf für die Verwendung in beengten Bauräumen (z. B. Zugfederklemmen)
KL110PH1ISgrp

VDE-Phillips-Schraubendreher
Eigenschaften
▪ Ergonomischer Griff mit optimaler Kraftübertragung
▪ Ein Abrollschutz verhindert das Wegrollen auf schrägen Flächen
KL110PH1ISgrp

VDE-Phillips-Schraubendreher, Slim Line
Eigenschaften
▪ Ergonomischer Griff mit optimaler Kraftübertragung
▪ Ein Abrollschutz verhindert das Wegrollen auf schrägen Flächen
▪ Reduzierter Platzbedarf für die Verwendung in beengten Bauräumen (z. B. Zugfederklemmen)
KL120PZ1ISgrp

VDE-Pozidriv-Schraubendreher
Eigenschaften
▪ Ergonomischer Griff mit optimaler Kraftübertragung
▪ Ein Abrollschutz verhindert das Wegrollen auf schrägen Flächen

VDE-Pozidriv-Schraubendreher, Slim Line
Eigenschaften
▪ Ergonomischer Griff mit optimaler Kraftübertragung
▪ Ein Abrollschutz verhindert das Wegrollen auf schrägen Flächen
▪ Reduzierter Platzbedarf für die Verwendung in beengten Bauräumen (z. B. Zugfederklemmen)
KL130PM1ISgrp

VDE-Plus/Minus-Pozidriv Schraubendreher
Eigenschaften
▪ Ergonomischer Griff mit optimaler Kraftübertragung
▪ Ein Abrollschutz verhindert das Wegrollen auf schrägen Flächen

VDE-Plus/Minus-Pozidriv Schraubendreher Slim Line
Eigenschaften
▪ Ergonomischer Griff mit optimaler Kraftübertragung
▪ Ein Abrollschutz verhindert das Wegrollen auf schrägen Flächen
▪ Reduzierter Platzbedarf für die Verwendung in beengten Bauräumen (z. B. Zugfederklemmen)

VDE-TORX®-Schraubendreher
Eigenschaften
▪ Ergonomischer Griff mit optimaler Kraftübertragung
▪ Ein Abrollschutz verhindert das Wegrollen auf schrägen Flächen
VDE-TORX®-Schraubendreher, Slim Line

Eigenschaften
▪ Ergonomischer Griff mit optimaler Kraftübertragung
▪ Ein Abrollschutz verhindert das Wegrollen auf schrägen Flächen
▪ Reduzierter Platzbedarf für die Verwendung in beengten Bauräumen (z. B. Zugfederklemmen)
KL14555ISgrp

VDE-M-TEC-Schraubendreher für Sechskant-Muttern
Eigenschaften
▪ Mit Steckrohrschlüssel - Eintauchtiefe ca. 41 mm - optimal für tiefsitzende Schrauben und Muttern
▪ Mit federbelastetem Magnetkörper
VDE-Schraubendreher
VDE-Schraubendreher
VDE-Schraubendreher
VDE-Schraubendreher
KL19073ISgrp

Phasenprüfer mit Kraftformheft, einpolig, VDE 0680 150 V - 250 V
Eigenschaften
▪ Einpolig
▪ Mit Kraftformheft
Artikel
Phasenprüfer mit Kraftformheft, einpolig, VDE 0680 150 V - 250 V
Sortimente und Sets
KL303ISgrp

VDE-Zangen-Set, 3-teilig
Artikel
VDE-Zangen-Set, 3-teilig
Lieferumfang
VDE-Kraft-Kombizange, 180 mm
VDE-Seitenschneider, 160 mm
VDE-Telefonzange, gerade 205 mm
Art.-Nr.
KL303IS
Art-Nr.
KL020180IS
KL040160IS
KL050205IS
KL304ISgrp
VDE-Zangen-Set, 4-teilig

Artikel
VDE-Zangen-Set, 4-teilig KL304IS
Lieferumfang
VDE-Kraft-Kombizange, 180 mm
VDE-Elektro-Power Kraftseitenschneider, 200 mm
VDE-Telefonzange, gerade 205 mm
VDE-Abisolierzange, 160 mm
Art-Nr.
KL020180IS
KL044200IS
KL050205IS
KL060160IS
KL306ISgrp

VDE-Zangen-Schraubendreher-Set, 6-teilig
Artikel
Zangen-Schraubendreher-Set, 6-teilig
Lieferumfang
VDE-Telefonzange, gerade 205 mm
VDE-Seitenschneider, 160 mm
VDE-Phillips-Schraubendreher, PH1
VDE-Phillips-Schraubendreher, PH2
VDE-Schlitzschraubendreher, 2,5 x 0,4 mm
VDE-Schlitzschraubendreher, 4,0 x 0,8 mm
Art.-Nr.
KL306IS
Art-Nr.
KL050205IS
KL040160IS
KL110PH1IS
KL110PH2IS
KL1007525IS
KL10010040IS
KL391ISgrp

VDE-Schraubendreher-Set, 3-teilig
Artikel Art.-Nr.
VDE-Schraubendreher-Set, 3-teilig
Lieferumfang
VDE-Phillips-Schraubendreher, PH1
VDE-Phillips-Schraubendreher, PH2
VDE-Schlitzschraubendreher, 3,5 x 0,6 mm
KL391IS
Art-Nr.
KL110PH1IS
KL110PH2IS
KL10010035IS
Handwerkzeuge
VDE-Werkzeuge
KL392ISgrp

VDE-Schraubendreher-Set, 3-teilig
Artikel
VDE-Schraubendreher-Set, 3-teilig
Lieferumfang
VDE-Pozidriv-Schraubendreher, PZ1
VDE-Pozidriv-Schraubendreher, PZ2
VDE-Schlitzschraubendreher, 4,0 x 0,8 mm
Art.-Nr.
KL392IS
Art-Nr.
KL120PZ1IS
KL120PZ2IS
KL10010040IS
KL393ISgrp

VDE-Schraubendreher-Set, 3-teilig
Artikel
VDE-Schraubendreher-Set, 3-teilig
Lieferumfang
VDE-Plus/Minus-Pozidriv Schraubendreher, Z1
VDE-Plus/Minus-Pozidriv Schraubendreher, Z2
Phasenprüfer mit Kraftformheft, einpolig, VDE 0680 150 V - 250 V
Art.-Nr.
KL393IS
Art-Nr.
KL130PM1IS
KL130PM2IS
KL19073IS
KL390ISgrp

VDE-Schraubendreher-Set, 6-teilig
Artikel
VDE-Schraubendreher-Set, 6-teilig
Lieferumfang
VDE-Phillips-Schraubendreher, PH1
VDE-Phillips-Schraubendreher, PH2
VDE-Schlitzschraubendreher, 2,5 x 0,4 mm
VDE-Schlitzschraubendreher, 4,0 x 0,8 mm
VDE-Schlitzschraubendreher, 5,5 x 1,0 mm
Phasenprüfer mit Kraftformheft, einpolig, VDE 0680 150 V - 250 V
Art.-Nr.
KL390IS
Art-Nr.
KL110PH1IS
KL110PH2IS
KL1007525IS
KL10010040IS
KL10012555IS
KL19073IS
KL390ISLIMgrp

VDE Schraubendreher-Set Slim Line, 5-teilig
Eigenschaften
▪ Reduzierte Klinge für optimale Passform
▪ Ergonomischer Griff mit optimaler Kraftübertragung
▪ Abrollschutz
Artikel
VDE Schraubendreher-Set Slim Line, 5-teilig
Lieferumfang
VDE Schlitzschraubendreher 3,5 x 0,6 x 100 Slim Line
VDE Schlitzschraubendreher 5,5 x 1,0 x 125 Slim Line
VDE Pozidriv-Schraubendreher PZ1 Slim Line
VDE Pozidriv-Schraubendreher PZ2 Slim Line
Art.-Nr.
KL390ISLIM
Art-Nr.
KL10010035ISLIM
KL10012555ISLIM
KL120PZ1ISLIM
KL120PZ2ISLIM
Phasenprüfer mit Kraftformheft, einpolig, VDE 0680 150 V - 250 V KL19073IS
VDE
KL391ISLIMgrp
Schraubendreher-Set

Slim Line, 6-teilig, Koffer
Eigenschaften
▪ Reduzierte Klinge für optimale Passform
▪ Ergonomischer Griff mit optimaler Kraftübertragung
▪ Abrollschutz
Artikel
VDE Schraubendreher-Set Slim Line, 6-teilig, Koffer
Lieferumfang
VDE Schlitzschraubendreher 3,5 x 0,6 x 100 Slim Line
VDE Schlitzschraubendreher 4,0 x 0,8 x 100 Slim Line
VDE Schlitzschraubendreher 5,5 x 1,0 x 125 Slim Line
VDE Phillips-Schraubendreher PH2 Slim Line
VDE Pozidriv-Schraubendreher PZ1 Slim Line
VDE Pozidriv-Schraubendreher PZ2 Slim Line
Art.-Nr.
KL391ISLIM
Art-Nr.
KL10010035ISLIM
KL10010040ISLIM
KL10012555ISLIM
KL110PH2ISLIM
KL120PZ1ISLIM
KL120PZ2ISLIM
52055313grp Smart Butler
Werkzeugtasche, bestückt mit 9 VDE Wechselklingen

Eigenschaften
▪ Klingen aus spezieller Chrom-Molybdän-Vanadium Legierung
▪ Standard 1/4“ Aufnahme für die Verwendung von Drehmomentgriffen
▪ Klingenlänge: 170 mm
Artikel
Werkzeugtasche, bestückt mit 9 VDE Wechselklingen
Lieferumfang
VDE-Schlitz-Klinge, 3,5 x 0,6 mm in SB-Verpackung
VDE-Schlitz-Klinge, 4,0 x 0,8 mm in SB-Verpackung
VDE-Schlitz-Klinge, 5,5 x 1,0 mm in SB-Verpackung
VDE-Philips-Klinge, PH1 in SB-Verpackung
VDE-Philips-Klinge, PH2 in SB-Verpackung
VDE-Pozidriv-Klinge, PZ1 in SB-Verpackung
VDE-Pozidriv-Klinge, PZ2 in SB-Verpackung
VDE-Plus/Minus-Pozidriv-Klinge, PM1 in SB-Verpackung
VDE-Plus/Minus-Pozidriv-Klinge, PM2 in SB-Verpackung
Art.-Nr.
KL390TB9
Handwerkzeuge
Basiswerkzeuge und Zubehör
DER STANDARD –KLAUKE BASISWERK ZEUGE, SETS UND ZUBEHÖR
Mit den Klauke Sets haben Sie Ihre Grundausstattung immer griffbereit. Ob Elektroniker oder Feinmechaniker – das Klauke-Sortiment umfasst alle Standardausführungen bis hin zu Zangen für Wasserpumpen und Armaturen. Vertrauen Sie von Anfang an auf die Klauke-Qualität – auch bei schnellen Einsätzen zwischendurch.

` Steckschlüssel-Set KL 361
Wir haben den Standardsatz an Steckschlüsseln für Sie schon zusammengestellt und alles im hochwertigen Kunststoffkoffer stoßsicher verstaut. Insgesamt besteht das Set aus 29 Teilen im Maß ¼".
◾ 29-teilig: 16-teiliger Bit-Satz, Bit-Halter, Adapter, 7-teiliger Stecknuss-Satz, Profiratsche, unterschiedliche Verlängerungen, T-Smart-Griff
` Die Techniker-Grundausstattung: KL 905 B15
In der praktischen Notebook-Tragetasche kommt alles unter, was Sie vor Ort benötigen. Das 15-teilige Set lässt sich sicher in den aufklappbaren Einschubfächern verstauen.
◾ Techniker-Notebook-Tasche aus strapazierfähigem Nylon
◾ Schnelles Auffinden des Werkzeugs durch aufklappbare Vordertasche
` Der Lehrlingskoffer: KL 855 B22
Der schlagfeste Koffer aus ABS-Material beinhaltet alles, was man als Lehrling der Elektroinstallation benötigt, von Standardutensilien wie Kabelmessern und Phasenprüfern bis zu VDE-Sicherheitswerkzeugen.
Gehen Sie gut ausgestattet in die Lehre!
◾ Sicherer Transport durch spritzwassergeschützten Boden
◾ Doppelter, fixierbarer Tragegriff
◾ Basis-Set VDE-Schraubendreher
◾ Standard-Utensilien wie Phasenprüfer und Kabelmesser
KL070250Ggrp
Wasserpumpen-, Armaturenzangen Wasserpumpenzange, Spannweite 50 mm

Eigenschaften
▪ Spannweite 50 mm
▪ Sicherer Arbeiten durch Klemmschutz und Sicherheitsgelenk
▪ Rasterverstellung
▪ Optimaler Halt durch gezahnte Greiffläche
▪ Tauchplastik überzogene Griffe
▪ 2-Komponentengriff
Art.-Nr. KL070250G
Artikel Wasserpumpenzange, Spannweite 50 mm
Abmessung mm 250
Gewicht g 355
KL072180Ggrp
Wasserpumpenzangen

Eigenschaften
▪ Spannweite bis zu 65 mm
▪ Sicherer Arbeiten durch Klemmschutz und Sicherheitsgelenk
▪ Druckknopfverstellung für schnell und passgenaue Einstellung
▪ Invertiert durchgestecktes Sicherheitsgelenk mit breiten Führungsflächen
▪ Optimaler Halt durch gezahnte Greiffläche
▪ Hohe Haltekraft und Belastbarkeit durch induktiv gehärtete Zähne
▪ Tauchplastik überzogene Griffe
▪ 2-Komponentengriff
Art.-Nr. KL072180G KL072250G KL072300G
Artikel Wasserpumpenzange, Spannweite 35 mm Wasserpumpenzange, Spannweite 50 mm Wasserpumpenzange, Spannweite 65 mm
Abmessung mm 180 250 300
Gewicht g 190 300 530
Handwerkzeuge
Basiswerkzeuge und Zubehör
Elektronik- /Feinmechanikerwerkzeuge
KL040115ELgrp
ESD-Elektronik-Seitenschneider

Eigenschaften
▪ Präzisionszange für feinste Schneidarbeiten
▪ Reibungsarme Doppelfeder
▪ Hohe Schneidkraft durch zusätzlich induktiv gehärtet
▪ Spannungsschutz durch elektrisch ableitende Griffhüllen
▪ Oberflächenwiderstand beträgt 1 bis 100 MOhm geeignet für
▪ Für weiche Drähte bis 1,2 mm
Artikel
Abmessung mm Gewicht g Art.-Nr.
Elektronik-Seitenschneider, mit Facette 115 62 KL040115EL
Elektronik-Seitenschneider, ohne Facette 115 60 KL040115ELW
KL050115ELgrp

ESD-Elektronik-Kettenzange
Eigenschaften
▪ Glatte Innenflächen, Kanten gerundet
▪ Spannungsschutz durch elektrisch ableitende Griffhüllen
▪ Oberflächenwiderstand beträgt 1 bis 100 MOhm
▪ Optimal zum Greifen von feinen Seiten oder Formen von Drähten
Artikel
Abmessung mm Gewicht g Art.-Nr.
Elektronik-Kettenzange 115 64 KL050115EL
KL040128ELgrp
Elektronik-Seitenschneider

Eigenschaften
▪ Schneide 21° abgewinkelt
▪ Spielfreier Gang
▪ Mit Öffnungsfeder
▪ 2-Komponentengriff geeignet für
▪ Für weiche Drähte bis Ø 1,3 mm
Artikel
Abmessung mm Gewicht g Art.-Nr.
Elektronik-Seitenschneider, ohne Haltefeder 128 64 KL040128EL
Elektronik-Seitenschneider, mit Haltefeder 128 66
KL040128ELH
KL2007335grp

Bits, Halter und Adapter Schlitz-Schrauber-Bit 1/4", 73 mm
Eigenschaften
▪ Antrieb 1/4" (6,3) DIN 3126
Artikel
KL21073PH1grp

Phillips-Schrauber-Bit 1/4", 73 mm
Eigenschaften
▪ Antrieb 1/4" (6,3) DIN 3126
Artikel
Phillips-Schrauber-Bit 1/4", 73 mm PH1 73 x PH 1 22 2
Phillips-Schrauber-Bit 1/4", 73 mm PH2 73 x PH 2 30 2
KL22073PZ1grp

Pozidriv-Schrauber-Bit 1/4", 73 mm
Eigenschaften
▪ Antrieb 1/4" (6,3) DIN 3126
Artikel
Pozidriv-Schrauber-Bit 1/4", 73 mm PZ1 73 x PZ 1 22 2
Pozidriv-Schrauber-Bit 1/4", 73 mm PZ2 73 x PZ 2 30 2 KL22073PZ2
Zubehör
Plus/Minus-Pozidriv-Schrauber-Bit, 1/4", 73 mm
KL23073PM1grp

Eigenschaften
▪ Antrieb 1/4" (6,3) DIN 3126
Artikel
TORX®-Schrauber-Bit, 1/4", 73 mm
KL25073TX10grp

Eigenschaften
▪ Antrieb 1/4" (6,3) DIN 3126
Artikel
Magnethalter für Schrauber-Bit, 1/4", 58 mm
KL290grp

Eigenschaften
▪ Antrieb 1/4" (6,3) DIN 3126
▪ Starker Dauermagnet
Artikel
Magnethalter für Schrauber-Bit, 1/4", 58 mm 58 32 KL290
Bithalter mit Schnellwechselfutter E6,3 1/4"
KL291grp

Eigenschaften
▪ Antrieb 1/4" (6,3) DIN 3126
▪ Mit Schnellwechselfutter
Artikel
Abmessung mm Gewicht g Art.-Nr.
Bithalter mit Schnellwechselfutter E6,3 1/4" 52 30 KL291
KL295grp

Adapter, 1/4", 50 mm
` Antrieb E 6,3 und 1/4" Steckschlüsselsätze
Eigenschaften
▪ Antrieb 1/4" (6,3) geeignet für
▪ Den Antrieb von 1/4" Steckschlüssel-Einsätzen
Artikel
Adapter, 1/4", 50 mm
KL296grp

Adapter 3/8", 50 mm
Eigenschaften
▪ Antrieb 3/8" (10) DIN 3126
Artikel
mm Gewicht g
Adapter 3/8", 50 mm 50 22 KL296
KL361grp
Steckschlüssel-Bit-Set 1/4", 29-teilig

Artikel Gewicht g Anzahl Teile Art.-Nr.
Steckschlüssel-Bit-Set 1/4", 29-teilig 1130 29 KL361
Lieferumfang
16-Tlg. Bit-Satz (C6,3 x 25 mm)
Bithalter mit Schnellwechselfutter E6,3 1/4"
7-Tlg. Stecknuss-Satz SW5 - SW13 1/4"
Adapter C6,3 (25 mm) 1/4"
Verlängerung E6,3 (150 mm) 1/4"
Verlängerung (75 mm) 1/4"
Profiratsche 1/4"
T-Smart-Griff 105 x 39 mm 1/4"
Handwerkzeuge
Basiswerkzeuge und Zubehör
Sechskant-Winkelschraubendreher-Set, 7-teilig
KL370grp

Eigenschaften
▪ In praktischer Kunststoff-Box
Artikel
Abmessung mm Gewicht g Anzahl Teile Art.-Nr.
Sechskant-Winkelschraubendreher-Set, 7-teilig SW 2 - 8 171 7 KL370
Kugelkopf-Sechskant-Winkelschraubendreher-Set, 9-teilig
KL375grp

Eigenschaften
▪ In praktischem Kunststoff-Halter
Artikel
Abmessung mm Gewicht g Anzahl Teile Art.-Nr.
Kugelkopf-Sechskant-Winkelschraubendreher-Set, 9-teilig SW 1,5- 10 273 9 KL375
Drehmoment-Schraubendreher-Set, 3,0 - 5,4 Nm
KL38954grp

Eigenschaften
▪ Einfaches Einstellen des Drehmomentes durch Innensechskantschrauben
▪ Präzise Auslösung bei Erreichen des eingestellten Drehmomentes
Artikel Gewicht g Anzahl Teile Art.-Nr.
Drehmoment-Schraubendreher-Set, 3,0 - 5,4 Nm 1066 14 KL38954
Lieferumfang
Nm-Schlitz-Klinge 4,0 x 0,8 x 170 mm
Nm-Phillips-Klinge PH 2 x 170 mm
Nm-Phillips-Klinge PH 1 x 170 mm
Nm-Klinge PZ 1 x 170 mm
Nm-Klinge PZ 2 x 170 mm
Nm-TORX®-Klinge TX 15 x 170 mm
Nm-TORX®-Klinge TX IP 10 x 170 mm
Nm-TORX®-Klinge TX IP 15 x 170 mm
Nm-Klinge Z2 x 170 mm
Nm-Klinge Magneth. 170 mm
Nm-Griff 3,0 - 5,4 Nm
Einstellschlüssel
KL330grp
Bit-Sortiment, 6-teilig, 1/4", 73 mm

Eigenschaften
▪ Antrieb 1/4" (6,3) DIN 3126
▪ KL330: 3,0 x 0,5 mm / 3,5 x 0,6 mm / 4,0 x 0,8 mm / 5,5 x 1,0 mm / PH 1 / PH 2
▪ KL331: PH 1 / PH 2 / PH 3 / PZ1 / PZ2 / PZ3
▪ KL335: TX10 / TX15 / TX20 / TX25 / TX30 / TX40
Artikel
Bit-Sortiment, 1/4", 73 mm
Bit-Sortiment, 1/4", 73 mm
1/4",
KL340grp
Bit-Box-Swift, 7-teilig, 1/4", 25 mm

Eigenschaften
▪ Antrieb 1/4" (6,3) DIN 3126
▪ In praktischer Kunststoff-Box
▪ Inkl. Magnethalter
▪ KL340: 1,0 x 5,5 mm / 1,2 x 6,5 mm / PZ 1 / PZ 2 / PH 1 / PH 2
Bit-Box-Swift, 1/4", 25 mm 25 75 7
KL365grp
Ring-Maulschlüssel-Satz, 12-teilig
Eigenschaften
▪ Werkstoff: Chrom-Vanadium
▪ Oberfläche: verchromt
Artikel
Ring-Maulschlüssel-Satz, 12-teilig SW 8 - 22 1055
Messen und Markieren

KL420200grp

Schaltschrank-Wasserwaage, 200 mm
Eigenschaften
▪ Mit Horizontal-, Vertikal- und 45° Libelle
Artikel
Schaltschrank-Wasserwaage,
Handwerkzeuge
Basiswerkzeuge und Zubehör
KL425400grp
Alu-Wasserwaage
Eigenschaften
▪ Mit vertikal- und horizontal Libelle
Artikel
Alu-Wasserwaage, 400 mm
Alu-Wasserwaage, 600 mm
x 40 x 15
Holz-Gliedermaßstab, 2 m
KL402grp

Eigenschaften
▪ Weiß/gelb
▪ Gliederzahl 10
Artikel
Holz-Gliedermaßstab, 2 m 126
Taschenbandmaß, 3 m
KL403grp

Eigenschaften
▪ Mit 3 Funktionen: Längenmaß, Innenmaß und Kreise
Artikel Gewicht g Art.-Nr. Taschenbandmaß, 3 m 124 KL403
Zimmermannsbleistift
KL449grp

Eigenschaften
▪ Ovale Form
▪ Angespitzt
Artikel Gewicht g Art.-Nr. Zimmermannsbleistift 10 KL449
KL440Fgrp
Filzschreiber


Eigenschaften
▪ Permanentmarker Multimark, schwarz
▪ Fein-Spitze 0,6 mm
Artikel Gewicht g Art.-Nr. Filzschreiber 10 KL440F
Basiswerkzeuge Schaltschrankschlüssel
KL500grp

Eigenschaften
▪ Mit Kette, Adapter und Wechselbit 1/4"
▪ Innenvierkant 5, 6 und 7-8 mm
▪ Innendreikant 9 mm
▪ Doppelbart 3 - 5 mm
▪ Bit PH2 und Schlitz 1,2 x 0,7 mm
▪ Heizungsentlüftung-Schließung (5 mm Innenvierkant) in der Mittelnarbe
Artikel Gewicht g Art.-Nr. Schaltschrank-Schlüssel 75 KL500
KL510grp

Universal-Schrankschlüssel, Subkey Elektro
Eigenschaften
▪ 30% leichter und vereinfachter Öffnungsmechanismus
▪ Innenvierkant 5, 6 und 7-8 mm
▪ Innendreikant 9 mm
▪ Doppelbart 3 - 5 mm
▪ Inklusive 1/4" Bitaufnahme und 2 Doppelbits
▪ Heizungsentlüftung-Schließung (5 mm Innenvierkant) am Stiftkopf
▪ Bit Schlitz 1,2 x 7 mm, PH2
Universal-Schrankschlüssel, Subkey Elektro 145
KL580300grp
Schlosserhammer

Eigenschaften
▪ Kopf stahlgeschmiedet
▪ Fein geschliffen
▪ Mit Schutzkragen aus Nylon
KL5821000grp
Fäustel

Eigenschaften
▪ Kopf stahlgeschmiedet
▪ Fein geschliffen
▪ Mit Schutzkragen aus Nylon
Basiswerkzeuge und Zubehör
KL584230grp
Schlitzmeißel
Elektrikermeißel

Eigenschaften
▪ Chrom-Vanadium Stahl
▪ Sicherheitsschlagkopf, vergütet
Artikel Abmessung mm Gewicht g Art.-Nr. Schlitzmeißel
x 26 x 7

Eigenschaften
▪ Chrom-Vanadium Stahl
▪ Sicherheitsschlagkopf, vergütet
Artikel Abmessung mm Gewicht g Art.-Nr.
Elektrikermeißel, 200 mm
Elektrikermeißel, 250 mm
Sicherheitsschutzgriff für Schlitzmeißel

geeignet für
▪ Schlitzmeißel, Artikel KL584230
x 8 90 KL585200
x 8 120 KL585250
Artikel Gewicht g Art.-Nr. Sicherheitsschutzgriff für Schlitzmeißel 110 KL586
KL540grp
Kabelmesser
Eigenschaften
▪ Klappbar, mit Kunststoffgriff
Artikel Abmessung mm Gewicht g Art.-Nr. Kabelmesser 80 115 KL540
Mini-Säge
KL559grp


Eigenschaften
▪ Mit feststehendem Holzgriff
Artikel
95 KL559 Metallsägeblätter, 12 Stück
2 KL550ES
KL550grp
Universal-Säge
Eigenschaften
▪ Mit glasfaserverstärktem Kunststoffgriff
Artikel
12 Stück 150 2
KL545grp
Kombischere


Eigenschaften
▪ Schneiden fein gezahnt
▪ Mit Sicherheitsverschluss
▪ Schneidet z.B. Rund- und Flachmaterial aus Kupfer, Aluminium, Plastik, Papier, Pappe, Leder
Artikel Abmessung mm Gewicht g Art.-Nr. Kombischere 190 100 KL545
Universalmesser
KL542grp

Eigenschaften
▪ Mit verstellbarem und auswechselbarem Messer
Artikel
KL544grp
Cuttermesser

Eigenschaften
▪ Messer mit abbrechbaren Klingen, alle 9 mm
Artikel Abmessung mm Gewicht g Art.-Nr. Cuttermesser 9 45 KL544 Ersatzklinge für Cuttermesser 9 5 KL544ES
Basiswerkzeuge und Zubehör
Lehrlingskoffer

` Werkzeugkoffer mit eigener Marke personalisieren lassenhttp://www.klauke.com/de/personalisierung/
Eigenschaften
▪ Kofferschalen aus schlagfestem ABS-Material
▪ Robuster Aluminiumrahmen mit Stoßkanten
▪ Zwei abschließbare Kippschlösser
Artikel
Abmessung mm Gewicht kg
Lehrlingskoffer 500 x 470 x 210 6,0
Lieferumfang
VDE-Kraft-Kombizange, 180 mm
VDE-Seitenschneider, 160 mm
VDE-Telefonzange, gerade 205 mm
VDE-Schlitz-Schraubendreher, 3,0 x 0,5 mm
VDE-Schlitz-Schraubendreher, 4,0 x 0,8 mm
VDE-Schlitz-Schraubendreher, 5,5 x 1,0 mm
VDE-Pozidriv-Schraubendreher, PZ1
VDE-Pozidriv-Schraubendreher, PZ2
VDE-Plus/Minus-Pozidriv-Schraubendreher, Z1
VDE-Plus/Minus-Pozidriv-Schraubendreher, Z2
Phasenprüfer mit Kraftformheft, einpolig, VDE 0680 150 V - 250 V
Holz-Gliedermaßstab, 2 m
Schaltschrank-Wasserwaage, 200 mm
Zimmermannsbleistift
Universal-Säge
Schlosserhammer, 300 g
Kabelmesser, mit Hakenklinge
Automatische VDE-Abisolierzange 0,2 - 6 mm²
Wasserpinsel
Gipsmulde 125 mm
Malerspachtel 40 mm
Art.-Nr.
KL855B22
Art-Nr.
KL020180IS
KL040160IS
KL050205IS
KL10010030IS
KL10010040IS
KL10012555IS
KL120PZ1IS
KL120PZ2IS
KL130PM1IS
KL130PM2IS
KL19073IS
KL402
KL420200
KL449
KL550
KL580300
KL745HK
KL760180IS
KL905B15grp Techniker-Profitasche, 15-teilig

` Techniker Grundausstattung, überwiegend bestückt mit VDE-Werkzeugen
Eigenschaften
▪ Techniker Notebook Werkzeugtasche
▪ Material: hochstrapazierfähiges Nylon
▪ 90° aufklappbare Vordertasche
▪ Hochwertige Reißverschlüsse
▪ Spritzwassergeschützter Boden
▪ Seitlich je eine Tasche mit Reißverschluss
▪ Verstellbarer Tragegurt mit Schnellverschluss und Schulterauflage
▪ Doppelter fixierbarer Tragegriff
▪ Einschub für Visitenkarten
Artikel
Techniker-Profitasche, 15-teilig
Lieferumfang
Techniker-Profitasche, leer
VDE-Phillips-Schraubendreher, PH1
VDE-Phillips-Schraubendreher, PH2
VDE-Schlitz-Schraubendreher, 2,5 x 0,4 mm
VDE-Schlitz-Schraubendreher, 4,0 x 0,8 mm
VDE-Schlitz-Schraubendreher, 5,5 x 1,0 mm
Art.-Nr.
KL905B15
Art-Nr.
KL905L
KL110PH1IS
KL110PH2IS
KL1007525IS
KL10010040IS
KL10012555IS Phasenprüfer mit Kraftformheft, einpolig, VDE 0680 150 V - 250 V
VDE-Plus/Minus-Pozidriv-Schraubendreher, Z1
VDE-Plus/Minus-Pozidriv-Schraubendreher, Z2
Kabelmesser, mit Hakenklinge
VDE-Telefonzange, gerade 205 mm
VDE-Elektro-Power Kraftseitenschneider, 200 mm
Rundkabel-Entmantler 8 - 13mm²
VDE-Kraft-Kombizange, 165 mm
Taschenbandmaß, 3 m
KL19073IS
KL130PM1IS
KL130PM2IS
KL745HK
KL050205IS
KL044200IS
KL710
KL020165IS
KL403
Basiswerkzeuge und Zubehör
Erstausrüstertasche

Eigenschaften
▪ Bestückt mit 22 überwiegend VDE-geprüften Werkzeugen
▪ Robuste Ausführung mit Kunststoffgleitschienen und Metallschiene oben mit Moosgummi-Griff
▪ Verstellbarer Tragegurt mit Schnellverschluss und Schulterauflage
▪ Außenbereich: 1 große verschließbare Einschubtasche, 9 Taschen, 2 Klettverschlüsse zur Befestigung von Wasserwaage etc. Innenbereich: 3 Einsteckfächer, 14 Schlaufen
Artikel
Abmessung mm Gewicht kg Art.-Nr.
Erstausrüster-Tasche, 22-teilig 350 x 200 x 200 2,6
Lieferumfang
VDE-Kraft-Kombizange, 180 mm
VDE-Seitenschneider, 160 mm
VDE-Telefonzange, gerade, 205 mm
VDE-Schlitz-Schraubendreher, 3,0 x 0,5 mm
VDE-Schlitz-Schraubendreher, 4,0 x 0,8 mm
VDE-Schlitz-Schraubendreher, 5,5 x 1,0 mm
VDE-Pozidriv-Schraubendreher, PZ1
VDE-Pozidriv-Schraubendreher, PZ2
VDE-Plus/Minus-Pozidriv-Schraubendreher, Z1
VDE-Plus/Minus-Pozidriv-Schraubendreher, Z2
KL920B22
Art-Nr.
KL020180IS
KL040160IS
KL050205IS
KL10010030IS
KL10010040IS
KL10012555IS
KL120PZ1IS
KL120PZ2IS
KL130PM1IS
KL130PM2IS Phasenprüfer mit Kraftformheft, einpolig, VDE 0680 150 V - 250 V
KL19073IS Kabelmesser, mit Hakenklinge
Automatische VDE-Abisolierzange 0,2 - 6 mm²
Holz-Gliedermaßstab, 2 m
Schaltschrank-Wasserwaage, 200 mm
Zimmermannsbleistift
Universal-Säge
Schlosserhammer, 300 g
Elektrikermeißel, 250 mm
KL745HK
KL760180IS
KL402
KL420200
KL449
KL550
KL580300
KL585250
KL920Lgrp
Profi-Installateurtasche

Eigenschaften
▪ Robuste Ausführung mit Kunststoffgleitschienen und Metallschiene oben mit Moosgummi-Griff
▪ Verstellbarer Tragegurt mit Schnellverschluss und Schulterauflage
▪ Außenbereich: 1 große verschließbare Einschubtasche, 9 Taschen, 2 Klettverschlüsse zur Befestigung von Wasserwaage etc. Innenbereich: 3 Einsteckfächer, 14 Schlaufen
Artikel Abmessung mm Gewicht g
Profi-Installateurtasche
x 200 x 200 2600
Techniker-Profitasche, leer
KL905Lgrp

Werkzeugkoffer,
leer

Eigenschaften
▪ Material: hochstrapazierfähiges Nylon, spritzwassergeschützter Boden
▪ 90° aufklappbare Vordertasche, Seitlich je eine Tasche mit Reißverschluss
▪ Doppelter fixierbarer Tragegriff
▪ Verstellbarer Tragegurt mit Schnellverschluss und Schulterauflage
▪ Geschütztes Notebook-Fach für Laptops bis 17", Größe 285 x 416 x 89 mm
▪ Einschub für Visitenkarten
▪ Hochwertige Reißverschlüsse
Artikel
Abmessung mm Gewicht g Art.-Nr. Techniker-Profitasche, leer
Eigenschaften
▪ Koffer aus hoch schlagzähem ABS
330 x 440 x 200 2600 KL905L
▪ Robuster Aluminiumrahmen mit Stoßkanten
Artikel Abmessung mm Gewicht kg Art.-Nr.
Werkzeugkoffer Economy 490 x 365 x 188 4,5
Werkzeugkoffer, leer 508 x 362 x 214 5,2
KL910Lgrp
Werkzeugmappe
aus Nylon, leer

Eigenschaften
▪ Material: Polytex
▪ Platz für bis zu 11 Werkzeuge
Werkzeugmappe aus Nylon, leer 200 x 200 x 50
Handwerkzeuge
Abisolier- und Abmantelwerkzeuge
VORBEREITUNG MIT PRÄZISION –
ABISOLIER- UND ABMANTELWERKZEUGE
Im Profibereich zählt jeder Einsatz. Besser, sich auf sein Werkzeug verlassen zu können. Abisolier- und Abmantelwerkzeuge von Klauke entfernen Isolierungen und Kabelmäntel schnell und präzise. Alle Litzen bleiben unversehrt.

` Für viele präzise Einsätze
◾ Schnelles und präzises Entfernen von Isolierungen und Kabelmänteln
◾ Automatische Einstellung des Querschnitts
◾ Geringer Kraftaufwand durch optimale Kraftübertragung
◾ Geringer Verschleiß
◾ Ersatzmesser inklusive
Spezielle Mantel- und Isolationsmaterialien benötigen spezielle
Abisolierwerkzeuge! Innovative
Messergeometrien garantieren eine saubere Schnittkante - und das bei harten Isolationsmaterialien wie PTFE (Teflon) bis hin zu weich-zähen
Materialien wie Silikon!
Abisolierwerkzeuge
K432grp

Automatische Abisolierzange, 0,02 - 10 mm²
Eigenschaften
▪ Selbsteinstellendes Schneide- und Abisolierwerkzeug für handelsübliche flexible Kabel 0,02 - 10 mm² und massive Leiter bis 1,5 mm²
▪ Leicht auswechselbare Messerkassetten
▪ Hohe Lebensdauer der Zange durch präzise Einstellbarkeit zum Abisolieren von dünnen Isolationen ohne Beschädigung der Leiter
▪ Integrierter Seitenschneider
Artikel
Abisolierbereich mm² Gewicht g Art.-Nr. Abisolierzange K43/2 0,02 - 10 140 K432
Zubehör
Wechselkassette schwarz für K432 0,02 - 10 mm² flexible Leitung und bis 1,5 mm² Massivleiter
Wechselkassette blau für K432 für PTFE-isolierte Leitungen
0,1 - 4 mm²
Wechselkassette rot für K432 4 bis 16 mm² K432E3
Automatische Abisolierzange, 4 - 16 mm²

` Besonders geeignet für applikationsspezifische Kabeltypen in den Bereichen Maschinen- und Anlagenbau, Windenergie, Robotik, eMobility sowie Marine, Schiffsbau, Bahn- und Schienenverkehr
Eigenschaften
▪ Selbsteinstellendes Schneid- und Abisolierwerkzeug für applikationsspezifische massive und flexible Kabel
▪ Perfektes, leichtes und ergonomisches Werkzeug mit hoher Lebensdauer
▪ Autom. Öffnen der Klemmbacken nach dem Abisoliervorgang sorgt für mehr Sicherheit
▪ Kein Aufspleißen der Einzelleiter - erleichtert das Einführen des Leiters in die Aderendhülse
▪ Integrierter professioneller, leicht zugänglicher Kabelschneider - sorgt für einen schnelleren Arbeitsprozess
▪ Einstellb. Anschlag mit metrischer u. zölliger Anzeige zum exakten Einstellen der Abisolierlänge
Artikel Abmessung mm Abisolierbereich mm² Gewicht g Art.-Nr. Automatische Abisolierzange 190 4 -16 140 K432U
Zubehör
Wechselkassette rot für massive u. flexible Kabel 4 - 16 mm²
Art.-Nr.
K432E2
Handwerkzeuge
Abisolier- und Abmantelwerkzeuge
K433grp

Abisolierwerkzeug mit stufenlosem Abisolierbereich 0,03 - 16 mm²
` Erstes Abisolierwerkzeug mit stufenlosem Abisolierbereich von 0,03 - 16 mm²
` Perfekt für beschädigungsfreies Abisolieren von massiven und feindrähtigen Leitern mit PVC
Eigenschaften
▪ Ermüdungsfreies Arbeiten durch ergonomische Formgebung
▪ Sicheres Arbeiten dank integriertem Klemmschutz
▪ Langlebiges Werkzeug durch einfach auswechselbare Klingen
▪ Integrierter Seitenschneider bis max. 9 mm Ø
▪ Hohe Standfestigkeit durch glasfaserverstärktes Polyamid
▪ Genaue und gleichbleibende Abisolierlänge durch verstellbaren Anschlag
Artikel
Abisolierwerkzeug mit stufenlosem
Abisolierbereich mm² Gewicht g Art.-Nr.
Abisolierbereich 0,03 - 16 mm² 0,03 - 16 140 K433
Zubehör
Art.-Nr.
Wechselkassette K433E
KL760180grp
Abisolierzange, 0,2 - 6 mm²

Eigenschaften
▪ Einstellbarer Längenanschlag von 5 - 12 mm
▪ Integrierter, gut zugänglicher Seitenschneider bis max 2 mm Ø geeignet für
▪ Für alle gängigen flexiblen und massiven Leiter von 0,2 - 6 mm²
Artikel
Abmessung mm
Abisolierbereich mm² Gewicht g Art.-Nr.
Abisolierzange für flexible und massive Leiter 180 0,2 - 6 mm² 130 KL760180
Abisolierzange für Rund- und Flachkabel
KL765FR215grp Abmantelwerkzeuge

Eigenschaften
▪ Feineinstellung (5-Fach) auf unterschiedliche Kabelarten und Kabeldurchmesser mögl.
▪ Optisches Längenmaß 8 - 24 mm (5/16 - 1 Zoll)
▪ Integrierter Seitenschneider bis max. 3 mm Ø geeignet für
▪ Flachkabel: Abmanteln und Abisolieren von 2-adrigen PVC-isolierten Flachkabeln von 0,75 - 1,5 mm²
▪ Rundkabel: Abmanteln und Abisolieren von flexiblen Kabeln im Bereich von 0,5 - 16 mm² (20-6 AWG), massive Leiter 0,5 - 10 mm² (20-8 AWG)
Artikel
Abisolierzange für Rund- und Flachkabel
Abmessung mm Abisolierbereich mm² Gewicht g Art.-Nr.
180 0,5 - 16 mm² 205 KL765FR215
KL765PVgrp
Automatische Abisolierzange für Rundkabel der Solartechnik

Eigenschaften
▪ Feineinstellung (5-Fach) auf unterschiedliche Kabelarten und Kabeldurchmesser mögl.
▪ Integrierter Seitenschneider bis max. 3 mm Ø
▪ Optisches Längenmaß 8 - 24 mm (5/16 - 1 Zoll)
geeignet für
▪ Abmanteln und Abisolieren aller gängigen, flexiblen Kabel im Bereich Solartechnik von 1,5 - 10,0 mm² (15-9 AWG).
Artikel
Automatische Abisolierzange für Rund-kabel der Solartechnik, 1,5 - 10 mm²
Abmessung mm Abisolierbereich mm² Gewicht g
K400grp
Kabelmesser, ohne Klinge

Kabelmesser, mit gerader Klinge

Eigenschaften
▪ Präzises, schnelles und sicheres Abmanteln aller gängigen Rundkabel
▪ Beschädigung der inneren Leiter ist durch stufenlose Einstellung der Schnitttiefe ausgeschlossen
▪ Rund- und Längsschnitt durch selbstdrehendes Messer
Artikel Abmessung mm Gewicht g
Kabelmesser, ohne Klinge für Ø 4 - 16 mm 4 - 16 70 KL740416
Kabelmesser, ohne Klinge für Ø 8 - 28 mm 8 - 28 70 KL740828
Zubehör
Art.-Nr. Ersatzmesser für Kabelmesser KL749ES
Eigenschaften
▪ Präzises, schnelles und sicheres Abmanteln aller gängigen Rundkabel
▪ Inklusive Schutzkappe für die Klinge
▪ Herausnehmbarer Kunststoff-Reduziereinsatz aus hochverschleißfestem Kunststoff (POM)
▪ Beschädigung der inneren Leiter ist durch stufenlose Einstellung der Schnitttiefe ausgeschlossen
▪ Rund- und Längsschnitt durch selbstdrehendes Messer
Artikel
Abmessung mm Gewicht g Art.-Nr.
Kabelmesser, mit gerader Klinge 4 - 28 80 KL745GK
Zubehör
Art.-Nr. Ersatzmesser für Kabelmesser KL749ES
Werkzeuge und Sets Koax
KL745HKgrp

Kabelmesser, mit Hakenklinge
Eigenschaften
▪ Präzises, schnelles und sicheres Abmanteln aller gängigen Rundkabel
▪ Inklusive Schutzkappe für die Klinge
▪ Herausnehmbarer Kunststoff-Reduziereinsatz aus hochverschleißfestem Kunststoff (POM)
▪ Beschädigung der inneren Leiter ist durch stufenlose Einstellung der Schnitttiefe ausgeschlossen
▪ Rund- und Längsschnitt durch selbstdrehendes Messer
Artikel
Abmessung mm Gewicht g Art.-Nr.
Kabelmesser, mit Hakenklinge 4 - 28 80 KL745HK
Zubehör
Art.-Nr.
Ersatzmesser für Kabelmesser KL749ES
KL710grp

Rundkabel-Entmantler 8 - 13 mm Ø
Eigenschaften
▪ Einfaches Abmanteln an schwer zugängliche Stellen z.B. im Decken- und Wandbereich, in Abzweig- und Verteilerdosen, Schaltschränke usw.
▪ Entmantelt Rund- und Feuchtraumkabel von 8 -13 mm Ø (z.B. NYM 3 x 1,5 mm² bis 5 x 2,5 mm²)
▪ Einstellung der Schnitttiefe ist nicht erforderlich
Artikel
Abmessung mm Gewicht g Art.-Nr. Rundkabel-Entmantler 8 - 13 mm Ø 8 - 13 43 KL710
KL730grp
Multi-Stripper

Eigenschaften
▪ Universal-Abisolierwerkzeug mit den Funktionen: Abmanteln, Rundschnitt, Längsschnitt, Abisolieren, Schneiden
Artikel
Abmessung mm Gewicht g Art.-Nr. Multi-Stripper 8 - 13 77 KL730
Photovoltaik-Stripper
KL735PVgrp

Eigenschaften
▪ Auswechselbare Messerkassetten
▪ Geschützte Messer
▪ Einfache Handhabung
▪ Feste Abisolierung von 8,5 mm
▪ Kompakte Bauform
geeignet für
▪ Für alle gängigen PV-Kabel bis 8,5 mm Artikel
Werkzeuge und Sets Koax
KL720grp
Koax-Abisolierer

DNAW3grp
Eigenschaften
▪ Einstellung der Schnitttiefe ist nicht erforderlich
▪ Stufenweises Abisolieren aller gängigen Koaxialkabel (z.B. Antennen - und Übertragungskabel) von 4,8 - 7,5 mm Außendurchmesser
geeignet für
▪ Flexible Kabel wie 3 x 0,75 mm², 10 mm² und 16 mm²
Artikel

BRINGT KABEL EINFACH UND SICHER ANS ZIEL.
Flexibel und robust geht`s um jede Ecke –die Kabeleinzugstechnik von Greenlee zeichnet sich durch Qualität und einfachste Bedienung bei jeder Herausforderung aus.

Kabeleinzugstechnik
Kabeleinzugstechnik
Kabeleinzugstechnik
DIE EINZUGSHELFER –
KABELEINZUGSTECHNIK
Saubere Baustelle – sauberes Verlegen. Unsere Kabeleinzugstechnik sorgt dafür, dass alle Kabel sauber auf- und abgerollt werden. Keine unnötigen Teile, die umherliegen. Kein umständliches Hantieren. Greenlee Einziehsysteme sind aus hochwertigem ABS-Kunststoff gefertigt. Der macht sie robust und fallbeständig. Sie können es kontrollieren: sicheres Verlegen mit sicherer Kabeleinzugstechnik.

In Kürze
` Einfaches Durchziehen der Kabel und Leitungen
` Kabeleinzieher aus Polyester, Perlon, Nylon und Glasfaser
` Kabeleinziehstangen für Hohlräume und abgehängte
Decken
` Aus hochwertigem ABS-Kunststoff
` Lösungen für leichte und schwere Kabeltypen, winklige Kanäle oder lange Geraden
` Der Dura Spinner
Der Dura Spinner ist klein, hat aber große Wirkung. Hochwertige Materialien sorgen für Robustheit und beste Funktionen.
Sein benutzerfreundliches Design macht auch Abrollen am Boden möglich. Selbst bei Kabeln, die um die Ecke gehen, hält der Dura Spinner alles fest. Eine echte Hilfe auf der Baustelle.
Gehäuse aus ABS-Kunststoff
Einziehband aus nahezu unzerstörbarem Polyesterband
Einfaches Auf und Abrollen
Abrollen auch am Boden möglich
Benutzerfreundliches Design sorgt für Komfort und reibungsloses Arbeiten


Kabeleinzugstechnik
Kabeleinziehbänder/ -stangen
Kabeleinziehbänder/ -stangen
52055292grp
Polyester-Einziehband grün, Ø 4,5 mm

Perlon®-Einziehband Ø 4 mm
52055276grp

Nylon-Einziehband Ø 4 mm
52055270grp Polyester

` 50% weniger Reibung als Nylon Bänder ` Äußerst flexibel und nahezu unzerbrechlich
Eigenschaften
▪ Hohe Schubkraft durch gedrilltes Einziehband
▪ Erleichtert das Einziehen durch wesentlich geringere Reibung
▪ Zugöse und Federführungskopf austauschbar
Zusatzinformationen
▪ Weitere Detailinformationen finden Sie in der Anwendungstabelle auf Seite i-13
Länge
Zubehör
5-teiliges Zubehör-Set für Polyester-Einziehbänder
Drehbarer Federführungskopf mit Öse, M5, Ø 7 mm
Eigenschaften
▪ Mit gepresstem M4 Anfangsstück
▪ Mit abschraubbarem Federführungskopf und Zugöse
Zusatzinformationen
▪ Weitere Detailinformationen finden Sie in der Anwendungstabelle auf Seite i-13
Länge Art.-Nr.
Zubehör Art.-Nr. Zugkopf mit Öse M4 (1) und Federführungskopf M4 (1)
Eigenschaften
▪ Mit gepresstem Federführungskopf und Zugöse
Zusatzinformationen
▪ Weitere Detailinformationen finden Sie in der Anwendungstabelle auf Seite i-13
Länge Art.-Nr. Durchmesser mm
4
4
4
4
4
4
4 20m inklusive drehbarem Federführungskopf
4 30m inklusive drehbarem Federführungskopf
Zubehör
4
Drehbarer Federführungskopf mit Öse, M4, Durchmesser 6 mm 52055263
Perlon
Nylon
Nylon
Stahl Glasfaser-Kabeleinzug-Stangen

Eigenschaften
▪ Nahezu unzerbrechlich durch speziellen Außenmantel
▪ Zeitsparende Verlegung von Kabeln
▪ Verlegung auch unter schwierigsten Bedingungen geeignet für
▪ Kabelinstallation und Verlegung
▪ Ziehen oder schieben
Länge Art.-Nr. Ausführung
10 m 52055385 Bestehend aus: 4 St. hellgrüne Glasfaserstangen Ø 5,6 mm mit WW Verbindungshülse, 1 St hellgrüne Glasfaserstange Ø 5,6 mm mit WW Verbindungshülse und Drehgelenk, 2 St. schwarze Glasfaserstangen Ø 6 mm mit WW Verbindungshülse, 2 St. grüne Glasfaserstangen Ø 6 mm mit WW Verbindungshülse, 1 St. weiße Nylonstange Ø 4 mm mit WW Verbindungshülse
5 m 52055386 Bestehend aus: 3 St. hellgrüne Glasfaserstangen Ø 5,6 mm mit WW Verbindungshülse, 1 St. schwarze Glasfaserstangen Ø 6 mm mit WW Verbindungshülse, 1 St. weiße Nylonstange Ø 4 mm mit WW Verbindungshülse
Zubehör Art.-Nr.
Zubehör Set, 8-teilig
Zubehör Set, 4-teilig
52055387
52055388
Kabeleinziehsysteme Mit Polyester-Einziehband (Dura Spinner und Flexi Spinner) Kabeleinzugstechnik Kabeleinziehsysteme
52074600grp
Dura Spinner Polyester Kabeleinziehsystem

` Kabeleinziehgerät mit neuartigen, extrem robusten, verdrillten
Polyester-Einziehband
` drehbarer Federführungskopf
Eigenschaften
▪ Extrem robustes Einziehband für sehr enge Biegeradien
▪ Eignet sich durch hohe Schubkraft hervorragend für das Verlegen zusätzlicher Kabel
▪ Neuer, drehbarer Federführungskopf
▪ Geeignet für starre und flexible Leerrohre
▪ Sehr einfaches Aus- und Einziehen des Bandes
▪ Abrollen auch am Boden möglich
▪ Inklusive Zubehör und Ersatzteile
▪ Robustes ABS-Gehäuse
▪ Keine Bandbrüche mehr geeignet für
▪ Das Verlegen von zusätzlichen Kabeln
Artikel
Dura Spinner Ø 3,0 mm, Ausführung 20 m
Dura Spinner Ø 3,0 mm, Ausführung 30 m
Art.-Nr.
52074656
52074657
Lieferumfang Art-Nr.
Drehbarer Federführungskopf mit Öse, M4, 6 mm Ø
52055263
Zugkopf mit Öse, M4Einziehhilfe für Einzugsystem 3 - 6 mm Ø
Zubehör
Dura Spinner Ersatzband Ø 3,0 mm, 20 m
Dura Spinner Ersatzband Ø 3,0 mm, 30 m
Zugkopf mit Öse M4 (1) und Federführungskopf M4 (1)
52055311
Art.-Nr.
52074654
52074655
52055288
Flexi Spinner Polyester Kabeleinziehsystem
52055389grp

` Nahezu unzerbrechlich
` Ca. 50% weniger Reibungwiderstand als bei Nylon und Perlon
` Hohe Schubkraft für große Strecken mit engem Biegeradius
Eigenschaften
▪ Super flexibles Polyester Band
▪ Modernes Design
▪ Robustes Gehäuse
Zusatzinformationen
▪ Weitere Detailinformationen finden Sie in der Anwendungstabelle auf Seite i-13
Artikel Länge m Art.-Nr.
Durchmesser mm
Flexi Spinner Polyester Kabeleinziehsystem 20 52055389 4,5
Flexi Spinner Polyester Kabeleinziehsystem 25 52055390 4,5
Flexi Spinner Polyester Kabeleinziehsystem 30 52055391 4,5
Lieferumfang
Art-Nr. Menge
5-teiliges Zubehör-Set für Polyester-Einziehbänder 52055396 1
Zubehör Art.-Nr.
Polyester-Einziehband grün Ø 4,5 mm, 20 m
52055294
Polyester-Einziehband grün Ø 4,5 mm, 25 m 52055295
Polyester-Einziehband grün Ø 4,5 mm, 30 m
52055296
Drehbarer Federführungskopf mit Öse, M5, Ø 7 mm 52055264
52055298grp Mit Glasfaser-Einziehband (Speedy Spinner)
Speedy Spinner Glasfaser

` Einzigartiges benutzerfreundliches Design ` Sehr einfaches und schnelles Aus- und Einziehen des Glasfaserbandes
Eigenschaften
▪ Einhändig bedienbar
▪ Abrollen auch am Boden möglich
▪ Flexible Glasfaserfeder zum schnellen Aus- und Einziehen
▪ Hohe Schubkraft
▪ Zubehörset im Lieferumfang enthalten geeignet für
▪ Rohrdurchmesser: 16 - 32 mm
Zusatzinformationen
▪ Weitere Detailinformationen finden Sie in der Anwendungstabelle auf Seite i-13
▪ Reparaturkleber bitte immer separat bestellen !
Artikel
Speedy Spinner Glasfaser Kabeleinziehsystem, 20 m
Speedy Spinner Glasfaser Kabeleinziehsystem, 30 m
Speedy Spinner Glasfaser Kabeleinziehsystem, 40 m
Lieferumfang
Menge Zugkopf mit Öse M5 52055304 3
Federführungskopf mit Öse M5 52055305 1
Federführungskopf M5 - 10 mm
1 Anfangs/Endhülsen M5
3
3
Kabelziehstrumpf M5, ø 4-15 mm 52055310 1
Einziehhilfe für Einzugsystem ø 3-6 mm 52055311
Zubehör
Art.-Nr.
Speedy Spinner Zubehör, Reparatur Kleber für Glasfaserband ø 3 mm 52055312
Speedy Spinner Glasfaser-Ersatzband, 20 m 52055289
Speedy Spinner Glasfaser-Ersatzband, 30 m 52055290
Speedy Spinner Glasfaser-Ersatzband, 40 m 52055291
Speedy Spinner Reparaturset, 10-teilig 52055303
Drehbarer Federführungskopf mit Öse, M5, 7 mm Ø 52055264
Artikel Reparaturset
Art.-Nr.
Speedy Spinner Reparaturset, 10-teilig 52055303
Lieferumfang Reparaturset Art-Nr. Menge Zugköpfe mit Öse M5 52055304 3
Anfangs/Endhülsen M5 52055308 3
Verbindungshülsen 52055309 3
Einziehhilfe für Einzugsystem ø 3 - 6 mm 52055311 1
WAS SCHNELL VERGESSEN WIRD:
Achten Sie auf die Verlegetemperaturen von Kabel und Leitungen!
Diese können Sie den Datenblättern der Hersteller entnehmen.
Bei einer NYM-Leitung liegt sie beispielsweise bei +5° C.
Einziehbänder in Wicklergehäuse
52041709grp 52041746grp

Eigenschaften
▪ Einzuggehäuse erleichtert das Einziehen der Kabel
▪ Schmutzabweisende Beschichtung des Einziehbandes
▪ Schlagfestes Nylon-Wicklergehäuse mit großem Handgriff
Artikel
MagnumPRO™ Öl-gehärtetes
Bandmaße mm Länge m
Stahl-Kabeleinziehband 20 m 3,2 x 1,5 19,8
MagnumPRO™ Öl-gehärtetes
Stahl-Kabeleinziehband 30 m
MagnumPRO™ Öl-gehärtetes
Stahl-Kabeleinziehband
Öl-gehärtetes
Stahl-Kabeleinziehband 73 m
MagnumPRO™ Edelstahl-Kabeleinziehband
` Rostfreie, flexible Führungsspirale

` Schlanke Öse ermöglicht problemloses Arbeiten in langen und gebogenen Rohren
Eigenschaften
▪ Kann mit jedem Stahleinziehband mit einem Bandmaß von 3,0 x 1,5 mm verbunden werden
▪ Schlagfestes Nylon-Wicklergehäuse mit großem Handgriff
Artikel Bandmaße mm Länge m Art.-Nr.
MagnumPRO™ EdelstahlKabeleinziehband, 30 m 3,2 x 1,5 30,5 52041746
MagnumPRO™ EdelstahlKabeleinziehband, 60 m 3,2 x 1,5 61 52041747
MagnumPRO™ Nylon-Kabeleinziehband
52041750grp

` Nichtleitendes, verwindungsbeständiges Nylonband
Eigenschaften
▪ Durchmesser 4,8 mm
▪ Schlagfestes Nylon-Wicklergehäuse mit großem Handgriff
Artikel
Durchmesser mm Länge m Art.-Nr.
MagnumPRO™ Nylon-Kabeleinziehband Ø 4,8 mm, 30 m 4,8 30,5 52041751
52041752grp
MagnumPRO™ Glasfaser-Kabeleinziehband
Eigenschaften
▪ Nichtleitendes Glasfaserband mit geringem Reibungswiderstand

50016962grp
Stahl-Kabeleinziehband EZ Reach

▪ Einsatz in kl. und gr. Rohren, auch wenn schon Drähte / Kabel vorhanden sind
▪ Schlagfestes Nylon-Wicklergehäuse mit großem Handgriff geeignet für
▪ Den Bereich Tele- und Datenkommunikation
Artikel Durchmesser mm Länge m Art.-Nr.
MagnumPRO™ Glasfaser-Kabeleinziehband, 15 m 4,3 15,2 52041752
MagnumPRO™ Glasfaser-Kabeleinziehband Ø 4,3 mm, 30 m 4,3 30,5 52041753
Zubehör Art.-Nr. Zugöse 4,8 mm 50359304
Eigenschaften
▪ Mit Handkurbel
▪ Flaches Stahlband für Arbeiten über abgehängten Decken, unter Teppichen und durch Wände
Artikel Bandmaße mm Länge m Art.-Nr. Stahl-Kabeleinziehband EZ Reach 6,4 x 0,8 7,6 50016962
52055313grp
Smart Butler Glasfaser Kabeleinzugsystem mit Stahlhaspelkorb

` Einzigartiges benutzerfreundliches Design, verzinkt und gespritzt ` Teflon Ausführstutzen für geringe Reibung beim Auf- und Abrollen
Eigenschaften
▪ Hohe Schubkraft
▪ Reibungsarmes Ab- und Aufrollen
▪ Sicheres Arbeiten durch wirksame Feststellbremse
▪ Effektives Arbeiten durch direkt befestigtes Zubehör am Rahmen
▪ Ab Größe Ø 790 mm Stahlhaspelkorb inkl. Rollen
Zusatzinformationen
▪ Ø 4,5 / 6 mm: Zugkopf mit Öse, Einziehband mit gepresster Anfangs-/Endhülse, Verbindungshülse WW 1/4“ - M6, Anfangsbirne mit Schäkel
▪ Ø 7,5 / 9 / 11 mm: Zugkopf mit Öse, Einziehband mit gepresster Anfangs-/Endhülse, Verbindungshülse WW 1/2“ - M12, Anfangsbirne mit Schäkel Artikel
Smart Butler Glasfaser Kabeleinzugsystem Ø 4,5 mm mit Stahlhaspelkorb Ø 330 mm, 40 m
Smart Butler Glasfaser Kabeleinzugsystem mit Stahlhaspelkorb Ø 330 mm, 60
Smart Butler Glasfaser Kabeleinzugsystem mit Stahlhaspelkorb Ø
Smart Butler Glasfaser Kabeleinzugsystem mit Stahlhaspelkorb Ø
Smart Butler Glasfaser Kabeleinzugsystem mit Stahlhaspelkorb Ø 550 mm, 60 m
Smart Butler Glasfaser Kabeleinzugsystem mit Stahlhaspelkorb Ø 550 mm, 80 m
Smart Butler Glasfaser Kabeleinzugsystem Stahlhaspelkorb Ø
Smart Butler Glasfaser Kabeleinzugsystem mit Stahlhaspelkorb Ø
Glasfaser
Smart Butler Glasfaser Kabeleinzugsystem mit Stahlhaspelkorb
Smart Butler Glasfaser Kabeleinzugsystem mit Stahlhaspelkorb Ø 660 mm, 100 m
Smart Butler Glasfaser Kabeleinzugsystem mit Stahlhaspelkorb
Smart Butler Glasfaser Kabeleinzugsystem mit Stahlhaspelkorb Ø 790 mm, 100 m
Smart Butler Glasfaser Kabeleinzugsystem mit Stahlhaspelkorb Ø 1000 mm, 120 m
Smart Butler Glasfaser Kabeleinzugsystem mit Stahlhaspelkorb Ø 1000
Smart Butler Glasfaser Kabeleinzugsystem mit Stahlhaspelkorb Ø 1000 mm, 150 m
Smart Butler Glasfaser Kabeleinzugsystem mit Stahlhaspelkorb Ø 1000 mm, 300 m
Zubehör
Smart Butler Glasfaser-Ersatzband Ø 4,5 mm, 40 m 52055317
Smart Butler Glasfaser-Ersatzband Ø 4,5 mm, 60 m 52055318
Smart Butler Glasfaser-Ersatzband Ø 6 mm, 60 m 52055330
Smart Butler Glasfaser-Ersatzband Ø 7,5 mm, 80 m 52055344
Smart Butler Glasfaser-Ersatzband Ø 9 mm, 100 m 52055356
Anfangs/Endhülse WW 1/4" für Ø 4,5 mm
52055321
Anfangs/Endhülse WW1/4" für Ø 6 mm 52055333
Anfangs/Endhülse M12 für Glasfaserband Ø 7,5 mm
52055369
Zubehör Art.-Nr.
Anfangs/Endhülse M12 für Glasfaserband Ø 9 mm
Verbindungshülse für Ø 4,5 mm
Verbindungshülse für Ø 6 mm
52055370
52055322
52055334
Verbindungshülse für Glasfaserband Ø 9 mm 52055372
Verbindungshülse für Glasfaserband Ø 11 mm 52055373
Anfangsbirne mit Schäkel WW 1/4" für Ø 4,5 mm 52055323
Anfangsbirne mit Schäkel WW 1/4" für Ø 6 mm 52055335
Anfangsbirne mit Schäkel WW 1/2" für Ø 7,5 mm 52055367
Anfangsbirne mit Führungsrolle WW 1/2" 52055368
Zugkopf mit Öse WW 1/4" für Ø 4,5 - 6 mm 52055320
Notreparatur Set für Glasfaserband Ø 4,5 mm 52055324
Notreparatur Set für Glasfaserband Ø 6 mm 52055336
Notreparatur Set für Glasfaserband Ø 7,5 mm 52055375
Notreparatur Set für Glasfaserband Ø 9 mm 52055376
Notreparatur Set für Glasfaserband Ø 11 mm 52055377
Polyester Butler Kabeleinzugsystem mit
52055313grp

Stahlhaspelkorb
` Einzigartiges benutzerfreundliches Design, verzinkt und gespritzt
` Teflon Ausführstutzen für geringe Reibung beim Auf- und Abrollen
Eigenschaften
▪ Hohe Schubkraft
▪ Reibungsarmes Ab- und Aufrollen
▪ Sicheres Arbeiten durch wirksame Feststellbremse
▪ Effektives Arbeiten durch direkt befestigtes Zubehör am Rahmen
Artikel
Durchmesser mm Stahlhaspelkorb mm Länge m Gewicht kg
Polyester Butler Kabeleinzugsystem mit Stahlhaspelkorb Ø 350 mm, 50 m 6 Ø 350 50 10
Lieferumfang
Smart Butler Zubehör Anfangs/Endhülse WW 1/4" für Stab ø 4,5 mm
Smart Butler Zubehör Anfangsbirne mit Schäkel WW 1/4“ für Ø 4,5 mm
Federführungskopf mit Öse M5, ø 8 mm, drehbar
Zugkopf mit Öse WW 1/4“ für ø 4,5 - 6 mm
52074658
Art.-Nr.
52055321
52055323
52055265
52055320
Kabelzugwinden
Easy Roller (Kabelabroller)
52055383grp
Easy Roller Kabeltrommel-Abroller

` Einzigartiges benutzerfreundliches Design
` 30% weniger Gewicht
` Rampe mit geringer Neigung
Eigenschaften
▪ Leicht - 30% weniger Gewicht
▪ Einfaches Auf- und Abrollen schwerer Kabeltrommeln durch Rampe mit geringer Neigung
▪ Rollen mit integrierter Seitenführung
▪ Anpassung an den Kabeltrommeldurchmesser möglich
geeignet für
▪ Große und kleine Kabeltrommeln
▪ Breite 530 mm, 200 kg Tragkraft
▪ Breite 670 mm, 250 kg Tragkraft Artikel
x 570 x 90
x 605 x 95
Zubehör Art.-Nr.
Ersatzrolle Easy Roller, Standard 52055383ER
Ersatzrolle Easy Roller, Breit
Kabeltrommelabroller Easy Roller Plus

` Reduzierte Neigung der Aufrollrampe ermöglicht einfaches Aufrollen der Kabeltrommel
` Griffe zur einfachen Positionierung und zum Tragen
` Kugelgelagerte Laufrollen
` U-Profileisen zur Fixierung der Abrollschienen
Zusatzinformationen
▪ Kabeltrommelabroller bestehend aus 2 Kabeltrommel-Abrollschienen und einer Distanzschiene
Zugseil für Kabelzugwinde 6800-22 CE
52055383grp

Eigenschaften
▪ Bruchlast liegt bei ca. 14,2 t
▪ Zugseildurchmesser 22 mm
▪ Zugseil auf Holztrommel
Artikel
Ständer für Zugseil 91 m und 182 m
Kabeleinzugstechnik
Kabelstrümpfe
Kabelstrümpfe Typ T, geschlossen
50305581grp

Zubehör
Eigenschaften
▪ Doppelt gewobenes verzinktes Stahlgeflecht mit flexibler Öse geeignet für
▪ Mittelschwere Zugvorgänge in Rohren und Kabelkanälen
Art.-Nr. Länge Geflecht mm Länge Öse mm
50305581
50305727
50307584grp
Kabelstrumpf-Satz, geschlossen
Kabelstrümpfe, offen

Eigenschaften
▪ Zusammenstellung der wichtigsten Kabelstrümpfe für die am häufigsten vorkommenden Zugvorgänge
Art.-Nr. Durchmesser mm
50307584 7 - 31
50314831 51 - 76
50314840 19 - 76
50306588grp
Kabelstrumpf, offen

Eigenschaften
▪ Einzeln gewobenes, verzinktes Stahlgeflecht mit Stabverschluss
▪ Versetzte flexible Öse geeignet für
▪ Leichte und gerade Zugvorgänge bei denen kein Kabelende verfügbar ist
Art.-Nr. Länge Geflecht mm Länge Öse mm Für Kabeldurch-
50310240
50310283
Sparen Sie sich vor dem Kabelzug das Abmanteln und Abisolieren der Leitung durch die Verwendung eines Kabelstrumpfes! Mit Nutzung eines Kabelstrumpfes kann mit größerer Zugkraft gezogen werden als ohne Kabelstrumpf. Man vermeidet eine mögliche Verjüngung des Querschnittes.
52055379grp
Kabelinstallations-Gleitmittel

Eigenschaften
▪ Reduziert die Reibung um bis zu 80%
▪ Biologisch abbaubar
▪ Unbedenklich für den Anwender geeignet für
▪ Elektro-/ Telefonkabel in Rohren Ø 16 - 25 mm
▪ Große Kabeldurchmesser
Artikel
Kabelgleitmittel Gel in Tube 0,25 kg
Kabelgleitmittel Gel in Flasche 1,0 kg
Kabelgleitmittel flüssig für Lichtleitfaser und Stromkabel, Kanister 5 kg
Kabelgleitmittel flüssig für Lichtleitfaser und Stromkabel, Kanister 10 kg
52055379
52055380
52055381
52055382
52055378grp
Gleitschaum-Spray

Eigenschaften
▪ Reduziert die Reibung um bis zu 80%
▪ Biologisch abbaubar
▪ Silikonfrei
▪ Nicht entflammbar geeignet für
▪ Elektro-/ Telefonkabel in Rohren Ø 16 - 25 mm
Artikel
Gleitschaum-Spray 400 ml
Art.-Nr.
52055378
Technischer Anhang
Legenden der unterschiedlichen Piktogramme i-2
Legende zu den verschiedenen Pressformen i-2
Legende der verwendeten Piktogramme für Leitungsarten i-3
Legende der verwendeten Piktogramme für Verbindungsmaterialien i-4
Legende der verwendeten Piktogramme für Prüfzeichen i-5
Vielfach genutzte Kennzeichnungen von Leitungen und Kabeln i-6
Kennzeichnungen von Leitungen und Kabeln nach VDE (Deutschland) i-6
Kennzeichnungen von Leitungen und Kabeln nach europaweit harmonisierter Normierung i-7
Zuordnung von Kabeln und Leitungen i-8
Spezielle Eigenschaften von Verbindungsmaterialien i-9
Materialeigenschaften i-9
Elektrische Eigenschaften i-9 Mechanische Eigenschaften i-9
Verarbeitungshinweise für Verbindungsmaterialien i-10
Montagehinweise für Kabelschuhe und Verbinder i-10
Verarbeitungshinweise für Hülsen für verdichtete Leiter, Typen VHR und VHD i-11
Montagehinweise für Schraubverbinder i-12
Allgemeine technische Informationen i-13
Kabeleinzugstechnik - Anwendungsbeispiele i-13
Metrische Kabelverschraubungen i-14
Lochersysteme i-14
Hydraulikstanzen i-14 Standards und Normen i-15
Alphabetisches Stichwortverzeichnis i-16
Alpha-numerisches Inhaltsverzeichnis i-18
Legenden der unterschiedlichen Piktogramme
Legende zu den verschiedenen Pressformen
Pressung
Beschreibung
Sechskantpressung zum Verpressen von Cu-Rohrkabelschuhen und Verbindern „Normalausführung“, Rohrkabelschuhen für Schaltgeräteanschlüsse, Presskabelschuhen und Verbindern DIN 46235 / DIN 46267, Al-Presskabelschuhen und Verbindern
Dornpressung zum Verpressen von Cu-Rohrkabelschuhen und Verbindern „Normalausführung“, Rohrkabelschuhen für Schaltgeräteanschlüsse, Quetschkabelschuhen DIN 46234 und Stift kabelschuhen DIN 46230, isolierten Quetschkabelschuhen, Rohrkabelschuhen und Verbindern für feindrähtige Leiter, Nickel-Rohrkabelschuhen und Verbindern, Edelstahl-Rohrkabelschuhen und Verbindern
Ovalpressung zum Verpressen von Doppelpresskabelschuhen, C - Klemmen, isolierten Rohrkabelschuhen und Verbindern, isolierten Stiftkabelschuhen, Pressverbindern DIN 48217, isolierten Kabelver bindungen
Kerbung zum Kerben von Cu-Rohrkabelschuhen und Verbindern „Normalausführung“, Rohrkabelschuhen für Schaltgeräteanschlüsse, Rohr kabelschuhen und Verbindern für feindrähtige Leiter
Doppeldornpressung zum Verpressen von Cu-Rohrkabelschuhen und Verbindern „Normalausführung“, Rohrkabelschuhen für Schaltgeräteanschlüsse, Nickel-Rohrkabelschuhen und Verbindern, Edelstahl-Rohrkabelschuhen und Verbindern
Trapezpressung zum Verpressen von Aderendhülsen und Zwillingsaderendhülsen
Dornpressung zum Verpressen von Aderendhülsen und Zwillingsaderendhülsen
Vierkantpressung zum Verpressen von Aderendhülsen und Zwillingsaderendhülsen
Rollpressung (Crimpung) zum Verpressen (Crimpen) von nicht isolierten Flachsteckverbindungen und Aderendhülsen DIN 46228, Teil 2
Rundpressung zum Verpressen von Aderendhülsen und Zwillingsaderendhülsen von Sektorleitern 90° und 120°
Vierdornpressung zum Verpressen von Cu-Rohrkabelschuhen und Verbindern „Normalausführung“, Rohrkabelschuhen für Schaltgeräteanschlüsse, Rohrkabelschuhen und Verbindern für feindrähtige Leiter
Vierpunktpressung zum Verpressen von gedrehten Rundsteckern und Steckbuchsen
Legende der verwendeten Piktogramme für Leitungsarten
Material Leiter Leitungsarten
Cu Al Cu und Al
Eindrähtiger Leiter (Klasse 1 nach EN 60228) aus blanken oder metallumhüllten weichgeglühten Kupfer, beziehungsweise Aluminium oder Aluminiumlegierung
Mehrdrähtiger Leiter (Klasse 2 nach EN60228) aus blanken oder metallumhüllten weichgeglühten Kupfer, beziehungsweise Aluminium oder Aluminiumlegierung
Feindrähtiger Leiter (Klasse 5 nach EN 60228) aus blanken oder metallumhüllten weichgeglühten Kupfer
Feinstdrähtiger Leiter (Klasse 6 nach EN 60228) aus blanken oder metallumhüllten weichgeglühten Kupfer
Eindrähtiger Sektorleiter 120° (Klasse 1 nach EN 60228) aus Aluminium oder Aluminiumlegierung
Eindrähtiger Sektorleiter 90° (Klasse 1 nach EN 60228) aus Aluminium oder Aluminiumlegierung
Mehrdrähtiger Sektorleiter 120° (Klasse 2 nach EN 60228) aus blanken oder metallumhüllten weichgeglühten Kupfer, beziehungsweise Aluminium oder Aluminiumlegierung
Mehrdrähtiger Sektorleiter 90° (Klasse 2 nach EN 60228) aus blanken oder metallumhüllten weichgeglühten Kupfer, beziehungsweise Aluminium oder Aluminiumlegierung
Leitungsseil aus Kupfer (DIN 48201-1), beziehungsweise Leiter für Freileitungen (DIN EN 50182) aus Aluminium oder Aluminiumlegierung
Bitte berücksichtigen Sie das Material des Leiters (Cu, Al). Diese Information ist im Piktogramm dargestellt.
Technischer Anhang
Legenden der unterschiedlichen Piktogramme
^TI_Leitungen_Pressen^ Legende der verwendeten Piktogramme für Verbindungsmaterialien
Verbindungsmaterial Bezeichnung
Rohrkabelschuhe und Verbinder – Cu, Normalausführung
Isolierte Rohrkabelschuhe und Verbinder, Normalausführung
Rohrkabelschuhe und Verbinder für feindrähtige Leiter
Rohrkabelschuhe und Verbinder für Massivleiter
Rohrkabelschuhe und Verbinder – Edelstahl
Rohrkabelschuhe und Verbinder – Nickel
Presskabelschuhe und Verbinder nach DIN – Cu
Presskabelschuhe Doppelpressung - Cu
Quetschkabelschuhe, Verbinder und tiftkabelschuhe nach DIN - Cu
Isolierte Quetschkabelschuhe
Hülsen für verdichtete Leiter und Sektorleiter - Cu
Presskabelschuhe und Verbinder nach DIN – Al
Presskabelschuhe und Verbinder – Al/Cu
Klemmen in C-Form
Klemmen in H-Form
Aderendhülsen
Zwillings-Aderendhülsen
Isolierte Kabelverbindungen
Nicht-isolierte Flachsteckverbindungen
Legende der verwendeten Piktogramme für Prüfzeichen
Prüfzeichen Inhalt
GS (Geprüfte Sicherheit):
Die GS-Kennzeichnung unserer Press- und Schneidwerkzeuge steht für ein höchstmögliches Sicherheits- und Qualitätsniveau.
UL (Underwriters Laboratory):
Das elektrische Verbindungsmaterial und die Presswerkzeuge sind nach UL/CSA Standards zertifiziert.
CSA (Canadian Standard Association): Zertifizierung des elektrischen Verbindungsmaterials und der Werkzeuge nach UL/CSA Standards.
VDE (Verband der Elektrotechnik e.V.):
Prüft und bescheinigt die elektrische Sicherheit von Werkzeugen, Ladegeräten sowie von Werkzeugen zum Arbeiten unter Spannung
IEC Zertifikate:
Das einzigartige Sicherheitsniveau unserer Produkte wurde im Bereich des elektrischen Verbindungsmaterials mit der international anerkannten Prüfnorm IEC 61238-1 und bei den Batteriewerkzeugen mit der international anerkannten Norm IEC 60745-1 belegt.
DNV Zertifikate
DNV bildet die weltweit größte Beratungsgesellschaft für On- und Offshore-Anlagen.
CE Zeichen
Das Produkt wurde vom Hersteller geprüft und erfüllt alle EU-weiten Anforderungen an Sicherheit, Gesundheitsschutz und Umweltschutz.
Technischer Anhang
Vielfach genutzte Kennzeichnungen von Leitungen und Kabeln
^TI_Kennzeichnungen_von_Leitungen^ Kennzeichnungen von Leitungen und Kabeln nach VDE (Deutschland)
Hinweise zu Leitungsbezeichnungen (Anwendungsbereich Pressen)
Einige der unten genannten Leiter und Kabel werden querschnittsabhängig als eindrähtige und mehrdrähtige Leiter angeboten. Dies bitte bei der Verarbeitung beachten.
Bei der tabellarischen Aufstellung ist ein möglicher Schutzleiter (Kennzeichnung -J/-O) nicht berücksichtigt, da er für die Zuordnung und Verarbeitung nicht relevant ist.
◾ Leiterklasse 1 = Rundleiter eindrähtig,
◾ Leiterklasse 2 = Rundleiter mehrdrähtig,
◾ Leiterklasse 5 = Rundleiter feindrähtig,
◾ Leiterklasse 6 = Rundleiter feinstdrähtig
Leiterklasse Verbindungsmaterial
Leitungsbezeichnung Material Leiter VDE 0295 / EN 60228 2YSLCY Kupfer
Kupfer
Kennzeichnungen von Leitungen und Kabeln für Österreich: Die Bezeichnungen entsprechen den deutschen Leitungsbezeichnungen, jedoch ohne das angeführte „N“.
Sektorleiter müssen rundgedrückt werden !
* Bitte beachten Sie die richtige Werkzeugwahl bzw. den Einsatz der richtigen Presseinsätze bei der Verarbeitung von feindrähtigen Leitern (Leiterklasse 5) ! Die angebotenen Produkte sind standardmäßig für die Verarbeitung von mehrdrähtigen Rundleitern vorgesehen !
Kennzeichnungen von Leitungen und Kabeln nach europaweit harmonisierter Norm
Leiterklasse Verbindungsmaterial
Leitungsbezeichnung Material Leiter VDE 0295 / EN 60228 H01N2-D
* Bitte beachten Sie die richtige Werkzeugwahl bzw. den Einsatz der richtigen Presseinsätze bei der Verarbeitung von feindrähtigen Leitern (Leiterklasse 5) ! Die angebotenen Produkte sind standardmäßig für die Verarbeitung von mehrdrähtigen Rundleitern vorgesehen !
Technischer Anhang
Spezielle Eigenschaften von Verbindungsmaterialien
Zuordnung von Kabeln und Leitern
a) Kupfer
◾ Unsere Kabelschuhe und Verbinder aus Kupfer sind geeignet zum Anschluss an Kupferleiter nach DIN EN 60228 und Kupferseile nach DIN 48201 Teil 1. Zur besseren Identifizierung nutzen Sie bitte die untenstehende Tabelle.
b) Aluminium
◾ Unsere Kabelschuhe und Verbinder aus Aluminium sind geeignet zum Anschluss an Aluminiumleiter nach DIN EN 60228 und Aluminiumseile nach DIN EN 50182. Zur besseren Identifizierung nutzen Sie bitte die untenstehende Tabelle.
Sektorleiter sind vor dem Verarbeiten mit Runddrückwerkzeugen rundzudrücken.
Querschnittszuordnungstabelle für Kabelschuhe und Verbinder zu Kupfer- und Aluminiumleitern ◾ Mit Hilfe dieser Tabelle können Sie im Zweifelsfall den Querschnitt Ihres Leiters bestimmen. Der minimale Durchmesser des Leiters ist bei den Klassen 1, 2 (unverdichtet), 5 und 6 durch den Leitwert definiert. Deshalb kann keine Angabe bezüglich des minimalen Durchmessers gemacht werden.
Leiterarten nach DIN EN 60228 / IEC 60228
Kupferleiter
Rundleiter eindrähtig, Klasse 1
Nennquerschnitt in mm²
Maximaler Leiterdurchmesser in mm
Rundleiter mehrdrähtig unverdichtet, Klasse 2 Rundleiter mehrdrähtig verdichtet, Klasse 2
Maximaler Leiterdurchmesser in mm
Minimaler Leiterdurchmesser in mm
Maximaler Leiterdurchmesser in mm
Rundleiter fein- und feinstdrähtig, Klasse 5 und Klasse 6 Rundleiter eindrähtig, Klasse 1
Maximaler Leiterdurchmesser in mm
Minimaler Leiterdurchmesser in mm
Aluminiumleiter
Maximaler Leiterdurchmesser in mm
Rundleiter mehrdrähtig verdichtet, Klasse 2
Minimaler Leiterdurchmesser in mm
Maximaler Leiterdurchmesser in mm
Elektrische Eigenschaften
◾ Unser Verbindungsmaterial aus Kupfer und Aluminium ist mit den in der VDE 0298 definierten Strömen belastbar. Bei höheren Strombelastungen bitten wir um Rücksprache. Die Stromwerte der VDE 0298 können Sie in untenstehender Tabelle finden
Gruppe 1
Eine oder mehrere in Rohr verlegte einadrige Leitungen
Gruppe 2
Mehraderleitungen, z.B. Mantelleitungen, Rohrdrähte, Bleimantelleitungen, Stegleitungen, bewegliche Leitungen
Gruppe 3
Einadrige, frei in Luft verlegte Leitungen, wobei der Zwischenraum mindestens ihrem Durchmesser entspricht Nennquerschnitt
Werte gültig bei Umgebungstemperaturen von 30 °C
Mechanische Eigenschaften
◾ Die nach den Verarbeitungshinweisen mit unseren Werkzeugen hergestellten Verbindungen haben eine ausreichende Zugfestigkeit entsprechend der für die Verbindung gültigen Norm (abhängig vom verwendeten Material).Hierbei handelt es sich um die Normen IEC 61238-1, DIN EN 60999, DIN EN 603522, UL486A-486B, DNV, UL486F.
Bitte beachten Sie, dass ein Verpressen der lötfreien Kabelverbindungen mit Werkzeugen verschiedener Hersteller keine ordnungsgemäße Verbindung garantiert. Wir empfehlen ausschließlich die Verwendung lötfreier Kabelverbindungen von mit Werkzeugen von .
^TI_Technical instructions^

Montagehinweise für Kabelschuhe und Verbinder
➊ Leiter entsprechend der Einschublänge abisolieren (+10 % wegen Längenänderung der Presshülse).
➋ Die Leiterenden sind vor der Montage mechanisch zu reinigen.
➌ Leiter bis zur vollen Einschublänge in den Kabelschuh bzw. Verbinder einführen.
4
Den Kabelschuh bzw. Verbinder, unter Beachtung der Pressrichtung, mit den zugeordneten Werkzeugen verpressen. Die Pressrichtung für Kabelschuhe und Verbinder entnehmen Sie bitte der nebenstehenden Skizze.
5 Bei Al-Kabelschuhen und Al-Verbindern ausgetretenes Fett / Öl abwischen.
Für die Anzahl der Pressungen der einzelnen Querschnitte geben wir folgende Empfehlungen:
* bei der Verwendung der Vierdornpressung (HK60VP, EK60VP/FT etc.) Anzahl der Verpressungen: 2
** Querschnittbereich des Werkzeuges beachten !
*** Pressung mit Presseinsätzen der Serie 100
**** Bei Verwendung der Presseinsätze der Serie 50 sind 2 Pressungen erforderlich !
Beim Verpressen von Kabelschuhen der F-Reihe und Quetschkabelschuhen nach DIN 46234 mit unseren Dorneinsätzen wird für jeden Querschnitt nur eine Pressung benötigt.
^TI_Verarbeitung_Huelsen^
Verarbeitungshinweise für Hülsen für verdichtete Leiter und Sektorleiter, Typen VHR und VHD
Für verdichtete Rundleiter empfehlen wir zum passgenauen Einsatz der Rohrkabelschuhe und Verbinder die Verwendung von zusätzlichen VHRbzw. VHD-Hülsen.
Für Sektorleiter empfehlen wir zur Verarbeitung der Cu-Kabelschuhe und -Verbinder, zwecks Vermeidung des Auffederns der Leiterenden beim Runddrücken, den Einsatz von zusätzlichen Sektorhülsen VHR 3 bzw. VHR 4 und VHD 3 bzw. VHD 4, welche mit Runddrückwerk zeugen rundgepresst werden.
Dabei bitte beachten:
➊ Beim Ablängen auf geringste Verformung des Leiters achten.
➋ Leiter entsprechend der Einschublänge abisolieren.
➌ Hülse bis an die vordere Schnittkante des Leiters aufschieben.
4 Leiter und Hülse gemäß Skizze in Runddrückwerkzeug einlegen.
5 Hülse verpressen
a) Pressung gemäß Skizze (1. Vorpressung)
b) Pressung 90° verdreht (2. Vorpressung)
c) Pressung 30° verdreht (Fertigpressung)
d) Pressung 30° verdreht im Bedarfsfall (Fertigpressung)
4 / 5
Hülse
Runddrückwerkzeug
^TI_Verarbeitung_Reduzierhuelsen^
Verarbeitungshinweise für Reduzierhülsen
Bei mehr als zwei Querschnittssprüngen nur noch mit breiten Hydraulikpresseinsätzen verarbeiten.
^TI_Allgemeine_Hinweise^
Unser Verbindungsmaterial (Kupfer und Aluminium) wurde mit folgenden maximalen Drehmomenten geprüft:
M 10 44
Bitte die Drehmomente der Anschlussklemmen beachten.
Montagehinweis für Schraubverbinder
^TI_Montage_Schraubverbinder^
Als wieder lösbare Verbindungselemente werden Schraubverbinder bevorzugt in Schrumpf- oder Gießharzmuffen eingesetzt. Sie können aber auch in allen übrigen Arten von Verbindungsmuffen verwendet werden. Vierschraubige Schraubverbinder sind besonders für mehrdrähtige Leiter geeignet, da durch die größere Verbinderlänge die Querleitfähigkeit der Einzeldrähte erhöht wird und der Übergangswiderstand entsprechend sinkt. Darüber hinaus werden höhere Auszugswerte erreicht. Längsdichte vierschraubige Schraubverbinder sind für Kabel mit massegetränkter Papierisolation geeignet.
In einer elektrolytfreien, d. h. trockenen Umgebung können neben Aluminium- auch Kupferleiter miteinander verbunden werden. Dieses gilt auch in Verbindung mit Schrumpfschläuchen. Müssen Leiter unterschiedlicher Werkstoffe (z. B. Cu- und AI-Kabel) verbunden werden, so ist ein Verbindertyp mit Trennwand zu empfehlen.
Während zum Verbinden gleicher Kabeltypen (z. B. NAYY-NAYY) Schraubverbinder ohne Trennwand eingesetzt werden können, wird bei ungleichen Kabeltypen (z. B. NAYY-NAKBA), Kunststoff- oder Massekabeln der Einsatz von Schraubverbindern mit Trennwand als Ölstop empfohlen.
Die Einschubtiefe der Leiter wird zum einen durch den Anschlag des Leiters an die Trennwand vorgegeben und zum anderen bei Schraub -
verbindern ohne Trennwand durch ein Sichtloch kontrolliert. Zusätzlich zu den herkömmlichen Schraubverbindern bieten wir Schraubverbinder mit Abreißkopf an. Der Vorteil dieser Ausführung liegt in dem definierten Anzugsmoment, das durch das max. übertragbare Drehmoment an der Sollbruchstelle vorgegeben wird. Bei dieser vom Hersteller vorgegebenen Anpresskraft werden optimale elektische und mechanische Werte garantiert. Bei der Montage dieses Verbindertyps wird kein Drehmomentschlüssel benötigt.
Bei gewöhnlichen Schraubverbindern werden die notwendigen Kontaktdrücke schon bei 80 % des vorgeschriebenen Drehmoments erreicht. Eine Über pressung über das für den Verbinder angegebene Drehmoment hinaus ist zu vermeiden.
Durch die Querrillung der Leiterkanäle können auch hohe Zugbeanspruchungen übertragen werden. Die Zugkräfte unserer Schraubverbinder entsprechen querschnittsgleichen Pressverbindern nach DIN 46267, Teil 2.
Die Schrauben sind mit einem hochgleitfähigem Festschmierstoff auf Basis von Molybdändisulfid versehen. Dadurch wird gewährleistet, dass mit relativ geringem Anzugsmoment eine ausreichende Anpress- oder Kontaktkraft erzielt wird.
^TI_Kabeleinzugstechnik – Anwendungsbeispiele^
für Handwerk für Industrie
Technischer Anhang
Allgemeine
Metrische Kabelverschraubungen EN 50262
Mit dem Inkrafttreten der Euronorm EN 50262 kommt eine wichtige Umstellung auf alle Hersteller von Gehäusen für Elektrogeräte und Elektroinstallation sowie das Elektrohandwerk zu.
Betroffen sind alle Kabel- und Leitungsführungen zum Beispiel in Schaltschränken, Verteilergehäusen, Aufputzkästen, Hausanschlusskästen, Installationsdosen, Gerätegehäusen etc.
Greenlee Lochwerkzeuge in ISO-Größen gemäß EN 50262
Mit der EN 50262 wird das seit Jahrzehnten für alle Gehäuseführungen benutzte Pg-Gewinde (Stahlpanzer-Rohrgewinde) durch ein metrisches Gewinde abgelöst. Die Größen Pg 7 bis Pg 48 werden durch die Gewinde M 6 bis M 75 ersetzt.
Lochersysteme
Rundlocher Bedienung Kapazität Lochgröße
Slug-Buster ® manuell, Hydraulikstanzen max. 3,0 mm in St 37
Slug-Splitter ® Hydraulikstanzen max. 3,5 mm in V2A
12,5 bis 64,0 mm
15,2 bis 64,0 mm
Speed PunchTM Hydraulikstanzen 3,5 mm in St 37 16,2 bis 64,0 mm
Standard manuell, Hydraulikstanzen max. 3,0 mm in St 37 66,7 bis 144,1 mm
Formlocher Bedienung Kapazität Lochgröße
Formlocher manuell, Hydraulikstanzen max. 3,0 mm in St 37 bzw. 1,5 mm in V2A siehe Angaben bei den entsprechenden Lochern
Hydraulikstanzen






LS 50 FLEX Akkuhydraulisches Stanzwerkzeug
Hydraulik-Stanze Quick Draw™ 7804E
Hydraulik-Stanze Quick Draw 90™ 7904E
LS 50 FLEX
50342916
50342991
Hydraulik-Stanze mit Handpumpe 52084920
Hydraulik-Stanze mit Fußpumpe 52084941
Handhydraulik-Stanze Flex Draw 52033843
Beschreibung
- mit Mikroprozessorsteuerung
- 60 kN Stanzkraft
- stanzt bis 3,0 mm St 37 und bis 3,5 mm V2A, je nach Lochgröße
- ideal für schnelles, frontales Stanzen
- 80 kN Stanzkraft
- stanzt bis 3,0 mm St 37 und bis 3,5 mm V2A, je nach Lochgröße
- rechtwinkliger Zylinderkopf, um 180° drehbar
- maximale Flexibilität in engen Arbeitsräumen
- 80 kN Stanzkraft
- stanzt bis 3,0 mm St 37 und bis 3,5 mm V2A, je nach Lochgröße
- kompaktes Design von Stanze, Pumpe und Zylinder
- 110 kN Stanzkraft
- stanzt bis 3,5 mm St 37 und bis 3,5 mm V2A, je nach Lochgröße
- Fußpumpe lässt beide Hände zur Bedienung der Stanze frei
- 110 kN Stanzkraft
- stanzt bis 3,5 mm St 37 und bis 3,5 mm V2A, je nach Lochgröße
- rechtwinkliger Zylinderkopf, um 180° drehbar
- maximale Flexibilität in engen Arbeitsräumen
- 80 kN Stanzkraft
- stanzt bis 3,0 mm St 37 und bis 3,5 mm V2A, je nach Lochgröße
Standards für die Verkabelung
Seit 1993 existieren eine Reihe von verschiedenen Normungsgremien, die sich mit der Definition der technischen Eigenschaften von Verkabelungssystemen befassen. Bei der Planung und der Errichtung
Internationale Normen
Die Internationalen Normen werden von der ISO (International Standards Organisation) ausgegeben. Diese internationalen Richtlinien haben in Europa informativen Charakter.
ISO/IEC IS 11801 Beschreibung der Leistungsanforderungen an das dienstneutrale Verkabelungssystem
IEC 1156 Mehradrige und symmetrische Leitungen für die digitale Nachrichtenübertragung
Europäische Normen
In Zusammenarbeit mit den nationalen Normeninstituten hat das europäische Komitee für elektrotechnische Normung, die CENELEC (Comite Europeen de Normalisation Electrotechnique), Europanormen herausgebracht, die auf der internationalen ISO/IEC 11801 basieren und für Europa normativ sind.
EN 50173 Beschreibung der Leistungsanforderungen an das dienstneutrale Verkabelungssystem (Die EN 50173 verweist ebenfalls auf die HD 608 sowie auf die EN 55022)
608 Fachgrundspezifikation für symmetrische Leitungen für die digitale Nachrichtenübertragung
EN 50167 Rahmenspezifikation für Etagenkabel
Amerikanische Normen
Die amerikanischen Normen werden durch die EINTIA (Electronic Industries Association / Telecommunication Industries Association), einer amerikanischen Interessengemeinschaft publiziert.
TSB 36 Rahmenspezifikation für symmetrische Datenkabel (100 Ohm, ungeschirmt)
TSB 40 Rahmenspezifikation für passive Komponenten (100 Ohm, ungeschirmt)
von Netzwerken ist die Beachtung dieser Richtlinien unerlässlich. Die Kompendien können über den Spezial-Fachbuchhandel bezogen werden.
IEC 1156-1
IEC 1156-2
Fachgrundspezifikation
Rahmenspezifikation für Etagenkabel IEC1156-3 Rahmenspezifikation für Patch- und Geräteanschlusskabel
IEC 1156-4 Rahmenspezifikation für Gebäudeverbindungsund Steigkabel
EN 50168
Rahmenspezifikation für Patch- und Geräteanschlusskabel
EN 50169 Rahmenspezifikation für Gebäudeverbindungsund Steigekabel
EN 55022 Rahmenspezifikation für die elektromagnetische Verträglichkeit (EMV). Sie beinhaltet Grenzwerte und Messverfahren für Funkstörungen von informationstechnischen Einrichtungen.
EIA/TIA 568 Rahmenspezifikation für Verkabelungssysteme
Alpha-numerisches Inhaltsverzeichnis Technischer Anhang
Aderendhülsen DIN 46228, Teil 1 und Teil 2
Aderendhülsen
Isolierte Aderendhülsen DIN 46228, Teil 4 und ähnliche Ausführungen
Akkuhydraulisches
Allgemeine
Alphabetisches
Alpha-numerisches
Anwendungstabelle
Anwendungstabelle
Anwendungstabelle
Anwendungstabelle
von Leitungen und Kabeln nach europaweit harmonisierter
von Leitungen und Kabeln nach VDE
Elektromechanische Crimpzange für Aderendhülsen und Zwillingsaderendhülsen
der verwendeten Piktogramme für Leitungsarten i-3 Legende der verwendeten Piktogramme für Prüfzeichen i-5
Legende der verwendeten Piktogramme für Verbindungsmaterialien i-4
Legende zu
Teil 1 und ähnliche Ausführungen
Pressverbinder DIN 46267, Teil 2 und ähnliche Ausführungen - Al
nach DIN - Cu
Technischer Anhang
Artikel-Nr. Seite Artikel-Nr. Seite
Technischer Anhang
Artikel-Nr. Seite Artikel-Nr. Seite
Artikel-Nr. Seite
Seite
Seite
Seite
9.10 52041751 9.10
Artikel-Nr. Seite
Artikel-Nr. Seite
Artikel-Nr. Seite
Artikel-Nr. Seite Artikel-Nr. Seite Artikel-Nr. Seite
Artikel-Nr. Seite Artikel-Nr. Seite Artikel-Nr. Seite
Seite
D2235 2.88
D2250 2.88
D226 2.88
D2270 2.88
D2295 2.88
D22SET 2.88
D504 2.81
D505 2.81
DNK742 2.21
DNP2 7.15
DP2270 2.88
EBS12CFB 3.18
EBS12CFM 3.18
EBS12ML 3.11
EBS6LGKS 3.16
EBS8CFB 3.17
EBS8CFM 3.17
EBS8ML 3.11
EC50ML 6.10
EK12032CFB 2.46
EK12032CFM 2.46
EK12042CFB 2.48
EK12042CFM 2.48
EK120IDCFB 2.45
EK120IDCFM 2.45
EK120UCFB 2.50
EK120UCFM 2.50
EK120UNVCFB 6.15
EK120UNVCFM 6.15
EK135FTCFB
EK6022CFB 2.40
EK6022CFM 2.40
EK60UNVCFB 6.14
EK60UNVCFM 6.14
EK60VPCFB 2.42
EK60VPCFM 2.42
EK60VPFTCFB 2.43
EK60VPFTCFM 2.43
EKM6022CFB 2.38
EKM6022CFM 2.38
EKM6022ISB 4.6
EKM6022ISM 4.6
EKM60IDCFB 2.44
EKM60IDCFM 2.44
EKM60IDISB 4.8
EKM60IDISM 4.8
EKM60UNVCFB 6.13
EKM60UNVCFM 6.13
EKPV50ML 6.8 EKSD50ML 6.7
EKWF120ML 2.31
EKWF50ML 6.5
ES105CFB 3.39
ES105CFM 3.39
ES20CFB 3.19
ES20CFM 3.19
ES20E 3.12
ES20ISB 4.12
ES20ISM 4.12
ES20ML 3.12
ES20RMCCFB 3.20
ES20RMCCFM 3.20
ES32CFB 3.27
ES32CFM 3.27
ES32FCFB 3.28
ES32FCFM 3.28
ES32FML 3.13
ES32ISB 4.13
ES32ISM 4.13
ES32ML 3.13
ES32RMCCFB 3.20
ES32RMCCFM 3.20
ES65CFB 3.35
ES65CFM 3.35
ES85CFB 3.37
ES85CFM 3.37
ESG105CFB 3.38
ESG105CFM 3.38
ESG105RMCCFB 3.22
ESG105RMCCFM 3.21
ESG105RMCPCFB 3.23
ESG105RMCPCFM0000 3.24
ESG105RMCPCFM 3.24
ESG25CFB 3.25
ESG25CFM 3.25
ESG45CFB 3.32
ESG45CFM 3.32
ESG55CFB 3.34
ESG55CFM 3.34
ESG65RMCCFB 3.22
ESG65RMCCFM 3.21
ESG85CFB 3.36
ESG85CFM 3.36
ESGM452CFM0000 3.31
ESGM452CFM 3.31
ESGM45CFB 3.30
ESGM45CFM 3.30
ESM25CFB 3.26
ESM25CFM 3.26
ESM25ISM 4.11
ESM25ISMB 4.11
ESM35CFB 3.29
ESM35CFM 3.29
ESM35ISB 4.10 ESM35ISM 4.10 ESM50CFB 3.33
ESM50CFM 3.33
ESM50ISB 4.9
ESSG105L
F2250
GR1698 1.116
GR1708 1.116
GR170W 1.115
GR1718 1.116
GR171G 1.115
GR1728 1.116
GR172RO 1.115
GR1738 1.116
GR173B 1.115
GR4698 1.113
GR4698DO 1.150
GR4708 1.113
GR4708DO 1.150
GR4718 1.113
GR4718DO 1.150
GR4728 1.113
GR4728DO 1.151
GR4738 1.113
GR4738DO 1.151
H2270 2.90
HA1310 2.94
HA13150 2.94
HA131625 2.94
HA13185 2.94
HA13240 2.94
HA13300 2.94
HA1335 2.94
Artikel-Nr. Seite Artikel-Nr. Seite Artikel-Nr. Seite
Seite
Artikel-Nr. Seite
Artikel-Nr. Seite
KL120PZ2IS 8.11
KL120PZ2ISLIM 8.11
KL120PZ3IS 8.11
KL130PM1IS 8.11
KL130PM1ISLIM 8.11
KL130PM2IS 8.11
KL130PM2ISLIM 8.11
KL145100IS 8.12
KL145130IS 8.12
KL14555IS 8.12
KL14560IS 8.12
KL14570IS 8.12
KL14580IS 8.12
KL150TX10IS 8.12
KL150TX15IS 8.12
KL150TX15ISLIM 8.12
KL150TX20IS 8.12
KL150TX20ISLIM 8.12
KL150TX25IS 8.12
KL150TX25ISLIM 8.12
KL150TX30IS 8.12
KL19073IS 8.12
KL2007335 8.19
KL2007340 8.19
KL2007355 8.19
KL2007365 8.19
KL21073PH1 8.19
KL21073PH2 8.19
KL22073PZ1 8.19
KL22073PZ2 8.19
KL23073PM1 8.20
KL23073PM2 8.20
KL25073TX10 8.20
KL25073TX15 8.20
KL25073TX20 8.20
KL25073TX25 8.20
KL25073TX27 8.20
KL25073TX30 8.20
KL25073TX40 8.20 KL290 8.20 KL291 8.20
KL295 8.21
KL296 8.21
KL303IS 8.13
8.13
Artikel-Nr. Seite
KL403 8.24
KL420200 8.23
KL425400 8.24
KL425600
1.168
LBOXXEKM60IDCFB 1.168
LBOXXEKM60IDCFM 1.168
LBOXXEKM60UNVCFB 1.168
LBOXXES20CFB 1.168
LBOXXES32CFB 1.168
LBOXXES32CFM 1.168
LBOXXES32FCFB 1.168
LBOXXES32FCFM 1.168
LBOXXLS50FLEXCFB 1.168
LBOXXLS50FLEXCFM 1.168
LBOXXMINIK3014K 1.167
LBOXXMINIK304K 1.167
LBOXXMINIK306K 1.167
LGL1 7.11 LGL3 7.11
LGLB1EU 7.12
LGLK18EU 7.11
LGML1 7.12
LS100FLEXCFB 5.28
LS100FLEXCFM 5.28
LS50FLEXCFB 5.27
LS50FLEXCFM 5.27
M22154 2.88
M2216 2.88 M22610 2.88 M50154
MCK120120 1.99
MCK150150 1.99
MCK185185
Artikel-Nr. Seite Artikel-Nr. Seite
Artikel-Nr. Seite Artikel-Nr. Seite

Erhalten Sie aktuelle Informationen zu Produkten, Services und Aktionen. Melden Sie sich für unseren Newsletter an:
Folgen Sie uns!
© 2026 Gustav Klauke GmbH. Alle Rechte vorbehalten. Das Klauke-Logo und das Emerson-Logo sind eingetragene Marken von Emerson Electric Co. oder seinen Tochtergesellschaften in den USA und anderen Ländern. Alle anderen Marken gehören ihren jeweiligen Inhabern. Änderungen vorbehalten. KATHAUPTDE 01/26