Ducati Omaha OEM Parts Diagram 2023 Monster

Page 1

MONSTER USA Model Year 2023 Chassis prefix: Cylinder capacity: 937 D19000023 SPARE PARTS CATALOGUE en-US MONSTER

CHARACTERISTICS

GENERAL INFORMATION SPARE PARTS CATALOGUE 16/06/2022 Page 3 / 210 MONSTER USA /23 D19000023 The present spare parts order exactly the right spare parts. When ordering specify: 1. the part's code number followed by its description and quantity needed; 2. the motorcycle's serial number, stamped on the steering head. Reference to right and left apply to the vehicle in terms of its direction of move-ment. Spare parts drawings are general and do not represent the part. The contents of this catalogue are general and can undergo changes without prior notice.
LEGENDA CHARACTERISTIC CODE CHARACTERISTIC DESCRIPTION VALUE CODE VALUE DESCRIPTION CPT PART CAR STD MOTO STANDARD DFR DFR N NO MOD MODEL M937 Monster PLT PLANT DB10 DMH XCO MAIN CLR AG AVIATOR GREY XCO MAIN CLR NMB DARK STEALTH XCO MAIN CLR R Red XCR FR/W COL UG-GB Urban Gray - Glossy Black XCR FR/W COL UG-RF Urban Gray - Red Fluo XST STD CNTY CAL VERSIONE CALIFORNIA XST STD CNTY CDN VERSIONE CANADA

(D19036723)

(D19035423)

(D19035523)

(D19034123)

(D19034223)

COLOURS MONSTER USA /23 D19000023 Page 4 / 210 SPARE PARTS CATALOGUE 16/06/2022 COLOUR COLOUR CODE COLOUR DESCRIPTION FINISHED PRODUCTS AG AVIATOR GREY
M937 23 CAL AG UG-RF STD DMH (D19036823) M937 23 CDN AG UG-RF STD DMH NMB DARK STEALTH
M937 23 CAL NMB UG-GB STD DMH
M937 23 CDN NMB UG-GB STD DMH R Red
M937 23 CAL R UG-GB STD DMH
M937 23 CDN R UG-GB STD DMH
INDEX SPARE PARTS CATALOGUE 16/06/2022 Page 5 / 210 MONSTER USA /23 D19000023 General information.................................................................................................................................................................................................................................................................................... 3 Colours.........................................................................................................................................................................................................................................................................................................4 Group ELECTRIC 10 Drawing 12A - VEHICLE ELECTRIC SYSTEM......................................................................................................................................................................................................................................... 10 Drawing 12B - BATTERY HOLDER........................................................................................................................................................................................................................................................ 12 Drawing 12C - ELECTRICAL DEVICES................................................................................................................................................................................................................................................... 14 Drawing 12D - ELECTRICAL DEVICES................................................................................................................................................................................................................................................... 16 Drawing 13A - HEADLIGHT 18 Drawing 13B - TAILLIGHT.....................................................................................................................................................................................................................................................................20 Drawing 13C - TURN INDICATORS....................................................................................................................................................................................................................................................... 22 Drawing 14A - INSTRUMENT PANEL....................................................................................................................................................................................................................................................24 Group OIL.................................................................................................................................................................................................................................................................................................. 26 Drawing L - SHELL ADVANCE...............................................................................................................................................................................................................................................................26 Group ENGINE........................................................................................................................................................................................................................................................................................... 28 Drawing 02A - SHIFT CAM - FORK...................................................................................................................................................................................................................................................... 28 Drawing 03A - GEAR BOX....................................................................................................................................................................................................................................................................30 Drawing 03B - CLUTCH........................................................................................................................................................................................................................................................................ 32 Drawing 04A - CLUTCH COVER............................................................................................................................................................................................................................................................34 Drawing 04B - GENERATOR COVER.....................................................................................................................................................................................................................................................36 Drawing 05A - CONNECTING RODS.....................................................................................................................................................................................................................................................38 Drawing 05A - CONNECTING RODS.....................................................................................................................................................................................................................................................40 Drawing 06A - CYLINDERS - PISTONS 42 Drawing 07A - TIMING SYSTEM.......................................................................................................................................................................................................................................................... 44 Drawing 08A - OIL PUMP.................................................................................................................................................................................................................................................................... 46 Drawing 09A - HALF-CRANKCASES PAIR..............................................................................................................................................................................................................................................48 Drawing 09B - HALF-CRANKCASES PAIR.............................................................................................................................................................................................................................................. 52 Drawing 10A - ELECTRIC STARTING AND IGNITION 54 Drawing 11A - VERTICAL CYLINDER HEAD - TIMING.......................................................................................................................................................................................................................... 56 Drawing 11B - HORIZONTAL HEAD – TIMING SYSTEM....................................................................................................................................................................................................................... 58
INDEX MONSTER USA /23 D19000023 Page 6 / 210 SPARE PARTS CATALOGUE 16/06/2022 Drawing 11C - VERTICAL HEAD........................................................................................................................................................................................................................................................... 60 Drawing 11D - HORIZONTAL HEAD..................................................................................................................................................................................................................................................... 68 Group TOOLS............................................................................................................................................................................................................................................................................................. 76 Drawing 01A - WORKSHOP SERVICE TOOLS (ENGINE)....................................................................................................................................................................................................................... 76 Drawing 01B - WORKSHOP SERVICE TOOLS (FRAME)........................................................................................................................................................................................................................ 78 Drawing 01C - CHECK INTRUMENT DDS 80 Group TYRES..............................................................................................................................................................................................................................................................................................82 Drawing A - TYRES...............................................................................................................................................................................................................................................................................82 Drawing B - ORIGINAL EQUIPMENT TYRES......................................................................................................................................................................................................................................... 86 Drawing C - PIRELLI DIABLOâ„¢ ROSSO II..............................................................................................................................................................................................................................................88 Drawing D - PIRELLI ANGELâ„¢ GT II 90 Drawing E - PIRELLI DIABLOâ„¢ SUPERCORSA SP..................................................................................................................................................................................................................................92 Drawing F - PIRELLI DIABLOâ„¢ ROSSO CORSA II.................................................................................................................................................................................................................................. 94 Drawing H - PIRELLI DIABLOâ„¢ SUPERCORSA SP V3............................................................................................................................................................................................................................96 Drawing I - PIRELLI DIABLOâ„¢ ROSSO III.............................................................................................................................................................................................................................................. 98 Drawing J - (#) PIRELLI DIABLOâ„¢ SUPERBIKE....................................................................................................................................................................................................................................100 Drawing K - (#) PIRELLI DIABLOâ„¢ WET............................................................................................................................................................................................................................................. 102 Drawing M - (#) PIRELLI DIABLOâ„¢ RAIN........................................................................................................................................................................................................................................... 104 Drawing N - (#) PIRELLI DIABLOâ„¢ SUPERCORSA SC V2.................................................................................................................................................................................................................... 106 Drawing O - (#) PIRELLI DIABLOâ„¢ SUPERCORSA SC..........................................................................................................................................................................................................................108 Drawing P - PIRELLI ANGELâ„¢ GT.......................................................................................................................................................................................................................................................110 Drawing S - PIRELLI DIABLOâ„¢ ROSSO IV...........................................................................................................................................................................................................................................112 Drawing T - (#) PIRELLI DIABLOâ„¢ SUPERCORSA SC V3.....................................................................................................................................................................................................................114 Drawing V - .......................................................................................................................................................................................................................................................................................116 Group FRAME 118 Drawing 15A - STAND........................................................................................................................................................................................................................................................................118 Drawing 16A - FRONT SPROCKET - CHAIN........................................................................................................................................................................................................................................120 Drawing 17A - STEERING ASSEMBLY................................................................................................................................................................................................................................................. 122 Drawing 17B - FRONT FORK..............................................................................................................................................................................................................................................................124 Drawing 18A - REAR SWINGING ARM 126
INDEX SPARE PARTS CATALOGUE 16/06/2022 Page 7 / 210 MONSTER USA /23 D19000023 Drawing 19A - FRONT BRAKE PUMP.................................................................................................................................................................................................................................................128 Drawing 19B - FRONT BRAKE SYSTEM.............................................................................................................................................................................................................................................. 130 Drawing 19C - BRAKING SYSTEM ABS...............................................................................................................................................................................................................................................132 Drawing 19D - REAR BRAKE SYSTEM................................................................................................................................................................................................................................................ 134 Drawing 20A - PLATE HOLDER...........................................................................................................................................................................................................................................................136 Drawing 21A - HANDLEBAR 138 Drawing 21B - CLUTCH CONTROL..................................................................................................................................................................................................................................................... 140 Drawing 22A - REAR SHOCK ABSORBER........................................................................................................................................................................................................................................... 142 Drawing 23A - FRONT MUDGUARD.................................................................................................................................................................................................................................................. 144 Drawing 24A - WATER COOLER......................................................................................................................................................................................................................................................... 146 Drawing 24B - COOLING CIRCUIT 148 Drawing 25A - FOOTRESTS, LEFT.......................................................................................................................................................................................................................................................152 Drawing 25B - FOOTRESTS, RIGHT.................................................................................................................................................................................................................................................... 154 Drawing 26A - REAR MUDGUARD.....................................................................................................................................................................................................................................................158 Drawing 27A - FRONT WHEEL [XCO:NMB,R].................................................................................................................................................................................................................................... 160 Drawing 27A - FRONT WHEEL [XCO:AG]...........................................................................................................................................................................................................................................162 Drawing 28A - REAR WHEEL [XCO:NMB,R].......................................................................................................................................................................................................................................164 Drawing 28A - REAR WHEEL [XCO:AG]............................................................................................................................................................................................................................................. 166 Drawing 29A - FUEL TANK.................................................................................................................................................................................................................................................................168 Drawing 30A - EXHAUST MANIFOLD.................................................................................................................................................................................................................................................170 Drawing 30B - EXHAUST SILENCER....................................................................................................................................................................................................................................................172 Drawing 30C - SECONDARY AIR SYSTEM...........................................................................................................................................................................................................................................174 Drawing 31A - SEAT........................................................................................................................................................................................................................................................................... 176 Drawing 31B - LOCKER...................................................................................................................................................................................................................................................................... 180 Drawing 32A - FRAME 182 Drawing 32B - REAR FRAME COMP...................................................................................................................................................................................................................................................184 Drawing 34A - AIR INTAKE - OIL BREATHER......................................................................................................................................................................................................................................186 Drawing 35A - THROTTLE BODY........................................................................................................................................................................................................................................................188 Drawing 35B - CANISTER FILTER........................................................................................................................................................................................................................................................190 Drawing 36B - FAIRING 192
INDEX MONSTER USA /23 D19000023 Page 8 / 210 SPARE PARTS CATALOGUE 16/06/2022 Drawing 36C - FAIRING......................................................................................................................................................................................................................................................................194 Drawing 37A - POSITIONING PLATES.................................................................................................................................................................................................................................................198 Alphanumeric index.................................................................................................................................................................................................................................................................................200
INDEX SPARE PARTS CATALOGUE 16/06/2022 Page 9 / 210 MONSTER USA /23 D19000023
DRAWING 12A - VEHICLE ELECTRIC SYSTEM GROUP ELECTRIC MONSTER USA /23 D19000023 Page 10 / 210 SPARE PARTS CATALOGUE 16/06/2022
DRAWING 12A - VEHICLE ELECTRIC SYSTEM GROUP ELECTRIC SPARE PARTS CATALOGUE 16/06/2022 Page 11 / 210 MONSTER USA /23 D19000023 POS. CODE DESCRIPTION QTY VALIDITY NOTES 1 5101H921E MAIN WIRING HARNESS 1 2 5101I041A INJECTION WIRING 1 3 74110551A CLAMP, RUBBER 39MM 6 4 069191030 CLAMP 15 5 74140381A CLAMP 5 6 74110121A CLAMP, RUBBER 62MM 10 7 38940071A FUSE 7.5A 1 38940191A FUSE 5A 1 38940201A FUSE 10A 1 38940211A FUSE 15A 1 38940221A FUSE 20A 1 38940261A FUSE 25A 1 8 85550001B SPRING WASHER 1 9 77211061A SCREW TEF M6X14 1 10 54140151A RELAY 3 11 74110131A CLAMP, RUBBER 82MM 2 12 4601F281A PROTECTION SHEATH 1 13 87211681A CAP DDA 1
DRAWING 12B - BATTERY HOLDER GROUP ELECTRIC MONSTER USA /23 D19000023 Page 12 / 210 SPARE PARTS CATALOGUE 16/06/2022

38940231A

76411361A

39740081B

77156628B

85350101A

51411091C

51411081C

38511561A

77440203C

85240171A

86613122A

76410241A

77440111A

85041711A

4601H701A

DRAWING 12B - BATTERY HOLDER GROUP ELECTRIC SPARE PARTS CATALOGUE 16/06/2022 Page 13 / 210 MONSTER USA /23 D19000023 POS. CODE DESCRIPTION QTY VALIDITY NOTES 1 69926761A BATTERY 1 2 86613111A BATTERY HOLDER 1 3 51310891D CABLE 1 4 77214411AA SCREW 2 5 85041951AA QUICK FASTENING 2 6 8301L091B BRACKET 1 7 86610301B RUBBER PAD 2 8 77210971B SCREW 3 9 71610061A SPACER 3 10
FUSE 30A 2 11
VIBRATION DAMPER PAD 1 12
STARTER RELAY 1 13
SCREW TCEIF M6X10 2 14
WASHER, SPRING 2 15
BATTERY - SOLENOID STARTER CABLE 1 16
SOLENOID STARTER - STARTER MOTOR CABLE 1 17
BLACKBOX UNIT 1 18
SCREW 2 19
WASHER 2 20
BRACKET 1 21
VIBRATION DAMPER PAD 2 22
SCREW 2 23
HOSE GUIDE 2 24
PROTECTION SHEATH 1
DRAWING 12C - ELECTRICAL DEVICES GROUP ELECTRIC MONSTER USA /23 D19000023 Page 14 / 210 SPARE PARTS CATALOGUE 16/06/2022

8301L121BA

DRAWING 12C - ELECTRICAL DEVICES GROUP ELECTRIC SPARE PARTS CATALOGUE 16/06/2022 Page 15 / 210 MONSTER USA /23 D19000023 POS. CODE DESCRIPTION QTY VALIDITY NOTES 1 8291D011A BRACKET SENSOR PRESSURE 2 2 55243161B SENSOR, PRESSURE 2 3 85041951AA QUICK FASTENING 2 4 77244183B SCREW 3 5 59018872A HOSE PRESSURE SENSOR HORIZONTAL 1 6 59018882A HOSE PRESSURE SENSOR VERTICAL 1 7 8301I812A BRACKET 1 8 74940321A NUT 1 9 51610053D HORN 1 10
BRACKET 1 11 77240593C SCREW 1 12 28643501C ENGINE CONTROL UNIT 1 13 86613081A BRACKET ENGINE CONTROL UNIT 1 14 85240171A WASHER 2 15 77440203C SCREW 2 16 76410971A RUBBER PAD 1 17 55240121A SENSOR, AIR TEMPERATURE 1 18 4601L861AA GUARD 1 19 77240458C SCREW 2 20 77150443B SCREW TCEI M5X22 UNI5931 8.8 2 21 71614102AB SPACER 2 22 76411141A VIBRATION DAMPER PAD 3 23 8291M891A HOLDER VOLTAGE RECTIFIER 1 24 54040321A VOLTAGE REGULATOR 1 25 74941113B NUT 2 26 71611181AA SPACER 2 27 74141711A CLAMP 10-7 MM 4 28 4601C581A PROTECTION SHEATH 1
DRAWING 12D - ELECTRICAL DEVICES GROUP ELECTRIC MONSTER USA /23 D19000023 Page 16 / 210 SPARE PARTS CATALOGUE 16/06/2022
DRAWING 12D - ELECTRICAL DEVICES GROUP ELECTRIC SPARE PARTS CATALOGUE 16/06/2022 Page 17 / 210 MONSTER USA /23 D19000023 POS. CODE DESCRIPTION QTY VALIDITY NOTES 1 74910021A NUT, CAP M6 2 2 85211761A WASHER 6.4X12.5X1.6 2 3 38540093B PIATTAFORMA INERZIALE 1 4 8301I771AA BRACKET 1 5 77240423C SCREW 2 6 76410241A VIBRATION DAMPER PAD 3 7 71614191A SPACER 3 8 77150443B SCREW TCEI M5X22 UNI5931 8.8 3 9 75012341AA SCREW, SPECIAL 2 10 71113331AA BUSH 2 11 7791C411AA SCREW, SPECIAL 2 12 65240371A KEY-OPERATED SWITCH 1 13 71616041AA SPACER 2 14 59822461B LOCKS KIT 1 15 59840551A KEY WITHOUT TRANSPONDER 1 16 59840541A KEY WITH TRANSPONDER 1 17 38640591A SOCKET, LOW VOLTAGE 1 18 76412421B HOLDER 1
DRAWING 13A - HEADLIGHT GROUP ELECTRIC MONSTER USA /23 D19000023 Page 18 / 210 SPARE PARTS CATALOGUE 16/06/2022

8301L081A

86612111A

71614142B

76410641A

7991B661B

77050413B

8301L061C

77244183B

4601L981A

92610321A

DRAWING 13A - HEADLIGHT GROUP ELECTRIC SPARE PARTS CATALOGUE 16/06/2022 Page 19 / 210 MONSTER USA /23 D19000023 POS. CODE DESCRIPTION QTY VALIDITY NOTES 1 52010554A HEADLIGHT 1 2 86613101B BRACKET, CONNECTOR 1 3 85340021A SPRING WASHER 4 4 8291E041A U-BOLT KIT 2 5 77156413BA SCREW 4 6 71115491A SPACER 4 7 71011901A SPINDLE, TAPER 2 8 77440251A SCREW 3 9 8301L071A GUIDE 1 10
GUIDE FASTENING 1 11 86610361A RUBBER PAD 2 12
CUSHION, SEAT 2 13
SPACER 8 14
VIBRATION DAMPER PAD 4 15 77244393BA SCREW 4 16 77156408B SCREW TCEIF M5X14 1 17
SPRING 1 18 8291M941B FRONT SUBFRAME 1 19
SCREW 1 20
GUIDE, CABLE 1 21
SCREW 2 22 24717181A HEADLIGHT FRAME 1 23
HEADLIGHT FRAME 1 24
GUARD 1 25 86613341A RUBBER PAD 1
DRAWING 13B - TAILLIGHT GROUP ELECTRIC MONSTER USA /23 D19000023 Page 20 / 210 SPARE PARTS CATALOGUE 16/06/2022
DRAWING 13B - TAILLIGHT GROUP ELECTRIC SPARE PARTS CATALOGUE 16/06/2022 Page 21 / 210 MONSTER USA /23 D19000023 POS. CODE DESCRIPTION QTY VALIDITY NOTES 1 77440041A SCREW, TAPPING M5X16 2 2 85241711A WASHER 2 3 76410901A RUBBER PAD 2 4 76417651A RUBBER PAD 1 5 52510704A TAILLIGHT 1
DRAWING 13C - TURN INDICATORS GROUP ELECTRIC MONSTER USA /23 D19000023 Page 22 / 210 SPARE PARTS CATALOGUE 16/06/2022
DRAWING 13C - TURN INDICATORS GROUP ELECTRIC SPARE PARTS CATALOGUE 16/06/2022 Page 23 / 210 MONSTER USA /23 D19000023 POS. CODE DESCRIPTION QTY VALIDITY NOTES 1 53010463B TURN INDICATOR 2 2 77214411AA SCREW 2 3 85041951AA QUICK FASTENING 4 4 7131A923A SPACER, FLASHER LIGHT 4 5 53010491A TURN INDICATOR 2 6 77156398B SCREW TCEIF M5X12 4 7 52510433D LAMP, LICENSE PLATE 1 8 77354623B SCREW M4X10 2 9 8291N181A BRACKET UPPER 1 10 8291N191A LOWER HOLDER 1 11 8291N201A BRACKET UPPER 1 12 8291N211A LOWER HOLDER 1 13 77210841B SCREW 4
DRAWING 14A - INSTRUMENT PANEL GROUP ELECTRIC MONSTER USA /23 D19000023 Page 24 / 210 SPARE PARTS CATALOGUE 16/06/2022
DRAWING 14A - INSTRUMENT PANEL GROUP ELECTRIC SPARE PARTS CATALOGUE 16/06/2022 Page 25 / 210 MONSTER USA /23 D19000023 POS. CODE DESCRIPTION QTY VALIDITY NOTES 1 77156453B SCREW 2 2 71611521A SPACER WITH COLLAR 2 3 77214061AA SCREW, SPECIAL 1 4 8291N061A HOLDER 1 5 24716961A COVER 1 6 43815821A EMBLEM DUCATI 1 7 40611881B INSTRUMENT PANEL 1 8 71615541AA SPACER 3 9 76410641A VIBRATION DAMPER PAD 3 10 77210893B SCREW 2 11 75840801A CLAMP 1
DRAWING L - SHELL ADVANCE GROUP OIL MONSTER USA /23 D19000023 Page 26 / 210 SPARE PARTS CATALOGUE 16/06/2022
DRAWING L - SHELL ADVANCE GROUP OIL SPARE PARTS CATALOGUE 16/06/2022 Page 27 / 210 MONSTER USA /23 D19000023 POS. CODE DESCRIPTION QTY VALIDITY NOTES 1 944650035 SHELL ADVANCE DUCATI 15W50 - 1L BOTTLE 1 2 944650037 SHELL ADVANCE DUCATI 15W50 – 209L DRUM 1
DRAWING 02A - SHIFT CAM - FORK GROUP ENGINE MONSTER USA /23 D19000023 Page 28 / 210 SPARE PARTS CATALOGUE 16/06/2022

79912961A

040009050

DRAWING 02A - SHIFT CAM - FORK GROUP ENGINE SPARE PARTS CATALOGUE 16/06/2022 Page 29 / 210 MONSTER USA /23 D19000023 POS. CODE DESCRIPTION QTY VALIDITY NOTES 1 77151250ZF SCREW 1 2 71319151A SPACER 1 3 77150670ZF SCREW 1 4 79915061A SPRING, SHIFT RETURN 1 5 82114731A GEAR SELECTOR SHAFT 1 6 18020511A CONTROL FORK 1 7 71950538C SCREW 1 8 18210781A FLANGE 1 9 18220772A COMPLETE GEARBOX DRUM 1 10 55243911A MAGNETE 1 11 180Z0031A GEAR SELECTOR FORK,1ST/4TH-2ND/3RD 2 12 180Z0041A FORK-SHIFT, 5TH&6TH 1 13 82113881A FORK PIN 2 14 82120151A CONTROL FORK 1 15 735001542 CIRCLIP 15 DIN 471 1 16 82610261A STOPPER PLATE 1 17 040029126 THRUST WASHER 15.5X22X0.5 1 18 88110121A CENTERING RING 1 19 88450341B SPRING RING 1 20
RETURN SPRING 1 21
THRUST WASHER 10.5X16X0.5 1
DRAWING 03A - GEAR BOX GROUP ENGINE MONSTER USA /23 D19000023 Page 30 / 210 SPARE PARTS CATALOGUE 16/06/2022

14911101A

15021961B

70140051A

17214951B

17210021B

71310141E

14911191A

17212192A

46320537A

71312661A

15021971A

70140211A BEARING,

17212182A DRIVEN

85611231A THRUST WASHER

17210103C

17214621A

17210081C

17210113C

DRAWING 03A - GEAR BOX GROUP ENGINE SPARE PARTS CATALOGUE 16/06/2022 Page 31 / 210 MONSTER USA /23 D19000023 POS. CODE DESCRIPTION QTY VALIDITY NOTES 1 71313931A SPACER, ENGINE SPROCKET 1 2
GEARBOX MAIN SHAFT 1 3
COMPLETE MAIN SHAFT 1 4
BEARING, NEEDLE 5 5 17214961B GEAR DRIVE 5TH SPEED T23 1 6 85611261A THRUST WASHER 0.5 MM 6 7 88210141A SPRING RING 6 8
GEAR DRIVE 3/4TH SPEED T20/22 1 9 17214971B GEAR DRIVE 6TH SPEEDTt24 1 10
GEAR, 2ND DRIVE, NT:17 1 11
THRUST WASHER 20.3X32X1.6 1 12
LAY SHAFT 1 13
DRIVEN GEAR 2ND SPEED T30 1 14
O-RING 1 15
THRUST WASHER 17.3X31X3.15 1 16
COMPLETE LAY SHAFT 1 17
NEEDLE 1 18
GEAR 1ST SPEED T37 1 19
1 MM 1 20
DRIVEN GEAR 5TH SPEED T24 1 21
DRIVEN GEAR 4TH SPEED T:24 1 22
DRIVEN GEAR 3RD SPEED T28 1 23
DRIVEN GEAR 6TH SPEED T23 1
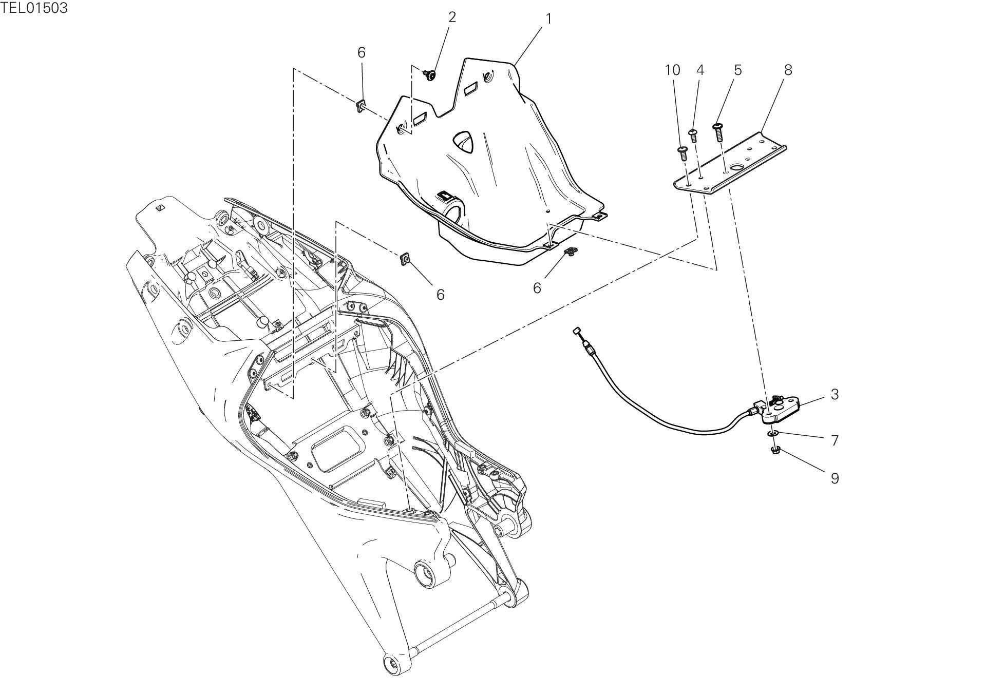
DRAWING 03B - CLUTCH GROUP ENGINE MONSTER USA /23 D19000023 Page 32 / 210 SPARE PARTS CATALOGUE 16/06/2022
DRAWING 03B - CLUTCH GROUP ENGINE SPARE PARTS CATALOGUE 16/06/2022 Page 33 / 210 MONSTER USA /23 D19000023 POS. CODE DESCRIPTION QTY VALIDITY NOTES 1 79710881A SPRING 3 2 85611391B THRUST WASHER 3 3 77215251A SCREW 3 4 19410751A RING 1 5 81810162A CLUTCH CONTROL PIN 1 6 88641731A O-RING 1.78X4.76 2 7 75010781A NUT 1 8 85110201B LOCK WASHER 1 9 19020591A CLUTCH DISC SET 1 10 70250861A BEARING 1 11 19611021A DISK, CLUTCH PRESSURE 1 12 19611011A PLATE HOLDER HUB 1 13 85611911A SPACER 1 14 19820661A PRIMARY DRIVEN GEAR COMP. 1 15 71314831B SPACER 1 16 11723691A CLUTCH CONTROL ROD 1 17 17011751A PRIMARY DRIVE FRONT SPROCKET 1
DRAWING 04A - CLUTCH COVER GROUP ENGINE MONSTER USA /23 D19000023 Page 34 / 210 SPARE PARTS CATALOGUE 16/06/2022
DRAWING 04A - CLUTCH COVER GROUP ENGINE SPARE PARTS CATALOGUE 16/06/2022 Page 35 / 210 MONSTER USA /23 D19000023 POS. CODE DESCRIPTION QTY VALIDITY NOTES 1 24321652B5 CLUTCH COVER 1 2 066549680 BUSH 1 3 25440013A WINDOW, OIL LEVEL CHECK 1 4 48612611A DAMPER, SOUND ARRESTER 1 5 77510721A SCREW 6 6 82719021B SHEET ACOUSTIC DAMPER 1 7 85213601A WASHER, THRUST 1 8 88450711A SPRING RING 1 9 89320191A PLUG ASSY 1 10 88642301A O-RING 1 11 93040211A OIL SEAL 1 12 78011281A PLUG, THREADED M10X1 1 13 85250241A WASHER 10X14X1 1 14 77942032A SCREW 6 15 77916041D SCREW, SPECIAL 3 16 43313912A WARNING LABEL 1
DRAWING 04B - GENERATOR COVER GROUP ENGINE MONSTER USA /23 D19000023 Page 36 / 210 SPARE PARTS CATALOGUE 16/06/2022
DRAWING 04B - GENERATOR COVER GROUP ENGINE SPARE PARTS CATALOGUE 16/06/2022 Page 37 / 210 MONSTER USA /23 D19000023 POS. CODE DESCRIPTION QTY VALIDITY NOTES 1 24221551A5 GENERATOR COVER 1 2 70250081A BALL BEARING 6003 TN9 C3 1 3 735033380 CIRCLIP 1 4 24725241BI WATER PUMP COVER ASSY 1 5 78011001A PLUG, THREADED M10X1 1 6 85250631A WASHER 1 7 25120131A WATER PUMP ROTOR 1 8 55243941A GEARBOX POSITION SENSOR 1 9 70240091A BALL BEARING 6000 1 10 70240102A BEARING 1 11 71110922A BUSH 2 12 71311281B SPACER 1 13 72050069E SCREW 2 14 77052508B SCREW TE M6X16 2 15 77942032A SCREW 14 16 71950418CF SCREW 3 17 82716091A PLATE 1 18 85211721A WASHER 6X14.2X1.3 2 19 85250481A GASKET 6X12X1 DIN7603-A 2 20 88450431A CIRCLIP 1 21 93050051A MECHANICAL SEAL 1 22 93050062B MECHANICAL SEAL 1 23 24713571AO COVER 1 24 77941992A SCREW 2 25 93042691A SEAL RING 1 26 77750493C SCREW 2 27 77916041D SCREW, SPECIAL 3 28 88610951A O-RING 32.99X2.62 1 29 75841121A FAIRLEAD 1 30 77244183B SCREW 1 31 85250871A WASHER 2
DRAWING 05A - CONNECTING RODS GROUP ENGINE MONSTER USA /23 D19000023 Page 38 / 210 SPARE PARTS CATALOGUE 16/06/2022

77914045B

68010131A

75010121D

85140031A

DRAWING 05A - CONNECTING RODS GROUP ENGINE SPARE PARTS CATALOGUE 16/06/2022 Page 39 / 210 MONSTER USA /23 D19000023 POS. CODE DESCRIPTION QTY VALIDITY NOTES 1 14622167AA DRIVE SHAFT COMPLETO 1 14622167AB DRIVE SHAFT COMPLETO 1 14622167AC DRIVE SHAFT COMPLETO 1 2 77911092A SCREW, SPECIAL 1 3 78010161B THREADED PLUG 1 4 77915471A THREADED DOWEL STEI M8X8 2 5 15620671CA CONNECTING ROD 2 15620671CB CONNECTING ROD 2 15620671CC CONNECTING ROD 2 6 75011131A RING NUT 1 7 85212691A WASHER 1 8 11210121AA PLANE BEARING, CONNECTING ROD RED 4 11210121AB PLANE BEARING, CONNECTING ROD BLUE 4 11210121AC PLANE BEARING, CONNECTING ROD YELLOW 4 11210121AD PLANE BEARING, CONNECTING ROD BLACK 4 11210121AE PLANE BEARING, CONNECTING ROD GREEN 4 9
BOLT, CONNECTING ROD 4 10
KEY, WOODRUFF 4X5X10 2 11
NUT, SPECIAL 1 12
WASHER, LOCK 1
DRAWING 05A - CONNECTING RODS GROUP ENGINE MONSTER USA /23 D19000023 Page 40 / 210 SPARE PARTS CATALOGUE 16/06/2022

75011131A

85212691A

11210121AA

PLANE BEARING,

PLANE BEARING, CONNECTING

PLANE BEARING,

77914045B BOLT, CONNECTING

68010131A

75010121D

85140031A

WOODRUFF

DRAWING 05A - CONNECTING RODS GROUP ENGINE SPARE PARTS CATALOGUE 16/06/2022 Page 41 / 210 MONSTER USA /23 D19000023 POS. CODE DESCRIPTION QTY VALIDITY NOTES 1 14622162CA DRIVE SHAFT COMPLETO 1 14622162CB DRIVE SHAFT COMPLETO 1 14622162CC DRIVE SHAFT COMPLETO 1 14622162CE DRIVE SHAFT COMPLETO 1 2 77911092A SCREW, SPECIAL 1 3 78010161B THREADED PLUG 1 4 77915471A THREADED DOWEL STEI M8X8 2 5 15622261BA CONNECTING ROD 2 15622261BB CONNECTING ROD 2 15622261BC CONNECTING ROD 2 15622261BE CONNECTING ROD 2 6
RING NUT 1 7
WASHER 1 8
PLANE BEARING, CONNECTING ROD RED 4 11210121AB PLANE BEARING, CONNECTING ROD BLUE 4 11210121AC
CONNECTING ROD YELLOW 4 11210121AD
ROD BLACK 4 11210121AE
CONNECTING ROD GREEN 4 9
ROD 4 10
KEY,
4X5X10 2 11
NUT, SPECIAL 1 12
WASHER, LOCK 1
DRAWING 06A - CYLINDERS - PISTONS GROUP ENGINE MONSTER USA /23 D19000023 Page 42 / 210 SPARE PARTS CATALOGUE 16/06/2022
DRAWING 06A - CYLINDERS - PISTONS GROUP ENGINE SPARE PARTS CATALOGUE 16/06/2022 Page 43 / 210 MONSTER USA /23 D19000023 POS. CODE DESCRIPTION QTY VALIDITY NOTES 1 12222392C PISTON ASSY 2 2 12110791A CIRCLIP, PISTON PIN 4 3 12110781B PISTON PIN 2 4 12120822A PISTON RING SET 1 5 120P3081AA HORIZONTAL CYLINDER-PISTON ASSY 1 6 79120571C GASKETS SET 1 7 78611622B GASKET, CYLINDER HEAD 2 8 71112191A PIN DOWEL 4 9 78611511A GASKET, CYLINDER 2 10 120P3091AA VERTICAL CYLINDER-PISTON ASSY 1 11 71117802A BUSH 1
DRAWING 07A - TIMING SYSTEM GROUP ENGINE MONSTER USA /23 D19000023 Page 44 / 210 SPARE PARTS CATALOGUE 16/06/2022
DRAWING 07A - TIMING SYSTEM GROUP ENGINE SPARE PARTS CATALOGUE 16/06/2022 Page 45 / 210 MONSTER USA /23 D19000023 POS. CODE DESCRIPTION QTY VALIDITY NOTES 1 24511862A VERTICAL BELT OUTER COVER 1 2 24521852B HORIZONTAL BELT EXTERNAL COVER 1 3 14710811A LAYSHAFT TIMING 1 4 45120311C COMPLETE MOVABLE TENSIONER ROLLER 2 5 73740251B TIMING BELT 2 6 77140663CD SCREW 11 7 74940081A NUT M8 4 8 85310021A SPRING WASHER 8 MM 4 9 45120321B TENSIONER TIMING BELT FIXED 2 10 7791C441A SCREW, SPECIAL 1 11 88210031A SNAP RING 1 12 70350062A ELASTIC-STOP RING NUT 1 13 17122421A TIMING GEARS SET 1 14 85110131A WASHER, LOCK 1 15 75011601A NUT M14X1X7 1 16 68010131A KEY, WOODRUFF 4X5X10 3 17 71611281A SPACER 1 18 25510104B PULLEY, TIMING BELT 2 19 85610623A WASHER, BELT PULLEY 1 20 71610722A SPACER 1 21 24521071A BRACKET, FILTER 1 22 77250341C SCREW 2 23 77140677C SCREW 2
DRAWING 08A - OIL PUMP GROUP ENGINE MONSTER USA /23 D19000023 Page 46 / 210 SPARE PARTS CATALOGUE 16/06/2022
DRAWING 08A - OIL PUMP GROUP ENGINE SPARE PARTS CATALOGUE 16/06/2022 Page 47 / 210 MONSTER USA /23 D19000023 POS. CODE DESCRIPTION QTY VALIDITY NOTES 1 17410621B GEAR, OIL PUMP DRIVE 1 2 70450091A ROLLER 1 3 85213021A WASHER, THRUST 1 4 88450371A SNAP RING 1
DRAWING 09A - HALF-CRANKCASES PAIR GROUP ENGINE MONSTER USA /23 D19000023 Page 48 / 210 SPARE PARTS CATALOGUE 16/06/2022
DRAWING 09A - HALF-CRANKCASES PAIR GROUP ENGINE SPARE PARTS CATALOGUE 16/06/2022 Page 49 / 210 MONSTER USA /23 D19000023 POS. CODE DESCRIPTION QTY VALIDITY NOTES 1 225P0061E COMPLETE HALF-CRANKCASES PAIR 1 2 77919881A SCREW, SPECIAL 2 3 14710951B OIL PUMP DRIVE SHAFT 1 4 17420591A OIL PUMP 1 5 22032083A ALUMINIUM GASKET 1 6 71110951A PIN DOWEL 2 7 24714612A OIL PUMP COVER 1 8 45520192A GEAR FIXING CLICK ASSEMBLY 1 9 59320641D VALVE, BREATHER 1 10 46320222A O-RING 2 11 59310601B HOLDER READ VALVE 1 12 77150078B SCREW 3 13 77250341B SCREW, TAPPING 3.5X12 1 14 78811151A GASKET 1 15 81110021A REED VALVE ASSY 1 16 82716031A SPACER 1 17 68050101A KEY 2X2X10 1 18 70010362A DAMPER 1 19 70240131A BEARING 1 20 70240401B BEARING 17X40X12 2 21 70250081A BALL BEARING 6003 TN9 C3 1 22 70250193A BEARING 1 23 70450091A ROLLER 1 24 720941616 SCREW TSPEI M6X12 4 25 74710151A NUT 1 26 735033380 CIRCLIP 2 27 70242261A BEARING 1 28 85214082A WASHER 3 29 77150653B SCREW TCEI M6X16 UNI5931 8.8 1 30 77150758B SCREW 1 31 77350658B SCREW TCEIR M6X16 7 32 77510311B SCREW TBEI M5X10 2 33 77910391A SCREW M8X21.5 1 34 77911982A THREADED PLUG M15X1 1 35 77927171B SCREW 1
DRAWING 09A - HALF-CRANKCASES PAIR GROUP ENGINE MONSTER USA /23 D19000023 Page 50 / 210 SPARE PARTS CATALOGUE 16/06/2022
DRAWING 09A - HALF-CRANKCASES PAIR GROUP ENGINE SPARE PARTS CATALOGUE 16/06/2022 Page 51 / 210 MONSTER USA /23 D19000023 POS. CODE DESCRIPTION QTY VALIDITY NOTES 36 88641961A O-RING 1 37 77950621A THREADED DOWEL M10X1 2 38 78010921A PLUG 1 39 79910491D SPRING, RETURN 1 40 79940171A SPRING 1 41 81510281A BOLT UNION 1 42 83110151B PLATE 1 43 84740061A BALL 1 44 85210532A WASHER 8.2X20X1 1 45 85211201A ALUMINIUM GASKET 1 46 85213021A WASHER, THRUST 1 47 85250421A COPPER GASKET 12.2X18X1.5 MM 1 48 85611481A WASHER 4 49 86050061A PIN M5X10 2 50 87511461B JET 2 51 85640141A WASHER 1 52 88450371A SNAP RING 1 53 88640331A O-RING 17.96X2.62 2 54 88650131A O-RING 3.68X1.78 2 55 89320062A PLUG, OIL DRAIN 1 56 93040221A OIL SEAL 1 57 93040932A OIL SEAL 1 58 93041631B SEAL RING 1 59 59310801B BY-PASS VALVE 1 60 78010941B PLUG 1 61 79915741B BYPASS SPRING 1 62 70140681A NEEDLE BUSH 4 63 88440531A SPRING RING 2 64 93041271A SEAL RING 20X26X4 4 65 70242211A NEEDLE BUSH 1 66 70250412A BALL BEARING 1 67 77240398CC SCREW 3
DRAWING 09B - HALF-CRANKCASES PAIR GROUP ENGINE MONSTER USA /23 D19000023 Page 52 / 210 SPARE PARTS CATALOGUE 16/06/2022
DRAWING 09B - HALF-CRANKCASES PAIR GROUP ENGINE SPARE PARTS CATALOGUE 16/06/2022 Page 53 / 210 MONSTER USA /23 D19000023 POS. CODE DESCRIPTION QTY VALIDITY NOTES 1 942470014 LIQUID GASKET 1 2 76610551D STUD BOLT FASTENING HEAD CYLINDER 8 3 44440039A FILTER, OIL 1 4 71111601A PIN DOWEL 3 5 85250051A GASKET 32X38X1.5 1 6 77151363B SCREW TCEI M8X75 UNI 5931 7 7 77550211B SCREW TBEI M6X16 ISO7380 10.9 1 8 77150808B SCREW TCEI M6X75 2 9 88641321A O-RING 2 10 11210791A0 4 11210791AA HALF-BEARING RED 4 11210791AB HALF-BEARING BLUE 4 11210791AC HALF-BEARING YELLOW 4 11210791AD HALF-BEARING BLACK 4 11210791AE HALF-BEARING GREEN 4 11 77150723B SCREW TCEI M6X35 UNI 5931 7 12 86010051B DOWEL 2 13 85310031A SPRING WASHER 6 MM 1 14 55241321C SENSOR, TIMING & RPM 1 15 88610241A O-RING 5.23X2.62 2 16 87310371A THREADED PLUG M32X1.5 1 17 89420121F OIL NET FILTER 1 18 77916041D SCREW, SPECIAL 1 19 027291090 GASKET 16.2X24X2 1 20 7791C461A SCREW, SPECIAL 1 21 7791C451A SCREW, SPECIAL 1 22 85250421A COPPER GASKET 12.2X18X1.5 MM 1 23 53940302A SWITCH ASSY, OIL PRESSURE 1 24 76440581A RUBBER PAD 1 25 77140653CC SCREW 1 26 78710111A GASKET, ALUMINIUM 14X22X2 1 27 82916531A HOLDER SENSOR 1 28 85211951A GASKET 10.5X17X2 1 29 87711572A HOSE, OIL 1
DRAWING 10A - ELECTRIC STARTING AND IGNITION GROUP ENGINE MONSTER USA /23 D19000023 Page 54 / 210 SPARE PARTS CATALOGUE 16/06/2022
DRAWING 10A - ELECTRIC STARTING AND IGNITION GROUP ENGINE SPARE PARTS CATALOGUE 16/06/2022 Page 55 / 210 MONSTER USA /23 D19000023 POS. CODE DESCRIPTION QTY VALIDITY NOTES 1 27040107A STARTING MOTOR 1 2 85610751A WASHER, THRUST 1 3 77253300ZF SCREW 8 4 78810542A ENGINE STARTER GASKET 1 5 77140677CF SCREW TCEIF M6X20 2 6 77110521A SCREW TCEI M6X30 1 7 77140697CF SCREW 1 8 71319191A SPACER 1 9 82113471A STARTER REDUCTION SHAFT 1 10 176Z0021A IDLE GEAR T74/13 1 11 70140591A CLUTCH, ONE WAY 1 12 26420501B GENERATOR DENSO 1 13 16016371A PLATE 1 14 173Z0021A ELECTRIC STARTER DRIVEN GEAR 1 15 70240181B NEEDLE BEARING 1 16 27611211B COUPLING, FLYWHEEL 1 17 88110341A BUSH 1 18 77750508CC SCREW 4 19 75050051A NUT 6MM 1 20 85350101A WASHER, SPRING 1
DRAWING 11A - VERTICAL CYLINDER HEAD - TIMING GROUP ENGINE MONSTER USA /23 D19000023 Page 56 / 210 SPARE PARTS CATALOGUE 16/06/2022
DRAWING 11A - VERTICAL CYLINDER HEAD - TIMING GROUP ENGINE SPARE PARTS CATALOGUE 16/06/2022 Page 57 / 210 MONSTER USA /23 D19000023 POS. CODE DESCRIPTION QTY VALIDITY NOTES 1 88650511A O-RING 12.39X3.53 4 2 70350022A RING NUT M17X1 2 3 77915093A SCREW, SPECIAL 1 4 85610743A WASHER, SPECIAL 2 5 77918141A SCREW, SPECIAL 3 6 24716801AH COVER CYLINDER HEAD, VERTICAL 1 7 25510193A TIMING BELT PULLEY, DRIVEN T20 2 8 78811911A GASKET 1 9 78810931A GASKET CYLINDER HEAD COVER 1 10 16010941A FLANGE 2 11 14824232A VERTICAL INTAKE CAMSHAFT 1 12 68050061A WOODRUFF KEY 3X5 2 13 87310051A PLUG 18 MM 2 14 14010961A INTAKE MANIFOLD 1 15 77110391B SCREW 2 16 77950302A SCREW TC M6X12 6 17 93050072A SEAL RING 2 18 14825741A VERTICAL EXHAUST CAMSHAFT 1 19 77350403B SCREW 2 20 24714171A COVER 1 21 81140012B VALVE 1 22 82716351A PLATE 1 23 45110462A MOVABLE TENSIONER ROLLER PIN 2 24 74941113B NUT 1 25 76640191A STUD BOLT M6X16 4 26 85250231A GASKET 2 27 81411111C NIPPLE, HOSE 1 28 81413341A UNION 1 29 67040451A SPARK PLUG NGK MAR9A-J 1 30 38010221A IGNITION COIL ASSY 2 31 77110401B SCREW 1 32 85212641A WASHER 6.4X12.5X1.6 1 33 71113742A BUSH 1
DRAWING 11B - HORIZONTAL HEAD – TIMING SYSTEM GROUP ENGINE MONSTER USA /23 D19000023 Page 58 / 210 SPARE PARTS CATALOGUE 16/06/2022
DRAWING 11B - HORIZONTAL HEAD – TIMING SYSTEM GROUP ENGINE SPARE PARTS CATALOGUE 16/06/2022 Page 59 / 210 MONSTER USA /23 D19000023 POS. CODE DESCRIPTION QTY VALIDITY NOTES 1 88650511A O-RING 12.39X3.53 4 2 70350022A RING NUT M17X1 2 3 77915093A SCREW, SPECIAL 4 4 85610743A WASHER, SPECIAL 2 5 85212641A WASHER 6.4X12.5X1.6 1 6 24716791AH COVER CYLINDER HEAD, HORIZONTAL 1 7 25510193A TIMING BELT PULLEY, DRIVEN T20 2 8 78811911A GASKET 1 9 78810931A GASKET CYLINDER HEAD COVER 1 10 16010941A FLANGE 2 11 14824222A HORIZONTAL INTAKE CAMSHAFT 1 12 68050061A WOODRUFF KEY 3X5 2 13 87310051A PLUG 18 MM 2 14 14010951A INTAKE MANIFOLD 1 15 77110391B SCREW 2 16 77950302A SCREW TC M6X12 6 17 93050072A SEAL RING 2 18 14825731A HORIZONTAL EXHAUST CAMSHAFT 1 19 77350403B SCREW 2 20 24714891A COVER 1 21 81140012B VALVE 1 22 82716351A PLATE 1 23 45110462A MOVABLE TENSIONER ROLLER PIN 2 24 74941113B NUT 1 25 76640191A STUD BOLT M6X16 4 26 85250231A GASKET 2 27 81411111C NIPPLE, HOSE 1 28 81413341A UNION 1 29 67040451A SPARK PLUG NGK MAR9A-J 1 30 38010221A IGNITION COIL ASSY 1 31 77110401B SCREW 1 32 71113742A BUSH 1
DRAWING 11C - VERTICAL HEAD GROUP ENGINE MONSTER USA /23 D19000023 Page 60 / 210 SPARE PARTS CATALOGUE 16/06/2022

POS. CODE DESCRIPTION

1

84010012A ADJUSTER, OPENING ROCKER ARM 2.00 MM 4

84010022A ADJUSTER, OPENING ROCKER ARM 2.05 MM 4

84010032A ADJUSTER, OPENING ROCKER ARM 2.10 MM 4

84010042A ADJUSTER, OPENING ROCKER ARM 2.15 MM 4

84010052A ADJUSTER, OPENING ROCKER ARM 2.20 MM 4

84010062A ADJUSTER, OPENING ROCKER ARM 2.25 MM 4

84010072A ADJUSTER, OPENING ROCKER ARM 2.30 MM 4

84010082A ADJUSTER, OPENING ROCKER ARM 2.35 MM 4

84010092A ADJUSTER, OPENING ROCKER ARM 2.40 MM 4

84010102A ADJUSTER, OPENING ROCKER ARM 2.45 MM 4

84010112A ADJUSTER, OPENING ROCKER ARM 2.50 MM 4

84010122A ADJUSTER, OPENING ROCKER ARM 2.55 MM 4

84010132A ADJUSTER, OPENING ROCKER ARM 2.60 MM 4

84010142A ADJUSTER, OPENING ROCKER ARM 2.65 MM 4

84010152A ADJUSTER, OPENING ROCKER ARM 2.70 MM 4

84010162A ADJUSTER, OPENING ROCKER ARM 2.75 MM 4

84010172A ADJUSTER, OPENING ROCKER ARM 2.80 MM 4

84010182A ADJUSTER, OPENING ROCKER ARM 2.85 MM 4

84010192A ADJUSTER, OPENING ROCKER ARM 2.90 MM 4

84010202A ADJUSTER, OPENING ROCKER ARM 2.95 MM 4

84010212A ADJUSTER, OPENING ROCKER ARM 3.00 MM 4

84010222A ADJUSTER, OPENING ROCKER ARM 3.05 MM 4

84010232A ADJUSTER, OPENING ROCKER ARM 3.10 MM 4

84010242A ADJUSTER, OPENING ROCKER ARM 3.15 MM 4

84010252A ADJUSTER, OPENING ROCKER ARM 3.20 MM 4

84010262A ADJUSTER, OPENING ROCKER ARM 3.25 MM 4

84010272A ADJUSTER, OPENING ROCKER ARM 3.30 MM 4

84010282A ADJUSTER, OPENING ROCKER ARM 3.35 MM 4

84010292A ADJUSTER, OPENING ROCKER ARM 3.40 MM 4

84010302A ADJUSTER, OPENING ROCKER ARM 3.45 MM 4

84010312A ADJUSTER, OPENING ROCKER ARM 1.80 MM 4

84010322A ADJUSTER, OPENING ROCKER ARM 1.85 MM 4

84010332A ADJUSTER, OPENING ROCKER ARM 1.90 MM 4

84010342A ADJUSTER, OPENING ROCKER ARM 1.95 MM 4

84010722A ADJUSTER, OPENING ROCKER ARM 3.60 MM 4

VALIDITY

NOTES

DRAWING 11C - VERTICAL HEAD GROUP ENGINE SPARE PARTS CATALOGUE 16/06/2022 Page 61 / 210 MONSTER USA /23 D19000023
QTY
DRAWING 11C - VERTICAL HEAD GROUP ENGINE MONSTER USA /23 D19000023 Page 62 / 210 SPARE PARTS CATALOGUE 16/06/2022

POS. CODE DESCRIPTION

84010732A ADJUSTER, OPENING ROCKER ARM 3.80 MM 4

84011082A ADJUSTER, OPENING ROCKER ARM 3.50 MM 4

84011092A ADJUSTER, OPENING ROCKER ARM 3.55 MM 4

84011102A ADJUSTER, OPENING ROCKER ARM 3.65 MM 4

84011112A ADJUSTER, OPENING ROCKER ARM 3.70 MM 4

84011122A ADJUSTER, OPENING ROCKER ARM 3.75 MM 4

84011132A ADJUSTER, OPENING ROCKER ARM 3.85 MM 4

84011142A ADJUSTER, OPENING ROCKER ARM 3.9 MM 4

VALIDITY

2

84010412B ADJUSTER, CLOSING ROCKER ARM 2.20 MM 4

84010422B ADJUSTER, CLOSING ROCKER ARM 2.25 MM 4

84010432B ADJUSTER, CLOSING ROCKER ARM 2.30 MM 4

84010442B ADJUSTER, CLOSING ROCKER ARM 2.35 MM 4

84010452B ADJUSTER, CLOSING ROCKER ARM 2.40 MM 4

84010462B ADJUSTER, CLOSING ROCKER ARM 2.45 MM 4

84010472B ADJUSTER, CLOSING ROCKER ARM 2.50 MM 4

84010482B ADJUSTER, CLOSING ROCKER ARM 2.55 MM 4

84010492B ADJUSTER, CLOSING ROCKER ARM 2.60 MM 4

84010502B ADJUSTER, CLOSING ROCKER ARM 2.65 MM 4

84010512B ADJUSTER, CLOSING ROCKER ARM 2.70 MM 4

84010522B ADJUSTER, CLOSING ROCKER ARM 2.75 MM 4

84010532B ADJUSTER, CLOSING ROCKER ARM 2.80 MM 4

84010542B ADJUSTER, CLOSING ROCKER ARM 2.85 MM 4

84010552B ADJUSTER, CLOSING ROCKER ARM 2.90 MM 4

84010562B ADJUSTER, CLOSING ROCKER ARM 2.95 MM 4

84010572B ADJUSTER, CLOSING ROCKER ARM 3.00 MM 4

84010582B ADJUSTER, CLOSING ROCKER ARM 3.05 MM 4

84010592B ADJUSTER, CLOSING ROCKER ARM 3.10 MM 4

84010602B ADJUSTER, CLOSING ROCKER ARM 3.15 MM 4

84010612B ADJUSTER, CLOSING ROCKER ARM 3.20 MM 4

84010622B ADJUSTER, CLOSING ROCKER ARM 3.25 MM 4

84010632B ADJUSTER, CLOSING ROCKER ARM 3.30 MM 4

84010642B ADJUSTER, CLOSING ROCKER ARM 3.35 MM 4

84010652B ADJUSTER, CLOSING ROCKER ARM 3.40 MM 4

84010662B ADJUSTER, CLOSING ROCKER ARM 3.45 MM 4

84010672B ADJUSTER, CLOSING ROCKER ARM 3.50 MM 4

NOTES

DRAWING 11C - VERTICAL HEAD GROUP ENGINE SPARE PARTS CATALOGUE 16/06/2022 Page 63 / 210 MONSTER USA /23 D19000023
QTY
DRAWING 11C - VERTICAL HEAD GROUP ENGINE MONSTER USA /23 D19000023 Page 64 / 210 SPARE PARTS CATALOGUE 16/06/2022

CODE

84010682B ADJUSTER, CLOSING ROCKER ARM 3.55 MM 4

84010692B ADJUSTER, CLOSING ROCKER ARM 3.60 MM 4

84010702B ADJUSTER, CLOSING ROCKER ARM 3.65 MM 4

84010712B ADJUSTER, CLOSING ROCKER ARM 3.70 MM 4

84010722B ADJUSTER, CLOSING ROCKER ARM 3.75 MM 4

84010732B ADJUSTER, CLOSING ROCKER ARM 3.80 MM 4

84010742B ADJUSTER, CLOSING ROCKER ARM 3.85 MM 4

84010752B ADJUSTER, CLOSING ROCKER ARM 3.90 MM 4

84010762B ADJUSTER, CLOSING ROCKER ARM 3.95 MM 4

84010772B ADJUSTER, CLOSING ROCKER ARM 4.00 MM 4

84010782B ADJUSTER, CLOSING ROCKER ARM 4.05 MM 4

84010792B ADJUSTER, CLOSING ROCKER ARM 4.10 MM 4

84010802B ADJUSTER, CLOSING ROCKER ARM 4.15 MM 4

84010812B ADJUSTER, CLOSING ROCKER ARM 4.20 MM

84010822B ADJUSTER, CLOSING ROCKER ARM 4.25 MM

84010832B ADJUSTER, CLOSING ROCKER ARM 4.30 MM

84010842B ADJUSTER, CLOSING ROCKER ARM 4.35 MM

84010852B ADJUSTER, CLOSING ROCKER ARM 4.40 MM

84010862B ADJUSTER, CLOSING ROCKER ARM 4.45 MM

84010872B ADJUSTER, CLOSING ROCKER ARM 4.50

VALIDITY

NOTES

DRAWING 11C - VERTICAL HEAD GROUP ENGINE SPARE PARTS CATALOGUE 16/06/2022 Page 65 / 210 MONSTER USA /23 D19000023 POS.
DESCRIPTION QTY
4
4
4
4
4
4
MM 4 3 20810321A OPEN. ROCKER ARM 4 4 20910501A CLOSING ROCKER ARM LEFT 2 5 21110991A EXHAUST VALVE 2 6 66910011E C RING 8 7 30310631BB GUIDE, VALVE OVERSIZED 0.03 MM 4 30310631BC GUIDE, VALVE OVERSIZED 0.06 MM 4 30310631BD GUIDE, VALVE OVERSIZED 0.09 MM 4 8 76440572A SEAL VALVE STEM 4 9 71312921A SPACER 2 10 30411011BB SEAT, EXHAUST VALVE +0.03 MM 4 30411011BC SEAT, EXHAUST VALVE +0.06 MM 4 11 85250261B GASKET 8 12 78010511E PLUG 8 13 30411001AB SEAT, INLET VALVE +0.03 MM 2 30411001AC SEAT, INLET VALVE +0.06 MM 2
DRAWING 11C - VERTICAL HEAD GROUP ENGINE MONSTER USA /23 D19000023 Page 66 / 210 SPARE PARTS CATALOGUE 16/06/2022
DRAWING 11C - VERTICAL HEAD GROUP ENGINE SPARE PARTS CATALOGUE 16/06/2022 Page 67 / 210 MONSTER USA /23 D19000023 POS. CODE DESCRIPTION QTY VALIDITY NOTES 14 21010991A INTAKE VALVE 2 15 82112951A CLOSE ROCKER ARM AXLE 4 16 20910491A CLOSING ROCKER ARM RIGHT 2 17 82112941A SHAFT, OPENING ROCKER 4 18 79915001A VALVE RETURN SPRING LH. 1 19 79915011A VALVE RETURN SPRING RH. 1 20 77350618B SCREW TCEIR M6X8 1 21 85250231A GASKET 1 22 30125861AA COMPLETE VERTICAL HEAD 1 23 77914211A SCREW TEF M8X32 8 24 86050061A PIN M5X10 4 25 71312921B SPACER 2 26 79915181B LEFT VALVE RETURN SPRING 1 27 79915191B RIGHT VALVE RETURN SPRING 1 28 77210623B SCREW 2 29 81413261B JOINT, WATER HOSE VERTICAL 1 30 88641031A O-RING 1 31 74810501A NUT M10X1.5 4 32 85610642A WASHER, SPECIAL 10.5X21X2 4 33 77919162AA SCREW, SPECIAL 1
DRAWING 11D - HORIZONTAL HEAD GROUP ENGINE MONSTER USA /23 D19000023 Page 68 / 210 SPARE PARTS CATALOGUE 16/06/2022

POS. CODE DESCRIPTION

1

84010012A ADJUSTER, OPENING ROCKER ARM 2.00 MM 4

84010022A ADJUSTER, OPENING ROCKER ARM 2.05 MM 4

84010032A ADJUSTER, OPENING ROCKER ARM 2.10 MM 4

84010042A ADJUSTER, OPENING ROCKER ARM 2.15 MM 4

84010052A ADJUSTER, OPENING ROCKER ARM 2.20 MM 4

84010062A ADJUSTER, OPENING ROCKER ARM 2.25 MM 4

84010072A ADJUSTER, OPENING ROCKER ARM 2.30 MM 4

84010082A ADJUSTER, OPENING ROCKER ARM 2.35 MM 4

84010092A ADJUSTER, OPENING ROCKER ARM 2.40 MM 4

84010102A ADJUSTER, OPENING ROCKER ARM 2.45 MM 4

84010112A ADJUSTER, OPENING ROCKER ARM 2.50 MM 4

84010122A ADJUSTER, OPENING ROCKER ARM 2.55 MM 4

84010132A ADJUSTER, OPENING ROCKER ARM 2.60 MM 4

84010142A ADJUSTER, OPENING ROCKER ARM 2.65 MM 4

84010152A ADJUSTER, OPENING ROCKER ARM 2.70 MM 4

84010162A ADJUSTER, OPENING ROCKER ARM 2.75 MM 4

84010172A ADJUSTER, OPENING ROCKER ARM 2.80 MM 4

84010182A ADJUSTER, OPENING ROCKER ARM 2.85 MM 4

84010192A ADJUSTER, OPENING ROCKER ARM 2.90 MM 4

84010202A ADJUSTER, OPENING ROCKER ARM 2.95 MM 4

84010212A ADJUSTER, OPENING ROCKER ARM 3.00 MM 4

84010222A ADJUSTER, OPENING ROCKER ARM 3.05 MM 4

84010232A ADJUSTER, OPENING ROCKER ARM 3.10 MM 4

84010242A ADJUSTER, OPENING ROCKER ARM 3.15 MM 4

84010252A ADJUSTER, OPENING ROCKER ARM 3.20 MM 4

84010262A ADJUSTER, OPENING ROCKER ARM 3.25 MM 4

84010272A ADJUSTER, OPENING ROCKER ARM 3.30 MM 4

84010282A ADJUSTER, OPENING ROCKER ARM 3.35 MM 4

84010292A ADJUSTER, OPENING ROCKER ARM 3.40 MM 4

84010302A ADJUSTER, OPENING ROCKER ARM 3.45 MM 4

84010312A ADJUSTER, OPENING ROCKER ARM 1.80 MM 4

84010322A ADJUSTER, OPENING ROCKER ARM 1.85 MM 4

84010332A ADJUSTER, OPENING ROCKER ARM 1.90 MM 4

84010342A ADJUSTER, OPENING ROCKER ARM 1.95 MM 4

84010722A ADJUSTER, OPENING ROCKER ARM 3.60 MM 4

VALIDITY

NOTES

DRAWING 11D - HORIZONTAL HEAD GROUP ENGINE SPARE PARTS CATALOGUE 16/06/2022 Page 69 / 210 MONSTER USA /23 D19000023
QTY
DRAWING 11D - HORIZONTAL HEAD GROUP ENGINE MONSTER USA /23 D19000023 Page 70 / 210 SPARE PARTS CATALOGUE 16/06/2022

POS. CODE DESCRIPTION

84010732A ADJUSTER, OPENING ROCKER ARM 3.80 MM 4

84011082A ADJUSTER, OPENING ROCKER ARM 3.50 MM 4

84011092A ADJUSTER, OPENING ROCKER ARM 3.55 MM 4

84011102A ADJUSTER, OPENING ROCKER ARM 3.65 MM 4

84011112A ADJUSTER, OPENING ROCKER ARM 3.70 MM 4

84011122A ADJUSTER, OPENING ROCKER ARM 3.75 MM 4

84011132A ADJUSTER, OPENING ROCKER ARM 3.85 MM 4

84011142A ADJUSTER, OPENING ROCKER ARM 3.9 MM 4

VALIDITY

2

84010412B ADJUSTER, CLOSING ROCKER ARM 2.20 MM 4

84010422B ADJUSTER, CLOSING ROCKER ARM 2.25 MM 4

84010432B ADJUSTER, CLOSING ROCKER ARM 2.30 MM 4

84010442B ADJUSTER, CLOSING ROCKER ARM 2.35 MM 4

84010452B ADJUSTER, CLOSING ROCKER ARM 2.40 MM 4

84010462B ADJUSTER, CLOSING ROCKER ARM 2.45 MM 4

84010472B ADJUSTER, CLOSING ROCKER ARM 2.50 MM 4

84010482B ADJUSTER, CLOSING ROCKER ARM 2.55 MM 4

84010492B ADJUSTER, CLOSING ROCKER ARM 2.60 MM 4

84010502B ADJUSTER, CLOSING ROCKER ARM 2.65 MM 4

84010512B ADJUSTER, CLOSING ROCKER ARM 2.70 MM 4

84010522B ADJUSTER, CLOSING ROCKER ARM 2.75 MM 4

84010532B ADJUSTER, CLOSING ROCKER ARM 2.80 MM 4

84010542B ADJUSTER, CLOSING ROCKER ARM 2.85 MM 4

84010552B ADJUSTER, CLOSING ROCKER ARM 2.90 MM 4

84010562B ADJUSTER, CLOSING ROCKER ARM 2.95 MM 4

84010572B ADJUSTER, CLOSING ROCKER ARM 3.00 MM 4

84010582B ADJUSTER, CLOSING ROCKER ARM 3.05 MM 4

84010592B ADJUSTER, CLOSING ROCKER ARM 3.10 MM 4

84010602B ADJUSTER, CLOSING ROCKER ARM 3.15 MM 4

84010612B ADJUSTER, CLOSING ROCKER ARM 3.20 MM 4

84010622B ADJUSTER, CLOSING ROCKER ARM 3.25 MM 4

84010632B ADJUSTER, CLOSING ROCKER ARM 3.30 MM 4

84010642B ADJUSTER, CLOSING ROCKER ARM 3.35 MM 4

84010652B ADJUSTER, CLOSING ROCKER ARM 3.40 MM 4

84010662B ADJUSTER, CLOSING ROCKER ARM 3.45 MM 4

84010672B ADJUSTER, CLOSING ROCKER ARM 3.50 MM 4

NOTES

DRAWING 11D - HORIZONTAL HEAD GROUP ENGINE SPARE PARTS CATALOGUE 16/06/2022 Page 71 / 210 MONSTER USA /23 D19000023
QTY
DRAWING 11D - HORIZONTAL HEAD GROUP ENGINE MONSTER USA /23 D19000023 Page 72 / 210 SPARE PARTS CATALOGUE 16/06/2022

CODE

84010682B ADJUSTER, CLOSING ROCKER ARM 3.55 MM 4

84010692B ADJUSTER, CLOSING ROCKER ARM 3.60 MM 4

84010702B ADJUSTER, CLOSING ROCKER ARM 3.65 MM 4

84010712B ADJUSTER, CLOSING ROCKER ARM 3.70 MM 4

84010722B ADJUSTER, CLOSING ROCKER ARM 3.75 MM 4

84010732B ADJUSTER, CLOSING ROCKER ARM 3.80 MM 4

84010742B ADJUSTER, CLOSING ROCKER ARM 3.85 MM 4

84010752B ADJUSTER, CLOSING ROCKER ARM 3.90 MM 4

84010762B ADJUSTER, CLOSING ROCKER ARM 3.95 MM 4

84010772B ADJUSTER, CLOSING ROCKER ARM 4.00 MM 4

84010782B ADJUSTER, CLOSING ROCKER ARM 4.05 MM 4

84010792B ADJUSTER, CLOSING ROCKER ARM 4.10 MM 4

84010802B ADJUSTER, CLOSING ROCKER ARM 4.15 MM 4

84010812B ADJUSTER, CLOSING ROCKER ARM 4.20 MM

84010822B ADJUSTER, CLOSING ROCKER ARM 4.25 MM

84010832B ADJUSTER, CLOSING ROCKER ARM 4.30 MM

84010842B ADJUSTER, CLOSING ROCKER ARM 4.35 MM

84010852B ADJUSTER, CLOSING ROCKER ARM 4.40 MM

84010862B ADJUSTER, CLOSING ROCKER ARM 4.45 MM

84010872B ADJUSTER, CLOSING ROCKER ARM 4.50

VALIDITY

NOTES

DRAWING 11D - HORIZONTAL HEAD GROUP ENGINE SPARE PARTS CATALOGUE 16/06/2022 Page 73 / 210 MONSTER USA /23 D19000023 POS.
DESCRIPTION QTY
4
4
4
4
4
4
MM 4 3 20810321A OPEN. ROCKER ARM 4 4 20910501A CLOSING ROCKER ARM LEFT 2 5 21110991A EXHAUST VALVE 2 6 66910011E C RING 8 7 30310631BB GUIDE, VALVE OVERSIZED 0.03 MM 4 30310631BC GUIDE, VALVE OVERSIZED 0.06 MM 4 30310631BD GUIDE, VALVE OVERSIZED 0.09 MM 4 8 76440572A SEAL VALVE STEM 4 9 71312921A SPACER 2 10 30411011BB SEAT, EXHAUST VALVE +0.03 MM 4 30411011BC SEAT, EXHAUST VALVE +0.06 MM 4 11 85250261B GASKET 8 12 78010511E PLUG 8 13 30411001AB SEAT, INLET VALVE +0.03 MM 2 30411001AC SEAT, INLET VALVE +0.06 MM 2
DRAWING 11D - HORIZONTAL HEAD GROUP ENGINE MONSTER USA /23 D19000023 Page 74 / 210 SPARE PARTS CATALOGUE 16/06/2022
DRAWING 11D - HORIZONTAL HEAD GROUP ENGINE SPARE PARTS CATALOGUE 16/06/2022 Page 75 / 210 MONSTER USA /23 D19000023 POS. CODE DESCRIPTION QTY VALIDITY NOTES 14 21010991A INTAKE VALVE 2 15 82112951A CLOSE ROCKER ARM AXLE 4 16 20910491A CLOSING ROCKER ARM RIGHT 2 17 82112941A SHAFT, OPENING ROCKER 4 18 79915011A VALVE RETURN SPRING RH. 1 19 79915001A VALVE RETURN SPRING LH. 1 20 85250231A GASKET 1 21 74810501A NUT M10X1.5 4 22 30125852AA COMPLETE HORIZONTAL HEAD 1 23 77914211A SCREW TEF M8X32 8 24 86050061A PIN M5X10 4 25 81411881A NIPPLE, HOSE 1 26 71312921B SPACER 2 27 79915191B RIGHT VALVE RETURN SPRING 1 28 79915181B LEFT VALVE RETURN SPRING 1 29 85610642A WASHER, SPECIAL 10.5X21X2 4 30 55243442A WATER TEMPERATURE SENSOR 1 31 77210623B SCREW 2 32 81420051A JOINT, WATER HOSE HORIZONTAL 1
DRAWING 01A - WORKSHOP SERVICE TOOLS (ENGINE) GROUP TOOLS MONSTER USA /23 D19000023 Page 76 / 210 SPARE PARTS CATALOGUE 16/06/2022
DRAWING 01A - WORKSHOP SERVICE TOOLS (ENGINE) GROUP TOOLS SPARE PARTS CATALOGUE 16/06/2022 Page 77 / 210 MONSTER USA /23 D19000023 POS. CODE DESCRIPTION QTY VALIDITY NOTES 1 887130137 CRANKSHAFT GEAR RETAINING WRENCH 1 2 887132676 HEAD NUTS HOLDER WRENCH 1 3 887132103 HEAD MOUNTING BASE 1 4 887131994 ROCKER PIN EXTRACTOR 1 5 887651635 DEGREE WHEEL HOLDER TOOL FOR IGNITION ADVANCE CHECK 1 6 887132906 WRENCH, OIL FILTER CARTRIDGE 1 7 887651623 BELT ROLLER TIMING TOOL 1 8 887133219 TIMING BELT ROLLER REACTION TOOL 1 9 887132442 TOOL, OIL SEAL MOUNTING 1 10 887005644 TIMING PULLEY RETAINING WRENCH 1 11 887132651 REACTION TOOL FOR WET CLUTCH 1 12 887132877 SPARK PLUG WRENCH 1 13 887132870 TOOL, CON-ROD GUIDING 1 14 887130031 EXTRACTOR FOR PRIMARY DRIVE GEAR 1 15 887131309 FORK FEELER GAUGE2,35 MM 1 16 887131806 REACTION TOOL BELT ROLLER TIGHTENING 1 17 887132011 CRANKSHAFT RESET TOOL 1 18 887651298 SPACER FOR CHECKING LOWER VALVE SHIM 1 19 887131821 WRENCH TO TIGHTEN TENSIONING BOLTS 1 20 887133367 FLYWHEEL WRENCH 1 21 887133334 PLATE POSITIONING GEAR ENGAGEMENT FORK 1 22 887131749 DRIVE ROLLER PULLER 1 23 887134411 INSERT 1 24 887132695 CLUTCH FLUID PRESSURE MEASURING TOOL 1 25 887130022 GEARBOX SELECTOR TOOL 1
DRAWING 01B - WORKSHOP SERVICE TOOLS (FRAME) GROUP TOOLS MONSTER USA /23 D19000023 Page 78 / 210 SPARE PARTS CATALOGUE 16/06/2022
DRAWING 01B - WORKSHOP SERVICE TOOLS (FRAME) GROUP TOOLS SPARE PARTS CATALOGUE 16/06/2022 Page 79 / 210 MONSTER USA /23 D19000023 POS. CODE DESCRIPTION QTY VALIDITY NOTES 1 887133220 BENCH FOR ENGINE REPAIR 1 2 887131010 CONNECTOR FOR EXHAUST GAS TAKE-UP POINT 1 3 887131062 TOOL ASSEMBLING STEERING TUBE BEARING 1 4 887131074 TOOL DISASSEMBLING SWINGARM PIVOT 1 5 800070139 WRENCH FOR FRONT WHEEL SPINDLE 1 6 887131059 ASSEMBLING BEARINGS TOOL 1 7 887131058 SPANNER TO ASSEMBLE THE STEERING SLEEVE 1 8 887134488 FORK OIL LEVEL SYRINGE 1 9 887131832 BENCH FOR ENGINE REPAIR 1
DRAWING 01C - CHECK INTRUMENT DDS GROUP TOOLS MONSTER USA /23 D19000023 Page 80 / 210 SPARE PARTS CATALOGUE 16/06/2022
DRAWING 01C - CHECK INTRUMENT DDS GROUP TOOLS SPARE PARTS CATALOGUE 16/06/2022 Page 81 / 210 MONSTER USA /23 D19000023 POS. CODE DESCRIPTION QTY VALIDITY NOTES 1 979000279 DDS 3 1 2 979000253 BELT TENSIONING KIT 1 3 979000282 DIAGNOSIS CABLE 1 4 979000283 CONNECTING CABLE 1 5 979000284 USB CABLE 1 6 979000281 HASP DDS3 KEY 1
DRAWING A - TYRES GROUP TYRES MONSTER USA /23 D19000023 Page 82 / 210 SPARE PARTS CATALOGUE 16/06/2022
DRAWING A - TYRES GROUP TYRES SPARE PARTS CATALOGUE 16/06/2022 Page 83 / 210 MONSTER USA /23 D19000023 POS. CODE DESCRIPTION QTY VALIDITY NOTES 1 490P0314A FRONT TYRE 1 (*)=Pneumatico di primo equipaggiamento 2 491P0415A REAR TYRE 1 (*)=Pneumatico di primo equipaggiamento 3 490P0333A FRONT TYRE 1 4 491P0403A REAR TYRE 1 5 49041081A FRONT TYRE 1 6 49141601A REAR TYRE 1 7 49040711A FRONT TYRE 1 8 49140951A REAR TYRE 1 9 490P0324A FRONT TYRE 1 10 491P0387A REAR TYRE 1 11 49040663A FRONT TYRE 1 12 49140851B REAR TYRE 1 13 490P0325A FRONT TYRE 1 14 49141271A REAR TYRE 1 15 490P0002A FRONT TYRE 1 (#)=For competition use only 16 490P0003A FRONT TYRE 1 (#)=For competition use only 17 490P0004A FRONT TYRE 1 (#)=For competition use only 18 491P0009A REAR TYRE 1 (#)=For competition use only 19 491P0010A REAR TYRE 1 (#)=For competition use only 20 491P0011A REAR TYRE 1 (#)=For competition use only 21 491P0012A REAR TYRE 1 (#)=For competition use only 22 491P0013A REAR TYRE 1 (#)=For competition use only 23 490P0272A FRONT TYRE 1 24 491P0323A REAR TYRE 1 25 491P0070A REAR TYRE 1 26 490P0030A FRONT TYRE 1 (#)=For competition use only 27 491P0036A REAR TYRE 1 (#)=For competition use only 28 491P0037A REAR TYRE 1 (#)=For competition use only 29 491P0038A REAR TYRE 1 (#)=For competition use only 30 491P0039A REAR TYRE 1 (#)=For competition use only 31 490P0044A FRONT TYRE 1 (#)=For competition use only 32 490P0248A FRONT TYRE 1 (#)=For competition use only 33 491P0045A REAR TYRE 1 (#)=For competition use only 34 490P0301A FRONT TYRE 1 35 491P0355A REAR TYRE 1
DRAWING A - TYRES GROUP TYRES MONSTER USA /23 D19000023 Page 84 / 210 SPARE PARTS CATALOGUE 16/06/2022
DRAWING A - TYRES GROUP TYRES SPARE PARTS CATALOGUE 16/06/2022 Page 85 / 210 MONSTER USA /23 D19000023 POS. CODE DESCRIPTION QTY VALIDITY NOTES 36 49041071A FRONT TYRE 1 37 491P0343A REAR TYRE 1 38 490P0297A FRONT TYRE 1 (#)=For competition use only 39 490P0298A FRONT TYRE 1 (#)=For competition use only 40 491P0334A REAR TYRE 1 (#)=For competition use only 41 491P0335A REAR TYRE 1 (#)=For competition use only 42 491P0336A REAR TYRE 1 (#)=For competition use only 43 491P0337A REAR TYRE 1 (#)=For competition use only 44 490P0019A FRONT TYRE 1 (#)=For competition use only 45 490P0022A FRONT TYRE 1 (#)=For competition use only 46 490P0029A FRONT TYRE 1 (#)=For competition use only
DRAWING B - ORIGINAL EQUIPMENT TYRES GROUP TYRES MONSTER USA /23 D19000023 Page 86 / 210 SPARE PARTS CATALOGUE 16/06/2022
DRAWING B - ORIGINAL EQUIPMENT TYRES GROUP TYRES SPARE PARTS CATALOGUE 16/06/2022 Page 87 / 210 MONSTER USA /23 D19000023 POS. CODE DESCRIPTION QTY VALIDITY NOTES 1 490P0314A FRONT TYRE 1 (*)=Pneumatico di primo equipaggiamento 2 491P0415A REAR TYRE 1 (*)=Pneumatico di primo equipaggiamento
DRAWING C - PIRELLI DIABLOâ„¢ ROSSO II GROUP TYRES MONSTER USA /23 D19000023 Page 88 / 210 SPARE PARTS CATALOGUE 16/06/2022
DRAWING C - PIRELLI DIABLOâ„¢ ROSSO II GROUP TYRES SPARE PARTS CATALOGUE 16/06/2022 Page 89 / 210 MONSTER USA /23 D19000023 POS. CODE DESCRIPTION QTY VALIDITY NOTES 1 49040663A FRONT TYRE 1 2 49140851B REAR TYRE 1
DRAWING D - PIRELLI ANGELâ„¢ GT II GROUP TYRES MONSTER USA /23 D19000023 Page 90 / 210 SPARE PARTS CATALOGUE 16/06/2022
DRAWING D - PIRELLI ANGELâ„¢ GT II GROUP TYRES SPARE PARTS CATALOGUE 16/06/2022 Page 91 / 210 MONSTER USA /23 D19000023 POS. CODE DESCRIPTION QTY VALIDITY NOTES 1 490P0301A FRONT TYRE 1 2 491P0355A REAR TYRE 1
DRAWING E - PIRELLI DIABLOâ„¢ SUPERCORSA SP GROUP TYRES MONSTER USA /23 D19000023 Page 92 / 210 SPARE PARTS CATALOGUE 16/06/2022
DRAWING E - PIRELLI DIABLOâ„¢ SUPERCORSA SP GROUP TYRES SPARE PARTS CATALOGUE 16/06/2022 Page 93 / 210 MONSTER USA /23 D19000023 POS. CODE DESCRIPTION QTY VALIDITY NOTES 1 49040711A FRONT TYRE 1 2 49140951A REAR TYRE 1
DRAWING F - PIRELLI DIABLOâ„¢ ROSSO CORSA II GROUP TYRES MONSTER USA /23 D19000023 Page 94 / 210 SPARE PARTS CATALOGUE 16/06/2022
DRAWING F - PIRELLI DIABLOâ„¢ ROSSO CORSA II GROUP TYRES SPARE PARTS CATALOGUE 16/06/2022 Page 95 / 210 MONSTER USA /23 D19000023 POS. CODE DESCRIPTION QTY VALIDITY NOTES 1 49041081A FRONT TYRE 1 2 49141601A REAR TYRE 1
DRAWING H - PIRELLI DIABLOâ„¢ SUPERCORSA SP V3 GROUP TYRES MONSTER USA /23 D19000023 Page 96 / 210 SPARE PARTS CATALOGUE 16/06/2022
DRAWING H - PIRELLI DIABLOâ„¢ SUPERCORSA SP V3 GROUP TYRES SPARE PARTS CATALOGUE 16/06/2022 Page 97 / 210 MONSTER USA /23 D19000023 POS. CODE DESCRIPTION QTY VALIDITY NOTES 1 49041071A FRONT TYRE 1 2 491P0343A REAR TYRE 1
DRAWING I - PIRELLI DIABLOâ„¢ ROSSO III GROUP TYRES MONSTER USA /23 D19000023 Page 98 / 210 SPARE PARTS CATALOGUE 16/06/2022
DRAWING I - PIRELLI DIABLOâ„¢ ROSSO III GROUP TYRES SPARE PARTS CATALOGUE 16/06/2022 Page 99 / 210 MONSTER USA /23 D19000023 POS. CODE DESCRIPTION QTY VALIDITY NOTES 1 490P0272A FRONT TYRE 1 2 491P0323A REAR TYRE 1 3 490P0314A FRONT TYRE 1 4 491P0070A REAR TYRE 1
DRAWING J - (#) PIRELLI DIABLOâ„¢ SUPERBIKE GROUP TYRES MONSTER USA /23 D19000023 Page 100 / 210 SPARE PARTS CATALOGUE 16/06/2022
DRAWING J - (#) PIRELLI DIABLOâ„¢ SUPERBIKE GROUP TYRES SPARE PARTS CATALOGUE 16/06/2022 Page 101 / 210 MONSTER USA /23 D19000023 POS. CODE DESCRIPTION QTY VALIDITY NOTES 1 490P0002A FRONT TYRE 1 (#)=For competition use only 2 490P0003A FRONT TYRE 1 (#)=For competition use only 3 490P0004A FRONT TYRE 1 (#)=For competition use only 4 491P0009A REAR TYRE 1 (#)=For competition use only 5 491P0010A REAR TYRE 1 (#)=For competition use only 6 491P0011A REAR TYRE 1 (#)=For competition use only 7 491P0012A REAR TYRE 1 (#)=For competition use only 8 491P0013A REAR TYRE 1 (#)=For competition use only
DRAWING K - (#) PIRELLI DIABLOâ„¢ WET GROUP TYRES MONSTER USA /23 D19000023 Page 102 / 210 SPARE PARTS CATALOGUE 16/06/2022
DRAWING K - (#) PIRELLI DIABLOâ„¢ WET GROUP TYRES SPARE PARTS CATALOGUE 16/06/2022 Page 103 / 210 MONSTER USA /23 D19000023 POS. CODE DESCRIPTION QTY VALIDITY NOTES 1 490P0019A FRONT TYRE 1 (#)=For competition use only
DRAWING M - (#) PIRELLI DIABLOâ„¢ RAIN GROUP TYRES MONSTER USA /23 D19000023 Page 104 / 210 SPARE PARTS CATALOGUE 16/06/2022
DRAWING M - (#) PIRELLI DIABLOâ„¢ RAIN GROUP TYRES SPARE PARTS CATALOGUE 16/06/2022 Page 105 / 210 MONSTER USA /23 D19000023 POS. CODE DESCRIPTION QTY VALIDITY NOTES 1 490P0022A FRONT TYRE 1 (#)=For competition use only
DRAWING N - (#) PIRELLI DIABLOâ„¢ SUPERCORSA SC V2 GROUP TYRES MONSTER USA /23 D19000023 Page 106 / 210 SPARE PARTS CATALOGUE 16/06/2022
DRAWING N - (#) PIRELLI DIABLOâ„¢ SUPERCORSA SC V2 GROUP TYRES SPARE PARTS CATALOGUE 16/06/2022 Page 107 / 210 MONSTER USA /23 D19000023 POS. CODE DESCRIPTION QTY VALIDITY NOTES 1 490P0029A FRONT TYRE 1 (#)=For competition use only 2 490P0030A FRONT TYRE 1 (#)=For competition use only 3 491P0036A REAR TYRE 1 (#)=For competition use only 4 491P0037A REAR TYRE 1 (#)=For competition use only 5 491P0038A REAR TYRE 1 (#)=For competition use only 6 491P0039A REAR TYRE 1 (#)=For competition use only
DRAWING O - (#) PIRELLI DIABLOâ„¢ SUPERCORSA SC GROUP TYRES MONSTER USA /23 D19000023 Page 108 / 210 SPARE PARTS CATALOGUE 16/06/2022
DRAWING O - (#) PIRELLI DIABLOâ„¢ SUPERCORSA SC GROUP TYRES SPARE PARTS CATALOGUE 16/06/2022 Page 109 / 210 MONSTER USA /23 D19000023 POS. CODE DESCRIPTION QTY VALIDITY NOTES 1 490P0044A FRONT TYRE 1 (#)=For competition use only 2 490P0248A FRONT TYRE 1 (#)=For competition use only 3 491P0045A REAR TYRE 1 (#)=For competition use only
DRAWING P - PIRELLI ANGELâ„¢ GT GROUP TYRES MONSTER USA /23 D19000023 Page 110 / 210 SPARE PARTS CATALOGUE 16/06/2022
DRAWING P - PIRELLI ANGELâ„¢ GT GROUP TYRES SPARE PARTS CATALOGUE 16/06/2022 Page 111 / 210 MONSTER USA /23 D19000023 POS. CODE DESCRIPTION QTY VALIDITY NOTES 1 490P0325A FRONT TYRE 1 2 49141271A REAR TYRE 1
DRAWING S - PIRELLI DIABLOâ„¢ ROSSO IV GROUP TYRES MONSTER USA /23 D19000023 Page 112 / 210 SPARE PARTS CATALOGUE 16/06/2022
DRAWING S - PIRELLI DIABLOâ„¢ ROSSO IV GROUP TYRES SPARE PARTS CATALOGUE 16/06/2022 Page 113 / 210 MONSTER USA /23 D19000023 POS. CODE DESCRIPTION QTY VALIDITY NOTES 1 490P0324A FRONT TYRE 1 2 491P0387A REAR TYRE 1
DRAWING T - (#) PIRELLI DIABLOâ„¢ SUPERCORSA SC V3 GROUP TYRES MONSTER USA /23 D19000023 Page 114 / 210 SPARE PARTS CATALOGUE 16/06/2022
DRAWING T - (#) PIRELLI DIABLOâ„¢ SUPERCORSA SC V3 GROUP TYRES SPARE PARTS CATALOGUE 16/06/2022 Page 115 / 210 MONSTER USA /23 D19000023 POS. CODE DESCRIPTION QTY VALIDITY NOTES 1 490P0297A FRONT TYRE 1 (#)=For competition use only 2 490P0298A FRONT TYRE 1 (#)=For competition use only 3 491P0334A REAR TYRE 1 (#)=For competition use only 4 491P0335A REAR TYRE 1 (#)=For competition use only 5 491P0336A REAR TYRE 1 (#)=For competition use only 6 491P0337A REAR TYRE 1 (#)=For competition use only
DRAWING VGROUP TYRES MONSTER USA /23 D19000023 Page 116 / 210 SPARE PARTS CATALOGUE 16/06/2022
DRAWING VGROUP TYRES SPARE PARTS CATALOGUE 16/06/2022 Page 117 / 210 MONSTER USA /23 D19000023 POS. CODE DESCRIPTION QTY VALIDITY NOTES 1 490P0333A FRONT TYRE 1 2 491P0403A REAR TYRE 1
DRAWING 15A - STAND GROUP FRAME MONSTER USA /23 D19000023 Page 118 / 210 SPARE PARTS CATALOGUE 16/06/2022
DRAWING 15A - STAND GROUP FRAME SPARE PARTS CATALOGUE 16/06/2022 Page 119 / 210 MONSTER USA /23 D19000023 POS. CODE DESCRIPTION QTY VALIDITY NOTES 1 55620681AA BRACKET, SIDE STAND 1 2 77110431A SCREW TCEIF M10X25 1 3 55611152AA SIDE STAND 1 4 77917241AA SCREW 1 5 53910351A SWITCH, STAND 1 6 79915081A INNER SPRING 1 7 79921602A COMPLETE SPRING 1 8 74941128B NUT M8 1 9 82114632BB AXLE, SIDE STAND 1
DRAWING 16A - FRONT SPROCKET - CHAIN GROUP FRAME MONSTER USA /23 D19000023 Page 120 / 210 SPARE PARTS CATALOGUE 16/06/2022
DRAWING 16A - FRONT SPROCKET - CHAIN GROUP FRAME SPARE PARTS CATALOGUE 16/06/2022 Page 121 / 210 MONSTER USA /23 D19000023 POS. CODE DESCRIPTION QTY VALIDITY NOTES 1 44910821A SPROCKET T15 1 2 4601L082A CHAIN PINION COVER 1 3 67640962A CHAIN 105+1 1 4 67740201A CHAIN LINK 1 5 77110391B SCREW 3 6 75010071A NUT 1 7 85110041A WASHER, LOCK 1 8 43314991A CHAIN ADJUSTMENT STICKER 1 9 67621321A FINAL DRIVE KIT 1
DRAWING 17A - STEERING ASSEMBLY GROUP FRAME MONSTER USA /23 D19000023 Page 122 / 210 SPARE PARTS CATALOGUE 16/06/2022

85211031AB

DRAWING 17A - STEERING ASSEMBLY GROUP FRAME SPARE PARTS CATALOGUE 16/06/2022 Page 123 / 210 MONSTER USA /23 D19000023 POS. CODE DESCRIPTION QTY VALIDITY NOTES 1 34111801BA STEERING HEAD 1 2 342P1191BA STEERING HEAD BASE 1 3 36015901AA HANDLEBAR BRACKET, UPPER 1 4 36015911AA HANDLEBAR BRACKET, UPPER 1 5 36015951AA HOLDER, HANDLE LOWER 1 6 70011141A VIBRATION DAMPER 2 7 70310131A THREAD, STEERING HEAD TOP 1 9 77850281A THREADED DOWEL STEI M8X25 2 10 74840241AB NUT 2 11 77157273B SCREW 6 12 77157248C SCREW TCEIF M8X22 1 13 77157253B SCREW 4 14 77240403C SCREW 1 15 77159418B SCREW M10X1.25X70 2 16 74140331A CLAMP 1 17 85210491B WASHER 10.5X28X1.5 2 18
WASHER 1 19 85250401A WASHER 10.5X18X1.6 2 20 93010041B SEAL RING 2 21 70241231A BEARING, STEERING NTN SF07A17P 2
DRAWING 17B - FRONT FORK GROUP FRAME MONSTER USA /23 D19000023 Page 124 / 210 SPARE PARTS CATALOGUE 16/06/2022
DRAWING 17B - FRONT FORK GROUP FRAME SPARE PARTS CATALOGUE 16/06/2022 Page 125 / 210 MONSTER USA /23 D19000023 POS. CODE DESCRIPTION QTY VALIDITY NOTES 1 34421183A RIGHT FORK LEG ASSY 1 2 34521183A LEFT FORK LEG ASSY 1 3 34913621A NUT 1 4 34913531A DUST COVER 2 5 34913561A WASHER 2 6 34913551A SEAL RING 2 7 34913541A STOP RING 2 8 34913571A LOWER BUSH 2 9 34921051A SEAL KIT 2 10 34921041A OVERHAUL KIT 2 11 34913991A NUT, SPECIAL 1 12 34923041A FORK BOTTOM END + SLEEVE UNIT (R.H.) 1 13 34923031A FORK BOTTOM END + SLEEVE UNIT (L.H.) 1 14 34913981A CAP,FORK TOP 2 15 34913581A UPPER BUSHING 2 16 77310021A SCREW TCEIR M6X25 4 17 34914991A STANCHION TUBE 1 18 34914001A RUBBER PAD 1 19 34914011A PRELOAD TUBE 1 20 34914971A SPRING 2 21 34913671A O-RING 2 22 52910221A REFLECTOR, ADHESIVE AMBER 2 23 71314901A GASKET TH.02 1 71319201A GASKET 0.5 MM 3 24 55212121B SENSOR, SPEED 1 25 77210423C SCREW TBEIF M6X16 1 26 77550213C SCREW TBEI M6X16 2 27 75810642A FAIRLEAD 1 28 34913601A WASHER 1 29 34913611A SCREW 1 30 34914981A PLUNGER 1
DRAWING 18A - REAR SWINGING ARM GROUP FRAME MONSTER USA /23 D19000023 Page 126 / 210 SPARE PARTS CATALOGUE 16/06/2022
DRAWING 18A - REAR SWINGING ARM GROUP FRAME SPARE PARTS CATALOGUE 16/06/2022 Page 127 / 210 MONSTER USA /23 D19000023 POS. CODE DESCRIPTION QTY VALIDITY NOTES 1 36910081A AXLE, REAR SWING ARM 1 2 37012493AA REAR SWINGING ARM 1 3 74140621A HOSE CLAMP 8 MM 1 4 77240403C SCREW 1 5 44712411A UPPER CHAIN SLIDING SHOE 1 6 44712421A LOWER CHAIN SLIDING SHOE 1 7 77214411BA SCREW, SPECIAL 3 8 80810461A CLAMP 1 9 74840341B NUT M8 1 10 85210011B THRUST WASHER 20.5X36X1.8 MM 2 85210021B THRUST WASHER 20.5X36X0.2 MM 2 85210031B THRUST WASHER 20.5X36X0.1 MM 2 11 88440071A SPRING RING 2 12 81910791AA REAR WHEEL SPINDLE 1 13 85214791A WASHER 2 14 77913722AA SCREW, SPECIAL 2 15 74810232B NUT 2 16 37311061BA SLIDING SHOE 2 17 75011251A NUT, SPECIAL M8 2
DRAWING 19A - FRONT BRAKE PUMP GROUP FRAME MONSTER USA /23 D19000023 Page 128 / 210 SPARE PARTS CATALOGUE 16/06/2022
DRAWING 19A - FRONT BRAKE PUMP GROUP FRAME SPARE PARTS CATALOGUE 16/06/2022 Page 129 / 210 MONSTER USA /23 D19000023 POS. CODE DESCRIPTION QTY VALIDITY NOTES 1 62441351B FRONT BRAKE PUMP 1 2 63140601A LEVER, FRONT BRAKE 1 3 61241241A DUST COVER 1 4 85250241A WASHER 10X14X1 2 5 53941061A MICROSWITCH 1 6 63140081A JOINT, HOSE 1 7 62640561A BOLT, LEVER 1 8 62641121A BRACKET, MASTER CYLINDER 1 9 77914151A BOLT, BRAKE HOSE 1 10 8291B911BA BRACKET, BRAKE FLUID TANK 1 11 63140281A DRAIN 1 12 76414191A DAMPER 1 13 77910921A SCREW 1 14 89340251A COVER MASTER CYLINDER 1 15 58540341A RESERVOIR, BRAKE FLUID 1 16 74142951A CLAMP 2 17 93310611A HOSE, OIL 1 18 74810351B NUT 1 19 87240561A PLUG 1
DRAWING 19B - FRONT BRAKE SYSTEM GROUP FRAME MONSTER USA /23 D19000023 Page 130 / 210 SPARE PARTS CATALOGUE 16/06/2022
DRAWING 19B - FRONT BRAKE SYSTEM GROUP FRAME SPARE PARTS CATALOGUE 16/06/2022 Page 131 / 210 MONSTER USA /23 D19000023 POS. CODE DESCRIPTION QTY VALIDITY NOTES 1 61041302C RIGHT FRONT BRAKE CALIPER 1 2 61041292C LEFT FRONT BRAKE CALIPER 1 3 77915111B SCREW 4 4 61810871A HOSE, FRONT BRAKE CALIPER-CALIPER 1 5 18710021A VALVE, BREATHER 2 6 77914651A BOLT, BRAKE HOSE 1 7 77913971A BOLT, BRAKE HOSE 1 8 61240052A DUST COVER 1 9 85250241A WASHER 10X14X1 5 10 61240511A SPARE PIN AND SPRING 2 11 61341021A FRONT BRAKE PADS SET 2
DRAWING 19C - BRAKING SYSTEM ABS GROUP FRAME MONSTER USA /23 D19000023 Page 132 / 210 SPARE PARTS CATALOGUE 16/06/2022
DRAWING 19C - BRAKING SYSTEM ABS GROUP FRAME SPARE PARTS CATALOGUE 16/06/2022 Page 133 / 210 MONSTER USA /23 D19000023 POS. CODE DESCRIPTION QTY VALIDITY NOTES 1 75840611A FAIRLEAD 2 2 54241011A CONTROL UNIT ABS 1 3 61811712B CPU - FRONT CALIPERS LINE 1 4 61811702B FRONT MASTER CYLINDER - CPU LINE 1 5 61911682C REAR MASTER CYLINDER-CPU LINE 1 6 61911692B CPU-REAR CALIPER LINE 1 7 77913662AB SCREW, SPECIAL 4 8 85250241A WASHER 10X14X1 8 9 71610031A SPACER 2 10 86611861A PAD 1 11 8291N531A ABS PIPE SUPPORT 1 12 77350413B SCREW TCEIR M5X16 2 13 77240443C SCREW 1 14 76410641A VIBRATION DAMPER PAD 2 15 75841091A FEMALE CABLE RING 1 16 75841101A MALE CABLE RING 1 17 75840601A FAIRLEAD 16
DRAWING 19D - REAR BRAKE SYSTEM GROUP FRAME MONSTER USA /23 D19000023 Page 134 / 210 SPARE PARTS CATALOGUE 16/06/2022

77240398C

63140161A

61240161A

61240081A

55212121B

DRAWING 19D - REAR BRAKE SYSTEM GROUP FRAME SPARE PARTS CATALOGUE 16/06/2022 Page 135 / 210 MONSTER USA /23 D19000023 POS. CODE DESCRIPTION QTY VALIDITY NOTES 1 58540351A SUB TANK, OIL 1 2 89340241A COVER MASTER CYLINDER 1 3 61140421A REAR BRAKE CALIPER 1 4 61340951A REAR BRAKE PADS SET 1 5 62540201A REAR BRAKE PUMP 1 6 74142951A CLAMP 2 7 77913662AB SCREW, SPECIAL 1 8 85250241A WASHER 10X14X1 4 9 93310601A HOSE, OIL 1 10 61240052A DUST COVER 1 11 77113691A SCREW TCEIF M6X12 1 12 18710021A VALVE, BREATHER 1 13 82510681AA PLATE 1 14 77157238B SCREW TCEIF M8X20 2 15 77913971A BOLT, BRAKE HOSE 1 16 77210423C SCREW TBEIF M6X16 1 17
SCREW TBEIF M6X10 1 18
FRONT CALIPER DRAIN SCREW 1 19
PAD PINS OVERHAUL KIT 1 20
DUST PLUG 1 21
SENSOR, SPEED 1 22 71314901A GASKET TH.02 1 71319201A GASKET 0.5 MM 3 23 74142241A CLAMP 1
DRAWING 20A - PLATE HOLDER GROUP FRAME MONSTER USA /23 D19000023 Page 136 / 210 SPARE PARTS CATALOGUE 16/06/2022
DRAWING 20A - PLATE HOLDER GROUP FRAME SPARE PARTS CATALOGUE 16/06/2022 Page 137 / 210 MONSTER USA /23 D19000023 POS. CODE DESCRIPTION QTY VALIDITY NOTES 1 52910231A REFLEX REFLECTOR, REAR 1 2 56113621A NUMBER PLATE HOLDER 1 3 56113521B NUMBER PLATE HOLDER UPPER 1 4 56113531A NUMBER PLATE HOLDER BOTTOM 1 5 56113641BA PLATE HOLDER 1 6 74140381A CLAMP 6 7 74950011B NUT, SPRING 2 8 76410291A RUBBER PAD 4 9 71616161A SPACER 1 10 77113691A SCREW TCEIF M6X12 7 11 77244163B SCREW TBEI M5X10 2 12 77440571A SCREW, TAPPING 4 13 85040671A CLAMP TUCKER 2 14 74110121A CLAMP, RUBBER 62MM 1 15 77550353B SCREW M4X8 2 16 8301L671AA BRACKET 1 17 85213002A WASHER 4 18 52910101A REFLEX REFLECTOR, REAR 2 19 85040521A CLIP 4 20 88640641A O-RING 2.5X6 4
DRAWING 21A - HANDLEBAR GROUP FRAME MONSTER USA /23 D19000023 Page 138 / 210 SPARE PARTS CATALOGUE 16/06/2022
DRAWING 21A - HANDLEBAR GROUP FRAME SPARE PARTS CATALOGUE 16/06/2022 Page 139 / 210 MONSTER USA /23 D19000023 POS. CODE DESCRIPTION QTY VALIDITY NOTES 1 36012191AA HANDLEBAR 1 2 77150743B SCREW 2 3 15310072B BALANCER SET, HANDLE BAR 2 4 71015041A SPINDLE, TAPER 2 5 71112791A BUSH 2 6 66020093B THROTTLE CONTROL 1 7 36140161A HAND GRIP LH 1 8 65010271C RIGHT SWITCH 1 XST:CAL 65010283B RIGHT HANDLE SWITCH 1 XST:CDN 9 77113741A SCREW TCEIF M8X25 1 10 65110281C LEFT SWITCH 1 11 52310541A REAR-VIEW MIRROR R.H. 1 12 52310551A REAR-VIEW MIRROR L.H. 1 13 46210021A SPRING WASHER 8 MM 2 14 77113731A SCREW TCEIF M8X25, LEFT THREAD 1 15 71316171A SPACER 1
DRAWING 21B - CLUTCH CONTROL GROUP FRAME MONSTER USA /23 D19000023 Page 140 / 210 SPARE PARTS CATALOGUE 16/06/2022
DRAWING 21B - CLUTCH CONTROL GROUP FRAME SPARE PARTS CATALOGUE 16/06/2022 Page 141 / 210 MONSTER USA /23 D19000023 POS. CODE DESCRIPTION QTY VALIDITY NOTES 1 63040941B CLUTCH PUMP 1 2 63140631A LEVER, CLUTCH LIFTER 1 3 18710021A VALVE, BREATHER 1 4 61240052A DUST COVER 1 5 77913971A BOLT, BRAKE HOSE 1 6 63211101C CLUTCH OIL HOSE 1 7 77910921A SCREW 1 8 76414191A DAMPER 1 9 8291B951BA BRACKET, BRAKE FLUID TANK 1 11 89340241A COVER MASTER CYLINDER 1 12 58540351A SUB TANK, OIL 1 13 74810351B NUT 1 14 74142951A CLAMP 2 15 93310711A PIPE 1 16 77913662AB SCREW, SPECIAL 1 17 85250241A WASHER 10X14X1 4 18 62641081A BRACKET, CLUTCH MASTER CYLINDER 1 19 63140281A DRAIN 1 20 62640561A BOLT, LEVER 1 21 63140541A JOINT, HOSE 1 22 53941051A MICROSWITCH 1 23 61240391A DUST COVER 1 24 19540081B PISTON ASSEMBLY 1 25 19510411D SPACER 1 26 77354893C SCREW 3 27 61041991A BREMBO CLUTCH FLOATING PISTON KIT 1 28 78811641C GASKET 1 29 87240561A PLUG 1
DRAWING 22A - REAR SHOCK ABSORBER GROUP FRAME MONSTER USA /23 D19000023 Page 142 / 210 SPARE PARTS CATALOGUE 16/06/2022
DRAWING 22A - REAR SHOCK ABSORBER GROUP FRAME SPARE PARTS CATALOGUE 16/06/2022 Page 143 / 210 MONSTER USA /23 D19000023 POS. CODE DESCRIPTION QTY VALIDITY NOTES 1 77915041A SCREW, SPECIAL 2 2 36521973A REAR SHOCK ABSORBER 1
DRAWING 23A - FRONT MUDGUARD GROUP FRAME MONSTER USA /23 D19000023 Page 144 / 210 SPARE PARTS CATALOGUE 16/06/2022
DRAWING 23A - FRONT MUDGUARD GROUP FRAME SPARE PARTS CATALOGUE 16/06/2022 Page 145 / 210 MONSTER USA /23 D19000023 POS. CODE DESCRIPTION QTY VALIDITY NOTES 1 564P6591AA FRONT FENDER RED 1 XCO:R 564P6591AB FRONT FENDER, BLACK 1 XCO:NMB 564P6591AC FRONT MUDGUARD GREY 1 XCO:AG 2 71614011B SPACER 4 3 77210893B SCREW 4 4 77440101A SCREW, TAPPING 3.5X10 1
DRAWING 24A - WATER COOLER GROUP FRAME MONSTER USA /23 D19000023 Page 146 / 210 SPARE PARTS CATALOGUE 16/06/2022
DRAWING 24A - WATER COOLER GROUP FRAME SPARE PARTS CATALOGUE 16/06/2022 Page 147 / 210 MONSTER USA /23 D19000023 POS. CODE DESCRIPTION QTY VALIDITY NOTES 1 77240483C SCREW 2 2 71614191A SPACER 1 3 76411361A VIBRATION DAMPER PAD 3 4 71616011AA SPACER 1 5 54812611B WATER COOLER 1 6 83014041B BRACE, RADIATOR 1 7 76410241A VIBRATION DAMPER PAD 1 8 77916081A SCREW, SPECIAL 1 9 74140381A CLAMP 2 10 85041951AA QUICK FASTENING 4 11 77214411AA SCREW 4 12 55010051B ELECTRIC FAN 1 13 48412751A DEFLECTOR LH 1 14 77440101A SCREW, TAPPING 3.5X10 2 15 85241711A WASHER 1 16 77510741A SCREW 1 17 76414651A RUBBER PAD 4 18 4601L261A COVER 1 19 77211251B SCREW M5X9 1 20 87240921A RADIATOR CAP 1
DRAWING 24B - COOLING CIRCUIT GROUP FRAME MONSTER USA /23 D19000023 Page 148 / 210 SPARE PARTS CATALOGUE 16/06/2022
DRAWING 24B - COOLING CIRCUIT GROUP FRAME SPARE PARTS CATALOGUE 16/06/2022 Page 149 / 210 MONSTER USA /23 D19000023 POS. CODE DESCRIPTION QTY VALIDITY NOTES 1 80011852B HOSE, HORIZONTAL CYLINDER WATER INLET 1 2 80012481B HOSE, VERTICAL CYLINDER WATER INLET 1 3 74142581A CLAMP 16-27 MM 8 4 55340041A THERMO-SWITCH 1 5 58511332A TANK, WATER RESERVOIR 1 6 77210842A SCREW TCEI M5X8.5 2 7 74140651A FASCETTA 11-7 MM 2 8 77912741A SCREW TBEI M6X14 2 9 77240453C SCREW TBEIF M6X22 10.9 2 10 75840641A HOSE GUIDE 1 11 8291M701A BRACKET, WATER TANK 1 12 89310143A EXPANSION TANK CAP 1 13 93410201A BREATHER PIPE 1 14 80018361A BREATHER PIPE 1 15 74140431A CLAMP 1 16 74140631A CLAMP 4 17 74142591A CLAMP 20-35 MM 4 18 85041951AA QUICK FASTENING 2 19 71615211AA SPACER 2 20 80018321B HOSE PUMP/COOLER 1 21 80018312A THERMOSTAT/PUMP HOSE VERTICAL 1 22 80018301B HOSE COOLER/THERMOSTAT 1 23 80018331B THERMOSTAT/PUMP HOSE HORIZONTAL 1 24 88111281A THERMOSTAT PROTECTION RING 1 25 93410471A BREATHER PIPE 1 26 80018353A BREATHER PIPE 1 27 75840721A HOSE GUIDE 1 28 74142121A CLAMP 1 29 81446871A THREE-WAYS UNION 1 30 85041121A BUSH 2 31 86611001B PAD 1 32 77240403C SCREW 1 33 80018341A BREATHER PIPE 1 34 8301L022AA BRACKET 1 35 4601H512A PROTECTION SHEATH 1
DRAWING 24B - COOLING CIRCUIT GROUP FRAME MONSTER USA /23 D19000023 Page 150 / 210 SPARE PARTS CATALOGUE 16/06/2022
DRAWING 24B - COOLING CIRCUIT GROUP FRAME SPARE PARTS CATALOGUE 16/06/2022 Page 151 / 210 MONSTER USA /23 D19000023 POS. CODE DESCRIPTION QTY VALIDITY NOTES 36 4601C581A PROTECTION SHEATH 2 37 74141911A CLAMP 3
DRAWING 25A - FOOTRESTS, LEFT GROUP FRAME MONSTER USA /23 D19000023 Page 152 / 210 SPARE PARTS CATALOGUE 16/06/2022

70010491A

76411451A

77110191A

7791C591AA

77914181AA

77912061AB

79910241B

DRAWING 25A - FOOTRESTS, LEFT GROUP FRAME SPARE PARTS CATALOGUE 16/06/2022 Page 153 / 210 MONSTER USA /23 D19000023 POS. CODE DESCRIPTION QTY VALIDITY NOTES 1 55215491E Quick Shift 1 2 75811582AA FAIRLEAD 1 3 74750101A NUT 6MM 1 4 85210532A WASHER 8.2X20X1 1 5 84850021A BALL JOINT, RIGHT 1 6 45612372AA GEAR CONTROL LEVER 1 7 45623511AA GEARCHANGE LEVER 1 8 71210341A BUSH 1 9 46410971AA LEFT FOOTREST 2 10 85213661AA WASHER 2 11 70011161A DAMPER FOOTREST 1 12
DAMPER 2 13 74940041A NUT, SELF-LOCKING M6 2 14
COVER PEDAL 1 15 76510261A FOOT PEG RUBBER COVER L.H. 2 16 85211571A WASHER 12.2X25X1.5 2 17
SCREW TCEIF M6X20 1 18 77156688B SCREW TCEIF 3 19
SCREW, SPECIAL 1 20
SCREW, SPECIAL 1 21
SCREW 1 22
SPRING 1 23 79914991A SPRING. FOOTREST 1 24 82115101AA FOOTREST PIN 2 25 88641161A O-RING 2 26 82111701B PIN PEDAL 1 27 82414032AA L.H. FOOT PEG HOLDER PLATE 1 28 84740021A BALL 1 29 85210651B WASHER 10.2X31X1.5 2 30 88450441A CIRCLIP 2 31 74140381A CLAMP 1 32 69610261A SPRING RETAINER 1 33 92611021A PELLICOLA ADESIVA ANTIABRASIONE 1
DRAWING 25B - FOOTRESTS, RIGHT GROUP FRAME MONSTER USA /23 D19000023 Page 154 / 210 SPARE PARTS CATALOGUE 16/06/2022

79910241B

DRAWING 25B - FOOTRESTS, RIGHT GROUP FRAME SPARE PARTS CATALOGUE 16/06/2022 Page 155 / 210 MONSTER USA /23 D19000023 POS. CODE DESCRIPTION QTY VALIDITY NOTES 1 11713781AA ASTA RINVIO FRENO 1 2 45721162AA BRAKE LEVER ASSEMBLY 1 3 71210341A BUSH 1 4 46410961AA RIGHT FOOTREST 2 5 7791C511AA SCREW, SPECIAL 1 6 70011161A DAMPER FOOTREST 1 7 70010491A DAMPER 2 8 74750031A NUT 6MM 1 9 85211571A WASHER 12.2X25X1.5 2 10 88641161A O-RING 2 11 77350413B SCREW TCEIR M5X16 2 12 76510271A FOOT PEG RUBBER COVER R.H. 2 13 85210532A WASHER 8.2X20X1 1 14 82113811AA PIN 1 15 53920901A SWITCH, REAR BRAKE 1 16 88450441A CIRCLIP 2 17 7791C591AA SCREW, SPECIAL 1 18
SPRING 1 19 85213661AA WASHER 2 20 77914181AA SCREW, SPECIAL 2 21 79914991A SPRING. FOOTREST 1 22 79915511A SPRING 1 23 82115101AA FOOTREST PIN 2 24 8301L261BA PLATE 1 25 82111701B PIN PEDAL 1 26 69610261A SPRING RETAINER 1 27 74140381A CLAMP 1 28 82414041BA R.H. FOOT PEG HOLDER PLATE 1 For serial number before ZDM4M00AANB001265, order Brake Lever part no. 45711162AA in case of RH Footpeg Holder Plate replacement. 29 84740021A BALL 1 30 76412131A RUBBER PAD 1 31 77310021A SCREW TCEIR M6X25 2 32 8301L181AA BRACKET, REAR MASTER CYLINDER 1 33 18410241AA YOKE 1
DRAWING 25B - FOOTRESTS, RIGHT GROUP FRAME MONSTER USA /23 D19000023 Page 156 / 210 SPARE PARTS CATALOGUE 16/06/2022
DRAWING 25B - FOOTRESTS, RIGHT GROUP FRAME SPARE PARTS CATALOGUE 16/06/2022 Page 157 / 210 MONSTER USA /23 D19000023 POS. CODE DESCRIPTION QTY VALIDITY NOTES 34 74750051B NUT 1
DRAWING 26A - REAR MUDGUARD GROUP FRAME MONSTER USA /23 D19000023 Page 158 / 210 SPARE PARTS CATALOGUE 16/06/2022
DRAWING 26A - REAR MUDGUARD GROUP FRAME SPARE PARTS CATALOGUE 16/06/2022 Page 159 / 210 MONSTER USA /23 D19000023 POS. CODE DESCRIPTION QTY VALIDITY NOTES 1 56511392A REAR MUDGUARD 1 2 77211251B SCREW M5X9 3 3 44610541A MUDFLAP 1 4 77210841C SCREW 1 5 75840601A FAIRLEAD 2
DRAWING 27A - FRONT WHEEL [XCO:NMB,R] GROUP FRAME MONSTER USA /23 D19000023 Page 160 / 210 SPARE PARTS CATALOGUE 16/06/2022
DRAWING 27A - FRONT WHEEL [XCO:NMB,R] GROUP FRAME SPARE PARTS CATALOGUE 16/06/2022 Page 161 / 210 MONSTER USA /23 D19000023 POS. CODE DESCRIPTION QTY VALIDITY NOTES 1 49241011A FRONT BRAKE DISC 2 2 49720012A VALVE, TUBELESS TIRE 1 3 50122551AA FRONT WHEEL RIM 1 4 71413241AA INNER SPACER 1 5 93040521A SEAL RING 35X47.15X6.8 2 6 70250621A BEARING 2 7 504Z0381AA PHONIC WHEEL 1 8 72010513C SCREW 10 9 71311961A RIGHT SPACER 1 10 71311973A LEFT SPACER 1 11 74810651A NUT 1 12 81910602AA FRONT WHEEL SPINDLE 1 13 85212221A WASHER 1 14 4381E461AA TRANSFER 1 XCO:R 4381E461AB TRANSFER 1 XCO:NMB
DRAWING 27A - FRONT WHEEL [XCO:AG] GROUP FRAME MONSTER USA /23 D19000023 Page 162 / 210 SPARE PARTS CATALOGUE 16/06/2022
DRAWING 27A - FRONT WHEEL [XCO:AG] GROUP FRAME SPARE PARTS CATALOGUE 16/06/2022 Page 163 / 210 MONSTER USA /23 D19000023 POS. CODE DESCRIPTION QTY VALIDITY NOTES 1 49241011A FRONT BRAKE DISC 2 2 49720012A VALVE, TUBELESS TIRE 1 3 50122551AB FRONT WHEEL RIM 1 4 71413241AA INNER SPACER 1 5 93040521A SEAL RING 35X47.15X6.8 2 6 70250621A BEARING 2 7 504Z0381AA PHONIC WHEEL 1 8 72010513C SCREW 10 9 71311961A RIGHT SPACER 1 10 71311973A LEFT SPACER 1 11 74810651A NUT 1 12 81910602AA FRONT WHEEL SPINDLE 1 13 85212221A WASHER 1
DRAWING 28A - REAR WHEEL [XCO:NMB,R] GROUP FRAME MONSTER USA /23 D19000023 Page 164 / 210 SPARE PARTS CATALOGUE 16/06/2022
DRAWING 28A - REAR WHEEL [XCO:NMB,R] GROUP FRAME SPARE PARTS CATALOGUE 16/06/2022 Page 165 / 210 MONSTER USA /23 D19000023 POS. CODE DESCRIPTION QTY VALIDITY NOTES 1 49720071AC VALVE, TUBELESS TIRE 1 2 50222311AA REAR WHEEL RIM 1 3 4381E451AA TRANSFER 1 XCO:R 4381E451AB TRANSFER 1 XCO:NMB 4 70250621A BEARING 2 5 7131C551A INNER SPACER 1 6 50410061A REAR PHONIC WHEEL 1 7 77310071A SCREW 6 8 49240032A REAR BRAKE DISC 1 9 70010591A WHEEL RUNNER BUSH 5 10 82114741AA SPRING DRIVE FIXING BUSH 5 11 16022491A DRUM, SPROCKET MOUNTING ASSY 1 12 70240381A BEARING 2 13 71311841A INNER SPACER 1 14 88440061A CIRCLIP 1 15 7131A371AA SPACER 1 16 7131A811A OUTSIDE SPACER 1 17 74810461A NUT, FLANGE M10X1 5 18 49412131AA REAR SPROCKET T43 1
DRAWING 28A - REAR WHEEL [XCO:AG] GROUP FRAME MONSTER USA /23 D19000023 Page 166 / 210 SPARE PARTS CATALOGUE 16/06/2022
DRAWING 28A - REAR WHEEL [XCO:AG] GROUP FRAME SPARE PARTS CATALOGUE 16/06/2022 Page 167 / 210 MONSTER USA /23 D19000023 POS. CODE DESCRIPTION QTY VALIDITY NOTES 1 49720071AC VALVE, TUBELESS TIRE 1 2 50222311AB REAR WHEEL RIM 1 3 49412131AA REAR SPROCKET T43 1 4 70250621A BEARING 2 5 7131C551A INNER SPACER 1 6 50410061A REAR PHONIC WHEEL 1 7 77310071A SCREW 6 8 49240032A REAR BRAKE DISC 1 9 70010591A WHEEL RUNNER BUSH 5 10 82114741AA SPRING DRIVE FIXING BUSH 5 11 16022491A DRUM, SPROCKET MOUNTING ASSY 1 12 70240381A BEARING 2 13 71311841A INNER SPACER 1 14 88440061A CIRCLIP 1 15 7131A371AA SPACER 1 16 7131A811A OUTSIDE SPACER 1 17 74810461A NUT, FLANGE M10X1 5
DRAWING 29A - FUEL TANK GROUP FRAME MONSTER USA /23 D19000023 Page 168 / 210 SPARE PARTS CATALOGUE 16/06/2022
DRAWING 29A - FUEL TANK GROUP FRAME SPARE PARTS CATALOGUE 16/06/2022 Page 169 / 210 MONSTER USA /23 D19000023 POS. CODE DESCRIPTION QTY VALIDITY NOTES 1 58613044AA FUEL TANK 1 2 16024403B FUEL PUMP 1 3 85042242A DUAL LOCK 4 4 85041931A CLIP 8 5 79111111A GASKET 1 6 77244213B SCREW 6 7 77240483C SCREW 2 8 77240463C VITE TBEIF 2 9 77150457E SCREW M5X25 3 10 77150408B SCREW TCEI M5X14 1 11 76417651A RUBBER PAD 4 12 76414611A VIBRATION DAMPER PAD 2 13 76411861B SEAL 8.5X14X24 2 14 71616151AA SPACER 6.5X8.5X20.5 2 15 71616021BA SPACER 6.2X9X20 2 16 89520711A CAP SET, FUEL TANK 1 17 74141001A CLAMP 8.5/7 1 18 92610051A GUARD 1
DRAWING 30A - EXHAUST MANIFOLD GROUP FRAME MONSTER USA /23 D19000023 Page 170 / 210 SPARE PARTS CATALOGUE 16/06/2022
DRAWING 30A - EXHAUST MANIFOLD GROUP FRAME SPARE PARTS CATALOGUE 16/06/2022 Page 171 / 210 MONSTER USA /23 D19000023 POS. CODE DESCRIPTION QTY VALIDITY NOTES 1 46111121B HEAT GUARD VERTICAL 1 2 55214491B SENSOR LAMBDA SOND 2 3 57212121C PRESILENCER 1 4 79010151A GASKET, EXHAUST PIPE 4 5 575P0071A EXHAUST JOINT KIT 2 6 77244163B SCREW TBEI M5X10 1 7 57015182C HORIZONTAL EXHAUST PIPE 1 8 74810361A NUT 6 9 57115142A VERTICAL EXHAUST PIPE 1 10 4601L322A HEAT GUARD 1 11 76410241A VIBRATION DAMPER PAD 4 12 57610671A BRACKET, SILENCER 1 13 77156683B SCREW 3 14 77156688B SCREW TCEIF 3 15 8301I951AA BRACKET, MUFFLER SUPPORT 1 16 8301L102BA HEAT GUARD SUPPORT BRACKET 1 17 85040381A QUICK FASTENING 2 18 85211671B WASHER 1 19 76412101B RUBBER PAD 3 20 71011491A SPINDLE, TAPER 2 21 71610221BB SPACER 6.5X10X9.5 3 22 71614141A SPACER 6.25X10X5.75 2 23 77156623B SCREW TCEIF M6X10 8.8 1
DRAWING 30B - EXHAUST SILENCER GROUP FRAME MONSTER USA /23 D19000023 Page 172 / 210 SPARE PARTS CATALOGUE 16/06/2022
DRAWING 30B - EXHAUST SILENCER GROUP FRAME SPARE PARTS CATALOGUE 16/06/2022 Page 173 / 210 MONSTER USA /23 D19000023 POS. CODE DESCRIPTION QTY VALIDITY NOTES 1 4601I641B HEAT GUARD 1 2 85040551A QUICK FASTENING 3 3 57315072C SILENCER 1 4 71314361AB BUSH 1 5 76410011A DAMPER 2 6 77355068B SCREW TCEIR M8X35 1 7 74940321A NUT 1 8 77214411AA SCREW 3 9 77240608C SCREW 4 10 85212901A WASHER 1
DRAWING 30C - SECONDARY AIR SYSTEM GROUP FRAME MONSTER USA /23 D19000023 Page 174 / 210 SPARE PARTS CATALOGUE 16/06/2022
DRAWING 30C - SECONDARY AIR SYSTEM GROUP FRAME SPARE PARTS CATALOGUE 16/06/2022 Page 175 / 210 MONSTER USA /23 D19000023 POS. CODE DESCRIPTION QTY VALIDITY NOTES 1 74110121A CLAMP, RUBBER 62MM 1 2 74142401A CLAMP 2 3 75840801A CLAMP 1 4 76411621A RUBBER PAD 1 5 87611552A THERMOSTAT PUMP HOSE HORIZONTAL 1 6 87611542A THERMOSTAT PUMP HOSE VERTICAL 1 7 74142371A CLAMP 2 8 65540081A ACTUATOR 1
DRAWING 31A - SEAT GROUP FRAME MONSTER USA /23 D19000023 Page 176 / 210 SPARE PARTS CATALOGUE 16/06/2022

OWNER'S

OWNER'S MANUAL

OWNER'S MANUAL

BULGARIAN

BULGARIAN

CZECH REPUBLIC

OWNER'S MANUAL 1 DENMARK

OWNER'S MANUAL 1 GERMAN 91376281EL OWNER'S MANUAL 1 GREECE 91376281EN OWNER'S MANUAL 1 ENGLISH 91376281ES OWNER'S MANUAL 1 SPANISH 91376281FI OWNER'S MANUAL 1 FINLAND 91376281FR OWNER'S MANUAL 1 FRENCH 91376281HR OWNER'S MANUAL 1 CROATIA 91376281HU OWNER'S MANUAL 1 HUNGARY

91376281IT OWNER'S MANUAL 1 ITALY 91376281JA OWNER'S MANUAL 1 JAPAN 91376281KO OWNER'S MANUAL 1 KOREA 91376281MX OWNER'S MANUAL 1 MEXICO/ESP 91376281NL OWNER'S MANUAL 1 HOLLAND 91376281NO OWNER'S MANUAL 1 NORWAY 91376281PL OWNER'S MANUAL 1 POLAND

OWNER'S MANUAL 1 PORTUGUESE

DRAWING 31A - SEAT GROUP FRAME SPARE PARTS CATALOGUE 16/06/2022 Page 177 / 210 MONSTER USA /23 D19000023 POS. CODE DESCRIPTION QTY VALIDITY NOTES 1 59516821B BAND, SEAT 1 2 77210841BA SCREW 2 3 77214411AA SCREW 1 4 595P6811BA PILLION RIDER SEAT 1 5 595P6801CA SEAT 1 6 76410631B RUBBER PAD 2 7 86610301B RUBBER PAD 3 8 86612221A CUSHION, SEAT 4 9 69710151A 4 MM ALLEN WRENCH 1 10 69710161A 3 MM ALLEN WRENCH 1 11 69710391A BENT SCREWDRIVER 1 12 8301L111A BRACKET, SEAT 1 13 77214031A SCREW, SPECIAL 2 14 85211671B WASHER 2 15 91376281AR OWNER'S MANUAL 1 ARABIC 91376281BG
MANUAL 1
91376281CA
1
91376281CS
1
91376281DA
91376281DE
91376281PT
DRAWING 31A - SEAT GROUP FRAME MONSTER USA /23 D19000023 Page 178 / 210 SPARE PARTS CATALOGUE 16/06/2022

OWNER'S

DRAWING 31A - SEAT GROUP FRAME SPARE PARTS CATALOGUE 16/06/2022 Page 179 / 210 MONSTER USA /23 D19000023 POS. CODE DESCRIPTION QTY VALIDITY NOTES 91376281RO OWNER'S MANUAL 1 ROMANIA 91376281RU OWNER'S MANUAL 1 RUSSIAN 91376281SK
MANUAL 1 SLOVAK 91376281SL OWNER'S MANUAL 1 SLOVENIAN 91376281SV OWNER'S MANUAL 1 SWEDISH 91376281ZH OWNER'S MANUAL 1 TRADITIONAL CHINESE 91376331US OWNER'S MANUAL 1 USA
DRAWING 31B - LOCKER GROUP FRAME MONSTER USA /23 D19000023 Page 180 / 210 SPARE PARTS CATALOGUE 16/06/2022
DRAWING 31B - LOCKER GROUP FRAME SPARE PARTS CATALOGUE 16/06/2022 Page 181 / 210 MONSTER USA /23 D19000023 POS. CODE DESCRIPTION QTY VALIDITY NOTES 1 55910201A LOCKER 1 2 77214411AA SCREW 2 3 59920181A LOCK LATCH 1 4 77244183B SCREW 2 5 77240453C SCREW TBEIF M6X22 10.9 2 6 85041951AA QUICK FASTENING 5 7 85240171A WASHER 2 8 8301I962AB CROSS BAR 1 9 74810361A NUT 2 10 77240423C SCREW 4
DRAWING 32A - FRAME GROUP FRAME MONSTER USA /23 D19000023 Page 182 / 210 SPARE PARTS CATALOGUE 16/06/2022
DRAWING 32A - FRAME GROUP FRAME SPARE PARTS CATALOGUE 16/06/2022 Page 183 / 210 MONSTER USA /23 D19000023 POS. CODE DESCRIPTION QTY VALIDITY NOTES 1 47111851CA FRAME 1 2 86613271B PAD, FUEL TANK 1 3 86613261B PAD, FUEL TANK 1 4 77918291AA SCREW, SPECIAL 4 5 76417681A RUBBER PAD 1
DRAWING 32B - REAR FRAME COMP. GROUP FRAME MONSTER USA /23 D19000023 Page 184 / 210 SPARE PARTS CATALOGUE 16/06/2022
DRAWING 32B - REAR FRAME COMP. GROUP FRAME SPARE PARTS CATALOGUE 16/06/2022 Page 185 / 210 MONSTER USA /23 D19000023 POS. CODE DESCRIPTION QTY VALIDITY NOTES 1 46910422B REAR FRAME L.H. 1 2 4601L071B NET REAR RH 1 3 4601L061B NET REAR LH 1 4 46910432B REAR FRAME R.H. 1 5 46910443A CROSS BAR 1 6 85041811A REAR SPROCKET 4 7 8301I971AA CENTRAL CROSS BAR 1 8 7791A131AA PIN 1 9 77918301AB SCREW, SPECIAL 2 10 8301L341AA BRACKET 1 11 77240393C SCREW TBEIF M6X10 10.9 2 12 86613301B ADHESIVE PAD 2 13 8301I981BA CROSS BAR 1 14 85040381A QUICK FASTENING 1 15 77214031A SCREW, SPECIAL 4 16 85041951AA QUICK FASTENING 4 17 77240423C SCREW 4 18 74941118B NUT 6MM 4 19 74841011AA NUT, FLANGE 1 20 59820572A SEAT LOCK 1 21 75012192A NUT 1 22 83014401A BRACKET, SEAT LOCK 1 23 75840771A FAIRLEAD 2 24 75840951A CLAMP 2 25 75841041A CLIP 1
DRAWING 34A - AIR INTAKE - OIL BREATHER GROUP FRAME MONSTER USA /23 D19000023 Page 186 / 210 SPARE PARTS CATALOGUE 16/06/2022
DRAWING 34A - AIR INTAKE - OIL BREATHER GROUP FRAME SPARE PARTS CATALOGUE 16/06/2022 Page 187 / 210 MONSTER USA /23 D19000023 POS. CODE DESCRIPTION QTY VALIDITY NOTES 1 48612711B SOUNDPROOFING COVERING 1 2 44219672A COVER AIR BOX , UPPER 1 3 24716872A FILTER COVER UNIT 1 4 42610751A FILTER, AIR 1 5 44219664A COVER AIR BOX , UPPER 1 6 55240121A SENSOR, AIR TEMPERATURE 1 7 59018572A HOSE, DRAIN AIRBOX 1 8 74140651A FASCETTA 11-7 MM 1 9 74141911A CLAMP 1 10 74142801A CLAMP 1 11 76411851A BYPASS CAP 2 12 77440203C SCREW 14 13 78811041A GASKET, COOLING WATER SENSOR 1 14 87614081A HOSE, BLOW-BY 1 15 75841121A FAIRLEAD 1 16 77440213C SCREW 2 17 8301I891AA BRACKET 1 18 77440571A SCREW, TAPPING 12 19 77440228C SCREW 2
DRAWING 35A - THROTTLE BODY GROUP FRAME MONSTER USA /23 D19000023 Page 188 / 210 SPARE PARTS CATALOGUE 16/06/2022
DRAWING 35A - THROTTLE BODY GROUP FRAME SPARE PARTS CATALOGUE 16/06/2022 Page 189 / 210 MONSTER USA /23 D19000023 POS. CODE DESCRIPTION QTY VALIDITY NOTES 1 13510471A AIR FUNNEL 2 2 28040441A INJECTOR 2 3 28240932A THROTTLE BODY 1 4 59018861C COMPLETE PIPE SET 1 5 77156408B SCREW TCEIF M5X14 2 6 77214411BA SCREW, SPECIAL 4 7 77912741A SCREW TBEI M6X14 8 8 78811301A GASKET AIR FUNNEL 2 9 88642231A O-RING 2 10 74141871A CLAMP 60-80 MM 2 11 4601H512A PROTECTION SHEATH 1 12 85042131A CLIP 2
DRAWING 35B - CANISTER FILTER GROUP FRAME MONSTER USA /23 D19000023 Page 190 / 210 SPARE PARTS CATALOGUE 16/06/2022
DRAWING 35B - CANISTER FILTER GROUP FRAME SPARE PARTS CATALOGUE 16/06/2022 Page 191 / 210 MONSTER USA /23 D19000023 POS. CODE DESCRIPTION QTY VALIDITY NOTES 1 42610681A HOT AIR PIPE CANISTER 1 2 59014131A HOSE 2 3 93510891B HOSE 1 4 65540101A VALVE, BREATHER 1 5 70011291A VIBRATION DAMPER 1 6 74141711A CLAMP 10-7 MM 3 7 93511042A HOSE 1 8 74140651A FASCETTA 11-7 MM 4 9 74140631A CLAMP 2 10 74110551A CLAMP, RUBBER 39MM 1 11 81441041A THREE-WAYS UNION 1 12 93511051A HOSE 1 13 93510491A BREATHER PIPE 1
DRAWING 36B - FAIRING GROUP FRAME MONSTER USA /23 D19000023 Page 192 / 210 SPARE PARTS CATALOGUE 16/06/2022

77214411AA

85212181A

86613281A

77244183B

8291N241A

STICKER

STICKER

STICKER

BODY

DRAWING 36B - FAIRING GROUP FRAME SPARE PARTS CATALOGUE 16/06/2022 Page 193 / 210 MONSTER USA /23 D19000023 POS. CODE DESCRIPTION QTY VALIDITY NOTES 1 480PC262AA COVER ASSEMBLY 1 XCO:R 480PC262AB COVER ASSEMBLY 1 XCO:NMB 480PC262AC COVER ASSEMBLY 1 XCO:AG 2 4381E441AA RIGHT STICKER 1 XCO:R 4381E441AB RIGHT STICKER 1 XCO:NMB 4381E441AC RIGHT STICKER 1 XCO:AG 3 4801C282A TANK BODY PART 1 4
SCREW 12 5 75840871A CLAMP, WIRE 2 6
WASHER, NYLON 9X14X1 7 7
ADHESIVE PAD 4 8 480PC252AA COVER ASSEMBLY 1 XCO:R 480PC252AB COVER ASSEMBLY 1 XCO:NMB 480PC252AC COVER ASSEMBLY 1 XCO:AG 9 4381E431AA LEFT
1 XCO:R 4381E431AB LEFT
1 XCO:NMB 4381E431AC LEFT
1 XCO:AG 10 4801C272A TANK
PART 1 11
SCREW 2 12 85041951AA QUICK FASTENING 2 13
RETAINING U-BOLT 1 14 87211691A PLUG 1 15 87211701A PLUG, RH 1 16 4601L091A COVER, IGNITION SWITCH 1
DRAWING 36C - FAIRING GROUP FRAME MONSTER USA /23 D19000023 Page 194 / 210 SPARE PARTS CATALOGUE 16/06/2022
DRAWING 36C - FAIRING GROUP FRAME SPARE PARTS CATALOGUE 16/06/2022 Page 195 / 210 MONSTER USA /23 D19000023 POS. CODE DESCRIPTION QTY VALIDITY NOTES 1 48217001A UNDER-TAIL COVER 1 2 4381D251A ITA FLAG STICKER DUCATI LH 1 XCO:R 4381D251B ITA FLAG STICKER DUCATI LH 1 XCO:AG 4381D251C ITA FLAG STICKER DUCATI LH 1 XCO:NMB 3 48216981AB SIDE COVER, LEFT BLACK 1 XCO:NMB 482P6981AA COVER FRAME LH RED 1 XCO:R 482P6981AC BODY PANEL L.H. GREY 1 XCO:AG 4 4381D261A ITA FLAG STICKER DUCATI RH 1 XCO:R 4381D261B ITA FLAG STICKER RH 1 XCO:AG 4381D261C ITA FLAG STICKER DUCATI RH 1 XCO:NMB 5 48216991AB SIDE COVER, RIGHT BLACK 1 XCO:NMB 482P6991AA COVER FRAME RH RED 1 XCO:R 482P6991AC BODY PANEL R.H. GREY 1 XCO:AG 6 71616031AA SPACER 4 7 77210841B SCREW 2 8 77244183B SCREW 4 9 77244253C SCREW 4 10 85212181A WASHER, NYLON 9X14X1 2 11 85213111AA WASHER 4 12 86612101A PAD 1 13 4601L191A FRAME HEAT PROTECTION 1 14 4601L201A FRAME HEAT PROTECTION 1 15 77440251A SCREW 4 16 8301L211BA BRACKET 1 17 85213751AA WASHER 3 18 77240278C SCREW 3 19 76440561A RUBBER PAD 1 20 4601I682B PROTECTION, LEFT 1 21 46111241A HEAT GUARD 1 22 48217012A COVER 1 23 48217022A COVER 1 24 48612692B DAMPER, SOUND ARRESTER 1 25 48612701B DAMPER, SOUND ARRESTER 1 26 48612741A DAMPER, SOUND ARRESTER 1 27 86612791A RUBBER PAD 2
DRAWING 36C - FAIRING GROUP FRAME MONSTER USA /23 D19000023 Page 196 / 210 SPARE PARTS CATALOGUE 16/06/2022
DRAWING 36C - FAIRING GROUP FRAME SPARE PARTS CATALOGUE 16/06/2022 Page 197 / 210 MONSTER USA /23 D19000023 POS. CODE DESCRIPTION QTY VALIDITY NOTES 28 85041951AA QUICK FASTENING 5 29 8291J471B HOLDER WIRING 1 30 77211251A SCREW 1 31 77214411AA SCREW 6 32 77350403B SCREW 3 33 75811841A GENERATOR WIRING COVER 1 34 77240263C SCREW 2
DRAWING 37A - POSITIONING PLATES GROUP FRAME MONSTER USA /23 D19000023 Page 198 / 210 SPARE PARTS CATALOGUE 16/06/2022
DRAWING 37A - POSITIONING PLATES GROUP FRAME SPARE PARTS CATALOGUE 16/06/2022 Page 199 / 210 MONSTER USA /23 D19000023 POS. CODE DESCRIPTION QTY VALIDITY NOTES 1 43311661A LABEL WARNING MIRROR 2 2 43311641A LABEL WARNING FUEL TANK 1

CODE NO. TABLE POS.

027291090 09B 19

040009050 02A 21

040029126 02A 17

066549680 04A 2

069191030 12A 4

11210121AA 05A 8

11210121AA 05A 8

11210121AB 05A 8

11210121AB 05A 8

11210121AC 05A 8

11210121AC 05A 8

11210121AD 05A 8

11210121AD 05A 8

11210121AE 05A 8

11210121AE 05A 8

11210791A0 09B 10

11210791AA 09B 10

11210791AB 09B 10

11210791AC 09B 10

11210791AD 09B 10

11210791AE 09B 10

11713781AA 25B 1

11723691A 03B 16

120P3081AA 06A 5

120P3091AA 06A 10

12110781B 06A 3

12110791A 06A 2

12120822A 06A 4

12222392C 06A 1

13510471A 35A 1

14010951A 11B 14

14010961A 11A 14

14622162CA 05A 1

14622162CB 05A 1

14622162CC 05A 1

14622162CE 05A 1

14622167AA 05A 1

14622167AB 05A 1

14622167AC 05A 1

14710811A 07A 3

14710951B 09A 3

14824222A 11B 11

14824232A 11A 11

14825731A 11B 18

CODE NO. TABLE POS.

14825741A 11A 18

14911101A 03A 2

14911191A 03A 12

15021961B 03A 3

15021971A 03A 16 15310072B 21A 3

15620671CA 05A 5 15620671CB 05A 5

15620671CC 05A 5

15622261BA 05A 5 15622261BB 05A 5 15622261BC 05A 5 15622261BE 05A 5 16010941A 11A 10 16010941A 11B 10 16016371A 10A 13 16022491A 28A 11 16022491A 28A 11 16024403B 29A 2 17011751A 03B 17 17122421A 07A 13 17210021B 03A 10 17210081C 03A 22 17210103C 03A 20 17210113C 03A 23 17212182A 03A 18 17212192A 03A 13 17214621A 03A 21 17214951B 03A 8 17214961B 03A 5 17214971B 03A 9 173Z0021A 10A 14 17410621B 08A 1 17420591A 09A 4 176Z0021A 10A 10 18020511A 02A 6 180Z0031A 02A 11 180Z0041A 02A 12 18210781A 02A 8 18220772A 02A 9 18410241AA 25B 33 18710021A 19B 5 18710021A 19D 12 18710021A 21B 3

CODE NO. TABLE POS. 19020591A 03B 9 19410751A 03B 4 19510411D 21B 25 19540081B 21B 24 19611011A 03B 12 19611021A 03B 11 19820661A 03B 14 20810321A 11C 3 20810321A 11D 3 20910491A 11C 16 20910491A 11D 16 20910501A 11C 4 20910501A 11D 4 21010991A 11C 14 21010991A 11D 14 21110991A 11C 5 21110991A 11D 5 22032083A 09A 5 225P0061E 09A 1 24221551A5 04B 1 24321652B5 04A 1 24511862A 07A 1 24521071A 07A 21 24521852B 07A 2 24713571AO 04B 23 24714171A 11A 20 24714612A 09A 7 24714891A 11B 20 24716791AH 11B 6 24716801AH 11A 6 24716872A 34A 3 24716961A 14A 5 24717181A 13A 22 24725241BI 04B 4 25120131A 04B 7 25440013A 04A 3 25510104B 07A 18 25510193A 11A 7 25510193A 11B 7 26420501B 10A 12 27040107A 10A 1 27611211B 10A 16 28040441A 35A 2 28240932A 35A 3

CODE NO. TABLE POS.

28643501C 12C 12

30125852AA 11D 22

30125861AA 11C 22

30310631BB 11C 7

30310631BB 11D 7

30310631BC 11C 7

30310631BC 11D 7

30310631BD 11C 7

30310631BD 11D 7

30411001AB 11C 13

30411001AB 11D 13

30411001AC 11C 13

30411001AC 11D 13

30411011BB 11C 10

30411011BB 11D 10

30411011BC 11C 10

30411011BC 11D 10

34111801BA 17A 1

342P1191BA 17A 2

34421183A 17B 1 34521183A 17B 2

34913531A 17B 4

34913541A 17B 7

34913551A 17B 6

34913561A 17B 5

34913571A 17B 8

34913581A 17B 15

34913601A 17B 28

34913611A 17B 29

34913621A 17B 3

34913671A 17B 21

34913981A 17B 14

34913991A 17B 11

34914001A 17B 18

34914011A 17B 19

34914971A 17B 20

34914981A 17B 30

34914991A 17B 17

34921041A 17B 10

34921051A 17B 9

34923031A 17B 13

34923041A 17B 12

36012191AA 21A 1

36015901AA 17A 3

ALPHANUMERIC INDEX MONSTER USA /23 D19000023 Page 200 / 210 SPARE PARTS CATALOGUE 16/06/2022

CODE NO. TABLE POS.

36015911AA 17A 4

36015951AA 17A 5

36140161A 21A 7

36521973A 22A 2

36910081A 18A 1

37012493AA 18A 2

37311061BA 18A 16

38010221A 11A 30

38010221A 11B 30

38511561A 12B 17

38540093B 12D 3

38640591A 12D 17

38940071A 12A 7

38940191A 12A 7

38940201A 12A 7

38940211A 12A 7

38940221A 12A 7

38940231A 12B 10

38940261A 12A 7

39740081B 12B 12

40611881B 14A 7

42610681A 35B 1

42610751A 34A 4

43311641A 37A 2

43311661A 37A 1

43313912A 04A 16

43314991A 16A 8

43815821A 14A 6

4381D251A 36C 2

4381D251B 36C 2

4381D251C 36C 2

4381D261A 36C 4

4381D261B 36C 4

4381D261C 36C 4

4381E431AA 36B 9

4381E431AB 36B 9

4381E431AC 36B 9

4381E441AA 36B 2

4381E441AB 36B 2

4381E441AC 36B 2

4381E451AA 28A 3

4381E451AB 28A 3

4381E461AA 27A 14

4381E461AB 27A 14

CODE NO. TABLE POS.

44219664A 34A 5

44219672A 34A 2

44440039A 09B 3

44610541A 26A 3

44712411A 18A 5

44712421A 18A 6

44910821A 16A 1

45110462A 11A 23 45110462A 11B 23 45120311C 07A 4 45120321B 07A 9 45520192A 09A 8

45612372AA 25A 6 45623511AA 25A 7 45721162AA 25B 2 4601C581A 12C 28 4601C581A 24B 36 4601F281A 12A 12 4601H512A 24B 35 4601H512A 35A 11 4601H701A 12B 24 4601I641B 30B 1 4601I682B 36C 20 4601L061B 32B 3 4601L071B 32B 2 4601L082A 16A 2 4601L091A 36B 16 4601L191A 36C 13 4601L201A 36C 14 4601L261A 24A 18 4601L322A 30A 10 4601L861AA 12C 18 4601L981A 13A 23 46111121B 30A 1 46111241A 36C 21 46210021A 21A 13 46320222A 09A 10 46320537A 03A 14 46410961AA 25B 4 46410971AA 25A 9 46910422B 32B 1 46910432B 32B 4 46910443A 32B 5 47111851CA 32A 1

CODE NO. TABLE POS.

4801C272A 36B 10 4801C282A 36B 3 480PC252AA 36B 8 480PC252AB 36B 8 480PC252AC 36B 8 480PC262AA 36B 1 480PC262AB 36B 1 480PC262AC 36B 1

48216981AB 36C 3 48216991AB 36C 5 48217001A 36C 1 48217012A 36C 22 48217022A 36C 23 482P6981AA 36C 3 482P6981AC 36C 3 482P6991AA 36C 5 482P6991AC 36C 5 48412751A 24A 13 48612611A 04A 4 48612692B 36C 24 48612701B 36C 25 48612711B 34A 1 48612741A 36C 26 49040663A A 11 49040663A C 1 49040711A A 7 49040711A E 1 49041071A A 36 49041071A H 1 49041081A A 5 49041081A F 1

490P0002A A 15 490P0002A J 1 490P0003A A 16 490P0003A J 2 490P0004A A 17 490P0004A J 3 490P0019A A 44 490P0019A K 1 490P0022A A 45 490P0022A M 1 490P0029A A 46

490P0029A N 1 490P0030A A 26

CODE NO. TABLE POS.

490P0030A N 2

490P0044A A 31

490P0044A O 1

490P0248A A 32

490P0248A O 2

490P0272A A 23

490P0272A I 1

490P0297A A 38

490P0297A T 1

490P0298A A 39

490P0298A T 2

490P0301A A 34

490P0301A D 1

490P0314A A 1

490P0314A B 1

490P0314A I 3

490P0324A A 9

490P0324A S 1

490P0325A A 13

490P0325A P 1

490P0333A A 3

490P0333A V 1

49140851B A 12

49140851B C 2

49140951A A 8

49140951A E 2

49141271A A 14

49141271A P 2

49141601A A 6

49141601A F 2

491P0009A A 18

491P0009A J 4

491P0010A A 19

491P0010A J 5

491P0011A A 20

491P0011A J 6

491P0012A A 21

491P0012A J 7

491P0013A A 22

491P0013A J 8

491P0036A A 27

491P0036A N 3

491P0037A A 28

491P0037A N 4

ALPHANUMERIC INDEX SPARE PARTS CATALOGUE 16/06/2022 Page 201 / 210 MONSTER USA /23 D19000023

CODE NO. TABLE POS.

491P0038A A 29

491P0038A N 5

491P0039A A 30

491P0039A N 6

491P0045A A 33

491P0045A O 3

491P0070A A 25

491P0070A I 4

491P0323A A 24

491P0323A I 2

491P0334A A 40

491P0334A T 3

491P0335A A 41

491P0335A T 4

491P0336A A 42

491P0336A T 5

491P0337A A 43

491P0337A T 6

491P0343A A 37

491P0343A H 2

491P0355A A 35

491P0355A D 2

491P0387A A 10

491P0387A S 2

491P0403A A 4

491P0403A V 2

491P0415A A 2

491P0415A B 2

49240032A 28A 8

49240032A 28A 8

49241011A 27A 1

49241011A 27A 1

49412131AA 28A 18

49412131AA 28A 3

49720012A 27A 2

49720012A 27A 2

49720071AC 28A 1

49720071AC 28A 1

50122551AA 27A 3

50122551AB 27A 3

50222311AA 28A 2

50222311AB 28A 2

50410061A 28A 6

50410061A 28A 6

CODE NO. TABLE POS.

504Z0381AA 27A 7

504Z0381AA 27A 7

5101H921E 12A 1

5101I041A 12A 2

51310891D 12B 3

51411081C 12B 16

51411091C 12B 15 51610053D 12C 9

52010554A 13A 1

52310541A 21A 11 52310551A 21A 12 52510433D 13C 7

52510704A 13B 5 52910101A 20A 18 52910221A 17B 22 52910231A 20A 1 53010463B 13C 1 53010491A 13C 5 53910351A 15A 5 53920901A 25B 15 53940302A 09B 23 53941051A 21B 22 53941061A 19A 5 54040321A 12C 24 54140151A 12A 10 54241011A 19C 2 54812611B 24A 5 55010051B 24A 12 55212121B 17B 24 55212121B 19D 21 55214491B 30A 2 55215491E 25A 1 55240121A 12C 17 55240121A 34A 6 55241321C 09B 14 55243161B 12C 2 55243442A 11D 30 55243911A 02A 10 55243941A 04B 8 55340041A 24B 4 55611152AA 15A 3 55620681AA 15A 1 55910201A 31B 1 56113521B 20A 3

CODE NO. TABLE POS.

56113531A 20A 4 56113621A 20A 2 56113641BA 20A 5

564P6591AA 23A 1

564P6591AB 23A 1 564P6591AC 23A 1

56511392A 26A 1 57015182C 30A 7

57115142A 30A 9

57212121C 30A 3 57315072C 30B 3 575P0071A 30A 5 57610671A 30A 12 58511332A 24B 5 58540341A 19A 15 58540351A 19D 1 58540351A 21B 12 58613044AA 29A 1 59014131A 35B 2 59018572A 34A 7 59018861C 35A 4 59018872A 12C 5 59018882A 12C 6 59310601B 09A 11 59310801B 09A 59 59320641D 09A 9 59516821B 31A 1 595P6801CA 31A 5 595P6811BA 31A 4 59820572A 32B 20 59822461B 12D 14 59840541A 12D 16 59840551A 12D 15 59920181A 31B 3 61041292C 19B 2 61041302C 19B 1 61041991A 21B 27 61140421A 19D 3 61240052A 19B 8 61240052A 19D 10 61240052A 21B 4 61240081A 19D 20 61240161A 19D 19 61240391A 21B 23

CODE NO. TABLE POS.

61240511A 19B 10

61241241A 19A 3

61340951A 19D 4

61341021A 19B 11

61810871A 19B 4

61811702B 19C 4

61811712B 19C 3

61911682C 19C 5

61911692B 19C 6

62441351B 19A 1

62540201A 19D 5

62640561A 19A 7

62640561A 21B 20

62641081A 21B 18

62641121A 19A 8

63040941B 21B 1 63140081A 19A 6

63140161A 19D 18 63140281A 19A 11 63140281A 21B 19 63140541A 21B 21

63140601A 19A 2

63140631A 21B 2

63211101C 21B 6 65010271C 21A 8

65010283B 21A 8

65110281C 21A 10

65240371A 12D 12

65540081A 30C 8

65540101A 35B 4

66020093B 21A 6

66910011E 11C 6

66910011E 11D 6

67040451A 11A 29

67040451A 11B 29

67621321A 16A 9

67640962A 16A 3

67740201A 16A 4

68010131A 05A 10

68010131A 05A 10

68010131A 07A 16

68050061A 11A 12

68050061A 11B 12

68050101A 09A 17

ALPHANUMERIC INDEX MONSTER USA /23 D19000023 Page 202 / 210 SPARE PARTS CATALOGUE 16/06/2022

CODE NO. TABLE POS.

69610261A 25A 32

69610261A 25B 26

69710151A 31A 9

69710161A 31A 10

69710391A 31A 11

69926761A 12B 1

70010362A 09A 18

70010491A 25A 12

70010491A 25B 7

70010591A 28A 9

70010591A 28A 9

70011141A 17A 6

70011161A 25A 11

70011161A 25B 6

70011291A 35B 5

70140051A 03A 4

70140211A 03A 17

70140591A 10A 11

70140681A 09A 62

70240091A 04B 9

70240102A 04B 10

70240131A 09A 19

70240181B 10A 15

70240381A 28A 12

70240381A 28A 12

70240401B 09A 20

70241231A 17A 21

70242211A 09A 65

70242261A 09A 27

70250081A 04B 2

70250081A 09A 21

70250193A 09A 22

70250412A 09A 66

70250621A 27A 6

70250621A 27A 6

70250621A 28A 4

70250621A 28A 4

70250861A 03B 10

70310131A 17A 7

70350022A 11A 2

70350022A 11B 2

70350062A 07A 12

70450091A 08A 2

70450091A 09A 23

CODE NO. TABLE POS.

71011491A 30A 20

71011901A 13A 7

71015041A 21A 4

71110922A 04B 11

71110951A 09A 6

71111601A 09B 4

71112191A 06A 8

71112791A 21A 5

71113331AA 12D 10 71113742A 11A 33 71113742A 11B 32 71115491A 13A 6

71117802A 06A 11 71210341A 25A 8 71210341A 25B 3 71310141E 03A 11 71311281B 04B 12 71311841A 28A 13 71311841A 28A 13 71311961A 27A 9 71311961A 27A 9 71311973A 27A 10 71311973A 27A 10 71312661A 03A 15 71312921A 11C 9 71312921A 11D 9 71312921B 11C 25 71312921B 11D 26 71313931A 03A 1 71314361AB 30B 4 71314831B 03B 15 71314901A 17B 23 71314901A 19D 22 71316171A 21A 15 71319151A 02A 2 71319191A 10A 8 71319201A 17B 23 71319201A 19D 22

7131A371AA 28A 15

7131A371AA 28A 15 7131A811A 28A 16 7131A811A 28A 16 7131A923A 13C 4 7131C551A 28A 5

CODE NO. TABLE POS.

7131C551A 28A 5

71413241AA 27A 4

71413241AA 27A 4

71610031A 19C 9

71610061A 12B 9

71610221BB 30A 21

71610722A 07A 20

71611181AA 12C 26

71611281A 07A 17

71611521A 14A 2

71614011B 23A 2

71614102AB 12C 21 71614141A 30A 22 71614142B 13A 13 71614191A 12D 7 71614191A 24A 2 71615211AA 24B 19 71615541AA 14A 8 71616011AA 24A 4 71616021BA 29A 15 71616031AA 36C 6 71616041AA 12D 13 71616151AA 29A 14 71616161A 20A 9 71950418CF 04B 16 71950538C 02A 7 72010513C 27A 8 72010513C 27A 8 72050069E 04B 13 720941616 09A 24 735001542 02A 15 735033380 04B 3 735033380 09A 26 73740251B 07A 5 74110121A 12A 6 74110121A 20A 14

74110121A 30C 1 74110131A 12A 11 74110551A 12A 3 74110551A 35B 10 74140331A 17A 16 74140381A 12A 5 74140381A 20A 6 74140381A 24A 9

CODE NO. TABLE POS.

74140381A 25A 31

74140381A 25B 27

74140431A 24B 15

74140621A 18A 3

74140631A 24B 16

74140631A 35B 9

74140651A 24B 7

74140651A 34A 8

74140651A 35B 8

74141001A 29A 17

74141711A 12C 27

74141711A 35B 6

74141871A 35A 10

74141911A 24B 37

74141911A 34A 9

74142121A 24B 28

74142241A 19D 23

74142371A 30C 7

74142401A 30C 2

74142581A 24B 3

74142591A 24B 17

74142801A 34A 10

74142951A 19A 16

74142951A 19D 6

74142951A 21B 14

74710151A 09A 25

74750031A 25B 8

74750051B 25B 34

74750101A 25A 3

74810232B 18A 15

74810351B 19A 18

74810351B 21B 13

74810361A 30A 8

74810361A 31B 9

74810461A 28A 17

74810461A 28A 17

74810501A 11C 31

74810501A 11D 21

74810651A 27A 11

74810651A 27A 11

74840241AB 17A 10

74840341B 18A 9

74841011AA 32B 19

74910021A 12D 1

ALPHANUMERIC INDEX SPARE PARTS CATALOGUE 16/06/2022 Page 203 / 210 MONSTER USA /23 D19000023

CODE NO. TABLE POS.

74940041A 25A 13

74940081A 07A 7

74940321A 12C 8

74940321A 30B 7

74941113B 11A 24

74941113B 11B 24

74941113B 12C 25

74941118B 32B 18

74941128B 15A 8

74950011B 20A 7

75010071A 16A 6

75010121D 05A 11

75010121D 05A 11

75010781A 03B 7

75011131A 05A 6

75011131A 05A 6

75011251A 18A 17

75011601A 07A 15

75012192A 32B 21

75012341AA 12D 9

75050051A 10A 19

75810642A 17B 27

75811582AA 25A 2

75811841A 36C 33

75840601A 19C 17

75840601A 26A 5

75840611A 19C 1

75840641A 24B 10

75840721A 24B 27

75840771A 32B 23

75840801A 14A 11

75840801A 30C 3

75840871A 36B 5

75840951A 32B 24

75841041A 32B 25

75841091A 19C 15

75841101A 19C 16

75841121A 04B 29

75841121A 34A 15

76410011A 30B 5

76410241A 12B 21

76410241A 12D 6

76410241A 24A 7

76410241A 30A 11

CODE NO. TABLE POS.

76410291A 20A 8

76410631B 31A 6

76410641A 13A 14

76410641A 14A 9

76410641A 19C 14

76410901A 13B 3

76410971A 12C 16

76411141A 12C 22

76411361A 12B 11

76411361A 24A 3 76411451A 25A 14

76411621A 30C 4

76411851A 34A 11

76411861B 29A 13 76412101B 30A 19

76412131A 25B 30 76412421B 12D 18 76414191A 19A 12 76414191A 21B 8 76414611A 29A 12 76414651A 24A 17 76417651A 13B 4 76417651A 29A 11 76417681A 32A 5 76440561A 36C 19 76440572A 11C 8 76440572A 11D 8 76440581A 09B 24 76510261A 25A 15 76510271A 25B 12 76610551D 09B 2 76640191A 11A 25 76640191A 11B 25 77050413B 13A 19 77052508B 04B 14 77110191A 25A 17 77110391B 11A 15 77110391B 11B 15 77110391B 16A 5 77110401B 11A 31 77110401B 11B 31 77110431A 15A 2

77110521A 10A 6 77113691A 19D 11

CODE NO. TABLE POS.

77113691A 20A 10

77113731A 21A 14

77113741A 21A 9

77140653CC 09B 25

77140663CD 07A 6

77140677C 07A 23

77140677CF 10A 5

77140697CF 10A 7

77150078B 09A 12

77150408B 29A 10

77150443B 12C 20

77150443B 12D 8 77150457E 29A 9

77150653B 09A 29

77150670ZF 02A 3

77150723B 09B 11 77150743B 21A 2

77150758B 09A 30

77150808B 09B 8

77151250ZF 02A 1 77151363B 09B 6

77156398B 13C 6 77156408B 13A 16 77156408B 35A 5 77156413BA 13A 5 77156453B 14A 1 77156623B 30A 23

77156628B 12B 13 77156683B 30A 13 77156688B 25A 18 77156688B 30A 14 77157238B 19D 14 77157248C 17A 12 77157253B 17A 13 77157273B 17A 11

77159418B 17A 15

77210423C 17B 25 77210423C 19D 16

77210623B 11C 28

77210623B 11D 31 77210841B 13C 13

77210841B 36C 7

77210841BA 31A 2 77210841C 26A 4

CODE NO. TABLE POS.

77210842A 24B 6

77210893B 14A 10

77210893B 23A 3

77210971B 12B 8

77211061A 12A 9

77211251A 36C 30

77211251B 24A 19

77211251B 26A 2

77214031A 31A 13

77214031A 32B 15

77214061AA 14A 3

77214411AA 12B 4

77214411AA 13C 2

77214411AA 24A 11

77214411AA 30B 8

77214411AA 31A 3

77214411AA 31B 2

77214411AA 36B 4

77214411AA 36C 31

77214411BA 18A 7

77214411BA 35A 6

77215251A 03B 3

77240263C 36C 34

77240278C 36C 18

77240393C 32B 11

77240398C 19D 17

77240398CC 09A 67

77240403C 17A 14

77240403C 18A 4

77240403C 24B 32

77240423C 12D 5

77240423C 31B 10

77240423C 32B 17

77240443C 19C 13

77240453C 24B 9

77240453C 31B 5

77240458C 12C 19

77240463C 29A 8

77240483C 24A 1

77240483C 29A 7

77240593C 12C 11

77240608C 30B 9

77244163B 20A 11

77244163B 30A 6

ALPHANUMERIC INDEX MONSTER USA /23 D19000023 Page 204 / 210 SPARE PARTS CATALOGUE 16/06/2022

CODE NO. TABLE POS.

77244183B 04B 30

77244183B 12C 4

77244183B 13A 21

77244183B 31B 4

77244183B 36B 11

77244183B 36C 8

77244213B 29A 6

77244253C 36C 9

77244393BA 13A 15

77250341B 09A 13

77250341C 07A 22

77253300ZF 10A 3

77310021A 17B 16

77310021A 25B 31

77310071A 28A 7

77310071A 28A 7

77350403B 11A 19

77350403B 11B 19

77350403B 36C 32

77350413B 19C 12

77350413B 25B 11

77350618B 11C 20

77350658B 09A 31

77354623B 13C 8

77354893C 21B 26

77355068B 30B 6

77440041A 13B 1

77440101A 23A 4

77440101A 24A 14

77440111A 12B 22

77440203C 12B 18

77440203C 12C 15

77440203C 34A 12

77440213C 34A 16

77440228C 34A 19

77440251A 13A 8

77440251A 36C 15

77440571A 20A 12

77440571A 34A 18

77510311B 09A 32

77510721A 04A 5

77510741A 24A 16

77550211B 09B 7

77550213C 17B 26

CODE NO. TABLE POS.

77550353B 20A 15

77750493C 04B 26

77750508CC 10A 18

77850281A

17A 9

77910391A 09A 33

77910921A 19A 13

77910921A 21B 7

77911092A 05A 2

77911092A 05A 2

77911982A 09A 34 77912061AB 25A 21

77912741A 24B 8

77912741A 35A 7 77913662AB 19C 7 77913662AB 19D 7 77913662AB 21B 16

77913722AA 18A 14 77913971A 19B 7 77913971A 19D 15 77913971A 21B 5 77914045B 05A 9 77914045B 05A 9 77914151A 19A 9 77914181AA 25A 20 77914181AA 25B 20 77914211A 11C 23 77914211A 11D 23 77914651A 19B 6 77915041A 22A 1 77915093A 11A 3 77915093A 11B 3 77915111B 19B 3

77915471A 05A 4 77915471A 05A 4

77916041D 04A 15 77916041D 04B 27 77916041D 09B 18 77916081A 24A 8

77917241AA 15A 4 77918141A 11A 5 77918291AA 32A 4

77918301AB 32B 9

77919162AA 11C 33

77919881A 09A 2

CODE NO. TABLE POS.

7791A131AA 32B 8

7791C411AA 12D 11

7791C441A 07A 10

7791C451A 09B 21

7791C461A 09B 20

7791C511AA 25B 5

7791C591AA 25A 19

7791C591AA 25B 17

77927171B 09A 35

77941992A 04B 24

77942032A 04A 14

77942032A 04B 15

77950302A 11A 16

77950302A 11B 16

77950621A 09A 37

78010161B 05A 3

78010161B 05A 3

78010511E 11C 12 78010511E 11D 12 78010921A 09A 38 78010941B 09A 60

78011001A 04B 5 78011281A 04A 12 78611511A 06A 9 78611622B 06A 7 78710111A 09B 26 78810542A 10A 4 78810931A 11A 9 78810931A 11B 9 78811041A 34A 13 78811151A 09A 14 78811301A 35A 8 78811641C 21B 28 78811911A 11A 8 78811911A 11B 8 79010151A 30A 4 79111111A 29A 5 79120571C 06A 6

79710881A 03B 1

79910241B 25A 22 79910241B 25B 18 79910491D 09A 39 79912961A 02A 20 79914991A 25A 23

CODE NO. TABLE POS.

79914991A 25B 21

79915001A 11C 18

79915001A 11D 19

79915011A 11C 19

79915011A 11D 18

79915061A 02A 4

79915081A 15A 6

79915181B 11C 26

79915181B 11D 28

79915191B 11C 27

79915191B 11D 27

79915511A 25B 22

79915741B 09A 61

7991B661B 13A 17

79921602A 15A 7

79940171A 09A 40

800070139 01B 5

80011852B 24B 1

80012481B 24B 2

80018301B 24B 22

80018312A 24B 21

80018321B 24B 20

80018331B 24B 23

80018341A 24B 33

80018353A 24B 26

80018361A 24B 14

80810461A 18A 8

81110021A 09A 15

81140012B 11A 21

81140012B 11B 21

81411111C 11A 27

81411111C 11B 27

81411881A 11D 25

81413261B 11C 29

81413341A 11A 28

81413341A 11B 28

81420051A 11D 32

81441041A 35B 11

81446871A 24B 29

81510281A 09A 41

81810162A 03B 5

81910602AA 27A 12

81910602AA 27A 12

81910791AA 18A 12

ALPHANUMERIC INDEX SPARE PARTS CATALOGUE 16/06/2022 Page 205 / 210 MONSTER USA /23 D19000023

CODE NO. TABLE POS.

82111701B 25A 26

82111701B 25B 25

82112941A 11C 17

82112941A 11D 17

82112951A 11C 15

82112951A 11D 15

82113471A 10A 9

82113811AA 25B 14

82113881A 02A 13

82114632BB 15A 9

82114731A 02A 5

82114741AA 28A 10

82114741AA 28A 10

82115101AA 25A 24

82115101AA 25B 23

82120151A 02A 14

82414032AA 25A 27

82414041BA 25B 28

82510681AA 19D 13

82610261A 02A 16

82716031A 09A 16

82716091A 04B 17

82716351A 11A 22

82716351A 11B 22

82719021B 04A 6

82916531A 09B 27

8291B911BA 19A 10

8291B951BA 21B 9

8291D011A 12C 1

8291E041A 13A 4

8291J471B 36C 29

8291M701A 24B 11

8291M891A 12C 23

8291M941B 13A 18

8291N061A 14A 4

8291N181A 13C 9

8291N191A 13C 10

8291N201A 13C 11

8291N211A 13C 12

8291N241A 36B 13

8291N531A 19C 11

83014041B 24A 6

83014401A 32B 22

8301I771AA 12D 4

CODE NO. TABLE POS.

8301I812A 12C 7

8301I891AA 34A 17

8301I951AA 30A 15

8301I962AB 31B 8

8301I971AA 32B 7 8301I981BA 32B 13 8301L022AA 24B 34 8301L061C 13A 20 8301L071A 13A 9 8301L081A 13A 10 8301L091B 12B 6 8301L102BA 30A 16

8301L111A 31A 12 8301L121BA 12C 10 8301L181AA 25B 32 8301L211BA 36C 16 8301L261BA 25B 24 8301L341AA 32B 10 8301L671AA 20A 16 83110151B 09A 42 84010012A 11C 1 84010012A 11D 1 84010022A 11C 1 84010022A 11D 1 84010032A 11C 1 84010032A 11D 1 84010042A 11C 1 84010042A 11D 1 84010052A 11C 1 84010052A 11D 1 84010062A 11C 1 84010062A 11D 1 84010072A 11C 1 84010072A 11D 1 84010082A 11C 1 84010082A 11D 1 84010092A 11C 1 84010092A 11D 1 84010102A 11C 1 84010102A 11D 1 84010112A 11C 1 84010112A 11D 1 84010122A 11C 1 84010122A 11D 1

CODE NO. TABLE POS.

84010132A 11C 1

84010132A 11D 1

84010142A 11C 1 84010142A 11D 1 84010152A 11C 1

84010152A 11D 1 84010162A 11C 1 84010162A 11D 1

84010172A 11C 1 84010172A 11D 1 84010182A 11C 1 84010182A 11D 1 84010192A 11C 1 84010192A 11D 1 84010202A 11C 1 84010202A 11D 1 84010212A 11C 1 84010212A 11D 1 84010222A 11C 1 84010222A 11D 1 84010232A 11C 1 84010232A 11D 1 84010242A 11C 1 84010242A 11D 1 84010252A 11C 1 84010252A 11D 1 84010262A 11C 1 84010262A 11D 1 84010272A 11C 1 84010272A 11D 1 84010282A 11C 1 84010282A 11D 1 84010292A 11C 1 84010292A 11D 1 84010302A 11C 1 84010302A 11D 1 84010312A 11C 1 84010312A 11D 1 84010322A 11C 1 84010322A 11D 1 84010332A 11C 1 84010332A 11D 1 84010342A 11C 1 84010342A 11D 1

CODE NO. TABLE POS.

84010412B 11C 2

84010412B 11D 2

84010422B 11C 2

84010422B 11D 2

84010432B 11C 2

84010432B 11D 2

84010442B 11C 2

84010442B 11D 2

84010452B 11C 2

84010452B 11D 2

84010462B 11C 2

84010462B 11D 2

84010472B 11C 2

84010472B 11D 2

84010482B 11C 2

84010482B 11D 2 84010492B 11C 2

84010492B 11D 2 84010502B 11C 2

84010502B 11D 2 84010512B 11C 2

84010512B 11D 2

84010522B 11C 2

84010522B 11D 2

84010532B 11C 2

84010532B 11D 2

84010542B 11C 2

84010542B 11D 2

84010552B 11C 2

84010552B 11D 2

84010562B 11C 2

84010562B 11D 2

84010572B 11C 2

84010572B 11D 2

84010582B 11C 2

84010582B 11D 2

84010592B 11C 2

84010592B 11D 2

84010602B 11C 2

84010602B 11D 2

84010612B 11C 2

84010612B 11D 2

84010622B 11C 2

84010622B 11D 2

ALPHANUMERIC INDEX MONSTER USA /23 D19000023 Page 206 / 210 SPARE PARTS CATALOGUE 16/06/2022

CODE NO. TABLE POS.

84010632B 11C 2

84010632B 11D 2

84010642B 11C 2

84010642B 11D 2

84010652B 11C 2

84010652B 11D 2

84010662B 11C 2

84010662B 11D 2

84010672B 11C 2

84010672B 11D 2

84010682B 11C 2

84010682B 11D 2

84010692B 11C 2

84010692B 11D 2

84010702B 11C 2

84010702B 11D 2

84010712B 11C 2

84010712B 11D 2

84010722A 11C 1

84010722A 11D 1

84010722B 11C 2

84010722B 11D 2

84010732A 11C 1

84010732A 11D 1

84010732B 11C 2

84010732B 11D 2

84010742B 11C 2

84010742B 11D 2

84010752B 11C 2

84010752B 11D 2

84010762B 11C 2

84010762B 11D 2

84010772B 11C 2

84010772B 11D 2

84010782B 11C 2

84010782B 11D 2

84010792B 11C 2

84010792B 11D 2

84010802B 11C 2

84010802B 11D 2

84010812B 11C 2

84010812B 11D 2

84010822B 11C 2

84010822B 11D 2

CODE NO. TABLE POS.

84010832B 11C 2

84010832B 11D 2

84010842B 11C 2

84010842B 11D 2

84010852B 11C 2

84010852B 11D 2

84010862B 11C 2

84010862B 11D 2

84010872B 11C 2

84010872B 11D 2

84011082A 11C 1

84011082A 11D 1

84011092A

84011092A

11C 1

11D 1

84011102A 11C 1

84011102A 11D 1

84011112A 11C 1

84011112A 11D 1 84011122A 11C 1 84011122A 11D 1 84011132A 11C 1

84011132A 11D 1 84011142A 11C 1 84011142A 11D 1 84740021A 25A 28 84740021A 25B 29 84740061A 09A 43 84850021A 25A 5 85040381A 30A 17 85040381A 32B 14 85040521A 20A 19 85040551A 30B 2 85040671A 20A 13 85041121A 24B 30 85041711A 12B 23 85041811A 32B 6 85041931A 29A 4 85041951AA 12B 5 85041951AA 12C 3 85041951AA 13C 3 85041951AA 24A 10 85041951AA 24B 18 85041951AA 31B 6 85041951AA 32B 16

CODE NO. TABLE POS.

85041951AA 36B 12

85041951AA 36C 28

85042131A 35A 12

85042242A 29A 3

85110041A 16A 7

85110131A 07A 14

85110201B 03B 8

85140031A 05A 12

85140031A 05A 12

85210011B 18A 10

85210021B 18A 10

85210031B 18A 10

85210491B 17A 17

85210532A 09A 44 85210532A 25A 4 85210532A 25B 13 85210651B 25A 29

85211031AB 17A 18 85211201A 09A 45 85211571A 25A 16 85211571A 25B 9

85211671B 30A 18 85211671B 31A 14 85211721A 04B 18 85211761A 12D 2

85211951A 09B 28 85212181A 36B 6 85212181A 36C 10 85212221A 27A 13 85212221A 27A 13 85212641A 11A 32 85212641A 11B 5 85212691A 05A 7 85212691A 05A 7 85212901A 30B 10 85213002A 20A 17 85213021A 08A 3 85213021A 09A 46 85213111AA 36C 11 85213601A 04A 7 85213661AA 25A 10 85213661AA 25B 19 85213751AA 36C 17 85214082A 09A 28

CODE NO. TABLE POS.

85214791A 18A 13

85240171A 12B 19

85240171A 12C 14

85240171A 31B 7

85241711A 13B 2

85241711A 24A 15

85250051A 09B 5

85250231A 11A 26

85250231A 11B 26

85250231A 11C 21

85250231A 11D 20

85250241A 04A 13

85250241A 19A 4

85250241A 19B 9

85250241A 19C 8

85250241A 19D 8 85250241A 21B 17

85250261B 11C 11 85250261B 11D 11

85250401A 17A 19

85250421A 09A 47

85250421A 09B 22

85250481A 04B 19

85250631A 04B 6

85250871A 04B 31

85310021A 07A 8 85310031A 09B 13

85340021A 13A 3

85350101A 10A 20

85350101A 12B 14

85550001B 12A 8

85610623A 07A 19

85610642A 11C 32

85610642A 11D 29

85610743A 11A 4

85610743A 11B 4

85610751A 10A 2

85611231A 03A 19

85611261A 03A 6

85611391B 03B 2

85611481A 09A 48

85611911A 03B 13

85640141A 09A 51

86010051B 09B 12

ALPHANUMERIC INDEX SPARE PARTS CATALOGUE 16/06/2022 Page 207 / 210 MONSTER USA /23 D19000023

CODE NO. TABLE POS.

86050061A 09A 49

86050061A 11C 24

86050061A 11D 24

86610301B 12B 7

86610301B 31A 7

86610361A 13A 11

86611001B 24B 31

86611861A 19C 10

86612101A 36C 12

86612111A 13A 12

86612221A 31A 8

86612791A 36C 27

86613081A 12C 13

86613101B 13A 2

86613111A 12B 2

86613122A 12B 20

86613261B 32A 3

86613271B 32A 2

86613281A 36B 7

86613301B 32B 12

86613341A 13A 25

87211681A 12A 13

87211691A 36B 14

87211701A 36B 15

87240561A 19A 19

87240561A 21B 29

87240921A 24A 20

87310051A 11A 13

87310051A 11B 13

87310371A 09B 16

87511461B 09A 50

87611542A 30C 6

87611552A 30C 5

87614081A 34A 14

87711572A 09B 29

88110121A 02A 18

88110341A 10A 17

88111281A 24B 24

88210031A 07A 11

88210141A 03A 7

88440061A 28A 14

88440061A 28A 14

88440071A 18A 11

88440531A 09A 63

CODE NO. TABLE POS.

88450341B 02A 19

88450371A 08A 4

88450371A 09A 52

88450431A 04B 20

88450441A 25A 30

88450441A 25B 16 88450711A 04A 8 88610241A 09B 15

88610951A 04B 28 88640331A 09A 53 88640641A 20A 20 88641031A 11C 30 88641161A 25A 25 88641161A 25B 10 88641321A 09B 9 88641731A 03B 6 88641961A 09A 36 88642231A 35A 9 88642301A 04A 10 88650131A 09A 54 88650511A 11A 1 88650511A 11B 1 887005644 01A 10 887130022 01A 25 887130031 01A 14 887130137 01A 1 887131010 01B 2 887131058 01B 7 887131059 01B 6 887131062 01B 3 887131074 01B 4 887131309 01A 15 887131749 01A 22 887131806 01A 16 887131821 01A 19 887131832 01B 9 887131994 01A 4 887132011 01A 17 887132103 01A 3 887132442 01A 9 887132651 01A 11 887132676 01A 2 887132695 01A 24 887132870 01A 13

CODE NO. TABLE POS.

887132877 01A 12

887132906

01A 6

CODE NO. TABLE POS.

91376281SV 31A 15

91376281ZH 31A 15

91376331US 31A 15

92610051A 29A 18

01A 21

887133219 01A 8 887133220 01B 1 887133334

887133367 01A 20

887134411 01A 23 887134488 01B 8

887651298 01A 18 887651623 01A 7 887651635 01A 5 89310143A 24B 12 89320062A 09A 55 89320191A 04A 9 89340241A 19D 2 89340241A 21B 11 89340251A 19A 14 89420121F 09B 17 89520711A 29A 16 91376281AR 31A 15 91376281BG 31A 15 91376281CA 31A 15 91376281CS 31A 15 91376281DA 31A 15 91376281DE 31A 15 91376281EL 31A 15 91376281EN 31A 15 91376281ES 31A 15 91376281FI 31A 15 91376281FR 31A 15 91376281HR 31A 15 91376281HU 31A 15 91376281IT 31A 15 91376281JA 31A 15 91376281KO 31A 15 91376281MX 31A 15 91376281NL 31A 15 91376281NO 31A 15 91376281PL 31A 15 91376281PT 31A 15 91376281RO 31A 15 91376281RU 31A 15 91376281SK 31A 15 91376281SL 31A 15

92610321A 13A 24

92611021A 25A 33

93010041B 17A 20

93040211A 04A 11

93040221A 09A 56

93040521A 27A 5

93040521A 27A 5

93040932A 09A 57

93041271A 09A 64

93041631B 09A 58

93042691A 04B 25

93050051A 04B 21

93050062B 04B 22

93050072A 11A 17

93050072A 11B 17

93310601A 19D 9

93310611A 19A 17

93310711A 21B 15

93410201A 24B 13

93410471A 24B 25

93510491A 35B 13

93510891B 35B 3

93511042A 35B 7

93511051A 35B 12

942470014 09B 1

944650035 L 1

944650037 L 2

979000253 01C 2

979000279 01C 1

979000281 01C 6

979000282 01C 3

979000283 01C 4

979000284 01C 5

ALPHANUMERIC INDEX MONSTER USA /23 D19000023 Page 208 / 210 SPARE PARTS CATALOGUE 16/06/2022
Ducati Motor Holding S.p.A. Uffici Commerciali Amministrativi: Via A. Cavalieri Ducati n. 3 40132 Bologna, Italy Telefono 051 6413111 Fax 051 406580 Internet www.ducati.com

Turn static files into dynamic content formats.

Create a flipbook
Issuu converts static files into: digital portfolios, online yearbooks, online catalogs, digital photo albums and more. Sign up and create your flipbook.