Ducati Omaha 2024 OEM Ducati Diavel V4 Parts Diagram Parts Fiche

Page 1

D38000024

Model Year 2024
Chassis prefix: Cylinder capacity: 1158
en-US
SPARE PARTS CATALOGUE
DIAVEL

The present spare parts order exactly the right spare parts.

When ordering specify:

1. the part's code number followed by its description and quantity needed;

2. the motorcycle's serial number, stamped on the steering head.

Reference to right and left apply to the vehicle in terms of its direction of move-ment.

Spare parts drawings are general and do not represent the part.

The contents of this catalogue are general and can undergo changes without prior notice.

CHARACTERISTICS LEGENDA

GENERAL INFORMATION SPARE PARTS CATALOGUE 20/01/2024 Page 3 / 174 /24 D38000024
CHARACTERISTIC CODE CHARACTERISTIC DESCRIPTION VALUE CODE VALUE DESCRIPTION DFR DFR N NO MOD MODEL DVLV4 Diavel V4 PLT PLANT DB10 DMH XCO MAIN CLR R Ducati Red XCO MAIN CLR THB THRILLING BLACK XCR FR/W COL CBB CARB. BLACK FRAME,BLACK WHEELS XPO OPTIONS STD MOTO STANDARD XST STD CNTY CAL VERSIONE CALIFORNIA XST STD CNTY CDN VERSIONE CANADA

R Ducati Red (D38000224) DVLV4 24 CAL R CBB STD DMH (D38000624) DVLV4 24 CDN R CBB STD DMH THB THRILLING BLACK (D38001224) DVLV4 24 CAL THB CBB STD DMH (D38001624) DVLV4 24 CDN THB CBB STD DMH

COLOURS /24 D38000024 Page 4 / 174 SPARE PARTS CATALOGUE 20/01/2024
COLOUR COLOUR CODE COLOUR DESCRIPTION FINISHED PRODUCTS
INDEX SPARE PARTS CATALOGUE 20/01/2024 Page 5 / 174 /24 D38000024 General information.................................................................................................................................................................................................................................................................................... 3 Colours.........................................................................................................................................................................................................................................................................................................4 Group ELECTRIC 8 Drawing 12A - VEHICLE ELECTRIC SYSTEM........................................................................................................................................................................................................................................... 8 Drawing 12B - BATTERY HOLDER........................................................................................................................................................................................................................................................ 10 Drawing 12C - ELECTRICAL DEVICES................................................................................................................................................................................................................................................... 12 Drawing 12D - ELECTRICAL DEVICES................................................................................................................................................................................................................................................... 14 Drawing 12F - ENGINE ELECTRIC SYSTEM 16 Drawing 12G - ELECTRICAL DEVICES................................................................................................................................................................................................................................................... 18 Drawing 13A - HEADLIGHT.................................................................................................................................................................................................................................................................. 20 Drawing 13B - TAILLIGHT.....................................................................................................................................................................................................................................................................22 Drawing 13C - TURN INDICATORS....................................................................................................................................................................................................................................................... 24 Drawing 14A - INSTRUMENT PANEL....................................................................................................................................................................................................................................................26 Group OIL.................................................................................................................................................................................................................................................................................................. 28 Drawing L - SHELL ADVANCE...............................................................................................................................................................................................................................................................28 Group ENGINE........................................................................................................................................................................................................................................................................................... 30 Drawing 02A - SHIFT CAM - FORK...................................................................................................................................................................................................................................................... 30 Drawing 03A - GEAR BOX....................................................................................................................................................................................................................................................................32 Drawing 03B - CLUTCH........................................................................................................................................................................................................................................................................ 34 Drawing 04A - CLUTCH COVER............................................................................................................................................................................................................................................................36 Drawing 04B - GENERATOR COVER.....................................................................................................................................................................................................................................................40 Drawing 04C - OIL PAN 42 Drawing 05A - CONNECTING RODS.....................................................................................................................................................................................................................................................44 Drawing 06A - CYLINDERS - PISTONS..................................................................................................................................................................................................................................................46 Drawing 06B - WATER PUMP.............................................................................................................................................................................................................................................................. 48 Drawing 07A - TIMING SYSTEM.......................................................................................................................................................................................................................................................... 50 Drawing 08A - OIL PUMP 52 Drawing 09A - HALF-CRANKCASES PAIR..............................................................................................................................................................................................................................................54 Drawing 09B - HALF-CRANKCASES PAIR.............................................................................................................................................................................................................................................. 58
INDEX /24 D38000024 Page 6 / 174 SPARE PARTS CATALOGUE 20/01/2024 Drawing 10A - ELECTRIC STARTING AND IGNITION............................................................................................................................................................................................................................ 60 Drawing 11A - FRONT HEAD - TIMING SYSTEM................................................................................................................................................................................................................................. 62 Drawing 11B - REAR HEAD - TIMING SYSTEM.................................................................................................................................................................................................................................... 64 Drawing 11C - FRONT HEAD............................................................................................................................................................................................................................................................... 66 Drawing 11D - REAR HEAD..................................................................................................................................................................................................................................................................70 Group TOOLS 74 Drawing 01A - WORKSHOP SERVICE TOOLS (ENGINE)....................................................................................................................................................................................................................... 74 Drawing 01B - WORKSHOP SERVICE TOOLS (FRAME)........................................................................................................................................................................................................................ 76 Drawing 01C - CHECK INTRUMENT DDS............................................................................................................................................................................................................................................. 78 Drawing 01D - WORKSHOP SERVICE TOOLS....................................................................................................................................................................................................................................... 80 Group TYRES 82 Drawing A - TYRES...............................................................................................................................................................................................................................................................................82 Drawing B - ORIGINAL EQUIPMENT TYRES......................................................................................................................................................................................................................................... 84 Drawing C - PIRELLI DIABLOâ„¢ ROSSO II..............................................................................................................................................................................................................................................86 Group FRAME............................................................................................................................................................................................................................................................................................ 88 Drawing 15A - STAND..........................................................................................................................................................................................................................................................................88 Drawing 16A - FRONT SPROCKET - CHAIN..........................................................................................................................................................................................................................................90 Drawing 17A - STEERING ASSEMBLY................................................................................................................................................................................................................................................... 92 Drawing 17B - FRONT FORK................................................................................................................................................................................................................................................................94 Drawing 18A - REAR SWINGING ARM.................................................................................................................................................................................................................................................96 Drawing 19A - FRONT BRAKE PUMP...................................................................................................................................................................................................................................................98 Drawing 19B - FRONT BRAKE SYSTEM.............................................................................................................................................................................................................................................. 100 Drawing 19C - BRAKING SYSTEM ABS...............................................................................................................................................................................................................................................102 Drawing 19D - REAR BRAKE SYSTEM................................................................................................................................................................................................................................................ 104 Drawing 20A - PLATE HOLDER 106 Drawing 21A - HANDLEBAR...............................................................................................................................................................................................................................................................108 Drawing 21B - CLUTCH CONTROL..................................................................................................................................................................................................................................................... 110 Drawing 22A - REAR SHOCK ABSORBER........................................................................................................................................................................................................................................... 112 Drawing 23A - FRONT MUDGUARD.................................................................................................................................................................................................................................................. 114 Drawing 24A - WATER COOLER 116
INDEX SPARE PARTS CATALOGUE 20/01/2024 Page 7 / 174 /24 D38000024 Drawing 24B - COOLING CIRCUIT......................................................................................................................................................................................................................................................118 Drawing 25A - FOOTRESTS, LEFT.......................................................................................................................................................................................................................................................120 Drawing 25B - FOOTRESTS, RIGHT.................................................................................................................................................................................................................................................... 122 Drawing 26A - REAR MUDGUARD.....................................................................................................................................................................................................................................................124 Drawing 27A - FRONT WHEEL...........................................................................................................................................................................................................................................................126 Drawing 28A - REAR WHEEL 128 Drawing 28B - REAR WHEEL SPINDLE...............................................................................................................................................................................................................................................130 Drawing 29A - FUEL TANK.................................................................................................................................................................................................................................................................132 Drawing 30B - EXHAUST SILENCER....................................................................................................................................................................................................................................................134 Drawing 30C - SECONDARY AIR SYSTEM...........................................................................................................................................................................................................................................136 Drawing 30D - ELECTRIC MOTOR, EXHAUST VALVE 138 Drawing 31A - SEAT........................................................................................................................................................................................................................................................................... 140 Drawing 32A - FRAME....................................................................................................................................................................................................................................................................... 144 Drawing 32B - REAR FRAME COMP...................................................................................................................................................................................................................................................146 Drawing 32C - LOCKER...................................................................................................................................................................................................................................................................... 148 Drawing 33A - OIL COOLER............................................................................................................................................................................................................................................................... 150 Drawing 34A - AIR INTAKE - OIL BREATHER......................................................................................................................................................................................................................................152 Drawing 35A - THROTTLE BODY........................................................................................................................................................................................................................................................154 Drawing 35B - CANISTER FILTER........................................................................................................................................................................................................................................................156 Drawing 36B - FAIRING......................................................................................................................................................................................................................................................................158 Drawing 36C - FAIRING......................................................................................................................................................................................................................................................................160 Drawing 36D - FAIRING..................................................................................................................................................................................................................................................................... 162 Alphanumeric index.................................................................................................................................................................................................................................................................................164
DRAWING 12A - VEHICLE ELECTRIC SYSTEM GROUP ELECTRIC /24 D38000024 Page 8 / 174 SPARE PARTS CATALOGUE 20/01/2024
12A - VEHICLE ELECTRIC SYSTEM
ELECTRIC SPARE PARTS CATALOGUE 20/01/2024 Page 9 / 174 /24 D38000024 POS. CODE DESCRIPTION QTY VALIDITY NOTES 1 069191030 CLAMP 11 2 5101I231D MAIN WIRING HARNESS 1 3 5101I261C REAR WIRING 1 4 74140381A CLAMP 4 5 87211681A CAP DDA 1 6 5101M431A 1 7 38940191A FUSE 5A 1 38940201A FUSE 10A 1 38940211A FUSE 15A 1 38940221A FUSE 20A 1 38940241A FUSE 7,5A 1 38940251A FUSE 30A 1 38940261A FUSE 25A 1 8 38940351A FUSE 50A 1 9 5101L171A ELECTRIC WIRING 1 10 54140151A RELAY 3 11 74142941A CLAMP 1 12 87210641A CAP, CONNECTOR 1 13 38620061A 2 14 38620071A 2 15 38620081A 2
DRAWING
GROUP
DRAWING 12B - BATTERY HOLDER GROUP ELECTRIC /24 D38000024 Page 10 / 174 SPARE PARTS CATALOGUE 20/01/2024
HOLDER
ELECTRIC SPARE PARTS CATALOGUE 20/01/2024 Page 11 / 174 /24 D38000024 POS. CODE DESCRIPTION QTY VALIDITY NOTES 1 69926751A BATTERY 1 2 75910451A BAND BATTERY 1 3 8291P361A BATTERY HOLDER 1 4 76410901A RUBBER PAD 4 5 85241711A WASHER 4 6 77440171A SCREW, TAPPING 4 7 77156628B SCREW TCEIF M6X10 2 8 85350101A WASHER, SPRING 2 9 77211061A SCREW TEF M6X14 1 10 85550001B SPRING WASHER 1 11 86612241A RUBBER PAD 6 12 51310941C CABLE 1 13 51310931B BATTERY - ENGINE GROUNDING CABLE 1 14 51411101C SOLENOID STARTER - STARTER MOTOR CABLE 1 15 39740081B STARTER RELAY 1 16 74841101AA NUT 6MM 1
DRAWING 12B - BATTERY
GROUP
DRAWING 12C - ELECTRICAL DEVICES GROUP ELECTRIC /24 D38000024 Page 12 / 174 SPARE PARTS CATALOGUE 20/01/2024
ELECTRICAL DEVICES
ELECTRIC SPARE PARTS CATALOGUE 20/01/2024 Page 13 / 174 /24 D38000024 POS. CODE DESCRIPTION QTY VALIDITY NOTES 1 28643751C ENGINE CONTROL UNIT 1 2 70011071A VIBRATION DAMPER HOLDER 1 3 76412441A VIBRATION DAMPER PAD 4 4 85040381A QUICK FASTENING 7 5 55243731C SENSOR, PRESSURE 4 6 8291P272B RIGHT HOLDER 1 7 77251058B SCREW TEF M6X30 6 8 85211671B WASHER 6,2x20x1,5 6 9 76410241A VIBRATION DAMPER PAD 6 10 71610061A SPACER 6 11 8291P262B LEFT HOLDER 1 12 54040331A VOLTAGE REGULATOR 1 13 77244373B SCREW 2 14 38540093B PIATTAFORMA INERZIALE 1 15 77244203B SCREW 2 16 38511575A BLACKBOX UNIT 1 17 70011061A VIBRATION DAMPER HOLDER 1 18 85041951AA QUICK FASTENING 2 19 77244173B SCREW TBEI M5X12 2 20 8301M531AA BRACKET BLACKBOX 1 21 75841041A CLIP 2 22 86610301A PAD 1 23 75841031A CLAMP 2
DRAWING 12C -
GROUP
DRAWING 12D - ELECTRICAL DEVICES GROUP ELECTRIC /24 D38000024 Page 14 / 174 SPARE PARTS CATALOGUE 20/01/2024
12D - ELECTRICAL DEVICES GROUP ELECTRIC SPARE PARTS CATALOGUE 20/01/2024 Page 15 / 174 /24 D38000024 POS. CODE DESCRIPTION QTY VALIDITY NOTES 1 59821971R KIT HANDS FREE 434 MHZ 1 2 59822631A LOCK KIT 1 4 59810371C 1 5 86020011A KIT SPINE 1 6 7791C971AA SCREW, SPECIAL 2 7 59840511A INSERT 1 8 59840521A INSERT 1 9 7131E911AA SPACER 2 10 4601L831A COVER 1 11 75812001A FAIRLEAD 1 12 59822591A LOCKS KIT 1
DRAWING
DRAWING 12F - ENGINE ELECTRIC SYSTEM GROUP ELECTRIC /24 D38000024 Page 16 / 174 SPARE PARTS CATALOGUE 20/01/2024
DRAWING 12F - ENGINE ELECTRIC SYSTEM GROUP ELECTRIC SPARE PARTS CATALOGUE 20/01/2024 Page 17 / 174 /24 D38000024 POS. CODE DESCRIPTION QTY VALIDITY NOTES 1 5101I241D WIRING 1 2 75011211A NUT 1 3 85310031A SPRING WASHER 6 MM 1
DRAWING 12G - ELECTRICAL DEVICES GROUP ELECTRIC /24 D38000024 Page 18 / 174 SPARE PARTS CATALOGUE 20/01/2024
12G - ELECTRICAL DEVICES
ELECTRIC SPARE PARTS CATALOGUE 20/01/2024 Page 19 / 174 /24 D38000024 POS. CODE DESCRIPTION QTY VALIDITY NOTES 1 38641001A 1 2 18410252A 1 3 24717442A PLUG 1 4 77440183C SCREW 2 5 24717451A COVER 1 6 77156643B SCREW TCEIF M6X14 8.8 2 7 86613601A RUBBER PAD 1 8 86613611A RUBBER PAD 1 9 38512226A CENTRALINA BLUETOOTH 1 10 51840341B ANTENNA IMMOBILIZER 1 11 55219421B SENSOR, SPEED 1 12 55219441D SENSOR, SPEED 1 13 77110401B SCREW 2 14 71314901A GASKET TH.02 4 71319201A GASKET 0.5 MM 10 15 75810642A FAIRLEAD 1 16 77550213C SCREW TBEI M6X16 2 17 75841091A FEMALE CABLE RING 1 18 75841101A MALE CABLE RING 1
DRAWING
GROUP
DRAWING 13A - HEADLIGHT GROUP ELECTRIC /24 D38000024 Page 20 / 174 SPARE PARTS CATALOGUE 20/01/2024
GROUP ELECTRIC SPARE PARTS CATALOGUE 20/01/2024 Page 21 / 174 /24 D38000024 POS. CODE DESCRIPTION QTY VALIDITY NOTES 1 52010591C HEADLIGHT 1 2 24717461AA 1 XCO:R 24717461AB 1 XCO:THB 3 8301M161AA 1 4 77150648B SCREW TCEI M6X14 2 5 76410641A VIBRATION DAMPER PAD 5 6 70010481B DAMPER M6X12 2 7 85550001B SPRING WASHER 2 8 71610111AB SPACER 2 9 85250291A WASHER 2 10 74841101AA NUT 6MM 2 11 92610051A GUARD 1
DRAWING 13A - HEADLIGHT
DRAWING 13B - TAILLIGHT GROUP ELECTRIC /24 D38000024 Page 22 / 174 SPARE PARTS CATALOGUE 20/01/2024
13B - TAILLIGHT GROUP ELECTRIC SPARE PARTS CATALOGUE 20/01/2024 Page 23 / 174 /24 D38000024 POS. CODE DESCRIPTION QTY VALIDITY NOTES 1 52510743B TAILLIGHT 1 2 76412041A RUBBER PAD 4 3 85211961B WASHER 6.4X25X1.5 4 4 77244163B SCREW TBEI M5X10 4 5 85250071A WASHER 4
DRAWING
DRAWING 13C - TURN INDICATORS GROUP ELECTRIC /24 D38000024 Page 24 / 174 SPARE PARTS CATALOGUE 20/01/2024
13C - TURN INDICATORS GROUP ELECTRIC SPARE PARTS CATALOGUE 20/01/2024 Page 25 / 174 /24 D38000024 POS. CODE DESCRIPTION QTY VALIDITY NOTES 1 53010571C TURN INDICATOR FRONT L.H. 1 2 53010581C TURN INDICATOR FRONT R.H. 1 3 77113691C SCREW 2 4 53010382A FLASHER RIGHT 1 5 53010392A FLASHER LEFT 1
DRAWING
DRAWING 14A - INSTRUMENT PANEL GROUP ELECTRIC /24 D38000024 Page 26 / 174 SPARE PARTS CATALOGUE 20/01/2024
14A - INSTRUMENT PANEL
ELECTRIC SPARE PARTS CATALOGUE 20/01/2024 Page 27 / 174 /24 D38000024 POS. CODE DESCRIPTION QTY VALIDITY NOTES 1 40611905A INSTRUMENT PANEL 1 2 8291P581A SUPPORTO CRUSCOTTO 1 3 76417741A RUBBER PAD 3 4 77244203B SCREW 3 5 71616481AA SPACER 3
DRAWING
GROUP
DRAWING L - SHELL ADVANCE GROUP OIL /24 D38000024 Page 28 / 174 SPARE PARTS CATALOGUE 20/01/2024
L - SHELL ADVANCE GROUP OIL SPARE PARTS CATALOGUE 20/01/2024 Page 29 / 174 /24 D38000024 POS. CODE DESCRIPTION QTY VALIDITY NOTES 1 944650035 SHELL ADVANCE DUCATI 15W50 - 1L BOTTLE 1 2 944650037 SHELL ADVANCE DUCATI 15W50 – 209L DRUM 1
DRAWING
DRAWING 02A - SHIFT CAM - FORK GROUP ENGINE /24 D38000024 Page 30 / 174 SPARE PARTS CATALOGUE 20/01/2024
DRAWING 02A - SHIFT CAM - FORK
ENGINE SPARE PARTS CATALOGUE 20/01/2024 Page 31 / 174 /24 D38000024 POS. CODE DESCRIPTION QTY VALIDITY NOTES 1 18010472A 5TH,6TH GEAR SELECTOR FORK 1 2 18010482A 1TH,4TH GEAR SELECTOR FORK 1 3 18010492A 2TH,3TH GEAR SELECTOR FORK 1 4 18120071A GEAR CHANGE MECHANISM 1 5 71611571C SPACER 1 6 71611581C SPACER 1 7 79915131C SPRING 1 8 79915141D SPRING 1 9 88450311A STOP RING 1 10 88450361A CIRCLIP 1 11 182P0011A COMPLETE GEARBOX DRUM 1 12 18220721A GEARBOX DRUM FLANGE ASSEMBLY 1 13 55243931A GEARBOX POSITION SENSOR 1 14 70250412A BALL BEARING 1 15 88450391B SPRING RING 1 16 77151298B SCREW TCEI M8X40 1 17 82118261A PIN 2 18 85213981A WASHER 1
GROUP
DRAWING 03A - GEAR BOX GROUP ENGINE /24 D38000024 Page 32 / 174 SPARE PARTS CATALOGUE 20/01/2024
DRAWING 03A - GEAR BOX GROUP ENGINE SPARE PARTS CATALOGUE 20/01/2024 Page 33 / 174 /24 D38000024 POS. CODE DESCRIPTION QTY VALIDITY NOTES 1 14912603A DRIVEN SHAFT 1 2 14912541A MAIN SHAFT 13T 1 3 17216051A 1 4 17216061A GEAR DRIVE 5TH SPEED T23 1 5 17216071A DRIVING GEAR 6TH SPEED T25 1 6 17216031A DRIVEN GEAR 1ST SPEED T40 1 7 17216081A DRIVEN GEAR 2ND SPEED T36 1 8 17216091A 1 9 17216101A 1 10 17216111A 1 11 17216121A 1 12 17216041A 1 13 70140311A NEEDLE BEARING 1 14 70140321A NEEDLE BEARING 4 15 70140331A NEEDLE BEARING 1 16 71210631A BUSH 1 17 85213291A THRUST WASHER 2 18 85213311A THRUST WASHER 2 19 85214141A THRUST WASHER 1 20 85611372A WASHER LOCK 28X32.5X1 2 21 85611491A GROOVED WASHER 3 22 88440731A SPRING RING 2 23 88440741A SPRING RING 4 24 88440751A CIRCLIP 1 25 70241761A NEEDLE BEARING 1 26 70241781A BEARING, NEEDLE 1 27 710P0021A BEARING 1 28 71012021B PLATE 1 29 77253314CF SCREW 3 30 88640042A O-RING 1 31 713P0021A CHAIN SPROCKET SPACER 1 32 68050101A KEY 2X2X10 1 33 15022391A 1 34 15022463A 1
DRAWING 03B - CLUTCH GROUP ENGINE /24 D38000024 Page 34 / 174 SPARE PARTS CATALOGUE 20/01/2024
03B - CLUTCH
ENGINE SPARE PARTS CATALOGUE 20/01/2024 Page 35 / 174 /24 D38000024 POS. CODE DESCRIPTION QTY VALIDITY NOTES 1 11711771A ROD 1 2 17021611B IDLE GEAR 1 3 19020521A CLUTCH DISC SET 1 4 19410511A RING 1 5 19610711A DISK, CLUTCH PRESSURE 1 6 19610721A PLATE HOLDER HUB 1 7 19820502A PRIMARY DRIVEN GEAR COMP. 1 8 70250601A BEARING 1 9 71313091A SPACER 1 10 71316011B SPACER 1 11 77211201A SCREW 3 12 79710731A SPRING 3 13 85611391B THRUST WASHER 3 14 44910732B SPROCKET 1 15 71240331A BUSH 1 16 75010072E NUT 1 17 7791C031A SCREW, SPECIAL 1 18 81810162A CLUTCH CONTROL PIN 1 19 85110201A LOCK WASHER 1 20 85214051B THRUST WASHER 1 21 88111152B INNER RING 1 22 17011661B PRIMARY DRIVE FRONT SPROCKET 1 23 79912781A SPRING WASHER "FCC" 1 24 19010421A SPACER TH. 1,2 1
DRAWING
GROUP
DRAWING 04A - CLUTCH COVER GROUP ENGINE /24 D38000024 Page 36 / 174 SPARE PARTS CATALOGUE 20/01/2024
DRAWING 04A - CLUTCH COVER GROUP ENGINE SPARE PARTS CATALOGUE 20/01/2024 Page 37 / 174 /24 D38000024 POS. CODE DESCRIPTION QTY VALIDITY NOTES 1 77941992A SCREW 11 2 48612281A PERIMETER SOUNDDEADENING PANEL 1 3 48612261A DAMPER, SOUND ARRESTER 1 4 82718913A SHEET ACOUSTIC DAMPER 1 5 77550200CC SCREW 26 6 85611551A WASHER 2 7 78010921A PLUG 1 8 22032083A ALUMINIUM GASKET 1 9 76412121A VIBRATION DAMPER PAD 2 10 7791B491A SCREW, SPECIAL 1 11 88640331A O-RING 17.96X2.62 2 12 82718933A PERIMETER SOUNDDEADENING METAL SHEET 1 13 55241321C SENSOR, TIMING & RPM 1 14 82718923A SHEET ACOUSTIC DAMPER 1 15 85310031A SPRING WASHER 6 MM 1 16 77253304C SCREW 1 17 88650321A O-RING 1 18 243P0035BS CLUTCH SIDE COVER 1 19 89320121A PLUG ASSY 1 20 88640891A O-RING 18.64X3.53 1 21 77942002A SCREW 2 22 88642721A O-RING 1 23 66810591A FILLER 1 24 93042231A SEAL RING 1 25 88450291A SNAP RING 1 26 85212721A THRUST WASHER 1 27 93041521A SEAL RING 1 28 82718944A LAMIERA FONOASSORBENTE CENTRALE 1 29 85250241A WASHER 10X14X1 1 30 48612272A DAMPER, SOUND ARRESTER 1 31 48612293A DAMPER, SOUND ARRESTER 1 32 43312502C TRANSFER 1 33 78011281A PLUG, THREADED M10X1 1 34 25440014A WINDOW, OIL LEVEL CHECK 1 35 7791A751B SCREW, SPECIAL 1
DRAWING 04A - CLUTCH COVER GROUP ENGINE /24 D38000024 Page 38 / 174 SPARE PARTS CATALOGUE 20/01/2024
DRAWING 04A - CLUTCH COVER GROUP ENGINE SPARE PARTS CATALOGUE 20/01/2024 Page 39 / 174 /24 D38000024 POS. CODE DESCRIPTION QTY VALIDITY NOTES 36 82718991A SHEET ACOUSTIC DAMPER 1 37 48612551A DAMPER, SOUND ARRESTER 1 38 7791C483AA SCREW, SPECIAL M6X20 5
DRAWING 04B - GENERATOR COVER GROUP ENGINE /24 D38000024 Page 40 / 174 SPARE PARTS CATALOGUE 20/01/2024
DRAWING 04B - GENERATOR COVER GROUP ENGINE SPARE PARTS CATALOGUE 20/01/2024 Page 41 / 174 /24 D38000024 POS. CODE DESCRIPTION QTY VALIDITY NOTES 1 71950370CF SCREW 3 2 82716091A PLATE 1 3 24211141BS GENERATOR COVER 1 4 7791C042A SCREW, SPECIAL 1 5 77941992A SCREW 9 6 24735581AS COVER, SENSOR 1 7 88610951A O-RING 32.99X2.62 1 8 77750494C SCREW 2 9 7791C483AA SCREW, SPECIAL M6X20 2
DRAWING 04C - OIL PAN GROUP ENGINE /24 D38000024 Page 42 / 174 SPARE PARTS CATALOGUE 20/01/2024
04C - OIL PAN GROUP ENGINE SPARE PARTS CATALOGUE 20/01/2024 Page 43 / 174 /24 D38000024 POS. CODE DESCRIPTION QTY VALIDITY NOTES 1 247P5863A COVER, OIL ELEMENT 1 2 88650761A O-RING 2 3 25210261BI OIL PAN 1 4 44440312B FILTER, OIL 1 5 77253314CF SCREW 3 6 85250541A WASHER 1 7 89310153A OIL DRAIN PLUG WITH MAGNET 1 8 77917161B SCREW, SPECIAL 4 9 77941992A SCREW 8 10 77942002A SCREW 2 11 78611692A GASKET 1 12 7791B851BA SCREW, SPECIAL 1
DRAWING
DRAWING 05A - CONNECTING RODS GROUP ENGINE /24 D38000024 Page 44 / 174 SPARE PARTS CATALOGUE 20/01/2024
05A - CONNECTING RODS
SPARE PARTS CATALOGUE 20/01/2024 Page 45 / 174 /24 D38000024 POS. CODE DESCRIPTION QTY VALIDITY NOTES 1 11210991AB 8 11210991AC HALF-BEARING GREEN 8 11210991AD PURPLE BEARING SHELLS 8 2 14622712AA CRANKSHAFT 1 14622712AB CRANKSHAFT 1 14622712AC CRANKSHAFT 1 14622712AD CRANKSHAFT 1 3 77915471A THREADED DOWEL STEI M8X8 1 4 15621191EA CONNECTING ROD 1 15621191EB CONNECTING ROD 1 15621191EC CONNECTING ROD 1 15621191ED CONNECTING ROD 1 5 7791A571A SCREW, SPECIAL 4 6 50410271B PHONIC WHEEL 1 7 74811021B NUT, FLANGE 1 8 85214071B WASHER 1
DRAWING
GROUP ENGINE
DRAWING 06A - CYLINDERS - PISTONS GROUP ENGINE /24 D38000024 Page 46 / 174 SPARE PARTS CATALOGUE 20/01/2024
- CYLINDERS - PISTONS
SPARE PARTS CATALOGUE 20/01/2024 Page 47 / 174 /24 D38000024 POS. CODE DESCRIPTION QTY VALIDITY NOTES 1 12120832A PISTON RING SET 4 2 12222471E PISTON ASSY 4 3 12113861B PISTON PIN 4 4 12113721B RING 8
DRAWING 06A
GROUP ENGINE
DRAWING 06B - WATER PUMP GROUP ENGINE /24 D38000024 Page 48 / 174 SPARE PARTS CATALOGUE 20/01/2024
06B - WATER PUMP GROUP ENGINE SPARE PARTS CATALOGUE 20/01/2024 Page 49 / 174 /24 D38000024 POS. CODE DESCRIPTION QTY VALIDITY NOTES 1 17410851C PUMP GEAR 1 2 24920511K COMPLETE WATER PUMP 1 3 85214421A WASHER 1 4 77941992A SCREW 6 5 7791B121A SCREW, SPECIAL 1 6 88441031A SPRING RING 1 7 25110101A FAN 1
DRAWING
DRAWING 07A - TIMING SYSTEM GROUP ENGINE /24 D38000024 Page 50 / 174 SPARE PARTS CATALOGUE 20/01/2024
DRAWING 07A - TIMING SYSTEM GROUP ENGINE SPARE PARTS CATALOGUE 20/01/2024 Page 51 / 174 /24 D38000024 POS. CODE DESCRIPTION QTY VALIDITY NOTES 1 44740112A COMPLETE FIXED TENSIONER ROLLER 2 2 44740122A COMPLETE MOVABLE TENSIONER ROLLER 2 3 45140021C COMPLETE TENSIONER ROLLER 2 4 73840052A CHAIN 1 5 73840062A CHAIN 1 6 82115621B PIN 4 7 88642081A O-RING 8
DRAWING 08A - OIL PUMP GROUP ENGINE /24 D38000024 Page 52 / 174 SPARE PARTS CATALOGUE 20/01/2024
DRAWING 08A - OIL PUMP GROUP ENGINE SPARE PARTS CATALOGUE 20/01/2024 Page 53 / 174 /24 D38000024 POS. CODE DESCRIPTION QTY VALIDITY NOTES 1 249Z0012A OIL PUMP 1 2 44910741A REAR SPROCKET T37 1 3 58520151B OIL/GAS SEPARATOR 1 4 67641142A CHAIN 1 5 71850338C SCREW 1 6 77156423B SCREW 1 7 77253290ZF SCREW 1 8 77253304CF SCREW 2 9 77253364CF SCREW 2 10 77916041DA SCREW, SPECIAL 1 11 85214421A WASHER 1 12 88640541A O-RING 1 13 88642651A O-RING 1 14 89420203A STRAINER, OIL 1
DRAWING 09A - HALF-CRANKCASES PAIR GROUP ENGINE /24 D38000024 Page 54 / 174 SPARE PARTS CATALOGUE 20/01/2024
09A - HALF-CRANKCASES PAIR
SPARE PARTS CATALOGUE 20/01/2024 Page 55 / 174 /24 D38000024 POS. CODE DESCRIPTION QTY VALIDITY NOTES 1 225P0223AI ASSIEME CARTER COMPLETO 1 2 71112191A PIN DOWEL 3 3 7791A651A SCREW 2 4 7791A631A SCREW 2 5 74840481B NUT 1 6 7791A661A SCREW 4 7 76611231A STUD BOLT 1 8 85651691B WASHER 4 9 77251344C SCREW 6 10 7791C361A SCREW 2 11 77251364C SCREW 1 12 77251404C SCREW 1 13 77251324CF SCREW 2 14 85212771A WASHER 1 15 93040932A OIL SEAL 1 93041592A SEAL RING 1 16 45520172A GEAR STOPPER LEVER ASSEMBLY 1 17 55243181A DETECTOR 2 18 66810581B FILLER 1 19 70140111B BEARING, NEEDLE 2 20 70241801A NEEDLE BUSH 1 21 70241901A BEARING, NEEDLE 1 22 71115051E BUSH 1 23 74710151B NUT 1 24 88650751A O-RING 2 25 77510314B SCREW 2 26 88642791A O-RING 1 27 77916241A SCREW, SPECIAL 1 28 7791A381A SCREW, SPECIAL 1 29 77927172B SCREW 1 30 88641961A O-RING 1 31 78010871B PLUG 1 32 79915101C SPRING 1 33 79940121A SPRING 1 34 81417151B UNION 1
DRAWING
GROUP ENGINE
DRAWING 09A - HALF-CRANKCASES PAIR GROUP ENGINE /24 D38000024 Page 56 / 174 SPARE PARTS CATALOGUE 20/01/2024
HALF-CRANKCASES
SPARE PARTS CATALOGUE 20/01/2024 Page 57 / 174 /24 D38000024 POS. CODE DESCRIPTION QTY VALIDITY NOTES 35 82010141A STARTER REDUCTION SHAFT 1 36 83110151A PLATE 1 37 84740061A BALL 1 38 85212661A WASHER 2 39 85640141A WASHER 1 40 86040071A PIN 2 41 86050341A PIN 1 42 87512492B JET 2
DRAWING 09A -
PAIR GROUP ENGINE
DRAWING 09B - HALF-CRANKCASES PAIR GROUP ENGINE /24 D38000024 Page 58 / 174 SPARE PARTS CATALOGUE 20/01/2024
SPARE PARTS CATALOGUE 20/01/2024 Page 59 / 174 /24 D38000024 POS. CODE DESCRIPTION QTY VALIDITY NOTES 1 11210942AA HALF-BEARING RED 3 11210942AB HALF-BEARING BLUE 3 11210942AC HALF-BEARING YELLOW 3 11210942AD HALF-BEARING BLACK 3 11210942AE HALF-BEARING GREEN 3 2 11210952AA HALF-BEARING RED 3 11210952AB HALF-BEARING BLUE 3 11210952AC HALF-BEARING YELLOW 3 11210952AD HALF-BEARING BLACK 3 11210952AE HALF-BEARING GREEN 3 3 42710241A OIL NET FILTER 2 4 55243942B GEARBOX POSITION SENSOR 1 5 88650831A O-RING 1 6 7111E551A LOCAT. DOWEL 10 7 735034405 SNAP RING 1 8 77156209E SCREW 2 9 77240393C SCREW TBEIF M6X10 10.9 2 10 85250871A WASHER 2 11 78010511C PLUG 1 12 78611541B GASKET, CYLINDER HEAD 1 13 78611551B GASKET, CYLINDER HEAD 1 14 93041591A SEAL RING 1 15 93042221A SEAL RING 1 16 85212661A WASHER 2 17 71116941A BUSH 4 18 77251344C SCREW 3 19 77253354C SCREW 4 20 8271H851A 1 21 93410611A HOSE, DRAIN 1 22 74141001A CLAMP 8.5/7 1 23 87211842A PLUG 2
DRAWING 09B - HALF-CRANKCASES PAIR GROUP ENGINE
DRAWING 10A - ELECTRIC STARTING AND IGNITION GROUP ENGINE /24 D38000024 Page 60 / 174 SPARE PARTS CATALOGUE 20/01/2024
10A - ELECTRIC STARTING AND IGNITION
ENGINE SPARE PARTS CATALOGUE 20/01/2024 Page 61 / 174 /24 D38000024 POS. CODE DESCRIPTION QTY VALIDITY NOTES 1 16016931A FLANGE STARTING CLUTCH 1 2 70140471A CLUTCH, ONE WAY 1 3 74811021B NUT, FLANGE 1 4 77253300ZF SCREW 8 5 85214071B WASHER 1 6 17320331C DRIVEN GEAR 1 7 17610281A IDLE GEAR 1 8 27040193A STARTING MOTOR 1 9 88643151A O RING 1 10 77253334CF SCREW 2 11 85212651A WASHER 1 12 74142441A CLAMP 2 13 71316102A SPACER 1 14 26420591A GENERATOR 1 15 4601F472A THERMOREFLECTING PROTECTION 1
DRAWING
GROUP
DRAWING 11A - FRONT HEAD - TIMING SYSTEM GROUP ENGINE /24 D38000024 Page 62 / 174 SPARE PARTS CATALOGUE 20/01/2024
11A - FRONT HEAD - TIMING SYSTEM
ENGINE SPARE PARTS CATALOGUE 20/01/2024 Page 63 / 174 /24 D38000024 POS. CODE DESCRIPTION QTY VALIDITY NOTES 1 77250744BA SCREW 2 2 24715791A COVER 1 3 17112222B GEAR T39 2 4 14816531A FRONT INTAKE CAMSHAFT 1 5 77253384C SCREW 2 6 77253280Z SCREW 3 7 17112211A IDLE GEAR 1 8 14816541A FRONT EXHAUST CAMSHAFT 1 9 85250231A GASKET 2 10 81411113B NIPPLE, HOSE 2 11 85611621A PLATE 2 12 76640191A STUD BOLT M6X16 6 13 71113742A BUSH 2 14 78811622B GASKET 1 15 7791A621B SCREW 6 16 85651691B WASHER 6 17 88650741A O-RING 6 18 8291G311C GUIDE 2 19 78811612A GASKET 2 20 77253300ZF SCREW 3 21 24715882AI COVER 1 22 76412121A VIBRATION DAMPER PAD 4 23 85611551A WASHER 4 24 7791A751B SCREW, SPECIAL 4 25 38010211D IGNITION COIL ASSY 2 26 85212641A WASHER 6.4X12.5X1.6 2 27 77110401B SCREW 2 28 82718441A PLATE 2 29 81140021A REED VALVE ASSY 1 30 67040581B SPARK PLUG 2
DRAWING
GROUP
DRAWING 11B - REAR HEAD - TIMING SYSTEM GROUP ENGINE /24 D38000024 Page 64 / 174 SPARE PARTS CATALOGUE 20/01/2024
DRAWING 11B - REAR HEAD - TIMING SYSTEM GROUP ENGINE SPARE PARTS CATALOGUE 20/01/2024 Page 65 / 174 /24 D38000024 POS. CODE DESCRIPTION QTY VALIDITY NOTES 1 77250744BA SCREW 2 2 24715791A COVER 1 3 14816521A REAR EXHAUST CAMSHAFT 1 4 14816511A REAR INTAKE CAMSHAFT 1 5 77253384C SCREW 2 6 77253280Z SCREW 3 7 17112211A IDLE GEAR 1 8 17112222B GEAR T39 2 9 85250231A GASKET 2 10 81411113B NIPPLE, HOSE 2 11 85611621A PLATE 2 12 76640191A STUD BOLT M6X16 6 13 71113742A BUSH 2 14 78811602B GASKET 1 15 7791A621B SCREW 6 16 85651691B WASHER 6 17 88650741A O-RING 4 18 8291G311C GUIDE 2 19 78811612A GASKET 2 20 77253300ZF SCREW 3 21 24715873AI COVER 1 22 76412121A VIBRATION DAMPER PAD 4 23 85611551A WASHER 4 24 7791A751B SCREW, SPECIAL 4 25 38010211D IGNITION COIL ASSY 2 26 85212641A WASHER 6.4X12.5X1.6 2 27 77110401B SCREW 2 28 82718441A PLATE 2 29 81140021A REED VALVE ASSY 1 30 67040581B SPARK PLUG 2
DRAWING 11C - FRONT HEAD GROUP ENGINE /24 D38000024 Page 66 / 174 SPARE PARTS CATALOGUE 20/01/2024
11C - FRONT HEAD GROUP ENGINE SPARE PARTS CATALOGUE 20/01/2024 Page 67 / 174 /24 D38000024 POS. CODE DESCRIPTION QTY VALIDITY NOTES 1 20810521A ARM 8 2 21011221D INTAKE VALVE 4 3 21111222B EXHAUST VALVE 4 4 30125443DR FRONT HEAD 1 5 303A0841B VALVE GUIDE 8 6 304A1131A SEAT, INTAKE VALVE 4 7 304A1141A SEAT, EXHAUST VALVE 4 8 77253350Z SCREW 12 9 86050061A PIN M5X10 6 10 66810591A FILLER 1 11 76440091B SEAL VALVE STEM 8 12 77150624B SCREW 1 13 77913541A THREADED PLUG M15X1 2 14 77913611A THREADED PLUG 4 15 78011262A PLUG 4 16 78050011B THREADED PLUG 1 17 79810071A SPRING 4 18 79810081A SPRING 4 19 82115561A SHAFT, OPENING ROCKER 4 20 83810011A PLATE 4 21 83810021A PLATE 4 22 83910051A PLATE 4 23 83910071A PLATE 4 24 84012021AA ADJUSTER, OPENING ROCKER ARM 1.85 MM 8 84012021AB ADJUSTER, OPENING ROCKER ARM 1.90 MM 8 84012021AC ADJUSTER, OPENING ROCKER ARM 1.95 MM 8 84012021AD ADJUSTER, OPENING ROCKER ARM 2.00 MM 8 84012021AE ADJUSTER, OPENING ROCKER ARM 2.05 MM 8 84012021AF ADJUSTER, OPENING ROCKER ARM 2.10 MM 8 84012021AG ADJUSTER, OPENING ROCKER ARM 2.15 MM 8 84012021AH ADJUSTER, OPENING ROCKER ARM 2.20 MM 8 84012021AI ADJUSTER, OPENING ROCKER ARM 2.25 MM 8 84012021AJ ADJUSTER, OPENING ROCKER ARM 2.30 MM 8 84012021AK ADJUSTER, OPENING ROCKER ARM 2.35 MM 8 84012021AL ADJUSTER, OPENING ROCKER ARM 2.40 MM 8
DRAWING
DRAWING 11C - FRONT HEAD GROUP ENGINE /24 D38000024 Page 68 / 174 SPARE PARTS CATALOGUE 20/01/2024
FRONT
SPARE PARTS CATALOGUE 20/01/2024 Page 69 / 174 /24 D38000024 POS. CODE DESCRIPTION QTY VALIDITY NOTES 84012021AM ADJUSTER, OPENING ROCKER ARM 2.45 MM 8 84012021AN ADJUSTER, OPENING ROCKER ARM 2.50 MM 8 84012021AO ADJUSTER, OPENING ROCKER ARM 2.55 MM 8 84012021AP ADJUSTER, OPENING ROCKER ARM 2.60 MM 8 84012021AQ ADJUSTER, OPENING ROCKER ARM 2.65 MM 8 25 84540081A VALVE COLLET PAIR 16 26 85211201A ALUMINIUM GASKET 2 27 85240261A WASHER 1 28 85241831A WASHER 2 29 85250241A WASHER 10X14X1 1 30 86010061A PIN 1 31 86010151A PIN 1 32 88642721A O-RING 1 33 81416941A UNION 2 34 85212971A COPPER GASKET 2 35 76412121A VIBRATION DAMPER PAD 1 36 7791B491A SCREW, SPECIAL 1 37 85611551A WASHER 1
DRAWING 11C -
HEAD GROUP ENGINE
DRAWING 11D - REAR HEAD GROUP ENGINE /24 D38000024 Page 70 / 174 SPARE PARTS CATALOGUE 20/01/2024
11D - REAR HEAD GROUP ENGINE SPARE PARTS CATALOGUE 20/01/2024 Page 71 / 174 /24 D38000024 POS. CODE DESCRIPTION QTY VALIDITY NOTES 1 20810521A ARM 8 2 21011221D INTAKE VALVE 4 3 21111222B EXHAUST VALVE 4 4 30125434DR REAR HEAD 1 5 303A0841B VALVE GUIDE 8 6 304A1131A SEAT, INTAKE VALVE 4 7 304A1141A SEAT, EXHAUST VALVE 4 8 77253350Z SCREW 12 9 86050061A PIN M5X10 6 10 66810591A FILLER 1 11 76440091B SEAL VALVE STEM 8 12 77150624B SCREW 1 13 77913541A THREADED PLUG M15X1 2 14 77913611A THREADED PLUG 4 15 78011262A PLUG 4 16 78050011B THREADED PLUG 1 17 79810071A SPRING 4 18 79810081A SPRING 4 19 82115561A SHAFT, OPENING ROCKER 4 20 83810011A PLATE 4 21 83810021A PLATE 4 22 83910051A PLATE 4 23 83910071A PLATE 4 24 84012021AA ADJUSTER, OPENING ROCKER ARM 1.85 MM 8 84012021AB ADJUSTER, OPENING ROCKER ARM 1.90 MM 8 84012021AC ADJUSTER, OPENING ROCKER ARM 1.95 MM 8 84012021AD ADJUSTER, OPENING ROCKER ARM 2.00 MM 8 84012021AE ADJUSTER, OPENING ROCKER ARM 2.05 MM 8 84012021AF ADJUSTER, OPENING ROCKER ARM 2.10 MM 8 84012021AG ADJUSTER, OPENING ROCKER ARM 2.15 MM 8 84012021AH ADJUSTER, OPENING ROCKER ARM 2.20 MM 8 84012021AI ADJUSTER, OPENING ROCKER ARM 2.25 MM 8 84012021AJ ADJUSTER, OPENING ROCKER ARM 2.30 MM 8 84012021AK ADJUSTER, OPENING ROCKER ARM 2.35 MM 8 84012021AL ADJUSTER, OPENING ROCKER ARM 2.40 MM 8
DRAWING
DRAWING 11D - REAR HEAD GROUP ENGINE /24 D38000024 Page 72 / 174 SPARE PARTS CATALOGUE 20/01/2024
11D
REAR
SPARE PARTS CATALOGUE 20/01/2024 Page 73 / 174 /24 D38000024 POS. CODE DESCRIPTION QTY VALIDITY NOTES 84012021AM ADJUSTER, OPENING ROCKER ARM 2.45 MM 8 84012021AN ADJUSTER, OPENING ROCKER ARM 2.50 MM 8 84012021AO ADJUSTER, OPENING ROCKER ARM 2.55 MM 8 84012021AP ADJUSTER, OPENING ROCKER ARM 2.60 MM 8 84012021AQ ADJUSTER, OPENING ROCKER ARM 2.65 MM 8 25 84540081A VALVE COLLET PAIR 16 26 85211201A ALUMINIUM GASKET 2 27 85240261A WASHER 1 28 85241831A WASHER 2 29 85250241A WASHER 10X14X1 1 30 86010061A PIN 1 31 86010151A PIN 1 32 88642721A O-RING 1 33 81416941A UNION 2 34 85212971A COPPER GASKET 2 35 76412121A VIBRATION DAMPER PAD 1 36 7791B491A SCREW, SPECIAL 1 37 85611551A WASHER 1
DRAWING
-
HEAD GROUP ENGINE
DRAWING 01A - WORKSHOP SERVICE TOOLS (ENGINE) GROUP TOOLS /24 D38000024 Page 74 / 174 SPARE PARTS CATALOGUE 20/01/2024
DRAWING 01A - WORKSHOP SERVICE TOOLS (ENGINE) GROUP TOOLS SPARE PARTS CATALOGUE 20/01/2024 Page 75 / 174 /24 D38000024 POS. CODE DESCRIPTION QTY VALIDITY NOTES 1 887138859 SEAL RING DRIVING TOOL 1 2 887138860 STOPPER FOR INTRODUCTION OFTHE BEARIING 1 3 887138861 DEGREE WHEEL HOLDER TOOL 1 4 887138862 STOPPER FOR INTRODUCTION OFTHE BEARIING 1 5 889450111 ENGINE SUPPORT TOOL 1 6 887138864 SEAL RING DRIVING TOOL 1 7 887135389 HOLDER 1 8 887135396 TOOL TO HOLD CRANKSHAFT IN TDC POSITION 1 9 887135397 PLATE 1 10 887135962 ASSEMBLING BEARINGS TOOL 1 11 887136155 OIL PRESSURE FITTING 1 12 887138869 GEARBOX SHAFT OIL SEAL FITTING TOOL 1 13 887138875 OIL BOTTLE 1
DRAWING 01B - WORKSHOP SERVICE TOOLS (FRAME) GROUP TOOLS /24 D38000024 Page 76 / 174 SPARE PARTS CATALOGUE 20/01/2024
DRAWING 01B - WORKSHOP SERVICE TOOLS (FRAME) GROUP TOOLS SPARE PARTS CATALOGUE 20/01/2024 Page 77 / 174 /24 D38000024 POS. CODE DESCRIPTION QTY VALIDITY NOTES 1 887134967 LEVER 1 2 887133204 TOOL TO OVERHAUL MARZOCCHI FORKS 1 3 887132951 TOOL BALANCING REAR WHEEL 1 4 887131074 TOOL DISASSEMBLING SWINGARM PIVOT 1 5 887133211 SPANNER FOR ADJUSTING THE ECCENTRIC HUB 1 6 887138848 BUSH FOR INSTALLING/REMOVING THE FORK PLUG 1 7 887131058 SPANNER TO ASSEMBLE THE STEERING SLEEVE 1 8 800070139 WRENCH FOR FRONT WHEEL SPINDLE 1 9 887131062 TOOL ASSEMBLING STEERING TUBE BEARING 1 10 887134488 FORK OIL LEVEL SYRINGE 1 11 887133203 DRAW BAR FOR MARZOCCHI FORKS OVERHAULING 1
DRAWING 01C - CHECK INTRUMENT DDS GROUP TOOLS /24 D38000024 Page 78 / 174 SPARE PARTS CATALOGUE 20/01/2024
DRAWING 01C - CHECK INTRUMENT DDS GROUP TOOLS SPARE PARTS CATALOGUE 20/01/2024 Page 79 / 174 /24 D38000024 POS. CODE DESCRIPTION QTY VALIDITY NOTES 1 979000279 DDS 3 1 2 979000253 BELT TENSIONING KIT 1 3 979000282 DIAGNOSIS CABLE 1 4 979000283 CONNECTING CABLE 1 5 979000284 USB CABLE 1 6 979000281 HASP DDS3 KEY 1
DRAWING 01D - WORKSHOP SERVICE TOOLS GROUP TOOLS /24 D38000024 Page 80 / 174 SPARE PARTS CATALOGUE 20/01/2024
DRAWING 01D - WORKSHOP SERVICE TOOLS GROUP TOOLS SPARE PARTS CATALOGUE 20/01/2024 Page 81 / 174 /24 D38000024 POS. CODE DESCRIPTION QTY VALIDITY NOTES 1 887133003 ENGINE MOUNT 1 2 889450087 1 3 887132589 SEAL RING DRIVING PUNCH TOOL 1 4 887133633 SPARK PLUG WRENCH 1 5 889450137 PISTON DRIVE TOOL 1 6 887135840 GEARBOX FASTENING TOOL 1 7 887138851 PRIMARY DRIVE GEAR TIGHTENING TOOL 1 8 887138852 CLUTCH HUB NUT TIGHTENING TOOL 1 9 889450138 FLYWHEEL NUT TIGHTENING TOOL 1 10 887138854 IGNITION FLYWHEEL EXTRACTOR 1 11 887138855 FLUID RECOVERY RESERVOIR 1 12 887138856 ENGINE ROTATION TOOL 1 13 887138857 PULLER TO REMOVE ALTERNATOR COVER 1 14 887138858 SEAL RING DRIVING TOOL 1 15 889450103 ROLLER BEARING CONTROL GAUGE 1 16 887133879 WRENCH FOR TIGHTENING CLUTCH DRUM 1
DRAWING A - TYRES GROUP TYRES /24 D38000024 Page 82 / 174 SPARE PARTS CATALOGUE 20/01/2024
- TYRES GROUP TYRES SPARE PARTS CATALOGUE 20/01/2024 Page 83 / 174 /24 D38000024 POS. CODE DESCRIPTION QTY VALIDITY NOTES 1 490P0272A FRONT TYRE 1 (*)=Pneumatico di primo equipaggiamento 2 491P0349A REAR TYRE 1 (*)=Pneumatico di primo equipaggiamento 3 49040663A FRONT TYRE 1 4 49140881B REAR TYRE 1
DRAWING A
DRAWING B - ORIGINAL EQUIPMENT TYRES GROUP TYRES /24 D38000024 Page 84 / 174 SPARE PARTS CATALOGUE 20/01/2024
DRAWING B - ORIGINAL EQUIPMENT TYRES GROUP TYRES SPARE PARTS CATALOGUE 20/01/2024 Page 85 / 174 /24 D38000024 POS. CODE DESCRIPTION QTY VALIDITY NOTES 1 490P0272A FRONT TYRE 1 (*)=Pneumatico di primo equipaggiamento 2 491P0349A REAR TYRE 1 (*)=Pneumatico di primo equipaggiamento
DRAWING C - PIRELLI DIABLOâ„¢ ROSSO II GROUP TYRES /24 D38000024 Page 86 / 174 SPARE PARTS CATALOGUE 20/01/2024
DRAWING C - PIRELLI DIABLOâ„¢ ROSSO II GROUP TYRES SPARE PARTS CATALOGUE 20/01/2024 Page 87 / 174 /24 D38000024 POS. CODE DESCRIPTION QTY VALIDITY NOTES 1 49040663A FRONT TYRE 1 2 49140881B REAR TYRE 1
DRAWING 15A - STAND GROUP FRAME /24 D38000024 Page 88 / 174 SPARE PARTS CATALOGUE 20/01/2024
15A - STAND GROUP FRAME SPARE PARTS CATALOGUE 20/01/2024 Page 89 / 174 /24 D38000024 POS. CODE DESCRIPTION QTY VALIDITY NOTES 1 55611381AA SIDE STAND 1 2 8292P202AA BRACKET, SIDE STAND 1 3 53910351A SWITCH, STAND 1 4 77917241AA SCREW 1 5 82119582BC AXLE, SIDE STAND 1 6 74810761A NUT 1 7 77157253B SCREW 3 8 79915081A INNER SPRING 1 9 79921602A COMPLETE SPRING 1
DRAWING
DRAWING 16A - FRONT SPROCKET - CHAIN GROUP FRAME /24 D38000024 Page 90 / 174 SPARE PARTS CATALOGUE 20/01/2024
16A - FRONT SPROCKET - CHAIN
FRAME SPARE PARTS CATALOGUE 20/01/2024 Page 91 / 174 /24 D38000024 POS. CODE DESCRIPTION QTY VALIDITY NOTES 1 4601M552A CHAIN PINION COVER 1 2 75812062A FAIRLEAD 1 3 44910801A SPROCKET, CHAIN T16 1 4 67641651A CATENA 126 APERTA 1 5 77244203B SCREW 3 6 77150768B SCREW TCEI M6X55 1 7 77150753B SCREW 1 8 77156733B SCREW 1 9 44712621AA CHAIN SLIDER 1 10 7715433BZ SCREW 1 11 85212801A THRUST WASHER 1 12 77244173B SCREW TBEI M5X12 1 13 74140381A CLAMP 6 14 069191030 CLAMP 2 15 67621431A FINAL DRIVE KIT 1
DRAWING
GROUP
DRAWING 17A - STEERING ASSEMBLY GROUP FRAME /24 D38000024 Page 92 / 174 SPARE PARTS CATALOGUE 20/01/2024
ASSEMBLY
SPARE PARTS CATALOGUE 20/01/2024 Page 93 / 174 /24 D38000024 POS. CODE DESCRIPTION QTY VALIDITY NOTES 1 34221321BB STEERING HEAD BASE 1 2 4601M591A MUDFLAP 1 3 77211251B SCREW M5X9 2 4 7715727AF SCREW TCEIF M8X30 5 5 77850281A THREADED DOWEL STEI M8X25 2 6 74750071A NUT 2 7 93010041B SEAL RING 2 8 85211031AB WASHER 1 9 70241231A BEARING, STEERING NTN SF07A17P 2 10 70310131A THREAD, STEERING HEAD TOP 1 11 34111921BA STEERING HEAD 1 12 7715940ACA 2 13 85210491B WASHER 10.5X28X1.5 2 14 70011391A VIBRATION DAMPER 2 15 7131F221AA SPACER 2 16 75811901A 1 17 75811911B 1 18 77156408B SCREW TCEIF M5X14 6 19 55240121A SENSOR, AIR TEMPERATURE 1 20 76410971A RUBBER PAD 1
DRAWING 17A - STEERING
GROUP FRAME
DRAWING 17B - FRONT FORK GROUP FRAME /24 D38000024 Page 94 / 174 SPARE PARTS CATALOGUE 20/01/2024
17B - FRONT FORK GROUP FRAME SPARE PARTS CATALOGUE 20/01/2024 Page 95 / 174 /24 D38000024 POS. CODE DESCRIPTION QTY VALIDITY NOTES 1 34421333A FORK LEG ASSY, RIGHT 1 2 34521333A FORK LEG ASSY, LEFT 1 3 34923281A STANCHION TUBE 2 4 34923271A SPRING KIT 2 5 34923241A COMPLETE PUMPING ELEMENT, LEFT 1 6 34923211A FORK BOTTOM END + SLEEVE UNIT (R.H.) 1 7 34923221A FORK BOTTOM END + SLEEVE UNIT (L.H.) 1 8 34923231A COMPLETE PUMPING ELEMENT, RIGHT 1 9 34922821A PLUG ASSY 1 10 34922831A PLUG ASSY 1 11 34922101A OVERHAUL KIT 1
DRAWING
DRAWING 18A - REAR SWINGING ARM GROUP FRAME /24 D38000024 Page 96 / 174 SPARE PARTS CATALOGUE 20/01/2024
SPARE PARTS CATALOGUE 20/01/2024 Page 97 / 174 /24 D38000024 POS. CODE DESCRIPTION QTY VALIDITY NOTES 1 37029232BA REAR SWINGING ARM 1 2 44610601A CHAIN GUARD 1 3 77214411BA SCREW, SPECIAL 8 4 36911582AA SWINGARM PIVOT RH 1 5 36911592AA SWINGARM PIVOT LH 1 6 70140171A BEARING, NEEDLE 2 7 93050121A SEAL RING 2 8 70250451A BEARING 2 9 71311871A INNER SPACER 1 10 7131D741AA SPACER 1 11 44712601B LOWER CHAIN SLIDING SHOE 1 12 77214231A SCREW 4 13 86613561B RUBBER PAD 1 14 44712641A UPPER CHAIN SLIDING SHOE 1 15 86613571A RUBBER PAD 1 16 77211261B SCREW, SPECIAL 1 17 44712701A 1 18 77914401B SCREW TBEI M6X15 2 19 75812022A 1 20 75811881A 1 21 75811991A 1 22 77211251B SCREW M5X9 2 23 87211801A PLUG, RH 1 24 87211811A PLUG 1 25 77918251AA SCREW, SPECIAL 1 26 87211791A PLUG 2 27 87210741A CAP, SWINGARM COVER 1 28 74140331A CLAMP 2 29 77150638B SCREW TCEI M6X12 2 30 83210031E PIN 1
DRAWING 18A - REAR SWINGING ARM GROUP FRAME
DRAWING 19A - FRONT BRAKE PUMP GROUP FRAME /24 D38000024 Page 98 / 174 SPARE PARTS CATALOGUE 20/01/2024
19A - FRONT BRAKE PUMP
FRAME SPARE PARTS CATALOGUE 20/01/2024 Page 99 / 174 /24 D38000024 POS. CODE DESCRIPTION QTY VALIDITY NOTES 1 62441481A FRONT BRAKE PUMP 1 2 62641281A U-BOLT KIT 1 3 62640561A BOLT, LEVER 1 4 61240231A PLUG, BREATHER 1 5 77140141A SCREW TCEIF 1 6 89340311A TANK CAP 1 7 62640761A WINDOW, OIL LEVEL CHECK 1 8 58540371A OIL TANK ASSY 1 9 62640771A UNION 1 10 53910431C MICROSWITCH 1 11 62610121A LEVER, FRONT BRAKE 1 12 61240391A DUST COVER 1 13 77914151A BOLT, BRAKE HOSE 1 14 85250241A WASHER 10X14X1 2
DRAWING
GROUP
DRAWING 19B - FRONT BRAKE SYSTEM GROUP FRAME /24 D38000024 Page 100 / 174 SPARE PARTS CATALOGUE 20/01/2024
19B
FRONT BRAKE SYSTEM
FRAME SPARE PARTS CATALOGUE 20/01/2024 Page 101 / 174 /24 D38000024 POS. CODE DESCRIPTION QTY VALIDITY NOTES 1 61042161A RIGHT FRONT BRAKE CALIPER 1 2 61042171A LEFT FRONT BRAKE CALIPER 1 3 61841411A HOSE, FRONT BRAKE CALIPER-CALIPER 1 4 77913311D SCREW M 10 X 60 4 5 71313641A SPACER 2 6 85250241A WASHER 10X14X1 5 7 77913091AB SCREW, SPECIAL 1 8 77913662AB SCREW, SPECIAL 1 9 52910261A REFLEX REFLECTOR AMBER 2 10 82718841AA RIGHT PLATE 1 11 8271L011AA LEFT PLATE 1 12 74810351B NUT 2 13 61341101A PADS PAIR 2 14 61240201A 2 15 61241231A SPRING, PAD STOPPER 2 16 61240052A DUST COVER 1 17 4601F281A PROTECTION SHEATH 2
DRAWING
-
GROUP
DRAWING 19C - BRAKING SYSTEM ABS GROUP FRAME /24 D38000024 Page 102 / 174 SPARE PARTS CATALOGUE 20/01/2024
19C - BRAKING SYSTEM ABS
FRAME SPARE PARTS CATALOGUE 20/01/2024 Page 103 / 174 /24 D38000024 POS. CODE DESCRIPTION QTY VALIDITY NOTES 1 61811931B FRONT MASTER CYLINDER - CPU LINE 1 2 61811941B CPU - FRONT CALIPERS LINE 1 3 75811981A HOSE GUIDE ABS 1 4 77214031A SCREW TBEI 6X14 2 5 54241033A CONTROL UNIT ABS 1 6 8301M151A HOLDER ABS 1 7 76410641B VIBRATION DAMPER PAD 2 8 71610031A SPACER 2 9 77251023C SCREW TEF M6X22 10.9 2 10 77214081AA SCREW, SPECIAL 3 11 61911932A REAR MASTER CYLINDER-CPU LINE 1 12 61911942A CPU-REAR CALIPER LINE 1 13 77913662AB SCREW, SPECIAL 4 14 85250241A WASHER 10X14X1 10 15 77913971A BOLT, BRAKE HOSE 1 16 18710021A VALVE, BREATHER 1 17 61240052A DUST COVER 1 18 8301M512A 1 19 86610751A PAD 1 20 77240573C SCREW 1 21 74941501A NUT, SELF-LOCKING 1 22 85040381A QUICK FASTENING 3 23 86611121A RUBBER PAD 1 24 74110551A CLAMP, RUBBER 39MM 3 25 75812071A FAIRLEAD 8 For serial number before ZDM3G00AARB002758 75812072A FAIRLEAD 8 For serial number ZDM3G00AARB002758 or next
DRAWING
GROUP
DRAWING 19D - REAR BRAKE SYSTEM GROUP FRAME /24 D38000024 Page 104 / 174 SPARE PARTS CATALOGUE 20/01/2024
FRAME SPARE PARTS CATALOGUE 20/01/2024 Page 105 / 174 /24 D38000024 POS. CODE DESCRIPTION QTY VALIDITY NOTES 1 61140372B REAR BRAKE CALIPER 1 2 82510751AA 1 3 77159338B SCREW TCEIF M10X1.25X30 8.8 2 4 88440511A CIRCLIP 85X3 1 5 85212171A WASHER 85.5X101X1 2 6 88641241A O-RING 89.5X3 2 7 85250241A WASHER 10X14X1 2 8 77913662AB SCREW, SPECIAL 1 9 62540341A REAR BRAKE PUMP 1 10 77156673C SCREW 2 11 8301M581BA BRACKET, REAR MASTER CYLINDER 1 12 76414191A DAMPER 1 13 77910921B SCREW 1 14 58540341A RESERVOIR, BRAKE FLUID 1 15 89340211A PLUG ASSY 1 16 74810351B NUT 1 17 74142951A CLAMP 2 18 93310871B 1 19 61240081A DUST PLUG 1 20 61240302A DUST COVER 1 21 61240321A PIN BRAKE PAD 1 22 61240481A SPRING, PAD STOPPER 1 23 61340941A REAR BRAKE PADS SET 1 24 63140281A DRAIN 1
DRAWING 19D - REAR BRAKE SYSTEM GROUP
DRAWING 20A - PLATE HOLDER GROUP FRAME /24 D38000024 Page 106 / 174 SPARE PARTS CATALOGUE 20/01/2024
20A - PLATE HOLDER
FRAME SPARE PARTS CATALOGUE 20/01/2024 Page 107 / 174 /24 D38000024 POS. CODE DESCRIPTION QTY VALIDITY NOTES 1 52910092C REFLEX REFLECTOR, REAR 1 2 77214411BA SCREW, SPECIAL 4 3 4601D672A MUDFLAP REAR 1 4 77914871C SCREW 3 5 75811961A FAIRLEAD 1 6 56116461AA HOLDER 1 7 7724453AF SCREW M8X25 3 8 77240453C SCREW TBEIF M6X22 10.9 3 9 77240403CA SCREW M6X12 3 10 56113421A PLATE HOLDER 1 11 52510611A LAMP, LICENSE PLATE 1 12 77510161A SCREW 2 13 74850061A NUT 4 14 8301A971AA BRACKET 1 15 71312411A SPACER 6.2X10X7 3 16 85550021A TOOTHED LOCK WASHER 2 17 74950011B NUT, SPRING 2 18 70011041A VIBRATION DAMPER 2 19 56113561AA NUMBER PLATE HOLDER 1 20 46240461A WASHER, SPRING 3 21 70011221AA VIBRATION DAMPER 4 22 74140381A CLAMP 3
DRAWING
GROUP
DRAWING 21A - HANDLEBAR GROUP FRAME /24 D38000024 Page 108 / 174 SPARE PARTS CATALOGUE 20/01/2024
FRAME SPARE PARTS CATALOGUE 20/01/2024 Page 109 / 174 /24 D38000024 POS. CODE DESCRIPTION QTY VALIDITY NOTES 1 36016161CA LEFT HALF-HANDLEBAR 1 2 36016171CA RIGHT HALF-HANDLEBAR 1 3 36012412AA HANDLEBAR 1 4 65010491B RIGHT SWITCH 1 5 65110541B LEFT SWITCH 1 65110551B LEFT SWITCH 1 XST:CDN 6 66020102B THROTTLE CONTROL 1 7 15310072B BALANCER SET, HANDLE BAR 2 8 71011071A BUSH 2 9 71111301A SPINDLE, TAPER 2 10 77150763B SCREW TCEI M6X55 UNI5931 8.8 2 11 83040071A CLIP 2 12 77156713B SCREW 2 13 77156683B SCREW 2 14 7131D051A SPACER 1 15 52340242AC RIGHT MIRROR 1 16 52340252AC LEFT MIRROR 1 17 77113731A SCREW 1 18 77113741A SCREW 1 19 46210021A SPRING WASHER 8 MM 2 20 86150181A PIN, SPRING 2
DRAWING 21A - HANDLEBAR GROUP
DRAWING 21B - CLUTCH CONTROL GROUP FRAME /24 D38000024 Page 110 / 174 SPARE PARTS CATALOGUE 20/01/2024
CLUTCH
FRAME SPARE PARTS CATALOGUE 20/01/2024 Page 111 / 174 /24 D38000024 POS. CODE DESCRIPTION QTY VALIDITY NOTES 1 63041041A CLUTCH MASTER CYLINDER 1 2 62610131A CLUTCH LEVER 1 3 18710021A VALVE, BREATHER 1 4 61240052A DUST COVER 1 5 77914651A BOLT, BRAKE HOSE 1 6 63211161B PIPE 1 7 85250241A WASHER 10X14X1 5 8 77913662AB SCREW, SPECIAL 1 9 53941111A MICROSWITCH 1 10 62641291A U-BOLT KIT 1 11 89340301A TANK CAP 1 12 61240391A DUST COVER 1 13 62640761A WINDOW, OIL LEVEL CHECK 1 14 62640771A UNION 1 15 61240231A PLUG, BREATHER 1 16 77140141A SCREW TCEIF 1 17 62640561A BOLT, LEVER 1 18 58540371A OIL TANK ASSY 1 19 61041991A BREMBO CLUTCH FLOATING PISTON KIT 1 20 19540091D PISTON ASSEMBLY 1 21 7111E452AA BUSH 1
DRAWING 21B -
CONTROL GROUP
DRAWING 22A - REAR SHOCK ABSORBER GROUP FRAME /24 D38000024 Page 112 / 174 SPARE PARTS CATALOGUE 20/01/2024
DRAWING 22A - REAR SHOCK ABSORBER GROUP FRAME SPARE PARTS CATALOGUE 20/01/2024 Page 113 / 174 /24 D38000024 POS. CODE DESCRIPTION QTY VALIDITY NOTES 1 36522151A REAR SHOCK ABSORBER 1 2 77915041A SCREW, SPECIAL 1
DRAWING 23A - FRONT MUDGUARD GROUP FRAME /24 D38000024 Page 114 / 174 SPARE PARTS CATALOGUE 20/01/2024
FRONT MUDGUARD
SPARE PARTS CATALOGUE 20/01/2024 Page 115 / 174 /24 D38000024 POS. CODE DESCRIPTION QTY VALIDITY NOTES 1 56416853AB FRONT FENDER, BLACK 1 XCO:THB 56416853AC FRONT MUDGUARD 1 XCO:R 2 77210893B SCREW 4 3 71614011B SPACER 4 4 8291G861A BRACKET, BRAKE HOSE 1 5 74941113B NUT 1
DRAWING 23A -
GROUP FRAME
DRAWING 24A - WATER COOLER GROUP FRAME /24 D38000024 Page 116 / 174 SPARE PARTS CATALOGUE 20/01/2024
24A - WATER COOLER
FRAME SPARE PARTS CATALOGUE 20/01/2024 Page 117 / 174 /24 D38000024 POS. CODE DESCRIPTION QTY VALIDITY NOTES 1 54812672A WATER COOLER 1 2 51610053D HORN 1 3 74940321A NUT 1 4 77240573C SCREW 1 5 77150498B SCREW TCEI M5X40 2 6 71616431AA SPACER 4 7 76411501A RUBBER PAD 4 8 74941103B NUT, SELF-LOCKING 2 9 76411361A VIBRATION DAMPER PAD 2 10 77440061A SCREW, TAPPING 1 11 85213002A WASHER 1 12 8301M171AA BRACKET 1 13 85040381A QUICK FASTENING 2 14 77244348B SCREW 2 15 55040432A 2 16 89310351A RADIATOR CAP 1
DRAWING
GROUP
DRAWING 24B - COOLING CIRCUIT GROUP FRAME /24 D38000024 Page 118 / 174 SPARE PARTS CATALOGUE 20/01/2024
24B - COOLING CIRCUIT GROUP FRAME SPARE PARTS CATALOGUE 20/01/2024 Page 119 / 174 /24 D38000024 POS. CODE DESCRIPTION QTY VALIDITY NOTES 1 58511372A TANK, WATER RESERVOIR 1 2 89310143A EXPANSION TANK CAP 1 3 55320191A ASSIEME DISTRIBUTORE ACQUA 1 4 55244081A ENGINE WATER TEMPERATURE SENSOR 1 5 79915581A SPRING 1 6 88641981A O-RING 2 7 75910392A CLIP 1 8 80018061A MIXER - PUMP COUPLING 1 9 80018281A RUBBER SLEEVE 2 10 74142591A CLAMP 20-35 MM 4 11 74141491A CLAMP 26/8 MM 4 12 76410241A VIBRATION DAMPER PAD 1 13 71611641AA SPACER 1 14 77244233B SCREW TBEI 5X25 1 15 77244303B SCREW M6X10 2 16 93410581A 1 17 93410631A 1 18 80018462A WATER DELIVERY PIPE 1 19 80018472A 1 20 74141851A CLAMP 25-40 MM 2 21 61610021A JOINT Y 1 22 93410681A HOSE, DRAIN 1 23 74140651A FASCETTA 11-7 MM 3 24 069191030 CLAMP 6 25 74140381A CLAMP 12 26 4601N881A PROTECTION SHEATH 1 27 4601N921A PROTECTION SHEATH 2
DRAWING
DRAWING 25A - FOOTRESTS, LEFT GROUP FRAME /24 D38000024 Page 120 / 174 SPARE PARTS CATALOGUE 20/01/2024
25A - FOOTRESTS, LEFT GROUP FRAME SPARE PARTS CATALOGUE 20/01/2024 Page 121 / 174 /24 D38000024 POS. CODE DESCRIPTION QTY VALIDITY NOTES 1 82414381AA R.H. FOOT PEG HOLDER PLATE 1 2 45623641AA 1 3 71210341A BUSH 1 4 82111701CA PIN PEDAL 1 5 88641161A O-RING 2 6 85211511A WASHER 1 7 76411451A COVER PEDAL 1 8 5521A301D Quick Shift 1 9 77244348BA SCREW 2 10 84850021A BALL JOINT 1 11 74750101A NUT 6MM 1 12 45613631AA 1 13 77110401A SCREW TCEIF M6X18 1 14 77157253B SCREW 3 15 85611271A WASHER 1
7791B971AA SCREW, SPECIAL 1 17 46410632B FOOTREST, FRONT LH 1 18 76510041B COVER, FOOTREST 1 19 82110681CA FOOTREST PIN 1 20 79914991A SPRING. FOOTREST 1 21 88450031A CIRCLIP E-TYPE 1 22 77916601A SCREW, SPECIAL 1
DRAWING
16
DRAWING 25B - FOOTRESTS, RIGHT GROUP FRAME /24 D38000024 Page 122 / 174 SPARE PARTS CATALOGUE 20/01/2024
DRAWING 25B - FOOTRESTS, RIGHT GROUP FRAME SPARE PARTS CATALOGUE 20/01/2024 Page 123 / 174 /24 D38000024 POS. CODE DESCRIPTION QTY VALIDITY NOTES 1 82414371AA R.H. FOOT PEG HOLDER PLATE 1 2 4601M642AA HEEL GUARD FRONT RH 1 3 77244173B SCREW TBEI M5X12 2 4 45721271AA BRAKE LEVER ASSEMBLY 1 5 71210341A BUSH 1 6 82111701CA PIN PEDAL 1 7 85211511A WASHER 1 8 88641161A O-RING 2 9 79915881AA SPRING 1 10 77157253B SCREW 2 11 11723802AA BRAKE CONTROL ROD 1 12 18410102A BALL JOINT 1 13 74750031A NUT 6MM 2 14 82113811AA PIN 1 15 46410643B FOOTREST, FRONT RH 1 16 76510041B COVER, FOOTREST 1 17 82110681CA FOOTREST PIN 1 18 79914991A SPRING. FOOTREST 1 19 88450031A CIRCLIP E-TYPE 1 20 7791B971AA SCREW, SPECIAL 1 21 77211251A SCREW, SPECIAL 2 22 8271H811A HOLDER 1 23 77916601A SCREW, SPECIAL 1 24 82719192A PLATE 1 25 77550353B SCREW M4X8 1 26 7791C511AA SCREW, SPECIAL 1 27 53920931A INTERUTTORE STOP 1
DRAWING 26A - REAR MUDGUARD GROUP FRAME /24 D38000024 Page 124 / 174 SPARE PARTS CATALOGUE 20/01/2024
26A - REAR MUDGUARD GROUP FRAME SPARE PARTS CATALOGUE 20/01/2024 Page 125 / 174 /24 D38000024 POS. CODE DESCRIPTION QTY VALIDITY NOTES 1 56511441A REAR MUDGUARD 1 2 77214411BA SCREW, SPECIAL 5
DRAWING
DRAWING 27A - FRONT WHEEL GROUP FRAME /24 D38000024 Page 126 / 174 SPARE PARTS CATALOGUE 20/01/2024
27A - FRONT WHEEL
FRAME SPARE PARTS CATALOGUE 20/01/2024 Page 127 / 174 /24 D38000024 POS. CODE DESCRIPTION QTY VALIDITY NOTES 1 81910692AA FRONT WHEEL SPINDLE 1 2 72010513C SCREW 10 3 71311961A RIGHT SPACER 1 4 49241341A DISC, FRONT BRAKE RH 1 5 50122801AA FRONT WHEEL RIM 1 6 70250621A BEARING 2 7 71413221A INNER SPACER 1 8 93041501A SEAL RING 2 9 49720071AC VALVE, TUBELESS TIRE 1 10 504Z0381AA PHONIC WHEEL 1 11 71311973A LEFT SPACER 1 12 85212221A WASHER 1 13 74810651A NUT 1
49241351A DISC, FRONT BRAKE LH 1
DRAWING
GROUP
14
DRAWING 28A - REAR WHEEL GROUP FRAME /24 D38000024 Page 128 / 174 SPARE PARTS CATALOGUE 20/01/2024
DRAWING 28A - REAR WHEEL GROUP FRAME SPARE PARTS CATALOGUE 20/01/2024 Page 129 / 174 /24 D38000024 POS. CODE DESCRIPTION QTY VALIDITY NOTES 1 50212471AA REAR WHEEL RIM 1 2 49720031A VALVE, TUBELESS TIRE 1 3 75910222A CLIP 1 4 75012072AA NUT 1 5 85212211A WASHER 48.5X65X0.5 1 6 71411352AA SPACER 1
DRAWING 28B - REAR WHEEL SPINDLE GROUP FRAME /24 D38000024 Page 130 / 174 SPARE PARTS CATALOGUE 20/01/2024
DRAWING 28B - REAR WHEEL SPINDLE
FRAME SPARE PARTS CATALOGUE 20/01/2024 Page 131 / 174 /24 D38000024 POS. CODE DESCRIPTION QTY VALIDITY NOTES 1 819Z0021B REAR WHEEL SPINDLE 1 2 49241111A REAR BRAKE DISC 1 3 77918261AA SCREW 4 4 50410091A REAR PHONIC WHEEL 1 5 72050159EA SCREW 4 6 75910222A CLIP 1 7 75012072AA NUT 1 8 85212211A WASHER 48.5X65X0.5 1 9 74810461A NUT, FLANGE M10X1 6 10 70010571A RUBBER CUSH DRIVE HUB 6 11 16016841AA REAR SPROCKET FLANGE 1 12 49411891AA REAR SPROCKET T43 1 13 71410751A SPACER 1 14 88110541A INNER SPACER 1 15 75620131A HUB 1 16 93010102A DUST COVER 1
GROUP
DRAWING 29A - FUEL TANK GROUP FRAME /24 D38000024 Page 132 / 174 SPARE PARTS CATALOGUE 20/01/2024
TANK GROUP FRAME SPARE PARTS CATALOGUE 20/01/2024 Page 133 / 174 /24 D38000024 POS. CODE DESCRIPTION QTY VALIDITY NOTES 1 58613153AA FUEL TANK 1 XCO:R 58613153AB FUEL TANK 1 XCO:THB 2 4381G741A EMBLEM DUCATI 2 XCO:R 4381G741B EMBLEM DUCATI 2 XCO:THB 3 76414272A VIBRATION DAMPER PAD 2 4 7131F421AA SPACER 2 5 71850253C SCREW 2 6 76412441A VIBRATION DAMPER PAD 2 7 76411061A RUBBER PAD 4 8 89520411AB TANK CAP COMPLETE 1 9 77156418B SCREW TCEIF M5X16 4 10 8291P231A HOLDER 1 11 82610441AA COVER 1 12 70010811A RUBBER PAD 1 13 87211511A PLUG 2 14 77214411AA SCREW TCEIF M5X9 2 15 85041951AA QUICK FASTENING 3 16 16024461A FUEL PUMP 1 17 77244213B SCREW TBEI M5X20 6 18 77244163B SCREW TBEI M5X10 1 19 7131F431AA SPACER 2 20 69929221A GASKET 1 21 42520101A 1
DRAWING 29A - FUEL
DRAWING 30B - EXHAUST SILENCER GROUP FRAME /24 D38000024 Page 134 / 174 SPARE PARTS CATALOGUE 20/01/2024
EXHAUST SILENCER
SPARE PARTS CATALOGUE 20/01/2024 Page 135 / 174 /24 D38000024 POS. CODE DESCRIPTION QTY VALIDITY NOTES 2 57015331A EXHAUST MANIFOLD HORIZONTAL 1 3 46111312A HEAT GUARD HORIZONTAL 1 4 57115221A EXHAUST MANIFOLD VERTICAL 1 5 4601M651A HEAT GUARD L.H. 1 6 57315802B SILENCER ENDCAP 1 7 85040631A QUICK FASTENING 3 8 575P0071A EXHAUST JOINT KIT 2 9 57610671A BRACKET, SILENCER 2 10 4601M631A HEAT GUARD REAR 1 11 55215021A SENSOR LAMBDA SOND 4 12 71614251A SPACER 4 13 4601M621A HEAT GUARD REAR 1 14 72050313C SCREW 3 15 71011491A SPINDLE, TAPER 3 16 71614141A SPACER 6.25X10X5.75 2 17 75840951A CLAMP 2 18 74141851A CLAMP 25-40 MM 1 19 77244203B SCREW 4 20 85640121A WASHER 8 21 77240288C SCREW 4 22 77244373B SCREW 2 23 74841091AA NUT 4 24 74810361A NUT 12 25 74143031A CLAMP 1 26 76410241A VIBRATION DAMPER PAD 4 27 77214411AA SCREW TCEIF M5X9 4 28 85044691A QUICK FASTENING 4 29 4601M581A HEAT GUARD 1 30 4601M812A HEAT GUARD R.H. 1 31 77244348B SCREW 2 32 85040471A QUICK FASTENING M5 6 33 77244168B SCREW 3 34 79010371A GASKET, EXHAUST PIPE 4
DRAWING 30B -
GROUP FRAME
DRAWING 30C - SECONDARY AIR SYSTEM GROUP FRAME /24 D38000024 Page 136 / 174 SPARE PARTS CATALOGUE 20/01/2024
30C - SECONDARY AIR SYSTEM
FRAME SPARE PARTS CATALOGUE 20/01/2024 Page 137 / 174 /24 D38000024 POS. CODE DESCRIPTION QTY VALIDITY NOTES 1 65540081A ACTUATOR 1 2 87614022A DUCT, AIR 1 3 87614032A DUCT, AIR 1 4 74142401A CLAMP 4 5 76414461AA VIBRATION DAMPER PAD 1 6 81417081AA BRACKET ACTUATOR EXHAUST CONTROL 1 7 77244233B SCREW TBEI 5X25 2 8 77244203B SCREW 2 9 76411671A RUBBER PAD 2 10 71615261AA SPACER 2 11 935Z0111A HOSE 2 12 935Z0051A 1 13 4601N921A PROTECTION SHEATH 2 14 74140651A FASCETTA 11-7 MM 4 15 74141001A CLAMP 8.5/7 4 16 935Z0061A 1
DRAWING
GROUP
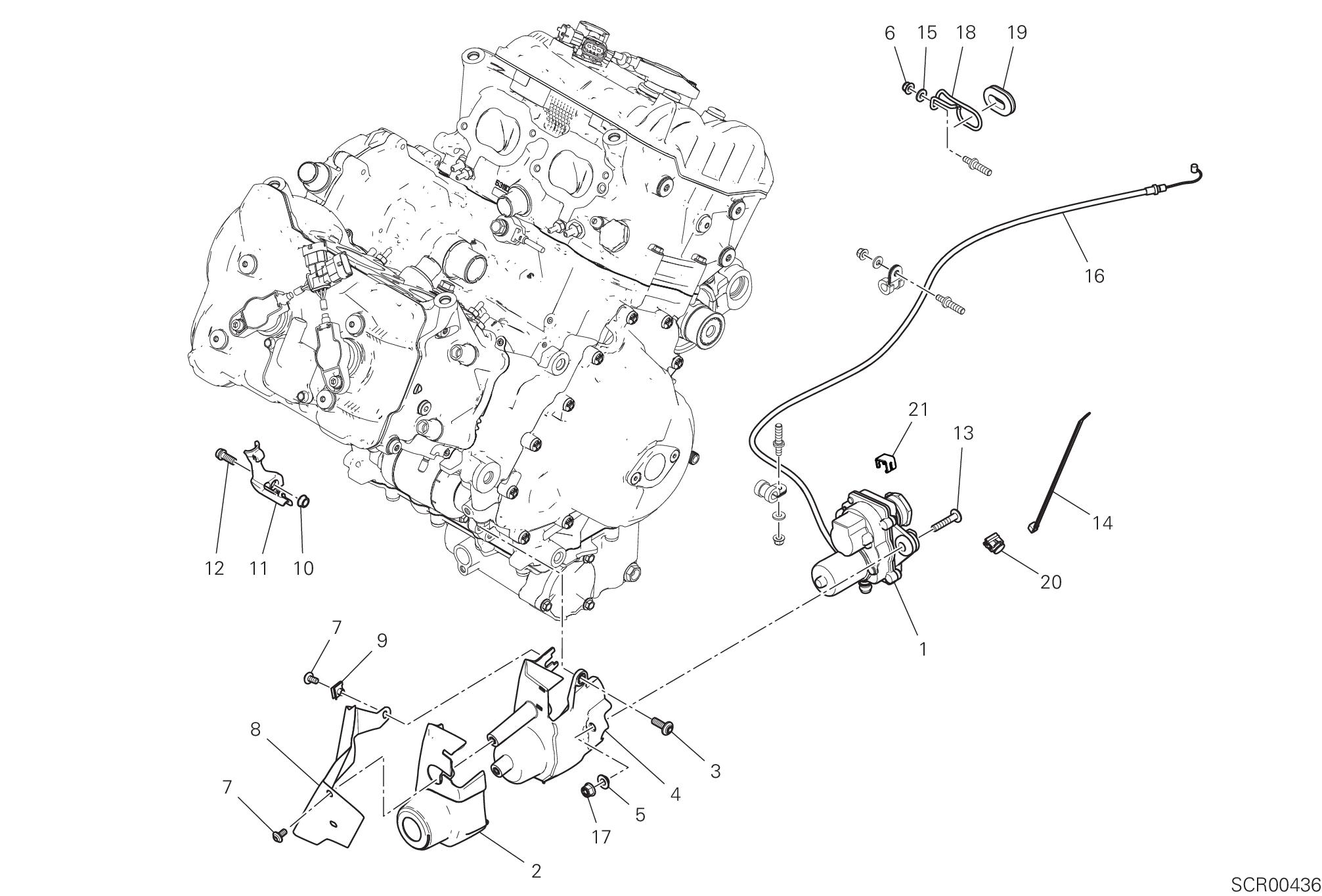
DRAWING 30D - ELECTRIC MOTOR, EXHAUST VALVE GROUP FRAME /24 D38000024 Page 138 / 174 SPARE PARTS CATALOGUE 20/01/2024
DRAWING 30D - ELECTRIC MOTOR, EXHAUST VALVE
FRAME SPARE PARTS CATALOGUE 20/01/2024 Page 139 / 174 /24 D38000024 POS. CODE DESCRIPTION QTY VALIDITY NOTES 1 59340301A ELECTRIC MOTOR, EXHAUST VALVE 1 2 4601N891B THERMOREFLECTING PROTECTION 1 3 77244348B SCREW 2 4 4601N871B COVER 1 5 71614011B SPACER 2 6 74941108B NUT 1 7 77244168B SCREW 2 8 4601P861A HEAT GUARD 1 9 85040471A QUICK FASTENING M5 1 10 71616351AA SPACER 1 11 75812011A FAIRLEAD 1 12 77110401A SCREW TCEIF M6X18 1 13 77240483C SCREW 2 14 75840951A CLAMP 2 15 85213081A WASHER 1 16 73210982B CABLE ELECTRIC MOTOR, EXHAUST VALVE 1 17 74941113B NUT 2 18 88111401A RING 1 19 75810541B RUBBER PAD 1 20 75840771A FAIRLEAD 1 21 75910251A SPRING 1
GROUP
DRAWING 31A - SEAT GROUP FRAME /24 D38000024 Page 140 / 174 SPARE PARTS CATALOGUE 20/01/2024
SEAT GROUP FRAME SPARE PARTS CATALOGUE 20/01/2024 Page 141 / 174 /24 D38000024 POS. CODE DESCRIPTION QTY VALIDITY NOTES 1 59517232AA 1 2 59517248AA PILLION RIDER SEAT 1 3 24717551AB COVER 1 XCO:THB 24717552AA COVER 1 XCO:R 4 86610191A CUSHION, SEAT 4 5 86610301B RUBBER PAD 13 6 86610611A RUBBER PAD 2 7 77211251A SCREW, SPECIAL 2 8 86611861A PAD 2 9 86611871A PAD 2 10 86611881A CUSHION, SEAT 1 11 86612441A RUBBER PAD 2 12 48212731AA COVER , FRAME LH 1 XCO:R 48212731AB COVER , FRAME LH 1 XCO:THB 13 48212721AA COVER , FRAME RH 1 XCO:R 48212721AB COVER , FRAME RH 1 XCO:THB 14 7791B431AA SCREW, SPECIAL 2 15 77214411AA SCREW TCEIF M5X9 6 16 48217071A 1 17 48217111B UNDER-TAIL COVER 1 18 77244173B SCREW TBEI M5X12 3 19 77440251A SCREW 3 20 85044691A QUICK FASTENING 4 21 86610581A VIBRATION DAMPER PAD 2 22 59820611A 1 23 43818091AB ITA FLAG STICKER DUCATI RH 1 XCO:THB 4381D891C ITA FLAG STICKER DUCATI RH 1 XCO:R 24 43818081AB ITA FLAG STICKER DUCATI LH 1 XCO:THB 4381D901C ITA FLAG STICKER DUCATI LH 1 XCO:R 25 82716141A PLATE 1 26 59810451A LOCK LATCH 1 27 77240433C SCREW 2 28 91377061AR OWNER'S MANUAL 1 ARABIC 91377061BG OWNER'S MANUAL 1 BULGARIAN 91377061CA OWNER'S MANUAL 1 CANADA/FRA
DRAWING 31A -
DRAWING 31A - SEAT GROUP FRAME /24 D38000024 Page 142 / 174 SPARE PARTS CATALOGUE 20/01/2024
31A - SEAT GROUP FRAME SPARE PARTS CATALOGUE 20/01/2024 Page 143 / 174 /24 D38000024 POS. CODE DESCRIPTION QTY VALIDITY NOTES 91377061CS OWNER'S MANUAL 1 CZECH REPUBLIC 91377061DA OWNER'S MANUAL 1 DENMARK 91377061DE OWNER'S MANUAL 1 GERMAN 91377061EL OWNER'S MANUAL 1 GREECE 91377061EN OWNER'S MANUAL 1 ENGLISH 91377061ES OWNER'S MANUAL 1 SPANISH 91377061FI OWNER'S MANUAL 1 FINLAND 91377061FR OWNER'S MANUAL 1 FRENCH 91377061HR OWNER'S MANUAL 1 CROATIA 91377061HU OWNER'S MANUAL 1 HUNGARY 91377061IT OWNER'S MANUAL 1 ITALY 91377061JA OWNER'S MANUAL 1 JAPAN 91377061KO OWNER'S MANUAL 1 KOREA 91377061MX OWNER'S MANUAL 1 MEXICO/ESP 91377061NL OWNER'S MANUAL 1 HOLLAND 91377061NO OWNER'S MANUAL 1 NORWAY 91377061PL OWNER'S MANUAL 1 POLAND 91377061PT OWNER'S MANUAL 1 PORTUGAL 91377061RO OWNER'S MANUAL 1 ROMANIA 91377061RU OWNER'S MANUAL 1 RUSSIAN 91377061SK OWNER'S MANUAL 1 SLOVAK 91377061SL OWNER'S MANUAL 1 SLOVENIAN 91377061SV OWNER'S MANUAL 1 SWEDISH 91377061US OWNER'S MANUAL 1 USA 91377061ZH OWNER'S MANUAL 1 TRADITIONAL CHINESE 29 86613411A PAD 12
DRAWING
DRAWING 32A - FRAME GROUP FRAME /24 D38000024 Page 144 / 174 SPARE PARTS CATALOGUE 20/01/2024
32A - FRAME GROUP FRAME SPARE PARTS CATALOGUE 20/01/2024 Page 145 / 174 /24 D38000024 POS. CODE DESCRIPTION QTY VALIDITY NOTES 1 47111973BA FRAME 1 2 48613002A ACOUSTIC INSULATION PANEL, RH 1 3 48613012A 1 4 7791C071AA SPECIAL SCREW M10X55 4 5 85540101AA TOOTHED LOCK WASHER 4
DRAWING
DRAWING 32B - REAR FRAME COMP. GROUP FRAME /24 D38000024 Page 146 / 174 SPARE PARTS CATALOGUE 20/01/2024
DRAWING 32B - REAR FRAME COMP. GROUP FRAME SPARE PARTS CATALOGUE 20/01/2024 Page 147 / 174 /24 D38000024 POS. CODE DESCRIPTION QTY VALIDITY NOTES 1 47018952CA REAR FRAME L.H. 1 2 47018941CA REAR FRAME R.H. 1 3 46520952AA REAR LEFT FOOT-REST 1 4 46520942AA REAR RIGHT FOOTREST 1 5 76510341A 1 6 76510331A 1 7 82414391AA 1 8 82113561A PIN, REAR FOOT REST 2 9 85212731A WASHER 14.5X22X0.5 2 10 77156643B SCREW TCEIF M6X14 8.8 2 11 82716051A PLATE 2 12 79910241B SPRING 4 13 84740021A BALL 4 14 7715936BG SCREW 1 15 74840241AB NUT 1 16 7791B441AA SCREW, SPECIAL 2 17 7791B321AA SCREW, SPECIAL 2 18 77351223BF SCREW 6 19 76412101A RUBBER PAD 2 20 76410641A VIBRATION DAMPER PAD 2 21 8301M101AA 1 22 77211021A SCREW TBEIF M6X10 4 23 85040671A CLAMP TUCKER 8 24 75840801A CLAMP 2 25 8291P401A BRACKET, CONNECTOR 1 26 88641721A O-RING 1.78X14 4 27 85540091A TOOTHED LOCK WASHER 6 28 8301N481AA BRACKET 1 29 77244163B SCREW TBEI M5X10 1
DRAWING 32C - LOCKER GROUP FRAME /24 D38000024 Page 148 / 174 SPARE PARTS CATALOGUE 20/01/2024
32C - LOCKER GROUP FRAME SPARE PARTS CATALOGUE 20/01/2024 Page 149 / 174 /24 D38000024 POS. CODE DESCRIPTION QTY VALIDITY NOTES 1 55910231A LOCKER 1 2 77214411AA SCREW TCEIF M5X9 4 3 85044691A QUICK FASTENING 1 4 69710411A 4 MM ALLEN WRENCH 1 5 85041471A CLIP NUT 1 6 8291P252B PANNIERS FASTENERS 1 7 77354743B SCREW TCEIR M5X20 DIN6912 8.8 1 8 70310581A RING NUT 1 9 79915361A SPRING 1 10 80610511AA 1 11 8291H741A GUIDE HANDLE, PILLION RIDER 2 12 83510101A PIN 1 13 8291P242A 1 14 79110921A GASKET 1 15 77240593C SCREW 8 16 76410901A RUBBER PAD 1 17 72010513C SCREW 2 18 86610751A PAD 2 19 87241321A PLUG 1 20 87240561A PLUG 4
DRAWING
DRAWING 33A - OIL COOLER GROUP FRAME /24 D38000024 Page 150 / 174 SPARE PARTS CATALOGUE 20/01/2024
OIL COOLER GROUP FRAME SPARE PARTS CATALOGUE 20/01/2024 Page 151 / 174 /24 D38000024 POS. CODE DESCRIPTION QTY VALIDITY NOTES 1 54811651A OIL COOLER 1 2 54911523A OIL DELIVERY PIPE 1 3 54911532A PIPE 1 4 82718471AA PLATE 2 5 82714201A PLATE 1 6 88643141A O-RING 8 7 85211951A GASKET 10.5X17X2 1 8 53940302A SWITCH ASSY, OIL PRESSURE 1 9 76410241A VIBRATION DAMPER PAD 1 10 77116648B SCREW M6X14 2 11 77240438C SCREW TBEIF M6X18 1 12 75841191A HOSE GUIDE 1 13 75841201A HOSE GUIDE 1
DRAWING 33A -
DRAWING 34A - AIR INTAKE - OIL BREATHER GROUP FRAME /24 D38000024 Page 152 / 174 SPARE PARTS CATALOGUE 20/01/2024
34A - AIR INTAKE - OIL BREATHER
FRAME SPARE PARTS CATALOGUE 20/01/2024 Page 153 / 174 /24 D38000024 POS. CODE DESCRIPTION QTY VALIDITY NOTES 1 44219452A LOWER FILTER BOX 1 2 59019441A HOSE, DRAIN AIRBOX 1 3 88111411A HOSE GUIDE 1 4 74941108B NUT 1 5 85213081A WASHER 1 6 87211261AB PLUG 2 7 87614181A PIPE 1 8 79111491A GASKET 1 9 24717422A COVER AIR BOX , UPPER 1 10 42610712A FILTER, AIR 1 11 75840801A CLAMP 3 12 77550213C SCREW TBEI M6X16 10 13 80111381A DUCT 1 14 55240121A SENSOR, AIR TEMPERATURE 1 15 77214411BA SCREW, SPECIAL 4 16 77440183C SCREW 2 17 76410861A RUBBER PAD 1 18 85041711A HOSE GUIDE 2 19 77440141A SCREW, TAPPING 4X8 WN1412 3 20 85041951AA QUICK FASTENING 2 21 74141491A CLAMP 26/8 MM 2 22 74140651A FASCETTA 11-7 MM 1 23 8291M611A BRACKET, CONNECTOR 1
DRAWING
GROUP
DRAWING 35A - THROTTLE BODY GROUP FRAME /24 D38000024 Page 154 / 174 SPARE PARTS CATALOGUE 20/01/2024
- THROTTLE BODY GROUP FRAME SPARE PARTS CATALOGUE 20/01/2024 Page 155 / 174 /24 D38000024 POS. CODE DESCRIPTION QTY VALIDITY NOTES 1 13510681AA AIR FUNNEL 4 2 14010931A INTAKE MANIFOLD 4 3 28040501A INJECTOR 4 4 28211461A THROTTLE BODY 2 5 59028001A FUEL TANK PIPES 1 6 72050173CF SCREW 16 7 72050283C SCREW 4 8 77110591A SCREW TCEI M5X14 UNI5931 2 9 77156408B SCREW TCEIF M5X14 4 10 77240453CA SCREW TBEIF M6X22 10.9 8 11 8291I901A HOLDER 1 12 85042371A CLIP 4
DRAWING 35A
DRAWING 35B - CANISTER FILTER GROUP FRAME /24 D38000024 Page 156 / 174 SPARE PARTS CATALOGUE 20/01/2024
FRAME SPARE PARTS CATALOGUE 20/01/2024 Page 157 / 174 /24 D38000024 POS. CODE DESCRIPTION QTY VALIDITY NOTES 1 42610771A CANISTER FILTER 1 2 8291P572A BRACKET, CANISTER 1 3 65540131A VALVE, BREATHER 2 4 93511311A PIPE 2 5 935Z0471A BREATHER PIPE 1 6 935Z0481A HOSE, DRAIN 1 7 81413251A UNION 2 8 74141721A CLAMP 2 9 74140651A FASCETTA 11-7 MM 11 10 74141711A CLAMP 10-7 MM 2 11 74140431A CLAMP 8 12 935Z0441A TUBO ARIA CALMA CANISTER 1 13 81446871A THREE-WAYS UNION 2 14 93512091A HOSE, DRAIN 1 15 935Z0451A PIPE 1 16 935Z0461A 1 17 935Z0421A PIPE 1 18 935Z0431A PIPE 2 19 81414001AA THREE-WAYS UNION 1 20 74142951A CLAMP 1 21 87211751A PLUG 1 22 81417252A UNION 1 23 935Z0071A 4 24 74141001A CLAMP 8.5/7 1 25 74110131A CLAMP, RUBBER 82MM 1 26 74110551A CLAMP, RUBBER 39MM 12 27 74110121A CLAMP, RUBBER 62MM 1
DRAWING 35B - CANISTER FILTER GROUP
DRAWING 36B - FAIRING GROUP FRAME /24 D38000024 Page 158 / 174 SPARE PARTS CATALOGUE 20/01/2024
36B - FAIRING GROUP FRAME SPARE PARTS CATALOGUE 20/01/2024 Page 159 / 174 /24 D38000024 POS. CODE DESCRIPTION QTY VALIDITY NOTES 1 4801D144AA RADIATOR COVER 1 XCO:R 4801D144AB RADIATOR COVER 1 XCO:THB 2 4381F311A DECAL "DIAVEL V4" 2 XCO:R 4381F311B DECAL "DIAVEL V4" 1 XCO:THB 3 4801D152AA RADIATOR COVER 1 XCO:R 4801D152AB RADIATOR COVER 1 XCO:THB 4 4801D161A 1 5 4801D241A 1 6 71611361A SPACER 2 7 77214081AA SCREW, SPECIAL 10 8 4801D172A 1 9 4601M601AA NET FRONT RH 1 10 4801D271AA 1 11 4801D281AA 1 12 4801D291AA 1 13 4802D301BB COVER, RADIATOR, RH 1 14 77244193B SCREW 2 15 77156393B SCREW M5X12 12 16 85040631A QUICK FASTENING 2 17 4802D311BB COVER, RADIATOR, LH 1 18 77211261B SCREW, SPECIAL 2 19 85041951AA QUICK FASTENING 4 20 4801D261AA 1 21 4601M611AA NET FRONT LH 1 22 85040521A CLIP 14 23 77244183B SCREW TBEI M5X14 10 24 4801D231B PANEL, SIDE LH 1 25 4801D221B PANEL, SIDE RH 1 26 4801D251A 1 27 78811521A RUBBER PAD 4
DRAWING
DRAWING 36C - FAIRING GROUP FRAME /24 D38000024 Page 160 / 174 SPARE PARTS CATALOGUE 20/01/2024
36C - FAIRING GROUP FRAME SPARE PARTS CATALOGUE 20/01/2024 Page 161 / 174 /24 D38000024 POS. CODE DESCRIPTION QTY VALIDITY NOTES 1 4801D531A 2 2 4601M532A CAP LH 1 3 4601M542A CAP RH 1 4 48612991A 1 5 76412441A VIBRATION DAMPER PAD 2 6 76414191A DAMPER 1 7 48613041A ACOUSTIC INSULATION PANEL, RH 1 8 86610751A PAD 4 9 77211261B SCREW, SPECIAL 5 10 77211091C SCREW 2 11 77910921A SCREW 1 12 48217102A COVER , FRAME LH 1 13 48217092A COVER , FRAME RH 1 14 77214411AA SCREW TCEIF M5X9 1 15 77214371AA SCREW 2 16 85212181A WASHER, NYLON 9X14X1 2 17 48217081AA COVER 1 XCO:R 48217081AB COVER, FUEL TANK BLACK 1 XCO:THB 18 4601M571A COVER HANDSFREE 1 19 75011491AB NUT, SPECIAL 2 20 85040521A CLIP 8 21 71113331AA BUSH 2
DRAWING
DRAWING 36D - FAIRING GROUP FRAME /24 D38000024 Page 162 / 174 SPARE PARTS CATALOGUE 20/01/2024
DRAWING 36D - FAIRING GROUP FRAME SPARE PARTS CATALOGUE 20/01/2024 Page 163 / 174 /24 D38000024 POS. CODE DESCRIPTION QTY VALIDITY NOTES 1 4801D091AA CAP LH 1 XCO:R 4801D091AB COVER SINISTRO NERO 1 XCO:THB 2 4801D101AA CAP RH 1 XCO:R 4801D101AB CAP R.H. BLACK 1 XCO:THB 3 4801D111A 1 4 4801D121A 1 5 4801D131A 1 6 4601M521AA MASH 1 7 8291P211A 1 8 8291P221A 1 9 7791B801AA SCREW, SPECIAL 1 10 75040141A NUT 3 11 85250311AB WASHER 4 12 7791C483AA SCREW, SPECIAL M6X20 3 13 77240403CA SCREW M6X12 1 14 85044281A QUICK FASTENING 2 15 77214411AA SCREW TCEIF M5X9 8 16 85212181A WASHER, NYLON 9X14X1 5 17 85041931A CLIP 8 18 77244173B SCREW TBEI M5X12 2 19 85040471A QUICK FASTENING M5 3 20 77210841C SCREW 2 21 74941108B NUT 2 22 8301M521AA BRACKET 1 23 85040521A CLIP 6 24 77211261B SCREW, SPECIAL 1 25 77244193B SCREW 2 26 4601R151A SUMP GUARD 1
ALPHANUMERIC INDEX /24 D38000024 Page 164 / 174 SPARE PARTS CATALOGUE 20/01/2024 CODE NO. TABLE POS. 069191030 12A 1 069191030 16A 14 069191030 24B 24 11210942AA 09B 1 11210942AB 09B 1 11210942AC 09B 1 11210942AD 09B 1 11210942AE 09B 1 11210952AA 09B 2 11210952AB 09B 2 11210952AC 09B 2 11210952AD 09B 2 11210952AE 09B 2 11210991AB 05A 1 11210991AC 05A 1 11210991AD 05A 1 11711771A 03B 1 11723802AA 25B 11 12113721B 06A 4 12113861B 06A 3 12120832A 06A 1 12222471E 06A 2 13510681AA 35A 1 14010931A 35A 2 14622712AA 05A 2 14622712AB 05A 2 14622712AC 05A 2 14622712AD 05A 2 14816511A 11B 4 14816521A 11B 3 14816531A 11A 4 14816541A 11A 8 14912541A 03A 2 14912603A 03A 1 15022391A 03A 33 15022463A 03A 34 15310072B 21A 7 15621191EA 05A 4 15621191EB 05A 4 15621191EC 05A 4 15621191ED 05A 4 16016841AA 28B 11 16016931A 10A 1 16024461A 29A 16 CODE NO. TABLE POS. 17011661B 03B 22 17021611B 03B 2 17112211A 11A 7 17112211A 11B 7 17112222B 11A 3 17112222B 11B 8 17216031A 03A 6 17216041A 03A 12 17216051A 03A 3 17216061A 03A 4 17216071A 03A 5
03A 7
03A 8 17216101A 03A 9 17216111A 03A 10 17216121A 03A 11 17320331C 10A 6 17410851C 06B 1 17610281A 10A 7 18010472A 02A 1 18010482A 02A 2 18010492A 02A 3 18120071A 02A 4 18220721A 02A 12 182P0011A 02A 11
25B 12
12G 2
19C 16 18710021A 21B 3 19010421A 03B 24 19020521A 03B 3 19410511A 03B 4 19540091D 21B 20 19610711A 03B 5 19610721A 03B 6 19820502A 03B 7 20810521A 11C 1 20810521A 11D 1 21011221D 11C 2 21011221D 11D 2 21111222B 11C 3 21111222B 11D 3 22032083A 04A 8 225P0223AI 09A 1 CODE NO. TABLE POS. 24211141BS 04B 3 243P0035BS 04A 18 24715791A 11A 2 24715791A 11B 2 24715873AI 11B 21 24715882AI 11A 21 24717422A 34A 9 24717442A 12G 3 24717451A 12G 5 24717461AA 13A 2 24717461AB 13A 2 24717551AB 31A 3 24717552AA 31A 3 24735581AS 04B 6 247P5863A 04C 1 24920511K 06B 2 249Z0012A 08A 1 25110101A 06B 7 25210261BI 04C 3 25440014A 04A 34 26420591A 10A 14 27040193A 10A 8 28040501A 35A 3 28211461A 35A 4 28643751C 12C 1 30125434DR 11D 4 30125443DR 11C 4 303A0841B 11C 5 303A0841B 11D 5 304A1131A 11C 6 304A1131A 11D 6 304A1141A 11C 7 304A1141A 11D 7 34111921BA 17A 11 34221321BB 17A 1 34421333A 17B 1 34521333A 17B 2 34922101A 17B 11 34922821A 17B 9 34922831A 17B 10 34923211A 17B 6 34923221A 17B 7 34923231A 17B 8 34923241A 17B 5 CODE NO. TABLE POS. 34923271A 17B 4 34923281A 17B 3 36012412AA 21A 3 36016161CA 21A 1 36016171CA 21A 2 36522151A 22A 1 36911582AA 18A 4 36911592AA 18A 5 37029232BA 18A 1 38010211D 11A 25 38010211D 11B 25 38511575A 12C 16 38512226A 12G 9 38540093B 12C 14 38620061A 12A 13 38620071A 12A 14 38620081A 12A 15 38641001A 12G 1 38940191A 12A 7 38940201A 12A 7 38940211A 12A 7 38940221A 12A 7 38940241A 12A 7 38940251A 12A 7 38940261A 12A 7 38940351A 12A 8 39740081B 12B 15 40611905A 14A 1 42520101A 29A 21 42610712A 34A 10 42610771A 35B 1 42710241A 09B 3 43312502C 04A 32 43818081AB 31A 24 43818091AB 31A 23 4381D891C 31A 23 4381D901C 31A 24 4381F311A 36B 2 4381F311B 36B 2 4381G741A 29A 2 4381G741B 29A 2 44219452A 34A 1 44440312B 04C 4 44610601A 18A 2
17216081A
17216091A
18410102A
18410252A
18710021A

4601N921A

4601N921A

46520952AA

47018941CA

47018952CA

47111973BA

4801D091AA 36D 1

1

4801D091AB 36D 1

4801D101AA 36D 2

4801D101AB 36D 2

4801D111A 36D 3

4801D144AA

4801D152AA

4801D152AB

4801D161A

4801D172A

4801D221B 36B 25

4801D231B 36B 24

4801D241A

ALPHANUMERIC INDEX SPARE PARTS CATALOGUE 20/01/2024 Page 165 / 174 /24 D38000024 CODE NO. TABLE POS. 44712601B 18A 11 44712621AA 16A 9 44712641A 18A 14 44712701A 18A 17
07A 1
07A 2 44910732B 03B 14 44910741A 08A 2 44910801A 16A 3 45140021C 07A 3 45520172A 09A 16 45613631AA 25A 12 45623641AA 25A 2 45721271AA 25B 4 4601D672A 20A 3 4601F281A 19B 17 4601F472A 10A 15 4601L831A 12D 10 4601M521AA 36D 6 4601M532A 36C 2 4601M542A 36C 3 4601M552A 16A 1 4601M571A 36C 18 4601M581A 30B 29 4601M591A 17A 2 4601M601AA 36B 9 4601M611AA 36B 21 4601M621A 30B 13 4601M631A 30B 10 4601M642AA 25B 2 4601M651A 30B 5 4601M812A 30B 30 4601N871B 30D 4 4601N881A 24B 26 4601N891B 30D 2
44740112A
44740122A
24B 27
30C 13
30D 8
36D 26
30B 3 46210021A 21A 19 46240461A 20A 20 46410632B 25A 17
25B 15
NO. TABLE POS.
32B 4
4601P861A
4601R151A
46111312A
46410643B
CODE
46520942AA
32B
3
32B
2
32B
32A 1
4801D121A 36D 4
4801D131A 36D 5
36B 1
4801D144AB 36B 1
36B 3
36B 3
36B 4
36B 8
36B 5
36B 26
36B 20
36B 10 4801D281AA 36B 11
36B 12 4801D531A 36C 1 4802D301BB 36B 13 4802D311BB 36B 17 48212721AA 31A 13 48212721AB 31A 13 48212731AA 31A 12 48212731AB 31A 12 48217071A 31A 16 48217081AA 36C 17 48217081AB 36C 17
36C 13 48217102A 36C 12 48217111B 31A 17 48612261A 04A 3 48612272A 04A 30 48612281A 04A 2 48612293A 04A 31 48612551A 04A 37 CODE NO. TABLE POS. 48612991A 36C 4 48613002A 32A 2 48613012A 32A 3 48613041A 36C 7 49040663A A 3 49040663A C 1 490P0272A A 1 490P0272A B 1 49140881B A 4 49140881B C 2 491P0349A A 2 491P0349A B 2 49241111A 28B 2 49241341A 27A 4 49241351A 27A 14 49411891AA 28B 12 49720031A 28A 2 49720071AC 27A 9 50122801AA 27A 5 50212471AA 28A 1 50410091A 28B 4 50410271B 05A 6 504Z0381AA 27A 10 5101I231D 12A 2 5101I241D 12F 1 5101I261C 12A 3 5101L171A 12A 9 5101M431A 12A 6 51310931B 12B 13 51310941C 12B 12 51411101C 12B 14 51610053D 24A 2 51840341B 12G 10 52010591C 13A 1 52340242AC 21A 15 52340252AC 21A 16 52510611A 20A 11 52510743B 13B 1 52910092C 20A 1 52910261A 19B 9 53010382A 13C 4 53010392A 13C 5 53010571C 13C 1 53010581C 13C 2 CODE NO. TABLE POS. 53910351A 15A 3 53910431C 19A 10 53920931A 25B 27 53940302A 33A 8 53941111A 21B 9 54040331A 12C 12 54140151A 12A 10 54241033A 19C 5 54811651A 33A 1 54812672A 24A 1 54911523A 33A 2 54911532A 33A 3 55040432A 24A 15 55215021A 30B 11 55219421B 12G 11 55219441D 12G 12 5521A301D 25A 8 55240121A 17A 19 55240121A 34A 14 55241321C 04A 13 55243181A 09A 17 55243731C 12C 5 55243931A 02A 13 55243942B 09B 4 55244081A 24B 4 55320191A 24B 3 55611381AA 15A 1 55910231A 32C 1 56113421A 20A 10 56113561AA 20A 19 56116461AA 20A 6 56416853AB 23A 1 56416853AC 23A 1 56511441A 26A 1 57015331A 30B 2 57115221A 30B 4 57315802B 30B 6 575P0071A 30B 8 57610671A 30B 9 58511372A 24B 1 58520151B 08A 3 58540341A 19D 14 58540371A 19A 8 58540371A 21B 18
4801D251A
4801D261AA
4801D271AA
4801D291AA
48217092A

59340301A 30D 1

59517232AA 31A 1

62641281A

63041041A

ALPHANUMERIC INDEX /24 D38000024 Page 166 / 174 SPARE PARTS CATALOGUE 20/01/2024 CODE NO. TABLE POS.
29A 1
29A 1
58613153AA
58613153AB
2
59019441A 34A
5
59028001A 35A
2 59810371C 12D 4 59810451A 31A 26 59820611A 31A 22 59821971R 12D 1 59822591A 12D 12 59822631A 12D 2 59840511A 12D 7 59840521A 12D 8 61041991A 21B 19 61042161A 19B 1 61042171A 19B 2 61140372B 19D 1 61240052A 19B 16 61240052A 19C 17 61240052A 21B 4 61240081A 19D 19 61240201A 19B 14 61240231A 19A 4 61240231A 21B 15 61240302A 19D 20 61240321A 19D 21 61240391A 19A 12 61240391A 21B 12 61240481A 19D 22 61241231A 19B 15 61340941A 19D 23 61341101A 19B 13 61610021A 24B 21 61811931B 19C 1 61811941B 19C 2
19B 3 61911932A 19C 11 61911942A 19C 12 62441481A 19A 1 62540341A 19D 9 62610121A 19A 11 62610131A 21B 2 CODE NO. TABLE POS. 62640561A 19A 3 62640561A 21B 17 62640761A 19A 7 62640761A 21B 13
19A 9
21B 14
59517248AA 31A
61841411A
62640771A
62640771A
19A 2
21B 10
62641291A
21B 1
19D 24
21B 6
21A 4
21A 5 65110551B 21A 5 65540081A 30C 1 65540131A 35B 3 66020102B 21A 6 66810581B 09A 18 66810591A 04A 23 66810591A 11C 10 66810591A 11D 10 67040581B 11A 30
11B 30
16A 15 67641142A 08A 4 67641651A 16A 4 68050101A 03A 32 69710411A 32C 4 69926751A 12B 1 69929221A 29A 20 70010481B 13A 6 70010571A 28B 10 70010811A 29A 12 70011041A 20A 18 70011061A 12C 17 70011071A 12C 2 70011221AA 20A 21 70011391A 17A 14 70140111B 09A 19 70140171A 18A 6 70140311A 03A 13 70140321A 03A 14 70140331A 03A 15 70140471A 10A 2 CODE NO. TABLE POS. 70241231A 17A 9 70241761A 03A 25 70241781A 03A 26 70241801A 09A 20 70241901A 09A 21 70250412A 02A 14 70250451A 18A 8 70250601A 03B 8 70250621A 27A 6 70310131A 17A 10 70310581A 32C 8 71011071A 21A 8 71011491A 30B 15 71012021B 03A 28 710P0021A 03A 27 71111301A 21A 9 71112191A 09A 2 71113331AA 36C 21 71113742A 11A 13 71113742A 11B 13 71115051E 09A 22 71116941A 09B 17 7111E452AA 21B 21 7111E551A 09B 6 71210341A 25A 3 71210341A 25B 5 71210631A 03A 16 71240331A 03B 15 71311871A 18A 9 71311961A 27A 3 71311973A 27A 11 71312411A 20A 15 71313091A 03B 9 71313641A 19B 5 71314901A 12G 14 71316011B 03B 10 71316102A 10A 13 71319201A 12G 14 7131D051A 21A 14 7131D741AA 18A 10 7131E911AA 12D 9 7131F221AA 17A 15 7131F421AA 29A 4 7131F431AA 29A 19 CODE NO. TABLE POS. 713P0021A 03A 31 71410751A 28B 13 71411352AA 28A 6 71413221A 27A 7 71610031A 19C 8 71610061A 12C 10 71610111AB 13A 8 71611361A 36B 6 71611571C 02A 5 71611581C 02A 6 71611641AA 24B 13 71614011B 23A 3 71614011B 30D 5 71614141A 30B 16 71614251A 30B 12 71615261AA 30C 10 71616351AA 30D 10 71616431AA 24A 6 71616481AA 14A 5 71850253C 29A 5 71850338C 08A 5 71950370CF 04B 1 72010513C 27A 2 72010513C 32C 17 72050159EA 28B 5 72050173CF 35A 6 72050283C 35A 7 72050313C 30B 14 73210982B 30D 16 735034405 09B 7 73840052A 07A 4 73840062A 07A 5 74110121A 35B 27 74110131A 35B 25 74110551A 19C 24 74110551A 35B 26 74140331A 18A 28 74140381A 12A 4 74140381A 16A 13 74140381A 20A 22 74140381A 24B 25 74140431A 35B 11 74140651A 24B 23 74140651A 30C 14
63140281A
63211161B
65010491B
65110541B
67040581B
67621431A

75620131A

75810541B

75810642A

75811881A

75811901A

75811911B

75812001A

75812011A

75812022A

75812062A

75812071A

75812072A

75840771A

15

ALPHANUMERIC INDEX SPARE PARTS CATALOGUE 20/01/2024 Page 167 / 174 /24 D38000024 CODE NO. TABLE POS. 74140651A 34A 22 74140651A 35B 9 74141001A 09B 22 74141001A 30C 15 74141001A 35B 24 74141491A 24B 11 74141491A 34A 21 74141711A 35B 10 74141721A 35B 8 74141851A 24B 20 74141851A 30B 18 74142401A 30C 4 74142441A 10A 12 74142591A 24B 10 74142941A 12A 11 74142951A 19D 17 74142951A 35B 20 74143031A 30B 25 74710151B 09A 23 74750031A 25B 13 74750071A 17A 6 74750101A 25A 11 74810351B 19B 12 74810351B 19D 16 74810361A 30B 24 74810461A 28B 9 74810651A 27A 13 74810761A 15A 6 74811021B 05A 7 74811021B 10A 3 74840241AB 32B 15 74840481B 09A 5 74841091AA 30B 23 74841101AA 12B 16 74841101AA 13A 10 74850061A 20A 13 74940321A 24A 3 74941103B 24A 8 74941108B 30D 6 74941108B 34A 4 74941108B 36D 21 74941113B 23A 5 74941113B 30D 17 74941501A 19C 21 CODE NO. TABLE POS. 74950011B 20A 17 75010072E 03B 16 75011211A 12F 2 75011491AB 36C 19
28A 4
28B 7
36D 10
75012072AA
75012072AA
75040141A
28B 15
30D 19
12G
18A
20
17A
16
17A
20A
19C
18A
17 75811961A
5 75811981A
3 75811991A
21
12D
11
30D
11
18A
19
16A 2
19C 25
19C 25
30D 20 75840801A 32B 24 75840801A 34A 11 75840951A 30B 17 75840951A 30D 14 75841031A 12C 23 75841041A 12C 21 75841091A 12G 17 75841101A 12G 18 75841191A 33A 12 75841201A 33A 13 75910222A 28A 3 75910222A 28B 6 75910251A 30D 21 75910392A 24B 7 75910451A 12B 2 76410241A 12C 9 76410241A 24B 12 76410241A 30B 26 76410241A 33A 9 76410641A 13A 5 76410641A 32B 20 CODE NO. TABLE POS. 76410641B 19C 7 76410861A 34A 17 76410901A 12B 4 76410901A 32C 16 76410971A 17A 20 76411061A 29A 7 76411361A 24A 9 76411451A 25A 7 76411501A 24A 7 76411671A 30C 9 76412041A 13B 2 76412101A 32B 19 76412121A 04A 9 76412121A 11A 22 76412121A 11B 22 76412121A 11C 35 76412121A 11D 35 76412441A 12C 3 76412441A 29A 6 76412441A 36C 5 76414191A 19D 12 76414191A 36C 6 76414272A 29A 3 76414461AA 30C 5 76417741A 14A 3 76440091B 11C 11 76440091B 11D 11 76510041B 25A 18 76510041B 25B 16 76510331A 32B 6 76510341A 32B 5 76611231A 09A 7 76640191A 11A 12 76640191A 11B 12 77110401A 25A 13 77110401A 30D 12 77110401B 11A 27 77110401B 11B 27 77110401B 12G 13 77110591A 35A 8 77113691C 13C 3 77113731A 21A 17 77113741A 21A 18 77116648B 33A 10 CODE NO. TABLE POS. 77140141A 19A 5 77140141A 21B 16 77150498B 24A 5 77150624B 11C 12 77150624B 11D 12 77150638B 18A 29 77150648B 13A 4 77150753B 16A 7 77150763B 21A 10 77150768B 16A 6 77151298B 02A 16 7715433BZ 16A 10 77156209E 09B 8 77156393B 36B 15 77156408B 17A 18 77156408B 35A 9 77156418B 29A 9 77156423B 08A 6 77156628B 12B 7 77156643B 12G 6 77156643B 32B 10 77156673C 19D 10 77156683B 21A 13 77156713B 21A 12 77156733B 16A 8 77157253B 15A 7 77157253B 25A 14 77157253B 25B 10 7715727AF 17A 4 77159338B 19D 3 7715936BG 32B 14 7715940ACA 17A 12 77210841C 36D 20 77210893B 23A 2 77211021A 32B 22 77211061A 12B 9 77211091C 36C 10 77211201A 03B 11 77211251A 25B 21 77211251A 31A 7 77211251B 17A 3 77211251B 18A 22 77211261B 18A 16 77211261B 36B 18

77244348BA

77244373B

77253280Z

77253290ZF

ALPHANUMERIC INDEX /24 D38000024 Page 168 / 174 SPARE PARTS CATALOGUE 20/01/2024 CODE NO. TABLE POS. 77211261B 36C 9 77211261B 36D 24 77214031A 19C 4 77214081AA 19C 10 77214081AA 36B 7 77214231A 18A 12 77214371AA 36C 15 77214411AA 29A 14 77214411AA 30B 27 77214411AA 31A 15 77214411AA 32C 2 77214411AA 36C 14 77214411AA 36D 15 77214411BA 18A 3 77214411BA 20A 2 77214411BA 26A 2 77214411BA 34A 15 77240288C 30B 21 77240393C 09B 9 77240403CA 20A 9 77240403CA 36D 13 77240433C 31A 27 77240438C 33A 11 77240453C 20A 8 77240453CA 35A 10 77240483C 30D 13 77240573C 19C 20 77240573C 24A 4 77240593C 32C 15 77244163B 13B 4 77244163B 29A 18 77244163B 32B 29 77244168B 30B 33 77244168B 30D 7 77244173B 12C 19 77244173B 16A 12 77244173B 25B 3 77244173B 31A 18 77244173B 36D 18 77244183B 36B 23 77244193B 36B 14 77244193B 36D 25 77244203B 12C 15 77244203B 14A 4 CODE NO. TABLE POS. 77244203B 16A 5 77244203B 30B 19 77244203B 30C 8 77244213B 29A 17 77244233B 24B 14 77244233B 30C 7 77244303B 24B 15 77244348B 24A 14 77244348B 30B 31 77244348B 30D 3
25A 9
12C 13
77244373B
30B 22
20A 7 77250744BA 11A 1 77250744BA 11B 1
19C 9 77251058B 12C 7 77251324CF 09A 13 77251344C 09A 9 77251344C 09B 18 77251364C 09A 11
09A 12
11A 6
7724453AF
77251023C
77251404C
77253280Z
11B 6
08A 7 77253300ZF 10A 4 77253300ZF 11A 20 77253300ZF 11B 20 77253304C 04A 16 77253304CF 08A 8 77253314CF 03A 29 77253314CF 04C 5 77253334CF 10A 10 77253350Z 11C 8 77253350Z 11D 8 77253354C 09B 19 77253364CF 08A 9 77253384C 11A 5 77253384C 11B 5 77351223BF 32B 18 77354743B 32C 7 77440061A 24A 10 77440141A 34A 19 CODE NO. TABLE POS. 77440171A 12B 6 77440183C 12G 4 77440183C 34A 16 77440251A 31A 19 77510161A 20A 12 77510314B 09A 25 77550200CC 04A 5 77550213C 12G 16 77550213C 34A 12 77550353B 25B 25 77750494C 04B 8 77850281A 17A 5 77910921A 36C 11 77910921B 19D 13 77913091AB 19B 7 77913311D 19B 4 77913541A 11C 13 77913541A 11D 13 77913611A 11C 14 77913611A 11D 14 77913662AB 19B 8 77913662AB 19C 13 77913662AB 19D 8 77913662AB 21B 8 77913971A 19C 15 77914151A 19A 13 77914401B 18A 18 77914651A 21B 5 77914871C 20A 4 77915041A 22A 2 77915471A 05A 3 77916041DA 08A 10 77916241A 09A 27 77916601A 25A 22 77916601A 25B 23 77917161B 04C 8 77917241AA 15A 4 77918251AA 18A 25 77918261AA 28B 3 7791A381A 09A 28 7791A571A 05A 5 7791A621B 11A 15 7791A621B 11B 15 7791A631A 09A 4 CODE NO. TABLE POS. 7791A651A 09A 3 7791A661A 09A 6 7791A751B 04A 35 7791A751B 11A 24 7791A751B 11B 24 7791B121A 06B 5 7791B321AA 32B 17 7791B431AA 31A 14 7791B441AA 32B 16 7791B491A 04A 10 7791B491A 11C 36 7791B491A 11D 36 7791B801AA 36D 9 7791B851BA 04C 12 7791B971AA 25A 16 7791B971AA 25B 20 7791C031A 03B 17 7791C042A 04B 4 7791C071AA 32A 4 7791C361A 09A 10 7791C483AA 04A 38 7791C483AA 04B 9 7791C483AA 36D 12 7791C511AA 25B 26 7791C971AA 12D 6 77927172B 09A 29 77941992A 04A 1 77941992A 04B 5 77941992A 04C 9 77941992A 06B 4 77942002A 04A 21 77942002A 04C 10 78010511C 09B 11 78010871B 09A 31 78010921A 04A 7 78011262A 11C 15 78011262A 11D 15 78011281A 04A 33 78050011B 11C 16 78050011B 11D 16 78611541B 09B 12 78611551B 09B 13 78611692A 04C 11 78811521A 36B 27

82113561A

82714201A

82716051A

ALPHANUMERIC INDEX SPARE PARTS CATALOGUE 20/01/2024 Page 169 / 174 /24 D38000024 CODE NO. TABLE POS. 78811602B 11B 14 78811612A 11A 19 78811612A 11B 19 78811622B 11A 14 79010371A 30B 34 79110921A 32C 14 79111491A 34A 8 79710731A 03B 12 79810071A 11C 17 79810071A 11D 17 79810081A 11C 18 79810081A 11D 18 79910241B 32B 12 79912781A 03B 23 79914991A 25A 20 79914991A 25B 18 79915081A 15A 8 79915101C 09A 32 79915131C 02A 7 79915141D 02A 8 79915361A 32C 9 79915581A 24B 5 79915881AA 25B 9 79921602A 15A 9 79940121A 09A 33 800070139 01B 8 80018061A 24B 8 80018281A 24B 9 80018462A 24B 18 80018472A 24B 19 80111381A 34A 13 80610511AA 32C 10 81140021A 11A 29 81140021A 11B 29 81411113B 11A 10 81411113B 11B 10 81413251A 35B 7 81414001AA 35B 19 81416941A 11C 33 81416941A 11D 33 81417081AA 30C 6 81417151B 09A 34 81417252A 35B 22 81446871A 35B 13 CODE NO. TABLE POS. 81810162A 03B 18 81910692AA 27A 1 819Z0021B 28B 1 82010141A 09A 35 82110681CA 25A 19 82110681CA 25B 17
25A 4
25B
82111701CA
82111701CA
6
32B 8
25B 14
11C 19
11D 19
07A 6 82118261A 02A 17 82119582BC 15A 5
25B
25A
32B 7
19D
29A 11
82113811AA
82115561A
82115561A
82115621B
82414371AA
1 82414381AA
1 82414391AA
82510751AA
2 82610441AA
33A
5
32B 11 82716091A 04B 2 82716141A 31A 25 82718441A 11A 28 82718441A 11B 28 82718471AA 33A 4 82718841AA 19B 10 82718913A 04A 4 82718923A 04A 14 82718933A 04A 12 82718944A 04A 28 82718991A 04A 36 82719192A 25B 24 8271H811A 25B 22 8271H851A 09B 20 8271L011AA 19B 11 8291G311C 11A 18 8291G311C 11B 18 8291G861A 23A 4 8291H741A 32C 11 8291I901A 35A 11 8291M611A 34A 23 8291P211A 36D 7 CODE NO. TABLE POS. 8291P221A 36D 8 8291P231A 29A 10 8291P242A 32C 13 8291P252B 32C 6 8291P262B 12C 11 8291P272B 12C 6 8291P361A 12B 3 8291P401A 32B 25 8291P572A 35B 2 8291P581A 14A 2 8292P202AA 15A 2 8301A971AA 20A 14 8301M101AA 32B 21 8301M151A 19C 6 8301M161AA 13A 3 8301M171AA 24A 12 8301M512A 19C 18 8301M521AA 36D 22 8301M531AA 12C 20 8301M581BA 19D 11 8301N481AA 32B 28 83040071A 21A 11 83110151A 09A 36 83210031E 18A 30 83510101A 32C 12 83810011A 11C 20 83810011A 11D 20 83810021A 11C 21 83810021A 11D 21 83910051A 11C 22 83910051A 11D 22 83910071A 11C 23 83910071A 11D 23 84012021AA 11C 24 84012021AA 11D 24 84012021AB 11C 24 84012021AB 11D 24 84012021AC 11C 24 84012021AC 11D 24 84012021AD 11C 24 84012021AD 11D 24 84012021AE 11C 24 84012021AE 11D 24 84012021AF 11C 24 CODE NO. TABLE POS. 84012021AF 11D 24 84012021AG 11C 24 84012021AG 11D 24 84012021AH 11C 24 84012021AH 11D 24 84012021AI 11C 24 84012021AI 11D 24 84012021AJ 11C 24 84012021AJ 11D 24 84012021AK 11C 24 84012021AK 11D 24 84012021AL 11C 24 84012021AL 11D 24 84012021AM 11C 24 84012021AM 11D 24 84012021AN 11C 24 84012021AN 11D 24 84012021AO 11C 24 84012021AO 11D 24 84012021AP 11C 24 84012021AP 11D 24 84012021AQ 11C 24 84012021AQ 11D 24 84540081A 11C 25 84540081A 11D 25 84740021A 32B 13 84740061A 09A 37 84850021A 25A 10 85040381A 12C 4 85040381A 19C 22 85040381A 24A 13 85040471A 30B 32 85040471A 30D 9 85040471A 36D 19 85040521A 36B 22 85040521A 36C 20 85040521A 36D 23 85040631A 30B 7 85040631A 36B 16 85040671A 32B 23 85041471A 32C 5 85041711A 34A 18 85041931A 36D 17 85041951AA 12C 18
ALPHANUMERIC INDEX /24 D38000024 Page 170 / 174 SPARE PARTS CATALOGUE 20/01/2024 CODE NO. TABLE POS. 85041951AA 29A 15 85041951AA 34A 20 85041951AA 36B 19 85042371A 35A 12
36D 14 85044691A 30B 28
31A 20
32C 3 85110201A 03B 19 85210491B 17A 13 85211031AB 17A 8 85211201A 11C 26 85211201A 11D 26 85211511A 25A 6 85211511A 25B 7 85211671B 12C 8 85211951A 33A 7 85211961B 13B 3 85212171A 19D 5 85212181A 36C 16 85212181A 36D 16 85212211A 28A 5 85212211A 28B 8 85212221A 27A 12 85212641A 11A 26 85212641A 11B 26 85212651A 10A 11 85212661A 09A 38 85212661A 09B 16 85212721A 04A 26 85212731A 32B 9 85212771A 09A 14 85212801A 16A 11 85212971A 11C 34 85212971A 11D 34 85213002A 24A 11 85213081A 30D 15 85213081A 34A 5 85213291A 03A 17 85213311A 03A 18 85213981A 02A 18 85214051B 03B 20 85214071B 05A 8 85214071B 10A 5 CODE NO. TABLE POS. 85214141A 03A 19 85214421A 06B 3 85214421A 08A 11 85240261A 11C 27 85240261A 11D 27
12B 5
11C 28
11D 28
13B 5
11A 9 85250231A 11B 9 85250241A 04A 29 85250241A 11C 29 85250241A 11D 29 85250241A 19A 14 85250241A 19B 6 85250241A 19C 14 85250241A 19D 7 85250241A 21B 7
13A 9
36D 11
04C 6
09B 10 85310031A 04A 15 85310031A 12F 3 85350101A 12B 8 85540091A 32B 27 85540101AA 32A 5 85550001B 12B 10 85550001B 13A 7 85550021A 20A 16 85611271A 25A 15 85611372A 03A 20 85611391B 03B 13 85611491A 03A 21 85611551A 04A 6 85611551A 11A 23 85611551A 11B 23 85611551A 11C 37 85611551A 11D 37 85611621A 11A 11 85611621A 11B 11 85640121A 30B 20 85640141A 09A 39 CODE NO. TABLE POS. 85651691B 09A 8 85651691B 11A 16 85651691B 11B 16 86010061A 11C 30 86010061A 11D 30 86010151A 11C 31 86010151A 11D 31 86020011A 12D 5 86040071A 09A 40 86050061A 11C 9 86050061A 11D 9 86050341A 09A 41 86150181A 21A 20 86610191A 31A 4 86610301A 12C 22 86610301B 31A 5 86610581A 31A 21 86610611A 31A 6 86610751A 19C 19 86610751A 32C 18 86610751A 36C 8 86611121A 19C 23 86611861A 31A 8 86611871A 31A 9 86611881A 31A 10 86612241A 12B 11 86612441A 31A 11 86613411A 31A 29 86613561B 18A 13 86613571A 18A 15 86613601A 12G 7 86613611A 12G 8 87210641A 12A 12 87210741A 18A 27 87211261AB 34A 6 87211511A 29A 13 87211681A 12A 5 87211751A 35B 21 87211791A 18A 26 87211801A 18A 23 87211811A 18A 24 87211842A 09B 23 87240561A 32C 20 87241321A 32C 19 CODE NO. TABLE POS. 87512492B 09A 42 87614022A 30C 2 87614032A 30C 3 87614181A 34A 7 88110541A 28B 14 88111152B 03B 21 88111401A 30D 18 88111411A 34A 3 88440511A 19D 4 88440731A 03A 22 88440741A 03A 23 88440751A 03A 24 88441031A 06B 6 88450031A 25A 21 88450031A 25B 19 88450291A 04A 25 88450311A 02A 9 88450361A 02A 10 88450391B 02A 15 88610951A 04B 7 88640042A 03A 30 88640331A 04A 11 88640541A 08A 12 88640891A 04A 20 88641161A 25A 5 88641161A 25B 8 88641241A 19D 6 88641721A 32B 26 88641961A 09A 30 88641981A 24B 6 88642081A 07A 7 88642651A 08A 13 88642721A 04A 22 88642721A 11C 32 88642721A 11D 32 88642791A 09A 26 88643141A 33A 6 88643151A 10A 9 88650321A 04A 17 88650741A 11A 17 88650741A 11B 17 88650751A 09A 24 88650761A 04C 2 88650831A 09B 5
85044281A
85044691A
85044691A
85241711A
85241831A
85241831A
85250071A
85250231A
85250291A
85250311AB
85250541A
85250871A
ALPHANUMERIC INDEX SPARE PARTS CATALOGUE 20/01/2024 Page 171 / 174 /24 D38000024 CODE NO. TABLE POS. 887131058 01B 7 887131062 01B 9 887131074 01B 4 887132589 01D 3 887132951 01B 3 887133003 01D 1 887133203 01B 11 887133204 01B 2 887133211 01B 5 887133633 01D 4 887133879 01D 16 887134488 01B 10 887134967 01B 1 887135389 01A 7 887135396 01A 8 887135397 01A 9 887135840 01D 6 887135962 01A 10 887136155 01A 11 887138848 01B 6 887138851 01D 7 887138852 01D 8 887138854 01D 10 887138855 01D 11 887138856 01D 12 887138857 01D 13 887138858 01D 14 887138859 01A 1 887138860 01A 2 887138861 01A 3 887138862 01A 4 887138864 01A 6 887138869 01A 12 887138875 01A 13 889450087 01D 2 889450103 01D 15 889450111 01A 5 889450137 01D 5 889450138 01D 9 89310143A 24B 2 89310153A 04C 7 89310351A 24A 16 89320121A 04A 19 89340211A 19D 15 CODE NO. TABLE POS. 89340301A 21B 11 89340311A 19A 6 89420203A 08A 14 89520411AB 29A 8 91377061AR 31A 28 91377061BG 31A 28 91377061CA 31A 28 91377061CS 31A 28 91377061DA 31A 28 91377061DE 31A 28 91377061EL 31A 28 91377061EN 31A 28 91377061ES 31A 28 91377061FI 31A 28 91377061FR 31A 28 91377061HR 31A 28 91377061HU 31A 28 91377061IT 31A 28 91377061JA 31A 28 91377061KO 31A 28 91377061MX 31A 28 91377061NL 31A 28 91377061NO 31A 28 91377061PL 31A 28 91377061PT 31A 28 91377061RO 31A 28 91377061RU 31A 28 91377061SK 31A 28 91377061SL 31A 28 91377061SV 31A 28 91377061US 31A 28 91377061ZH 31A 28 92610051A 13A 11 93010041B 17A 7 93010102A 28B 16 93040932A 09A 15 93041501A 27A 8 93041521A 04A 27 93041591A 09B 14 93041592A 09A 15 93042221A 09B 15 93042231A 04A 24 93050121A 18A 7 93310871B 19D 18 CODE NO. TABLE POS. 93410581A 24B 16 93410611A 09B 21 93410631A 24B 17 93410681A 24B 22 93511311A 35B 4 93512091A 35B 14 935Z0051A 30C 12 935Z0061A 30C 16 935Z0071A 35B 23 935Z0111A 30C 11 935Z0421A 35B 17 935Z0431A 35B 18 935Z0441A 35B 12 935Z0451A 35B 15 935Z0461A 35B 16 935Z0471A 35B 5 935Z0481A 35B 6 944650035 L 1 944650037 L 2 979000253 01C 2 979000279 01C 1 979000281 01C 6 979000282 01C 3 979000283 01C 4 979000284 01C 5
ALPHANUMERIC INDEX /24 D38000024 Page 172 / 174 SPARE PARTS CATALOGUE 20/01/2024
Ducati Motor Holding S.p.A. Uffici Commerciali Amministrativi: Via A. Cavalieri Ducati n. 3 40132 Bologna, Italy Telefono 051 6413111 Fax 051 406580 Internet www.ducati.com

Turn static files into dynamic content formats.

Create a flipbook
Issuu converts static files into: digital portfolios, online yearbooks, online catalogs, digital photo albums and more. Sign up and create your flipbook.