Model Year 2026
Chassis prefix:
Cylinder capacity: 896

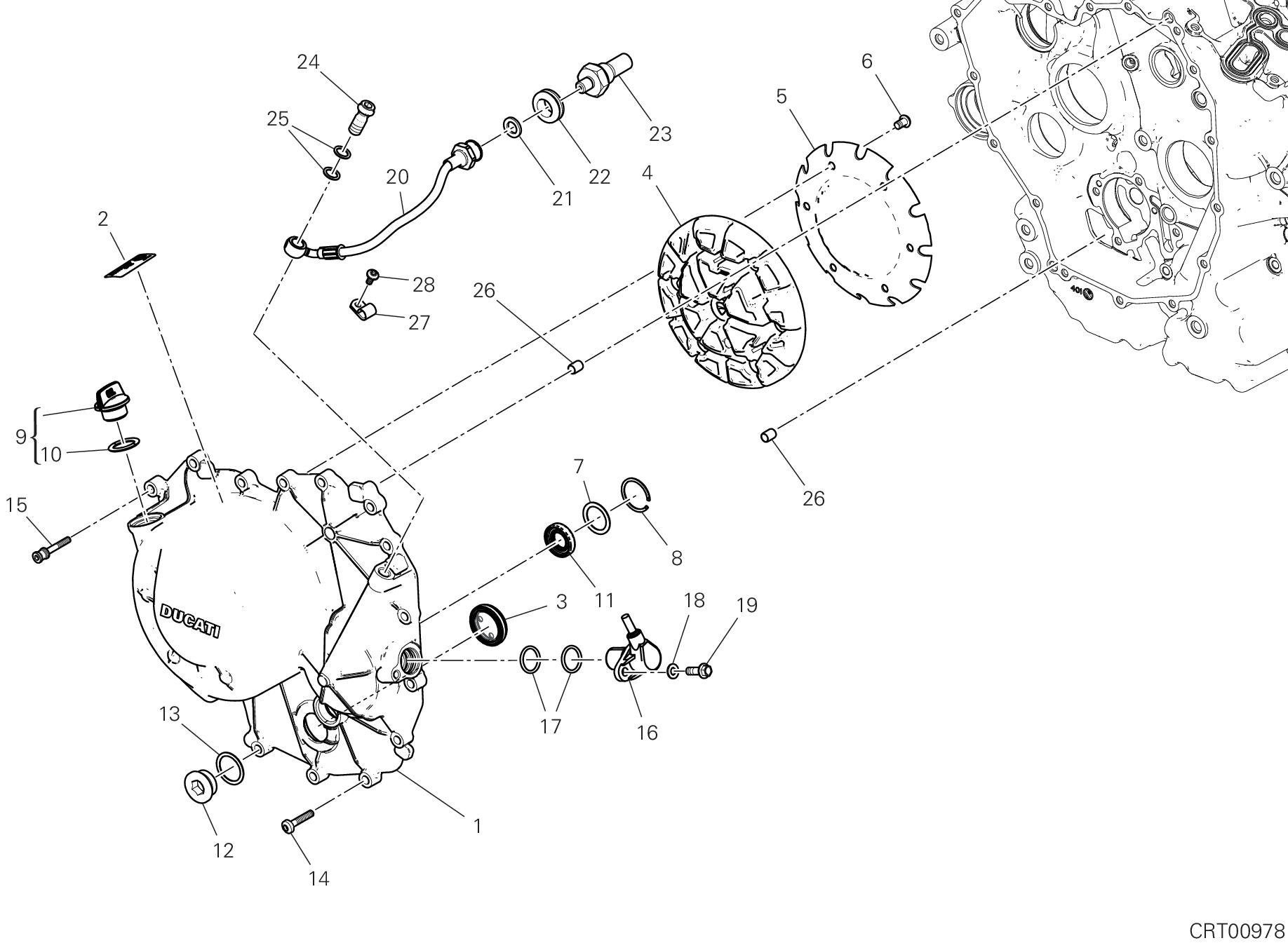
![]()
Model Year 2026
Chassis prefix:
Cylinder capacity: 896

SPARE PARTS CATALOGUE
The present spare parts order exactly the right spare parts.
When ordering specify:
1. the part's code number followed by its description and quantity needed;
2. the motorcycle's serial number, stamped on the steering head.
Reference to right and left apply to the vehicle in terms of its direction of move-ment.
Spare parts drawings are general and do not represent the part.
The contents of this catalogue are general and can undergo changes without prior notice.
























































































12B 28
12B 24
12A 24
03A 3
03A 12
03A 2
03A 16
22A 1
05A 7
15622371AE 05A 7 16024494A 30A 10 16028011A 29A 11
160Z0011A 11A 8
17011791B 03B 6
17112801A 12A 26
17112801A 12B 25
17216311A 03A 8
17216321A 03A 5
17216331A 03A 9
17216361A 03A 15
17216371A 03A 21
17216381A 03A 19
17216391A 03A 20
17217141A 03A 17
17217151A 03A 10
17217161A 03A 13
17310451A 11A 4
17411921A 10A 21
17411931A 10A 17
17420811A 08A 10
17420862A 08A 7
17620151A 11A 7
17740071E 12A 31
17740081E 12B 30
18010591A 02A 1
18010601A 02A 3
18010611A 02A 2
18120101A 02A 4
18220801A 02A 12
182P0031A 02A 11
18410241AA 26B 19
18710021A 22B 3
19020591A 03B 9
19410751A 03B 4
19510541A 22B 26
19540081C 22B 24
19611011A 03B 12
19611021A 03B 11
19820681A 03B 14
20810522C 12C 9
20810522C 12D 9
21011311B 12C 23
21111271A 12C 24 21111271A 12D 24
22032083A 04A 13
22032083A 09A 14
225P0316E 09A 1
24211372A5 04B 1
24311732B5 04A 1
24716992CD 12B 1
24717002CD 12A 1
24717221BB 10A 1
24717972A 12A 2
24717972A 12B 2
24717991B5 04B 6 24718022A 34B 1 24718321AA 26B 7
24718331AA 26A 3
24718391AB 26C 3
24718401AB 26C 12 24727602C 08A 5
08A
21011311B 12D 23 CODE NO. TABLE POS.
36A 8
34B 7
08A 11 44610741A 19A 2 44712991AA 17A 7 44713011A 19A 6 44713021A 19A 4 44713031A 19A 7
07A 6
07A 5
07A 1
03B 18
08A 2
12A 45
12B 44
07A 4
09A 4
26A 9
26A 17
26B 9 4601A181A 31B 21
31B 20
31B 7
34B 26
12A 46
12B 45
31B 8
31B 6
17A 6
31A 17
36B 2
36C 2
18A 15
36A 10
36A 9
36A 15
31A 7
31A 8
36A 6
36D 10
36B 4
36C 4
36C 5
4601S431A 36B 5
4601S441A 33B 5
4601S451A 33B 7
4601S571A 23A 2
4601S712A 31A 15
4601S722A 31A 14
4601S732A 31A 16
4601S741A 33B 6
4601S752A 33B 8
4601S771A 36B 6
4601S781A 36C 6
460PR761A 25A 30
46510961A 26B 3
46510961A 26C 7
46510971A 26A 5
46510971A 26C 13
47112291CA 33A 1
47112381AA 33B 1 47112391AA 33B 2
4801H751AA 36B 1
4801H761AA 36B 7
4801H771AA 36C 1
4801H781AA 36C 7
4801H791A 36B 3
4801H801A 36C 3
4801I641A 36B 8
4801I651A 36C 8
480PH671AA 36A 16
481P4892AA 36A 2
48217481AA 36D 1
48217491AA 33B 4
48217501AA 36D 2
48217511AA 33B 3
48217561A 36D 5
48217591A 36D 9
48217601A 36D 8
48312391A 33C 1
4841D041A 34B 19
4842C881B 25A 13
48613211A 04A 4
48711491A 36A 1
49041071A A 26
49041071A M 1
49041081A A 3
49041081A Q 1
490P0002A A 7
490P0002A G 1
490P0003A
490P0003A G 2
490P0004A
490P0019A
490P0019A H 1 490P0022A A 16
490P0022A I 1
490P0029A A 17
490P0029A
490P0297A
14B 1
21A 9 52910101A 21A 9 52910141B 18B 8 52910231A 21A 18 52910231A 21A 18 53010621A 14B 2 53910731D 20D 10
04A 23
22B 22
16A 6
20A 5
13A 1
13D 4
09B 25
25A 1
13F 18
13F 9
31B 3
13A 10
34B 3 55241321C 04A 16
12A 53
13E 1
12A 6
12B 6
02A 13
04B 9
25B 8
55611491AA 16A 1
55621482AA 16A 2 56113621A 21A 11 56113621A 21A 11 56116502A 21A 4 56116502A 21A 4
56116511A 21A 5
56116511A 21A 5
24A 1
27A 1
31B 1
31B 4
CODE NO. TABLE POS.
57316861A 31A 13
575P0071A 31B 5
57610671A 31A 4
57611071AB 31A 24
57611081AB 31A 25
58511571A 25B 1
58540311A 20D 1
58540341A 20A 15
58540351A 22B 12
58613462BA 30A 1
59015001B 13E 10
59015011B 13E 9
59019622A 34B 16
59019661A 25B 4
59019671A 30A 15
59024181A 34B 10
59024203A 35A 7
59210361A 30A 13
59341101A 35B 11
59517612AA 32A 1
59517641AA 32A 6
59517861AA 32A 8
59810431A 13F 4
59822931A 13F 1
59822941A 13F 14
59840291A 13F 5
61041991A 22B 27
61042271A 20B 2
61042281A 20B 1
61141751A 20D 3
61240052A 20B 3
61240052A 22B 4
61240081A 20D 20
61240161A 20D 19
61240201A 20B 4
61240371A 20B 5
61241241A 20A 3
61241241A 22B 23
61341731A 20B 6
61341891A 20D 4
61610021A 30A 16
61610021A 35B 38
61610231A 25B 23
61610241A 25B 24
CODE NO. TABLE POS.
61812183A 20C 14
61812193A 20C 16
61812241A 20B 7
61912411A 20C 15
61912421A 20C 13
62441581AA 20A 1
62540201A 20D 5
62640561A 20A 7
62640561A 22B 20
62641131A 20A 8
62641131A 22B 18
63041121A 22B 1
63140081A 20A 6
63140081A 22B 21
63140161A 20D 18
63140281A 20A 19
63140281A 22B 19
63140601A 20A 2
63140631A 22B 2
63211232A 22B 6
65010641B 22A 4
65010651A 22A 4
65110591F 22A 5
65220451A 13F 6
65540081A 34A 1
65540132A 35B 15
66020101C 22A 2
66810661A 12C 19
66810661A
CODE NO. TABLE POS.
7131E591AA 28A 3
7131F371AA 28A 12
7131F801AA 29A 16
7131F811AA 29A 9
71413931A 28A 8
71610031A 20C 4
71611441A 36D 13
71611441B 23A 4
71611461AB 36C 17
71611571C 02A 5 71611581C 02A 8 71611661AA 16A 3 71611841AA 21A 22 71614011B 24A 3 71614102AB 31B 15
71614141A 31A 2
71614191A 13B 5
71614191A 25A 6
71614251A 31A 21
71614431AA 14A 6
71615071AA 34B 14
71615541AA 15A 3 71615691AA 21A 1
21A 1
13E 8
35B 8 71616581AA 13A 3 71616721AA 13B 15
71850163C 33B 22
71850338C 20C 28
71850338C 22B 30
71850338C 25A 25
7185239BF 19A 16
71950303C 20A 11
71950303C 22B 10
71950370CH 11A 13
72010513C 28A 5
72050033C 29A 5
72050173CA 21A 15
72050173CA 21A 15 72050173CF 35A 4
720941616 09A 23
73210651B 33C 12 735033804 09A 19
CODE NO. TABLE POS.
73840141A 07A 3
74110111A 13D 25
74110121A 13D 23
74110551A 13D 24
74140331A 20C 27
74140331A 22B 29
74140331A 25B 21
74140381A 21A 14
74140381A 21A 14
74140431A 20A 16
74140431A 20D 6
74140431A 22B 14
74140431A 25B 6
74140431A 30A 21
74140431A 35B 29
74140621A 04A 27
74140631A 35B 23
74140641A 35B 25
74140651A 13E 11
74140651A 25B 7
74140651A 34B 17
74140651A 35B 34
74141001A 35B 28
74141711A 35B 24
74141721A 35B 40
74142151A 35B 26
74142241A 20D 23
74142241A 34A 4
74142241A 34B 27
74142401A 34A 5
74142591A 25B 20
74142801A 25B 18
74142801A 34B 9
74142841A 31A 12
74142951A 30A 17
74142951A 35B 35
74142971A 25B 19
74710151A 09A 36
74750011AB 26A 14
74750031A 26B 12
74750051B 26B 18
74750071A 18A 2
74750101A 26A 12
74810232B 19A 15
CODE NO. TABLE POS.
74810361A 30A 12
74810361A 31B 2
74811261A 05A 6
74811301AA 28A 10
74840341B 16A 5
74840341B 29A 19
74940041A 13B 13
74940041A 20D 12
74941103B 25A 24
74941108B 22B 13
74941108B 31A 9
74941128B 33A 11
74941501A 20C 10
74950011B 21A 13
74950011B 21A 13
75010281A 36A 5
75010783A 03B 7
75011211A 13B 22
75011551A 13F 16
75011921A 20A 18
75012641AA 19A 10
75812541A 33C 13
75812741A 13F 12
75812781A 13F 17
75812781A 20D 22
75812801A 20C 21
75812811A 20C 20
75840201A 25A 19
75840591A 20C 25
75840651A 13E 16
75840771A 13D 26
75840771A 13F 19
75840801A 33C 14
75840801A 34B 24
75840801A 35B 41 75840931A 34A 7
75841041A 13D 20
75841041A 20C 12
75841041A 35B 6 75841061A 13D 19
75841061A 21A 19 75841061A 21A 19
75841091A 13F 20 75841101A 13F 21
76440581A 04A 22
CODE NO. TABLE POS.
76640191A 12A 42
76640191A 12B 41
77110401A 26A 10
77110401A 35A 2
77110401B 12A 11
77110401B 12B 11
77110401B 13F 10
77110401B 20D 16
77113691A 31B 18 77113691A 33A 13
20D 11
07A 2
10A 6
12A 34
12B 33 77150478B 14A 5
77150624B 09A 16
77150624B 12A 43
77150624B 12B 42
77150748B 31A 22
77151298B 02A 14
77151348C 33A 10 77154337C 17A 3 77156209E 04B 10 77156383B 09B 17 77156398B 14B 5 77156398B 35A 6 77156418B 30A 9
77156418B 31A 26
77156443B 21A 3
77156443B 21A 3
77156628B 13B 20
77156653B 36A 25
77156683B 20D 21
77156728B 30A 3
77156743C 22B 25
77157203B 13A 8
77157238B 20D 14
77157248B 26B 2
77157248CA 26A 2
77157258B 18A 4
77157258C 25A 23
7715727AF 26C 2
7715727BF 18A 12
CODE NO. TABLE POS.
77159358C 33B 13
7715964BF 16A 9
77210623B 12A 5
77210623B 12B 5
77210841B 34B 21
77210841BA 35B 4
77210841BA 36A 21
77210842A 36C 13
77211061A 13B 24
77211091C 25A 21
77211091C 33A 15
77211091C 36A 18
77211091C 36B 10
77211091C 36C 10
77211091C 36D 3
77211251A 13B 3
77211251A 14A 8
77211251A 33B 10
77211251A 33C 5
77211251A 36C 24
77211251A 36D 14
77211251B 27A 2
77213290ZF 08A 3
77214031A 32A 9
77214061AA 13B 14
77214061AA 15A 6
77214371AA 25A 29
77214411AA 25A 3
77214411AA 32A 2
77214411AA 33B 17
77214411AA 36B 13
77214411AA 36C 21
77214411BA 19A 3
77215101AA 36D 6
77215251A 03B 3
77215322A 09B 6
77240253C 33C 9
77240253C 36D 7
77240398C 20D 17
77240408C 21A 10
77240408C 21A 10
77240443C 13B 11
77240443C 16A 8
77240458C 20C 9
77244003CA 24A 5
77244163B 13A 13
77244163B 20C 22
77244163B 31A 10
77244163B 31B 17
77244163B 33B 21
77244163BA 17A 8
77244163BA 25B 25
77244163BA 34B 13
77244168B 13D 14
77244168B 36D 12
77244173B 04A 28
77244173B 13D 9
77244173B 13E 7
77244173B 18A 16
77244173B 23A 3
77244173B 25B 22
77244173B 26C 4
77244173B 34B 15
77244173B 36A 22
77244173B 36D 18
77244178B 26A 4
77244178B 26B 8
77244178B 34B 30
77244178B 35B 37
77244183B 14A 7 77244183B 20C 11 77244183B 25A 20
77244183B 30A 19
77244183B 33A 8 77244183B 34B 2
77244198B 13D 17
77244198B 25A 27
77244203B
CODE NO. TABLE POS.
77550218CJ 12B 7
77750494C 04B 8
77850281A 18A 3
77850461A 05A 3
77910262A 12C 16
77910262A 12D 16
77910921A 22B 7
77910921B 20A 13
77912371B 26B 11
77913091AB 20B 9
77913541A 12C 15
77913541A 12D 15
77913662AB 20B 10
77913662AB 20C 17
77913662AB 20D 7
77913662AB 22B 16
77913971A 22B 5
77913991A 20C 7
77914151A 20A 9
77914211A 12C 2
77914211A 12D 2
77914401B 19A 9
77914401B 35B 5
77915111B 20B 8
77915471A 05A 2
77915911A 13F 7
77916041DA 09B 19
77916081A 25A 10
77916241A 09A 6
77918261AA 29A 7
77919271A 12A 9
77919271A 12B 9
7791A381A 09A 8
7791A561AC 23A 6
7791A621B 12A 23
7791A621B 12B 23
7791A751B 12A 8
7791A751B 12B 8
7791C581C 05A 11
7791C721A 05A 8
7791D451AA 33A 2
7791D531AA 09B 26
7791D55BG 23A 7
7791D55BG 33B 12
CODE NO. TABLE POS.
7791D581A 04A 15
7791D581A 04B 3
7791D581A 10A 3
7791D601A 09B 18
7791D631A 09B 5
7791D671A 12A 32
7791D671A 12B 31
7791D701AA 19A 11
7791E121AA 36C 16
77927172B 09A 39
77942002A 08A 6
77942002A 10A 2
77942791A 04A 14
77942791A 04B 2
78010511C 09B 3
78010771A 09A 12
78010801A 09A 10
78010871B 09A 2
78010871B 12A 41
78010871B 12B 40
78010921A 04A 12
78010921A 09A 13
78011262A 12C 21
78011262A 12D 21
78011521C 09B 21
78011531A 09A 15
78040091A 31A 6
78110121AA 04A 24
78611721A 06A 6
78611731A 06A 7
78811041A 34B 4
78811961A 12B 17
78811971A 12A 17
78811991B 09B 27
78812022A 10A 5
78812031B 12A 18
78812031B 12B 18
78812251A 34B 11
79010561A 31B 19
79111561A 25A 32
79111571A 25A 14
791R0011A 06A 8
79710881A 03B 1
79810111B 12C 13
CODE NO. TABLE POS.
79810111B 12D 13
79910241B 26C 5
79913021A 33C 10
79913051A 09A 5
79914991A 26A 24
79914991A 26B 22
79915131C 02A 6
79915141D 02A 7
79915511A 26B 16
79915581A 25B 17
79925411AA 16A 13
79940121A 09A 41
80012741A 25B 11
80012751A 25B 9
80012761A 25B 10
80012771A 25B 12
80012781A 25B 13
80012791A 25B 14
81140012B 12A 3
81140012B 12B 3
81411111D 12A 35
81411111D 12B 34
81413251A 30A 7
81416361A 35B 39 81416941A 12A 39 81416941A 12B 36 81418011A 12A 14 81418171BA 12A 15
81418191A 13E 2
81418331A 30A 18 81441041A 35B 27 81810162A 03B 5 81910791AA 19A 13 81910991AA 28A 2 82010252A 09A 32 82110901B 26C 9 82111701B 26A 19 82111701B 26B 13 82113441B
34B 20
33B 14 8301P861AA 25A 16 8301P931A 25A 22
8301P981AA 33B 18 8301P991AA 33B 19
20C 24
12C 12
12D 12
12C 14
12D 14
12C 10
12D 10
84012021AN 12D 10 84012021AO 12C 10 84012021AO 12D 10 84012021AP 12C 10 84012021AP 12D 10 84012021AQ 12C 10
84012021AQ 12D 10
84012021AR 12C 10
84012021AR 12D 10
84540091A 12C 11
84540091A 12D 11
84740021A 26C 6
84740061A 09A 43
84850011A 26A 15
84850021A 26A 11
85040521A 21A 17
85040521A 21A 17
85041951AA 25A 28
85041951AA 30A 8
85041951AA 31B 16
85041951AA 33A 16
85041951AA 36A 20
85041951AA 36B 11
85041951AA 36C 11
85044431A 33B 25
85044431A 36A 17
85044681A 36B 9
85044681A 36C 9
12D 10
85044691A 14A 9
85044691A 20C 6
85044691A 25A 4
85044691A 31A 11
85044691A 33B 11
85044691A 35B 9
85044691A 36B 19
85044691A 36C 14
12D
85110201B 03B 8
85210241A 36A 4
85210241A 36B 16
85210491B 23A 8
85210532A 13A 9
85210721B 21A 23
85211031AB 18A 5
85211201A 12C 17
CODE NO. TABLE POS.
85211201A 12D 17
85211511A 26A 21
85211511A 26B 15
85211671A 30A 4
85211671B 16A 7
85211671B 32A 10
85211761A 13B 12
85211811A 28A 13
85211951A 04A 21
85212181A 36B 14
85212181A 36C 20
85212271A 29A 18
85212511A 21A 12
85212511A 21A 12
85212641A 12A 12
85212641A 12B 12
85212651A 11A 12
85212661A 09A 7
85212721A 04A 7
85212801A 17A 2
85212971A 09A 37
85212971A 12A 37
85212971A 12B 37
85213002A 31B 12
85213111AA 14B 7
85213111AA 15A 5
85213111AA 31A 19
85213661AA 26A 7
85213661AA 26B 5
85213741AA 14A 4
85213841AA 19A 17
85213981A 02A 16
85214421A 08A 4
85214791A 19A 14
85214801A 03A 18
85214821B 10A 7
85214911A 03A 11
85214961A 11A 3
85215121A 05A 5 85215521B 34B 12
85215581AA 19A 24 85215591AA 19A 22
CODE NO. TABLE POS. 86010061A 12B 22 86010151B 12A 22
86050061A 09A 3
86050131A 12A 30
86050131A 12B 29
86050171A 22A 6
86050361AA 16A 11
86050621A 12A 21
86050621A 12B 21 86050771A 12C 4
12D 4
09B 12
13B 2
25A 26
32A 3 86610301A 33B 20 86610611A 32A 5
86610751A 20C 26
86610751A 25A 17
86610751A 33B 23
86610751A 35B 7
86611791A 15A 2 86611821A 33B 24 86611871A 36A 26 86612411A 13A 12 86612411A 34B 6
33B 9
33C 2 86612821A 36D 15
86613981A 36A 14
86614051A 13B 8
86614083A 35B 16
86614091A 13E 5
86614101A 13E 13
86614111A 25B 3
86614121A 33A 5
86614131A 33A 6
86614171A 19A 8
86614181A 19A 5 86614231A 35B 2 86614441A 18A 17 86614441A 33C 6 86614441A 36A 13 86614691A 34B 25
CODE NO. TABLE POS.
86614701A 34B 23
86640081A 13F 3
86640101A 13D 13
87210861A 36C 25
87211681A 13D 6
87211941A 36A 11
87211951A 36A 12
87241691A 25A 31
87310051A 12A 25
87513381C 09B 11
87513591A 09B 15
87611571A 34B 8
87611581A 34A 2
87611591A 34A 3
87712631A 20D 9
87713181A 04A 20
88111392C 05A 4
88111431A 35B 36
88111501A 13A 6
88111511A 34B 29
88441031A 10A 19
88441281A 03A 7
88450031A 26C 10
88450081A 29A 14
88450291A 04A 8
88450291A 10A 15
88450311A 02A 10
88450361A 02A 9
88450391B 02A 17
88450441A 26A 8
88450441A 26B 6
88450621A 09A 35
88451061A 03A 22
88451331A 18A 14
88610951A 04B 7
88640331A 04A 17
88640341A 12A 48
88640341A 12B 47
88640641A 21A 16
88640641A 21A 16
88640881A 12A 19
88640881A 12B 19
88640891A 04A 10
88641161A 26A 20
CODE NO. TABLE POS.
88641161A 26B 14
88641331A 09B 23
88641731A 03B 16
88641761A 22B 28
88641961A 09A 40
88641981A 25B 15
88642081A 07A 8
88643251A 03A 14
88643341A 09B 29
88643611A 12C 20
88643611A 12D 20
88643671A 25B 26
88650591A 09B 13
88650751A 09B 16
88650861A 10A 12
88650891A 08A 13
88650921A 12A 47
88650921A 12B 46
887130026 01D 2
887131058 01D 1
887131994 01B 7
887133452 01B 17
887133633 01B 8
887133795 01B 21
887133879 01B 24
887134145 01B 15
887134302 01D 3
887138857 01B 26
887138861 01B 9
887138875 01B 28
88716321A 01B 11
88716341A 01B 22
88716361A 01B 25
8871A381A