MULTISTRADA V4 PIKES PEAK USA
Model Year 2026

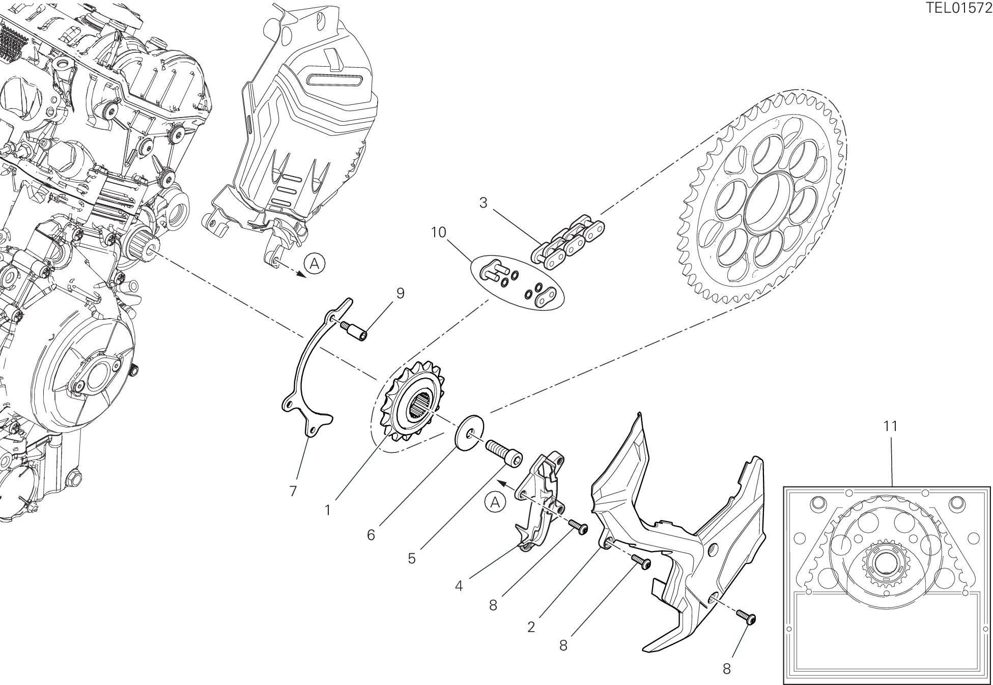
![]()
Model Year 2026

Chassis prefix:
Cylinder capacity: 1158 DV21EV4P26
SPARE PARTS CATALOGUE













































































































30B 5
03B 22
03B 2
12A 7 17112211A 12B 7 17112222B 12A 3 17112222B 12B 8
17215721B 03A 6
17215731B 03A 12
17215751A 03A 4
17215761A 03A 5
17215771B 03A 7
17215791A 03A 9
17215801A 03A 10
17215811A 03A 11
17216901A 03A 3
17216911A 03A 8
17320331C 11A 6
17410852C 10A 1
17610281A 11A 7
18010472A 02A 1
18010482A 02A 2
18010492A 02A 3
18120071A 02A 4
18220721A 02A 12
182P0011A 02A 11
18410231A 37D 14
18710021A 20A 1
18710021A 22B 3
19010421A 03B 24
19020521A 03B 3
19410511A 03B 4
19540101C 22B 4
19610711A 03B 5
19610721A 03B 6
19820502A 03B 7
20810521A 12C 1
20810521A 12D 1
21011351A 12C 2
21011351A 12D 2
21111222B 12C 3
21111222B 12D 3
22032083A 04A 8
225P0332A 09A 1
CODE NO. TABLE POS.
24211142B7 04B 3
243P0251A7 04A 18
24715791A 12A 2
24715791A 12B 2
24715873A8 12B 21
24715882A8 12A 21
24716653A 13E 20
24716711B 37A 12
24716781A 37A 16
24716821A 37A 15
24716831A 37A 14
24716851A 32A 11
24716891A 33C 1
24716901A 37B 11
24716911A 37B 12
24717492A 35A 1
24718032A 37G 19
24735581A8 04B 6
247P5863A 04C 1 24920511K 10A 2 24920712A 08A 1 25110101A 10A 7 25210261B7 04C 3 25440014A 04A 34 26420651A 11A 14 27040193A 11A 8 28040501A 36A 3 28211461A
NO. TABLE POS. 43815511A 38B 4 43815511A 38C 4
43815811A 37C 14
4381E341A 37G 17
4381E401A 25C 21 4381F061A 29A 7 4381F071A 28A 15
25C 21
35A 3
04C 4
19A 8
19A 1
19A 21
17A 7
19A 11
19A 10
07A 1 44740122A 07A 2 44910732B 03B 14 44910741A 08A 2
17A 1
07A 3
09A 16
26A 3
26A 4
20D 2
20C 20
30A 15
11A 15
37G 2
37G 1
37G 3
18A 8
13D 22
33C 2
33C 3
33C 4
33C 5
37G 12
22A 2
22A 2
22A 3
22A 3
22A 4
CODE NO. TABLE POS.
4601H942A 22A 4
4601H952A 22A 5
4601H952A 22A 5
4601I061A 19A 16
4601I071A 17A 2
4601I271A 26A 1
4601I511A 38C 5
4601I811AA 13E 15
4601L831A 13G 27
4601M271A 19A 9
4601N821A 26B 1
4601N861A 37D 15
4601N992A 33D 33
4601R662A 31B 1
4601R671AB 31B 2
4601R671AB 31B 2
4601R681A 31B 5
4601R991A 31B 5
4601S261A 31A 1
4601S271A 31A 2
4601S661A 13E 18
46411161AA 26B 2
46411161AA 26C 2
46411171AA 26C 3
46411201AA 26A 6
46411211AA 26B 2
47018262CA 33D 1
47018272CA 33D 2
47019012A 38A 15
47028991A 38A 1
47029001A 38A 2
47111581DA 33B 2
47112341A 33D 3
47112361AA 33B 1
47112441AA 33B 1
47112451AB 33C 7
47112451AD 33C 7
47112461AB 33C 6
47112461AD 33C 6
48014001B 13G 11
4801A541A 37C 13
4801A883A 37E 4
4801A893A 37F 5
4801A911AN 37F 6
4801A952A 37D 2
4801B291A 37C 12
4801B301AA 13E 1
4801B973A 37C 7
4801C102A 37E 2
4801C112A 37F 1
4801C301A 25A 4
4801C301A 25B 2
4801C761A 37C 5
4801C771A 37C 6
4801D473A 37D 1
4801D661A 37D 21
4801F031AA 37C 4 4801F041A 37H 2
480PA921AQ 37D 10 48114182A 37C 2 48114192A 37C 1 48114812AL 37B 18 48216842B 37E 1 48216852B 37F 2
48412121B 25B 1 48412131B 25A 2
4801A901AN 37E 3 CODE NO. TABLE POS.
13E 22
13G 1 52310662C 22A 19 52310662C 22A 19 52310672C 22A 20
16A 7
32A 12
20D 4
34A 2
22B 24
34A 6
25A 5
25B 5
37D 24
31A 3
13F 1
13F 10
26A 19
13E 29
13G 4
04A 13
09A 17
25C 1
NO. TABLE POS.
55320191A 25C 23
55510871CA 16A 8
55611101BA 16A 2
55611101BA 16A 2
55611171AA 16A 2
55611171AA 16A 2
56116422A 21A 4
56116432A 21A 14
56116442A 21A 7
56116481A 21A 3
56116491A 21A 2
56416822AB 24A 1
56511341A 27A 1
57015471A 31A 4
57115551A 31A 5
57316371B 31B 6
57316401B 31A 6
57316601A 31B 7
57326562A 31B 6
57610671A 31A 7
58511261C 25C 10
58511271AA 35A 4
58520151B 08A 3
58540151A 20D 5
58540341A 20A 2
58540351A 22B 5
58612871D 30A 1
58840232A 30A 2
59018921A 35A 26
59019411A 30A 8
59027993B 36A 5
59210291B 30A 3
59516382A 37D 19
59516431BF 32A 1
59516721A 32A 13
59516742A 32A 4
59516742A 32A 4
59516771AD 32A 1
59516971AD 32A 1
59516981AF 32A 1
59517371AD 32A 3
59517381AE 32A 3
59517401AC 32A 3
59517431AC 32A 1
CODE NO. TABLE POS.
59517481AC 32A 3
59810121A 37H 6
59810361L 13G 13
59810371C 13G 14
59820611A 13D 29
59821541C 38B 3
59821541C 38B 9
59821541C 38C 12
59821541C 38C 3
59821961A 13G 18
59821971R 13G 12
59822601A 13G 19
59840511A 13G 16
59840521A 13G 17
59940021A 37D 4
61041821A 20B 1
61041831A 20B 3
61141721A 20D 7
61240052A 20A 4
61240052A 20B 2
61240052A 20D 28
61240052A 22B 7
61240201A 20B 5
61240302A 20D 29
61240311A 20D 27
61240371A 20B 10
61241181A 20D 30 61241241A 20A 19 61241241A 22B 23
61811631B 20C 2
61811641B
38A 6
38A 5
38A 5
38C 16 69812712A 38B 12
38C 17
38B 13
38C 15
38B 11
38C 14
38C 3
38B 3
38C 8
38B 5
38C 9
38C 13
38B 6 69916771A 38B 8 69916771A 38C 11
13C 5
15A 3
09A 19
03A 13
03A 14
03A 15
11A 2
19A 13 70241232A 18A 15
03A 25
03A 26
09A 20
09A 21
02A 14
19A 14
28A 8
70250601A 03B 8
70310131A 18A 12
71011071A 22A 6
CODE NO. TABLE POS.
71011071A 22A 6
71012021B 03A 28
710P0021B 03A 27
71111301A 22A 7
71111301A 22A 7
71112191A 09A 2
71113742A 12A 13
71113742A 12B 13
71115051E 09A 22
71116941A 09B 17
7111D861A 32A 5
7111D861A 32A 5
7111E551A 09B 6
71140071AA 37B 6
71210341A 20D 3
71210341A 26A 5
71210631A 03A 16
71210702A 33D 4
71240331A 03B 15
71311871A 19A 15
71313091A 03B 9
71313641A 18A 11
71313641A 20B 14
71314111A 31B 12
71314361A 31B 14
71314361A 31B 7
71314901A 13F 2
71316011B 03B 10
71316101C 11A 13
71316411AA 28A 13
71316441AA 28A 2
71319201A 13F 2
71319331A 13F 6
7131A923A 14B 4
7131B281AA 22A 8
7131B281AA 22A 8
7131D741AA 19A 17
7131E251AA 22A 23
7131E251AA 22A 23
7131E531A 23A 11
713P0011C 03A 31
71410471A 28A 9
71410751A 29B 12
71411352AA 29A 4
CODE NO. TABLE POS.
71610061A 14A 3
71610061A 37G 5
71611571C 02A 5
71611581C 02A 6
71611641AA 20C 10
71614081A 20D 13
71614102AB 23A 3
71614141A 31A 8
71614191A 31A 9
71614251A 31A 21
71614351AA 30A 16
71614581AA 22A 9
71614581AA 22A 9
71614591AA 13D 35
71615261AA 31B 12
71615261AA 31B 17
71615261AA 31C 15
71615881BA 33D 5
71850163C 21A 10
71850173C 21A 13
71850178C 13E 4
71850218C 23A 5
71850338C 08A 5
71850338C 13E 11
71950370CF 04B 1
72010513C 33D 12
72050159EA 29B 1
72050173CF 36A 6
72050198C 21A 15 72050283C 36A 7 72050313C 30C 20 72050313C 31A 22 735034405 09B 7
73840052A 07A 4 73840062A 07A 5 74110121A 13B
CODE NO. TABLE POS.
74841091AA 13C 4
74841091AA 15A 4
74841091AA 31A 12
74940321A 31B 9
74940321A 31B 9
74941103B 37E 13
74941103B 37F 15
74941108B 18B 5
74941108B 20A 7
74941108B 22B 11
74941118B 38A 5
74941501A 21A 19
74950011B 21A 16
75010072E 03B 16
75011211A 13A 2
75011551A 13D 18
75012072AA 29A 2
75012072AA 29B 2
75620171A 29B 13
75810412A 30C 18
75810412A 31A 20
75810642A 20B 15
75811641A 17A 4
75811821B 13F 9
75811831B 13F 7
75812072A 13F 8
75812072A 20C 23
75840601A 13B 8
75840621A 37A 2
75840801A 13C 3
75840801A 13D 7 75840801A 21A 5
75840801A 33A 1
75840801A 33C 18
75840951A 31A 13 75841001A 33A 7
75841031A 13B 18
75841051A 13E 26
75841061A 13B 17
75841061A 21A 23
75841061A 23A 9
75841081A 37G 18
75841091A 20C 21
75841101A 20C 22
CODE NO. TABLE POS.
75841181A 13F 11
75910222A 29A 6
75910222A 29B 15
75910392A 25C 4
76010391A 33D 26
76410011A 31B 10
76410011A 31B 10
76410241A 13C 9
76410241A 13D 14
76410241A 13E 8
76410241A 13G 26
76410241A 14A 4
76410241A 25A 8
76410241A 25B 8
76410241A 25C 12
76410241A 31A 14
76410241A 33A 2
76410241A 34A 7
76410241A 37B 13
76410621B 13D 23
76410641A 13E 2
76410641A 37G 6
76410971A 13E 28
76411141A 23A 7
76411141A 35A 9
76411381A 37G 9
76411671A 31C 3
76412041A 13D 5
76412041A 21A 6
76412121A 04A 9
76412121A 12A 22
76412121A 12B 22
76412121A 12C 35
76412121A 12D 35
76412542A 37B 3
76412552A 14A 1
76414191A 20A 8
76414191A 22B 12
76414381A 23A 8
76414441C 13C 12
76414461AA 31C 4
76414471AA 33D 6
76414481B 33D 7
76414501AA 37H 7
CODE NO. TABLE POS.
76414512A 33D 8
76414522A 33D 9
76414562A 38A 1
76414562A 38A 20
76417731A 31B 13
76417731A 31B 16
76440092B 12C 11
76440092B 12D 11
76510221A 26B 4
76510231A 26A 9
76510241A 26C 6
76510251A 26C 7
76510281A 26A 8
76611231A 09A 7
76640191A 12A 12
76640191A 12B 12
77110191A 26A 24
77110401A 26A 10
77110401A 26C 8
77110401B 12A 27
77110401B 12B 27
77110591A 36A 8
77113741A 33A 3
77116648B 26A 2
77116648B 26B 5
77116648B
CODE NO. TABLE POS.
77211261B 34A 9
77211341A 13E 23
77213290ZF 08A 7
77213300Z 12A 20
77213300Z 12B 20
77214031A 38A 4
77214411AA 13D 24 77214411AA 37D 5 77214411AA 37G 11
13E 21
19A 19
25A 18
25B 16
27A 3
27A 3 77214411BA 35A 10
77214411BA 37A 17
77214411BA 37B 20 77214411BA 37E 14
77240288C 31A 17
31C 5
20C 12
33D 30 77244173B 13D 10 77244173B 19A 12 77244173B 25A 19 77244173B 25B 14 77244173B 30B 3 77244173B 31B 3
31B 3 77244173B 37C 3 77244173B 37D 3
77244173B 37E 7
77244173B 37F 7 77244178B 33A 4
37G 7
37C 11
77244203B 30A 5
77244203B 31B 13
77244203B 31B 15
77244203B 31C 14
77244203B 37C 10
77244203B 37G 13
77244233B 20C 13
77244348BA 26A 21
77244353BA 38A 22
77250744BA 12A 1
77250744BA 12B 1
77251324CF 09A 13
77251324CF 33C 8
77251344C 09A 9
77251344C 09B 18
7725134BFA 33C 9
77251364C 09A 11
7725138BFA 33C 10
77251404C 09A 12
7725164BG 33C 11
77253280Z 12A 6
77253280Z 12B 6
77253300ZF 11A 4
77253304C 04A 16
77253304CF 08A 8
77253314CF 03A 29
77253314CF 04C 5
77253334CF 11A 10
77253350Z 12C 8
77253350Z 12D 8
77253354C 09B 19
77253364CF 08A 9
77253384C 12A 5
77253384C 12B 5
77310071A 30A 12
77350678B 32A 6
77350678B 32A 6
77354623B 14B 6
77354713B 37A 13
77355068B 31B 11
77355068B 31B 11
77440041A 13C 8
77440041A 13D 11
77440041A 13G 7
17A 8 CODE NO. TABLE POS.
77440041A 25C 13
77440061A 14C 3
77440061A 25A 17
77440061A 25B 11
77440061A 37D 9
77440101A 24A 3
77440101A 32A 14
77440101A 37H 3
77440141A 35A 11
77440141A 37A 11
77440171A 13D 21
77440183C 13G 5
77440203C 35A 12
77440213C 33A 5
77440251A 13E 16
77440251A 13G 2
77440251A 22A 12
77440251A 22A 12
77440251A 33C 12
77440251A 37D 23
77440251A 37E 11
77440251A 37F 11
77440321A 13D 2
77440321A 13E 6
77440321A 14B 7
77440391A 19A 22
77440391A 37D 18
77440581A 33D 13
77510200CC 04A 5
77510314B
7791C221AA
CODE NO. TABLE POS.
7791C291AA 13E 19
7791C301AB 34A 10
7791C301AB 37A 1
7791C301AB 37B 1
7791C311AB 37E 10
7791C311AB 37F 10
7791C361A 09A 10
7791C381AA 33C 14
7791C401AA 33C 15
7791C483AA 04A 38
7791C483AA 04B 9
7791C511AA 20D 17
7791C561AA 33D 20
7791D091AB 16A 10
7791D761AA 29B 14
77927172B 09A 29
77941992A 04A 1
77941992A 04B 5
77941992A 04C 9
77941992A 10A 4
77942002A 04A 21
77942002A 04B 4
77942002A 04C 10
77942471A 13G 23
78010511C 09B 11
78010871B 09A 31
78010921A 04A 7
78011262A 12C 15
78011262A 12D 15
78011281A 04A 33
78011591A 31A 23
78050011B 12C 16
78050011B 12D 16
78050181A 25B 18
78611541B 09B 12
78611551B 09B 13
78611692A 04C 11
78811602B 12B 14
78811612A 12A 19
78811612A 12B 19
78811622B 12A 14
79010371A 31A 18
79111131B 30B 4
79111391A 13G 21
CODE NO. TABLE POS.
79111442A 35A 15
79710731A 03B 12
79810071C 12C 17
79810071C 12D 17
79810081A 12C 18
79810081A 12D 18
79910241B 26C 10
79912781A 03B 23
79915101C 09A 32
79915131C 02A 7
79915141D 02A 8
79915581A 25C 5
79916201AA 26A 12
79916201AA 26B 6
7991B471AA 37D 8
7991B581AA 16A 11
7991B721AA 16A 4
7991B721AA 16A 4
7991D001A 20D 18
7991D011AA 37E 20
7991D011AA 37F 19
79925643AB 37B 17
79927062AA 37A 7
7992B591A 16A 12
7992B711AA 16A 3
7992B712AA 16A 3
79940121A 09A 33
800070139 01D 9
80018061A 25C 6
80018241A 25C 14
80018252A 25C 9
80018261A 25A 10
80018271A 25A 11
80018281A 25C 7
80111091A 35A 16
80111171B 25A 1
80111181B 25B 3
80610541A 37H 1
80812601AB 22B 2
80812611AB 20A 12
81140021A 12A 29
81140021A 12B 29
81411111C 12A 10
81411111C 12B 10
CODE NO. TABLE POS.
81413421B 09A 34
81414011AA 30C 23
81416941A 12C 33
81416941A 12D 33
81417081AA 31C 6
81417151B 09A 43
81417252A 30C 16
81417351A 30C 21
81417692A 13C 10
81810162A 03B 18
81910601BA 28A 11
81920962AA 29B 6
82010141A 09A 35
82111701CA 20D 19
82111701CA 26A 13
82113581A 16A 13
82115561A 12C 19
82115561A 12D 19
82115621B 07A 6
82115811AA 37A 9
82118261A 02A 17
82119351AA 26A 14
82119351AA 26B 7
82119351AA 26C 11
82119582BC 16A 6
82119582BC 16A 6 82119641A 37D 7
82119651AA 20D 20
82413922BB 26C 12
82413932AB 26C 13
82423886AA 26A 15
82423892AA 26B 8
82510771AA 20D 34
82714821A 13D 19
82716091A 04B 2 82718441A 12A 28
82718441A 12B 28
82718471AA 04C 12
82718471AA 34A 11
82718841AA 18B 6 82718851AA 18B 4 82718913A 04A 4 82718923A 04A 14 82718933A 04A 12
8291S651A 13D 20
8301H221AA 35A 18
8301H452A 13D 25
8301H481AA 13E 14
8301H501AA 20C 8
8301H721AA 13E 9 8301H752AA 20D 22 8301H872B 20C 15
20C 16
33C 16
19A 20
25B 12
20B 12
37E 12
33D 24 8301M941AA 38A 19 8301M941AA 38A 3
8301M951AA 38A 26 8301M951AA 38A 4
38A 18
38A 25
26C 14
22A 17
22A 17
09A 36
19A 25
37B 16
12C 20 83810011A 12D 20 83810021A 12C 21
12D 21
12C 22 83910051A 12D 22 83910071A 12C 23 83910071A 12D 23 84012021AA 12C 24
12D 24
12C 24
12D 24
12C 24
12D 24
12C 24
12D 24
84012021AE 12D 24
84012021AF 12C 24
84012021AF 12D 24
84012021AG 12C 24
84012021AG 12D 24
84012021AH 12C 24
84012021AH 12D 24
84012021AI 12C 24
84012021AI 12D 24
84012021AJ 12C 24 84012021AJ 12D 24
84012021AK 12C 24
84012021AK 12D 24
84012021AL 12C 24
84012021AL 12D 24
84012021AM 12C 24
84012021AM 12D 24
84012021AN 12C 24
84012021AN 12D 24
84012021AO 12C 24
84012021AO 12D 24
84012021AP 12C 24
84012021AP 12D 24
84012021AQ 12C 24
84012021AQ 12D 24
84012021AR 12C 24
84012021AR 12D 24
84540081A 12C 25
84540081A 12D 25
84740021A 26C 15
84740061A 09A 37
84850021A 26A 22
85040431A 37H 9
85040471A 13D 12
85040521A 37C 9
85040521A 37D 17
85040521A 37G 15
85040631A 21A 11
85041471A 13E 24
85041471A 33D 17
85041581A 25A 15
85041581A 25B 7
85041581A 35A 28
12C 24 CODE NO. TABLE POS.
85041951AA 25A 12
85041951AA 25B 6
85041951AA 33D 32
85041951AA 35A 20
85041951AA 37B 19
85041951AA 37C 8
85041951AA 37D 12
85041951AA 37E 9
85041951AA 37F 9
85042371A 36A 12
85044491A 32A 11
85044491A 32A 15
85044511A 32A 12
85044511A 32A 16
85044521A 32A 14
85044521A 32A 18
85044531A 32A 13
85044531A 32A 17
85044541A 32A 15
85044541A 32A 19
85044631A 37B 10
85044631A 37E 18
85044631A 37F 13
85044691A 20C 9
85044691A 31B 4
85044691A 31B 4
85044691A 37B 14
85044691A 37E 8
85044691A 37F 8
85044691A 37G 8 85110201A 03B 19 85210681B 16A 14 85211201A 12C 26 85211201A 12D 26 85211511A 20D 23 85211511A 26A 16
85211561A
85041711A 35A 19 CODE NO. TABLE POS.
CODE NO. TABLE POS.
85241831A 12D 28
85250011C 21A 25
85250191A 21A 18
85250231A 12A 9
85250231A 12B 9
85250241A 04A 29
85250241A 12C 29
85250241A 12D 29
85250241A 20A 14
85250241A 20B 9
85250241A 20C 19
85250241A 20D 11
85250241A 22B 16
85250261B 31A 24
85250271A 20D 32
85250311A 13E 30
85250311A 14B 9
85250311A 23A 6
85250311AB 31B 14
85250311AB 31B 15
85250541A 04C 6
85250771A 25B 17
85250871A 09B 10
85250871A 37H 10
85310031A 04A 15 85310031A 13A 3 85350101A 13D 31 85540101AA 33B 9
85540131AA 33D 29
85550001B 13D 33
85611271A 24A 2
85611271A 26A 23
85611361A 37F 16
85611372A 03A 20
85611391B 03B 13
85611491A 03A 21
85611551A 04A 6
85611551A 12A 23
85611551A 12B 23
85611551A 12C 37 85611551A 12D 37
85611621A 12A 11
85611621A 12B 11 85640121A 31A 19
CODE NO. TABLE POS.
85640141A 09A 39
85651691B 09A 8
85651691B 12A 16
85651691B 12B 16
86010061A 12C 30 86010061A 12D 30
86010151A 12C 31
86010151A 12D 31
86020011A 13G 15
86040071A 09A 40
86050061A 12C 9
86050061A 12D 9
86050171A 22A 18
86050171A 22A 18
86050341A 09A 41
86610301B 13D 28
86610751A 21A 26
86610751A 33D 18
86610751A 37B 7
86611001A 38A 16
86611001B 16A 9
86612111A 33D 23
86613051A 30A 6
86613061A 30A 7
86613071A 37H 4
86613161A 13G 25
86613231A 19A 7
86613482A 19A 6
86613592A 37D 11
86613801A 37E 15
86613801A 37F 12
86613991B 30C 28
86640091B 13G 28
86642741A 32A 2
86642741A 32A 2
86642751A 32A 7
86642751A 32A 7
86642761A 32A 8
86642761A 32A 8
87210641A 13B 9
87211041A 33D 21
87211051A 33D 22
87211261AB 35A 21
87211681A 13B 13
CODE NO. TABLE POS.
87211711A 33D 28
87211901A 18A 10
87240561A 26B 9
87240561A 26C 1
87240561A 37H 8
87241051A 25A 20
87512492B 09A 42
87614021AA 31C 7
87614032A 31C 8
87614042A 35A 22
87614051A 35A 23
87712631A 22B 17
87712651A 20A 15
87712761A 20D 12
88111151C 03B 21
88111301A 29B 7
88440511A 20D 33
88440731A 03A 22
88440741A 03A 23
88440751A 03A 24
88441031A 10A 6
88450291A 04A 25
88450311A 02A 9
88450361A 02A 10
88450391B 02A 15
88451162A 16A 15 88610951A 04B 7
88640042A 03A 30
88640331A 04A 11
88640541A 08A 12
88640891A 04A 20 88641161A 20D 24
88641161A 26A 17
88641241A 20D 35
88641961A 09A 30 88641981A 25C 8 88642081A 07A 7 88642651A 08A 13
88642721A 04A 22 88642721A 12C 32 88642721A
91378071ES 32A 9
91378071FI 32A 9
91378071FI 32A 9
91378071FR 32A 9
91378071FR 32A 9 91378071HR 32A 9
91378071HR 32A 9
91378071HU 32A 9
91378071HU 32A 9
91378071IT 32A 9
91378071IT 32A 9
91378071JA 32A 9
91378071JA 32A 9
91378071KO 32A 9
91378071KO 32A 9
91378071MX 32A 9
91378071MX 32A 9
91378071NL 32A 9
91378071NL 32A 9
91378071NO 32A 9
91378071NO 32A 9
91378071PL 32A 9
91378071PL 32A 9
91378071PT 32A 9
91378071PT 32A 9
91378071RO 32A 9
91378071RO 32A 9
91378071RU 32A 9
91378071RU 32A 9
91378071SK 32A 9
91378071SK 32A 9
91378071SL 32A 9
91378071SL 32A 9
91378071SV 32A 9
91378071SV 32A 9
91378071US 32A 9
91378071US 32A 9
91378071VE 32A 9
91378071VE 32A 9
91378071ZH 32A 9
91378071ZH 32A 9
91378081AR 32A 9
91378081AR 32A 9
91378081BG 32A 9
91378081BG 32A 9
91378081CA 32A 9
91378081CA 32A 9
91378081CS 32A 9
91378081CS 32A 9
91378081DA 32A 9
91378081DA 32A 9
91378081DE 32A 9
91378081DE 32A 9
91378081EL 32A 9
91378081EL 32A 9
91378081EN 32A 9
91378081EN 32A 9
91378081ES 32A 9
91378081ES 32A 9
91378081FI 32A 9
91378081FI 32A 9
91378081FR 32A 9 91378081FR 32A 9
91378081HR 32A 9
91378081HR 32A 9
91378081HU 32A 9
91378081HU 32A 9
91378081IT 32A 9