
Chassis prefix: Cylinder capacity: 803 D36000025
SPARE PARTS CATALOGUE
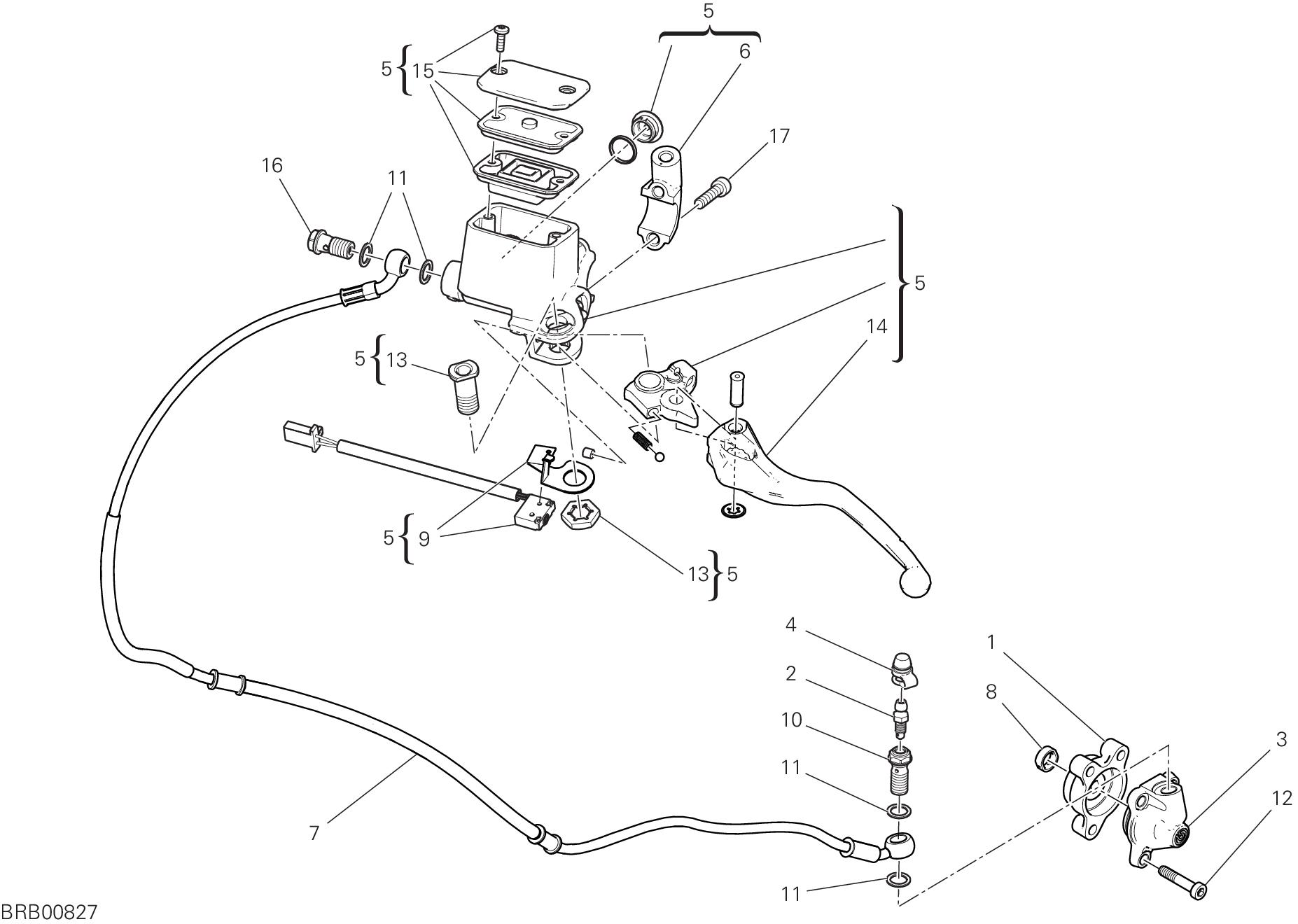
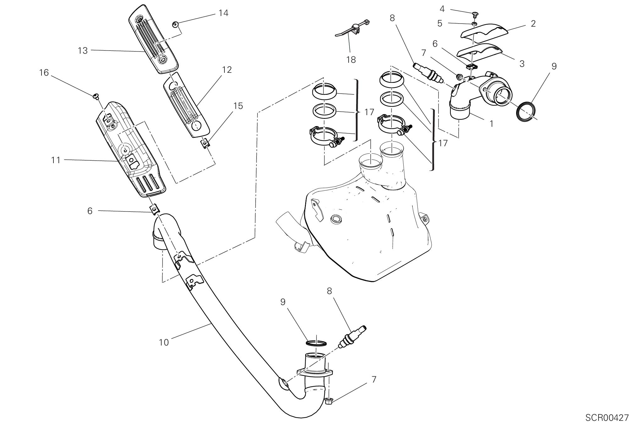
![]()

Chassis prefix: Cylinder capacity: 803 D36000025
SPARE PARTS CATALOGUE
The present spare parts order exactly the right spare parts.
When ordering specify:
1. the part's code number followed by its description and quantity needed;
2. the motorcycle's serial number, stamped on the steering head.
Reference to right and left apply to the vehicle in terms of its direction of move-ment.
Spare parts drawings are general and do not represent the part.
The contents of this catalogue are general and can undergo changes without prior notice.
















































































02A 17
10A 2
11C 7
11D 7
03A 16
05A 5
05A 5
05A 5
11A 6
11B 6
11A 20
11B 20
30B 2
29A 19
16311231A 11B 21
17011751A 03B 17
17121081A 07A 10
17211171A 03A 13
17212581A 03A 10
17213371B 03A 8
17213381B 03A 5
17213391B 03A 9
17214471A 03A 21
17214481A 03A 18
17214491A 03A 20
17214501A 03A 14
17214521A 03A 12
17310291A 10A 14
17420434A 08A 1
176Z0021A 10A 10
18020511A 02A 6
180Z0011A 02A 11
180Z0021A 02A 12
18210781A 02A 8
18220772A 02A 9
18410051A 26B 30
18710021A 20B 2
18710021A 22B 2
19020591A 03B 9
19410751A 03B 4
19510411D 22B 1
19540081B 22B 3
19611011A 03B 12
19611021A 03B 11
19820661A 03B 14
208Z0011A 11C 4
208Z0011A 11D 4
209Z0011A 11C 9
209Z0011A 11D 9
21010881A 11C 15
21010881A 11D 15
21110881A 11C 16
21110881A 11D 16
225P0253A 09A 1
23520422A4 11A 14
23520422A4 11B 14
30B 4 CODE NO. TABLE POS. 160Z0041A 10A 13 16311231A 11A 21
CODE NO. TABLE POS.
24020393A 11C 22
24020393A 11D 22
24221611AY 04B 1
24311701AY 04A 1
24511881B 11B 8
24511891A 11A 8
24521931C 07A 4
24521941B 07A 1
24714081A 11A 27
24714081A 11B 27
24715041A 22A 7
24715051A 22A 6
24717501A 04A 15
24717501A 04B 8
24717521A 35A 9
25440014A 04A 2
25510233A 07A 15
25510243A 11A 5 25510243A 11B 5 26420471A 10A 12 27040221A 10A 1 276Z0061A 10A 16 28043811C 36A 8 28241131A 36A 3 28740241B 36A 9
30124411AB 11D 12
30124421AB
15A 1
30A 7
30A 6
30A 8
36B 2
35A 8
38A 1
21A 4
04A 10
30A 17
29A 22
29A 22
37B 4
37B 2
35A 1
35A 6
09B 3
26A 26
26B 15
24A 4
21A 19
17A 2
20C 16
21A 8
31B 4
31B 4
31A 13
31A 12
15A 2
31A 2
31A 3
36B 20
37A 15
NO. TABLE POS.
4601M931BA 37A 8
4601M931BB 37A 8
4601M931BP 37A 8
4601M931BQ 37A 8
4601M931BR 37A 8
4601M931BT 37A 8
4601M931BU 37A 8
4601M931CS 37A 8
4601M941A 37A 2
4601M951CA 37B 1
4601M961A 37A 7
4601M971AA 37B 3
4601N011BA 37A 16
4601N021B 37A 22
4601N031AA 37A 18
4601N041AA 37A 19
4601N171AA 14A 3
4601N171AB 14A 3
4601N181AA 14A 4
4601N181AB 14A 4
4601N191AA 37A 6
4601N201AA 37A 1
4601N211A 37B 5
4601N902B 13C 17
4601P062A 13C 16
4601R221A 37A 13
46111391AA 31A 11
46320222A 09A 34
46320222A 11A 28
46320222A 11B 28
46410941BA 26A 10
46410941BA 26B 10
46510961A 26B 7
46510971A 26A 7
47018461AA 33A 3
47028451CA 33A 1
48413091A 35A 3
48612931A 04A 8
49040741A A1 1
49040741A B1 1
A1 3 49041002A C1 1 490PE349A A1 7
I 1
490PE363A A1 5 490PE363A C4 1
49141021A A1 2
49141021A B1 2
49141271A A1 4 49141271A C1 2
491PE348A A1 8
491PE348A I 2
491PE378A A1 6
491PE378A C4 2
49240033A 29A 13
49240033A 29A 13
49241411A 28A 5
49241411A 28A 5 49412061AA 29A 5 49412061AA 29A 5
49720031A 28A 9
49720031A 28A 9
49720071AC 29A 9
NO. TABLE POS. 56516811AU 27A 1 57015351A 31A 10 57115241A 31A 1
57315871CA 31B 3
57315871CA 31B 3
575P0071A 31A 17
57610671A 31B 16
57610671A 31B 16 58510912A 35B 4 58540271A 20A 9
20D 1
30A 1
36A 7
36A 13
36A 12
36A 11
36A 10 590Z0041A 35B 5 590Z0121A 36B 4
59210261A 30A 5
59310601B 09A 46
59320621B 09A 33 59340531A 35B 11
32A 1
13E 6
13E 12
13E 7
13E 4
13E 13 61041292C 20B 6 61141701A 20D 10 61240052A 20B 1 61240052A 20D 13 61240052A 22B 4 61240302A 20D 8 61240341A 20D 16 61240511A 20B 7 61241221A 20D 14 61340761A 20D 11
20C 7
20C 10
NO. TABLE POS.
62441501A 20A 1
62540451A 20D 9
62640231A 20A 3
62640291A 22B 6
62640601A 20A 4
62640601A 22B 13
62641301A 22B 14
63041051A 22B 5
63140281A 20D 12
63140591A 20A 5
63210871A 22B 7
65010271C 22A 1
65010281C 22A 1
65110611A 22A 2
65220391B 13E 5
65540132A 36B 12
66020091C 22A 8
66910011E 11C 8
66910011E 11D 8
67040351A 13A 8
67110661C 13A 1
67621301A 29A 2
67621301A 29A 2
67641051A 17A 3
67740231A 17A 4
68010131A 05A 10
68010131A 07A 2
68010131A 11A 11
68010131A 11B 11
68540081A 14A 18
68540081A 14A 18
69710141A 32A 6
69710151A 32A 7
69710391A 32A 5
69926761A 13C 14
70010491A 26A 22
70010491A 26B 23
70010591A 29A 17
70010591A 29A 17
70010691A 21A 17
70011151A 18A 12
70011161A 26A 18
70011161A 26B 19
70140031A 10A 15
CODE NO. TABLE POS.
70140053A 03A 4
70140211A 03A 1
70140471A 10A 11
70140681A 09A 3
70240381A 29A 21
70240381A 29A 21
70240401B 09A 9
70240921A 09A 29
70240932A 09A 25
70241232A 18A 9
70242211A 09A 55
70242261A 09A 17
70250081A 04B 2
70250081A 09A 20
70250412A 09A 56
70250621A 28A 7
70250621A 28A 7
70250621A 29A 15
70250621A 29A 15
70250861A 03B 10
70310131A 18A 3
70350062A 07A 18
70350062A 11A 2
70350062A 11B 2
71011321A 23A 5
71011901A 14A 12
71011901A 14A 12
71110951A 09A 32
71111261A 11A 31
71111261A
CODE NO. TABLE POS.
735033380 09A 18 73740241B 07A 6
74110121A 13B 14
74110131A 13B 7
74110131A 33A 16
74110551A 13B 15
74110551A 36B 24
74140381A 13B 6 74140381A 20C 13 74140431A 20D 7
36B 7
36B 3
36B 10
30A 16
36B 15
36B 8
19A 19 74141801A 11E 2 74141811A 35B 1
74141871A 36A 2
74142211A 35B 13
74142251A 35B 10
74142411A 35B 14 74142831A 33A 17 74142901A 31B 7 74142901A 31B 7 74710151A 09A 15 74750031A 26B 13
74810141C 28A 1
74810141C 28A 1 74810232B 29A 3
74810232B 29A 3
74810361A 13A 4
74810501A 11A 29
74810501A 11B 29
74840241AB 18A 14
74840241AB 29A 6
74840241AB 29A 6
74840331A 31A 7
74840341B 19A 17 74841011AA 33A 7 74841091AA 34A 16
14A 28
14A 28
CODE NO. TABLE POS.
74850021A 23A 6
74910031AA 16A 5
74940041A 14A 10
74940041A 14A 10
74940041A 26A 16
74940321A 31B 11
74940321A 31B 11
74941118B 13C 35
74941118B 13D 12
74941118B 31B 18
74941118B 31B 18
74941128B 26A 24
74941128B 26B 25
74950011B 21A 9
75010121D 05A 11
75010781A 03B 7
75011551A 13E 10
75011601A 07A 12
75011611A 05A 13
75040211A 13C 11
75050051A 13C 28
751202567 09A 12
75810901A 21A 6
75810911A 18B 24
75811421A 34A 17
75812072A 20C 14
75812141A 13C 33
75812171A 20C 5
75812181A 35A 11
75812301A 14A 21
75812301A 14A 21
75840601A 13D 13
75840771A 31A 18
75840771A 36B 26
75841221A 13B 17
75841221A 20C 15
75841261A 13B 20
75910341A 36B 17
75910351A 36B 18
76410011A 31B 9
76410011A 31B 9
76410241A 13D 14
76410241A 20C 4
76410241A 31B 15
CODE NO. TABLE POS.
76410241A 31B 15
76410241A 34A 7
76410241A 35A 19
76410641A 14A 25
76410641A 14A 25
76410901A 14B 2
76410901A 37A 24
76410971A 14A 27
76410971A 14A 27
76411141A 15A 4
76411141A 36A 6
76411361A 13C 4
76411501A 33A 15
76411741A 32A 3
76412021B 30A 4
76412141A 34A 11
76412281A 33A 12
76414211A 14A 8
76414211A 14A 8
76417651A 14A 5
76417651A 14A 5
76417651A 37A 14
76417791A 30A 21
76440572A 11C 10
76440572A 11D 10
76510171A 26A 13
76610671C 09B 2
76640172A 11A 10 76640172A 11B 10 77110191A 26A 27 77110391A 17A 5 77110401B 14A 20 77110401B 14A 20
77110481A 16A 9 77110491A 11A 7 77110491A
CODE NO. TABLE POS.
77210423C 18A 16
77210591A 20D 3
77210631A 26B 31
77210893B 24A 2
77210893B 26B 22
77210971B 13C 2
77211021A 13D 3
77211021A 31A 16
77211061A 13B 9
77211061A 13C 30 77211221B 18B 25 77211221B 27A 4 77214231A 27A 3 77214231A 37A 9 77214411BA 13C 20
77214411BA 19A 11
77214411BA 24A 5
77214411BA 27A 2
77214411BA 31A 14
77214411BA 36B 21
77214411BA 37A 4
77214411BA 37B 6
77215251A 03B 3
77240133C 19A 16 77240254C 33A 9
11A 26
11B 26 77240308C 13E 11
77240398CC 09A 57
77240433C 13D 15
77240453C 13D 16
77240453C 14A 24
77240453C 14A 24
77240453C 20C 2
77240453C 35A 17
77240463C 21A 14
77240508C 13C 32
77244163B 13A 6
77244163B 13B 19
77244163B 35B 3
77244168B 31B 5
77244168B 31B 5
77244173B 35A 12
77244183B 35A 4
CODE NO. TABLE POS.
77244183B 37A 20
77244213B 30A 9
77244213B 36A 4
77244303B 37A 17
77244373B 13A 3
77250341B 09A 48
77251033B 30A 2
77253300ZF 10A 3
77310071A 29A 12
77310071A 29A 12
77354898B 22B 12
77440041A 14B 4
77440061A 21A 7
77440071A 13C 7
77440111A 14A 30
77440111A 14A 32
77440111A 35A 16
77440203C 35A 10
77440213C 37A 3
77510161A 21A 15
77510171A 14A 13
77510171A 14A 13
77510200CC 04A 9
77510511B 16A 12
77510661B 04B 9
77510661B 11A 17
77510661B 11B 17
77550211A 09B 7
77550213C 19A 10
77750498C 04A 16
77750498C 04B 12
77750508CC 10A 17
77840041A 09A 24
77910262A 09A 52
77910391A 09A 5
77911092A 05A 2
77911331A 11C 18
77911331A 11D 18
77911511AA 26A 19
77911511AA 26B 17
77911622A 09A 37
77911982A 09A 28
77912061AB 26A 21
77913311D 20B 5
77913662AB 20A 7
77913662AB 20C 8
77913662AB 20D 4
77913662AB 22B 16
77913971A 20B 3
77913971A 22B 10
77914045B 05A 9
77914181AA 26A 20
77914181AA 26B 20
77915041A 23A 7
77915451B 19A 7
77915471A 05A 4
77916041D 04A 13
77916041D 04B 13
77917241AA 16A 7
77918701A 11A 23
77918701A 11B 23
77919591AA 34A 5
77919601AA 34A 9
77919631A 11D 23
77919881A 09A 53
7791A131AA 33A 5
7791A141AA 33A 6
7791A991AA 23A 2
77927172B 09A 44
77941952A 14A 16
77941952A 14A 16
77942032A 04A 14
77942032A 04B 10
77950302A 11A 1
77950302A 11B 1
77950621A 09A 21
78010161B 05A 3
78010871A 11C 17
78010871A 11D 17
78011281A 04A 18
77912371B 26B 14 CODE NO. TABLE POS.
CODE NO. TABLE POS.
81910791AA 29A 4
82110091B 29A 18
82110091B 29A 18
82110681B 26A 9
82110681B 26B 9
82110901B 26A 5
82110901B 26B 5
82113471A 10A 9
82113881A 02A 13
82114731A 02A 5 82120151A 02A 14
821Z0011B 11C 6
821Z0011B 11D 6 82414541AA 26A 1 82414551AA 26B 1
82610261A 02A 16
82711611B 26A 6
82711611B 26B 6
82716031A 09A 49
82716091A 04B 7
82716141A 13E 9
82716351A 11A 22
82716351A 11B 22
82716371AA 16A 4
82717451A 14B 8
82718711AA 18A 15
82719301A 21A 5
8271H831B 04A 7
8271H921BB 33A 8
8291D011A 35B 7
8291E041A 14A 11
8291E041A 14A 11
8291F991AA 36B 19
8291H231AA 13C 12
8291P611B 14A 2
8291P611B 14A 2
8291P691C 13C 1
8291P971AA 19A 21
83014041B 34A 8
83014941B 16A 11
8301A851AA 26B 21
8301M681AA 13D 18
8301M821AA 14A 23
8301M821AA 14A 23
8301N851AA 14A 22
8301N851AA 14A 22
8301R061AA 13B 18
83110151A 09A 40
84010012A 11C 1
84010012A 11D 1
84010022A 11C 1
84010022A 11D 1
84010032A 11C 1
84010032A 11D 1
84010042A 11C 1
84010042A 11D 1
84010052A 11C 1
84010052A 11D 1
84010062A 11C 1
84010062A 11D 1
84010072A 11C 1
84010072A 11D 1
84010082A 11C 1
84010082A 11D 1
84010092A 11C 1
84010092A 11D 1
84010102A 11C 1
84010102A 11D 1
84010112A 11C 1
84010112A 11D 1
84010122A 11C 1
84010122A 11D 1
84010132A 11C 1
84010132A 11D 1
84010142A 11C 1
84010142A 11D 1
84010152A 11C 1
84010152A 11D 1
84010162A 11C 1
84010162A 11D 1
84010172A 11C 1
84010172A 11D 1
84010182A 11C 1
84010182A 11D 1
84010192A 11C 1
84010192A 11D 1
8301M791AA 13A 5 8301M801A 13C 18 CODE NO. TABLE POS.
CODE NO. TABLE POS.
84010202A 11C 1
84010202A 11D 1
84010212A 11C 1
84010212A 11D 1
84010222A 11C 1
84010222A 11D 1
84010232A 11C 1
84010232A 11D 1
84010242A 11C 1 84010242A 11D 1
84010252A 11C 1
84010252A 11D 1
84010262A
11C 1 84010302A
CODE NO. TABLE POS.
84011102A 11C 1
84011102A 11D 1
84011112A 11C 1
84011112A 11D 1
84011122A 11C 1 84011122A 11D 1 84011132A 11C 1 84011132A 11D 1
84011142A 11C 1
84011142A 11D 1
84740021A 26A 3
84740021A 26B 3
84740061A 09A 42
84840111A 33A 2
85010151A 26B 28
85040381A 14A 30
85040381A 14A 4
85040381A 31A 6
85040381A 35A 20
85040381A 37A 5
85040471A 35A 13
85040671A 13B 8
85042242A 30A 11
85042242A 37A 11
85042371A 36A 15
85042481A 37A 12
85044631A 27A 6
85044691A 13A 7
85044691A 31A 15
85044691A 31B 6
85044691A 31B 6
85044691A 36B 23
85044691A 37A 21
85044691A 37B 7
85044791A 30A 12
85110131A 07A 11
85110191A 05A 12
85110201B 03B 8
85210011B 19A 3
85210021B 19A 3
85210031B 19A 3
85210491B 18A 13
85210532A 09A 7
85210541B 14B 5
CODE NO. TABLE POS.
85210541B 23A 3
85210651B 26A 23
85210651B 26B 24
85211031AB 18A 8
85211201A 09A 27
85211351A 04A 5
85211571A 26A 12
85211571A 26B 18
85211731A 11A 3
85211731A 11B 3
85211761A 31B 17
85211761A 31B 17
85211951A 09A 31
85211951A 34A 14
85212181A 24A 6
85212181A 37A 10
85212461A 11A 15
85212461A 11B 15
85212511A 19A 22
85212511A 21A 10
85212641A 14A 3
85212641A 14A 31
85212641A 14B 9
85212691A 05A 7
85212801A 17A 7
85212881A 05A 6
85212881B 05A 6
85212881C 05A 6
85212881D 05A 6
85212881E 05A 6
85212881F 05A 6
85212881G 05A 6
85212881H 05A 6
85212881I 05A 6
85212881J 05A 6
85212881K 05A 6
85212881L 05A 6
85212881M 05A 6
CODE NO. TABLE POS.
85611261A 03A 6
85611271A 27A 7
85611391B 03B 2
85611481A 09A 14
85611911A 03B 13
85640141A 09A 41
86610191A 32A 2
86610301A 32A 4
86610301B 13C 19
86610751A 13B 21
86611121A 20C 6
86611861A 13C 13
86612091A 13B 12
86612101A 33A 18
86612311A 36B 1
86612921A 33A 10
86612931A 33A 11
86613241A 37A 25
86613281A 30A 19
86613281A 37A 23
86613671A 36B 13
86613691A 13C 6
86613701B 13B 16
86613711A 14A 29
86613711A 14A 29
86613721A 19A 5
86613791A 13C 15
86614011A 30A 24
86614021A 30A 25
86614461A 32A 10
86614471A 32A 9
86640111A 13E 3
87210691A 22A 10
87210971A 19A 14
87211081A 13C 10
87211681A 13B 3
87211851A 33A 13
87211861A 19A 4
87211871A 19A 12 87241331A 33A 14 87310371A 09B 16 87621271B 35B 2 87713021B 35B 8 87713031A 35B 9
CODE NO. TABLE POS.
87713041A 35B 12
88110101C 10A 6
88110121A 02A 18
88210031A 07A 14
88210141A 03A 7
88440061A 29A 8
88440061A 29A 8
88440071A 19A 2
88440531A 09A 4
88450031A 26A 2
88450031A 26B 2
88450131A 04A 6
88450341B 02A 19
88450341B 19A 8
88610951A 04B 14
88640331A 09A 23
88640371A 09B 1
88640771A 35A 21
88640771A 35B 6
88640891A 04A 12
88640991A 11A 24
88640991A 11B 24
88641321A 09B 9
88641381A 11C 21
88641381A 11D 21
88641731A 03B 6
88641961A 09A 54
88641991A 09B 15
88642431A 26A 28
88642431A 26B 29
88643251A 17A 9
887130137 01B 11
887130958 01C 4
887131010 01C 7
887131058 01C 5
887131062 01C 1
887131072 01C 6
887131749 01B 18
887131805 01B 8
887131832 01B 9
887131886 01B 20
887131994 01B 4
887132011 01B 17
887132282 01B 7
887132442 01B 10
887132556 01B 15
887132562 01C 3
887132591 01B 14
887132676 01B 2
887132695 01B 6
887132801 01B 26
887132834 01B 19
887132906 01B 16
887132916 01B 24
887133218 01B 1
887133334 01B 21
887133367 01B 23
887134411 01B 5
887134882 01B 12
887138835 01C 2
887138871 01C 8
887138875 01B 27
887651000 01B 25
887651005 01B 25
887651006 01B 25 887651298 01B 22
887651581 01B 13
89320062A 09A 36
89320121A 04A 11
89340241A 20D 2 89340341A 22B 15
89340351A 20A 6
89420091A 09B 17 89520481C 13E 1 90240271A 01C 9 92610051A 33A 19
92611411A 37A 26
887132103 01B 3 CODE NO. TABLE POS.