Model Year 2025
Chassis prefix: Cylinder capacity: 1103

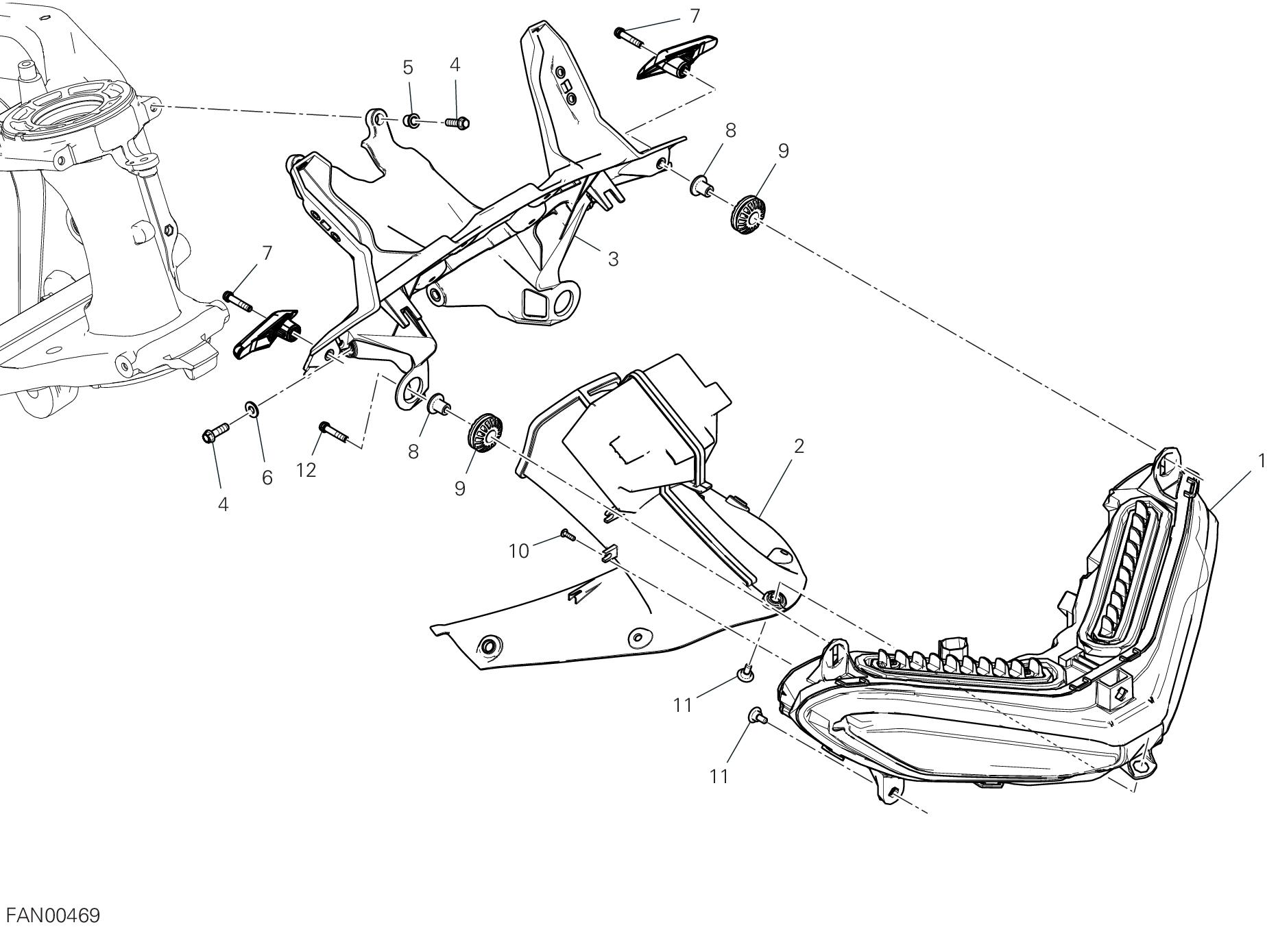
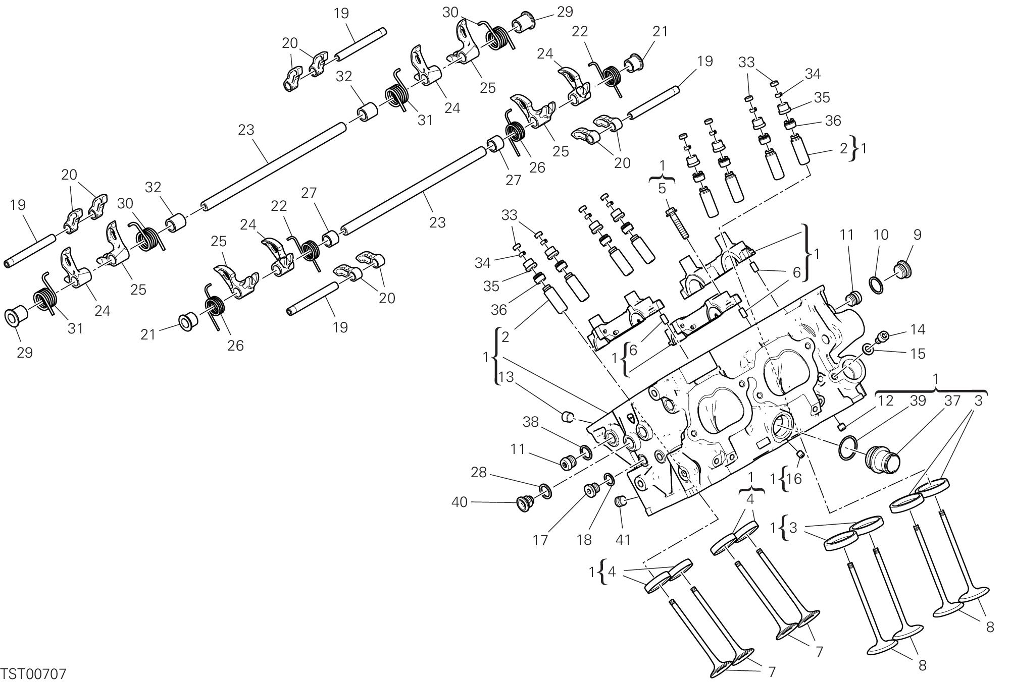
![]()
Model Year 2025
Chassis prefix: Cylinder capacity: 1103

D37000025
SPARE PARTS CATALOGUE
The present spare parts order exactly the right spare parts.
When ordering specify:
1. the part's code number followed by its description and quantity needed;
2. the motorcycle's serial number, stamped on the steering head.
Reference to right and left apply to the vehicle in terms of its direction of move-ment.
Spare parts drawings are general and do not represent the part.
The contents of this catalogue are general and can undergo changes without prior notice.




























































































03A 34
22A 1 15621141BA 05A 4 15621141BB 05A 4 15621141BC 05A 4 15621141BD 05A 4
16015522B 11A 1 16017801AA 29A 13 16027111A 30A 27 17011661C 03B 22 17021611C 03B 2 17112211A 12A 7
17112211A 12B 7
17112221C 12A 3
17112221C 12B 8
17216191A 03A 3
17216201A 03A 4
17216231A 03A 8
17216241A 03A 9
17216251A 03A 10
17216451A 03A 12
17216461A 03A 5
17216471A 03A 6
17216481A 03A 7
17216491A 03A 11
17310411A 11A 6
17410852C 10A 1
17610281A 11A 7
18010472A 02A 1
18010482A 02A 2
18010492A 02A 3
18120071A 02A 4
18220381B 02A 12
182P0012B 02A 11
18710021A 20B 13
18710021A 22B 3
19020361D 03B 3
19410511A 03B 4
19540091E 22B 24
19610711A 03B 5
19610721A 03B 6
19820501B 03B 7
20810461A 12C 20
20910781A 12C 25
20910781A 12D 25
20910791A 12C 24 20910791A 12D 24
21011194A 12C 8 21011194A 12D 8 21111191A 12C 7 21111191A 12D 7
225P0012H 09A 1
24211141B7 04B 3
24311541A7 04A 2
24311644A7 04A 18
24715791A 12A 30
24715791A 12B 30
24715873A8 12B 21
24715882A8 12A 21
24717821A 37D 4
24717831A 19A 25
24717841B 19A 26
24735581A8 04B 6 247P5863A 04C 4 24920511K 10A 2 24920632A 08A 10 25110101A 10A 7 25210301A7 04C 1
25440014A 09A 15 26420621A 11A 14 27040193A
20810461A 12D 20 CODE NO. TABLE POS.
37A 34
37A 36 4381N681A 37A 35 4381N691A 37A 37 4421A462A 35A 20
14A 2
35A 7
04C 2
19A 11
19A 10
17A 13
19A 12
07A 1
07A 2
03B 14
08A 8
17A 1
07A 3
36B 5
36B 6
09A 16 45612521AA 26A 5
26A 13
26B 3
17A 9
11A 15
16A 12
31B 21
26A 25
26B 14
25A 31 4601P221A 31B 1
4601P241A 31B 9 4601P251B 31B 12 4601P261A 31B 7 4601P271B 31B 5 4601P281A 31B 14 4601P291A 33B 23
4601P302A 33B 25
4601P311B 33B 14
4601P331B 31B 6
4601P351A 25A 27
4601P361A 25A 26
4601P401A 20C 21
CODE NO. TABLE POS.
4601P401A 31B 27
4601P411A 31B 19
4601P421A 31B 20
4601P431A 31B 23
4601P962A 18A 4
4601P972A 37C 26
4601R031A 37C 2
4601R041A 37B 2
4601R061A 37A 15
4601R071A 37A 16
4601R282A 37A 13
4601R581A 19A 13
4601R591B 20C 18
4601R821A 37B 7
4601R831A 37C 6
4601R842A 37C 10
4601R851A 33B 16
4601R861A 35A 11
4601R871A 35A 13
4601R941A 17A 2
4601S091A 19A 30
4601S222A 19A 31
460PP981A 33B 19
46240461A 15A 2
46320226A 30A 5
46410531B 26B 18
46410541B 26A 22
47112222AA 33B 4
47112232AA 33B 3
47122272BA 33A 1
4801E411BA 37A 9
4801E421BA 37A 10
4801H261BA 37C 1
4801H271BA 37B 1
4801H311BA 37C 4
4801H321BA 37B 4
4801H331A 37C 9
4801H341A 37B 6
4801H351AA 37C 22
4801H372A 37D 16
4801H382A 37D 17
4801H471A 37C 24
4801H481A 37C 23
48114751BA 37A 5
CODE NO. TABLE POS.
48114761BA 37A 8
48217331A 37D 11
48217391A 33B 2
48217401A 33B 1
482P7283AA 37D 1
482P7292BA 37D 7
482P7302BA 37D 6
48312312B 33C 1
48411492A 35A 2
48412771A 37C 28
48413381C 35A 5
4841C761A 25A 3
4841C771A 25A 2
4841C941BA 25A 1 48611191A 04A 3
48611321A 35A 14
48611331A 35A 12
48611341A 31B 26 48612271A 04A 34 48612281A 04A 37 48612293A 04A 33 48612551A 04A 38 48613201A 33B 20 48613223A 37C 3
48613234A 37B 3
48613242A
K 2
13C 14
13C 9
37A 28
21A 6
14B 1
21A 9
21A 18
20B 5
14B 2
37A 29
37A 26
13C 4
04A 12
16A 11
16A 5
22B 22
54040391A 13D 18
54140151A 13C 3
54812742A 25A 21
54812752A 34A 1
54911931A 34A 2
54911941A 34A 3
55215541A 31A 13
55215541A 31B 16
55219411D 13F 11
55219421B 13F 4
55240121A 13F 8
55241321C 04A 13
55243181A 09A 17
55243731C 13B 22
55243931A 02A 13
55244081A 25C 3
55244431B 09B 4
55320161A 25C 1
55621431AA 16A 1
56113621A 21A 11
56116502A 21A 4
56116511A 21A 5
56416971AA 24A 1
56416971AD 24A 1
56510881B 27A 1
57015391B 31A 10
57115391B 31B 13
57316541A 31A 1
57611091AA 31A 2
58511461A 25D 1
58540341A 20A 15
58540351A 22B 12
58613363AA 30A 1
59014671A 36C 15
59018911A 30A 23
59019471A 35A 8
59019521A 36C 12
59019531A 36C 10
59028751A 36B 7
59028761A 36A 2
59029492A 36B 26
59030101A 36C 20
590Z0011A 13B 4
590Z0021A 13B 1
20A 5 CODE NO. TABLE POS.
CODE NO. TABLE POS.
590Z0031A 13B 3
59340621A 13E 4
59340661A 13A 2
59341101A 36C 19
595P3622AA 32A 1
59810551B 13F 3
59820611AB 13E 14
59822821AB 13F 1
61041991A 22B 27
61042221AA 20B 2
61042231AA 20B 1
61140471A 20D 1
61240052A 20B 14
61240052A 22B 4
61240081A 20D 5
61240161A 20D 2
61240391A 20A 3
61240391A 22B 23
61241271A 20B 10
61340951A 20D 3
61341671A 20B 9
61812081A 20C 8
61812093A 20C 7
61912152A 20C 9
61912162B 20C 10
62441531AA 20A 1
62540561AA 20D 9 62640561A 20A 7
62640561A 22B 20
62640571A 22B 18 62641131A 20A 8 63040932AA 22B 1 63140081A 20A 6
63140081A 22B 21
CODE NO. TABLE POS.
70250601A 03B 8
70250681A 29A 2
70250801A 11A 9
70250991A 23A 6
70311211AA 18A 6
71011451A 22A 17
71012021B 03A 28
71012111AA 16A 8
71012281AA 26B 20
710P0021A 03A 27
71112191A 09A 2
71112791A 22A 18
71113742A 12A 13
71113742A 12B 13
71115051E 09A 22
71116721A 36B 9
71116941A 09B 17
71117611AA 33A 6
7111E551A 09B 6
71210691A 03A 16
71240331A 03B 15
71313091A 03B 9
71314703A 14B 4
71314901A 13F 12
71316011B 03B 10
71316061AA 13E 3
71316102A 11A 13
71316161A 22A 20
71316331AA 20B 7
71319201A 13F 12
71319452AA 19A 8
71319961CA 18A 18
7131C211A 12C 27
7131C211A 12D 27
7131C221A 12C 32
7131C221A 12D 32
7131C231A 12C 21
7131C231A 12D 21
7131C241A 12C 29
7131C241A 12D 29
7131C821AA 19A 7
7131C881BA 30A 19
7131C961A 30A 6
7131F381BA 29A 10
SPARE PARTS CATALOGUE
CODE NO. TABLE POS.
7131F391BA 29A 17
7131F401BA 29A 8
7131F481A 23A 7
7131F491A 32A 7
7131F731A 23A 8
713P0011C 03A 31
71411421AA 28A 3
71411431AA 28A 8
71413471AA 28A 12
71413782AA 29A 3
71611571C 02A 5
71611581C 02A 6
71611661AA 16A 3
71611671AA 17A 10
71611671AA 25A 7
71611731AA 14A 5
71611821AA 25A 20
71611831AA 33A 15
71614011B 24A 3
71614141A 31A 3
71614381AA 14A 8
71615151AA 34A 8
71615501AA 13B 12
71615501AA 36B 10
71615691AA 13D 31
71615691AA 21A 1
71616491AA 20C 5
71616491AA 36C 4
71850253C 30A 16
71950303C 20A 11
71950303C 22B 10
71950370CF 04B 1
72010513C 28A 5
72050033CF 29A 9
72050173CA 21A 15
72050173CA 33B 24
72050173CF 36A 5
73211131A 33C 11
73211153A 13E 6
735034405 09B 7
73840052A 07A 4
73840062A 07A 5
74110121A 13C 10
74110121A 36C 29
CODE NO. TABLE POS.
74110131A 13C 11
74110551A 13C 7
74110551A 20C 16
74110551A 25D 18
74111612A 33A 13
74111612A 36C 30
74113411A 36C 11
74140381A 13C 8
74140381A 16A 13
74140381A 21A 14
74140381A 35A 26
74140381A 36A 11
74140431A 30A 24
74140431A 36C 23
74140641A 36C 27
74140651A 36C 31
74141001A 09B 21
74141001A 36C 32
74141711A 13B 6
74141711A 25D 13
74141711A 36C 26
74141721A 25D 19
74141721A 35A 25
74141721A 36C 25
74141811A 25C 13
74141851A 25C 11
74141851A 31B 15
74141861A 25C 9
74142141A 35A 10
74142371A 13B 15 74142441A 11A 12
74142951A 20A 16
74142951A 22B 14
74142951A 25D 14
36C
CODE NO. TABLE POS.
76410241A 31A 4
76410621B 35A 21
76410901A 13D 23
76410901A 20C 6
76410901A 36C 3
76411361A 14A 9
76411491A 14B 8
76411501A 17A 11
76411501A 25A 8
76411501A 25D 4
76411501A 31B 4
76411501A 33B 26
76411501A 34A 6
76411671A 13B 14
76411671A 13E 11
76411671A 36B 11
76412121A 04A 9
76412121A 12A 22
76412121A 12B 22
76412441A 37A 7
76412451A 13B 11
76412472A 31A 7
76412501A 13D 32
76412501A 21A 2
76414191A 20A 12
76414191A 22B 8
76414251A 13B 17
76414272A 30A 18
76414701A 36C 28
76417751A 14B 3
76417781B 33C 3
76417811A 33B 6
76417832A 37D 20
76417851A 30A 12
76417891A 25A 25
76440091B 12C 36
76440091B 12D 36
76440561A 17A 4
76440561A 37C 30
77110381A 36B 28
77110391A 26B 22
77110401B 12A 27
77110401B 12B 27
77113691C 34A 5
77140697CF 36A 7
77150208B 13B 13
77150208B 36A 8
77150208B 36B 13
77150624B 12C 14
77150624B 12D 14
77150768B 22A 19
77151250ZF 18B 3
77154337C 17A 5
77156393B 25A 10
77156393B 37A 23
77156398B 14B 5
77156418B 30A 22
77156443B 14A 12
77156443B 21A 3
77156453B 13D 29
77156453B 14A 7
77156453B 20C 4
77156453B 25A 30
77156453B 36C 2
77156628B 13D 7
77156643B 30A 11
77156678B 18A 10
77156678B 22B 26
77156683B 17A 6
77156728B 22B 25
77156733B 17A 7
77156821A 18A 11
77157203B 13E 2
77157238B 20D 6
77157248B 22A 12
77157248B 26A 15
77157248B 26B 2
7715725BG 33A 8
7715727BF 23A 15
77157288B 26A 2
7715936BG 23A 2
7715937BG 23A 12
77210423C 13E 17
76611231A 09A 7 76640191A 12B 12 76640381A 12A 12 77110191A 26A 4 77110381A 30A 14 CODE NO. TABLE POS.
CODE NO. TABLE POS.
77210501C 33A 11
77210601A 13F 13
77210623B 31B 22
77210882B 25A 17
77210882B 25D 16
77210893B 24A 7
77211061A 13D 14
77211091C 31B 24
77211091C 33B 21
77211091C 37A 17
77211091C 37B 16
77211091C 37C 14
77211201A 03B 11
77211251A 37D 13
77213290ZF 08A 6
77213290ZF 11A 4
77213300Z 12A 6
77213300Z 12B 6
77214031A 20C 14
77214411AA 14A 11
77214411AA 37B 11
77214411AA 37C 18
77214411AA 37D 12
77214411BA 19A 16
77214411BA 20C 20
77214411BA 27A 2
77240253C 33C 12
77240323C 13B 21
77240393C
CODE NO. TABLE POS.
77440213C 13F 9
77440213C 31B 8
77440251A 14A 10
77440251A 37B 13
77440251A 37C 12
77440511A 19A 28
77440511A 35A 15
77440631A 14B 6
77510071AB 37A 2
77510311B 09A 25
77550131B 26A 11
77550171A 13B 9
77550171A 13D 8
77550171A 20B 19
77550171A 21A 7
77550200CC 04A 5
77750494C 04B 8
77910921B 20A 13
77910921B 22B 7
77912371B 26B 5
77912981A 18A 14
77913541A 12C 9
77913541A 12D 9
77913611A 12C 11
77913611A 12D 11
77913662AB 20C 11
77913662AB 20D 7
77913662AB 22B 16
77913971A 20B 12
77913971A 22B 5
77914151A 20A 9
77915041A 23A 16
77915111B 20B 8
77915471A 05A 3
77916241A 09A 27
77916811AA 13F 10
77917231A 12A 1
77917231A 12B 1
77917391BA 18A 9
77918261AA 29A 6
7791A381A 09A 28
7791A571A 05A 5
7791A631A 09A 4
7791A651A 09A 3
SPARE PARTS CATALOGUE
CODE NO. TABLE POS.
7791A661A 09A 6
7791A751B 04A 40
7791A751B 12A 24
7791A842AA 33A 5
7791A871AA 22A 11
7791B121A 10A 5
7791B321AA 23A 14
7791B321AA 33B 5
7791B491A 04A 10
7791B531AA 31A 6
7791B851BA 04A 42
7791C031A 03B 17
7791C041B 04B 10
7791C042A 04B 4
7791C361A 09A 10
7791C751B 09B 8
7791D181A 12B 24
7791D444AA 19A 20
7791D471AA 26B 21
7791D481AA 25A 14
7791D481AA 33A 17
7791D491AA 25A 15
7791D491AA 33A 16
7791D621A 12A 15
7791D621A 12B 15
77927172B 09A 29
77941992A 04A 1
77941992A 04B 5
77941992A 04C 9
77941992A 10A 4
77942002A 04A 21
77942002A 04C 8
78010511C 09B 11
78010511C 12C 40
78010511C 12D 40
78010771A 09A 34
78010871B 09A 31
78010871B 09B 20
78010871B 12C 41
78010871B 12D 41
78010921A 04A 7
78011262A 12C 13
78011262A 12D 13
78011591A 31A 15
CODE NO. TABLE POS.
78050011B 12C 17
78050011B 12D 17
78110121AA 04A 28
78510271A 19A 27
78611421D 09B 12
78611431D 09B 13
78811041A 13F 15
78811602B 12B 14
78811612A 12A 19
78811612A 12B 19
78811622B 12A 14
78812011A 32A 6
79010321B 31B 17
79010341B 31A 11
79110941A 25A 23
79111241A 35A 19
79111312A 30A 7
79111531A 33B 13
79111541A 33B 12
79710771A 03B 12
79913021A 33C 9
79915101C 09A 32
79915131C 02A 7
79915141D 02A 8
79915581A 25C 5
79915871AA 26A 21
79915871AA 26B 17
79916091C 12C 22
79916091C 12D 22
79916101C 12C 26
82718933A 04A 39
82718944A 04A 35
82718991A 04A 31
8271F271A 12A 2
8271F271A 12B 2
8271L192BA 36B 27
8271L201A 34A 4
82919202A 36B 19
8291G311C 12A 18
8291G311C 12B 18
8291H031A 35A 1
8291H082A 35A 6 8291H141A 30A 9 8291I912AA 33A 7 8291N521A 37C 29
8291Q161A 13E 16
8291Q171BA 20A 10
8291Q181BA 22B 9
8291R321AA 26B 10
8291R361A 13D 15
8291R471B 14A 3
8291R511A 37C 7
8291R552AA 30A 10 8291R561A 13D 33 8291R672AA 23A 11 8291S551A 13D 34 8291S621B 37A 24 8291S631B 37A 27
8291T211AA 30A 28
8292R311AA 26A 1 8292R461A 25A 24 83019481AB 13D 12 83019581A 36C 1 8301H812AA 04B 9 8301J291A 25A 11 8301J301A 20B 17 8301J311B 20C 13
8301J321AA 31A 8
24A 4
24A 5
20B 15
25D 15
13D 3
8301N411A 20C 2
8301N462A 25A 16
8301N471B 13D 28
8301Q011AA 37A 32
8301Q021AA 37A 31 8301R151AA 20B 4
8301R161AA 20B 3
83040071A 22A 21
83110151A 09A 36
12C 35
12D 35
12C 35
12D 35
12C 35
12D 35
12C 35 84012001BG 12D 35
12C 35
12D 35
12C 35
12D 35
12C 35 84012001BJ 12D 35 84012001BK 12C 35
84012001BK 12D 35
12C 35
12D 35
12C 35
12D 35
12C 35
12D 35
12C 35 84012001BO 12D 35 84012001BP 12C 35
12D 35
12C 35
12D 35
12C 35
12D 35
12C 35
12D 35
12C
13E 9 CODE NO. TABLE POS.
CODE NO. TABLE POS.
85212221A 28A 13
85212511A 21A 12
85212641A 12A 26
85212641A 12B 26
85212651A 11A 11
85212661A 09A 38
85212661A 09B 16
85212721A 04A 26
85212771A 09A 14
85212801A 17A 8
85213111AA 14B 7
85213111AA 25A 9
85213111AA 30A 13
85213111AA 31B 3
85213111AA 34A 7
85213111AA 37A 12
85213751AA 25A 33
85213981A 02A 18
85214051B 03B 20
85214071B 05A 8
85214071B 11A 5
85214421A 08A 3
85214421A 10A 3
85214621A 03A 17
85214631A 03A 18
85214641A 03A 19
85215391A 22A 24
85215651AA 19A 23
85219841A 23A 17
85240131A 25A 19
85240261A 12C 15 85240261A 12D 15
85241831A 12C 38
85241831A 12D 38
85250231A 12A 9
85250231A 12B 9
85250241A 04A 29
85250241A 12C 18
85250241A 12D 18
85250241A 20A 4
85250241A 20B 11
85250241A 20C 12
85250241A 20D 8
85250241A 22B 17
SPARE PARTS CATALOGUE
CODE NO. TABLE POS.
85250261A 04A 8
85250261B 12C 28
85250261B 12D 28
85250291A 18A 19
85250311AB 13B 10
85250311AB 13D 24
85250541A 04C 7
85250871A 09B 10
85310031A 04A 15
85310031A 13A 5
85350061A 19A 21
85350101A 13D 16
85540091A 33A 9
85540131AA 23A 13
85550001B 13D 13
85611271A 26A 7
85611391B 03B 13
85611401A 37A 18
85611401A 37B 8
85611401A 37C 15
85611401A 37D 9
85611551A 04A 41
85611551A 12A 23
85611551A 12B 23
85611621A 12A 11
85611621A 12B 11
85611801A 03A 20
85611811A 03A 21
85612051A 33B 10
85612071AA 22A 23
85640121A 31B 18
85640141A 09A 39
85651691B 09A 8
85651691B 12A 16
85651691B 12B 16
86010061A 12C 16
86010061A 12D 16
86010151A 12C 12
86010151A 12D 12
86040071A 09A 40
86050061A 12C 6
86050061A 12D 6
86050341A 09A 41
86050781A 26B 11
86150331A 22A 8
86250081A 22A 9
86610301A 30A 29
86610301A 32A 3
86610301B 37D 5
86610751A 31B 11
86611821A 37B 17
86611821A 37C 20
86612241A 30A 30
86612341A 35A 28
86612371A 36B 22
86612381A 36B 23
86612411A 35A 22
86612441A 37D 23
86612671A 37D 3
86612781A 33B 8
86612781A 33C 2
86612801A 37D 2
86613041A 33B 9
86613311A 30A 15
86613331A 37D 18
86613801A 24A 6
86613801A 33C 5
86613851A 13D 27
86613861A 19A 15 86613871A 19A 14
86613981A 19A 33
86613981A 31B 10
86613981A 33C 4 86613981A 37D 19 86614001A 13D 36
86614251A 13D 6
86640081A 13F 6 87211261AB 35A 23 87211343A 30A 3 87211681A 13C 15
87211891A 18A 8 87211921A 36C 16 87512492B 09A 42
87512761DA
86050361AA 26A 3 CODE NO. TABLE POS.
889450086 01D 14
889450103 01B 15
889450107 01B 17
89310143A 25D 2
89310153A 04C 6
89310241A 25A 22
89320121A 04A 19
89340241A 22B 11
89340251A 20A 14
89420231B 08A 9
89520411AE 13F 7
90240271A 01D 18
91377621AR 32A 4
91377621BG 32A 4
91377621CA 32A 4
91377621CE 32A 4
91377621CS 32A 4
91377621DA 32A 4
91377621DE 32A 4
91377621EL 32A 4
91377621EN 32A 4
91377621ES 32A 4
91377621FI 32A 4
91377621FR 32A 4
91377621HR 32A 4
91377621HU 32A 4
91377621IT 32A 4
91377621JA 32A 4
91377621KO 32A 4
91377621MX 32A 4
91377621NL 32A 4
91377621NO 32A 4
91377621PL 32A 4
91377621PT 32A 4
91377621RO 32A 4
91377621RU 32A 4
91377621SK 32A 4
91377621SL 32A 4
91377621SV 32A 4
91377621US 32A 4
91377621ZH 32A 4
92611131A 37C 25
92611141A 37C 21
92611151A 37B 15
92611201A 37D 22 92611211A 37D 21
93010041B 18A 7
93040521A 28A 6
93040932A 09A 24 93041521A 04A 27
93041592A 09B 14
93041911A 33A 3
93042191A 29A 4 93042221A 09B 15
93042231A 04A 24
93050121A 19A 5
93310781A 22B 15
93310831A 20A 17
93410211A 25D 5
93410302A 25D 6
93410501A 25D 9
93410551A 09B 22 93410691A 25D 11 93511501A 36C 17 93511581A 36C 22
93511591A 36C 9 93512321A 36C 13 93512851A 36C 8
935Z0021A 13B 2
93940021A 20C 1 944150021 L 3
944650035 L 1
944650037 L 2
94810011B 15A 1
96282001AA 22A 22 979000253 01A 2
979000279 01A 1
979000281 01A 6
979000282 01A 3
979000283 01A 4
979000284 01A 5