Model Year 2025
Chassis prefix: Cylinder capacity: 1158

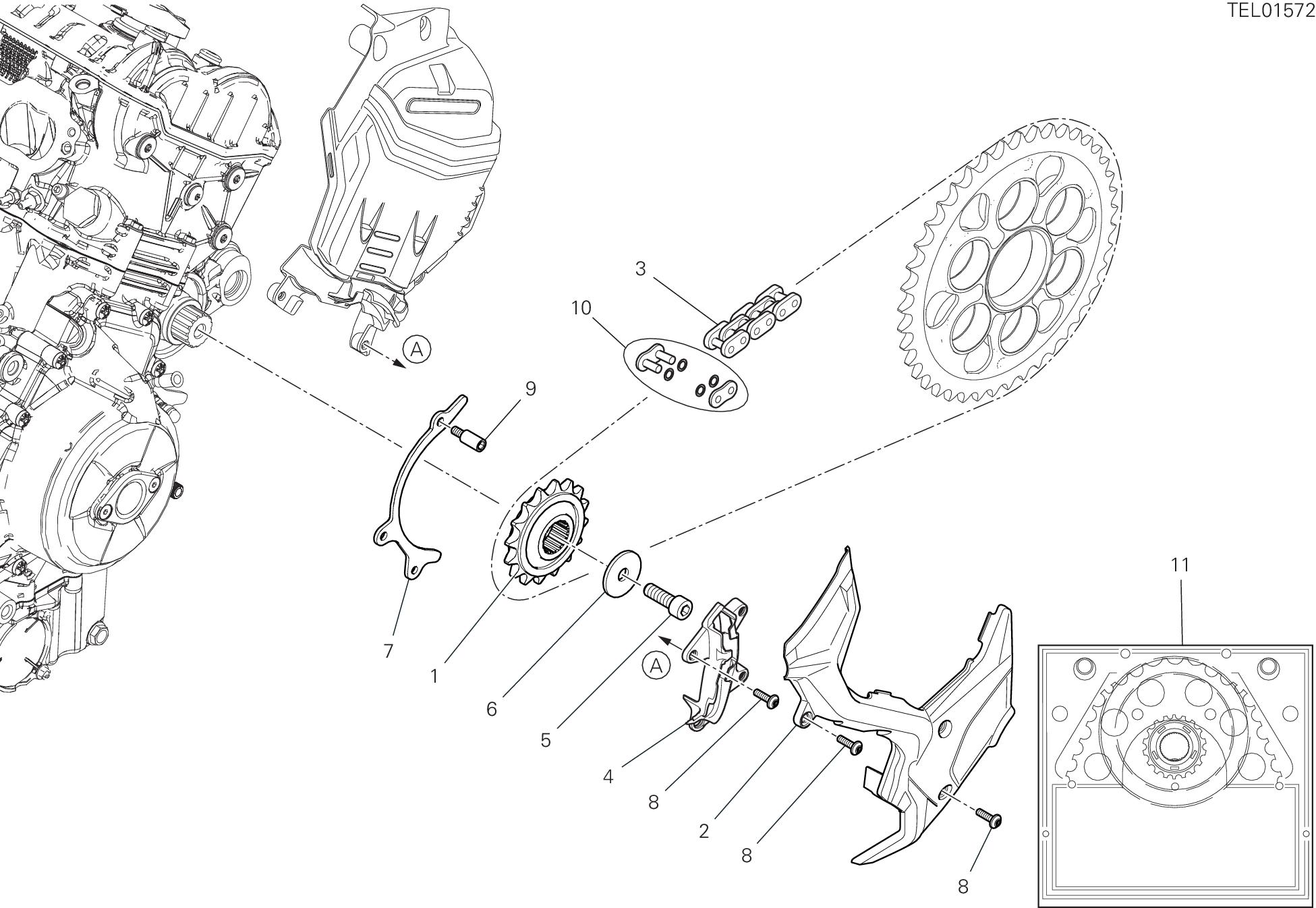
![]()
Model Year 2025
Chassis prefix: Cylinder capacity: 1158

The present spare parts order exactly the right spare parts.
When ordering specify:
1. the part's code number followed by its description and quantity needed;
2. the motorcycle's serial number, stamped on the steering head.
Reference to right and left apply to the vehicle in terms of its direction of move-ment.
Spare parts drawings are general and do not represent the part.
The contents of this catalogue are general and can undergo changes without prior notice.




































































































05A 4
05A 4 16015522B 11A 1 16016671AA 30B 6 16016841AA 29B 5 16024312B 30B 5 17011611B 03B 4 17011661A 03B 3 17021611B 03B 2 17112211A 12A 7 17112211A 12B 7 17112222B 12A 3 17112222B 12B 8
17215721B 03A 6
17215731B 03A 12
17215741B 03A 3
17215751A 03A 4
17215761A 03A 5
17215771B 03A 7
17215781B 03A 8
17215791A 03A 9
17215801A 03A 10
17215811A 03A 11
17216901A 03A 3
17216911A 03A 8
17310411A 11A 6
17410852C 10A 1
17610281A 11A 7
18010472A 02A 1
18010482A 02A 2
18010492A 02A 3
18120071A 02A 4
18220721A 02A 12
182P0011A 02A 11
18410231A 37D 14
18710021A 20A 1
18710021A 22B 3
19020552A 03B 5
19410711A 03B 6
19410721A 03B 7
19540101C 22B 4
19540101D 22B 4
19610841A 03B 10
19611061A 03B 8
CODE NO. TABLE POS.
19611071A 03B 9
19810671C 03B 11
20810461A 12C 20
20810461A 12D 20
20910781A 12C 25 20910781A 12D 25
20910791A 12C 24
20910791A 12D 24
21011194A 12C 8 21011194A 12D 8 21111191A 12C 7 21111191A 12D 7
22032083A 04A 8
225P0191B 09A 1
24211141B7 04B 3
24311541B7 04A 42
24314291D 04A 45
243P0261A7 04A 18
24715791A 12A 30 24715791A 12B 30 24715873A8 12B 21
24715882A8 12A 21 24716652A 13E 20 24716711B 37A 12
24716781A 37A 16
24716821A 37A 15 24716831A 37A 14
24716891A
07A 1
07A 2
08A 2
03B 27
17A 1
07A 3
09A 16
26A 3
26A 4
20D 2
20C 20
30A 15
4601H211BB 37G 2
4601H221BB 37G 1
4601H231CB 37G 3
4601H281B 31A 1
4601H291B 31A 2
4601H581B 18A 8
4601H601AA 13D 22
4601H623A 33C 2
4601H632A 33C 3
4601H722A 33C 4
4601H732A 33C 5
4601H811B 37G 12
4601I061A 19A 16
4601I071A 17A 2
4601I271A 26A 1
4601I801A 13E 18
4601I811AA 13E 15
4601L831A 13G 29
4601L831B 13G 27
4601M271A 19A 9
4601N821A 26B 1
4601N861A 37D 21
4601N992A 33D 33
4601P161AA 31B 2
4601P881AA 33D 33
4601R291AA 22A 3
4601R301AA 22A 2
4601R341AA 22A 4
4601R351AA 22A 5
46320537A 03B 28
46411161AA 26B 2
46411161AA 26C 2
46411171AA 26C 3
46411201AA 26A 6
46411211AA 26B 2
47018272CA 33D 2
47019031A 33D 1
47019041B 33D 2
47111581DA 33B 2
47111591DB 33C 6
47111601DB 33C 7
47111673C 33D 3
47112441AA 33B 1
11A 15 CODE NO. TABLE POS.
4801A541A 37C 13
4801A882A 37E 4
4801A893A 37F 5
4801A901AD 37E 3
4801A911AD 37F 6
4801A952A 37D 2
4801B072A 37H 2
4801B291A 37C 12
4801B301AA 13E 1
4801B973A 37C 7
4801C101A 37E 2
4801C111A 37F 1
4801C301A 25A 4
4801C301A 25B 2 4801C382AB 37C 4
4801C761A 37C 5
4801C771A 37C 6
4801D473A 37D
48014001B 13G 11 CODE NO. TABLE POS.
48217421BA 37H
13D 3
13D 1 51410951E 13D 15 51411031A 13D 16 51411241A 13D 4 51610051G 13E 22
13G 1
14A 2
22A 19
22A 20
14B 2
18B 3
14C 1
14C 2
14B 3
16A 7
20D 4 53940302A 04A 12 53940302A 34A 2 53941001A 22B 24
20A 18
13E 17
13B 10
13G 10
13E 5
20C 1
34A 3
25A 3
25B 4
34A 6
13F 1
31A 3
26A 19
13E 29
13G 4
04A 13
09A 17
55243931A 02A 13
55243942B 09B 4
55244081A 25C 1
55320191A 25C 23
55611101BA 16A 2
56116331B 21A 2
56116341B 21A 3
56116422A 21A 4
56116432A 21A 14
56116442A 21A 7
56416822AB 24A 1
57015001C 31A 4
57115011C 31A 5
57315281A 31B 14
57315291A 31B 15
57315381A 31B 16
57315921AA 31B 6
57610671A 31A 7
58511261C 25C 10
58511271AA 35A 4
58520151B 08A 3
58540151A 20D 5
58540341A 20A 2
58540351A 22B 5
58840232A 30A 2
59018921A 35A 26
59019411A 30A 8
59027993B 36A 5
59210291B 30A 3
59516382A 37D 19
59516742A 32A 4
59516762AC 32A 3
59810121A 37H 6
59810361L 13G 13
59810371C 13G 14
59820611A 13D 29
59821961A 13G 18
59821971R 13G 12
59822601A 13G 19
59840511A 13G 16
59840521A 13G 17
59940021A 37D 4
61041821AB 20B 1
61041831AB 20B 3
13C 2 CODE NO. TABLE POS.
CODE NO. TABLE POS.
61140453A 20D 7
61240052A 20A 4
61240052A 20B 2
61240052A 20D 28
61240052A 22B 7
61240201A 20B 5
61240302A 20D 29
61240311A 20D 27
61240371A 20B 10
61241181A 20D 30
61241241A 20A 19
61241241A 22B 23
61341161A 20D 26
61341271A 20B 8
61610021A 25C 25
61811371A 20B 4
61811631B 20C 2
61811641B 20C 3
61911183A 20C 5
61911731A 20C 4
62441272A 20A 5
62441282A 20A 5 62540521A 20D 8 62610121A 20A 20
62610131A 22B 25
62640561A 20A 17 62640561A 22B 22
63040901A 22B
CODE NO. TABLE POS.
71112191A 09A 2
71113742A 12A 13
71113742A 12B 13
71115051E 09A 22
71116941A 09B 17
71117321B 03B 13
7111D861A 32A 5
7111E551A 09B 6
71140071AA 37B 6
71210341A 20D 3
71210341A 26A 5
71210631A 03A 16
71210702A 33D 4
71311871A 19A 15
71311961A 28A 13
71311973A 28A 2
71313641A 18A 11
71313641A 20B 14
71314111A 31B 12
71314361A 31B 7
71314901A 13F 2
71316102A 11A 13
71316111B 03B 35
71319201A 13F 2
71319331A 13F 6
7131A923A 14B 4
7131B281AA 22A 8
7131C211A 12C 27
7131C211A 12D 27
7131C221A 12C 32
7131C221A 12D 32
7131C231A 12C 21
7131C231A 12D 21
7131C241A 12C 29
7131C241A 12D 29
7131D412A 03B 36
7131D421A 03B 37
7131D431A 03B 14
7131D631A 03B 38
7131D741AA 19A 17
7131E251AA 22A 23
7131E531A 23A 11
7131F691A 09B 24
713P0011C 03A 31
PARTS CATALOGUE
CODE NO. TABLE POS.
71410471A 28A 9
71410751A 29B 12
71411352AA 29A 4
71610061A 14A 3
71610061A 37G 5
71611571C 02A 5
71611581C 02A 6
71611641AA 20C 10
71614081A 20D 13
71614102AB 23A 3
71614141A 31A 8
71614191A 31A 9
71614251A 31A 21
71614291AB 25B 20
71614351AA 30A 16
71615261AA 31B 19
71615261AA 31C 15
71615881BA 33D 5
71850163C 21A 10
71850173C 21A 13
71850178C 13E 4
71850218C 23A 5
71850338C 08A 5
71850338C 13E 11
71950370CF 04B 1
72010513C 33D 12
72050159EA 29B 1
72050173CF 36A 6
72050198C 21A 15
72050283C 36A 7
72050313C 30C 20
72050313C 31A 23
735034405 09B 7
73840052A 07A 4
73840062A 07A 5
74110121A 13B 4
74110121A 35A 27
74110131A 13B 5
74110551A 13B 6
74110551A 25C 20
74110551A 30C 3
74110551A 35A 29
74113401A 31A 10
74140331A 19A 26
CODE NO. TABLE POS.
74140381A 13B 7
74140381A 13C 17
74140381A 20B 17
74140381A 23A 10
74140431A 20A 6
74140431A 20D 9
74140431A 22B 10
74140431A 25C 19
74140431A 30C 4
74140581A 30C 5
74140631A 30A 10
74140631A 30C 6
74140631A 35A 5
74140651A 25C 11
74140651A 30C 7
74140651A 31C 9
74140651A 35A 6
74141001A 09B 21
74141001A 30C 17
74141491A 35A 7
74141711A 30C 23
74141811A 25C 2
74141851A 25C 22
74142141A 35A 8
74142401A 31C 2
74142441A 11A 12
74142461A 13C 16
74142581A 25A 7
74142591A 25C 3
74142651A 31A 22 74142841A 31B 8 74710151B 09A 23
74750031A 20D 14
74750051B 13G 22
74750071A
NO. TABLE POS.
76410241A 13D 14
76410241A 13E 8
76410241A 13G 26
76410241A 14A 4
76410241A 25A 8
76410241A 25B 8
76410241A 25C 12
76410241A 31A 14
76410241A 33A 2 76410241A 34A 7
37B 13
13D 23
13E 2
37G 6
13E 28 76411141A 23A 7 76411141A 35A 9 76411381A 37G 9 76411671A 31C 3
76412041A 13D 5
76412041A 21A 6
76412121A 04A 9 76412121A 12A 22
12B 22
37B 3
14A 1
20A 8
22B 12 76414381A 23A 8 76414441C 13C 12
31C 4
33D 6
33D 7
37H 7
33D 8
33D 9
31B 20
12C 36 76440092B 12D 36
26B 4
26A 9
26C 6
26C 7
26A 8
NO. TABLE POS.
76510372A 26C 6
76510382A 26C 7
76611231A 09A 7
76640381A 12A 12
76640381A 12B 12
77110191A 26A 24
77110401A 26A 10
77110401A 26C 8
77110401B 12A 27
77110401B 12B 27
77110591A 36A 8
77113741A 33A 3
77116648B 26A 2
77116648B 26B 5
77116648B 34A 8
77116771A 03B 16
77116791A 22A 21
77117243BA 33D 10
77117253BA 33D 11
77140653CC 37E 19
77140697CF 36A 10
77150478B 30A 9
77150624B 12C 14
77150624B 12D 14
77150638B 30A 4
77150648B 04C 8
77150663B 22A 10
77150708B 20D 15
77150873B 22A 11
7715124BFA 26C 9
77151298B 02A 16
77154337C 17A 5
77156209E 09B 8
77156393B 20D 16
77156393B 33D 25
77156398B 14B 5
77156408B 36A 9
77156423B 08A 6
77156628B 13D 30
77156658B 19A 27
77156678B 22B 18
77156693B 20A 9
77156693B 22B 1
77156698B 20D 25
CODE NO. TABLE POS.
77156698B 31A 15
77156708B 31A 16
77156718B 22B 19
77156723B 30A 17
77156728B 22B 20
77157238B 20D 37
77157248CA 33B 4
77157258B 26A 11
77157278B 18A 4
7715753BFA 33D 19
77159293B 22A 22
7715936BG 18A 13
77210591A 20B 13
77210601A 13F 3
77210841BA 19A 2
77210841BA 27A 2
77210842A 20C 11
77211011B 37G 4
77211061A 13D 34
77211071B 25A 9
77211071B 25B 9
77211091A 18A 7
77211251B 19A 23
77211251B 33D 31
77211261A 13E 27
77211261B 34A 9
77211341A 13E 23
77213290ZF 08A 7
77213290ZF 11A 4
77214411AA 13C 6
77214411AA 13D 24
77214411AA 37D 5
77214411AA 37G 11
77214411BA 13E 21
77214411BA 19A 19
77214411BA 25A
25B
31A 17
31C 5
09A 11
33C 10 77251404C 09A 12 7725164BG 33C 11
12B 6
12A 20
CODE NO. TABLE POS.
77253304C 04A 16
77253304CF 08A 8
77253307C 04A 46
77253314CF 03A 29
77253314CF 04C 5
77253334CF 11A 10
77253350Z 12C 5
77253350Z 12D 5
77253354C 09B 19
77253357C 04A 31 77253364CF 08A 9 77253384C 12A 5 77253384C 12B 5 77310071A 30A 12 77350678B 32A 6 77354623B 14B 6
77354713B 37A 13
77354743B 37H 12
77355068B 31B 11
77440041A 13C 15
77440041A 13D 11
77440041A 13G 7
77440041A 25C 13
77440061A 14C 3 77440061A 25A 17 77440061A 25B 11 77440061A 37D 9 77440101A 24A 3
77440101A 37H 3
77440141A 35A 11
77440141A 37A 11
77440171A 13D 21
77440183C 13G 5
77440203C 35A 12
77440213C 33A 5
77440251A 13E 16
77440251A 13G 2
77440251A 22A 12
77440251A 33C 12
77440251A 37D 23
77440251A 37E 11
77440251A 37F 11
77440301A 37H 11
77440321A 13D 2
CODE NO. TABLE POS.
77440321A 13E 6
77440321A 14B 7
77440391A 19A 22
77440581A 33D 13
77440601A 37D 18
77510200CC 04A 5
77510314B 09A 25
77550131A 35A 13
77550213C 20B 16
77750494C 04B 8
77810101A 09B 23
77910921A 20A 10
77910921A 22B 13
77910991B 18A 2
77913091AB 20B 7
77913541A 12C 9
77913541A 12D 9
77913611A 12C 11
77913611A 12D 11
77913662AB 20B 6
77913662AB 20C 18
77913662AB 20D 10
77913971A 22B 14
77913991A 28A 4
77914391C 24A 4
77914982B 37H 5
77914992A 37B 5
77915111B 20B 11
77915471A 05A 3
77915511A 20A 11
77916041DA 08A 10
77916081A 17A 9
77916241A 09A 27
77916371A 37G 10
77917141A 25B 10
77917141A 35A 14
77917231A 12A 1
77917231A 12B 1
77917241AC 16A 1
77917811A 19A 24
77918261AA 29B 14
7791A381A 09A 28
7791A571A 05A 5
7791A621B 12A 15
CODE NO. TABLE POS.
7791A621B 12B 15
7791A631A 09A 4
7791A651A 09A 3
7791A661A 09A 6
7791A751B 04A 2
7791A751B 12A 24
7791A751B 12B 24
7791A821AA 33B 6
7791B121A 10A 5
7791B471A 03B 17
7791B482A 03B 18
7791B491A 04A 10
7791B801AA 37G 16
7791B971AA 33C 13
7791C011AA 33B 3
7791C031A 03B 44
7791C061AA 37B 8
7791C071AA 33B 8
7791C081AA 23A 2
7791C221AA 20C 7
7791C231BA 33B 7
7791C291AA 13E 19
7791C301AB 34A 10
7791C301AB 37A 1
7791C301AB 37B 1
7791C311AB 37E 10
7791C311AB 37F 10
7791C311AB 40A 2
7791C361A 09A 10
7791C381AA 33C 14
7791C401AA 33C 15
7791C483AA 04B 9
7791C511AA 20D 17
7791C561AA 33D 20
77927172B 09A 29
77941992A 04A 1 77941992A 04B 5 77941992A 04C 9 77941992A 10A 4
04A 21
04B 4
04C 10
13G 23
09B 11
03B 21
7991B471AA 37D 8
7991D001A 20D 18
NO. TABLE POS. 7991D011AA 37E 20 7991D011AA 37F 19
79921602A 16A 3
79925643AB 37B 17
79927062AA 37A 7 79940121A 09A 33
01D 9
25C 6
25C 14
25C 9
25A 10
25A 11
25C 7
35A 16
25A 1
25B 3
37H 1
13C 8
13C 7
22B 2
20A 12 81140021A 12A 29
12B 29
12A 10
12B 10
09A 34
30C 16
31C 6 81417151B 09A 43 81417351A 30C 21 81417691A 13C 10
81810521B 03B 39
81910601BA 28A 11
81920962AA 29B 6 82010141A 09A 35
20D 19
26A 13
12C 19 82115561A 12D 19
07A 6
12C 28
12D 28
37A 9
02A 17
CODE NO. TABLE POS.
82119351AA 26A 14
82119351AA 26B 7
82119351AA 26C 11
82119582BC 16A 6
82119641A 37D 7
82119651AA 20D 20
82413922BB 26C 12
82413932AB 26C 13
82423886AA 26A 15
82423892AA 26B 8
82510561AA 20D 34
82714821A 13D 19
82716091A 04B 2
82718441A 12A 28
82718441A 12B 28
82718471AA 04C 12
82718471AA 34A 11
82718692A 04A 4
82718841AA 18B 6
82718851AA 18B 4
82718923A 04A 36
82718933A 04A 37
82718944A 04A 35
82718991A 04A 40
8271F271A 12A 2
8271F271A 12B 2
8271H191BA 33D 14
8271H201BA 33D 15
8271H401AA 21A 24
8271H551AA 21A 22
8271H571AA 21A 20
8291G311C 12A 18
8291G311C 12B 18
8291I093A 13D 6
8291I142B 13E 25
8291I151B 13G 9
8291I231BA 33B 5
8291I351AA 13D 9
8291I361AA 20D 21
8291I371BA 20A 13
8291I381BA 22B 15
8291I403A 13D 32
8291I691A 20C 14
8291I701C 30A 13
CODE NO. TABLE POS.
8291I714B 13E 3
8291I732A 33D 16
8291I871A 13G 6
8291I881A 37D 6
8291I891B 13G 24
8291I901A 36A 11
8291J041AA 37B 21
8291J052B 37B 9
8291J061AA 37B 15
8291J071AA 15A 2
8291J082A 37A 10
8291J091AA 37A 6
8291J101AA 37A 8
8291J113B 37A 5
8291J154B 33A 6
8291J241AA 04A 39
8291J571A 37A 4
8291M101A 13D 20
8291M611A 35A 17
8291M671A 30C 9
8291N842A 30C 11
8291N981A 30C 10
8291Q032A 37E 22
8291Q032A 37F 17
8291S022A 23A 4
8301H221AA 35A 18
8301H452A 13D 25
8301H481AA 13E 14
8301H501AA 20C 8
8301H721AA 13E 9 8301H752AA 20D 22 8301H872B 20C 15
8301H961A 20C 16
8301I081AA 33C 16
8301I091A 19A 20 8301I331A 25B 12
8301I791AB 26C 14
8301L042CA 20B 12
8301L242BA 37E 12
8301L281AA 33D 24
22A 17
25A 15
25B 7 85041581A 35A 28 85041711A 35A 19 85041951AA 13C 9
85041951AA 25A 12
85041951AA 25B 6
85041951AA 33D 32 85041951AA 35A 20 85041951AA 37B 19
85041951AA 37C 8
85041951AA 37D 12
85041951AA 37E 9
85041951AA 37F 9
85041951AA 37H 13
85042371A 36A 12
85044491A 32A 11
85044511A 32A 12
85044521A 32A 14
85044531A 32A 13
85044541A 32A 15
85044631A 37B 10
85044631A 37E 18
85044631A 37F 13
85044691A 20C 9
85044691A 31B 4
85044691A 37B 14
85044691A 37E 8
85044691A 37F 8
85044691A 37G 8
85211201A 12C 10
85211201A 12D 10
85211511A 20D 23
85211511A 26A 16
85211561A 26A 18
85211561A 26B 10
85211561A 26C 16
85211671B 21A 21
85211951A 04A 14
85211951A 34A 12
85211961B 21A 12
85211961B 30A 11
85212171A 20D 36
CODE NO. TABLE POS.
85212181A 27A 4
85212211A 29A 3
85212211A 29B 3
85212221A 28A 6
85212511A 14B 8
85212641A 12A 26
85212641A 12B 26
85212651A 11A 11
85212661A 09A 38
85212661A 09B 16
85212721A 04A 26
85212771A 09A 14
85212801A 17A 6
85213002A 13G 8
85213081A 13C 13
85213081A 21A 17
85213101A 33D 27
85213111AA 13D 13
85213111AA 13E 7
85213111AA 20C 17
85213111AA 25A 13
85213111AA 25B 13
85213291A 03A 17
85213311A 03A 18
85213751AA 33C 17
85213761A 13F 5
85213981A 02A 18
85214051B 03B 40
85214071B 05A 8
85214071B 11A 5
85214141A 03A 19
85214421A 08A 11
85214421A 10A 3
85214541A 03B 23
85214551A 03B 24
85214561A 03B 25
85214571A 03B 26
85214741A 37E 16
85214741A 37F 16
85240211A 13G 3 85240261A 12C
CODE NO. TABLE POS.
85640141A 09A 39
85651691B 09A 8
85651691B 12A 16
85651691B 12B 16
86010061A 12C 16
86010061A 12D 16
86010151A 12C 12
86010151A 12D 12
86020011A 13G 15
86040071A 09A 40 86050061A 12C 6 86050061A 12D 6 86050171A 22A 18 86050341A 09A 41 86610301B 13D 28
86610751A 33D 18
86610751A 37B 7
86612111A 33D 23
86613051A 30A 6
86613061A 30A 7
86613071A 37H 4
86613161A 13G 25
86613231A 19A 7
86613482A 19A 6
86613592A 37D 11 86613801A 37E 15 86613801A 37F 12 86640091B 13G 28
86642741A 32A 2
86642751A 32A 7
86642761A 32A 8
87210641A 13B 9
87211041A 33D 21
87211051A 33D 22
87211261AB 35A 21
87211681A 13B 13
87211711A 33D 28
87211901A 18A 16
87240561A 26B 9 87240561A 26C 1 87240561A 37H 8 87241051A 25A 20
87512492B 09A 42 87614021AA 31C 7
CODE NO. TABLE POS.
87614031AA 31C 8
87614042A 35A 22
87614051A 35A 23
87712481A 04A 30
87712631A 22B 17
87712651A 20A 15
87712761A 20D 12
87910041A 13D 27
88111152B 03B 41
88111301A 29B 7
88440511A 20D 33
88440731A 03A 22
88440741A 03A 23
88440751A 03A 24
88441031A 10A 6
88450291A 04A 25
88450311A 02A 9
88450361A 02A 10
88450391B 02A 15
88451311A 09B 25
88610951A 04B 7
88640042A 03A 30
88640331A 04A 11
88640541A 08A 12
88640891A 04A 20
88641161A 20D 24
88641161A 26A 17
88641201A 04A 43
88641241A 20D 35
88641961A 09A 30
88641981A 25C 8
88642081A 07A 7
88642651A 08A 13
88642721A 04A 22
88642721A 12C 39
88642721A 12D 39
88642741A 30A 18
88642791A 09A 26
88643121A 34A 13
88643141A 34A 5
88643151A 11A 16
88650321A 04A 17
88650741A 12A 17
88650741A 12B 17
NO. TABLE POS.
88650751A 09A 24
88650761A 04C 2
88650831A 09B 5
887131010 01D 5
887131058 01D 3
887131062 01D 7
887131074 01D 8
887132589 01B 3
887132951 01D 6
887133003 01B 1
887133211 01D 11
887133633 01B 4
887133879 01B 16
887134302 01D 4 887134488 01D 10
887135389 01C 7
887135396 01C 8
887135397 01C 9
887135840 01B