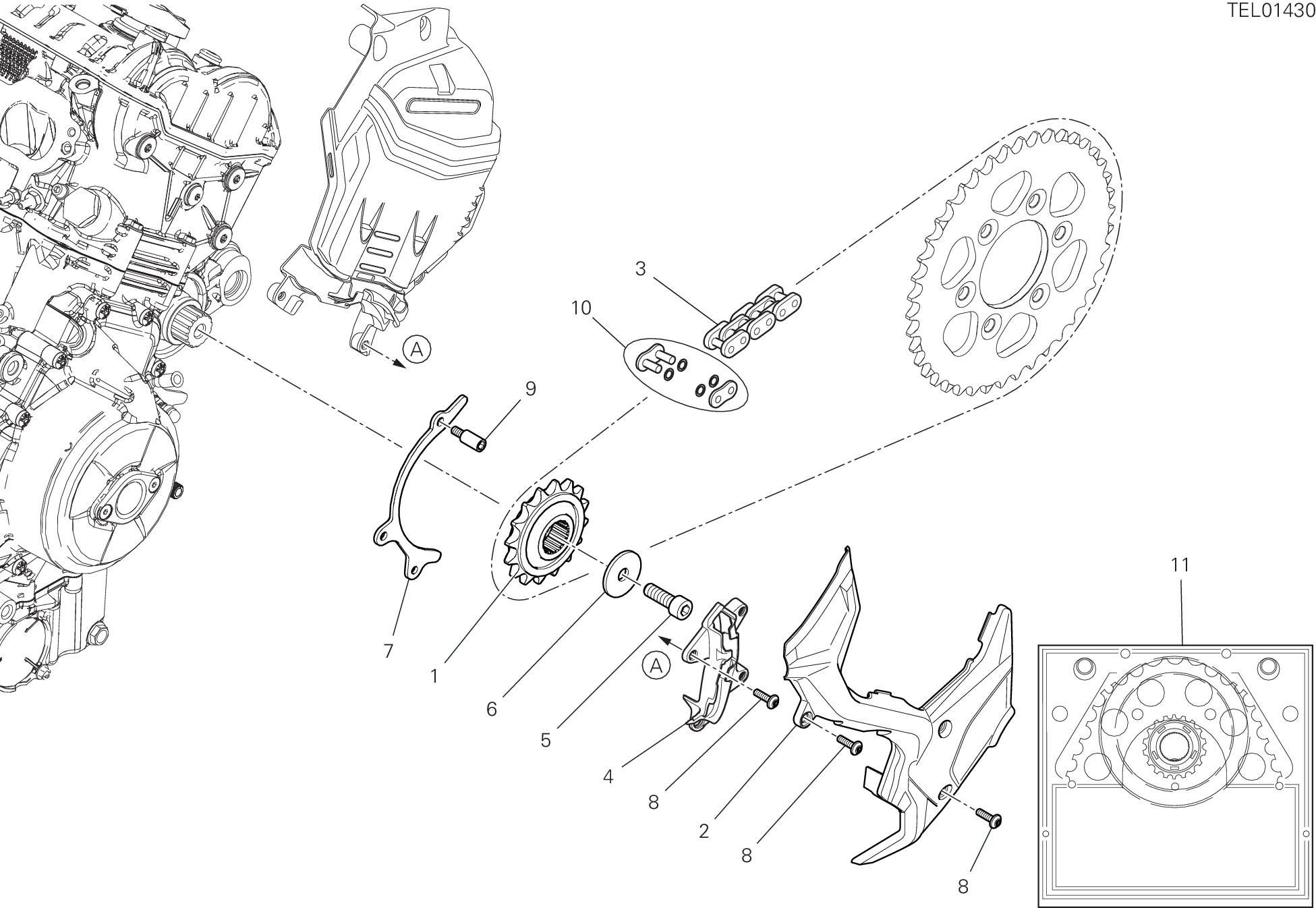
prefix: Cylinder capacity: 1158

![]()
prefix: Cylinder capacity: 1158

The present spare parts order exactly the right spare parts.
When ordering specify:
1. the part's code number followed by its description and quantity needed;
2. the motorcycle's serial number, stamped on the steering head.
Reference to right and left apply to the vehicle in terms of its direction of move-ment.
Spare parts drawings are general and do not represent the part.
The contents of this catalogue are general and can undergo changes without prior notice.































































































28A 4
03B 22
03B 2
12A 7
12B 7
12A 3
17112222B 12B 8
17215721B 03A 6
17215731B 03A 12
17215741B 03A 3
17215751A 03A 4
17215761A 03A 5
17215771B 03A 7
17215781B 03A 8
17215791A 03A 9
17215801A 03A 10
17215811A 03A 11
17320331C 11A 6
17410852C 10A 1
17610281A 11A 7
18010472A 02A 1
18010482A 02A 2
18010492A 02A 3
18120071A 02A 4
18220721A 02A 12
182P0011A 02A 11
18410231A 37C 30
18710021A 20A 1
18710021A 22B 3
19010421A 03B 24
19020521A 03B 3
19410511A 03B 4
19540101C 22B 4
19610711A 03B 5
19610721A 03B 6
19820502A 03B 7
20810521A 12C 1
20810521A 12D 1
21011351A 12C 2
21011351A 12D 2
21111222B 12C 3
21111222B 12D 3
22032083A 04A 8
CODE NO. TABLE POS.
225P0033D 09A 1
24211141B7 04B 3
243P0251A7 04A 18
24715791A 12A 2
24715791A 12B 2
24715873A8 12B 21
24715882A8 12A 21
24716653A 13E 20
24716711B 37A 12
24716781A 37A 16
24716821A 37A 15
24716831A 37A 14
24716851A 32A 11
24716891A 33C 1
24716901A 37B 11
24716911A 37B 12
24717491A 35A 1
24717681A 14B 11
24735581A8 04B 6
247P5863A 04C 1
24920511K 10A
04A 32
37D 10
37D 8 43713351A 24A 6 43713361A 24A 7 43815511A 37A 4 43819461C 37D 11 4381E341A 37G 12
37F 12
19A 8
19A 1
19A 9
17A 7
19A 11 44712611A 19A 10 44712801A 19A 34 44740112A 07A 1
09A 16
26A 3
26A 4
20D 2
20C 20
30A 15
11A 15
31A 1
31A 2
18A 8
13D 22
33C 2
33C 3
33C 4
4601H922A 22A 2
4601H932A 22A 3
4601H942A 22A 4
4601H952A 22A 5
4601I071A 17A 2
4601I271A 26A 1
4601I481AB 31B 2
4601I801A 13E 18
4601I811AA 13E 15
4601L831A 13G 27
4601L991BA 37G 1
4601N821A 26B 1
4601N992A 33D 33
4602N091A 37D 2
4602N101A 37D 3
46411161AA 26C 2
46411171AA 26C 3
46411222AA 26B 2
46411232AA 26A 6
47018272CA 33D 2
47019012A 38A 15
47028991A 38A 1
47029001A 38A 2
47111544BA 33B 1
47111581DA 33B 2
47111591DB 33C 6
47111601CB 33C 7
47111673C 33D 3
48014001B 13G 11
4801A541A 37C 13
4801B282B 37C 4
4801B291A 37C 12
4801B941AB 37C 10
4801B953A 37C 5
4801B963A 37C 6
4801B973A 37C 7
4801C101A 37E 2
4801C111A 37F 1
4801C301A 25A 4
4801C301A 25B 2
4801C511AA 37E 3
4801C521AA 37F 6
4801C841A 37D 4
37G 10 CODE NO. TABLE POS.
4801D051A 37F 5
4801D851A 37C 19
4801D871B 37C 18
4801D901A 37C 27
4801D921A 13E 1
4801D931A 37H 2
4801E061A 37C 25
4802D881B 37C 14
480PD001AA 37D 6
480PD001AC 37D 6
480PD011AA 37D 9
480PD011AC 37D 9
48114182A 37C 2
48114201BH 37B 18
48114203BA 37B 18
48114601A 37C 1
48217051A 37E 1
48217061A
4801D041A 37E 4 CODE NO. TABLE POS.
48412711A 37E 5 48412721A
14B 1
14B 2
21A 1
24A 1
14C 1
14C 2
14B 3 53910351A 16A 7
32A 12
20D 4
34A 2
22B 24
13E 17
13B 13
13G 10
13E 5
20C 1
34A 3
25A 3
25B 4 54911641B 34A 4 54911652B 34A 6
13F 10
31A 3
13F 5
26A 19
13E 29
13G 4 55241321C 04A 13
09A 17
23A 2
13C 2
02A 13
09B 4
25C 1 55320191A 25C 23 55511021AA 16A 8
56116442A 21A 7
56116481A 21A 3
56116491A 21A 2
564P6811AA 24A 2
56511354B 27A 1
57015001C 31A 4
57115011C 31A 5
57315281A 31B 14
57315291A 31B 15
57315381A 31B 16
57325145CA 31B 6
57610671A 31A 7
58511261C 25C 10
58511271AA 35A 4
58520151B 08A 3
58540151A 20D 5
58540341A 20A 2
58540351A 22B 5
58613111BA 30A 1
58613111BB 30A 1
58840232A 30A 2
59018921A 35A 26
59019411A 30A 8
59028721A 36A 5
59210311B 30A 3
59516721A 32A 13
59516742A 32A 4
59517371AA 32A 3
59527331A 37D 1
59810121A 37H 6
59810361L 13G 13
59810371C 13G 14
59820611A 13D 29
59821541C 38B 3
59821541C 38C 3
59821961A 13G 18
59821971R 13G 12
59822601A 13G 19
59840511A 13G 16
59840521A 13G 17
61041971A 20B 1
61041981A 20B 3
61141625A 20D 7
56116422A 21A 4 56116432A 21A 14 CODE NO. TABLE POS.
61240052A 20B 2
61240052A 20D 28
61240052A 22B 7
61240201A 20B 5
61240302A 20D 29
61240311A 20D 27
61240611A 20D 30
61241231A 20B 10
61241241A 20A 19
61241241A 22B 23
61321161A 20D 26
61341341A 20B 8
61610021A 25C 25
61811461A 20B 4
61811641B 20C 3
61811742A 20C 2
61911671A 20C 5
61911731A 20C 4
62441282A 20A 5
62540521A 20D 8
62610121A 20A 20
62610131A 22B 25
62640561A 20A 17
62640561A 22B 22
63040901A 22B 8
63140081A 20A 16 63140081A 22B 21
63140261A 20D 31
63210921B 22B 9
65010341F
61240052A 20A 4 CODE NO. TABLE POS.
CODE NO. TABLE POS.
71210341A 20D 3
71210341A 26A 5
71210631A 03A 16
71210702A 33D 4
71240331A 03B 15
71311841A 29A 18
71311871A 19A 15
71311961A 28A 9
71311973A 28A 10
71313091A 03B 9
71313641A 18A 11
71313641A 20B 14
71313882A 19A 16
71314111A 31B 12
71314361A 31B 7
71314901A 13F 13
71316011B 03B 10
71316101C 11A 13
71319201A 13F 13
71319331A 13F 9
7131A362AA 29A 21
7131A923A 14B 4
7131B281AA 22A 8
7131D741AA 19A 17
7131E251AA 22A 23
7131F741A 29A 13
7131F751A 29A 7
713P0011C 03A 31
71410941A 28A 14
71411381A 29A 11
71610061A 14A 3
71610061A 37G 3
71611571C 02A 5
71611581C 02A 6
71611641AA 20C 10
71614081A 20D 13
71614102AB 23A 3
71614141A 31A 8
71614191A 31A 9
71614251A 31A 21
71614481AA 23A 4
71614581AA 22A 9
71615261AA 31C 15
71615611AA 30A 16
SPARE PARTS CATALOGUE
CODE NO. TABLE POS.
71615881BA 33D 5
71850163C 21A 10
71850173C 21A 13
71850178C 13E 4
71850218C 23A 5
71850338C 08A 5
71850338C 13E 11
71950370CF 04B 1
72010513C 28A 8
72010513C 29A 2
72010513C 33D 12
72050173CF 36A 6
72050198C 21A 15
72050283C 36A 7
72050313C 30C 20
72050313C 31A 23
735034405 09B 7
73840052A 07A 4
73840062A 07A 5
74110121A 13B 4
74110121A 35A 27
74110131A 13B 5
74110551A 13B 6
74110551A 25C 20
74110551A 30C 3
74110551A 35A 29
74113401A 31A 22
74140331A 13B 10
74140381A 13B 7
74140381A 13C 9
74140381A 20B 17
74140431A 20A 6
74140431A 20D 9
74140431A 22B 10
74140431A 25C 19
74140431A 30C 4
74140581A 30C 5
74140631A 30C 6
74140631A 35A 5
74140651A 25C 11
74140651A 30A 20
74140651A 30C 7
74140651A 31C 9
74140651A 35A 6
CODE NO. TABLE POS.
74141001A 09B 21
74141001A 30C 17
74141491A 35A 7
74141711A 30C 27
74141811A 25C 2
74141851A 25C 22
74142121A 30A 10
74142141A 35A 8
74142401A 31C 2
74142441A 11A 12
74142461A 13C 8
74142581A 25A 7
74142591A 25C 3
74142651A 31A 10
74142841A 31B 8
74710151B 09A 23
74750031A 20D 14
74750051B 13G 22
74750071A 18A 1
74750101A 26A 21
74810361A 31A 11
74810461A 29A 22
74810651A 28A 11
74810761A 16A 5
74811021B 05A 7
74811021B 11A 3
74840481B 09A 5
74841091AA 13C 4
74841091AA
NO. TABLE POS.
76411141A 35A 9 76411381A 37G 7
76411671A 31C 3
76412041A 13D 5
76412041A 21A 6
76412121A 04A 9
76412121A 12A 22
76412121A 12B 22
76412121A 12C 35 76412121A 12D 35
37B 3
14A 1
20A 8
22B 12
23A 16
13C 12
31C 4 76414471AA 33D 6 76414481B 33D 7
76414501AA 37H 7
76414512A 33D 8
76414522A 33D 9
76414562A 38A 20
30A 6
12C 11
12D 11
26A 8
26B 4
26A 9
26C 6 76510382A 26C 7 76611231A 09A 7
76640191A 12A 12 76640191A 12B 12 77110401A 26A 24 77110401A 26C 8 77110401B 12A 27
77110401B 12B 27
77110591A 36A 8
33A 3
26A 2
26B 5
34A 8
22A 21
CODE NO. TABLE POS.
77117243BA 33D 10
77117253BA 33D 11
77140653CC 37E 19
77140697CF 36A 10
77150478B 30A 9
77150624B 12C 12
77150624B 12D 12
77150638B 30A 4
77150648B 04C 8
77150663B 22A 10
77150708B 20D 15
77150873B 22A 11
7715124BFA 26C 9
77151298B 02A 16
77154337C 17A 5
77156209E 09B 8
77156393B 20D 16
77156393B 33D 25
77156398B 14B 5
77156408B 36A 9
77156423B 08A 6
77156628B 13D 30
77156678B 22B 18
77156678B 26A 22
77156678B 38A 23
77156693B 20A 9
77156693B 22B 1
77156698B 20D 25
77156698B 31A 15
77156708B 31A 16
77156718B 22B 19
77156723B 30A 17
77156728B 22B 20
77157203B 38A 7
77157248CA 33B 4
77157258B 26A 11
77157278B 18A 4
7715753BFA 33D 19
77159293B 22A 22
7715936BG 18A 13
77210591A 20B 13
77210601A 13F 11
77210841BA 19A 35
77210842A 20C 11
77210941C 27A 2
77211011B 37G 2
77211021A 20B 16
77211061A 13D 34
77211071B 25A 9
77211071B 25B 9
77211091A 18A 7
77211201A 03B 11
77211251B 19A 21
77211251B 33D 31
77211261A 13E 27
77211261B 34A 9
77211341A 13E 23
77213290ZF 08A 7
77213300Z 12A 20
77213300Z 12B 20
77214031A 38A 4
77214411AA 13D 24
77214411AA 37D 13
77214411AA 37G 11
77214411BA 13E 21
77214411BA 19A 2
77214411BA 25A 18
77214411BA 25B 16
77214411BA 35A 10
77214411BA 37A 17
77214411BA 37B 20
77214411BA 37E 14
77240288C
77210841C 19A 20 CODE NO. TABLE POS.
CODE NO. TABLE POS.
77350678B 32A 6
77354623B 14B 6
77354713B 37A 13
77355068B 31B 11
77440041A 13C 7
77440041A 13D 11
77440041A 13G 7
77440041A 25C 13
77440061A 14C 3
77440061A 25A 17
77440061A 25B 11
77440101A 24A 3
77440101A 32A 14 77440101A 37H 3 77440141A 35A 11
77440141A 37A 11
77440141A 37C 17
77440171A 13D 21
77440171A 23A 10
77440183C 13G 5
77440203C 35A 12
77440213C 33A 5
77440213C 37C 20
77440251A 13E 16
77440251A 13G 2
77440251A 22A 12
77440251A 33C 12
77440251A 37C 28
77440251A 37E 11
77440251A 37F 11
77440321A 13D 2
77440321A 13E 6
77440321A 14B 7
77440391A 19A 22
77440581A 33D 13
77440611A 14B 10
77510200CC 04A 5
77510314B 09A 25
77550131A 35A 13
77550213C 13B 11
77750343B 38A 21
77750494C 04B 8
77910921A 20A 10
77910921A 22B 13
SPARE PARTS CATALOGUE
CODE NO. TABLE POS.
77910991B 18A 2
77913091AB 20B 7
77913311D 20B 11
77913541A 12C 13
77913541A 12D 13
77913611A 12C 14
77913611A 12D 14
77913662AB 20C 18
77913662AB 20D 10
77913722AA 19A 23
77913971A 20B 6
77913971A 22B 14
77914391C 24A 4
77914982B 37H 5
77914992A 37B 5
77915471A 05A 3
77915511A 20A 11
77916041DA 08A 10
77916081A 17A 9
77916241A 09A 27
77916371A 37G 8
77917141A 25B 10
77917141A 35A 14
77917241AC 16A 1
7791A381A 09A 28
7791A571A 05A 5
7791A621B 12A 15
7791A621B 12B 15
7791A631A 09A 4
7791A651A 09A 3
7791A661A 09A 6
7791A751B 04A 35
7791A751B 12A 24
7791A751B 12B 24
7791A821AA 33B 6
7791B121A 10A 5
7791B491A 04A 10
7791B491A 12C 36
7791B491A 12D 36
7791B781A 22A 24
7791B801AA 37G 6
7791B971AA 33C 13
7791C011AA 33B 3
7791C031A 03B 17
CODE NO. TABLE POS.
7791C061AA 37B 8
7791C071AA 33B 8
7791C081AA 23A 11
7791C221AA 20C 7
7791C291AA 13E 19
7791C301AB 34A 10
7791C301AB 37A 1
7791C301AB 37B 1
7791C311AB 37E 10
7791C311AB 37F 10
7791C361A 09A 10
7791C381AA 33C 14
7791C401AA 33C 15
7791C483AA 04A 38
7791C483AA 04B 9
7791C511AA 20D 17
7791C561AA 33D 20
7791D001BA 33B 7
7791D091AB 16A 10
77927172B 09A 29
77941992A 04A 1
77941992A 04B 5
77941992A 04C 9
77941992A 10A 4
77942002A 04A 21
77942002A 04B 4
77942002A 04C 10
77942471A 13G 23
78010511C 09B 11
78010871B 09A 31
78010921A 04A 7
78011262A 12C 15
78011262A 12D 15
78011281A 04A 33
78050011B 12C 16
78050011B 12D 16
78050181A 25B 18
78611541B 09B 12 78611551B 09B 13
04C 11
12B 14
12A 19
12B 19
CODE NO. TABLE POS.
80812611AB 20A 12
81140021A 12A 29
81140021A 12B 29
81411111C 12A 10
81411111C 12B 10
81413421B 09A 34
81414011AA 30C 23
81416941A 12C 33
81416941A 12D 33
81417081AA 31C 6
81417151B 09A 43
81417252A 30C 16
81417351A 30C 21
81417691A 13C 10
81510411AA 28A 16
81510411AA 29A 5
81810162A 03B 18
81910601BA 28A 12
81910891AA 19A 24
82010141A 09A 35
82111701CA 20D 19
82111701CA 26A 13
82113581A 16A 13
82115561A 12C 19
82115561A 12D 19
82115621B 07A 6
82115811AA 37A 9
82118261A 02A 17
82119351AA 26A 14
82119351AA 26B 7
82119351AA 26C 11
82119582BC 16A 6
82119651AA 20D 20
82119712AA 29A 15
8211A181A 37C 21
82413922BB 26C 12
82413932AB 26C 13
82423886AA 26A 15
82423892AA 26B 8
82714821A 13D 19
82716091A 04B 2
82718441A 12A 28
82718441A 12B 28
82718471AA 04C 12
CODE NO. TABLE POS.
82718471AA 34A 11
82718913A 04A 4
82718923A 04A 14
82718933A 04A 12
82718944A 04A 28
82718991A 04A 36
8271H191BA 33D 14
8271H201BA 33D 15
8271H401AA 21A 24
8271H551AA 21A 22
8271H571AA 21A 20
82917501A 13D 27
8291A891A 13F 3
8291G311C 12A 18
8291G311C 12B 18
8291I142B 13E 25
8291I151B 13G 9
8291I231BA 33B 5
8291I281B 23A 12
8291I351AA 13D 9
8291I361AA 20D 21
8291I371BA 20A 13
8291I381BA 22B 15
8291I691A 20C 14
8291I701C 30A 13
8291I732A 33D 16
8291I871A 13G 6
8291I891B 13G 24
8291I901A 36A 11
8291J041AA 37B 21
8291J052B 37B 9
8291J061AA 37B 15
8291J071AA 15A 2
8291J082A 37A 10
8291J091AA 37A 6
8291J101AA 37A 8
8291J113B 37A 5
8291J154B 33A 6
8291M101A 13D 20
8291M611A 35A 17
8291M691A 30C 10
8291M771A 30C 11
8291N701A 13D 32
8291P751A 30C 9
8291P991A 13E 3
8291Q032A 37E 21
8291Q032A 37F 19
8301H221AA 35A 18
8301H452A 13D 25
8301H481AA 13E 14
8301H501AA 20C 8
8301H671AA 23A 13
8301H721AA 13E 9
8301H752AA 20D 22
8301H872B 20C 15
8301H961A 20C 16
8301I081AA 33C 16
8301I331A 25B 12
8301I791AA 26C 14
8301L042CA 20B 12
8301L242BA 37E 12
8301L281AA 33D 24
8301M941AA 38A 19
8301M951AA 38A 26
8301N011A 38A 18
8301N021A 38A 25
8301P101A 19A 30
83040071A 22A 17
83110151A 09A 36 83510201AA 37B 16 83810011A 12C 20 83810011A 12D 20
83810021A 12C 21 83810021A 12D 21 83910051A 12C 22
83910051A 12D 22
83910071A 12C 23 83910071A 12D 23 84012021AA 12C 24 84012021AA 12D 24
12C 24
12D 24 84012021AC 12C
8291N721A 13D 6 CODE NO. TABLE POS.
NO. TABLE POS. 85041581A 35A 28 85041711A 35A 19
85041951AA 25A 12
85041951AA 25B 6 85041951AA 33D 32
85041951AA 35A 20
85041951AA 37B 19
85041951AA 37C 8 85041951AA 37D 7 85041951AA 37E 9
37F 9
36A 12
32A 15
32A 16
32A 18
32A 17
32A 19
19A 26
37B 10
37D 5 85044631A 37E 18 85044631A 37F 13 85044691A 20C 9
85044691A 31B 4
85044691A 37B 14 85044691A 37E 8 85044691A 37F 8
85110201A 03B 19
85210681B 16A 14 85211201A 12C 26
12D 26 85211511A 20D 23
85211511A 26A 16
85211561A 26A 18
85211561A 26B 10
85211561A 26C 1
85211671B 21A 21
85211671B 30A 11 85211951A 34A 12 85211961B 21A 12 85212181A 37D 14
85212221A 28A 13
85212511A 14B 8
85212641A 12A 26
CODE NO. TABLE POS.
85212641A 12B 26
85212651A 11A 11
85212661A 09A 38
85212661A 09B 16
85212721A 04A 26
85212751A 27A 3
85212771A 09A 14
85212801A 17A 6
85212971A 12C 34
85212971A 12D 34
85213002A 13G 8
85213081A 13C 13
85213081A 21A 17
85213101A 33D 27
85213111AA 13D 13
85213111AA 13E 7
85213111AA 20C 17
85213111AA 25A 13
85213111AA 25B 13
85213291A 03A 17
85213311A 03A 18
85213751AA 33C 17
85213761A 13F 8
85213981A 02A 18
85214051B 03B 20
85214071B 05A 8
85214071B 11A 5
85214141A 03A 19
85214421A 08A 11
85214421A 10A 3
85214741A 37E 16
85214741A 37F 16
85240211A 13G 3
85240261A 12C 27
85240261A 12D 27
85241711A 13C 11
85241711A 25C 15
85241831A 12C 28
85241831A 12D 28
85250011C 21A 25
85250191A 21A 18
85250231A 12A 9
85250231A 12B 9
85250241A 04A 29
CODE NO. TABLE POS.
85250241A 12C 29
85250241A 12D 29
85250241A 20A 14
85250241A 20B 9
85250241A 20C 19
85250241A 20D 11
85250241A 22B 16
85250271A 20D 32
85250311A 13E 30
85250311A 14B 9
85250311A 23A 15
85250541A 04C 6
85250771A 25B 17
85250871A 09B 10
85310031A 04A 15
85310031A 13A 3
85350101A 13D 31
85540101AA 33B 9
85540131AA 33D 29
85550001B 13D 33
85550001B 30A 19
85611271A 24A 5
85611271A 26A 20
85611372A 03A 20
85611391B 03B 13
85611491A 03A 21 85611551A 04A 6
85611551A 12A 23
85611551A 12B 23
85611551A 12C 37
85611551A 12D 37 85611621A 12A 11
85611621A 12B 11
85640121A 31A 20 85640141A 09A 39 85651691B 09A 8 85651691B 12A 16 85651691B 12B
88440741A 03A 23
03A 24 88441031A 10A 6 88450291A 04A 25
88450311A 02A 9
88450361A 02A 10
88450391B 02A 15 88451162A 16A 15 88610951A 04B 7
03A 30
04A 11
08A 12
04A 20
20D 24
26A 17
09A 30
25C 8
07A 7
30B 8
08A 13 88642721A 04A 22
30A 21
09A 26
34A 13
34A 5
11A 9
04A 17
12A 17
12B 17
09A 24
88650761A 04C 2 88650831A 09B 5 887131010 01D 5
01D 3 887131062 01D 7 887131074 01D 8 887132589 01B 3 887132951 01D 6
887134302 01D 4
887134488 01D 10
887135389 01C 7
887135396 01C 8
887135397 01C 9
887135840 01B 6
887135962 01C 10
887136155 01C 11
887138848 01D 2
887138851 01B 7
887138852 01B 8
887138853 01B 17
887138854 01B 10
887138855 01B 11
887138856 01B 12
887138857 01B 13
887138858 01B 14
887138859 01C 1
887138860 01C 2
887138861 01C 3
887138862 01C 4
887138864 01C 6
887138869 01C 13
887138875 01C 14
88719521A 01B 18
889450087 01B 2
889450103 01B 15
889450107 01C 12
889450111 01C 5
889450124 01D 1
889450137 01B 5
889450138 01B 9
89310143A 25C 16
89310153A 04C 7
89320121A 04A 19
89340111A 20D 6
89340241A 22B 6
89340251A 20A 3
89420203A 08A 14
89510771A 13G 20
8A0067610 25A 6
90240271A 01D 13
91377551AR 32A 9
91377551BG 32A 9
91377551CA 32A 9
91377551CS 32A 9
91377551DA 32A 9
91377551DE 32A 9
91377551EL 32A 9
91377551EN 32A 9
91377551ES 32A 9
91377551FI 32A 9
91377551FR 32A 9 91377551HR 32A 9
91377551HU 32A 9 91377551IT 32A 9
91377551JA 32A 9
91377551KO 32A 9 91377551MX 32A 9
91377551NL 32A 9
91377551NO 32A 9
91377551PL 32A 9 91377551PT 32A 9
91377551RO 32A 9
91377551RU 32A 9
91377551SK 32A 9 91377551SL 32A 9
91377551SV 32A 9
91377551US 32A 9
91377551ZH 32A 9
92611221A 13G 29
93010041B 18A 5
93040391A 29A 9
93040932A 09A 15
93041501A 28A 5 93041521A 04A 27
93041592A 09B 14
93042221A 09B 15
93042231A 04A 24