DAS IST ZUGSPITZE


1926–2026

![]()


1926–2026

Am 5. Juli 1926 begann mit der Eröffnung der Tiroler Zugspitzbahn eine neue Ära: Die einst „unbesteigbare“ Zugspitze wurde für Bergbegeisterte aus aller Welt zugänglich. Hinter diesem Erfolg steht eine kraftvolle Verbindung von Vision, Mut und Tatkraft. Von Beginn an war die Bahn nicht nur ein kühnes Ingenieurprojekt, sondern auch ein bedeutender Impuls für die wirtschaftliche Entwicklung der Region. Heute, hundert Jahre später, verkörpert die Tiroler Zugspitzbahn Beständigkeit, technische Meisterleistung und touristische Innovation – ein Erbe, das bereit ist, die Zukunft zu gestalten.
Eröffnung der Tiroler Zugspitzbahn am 5. Juli 1926.
Das erste volle Betriebsjahr zeigt das enorme wirtschaftliche Potenzial, welches das Unternehmen für die gesamte Region darstellt.

Am 30. Jänner geht die Seilschwebebahn vom Scheefernerhaus auf den Gipfel der Zugspitze in Betrieb.
Die Bergbahn wird am 20. April von amerikanischen Jagdbombern teilweise zerstört. Mit Hilfe der US-Truppen kann sie bereits am 1. Juni 1945 wieder eröffnet werden.
Die finanziell angeschlagene Tiroler Zugspitzbahn ist gezwungen, ihre Aktien an die Bayerische Zugspitzbahn zu verkaufen.
Die Anschaffung von neuen Leichtmetallkabinen für 23 Personen ist Grundstein für das Erfolgsergebnis im folgenden Jahr.

„Tausend-Mark-Sperre“, Folge: wenig Gäste – schlechte finanzielle Lage der Österreichischen Zugspitzbahn.

Verstärkung des elektrischen Antriebes, dadurch Geschwindigkeitssteigerung von 3,5 auf 5 Meter pro Sekunde
Nach Abschluss des österreichischen Staatsvertrages wurde die Frage des „Deutschen Eigentums“ in Österreich einvernehmlich gelöst. Im Zuge der Gesamtregelung ging die Tiroler Zugspitzbahn in österreichisches Eigentum zurück.
Großbrand im Kammhotel und Eröffnung der Eibsee-Seilbahn auf bayerischer Seite.
Modernisierung der Anlagen: Bau der Zwischenstation im Gamskar, dadurch Vierkabinenbetrieb (260 Pers./h) und Erschließung des Zugspitzgipfels mittels einer Seilschwebebahn

Inbetriebnahme der Tiroler Zugspitz-Gipfelbahn
Eröffnung des Gipfel-Hotels mit Panorama-Restaurant

Erneuerung des Erlebnismuseums zum 100-jährigen Jubiläum
Gründung der Tiroler Zugspitzbahn AG mit Sitz in Ehrwald. Land Tirol 51 %, 23 % Volksaktien
Verkauf der Geschäftsanteile des Landes Tirol an die Zillertaler Gletscherbahn GmbH & Co KG
Eröffnung „BAHNORAMA anno 1926“
Eröffnung „Der Schneekristall“
Wiederaufbau des während des Krieges zerstörten Hoteltraktes an der Talstation
Eröffnung der „neuen“ Tiroler Zugspitzbahn

Eröffnung des PanoramaGipfelrestaurants nach Umbau und Eröffnung der „Faszination Zugspitze - Erlebniswelt ... mit den besten Aussichten“.

Brand der Talstation. Die Seilbahn wird stark zerstört und Wiederaufbau in Rekordzeit.


Die Leidenschaft für Berge und Seilbahnen lebt in unserer Familie in der dritten und vierten Generation. Seit Jahrzehnten verbinden wir Unternehmergeist, technische Expertise und enormes Engagement, um Besucher:innen aus aller Welt unvergessliche Momente in Ehrwald, auf der Zugspitze und im Zillertal zu ermöglichen. Dieses Buch gibt Einblick in die Entwicklung des Bergtourismus, unseres Unternehmens und speziell der Tiroler Zugspitzbahn als erstes touristisches Leuchtturmprojekt im Außerfern.
Als Seilbahner legen wir den Fokus stets auf den Menschen: Unsere Gäste sollen staunen, genießen und aktiv die alpine Natur erleben – unterstützt durch moderne Infrastruktur, vielfältige Angebote und ein Team, das spürbar Freude an Gastfreundschaft hat. Die Verbindung von einzigartiger Landschaft, Qualität und Innovation prägt den Zauber unserer Bergwelten – und ist Antrieb für alles, was wir tun.
In der Muttergesellschaft der Zillertaler Gletscherbahn GmbH & Co. KG mit Sitz in Hintertux nimmt die Tiroler Zugspitzbahn einen besonderen Platz ein: als erste Seilbahn Tirols, als Ausgangspunkt einer beeindruckenden Erfolgsgeschichte und als Beweis dafür, dass „groß denken“ mit Weitblick sich lohnt. Wir sind stolz, Teil dieser Geschichte zu sein –und sehen das 100-Jahr-Jubiläum nicht nur als Anlass zum Feiern und Rückblicken, sondern auch als Auftrag, die nächsten Kapitel zu gestalten.

FRANZ UND KLAUS DENGG, GECHÄFTSFÜHRER DER TIROLER ZUGSPITZBAHN







112
Das 4*Superior Zugspitz Resort 118
Ehrwalder Almbahn 122
Tiroler Haus
123
Busunternehmen 124
Unsere Seilbahnfamilie
Gletscher

GEOGRAFIE MYTHOS
EROBERUNG GESCHICHTE
2.962 Meter hoch ragt die Zugspitze empor – ein Mythos aus Stein, gewachsen aus dem Kalk des Urmeeres, umwoben von Sagen und Legenden.
Ein Grenzberg zwischen Tirol und Bayern, jahrhundertelang als unbezwingbar gefürchtet. Doch Forschergeist und Abenteuerlust ließen den Bann brechen. Hier begann die Eroberung des Hochgebirges – und die Zugspitze wurde zum Symbol für Sehnsucht, Herausforderung und grenzenlose Aussicht.


Etwa 300 Quadratkilometer misst das Wetter steingebirge im nördlichen Teil der Kalkalpen. Von den fünf großen, im weitesten Sinne miteinander verbundenen Gratketten ist das Wettersteinmassiv die höchste.

Diese Gratketten entstanden vor rund 200 Millionen Jahren aus kalkhaltigen Ablagerungen im Tethysmeer. Seit etwa 65 Millionen Jahren wandert die afrikanische Kontinentalplatte in Richtung europäischer Platte – durch die Kollision der beiden Platten wurden die kalkhaltigen Ablagerungen dachziegelartig überlagert, aufgefaltet und zu den heutigen Gebirgen aufgetürmt. Deshalb bezeichnet man die Alpen auch als Faltengebirge. Die Zugspitze selbst ist der Überrest eines erkalteten Korallenriffs. Ihr Sockel besteht aus Alpinem Muschelkalk, der obere Bereich mit bis zu 800 m hohen Steilwänden, Graten, Türmen und Gipfelgestein vorwiegend aus Wettersteinkalk. Seine Farbe variiert zwischen grauweiß, hellgrau und gefleckt.

Durch die Ablagerung der kalkigen Hüllen von Korallentieren und anderen Schalentieren entstanden mit der Zeit unterseeische tausende Meter hohe Schichten. Sie sind der Urbaustein zum Wettersteinkalk.

HÖCHSTE ERHEBUNG ZUGSPITZE 2.962 Meter
ALTER 30 Mio. Jahre
GEWICHT 198 Mrd. Tonnen
LOCATION Wettersteingebirge, Nördliche Kalkalpen
BAUSTOFF Kalk
BESONDERHEIT Hufeisenförmig, nach Osten offener Bergkamm
Von alten Mythen, Geografischem, Grenzverläufen und dem Märchen von der geschenkten Zugspitze an Deutschland.

Die Volksüberlieferung glaubte an Geister in den Bergen. Dies war mit ein Grund, dass sich der Mensch lange Zeit nicht auf die Gipfel der erhabenen und majestätischen Bergriesen wagte. Eine Sage erzählt vom Zugspitzgeist, der alle fürwitzigen Leute verscheuchte, die das „Springkraut“ von der höchsten Stelle des Berges holen wollten. Mit dem Wunderkraut hätte man Schätze heben können, doch der Zugspitzgeist in Gestalt eines adlerähnlichen Vogels ließ niemanden zu nahe an den Gipfel herankommen.

Auch das ökonomische Desinteresse war mitbestimmend, dass die gefährlichen Berggipfel nicht bestiegen wurden. Das felsige Land konnte nicht genützt werden, während die Regionen mittlerer Höhe als Almen den Sommer über bewirtschaftet wurden.
Von Tiroler bzw. österreichischer Seite aus imponiert die Zugspitze, früher auch „der Zugspitz“ genannt, nicht unbedingt durch die Höhe, steht der Berg doch im Schatten vieler Dreitausender. Was imponieren muss, das ist der stolze, abweisende Charakter des Gebirgsstocks, der sich vom Ehrwalder Becken aus auftürmt. Aus der Sicht des nördlichen Nachbarlandes dagegen ist die Zugspitze mit ihren 2.962 m die höchste Erhebung der Bundesrepublik Deutschland.
Die alten Eibseer glaubten fest an den Zugspitzgeist. Darstellung des Künstlers Prof. Johann Weinhart aus Biberwier.
Im Süden liegt das Tiroler Dorf Ehrwald zu Füßen der Zugspitze, im Norden ist es Garmisch-Partenkirchen im Werdenfelser Land im Freistaat Bayern. Mit weiteren Gipfeln, wie dem Zugspitzeck (2.781 m), der Riffelwandspitze (2.626 m), der Höllentalspitze (2.755 m), dem Hochblassen (2.706 m) bildet die Zugspitze den nordwestlichen Teil des Wettersteingebirges, das sich im Rahmen der Nördlichen Kalkalpen über 20 km in Ost-West-Richtung erstreckt. Im Westen bricht das Zugspitzmassiv unvermittelt und steil ab, während es im Osten und Norden durch tief eingeschnittene Täler zugänglich ist und durch Vorgipfel gleichsam vorbereitet wird. Die Talschlüsse bedecken schwindende Gletscher, der Höllentalferner und der Schneeferner auf dem Zugspitzplatt.
Der genaue Grenzverlauf zwischen der ehemaligen Grafschaft Tirol und der früheren Grafschaft Werdenfels, die dem Bischof von Freising gehörte, war durch die Jahrhunderte nicht gänzlich geklärt. Bauern aus Ehrwald und der Leutasch beanspruchten Weiderechte im oberen Reintal, so wie die Inhaber der Grafschaft Tirol seit dem Mittelalter auch jenseits des Wettersteinkamms den Wildbann forderten.
Im Jahr 1766 schloss Kaiserin Maria Theresia als Landesfürstin von Tirol mit Bischof Clemens von Freising einen Vertrag, wodurch die Landesgrenze mit dem Wettersteinkamm bis zum Doppelgipfel der Zugspitze festgelegt wurde. Von dort aus verläuft seit damals die Grenze in nordwestlicher Richtung zum Pass Griesen. Ein besonders genauer Vertrag über den Grenzverlauf am gesamten Nordrand von Tirol wurde 1844 zwischen Österreich und Bayern geschlossen. Selbst ein Kartenwerk wurde darüber herausgebracht. Die Grenze folgte dem im Jahr 1766 festgelegten Verlauf. Man setzte mehrfach neue Grenzsteine. Damit ist aber auch die heute noch verbreitete Meinung widerlegt, Kaiser Franz Josef I. habe dem deutschen Kaiser Wilhelm II. bei dessen Besuch in Wien im Jahr 1898 den Zugspitzgipfel geschenkt.
Diese Geschichte ist wohl dadurch zu Stande gekommen, dass im Jahr 1902 eine neuerliche Grenzrevision durchgeführt wurde, die jedoch im Bereich des Gipfels keine Veränderung brachte.
Gatterl mit Blick auf die Zillertaler Berge, Kalkkögel und Dolomiten.


1820 begann durch die Erstbesteigung von Josef Naus die Eroberung der Zugspitze durch den Menschen. Bereits Ende des 18. Jahrhunderts hatte die wachsende naturkundliche Forschung den Alpinismus begründet. Wissenschaftliche Aufgaben wie Landvermessung, Wetterkunde oder Höhenmessung verbanden sich damals mit dem Ehrgeiz zu Erstbesteigungen.

In den Bildern des berühmten
Alpen-Malers Ernst Platz –wie dem 1913 im „Alpinismus in Bildern“ veröffentlichten „Wächtenbruch“ – kommen die Schrecknisse des neuen „Sports“ Bergsteigen besonders drastisch zum Ausdruck.

Josef Naus, aus Lechaschau bei Reutte gebürtig, aber in bayerischen Diensten, ist der Erstbesteiger der Zugspitze.

Am 27. August 1820 gelang Leutnant Josef Naus vom königlich-bayerischen Topographischen Bureau die erste Besteigung der Zugspitze. Der 27-Jährige aus Lechaschau im Tiroler Außerfern stand in bayerischen Diensten und brach mit zwei Offizieren, seinem Diener Maier als Messgehilfe und dem Partenkirchener Johann Georg Deuschl als Führer zur alpinistischen Pioniertat auf.
Man übernachtete in der Angerhütte in 1.366 m Seehöhe am Ende des Reintales. Um 4.00 Uhr früh setzten die Männer den beschwerlichen Aufstieg fort. In der Morgendämmerung eröffnete sich ihnen eine großartige Gebirgsszenerie, doch mit zunehmender Höhe wurde das Gelände gefährlicher. Ungeahnte Hindernisse, wie schneeverwehte Felsspalten, verzögerten das Weiterkommen. Zum letzten Sturm auf den Gipfel setzten nur noch Leutnant Naus und die zwei einheimischen Begleiter an, während die beiden Offiziere umkehrten. Gegen 11.45 Uhr standen sie auf dem Westgipfel – doch ein aufziehendes Unwetter zwang sie sofort zum Abstieg. Eine sichtbare Markierung konnten sie nicht hinterlassen, weshalb ihre kühne Leistung zunächst angezweifelt wurde.
Ein einbrechendes Unwetter vertrieb
Leutnant Naus und seine Begleiter. Oder war es doch der Zugspitzgeist, der sich unter Blitz, Donner und Schneegestöber zurückzog?
Im Jahr 1823 erreichten der Partenkirchener Maurermeister Simon Resch und der „Schaftoni“ von der Angerhütte erstmals den Ostgipfel. In den Jahren 1834 und 1835 folgten weitere Besteigungen, und 1838 gelangten die Tiroler Josef Sonnweber („Ruß“) aus Ehrwald und Josef Feuerstein im Zuge von Vermessungsarbeiten auf die Zugspitze. Immer mehr Einheimische beteiligten sich an der Erschließung neuer Routen. 1851 errichteten bayerische Alpinisten unter großen Mühen ein Gipfelkreuz auf dem Westgipfel, das nach Blitzschlag restauriert und 1882 am Ostgipfel wieder aufgestellt wurde. Am 22. September 1853 schrieb Karoline Pitzner aus Partenkirchen Geschichte: als erste Frau auf der Zugspitze.


Zugspitzgipfel mit Münchner Haus und meteorologischem Turm in einem Gemälde von Ernst Platz. Bis 1938 war der Westgipfel übrigens um zwei Meter höher als der deutsche Ostgipfel.
Seit 1900 ist der meteorologische Turm am Gipfel der Zugspitze eine der exponiertesten und wichtigsten Beobachtungsstationen Europas.

Bereits 1873 auf dem ersten Meteorologen-Kongress in Wien wurde angeregt, umfangreiche Beobachtungen von isolierten Alpengipfeln aus durchzuführen. Es benötigte aber noch eine Menschengeneration, ehe am 19. Juli 1900 von der gerade erbauten meteorologischen Hochstation auf der Zugspitze die erste Wettermeldung abgesetzt werden konnte. Von Beginn an bis Heute ist der Turm ganzjährig bewohnt.
Der erste „Bewohner“ des Turmes und einsamer Überwinterer 1900/01 war Josef Enzensperger. Zusammen mit seinem Hund war er monatelang von der Welt abgeschnitten. Er verband wissenschaftliche Neugier mit bergsteigerischer Begeisterung und entwickelte die Grundlagen für Arbeit und Existenz an derartig exponierten Stellen. Angesichts der extremen Wetterbedingungen und -phänomene (siehe rechte Seite) kann man erahnen, wie schwierig das Leben am Gipfel der Zugspitze war. Etwas Erleichterung brachte erst der Bau der Tiroler Zugspitzbahn 1926.
Beobachter führten seit 1900 wichtige Messungen und Untersuchungen über Wetter, Strahlung, Luftelektrik und vieles andere mehr durch. Heute sind Schwerpunkte der Forschung Physik und Chemie. Ebenso zählt die Zugspitze zu einer der Globalstationen für Umweltforschung.
Hier drei Auszüge aus den Messungen: Ca. 50 Tage im Jahr herrscht auf der Zugspitze Föhn. Ca. 35 Gewitter im Jahr gehen auf die Zugspitze nieder und ca. 220 Tage steigt das Thermometer auf der Zugspitze nicht über 0 °C.
Münchner Haus mit meteorologischem Turm Anfang des 20. Jahrhunderts.
–11,2 °C
05.07.1957
Die Turmplattform der Wetterwarte bietet an klaren Tagen eine Sichtweite von bis zu 265 Kilometern. Der 4-LänderBlick reicht dann bis zum Münchner Fernsehturm und markanten Alpengipfeln wie Großglockner, Wildspitze, Piz Bernina und Olperer. – 35,6 °C
cm + 17,9 °C + 2,6 °C
335 km/h


Der Wohn- und Instrumentenraum im Meteorologischen Turm, aufgenommen im Jubiläumsjahr 1950.
* Mittelwerte aus den Jahren 1901 bis 2024

VISION INITIATOREN TECHNIK
PLÄNE BAU ANTRIEB FEIERLICHKEIT
Eine Vision nimmt Fahrt auf. Rechtsanwalt Dr. Hermann Stern träumt davon, den Tourismus in Reutte zu beleben – und verfolgt das scheinbar Unmögliche: eine Bahn auf die Zugspitze. Mit Mut, Ingenieurskunst und unerschütterlichem Glauben entsteht 1926 Tirols erste Seilbahn – ein Meisterwerk der Technik. Als die Gondel erstmals zum Gipfel schwebt, blickt die ganze Welt nach Ehrwald.


Die Verwirklichung großer, Epoche machender Unternehmungen erfordert durchwegs kraftvollen Einsatz, verbunden mit einer besonderen Zielstrebigkeit. Von einer Zugspitzbahn war schon vor Jahren gesprochen worden. Dem Rechtsanwalt Dr. Hermann Stern im Bezirkshauptort Reutte fällt unumstritten das Verdienst zu, als Vorkämpfer des kühnen Projektes aufgetreten zu sein und es auch zu einem guten Abschluss gebracht zu haben. Dr. Hermann Stern entstammte einer Bozner Beamtenfamilie. Seine Ausbildung erfuhr er am Gymnasium zu Meran und an der Universität Innsbruck. Nach Reutte gelangte Dr. Stern als Nachfolger des verstorbenen Advokaten Dr. Emil Schennich. Vorher hatte er jahrelang in Innsbruck gearbeitet und war mit vielfältigen Problemen, besonders auch im Bereich der Wirtschaft, bekannt geworden. Verständlich, dass er sich auch über seine rein berufliche Arbeit hinaus mit der Situation des Bezirkes Reutte, des Außerfern, beschäftigte. Seit jeher galt die Region als Randgebiet der Tiroler und österreichischen Wirtschaft. Nun, in den Nachkriegsjahren, war die Situation besonders ungünstig. Industrie, die Arbeitsplätze gebracht hätte, war kaum vorhanden. Auch der Tourismus war – trotz mancher Anstrengungen – noch wenig entwickelt. Am ehesten bildeten die Dörfer Lermoos und das „Zugspitzdorf“ Ehrwald eine Ausnahme.
Der Schaffenskraft von Männern um den Reuttener Rechtsanwalt Dr. Hermann Stern gebührt der Verdienst an der Realisierung der Bahn.
Sie wurden immer mehr von Gästen aus dem Deutschen Reich besucht, die sich von der so eindrucksvollen Südseite des Wettersteinmassivs angezogen fühlten und auch die beschwerliche und nicht wenig gefährliche Klettertour auf die Zugspitze unternahmen. Die Verwirklichung des Projektes der Zugspitzbahn schien Dr. Stern eine Möglichkeit zu bieten, die Wirtschaft, insbesondere den Tourismus im Bezirk Reutte, zu fördern. Bereits im Frühjahr 1923 ließ Hermann Stern die notwendigen Vermessungen durchführen, doch erst Monate später ging das Gerücht vom geplanten Bau einer Bahn auf die Zugspitze um. Das Planungsstadium wurde konkret, als mit 7. März 1924 das Bundesministerium für Handel und Verkehr in Wien Rechtsanwalt Dr. Stern, Bauunternehmer Ingenieur Ferdinand Kleiner in Innsbruck und Ingenieur Robert Findeis, Professor für Eisenbahnwesen und Spezialbahnen an der Technischen Hochschule Wien, die so genannte Vorkonzession für die technischen Vorarbeiten zur Errichtung einer Seilschwebebahn von Ehrwald auf den Wettersteinkamm erteilte. Diese Arbeiten waren aber bereits so weit gediehen, dass die bisherigen Unterlagen bald schon eingereicht und vom zuständigen Ministerium mit 10. April 1924 als den Bestimmungen des Eisenbahnkonzessionsgesetzes entsprechend beurteilt wurden. Die technische Ausarbeitung des
Projektes hatte Ingenieur Ferdinand Kleiner übernommen. Er, ein ausgezeichneter Alpinist, hatte auch die Trasse festgelegt. Um die Finanzierung hatte sich Dr. Stern selbstverständlich schon lange gekümmert. Kostenvoranschlag und finanzielle Sicherstellung der Baukosten waren überhaupt Voraussetzung zur offiziellen Konzessionserteilung (März 1925) gewesen. Dr. Stern war es gelungen, den Geheimen Kommerzienrat Ingenieur Richard Opitz, Großunternehmer aus Berlin, für die Sache zu gewinnen. Ingenieur Opitz übernahm die persönliche Haftung und die Bürgschaft für das benötigte Baukapital. Die Kosten wurden mit 1,5 Millionen Schilling veranschlagt.

Die Pioniere der Tiroler Zugspitzbahn von Links: Geheimer Kommerzienrat Richard Opitz (Berlin), Rechtsanwalt Dr. Hermann Stern (Reutte), Bauunternehmer Ingenieur Ferdinand Kleiner (Innsbruck).

Am 16. April 1925 wird im Anzeigenblatt für Verkehr die Konzession zum Bau der Tiroler Zugspitzbahn veröffentlicht




DR. HERMANN STERN
Rechtsanwalt, Reutte
Geschäftsführender Verwaltungsrat der Zugspitzbahn A.-G., erwarb sich um die Finanzierung des Baues besondere Verdienste.
Professor an der Technik in Wien, schuf die seilbahntechnischen Unterlagen für den Bau der Zugspitzbahn.
Bauunternehmer in Innsbruck, trassierte die Zugspitzbahn und leitete deren Bau.
gebürtiger Salburger
Bauführer beim Bau der Zugspitzbahn, seit deren Eröffnung Betriebsleiter.

So leitete Ing. Robert Findeis seinen im Jahre 1926 erschienenen Artikel über die Zugspitzbahn ein. Man kann den Ingenieur getrost als einen Zugspitzbesessenen bezeichnen. Der Bauunternehmer war eine der treibenden Kräfte für das visionäre Bahnprojekt auf die Zugspitze. Seinen unermüdlichen Vermessungen bei vielfachen Begehungen in unwegsamem Gelände ist die Findung der Trasse zu verdanken.
Die außerordentlich zweckmäßige Linienführung führte von Obermoos bei Ehrwald (etwa 1200 Meter) neben den Ehrwalder Köpfen und an der Wiener-Neustädter-Hütte vorbei bis unterhalb des Westgipfels der Zugspitze. Am Westabhang des Wettersteinkammes, in einer Meereshöhe von 2.805 Meter, wurde das bestmögliche Gelände für die Anlage der Bergstation angetroffen. Die Trassenfindung war überhaupt Grundlage für das im Jahre 1924 dem österreichischen Bundes-Ministerium vorgelegte Konzessionsgesuch.
„In wenigen Tagen wird ein Ereignis eintreten, das in der ganzen Welt begreifliches Aufsehen erregen und unserem Lande eine neue Anziehungskraft für den Besuch durch Fremde bieten wird. Die Bahn auf die Zugspitze wird dem öffentlichen Verkehr übergeben und damit die Vollendung eines Werkes gezeichnet, welches sowohl durch die Kühnheit seines technischen Planes als auch wegen der Schwierigkeiten, die sich in seinen Ausführungen entgegenstellten, vereinzelt dasteht.“
Darauf basierend wurden gemeinsam mit der Österreichischen Seilbahnbehörde in Wien (unterstützt durch Herrn Professor Findeis der Technischen Hochschule in Wien) die allgemeinen Vorarbeiten durchgeführt.
Es war von Anfang an klar, dass die gewaltigen technischen Leistungen, die die Erbauung einer derartigen Bahn im äußerst schwierigen und steilen Gelände verlangte, nur von einem Unternehmen durchgeführt werden konnte, welches über die erforderlich lange Erfahrung, die nötigen technischen Hilfsmittel und vor allem über einen Stab versiertester technischer Mitarbeiter verfügte. So fiel die Wahl auf die im Bau von Drahtseilbahnen seit 50 Jahren führende Weltfirma Adolf Bleichert & Co aus Leipzig, welcher bereits Mitte November 1924 der endgültige Auftrag zur Lieferung und Aufstellung der Drahtseilbahnanlage übertragen wurde.



Projektierung der Bahn in hochalpinem Gelände.

Blick von der heutigen Bergstation der Zugspitzbahn auf das österreichische Schneekar und die Wiener-Neustädter-Hütte.

Die Lage der Bergstation unterhalb des Zugspitz-Westgipfels in einer für damalige Verhältnisse aufwändigen Reprosimulation


Das Laufwerk, an dem der Seilbahnwagen pendelt, hat 8 Räder, durch welche sich das Gewicht gleichmäßig auf das Tragseil verteilt.
Symbolzeichnung für eine Seilschwebebahn
Seit der Jahrhundertwende gab es Pläne zur bahntechnischen Erschließung des Zugspitzgipfels.
Bereits 1905 entwarfen Münchner Ingenieure ein konkretes Schienenbahnprojekt, das jedoch nicht umgesetzt wurde. Auch ein Schweizer Entwurf von 1913 blieb auf dem Papier. Ein gewisses Konkurrenzdenken zwischen Bayern und Österreich beflügelte den unternehmerischen Ehrgeiz. Auf Tiroler Seite bemühten sich die Siemens-Schuckert-Werke und die Firma Stern & Hafferl um eine Bergbahn. An ein damals noch recht neues Verkehrsmittel – die Seilschwebebahn – dachte zunächst kaum jemand, obwohl in Alt-Tirol bereits solche Anlagen existierten.
Seit 1923 kooperierten der geniale Seilbahnbauer Dipl.Ing. Luis Zuegg und die Weltfirma Bleichert und entwickelten das System Bleichert-Zuegg, welches als Revolution im Seilbahnbau galt.
Der Südtiroler Luis Zuegg baute 1912 die Seilbahn auf das Vigiljoch und damit die zweite Seilbahn Europas für den Personenverkehr überhaupt. Während des Ersten Weltkrieges errichtete er an der Südfront zahlreiche Seilbahnen und erwarb dabei wichtige technische Erfahrungen. 1923 schloss er einen Lizenzvertrag mit der Weltfirma Bleichert, die bereits bis 1900 über 1.000 Drahtseilbahnen realisiert hatte. Von nun an setzte das System Bleichert-Zuegg Maßstäbe im Seilbahnbau.
Der Hauptvorteil lag in der einfachen Anordnung der Elemente und in der Fähigkeit, bisher bei Schwebebahnen unerreichte Spannweiten zu überbrücken. Besonders entscheidend war die geringe Stützenanzahl, die hohe Fahrgeschwindigkeiten erlaubte.
Möglich wurde dies durch ein geschlossenes Tragseilsystem, das ohne Zwischenkupplung über Rollen mit Kugellagerung und Rillen aus Sonderbaustoff gleitet.
DÄMPFUNGSBREMSE
HILFSTRAGSEILROLLEN
AUFLAGESCHUH FÜR DAS TRAGSEIL
ZUGSEILTRAGROLLEN

UMFORMER-RAUM
ANTRIEB FÜR DAS HILFSSEIL
SPANNGEWICHT FÜR TRAG- UND ZUGSEIL
Entwurf der Talstation der Seilbahn. Mit Hoteltrakt auf der rechten und Trafostation auf der linken Seite –gestaltet vom Reuttener Architekten Kerle

ANTRIEB FÜR DAS ZUGSEIL
KABINENPUFFER
HILFSSEIL TRAGSEIL ZUGSEIL

TRAGSEIL
HILFSSEIL
ZUGSEIL
KABINENPUFFER
TRAGSEILTROMMEL
Die Bergstation der Zugspitzbahn im Entwurf von Ing. Kleiner aus Innsbruck.

TRAGSEILVERANKERUNG
Am Westabhang des Wettersteigkammes, auf 2.805 Metern
Seehöhe unterhalb des Westgipfels der Zugspitze, fand man das ideale Gelände für die Errichtung der Bergstation.


Die Hilfsseilbahn transportierte Wasser und Sand für die riesigen Fundamente in die Höhe.














Die Montagearbeiten verlangten den Bauarbeitern ein Höchstmaß an Konzentration und Einsatzwillen ab.

Die Arbeiten beim Einrichten der Baustelle zu Stütze 2. Dieses Bild dokumentiert wohl am besten die Strapazen der Arbeiter.
Die Aufstellung der Stützen im zerklüfteten Gelände allein war eine Ingenieurleistung ersten Ranges.
Eine der schwierigsten Aufgabenstellungen war die Errichtung der Stützen. Dabei musste eine besondere Hilfsseilbahn neben der eigentlichen Trasse errichtet werden, um die Baustoffe zu den schwer zugänglichen Standorten der Stützen und zur Bergstation zu bringen. Alles Wasser, aller Sand für die riesigen Fundamente mussten von unten emporgebracht werden. Auch die Spreng-, Fundament- und Hochbauarbeiten, an den ungünstigsten Stellen ausgeführt, stellten Meisterleistungen der mit der Herstellung betreuten Bauunternehmung Kleiner in Innsbruck dar.
Produktion, Anlieferung und Seilzug zählten zu den logistisch und technischen Bravourstücken beim Bau der Zugspitzbahn.
Trageseil der Erstausstattung 1926
Erst die Erfindung des Drahtseiles 1834 durch Julius Albert machte die Seilschwebebahn überhaupt möglich. Weltmarktführer mit weit über tausend Drahtseilanlagen (bereits bis zur Jahrhundertende) war, begünstigt durch verschiedene Patente, die Firma Bleichert & Co. Auf Grund ihrer großen Erfahrung wurde diese, wie bereits erwähnt, beauftragt, Anlagen und Technik zu installieren. Dennoch wollte man durch den Bau der Zugspitzbahn nach Möglichkeit die heimische Wirtschaft fördern und begünstigen. So lieferte die Eisengerüste der Stützen die Maschinenfabrik Simmering, während die Drahtseile von den St. Egydier Eisen- und Stahlwerken in Niederösterreich und von Felten & Gulliaume in Wien bezogen wurden.
Alleine die technischen Eckdaten des Tragseiles veranschaulichen, welche Schwierigkeiten bis zur Funktionsbereitschaft überwunden werden mussten: Mit einem 40-Tonnen-Spezialwagen der österreichischen Bahn wurde das Tragseil angeliefert. Vom Bahnhof musste die schwere Seilrolle im Schritttempo über Rundhölzer zur Talstation gerollt werden. Als Zugkraft fungierten ein starker Kraftwastlagen und eine Dampfwalze, die an einem Flaschenzug abwechselnd arbeiteten. An der Talstation wurde die Seiltrommel auf eine Drehachse gebracht. Nun erst konnte die heikle und äußerst schwierige Arbeit des Seilzuges beginnen. Mit Hilfe einer großen Anzahl von Winden die an geeigneten Punkten entlang der Seilbahntrasse stationiert waren, musste die 35-Tonnenlast des Seiles unter Überwindung des schwierigen Geländes mehr als 1.500 Höhenmeter nach oben geschleppt werden.
Nie zuvor wurde ein Seilzug dieser Größenordnung in ähnlich hoch-alpinem Gelände durchgeführt. Damit war der Bau der Tiroler Zugspitzbahn auch in dieser Hinsicht eine beispiellose Leistung.
Das Tragseil besteht aus 133 Einzellitzen mit einem Gesamtdurchmesser von 48 mm.
Jedes Tragseil hat ein Gewicht von ca. 35 Tonnen.
Die schwere Seilrolle wurde im Schritttempo über Rundhölzer zur Talstation gerollt.


Seiltransport vom Bahnhof zur Talstation 1925/26.

Die extremen Witterungsbedingungen machten es notwendig, den Antrieb in der Talstation zu positionieren – ein Unikum.

Schema der Energieumformung der Seilschwebebahn auf die Zugspitze.
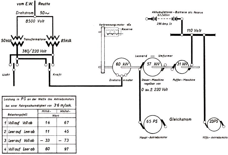
Der damalige Antrieb der Tiroler Zugspitzbahn erfolgte durch Gleichstrommotoren. Die Energie lieferte das Hochspannungsnetz des Elektrizitätswerkes Reutte als Drehstrom von 8500 Volt Spannung. Die Spannung wurde im eigenen Transformatorhaus in Drehstrom von 220 Volt umgewandelt. Im Leonard-Umformer, bestehend aus Drehstrommotor, Steuer- und Puffermaschine, wird dieser in Gleichstrom zur Speisung der Antriebsmotoren umgeformt. Die Steuerung des bis zu 75 PS leistungsstarken Hauptmotores ermöglichte eine verlustfreie, feinfühlige Regelung von Null bis ca. 3,5 m/Sek. Frei werdende Energie durch voll beladene Talgondeln konnte zum Aufladen der Batterie verwendet oder ins Netz zurückgespeist werden.



Ein besonderer Tag für die Ehrwalder Bevölkerung unter Beisein des Bundespräsidenten Dr. Michael Hainisch.


Noch vor der eigentlichen Eröffnung besuchte der Bundespräsident Dr. Hainisch die nahezu fertig gestellte Zugspitzbahn.

Entsprechend dem Fortschritt der Bauarbeiten zeichnete sich die Er öffnung der Zugspitzbahn für Sommer 1926 ab. Im März dieses Jah res wurden bereits Probefahrten unternommen. Als besondere Aus zeichnung empfand man den Besuch von Bundespräsident Dr. Michael Hainisch am 14. Juni 1926. Zum ersten Mal seit rund 150 Jahren be suchte ein österreichisches Staatsoberhaupt das Außerfern! Von Inns bruck aus führte die Fahrt mit dem Automobil über das Mieminger Plateau und den Fernpass in das festlich geschmückte Ehrwald, wo sich nahezu die gesamte Bevölkerung mit dem Gemeinderat an der Spitze zur Begrüßung versammelt hatte. Von diesem für die Lokal geschichte so einschneidenden Ereignis berichteten die „Innsbrucker Nachrichten“ am folgenden Tag: „Der Bundespräsident schritt die Schützenkompanie und die Musikkapelle ab, worauf er ... mit einem sinnigen Gedichte und mit Blumensträußchen bedacht wurde. ... Nach den Dankesworten des Bundespräsidenten wurde die Weiterfahrt zur Talstation Obermoos der Zugspitzbahn angetreten. ... Nach Besichti gung der Maschinenhalle und der übrigen Teile der Talstation wurde den Gästen eine besondere Überraschung zuteil. Von der Höhe herab kam aus dem Nebel, der die Berge dicht verhängte, ein mit Kränzen geschmückter Wagen der Zugspitzbahn und in der Halle der Talstation entstieg ihm ein Gnom mit vielen kleinen lieblichen Zwerglein. Der Gnom begrüßte als ‚Zugspitzgeist‘ die Festgäste und hob in einem originellen Dialektgedichte ... die Bedeutung der Zugspitzbahn hervor.“
Bei strömendem Regen musste der Bundespräsident höflicherweise ein Stück mit der neuen Seilbahn bergauf fahren, um diese technische Errungenschaft kennen zu lernen. Ein Mittagessen bildete den Abschluss der Feier. Nachmittags besuchte das Staatsoberhaupt das eben fertig gestellte Planseewerk bei Reutte.

Von Beginn an stand die Tiroler Zugspitzbahn im größten Interesse der Internationalen Presse.


Nahezu die gesamte Bevölkerung versammelte sich an diesem regnerischen Tag, dem 14. Juni 1926, in Reutte.
IN EINEM ERSTEN ZUSAMMENFASSENDEN ARTIKEL
ÜBER DIE TIROLER ZUGSPITZBAHN AUS DEM JAHR
1926 HEISST ES:
„Was die Fahrt selbst anbelangt, so ist die Fahrbahn frei von jedem Hindernis, da sie ja in der Luft liegt und jede Störung durch zufälligen oder fahrlässigen Zusammenstoß mit anderen Fahrzeugen oder Hindernissen auf der Fahrbahn eigentlich ausgeschlossen ist. Die Fahrt mit einer Seilschwebebahn ist also in Wirklichkeit wesentlich sicherer als mit dem Schnellzug auf der Eisenbahn oder gar mit dem Kraftwagen auf der Straße, mit der sich aber doch die meisten Menschen heutzutage bereits abgefunden haben. So werden sich Tausende die Gelegenheit nicht entgehen lassen, ohne großen Zeit- und persönlichen Kraftaufwand auf einen geografisch bekannten Berggipfel zu gelangen, der eine prachtvolle Aussicht und während eines großen Teiles des Jahres Gelegenheit zur Ausübung des Wintersportes bietet.“
Ein großer Tag in der Seilbahngeschichte Tirols. Von Beginn an stand die Bahn im Blickpunkt der Weltöffentlichkeit und wurde euphorisch gefeiert.


Das architektonisch gelungene Esemble von Talstation und Hotel war schmucker Rahmen zu den Eröffnungsfeierlichkeiten.
Die Weihe und feierliche Eröffnung der Tiroler Zugspitzbahn erfolgten am 5. Juli 1926 unter Beteiligung des Vizekanzlers Dr. Waber, des Verkehrsministers Dr. Schürff mit rund 40 Herren aus den verschiedenen Ministerien in Wien. An der Spitze der Tiroler Prominenz stand Landeshauptmann Dr. Franz Stumpf.
Politiker, Prominenz, Musikanten, Schützen und hunderte Interessierte waren gekommen, um den großen Tag zu feiern.
Zahlreich waren Gäste aus Deutschland angereist, nicht nur aus dem unmittelbaren Nachbarland Bayern, sondern auch aus Sachsen, Württemberg und Preußen. Der 5. Juli 1926 war ein großer Tag für Dr. Hermann Stern, der sich am Ziel seiner Anstrengungen und Mühen sah. Ihm fiel nun auch die ehrenvolle Aufgabe zu, die Gäste willkommen zu heißen und auf die Bedeutung des Werkes hinzuweisen.
Auf zahlreiche Worte des Dankes und der Anerkennung hin erhielten die verdienstvollen Männer des Zugspitzbahnbaues aus der Hand des Verkehrsministers staatliche Ehrenzeichen überreicht. Über den weiteren Hergang der Eröffnung der Zugspitzbahn berichten wiederum die „Innsbrucker Nachrichten“: „Nach dem Abschluss des Festaktes bestiegen die Mitglieder der Bundesregierung, die Vertreter der Reichsregierung und Landeshauptmann Dr. Stumpf den ersten Wagen zur Fahrt auf die Zugspitze. Ihnen folgten in Abständen von je 20 Minuten die anderen Festgäste. Alle Teilnehmer an der Fahrt waren begeistert von dem gewaltigen Werk, das prachtvolle Fernblicke auf den Ehrwalder Kessel, die Allgäuer Berge und den Eibsee vermittelt, in kühnem Zuge durch Felsen in das österreichische Schneekar führt und dann durch den grandiosen Felskessel die Wand unter dem Zugspitzgrat erreicht. Während die einzelnen Partien auf den Berg hinauffuhren, nahmen die anderen Festgäste in der Talstation das Mittagessen ein. Die Ehrwalder Musikkapelle spielte währenddessen flotte Weisen und so kam nur allzu rasch die Stunde des Abschiedes von dem schönen Werk und dem schönen Platz heran.“
Mit Blumen und Gesang wurde der Bundespräsident von den Ehrwalder Schulkindern feierlich begrüßt.

Der Bundespräsident mit seiner Gattin an der Talstation der Zugspitzbahn.

Empfang des Bundespräsidenten vor dem Talhotel in Ehrwald-Obermoos.


ÖDÖN VON HORVATH SCHAUPLATZ KRISE
NACHKRIEGSZEIT
TOURISMUS ANNO DAZUMAL ERSCHLIESSUNG
Gäste, Abenteurer und Akrobaten stürmen die Zugspitze. Dann folgen Krisenjahre: Wirtschaftseinbruch, Krieg, Verkauf, Neuanfang. In der Nachkriegszeit wird die Vision wieder belebt. 1958 markiert die Gründung der Tiroler Zugspitzbahn AG den Beginn einer neuen Ära, 1964 folgt die feierliche Inbetriebnahme der Gipfelseilbahn – Symbol des Aufbruchs in moderne Zeiten.


Der Bau der Tiroler Zugspitzbahn war von Anfang an ein „Drahtseilakt“ am technisch und menschlich Machbaren. Die extremen Bedingungen der Hochgebirgsbaustelle und die wirtschaftlichen Krisen jener Zeit führten immer wieder zu Unglücksfällen und Unruhen in der Arbeiterschaft.
Der im nahe gelegenen bayerischen Murnau lebende österreichische Dramatiker Ödön von Horváth kam auf seinen Bergtouren im Wettersteingebirge mit den Arbeitern in Kontakt und wurde zu seinem ersten aufgeführten Volksstück „Die Bergbahn“ inspiriert. Ödön von Horváth wurde am 9. Dezember 1901 als Sohn eines Diplomaten im ungarischen Susak geboren. Die Familie führte ein unstetes Leben, ehe ab 1924 bis 1933 der Landsitz im Oberbayerischen Murnau Horváths bevorzugter Aufenthaltsort wurde. Von hier aus unternahm er ausgedehnte Bergtouren, die ihn immer wieder ins Wettersteingebirge führten. Eng war er mit dem legendären „Anselm Barth“, dem damaligen Wirt des Münchner Hauseses am Gipfel der Zugspitze, befreundet. Dorthin kamen von Tiroler Seite über einen schmalen Steig die Arbeiter des Bahnbaues und erzählten von ihren harten Lebensbedingungen. Dabei war Horváth aufmerksamer Zuhörer.
Ödön von Horváth (1901-1938) im Jahr 1929 auf einer Fotografie von Alice Domker. Bildarchiv Dokumentationsstelle für neuere österreichische Literatur.
Anlässlich 80 Jahre Tiroler Zugspitzbahn wurde Horváths Stück „Die Bergbahn“ vom Ehrwalder Theaterverein „Die Zugspitzler“ am Originalschauplatz der alten Talstation aufgeführt.
„Da liest überall vom Fortschritt der Menschheit und die Leut bekränzn an Ingenieur, wie an Preisstier, die Direkter sperrn die Geldsäck in d’ Kass und dem Bauer blüht der Fremdenverkehr. A jede Schraubn werd zum „Wunder der Technik“, a jede Odlgrubn zur „Heilquelle“. Aber, dass aner sei Leben hergeben hat, des Blut werd ausradiert.“
So eindringlich formulierte „Sliwinski“, ein Arbeiter in Horváths Stück „Revolte auf Cote 3018“, die Hauptthematiken des Stückes: Der Kampf zwischen Arbeit und Kapital und die Unmenschlichkeiten der fortschreitenden Technisierung. Nach der Uraufführung am 4. November 1927 arbeitete Horváth das Stück um. In der Neufassung mit dem Titel „Die Bergbahn“ wurde das Volksstück an der Berliner Volksbühne am 4. Jänner 1929 zu Horváths erstem großen Bühnenerfolg.


Als eine der ersten und interessantesten Bergbahnen im Hochgebirge rief die Zugspitzbahn sogleich weltweites Presseecho hervor.
Im ersten vollen Betriebsjahr 1927 wurden 128.960 Besucher befördert. Diese Marke sollte erst 1953 übertroffen werden.

Es darf behauptet werden, dass die Tiroler Zugspitzbahn geradezu als technisches „Weltwunder“ betrachtet worden ist. Im ersten Betriebsjahr stellte sich ein überraschend hoher Gästestrom besonders aus dem nördlichen Nachbarland ein. Handelte es sich bei der Zugspitze doch um die höchste Erhebung Deutschlands!
AUCH PROMINENTE WOLLTEN DIE NEUE ATTRAKTION KENNEN LERNEN.
Boxweltmeister Max Schmeling verbrachte im Jahre 1929 einige Wochen im Kammhotel, um sich in der dünnen Luft des Hochgebirges für einen bevorstehenden Kampf fit zu machen. Schmeling wollte die Gelegenheit zum Klettern und Skifahren nützen. Sein Manager jedoch, der sich Sorgen um Schmelings Ge-
sundheit und Leben machte, versuchte dies zu verhindern, weshalb er den Meister sogar einmal im Liegestuhl festgebunden haben soll. In den ausgehenden Zwanzigerjahren war auch der berühmte Kammersänger Leo Slezak Gast im Kammhotel. Aus Berlin kommend, traf eines Tages überraschend der päpstliche Kardinalstaatssekretär Eugenio Pacelli in Ehrwald ein. Der hohe geistliche Würdenträger wollte die große technische Errungenschaft der Tiroler Zugspitzbahn kennen lernen. Rund zwei Stunden lang hielt er sich mit seiner Begleitung am Wettersteinkamm auf. Bei seiner Rückkehr zur Talstation in EhrwaldObermoos war das Personal versammelt, um dem hohen Gast die Ehre zu erweisen und der Kardinal spendete den Segen. Einige Jahre später, 1939, ging Eugenio Pacelli als Pius XII. aus der Papstwahl hervor.


Bild oben: Die Kammstation in den ersten Jahren.
Bild unten: Die Talstation als geselliger Treffpunkt.
Bild oben: 1938 wurde der seit 1929 bestehende Fußgängertunnel auf 750 Meter erweitert und führte von der Bergstation der Tiroler Zugspitzbahn bis zum bayerischen Schneefernerhaus.
Bild unten: Anspruchsvolle Gratwanderung von der Kammstation auf die Zugspitze.


Die Zugspitze ist ein Berg, der kuriose Einfälle, abenteuerliche Ereignisse und Rekorde seit jeher magisch angezogen hat.

Hauptmann Franz Hailer nach 1922 bereits zum zweiten Mal am Zugspitzplatt.
Der weltbekannte deutsche Sportflieger Ernst Udet ließ mit der Tiroler Zugspitzbahn sein in Teile zerlegtes Segelflugzeug zum Kammhotel und dann mit Trägern über den Zugspitzgrat auf die deutsche Seite des Bergmassivs bringen. Von Freunden und Journalisten mit Spannung verfolgt, startete Udet am 29. April 1927 vom Schneefernerkopf aus, um nach ca. 25 Minuten Flugzeit im Tiroler Dorf Lermoos zu landen. Dies war der erste hochalpine Segelflugstart überhaupt!
1931 unternahm der Wiener Architekt Heldemann vom Zugspitzplatt den ersten alpinen Ballonstart.
In den Nachkriegsjahren stand der österreichisch-deutsche Grenzberg mehrfach im Mittelpunkt der internationalen Presse, als z.B. der 18-jährige Hochseilkünstler Siegwart Bach im Juni 1948 auf
einem 16 mm breiten und 130 m langen Seil vom österreichischen Gipfel auf die bayerische Seite der Zugspitze balancierte. Was für den Routinier nach einem Spaziergang aussah, hätte tödlich enden können: 1.000 Meter tiefe Abgründe taten sich unter dem schwankenden, von Windböen umwehten Seil auf!
Im Juli 1953 hat die zu ihrer Zeit weltbekannte Artistengruppe Traber ihre Drahtseilakte u.a. mit einem Motorrad in 1.200 m Höhe über der Höllenschlucht vorgeführt.
Die älteste Besucherin der Zugspitze war vermutlich die 101-jährige Elisabeth Reindl, die 1957 die Sonntagsmesse im Schneefernerhaus besuchte.
1973 läutete der Amerikaner „Mike Harker“ an der Zugspitze mit dem ersten alpinen Drachenflug die Ära des Drachensegelns ein.
Balanceakt in schwindelerregenden Höhen: Hochseilkünstler Siegwart Bach im Juni 1948.



Bild li.: Anfang der 30er-Jahre waren nordskandinavische Lappen mit Schlitten und Rentieren eine Attraktion am Zugspitzplatt.
Bild re.: Das Schneefernerhaus wurde an der Bergstation der ZugspitzZahnradbahn errichtet. Ab 1931 führt von hier eine Seilschwebebahn zum Gipfel.

Nach den ersten überaus erfolgreichen Jahren folgten für die Tiroler Zugspitzbahn Jahre der Krise.
Auf den großen Erfolg der ersten Betriebsjahre hin musste die Tiroler Zugspitzbahn besonders seit 1930 einen starken Rückgang des Besucherstroms verzeichnen, der mit allgemein wirtschaftlich ungünstigen Verhältnissen und seit 1930 mit den Auswirkungen eines Konkurrenzunternehmens zu erklären war. Wie zu erwarten, ging auch das Nachbarland daran, die Zugspitze zu erschließen. Ab 1928 wurde bayerischerseits an einer Gebirgsbahn mit gemischtem System gearbeitet. Als Reibungsbahn führt die Strecke vom Zugspitzbahnhof Garmisch aus nach Grainau und von hier als Zahnradbahn über Eibsee zum Schneefernerhaus in eine Höhe von 2.650 m bei Steigungen bis zu 25 % und der Überwindung eines Höhenunterschieds von 1.950 m. Das letzte Streckenstück wurde am 8. Juli 1930 eröffnet. An der Bergstation am Zugspitzplatt wurde das Hotel Schneefernerhaus errichtet, das die Erschließung des Schneeferners für den Wintersport erst richtig ermöglichte. Als besondere Attraktion wurde vom bayerischen Schneefernerhaus auf den Zugspitzgipfel eine Seilschwebebahn mit zwei Kabinen errichtet, die am 30. Jänner 1931 in Betrieb genommen werden konnte. Die nun am Zugspitzplatt eingesetzten Rentiere und Polarhunde bildeten vorübergehend eine viel bestaunte Besonderheit.

Für die Tiroler Zugspitzbahn blieb geradezu schlagartig der nun ohnehin schon eingedämmte deutsche Touristenstrom aus, als die Reichsregierung im Jahr 1933 die „Tausendmarksperre“ über Österreich verhängte. Leider gelang es in der Eile nicht, dafür andere Nationen anzuwerben. Die finanzielle Situation der Zugspitzbahn AG verschlechterte sich nun derart, dass die Weiterführung der Bahn fraglich wurde. Es soll hier nicht verschwiegen werden, dass schon Jahre zuvor die Marktgemeinde Reutte und das Land Tirol infolge der finanziellen Schwierigkeiten der Zugspitzbahn wegen der eingegangenen Haftung zur Zahlung der großen Schuldenlast herangezogen wurden. Die Gesamtbaukosten hatten schließlich etwa 7,000.000.– Schilling betragen. Zur Rückzahlung des auf die Marktgemeinde Reutte entfallenden Anteils wurde das Elektrizitätswerk Reutte herangezogen, dem dadurch jede größere Investition auf lange Zeit unmöglich gemacht wurde. Die Marktgemeinde Reutte hat somit einen äußerst hohen Beitrag zur Erhaltung der Zugspitzbahn geleistet.
Schließlich sah man sich im Jahr 1937 genötigt, die Aktien an die Bayerischen Zugspitzbahnen zu verkaufen. Nach Vereinigung der beiden Zugspitzbahnen wurde der österreichische Verbindungsstollen von der Tiroler Bergstation zum Zugspitzeck oberhalb des Schneeferners um rund 300 Meter zum bayerischen Schneefernerhaus verlängert und mit 30. Jänner 1938 freigegeben. Der Tunnel besitzt nun eine Gesamtlänge von 750 m. Österreichische Stellen dementierten um diese Zeit Gerüchte, dass die Tiroler Bergstation aus dem österreichischen Zollgebiet herausgelöst und dem deutschen angeschlossen werden sollte: „Es besteht nicht einmal die Absicht“ – stand in der Zeitung zu lesen – „sich mit derartigen Verhandlungen zu befassen.“
Nur wenige Wochen später, im März 1938, schuf der Anschluss Österreichs an das Deutsche Reich eine neue Situation. Die nun steigende Gästefrequenz der Tiroler Zugspitzbahn währte jedoch nicht lange; der Ausbruch des Zweiten Weltkrieges wirkte sich verständlicherweise negativ aus.
Im Jahr 1945 wurde Ehrwald in das unmittelbare Kriegsgeschehen einbezogen. Am 20. April 1945 wurden Tal- und Bergstation von amerikanischen Jagdbombern angegriffen. Bomben zerstörten das Hotel des Talstationsgebäudes, während Bordwaffen den hölzernen Hotelbau der Bergstation schwer beschädigten. Auch die Zugseile litten unter Bombensplittern und Bordwaffenbeschuss. Menschenleben waren bei diesem Angriff nicht zu beklagen, vor allem, da die Seilbahn zu diesem Zeitpunkt ohnehin nicht mehr betrieben wurde. Nicht zuletzt durch den tatkräftigen Einsatz der bald hernach eingerückten US-Truppen konnte die Tiroler Zugspitzbahn mit 1. Juni 1945 den Betrieb wieder aufnehmen.

Nach Kriegsende war die Zugspitze bald wieder ein beliebtes Ausflugsziel von bayerischer und Tiroler Seite.


Unmittelbar nach dem Krieg wurde die zerstörte Bahn wieder aufgebaut.
Alle Berichte und sensationellen Meldungen von der Zugspitze bedeuteten selbstverständlich Werbung. Doch konnte damit nicht das Auslangen gefunden werden, man musste nun auch echte Verbesserungen anstreben. Im Jahr 1952 schaffte man neue, je 23 Personen fassende Leichtmetallkabinen an, 1954 wurde dank verstärkten elektrischen Antriebs die Fahrtgeschwindigkeit von 3,5 m pro Sekunde auf 5 m pro Sekunde erhöht. Überhaupt wurden technische Neuerungen der maschinellen Einrichtung durchgeführt. 1956 war der Wiederaufbau des knapp vor Kriegsende zerstörten Hoteltraktes der Talstation abgeschlossen. Gleichzeitig erfuhr der ganze Gebäudekomplex in der Planung des Innsbrucker Architekten Erich Millbacher wesentliche Veränderungen im Sinne einer strukturellen Verbesserung.
BEREITS IN DEN ERSTEN ZEHN JAHREN NACH KRIEGSENDE BEWIES DIE TIROLER ZUGSPITZBAHN IHRE LEISTUNGSFÄHIGKEIT.
Beförderte die Bahn 1949 noch 53.133 Personen, so waren es im folgenden Jahr 102.360 und im Rekordjahr 1953 bereits 164.713 Gäste. Zum großartigen Erfolg hatte in erster Linie die Investitionsfreude der Verwaltung unter Dr. Walter Joos beigetragen, wodurch Innovationen und damit ein neues Image ermöglicht worden waren. Damit wurde aber die Tiroler Zugspitzbahn auch immer mehr zu einem wesentlichen Faktor im Wirtschaftsleben des Bezirkes Reutte und zu einem „Aushängeschild“ des Tourismus in Tirol. Nach Abschluss des österreichischen Staatsvertrages (1955) wurde die Frage des „Deutschen Eigentums“ in Österreich zwischen Wien und Bonn einvernehmlich gelöst. Im Zuge der Gesamtregelung fiel die Tiroler Zugspitzbahn an den österreichischen Staat. Ende Juni 1958 erfolgte die Gründung der Tiroler Zugspitzbahn AG mit Sitz in Ehrwald. Das Land Tirol sicherte sich einen Aktien-Anteil von 51 %, während 23 % als Volksaktien ausgegeben wurden, wobei die Belegschaft der Bergbahn Aktien zu Vorzugsbedingungen erwerben konnte.
In den Jahren 1959/1960 wurde vom neuen Verwaltungsgremium eine weitere Modernisierung aller Anlagen der Zugspitzbahn angestrebt, deren Kosten sich auf 5,5 Millionen Schilling beliefen. Der Zweikabinenbetrieb wurde durch den Bau einer Zwischenstation im Gamskar auf Vierkabinenbetrieb umgestellt, wodurch eine beachtliche Leistungssteigerung erreicht wurde. Nun konnten stündlich bis zu 260 Gäste befördert werden.
Mit einer Haltestelle am Gamskar konnte auf österreichischer Seite eine Skiabfahrt mit Zukunft erschlossen werden.



1960 wurde dann die Gamskar-Mittelstation erbaut.
Bis 1964 konnte der Gipfel der Zugspitze von österreichischer Seite nur durch eine abenteuerliche Gratwanderung von der Kammstation aus erreicht werden. Seit 1929 behalf man sich mit einem etwa 700 Meter langen Tunnel, der von der Kammstation auf das Zugspitzplatt verlief, um den Gipfel zumindest über die deutsche Seite zu erschließen (der Tunnel wurde später bis zum Schneefernerhaus erweitert). So verwundert es wenig, dass bereits seit Jahren über eine Tiroler Gipfelbahn nachgedacht wurde. Motor bei den Planungsarbeiten war der damalige Direktor Dr. Walter Joos.
BEFÖRDERUNG 1927
128.960 Personen
BEFÖRDERUNG 1949 53.133 Personen
BEFÖRDERUNG 1950 102.360 Personen
BEFÖRDERUNG 1953 164.713 Personen
KOSTEN DER MODERNISIERUNG 5,5 Mio. Schilling
Das 1926 erbaute Kamm-Hotel fiel jedoch Ende September 1962 einem Großbrand zum Opfer.



Nach den entbehrungsreichen Kriegsund Nachkriegsjahren begann mit dem Wirtschaftswunder der Aufschwung auch im Tourismus.
Im Zugspitzhotel an der Talstation konnten sich Gäste am Fuße des Berges einquartieren.
Sowohl an der Tiroler Zugspitzbahn-Talstation als auch an ihrer Bergstation wurden Hotels errichtet. Das Kammhotel auf 2.805 Meter vermittelte nicht nur wegen seiner überaus exponierten Lage ein besseres „Hüttenfeeling“ und war so mehrheitlich im Interesse einer sportlich orientierten Klientel.
Das Zugspitzhotel oder, wie es später hieß, das „Alpensporthotel Obermoos“, hingegen war im mondänen Stil jener Zeit gehalten und versprühte einen Hauch von „Grandhotel“. In absoluter Ruhe, umgeben von den herrlichen Lärchen- und Buchenwäldern war es schon bald beliebter Treffpunkt der erholungsuchenden Städter. Natürlich entsprach es dem Topkomfort jener Zeit. Neben fließendem Wasser in den Zimmern gab es auch ein eigenes Postamt mit Telefon und Telegrafen und eine große Autohalle mit Reparaturwerkstätte. Damals wie heute war eine eindrucksvolle Fahrt mit der Zugspitzbahn jedoch nur ein möglicher Teil des Urlaubserlebnisses. Ebenso lockten die „idyllischen Wanderungen, Bergpfade zum dunkelgrünen Eibsee und Felsenpfade in die Hochgebirgswelt der Zugspitze“, wie man in einem der ersten Fremdenverkehrsprospekte nachlesen kann.

1956 war der Wiederaufbau des kurz vor Kriegsende zerstörten Hoteltraktes der Talstation abgeschlossen.

Werbung im Laufe der Zeit. Mit bunten Prospekten machte die Tiroler Zugspitzbahn auf sich aufmerksam.


Treffpunkt Berg: Die Zugspitzbahn erfüllt die Sehnsucht nach besonderen Erlebnissen.
Bequeme Auffahrt, eindrucksvolle Panoramen: Dafür reisten Gäste von weither an.

Auch 1956 konnte man noch ein Ticket für eine Zugspitzrunde erwerben.
Vor allem nach der Übernahme der Tiroler
Zugspitzbahn durch die Bayerische Zugspitzbahn wurde die eindrucksvolle Möglichkeit der Rundreise beworben.
Es war ja wirklich eine im Alpenraum einzigartige Rundreise. Durch das Werdenfelserland, erreichte man den Talbahnhof Kreuzeck. Durch das Loisachtal fuhr die Bahn zum malerischen Gebirgsort Grainau. Hier begann die Zahnradstrecke. Kurz hinter dem Naturjuwel Eibsee ging es steil empor. In 1.650 Meter Höhe wurde die Station Riffelriß erreicht. Nun fuhr man in den 4,5 km langen Tunnel ein. In 2.650 Meter wurde schließlich Deutschlands höchstes Hotel, das Schneefernerhaus, erreicht.
Direkt vom Hotel aus führte eine Seilschwebebahn zum Gipfel und retour. Durch einen Verbindungsstollen gelangte man zur Bergstation auf Tiroler Seite. Nun schwebte man, begleitet von herrlichen Panoramablicken, hinunter nach Ehrwald-Obermoos. Von dort gelangte man mit Autobus und Bahn zurück zum Ausgangspunkt.

Die Rundreise ließ sich auch als „Gutschein“ verschenken.
Verlauf der Route von Obermoos über den Gipfel nach Garmisch oder umgekehrt.

Das Jahr 1964 ist durch die Verbindung von der Kamm- zur Gipfelstation ein weiteres historisches Datum in der Geschichte der Zugspitzbahn. Das großzügige Modernisierungsprogramm umfasste weiters noch die Erschließung des Zugspitzgipfels mittels einer Seilschwebebahn.
Nicht nur, dass auf bayerischer Seite bereits eine Gipfelbahn bestand, stand der Bau einer Großkabinenseilbahn vom Eibsee auf die bayerische Seite der Zugspitze vor dem Abschluss. Die damals längste und steilste Seilschwebebahn Europas wurde Ende November 1962 eröffnet. Die Tiroler Zugspitz-Gipfelbahn konnte mit 15. Mai 1964 in Betrieb genommen werden. Die Arbeiten in fast 3.000 m Höhe hatten sich ungeheuer schwierig gestaltet. Abgesehen von der Gipfelstation beherbergte das neu errichtete, 36 m aufragende Gebäude auch ein Hotel mit Panorama-Restaurant, das im September 1965 seiner Bestimmung übergeben wurde. Die Anlage entsprach schon insofern einem dringenden Bedürfnis, als das 1926 gebaute Kammhotel Ende September 1962 einem Großbrand zum Opfer gefallen war. In den verschiedenen geschmackvoll eingerichteten Räumlichkeiten des Restaurants finden 200 Gäste Platz. Von den weiten Fensterfronten gleitet der Blick von der Wildspitze zum Piz Bernina, um nur die bekanntesten Bergriesen im gewaltigen Panorama hervorzuheben. Damit hat der einheimische Unternehmergeist der Zugspitze einen neuen „Superlativ“ hinzugefügt und Tirol um eine Touristenattraktion bereichert. Als Service für die Gäste zu beiden Seiten der Staatsgrenze auf der Zugspitze war der erleichterte Grenzübertritt anzusehen, der durch ein „Gipfeltreffen“ des Jahres 1966 auf diesem markanten Berg zu Stande kam. Das Verhandlungsergebnis zwischen den Delegationen Tirols und Bayerns mit Landeshauptmann Eduard Wallnöfer und Ministerpräsident Dr. Goppel an der Spitze legte Zeugnis für das heute gut nachbarliche Verhältnis zwischen den beiden Ländern ab. Nach dem Beitritt Österreichs zur Europäischen Union (EU) ist die Staatsgrenze auf der Zugspitze kaum mehr spürbar.

Ein weiteres Mal gestalteten sich die Bauarbeiten äußerst schwierig, doch am 15. Mai 1964 konnte die Tiroler Zugspitzgipfelbahn eröffnet werden.
Blick von der Kammstation zum Gipfel mit bayerischer Gipfelseilbahn.
Bau der Bergstation am Westgipfel.

Betonarbeiten für die Errichtung der Stützenfundamente im Jahr 1961.


1964 wurde mit dem Bau der oberen Sektion der Gipfel erreicht.
Das Hotel wird im September 1965 seiner Bestimmung übergeben.

Bild li.: Von den weiten Fensterfronten gleitet der Blick von der Wildspitze zum Piz Bernina.
Bild re.: In den Räumlichkeiten des Restaurants finden 200 Gäste Platz.


Ein „Gipfeltreffen“ 1966 erleichterte den Grenzübertritt für die Gäste.


60 JAHRE DIMENSION
PLANUNG & BAU SCHWARZER TAG HIMMELSSTÜRMERIN
Das 60-Jahr-Jubiläum wird zur Initialzündung für eine neue Ära. 1988 übernimmt die Zillertaler Gletscherbahn unter der Führung von Kommerzialrat Franz Dengg und seinem Sohn Horst die Anteile des Landes Tirol. Mit großem Elan entsteht eine neue Bahn – ein wahres Wunderwerk der Technik. Als kühne „Himmelsstürmerin“ und spektakuläre Sehenswürdigkeit zieht sie alle Blicke auf sich.
Kapitalkraft, bewährtes Know-how und Engagement bringen den Aufschwung.


Durch den Kauf der Tiroler Zugspitzbahn AG durch die Zillertaler Gletscherbahnen wurden bahnbrechende Wege eingeschlagen.
Im Jahr 1986 konnte das 60-jährige Bestehen der Tiroler Zugspitzbahn feierlich begangen werden. Dabei schmiedete man auch Pläne für die Zukunft. Das Jubiläum war gleichsam Initialzündung für eine neue, richtungsweisende Entwicklung des für das Außerfern, aber überhaupt für die Tiroler Wirtschaft bedeutsamen Unternehmens. Im Zuge der allgemeinen Reprivatisierungswelle war das Land Tirol gewillt, seine Geschäftsanteile an der Zugspitzbahn an Private zu veräußern. Seine Aktien an der Tiroler Zugspitzbahn AG sollten in private Hände übergehen. Das Land forderte aber den Neubau der Bahn. Unter den verschiedenen Angeboten wurde der Kauf mit der Zillertaler Gletscherbahn Ges.m.b.H. & Co. KG unter der Führung von Komm.-Rat Franz Dengg und seinem Sohn Horst 1988 abgeschlossen. Dieses Unternehmen bot die höchste Gewähr für einen Neubau der Zugspitzbahn. In einer idealen Konstellation vereinigten sich Kapitalkraft, ein bewährtes Know-how und ein seltenes Engagement.
Mit großem Elan gingen die neuen Inhaber der Tiroler Zugspitzbahn ans Werk.
Kontakte mit den entsprechenden Firmen waren noch im Herbst 1988 hergestellt. Als Seilbahnplaner fungierte Dipl.-Ing. Wilhelm Kaul (Wolfurt/Vbg.) und als Architekt Dipl.-Ing. Martin Pesendorfer (Ehrwald).

Geschäftsführer Komm.-Rat Franz Dengg, der das Aktienpaket der Tiroler Zugspitzbahn im Jahr 1988 erworben hat, mit seiner Frau Luise und Sohn Franz sowie Mitgesellschafterin Wilhelmine Egger

Feierstimmung in Ehrwald anlässlich 60 Jahre Tiroler Zugspitzbahn.
Großprojekt Neubau: Auch die alte Talstation sollte bald der Vergangenheit angehören.

1991 war es so weit: Nach 25-monatiger Bauzeit eröffnete die Tiroler Zugspitzbahn neue Dimensionen im Seilbahnbau.

Ehemaliger Vorstand Dipl.-Ing. Heinrich Kluibenschedl bei der Eröffnung.
Bild li.: Einhängen der Kabinen. Bild re.: Ein Turmdrehkran entlädt die anliefernde Materialseilbahn.
Das Bundesministerium für Verkehr erteilte am 27. April 1989 die Baubewilligung und wenige Monate später, im Juni, setzten die Arbeiten ein. Als Bauzeit war ein Jahr veranschlagt. Da die geologischen Bodenverhältnisse sich auf die Stützenfundamentierung negativ auswirkten und auch Mängel bei den Seilzuggeräten auftraten, verzögerte sich die Fertigstellung um 13 Monate. Zu Beginn der Bauarbeiten mussten eine Materialseilbahn mit 5 Tonnen Tragkraft und ein Turmdrehkran in der Bergstation errichtet werden. Damit erst konnte die anliefernde Materialseilbahn entladen werden. Manche Transporte waren nur mit Helikopter möglich. Ein bezeichnendes Beispiel für die Schwierigkeit bei der Ausführung der Arbeiten im felsigen und schroffen Gelände: Allein das Fundament von Stütze 1 im zerklüfteten Wettersteinkalk verschlang 2.000 Tonnen Zement.
DAS 160-MILLIONEN-SCHILLING-PROJEKT DER NEUEN ZUGSPITZBAHN ALS PENDELBAHN WURDE REVOLUTIONÄR KONZIPIERT.
Man gab selbst die alte Trasse auf. Die Gesamtstrecke zwischen Talstation (1.225 m) und Gipfelhaus (2.950 m) beträgt nun 3,6 km. Dabei wird ein Höhenunterschied von 1.725 m überwunden. Das Tragseil spannt sich über lediglich drei Stützen. Die beiden Großraumkabinen mit einer Standfläche von 6,9 x 3,3 m bieten bequem 100 Personen Platz. Sensationell ist die Fahrgeschwindigkeit: Die schnellste Fahrzeit von 7,2 Minuten macht ungefähr ein Drittel der Fahrzeit der alten Zugspitzbahn aus. Bei der Antriebsleistung von 2 x 500 kW wird eine Höchstgeschwindigkeit von 10 m pro Sekunde (= 35 km/h) erreicht.
Durch die staunenswerte Kapazität der Kabinenbahn können pro Stunde bis zu 730 Gäste befördert werden, was die Wartezeiten in wohltuender Weise enorm verringert. Der Sicherheit dient das Doppeltragseilsystem, das zugleich beim Fahren einen hohen Grad an Stabilität garantiert. Die Seile besitzen einen Durchmesser von 62 mm. Die Gondeln schweben geradezu bergwärts, wobei das faszinierende Fahrerlebnis durch den zunehmend grandiosen Panoramablick vertieft wird.
AUF DIE OFFIZIELLE BETRIEBSBEWILLIGUNG
HIN WURDE DIE „NEUE“ ZUGSPITZBAHN AM 10. JULI 1991 ERÖFFNET.
Fachleute waren der Ansicht, dass dieses Jahrhundert-Werk neue Dimensionen im Seilbahnbau zu eröffnen vermag. Die „neue“ Tiroler Zugspitzbahn ist über ihre Funktion als Beförderungsmittel hinaus auch eine Sehenswürdigkeit! Nach der Sommersaison 1991 begann man mit dem großzügigen Umbau der Gipfelstation. Wie bereits bei der Errichtung der Talstation war man auch hier darauf bedacht, barrierefrei zu bauen und somit jedermann den Gipfelgenuss zu ermöglichen.
Bild li.: Besucher:innen auf der Gipfelterrasse während der Bauzeit.
Bild re.: Umbau der Gipfelstation in beeindruckendem Ausmaß.






Nach einem Brand im Februar 2003 wurde die Tiroler Zugspitzbahn ein weiteres Mal modernisiert.

Beim Großbrand in der Talstation wurden das Gebäude und auch die Seilbahnanlage selbst zerstört.
Nahezu lautlos und mit der beachtlichen Geschwindigkeit von 35 km / h gleitet sie auf einen der schönsten Aussichtsberge der Alpen und auf den höchsten Punkt Deutschlands.

Die neu gestaltete Talstaion beeindruckt durch ihre schwungvolle in Blau und Grau gehaltene Architektur.
Am 6. Februar 2003 wurde gegen 7.00 Uhr morgens, während der Schneeräumungsarbeiten, von Mitarbeitern eine Rauchentwicklung in den Büro- und Kassaräumen der Talstation beobachtet. Beim Öffnen der Tür entfachte sich das Feuer explosionsartig. Trotz rascher Löschungsarbeiten wurden die Talstation und das Trag- und Zugseil zerstört. Unmittelbar nach den Aufräumungsarbeiten begann der Wiederaufbau.
NACH NUR 6-MONATIGER BAUZEIT KONNTE DIE
ZUGSPITZBAHN WIEDER ERÖFFNET WERDEN.
Durch die Schönheit der wunderbar transparenten Panoramakabinen und der schwungvoll von Architekt Armin Walch gestalteten Talstation angeregt, erhielt sie schon bald von der Bevölkerung den liebevollen Beinamen: „Himmelsstürmerin“. Dazu trägt sicherlich auch bei, dass der Name Himmelsstürmerin durchaus zutreffend ist.

80 Personen
19 Personen
100 Personen
FÖRDERLEISTUNG 1926 BIS 1953
1941
Gewicht: 35.000 kg
Länge: 3.500 m
Durchmesser: 39,5 mm
1991
Gewicht: 87.000 kg
Länge: 3.600 m
Durchmesser: 62 mm
Massstab 1:1

LAGEPLAN ERLEBNISMUSEUM AUSSTELLUNG/KAPELLE PANORAMARESTAURANT BAHNORAMA SPORT
Auszeit über den Wolken: Die Zugspitze bewegt, berührt und begeistert. Schon das Emporschweben ist ein Erlebnis für sich – und Auftakt zu besonderen Momenten. Vom kulinarischen Genuss mit Traumpanorama bis hin zum Eintauchen in die neue Erlebniswelt: Hier trifft Staunen auf Entspannung, Abenteuer auf Aussicht. Auch sportlich Aktive zieht es auf die Zugspitze – mit Skiern, Bergschuhen, Kletterseil und Bahnticket für einen unvergesslichen Tag am Berg.


BERGSTATION TIROLER ZUGSPITZBAHN
EHRWALD MUSEUM „BAHNORAMA ANNO 1926” TECHNIKSCHAURAUM
DER
SCHNEEKRISTALL
TIROLER GIPFELKREUZ
AUSTRO CONTROL FLUGÜBERWACHUNG
SENDEMAST ORF
PANORAMAGIPFELRESTAURANT
MUSEUM „FASZINATION ZUGSPITZE“
TIROLER ZUGSPITZBAHN BIS 1991
BERGSTATION BAYERISCHE ZUGSPITZBAHN
MÜNCHNER HAUS
METEOROLOGISCHER TURM
ZUGSPITZE 2.962 M
TELEKOM AUSTRIA & KATASTROPHENFUNK
ZOLLHÜTTE
MAX-PLANCKINSTITUT
GLETSCHERBAHN
SCHNEEFERNERHAUS & ZUGSPITZPLATT STAATSGRENZE
Die Ausstellung bietet spannende Einblicke in die Geschichte rund um die Zugspitze, den Bau der ersten Seilbahn Tirols und gegenwärtige Impressionen.

Historische Aufnahmen, Originalobjekte und eindrucksvolle Filmsequenzen lassen die Geschichte des höchsten Berges Deutschlands lebendig werden. In der alten Einfahrtshalle eröffnet die raumhohe Glasfront einen eindrucksvollen Panoramablick. Die Galerie mit der Gondel aus den 1960er-Jahren dient hier in erster Linie als Aussichtsplattform für die umgebende Bergwelt und das Höhenmodell des Zugspitzmassivs, das ein Geschoss tiefer liegt. Für Adrenalinkicks sorgen in den Boden eingelassene Sicherheitsglasplatten. Über zwei Ebenen zieht sich im Bereich des Stiegenabgangs ein imposantes Mosaikbild der Zugspitzbahn, zusammengesetzt aus hunderten Einzelfotos.
Im Zuge der Neugestaltung 2026 entstand ein Raum zum Thema Wetter auf der Zugspitze – ein begehbares Observatorium mit Wetterdaten seit 1900 sowie einer Live-Station zum aktuellen Wetter. Ebenfalls neu ist eine interaktive Wand mit Modellen aller je verwendeten Kabinentypen, die den Trassenverlauf und die „Eroberung“ der Zugspitze anschaulich macht. Ergänzt wird das Erlebnis durch ein Quiz, eine Hörstation, ein Memory und ein Kaleidoskop – als emotionale Reise rund um die Zugspitze.
Die Neugestaltung des Museums wurde dankenswerterweise vom Tourismusverband Tiroler Zugspitz Arena sowie vom Land Tirol unterstützt.
Zum 100-jährigen Jubiläum wurde die Ausstellung mit interaktiven Stationen zum Thema Wetter neu gestaltet.

Sowohl 2005 als auch 2026 setzte man auf die kreative Konzeption von Museumsplaner Dr. Norbert Span.
Ein Teil des Museums widmet sich der Erstbesteigung der Zugspitze durch Leutnant Josef Naus am 27. August 1820 und weiteren historischen Dokumenten.

In der alten Einfahrtshalle wird die Faszination der Gipfelwelt greifbar.
3D Module sowie 3D HologrammSchirme mit Stereobildern vervollständigen das 360-Grad Zugspitz-Erlebnis.

Europas erste kleine Schneekristall-Welt macht den faszinierenden Kosmos der Schneeflocken erlebbar.
Die Schneekristalle selbst werden als vergrößerte Modelle im Ausstellungsraum verteilt und eröffnen dem Besucher die unsichtbaren Welten eines Kristalls.
WOHER KOMMT EIGENTLICH
DER SCHNEE?
Und wie erhält jede Schneeflocke ihre einzigartige Form? Mit solchen Fragen beschäftigen sich Forscher seit Jahrhunderten – und in der 2016 eröffneten Ausstellung werden sie für Gäste anschaulich beantwortet. Das sechseckige, kristalline Gebäude an der Bergstation der Tiroler Zugspitzbahn erinnert selbst an einen großen Schneekristall. Verschiedene Medien und Elemente laden zum Entdecken und Staunen ein. In einer auf den Kopf gestellten Glaspyramide etwa schweben
virtuelle Kristalle, die unterschiedliche Schneeflockenformen je nach Temperatur zeigen. Ein Kaleidoskop präsentiert Raureif, Becherkristalle und Kammeis auf einer beeindruckenden 3D-Kugel. Aus Acryl gefertigte Modelle veranschaulichen die Struktur der Kristalle und das zentrale Schneekristallthermometer zeigt die Formenvielfalt in einem runden Vorhang, während kleine Eisschollen Fakten über die Geschichte der Erforschung vermitteln. Überraschende Grafiken veranschaulichen die unendliche Vielfalt von Eis und Schnee in drei Dimensionen.

Genuss auf fast 3.000 Metern –im Panorama-Gipfelrestaurant isst das Auge mit, denn die atemberaubende Aussicht auf die Bergwelt gibt’s zu jeder Bestellung dazu.

Für das leibliche Wohl sorgt das gemütliche Selbstbedienungsrestaurant mit Spezialitäten aus Tirol und aller Welt, dazu Kaffee und hausgemachten Kuchen. Der erhöhte Mittelbereich eröffnet dabei ein grandioses Panorama von den Tiroler Alpen über das bayerische Land bis nach Italien und in die Schweiz. Im rustikalmodernen Ambiente fühlen sich nicht nur Ausflugsgäste wohl. Auch Hochzeiten, Geburtstage, Betriebsfeste oder Empfänge finden hier einen besonderen Rahmen. Unter dem Motto
„Gipfel der Genüsse“ laden Fondue-Abende im Panorama-Gipfelrestaurant zu einem sinnlichen Erlebnis ein. Beliebt ist auch das Angebot „Sonnenaufgang“, bei dem Frühaufsteher schon vor Tagesanbruch auf den Gipfel fahren und beim Frühstück dem Erwachen der Bergwelt zusehen.
Das Panoramarestaurant bietet rund 200 Sitzplätze und wird vom Zugspitz Resort an der Talstation der Tiroler Zugspitzbahn aus betrieben.
Nahezu rundum verglast, bietet das Gipfelrestaurant beeindruckende Panoramablicke.
Im Seilbahnmuseum „BAHNORAMA ANNO 1926“ an der Talstation trifft Technik aus den Anfangstagen auf moderne Dimensionen.
Interessante Einblicke: So funktionierte die Bahn vor 100 Jahren.

Das 2018 eröffnete Museum gilt als Highlight für Seilbahn- und Technikfans. Zu sehen ist der originale Seilbahnbetrieb von Tirols erster Bergbahn aus dem Jahr 1926 – inklusive Führerstand mit historischen Bedienelementen. Besucher erleben dies hautnah an der Talstation der Tiroler Zugspitzbahn, fast so, als würde die Bahn noch heute in luftige Höhen abheben. Da sich der Seilbahnantrieb bewegt, lässt sich der Mechanismus „live in Action“ beobachten. Im Anschluss lädt der Technikschauraum dazu ein, die Dimensionen der aktuellen Bahn zu entdecken. Hier blickt man durch ein Fenster direkt in den Antriebsraum und kann anhand von Schautafeln nachvollziehen, was beim Betrieb der Bahn „passiert“. Ein Besuch im „Bahnorama“ empfiehlt sich nicht nur bei Schlechtwetter, sondern auch als spannende Verschnaufpause während eines Ski- oder Wandertages.
Ein Zwischenstopp im Seilbahnmuseum verdeutlicht die Dimensionen des Bahnprojekts.

An der Talstation der Tiroler Zugspitzbahn lädt eine kleine Kapelle Berg- und Talfahrende zu Momenten des Innehaltens ein.
Die Kapelle ist der Heiligen Barbara von Nikomedien, der Schutzpatronin der Bergleute, geweiht. Das Gebäude besteht seit 1926, ursprünglich errichtet als Trafostation für die Tiroler Zugspitzbahn und das dazugehörige Hotel. Als die neue Tiroler Zugspitzbahn 1991 in Betrieb ging, blieb die Trafostation als Lager erhalten – mit dem Hintergedanken, das Gebäude irgendwann zur Kapelle umzubauen. Als Zeichen der Dankbarkeit realisierte Franz Dengg im Jahr 2021 gemeinsam mit den Architekten Arno Steinbacher und Peter Schuh das Vorhaben.
Nach dem behutsamen Umbau wurde die Kapelle 2024 von Bischof Hermann Glettler feierlich eingeweiht und ist seither ein Ort der Stille und Andacht. Im Inneren befindet sich ein Altar vom Kramsacher Steinmetz Hans Guggenberger. Das Kreuz stammt aus der berühmten Krippenkunst-Familie Giner aus Thaur.
Bischof Hermann Glettler weihte die Kapelle am Fuße der Zugspitze ein.

Einladender Kraftort bei der Talstation der Tiroler Zugspitzbahn.

In Kombination mit der Tiroler Zugspitzbahn lässt sich die Gipfelwelt sportlich-genussvoll erleben – etwa beim Wandern und Klettern im Sommer und beim Skifahren am Zugspitzplatt im Winter.
Mit Seilbahnunterstützung und zu Fuß geht’s auf den Zugspitzgipfel.

WINTERSPORT
AM ZUGSPITZPLATT
Die Tiroler Zugspitzbahn dient als komfortabler Zubringer für Wintersportler:innen, die das Skigebiet am sogenannten Zugspitzplatt auf 2.600 Metern erleben möchten. Von Ende November bis Mitte April bieten die Naturschneepisten auf der Zugspitze optimale Bedingungen. Auf 17 Pistenkilometern kommen Skifahrer und Snowboarder aller Könnerstufen auf ihre Kosten. Aufgrund der Höhenlage zeichnet sich das Skigebiet oft durch sonnige Verhältnisse aus, auch wenn es im Tal neblig oder bedeckt ist.
KLETTERN UND WANDERN IM SOMMER
Zu den beliebtesten Unternehmungen zählt die anspruchsvolle Gatterl-Tour, eine hochalpine Bergwanderung von der Ehrwalder Alm über das Gatterl auf den Gipfel. Nur für konditionsstarke und trittsichere Bergsteiger. Ein spezielles Wanderticket umfasst alle Bahnfahrten sowie den Eintritt in die Erlebniswelt am Gipfel. Ein weiteres Highlight ist der Klettersteig „Stopselzieher“, der von der Talstation der Tiroler Zugspitzbahn über das Gamskar und die Wiener Neustädter Hütte bis auf die Zugspitze führt – eine Route für geübte Bergsteiger mit entsprechender Kondition und Ausrüstung. Nach einer wohlverdienten Stärkung am Gipfel empfiehlt sich die Talfahrt mit der Tiroler Zugspitzbahn.

ZUGSPITZ RESORT EHRWALDER ALMBAHN TIROLERHAUS SEILBAHNFAMILIE
Ein gemeinsames Dach – viele starke Säulen. Unter dem Banner der Zugspitz-Familie entfalten sich Urlaubs-, Ausflugs- und Erlebniswelten in Berg und Tal –für Einheimische und Gäste aus nah und fern. Was die Unternehmensfamilie eint, sind die Leidenschaft für Seilbahnen, echte Gastfreundschaft und ein ausgeprägter Sinn für Qualität. In Ehrwald, auf der Zugspitze und im Zillertal spürt man diese Ansprüche in jedem Detail.


Das Zugspitz Resort verbindet gehobene Urlaubswelten mit dem eindrücklichen Naturerlebnis in der Region Ehrwald.
Das Familien- & Erlebnisresort mit angegliedertem Deluxe-Camping steht für Komfort, Erlebnis und Genuss am Fuße der Zugspitze.
SPITZENKÜCHE MIT REGIONALEM FOKUS
Kulinarisch steht das gemeinsame Urlaubserlebnis im Vordergrund – ob mit Verwöhn-Halbpension oder à la carte. Den Gästen stehen gemütliche Restaurants mit Tiroler Zirbenstube, Sonnenterrasse, Lounge-Bereichen und Hotelbar sowie das Panorama-Gipfelrestaurant (Selbstbedienung) auf der Zugspitze zur Verfügung. Für Campinggäste gibt es zudem eine praktische Take-away-Option.

In der À-la-carte-Stube wird traditionelle Tiroler Küche aus regionalen Zutaten serviert.
Die modernen, gemütlichen Zimmer und Suiten bieten viel Raum zum Entspannen. Naturbelassenes Holz sorgt für Wohlfühlatmosphäre und Nähe zur Natur. Edle Stoffe und geschmackvolle Details runden das alpine Wohngefühl ab. Die Unterkünfte im „Haus Tradition“ verbinden alpin-modernen Landhausstil mit Komfort für erholsame Urlaubstage. Die zwei Gebäude sind durch einen Gang miteinander verbunden.

Elegante Rückzugsorte wie die Zigarrenlounge prägen das Ambiente.
Die Bar & Lounge bildet einen gemütlichen Treffpunkt im Resort.

Bild li.: Großzügige Wohnwelten mit alpinen Akzenten.
Bild re.: Ein Highlight im Sommer ist der 2023 neu gestaltete Schwimmteich mit Zugspitz-Blick.


AKTIV- UND VITALWELT
VON WELLNESS BIS YOGA
Nach einem aktiven Urlaubstag bietet die Saunalandschaft des Zugspitz Resorts den idealen Ort zur Regeneration. Familien finden hier einen eigenen Bereich mit Familiensauna, Familiendampfbad und Ruhezone, während Erwachsene im kleinen, feinen Adults-only-Spa entspannen können. Ergänzt wird das Angebot durch eine Vielzahl an Massage- und Beautyanwendungen. Für gesunde Bewegung stehen das 100 m² große Fitnessstudio und ein Funktions- und Kursraum mit YOGA Terrasse für individuelle Einheiten und Gruppenkurse im Zuge des inkludierten Aktiv-Programms bereit.
FREIZEITANGEBOT & BETREUUNG INKLUSIVE
DIDIs Kinderclub betreut Kinder ab 3 Jahren täglich mit Spielehaus, Mini-Kicker, Tischtennis, Krabbelbereich und Spielecke. In DIDIs Erlebniswelt können Kids auf zwei Etagen Softplay, Kart-Bahn, Boulderwand, Kickertisch, Airhockey, Billard, Kino und Theater entdecken. Abwechslungsreiche In- und Outdoor-Programme sowie Abenteuerspielplatz, Trampolin und Tret-Gokart-Bahn vervollständigen das Angebot.

Die Kinder-Wasserwelt bietet maximalen Badespaß für Kleinkinder bis Teenies.
Dank der aktiven Kinderbetreuung und des Wochenprogramms können auch Eltern ganz entspannt die Zeit genießen.
Die gesamte Anlage ist naturnah auf die Bedürfnisse von Familien ausgerichtet.


So schön kann Camping sein – mit höchstem Komfort in einzigartiger Lage.
GLAMPING
Der Campingplatz gilt als Vorreiter in der 5-Sterne-Kategorie und verwöhnt seine
Gäste mit Luxus pur.

WASSERWELTEN
Alpine Badefreuden erwarten die Gäste im Panorama-Erlebnis-Hallenbad und im ganzjährig beheizten Freibecken mit atemberaubendem Bergblick. Für kleine Wasserratten wird es besonders actionreich in DIDIs 700 m² großer Wasser-Erlebniswelt: Rutschen, Abenteuerbecken und Themenpools sorgen für grenzenlosen Badespaß. Highlights sind die fünf Rutschen, darunter eine 120 Meter lange Wettkampfrutsche, ein Kleinkinder-Pool mit Piratenschiff und Actionplattform sowie ein Babybecken mit der „Speedo“-Elefantenrutsche. Ergänzt wird das Angebot durch einen Naturbadeteich, der auch im Winter für Eisbaden genutzt werden kann.
Der zum Zugspitz Resort gehörende, ganzjährig geöffnete 5 Sterne Campingplatz umfasst 140 Stellplätze. Ein Großteil dieser ist mit einem Wasser- und Abwasseranschluss sowie Anschluss an die TV-Anlage ausgestattet. Modernste Sanitäranlagen, darunter 35 hochwertige Badezimmer, Küche mit Geschirrspüler, Waschmaschinen und Wäschetrockner garantieren höchsten Komfort. Campinggäste nutzen alle Annehmlichkeiten des Resorts – unter anderem die Spiele-und Wasserwelten, SPABereich, Kinderclub und Aktivprogramm. Im Zugspitz Shop finden Gäste frisches Gebäck, Produkte des täglichen Bedarfs, Campingzubehör, Dekoartikel und eine große Auswahl an Spielwaren.
Die 8er-Kabinenbahn „Ehrwalder Almbahn“ bewältigt 400 Höhenmeter zwischen Tal- und Bergstation.
1988 erwarb die Muttergesellschaft der Zillertaler Gletscherbahnen auch die in unmittelbarer Nachbarschaft zur Tiroler Zugspitzbahn gelegene Ehrwalder Almbahn und modernisierte sie umfassend.

Das Ausflugsparadies Ehrwalder Alm liegt inmitten der naturbelassenen Berglandschaft zwischen Wettersteingebirge und Mieminger Kette. Die Ehrwalder Almbahn bringt Gäste von Ehrwald bequem auf 1.500 Meter Seehöhe. Dort bildet die Bergstation den idealen Ausgangspunkt für Wander-, Berg- und Mountainbiketouren in allen Schwierigkeitsgraden –zu urigen Hütten, idyllischen Bergseen wie dem Seebensee und aussichtsreichen Gipfeln. Ambitionierte Wanderer brechen etwa zur hochalpinen Gatterl-Tour auf die Zugspitze auf. Wer es gemütlicher mag, spaziert auf „DIDIs Almseerunde“ von der Bergstation über Wiesenwe-
ge und Bachläufe zum Ehrwalder Almsee und wieder zurück – eine familienfreundliche Tour mit Highlights für Groß und Klein. Der Speichersee mit 70.000 m³ Fassungsvermögen ist auch ein beliebtes Ziel für Ruhesuchende und Naturfreunde.
In den geräumigen 8-Personen-Kabinen finden auch Bikes problemlos Platz, sodass die ersten 400 Höhenmeter mühelos überwunden werden. E-Bike-Ladestationen am Tirolerhaus sorgen zusätzlich für den Energie-Nachschub. Auf Kinder warten zahlreiche Spielmöglichkeiten, etwa DIDIs Wasserschloss, während das Kinderspielfest das Sommerprogramm abrundet.

Bei der Bergstation starten vielfältige Wanderungen zu Bergseen und Gipfel.
Der 2008 zur Beschneiung im Skigebiet gebaute Speicherteich dient im Sommer als Erholungs- und Kraftort.

Das familienfreundliche Skigebiet Ehrwalder Almbahnen garantiert unvergessliche Tage im Schnee bis 1.900 Metern.
Optimale Bedingungen für einen Skitag bzw. Skiurlaub mit dem Nachwuchs.

Bestens präparierte Pisten für alle Könnerstufen und moderne Liftanlagen wie die 8er-Kabinenbahn und die 6er-Sesselbahn „Ganghofer Blitz“ sorgen für Skivergnügen ab dem frühen Morgen. Besonders die Panoramaabfahrt bietet einen schönen Überblick über das Skigebiet und den Talkessel von Ehrwald, Lermoos und Biberwier. Auf Familien wartet eine Funslope mit Wellen, Tunnel und Schneeschnecke, während der Familypark Ehrwalder Alm Einsteigern kleine Sprünge und leichte Rails bietet. Freestyler und Snow-
boarder testen ihr Können im Snowpark Ehrwalder Alm. Kinder können sich auf DIDIs Schnee-Spielplatz an der Bergstation austoben, wo Rutschen, Krabbelröhren und eine Schneeballwand warten, während die Eltern das Panorama auf der Sonnenterrasse des Tirolerhauses genießen.
Besonders beliebt sind Rodelabende auf der beleuchteten, fast vier Kilometer langen Talabfahrt. Gastronomiebetriebe wie das Tirolerhaus sorgen mit herzhaften Köstlichkeiten für das leibliche Wohl.

Die Funslope bietet spielerische Abwechslung zur Piste.

ANZAH LIFTANLAGEN
GESAMTLÄNGE
FÖRDERLEISTUNG
7 27,5 Pistenkilometer 14.020 Pers./h
SEEHÖHE
1.100 - 1.900 Meter
Direkt an der Bergstation der Ehrwalder Almbahn ist das Tirolerhaus ein beliebtes Ausflugsziel für Jung und Alt – zentral im Ski-, Wander- und Mountainbikegebiet der Ehrwalder Alm.
Im Winter kann man hier bequem eine Pistenpause einlegen, im Sommer beginnen zahlreiche Wander- und Bikerouten vor der Tür. Das Tirolerhaus verbindet moderne Architektur mit gemütlichem Tiroler Ambiente und serviert regionale Schmankerln aus der Tiroler und österreichischen Küche. Neben einem stilvollen Bedienungsrestaurant steht auch ein Selbstbedienungsbereich zur Verfügung. Während die Eltern die Aussicht und ein Getränk in der Sonne genießen, kommen Kinder auf dem Spielplatz direkt neben der Terrasse auf ihre Kosten. Im Winter wissen Familien den fantasievoll gestalteten Kinderspielraum mit pädagogischer Betreuung zu schätzen. Eine großzügige Sonnenterrasse mit Liegen und Café-Lounge lädt Winter wie Sommer zum Entspannen ein.



Mit einem eigenen Busunternehmen stärkt die Tiroler Zugspitzbahn seit vielen Jahren die Mobilität in Ehrwald und der Region.
Da die Talstationen der Tiroler Zugspitzbahn und Ehrwalder Almbahn etwas abseits von Ort und Bahnhof liegen, entschied man sich früh, den Transport der Gäste selbst zu organisieren. Von Anfang an sorgt die eigene Busflotte für eine verlässliche Verbindung zwischen der Seilbahn und den wichtigsten Verkehrspunkten. Seit 1995 übernehmen die Busse zudem den Linienverkehr im Auftrag des Verkehrsverbunds Tirol (VVT) – ein wichtiger Beitrag zur regionalen Infrastruktur und zum umweltfreundlichen Reisen.
Bild mi.: Gästebeförderung im Wandel der Zeit: Die Zugspitzbahn investierte stets in zeitgemäßen Komfort.
Bild un.: Mit flottem Spruch auf Achse: Die Skibusse des Unternehmens dienten früher auch als Werbefläche.
Anfangs gelangten die Gäste in Kleinbussen vom Ort direkt zur Talstation.





Sie waren Visionäre mit Mut, Weitblick und dem Traum, aus dem Hintertuxer Gletscher eine Top-Destination des Wintersports zu machen. Nach Jahren harter Arbeit und unbeirrbarer Beharrlichkeit wurde dieser Traum Wirklichkeit –und ist heute lebendiger denn je.






Blick auf den beschaulichen Ort Hintertux samt Gletscher in den 1930 Jahren. Noch deutet nichts auf die sagenhafte Entwicklung hin, welche die Gemeinde und ihren Gletscher erwartet – hin zu einer der TopDestinationen des Wintersports.
Die Pionierleistungen der Gründer werden von der nächsten Generation der Familie Dengg und engagierten Gesellschaftern fortgeführt.
Horst
Dengg
1938 † 1997

Franz Dengg

Wilhelmina
Egger

Walter Klausner



Eine starke Allianz führt das Unternehmen in moderne Zeiten – geprägt von Innovationskraft, Weitblick und dem Bewusstsein für ihre Wurzeln.
1958

Josef
Egger
Franz Dengg
Markus Dengg
Klaus Dengg Hermann Egger
1968


1963

Martin Klausner

* 1964 * 1967
Norbert Pichlsberger
Stefan Mader
1967 * 1968

1960


Voller Tatendrang übernimmt die junge Generation Verantwortung in leitenden Funktionen und gestaltet mit frischen Ideen und Leidenschaft die Zukunft.
Matthias
Dengg
Franz Dengg Andreas Dengg
* 1982 * 1989 * 1990



Die Familien Klaus und Franz Dengg wurden 2020 vom Land Tirol als Tourismuspioniere ausgezeichnet.
Eine Anerkennung, die ohne das Engagement der Mitarbeiterinnen und Mitarbeiter nicht möglich gewesen wäre.
Verleihung an Familie Franz Dengg (li.) und Klaus Dengg (re.) durch Landeshauptmann Günther Platter (Mitte).

Der Hintertuxer Gletscher bietet an 365 Tagen im Jahr das Erlebnis Schnee und aufgrund seiner Höhenlage die längste Skisaison Österreichs.
Besonders im Herbst und Frühjahr ist das weltweit ausgezeichnete Gletscherskigebiet DER „place to be“ für Wintersportenthusiasten und Trainingsgruppen aus aller Welt. Von Dezember bis April gehört der Hintertuxer Gletscher Teil der Ski- & Gletscherwelt Zillertal 3000. Im Sommer zieht der Gletscher Wanderer, Familien, Ausflugsgäste und sogar Skifahrer an. Die Möglichkeit, zwischen 1.500 und 3.250 Metern zwei Jahreszeiten an einem Tag zu erleben und Schnee mitten im Sommer zu spüren, macht den Hintertuxer Gletscher zu einem einzigartigen Erlebnis für Gäste jeden Alters.

Hintertux 794 6293 Tux, Österreich
+43 (0) 5287 8510 info@hintertuxergletscher.at www.hintertuxergletscher.at
ANZAH LIFTANLAGEN
GESAMTLÄNGE PISTEN
21 64 Pistenkilometer
FÖRDERLEISTUNG
SEEHÖHE
41.250 Pers./h 1.500 - 3.250 Meter
Im Skigebiet Eggalm warten traumhafte Abfahrten und ein herrlicher Rundblick auf die Zillertaler und Tuxer Alpen.
Seit Frühjahr 2015 gehören die Eggalm Bahnen zur Seilbahnfamilie und bieten einen optimalen Zugang zur Ski- & Gletscherwelt Zillertal 3000. Auf 22 Kilometern abwechslungsreicher Pisten und Talabfahrten bis ins Zentrum von Lanersbach und Vorderlanersbach erwartet Wintersportler ein perfektes Ski-Erlebnis bis vor die Haustür. Für Anfänger stehen der Übungslift Hinteranger im Dorf Lanersbach sowie der Kinderpark an der Bergstation der Eggalmbahn mit Karussell und Zauberteppich bereit.

Lanersbach 395 6293 Tux, Österreich
+43 (0) 5287 87246 info@eggalm.com www.hintertuxergletscher.at
ANZAH LIFTANLAGEN
6
GESAMTLÄNGE PISTEN
22 Pistenkilometer
FÖRDERLEISTUNG
8.400 Pers./h
SEEHÖHE
1.300 - 2.200 Meter
Das Sonnenplateau „Lämmerbichl“ am Fuß des Rastkogels bietet einen perfekten Einstieg in die Ski- & Gletscherwelt Zillertal 3000.
Mit seinen leichten, breiten Hängen ist es ideal für Ski- und Snowboardanfänger und zugleich ein Paradies für Sonnenanbeter. Zahlreiche blaue und rote Pisten sowie die Kidsslope Rastkogel machen das Gebiet besonders für Familien attraktiv. Aber auch pistenhungrige Wintersportler kommen mitten in der Ski- & Gletscherwelt voll auf ihre Kosten.
Im Sommer verwandelt sich die Bergwelt um den Rastkogel (2.762 m) in ein Wanderund Bergtourenparadies in den Tuxer Alpen.

Hintertux 794
6293 Tux, Österreich
+43 (0) 5287 8510 info@hintertuxergletscher.at www.hintertuxergletscher.at
ANZAH LIFTANLAGEN
GESAMTLÄNGE PISTEN
8 28 Pistenkilometer
FÖRDERLEISTUNG
SEEHÖHE
14.300 Pers./h 1.300 - 2.500 Meter
Die Finkenberger Almbahnen führen von Finkenberg auf das Penkenjoch und mitten hinein in die Ski- und Gletscherwelt Zillertal 3000.
Am Penkenjoch treffen gemütliche Schwünge auf sportliche Abfahrten, aussichtsreiche Pausen und kulinarische Hochgenüsse. In Pepis Winter-Kinderland können Kinder und Skianfänger spielerisch ihre ersten Versuche auf Skiern wagen – das ideale Anfängergelände liegt direkt an der Bergstation. Im Sommer lockt der Penken Genießer, Ruhesuchende und Aktivurlauber zu einer Entdeckungsreise durch den Zillertaler Bergsommer. Kleine Gäste erleben mit „Penkenpepi“ spannende Abenteuer, während Bergsportenthusiasten die malerischen Wanderwege der Zillertaler Alpen erkunden.

Lanersbach 395 6293 Tux, Österreich
+43 (0) 5287 87246 info@eggalm.com www.hintertuxergletscher.at
ANZAH LIFTANLAGEN
GESAMTLÄNGE
FÖRDERLEISTUNG
7 26 Pistenkilometer 13.800 Pers./h
SEEHÖHE
875 - 2.090 Meter
Wir danken allen Mitarbeiter:innen für ihr tägliches Engagement und ihre Leidenschaft, die unser Unternehmen prägen. Ein herzliches Dankeschön gilt auch unseren Partnern, Gästen und Kunden – für ihr Vertrauen, ihre Treue und dafür, dass sie Teil unserer Geschichte sind!
Herausgeber und für den Inhalt verantwortlich:
Zillertaler Gletscherbahn GesmbH & Co. KG
Tiroler Zugspitzbahn
Obermoos 1, 6632 Ehrwald
Konzept und Gestaltung: West Werbeagentur GmbH, www.diewest.at
Text:
Unter Anwendung der Festschrift „75 Jahre Zugspitzbahn“, verfasst von Dr. Meinrad Pizzinini
Textüberarbeitung: West Werbeagentur GmbH, www.diewest.at
Fotos:
Einleitung (Inhaltsverzeichnis): Albin Niederstrasser, C. Jorda, Günter Standl, Peter Kinninger, TZB Archiv;
Kapitel 1–4: Alpine Luftbild, Dokumentationsstelle für neuere österreichische Literatur, Foto Somweber, Peter Krinninger, TZB Archiv;
Kapitel 5: Albin Niederstrasser, C. Jorda, Eva trifft, Michis Fotokiste, Norbert Span, Roman Huber, TZB Archiv;
Kapitel 6: Albin Niederstrasser, C. Jorda, Eva trifft, FroZenLight,Günter Standl, Joerg Mette, Michael Huber, Roland Mehl, Roman Huber, studio22, TZB Archiv, Tiroler Zugspitz Arena/Sam Oetiker, Archiv TVB Tux-Finkenberg, Hintertuxer Gletscher;
Druck: Alpina Druck GmbH, www.alpinadruck.com
Vielen Dank an alle Förderpartner, die zum 100-jährigen Jubiläum beigetragen haben, insbesondere an das Land Tirol und den Tourismusverband Tiroler Zugspitz Arena.