

0 2 6
![]()


0 2 6

Parámetro
Modelo
Valor
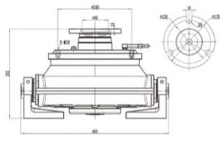
Maser290
Bloques de pulido / rectificado 6
Material del cuerpo
Aleación de aluminio fundido / hierro fundido
Diámetro máximo de rotación Ø520 mm / 490 mm / 480 mm
Velocidad mínima de rotación del cabezal 400 rpm
Velocidad máxima de rotación del cabezal 550 rpm
Altura total
Longitud del soporte de sección
286 mm
165 mm
Diámetro del eje principal Ø170 mm
Diámetro del alojamiento de montaje del eje principal Ø85 mm
Orificios de fijación del eje principal 3 x Ø18
Distancia entre centros 6-M10-Ø240
Peso neto 90 kg
Potencia recomendada 11 kW
Frecuencia de oscilación del soporte de los bloques 80 ciclos/min

Parámetro
Modelo

Maser268C
Bloques de pulido / rectificado 6
Material del cuerpo
Aleación de aluminio fundido / hierro fundido
Diámetro máximo de rotación Ø506 mm / 480 mm
Velocidad mínima de rotación del cabezal 400 rpm
Velocidad máxima de rotación del cabezal 520 rpm
Altura total 289 mm
Diámetro del eje principal Ø170 mm
Diámetro del alojamiento de montaje del eje principal Ø85 mm
Orificios de fijación del eje principal 3 x Ø18
Distancia entre centros 6-M10-Ø240
Peso neto 100 kg
Potencia recomendada 11 kW
Frecuencia de oscilación del soporte de los bloques 80 ciclos/min
Longitud del abrasivo L 140 mm
Tipo de bloque abrasivo
Lubricación
Óxido de magnesio con carburo de silicio, abrasivo TL140
Manual o automática según requerimiento del cliente; reductor Great Wall con grasa 00#

Parámetro
Modelo

Valor
Maser270
Bloques de pulido / rectificado 6
Material del cuerpo Hierro fundido
Diámetro máximo de rotación Ø520 mm / 480 mm
Velocidad mínima de rotación del cabezal
400 rpm
Velocidad máxima de rotación del cabezal 550 rpm
Altura total
292 mm
Diámetro del eje principal Ø170 mm
Diámetro del alojamiento de montaje del eje principal Ø85 mm
Orificios de fijación del eje principal 3 x Ø18
Distancia entre centros 6-M10-Ø240
Peso neto 100 kg
Potencia recomendada 11 kW
Frecuencia de oscilación del soporte de los bloques 60 ciclos/min


a) Introducir el cilindro fijo en la cavidad de la viga y utilizar el bloque de fijación para colgar el cilindro fijo en la viga.
b) Colocar una placa de hierro de 800 × 500 × 1 mm como placa base (soporte).
c) Desplazar el cabezal de pulido hasta la placa de hierro y posicionarlo debajo de la brida del husillo
d) Bajar la brida del husillo y atornillar el cabezal de pulido a los orificios de la brida utilizando los tornillos de unión.
e) Instalar el tubo de llenado de aceite.
f) Bajar el cilindro de fijación, alinear correctamente y atornillar
g) Elevar el cabezal de pulido y retirar la placa de hierro.


OJOFOTOENBAJA.NECESITO ORIGINAL