Skip to main content

2026 Contractor Handbook

Page 1


Cass County Electric is a not-for-profit, member-owned electric

cooperative, serving nearly 61,000 services across 10 counties in southeastern North Dakota since 1937. Headquartered in Fargo, and led by President/CEO Paul Matthys, Cass County Electric Cooperative is the largest distribution cooperative in the state.

LET’S WORK COOPERATIVELY

LOCATES:

North Dakota One Call 8-1-1 | ndonecall.com

OUTAGES & EMERGENCIES

Call 9-1-1 first with any emergencies Power Control Center 701-356-4499

ENERGY SERVICES:

Bob Miller, Manager of Energy Services 701-356-4522, bmiller@kwh.com

Cody Schultz, Energy Services Technician 701-356-4431, cschultz@kwh.com

Trevor Prischmann, Energy Services Technician 701-356-4515. tprischmann@kwh.com

Heidi Gackle, Energy Services Specialist 701-356-4523, hgackle@kwh.com

BUSINESS ACCOUNTS:

Todd Bollinger, Business Accounts Manager 701-356-4507, tbollinger@kwh.com

Shannon Stumpf, Business Accounts Coordinator 701-356-4544, sstumpf@kwh.com

NEW RESIDENTIAL SERVICES:

Wanda Throlson, Administrative Assistant of Engineering & Operations 701-356-4461, wthrolson@kwh.com

ENGINEERING DEPARTMENT: 701-356-4455, engineering@kwh.com

ENGINEERING:

Leon Emmil, Manager of Engineering 701-356-4543, lemmil@kwh.com

Ryan Soyring, Distribution System Engineer 701-356-4457, rsoyring@kwh.com

Fargo

Brent Hodgson, Sr. Design Project Manager 701-356-4462, bhodgson@kwh.com

Ty Wadeson, Sr. Staking Technician 701-356-4422, twadeson@kwh.com

Nick Brand, Sr. Staking Technician 701-356-4481, nbrand@kwh.com

Kindred/Lisbon

Daryl Brandt, Sr. Design Project Manager 701-356-4476, dbrandt@kwh.com

Valley City/Lisbon

Andrew Thronson, Design Project Manager 701-356-4467, athronson@kwh.com

MAINTENANCE:

CJ Erickson, Manager of System Maintenance & Fleet 701-356-4517, cjerickson@kwh.com

ELECTRIC HEATING SYSTEMS

• Electric forced air, plenum heater, boiler, heat pump, baseboard, cove heat, slab heat, and ceiling heat.

• Capable of interruption for extended time periods.

• All living spaces must have adequate and automatic non-electric backup (see backup heating systems section below).

• A single thermostat system is recommended.

• Shop/garage heat is not required to have a backup source, although we strongly recommend it.

• Non-qualifying off-peak loads include: clothes dryers, dishwashers, hot tubs, pool heaters, room air conditioners, and warm tiles.

•The cooperative provides the following equipment:

• Meter socket

• CTs

• Ripple control

BACKUP HEATING SYSTEMS

• Must maintain 65° F temperature throughout home or business.

• Must be thermostatically controlled. Nonautomated backups (wood, corn, kerosene, used oil, outdoor wood stoves, etc.) are not an adequate backup system.

• Natural gas, fuel oil, or propane forced-air or boiler systems are the most common qualifying backup heating systems.

• A single gas fireplace or electric room thermal storage heater cannot be used as the only backup.

• The off-peak meter will not be set in homes that do not have an adequate backup system.

MAIN PANEL ELECTRIC HEAT

• Main panel electric heat and off-peak electric heat cannot serve the same space*. (Possible exceptions are bathroom heater, warm tile heat, etc. In these instances, up to 2 kW of this type of electric heat may be allowed in the main panel.)

• Plug-in heaters are not allowed as a backup heating source.

UNDER FLOOR HEAT

• Must have 4”-6” of sand to qualify for off-peak rate.

• Should be sized for 16+ hours/day of load control.

• Call 701-356-4400 for sizing questions.

• Use floor-sensing thermostats vs. air thermostats for hydronic and cable heat.

AIR CONDITIONING

• Cycled air conditioning on an off-peak meter is $0.069 per kWh + Purchased Power Adjustment (June-Sept.).

• Controlled 25 minutes off/25 minutes on during peak conditions in the summer.

• Applies to central air conditioners only.

HEAT PUMPS/MINI-SPLITS

• Air-source heat pumps must be in the off-peak circuit and the heat pump heating must be controlled.

• We do not require the cooling side of a heat pump to be controlled, though the heat must be controlled.

• CCEC does not require the cooling side of a heat pump to be controlled. If it is controlled, the control is 25 minutes off/25 minutes on during peak conditions in the summer (June – Sept).

Exception:

We recommend the mini-split heat pump be in the off-peak panel and controlled to receive the lower off-peak rate. If the mini-split heat pump is under two tons, it can be in the main panel and uncontrolled. Please contact our energy services department with questions.

WATER HEATING AND CIRCULATING PUMPS

• These pumps are installed to ensure there is hot water immediately available. Depending on how they are configured, the impact to electric consumption will vary. Water heaters on off-peak cannot be used with circulating pumps, unless the pump is also tied to the load control equipment (ripple).

OFF-PEAK ELECTRIC HEAT

When electric demand and market electricity prices are high, an off-peak device in the home automatically switches from an electric source to a backup source, such as propane or fuel oil. In exchange, participating members receive discounted off-peak electric rates, which are competitive with fuel oil and propane. Our off-peak program is designed to reduce electric demand during peak times, saving you money. To learn how off-peak may work for you or your customers, please contact our energy services department at 701-356-4400 or energy@kwh.com.

INCENTIVES FOR NEW ELECTRIC HEAT

HEATING SYSTEMS

Baseboard heater, cove heater, forced-air furnace, hanging unit heater, plenum heater, radiant heat boiler

Electric boiler-slab heat, brick storage electric furnace, brick storage room unit, slab storage, electric cable

Air-source heat pump

Ground-source heat pump

INCENTIVE

$25/kW

$45/kW

$150/ton

$250/ton

~ There is a $1,500 max incentive for any combination of these systems per meter. To be eligible for incentives, all systems must have qualified backups, be new equipment, and be controlled on the cooperative’s offpeak program. Credits will be applied to the electric bill after a visit from a Cass County Electric Cooperative technician. These one-time incentives are in addition to the discounted off-peak electric rate. All incentives are subject to final approval from Cass County Electric Cooperative.

LOAD CONTROL NOTIFICATION INFORMATION

CassCountyElectric.com (Call for codes) | Free text messaging (Call 701-356-4400 to sign up)

OFF-PEAK REPLACEMENT CREDIT

Cass County Electric Cooperative offers a $250 energy credit for members who are currently on off-peak and replace the backup system with propane or fuel oil. Limit one credit per account every five years. (Dual heat systems with natural gas do not qualify. Systems with heat pumps without an electric plenum heater do not qualify. Electric heat must remain as the primary heat source.)

NEW CONSTRUCTION ENERGY ANALYSIS

We offer free heat loss estimates for new residential homes. These estimates are based on a blueprint provided by the builder. The purpose of this evaluation is to provide an annual heating cost estimate of various systems to aid in choosing a heating system.

Heating cost comparisons are based on current costs of energy and average winter conditions. The information provided by our energy services team for your annual heating cost is an estimate and could vary with weather conditions, lifestyles and indoor conditions. We do not size heating equipment; the analysis we provide is for heating cost comparisons only.

OFF-PEAK ELECTRIC WATER HEATERS

Next to heating and cooling your home, water heating is the largest user of energy. If you are looking for ways to save money, we may be able to help through our off-peak program. We offer a reduced rate in exchange for the ability to interrupt water heaters.

CASS COUNTY ELECTRIC COOPERATIVE NO LONGER SELLS WATER HEATERS. HOWEVER, LARGE-CAPACITY WATER HEATERS ARE AVAILABLE LOCALLY.

Due to recent federal regulations, many storage water heaters (100+ gallon) are outfitted with grid-enabled technology, which means they must be on an off-peak program to be fully functional. The bottom element is locked by the manufacturer and can only be unlocked by the utility. There is a $700 maximum rebate per meter.

INCENTIVES FOR WATER HEATERS INSTALLED ON OFF-PEAK:

NEW INSTALLATION CREDIT

GAS-TO-ELECTRIC CONVERSION

NEW CONSTRUCTION

~

$450 Replacement of an existing water heater

$250 In addition to $450 new installation credit

$100 In addition to $450 new installation credit

SHORT-TERM CONTROL

Size:

Less than 100 Gallons

Potential control:

• Up to 4 hours at a time

• Up to twice per day

• No summer control

Metering:

• On off-peak meter: First 400 kWh at 6.9 cents

Short-term control does not qualify for incentives

LONG-TERM CONTROL

Size:

Greater than 100 Gallons

Potential control:

• Cycled off from 7 AM to 12 PM daily Nov.-Apr. and

• Cycled off from 5 PM to 11 PM daily Nov.-• Apr.

• Possible summer control

Metering:

• On off-peak meter: First 400 kWh at 5.2 cents

All rates subject to purchased power adjustment

Water heaters must be 100+ gallons and on long-term control to qualify. Credits will be applied to the electric bill after a visit from a Cass County Electric Cooperative technician. These one-time incentives are in addition to the discounted off-peak electric rate. All incentives are subject to final approval from Cass County Electric Cooperative.

ELECTRIC VEHICLE CHARGING OPTIONS

Electric vehicles (EV) are continuing to grow in popularity. Cass County Electric Cooperative offers a discounted rate and installation incentives for in-home EV chargers installed on an off-peak program. Simply plug in to start saving!

STRAIGHT RATE

$0.89/KWH

STRAIGHT RATE OPTION

BEST OPTION FOR THOSE THAT WANT TO CHARGE ANY TIME THEY WANT

CHARGER REQUIREMENTS NONE

CHARGING TIMES

CHARGE WHEN IT IS CONVENIENT AT THE REGULAR RATE

TIME-OF-DAY (TOD) RATE OPTION

PEAK RATE $.222 PER KWH

NON-PEAK RATE

$.052/KWH

MONDAY-FRIDAY 6-9 AM AND 4-8 PM

THE BEST OPTION FOR THOSE THAT WANT TO SAVE MONEY AND THERE ARE NOT ANY OTHER OFF-PEAK LOADS IN THE HOME. THE WHOLE HOUSE WILL BE ON THE TOD RATE AND BENEFIT FROM LOAD SHIFTING

CHARGER REQUIREMENTS NONE

CHARGING TIMES

OFF-PEAK RATE AS LOW AS *$.052/KWH

CHARGER REQUIREMENTS

CHARGING TIMES

CHARGER INCENTIVE

CHARGE WHEN IT IS CONVENIENT WITH THE GREATEST SAVINGS DURING NON-PEAK TIMES

OFF-PEAK RATE OPTION

THE BEST OPTION IF YOU WANT TO SAVE MONEY AND THERE ARE OTHER OFF-PEAK LOADS IN THE HOME

MUST BE CONTROLLED ON OFF-PEAK AND SUB-METERED ADDITIONAL $5/METER CHARGE

LEVEL 2 CHARGER MUST BE RATED AT 240 VOLTS AND ON A DEDICATED 240-VOLT CIRCUIT

OCTOBER - MAY: NOON TO 5 PM AND 11 PM TO 7 AM

JUNE - SEPTEMBER: MIDNIGHT TO 10 AM

$50/KW ($750 MAX PER CHARGER) UPON INSPECTION

CASS COUNTY ELECTRIC PROVIDES THE RIPPLE CONTROL

Please visit with our Energy Services Team for details, terms, and conditions about specific offers and credits available. All rates subject to purchased power adjustment .Marketing promotions/incentives may be subject to change, conditions, or restrictions. There is a Maximum incentive credit of $750 depending on kW purchased. To be eligible, the member must install the charger on Cass County Electric’s off-peak program. The incentive will be applied in the form of an energy credit after a Cass County Electric Cooperative technician has verified the account.

GRAIN SITE RATE OPTIONS

We have off-peak programs for grain sites. We are offering discounted rates and program flexibility. Through our Incremental Pricing Plan (IPP), there are different rates for various control events, referred to as yellow zone or red zone time periods.

DEVICES QUALIFIED FOR DISCOUNTED RATES:

• AERATION FANS

- 1-PHASE FANS 10 HP OR GREATER MUST HAVE SOFT-START (VFD) MOTORS

- 3-PHASE FANS 30 HP OR GREATER MUST HAVE SOFT-START (VFD) MOTORS

• ELECTRIC PLENUM HEATERS FOR AERATION FANS

• BATCH DRYING EQUIPMENT

• MATERIAL HANDLING

• LIGHTS & OUTLETS LOCATED DIRECTLY AT GRAIN STORAGE LOCATION FOR THE USE OF GRAIN DRYING RELATED ACTIVITIES

• SCALE HOUSE CONTROL ROOMS

The rate table below shows the options between regular and off-peak schedules, size, singlephase vs. three-phase, etc. Please call us to see which rate option may work best for your scenario.

Bypass options must adhere to the cooperative’s policies regarding Motor Operation (policy 319) and Power Quality (policy 320) found on CassCountyElectric.com. Rates/Charges are subject to change without notice.

RECOMMENDATIONS FOR THERMAL STORAGE INSTALLATIONS:

Electro-Stat

1" Polystyrene Barrier Between Block & Slab 2 or 4" Polystyrene Insulation

Thermostat Sensor Probe (Conduit required within slab, 3/4" with sweep ell)

Tubing (Oxygen Barrier)

Slab

Local codes may require Radon Venting System. Must Be Installed Below Insulation. Through Roof

Suggest 4" min.

Polyethylene Vapor Barrier

6" Loose Fill (Sand)

Recommend 1”, if cracks or breaks, okay. This should not be a vapor barrier.

• 2” rigid foam insulation around perimeter extending from the top of the slab (inside or out) 18”- 24” vertical, with 24” being strongly recommended and the preferred way.

• Vapor barrier should be laid down directly under the concrete to prevent moisture migration through the concrete and keep it in the sand used for thermal energy storage.

Calculate Btu/h capacity with storage multiplier. 9” may be required.

DISCLAIMER: Radon venting shown for reference only! Consult a radon mitigation specialist for correct venting techniques.

2” rigid foam laid horizontally. This insulation should be loosely installed with voids and cracks. The voids will allow moisture migration into the storage sand and will help with heat transfer and keep the sand from drying out. When the sand dries out, it loses its ability to conduct heat, the system runs inefficiently, and thermal storage is compromised.

• Heat sizing (boilers, cable, mats, panels)—No less than 10 watts/sq. ft., with a recommendation of 12 watts/sq. ft.

Slab thermostats are strongly recommended. If the contractor uses ambient stats, they will need to have outdoor resets on the boilers (most commonly used on larger scale projects).

• CCEC recommends 6”-8” of sand for our control strategies. On our energy management program, the floor heat is cycled every day from 7 AM - 2 PM, and from 5 PM - 11 PM, Nov. - April.

RULES FOR RESIDENTIAL LOAD MANAGEMENT AND SUB-METER WIRING:

Electricians and/or builders are responsible for calling and scheduling an inspection once the offpeak equipment (ripple controls and meter sockets) is installed. The ripples are not pre-programmed, and the meter, if applicable, needs to be installed to receive the off-peak rate or credit. Off-peak rates will not begin until all components (heat, water heater, etc.) are installed, working, and properly wired. If the wiring is not installed correctly, it will need to be corrected.

LOCATION

• The socket for the off-peak meter should not be higher than 6’ to center and no lower than 4’ to center above grade level.

• The off-peak meter must be mounted next to the main meter. For special applications, such as a detached garage or main meter at transformer, please contact our energy management department.

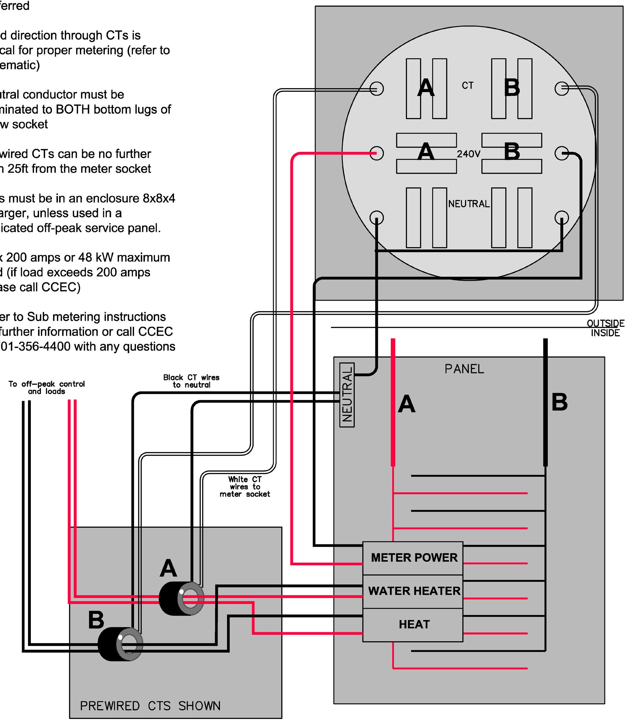
6 – TERMINAL (CT) METER SOCKET

• Must be wired on outside of building.

• Use #12 or larger insulated wire.

• 240V center lugs can be powered from the load side of the main meter or a dedicated circuit (as long as the breaker is always on).

• Must have neutral conductor terminated to BOTH bottom lugs of 6 jaw socket.

PRE-WIRED CURRENT TRANSFORMERS (CTs) — less than 25’ from socket

• For distances between 25 and 100 feet, use terminal block CTs (see next section).

• Must be in an enclosure 8x8x4 or larger, unless used in a dedicated off-peak service panel.

• CTs are directional: White dots and leads should be facing the line side (towards breaker or source).

• Terminate the black wires to the neutral bar.

• Can put CTs around service entrance or feeder conductors in a dedicated off-peak circuit panel.

• The white wires go to the top lugs of the meter socket (phase sensitive).

• The maximum distance from the CTs provided to the socket is 25 feet (wire distance). Use #12 wire minimum, #10 wire is preferred.

• Maximum amperage for the CTs is 200 amps. Please call if load will be more than 200 amps.

• “A” phase loads run through one CT. “B” phase runs through other CT, all the same direction.

TERMINAL BLOCK CURRENT TRANSFORMERS

(CTs)

• 25-100’ from socket

• Must be in an enclosure 12x12x4 or larger.

• CTs are directional: White dots should be facing the line side (towards breaker or source).

• Can put CTs around service entrance or feeder conductors to a dedicated off-peak circuit panel.

• The white dot terminal goes to the top lug of the meter socket (phase sensitive), and the non-white dot terminal goes to the neutral bar.

• Use #12 wire minimum, #10 wire is preferred.

• “A” phase loads run through one CT. “B” phase runs through other CT, all the same direction.

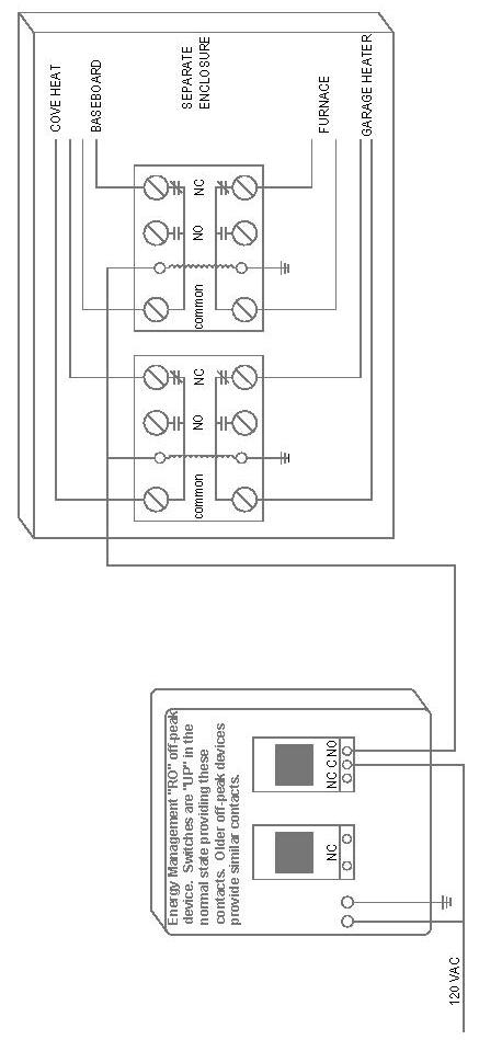
LOAD CONTROL DEVICE (RIPPLE)

• Ripple switches are normally “up” (if already programmed) and will automatically go into this position within one minute of power up. The peak or controlled position is down.

• Mounted indoors near electric panel is preferred.

• All ripple controls installed outdoors must be in a raintight enclosure.

• Please mount in an accessible location.

• No charge for ripple control.

• Switches on ripple control are a “dry” contact.

• Preferred configuration for ripple switches:

- Switch 1: Water heater

- Switch 2: Heat only

- Switch 3: Heat and/or A/C

• Slave relays are allowed as long as controlled loads are in the same group for each ripple switch.

• These items may be grouped together on slave relays with one ripple switch: electric boilers, electric furnaces, electric baseboards, electric ceiling heat, electric wall heaters, and electric garages.

• These items must be on their own ripple switch: garage heaters, electric radiant floor heat, electric water heaters (100 gallons or larger), electric storage heaters, and air conditioning (can be slaved with other air conditioners if more than one on site).

Central A/C: Use low voltage. A/C can be slaved with heat on RO ripple models (i.e. Electro plenum heater: blue/blue white will cycle heat and A/C).

• Slave relays can be wired normally closed.

CT WIRING DIAGRAM

NOTES:

• Meter installed outdoors

• 240V center lugs can be powered from the load side of main meter or dedicated circuit

• Use #12 or larger wire, #10 preferred

• Load direction through CTs is critical for proper metering (refer to schematic)

• Neutral conductor must be terminated to both bottom lugs of 6 jaw socket

• Pre-wired CTs can be no farther than 25’ from the meter socket

• CT’s must be in an enclosure 8x8x4 or larger, unless used in a dedicated offpeak service panel

• Max 200 amps or 48 kW maximum load (if load exceeds 200 amps, contact CCEC Energy Management)

• Refer to sub-metering instructions for further information, or contact us

RIPPLE CONTROL WIRING DIAGRAM:

NOTES:

• For generator applications: L1 120V must be fed from utility side, not through generator power

• 25A relays connected to remote start contacts in ATS. Can be NC or NO

• Request appropriate switches (up to

3): All switches are interchangeable

• Ripple must be in a waterproof environment

• Normal off-peak “not controlled” position is “A” or UP position

• Dimensions 4-3/4’ wide, 8-1/2’ tall 3” deep

SLAVE RELAY CONTROL:

Slave relays are used to control multiple loads with one control switch. It is very important to note that not all qualifying offpeak loads are controlled the same. Water heaters and floor heat applications are not controlled the same as other heating systems and cannot be grouped together. Call our Energy Services Department to learn about qualifying loads and controls

In this example, two DPDT relays (120v coil) are used and installed in their own enclosure (required). The coil is not actuated until the RED switch drops from its normal state. The garage heater cove heat furnace and baseboards are working though a N.C. contact. When the RED switch changes state, 120vac is allowed to energize the relay coils. This causes all N.O./N.C. contacts to change state allowing proper off-peak control.

Control (slave) relays come in many kinds of control voltages, configurations and types

One DPDT relay can control two resistive loads. Relays can be wired N.C. so they are only energized during control periods.

CCEC recommends using general purpose DPDT Relays (120v coil)

Relay Switch Technology

Normally open. Contacts are “open” with no power applied to the coil.

N.O

N.C. Normally closed. Contacts are “closed” with no power applied to the coil.

DTDouble Throw. The relay controls a N.O. and a N.C. set of contacts. Both circuits share one contact

DPDTDouble Pole Double Throw. These relays have two sets of DT contacts actuated by a single coil.

NOTE: Applying power to a relay coil chances the contact state. N.O. becomes “closed” and N.C. becomes “open”

& INTERCONNECTION GENERATORS

Off-peak ripple controls must be wired on the outside of the transfer switch. This is required for the safety of our technicians.

Ripple control must be powered with 120V, powered from the line or utility side of the transfer switch. This may require a step-down transformer with an in-line fuse. Some transfer switches have 120V terminals on the line side for this purpose.

Cass County Electric Cooperative provides fully enclosed ripple control. If mounted outside, it needs to be installed inside an enclosure mounted on the outside of the transfer switch.

The ripple control must operate the generator and initiate the sequence to transfer off of utility automatically when the ripple switch drops to the DOWN/OFF/B position. The generator must transfer back to utility when the switch moves to the UP/ON/A position of the ripple switch.

DISTRIBUTED ENERGY RESOURCES QUICK CHECKLIST

APPLICATIONS FOR INTERCONNECTION TRACKS

BASED ON DER SIZE:

The process is established based on the size (rating) of the DER system and the type of interconnection. Scan the QR on the previous page for more information.

Tier I:

Up to 20KW inverter-based systems - extended parallel.

Tier II:

Up to 10 MW standby systems open/closed transition, limited parallel, no extended parallel.

Tier III:

20 KW to 10 MW systems - extended parallel.

EXTENDED PARALLEL OPERATION AND INVERTERS

1. Technical requirements

o CassCountyElectric.com/interconnection-policy

2. Paperwork Requirements

o Signed Application for Interconnection System(Tier 1, Tier 3)

o One-Line Diagram

o Data Sheets on Equipment

o Site Diagram

o Insurance Certification

o One-Line Diagram

- $250 Fee

3. Testing Requirements

o State/City Electrical Inspection

o CCEC System Inspection

o CCEC System Test and Reconnect Delay Test (5min Delay)

OPEN TRANSITION

1. Technical requirements

o CassCountyElectric.com/interconnection-policy

2. Paperwork requirements

o Signed Application for Interconnection System

3. Testing process

o Visual inspection of generation system, no cost to consumer-member

CLOSED TRANSITION

1. Technical requirements

o CassCountyElectric.com/interconnection-policy

2. Paperwork requirements-

o Reference: https://casscountyelectric.com/ interconnection-policy

o Signed Application for Interconnection System

- Site plan and one-line showing point of common coupling (PCC)

- One-line showing protective relaying

o Signed engineering data submittal

- One-line of generator and transfer switch system

- One-line of CTs and VTs and protective relaying

- One-line showing visible disconnect and 86 lockout relay

- Model info on relays, generator and transfer switch

- Proposed relay settings

o Signed Interconnection Agreement to be sent to consumer-member by Cass County Electric Cooperative

o Certificate of insurance

- Refer to Interconnection Agreement for complete requirements

- Cass County Electric Cooperative as additional insured

- $2 million for generation systems greater than 250 kW

- $1 million for generation systems less than 250 kW

3. Testing process

o Interconnection consumer-member pays all costs associated with testing including:

- Relay testing

- Loss of phase test

- Visual inspections of CTs and grounding

- Testing of CTs and VTs

- Shunt trip breaker testing

SOFT LOADING TRANSITION

1. Technical requirements

o CassCountyElectric.com/interconnection-policy

2. Paperwork requirements

o Same requirements as closed transition

3. Testing process

o Interconnection consumer-member pays all costs associated with testing

Cass County Electric Cooperative’s Distributed Energy Resources (DRG) Interconnection Quick CheckList is not an all-inclusive list of all the requirements needed to interconnect a generation system to our system. For complete requirements please refer to the Interconnection Process for Generation Systems found on CassCountyElectric.com/interconnection-policy or by calling our DER Coordinator at 701-356-4455 or at dercoordinator@kwh.com. Scan the QR code for more information.

IMPORTANT SAFETY PROCEDURE

ENERGIZING NEW/REVAMPED SERVICES

COMMERCIAL, APARTMENT, GRAIN SITE, AND CT METERED SERVICE

A. The cooperative shall ensure that a wiring certificate is on file before issuing a service order. No service will be energized without a service order or wiring certificate.

B. If applicable, the on-site crew shall verify that an inspection sticker is present. Note: Currently the only entity requiring an inspection sticker is the City of Fargo.

C. The on-site crew shall meet with the electrician to verify that the scene is clear and that the main disconnect is off. The electrician/contractor is required to sign off and verify either electronically or on paper for the following information:

a. Company name

b. Electrician’s name

c. Electrician to verify main breaker is off

d. Electrician to verify personnel are clear

e. Sign and date by electrician

f. Cass County Electric Cooperative signature

g. Service location (if not on a service order)

h. Service order number (if not on a service order)

D. The on-site crew will conduct a visual inspection of Cass County Electric Cooperative’s equipment before energizing and will follow all safety rules as stated in section 915 Metering of the Safety Manual (OP210).

DIRECT METERED, RESIDENTIAL, AND MULTI-METERED OR SUB-METERED BREAKER SERVICE

A. The cooperative shall ensure that a wiring certificate is on file before issuing a service order. No service will be energized without a service order and wiring certificate.

B. If applicable the on-site crew shall verify that an inspection sticker is present. Note: Currently the only entity requiring an inspection sticker is the City of Fargo.

C. The on-site crew will conduct a visual inspection of Cass County Electric Cooperative’s equipment before energizing and will follow all safety rules as stated in section 915 Metering of the Safety Manual (OP210).

RE-ENERGIZING A SERVICE FOLLOWING A REQUEST TO DISCONNECT FROM AN ELECTRICIAN

A. The cooperative shall ensure that a wiring certificate is on file before issuing a service order.

B. If applicable the on-site crew shall verify that an inspection sticker is present.

C. The on-site crew shall meet with the electrician to verify that the scene is clear and that the main disconnect is off. The electrician/contractor is required to sign off and verify either electronically or on paper for the following information:

a. Company name

b. Electrician’s name

c. Electrician to verify main breaker is off

d. Electrician to verify personnel are clear

e. Sign and date by electrician

f. Cass County Electric Cooperative signature

g. Service location (if not on a service order)

h. Service order number (if not on a service order)

D. The on-site crew will conduct a visual inspection of Cass County Electric Cooperative’s equipment before energizing and will follow all safety rules as stated in section 915 Metering of the Safety Manual (OP210).

AID-TO-CONSTRUCTION

CONSTRUCTION TYPE CONSTRUCTION COSTS (2026)

• $1/amp connect fee for each metered service - $400 minimum

NEW SERVICE DROP

APARTMENTS, COMMERCIAL, AGRICULTURE, AND IRRIGATION

RESIDENTIAL SUBDIVISIONS

NEW DRAIN TILE PUMP, PASTURE PUMP, SIGNS, OR OTHER LOW-USAGE SERVICE

SERVICE CAPACITY UPGRADE, SINGLE- OR THREE-PHASE

PRIMARY REVAMP, SINGLE-PHASE TO THREE-PHASE SERVICE

NEW SECURITY LIGHTS

COLD WEATHER CHARGES

• Required meter location is on the outermost sidewall of the home, including attached garages, and must be within 10 feet from building corner nearest closest delivery point (Policy 310)

• $10/ft over 100 ft

• $10/ft for driveway crossings

• $800 for armor cable

• $1/amp connect fee for each metered service - $400 minimum

• $/kVA transformer capacity

• $25/kVA for transformers ≤=500 kVA

• $20/kVA for transformers >500 kVA

• Primary line extension allowance per Policy 304

• Service must be adjacent to a recorded public or private utility easement, or additional costs may apply

• $1,000 per crossing for subdivision road bores

• Member will pay 100% of the costs

• $/kVA transformer charges apply for upgraded capacity

• $1/amp upgrade

• Additional charges may apply depending on the extent of revamp

• Primary line extension allowance per Policy 304

• $/kVA transformer charges apply for upgraded capacity

• $1/amp upgrade

• $500 for adding a light on existing pole

• $1,500 for a new light on a new pole

• Additional costs may apply based on location of light

• Nov. 1 - 14: Extra $5/trench foot

• Nov. 15 - 30: Extra $10/trench foot

• Dec. 1 – TBD by CCEC: Extra $16/trench foot

• Cass County Electric Cooperative reserves the right to suspend cable installation due to weather or ground conditions

All services must follow Policy 310 Conditions of Service (available at CassCountyElectric.com). Additional charges may be assessed for bores, soil or weather conditions, or for any other unforeseen issues. Requests for power made after Oct. 15 may not make the current year’s construction schedule. For additional information, please contact Cass County Electric’s engineering department at (701) 356-4455 or engineering@kwh.com. A 50% payment of the total cost of construction will be required prior to construction for all new construction, line extensions, and conversions. Cass County Electric Cooperative reserves the right to charge 100% prior to construction. A $200 minimum return trip fee may be assessed per trip when scheduled work is not ready.

THREE PHASE TRANSFORMER CONCRETE PAD ASSEMBLY S1 45-2000 KVA

7.ASSUMED SERVICE LEVEL SOIL BEARING PRESSURE OF 1500 PSF 8.REBAR SUPPLIER TO PROVIDE CHAIRS AS REQ'D FOR TOP MAT SUPPORT. 9.BOTTOM GRADE OF PAD SHOULD BE LEVEL WITH SURROUNDING SURFACE.

6.TRANSFORMER PAD CONCRETE COMPRESSIVE STRENGTH TO BE 4,500 PSI OR GREATER. STEEL REINFORCEMENT TO BE 60,000 PSI YIELD STRENGTH GRADE 60 STEEL.

NOTES: 1.FOOTINGS ARE REQUIRED 5' DEPTH FOR FORM TUBES. FOOTING MUST BE TIED INTO REBAR. 2.MINIMUM SPACE BETWEEN BUILDING AND TRANSFORMER 3FT IF BUILDING HAS 2HR RATED FIREWALL. 3.MAINTAIN CUSTOMER CONDUITS WITHIN 19" OF END OF PAD OPENING. 4.CONSULT CCEC FOR CONDUIT SIZE AND NUMBERS. 5.ALL EXPOSED CONCRETE EDGES TO HAVE 3 4 " CHAMFER.

THREE PHASE TRANSFORMER CONCRETE PAD ASSEMBLY S2 45-2000 KVA

KNOW THE LAW. BEFORE YOU DIG, CALL 811

WHAT IS EXCAVATION?

According to the North Dakota Century Code, excavation means: Any operation in which earth, rock, or other materials in or below the ground are moved or displaced by hand tools, power equipment, or explosives.

This includes grading, trenching, digging, ditching, dredging, drilling, tunneling, boring, scraping, cable or pipe plowing, and driving.

STEPS TO SAFE DIGGING

1. White flag the site.

2. Call 811 or file online at ndonecall.com.

3. Wait the required time

4. Respect locator marks.

5. Dig with care, hand dig near marks.

6. Work prudently.

WAITING PERIOD

The waiting period begins 48 hours (two business days) after 12:01 a.m. the day following your locate request.

For example: If you submit a request on Monday, your waiting period starts on Wednesday at 12:01 a.m.

The notification center may add a 24-hour extension if needed.

Excavation may not start before the date and time confirmed by the notification center.

HOW LONG IS YOUR TICKET VALID?

Per ND Century Code: A ticket lasts 21 days. If your project takes longer, renew before you continue.

Excavators must renew the ticket if work continues beyond that timeframe.

STAY SAFE AND AVOID COSTLY MISTAKES

PRECAUTIONS TO AVOID DAMAGE

Ticket holders must:

• Maintain safe clearance between underground facilities and mechanized equipment.

• Provide proper support and backfill to protect underground facilities.

• Take ownership of locate markings –keep them visible and remove them when the job is complete.

• Assume the cost of hand digging to expose facilities unless the facility owner specifies otherwise.

• Manage spoil piles so that shifting material does not damage underground lines.

PRIVATE FACILITIES

North Dakota One Call marks public utility lines only. Property owners are responsible for locating private underground lines, including:

• Lines to outbuildings, hot tubs, and pools

• Security lighting

• Propane tanks and gas grills

• Sprinkler systems

• Private locating services can be hired to identify these lines for a fee.

DON’T FORGET

• Always call 811 before digging.

• Wait until all locators respond.

• Confirm responses online or with the notification center.

NEW RESIDENTIAL SERVICE CHECKLIST

TRENCHING REQUIREMENTS 2

____ Is the foundation backfilled?

____ Has the builder or the homeowner filed an application for service? INITIATING TEMPORARY HOOKUP: CALL 701-356-4461 OR EMAIL

____ Is the foundation marked for gas and electric? (See aid to construction requirements)

____ Is the route clear of equipment, aggregate material, or building materials?

____ If joint trench desired, please make sure they are marked on the same side of the structure.

____ Have you filed an electronic wiring certificate?

____ Have you had the temporary inspected? (City of Fargo only)

____ Have you identified the correct feedpoint for your temporary? Call 701-356-4461 if you aren’t sure

PERMANENT SERVICE

____ If there was no temporary, is application on file?

____ If there was no temporary, do we have an electronic E-Cert?

____ Is the service cable trenched?

____ Is a service disconnect/lever bypass socket installed (non-CT)?

____ Has the meter socket been inspected if it is a Fargo address?

____ Have you installed an insulated bushing and riser/sleeve slip joint?

NEW COMMERCIAL & AG SERVICE PROCEDURES

OWNER/APPLICANT COMPLETES THE APPLICATION FOR COMMERCIAL/AG SERVICE.

Visit CassCountyElectric.com click or tap Request Service tab. Once the application is received, our engineering team will contact you regarding your service and answer any questions you may have with the process.

OWNER/APPLICANT SUBMITS ELECTRICAL SERVICE LOAD DATA SHEET ALONG WITH SITE PLANS TO THE PROJECT MANAGER ASSIGNED TO THE PROJECT.

A project manager will schedule a meeting on site to review site plans, approve the transformer location, and propose a preliminary electrical design.

CASS COUNTY ELECTRIC COOPERATIVE PROVIDES THE OWNER/APPLICANT AN ESTIMATE FOR THE COST OF CONSTRUCTION.

This estimate will provide the following: the site visit outlying the aid to construction and requirements for the new service. Additionally, it will include a checklist of items to be completed in order to have the site ready for installation of electric service.

OWNER/APPLICANT SIGNS AND RETURNS THE ESTIMATE AND SUBMITS PAYMENT. Before the job can begin and your materials can be ordered, a minimum payment of 50% for the total cost of construction must be received by Cass County Electric Cooperative.

OWNER/APPLICANT SUBMITS A COMPLETED PRE-CONSTRUCTION CHECKLIST.

The Pre-Construction Checklist must be completed prior to the project manager releasing the job for construction. Items required may include transformer pad poured per Cass County Electric Cooperative specifications, path clear of debris, lot to grade, easements signed, permits obtained, and all paperwork completed. Following the confirmation that all the site requirements are met, the project manager will release the job for construction.

A CASS COUNTY ELECTRIC COOPERATIVE CONTRACTOR INSTALLS ELECTRICAL SERVICE TO SITE.

The owner/applicant’s electrician contacts the cooperative when this is complete to schedule the next step.

OWNER/APPLICANT’S ELECTRICIAN REQUESTS TEMPORARY OR PERMANENT SERVICE. We require an on-site meeting with the owner/applicant’s electrician to obtain a clearance to energize the service. A wiring certificate and a city or state inspection (City of Fargo or selfwired) is required prior to energizing the service.

CASS COUNTY ELECTRIC COOPERATIVE WILL SEND A FINAL COST OF CONSTRUCTION INVOICE FOLLOWING COMPLETION OF THE JOB.

Turn static files into dynamic content formats.

Create a flipbook