

































![]()










































‘Een band, ja, die is zwart en rond, dat weten we allemaal wel toch?’ Hij zegt het met een ironische ondertoon, maar de auto-ondernemer die tegenover me aan de schnitzel zit bij Koskamp Opleidingen in Kampen, vraagt zich tegelijk hardop af wat we eigenlijk nog kunnen leren over banden – samen met ADAS het onderwerp van de avond bij Koskamp. Spoiler alert: er valt nog heel veel over te leren! Misschien wel meer dan ooit. De ontwikkeling in bandentechnologie gaat razendsnel. Gedreven door onder meer elektrificatie. Niet alleen wordt de load index extra belangrijk, maar ook de OE-codering. Bij een jong, vierwielaangedreven voertuig niet banden met de juiste OE-code gemonteerd, en de tussenbak gaat stuk? Dan kan de garantieclaim zomaar afgewezen worden. Wordt in jouw werkplaats elke band nog op 2,5 bar gezet? Dat is niet alleen achterhaald, maar kan bovendien gevaarlijk zijn. En waarom slijten banden vandaag de dag sneller? En niet alleen onder een EV? Antwoorden op deze en nog veel meer vragen over banden lees je in dit nummer. Ook bij de leveranciers van banden(de)montageapparatuur hebben we het net opgehaald: welke eisen stellen de steeds grotere band/wielcombinaties aan equipment? Waarop moet je letten wanneer je investeert in bandenequipment?


Hopelijk word je er wijzer van. Net als wij, en alle andere deelnemers, aan de avond bij Koskamp. Niet alleen over banden trouwens. Van het rubber is het een kleine stap naar uitlijnen. En is een auto uitgerust met ADAS, dan betekent uitlijnen haast vanzelf dat je moet kalibreren. Dat doen er nog niet zoveel, zo bleek. Maar dat is weer voer voor een ander thema, later dit jaar. Zo blijven we de banden aanhalen.

Wordt in jouw werkplaats elke band nog op 2,5 bar gezet?







Hugo Claver Hoofdredacteur















Eigenlijk was er niets mis met de oude werkplaats. Toch verhuisde Vermaat Automotive naar een groter pand, waar meer ruimte is om te groeien. “We willen zoveel mogelijk zelf kunnen en zelf doen.”




Het aantal wielmaten groeit en all-seasonbanden worden steeds populairder. Ook nieuw: het scannen van de conditie van de band gaat steeds sneller en gemakkelijker. Deze en andere ontwikkelingen op bandengebied komen in dit nummer aan bod. En hoe zit het eigenlijk: zijn grotere wielen minder zuinig? We zochten het uit.



Bij ACtronics in Almelo komen wekelijks postkarren vol ABS-units binnen voor revisie. Met als resultaat een aanzienlijke financiële besparing zonder concessies te doen aan de kwaliteit. Hoe doen ze dat?
Trots op het vak
Frank van Geest, Autobedrijf Weerheim 11
Meer keuze in koudemiddel
Sorteert Ford voor op propaan? 12
CLEVER DiagnostiX
Frontradar coderen en kalibreren 15
Stap voor stap
Cold Air Intake inbouwen 16
Diagnose
Ford Transit start niet meer 18
Column Asim Saglam SERMI zorgt voor bergen werk 19
(PH)EV in de werkplaats
Revisie van de OBC 20
Autoverkoop
Donkere wolken boven nieuwverkoop 24
Bosch brake-by-wire Dit jaar in productie 56
van toen






“Snelladen duurt te lang en er zijn te weinig laadstations”, zijn de belangrijkste bezwaren van automobilisten tegen elektrisch rijden. De oplossing: dompel de accucellen onder in vloeistof.

Nederland heeft een behoorlijk grote automotive-industrie, vooral rond de regio Eindhoven-Helmond. Niet voor niets is Fontys juist daar een hbo-opleiding Automotive gestart. AMT ging de schoolbanken in. TROTS Carteam Totaal Auto Budel
“We ambiëren geen kwantiteit maar kwaliteit”, zeggen Rudi en Mariska Vlassak van Carteam Totaal Auto Budel, die in 2018 begonnen met hun bedrijf. “Het contact met de klanten is duidelijk en de lijnen zijn kort.”

Oud-politieman Gerard van Warmerdam geeft de leden van ATC NoordHolland een rondleiding door het land van auto-inbrekers. Wat zijn hun trucs en tools?
Eigenlijk was er niets mis met de oude werkplaats. Toch verhuisde Vermaat Automotive naar een groter
pand. In de nieuwe werkplaats is meer ruimte om te groeien. Het familiebedrijf kiest voor innovatie en investeert doorlopend. “We willen zoveel mogelijk
zelf kunnen en zelf doen.”
Tekst: Bas Snijder
Foto: Mike Tekst & Beeld
Ruimte. Als autobedrijf heb je er eigenlijk nooit genoeg van. Toch was het niet de belangrijkste reden voor de verhuizing van Vermaat Automotive. “Naast ons autobedrijf hebben mijn vennoten een bergingsbedrijf. De bergingsactiviteiten zijn de afgelopen jaren sterk gegroeid. Er was meer ruimte nodig”, verklaart Rowen van den Doel. “Dit pand stond al een tijd leeg. Voor de meeste bedrijven was het te groot. Voor ons was het precies groot genoeg.”
Voorafgaand aan de verhuizing werd het nieuwe pand grondig verbouwd. Of, beter gezegd, compleet opnieuw
Bedrijfsnaam: Vermaat Automotive
Plaats: Hellevoetsluis
Aantal medewerkers (werkplaats): 6
Bouwjaar pand: 2019
Oppervlakte werkplaats: 1200 m2
Werkplaatsontwerp: eigen beheer
Werkplaatsinrichting: LKQ Fource
Hefbruggen: 4x tweekolommer (Stertil-Koni), 3x vierkolommer (Stertil-Koni en Maha)
Laatste verbouwing: 2019
Nieuwste aankopen: Condor-accuheftafel, Bosch DAS 3000
Onderdelenleveranciers: LKQ Fource (hoofdgrossier), PartsPoint, merkdealers
opgebouwd. “Alles is gestript. Op het laatst stond er alleen nog een geraamte met spanten. De rest is nieuw. De buitenwanden, het dak, de elektra, het kantoor, alles.”
Extra hefbruggen
Veel autobedrijven grijpen een verhuizing aan om de werkplaatsinrichting te vernieuwen. Hier was dat niet nodig. “De oude werkplaats was helemaal bij de tijd. We hadden zes hefbruggen. Die hebben we allemaal meegenomen naar de nieuwe werkplaats.”
De nieuwe werkplaats heeft een oppervlakte van 1200 vierkante meter. Dat is de helft meer dan voorheen. De extra vierkante meters worden goed benut. “De hefbruggen staan ruim opgesteld. Er was genoeg ruimte om er een zevende hefbrug bij te plaatsen. Binnenkort komt er een achtste hefbrug bij: een compacte schaarhefbrug. Die gaan we ook gebruiken voor diagnose. Dat is handiger op een schaarhefbrug, omdat er geen kolommen in de weg staan.”
SERMI
Een aparte hefbrug voor diagnose is geen overbodige luxe. Vermaat Automotive is zeer actief op het gebied van storingdiagnose en elektronica en kreeg als eerste autobedrijf van Nederland het SERMI-certificaat uitgereikt. “Alle auto-
technici hebben een eigen Bosch KTS met ingebouwde multimeter en scope. We werken met OE-software voor onder meer VAG, Ford en Mercedes-Benz. Verder hebben we voor alle merken toegang tot DSR. Als een auto een digitaal onderhoudsboekje heeft, dan vullen we dat standaard in. Het kost even wat tijd en moeite om voor alle merken een account aan te maken. Daarna heb je er nauwelijks omkijken naar.” Voordelen heeft het ook. “Het komt professioneel over op klanten. Het is een manier om te laten zien dat we een goed alternatief zijn voor de merkdealer. En bij sommige merken heb je via het DSR-portaal toegang tot andere nuttige diensten.”
Het werkaanbod bestaat hoofdzakelijk uit personenauto’s, bestelauto’s, campers en lichte bedrijfswagens. Vermaat Automotive is BOVAG-lid en aangesloten bij Bosch Car Service. “Via Bosch Car Service krijgen we veel nieuwe en jonge leaseauto’s binnen. Via ons bergingsbedrijf hebben we ook regelmatig te maken met nieuwe auto’s, waaronder EV’s. We investeren al heel lang in nieuwe vakkennis en nieuwe equipment voor elektronica, hybrides en EV’s. We hebben een aparte EV-hoek met alle voorgeschreven persoonlijke beschermingsmiddelen en een gereedschapskar met

(rechts) begon als leerling bij Vermaat Automotive. Tegenwoordig is hij mede-eigenaar van het familiebedrijf, samen met Cassandra, André en Ceremco.
Sinds wanneer werken jullie in dit pand?
“We zijn hier in 2019 naartoe verhuisd. Voor de verhuizing zaten we 25 jaar aan de overkant van de straat.”
Wat bevalt goed aan de werkplaats?
“De ruimte. In de vorige werkplaats hadden we zes hefbruggen. Nu hebben we zeven hefbruggen, een aparte EV-werkplek en genoeg ruimte voor een achtste hefbrug.”
Wat kan beter aan de werkplaats?
“We hebben originele diagnosesoftware voor de merken waar we het meest aan werken. We zouden graag originele software voor alle merken willen hebben, maar dat is bijna niet te betalen.”
Van welke aankoop heb je het meeste plezier?
“We zijn erg blij met het modulaire opbergsysteem en met het Launch X431 Pro-uitleesapparaat. Je kunt er heel veel mee voor heel veel merken. Iedereen is er enthousiast over.”
Wat is jullie favoriete gereedschap?
“Alle autotechnici hebben een eigen Bosch KTS met ingebouwde scope. Met de scope kunnen we sneller diagnose stellen en lastige storingen oplossen.”
Welk gereedschap zou iedereen moeten hebben?
“Goede diagnose-appatuur en goede meetapparatuur zoals een scope en en multimeter. Elektronicadiagnose is complex en onderdelen zijn duur. Goede meetapparatuur verdient zichzelf snel terug.”
Wat was jullie laatste grote werkplaatsaankoop?
“Het Bosch DAS 3000 ADAS-kalibratiesysteem. Het was een grote investering en we werken er minder vaak mee dan we zouden willen. Toch is het onmisbaar, want we willen zoveel mogelijk zelf doen.”
Wat is jullie grootste miskoop?
“Echte miskopen hebben we gelukkig nog nooit gehad.”
Wat wil je aan de werkplaats veranderen?
“Op dit moment hebben we alleen twee- en vierkoloms hefbruggen. We willen graag een schaarhefbrug voor lage auto’s toevoegen. Dat wordt ook meteen het diagnosestation. Voor diagnose is het handig als er geen hefkolommen naast de deuren van het voertuig staan.”
geïsoleerd gereedschap.” Twee recente aankopen zijn een ADAS-kalibratiesysteem van Bosch en een verrijdbare heftafel voor EV-accu’s.
BBL-opleiding
Ondanks de focus op innovatie blijft het onafhankelijke autobedrijf een echt familiebedrijf. Naast André werken dochter Cassandra en zoon Ceremco in het bedrijf. Cassandra geeft leiding aan het bergingsbedrijf. Ceremco is autotechnicus en voert het werkplaatsmanagement. “Ik ben geen familie maar zo voelt het inmiddels wel”, lacht Rowen. “Ik ben hier binnengekomen als BBL’er. Ik wilde per se een BBL-opleiding doen maar kon nergens in de buurt een leerwerkplek vinden. André en Cassandra gaven mij een kans. Ik kreeg goede begeleiding en de ruimte om te groeien. Die kans wil ik ook aan anderen geven. We begeleiden op dit moment twee leerlingen. We trainen zelf ook regelmatig. Als je wilt innoveren in de werkplaats, dan moet je de nieuwste ontwikkelingen en de nieuwste technieken goed bijhouden.”
AMT maakte een video bij Vermaat Automotive, waarin Rowen van den Doel je meeneemt in een rondje door het bedrijf. Zien? Scan de QR-code.
In 2019 verhuisde Vermaat Automotive naar een nieuw pand aan de overkant. In de ruime werkplaats vind je goed opgeleide autotechnici, gereedschap, apparatuur en equipment. Mede-eigenaar Rowen van den Doel: “We willen hetzelfde kunnen wat een merkdealer kan.”





Vermaat Automotive is aangesloten bij Bosch Car Service. Overal staat equipment met de welbekende felgroene kleur. Het Bosch TCE 4430-demontageapparaat met hulparm en de Bosch W443-balanceermachine zijn geschikt voor grote wiel- en bandenmaten. Ook met banden voor EV’s kunnen de machines goed overweg.
Twee remmentestbanken
Voor lichte bedrijfswagens en campers investeerde Vermaat Automotive in een achttons vierkolommer van Maha. Direct voor de hefbrug ligt een opbouw rollenremmentestbank van dezelfde leverancier. De testbank is ook geschikt voor voertuigen met vierwielaandrijving. In het middenpad ligt een tweede platenremmentestbank van Arex.
In de bandenhoek staat een vierkoloms rijbaanhefbrug met ingebouwde zwenkplaten. Bij de brug is een Trigon 4 Vision Platinum 3D-uitlijnsysteem van Mondolfo Ferro geïnstalleerd. Nieuw is dit Bosch DAS 3000 ADAS-kalibratiesysteem. “We onderhouden veel auto’s met ADAS. ADAS-kalibratie is een groeimarkt, dus investeren we daar in.”
EV’s zijn een ander specialisme van Vermaat. In de werkplaats is een EV-hoek ingericht, compleet met alle veiligheidsvoorzieningen, beschermingsmiddelen en geïsoleerd handgereedschap. Op de mobiele heftafel van Condor ligt een accupakket van een Renault Zoe. “We willen zoveel mogelijk kennis en ervaring opdoen met EV’s en EV-techniek.”
Iedere autotechnicus heeft een eigen Bosch KTS met ingebouwde scope. De technici volgen regelmatig trainingen. Naast universele apparatuur van Bosch en Launch werkt het team met originele diagnosesoftware van onder meer Ford, Mercedes-Benz en VAG. “We zouden het liefst voor alle merken met originele software werken, maar dat is kostbaar.”


“De wereld verandert en OOMT helpt ons daarbij“
Garagebedrijf WW Smit in Amsterdam is een bedrijf met twaalf medewerkers. Sinds vorig jaar is
Taco van Kins als mede-eigenaar in het bedrijf gekomen, waarbij Maurice Smit een stap terug heeft gedaan. OOMT helpt Taco om het bedrijf en hun personeelsbeleid in te richten.
Hoe ben je in het bedrijf gekomen?
“Ik werkte hiervoor voor een bedrijf in automaterialen. Ik kwam dus bij veel bedrijven binnen en kende de branche goed. Zo kwam ik in gesprek met Maurice. Mijn nieuwe rol als mede-eigenaar past mij goed, bovendien zijn Maurice en ik aanvullend. Voor mij is er voldoende uitdaging, ik zie dat er toekomst in dit bedrijf zit.”
Hoe kwam je in contact met OOMT en wat konden zij voor je betekenen?
“Ik volgde altijd al cursussen en kwam bij events, bijvoorbeeld bij Bosch en Vakgarage. Daar kwam ik Hanny Hulleman, adviseur werkgeverschap OOMT tegen. OOMT was voor mij altijd een beetje stoffig, maar bij mijn vorige werk heb ik mij erin verdiept. Inmiddels heb ik daar een andere mening over, want daar zijn we toen actief met OOMT aan de slag gegaan. Op het moment dat ik bij garagebedrijf WW Smit begon heb ik Hanny meteen gebeld met de vraag om ons te helpen; voor de ontwikkeling van het team en mijzelf. Daarop hebben we een afspraak gemaakt. Inmiddels begeleid zij mij nu als werkgever, volgen we workshops en zijn coaches ingezet voor de medewerkers.”
Wat waren de uitdagingen bij jullie bedrijf dan?
“We hebben zeven monteurs en een werkplaats chef, met heel verschillende leeftijden. Zij wilden trainingen gaan volgen, alleen in mijn gespreken kreeg ik niet naar voren welke trainingen dat waren. Personeelsgebied is nooit mijn ding geweest. Nu helpt OOMT mij hierbij. De functioneringsgesprekken hebben we bijvoorbeeld weer opgepakt. Met Hanny kon ik sparren over de vorm ervan. Met ‘Strategisch personeelsbeleid’ geven ze mij ondersteuning, waarbij ik ze altijd kan mailen voor advies. Daar zitten trouwens altijd goede tips bij.”
Jullie maken ook gebruik van workshops en coaching. Wat kun je daarover vertellen?
“Als eerste hebben we een workshop met een VR-bril gedaan om te zien welke gevolgen elektrificatie kan hebben. Daar werd eerst wel vreemd naar gekeken, maar de sessie en de gesprekken werden heel goed ontvangen. Sommigen werden zo enthousiast, dat ze een opleiding zijn gaan volgen voor een NEN-certificaat en een EV-vervolgtraject ingingen.”

met OOMT-coach Martin van der Meer praten over hun loopbaanontwikkeling binnen het bedrijf.”
Je klinkt als een ambassadeur voor OOMT “Als ondernemer moet ik ervoor zorgen dat er voor elf mensen werk is. Dat kan vooral door efficiënt te werken. Ik kan medewerkers helpen door te vragen waar ze behoefte aan hebben. De wereld verandert namelijk en OOMT helpt ons daarbij.
OOMT is echt een toevoeging voor je bedrijf. Je draagt ervoor af, dus maak er gebruik van.
OOMT: brede ondersteuning voor medewerkers en werkgevers OOMT (Opleidings- en Ontwikkelingsfonds Motorvoertuigenbedrijf en Tweewielerbedrijf) stimuleert werkgevers en medewerkers om aan zichzelf te blijven werken Individueel en als team. Via de Servicedesk van OOMT kan een afspraak worden gemaakt met een adviseur werkgeverschap of OOMT-coach.
Daarnaast hebben de afdelingshoofden van de receptie en de werkplaats de workshop Leidinggeven gevolgd. De workshop ‘Het goede gesprek’ doen we in mei, later dit jaar volgt de workshop ‘Samenwerken en communiceren’ Door de workshops van OOMT zijn mensen ‘aan’ gegaan om actief hiermee aan de slag te gaan. Ook individueel: er zijn medewerkers die Dit artikel is gesponsord door OOMT.
Meer weten? Kijk op www.oomt.nl of bel 0800 - 0155
Leeftijd: 29 jaar
Wat: apk-keurmeester
Waar: Autobedrijf Weerheim in Rijswijk



1
Wat vind je zo mooi aan dit vak en waarom heb je het gekozen?
Ik vind dit vak zo mooi omdat je elke dag bijleert en nooit uitgeleerd bent. Ik heb dit vak gekozen zodat ik van mijn hobby mijn werk kon maken.
2
Wat vind je het leukste werk? Wat maakt je dag goed?
Ik vind grote klussen het leukste om te doen. Ik heb het naar m’n zin als we met z’n allen aan het knallen zijn om alles af te krijgen en als dit soepel loopt.
3
Wat is je favoriete automerk?
Dat is makkelijk: Audi!
4
Wat is je favoriete gereedschap?
Ik heb niet specifiek een favoriet stuk gereedschap. Wel houd ik van een opgeruimde, nette gereedschapskar.
5
‘Blijf leren want deze branche staat (gelukkig) nooit stil’
Welke opleiding heb je gedaan? Wat wil je nog leren?
Ik ben begonnen als assistent-monteur via het vmbo. Daarna heb ik een vooropleiding voor defensie gedaan met als bijvak tweede bedrijfsautomonteur. En tegelijkertijd werkte ik op de zaterdagen bij Autobedrijf Weerheim als autowasser en hulp in de werkplaats. Zo ben ik doorgegroeid in het bedrijf, van facilitair medewerker naar medewerker bandenopslag, toen naar pechhulp en uiteindelijk naar apk-keurmeester. Ik heb dus bijna alle functies bij Autobedrijf Weerheim gehad én ik heb alle opleidingen en cursussen via Weerheim gedaan.
6
Wat zou je graag zien veranderen in de autobranche?
Ik zou graag zien dat ze stoppen met downsizen en gewoon grote motoren gaan produceren.
7
Waar ben je het meest trots op?
Het meest trots ben ik op het feit dat ik van broekie in de werkplaats ben uitgegroeid tot monteur en apk-keurmeester.
8
Wat is je droombaan?
Ik zit eigenlijk prima waar ik nu zit en ik denk ook dat ik in dit bedrijf richting mijn pensioen werk.
9
Als ik niet aan het werk ben, dan… ... ben ik graag op het water te vinden, samen met mijn vriendin en binnenkort met onze zoon.
10
Welke tip geef je aan collega’s?
Blijf leren want deze branche staat (gelukkig) nooit stil.
Op zoek naar het beste koudemiddel
Koudemiddelen komen en koudemiddelen gaan. R12 was een CFK en die chloorfluorkoolstof-verbindingen tasten de ozonlaag aan. R134a is geen CFK, maar wel een sterk broeikasgas. R1234yf is dat ook niet, maar vervalt in de atmosfeer tot PFAS. En Europa werkt aan een PFAS-verbod. Komt er wéér een nieuw koudemiddel? Wanneer? En welk nieuw koudemiddel wordt dat?
Tekst:
Erwin den Hoed Foto’s:
Ford, Montrose Environmental
PFAS staat voor per- en polyfluoraalkylstoffen. Deze groep stoffen komt van nature niet voor. Ze zijn door mensen gemaakt en dat doen mensen niet voor niets. PFAS hebben namelijk een aantal geweldige eigenschappen. Daarom zitten ze onder meer in anti-aanbaklagen, blusschuim, cosmetica, kleding, voedselverpakkingen en… koudemiddelen.
Niet alleen geweldig
Helaas leert het nieuws van de afgelopen jaren ons dat PFAS niet alleen ge-
weldig zijn. Ze hebben ook heel vervelende eigenschappen. Allereerst zijn ze persistent. Dat wil zeggen: ze breken niet of nauwelijks af in het milieu. Je komt er niet meer vanaf. Vervelend, want ze zijn ook toxisch én ze zijn bioaccumulerend. Ze hopen zich op in het lichaam van mensen, dieren en planten. Bijvoorbeeld in wormen. Als (hobby)kippen die dan eten, komt het in hun eieren en via die weg in mensen. Dat maakt PFAS ook nog eens erg mobiel. Vervuiling met deze stoffen verspreidt zich gemakkelijk.

Kortom, als je een product ook zonder PFAS kunt maken, verdient dat de voorkeur. Precies met dat doel hebben vijf Europese landen begin 2023 een voorstel ingediend om te komen tot een Europees verbod op alle PFAS. Die landen zijn Denemarken, Duitsland, Noorwegen, Zweden en Nederland.
Kan nog even duren
Daarna lag dat voorstel ter inzage voor consultatierondes. Dat leverde 5600 reacties van wetenschappers en industrie op. Het European Chemical Agency is die nu aan het bestuderen. Dat gebeurt in twee comités. Het Risk Assesment Comitee (RAC) bestudeert de risico’s voor mens, dier en milieu van de duizenden verschillende stoffen die onder PFAS vallen. Het Socio-Economic Analysis Comitee (SEAC) weegt de economische belangen van de verschillende toepassingen. Op basis van die RAC- en SEAC-studies kunnen er uitzonderingen komen voor toepassingen waarvoor geen PFAS-vrij alternatief is. Dat komt dan in een aangepast voorstel van ECHA.
Daarover buigen de Europese Commissie en het Europees Parlement zich vervolgens. Zij zetten het uiteindelijke voorstel om in EU-regelgeving. Wanneer dat consequenties gaat hebben voor koudemiddelen in auto’s? 2030 wordt genoemd, maar een hard gegeven is dat niet.
R1234yf vervalt tot veel TFA
Zoals gezegd is R1234yf zelf geen PFAS. Maar als het ontsnapt en in de atmosfeer

Koudemiddel R1234yf is een bron van PFAS. Mogelijke vervanger propaan (R290) is een uitstekend koudemiddel bij zowel heel hoge als heel lage temperaturen.
terechtkomt, valt het uiteen in verschillende stoffen. Die afbraak is een proces dat jaren of zelfs tientallen jaren kan duren. Een van de afbraakstoffen is TFA. En dat trifluorazijnzuur is wél een PFAS.
Overigens komt TFA ook vrij bij het uiteenvallen van andere HFK’s, en het overgrote deel van de koudemiddelen is zo’n hydrofluorkoolstof. R134a ook. Maar bij het uiteenvallen van R1234yf ontstaat 33 maal zoveel TFA als bij eenzelfde hoeveelheid R134a, blijkt uit onderzoek van de Universiteit van Bristol.
Verder is er discussie over de schadelijkheid van TFA. Volgens R1234yf-producent Chemours bewijst jarenlang onderzoek dat het niet schadelijk is voor mens en milieu. Het RIVM deelt die mening niet maar zei in 2016 nog op zijn website: “Bij hoge concentraties is TFA slecht voor dieren en planten in water. De verwachting is echter dat de concentraties van TFA in oppervlaktewater ook in de toekomst gering blijven.” Maar toen kwam R1234yf…
Ban op R1234yf
Het Europees Parlement stelde in 2023 al een ban op R1234yf voor en wees CO2 als alternatief aan. Begrijpelijk. CO2 (in de koudemiddelwereld R744 genoemd) is

HVAC-installatie in de elektrische Ford-bedrijfsauto’s. Let op leiding 8. Deze tweede aanvoerleiding naar de compressor is de dampinjectieleiding.
geen HFK, dus is er geen PFAS-risico. Bovendien is CO2 een zwakker broeikasgas dan andere koudemiddelen, dus zou zo’n overstap ook nog een steentje bijdragen tegen klimaatverandering. En nog een
argument: CO2 wordt al als koudemiddel in auto-airco’s en autowarmtepompen gebruikt. Denk aan de elektrische iDVolkswagens met warmtepomp. Begin vorig jaar kondigde VW aan in 2030 voor

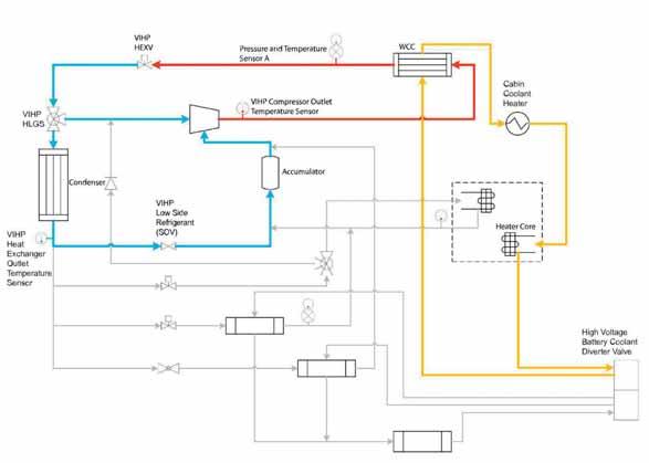
HVAC-schema van elektrische bedrijfswagens van Ford. Een secundaire koelvloeistoflus voor de interieurverwarming en een extra aanvoerleiding met dampinjectie naar de compressor. Sorteert Ford voor op R290 als nieuw koudemiddel?
al zijn elektrische voertuigen R744 te gaan gebruiken.
Natuurlijk kent ook R744 nadelen. Het werkt met veel hogere drukken. Dat heeft consequenties voor het systeem en de veiligheid voor wie er aan werkt. Een ander nadeel is een slechte efficiency in gebieden met een heet klimaat.
Propaan?
Een ander niet-HFK-koudemiddel is propaan (R290). Dat is efficiënter dan R1234yf. En dankzij een lager kookpunt (min 42˚C tegen min 30˚C voor R1234yf) werkt een warmtepomp met dit koudemiddel ook nog onder min 10˚C. Kortom, propaan is een meer dan uitstekend koudemiddel. Maar R290 heeft één groot nadeel: het is een koolwaterstof, net als benzine, diesel, LPG of aardgas. Koolwaterstoffen gebruiken we als brandstof omdat ze zo lekker brandbaar zijn. Dat geldt ook voor propaan. Ge-
mengd met butaan heet het campinggas. En als je bedenkt dat Mercedes in 2017 niet aan de R1234yf wilde omdat het onder extreme omstandigheden heel mild brandbaar zou kunnen zijn...
Brandbaar
Maar goed, benzine en diesel zijn ook brandbare koolwaterstoffen en ook die nemen we veilig mee aan boord van een auto.
Denso en Ford presenteerden vorig jaar een R290-airco-warmtepompsysteem. Dat maakt gebruik van een zogenoemde secundaire lus. Het koudemiddel koelt of verwarmt niet rechtstreeks de interieurlucht, maar draagt warmte over aan een koelvloeistofcircuit waarin de interieurkachel annex interieurkoeler is opgenomen.
Wereldwijd inzetbaar
Op die manier blijft het brandbare koudemiddel in een centrale module. Bijkomend
‘Propaan is meer dan uitstekend’
voordeel: daardoor volstaat minder koudemiddel. “Een kwart minder”, zegt Ford. Dan nog is er werk aan de winkel om de ontvlambaarheidsrisico’s te beperken. Ford denkt aan lekdetectie, een warmtewisselaarventilator om gelekt koudemiddel snel te verspreiden, maar ook aan het compartimenteren van de koudemiddelmodule. Volgens Ford is er nauwelijks ontvlambaarheidsrisico als er niet meer dan 150 tot 200 gram propaan tegelijk ontsnapt.
Als groot voordeel van propaan boven CO2 ziet Ford dat het universeel toepasbaar is voor alle auto’s met een elektrische aircocompressor wereldwijd.
Dampinjectie
Tenslotte nog dit. Ford geeft aan dat het werken met een secundaire lus een thermische weerstand genereert. Die gaat ten koste van de efficiency. Zogenoemde dampinjectie moet dat efficiencyverlies compenseren. Bij die dampinjectie is er een extra stroom koudemiddel naar de compressor.
Na het expansieventiel is een centrifugaalafscheider ingebouwd. Het gasvormige koudemiddel gaat vanaf daar rechtstreeks naar de compressor, het vloeibare koudemiddel gaat via de verdamper. Door die extra stroom neemt het volume naar de compressor toe, zodat die efficienter werkt.
Voorbereiden op propaan
In een recent persbericht kondigt Ford aan dat zijn elektrische bedrijfsauto’s met 89 kWh-batterij nu standaard worden uitgerust met ‘de innovatieve VIHP-technologie’. Laat die Vapour Injected Heat Pump-technologie nou én een secundaire lus én dampinjectie hebben. We hebben geen glazen bol, maar het lijkt er toch sterk op dat Ford zich voorbereidt op propaan als koudemiddel.
Een BMW X5 xDrive45e heeft een defecte frontradar. Met hulp van CLEVER DiagnostiX wordt de sensor gecodeerd en gekalibreerd. Diagnose op afstand spaart tijd en voorkomt fouten.
Een voertuigtechnicus krijgt een BMW X5 xDrive45e binnen waarvan de frontradar vervangen moet worden. Dit model beschikt over verschillende rijhulpsystemen, zoals adaptieve cruisecontrol en noodremtechnologie, die afhankelijk zijn van een correct gecodeerde en gekalibreerde radar. Na vervanging blijkt dat de codering niet eenvoudig overgezet kan worden, waardoor bepaalde functies niet werken. Omdat dergelijke systemen nauwkeurige configuratie vereisen en universele garages niet altijd over de juiste apparatuur beschikken, wordt de hulp van CLEVER DiagnostiX ingeschakeld.
Radarcodering overzetten
Een CLEVER DiagnostiX-expert neemt via Quik Support op afstand de tester van de
Onder het label Clever-DiagnostiX levert AA-Equipment Support een programma van support en trainingen. Daarvoor staat een team van eigen eXperts en eXpert Partners paraat. Dat netwerk van diagnosetechnici helpt schadeherstel-, reparatie- en onderhoudsbedrijven vooruit op het gebied van voertuigelektronica.
Mark van Melis is technisch specialist van Clever-DiagnostiX. Hij ondersteunt dagelijks autotechnici bij lastige diagnoses. Waar veel werkplaatsen stoppen, gaat hij verder.

technicus over. Met deze tool kan een expert direct meekijken en ondersteuning bieden zonder fysieke aanwezigheid in de werkplaats.
De volgende stappen worden gezet:
• De codering van de oude radar wordt gekopieerd en opgeslagen.
• De technicus monteert de nieuwe radar.
• De opgeslagen codering wordt teruggezet op de nieuwe radar.
Na het overzetten van de codering verschijnt er een foutcode die aangeeft dat een kalibratie nodig is.
Radar kalibreren
Omdat de technicus niet beschikt over de juiste apparatuur, wordt de kalibratie op afstand uitgevoerd via een remote ticket. Hierbij wordt gebruikgemaakt van de BMW ISTA-tool, de officiële diagnose- en programmeersoftware van BMW.
Voor dit model is een dynamische kalibratie nodig. Dit houdt in dat het voertuig een testtraject moet afleggen zodat de radar zich kan aanpassen aan realistische rijomstandigheden. Tijdens de kalibratie wordt gecontroleerd of de snelheid binnen de gestelde parameters blijft, de radar correct reageert op voorliggers en obstakels, en alle sensoren goed functioneren.
De kalibratie wordt succesvol afgerond en de foutcode verdwijnt.
Nieuwe foutcode en oplossing
Tijdens een proefrit na de kalibratie verschijnt er een nieuwe foutmelding:
022104 – FRS intern SWT-Test mislukt. Deze foutcode is niet bekend in de database van CLEVER DiagnostiX. Daarom wordt ALLDATA, een OEM-technische database

met fabrieksdocumentatie, geraadpleegd. Hieruit blijkt dat de softwareversie van de oude radar niet compatibel is met de nieuwe sensor.
Om dit probleem op te lossen, wordt de eerder overgezette codering verwijderd en vervangen door een originele codering uit de BMW ISTA-tool. Na implementatie hiervan verdwijnt de foutmelding en keert deze ook na een tweede proefrit niet terug.
Deze case laat zien hoe belangrijk het is om originele fabrieksinformatie en software te gebruiken bij het vervangen van componenten in moderne voertuigen. Alleen met OEM-software kan een voertuig optimaal functioneren en worden foutmeldingen door incompatibele coderingen voorkomen.
Daarnaast toont deze case aan dat diagnose op afstand een efficiënte oplossing is wanneer een werkplaats niet over de juiste tools beschikt. Door gebruik te maken van remote ondersteuning kan de radar correct worden gecodeerd en gekalibreerd, waardoor de BMW X5 xDrive45e weer volledig functioneert.
K&N maakt luchtfilters die een hoge luchtdoorlaat combineren met een hoge filterefficiency. Dat geeft vermogenswinst. Nog meer vermogenswinst is te behalen door het inlaatsysteem te vervangen door een complete Cold Air Intake. Patrick Jacobs van SRM Europe B.V, een dochteronderneming van K&N Engineering, laat zien hoe dit in zijn werk gaat.


STAP 2 Schrijf de geheugeninstellingen en de code van de radio op. Maak de massakabel van de accu los. Maak ook de stekker van de luchtmassameter los.


STAP 4 Maak de bout, de slangklem en de kabel los van het luchtfilterhuis en haal het luchtfilterhuis eruit. Bewaar dit voor als het ooit moet worden teruggebouwd.

STAP 5
Bevestig de montagebeugel voor het hitteschild aan het hitteschild met de meegeleverde bouten.

STAP 6 Breng de twee montagepennen aan op het hitteschild.

STAP 7 Knip de rubberen strips op maat en plaats ze op het hitteschild zoals aangegeven in de gebruiksaanwijzing.

STAP 8 Verwijder de bout van de accudeksel, plaats het hitteschild met de montagepennen in de daarvoor bestemde rubberen ogen en zet het hitteschild vast met de bout van de accudeksel.

STAP 9 Verwijder de luchtmassameter uit het oude luchtfilterhuis.

STAP 10 Leid de nieuwe luchtinlaatbuis door het hitteschild en steek deze in de luchtinlaat.

STAP 11 Plaats het voorgeoliede K&N-filter op de luchtinlaat. Zorg ervoor dat de luchtinlaatbuis en het filter vrij liggen en maak de slangklemmen vast.

STAP 12 Plaats de luchthapper terug.

STAP 13 Plaats de luchtmassameter in de luchtinlaatbuis, zet deze vast en plaats de stekker weer op de luchtmassameter. Maak de massakabel van de accu weer vast.
Een monteur krijgt de opdracht een Ford Transit Connect 1.5 TDCi (bouwjaar 2019, 22.711 kilometer) te onderzoeken. De eigenaar meldt dat de motor niet meer wil starten na een wasbeurt, ondanks dat de startmotor wel draait.
Foto’s:
Decoster,
Eerst wordt het storingsgeheugen van de regeleenheden uitgelezen met een diagnoseapparaat. Er worden geen foutcodes in de motorregeleenheid gevonden. Toch besluit de monteur een software-update uit te voeren, wat zonder expliciete instructie van de technische dienst niet wordt aanbevolen.
Vervolgens wordt de motorkabelboom gecontroleerd op schuurplekken of marterbeten, maar zonder resultaat. Om te testen of de motor mechanisch in orde is, wordt startvloeistof in de inlaat gespoten tijdens het starten. De motor loopt kort, wat bevestigt dat de distributieriem de nokkenas correct aanstuurt en het probleem waarschijnlijk in de brandstoftoevoer of elektronica zit.
Hoge spanning
De verkleurde connector van de regeleenheid geeft de oorzaak van de fout aan.
Bij verdere diagnose wordt een te hoge spanning op de raildruksensor gemeten, die zelfs na de startpoging hoog blijft. Dit wijst op een elektrisch probleem. Na loskoppeling van de sensor wordt 18 V gemeten, terwijl dit 5 V moet zijn. Dit duidt op een fout in de bedrading of de motorregeleenheid. Bij het loskoppelen van naburige actuators daalt de spanning tijdelijk, wat bevestigt dat er een onge-


wenste spanningstoename in het systeem zit.
De motorregeleenheid wordt vervolgens verwijderd en blijkt onder koelvloeistof te zitten. Nader onderzoek wijst uit dat de lekkage afkomstig is van een defecte koelvloeistoftemperatuursensor. Via de bedrading was de koelvloeistof door capillaire werking in de regeleenheid terechtgekomen, wat uiteindelijk de startproblemen veroorzaakte.
De oplossing: het vervangen van de koelvloeistoftemperatuursensor, de motorkabelboom en de motorregeleenheid. Na deze reparaties start de motor weer normaal.
• Voer geen onnodige software-updates uit zonder instructie van de technische dienst.
• Controleer altijd de bedrading bij onverklaarbare elektrische storingen.
• Houd rekening met capillaire werking bij vloeistoflekkages; deze kunnen de elektronica ernstig beschadigen.
Oplossingen voor allerlei startproblemen vind je in de AMT Reparatiewijzer.
SERMI is nu één jaar actief in Nederland. In de aanloop begon het geroeptoeter door de megafoons van partijen als BOVAG, aftermarket-onderdelenleveranciers en zelfs het door SERMI geselecteerde Trust Center Digidentity. Gouden bergen werden beloofd: kostenefficiëntie, onafhankelijkheid, ontzorging, tijdsbesparing en vertrouwen in het garagebedrijf.
In ons bedrijf Autodiagnose.eu doen wij dagelijks SERMI-gerelateerde handelingen en ik kan je vanuit die praktijk vertellen dat ik nog geen gouden berg gezien heb.
Wist je dat je voor iedere SERMI-handeling een dossier moet aanmaken waarin je aantoonbaar vastlegt: de verificatie van de identiteit van (1) de voertuigeigenaar, (2) het voertuig inclusief (3) een door de voertuigeigenaar ondertekende akkoordverklaring vóór aanvang van de SERMI-handeling en (4) een getekende reparatieorder na uitvoering van de SERMI-handeling? Allemaal na te lezen in paragraaf 6.3.6 van het SERMI-schema, waarvan je tijdens je SERMI-certificering hebt aangegeven dit na te zullen leven. En? Hoeveel dossiers heb je al aangemaakt?
En wat is dan een SERMI-handeling? In paragraaf 3.1.8 van het SERMI-schema staat dat het gaat om handelingen aan onderdelen gerelateerd aan diefstalbeveiliging of onderdelen die een rol spelen bij het volgen en traceren van het voertuig. Dus niet om onderdelen die diefstalgevoelig zijn, zoals onderdelen van ADAS-systemen die in 2024 door verschillende megafoons onterecht als SERMI bestempeld werden.
Geen enkele voertuigfabrikant koppelt SERMI aan een handeling


Wie bepaalt welke onderdelen dit precies zijn? Er is maar één partij die kan aangeven of er sprake is van een SERMI-handeling. Dat is de voertuigfabrikant. Ieder ander ontbreekt het aan voldoende inzicht.


De meeste voertuigfabrikanten hebben ondertussen een SERMI-login-proces. Overigens altijd bovenop de al bestaande login-processen. Dus tijdsbesparing? Nou nee, wel meer administratie. Geen enkele voertuigfabrikant koppelt SERMI waarneembaar aan een handeling. Het is dus voor een SERMI-gecertificeerd bedrijf niet mogelijk om vast te stellen of er sprake is van een SERMI-handeling. Dus een dossier aanleggen? Wanneer wel en wanneer niet? Of voor de zekerheid toch maar altijd?


Inmiddels kan ik pagina’s vullen met tenenkrommende SERMI-ervaringen. Ze zijn terug te voeren op (1) het ontbreken van regie op het speelveld van marktdeelnemers, voertuigfabrikanten, certificerende instellingen en Europese regelgeving, (2) een niet eenduidig SERMI-schema waarin zaken ontbreken, en (3) een SERMI-bouwwerk dat geen rekening houdt met de praktijk.


Als kers op de taart: zoek je contact met SERMI om onduidelijkheden in het SERMI-schema te verhelderen, dan verwijst deze organisatie je (na maanden aandringen) naar je certificerende instelling. Tja, daar zijn er drie van in Nederland en twintig in Europa. Krijgen we dan twintig verschillende SERMIimplementaties binnen Europa? Zou dat echt gaan zorgen voor kostenefficiëntie, onafhankelijkheid, ontzorging, tijdsbesparing en vertrouwen in het garagebedrijf? Of toch voor bergen? Nee, niet van goud, maar van papierwerk, rompslomp en onzekerheid.
Asim Saglam


Wendy en Asim Saglam zijn de ondernemers achter Autodiagnose.eu. Asim is onderzoeker in hart en nieren. Zijn passie is onontgonnen terrein verkennen bij het oplossen van complexe storingen. Wendy doet de bedrijfsvoering, zet Autodiagnose.eu op de kaart op sociale media én ontwikkelt technische workshops voor autobedrijven.































E-Peugeot in de werkplaats van Auto Haarhuis. Onder de kap een… Inderdaad!
Tekst: Erwin den Hoed, Foto’s: AMT
“We moeten samenwerken”, zegt Auto Haarhuis-aftersalesmanager Barry Hegeman. “Met elkaar en voor elkaar.” Dus organiseerde hij een kennisavond voor een groep samenwerkende autobedrijven in de regio Twente. Onderwerpen: HV-batterijreparatie en -balancering, hoe werkt de OnBoard Charger? En: revisie van die OBC. AMT was erbij. Verslag in drie delen.
De onboard-lader van de Opel eCorsa die het best aardig deed in de vorige workshop (zie: ‘Hoe werkt de OnBoard Charger’ in AMT 2) is berucht. Behalve in de Corsa zit deze lader in tal van andere Stellantis-EV’s en in al die auto’s toont hij zich notoir onbetrouwbaar. Fabrikant Mahle kent het probleem en heeft sinds 2020 al drie steeds verbeterde versies geïntroduceerd. Toch
monteert Stellantis in zijn nieuwste EV’s inmiddels een OBC van een ander merk.
Reversed engineering
Niet alleen Mahle, ook ACtronics houdt zich al langer met deze OBC bezig, vertelt Sander Fieten namens het Almelose elektronicarevisiebedrijf. “Autofabrikanten vertellen ons niets. Via reversed-engineering moeten wij uitvinden hoe zo’n appa-
raat functioneert. We zoeken uit wat er precies gebeurt in een goede unit en welke verschillende defecten zich voordoen in units die uitgevallen zijn. Voor al die defecten moeten we oplossingen vinden.” Bij deze Stellantis-OBC stelde ACtronics vijf verschillende defecten vast. Op een daarvan gaat Fieten dieper in. Hij wijst op twee doorgebrande vermogenstransistoren: “Als je dat vaststelt, moet je weten of

Nee, in deze piramide van Stellantis-OBC’s vind je geen mummies. Wel overleden elektronische onderdelen.
dat oorzaak of gevolg is. Je zou ze kunnen vervangen door een zwaarder type, maar dat schakelt weer langzamer, zodat je de kans op kortsluiting vergroot. Misschien moet er dus juist een lichter type in.”
Hoe oplossen?
Hoe ACtronics dit probleem heeft opgelost, wil Fieten niet vertellen, wel dát ze het probleem hebben opgelost. Net als die andere vier veelvoorkomende defecten.
Daarmee is de engineeringsafdeling van ACtronics nog niet klaar met het werk:
“Wat is de beste manier om zo’n OBC uit elkaar te halen? Hoe verwijder je de gel boven die vermogenstransistoren? Hoe soldeer je er andere weer perfect in? En dat niet één keer, maar 10.000 keer.”
Inmiddels hebben de vier ingenieurs die bij ACtronics aan deze OBC werken, ook op die vragen de juiste antwoorden gevonden.
Mooi, maar dan moet nog vastgesteld worden of die goed genoeg zijn? “We hebben een testunit ontwikkeld waarin we alle communicatie met de OBC kun-

Hoe demonteer je een OBC? En hoe assembleer je hem weer snel en goed? Voor een onderdeel een plekje krijgt in de catalogus van ACtronics moet op deze vragen een antwoord worden gegeven.

Een van de vijf veelvoorkomende defecten in de Mahle-OBC van Stellantis. Let op de MOSFET’s op de voorgrond. Ze zijn doorgebrand.
‘Fabrikanten vertellen ons niets, we moeten het zelf uitvinden’
nen simuleren, het koelsysteem kunnen aansluiten en dagenlang onder verschillende omstandigheden kunnen laden.”
Meer kwaliteit, minder euro’s Voor deze OBC nadert al dat werk nu zijn voltooiing. “Nog deze zomer staat hij in onze catalogus, tussen inmiddels al een reeks andere OBC’s.” En de prijs? “Een nieuwe kost ongeveer 1700 euro exclusief btw, die van ons de helft.” En nog een verschil: “Die van ons gaat niet meer stuk.”
Wat komt er kijken bij HV-batterijreparatie en -balancering in de werkplaats?
En: hoe werkt de OnBoard Charger? Dat zijn de onderwerpen uit deel één en twee in deze reeks. Scan de QR-codes en lees ze terug.


Al vijftig jaar leidt Jan van Poppelen het familiebedrijf dat zijn vader ooit als autohobby begon.
Wat begon als een kleine werkplaats is uitgegroeid tot een bloeiend autobedrijf in Reek.
Waarom koos Jan ervoor om zich aan te sluiten bij Autovakmeester?
Jan van Poppelen (bijna 65) werkt al vijftig jaar in het familiebedrijf. Jan: “Ik begon als vijftienjarige bij mijn vader, die eerst een boerderij runde en auto’s als hobby had. Zo ontstond ons autobedrijf.” Op tafel ligt een fotoboek met de rijke historie van het bedrijf, en aan de muur hangt een ingelijst APK-certificaat van 1985 Jan behoorde tot de eerste keurmeesters van Nederland. “Volgend jaar stop ik met de verlenging van mijn
APK-bevoegdheid” , zegt hij. “Sommige klanten zijn verbaasd dat ik hier nog steeds werk, maar velen van hen komen hier ook al dertig jaar.” Dat klantbehoud is terug te zien in de klantbeoordelingen. Via Klantenvertellen, een onderdeel van de Autovakmeester-formule, scoort het autobedrijf een indrukwekkende 9,6
De weg naar de juiste formule
In 61 jaar tijd heeft Autobedrijf Jan van Poppelen zich drie keer aangesloten bij een garageformule. “Ik wilde ergens bij horen” , vertelt Jan. “De eerste formule voelde te afstandelijk

en de tweede wilde in onze boekhouding meekijken. Daar ben ik niet van gediend.”
Jan zocht verder en kwam in contact met Autovakmeester, een formule van Alliance Automotive. Jan: “Ton Sieljes van Autovakmeester presenteerde het concept samen met onze grossier. We zijn erg tevreden. Formulemanager Angelo Mulder bezoekt ons regelmatig en lost problemen vaak met één telefoontje op.”
De toekomst van het familiebedrijf
Veel autobedrijven worstelen met continuïteit, maar Autobedrijf Jan van Poppelen heeft die uitdaging goed doorstaan. “We krijgen veel nieuwe klanten van garagebedrijven die stoppen. Slechts drie procent van de autobedrijven haalt de derde generatie” , zegt Jelle van Poppelen (22), die sinds een jaar met veel plezier in het familiebedrijf werkt. Hij rondde vorig jaar zijn opleiding aan IVA-Driebergen af en is actief betrokken bij de Autovakmeester-bijeenkomsten. Jelle: “We zijn allemaal vergelijkbare bedrijven en lopen tegen dezelfde uitdagingen aan. Samen kom je verder.”
De voordelen van Autovakmeester
Een van de grootste voordelen is TECH360, een standaard onderdeel van de Autovakmeester-formule. Jan, Jelle en hun drie technisch specialisten volgen de TECH360-opleidingen, inclusief NEN-9140 certificering. “TECH360 biedt praktijktrainingen en verzorgt Remote Service en Pass-thru-diensten. We hebben onbeperkt toegang tot de technische helpdesk en alle technische data” , legt Jan uit. Dankzij TECH360 houden universele autobedrijven hun omzet in de eigen werkplaats en voorkomen ze dat ze werk moeten uitbesteden aan dealers. Bovendien kunnen Autovakmeesters alle uren aan hun klanten met een gerust hart doorberekenen, want ze kennen geen verloren zoekuren meer.
Marketingondersteuning
Naast technische ondersteuning biedt Autovakmeester uitgebreide marketinghulp. Autovakmeester plaatst enkele keren per maand berichten op de Facebook- en Instagram-pagina’s van de aangesloten bedrijven. Youvia verzorgt de online vindbaarheid, inclusief de actuele adresgegevens en openingstijden. Ook krijgen Jan en Jelle marketingondersteuning in de vorm van een huis aan huis krant, promotiemateriaal en regionale en landelijke marketingcampagnes. Jelle: “Het maken

van onderhoudsafspraken is tijdrovend. Daarom stimuleren we klanten om dat online te doen. We verrassen uit die groep elke maand iemand met een dinerbon of een cadeaupakket van een lokale ondernemer. Zo helpen we elkaar.”
Groei en toekomstplannen
De omzet van het bedrijf is afgelopen jaren flink gestegen. Met de geplande uitbreiding van de showroom wil Jelle zich meer richten op de verkoop. Autovakmeester beheert een website voor Autobedrijf Jan van Poppelen, inclusief occasionaanbod en contentbeheer. Jelle: Ik heb het A- en B-segment geprobeerd maar ik denk dat het C-segment interessanter is.” Jelle verkoopt occasions met Excellent Garantie, een samenwerking met Autotrust. “Wij bieden auto’s van maximaal twaalf jaar oud en tot 200 000 km aan met zes of twaalf maanden garantie. Daarmee vangen wij veel risico’s af en het geeft kopers extra zekerheid.” De garantie geldt ook bij andere Autovakmeesters, ideaal voor kopers van buiten de regio.
Klantenbinding: een sterke troef Naast service en marketing is een goede klantenbinding essentieel. Met de Klantenkaart kunnen klanten gratis vloeistoffen bijvullen en deelnemen aan gratis zomer- en wintercontroles. Autovakmeesters bepalen zelf of ze die Klantenkaart verkopen, net zoals de Europese Pechhulpkaart van AA-Team. Wij bieden de Pechhulpkaart voor 49,95 euro aan onze onderhoudsklanten. Een aantrekkelijke optie” zegt Jelle.
Jan en Jelle zijn ook enthousiast over de 36 maanden garantie, inclusief onderdelen en arbeidsloon. Als iemand twijfelt over een reparatie, geeft die garantie vaak de doorslag.
Jelle: “De garantie is voor beide partijen een win-winoplossing. Zo houden we de klanten dertig jaar vast.”

Wat vraagt Autovakmeester van jou?
De voordelen van Autovakmeester zijn aantrekkelijk, maar wat zijn de voorwaarden? Autovakmeesters betalen 300 euro per maand, kopen voor 50 000 euro onderdelen bij Precisium- of PartsPoint-grossiers (exclusief banden)
en zijn lid van BOVAG Wil je meer informatie? Scan dan de QR-code voor meer informatie.
Dit artikel is gesponsord door Alliance Automotive Group.
Jelle werkt sinds een jaar in het familiebedrijf: “Slechts drie procent van de autobedrijven haalt de derde generatie.”

Tekst:
Peter Fokker
Foto’s:
Autofabrikanten
Met de invoering van BPM op lichte bedrijfswagens was al zeker dat je begin 2025 in die markt geen schroef zou verkopen: 81,6 procent verkoopdaling in maart, 75,5 procent over het eerste kwartaal.
Bij personenauto’s gaat de nieuwverkoop door negatieve marktomstandigheden ook al 10 procent minder in dat kwartaal.
Vorig jaar was de nieuwverkoop in het eerste kwartaal bij personenauto’s nog niet uitgesproken goed, zij het 4 procent beter dan in 2023. Nu zitten we 9,8 procent lager vergeleken met 2024. Een behoorlijke drukte met nieuwe modellen en van alle kanten voordelige aanbiedingen op nieuwe elektrische modellen kunnen dat niet verhoeden.
De economische vooruitzichten en algehele toestand in de wereld drukken de kooplust. Het lijkt niet dat daar snel verandering in komt. Terwijl autofabrikanten flink aan de bak willen om de voorlopig uitgestelde boetes op teveel CO2-vlootemissie te ontlopen. Dus volle kracht duwen achter zoveel mogelijk nieuwe elektrische auto’s.
Elektrisch/hybride zet door
Ook ACEA bericht dat de Europese autoverkoopcijfers dalen: met 3 procent, op basis van hun cijfers tot maart. De ver-

koop van elektrische auto’s steeg wel, net als hun marktaandeel, nu ruim 15 procent in de EU. Nog meer steeg de verkoop van hybrides; het aandeel van benzine/diesel daalde verder naar 38,8 procent (vergeleken met vorig jaar 48,5 procent).
Nederland volgt die trends, zij het dat elektrisch rijden bij ons een groter aandeel heeft dankzij betere laadmogelijkheden. In (kwartaal)cijfers: 35,3 procent elektrisch, 46,8 procent hybride en 16,5 procent benzine in de nieuwverkoop.
Kia veruit aan kop
Onveranderd gaat Kia stevig aan kop in de verkooplijst. Toyota weet zich goed te handhaven als derde grootste. BMW zit er weer goed bij, vrij kort achter Toyota. Maar de ontwikkelingen per merk zijn momenteel toch bepaald grillig. Volkswagen en Audi komen in het nieuws met pijnlijke ingrepen om het ne-
gatieve tij te keren, in Nederland verkopen ze, vergeleken met 2024, nu beter. VW staat zelfs weer op twee in de verkooplijst, waar ze eerder vaak onderin de top-tien te vinden waren. Lager dan Skoda, dat nu maar net op tien staat met ruim 32 procent gedaalde verkoop. Daar waar VW juist ruim 16 procent plust, maar nog steeds liefst vierduizend verkopen achter op Kia (6302 om 10.461 registraties). Dat is veel. VW ligt nog geen 400 verkopen voor op BMW. En maar 200 op Toyota, hoewel dat merk bijna 36 procent terugliep. Volvo valt ook terug, vijfde achter BMW, 41 procent minder geregistreerd. Renault (achtste) blijft voor op Peugeot, daartussen staat nog Hyundai dat 25,5 procent terugging in de verkoop.
Chinese concurrent is BYD Ford haakt juist weer aan, eindelijk terug in de top-tien, als negende, met


56 procent verkoopgroei, in niet geringe mate dankzij de Explorer EV. Zo’n opsteker ontbreekt nog steeds bij Opel, ver verwijderd van de top-tien. Van alle andere Stellantis-merken gaat het nu alleen beter bij Alfa Romeo, dankzij de nieuwe Junior.
Kijken we naar de met 7,9 procent gegroeide elektrische markt, dan staat Tesla toch weer op twee en drie met zijn Model 3 en Y. Het Kia-succes zit mede in de goed ontvangen EV3, de meest verkochte EV. Ineens niet meer te zien: de Volvo EX30.
De dreiging uit China is makkelijk te vinden: het uitgebreide gamma van BYD. Anderen uit die regio blijven een stuk kleiner, velen groeien ook niet. Maar 760 BYD’s in het eerste kwartaal is ongeveer evenveel als de Tesla 3 of de Tesla Y in alleen maart. Het is nog niet in Nederland dat BYD het nakijken geeft aan Tesla.
Lang leve de benzine, of niet?
Om kort te gaan, de opmars van elektrisch gaat lang niet zo hard als gehoopt. Niet zoals nodig is om over tien jaar niks anders meer te verkopen. Met elektrische bestelbusjes zal het ook niet direct hard gaan, na een tsunami van nieuwe dieselbusjes. Hybrides zonder stekker zien velen wel zitten. Als het met stekker moet, lijkt de koper veel eerder voor een volle EV te gaan. Overheden staan nu bepaald niet te springen om ruim te spenderen aan stimulering van elektrisch rijden. Zelfs de Formule 1 lijkt te twijfelen of meer elektrisch op korte termijn wel de goede weg is.
CO2-rechten kopen
Het is een zeldzaamheid dat autoverkoop direct lijdt onder het gedrag van de hoogste man bij een merk. Niet zo ongewoon dat de verkopen bij Tesla met flinke pieken en dalen gaan. En het kan dat modelwisseling bij Model 3 en Model Y nu net de verkoop drukt.
Maar toch. De eerste drie maanden brachten Tesla -42, -23 en -61 procent verkoop. Na december 2024 met 148 procent winst en over heel 2024 55 procent groei, is er in het eerste kwartaal nu 49,7 procent krimp. Tesla weg uit de verkoop-top-tien, nu net iets kleiner dan MercedesBenz. Kan het toeval zijn dat de enorme omslag in succes precies samenvalt met het aantreden van een zekere president en een nieuw baantje erbij voor Elon Musk?
Onveranderd gaat Kia stevig aan kop in de verkooplijst
De autowerkplaats zal nog héél lang aan verbrandingsmotoren blijven sleutelen. Hoewel, voorzichtig dient zich de volgende paniek aan: CO2-emissieplafonds voor transport en gebouwde omgeving vanaf 2027, dus handelen in CO2-certificaten, zoals nu al in bepaalde industrietakken. Dat gaat ook gelden voor benzine. Volgens een Duits nieuwsartikel zou die op slag een kwartje per liter duurder worden.
Nog meer neerwaartse druk op de autoverkoop? Of flinke stimulans om maar snel elektrisch te rijden? ‘Zo onzeker als Trump’, kunnen we dat als nieuw spreekwoord invoeren?

ACtronics reviseert wekelijks 150 tot 200 antiblokkeersystemen
Hoewel antiblokkeersystemen niet als bijzonder storingsgevoelig te boek staan, komen er bij ACtronics in Almelo wekelijks postkarren vol ABS-units binnen voor een revisie. Met als resultaat een aanzienlijke financiële besparing zonder concessies te doen aan de kwaliteit.
Thijs Kamp, bij de Almelose elektronicaspecialist onder meer verantwoordelijk voor de marketing, wil de grote aantallen ABS-units graag toelichten: “Als we het alleen van de Nederlandse markt moesten hebben, zouden we op een aanzienlijk geringer aantal revisies uitkomen. Die zouden ook duurder zijn omdat we door de grote aantallen een soort van serieproductie hebben kunnen opzetten. We zijn in vrijwel geheel Europa bekend. Je zou zomaar een
garage op het Spaanse platteland kunnen binnenlopen waar ze niet vreemd opkijken als je de naam ACtronics roept; we hebben overal zogeheten servicepoints. Daarnaast is er al jarenlang een vestiging in Colchester, ten noordoosten van Londen. Die opereert volledig zelfstandig en bestond ook al voor de Brexit.”
Schoon werken ACtronics is gevestigd in een hypermodern pand dichtbij de A35. Bij binnen-

komst zie je smetteloos witte jassen in plaats van blauwe overalls met vetvlekken die je zou verwachten. Thijs Kamp lijkt de verrassing van mijn gezicht af te lezen: “Ja, het heeft hier wel wat weg van een laboratorium, de gemiddelde autowerkplaats ziet er heel anders uit. Schoon werken en de allergrootste precisie zijn hier cruciaal. Het is niet de omgeving waarin Leon Kleine Staarman, onze oprichter, is opgegroeid. Als kind liep hij al rond in het autodemontagebedrijf van zijn vader en raakte daar gefascineerd door techniek. Het waren ook de sloopactiviteiten die hem bewust maakten van de bij moderne auto’s steeds groter wordende hoeveelheid elektronische componenten. Daar was, tweedehands, vanuit de garagewereld volop belangstelling voor.”
“Leon dacht echter een stadium verder: zou het niet veel beter zijn om die onderdelen te reviseren? Stel je voor, weer net zo betrouwbaar en functioneel als nieuw, maar voor een fractie van de prijs. Bovendien zou er op die manier minder worden weggegooid, heel belangrijk gezien de groeiende aandacht voor het milieu”, vertelt Kamp.
“In 2004 begon Leon met een klein team van technici met onderzoek naar het reviseren van ECU’s, spoedig gevolgd door andere elektronische onderdelen. Een jaar later werd ACtronics opgericht. Twintig jaar later heeft het bedrijf 130 medewerkers.”
In dit artikel draait het om de revisie van ABS-systemen, maar volgens dezelfde seriematige werkwijze krijgen in Almelo ook BCM’s, gasklephuizen, instrumenten-

De ECU is de meest storingsgevoelige component van een ABS-unit

panelen, displays en aanverwante elementen, boordladers, TCU’s en turbo-actuators een tweede leven.
Native speakers
Thijs Kamp vertelt dat klanten op de website van ACtronics in hun eigen taal kunnen opzoeken of het betreffende onderdeel voorkomt in de duizenden varianten omvattende catalogus – die er ook op papier is – en dan meteen zien wat de revisie kost.
“Dan verpakken ze het onderdeel en versturen dat via UPS. In Nederland hebben wij zo’n onderdeel dan uiterlijk na 24 uur binnen, vanuit het buitenland duurt het een dag langer. Mochten buitenlandse klanten direct contact met ons willen opnemen, dan worden ze te woord gestaan door native speakers.”
“Een ABS-unit bestaat uit drie componenten”, vervolgt Thijs, “de ECU ofwel motorcomputer, de HCU of hydraulisch blok en de mechanische pompmotor.

We beginnen met een optische controle. Bij een duidelijk zichtbare waterschade of aantasting door koelvloeistof heeft het geen zin om te reviseren. Bij een kapotte behuizing – het komt gelukkig maar zelden voor – hebben vocht en vuil vrij toegang en dat is funest voor een blijvend goede werking. Soms zijn beschadigingen het gevolg van een slechte verpakking bij het verzenden, een stukje pakpapier eromheen is écht niet voldoende”, zegt Kamp met een serieuze blik.
Duurkoop
Is er geen ernstige zichtbare schade, dan wordt eerst een barcode aangebracht
De bedrijven die zich bezighouden met ABS-systemen, reviseren gewoonlijk ook andere elektronische componenten, van dashboards en displays tot ECU’s en TCU’s:
• Carmo Electronics, Helmond, auto’s en motoren, www.carmo.nl
• DSG Tronics, Huissen, auto’s, dsgtronics.nl
• ABS Stuurapparaten, Heemskerk, auto’s en motoren, www.absstuurapparaten.nl en www.abspompspecialist.nl
• Ecu Repair Centre, Mierlo, auto’s en motoren, www.ecu-rc.nl
• KMS, Apeldoorn, auto’s, eventueel reparatie en diagnose op afspraak binnen bedrijf, www.kms-apeldoorn.nl
Het eerste antiblokkeersysteem is in 1908 getest op een trein. Daarna volgen talloze andere experimenten. De doorbraak komt begin jaren vijftig met het mechanische Dunlop Maxaret-systeem. Op vliegtuigen is het een remedie tegen klapbanden en afgeplatte loopvlakken. Maxaret wordt ook toegepast bij enkele auto’s, waaronder de peperdure Jensen Interceptor FF. Voor grootschalig gebruik is het te ingewikkeld.
Het moderne antiblokkeersysteem is in 1971 bij Fiat uitgevonden door Mario Palazzetti, die het Antiskid noemt. Bosch koopt het patent, perfectioneert het systeem en noemt het ABS. De Lincoln Continental Mark III van 1969 is de eerste serieauto met een (optioneel) ABS, alleen op de achterwielen. In 1971 wordt het standaard, ook op de Ford Thunderbird. Europa volgt voorzichtig, eerst vooral bij vrachtwagens. De Mercedes-Benz S-Klasse van 1978 heeft als eerste in grotere aantallen gebouwde personenwagens een Bosch-ABS als optie. In 1985 wordt ABS standaard bij de Ford Scorpio, Auto van het Jaar 1986. De BMW K100 zorgt in 1986 voor een ABS-motorprimeur. In de jaren negentig wordt ABS steeds meer gemeengoed. ABS is sinds 2004 verplicht op auto’s, in 2016 gevolgd door motoren en quads boven de 125 cc.
‘Reviseren kan een voordeel opleveren tot wel 80 procent’
zodat nooit verwarring kan optreden omtrent de identiteit van het onderdeel. Dan volgt een zogeheten entry-test. “De ABSunit wordt dan aan een testkast gekoppeld die de bijbehorende auto simuleert. In de regel zien we dan dezelfde fout of fouten die de opdrachtgever heeft geconstateerd. Heel af en toe ziet de testkast geen afwijkingen terwijl in de garage wél een systeemfout is geconstateerd. Vaak zijn de wielsensoren de boosdoener, met imitatiedelen bovenaan. Wij adviseren bij zulke sensoren om altijd voor het
origineel te gaan, goedkoop is heel vaak duurkoop.”
Beter dan nieuw
De seriematige revisieprocedure kwam al kort ter sprake. De ECU is de meest storingsgevoelige component van een ABSunit. Is tijdens de analyse vooraf een mankement ontdekt, dan wordt de ECU in een frame geklemd en in een robot geplaatst die de behuizing tot op een fractie van een millimeter nauwkeurig opensnijdt. Thijs Kamp: “Dit is de enige manier om de behuizing na de reparatie van de elektronica perfect, bijna onzichtbaar dicht te kunnen lijmen. Bij handmatig zagen wordt dat nooit mooi.”
“Is de behuizing open, dan kunnen verbroken verbindingen op de printplaat of een defect stukje elektronica worden gerepareerd”, krijgen we te horen als een

ACtronics-expert ons een blik op een printplaat gunt. “Breuken in verbindingen repareren we altijd dubbel. Mocht dan ooit toch nog weer een nieuwe breuk optreden, dan blijft er een reservecontact over. Beter dan nieuw, durf ik te stellen! Wist je dat de meeste elektronische storingen optreden als het weer omslaat? Door sterke temperatuurwisselingen krijg je krimp- en uitzetreacties, met verbroken verbindingen als resultaat.”
Nauwelijks
In de praktijk blijkt de storingsgevoeligheid bij de verschillende fabrikanten van ABScomponenten nauwelijks te verschillen. Thijs Kamp: “ATE en Bosch zijn de belangrijkste leveranciers. Bij geen van deze merken is er aanleiding tot klachten over typische problemen of de algehele kwaliteit.” Soms moeten er onderdelen worden vervangen. Volgens Kamp is dat maar zelden een probleem: “Van de chiptekorten enkele jaren geleden hebben we nauwelijks last gehad. Wat we nodig hebben, kunnen we inkopen. We kunnen vrijwel alle ABS-units reviseren die de afgelopen twintig jaar, zeg maar vanaf de start van ons bedrijf, in gebruik waren. De systemen zijn echter wel steeds verder ontwikkeld, denk bijvoorbeeld aan koppelingen met een ESP en dergelijke. Autofabrikanten vinden het maar niks dat onderdelen worden gereviseerd, ze verkopen ze liever nieuw. Reken er dus niet op dat je bouwtekeningen en technische gegevens van ze krijgt”, zegt Thijs.
Geheim houden
“De systemen zijn in de loop der jaren veel ingewikkelder geworden, mede


Een microscoop is onontbeerlijk. Het ESD-polsbandje beschermt elektronische componenten tegen schade door elektrostatische ontlading.
door strengere veiligheidsvoorschriften. Alles is ook steeds meer versleuteld en ‘ingegoten’, waardoor je er lastiger bij kunt komen. Onze R&D-technici weten echter hoe ze complexe structuren moeten analyseren. Reverse engineering is voor hen een soort tweede natuur. Tevens wordt de testapparatuur alsmaar slimmer. Zo lukt het steeds weer om te analyseren welke componenten zijn gebruikt, welke schakelingen zijn toegepast en wat er verder van belang is voor de optimale werking van bepaalde onderdelen.”
Thijs Kamp ziet wel ontwikkelingen die het moeilijker zullen maken om technische informatie geheim te houden. “De Europese overheid streeft naar minder afval en dus ook naar repareren in plaats van vervangen. Het angstvallig geheim houden van essentiële gegevens druist daar tegenin. In Frankrijk is er sinds kort wetgeving die meer mogelijkheden moet geven op dat gebied en Brussel is er ook mee ook bezig. Als er in Europees verband wetgeving komt in het kader van the right to repair, moeten fabrikanten de relevante informatie openbaar maken en wordt reviseren gemakkelijker. Dat is goed nieuws voor de consument én voor het milieu.”
Tot tachtig procent besparing Het zal duidelijk zijn: voor de consument is reviseren aanzienlijk goedkoper dan nieuw kopen. Een blik in de 224 pagina’s tellende revisiecatalogus van ACtronics leert dat de prijzen uiteenlopen van 200 tot 300 euro, met enkele uitschieters in beide richtingen. Bijna vanzelf rijst dan de vraag hoe groot de besparing is.

Autofabrikanten leveren geen schema’s en technische gegevens van elektronische componenten. Door reverse engineering slagen de R&D-technici er toch in de geheimen te achterhalen.
Thijs: “Reviseren kan een voordeel opleveren tot wel 80 procent; je wilt niet weten wat nieuwe onderdelen soms kosten! Daarnaast kun je met reviseren auto’s mobiel houden waarvoor geen originele ABS-units meer leverbaar zijn. Volgens de Europese wetgeving hoeft een autofabrikant geen onderdelen meer te leveren als een auto langer dan tien jaar uit productie is. Soms trekken ze de stekker er echter al eerder uit, denk bijvoorbeeld aan modellen waarvan er niet zo veel zijn verkocht. Voor ons is het geen probleem om zo’n uit productie genomen ABS-unit te reviseren, ook niet als er onderdelen nodig zijn. Die zijn vrijwel altijd bij meerdere ABS-units toegepast en zodoende niet uniek. Maar, zoals gezegd, het begint bij ons in 2004, echt oude systemen hebben we niet in het programma.”
Nee verkopen
Het zal inmiddels duidelijk zijn dat de technici van ACtronics niet graag nee verkopen. Gebeurt het dan helemaal nooit dat een klant toch op zoek moet gaan naar een nieuwe of tweedehandse ABSunit? Thijs Kamp lacht. “Tja, wonderdokters hebben we hier niet in huis, al lijkt het er soms wel op. Wanneer koelvloeistof naar binnen is gelekt, beginnen we er niet aan. Extreme waterschade betekent ook einde oefening, evenals brandschade. Wij geven op al onze gereviseerde onderdelen twee jaar garantie. Dat kan omdat we streven naar nieuwstaat en geen concessies doen als de basis niet honderd procent in orde is.”
ACtronics doet alleen zaken met bedrijven. Daarnaast zijn er de servicepoints. Thijs Kamp: “Via www.ACtronics.nl kan iedereen, dus ook de particulier, opzoeken of we de mogelijkheid hebben om een bepaalde ABS-unit of andere elektronische component te reviseren. Is dat het geval, dan kun je via dezelfde website een servicepoint in de eigen omgeving zoeken. Zo’n bedrijf volgt dan dezelfde procedure als bij een revisiegeval uit de eigen werkplaats en kan de klant precies vertellen wanneer hij de gereviseerde ABS-unit terug kan verwachten.”
Vijfduizend servicepoints
ACtronics heeft in Europa rond de vijfduizend van die servicepoints, zegt Kamp. “Het zijn steunpilaren waar we heel zuinig op zijn. We besteden veel aandacht aan kennisdeling, onder met uitgebreide diagnose-adviezen. Verder geven we lezingen over auto-elektronica. Informele activiteiten om de onderlinge contacten te verstevigen organiseren we ook, zoals de ACtronics Tourrally. Kijk je dan naar de auto’s die meerijden, dan weet je dat er bij veel bedrijven echte liefhebbers aan het werk zijn, die niet gauw uitgepraat raken over hun passie. Het deelnemersveld is heel gevarieerd. Voor de puntentelling verdelen we de auto’s altijd in drie categorieën: moderne auto’s, youngtimers en klassiekers.”
Klinkt logisch, al zou je er gezien de activiteiten van ACtronics ook ‘Met ABS’, ‘Soms met ABS’ en ‘Nooit met ABS’ van kunnen maken.
De Europese automotive-aftermarket digitaliseert in hoog tempo. Maar zonder heldere regelgeving voor voertuigdata lopen innovaties en werkplaatsen vast, waarschuwen brancheorganisaties.
De Europese automotive-aftermarket verandert snel door elektrificatie, software-updates, nieuwe vormen van onderhoud en data-uitwisseling.
Maar één ding houdt de sector in zijn greep: toegang tot voertuigdata. Die data zijn nodig voor onderhoud, reparatie en innovatie. Toch blijft de wetgeving hierover achter. Tijdens de CLEPA Aftermarket Conference 2025 werd duidelijk: zonder actie vanuit Brussel raakt de sector op slot.
Data Act is niet genoeg
Wetgeving moet zorgen voor échte toegang tot data voor de universeel, en daarmee een gelijk speelveld.
Een van de grote onderwerpen was de Data Act van de Europese Commissie. Die wet moet regelen wie toegang krijgt tot welke data in de EU. Antonio Biason (DG CNECT) bevestigde in zijn keynote dat de wet vanaf september van kracht wordt. Maar voor voertuigen schiet de wet tekort.
“De Data Act sluit cruciale voertuigdata uit”, zegt CLEPA-marktadviseur Frank Schlehuber. “Data over rijgedrag, onderhoud of foutcodes zijn essentieel voor
werkplaatsen en leveranciers. Als die informatie alleen bij autofabrikanten blijft, kunnen anderen hun werk niet goed doen.”
Volgens CLEPA is daarom aanvullende wetgeving nodig. Een Data Act 2.0 die specifiek ingaat op toegang tot voertuigdata. Daarbij moet ook worden geregeld dat onafhankelijke werkplaatsen toegang houden tot de boorddiagnose. Zonder die toegang kunnen ze geen storingen uitlezen of onderdelen vervangen.
Geen innovatie zonder data De noodzaak voor goede wetgeving werd onderstreept door tien startups die hun technologie presenteerden op de conferentie. Ze lieten zien hoe software, AI en data-analyse het werk in de aftermarket kunnen verbeteren. Van batterijmonitoring tot het voorspellen van onderhoud op basis van rijgedrag. Volytica Diagnostics, een Duits bedrijf dat batterijdata uitleest en analyseert, won de prijs voor de beste pitch. “Onze software kan precies aangeven wanneer een EV-batterij onderhoud nodig heeft of

moet worden vervangen”, vertelde Paula Schwertzler van Volytica. “Maar zonder toegang tot realtime data uit het voertuig werkt dat niet.”
Ook andere startups benadrukten dat technische innovatie in de aftermarket valt of staat met toegang tot de juiste gegevens.
Beschermen tegen hacks
Cybersecurity was een tweede groot thema. Want hoe bescherm je moderne voertuigen tegen hacks zonder dat je werkplaatsen buitensluit? Tijdens een paneldiscussie werd duidelijk dat de belangen soms botsen. Beveiliging mag geen excuus worden om toegang tot de boorddiagnose te blokkeren, vinden meerdere sprekers. “Als je alles dichttimmert, kunnen onafhankelijke werkplaatsen hun werk niet meer doen”, aldus Schlehuber. “Dan stijgen de prijzen, daalt de concurrentie en is de consument de dupe.”
De huidige regelgeving, zoals EU-verordening 858/2018, geeft werkplaatsen bepaalde toegangsrechten. Maar in de praktijk wringt het. Autofabrikanten wijzen op beveiliging, maar beperken zo ook de toegang tot foutcodes en software-updates. CLEPA wil daarom dat Annex X, het deel van de wet dat hierover gaat, grondig wordt herzien.
Oproep aan Brussel
Waar fabrikanten al veel data binnenhalen en gebruiken, moeten leveranciers en werkplaatsen het vaak doen met beperkte of geen toegang. Dat belemmert niet alleen reparaties, maar ook nieuwe diensten, zoals onderhoud op afstand of prestatieanalyses van voertuigen. Als het aan de aanwezigen in Brussel ligt, verandert dat snel. De roep om een open data-ecosysteem klinkt steeds luider. Een ecosysteem waarin alle partijen met legitieme belangen – van fabrikant tot universele garage – toegang krijgen tot de gegevens die ze nodig hebben.




















































Mercedes-Benz bouwt in Sindelfingen een state of the art lakstraat. Die halveert het energieverbruik en draait op AI, digitale twins en gerecycled bouwmateriaal.
Mercedes-Benz investeert honderden miljoenen euro’s in een volledig elektrische en grotendeels geautomatiseerde lakstraat in Sindelfingen. De Next Generation Paintshop moet in het voorjaar van 2028 operationeel zijn. De lakstraat beslaat 170.000 m2 en komt op de plek van de oude assemblagehal 36. Onder de hal ligt gerecycled beton van het vorige gebouw. Daarmee voorkomt
Mercedes niet alleen afval, maar vermindert het ook de uitstoot tijdens de bouw.
250 robots
Nu nog een kale vlakte, in 2028 is hier de nieuwe, ultramoderne Next Generation Paintshop in gebruik.
De verflijn is uitgerust met 250 robots. Deze robots zijn aangesloten op MO360, het digitale ecosysteem van MercedesBenz, waardoor alle productiedata in realtime beschikbaar zijn voor de medewerkers. Dit maakt het mogelijk om de lakprocessen efficiënt te monitoren en aan te passen, wat de kwaliteit optimaliseert. Dankzij een digitale tweeling wordt het bouwproces versneld en kan het systeem virtueel worden getest voordat het fysiek wordt opgestart.
Het verbruik van water daalt met meer dan de helft. Afvalwater wordt bovendien volledig hergebruikt. Uitstoot van schadelijke stoffen daalt met 60 procent. Om energie te besparen, gebruikt Mercedes restwarmte uit het productieproces, in combinatie met warmtepompen en zonnepanelen op het dak (20.000 m2). Ook komt er 7000 m2 extra groen rond het gebouw, inclusief een park van 1200 m2. Dit draagt bij aan de biodiversiteit en verbetert de luchtkwaliteit. De fabriek, die dit jaar het 110-jarig bestaan viert, ligt naast de hallen waar de S-Klasse, Maybach en EQS worden gebouwd.
Slimme laktechnologie
De nieuwe lakstraat maakt gebruik van geavanceerde laktechnologieën. Zo zijn er hightech reinigingsbaden voor het grondig reinigen van de carrosserieën, geavanceerde drop-on-demand-technieken voor het aanbrengen van de lak, en corrosiebeschermingstechnologie om de voertuigen te beschermen tegen externe invloeden. De intelligente energiebe-

Mercedes-Benz geeft signaal af: Sindelfingen blijft kloppend hart
heersystemen, aangedreven door software van de strategische partner Dürr, moeten ervoor zorgen dat de productie met minimale energieverspilling draait.
Bijna symbolisch werd de eerste steen gelegd vlak nadat de Verenigde Staten dinsdag 2 april na het sluiten van de beurzen de invoerheffingen bekendmaakten en een handelsoorlog ontketenden. Iets wat in Europa, economische motor Duitsland en de deelstaat BadenWürttemberg met lede ogen aangezien wordt. Maar het is tegelijk een kans, benadrukt de minister van Economische Zaken en Werkgelegenheid van de deelstaat, Nicolette Hoffmeister-Kraut. “De situatie is uitdagend. Onze auto-industrie kampt met overproductie en hoge kosten. Maar we moeten onze toekomst zelf gestalte geven. Dat hoeft niet altijd op Europees of nationaal niveau, maar kan ook op regionaal niveau, zoals hier.”
Geen CO2-boetes
Wat zij en andere bestuurders benadrukken, is dat de auto-industrie juist nu behoefte heeft aan ondersteuning en vertrouwen vanuit de politiek. En niet aan CO2-boetes. “Geldstraffen voor onze autofabrikanten zijn desastreus wanneer tegelijkertijd enorme investeringen in nieuwe technologie verlangd worden.” Dat geld, benadrukt de minister, moet terugvloeien naar de industrie om investeringen te kunnen doen.

1
Wie: Rudi en Mariska Vlassak
Sinds wanneer: 2018
Waar: Budel


Wat vind je het leukste aan je werk?
Naast het sleutelen aan auto’s vind ik het persoonlijke contact met de klanten prettig. Zeker omdat we met een klein team zijn, staan we altijd direct in contact met de klant. Het blijft fijn om de klant met een goed en tevreden gevoel weer op weg te helpen.
2
Zijn jullie het bedrijf zelf gestart?
Met 25 jaar ervaring als basis zijn we in 2018 begonnen met Totaal Auto Budel. Het begon met één werkbrug in de hal van het bouwbedrijf van onze broers en zwagers, maar dit werd al gauw uitgebreid. In maart 2021 werd ’t Inne 18 in Budel de nieuwe locatie voor het bedrijf met een grote werkplaats inclusief drie hefbruggen, een eigen magazijn, een bandenapparaat én een ruime opslag van banden. Door deze ruime werkplaats konden we ook gaan sleutelen aan bedrijfswagens, campers en aanhangers. Daarmee konden we onze klantenkring nog verder uitbreiden.
3
Wat is jullie specialisatie?
Wij zijn gespecialiseerd in bedrijfswagens en alles wat daarmee te maken heeft. Denk aan imperialen en inrichting. En daarnaast denken we
graag mee met de klant en is dat stiekem ook wel een specialisme geworden: weten wat de klant wil. We ambiëren geen kwantiteit maar kwaliteit!
4
Waar zijn jullie het meest trots op?
Dat we in een paar jaar tijd een mooi bedrijf hebben opgezet met een trouwe klantenkring, met zowel particuliere als zakelijke klanten. Het contact met de klanten is duidelijk en de lijnen zijn kort. Daarnaast hebben we een fijn, maar vooral ook kleinschalig team. Na zijn stageperiode als BBL-leerling is onze werknemer en collega Bram bij ons gebleven. Hij werkt inmiddels al twee jaar bij ons. Met z’n drieën vormen we Carteam Totaal Auto Budel.
5
Waarin zou je willen investeren?
Een uitlijnapparaat. Dat werk moeten we nu nog uitbesteden. Ook willen we ons bedrijf meer inrichten op de EV.
6
Hoe ziet jouw zaak er over vijf jaar uit?
We zijn heel tevreden over waar we nu staan. We kennen de klant en de klant kent ons. We ambiëren geen groter bedrijf, maar gaan graag op
‘We ambiëren geen kwantiteit maar kwaliteit’
deze voet verder. Over vijf jaar zien we nog steeds een kleinschalig familiebedrijf voor ons, want zelfs de jongste telg van de familie (Thijs van 14) is al vaak te vinden in de garage, waar hij graag aan het werk is. En ook hij kent al heel wat klanten persoonlijk bij naam en de klanten kennen hem.
7
Als ik geen bedrijf had dan... ... was ik zeker wel automonteur of zat ik in de motorrevisie.
8
Wat zou je willen veranderen in de autobranche?
Het werk wordt steeds gespecialiseerder en daardoor duurder, wat niet altijd goed uit te leggen is aan de klant. Ook hoop ik op een betere samenwerking tussen dealer en universeel. Laten we er samen een mooie autobranche van maken. Jonge mensen zelf opleiden zou ook een mogelijkheid moeten zijn. De samenwerking tussen technische scholen en de praktijk zou meer op elkaar moeten zijn afgestemd.
9
Heb je een tip voor andere ondernemers? Blijf jezelf. Daar heeft de klant wat aan.
Nederland heeft een behoorlijk grote automotive-industrie, vooral rond de regio Eindhoven-Helmond. Niet voor niets is Fontys juist daar een hboopleiding Automotive gestart.
De hbo-opleiding Automotive van Fontys Hogeschool bestaat sinds 2014. De opleiding werd gestart door de Pedagogisch Technische Hogeschool, die al jaren een lerarenopleiding voor docent autotechniek aanbood. Daar was men zich ervan bewust dat er een groot aantal automotivebedrijven in de omgeving zaten, zoals DAF, VDL, NPS Driven, Brace Automotive, Inalfa Roof Systems en Hyster-Yale, om er een paar te noemen. Die bedrijven hebben behoefte aan engineers voor hun ontwikkelingsafdelingen.
Tot dan toe was de HAN Automotive (Hogeschool Arnhem en Nijmegen) eigenlijk de enige die dit soort opleidingen op hbo-niveau verzorgde, maar het lag voor de hand om deze opleidingen ook in het hol van de leeuw te gaan aanbieden, op het terrein van de Technische Universiteit (TU) in Eindhoven.
Laagdrempelig
De automotive-opleiding van Fontys staat goed aangeschreven: “We hebben een uitstekende beoordeling op StudieKeuze123 gekregen”, aldus Frank Steeghs, stage- en afstudeercoördinator van de opleiding. “Over het algemeen waarderen studenten

het dat we laagdrempelig zijn. De docenten drinken koffie samen met de studenten, waardoor ze goed aanspreekbaar zijn. Tussen de ochtend- en middagsessies zit anderhalf uur, waarin studenten kunnen werken maar ook met docenten kunnen spreken. Daarnaast kiezen studenten voor ons omdat we meer op de techniek zijn gericht dan de HAN, die wat meer naar de bedrijfskunde neigt. Wanneer je dat wil, kan dat bij ons ook, daarvoor bieden we een aparte opleiding Automotive Management aan.”
Engineers
Op de hogeschool in Eindhoven worden dus geen monteurs maar engineers opgeleid: “Een monteur lost een probleem met een enkele auto op”, zegt Robert Jansen, docent Automotive Engineering. “Een engineer zoekt naar oplossingen voor een voertuig dat nog ontwikkeld en geproduceerd moet worden, of verbetert iets aan een voertuig dat al in productie is. Dat is een stuk complexer. Studenten krijgen hier ook praktijklessen, maar die dienen voornamelijk als ondersteuning voor het theoretische deel. In principe is de vooropleiding dan ook havo/vwo, maar je ziet hier ook wel mbo- en bbl-stu-
denten die hogerop willen. Vooral studenten die diagnose of elektrotechniek hebben gedaan, willen vaak verder studeren. Daarnaast zien we studenten die aan de TU/e zijn begonnen, maar dat te theoretisch vinden.”
Divers curriculum
Je zou verwachten dat een moderne opleiding automotive-engineering zich voornamelijk focust op elektrisch transport, maar dat is zeker niet zo. “Zeker in de transportsector zijn er nog veel verbrandingsmotoren. Dat is dan ook nog altijd een deel van de opleiding. Ten opzichte van andere automotive-opleidingen zijn we iets meer mechanisch georienteerd, al besteden we steeds meer aandacht aan elektrisch transport. Future Powertrain en Smart Mobility zitten bijvoorbeeld ook in ons curriculum.”
“We besteden veel aandacht aan controle-elektronica, softwareontwikkeling en rekenen aan elektromotoren, daarnaast zijn we bezig met hoogvoltbatterijen, onder andere met het bedrijf Hyster-Yale. In het bedrijfsleven is men zoekende hoe ze die het beste kunnen maken en toepassen en hoe ze de state of health (SOH) kunnen bepalen van een batterij. Wij



doen daar onderzoek naar en hebben daar zelfs een nieuwe docent voor aangenomen, die juist veel kennis heeft van batterijsystemen.”
Nieuw vakken
Een van de nieuwe, belangrijke vakken is Energy Modeling: “Hoe moet je een elektrische vrachtwagen runnen? Hoever komt een truck op één lading, waar kun je laden, wat is dan de beste route om de beste transportprestatie te leveren? DAF heeft hier zelfs een speciale afdeling voor opgericht”, aldus Robert Jansen.
Een ander onderwerp is de smart grid: “We hebben een Polestar gehackt om ook energie uit de batterij te kunnen ha-
len. Als demonstratie hebben we er een frituurpan op aangesloten. Bi-directioneel laden wordt zeker interessant nu de saldering van zonnepanelen stopt en je voor terugleveren moet betalen. Je kunt beter je auto en je huis koppelen en de energie tijdelijk opslaan in je autobatterij, om later in je huis te gebruiken. Dat kan nog maar met weinig auto’s en vooral de zakelijke markt is daar niet blij mee, want zakelijke rijders hebben hun laadpas. Die kunnen de auto dan onderweg laden en thuis leegtrekken.”
Baan
Tijdens de studie moeten de studenten stagelopen bij een bedrijf en kunnen
‘We hebben een
Polestar gehackt om energie uit de batterij te kunnen halen’
bijvoorbeeld de minor Electric Drive volgen. “Learning on the job is heel nuttig, de samenwerking met het bedrijfsleven is daarom ook enorm belangrijk voor ons”, aldus Frank Steeghs.
“Tijdens de Fontys Automotive-minors doen studenten zeer uiteenlopende projecten. We hebben iemand die een minor batterijreparatie wil doen. Er heeft iemand geholpen bij de ontwikkeling van een elektrische graafmachine, bij Conmeq, een bedrijf dat in 2019 is opgericht. Er is een elektrische buggy gebouwd; daarmee zijn we naar Berlijn gereden. Er zijn ook projecten met autonoom rijden. En een heel populaire minor is de minor motorsport. Die leiden race-engineers op. We hebben daar ruimte voor dertig tot veertig studenten en deze minor is altijd vol. Het is wel hard werken, je bent vaak in de weekenden weg naar het circuit, maar dat houdt niemand tegen. En het mooie van de minors is dat studenten vaak een baan vinden bij het bedrijf van hun stage- of afstudeerplek, want naar engineers is veel vraag!”
Door de aanhoudende groei van wielmaten op nieuwe modellen, de stijgende populariteit van all-seasonvarianten én het uitbreidende landschap van OE-markeringen, neemt het totale bestand van leverbare bandenvariaties flink toe. Dit hoeft nog niet tot hoofdbrekens te leiden bij de garagist, want de beschikbaarheid is goed, de concurrentie gezond en de logistiek dik in orde.
Koppel een grote aftermarket aan een fijnmazig distributienet en een stabiele en omvangrijke zakelijke markt, en je kunt concluderen dat Nederland een volwassen bandenmarkt heeft. Eentje waar je ook voor minder courante bandenmaten nooit mis hoeft te grijpen. Dat is opmerkelijk, want het bandenassortiment neemt jaarlijks fors toe. Roy van der Laan van brancheorganisatie VACO bevestigt dit: “Ons Branche Artikel Codering-systeem met unieke bandco-
des is in acht jaar tijd met maar liefst 33 procent gegroeid.” Wat ligt daaraan ten grondslag en welke trends zijn zichtbaar?
Bandenwissel
Allereerst is daar de opkomst van de allseasonband. De bekende bandenwissel die rond deze tijd, nu de winter officieel voorbij is, weer wordt ingepland is voor de meeste leaserijders een vast ritueel dat in het leasecontract is meegebakken. De particuliere klant schakelt echter in
toenemende mate over van zomerbanden op de vierseizoenenband. Volgens onderzoek van VACO rijdt de meerderheid van het wagenpark ook in de winter op zomerbanden: zo’n 55 procent. 20 procent wisselt in de wintermaanden naar winterbanden. Het resterende deel, 25 procent, rijdt inmiddels op all-seasonbanden. Maar in de verkoop neemt het aandeel van all-seasonbanden al enkele jaren gestaag toe. Met name de particuliere en kleinzakelijke klant stapt in toenemende


mate over op vierseizoenenbanden. Het aanbod neemt toe en het scheelt immers een wissel. Bij formule Profile was het aandeel van de all-seasonband in dit segment in 2024 al opgelopen tot bijna 40 procent.
TPMSF de standaard
All-seasonbanden met het Alpine-symbool (het zogenaamde Three Peak Mountain Snowflake-symbool, ofwel TPMSF) zijn de standaard. Dus met niet alleen de M+S-aanduiding op de flanken. Deze banden voldoen aan de winterbandenwetgeving in onder meer de wintersportlanden. Deze zijn ook meer en meer gehomologeerd door de traditionele autofabrikanten.
In het begin waren vooral compactere maten geliefd, voor kleine en middelgrote modellen. Scherpe private lease-contracten waren ook aanjagers voor groei van dit type band. Goede consumententests gaven twijfelaars het vertrouwen in de veiligheid ervan en ook wordt de allseasonband beter, stiller en dus langzaam volwassen. Daarnaast komt hij beschikbaar in meer en meer maten. Inmiddels zijn zelfs de grote bandenmaten goed leverbaar met TPMSF.
Groei wielmaten
De tweede ontwikkeling van de afgelopen jaren is de aanhoudende groei van wielmaten en daarbij horende bandenmaten. Allereerst in de eerstelijnsmontage, met logisch gevolg voor de aftermarket. De immense populariteit van SUV’s zorgt voor grotere wielmaten. Hogere carrosserieën vragen om grotere wielen, weten auto-ontwerpers.
Daarnaast is er de trend waarneembaar dat wielen een steeds prominentere plek
innemen in het design-DNA van de auto. Aan de ene kant is daar een expressieve dimensie, met uitbundige wielontwerpen, tweekleurig design en vooral veel ‘drama’: wielen moeten gezien worden. Aan de andere kant zijn daar de voor de groeiende generatie van EV’s belangrijke wetten van de aerodynamica die bepalend zijn voor het WLTP-bereik.
Maar de groei van de gemiddelde wielmaat in de Nederlandse aftermarket komt toch vooral door de teslaficering van ons wagenpark: de enorme populariteit van 12 jaar Tesla met achtereenvolgens Model S, 3 en Y hebben gezorgd voor een shift naar 19” als fast moving wielmaat. Met het enorme occasionpark in Nederland is de bulk van de vervangingsvraag (80 procent) nog steeds 18” en kleiner, maar het aandeel met wielmaten vanaf 19” is in drie jaar tijd wél gegroeid met 5 procent. En het aandeel van echt grote wielmaten (22” en groter, meestal behorend bij duurdere modellen van premium merken) is inmiddels toch ook al 2 tot 3 procent. Wordt het daarom inmiddels moeilijk om aan een smallere, hogere band in 15 of 16 inch van een premium bandenmerk te komen? Gelukkig niet. Zoals gesteld, de branche leeft goed van de grote vervangingsmarkt van tweede-, derde- en vier-
De groei van de wielmaat komt vooral door teslaficering
dehands personenauto’s. Bronnen uit de industrie bevestigen dit. Bandenfabrikanten updaten hun programma voortdurend aan de bovenkant, maar saneren maar in beperkte mate hun programma aan de onderkant.
Naast de all-seasontrend en de wielmaatgroei speelt de zogenaamde OE-markering een belangrijke rol in het uitdijende bestand met artikelnummers. Vóór de introductie van het bandenlabel speelde dit nog nauwelijks een rol. De perceptie was dat als je de eerstelijnsband verving door een ander merk met dezelfde specificaties, dat geen invloed had op de prestaties. Bij de introductie van het label bleek ineens een OE-band een ander bandenlabel te hebben dan de vergelijkbare vervangende band. Het gaat bij de OE-markering dan om banden die specifiek zijn ontwikkeld in samenwerking tussen auto- en bandenfabrikanten. Oorspronkelijk vooral aan de premium kant, met het oog op finetuning van bijvoorbeeld sportieve prestaties (BMW) of comfort (Mercedes-Benz).
Elektrificatie
Maar de hele oriëntatie op energieverbruik, versneld door elektrificatie, heeft de OE-markering echt tot een relevante producteigenschap gemaakt. Rudi Smits, Head of Sales Consumer bij Goodyear in Nederland, bevestigt dat: “Inmiddels heeft meer dan de helft van de Europese autofabrikanten gehomologeerde banden met merkcode van doorgaans een tot drie premium bandenmerken (Tier 1). Grote concerns als Stellantis, Kia/Hyundai en Toyota werken er ook aan. Elektrificatie heeft de actieradius op de kaart gezet, en dat is overgeslagen op de hybride en ICE-modellen. De band moet middels een lage rolweerstand bijdragen aan een laag brandstof- of elektraverbruik.”
Productaansprakelijkheid
Naast zuinigheid speelt er nog een factor mee, die steeds belangrijker gaat worden: productaansprakelijkheid. Met de toename van rijassistentiesystemen en de komst van autonoom rijden is het voor autofabrikanten van het uiterste belang dat alle sensoren en camera’s goed gekalibreerd zijn. Een bandenwissel met een niet-OEband kán van invloed zijn op de kalibratie en dus op de autonome rijfuncties van de auto. Fabrikanten zoals BMW schrijven mede daardoor voor de garantieperiode OE-gehomologeerde banden voor. Bandenfabrikanten juichen dit toe. Rudi Smits van Goodyear: “Wij zien graag dat de OE-banden worden gezien als origine-

le onderdelen en daarmee worden meegenomen in de garantievoorschriften.”
Al deze ontwikkelingen hebben er ook toe geleid dat sommige bandenmerken, zoals Hankook, zich bewegen richting Tier 1.
Onderkant markt
Wat zijn de ontwikkelingen dan aan de onderkant van de bandenmarkt? Tientallen merken knabbelen daar aan de taartpunt van Tier 3, die grofweg zo’n 20 procent van de markt inneemt. En daar komen steeds nieuwe merken bij met name uit, je raadt het al, China. Linglong, West Lake, Firemax, Goodride, Windforce, de lijst met bandenmerken blijft groeien. Hoe kijkt de handel naar deze ontwikkeling? Arjan van der Meer, marketingdirector van Kwikfit Nederland, ziet het ook allemaal voorbijkomen, maar schat in dat hun impact vooralsnog klein zal zijn. Leasemaatschappijen accepteren om te beginnen alleen montage van geselecteerde premium merken voor hun leaserijders. Dus het zal weer van de particulier moeten komen.
Van der Meer: “De Nederlandse klant wil aan het eind van de dag weer naar huis gaan met een set betrouwbare nieuwe banden voor een redelijke prijs. Daar spelen wij al sinds jaar en dag op in door altijd wel aanbiedingen te hebben in Tier 1 en 2. Met een korting tussen de 10 en 20 procent op vertrouwde bandenmerken onder hun auto is er voor klanten geen aanleiding om online eindeloos te zoeken naar een onbekende band die een paar tientjes goedkoper is en dan nog ergens moet worden omgelegd.” Het zal dus lastig worden voor die nieuwe Chinese bandenmerken om in te breken.
“Productie in Europa, goede handelscondities, perfecte logistiek, een compleet gamma met alle courante maten: er zijn nogal wat toegangsbarrières. Dus waarom zouden we daar nu veel aandacht aan geven?”, concludeert hij. Als grote Chinese autofabrikanten zoals BYD gaan komen met OE-markeringen op Chinese bandenmerken, dan zal er wat gaan veranderen. Maar zover is het nog niet.
60.000 artikelen
Opgeteld kijkt de aftermarket uit op meer automerken, meer bandenmerken, meer maten, daar bovenop de keuze voor een type uit het bandengamma, met unieke snelheids- en belastingscoderingen, én dan de OE-markeringen. En dan hebben we ook nog sealbanden, silent-banden en runflat. Zo kom je dus aan 60.000 artikelen.
Het ligt in de lijn der verwachtingen dat deze ontwikkeling niet stopt. Er ontstaan nieuwe voertuigsoorten met afwijkende bandenmaten: denk aan de city vehicles zoals de Renault Twizy en de Citroën Ami. Denk aan allerlei last mile-voertuigen, met de Picnic-busjes van Goupil als bekendste voorbeeld op straat. We hebben in Nederland daarnaast te maken met (nog) ongekend populaire Amerikaanse pick-ups uit het parallelle importcircuit. Over afwijkende bandenmaten gesproken…
Gelukkig maakt profieldiepte geen deel uit van de productdefinitie, al is die in de loop der tijd wel een paar millimeter afgenomen om de rolweerstand te reduceren. Maar om het kaf van het koren te scheiden, wordt er bij bandentests wel steeds kritischer gekeken naar slijtage, bepalend voor de bandencomponent in de TCO,

All-season,
met name bij veelrijdende leaseklanten. Wie weet komt daarmee de profieldiepte op de nieuwe band ook in het vizier… Wat naar verwachting niet zal doorbreken, is de specifieke EV-band. Michelin heeft er mee geëxperimenteerd, maar is er vanaf gestapt. Dat is mogelijk ingegeven door de Europese heroriëntatie op Plug-In Hybrids, en de langere weg naar een volledig elektrisch wagenpark. Dat scheelt dan voorlopig weer een productlijn…
Hergebruik van materialen
Relevanter is het anticiperen op een vorm van duurzaamheidskwalificatie op banden. Bandenfabrikanten investeren al langer intens in duurzame productie, in 2030 zou de productie in de EU CO2-neutraal moeten zijn. Maar de handel krijgt ook meer te maken met vragen van klanten over de duurzaamheid van de band zélf. Menno Kuipers, directeur businessunit Car bij Profile Nederland: “Dat begint zeker een gespreksonderwerp te worden, vooral bij aanbestedingen van bijvoorbeeld de overheid of uitvragen van grote fleet-operators. Dit sluit aan bij de duurzaamheidsstrategie van Profile en die van de klant.”
Dan gaat het om de mate van toepassing van hergebruikte materialen of informatie over het gebruik van natuurlijke grondstoffen. Kuipers: “De bandenfabrikanten realiseren zich dat dit gewenst is, maar hebben nog niet altijd zekerheid over bijvoorbeeld beschikbaarheid van hergebruikte materialen.” Het gaat dus nog wat tijd vergen, maar een duurzaamheidskwalificatie op de band gaat er komen, ook ingegeven door nieuwe Europese duurzaamheidsrichtlijnen.
Naast zuinigheid speelt op de bandenmarkt nog een factor mee, die steeds belangrijker gaat worden: productaansprakelijkheid.
Wat betekent dit alles voor de garagist? Hij weet zich verzekerd van goede beschikbaarheid en vaak same-day bezorging van een enorm assortiment banden en maten. Hij kan daarbij kiezen uit meerdere inkoopkanalen. Dus tot een extra magazijn zal het (gelukkig) niet hoeven te komen. Wel zal het onafhankelijke servicebedrijf zeer goed op de hoogte moeten blijven van de laatste ontwikkelingen, om zijn klanten – met elk hun eigen rijprofiel en kijk op banden – goed te adviseren.

Wie regelmatig banden monteert, hoeft niet naar de sportschool. Wel naar de fysio, als je niet oppast… Waarom worden wielen en banden steeds groter? En: ze worden niet alleen steeds groter, maar ook slimmer. Gaan we straks banden uitlezen bij een onderhoudsbeurt of apk?
Wie regelmatig werkt aan band/ wielcombinaties en onvoldoende gebruikmaakt van hulpmiddelen ziet zijn spieren groeien, want wielen en banden worden steeds groter en daarmee zwaarder. Waarom eigenlijk? De belangrijkste twee redenen volgens Thomas van Dalen, branche- en relatiemanager van de bedrijfstakorganisatie voor de
Tekst: Hugo Claver
banden- en wielenbranche VACO, zijn: draagvermogen en design. Design spreekt voor zich: voertuigen dijen alsmaar uit, de (lichtmetalen) wielen groeien mee. Veel belangrijker voor de werkplaats is het draagvermogen.
Niet op juist niveau
Het draagvermogen van een band is een
combinatie van de constructie van de band, het luchtvolume en de bandenspanning. Als de bandenspanning niet op het juiste niveau is, kan het draagvermogen van de band aanzienlijk afnemen. VACO geeft een rekenvoorbeeld. Stel: je maximale aslast achter is 1450 kilogram. Dat betekent dat elke achterband 725 kilogram moet kunnen dragen. Onder de
auto zitten af-fabriek als optie 20 inch wielen, met banden met codering HL 255/35 R20 100 XL. Bij een belastingindex van 100 is het draagvermogen 800 kilogram; dat kun je aflezen in de standaardtabel van belastingindex (load index) en draagvermogen. Maar: die 800 kilo geldt bij een bandenspanning van 2,9 bar of meer. Stel nu dat de eigenaar rijdt met een bandenspanning van 2,9 bar, maar de band verliest langzaam druk. Het TPMS-systeem geeft doorgaans pas een waarschuwing bij plusminus 20 procent onderspanning. In dit geval dus bij 2,3 bar. Op dat moment is het draagvermogen gedaald van 800 naar 635 kilo. Dit kan leiden tot onveilige situaties.
Bandenspanning
Het belang van juiste bandenspanning en geschikte wielen kan daarom niet genoeg benadrukt worden, vindt VACO. “De marge tussen het gewicht van de steeds zwaarder wordende auto en het draagvermogen van de band is kleiner geworden”, zegt Van Dalen. Daarom is de juiste bandenspanning cruciaal. Voor de veiligheid, maar ook de duurzaamheid en de prestaties van de band. “Er zijn nog steeds autobedrijven die elke band standaard op 2,5 bar zetten. Maar dat kan dus echt niet meer”, zegt Van Dalen.
Van Dalen benadrukt dat draagvermogen niet alleen van belang is bij banden, maar ook bij wielen. Check of het opgegeven draagvermogen van de wielen voldoende is voor het voertuig waar je ze onder wilt monteren. Er zijn voorbeelden genoeg van wielen die qua maatvoering op een middenklasse personenauto passen, maar ook op een EV of een bestelwagen van hetzelfde automerk. Dat staat los van de kwaliteit van het wiel; ook een OEMwiel kan bezwijken als je deze overbelast.
Van Dalen raadt daarnaast aan om te kiezen voor kwalitatief goede wielen en betrouwbare wielleveranciers. VACO kent voorbeelden van wielen die letterlijk bezweken zijn onder de druk, wat levensgevaarlijke situaties oplevert.
Goed advies
Kortom: werken met banden (en wielen) vereist kennis van de universeel. En dat kennisniveau loopt enorm uiteen, zegt Van Dalen. “Er zijn universele autobedrijven die zich er serieus in verdiepen en probleemloos in aanmerking zouden komen voor het VACO-lidmaatschap. En je hebt de autobedrijven die elke klant 2,5 bar adviseren.”
Hoe adviseer je een klant nou goed? Om te beginnen door goed te luisteren, zegt Van Dalen. “Vraag naar het rijgedrag.
Hoeveel kilometer rijdt de klant, in welke omstandigheden, gaat hij of zij op wintersport? Is all-season wellicht een geschikte keuze? Of heb je te maken met een sportieve rijder, die heel andere prestaties verlangt?” Een handig hulpmiddel voor het autobedrijf is het bandenlabel, zegt Van Dalen. “Dat zegt al heel veel over de remweg op nat wegdek, de rolweerstand en het externe afrolgeluid.” Het bandenlabel is zo een prima startpunt voor een gesprek met de klant.
Slechte banden
Worden er eigenlijk nog slechte banden gemaakt? VACO is daar helder in: voor banden die in Europa worden verkocht, is het antwoord nee. “Elke band die in Europa op de markt komt, moet voldoen aan minimale eisen. In dat opzicht kun je dus niet meer spreken van ‘slechte’ banden”, zegt Van Dalen. Maar uiteraard zit er wel verschil in kwaliteit, duurzaamheid én in prijs. Maar: goedkoper is niet altijd slechter, en duurder niet altijd beter, zegt VACO. “Alles hangt af van hoe de band gebruikt wordt en wat de klant verwacht.
De toekomstige Euro 7-wetgeving zal consequenties hebben voor banden van onder meer trucks en personenauto’s. De Euro 7-norm zal voor het eerst de uitstoot van deeltjes en microplastics door bandenslijtage reguleren. Er komen emissiegrenswaarden die rekening houden met bandenslijtage. Dat betekent dat bandenfabrikanten voor zover nodig moeten investeren in de ontwikkeling van duurzamere banden. Een bijkomende uitdaging is dat de bandenfabrikanten niet of nauwelijks willen inleveren op andere bandeigenschappen, zoals veiligheid.
Voor C1-banden (personenauto’s, lichte bestelwagens tot 3,5 ton en lichte aanhangers tot 3,5 ton) geldt:
• Nieuwe typen banden moeten vanaf 1 juli 2028 aan de verordening voldoen om een EU-typegoedkeuring te krijgen.
• Vanaf 1 juli 2030 mogen er alleen banden in de handel worden gebracht die aan de verordening voldoen (dat geldt dus ook voor de oudere typen).
• Banden die niet aan de verordening voldoen, mogen tot en met 30 juni 2032 op de markt worden aangeboden.
De ingangsdata voor C2- en C3-banden (zwaardere bestelwagens, vrachtwagens en aanhangers) zijn later.
‘Een band kan best duurder zijn in aanschaf, maar goedkoper in gebruik’

Een band kan best duurder zijn in aanschaf, maar goedkoper in gebruik.”
Meer lekke banden
Oké, slechte banden worden niet meer gemaakt, maar de lekke band is inmiddels wel pechoorzaak nummer 1 bij de ANWB Wegenwacht. Hoe kan dat? “Om te beginnen komen er steeds meer elektrische voertuigen op de weg, dus zijn er minder ‘mechanische’ pechgevallen”, zegt Van Dalen. Daarnaast hebben steeds minder voertuigen een reservewiel aan boord. Wel een reparatiekit, met een spuitbus met reparatieschuim en een kleine compressor. “Maar let op: dat schuim is funest voor je TPMS-sensoren. Die kun je daarna weggooien. Wel iets om je klanten op te wijzen”, zegt Van Dalen.
Hij noemt verder ook lange onderhoudsintervallen als oorzaak van bandproblemen. “Adviseer je klanten om elke schoolvakantie de banden te controleren”, stelt Van Dalen als vuistregel. Een lekke band kan prima gerepareerd worden, zelfs meerdere keren, zolang dat vol-
‘Reparatieschuim is funest voor je TPMS-sensoren’
All-seasonbanden blijven onverminderd populair, hoewel het aandeel – nu is circa 25 procent van de auto’s ermee uitgerust – minder snel groeit. Kopers van all-season zijn meestal particulieren; leasemaatschappijen geven vaak de voorkeur aan een wissel tussen zomer- en winterbanden (met sneeuwvloksymbool, verplicht in onder meer Duitsland en Oostenrijk).
Runflat
Jaren geleden werd de runflat-band met veel bombarie geïntroduceerd, maar daar hoor je niet veel meer van. BMW en MINI maakten veel gebruik van deze banden, nu is bijvoorbeeld de 3 Serie als optie leverbaar met ‘banden met noodloopeigenschappen’. Het aanbod van runflat-banden beperkt zich vooral tot de categorie ‘grootste wereldspelers’ onder de bandenfabrikanten. Dat zal samenhangen met de OE-leveringen die deze merken doen of deden op runflat-gebied. Onder de kleinere of minder bekende merken zijn er ook aanbieders van runflat-banden, maar hun aantal is relatief beperkt en dat geldt ook voor het runflat-assortiment dat zij per fabrikant aanbieden.
Hergebruik
Er is een grote markt voor gebruikte banden. In Nederland werden in 2024 circa 10 miljoen nieuwe personenauto- en bestelwagenbanden gemonteerd in de vervangingsmarkt. Van de gedemonteerde banden wordt ongeveer 25 procent hergebruikt. Die banden voldoen aan de apk-eisen, zoals de profieldiepte. Deze banden gaan terug de markt in, in binnen- of buitenland.
gens de voorschriften gebeurt. Overigens zijn er ook zelfdichtende banden, maar die lusten de machines bij de recycling niet graag; de machines lopen vast door het zelfdichtende middel in de banden.
Zijn EV-banden anders?

Nu we het toch over de opmars van EV’s hebben: zijn er verschillen tussen banden voor een elektrisch voertuig en een auto met verbrandingsmotor? In essentie niet, is het antwoord van VACO. Een band die voor EV’s is ontwikkeld, is ook geschikt voor een auto met verbrandingsmotor. En andersom. Bandenfabrikanten leveren banden die zij aanbevelen voor elke aandrijvingsvorm: verbrandingsmotor, hybride en EV. Daarnaast zijn er ook banden specifiek voor EV’s op de markt. Fabrikanten weten dat de actieradius van een EV een belangrijk (verkoop)argument is. Banden met een lage rolweerstand dragen bij aan een grotere actieradius. Een EV is relatief stil. De automobilist stoort zich dus eerder aan het afrolgeluid. Daarom kiezen EV-fabrikanten vaak voor banden met een gering afrolgeluid, zoals de zogenoemde silentbanden die aan de binnenkant van een geluiddempende schuimlaag zijn voorzien. EV’s zijn bovengemiddeld zwaar en vragen dus om banden met een hoog draagvermogen, maar dat geldt net zo goed voor bijvoorbeeld een grote en zware SUV met een verbrandingsmotor.
Rolweerstand
De EV-rijder heeft vaak meer aandacht voor de rolweerstand, die van invloed is op de actieradius. Net zoals de hogere mate van slijtage van banden onder elektrisch aangedreven auto’s vooral te maken heeft met de rechtervoet van de rijder en het hogere gewicht door het accupakket. En over actieradius gesproken: een verkeerde uitlijning heeft daar ook invloed op. En op overmatige bandenslijtage uiteraard. Dat schuin afslijten uitlijnen betekent, is ook iets wat de werkplaats de klant mee kan geven. In dat kader ziet VACO de – voorzichtige

De TPMS-sensor maakt in de toekomst plaats voor een chip, die alle relevante informatie over de band bevat.
opmars van automatische bandenscanners in de werkplaats als een positieve ontwikkeling. “Zo’n scan is goed voor de bewustwording bij de klant en een goed aanknopingspunt voor een gesprek: 1,8 millimeter profiel is wettelijk wel in orde, maar is het veilig als de klant van plan is op vakantie te gaan?”
Kortom: gebruik je tools en expertise om het gesprek aan te gaan met je klant, wil VACO maar zeggen. Niet om extra banden te verkopen, maar wel om goed en deskundig advies te geven en te zorgen dat je klanten veilig onderweg zijn.
De band als sensor
Die volautomatische bandenscans zijn al hightech, maar dat wordt de band ook meer en meer. Feitelijk wordt de autoband één grote sensor, zegt VACO. RFID-
chips (Radio Frequency Identification) zijn in truckbanden al geen zeldzaamheid meer. Deze chip slaat data op zoals merk en type van de band, afmetingen en identificatienummer, en maakt bandenbeheer eenvoudiger. VACO verwacht dat chips de TPMS-sensor gaan vervangen op den duur.
Die chip kun je dan in de werkplaats uitlezen: hoe oud is de band, hoeveel kilometer is ermee gereden, wat zijn de labelwaardes enzovoort? Bij (deels) zelfrijdende auto’s moet zo’n chip ook de staat van de band gaan monitoren (want wie doet het anders?). Ook is in de historie mogelijk na te gaan welke technicus er aan de band gewerkt heeft. En intelligente banden kunnen bijvoorbeeld ook de staat van het wegdek herkennen (nat, losse ondergrond) en het
‘Nog steeds zijn er autobedrijven die elke band standaard op 2,5 bar zetten’
rijgedrag van de auto daarop aanpassen. Of middels vehicle-to-vehicle-communicatie andere auto’s waarschuwen voor gevaarlijke omstandigheden. Dat zou dan betekenen dat zo’n chip een actief veiligheidssysteem wordt. Die je dan mogelijk bij de apk moet uitlezen en controleren op de werking ervan. Bandenservice met de diagnosetool? Zou zomaar kunnen.
Blijf bij
Welke tips kan de werkplaats geven aan de klant om langer en veiliger te rijden? VACO geeft er vier:
• Let op je rijgedrag, dat heeft de meeste invloed op het slijten van de banden
• Controleer eens in de twee maanden de bandenspanning
• Controleer de band dan meteen op zichtbare schade
• Vervang een band uiterlijk na tien jaar
Wat er ook gebeurt, zorg dat je als autobedrijf en als werkplaats op de hoogte blijft van de voortschrijdende techniek én wetgeving op het gebied van banden, stelt VACO. Thomas van Dalen: “Blijf bijscholen, ga actief op zoek naar geschikte trainingen. Als je gaat werken op basis van louter ervaring en routine, is de kans op fouten groter.”

Op deze 20”-wielen is de Kia EV6 minder zuinig dan op 19”-exemplaren.
AMT Factcheck
Een maatje groter? Dat ziet er lekker dik uit! Maar maken grotere wielen een auto minder zuinig? Intuïtief denk je van niet. Autoweek denkt van wel. Hebben de autotesters gelijk? En zo ja, waarom vragen grote wielen dan meer energie?
Hoi Erwin, weer een opmerking over wielomvang en energieverbruik. Het is niet de eerste keer dat een Autoweek-lezer mij over dit onderwerp benadert. Deze keer stuurt hij een artikel mee. Daarin neemt de Kia EV6 het op tegen de Skoda Enyaq. In het kadertje over het verbruik van beide auto’s lees ik: “Overigens is de rol van de wielkeuze niet te onderschatten. Kia geeft voor een EV6 op kleiner lichtmetaal bijvoorbeeld 15,9 kWh/100 km op, in plaats van 16,9. De Skoda staat
Tekst: Erwin den Hoed
echter op nog grotere wielen wat zijn verbruik alleen maar knapper maakt.”
Kia zegt het ook
Oké, dus niet alleen Autoweek zegt dat kleinere wielen zuiniger zijn, Kia geeft een 6 procent lager verbruik op voor dezelfde auto met een maatje kleinere wielen. Hoe kan dat?
Lastige vraag. Als kleinere wielen minder energie vragen, waarom heeft een mountainbike dan tegenwoordig 29” wielen?
Waarom kan een goede fietser op een oude 26” MTB een minder goede fietser op zo’n moderne MTB dan niet bijhouden? En waarom rijdt niet iedereen op een vouwfiets als kleine wieltjes echt zo licht rollen?
Het antwoord op dit soort vragen is eenvoudig: hoe groter het wiel, hoe kleiner de vervorming van de band, hoe minder warmteontwikkeling (door hysterese), des te minder energie dat rollen kost. Aan de andere kant: een groter wiel is
zwaarder. Dat vraagt meer energie bij het versnellen. En een groter wiel zou een grotere afrolomtrek kunnen hebben. Als dat zo is geeft de kilometerteller in de auto met dat grotere wiel een fractie minder aan. Dus moet je een fractie verder rijden voor dezelfde afstand op de teller. Dat gaat natuurlijk ten koste van het geregistreerde verbruik. Daarmee zou het een schijneffect zijn, zonder invloed op het werkelijke verbruik.
Hoe zit het nou echt?
Tja, nu weten we het nog niet. Ik leg de vraag voor aan Apollo Vredesteins Michiel van Koeverden en ik geef hem mijn overwegingen erbij. Voor de redenering over de warmteontwikkeling in de band krijg ik een compliment.
Maar: “Dat effect van lichter rollen is sterker op een onverharde of ongelijke ondergrond. Dus bij landbouwvoertuigen en mountainbikes.” En nog veel belangrijker: “Fabrikanten willen geen te grote afwijking in de afrolomtrek door een andere wiel- en bandenmaat. Die moet binnen de 2 procent blijven.”
Juist, het is dus belangrijk je te realiseren dat een groter wiel in deze vergelijkingen eigenlijk helemaal geen groter wiel is. Een groter wiel hier betekent een grotere velgmaat. De afrolomtrek van de wielbandcombinatie wijkt niet of nauwelijks af. Van het schijneffect door de afwijkende afrolomtrek moet ik me dus ook niet te veel voorstellen.
Let op de load index
Van Koeverden wijst erop dat het draagvermogen van een band samenhangt met de hoeveelheid lucht die erin zit. “Neem een zomerband met de afmeting 205/55
R16. Die vind je bijvoorbeeld op eerdere types VW Golf. Zo’n band heeft een load index (LI) van 91. Dat wil zeggen dat die band, bij de juiste bandenspanning, maximaal 615 kilogram kan dragen. Dat lijkt heel wat voor een Golf maar vergis je niet in de dynamische gewichtsverplaatsing bij het remmen. Monteer geen banden met een te lage LI!” Mooi, die waarschuwing pikken we even mee.
“Stel, je kiest voor 18” wielen op diezelfde auto”, gaat Van Koeverden verder, “dan moeten ze breder zijn om voldoende lucht te herbergen om die load index te halen. Een standaard 225/40 R18 komt draagvermogen tekort. Dus moet je kiezen voor een eXtra Load (XL). Die heeft load index 92. Ga je nog een maatje groter, 225/35 R19, dan kom je zelfs met een XL-variant nog maar aan een LI van 88. Dan moet je dus al naar 235/35 R19. Die geeft je in XL een LI van 91.”
Meer massa
Een grotere velg betekent dus een bredere band. Dat heeft consequenties voor het gewicht van de band: “De 205/55 R16, die er origineel opzat, weegt 8,6 kilogram, een 225/40 R18 weegt 10,0 en de 235/35 R19 zelfs 10,8 kilogram. Dat is een kwart meer band. En meer band betekent rubber en dus meer hysterese. Daar gaat energie in zitten en dat gaat ten koste van het verbruik.”
‘Meer band betekent meer hysterese. Daar gaat energie in zitten’

Behalve de band wordt ook het wiel zwaarder: “Niet alleen omdat het groter is, maar met een bredere velg en een langere spaak wordt ook het moment dat op het wiel werkt groter, en moet het wiel zwaarder geconstrueerd worden. De complete band-wielcombinatie kan royaal meer dan 5 kilogram zwaarder zijn.” Dat merk je als je in zo’n auto rijdt: “Met zulke grote wielen accelereert zo’n auto merkbaar trager. Het kost veel energie om al die extra roterende massa op gang te brengen.”
Daarmee hebben we de eerste twee verbruiksverhogende effecten te pakken: meer bandmassa zorgt voor meer hysterese, meer wielmassa voor meer massatraagheid.
Meer luchtweerstand
De toegenomen breedte van de band veroorzaakt nog een derde effect: “Een bredere band, en dan vooral op de vooras, verhoogt de luchtweerstand; zeker op hogere snelheid is dat effect merkbaar.”
Autofabrikanten zijn zich daarvan bewust: “Neem de Tesla Model Y. Op 20” wielen zijn de banden 255 breed. Om de luchtweerstand van de banden te beperken zijn ze ‘getrokken’. Dat wil zeggen dat ze op de grond smaller zijn dan op de velg, zoals je ook wel ziet bij getunede Polo’s of Up!’jes. En dan nog geeft Tesla met de Long Range-batterij voor de 19” 600 kilometer actieradius op, en voor de 20” 580 kilometer.”
Geregistreerd verbruik
Dan effect nummer vier: als de omtrek van de band toeneemt, geeft de kilometerteller bij dezelfde afgelegde weg min-

der afstand aan. We gaan rekenen met de drie bandenmaten die Van Koeverden noemde.
Je kunt eenvoudig berekenen dat met de standaard 205/55 R16 de bandomtrek gelijk is aan 1985 millimeter. Bij de 225/40 R18 is dat 2002 millimeter en bij de 235/35 R19 komen we op 2033. Als we aannemen dat de kilometerteller met de 205/55 R16 exact klopt, dan geeft hij na een afgelegde weg van 100 kilometer aan dat er 100,0 kilometer is afgelegd. Dat is zo logisch als het klinkt. Door de grotere omtrek is dat 99,1 kilometer met de 18”, en 97,6 kilometer bij de 19” variant. Tja, en als je minder kilometers registreert en evenveel blijft verbruiken, neemt je geregistreerde verbruik toe.
Dynamische afrolomtrek
Wel hebben we nu gerekend met de statische, onbelaste omtrek van de band. In werkelijkheid is de band natuurlijk niet onbelast. Het gewicht van de auto en zijn inzittenden drukt erop. Dat drukt de band aan de onderkant in en maakt zo de straal van het wiel daar kleiner. Intuïtief redeneer ik dat die straalverkleining in millimeters kleiner is bij een band met een lage zijkant. Dat betekent dat de omtrekverkleining van een kleiner wiel (met hogere zijkant: 205/55 R16 tegen 235/35 R19) groter is dan die van een groter wiel. Daarmee zou het belaste afrolomtrekverschil tussen de 16” en de 19” nog weer groter worden dan die 2,4 procent van onze berekening.
Verlies omtrek onder belasting?
‘Zou’, want op dit punt word ik teruggefloten door Michiel van Koeverden: “De staalgordelconstructie in een band kun je vergelijken met een rupsband. Die kan bij

De hoeveelheid lucht bepaalt het draagvermogen. Een grotere velgmaat bij gelijke velgmaat vraagt daarom een bredere band en/of een hogere druk.
De plaatjes op de verplichte webpagina met bandenlabels van Kia zijn klein, maar klik erop en het is nog net leesbaar. Voor de EV6 is er keuze uit 19” of 20”, zoals we al lazen in Autoweek. De 19” Kuhmo PS71-band weegt 12,9 kilo, de 20” Continental is 0,4 kilo zwaarder. Kies je voor die laatste dan gaat er dus wat meer energie uit je batterij in het opwarmen van de band zitten.
Het bandenlabel toont dat. De 19” heeft label A voor rolweerstand (< 6,5 N/kg), de 20” label B (tussen 6,5 en 7,7 N/kg).
Het gewichtsverschil in de complete bandwielcombinatie is nog veel groter. Ook het op gang brengen van de wielen vraagt dus meer energie. Om aan hetzelfde draagvermogen te komen (load index 105) is de 20” band 20 mm breder. Daardoor eist ook de grotere luchtweerstand meer energie. In afrolomtrek is het grote wiel in dit geval een half procentje korter, zodat de kilometers die de teller in die auto registreert iets korter zijn. Daardoor lijkt het verschil in verbruik een fractie kleiner dan het in werkelijkheid is. Opvallend is tenslotte dat de ‘kleine’ band snelheidssymbool V (max 240 km/u) heeft, terwijl de grote het met een H (max 210 km/u) moet doen. Overigens volstaat die H in de praktijk, Kia geeft een topsnelheid van 186 km/u op.

uiteenlopende belastingen niet veel in lengte variëren. Voor de omtrek van een band geldt dat ook. Door inveren wordt hij iets kleiner en bij hoge snelheid komt er weer wat bij.”
Voor het berekenen van de dynamische omtrek van een band vervangt de European Tyre and Rim Technical Organization daarom π (circa 3,14) door 3,05, ongeacht de maat. In ons testwerk zien we dat dit een goede benadering is.”
Kortom: dat schijnbare effect van de ‘langere’ kilometers is beperkt en wordt ook niet groter onder belasting. Blijft over om het meerverbruik te verklaren: het grotere gewicht van grote wielen met zijn dubbele effect, en hun aerodynamisch nadeel.
Wielen Kia en Skoda
Met al die kennis zoomen we in op de banden van de Kia en de Skoda uit de Au-
toweek-test. De EV6 staat rondom op 255/45 R20, de Enyaq op 235/45 R21 voor en op 255/40 R21 achter.
Als we de verschillende effecten nalopen, zien we dat de afrolomtrekken van de achterbanden van beide auto’s vrijwel gelijk zijn en dat die van de Skoda-voorbanden 1 procent groter zijn dan die van de Kia. Ook een minimaal verschil. Wielgewichten meet Autoweek niet, dus daar kunnen we niets over zeggen. Wel over het aerodynamisch effect. De voorbanden van de Skoda zijn niet breder maar smaller. In dit geval ligt het luchtweerstandsvoordeel dus niet aan de kleinere wielmaat van de Kia maar aan de grotere van de Skoda. Dat zet de opmerking van Autoweek dat ‘de nog grotere wielen van de Skoda zijn lagere verbruik alleen maar knapper maakt’, toch in een ander perspectief.
Wielen en banden groeien tot wel 24 inch. Ondertussen worden de wangen steeds platter en zien we secties 45, 35 en zelfs 25. Meer rubber betekent meer marge en biedt dus commerciële kansen, maar het is ook een technische uitdaging voor de werkplaats. Heeft investeren wel zin?
Grote maten met lage secties vragen veel van bandenequipment.
AA-Equipment Support, leverancier van de Launch TWC521- en de Launch TWC621-bandendemonteerapparaten, stelt de volgende essentiële eisen aan de- en montageapparatuur:
• Een krachtige en nauwkeurige hieldrukker die banden gemakkelijk losdrukt zonder schade aan band of velg.
• Een semi-automatische montagearm met een extra hulparm, zodat de wang van de band tijdens demontage correct omlaag wordt gedrukt.
• Kunststof bescherming op de montagekop en beschermende kunststof klauwen om de velg vast te houden op de draaitafel. Snap-on voegt hieraan toe dat hoogwaardig staal (sterktestaal) moet worden gebruikt om vervorming en slijtage bij zware belasting te minimaliseren. Ook is nauwkeurige controle en bediening vereist, met instelbare snelheden, goede ergonomie en duidelijke bedieningsmenu’s.
Hieldrukker en hulparm
Ook Orange Equipment adviseert een sterke hieldrukker en een hulparm. “Een losse klem kan ook, maar een hulparm is aanzienlijk makkelijker en sneller. Je gebruikt het om de band omhoog te tillen of de wang van de band in te drukken, zodat je de bandenlepel erachter kunt krijgen. Bij het demonteren van een lage sectieband kantel je de band iets, waardoor er meer ruimte ontstaat. Bij het

monteren gebruik je de hulparm om te zorgen dat de hiel van de band onder de velgrand blijft. En als je wat bandenvet of een spuitbus met vet gebruikt, vraag je minder van de machine en van de band.” Maurits Golüke (CBX): “Er zijn systemen waarbij het traditionele ontwerp van een demontagekop helemaal is losgelaten, en er wordt gewerkt met een roterende (de)montagetool, zoals bij de TECO EVEREST- en TH32-demontagemachine.”
Nauwkeurig balanceren
Grote wielen vragen om nauwkeurige (digitale) balancering. Plakgewichten moeten op diverse plaatsen op de velg kunnen worden aangebracht. AA-Equipment Support levert daarvoor de Launch KWB521- en Launch KWB621-balanceermachines. Snap-on heeft recent een
nieuwe volautomatische diagnostische balanceermachine aan het programma toegevoegd. Arnold Vennink (Snap-on): “De EEWB336AEA-balanceermachine spoort hoogteslag, minuscule onbalans en trillingen op en meet radiale krachtvariatie, excentriciteit en zijwaartse krachten.”
Grotere wielen met lage sectiebanden leiden volgens AA-Equipment Support sneller tot rijgedragsproblemen. “Lage sectiebanden geven oneffenheden harder door: een stoeprand op 17 inch voelt als een tik, op 21 inch als een klap. Er is meer kans op velgschade, slijtage aan fuseekogels, draagarmen en stuurdelen. Deze banden zorgen voor een scherper maar nerveuzer stuurgedrag, hogere
Met een nieuwe high-end bandenmachine van gemiddeld 10.000 euro kun je aanzienlijk efficiënter werken.
1. Tijdwinst: bij vier bandenwissels per dag bespaar je gemiddeld tien minuten per wissel van vier wielen ofwel veertig minuten per dag. Dat is ruim dertien uur per maand. Die tijd kun je benutten om extra werk aan te nemen.
2. Minder fouten, minder kosten: doordat je minder fouten maakt, bespaar je op herhaalbezoeken en schade. Een fout minder per maand levert 200 euro extra marge op; schade aan velgen of sensoren kost gemiddeld 150 tot 300 euro per geval.
3. Nieuwe klanten: moderne apparatuur opent de deur naar meer
En na de terugverdientijd?
Pure winst en werkplezier!


spoorgevoeligheid, meer rolweerstand en een kortere actieradius. Als de uitlijning niet perfect is, slijten de banden snel. Uitlijnapparatuur moet met grote wielen snel kunnen werken en de wielklemmen mogen de velgen niet beschadigen.” Maurits Golüke (CBX): “Als de stand van de wielen niet goed is, geven stuggere banden minder mee. Ze vormen zich minder makkelijk naar het wegdek en slijten harder dan ouderwetse, soepele banden.” Jack Keizer (Nijboer Blijstra Techniek): “Controle van de wieluitlijning is daarom bij de bandenwissel eerder een must dan een optie.”
Apparatuur vervangen?

Volgens Nijboer Blijstra Techniek, importeur van Arex-werkplaatsequipment en SICE-balanceer- en -demontageapparatuur, hebben veel klanten die nieuwe machines zoeken, apparaten van ruim tien jaar oud. Als er trucjes nodig zijn bij het wisselen, de technicus klaagt over fysiek zwaar werk of regelmatig schade veroorzaakt, en klanten terugkomen met klachten, dan is het tijd voor nieuwe apparatuur.
Jack Keizer (Nijboer Blijstra Techniek): “Schadevrij de- en monteren gaat verder dan het voorkomen van schade. Een instelbare hieldrukker voorkomt het dub-
klanten: EV’s, SUV’s en runflats vormen geen belemmering meer. Vier extra klanten per maand à 80 euro betekent 320 euro omzet.
Snap-on telt dit bij elkaar op:
• Tijdwinst: 150 euro
• Minder fouten: 200 euro
• Extra klanten: 320 euro



CBX ziet steeds vaker dat het LeverLess-systeem standaard is, dankzij de geïntegreerde bandenlepel in de de- en montagekop.











De SICE S45 heeft een gepatenteerde PT250-hulparm aan de linkerkant van het toestel. Nijboer Blijstra Techniek brengt deze machine op de markt.
belvouwen van een brede band en daarmee karkasbreuken. Een hulparm vermindert de spanning op de hiel en voorkomt overtrekken en beschadiging.”
Het totaal komt uit op 670 euro extra omzet per maand. Deel je de aanschafprijs van gemiddeld 10.000 euro door die 670 euro, dan is de terugverdientijd volgens Arnold Vennink ongeveer vijftien maanden. “En na die vijftien maanden? Pure winst en werkplezier!” hij werkt met een ‘walk away’-volautomatische bandenwisselmachine. Zo kun je in de tussentijd balanceren.”
Halve technicus
Maurits Golüke (CBX): “Met kunst- en vliegwerk kom je een eind, maar als de kans op schade toeneemt en tien tot twintig procent van de banden lastig te de- en monteren is, onderzoek dan welke machine het beste past bij jouw bedrijf.”
Orange Equipment: “Als je twee technici nodig hebt om een setje banden te wisselen, dan is het tijd voor vervanging. Een halve technicus zou al voldoende zijn als
Om beter om te gaan met grote bandenmaten, zijn wielliften noodzakelijk, aldus Orange Equipment, AA-Equipment Support, Nijboer Blijstra Techniek en Snapon. Grote wielen wegen vaak meer dan 25 kilo, wat niet meer ergonomisch verantwoord is om handmatig te tillen. Snap-on: “Tillen zonder hulp is slecht voor de rug en verhoogt de kans op schade en uitval van personeel.” Sommige bandenapparaten hebben geïntegreerde




Dit is de volautomatische ‘walk away’ van Orange Equipment. De technicus kan in de tussentijd balanceren.
wielliften. Arnold Vennink (Snap-on) benadrukt ook het belang van betrouwbare momentsleutels om wielen veilig vast te zetten, en TPMS-programmeertools. CBX noemt de TreadSpec, een bandenscansysteem dat bij binnenkomst in de werkplaats automatisch het profiel opmeet en de noodzaak van uitlijning inzichtelijk maakt. Gezien het personeelstekort is zo’n systeem efficiënt.
Eisen elektrische auto’s Stellen elektrische auto’s andere eisen aan het de- en monteren van grote banden? EV-banden hebben vaak verstevigde zijwanden, een stuggere hiel en lage rolweerstand, wat de- en montage bemoeilijkt. Nijboer Blijstra Techniek en Snap-on vinden daarom een krachtige hulparm geen luxe maar een noodzaak. Maurits Golüke (CBX): “De band van een
Werkplezier
levert meer op dan je in geld
kunt uitdrukken



De EEWB336AEA-balanceermachine van Snap-on spoort hoogteslag, minuscule onbalans en trillingen op.
elektrische auto is niet wezenlijk anders dan een vergelijkbare band voor een gewone auto, al kan de loadindex verschillen door het hogere gewicht.” Orange Equipment: “Als het bandenapparaat geschikt is voor brede lage sectiebanden, is het ook geschikt voor EV-banden. Je hoeft geen andere machine aan te schaffen.”
AA-Equipment Support wijst er wel op dat uitlijning bij EV’s belangrijker is door het hogere voertuiggewicht. “Dit versnelt ongelijkmatige bandenslijtage en slechte uitlijning beïnvloedt de actieradius negatief. ADAS-systemen in elektrische auto’s zijn vaak geavanceerder, waardoor een nauwkeurige kalibratie essentieel is.”
Investering terugverdienen
Levert een investering in de- en montage-, uitlijn- en kalibratieapparatuur voldoende op? Ja hoor, schrijft AA-Equipment Support, mits je de klant uitlegt wat het belang is van bijvoorbeeld ADAS-controle. Met snelle, eenvoudig te bedienen apparatuur en brede voertuigdekking, verdien je de investering snel terug. “Een efficiënt werkproces spaart tijd en maakt meer doorgangen per dag mogelijk.”
Orange Equipment: “Een nieuw bandenapparaat met hulparm en automatische


bandenlepel is al snel een minuut sneller. Een gemiddeld autobedrijf met drie tot vijf monteurs voert ongeveer vijf- tot tienduizend wissels per jaar uit. Daarmee bespaar je minstens tachtig uur per jaar. Je verdient de investering binnen één à twee jaar terug en je personeel is tevredener. Een volautomatische ‘walk away’machine bespaart nog meer tijd, al is de investering hoger.”
Niet alleen geld
Investeren in moderne apparatuur levert tijdwinst, minder fouten en meer marge op. Jack Keizer (Nijboer Blijstra): “Het rendement is hoger en de uitval van personeel lager door betere ergonomie en automatische functies.”
Kwaliteit betaalt zichzelf terug in klanttevredenheid, werkplezier en toekomstbestendigheid. Maurits Golüke (CBX): “Werkplezier levert meer op dan je in geld kunt uitdrukken. Wat heb je nodig voor bandenservice? Wat heeft het personeel nodig? Wat is ergonomisch verantwoord? Als je te veel vraagt van je personeel, gaan ze elders werken onder betere omstandigheden. Kwaliteit is uiteindelijk goedkoper: het gaat langer mee, is repareerbaar, werkt beter en maakt het werk aangenamer!”
Equipment-leverancier Fuchs biedt twee scanners van Hunter waarmee het bandprofiel en de uitlijning van een auto in een mum van tijd kunnen worden gecontroleerd. Klanten zien zo direct of er iets aan hun auto mankeert en geven vaak akkoord voor reparatie.
Werkplaatsen concentreren zich vaak voornamelijk op de werkzaamheden die de klant in eerste instantie naar de werkplaats brachten. Elke werkplaatschef weet best dat het kan lonen om eens rond de auto te lopen en de ogen goed de kost te geven: wellicht komen er defecten aan het licht die voor extra omzet zorgen. In de hectiek van de dagelijkse drukte laat men die strategie echter vaak varen. En zelfs wanneer je de moeite neemt om de banden goed te bekijken, is het vaak moeilijk om bij een klant aan te kaarten dat er extra reparaties nodig zijn.
Een kale band is nog wel ‘aanwijsbaar’. Een klant overtuigen van de noodzaak van een uitlijnbeurt, is echter een stuk lastiger, terwijl goede wielstanden juist enorm belangrijk zijn: foutieve wielstanden leiden tot zweverig weggedrag, scheve bandenslijtage, een hoger brandstofverbruik en een slechter stuurgedrag. Als er voor de klant echter geen duidelijke indicatoren zijn, zoals een stuur dat scheef staat of banden die aan de zijkant compleet zijn opgevreten, is het lastig uit te leggen.
Hunter heeft twee apparaten ontwikkeld, die deze problemen tackelen.
Eerste apparaat
Het eerste apparaat is de Hunter Tread Edge. Deze automatische profieldiepte-
Tekst en foto’s: Peter Aansorgh


meter kan in de werkplaatsvloer worden ingebed, maar is er ook als opbouwsysteem. Het apparaat bestaat uit een laser, die de hele breedte van het loopvlak van de band en een stukje van de wang scant wanneer je er overheen rijdt. De laser wordt geactiveerd door een rij schakelaars, die voor de laser liggen. Rijd je over de Hunter Tread Edge heen, dan meet deze ongeveer 10 centimeter van het loopvlak.
De software van de Hunter Tread Edge analyseert de scan en geeft het resultaat weer op een scherm of in een rapport, waarin de profieldieptes van elke profielgroef worden weergegeven. Kleurcodes geven aan of de diepte goed, kritisch of te ondiep is. Daarnaast geeft het rapport aan wat de gevolgen zijn voor de remafstand. Het rapport wordt online opgeslagen in Hunternet en kan eventueel aan de klant worden getoond of naar hem gemaild.
Tweede apparaat
Het tweede apparaat is de Hunter Quick Check Drive. Dit systeem bestaat uit twee zuilen, elk voorzien van twee HD-camera’s – dus vier in totaal – die de carrosserie en het kenteken scannen, en acht andere camera’s die de reflectie van zestien lasersensoren scannen. Op deze manier kan de Quick Check Drive de velgdiameter, het toespoor en de camber van zowel de voorals de achterwielen automatisch scannen, terwijl je tussen de zuilen doorrijdt. De software bepaalt aan de hand van het kenteken wat de juiste waarden zijn en vergelijkt die met de gemeten waarden.











Het systeem beoordeelt of de afwijkingen binnen de tolerantiegrens vallen of niet. De resultaten worden wederom op een scherm getoond en in een rapport gezet, eventueel samen met de resultaten van de Hunter Tread Edge. Afwijkingen die buiten de tolerantie vallen, worden met rood aangegeven. De gegevens worden uiteraard in Hunternet opgeslagen en eventueel gekoppeld aan een Hunter-uitlijnbank.
Het scherm
Bij Bandenhandel Van Essen in Westervoort zijn de Hunter Tread Edge en de Hunter Quick Check Drive pal achter de garagedeur ingebouwd. Elke auto die binnenrijdt, rijdt er overheen. Waar de klanten uitstappen hangt het scherm, waarop de resultaten van de scans direct te zien zijn. Een tweede scherm hangt in de wachtruimte bij de koffiemachine. Als een klant het scherm bij het uitstappen heeft gemist, zal het tweede scherm hem direct opvallen. Vooral als er een roodgekleurd icoon bij zijn kenteken staat: dan is direct duidelijk dat er wat mis is.
“Klanten hebben vaak niet door dat er wat mis is, het slijt erin, ze wennen aan het gedrag van de auto”, stelt werkplaatschef Rik de Jong. “Als ik zeg dat er uitgelijnd moet worden, dan geloven ze het niet altijd. Maar als er zo’n rood icoon bij het kenteken verschijnt, geloven ze het meteen. Apparaten zijn neutraal. Dan hoef ik niks meer uit te leggen.”
Extra omzet
“We hebben het systeem aangeschaft omdat we twee mooie uitlijnbruggen











‘Dat is dus 100 x 70 = 7000 euro extra omzet per maand’
hebben. Die moeten blijven draaien en dat gebeurt dankzij de scanstraat. We hebben deze nu twee jaar en het aantal uitlijnbeurten is gegroeid van 150 naar 250 per maand. En dat voor 70 euro per beurt. Dat is dus 100 x 70 = 7000 euro extra omzet per maand! De scanstraat hebben we daardoor al lang en breed terugverdiend”, aldus De Jong.
“Verder geeft het systeem een professionele uitstraling aan het bedrijf. En de 360° camera’s hebben ook al een hoop geld bespaard. Het komt nogal eens voor dat een klant ineens schade aan zijn auto ziet: als we kunnen laten zien dat de schade er al opzat toen hij binnenreed, scheelt dat een hoop.”
Rekentool
Dat de Hunter Tread Edge en de Hunter Check Drive een positieve bijdrage kunnen leveren aan de omzet van een werkplaats of bandenbedrijf, staat buiten kijf. Of die extra omzet hoog genoeg is om de investering te rechtvaardigen, hangt natuurlijk af van het aantal doorgangen in de werkplaats. Hunter heeft een rekentool waarmee bedrijven snel kunnen uitrekenen of een Hunter-scanstraat een rendabele toevoeging voor hun werkplaats is.

Een EV-band heeft een geluidsarm profiel, hoog draagvermogen, minder profiel, en het betreft vaak TR-banden in plaats van VR-banden.
Banden slijten sneller dan voorheen. En ze verouderen ook nog eens sneller. Hoe komt dat? Wat moet je weten van OE-codes? Waarom zijn breedtesets in opmars? En: waarom moet je aan de slag met uitlijnen en ADAS?
Veel vragen waarop de deelnemers aan de informatieavond over banden en ADAS van Koskamp Opleidingen in Kampen antwoord kregen van André ’t Hart van bandengroothandel Inter-Sprint en Jack Keizer van Nijboer
Tekst: Hugo Claver
Foto’s: Hugo Claver, Andy Smulders
Blijstra Techniek, leverancier van werkplaatsequipment.
Dat banden sneller slijten dan vroeger, heeft meerdere oorzaken, zegt André ’t Hart, die de lezing aftrapt. De eerste is de profieldiepte. Bij een nieuwe band is die diepte vanaf circa 5,5 millimeter, waar vroeger 8 millimeter gebruikelijk was. De reden? Lagere rolweerstand. Het verbruik daalt dus iets, maar de levensduur van de band kan hierdoor ook iets worden verkort. Rijdt je klant in een EV met 800 Nm
koppel en 2500 kilo gewicht, dan is 25.000 kilometer voor een set banden op de aangedreven as nog heel keurig, wil André ’t Hart maar zeggen.
Koppel en kilo’s
Daarmee hebben we meteen oorzaak twee en drie te pakken: koppel en kilo’s. Daarbij komt: een band slijt niet – of nauwelijks – van rijden op de snelweg. Maar wel van accelereren en remmen. En met de giga-hoeveelheden koppel van de gemiddelde EV, plus de bijbehorende kilo’s én een stevige rijstijl, verdwijnt het profiel als sneeuw voor de zon.
Nog een factor is de samenstelling van banden. Sinds 2010 is in de EU gebruik van polycyclische aromatische koolwaterstoffen (PAK) in banden verboden. Die organische verbindingen, die van nature voorkomen in fossiele brandstoffen, zorgden ervoor dat het rubber lang in goede conditie bleef. Helaas zijn ze kankerverwekkend en dus gelukkig verboden. Dit betekent wel dat banden sneller verouderen en minder goed tegen bijvoorbeeld reinigingsmiddelen kunnen.
Overmatig slijten
Nog een reden waarom banden snel(ler) slijten: elke auto heeft af-fabriek toe- of uitspoorspoor. Dat, en een negatieve wielvlucht of camber, is namelijk beter voor de stabiliteit van het voertuig. Maar het betekent wel dat banden aan de binnenzijde overmatig slijten. Handig om te weten als klanten klagen over slijtage. Wijs die klant dan meteen op het belang van de juiste bandenspanning. Die ligt in veel gevallen flink hoger dan de meeste mensen denken: 3,0 tot 3,2 bar is geen uitzondering meer, afhankelijk van het type band.
Daarbij goed om te weten: een band gaat nooit stuk door bovenspanning, maar wel door onderspanning. Bedenk dat een band gefabriceerd wordt bij zo’n 150 graden Celsius. Bij langdurig rijden met forse onderspanning, al dan niet met zware belasting, kan een band zomaar die temperatuur bereiken. Het fabricageproces keert dan als het ware om en de band desintegreert. Daarom zie je langs snelwegen stukken loopvlak van banden liggen.
De band ‘lezen’ Gemiddeld genomen zijn banden nu goed voor een kwart van de werkplaatsfactuur, zegt André ’t Hart. Dat zal met de elektrificatie alleen maar meer worden. Daarmee wordt banden kunnen ‘lezen’ ook steeds belangrijker. De load-index of het draagvermogen is een heel
belangrijke. Maar ook de OE-code. Heb je bijvoorbeeld een auto met vierwielaandrijving? Dan moet de nieuwe band een OE-codering hebben. Monteer je een bandenset zonder die markering en gaat de tussenbak stuk, dan kan de dealer of importeur de garantieclaim afwijzen, zegt André ’t Hart.
“Heb je bijvoorbeeld een BMW Xdrive in de werkplaats staan, met breedteset en jonger dan 2015? Neem geen risico, maar monteer een band met ster-code, een typische BMW-codering.” Dat geldt volgens hem ook voor Ultra High Performance-banden: nooit risico mee nemen, altijd het fabrieksvoorschrift volgen. Is de hiel beschadigd bij het monteren? Hoe klein de beschadiging ook is, niet twijfelen maar weggooien die band.
Nu we het over de breedteset hebben: die zijn populair, vooral onder elektrisch aangedreven voertuigen. Maar waarom eigenlijk? Simpel: om overstuur tegen te gaan. Neem een VW ID4. Die is – als basisversie – achterwielaangedreven. De 77 kWh Pro-versie heeft al 310 Nm. Met 18 inch wielen is de ID4 vooraan voorzien van 235 millimeter brede banden, achter is dat 255 millimeter. Eigenlijk is dat een tegenstelling: bij een EV zou je een zo smal mogelijke band/wielcombinatie willen, in verband met de actieradius. Maar die extra millimeters heb je simpelweg nodig voor de grip.
Verschil in actieradius
Die actieradius is een dingetje bij EV’s. En als je weet dat een band goed is voor zo’n
Met de elektrificatie groeit niet alleen het belang van slijtdelen als banden, maar moet het autobedrijf ook op zoek naar andere manieren om omzet te maken. Lichtmetalen wielen bijvoorbeeld. Inter-Tyre Wheels & Tuning speelt hierop in met een assortiment lichtmetalen en stalen wielen, van bekende merken maar ook private label. Het levert ook spare-kits, TPMS-sensoren en montagemateriaal.
zijn goed voor een kwart van de werkplaatsfactuur
20 procent van het energieverbruik van de auto, dan snap je dat een verkeerde band monteren tot boze klanten kan leiden. We nemen diezelfde VW ID4 waar jij nieuwe banden onder moet zetten. Die auto heeft een topsnelheid van 160 km/u. Dus kun je toe met een TR-band, die tot 190 km/u goedgekeurd is. Zo’n TR-band is lichter van constructie én is anders opgebouwd, want er hoeven minder gordels in, en dat is goed voor de actieradius. Maar diezelfde TR-band kan dus niet onder een BMW X3 op benzine… Hoe lager de rolweerstand, hoe groter de

actieradius. Het verschil tussen A en C op het bandenlabel kan bij een EV neerkomen op 54 kilometer meer of minder op een acculading. Met een runflat-band kan het tot wel 80 kilometer schelen. Ook een vierseizoenenband betekent minder kilometers met een acculading. Weet dus wat je monteert, benadrukt André ’t Hart. Goed: met de elektrificatie verkoop je dus minder onderdelen, meer banden en bovendien moet je bandenkennis op peil zijn. Nieuwe omzetkansen liggen er in uitlijnen. Waarom uitlijnen gewenst is, ligt voor de hand: minder slijtage, grotere actieradius. En als bonus betere rijeigenschappen.
Een 100 procent vlakke vloer en hefinrichting zijn een vereiste om met uitlijnen aan de slag te gaan, legt Jack Keizer van Nijboer Blijstra Techniek (NBT), leverancier van werkplaatsequipment, uit. Is dat niet op orde, dan kun je de duurste uitlijner hebben, maar het resultaat zal nooit optimaal zijn. Een rechte vierkolomshefbrug is aan te passen voor uitlijnen. Een uitlijner, bijvoorbeeld van Corghi zoals NBT die levert, betaalt zich terug met tussen de twee en drie uitlijningen per week. “Moet je helemaal van nul af aan beginnen en investeren in een brug, uitlijnapparatuur en ADAS-kalibratieapparatuur, dan loopt de investering op tot pakweg 70.000 euro.”
Een goede uitlijning is een voorwaarde voor ADAS-kalibratie. Maar andersom geldt dat na uitlijnen het kalibreren van ADAS eigenlijk noodzaak is. Want met uitlijnen sleutel je aan de ophanging, terwijl ADAS-sensoren op de carrosserie bevestigd zijn. Is een voertuig uitgerust met long distance-radar en adaptive cruisecontrol, dan kan een paar minuten afwijking in de uitlijning gevolgen hebben. De auto kijkt niet meer 300 meter vooruit maar minder, omdat je door de afwijking links of rechts naast het radarbeeld zit. De
Koskamp liet zien hoe de bandenzoeker op de website van de grossier is uitgebreid. Je kunt als autobedrijf nu ook de gewenste marge op een bepaalde band instellen, zodat je de klant meteen een gedetailleerde prijsopgaaf kunt geven. Je kunt niet alleen de marges op banden direct zien, maar ook op zaken als ventielen.
Daarnaast liet Koskamp weten dat als jij als autobedrijf een band elders goedkoper kunt krijgen, je deze gewoon via Koskamp kunt bestellen. De banden worden dan door bezorger DPD afgeleverd. De levertijd is dan iets langer, een goede werkvoorbereiding loont in zo’n geval.
Tot slot wijst Koskamp op de bandencalculator op de bestelsite. Daarmee vind je razendsnel de juiste bandenmaat voor elk wiel.

Nauwkeurigheid is – naast snelheid –van belang. “Het is geen gokkast.”

auto reageert dan of te vroeg of te laat. Of een auto weigert bijvoorbeeld in te halen of gaat remmen terwijl dat niet hoeft.
Statisch of dynamisch
Kortom: kalibreren. Dat kan statisch of dynamisch. “Maar dynamisch kalibreren wordt steeds lastiger. Vind maar eens een rustige weg. En eigenlijk moet je met z’n tweeën zijn, want je mag geen apparatuur bedienen achter het stuur”, zegt Keizer. Daarom wordt nu zo’n 60 procent van de kalibraties statisch gedaan. Het belang van uitlijnen en ADAS-kalibreren neemt alleen maar toe, zegt Keizer. Weer door die EV’s, die door hun gewicht eerder afwijkingen in de uitlijning vertonen.
Wil je als garagist geld verdienen met uitlijnen, dan moet het uitlijnen snel gaan. Keizer laat zien hoe het werkt met de Corghi Exact Precision Quattro-uitlijner.
‘Dynamisch kalibreren wordt steeds lastiger’
Opspannen gaat vliegensvlug, net als het juiste merk en model auto opzoeken in de database. Binnen 10 minuten heb je een nulmeting met print, waarmee je voor de klant inzichtelijk maakt hoe de uitlijning nu is.
Het belangrijkste bij uitlijnen, naast de snelheid? Keizer: “De nauwkeurigheid. Als je twee keer achter elkaar dezelfde auto uitlijnt, inclusief opnieuw opspannen, dan mag de afwijking minimaal zijn. Een uitlijner is geen gokkast.”
OOMT webinar:
Kunstmatige intelligentie (AI) is geen verre toekomstmuziek meer Dat werd duidelijk tijdens het
webinar van OOMT, AMT en Tweewieler, dat door Annemarie Maeijer-Brüning gepresenteerd werd Experts bespraken hoe AI al wordt ingezet in de mobiliteitsbranche en wat de mogelijkheden voor de toekomst zijn.
AI is het nabootsen van menselijke intelligentie door computers. “Machines kunnen plannen, redeneren, leren en zelfs taal begrijpen,” legde wetenschapsjournalist Bennie Mols uit. “Een robotstofzuiger is een simpel voorbeeld. Maar een auto die zelf stoplichten herkent en verkeerssituaties inschat, dat is AI op een hoger niveau.”
AI in de praktijk
Michael Letsch directeur Mens en Organisatie bij Oostendorp Groep, gaf praktijkvoorbeelden. “We gebruiken AI om teksten te redigeren, blogs te brainstormen en zelfs code te schrijven voor onze website,” vertelde hij. “En we bouwen onze eigen GPT’s om taken beter af te stemmen op onze organisatie.” Volgens Betsie Brink, directeur van OOMT, is AI niet te negeren. “Het gaat invloed hebben op de bedrijfsvoering, marketing en techniek. We moeten dit omarmen en kijken hoe we het effectief kunnen inzetten.” Meer dan 22% van de Nederlandse bedrijven met meer dan tien werknemers gebruikt al AI, volgens cijfers van het CBS. “Generatieve AI is het populairst, bijvoorbeeld om teksten te genereren,” aldus Mols. “Sinds ChatGPT eind 2022 verscheen, is AI toegankelijker dan ooit.”
Hoe begin je met AI?
AI kan helpen werk aangenamer te maken en mogelijk nieuwe doelgroepen aantrekken.”
AI wordt al gebruikt in klantenservice, marketing en zelfs technisch onderhoud. “Onze verkopers gebruiken AI om foto’s van auto’s automatisch uit te lijnen,” vertelde Letsch, die benadrukte dat je altijd een betaalde versie van AI-tools moet gebruiken. “Gratis versies kunnen data opslaan en verkopen.”
Wat kun je morgen doen?
1. Bespreek AI met je team: wie gebruikt het al en hoe?
2 Experimenteer met gratis versies van ChatGPT, Copilot of Gemini.
3 Bedenk welke taken AI binnen je bedrijf kan ondersteunen
4. Volg de gratis Nationale AI Cursus om basiskennis op te doen
AI biedt kansen, maar vraagt ook om een bewuste aanpak. “Begin klein, leer de mogelijkheden kennen en zorg dat medewerkers betrokken blijven,” vatte Mols samen. “AI moet een hulpmiddel zijn, geen vervanger van vakmanschap.”
Meer informatie
Letsch benadrukt dat bedrijven klein kunnen beginnen. Wij ontdekten AI toen een contentmarketeer vertrok en we snel vervanging zochten. We experimenteerden met tools en ontdekten dat AI ons 30% productiever maakte.” Mols stelde dat je AI moet zien als aanvullende intelligentie. Brink ziet AI als een kans. “Door personeelstekorten is efficiëntie essentieel. Dit artikel is gesponsord door OOMT.
Wil je eens sparren met OOMT over hoe je je werknemers meekrijgt met AI? Neem dan contact op met de servicedesk van OOMT: https://www.oomt.nl/servicedesk/

In auto’s die autonoom kunnen rijden, zit elektronica die stuur en remmen kan bedienen zonder chauffeur. Bosch komt nu met een brake-by-wiresysteem waarbij ook een chauffeur geheel door middel van elektronica remt.
Eind van dit jaar verwacht Bosch de eerste auto’s in productie met een volledig brake-by-wire-systeem. Hadden we dat dan al niet in talrijke auto’s die onder bepaalde omstandigheden zelfstandig kunnen rijden, waarbij de bestuurder alleen moet ingrijpen als iets mis dreigt te gaan?
Ja en nee. Een autonoom rijsysteem kan zo nodig elektrisch remdruk opwekken met het ABS-systeem, dat een hydraulische pomp bevat. Daarnaast kan ook de bestuurder remdruk opwekken met het vanouds bekende pedaal, als de rijautomaat niet in werking is (of niet tijdig reageert). Een dubbel systeem dus, niet volledig by wire
Elektro-hydraulisch of elektrisch
aan eenzelfde systeem dat puur elektrisch bediende remmen kan aansturen. Er moet wettelijk gezien sprake zijn van een fail-safe-systeem, een onafhankelijke dubbele bediening voor het geval één bedieningssysteem defect raakt. Daarom hadden we een tweekrings hydraulisch remsysteem. Met officieel nog de handrem voor uiterste nood, al biedt die feitelijk weinig remvermogen.
Dubbel systeem
In paars twee elektronische aansturingen, naar twee remregelaars die hydraulisch alle remmen kunnen bedienen. Met één remknop voor de bestuurder.
Bosch heeft nu een laatste praktijkproef gedaan met een eigen systeem dat wél volledig by wire werkt. Een rempedaal met sensor staat geheel los van een hoofdremcilinder en een apart ABS/ESCregelblok. De remdruk wordt uitsluitend elektrisch opgewekt. Er zijn nog wel hydraulische leidingen naar remklauwen of cilinders. Dat wil zeggen: als de autofabrikant daarvoor kiest. Er wordt al gewerkt
Nu is een dubbel elektronisch systeem ook toegestaan. Dat zijn het ABS-blok en een hoofdremcilinder die beide worden aangestuurd en die beide een hydraulische pomp hebben om de remmen te bedienen. Ze zijn ook beide aangesloten op het pedaal met remsensor, elk van de twee kan het hele remsysteem bedienen. Hiertoe zijn er dubbele signaalleidingen, die in verschillende circuits in het elektrisch systeem zitten. Dat is het grote verschil, zegt Bosch: dit systeem is zo volledig dubbel uitgevoerd dat het als fail-safe telt.

De nieuwe hoofdremcilinder, die samen met het bekende ABS/ESC-regelblok een fail-safe dubbel remsysteem biedt.

Het wegvallen van een mechanische verbinding tussen een pedaal en een hoofdremcilinder, eventueel met vacuümbekrachtiger ertussen, is bepaald praktisch. De nu elektronisch bediende hoofdremcilinder kan vrij geplaatst worden, onafhankelijk van waar het pedaal moet zitten. Handig voor de indeling van de motorruimte, dan wel de frunk bij een elektrische aandrijving. Links of rechts gestuurd maakt niet meer uit. Het is ook veiliger: er is geen kans dat bij een botsing het rempedaal via de hoofdremcilinder gevaarlijk het interieur in wordt gedrukt.
Evenzo is er volle vrijheid wat betreft de positie van het elektronisch rempedaal, en hoe dat eruit kan zien. Het zal even wennen zijn, weten citrofielen van de DS of CX; die hadden ook meer een remknop dan een pedaal, aangesloten op het hy-
dropneumatisch hogedrukveersysteem, waar alleen pedaalkracht maar geen pedaalslaglengte het remeffect bepaalt. Meerdere autofabrikanten kozen al voor het nieuwe brake-by-wire van Bosch, dat komend najaar in productie komt. In 2030 denkt Bosch dat er al 5,5 miljoen auto’s met zo’n systeem op de weg zijn. Volgens een bericht in de Financial Times zou BYD onlangs op een persconferentie in China hebben aangekondigd al zijn modellen standaard te gaan voorzien van de uitrusting voor autonoom rijden. De hoogste man verwacht zelfs dat dit over een jaar of twee vanzelfsprekend zal zijn, ‘net als gordels of een airbag’. Het gaat dan echter niet om volledig autonoom rijden (level 5) maar om assistentie die nu al veel nieuwe auto’s hebben (level 3: snelweg rijden, autonoom parkeren). Ook is niet duidelijk wanneer en op welke markten BYD autonome voorzieningen standaard wil maken. En daar hoeft niet per se al een fail-safe dubbel brake-by-wire in te zitten.
Da’s interessant, een binnenbandloze band!
In 1955 pakt Th. van der Star, sterreporter van AMT, groots uit met een artikel over binnenbandloze banden. Hij geeft zijn verhaal wat extra profiel door erboven te schrijven: “Een interessant artikel over een actueel onderwerp.” Een beetje zelfpromotie kan geen kwaad, moet hij gedacht hebben. Patenten op binnenbandloze banden bestaan al jaren, maar dat van BF Goodrich uit 1952, gebaseerd op butylrubber, zorgt voor de doorbraak. Ineens gaat het snel: al in 1955 zijn binnenbandloze banden gemeengoed op Amerikaanse auto’s.
Ik herinner mij 1917...
In Nederland blijft de afzet achter. Van der Star vermoedt dat er sprake is van argwaan. Om de scepsis rondom nieuwe technologieën te illustreren, deelt hij een herinnering aan 1917 toen hij in open auto’s reed met de versnellings- en remhefbomen rechts buiten de cabine. In dat jaar reed hij voor het eerst in een gesloten Buick, met het stuur aan de linkerkant. De hefbomen staken zomaar in het midden van de vloer omhoog! Van der Star voelde zich die eerste dagen helemaal niet prettig. “Het rijden met zo’n auto was een min of meer benauwende gewaarwording”, schrijft hij. “Zo helemaal binnen zitten, met al dat glas om je heen en niet eens nat worden als het regende!”
Van der Star hoopt met deze anekdote ongemotiveerde bezwaren tegen tubeless banden weg te nemen. Het zijn echter zijn technische argumenten die overtuigen. De rijsnelheden nemen toe, banden met een binnenband hebben een lage spanning en het velglint bemoeilijkt de afvoer van hitte. De temperatuur loopt op tot 100 à 120˚C, akelig dicht bij de vulcaniseertemperatuur van 135˚C. Snelle slijtage en klapbanden zijn het gevolg.
Gevoelens...
Van der Star had, behalve over hefbomen, beter kunnen schrijven over de banden van die Buick: hoe moeilijk ze in 1917 te krijgen waren, hoe lastig te monteren en dat ze voortdurend lek gingen. In 1905 waren banden na drieduizend kilometer versleten; in 1935 – dankzij de toevoeging van koolstof – pas na dertigduizend kilometer. Maar Van der Star schreef dit keer liever over zijn gevoelens dan over getallen – en misschien werd het juist daardoor een interessant artikel over een actueel onderwerp.

Lees het complete artikel uit AMT 1955 over de binnenbandloze band terug op www.amt.nl.











“Snelladen duurt te lang en er zijn te weinig laadstations.” Dat zijn de belangrijkste bezwaren van automobilisten tegen elektrisch rijden. Op het laatste Wiener Motoren Symposium presenteerde Shell een oplossing: immersion cooling. In gewoon Nederlands: dompel de accucellen onder in vloeistof. Werkt dat?
Tekst: Erwin den Hoed Foto’s: Kreisel, Mercedes-AMG, Shell

Snelladen zonder degradatie
“Ja, dat werkt”, zegt Shell. Tests die Shell uitvoerde samen met de Tsinghua Universteit maken dat duidelijk. Een blok van 30 NMC 150 Ah-cellen werd opgeladen met 4C. De laadstroom in kW was dus vier maal de batterijcapaciteit in kWh. Dat levert een 20 tot 80 procent SOC op van 9 minuten. Tijdens het laden bleef de temperatuurdelta in het cellenblok veel kleiner dan bij de meest optimale indirecte koeling. En minder temperatuurverschil is meer levensduur. Of nog sneller laden.

Ook de elektrische contacten van de accucellen staan in de koelvloeistof. Die is daarom diëlektrisch; de vloeistof heeft een hoge elektrische weerstand. Transformatoren in de energiesector gebruiken die vloeistoffen al 120 jaar. Nu Shell ze produceert met Gas to Liquid-technologie voldoen ze ook aan de eisen die immersion cooling aan autobatterijen stelt. Zo’n vloeistof moet thermisch juist wel geleiden, een grote warmtecapaciteit én een lage viscositeit hebben en mag geen materialen aantasten.

Thermal runaway is de kettingreactie die ontstaat als een oververhitte accucel een volgende aansteekt. Gevolg: een oncontroleerbare brand. We zien dat vooral bij liion-cellen met NMC-kathode. Maar niet als ze ondergedompeld zijn, zegt Shell. In een standaard misbruiktest waarin een cel vervangen is door een verwarmingselement, mag pas na vijf minuten rook of vuur zichtbaar zijn. Bij een vloeistofstoom van 2 l/min blijven rook en vuur, en daarmee een thermal runaway, helemaal uit.


Maakt dat de batterij niet zwaar?
Cellen onderdompelen: maakt dat de batterij niet zwaarder? Shell demonstreert dat met een 100 kWhbatterij met dubbelzijdige indirecte koeling. Na ombouw naar immersion cooling (nog in dezelfde behuizing) weegt die 38,5 kg minder. Oorzaken: diëlektrische vloeistof weegt minder en geen koelplaten meer.

Ook de elektrische contacten staan in de koelvloeistof


Mercedes doet het
Als immersion cooling zo goed werkt, waarom is er dan nog geen auto die het heeft? Ja, die is er wel. Meest aansprekend is de Mercedes-AMG GT 63 S E Performance. Die auto heeft een verbrandingsmotor voorin en een Electric Drive Unit (150 kW-elektromotor, tweetraps transmissie, elektronisch sperdiff ) op de achteras.

Op de EDU van de AMG ligt een 6,1 kWh-batterij, die 70 kWh continu kan leveren. Met bijna 12 C is dat al een extreme belasting. Nog extremer: gedurende 10 seconden kan de batterij 150 kW leveren of regenereren. Dankzij immersion cooling. Met een gewicht van 89 kg is de vermogensdichtheid ook extreem: 1,7 kW/kg.

Hoe gaan voertuigcriminelen te werk? Oud-politieman Gerard van Warmerdam demonstreert het in een lekker technische omgeving: de praktijkruimte autotechniek van het Talland College in Heerhugowaard.
ATC Noord-Holland maakt trip door land van
Binnenkomen is de eerste stap voor een voertuigcrimineel. Gaat het om airbags of infotainment, dan is dat voldoende. Is hij uit op het hele voertuig, dan moet hij ook starten. Het internet staat bol van de hulp en tools voor beide praktijken. Oud-politieman Gerard van Warmerdam geeft de leden van ATC Noord-Holland een rondleiding door het land van inbrekerstrucs en -tools.
Gone in 60 seconds, heet de actiefilm waarin een autodief in één nacht vijftig auto’s moet stelen. Fictie natuurlijk, de realiteit gaat nog een stapje verder. Het videootje waarmee Gerard van Warmerdam aftrapt voor ATC-leden en leerlingen van het Talland College heet: Gone in 20 seconds. Het toont hoe een voertuigcrimineel in de auto een sleutel inleert, daarmee start en wegrijdt. In 20 seconden…
Mooi, maar dan moet je natuurlijk wel eerst binnenkomen. Om te laten zien hoe dat gaat heeft Van Warmerdam koffers vol inbrekersgereedschap bij zich. “Allemaal spullen die je online kunt kopen. Natuur-
lijk staat er dan bij dat het bedoeld is voor de brandweer, voor slotenmakers of voor beoefenaars van andere eerzame beroepen, maar iedereen kan het bestellen.
Hoe werkt een slot?
Van Warmerdam begint bij de basis: “In een slot zit een cilinder met uitstekende palletjes. Die verhinderen dat de cilinder kan draaien. Het profiel van de sleutel zorgt ervoor dat de palletjes inklappen, zodat de cilinder wel kan draaien.”
Daders hebben geen sleutel. Voor hen kan grof geweld als vervanging dienen: “De inbreker ramt een schaar, schroevendraaier of ander stuk gereedschap in het
Iedere maand verzorgen de zeventien ATC-afdelingen in Nederland en België lezingen over uiteenlopende onderwerpen. Alle ongeveer 3.000 leden van de ATC kunnen die gratis bijwonen. En ze ontvangen het vakblad AMT. Verder organiseert de ATC landelijke evenementen, livestreams en vertegenwoordigt de vereniging de APK-keurmeesters in verschillende officiële overlegorganen. Meer weten? Kijk op: www.verenigingatc.com.
slot en probeert dat met geweld om te draaien.” Gelukkig weten auto- en slotenfabrikanten dat: “Het slot draait onder dat geweld gewoon door, maar gaat niet open.”
Polen-sleutel of massagestaaf
Iets geavanceerder is wat in het circuit om redenen die Van Warmerdam niet toelicht, de Polen-sleutel genoemd wordt: “Die heeft een profiel dat op dat van de auto lijkt. Daarmee forceer je het slot wel, zonder dat je veel kracht hoeft te zetten.” Een volgende stap is een apparaatje waarmee je de palletjes in een hoogfrequente trilling kunt brengen: “Het lijkt op een massagestaaf. Werkt op allerlei soorten en maten sloten.”
Snel sleutels namaken
Toch heeft ook dat apparaat zijn beperkingen: “Bij sloten met vijf of zes palletjes kan het lastig zijn om die allemaal op een rij te krijgen. Daar heeft de business apparaatjes voor uitgevonden die een voor een de positie van de cilinderplaatjes aftasten. Je leest ze allemaal uit en je krijgt een bepaalde code. Die selecteer je uit het bijgeleverde doosje, klikt ‘m in een houdertje en je maakt een cilinderslot open alsof je de sleutel hebt. Perfect ding.”
Een variant is de zogenoemde knipsleutel. Ook die wordt gemaakt door de plaatjes af te tasten. Op basis van de code die dat oplevert, knip je met een tang het juiste profiel uit een stukje plaat dat om een sleutel met het juiste basisprofiel past. En je hebt een sleutel nagemaakt.”
De turbo erop!
Mooi, maar direct verouderd toen de Turbo Decoder op de markt verscheen: “Dat apparaat doet het allemaal tegelijk. Je tast de palletjes af en je hebt direct een passende sleutel in handen. Een mooi stukje techniek!”
Wel gaan de kosten voor de baat uit: “Zo’n tooltje kost 800 à 900 euro. En per sleuteltype heb je een andere Turbo Decoder nodig. Eén voor VW/Audi, één voor Peugeot/Citroën, één voor BMW en ga zo maar door.”
Vlindertjes knippen
Veel kleiner is de investering in zogenoemde vlindertjes: “Een mooie Harley Davidson staat vaak niet op straat. Is het schuurtje beveiligd met een hangslot, dan worden dit soort vlindertjes gebruikt. Het dunne stukje blik schuif je langs de beugel het slot in. Aan de andere kant ook, als daar ook een palletje zit. Je draait ze een kwartslag en het slot springt open. Dan kan de beugel van ge-

hard staal zijn, dankzij de minimale ruimte in de schacht gaat het slot met zo’n simpel stukje gereedschap gewoon open. Er staat zelfs een instructie op internet hoe je die vlindertjes zelf kunt knippen uit een colablikje.”
Eén keer starten
Goed binnenkomen lukt de voertuigcrimineel dus wel. Volgende stap, de motor starten. Ook daarvoor zijn slimme tools te kust en te keur te koop op het www. Van Warmerdam begint met een zogenoemde Emergency Start: “Deze is geschikt voor een reeks modellen van Volkswagen. Je kunt er eenmalig de startonderbreking mee omzeilen zodat je de auto kunt starten met een sleutel zonder transponder.” Natuurlijk zegt de website waarop je die Emergency Start kunt kopen niet dat het apparaat voor autodieven bedoeld is: “Nee, voor autodealers, want je klant zal maar ergens staan en de sleutel kwijt zijn!”
Goedkope wegrijtools
Praktischer is het om zelf de transponder te programmeren. Die transponder is de chip die in een sleutel voor een auto met startonderbreking zit. “Er zijn tools om ze te programmeren. De transponders koop je per tien en plak je op een passende sleutel.”
Meer goedkoop autodievengereedschap: “Oudere Mercedes Vito’s worden bij bosjes gestolen. Het contactslot zit in een huis waar de elektronica inzit. En dat geheel zit in het dashboard. Dat contactslot kun je niet snel even uitbouwen. Tenzij… je er een speciaal stukje gereedschap voor hebt. Twee tientjes bij Ali Baba. Het contactslot haal je eruit, daarna het huis
Een uitkomst voor autodieven, de Turbo Decoder: “Je tast de palletjes af en je hebt direct een passende sleutel in handen. Een mooi stukje techniek!”, vindt Van Warmerdam.
met de elektronica. Beide vervang je door exemplaren die je van de sloop hebt gehaald. De twee stekkertjes op de achterkant van het huis weer aansluiten en… rijden maar.”
Hulp van het slachtoffer
Soms helpen de slachtoffers zelf een handje bij autodiefstallen: “Waar gebeurd! ‘Extra sleutel in laten leren? Veel te duur? Ik haal gewoon de transponder uit de sleutel en plaats die bij het contactslot. Dan kun je met iedere sleutel starten. Want de transponderherkenning is er. Slim toch?’ Nou nee, want zo maak je het autodieven wel erg makkelijk.”
Slachtoffer als dader
Handenarbeid van een autodief: knipsleutel met zelf geprogrammeerde transponder.
En soms gaan slachtoffers nog verder, dan zijn ze zelf de dader. Wie dat doet, moet over voldoende kennis beschikken om niet bij speurder Van Warmerdam door de mand te vallen: “Zijn de sleutels origineel? Meneer, dit is een nagemaakte? U hebt nooit sleutels bijgemaakt, zegt u? En u bent de eerste eigenaar? Hoe kan dat? Waar is de originele sleutel? Is daar de auto mee gestolen?”



Tel.

Tel. +31 (0)72 - 562 24 07 info@gmto.nl www.gmto.nl
uitgebreid inwerk- en opleidingstraject
EERSTE AUTO- EN BEDRIJFSWAGENTECHNICI

TECHNISCH SPECIALISTEN
je bent de spil in onze serviceorganisatie

wij geloven in “no customer satisfaction without job satisfaction”
Heb jij behoorlijk wat praktijkkennis van autotechniek en help je graag anderen?
Dan is GMTO dé plek voor jou!
Wij hebben uitdagende en veelzijdige functies zoals helpdeskmedewerker in onze vestigingen in Andelst, Heerhugowaard en Gent.
zet de volgende stap in jouw persoonlijke groei

veelzijdig en afwisselend ook door remote diagnose (op afstand)
altijd collega’s om mee te sparren los storingen op vanuit heel Nederland vacatures Nederland vacatures België

je werkt nauw samen in een team, dus sta je er nooit alleen voor
Dat bleek zo te zijn: “Een sleutel bevat veel data. Als je ‘m uitleest zie je het VIN. Deze was van een heel andere BMW. Die stond ergens op de sloop. Deze meneer drukte zijn eigen, heel speciale, BMW achterover en levert een setje verkeerde sleutels in. Hij dacht zo een hoop centjes te krijgen, maar kreeg een strafproces.”
Bedrog vraagt kennis
Bij veel merken staat ook de kilometerstand in de sleutel. Niet iedereen weet dat. Een meneer gaf een veel lagere kilometerstand op nadat zijn Audi gestolen was. Dat scheelt veel verzekeringsgeld. “Nu staat hij op de zwarte lijst van de verzekeraars.”
Sommige ‘slachtoffers’ stelen hun eigen auto niet, maar strippen hem: “Meneer, ze hebben mijn ruitje ingeslagen en alles gestolen.” Maar omdat hij de auto niet zo lang met kapotte ruit wilde laten staan, heeft hij ‘m al laten vervangen. “Waar heeft u die ruit laten vervangen? Bij Carglass? Die hebben hun eigen ruitcodering en die zie ik niet op deze ruit…”
Een ander ‘slachtoffer’ had wel degelijk zijn eigen glas ingegooid: “Maar dit was een auto met safelock. Als je een ruit ingooit, kun je de deur niet van binnenuit openmaken. Was de inbreker dan via het raam naar binnengegaan? Onmogelijk, er was helemaal geen verstoring aan de ruitkartels in het portier en ook niet bij de glasscherven in de auto. Meneer had zelf airbags en infotainment uit de auto gehaald. De spullen lagen in zijn schuurtje.”
Bij deze case was er ook nog een andere aanwijzing naar de dader: “De auto schrijft storingen als je er spullen uithaalt. Daardoor was zichtbaar dat het infotainment er pas vier uur na de airbag uit was.”
Relay attack
Terug naar de externe daders. De beruchte relay attack op auto’s met Keyless Entry & Keyless Go toont Warmerdam in een video. Die werd opgenomen door een bewakingscamera bij een huis in Lands-

Gerard van Warmerdam demonstreert de diefstal van een Mercedes Sprinter/Vito. Het contactslot zit in dit huis. Het laat zich razendsnel uitbouwen met een simpel tooltje.
meer. Als de man bij de auto de deurgreep vastpakt ‘vraagt’ de auto om de sleutel. Met zijn zender verlengt de ‘automan’ dat signaal naar de ‘huisman’. De sleutel in het huis beantwoordt het signaal en dat gaat via dezelfde weg terug naar de auto. Zo gaat de deur open en zo start de auto. Dan stapt ook de ‘huisman’ in en rijdt de auto weg.
“De auto rijdt nu zonder dat de sleutel aan boord is”, legt Warmerdam uit. Dat gaat goed tot je de motor afzet. Daarna start hij niet meer. Daarom vragen ze je bij controles aan de Poolse grens soms om je motor even af te zetten.”
Van Warmerdam begon bij de marechaussee. Daarna kwam hij via de gemeentepolitie ’s-Gravenhage bij de technische dienst van de verkeerspolitie terecht om zich met autodiefstallen bezig te houden. Weer later deed hij dat voor meerdere bedrijven en verzekeraars. Sinds kort is hij met pensioen, maar de voertuigcriminaliteit gaat door, dus Van Warmerdam ook. Het Verbond van Verzekeraars doet nog geregeld een beroep op zijn deskundigheid. Bijvoorbeeld om te beoordelen of een af-fabriek alarmsysteem goed genoeg is, of dat een extra SCM-alarm, dat onafhankelijk van de sleutel werkt en ongecodeerde draden heeft, nodig is om een bepaald type dure importauto te kunnen verzekeren.
Zo’n relay attack voorkom je door je sleutel in een metalen kistje te leggen. Maar: “Bij nieuwere auto’s hoeft dat niet meer. De sleutel reageert niet als hij in rust is, dus een tijd niet bewogen heeft.”
Wedloop met de crimineel
Zo’n maatregel is onderdeel van de wedloop tussen autofabrikanten en verzekeraars aan de ene kant en voertuigcriminelen aan de andere: “Neem track & trace, geweldig toch dat je precies kunt zien waar je gestolen auto zich bevindt! Wel jammer dat criminelen yammers gebruiken om dat track & trace-signaal te verstoren.” Van Warmerdam toont er een met vier antennes voor vier golflengtes. Maar de politie zit ook niet stil: “Die beschikt inmiddels over yammerdetectors.”
Maar omdat slimmerikjes met slechte bedoelingen ook daar weer wat op vinden blijft er werk voor Van Warmerdam. Het jongste voorbeeld: “Moderne auto’s bedien je met een app op je mobiel. Toegang tot de smartphone betekent dus toegang tot de auto.” Zo brengt hij al een compleet werkzaam leven door in de criminaliteit. Maar dan aan de goede kant.

Bosch
Bosch breidt zijn ESI[tronic]-diagnostische software uit om Tesla-voertuigen volledig te ondersteunen. Door de integratie van de SOVD-norm (Service Oriented Vehicle Diagnostics) kunnen werkplaatsen Tesla’s net zo grondig diagnosticeren en onderhouden als de fabrikant zelf. Deze nieuwe functie maakt gebruik van de KTS 560- en KTS 590-testers en een speciale kabelset, die verbinding maken met voertuigen tot bouwjaar 2023.
De SOVD-norm biedt grotere compatibiliteit met elektrische voertuigen en maakt diagnose op afstand mogelijk via IP-gebaseerde communicatie zoals TCP/IP en WebSockets. Dit verbetert de efficiëntie van het onderhoud en maakt voorspellend onderhoud en software-updates eenvoudiger.
Werkplaatsen kunnen nu uitgebreide voertuigdiagnoses uitvoeren, inclusief toegang tot originele Tesla-technische gegevens.
Nieuwe aflakken van Glasurit
Sparen in de spuitcabine




febi bilstein heeft een vernieuwde iDia-tester gelanceerd, waarmee werkplaatsen snel de conditie van motor- en transmissievloeistoffen kunnen analyseren. Het compacte apparaat, middels Bluetooth verbonden met je pc, werkt met teststrips en is geschikt voor het testen van motorolie, hydraulische olie, remvloeistof en versnellingsbakolie. De tester analyseert onder andere roet, metaaldeeltjes en koelvloeistof in de olie, wat inzicht geeft in de slijtage van het smeermiddel. Je brengt een druppel vloeistof op de teststrip aan en, na een rijptijd van twee uur, voer je die in de tester in. De sample wordt via AI geëvalueerd, en het resultaat komt binnen vijf minuten per e-mail als pdf. Werkplaatsen kunnen de uitslagen gebruiken om bijvoorbeeld het onderhoudsinterval aan te passen of de interne slijtage van motor of transmissie snel te beoordelen.



Glasurit introduceert een nieuwe lijn aflakken voor bedrijfsvoertuigen: 68 Line PLUS. De serie bestaat uit vijf producten, elk gericht op een specifieke behoefte in de spuitcabine. Denk aan kortere verwerkingstijd, hogere dekking of lagere CO2uitstoot.
568-M 100/135 – Efficient: bedoeld voor snelheid. Geschikt voor verschillende voertuigen en het verhoogt de spuitcapaciteit.
568-M 135E – Eco Balance: vermindert de CO2-uitstoot tot 30 procent. Deze lakken dragen bij aan een efficiënter proces met minder materiaalverbruik.
568-M 200 – Supreme: biedt een gladde afwerking en droogt op lagere temperatuur. Hierdoor daalt de energiebehoefte. Bovendien biedt de lak een hoge UV- en chemische bestendigheid.
568-M 90 – High Build: speciaal voor situaties waar meer laagdikte nodig is. Zorgt voor goede dekking op de randen en is geschikt voor alle spuitapparatuur.
568-M 80 – Basic: de meest veelzijdige lak in de reeks. Biedt goede vloeiing, UVbescherming en is toepasbaar met elke spuitmethode.

Roetfilter schoon zonder demonteren
De nieuwe DPF/OPF-reiniger van Liqui Moly lost de uitgeharde roetlaag op het oppervlak van het filter op en maakt een actieve regeneratie tijdens het rijden of via een voertuigdiagnoseapparaat mogelijk – zonder het filter te demonteren.
De additievenspecialist bood al een sondeoplossing aan die met 1,5 liter reinigingsvloeistof en acht bar druk ook hardnekkige resten verwijdert.
Deze methode blijft volgens Liqui Moly de meest efficiënte keuze voor sterk verstopte filters.
De nieuwe reiniger in blik biedt een sneller en eenvoudiger alternatief.
Het is volgens de fabrikant een prijsgunstige oplossing voor veel toepassingen, die zonder extra apparatuur kan worden gebruikt.
Het nieuwe product is speciaal gericht op werkplaatsen en vult het bestaande professionele portfolio van sonde, drukpistool en reiniger aan.
De DPF/OPF-reiniger is vanaf nu verkrijgbaar.

van Snap-on
Snap-on komt met een slimme acculamp, automatische vacuumpomp en draaibare kop. Handig voor monteurs die hun handen vrij willen houden.
De nieuwe Snap-on ECSPL052U-acculamp blijft stevig zitten, zelfs op gladde oppervlakken. De lamp zuigt zichzelf vast dankzij een ingebouwd elektrisch vacuümpompje. Zo houd je je handen vrij tijdens het sleutelen.
Plaats de lamp bijvoorbeeld op een ruit, bumper of dashboard. De pomp doet de rest. Verliest de lamp grip? Dan pompt hij vanzelf bij. Ontgrendelen gaat net zo makkelijk: druk op de knop en je haalt ’m zo weer los. Opladen van de lamp duurt zo’n drie uur, daarna brandt hij meer dan 5 uur. De lichtopbrengst is 500 lumen, de lamp heeft een dimschakelaar met geheugenfunctie.

Veel startproblemen bij voertuigen worden veroorzaakt door de sleutel/transponder, is de ervaring van Doyen Auto. Daarom komt het met de Keycom: een heel simpel tooltje waarmee je snel ziet of er een probleem is met de autosleutel, of met de antenne van het antidiefstalsysteem. Het kunststof schijfje van 7 cm doorsnede, voorzien van een ledlampje, plaats je tegen het contactslot aan. Dan steek je de sleutel in het contact en zet het voertuig op contact. Het ledlampje in de Keycom geeft aan of de sleutel wel of niet communiceert met de antenne. Is er communicatie, dan knippert het lampje één keer. Knippert hij niet, dan communiceert de antenne niet. Zit het probleem in de sleutel, dan knippert het ledlampje meerdere keren kort achter elkaar. Daarmee weet je dat de antenne wel probeert te communiceren met de sleutel, maar ofwel de transponder van de sleutel reageert niet, of de code ervan is onjuist. Als alles correct werkt, dan licht het ledlampje één keer op. Dat is het signaal dat antenne en sleutel met elkaar communiceren. Slaat de motor dan nog niet aan, dan weet je dat het probleem in ieder geval niet in de sleutel of antenne zit.
Antwerpen
Bedrijfsbezoek
24 april
Philippe de Meyer en Pascal Buekenhoudt geven na een korte introductie van GOCA een presentatie over de keuringen die in Vlaanderen uitgevoerd worden.
Locatie: Technologiestraat 21/25, Sint-Agatha-Berchem
Tijd: Aanvang om 20.30 uur
Antwerpen
Gouden Autosleutel
29 april
TRAXIO organiseert een nieuwe editie van de wedstrijd Gouden Autosleutel. Meer informatie volgt op www.verenigingatc.com.
Locatie: EDUCAM Training Center, Lokeren
Bedrijfsbezoek AELS
6 mei
De ATC-afdeling Twente brengt op deze dag een bedrijfsbezoek aan vliegtuigdemontagebedrijf AELS. Het bezoek is op eigen gelegenheid en met eigen vervoer.
Locatie: Vliegveldstraat 280, Enschede
Tijd: Inloop om 17.30 uur
Limburg
Lezing 7 mei
Barry Zwiers van Zwiers Identificatie Techniek vertelt in een lezing over verzekeringsfraude. Hij behandelt voertuigcriminaliteit in de breedste zin van het woord en ook vanuit de verzekering gezien.
Locatie: Merodestraat 31, Stein
Tijd: Aanvang om 19.30 uur
Lezing 8 mei
Joop Portegies neemt je mee in zijn verhaal over zijn Rainbow Chaser, de 9-cilinder dragbike die hij in 1978 bouwde.
Locatie: Herberg van Hilbrantsz, Hoofdweg 90, Eelde
Tijd: Aanvang om 19.30 uur
Oost-Brabant
Lezing 12 mei
In AMT 3 staat een artikel waarin Anton de Coster, technisch trainer bij Continental, de terugkeer van de trommelrem aankondigt. Op 12 mei geeft hij hier voor ATC-leden meer toelichting over.
Locatie: Mierloseweg 301, Helmond
Tijd: Aanvang om 20.15 uur
West-Brabant
Lezing 13 mei
Anton de Coster van Continental Automotive Trading France deelt alle ins en outs over de remtechnologie van de moderne auto.
Locatie: Rijsbergseweg 354, Breda Tijd: Aanvang om 20.00 uur
Zwolle
Bedrijfsbezoek 15 mei
Hiab is wereldwijd de grootste leverancier van laad- en lossystemen, intelligente services, slimme en verbonden oplossingen voor het wegtransport. ATC-leden kunnen er een kijkje nemen.
Locatie: Hesselingen 42, Meppel
Tijd: Aanvang om 14.00 uur
Rotterdam Algemene ledenvergadering 17 mei
ATC-afdeling Rotterdam organiseert op 17 mei de algemene ledenvergadering in het Postillion Hotel in Dordrecht.
Locatie: Postillion Hotel Dordrecht
Tijd: Meer info volgt via de eigen afdeling.
Utrecht
Lezing 20 mei
Deze avond wordt verzorgd door Reinier Feith van de Bilsteingroep. Hij is daar actief in sales en technical support. Tevens is hij trainer. Het thema is de distributieketting.
Locatie: Energieweg 2, Soest
Tijd: Aanvang om 20.00 uur
Lezing 22 mei
Deze avond wordt verzorgd door Saint-Gobain, die je helemaal bij gaat praten over autoruitentechnologie.
Locatie: Salesianenlaan 90, Antwerpen
Tijd: Aanvang om 20.00 uur
Noord-Holland
Lezing 27 mei
Arjan van Doorn zal op 27 mei een lezing verzorgen met als onderwerp Europese typegoedkeuringen en de bijkomende wet- en regelgeving.
Locatie: Twaalfmaat 3, Heemskerk Tijd: Aanvang om 20.00 uur
Kijk voor meer informatie op: www.verenigingatc.com
Adreswijzigingen e.d. alleen doorgeven aan het secretariaat van de eigen afdeling.
DAGELIJKS BESTUUR
Sjoerd Pranger - Secretaris/Waarnemend voorzitter secretaris@verenigingatc.com
Henk van der Steeg - Penningmeester pmr@verenigingatc.com
Jur Ooijman - PR & Communicatie pr@verenigingatc.com
Bert Jimmink - Algemeen bestuurslid bestuurslid@verenigingatc.com
Patrick van den Berg - Algemeen bestuurslid bestuurslid2@verenigingatc.com
CENTRALE LEDENADMINISTRATIE
Leon de Boer - ledenbeheer@verenigingatc.com
APK-PLATFORM
Achiel Fermans - voorzitter - apk@verenigingatc.com
AFDELINGEN
Arnhem-Nijmegen
Tel.: 06-41 71 36 96 secretaris@atc-arnhem-nijmegen.nl
België Tel.: (0032) 478 461 737 secretaris@atcbe.be
Deventer-Zutphen Tel.: (0573) 45 28 08 secretaris@atc-dz.nl/info@atc-dz.nl
Drenthe Tel.: (0524) 55 06 96 secretaris@atc-drenthe.nl
Friesland Tel.: (0513) 43 57 13 secretaris@atc-friesland.nl
‘s-Gravenhage Tel.: 06-82 04 77 70 secretaris@atc-gravenhage.nl
Groningen Tel.: (0592) 54 26 32 secretaris@atc-groningen.nl
Limburg Tel.: (045) 541 44 30 secretaris@atc-limburg.nl
Midden-Brabant Tel.: 06-51 52 78 29 secretaris@atc-middenbrabant.nl
Oost-Brabant Tel.: 06-45 33 68 84 secretaris@atc-oostbrabant.nl
Rotterdam Tel.: 06-35 62 19 06 secretaris@atc-rotterdam.nl
Utrecht Tel.: 06-20 43 98 72 secretaris@atc-utrecht.nl
Twente Tel.: 06-12 37 44 87 secretaris@atctwente.nl
West-Brabant Tel.: 06-10 01 14 17 penningmeester@atc-westbrabant.nl
Zeeland Tel.: 06-18 94 84 62 secretaris@atc-zeeland.nl
Zwolle Tel.: (0522) 46 35 44 secretaris@atc-zwolle.nl


Alles wat je moet weten over de apk. En: ben jij een goede apk-keurmeester? Doe dan mee met de keurmeesterquiz en test je kennis!
Stap voor stap: DPF-reinigen
Vervangen kost een vermogen, reinigen is beter voor de portemonnee van de klant en het milieu. Maar hoe werkt dat, het reinigen van een roetfilter?


Het volgende nummer verschijnt op 23 mei


Vaktijdschrift voor autotechniek, onderhoud, werkplaatsinrichting en -organisatie, schadeherstel en bedrijfsvoering.
AMT is een uitgave van VMN media Utrechtseweg 44 3704 HD Zeist Tel.: 088-584 07 00 www.vmnmedia.nl
Met mededelingen van Vereniging van Automobieltechnici ATC www.atcnl.nl
REDACTIE
E-mail: amt@vmnmedia.nl
Hoofdredactie: Hugo Claver
Redactie: Erwin den Hoed, Daniela Markovic
Freelance medewerkers: John Mulder, Bas Snijder, Peter Fokker, Peter Aansorgh, Gert te Lintelo, Arnold van Schepen, Jaap van der Sar, Gino Decoster, Henk Wildschut
EINDREDACTIE
Henk Hogewoning
UITGEVER
Daan de Heus
VORMGEVING colorscan bv, www.colorscan.nl
ADVERTENTIES
Key accountmanager desksales: Joost van Duin
Tel.: 06-22 03 54 61 joostvanduin@vmnmedia.nl
Account development manager: Anton van der Werf Tel.: 06-20 17 99 17
KLANTENSERVICE
Tel.: 088-584 08 88 E-mail: klantenservice@ vmnmedia.nl
ABONNEMENTEN
Kunnen op elk gewenst tijdstip ingaan. Opgave via www.amt.nl/ abonneren of telefonisch bij onze klantenservice. Abonnementen lopen automatisch door, tenzij uiterlijk 3 maanden voor de vervaldatum bij onze klantenservice wordt opgezegd. Dit kan schriftelijk of per e-mail. Ook voor informatie over een lopend abonnement kun je contact opnemen met onze klantenservice.
PRIJZEN
Jaarabonnement AMT.nl + Reparatiewijzer: € 240 per jaar exclusief 9% btw. Jaarabonnement AMT.nl + Reparatiewijzer + Vakblad: € 420 exclusief 9% btw. Teamlicentie: € 720 per jaar exclusief 9% btw. Alle abonnementsvormen: amt.nl/abonneren. Abonnement buitenland op aanvraag.
COPYRIGHT
Het is niet toegestaan om, zonder voorafgaande toestemming van AMT, door AMT gepubliceerde artikelen, onderzoeken of gedeelten daarvan over te nemen, te (doen) publiceren of anderszins openbaar te maken of te verveelvoudigen.
LEVERINGSVOORWAARDEN
Op alle aanbiedingen, offertes en overeenkomsten van VMN media zijn van toepassing de algemene voorwaarden die zijn gedeponeerd bij de Kamer van Koophandel. De algemene voorwaarden zijn in te zien op www.vmnmedia.nl.
DISCLAIMER
Alle (redactionele) informatie, waaronder begrepen adviezen, ideeën en meningen, is op zorg-
vuldige wijze en naar beste weten samengesteld. De inhoud en inkleding van advertenties is bepaald door of namens adverteerders en wordt door VMN media, de uitgever van AMT, of door de redactie niet beoordeeld op de juistheid, volledigheid en rechtmatigheid daarvan. VMN media en auteurs zijn niet aansprakelijk voor schade in verband met gebruik van (redactionele) informatie en de inhoud en vormgeving van advertenties.
PRIVACY
VMN media, waarvan AMT onderdeel is, legt klantgegevens vast voor de uitvoering van de (abonnements) overeenkomst, of wanneer je in het kader van dienstverlening contact hebt met VMN media. De gegevens worden tevens gebruikt om je te informeren over producten en diensten van VMN media en zorgvuldig geselecteerde derden. De adresgegevens kunnen daarnaast aan zorgvuldig geselecteerde derden ter beschikking worden gesteld voor het verstrekken van informatie of aanbiedingen. Ook als je dat niet expliciet hebt aangegeven, kun je per e-mail over gelijksoortige producten en diensten van VMN media worden
geïnformeerd, tenzij je daartegen bezwaar maakt. Als je geen prijs stelt op informatie of aanbiedingen per mail of per post, neem dan contact op via het e-mailadres: klantenservice@vmnmedia.nl. Voor meer informatie verwijzen wij je naar het privacystatement op www.vmnmedia.nl/privacy-cookiestatement.
DRUK
Senefelder Misset bv, Doetinchem

Wordt erkend als specialist op het gebied van banden, remmen en onderstel bij jou in de buurt met GRIP Expert.






Extra landelijke marketingactiviteiten


Samen met GRIP Expert geef je jouw autobedrijf een extra upgrade om jouw consumenten nog beter te adviseren en extra services aan te bieden met oog voor meer veiligheid. Sluit jouw garage aan bij een landelijk netwerk van GRIP Experts voor meer veiligheid op de weg! Meer informatie?
Scan de QR code hiernaast:



