Catálogo Torretas

Page 1

7

TORRETA 12V/24V KL JUNIOR PLUS FL

6# +$$- #" '78 9 ':3=<<<'88?!! ' <<=<>?7< 7

TORRETA 12V KL8000 225MM

6# +$$- #" '78 9 '! " 1,(#% * " ': 3 ' 42,%+ $ <<;??8<< 7

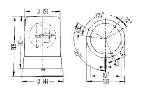
TORRETA 12V MAGNÉTICA JUNIOR CON CABLE

TORRETA 12V KL 7000

5689

!"#$"%&'())"&*&+,"# !"##$%&'

TORRETA 24V ROTATIVA KL 700

+$$- 9 '$ + #"#% 9 " ': 3 ' ;<< '

TORRETA 12V JUNIOR F KL

5697

'(')

TORRETA 12V AMBAR FIJA KL 80

6# +$$- #" '78 9' F!G"$'B% 4 " ' : 3 ' >= ' ==D78?7= 7

TORRETA 12V/24V KLX JUNIOR PLUS

6# +$$- #" '789 E 8I 9 ':3 ) ' 42, % +$ ' ; 3 2 < ==>?@@=8 7

6# +$$- #" '78 9 ': 3 ';<<< ' 6# +$$- #" '789 @ 8A 9 ' : 3 ' 42,%+$'B 3 2C ' 6# +$$- #" '78 9 '! " 1,(#% * " ': 3 ' 6# +$$- #" '78 9 ':3=<<<'88?!! ' #$%&'''''''!()% '''''3-5, !"#$ 6# +$$- #" '789 @ 8A 9 ' : 3 ' 42,%+$'B 3 2C ' &''$ !"#( 6# +$$- #" '78 9 ':3=<<<'88?!! ' ')&% 6# +$$- #" '78 9 ': 3 ';<<< ' <<=<>77< 7 6# +$$- #" '78 9 ': 3 ' 42, % + $ 6# +$$- #" '789 @ 8A 9 ' : 3 ' 42,%+$'B 3 2C ' <<=D>;<8 7 6# +$$- #" '78 9 '! " 1,(#% * " ': 3 ' 42,%+ $ <<;??8<< 7 '8A 9 '$ + #"#% 9 " ': 3 ' ;<< ' <<AD?=77 7 6# +$$- #" '78 9 ':3=<<<'88?!! ' <<=<>?7< 7 #$%&'''''''!()%* ''''''!($% '!()% '''''3-5, !"#$ 6# +$$- #" '78 9 ': 3 ';<<< ' <<=<>77< 7 6# +$$- #" '78 9 ': 3 ' 42, % $ 6# +$$- #" '789 @ 8A 9 ' : 3 ' 42,%+$'B 3 2C ' <<=D>;<8
!"#(
&''$
')&% STAR
!"$&
5684 2719 1224
3431
5683 5688
TORRETAS

5685

TORRETA 12V KL JUNIOR PLUS

5692

TORRETA 12V KL ROTAFIX MAGNETICA

- Tecnología HALO - 6 11/16 "de alto

- Lente giratoria.

- Baliza de 8 LED

- Policarbonato duradero

- Lente alta giratoria de encendido / apagado

- Montaje permanente de tres ori cios

- Tecnología HALO. - 6 11/16 "de alto.

- Tecnología HALO - 6 11/16 "de alto

- 12 patrones de destello seleccionables diferentes en cualquiera de las dos fases más encendido jo

- Lente giratoria.

- Lente giratoria.

- Baliza de 8 LED.

- Baliza de 8 LED

- Policarbonato duradero.

- Policarbonato duradero

- Lente alta giratoria de encendido / apagado.

- Lente alta g ratoria de encendido / apagado

- Montaje permanente de tres ori cios.

- Montaje permanente de tres ori cios

- 12 patrones de destello seleccionables diferentes en cualquiera de las dos fases, más encendido jo.

- 12 patrones de destello seleccionables diferentes en cualquiera de las dos fases más encendido jo

7875

TORRETA 12V 4 LED MAGNÉTICA CHICA

6589

TORRETA 12/30V ÁMBAR ESTROBO

Torre Fija 48 bulbos función de movimiento y estrobo Lámina cromada Dimensiones: 10 centimetros de altura por 12 de diametro

6# +$$- #" '789 : 8; 9 8BBC<#*3@"

TORRETA 12V/24V 8 LED

7360 2410

6# +$$- #" '789 : 8; 9 ';<'3-/ ' * +, ' ! + 9%!%-, # +'- = #$+>+= * 5? % * + ? 3 @#7AA@ "

8687

TORRETA 12/24V 48 LED CON MOVIMIENTO ESTROBO

STAR 2 estrobos con Destellos Alternantes Domo de Policarbonato

Dimensiones: 15.7"Largo x 8.3"Alto x 5.8"Ancho

Dimensiones: 13centimetros de altura por 7 de diametro

8398

TORRETA 12V/24V LED DOBLE RECTANGULAR GIRATORIA

6# +$$- #" '/+>3-' $* #",12 3 "$ ' 1%$ "# +$% + 78:8; 9 7B;;AAB'E8AAC 3 @ "

TORRETA 12V/24V STROBO AMBAR

MA ! " #$%&'''''''!()% STAR Dimensiones 4 1/2" Altura x 4 3/8" Diametro 6# +$$- #" '78 9 '! " 1,(#% * " ': 3 ' !"#! &#&! 6# +$$- #" '78 9 'I'3-/'! " 1, ( #% * " ' *J% * " STAR !"#$"%& !"##$%&' 6# +$$- #" '789 8; 9 ';<'3-/ ' * +, ' !"!# #$"% 6# +$$- #" '789 : 8; 9 !&!% 6# +$$- #" '7A 9 @7A7 9 '3 - / ' D !>"$ ' !+, #" * "$1 " '; ? ' '()% 6# +$$- #" '/+>3-' $* #",12 3 "$ ' 1%$ "# +$% + 78:8; 9 7B;;AAB'E8AAC 3 @ "
STAR
STAR STAR
$%&'
!"#$"%&'"#()*$$+),)'#+-.#/!
!"!#
!"#$%&$&'()* !&!% 6# +$$- #" '7A 9 @7A7 9 '3 - / ' D !>"$ ' !+, #" * "$1 " '; ? '
'()%
TORRETAS

TORRETA 12/24V LED ÁMBAR COMPACTA

TORRETA 12/24V LED COMPACTA CON BASE

TORRETA 12/24V ÁMBAR

TORRETA 12/24V LED CON BASE

TORRETA 12/24V FLASH BEACON

TORRETA 12/24V FLASH BEACON

112mm.

45mm.

TORRETA 10/80V LED STROBO ATORNILLABLE

TORRETA 10/30V LED

MATRÍZ MÉXICO MONTERREY MÉRIDA EDO MÉXICO GUADALAJARA LEÓN
A)
B)
C)
A B C
A)
B)
C)
A B C
A)145
B)
A B
A)
B)
A B
A) 145
B) 195
A B
A) 70 mm. B)130 mm. A B
A)
B)
A B
A)
B)
A B
8980 9488
9485 9487
Dimensiones:
70mm.
97mm.
100mm.
Dimensiones:
70mm.
97mm.
100mm.
Dimensiones:
mm.
110 mm.
Dimensiones:
145 mm.
260 mm.
Dimensiones:
mm.
mm.
Dimensiones:
Dimensiones:
145mm.
90mm.
Dimensiones:
9351
9486
9489 9350
TORRETAS

Dimensiones: A) 165mm. B) 150mm.

9352

TORRETA 12/24V LED CON BASE

Dimensiones:

A) 373 mm. B) 212 mm. C) 95 mm.

9356

TORRETA 10/30V LED AMBAR ATORNILLABLE

Dimensiones:

A) 380 mm. B) 212 mm. C) 75 mm.

9355

TORRETA 10/30V LED AMBAR ATORNILLABLE

6372

TORRETA 12/24V ESTROBO

5653

TORRETA 12V

LÁMPARA 12/24V EMERGENCIA MULTIFUNCIÓN ÁMBAR ESTROBO TIPO TORRETA

7800

TORRETA 12/24V 8 LED

LÁMPARA 12/30V EMERGENCIA ESTROBO ÁMBAR TIPO TORRETA

MATRÍZ MÉXICO MONTERREY MÉRIDA
MÉXICO GUADALAJARA LEÓN
EDO.
A
B
A B C
A C B
4167 7876
TORRETAS LÁMPARAS

LÁMPARAS

LÁMPARA 12/30V EMERGENCIA ESTROBO ÁMBAR TIPO TORRETA

LÁMPARA 12V/24V EMERGENCIA MULTIFUNCIÓN ÁMBAR BLANCO ESTROBO DOBLE

LÁMPARA 12V/24V

LÁMPARA 12V/24V

LÁMPARA 12V/24V EMERGENCIA MULTIFUNCIÓN ÁMBAR

LÁMPARA 10/30V EMERGENCIA LED ROJO-AZUL

LÁMPARA 10/30V EMERGENCIA MULTIFUNCIÓN LED STROBO

MATRÍZ MÉXICO MONTERREY MÉRIDA EDO MÉXICO GUADALAJARA LEÓN
TORRETA
TIPO
DOBLE TIPO TORRETA
EMERGENCIA MULTIFUNCIÓN ÁMBAR ESTROBO
TORRETA
EMERGENCIA BLANCO ESTROBO TIPO
ESTROBO TIPO TORRETA
TIPO TORRETA 8942 8941 8939 8938 9354
ESTROBO
TIPO TORRETA 9353 8940
ÁMBAR

Dimensiones

#$%&'''''''!()%

!"#! !"$%

ventas.politecnico@aediesel.com

Av. Politécnico #5113 Col. Caputitlán CP. 07370 GAM, CDMX.

&#&!

6# +$$- #" '78 9 'I'3-/'! " 1, ( #% * " ' *J% * " 8==&J$3 !

Blv. La luz #1142, Col. Killian CP. 37260 León Guanajuato

SUCURSALES

!"#$%&$&'()*+&'(,-

"!#$

T. (59) 4957 5053 (59) 4956 9831 tequisventas@aediesel.com gdlventas@aediesel.com

Carretera México-Texcoco Km 34 S/N Tequisistlán, Tezoyuca, Edo. de México.

6# +$$- #" '789ED= 9' F!G" $ ' - < #$+G+< * 5;% * +'*3"<' 8 8A@ # * 3 H "

Av. Tonalá #1340g, Col. Cd Aztlán, CP. 45419, Tonalá Jalisco.

Calle 75x70 y 72 #555B, Col. San Sebastián CP. 9700, Mérida Yucatán.

MATRIZ

T. (55)5368 9177 ventas@aediesel.com aedventas@aediesel.com direccion@aediesel.com

Norte 1A #5114, Col. Maximino Ávila Camacho CP. 07380 GAM, CDMX

Av. Bernardo. Reyes #1823 Col. Industrial CP. 64440

SÍGUENOS
'''''3-5, ! " #$%&'''''''!()%*
" '''''-/ + 0'!()% * +'''''1 2 " / "3" 4"$ " '''''3-5, STAR
+''''''!+,#-$$- ''''''!($% /
Dimensiones: 6.41" Diámetro X 6.69" Altura 4 1/2" Altura x 4 3/8" Diametro
6# +$$- #" '78 9 '! " 1,(#% * " ': 3 ' 42,%+$'; 3 2 < ==>?@A=87 '
6# +$$- #" '78 9 ': 3 '$ + #"B% ) ' ! " 1,(#% * " ==CDDC=8 7

Turn static files into dynamic content formats.

Create a flipbook
Issuu converts static files into: digital portfolios, online yearbooks, online catalogs, digital photo albums and more. Sign up and create your flipbook.