Cuaderno Didáctico sobre el uso de softwares estructurales básicos. MD SOLIDS. LINPRO.

Page 1


Sistemasestructurales32024

Madera y acero estructural

Repaso y síntesis de clases 1-3:

Práctica en resolución de ejercicios de vigas isostáticas (estáticamente determinadas) simplemente apoyadas: MDSOLIDS Instrucciones básicas

Tres tipos de carga: puntuales, uniformes, variables.

Clase 4: Introducción al LINPRO. Ejercicios en clase.

Viga continua y edificio de varios niveles.

Ingeniero Luis Stolz

Enero 2024

CUADERNO DIDÁCTICO No.1/2024

ELABORADO POR ING. L. STOLZ

Síntesis de clases Ficción versus función

INTERLACE SINGAPUR. OLE SCHEEREN.

CCTV CHINA. OLE SCHEEREN Y REM KOOLHAAS.
¿Qué aprendimos del “JENGA estructural”?

¿Qué podemos decir sobre…?

• Estructura

• Las piezas sueltas

• El centro de masa de la estructura

• Los desequilibrios – desbalanceos de la estructura

• El equilibrio – balanceo de la estructura

• Los giros producidos por aplicación de

• fuerzas horizontales (sismos)

• La base del edificio

• El colapso de la estructura

MD SOLIDS

2. Condiciones de carga

Puntuales

Uniformemente distribuidas

Variables

3 ejercicios como mínimo para afianzar el uso del software, resolver dudas de funcionamiento e interpretación de resultados

Momentos o pares (PL)

1 kip = 1000 lb ~ 454.55 kg 1m = 3.28 pies

Viga simplemente apoyada de 20 pies de longitud con una carga puntual aplicada a 12 pies del apoyo izquierdo de 100 kips. RA=40k RB=60k La Fuerza cortante se mantiene constante de 40k entre 0 y 12 pies lugar en donde cambian las condiciones de carga de – 100k. A partir de ese punto, el cortante sigue constante pero con valor negativo de -60k. Cierra en cero en el apoyo B. El momento flexionante tiene un valor de cero en los apoyo y un valor máximo de 480 kipspie a 12 pies del apoyo izquierdo lugar en donde el cortante pasa por cero. La flexión de la viga es cóncava.

6 pies

Investigue las condiciones estáticas de carga, fuerza cortante y momento flexionante a 6 pies del apoyo izquierdo.

Análisis de cargas externas:

No existen condiciones de carga entre 0 y 6 pies. Las reacciones permanecen invariables.

RA=40k RB=60k

Análisis de comportamientos internos:

40 x 6 = 240 k-p

k-p

6 pies

6 pies

Fuerza cortante:

Permanece constante con un valor de V=40k porque no existen condiciones de cargas externas que cambien ese estado.

Momento flexionante:

El valor del momento flexionante a 6 pies del apoyo izquierdo es de 240 k-p. Este valor procede la la integración del área de la curva de cortante que es 40k por una distancia de 6pies.

Cargas puntuales

Problema:

En una viga de 20 pies de largo se aplican dos cargas puntuales iguales de 100 kips cada una. Una de ellas, a 8 pies del apoyo izquierdo y la otra, a 8 pies del apoyo derecho. Obtenga los diagramas de comportamiento interno de la viga.

Carga uniformemente distribuida

A= 50 x 12 / 2 = 300 k - p

A= -50 x 12 / 2 = - 300 k - p

De manera detallada, realice el análisis estático de esta viga simplemente apoyada cargada uniformemente con 4.166 kips / pie. constante

Carga uniformemente distribuida

Problema:

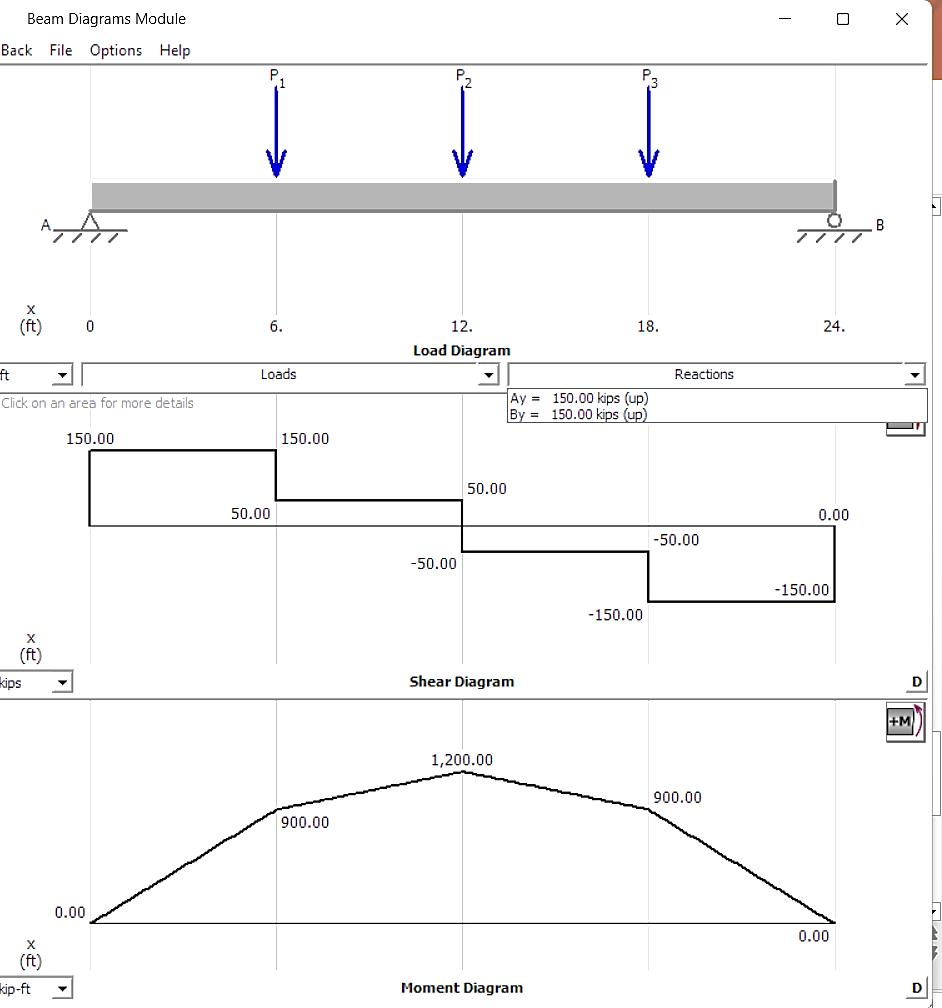
En una viga de 24 pies de largo se aplican tres cargas puntuales iguales de 100 kips cada una. Están aplicadas a espacios iguales de 6 pies entre ellas desde los apoyos. Obtenga los diagramas del comportamiento interno de la viga.

Problema:

En una viga de 24 pies de largo se aplican cuatro cargas puntuales iguales de 100 kips cada una. Están aplicadas a 4.80 pies entre ellas desde los apoyos. Obtenga los diagramas de comportamiento interno de la viga.

Problema:

En una viga de 24 pies de largo se aplican cinco cargas puntuales iguales de 100 kips cada una. Están aplicadas a 4.00 pies entre ellas desde los apoyos Obtenga los diagramas de comportamiento interno de la viga.

LINPRO

Sistemas hiperestáticos. Vigas continuas y marcos rígidos en edificaciones.

Viga continua
Calzada del Rey Fahd. Arabia Saudita

Condiciones del sistema estructural: Número de tramos (spans)

Longitud del tramo (longitud del span)

Se quieren salvar 24m de espacio

7 apoyos

En el inicio: apoyos fijos con 2 restricciones

Intermedios: Apoyos de rodillos con una restricción

POR DEFAULT (por configuración de entrada)

T = V (cortante)

Cambiar las condiciones de apoyo por “default”

Hemos cambiado las condiciones de apoyo por:

1) El sistema tiene zapatas (pilotes/losas de cimentación) es decir sistemas con 3 reacciones ( horz, vert, mom)

2) Si en edificios, estas condiciones no son cambiadas, todo el ejercicio está malo.

Turn static files into dynamic content formats.

Create a flipbook
Issuu converts static files into: digital portfolios, online yearbooks, online catalogs, digital photo albums and more. Sign up and create your flipbook.