EM - Setembro | Outubro - 2022

Page 1

AcionamentosC.A.e soft-starters

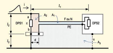
Olevantamentodescreveaofertadevárias empresasdeacionamentosC.A.develocidade controlada(tambémchamadosdeinversores e re u n ia e a eseletr ni as e arti a conhecidascom so s a e s.Paraosprimeiros, etal a ara ter sti as o o aixa e ot n ia te nolo iaeti o e on ersore e ontrole entreoutras.Paraaschaves,trazinformações o ote nolo iasutili a as proteçãoefunções.

40

EM50anos

Desdeomodeloestatalecentralizadodosanos1970atéestemomentoemqueseensaia aliberalizaçãototaldomercadodeenergia,aevoluçãodosetorelétricovemsendo acompanhadadepertopor EletricidadeModerna .E,nouniversodasinstalaçõeselétricas, arevistaregistrouecolaboroucomodesenvolvimentodasnormas técnicas,dasegurançadeinstalaçõeseprodutos,domercadoedosseus rofissionais e au relato essatra et ria

SEGURANÇA

Detecçãoealarmedeincêndioem centros e og stica

Comaglobalização,umincêndioemum entro elo sti a o en oter onse u n ias apenaslocaismasafetartodaumacadeiade suprimentos.Deacordocomasseguradoras, os re u os ore entoso a il o era i a enteatin e il es uan o computadaainterrupçãodasoperações.Neste en rio a onfiabili a e ase uran a ontra incêndioéfundamental.

PROTEÇÃO

Eletrocalhas,dutos,bandejas, canaletaseleitosparacabos

Umretratodaofertadefabricantese importadoresdecondutos(canaletas, eletro utos eletro al as ban e aseleitos produtosquedevemprotegemoscondutores contrasolicitaçõesmecânicaseelétricase er itira esso slin as aratrabal os e anuten oea lia o uia etal ati os materiaisempregadoseasnormastécnicasa queosprodutosatendem.

46

oor ena oentre s os ti os e rote ocontras rtos arte

Publicadopor EM e uas artes oarti o comentaaspectosdasinteraçõesDPS–DPS eDPS–equipamentos,comespecialatenção paraadivisãodeenergia.Aabordagemtraz percepçõesimportanteseúteisquepodemser adaptadasasituaçõesreais.Nestaediçãose abor a onex eseinterli a esentre P e na r xi a ser a e a oor ena oentre DPSeequipamentos.

48

Empresasdeengenharia, nsta a eseser ostécn cos especializados

Olevantamentorelacionaprestadoresde serviçosnossegmentosdegeração,linhas detransmissão,subestações,redesde istribui o eletrifi a orural instala es el tri as rote o ontraraios efi ienti a o ener ti a uali a e aener ia ilu ina o segurança,segurançadotrabalhoeautomação. AscompanhiasestãoagrupadasporUnidades daFederaçãoondeestão instaladas.

58

Capa

Sumário EM | Setembro/Outubro | 2022
24
42
Roberto onti elliW ra comfotosdobancode i a ens u ersto so ini es osarti osassina osn o sãonecessariamenteasadotadaspor EM podendomesmosercontrárias aestas. SEÇÕES 82Momento CartaaoLeitor 76EMEx 8NoCircuito 78Produtos 20EMSintoniaPublicações 72AgendaÍndicedeAnunciantes 74EMAterramento uil er Willia ia u ersto
Eletrocentro Soluçãointegradapara flexibilizarasuaobra. Reduçãodoriscodeprojeto,menortempode implantação,custosdeobrareduzidos,baixorisco deacidentes,comissionamento,parametrizaçãoe testesdeplataformaemfábricarealizadoantesda entregadosequipamentos. Conheçamaissobreeletrocentros,acesse nossositeeentreemcontatocomnossa equipedeengenharia. Vantagensdeseoptarporumeletrocentro: stielectric.com.br

JuceleReise

CartaaoLeitor

Umcinquentenário deobrigados

Os50anosdarevista EletricidadeModerna sãoumaefemérideaser comemoradaemgrandeestilo.Eaquiacelebramoscomumaextensa matéria,baseadaprincipalmenteemminuciosasconsultasanossos arquivos,verdadeirosmergulhosnomaterialpublicadodurante50anos, entrereportagens,notícias,artigostécnicos,guias,pesquisas,enquetes, análises,per s, rankings, colunas,etc.etc.sobretodosegmentoeassuntos daáreaelétrica.Étantacoisaque,comoescrevemosnoprópriotextoda matéria,muitotevede cardefora.Poroutrolado,comoditoaquiem outrasocasiões,paracontaradequadamenteahistóriadarevistasómesmo emumlivro,edosbemvolumosos.Masaessência,oespíritodarevista,a profundidadedesuaabordagemeorigordeseusmétodos,aisençãocom quesempretratouainformação,queremoscrer,conseguimosretratar. Umacelebraçãodoquefomos,somosequeremosser.

Convidamosexpoentesdacomunidadetécnicaparanosajudarna celebração.Aelesagradecemosporessafundamentalcolaboraçãoepela gentilezaevidenciadaemseusdepoimentos.Todoselestêmumtraço emcomum:conheceram EM quandoaindaestavamnauniversidade ouporessaépocaemantiveramcomarevistarelaçãoduradoura.E invariavelmentesereferemaJoséRubensAlvesdeSouza,nossoeditor,de saudosamemória,queimprimiusuamarcanarevistaenanormalização técnicadeinstalaçõeselétricas,principalmenteaNBR5410–eaquem tambémprestamosaquinossasingelahomenagem.

Ofazerdiáriodarevistanosensinoumuitascoisas,principalmente aconheceronossoleitor.Especializado,ciosodepertencerauma comunidadetécnicarespeitada,exigente,ávidodeinformaçãode qualidade.Sea EM alcançouprestígio,tornou-senotóriapelocuidadocom seuconteúdoeseriedadenotratodainformação,emgrandeparteissose deveaoníveldeexigênciaquenoséimpostopelopúblicoacadaedição. Portanto,vaiaquiumpreitodeagradecimentoaosleitores,porajudara seroquesomos.Denossaparte,noscomprometemosacontinuarnosso empenhoparasatisfazê-lo,atentosinclusiveàsnovasexigênciascolocadas pelasnovasgeraçõesdeengenheirosetécnicosdeeletricidade.

Umacelebraçãoprecisatambémservisualmenteatraente(quefesta desucessonãocuidadesuadecoração?).Eporistonestaediçãodo cinquentenário EM vemcomumprojetográ coreformado,maisarejado. Senãofazalteraçõesradicaisnovisualanterior,onovoprojetotornaa leituramais uida,agradável.Mascomocuidadodepreservaraestrutura quedáidentidadeàrevista,suasseçõeseformasdeapresentaçãoquea identi camparaoleitor.En m,amudançafoifeitaao“estilo EM”,por assimdizer,comumolhonofuturoeoutronatradição.

Por m,vaiaquiumreconhecimentoespecialatodososcolaboradores que zeramde EM oqueéhoje:tantoaosjámencionados,quantoàs dezenasdeoutrosqueassinaramcolunaseartigos,foramfontesde matériasereportagens,quenosprestaramconsultoriatécnica,rotineira oupontualmente.Etambémàsváriasgeraçõesderedatores,repórteres, revisores,fotógrafos,diagramadores,produtoresgrá coseapoiadores emgeralquepassarampelarevista.Eaindaaoscolegaspro ssionaisdo departamentocomercialdaArandaEditora,semcujadedicaçãonão teríamoschegadoatéaqui.

Eobrigado,en m,à EletricidadeModerna,umabelaaventurapro ssional daqualmuitonosorgulhamos.

DIRETORES

EdgardLaureanodaCunhaJr., JoséRobertoGonçalveseJoséRubens AlvesdeSouza (inmemoriam)

REDAÇÃO

Editor:MauroSérgioCrestani (jornalistaresponsável–Reg.MTb.19225) Redatora:JuceleMenezesdosReis

PUBLICIDADE

Gerentecomercial:ElcioSiqueiraCavalcanti

Contatos:ElianeGiacomett eliane.giacomett@arandaeditora.com.br IveteLobo ivete.lobo@arandaeditora.com.br Tel.(11)3824-5300

REPRESENTANTESBRASIL

InteriordeSãoPauloeRiod eJaneiro:Guilherme

FreitasdeCarvalho–cel.(11)98149-8896; guilherme.carvalho@arandaeditora.com.br

MinasGerais:OswaldoAlípioDiasChristo–R. WanderRodriguesdeLima,82-cj.503;30750-160 BeloHorizonte,MG;tel./fax(31)3412-7031;cel.(31) 99975-7031;oadc@terra.com.br

ParanáeSantaCatarina:RomildoBatista–Rua CarlosDietzsch541,cj204,bl.E;80330-000 Curitiba,PR;tel.(41)3209-7500/3501-2489;cel. (41)99728-3060;romildoparana@gmail.com

RioGrandedoSul:MariaJosédaSilva tel.(11)2157-0291;cel.(11)981-799-661; maria.jose@arandaeditora.com.br

INTERNATIONALADVERTISING SALESREPRESENTATIVES

China:HangzhouOverseaAdvertising–Mr.WengJie–2-601Huandong Gongyu,Hangzhou,Zhejiang310004(86-571) 8706-3843;fax:+1-928-752-6886(retrievableworldwide); jweng@foxmail.com

Germany:IMPInterMediaPartners–Mr.SvenAnacker Beyeroehde14,42389Wuppertal tel.:+4920227 16913.fax:+492022716920 www.intermediapartners.de;sanacker@intermediapartners.de Italy:QuainiPubblicità–Ms.GraziellaQuaini–ViaMeloria7 20148Milan–tel.:+39239216180,fax:+39239217082 grquaini@tin.it

Japan:EchoJapanCorporation–Mr.TedAsoshina GrandeMaisonRoom303;2-2,Kudan-kita1-chome, Chiyoda-ku,Tokyo102-0073–tel:+81-(0)3-3263-5065,fax: +81-(0)3-3234-2064

aso@echo-japan.co.jp

Korea:JESMediaInternational–Mr.Youn g-SeohChinn 2ndfl,AnaBuilding,257-1,Myungil-Dong,Kandong-Gu Seoul134-070–tel:+822481-3411,fax:+822481-3414. jesmedia@unitel.co.kr

Switzerland:RicoDormann-MediaConsultantMarketing Moosstrasse7,CH-8803Rüschlikon tel.:+4144720-8550,fax:+4144721-1474. dormann@rdormann.ch

Taiwan:WorldwideServicesCo.–Ms.P.ErinKing 11F-2,No.540WenHsinRoad,Section1;Taichung,408 tel.:+88642325-1784,fax:+88642325-2967. global@acw.com.t w

UK(+Belgium,Denmark,Finland,Norway,Netherlands, Norway,Sweden):Mr.EdwardJ.Kania-RobertGHorsfield InternationalPublishers–DaisyBank,Chinley,HigPeaks, DerbyshireSK236DA tel.+441663750242;mobile:+447974168188 ekania@btinternet.com USA:Ms.FabianaRezak–12911JoyceLane–Merrick, NY11566-5209–tel.(516)858-4327;fax(516)868-0607;

ADMINISTRAÇÃO

PRODUÇÃO

SERVIÇOS

Redação,publicidade,administração

MauroCrestani daRedaçãode EM
mobile:(516)476-5568.arandausa@gmail.com
DiretorAdministrativo:EdgardLaurea nodaCunhaJr.
SarahEstherBetti,VanessaCristinadaSilvaeTalitaSilva. CIRCULAÇÃO ClaytonSantosDelfino Tel.:(011)3824-5300;csd@arandaeditora.com.br
Impressãoeacabamento:IpsisGráficaeEditora Distribuição:ACF-RibeirodeLima PROJETO RudekWydra site:www.rudekwydra.com.br RobertoMonticelliWydra atendimento@rudekwydra.com.br TIRAGEM 12000exemplares ELETRICIDADEMODERNA ,revistabrasileirade eletricidadeeeletrônic a,éumapublicaçãomensalda ArandaEditoraTécnicaeCulturalLtda.
ecorrespondência: AlamedaOlga,315;01155-900SãoPaulo,SP-Brasil. TEL.+55(11)3824-5300 em@arandaeditora.com.br | www.arandaeditora.com.br EM | Setembro/Outubro | 2022

CTGBrasil vaicriar hub deH2V

AgeradorachinesaCTGBrasilanunciou quevaicriarnoComplexoIndustrialPortuáriodeSuape,emPernambuco,um hub tecnológicoparadesenvolveracadeiado hidrogênioverde(H2V).Oprojeto,batizadodeTechHubHidrogênioVerde,éfeitoemcooperaçãocomoSenaieogoverno pernambucano.Ainiciativaconcentrará emSuapeaimplementaçãodeprojetos inovadoresfocadosnaprodução,transporte,armazenamentoegestãodeH2V.

Osprojetos nanciadosreceberãoinicialmenteinvestimentosdeatéR$45milhões.Aspropostasforamselecionadas nachamadapública“MissãoEstratégica HidrogênioVerde”,promovidapeloSenai epelaCTGBrasil,cujoresultadofoidivulgadoemfevereirode2022.Ainiciativa fazpartedaestratégiadeinvestimentodo programadeP&DAneeldaCTG.

ParaconectarasplantaspilotoimplementadasnoTechHub,serádesenvolvidauma plataformadigitaldecomercializaçãopara oH2V.“Éfundamentalrastrearecerticaraorigemdaenergiaparaaprodução dohidrogênio,assegurandoqueafonte

oo era om ra ro o e rog n o er e a artir oetano

AShell,aRaízen,aempresaespecializadaemtecnologiadehidrogênioHytron,alémdaUniversidadedeSão Paulo(USP)eoSenaiCetiqt,assinaramacordodecooperaçãoparadesenvolvimentodeplantasdeprodução dehidrogêniorenovávelapartirdoetanol.Aparceriavisavalidaratecnologiapormeiodaconstruçãode duasunidadesdimensionadasparaproduzir5kg/hdehidrogênioe,posteriormente,aimplementaçãode umadezvezesmaior,de44,5kg/h.

SegundocomunicadodaRaízen,oacordoincluitambémumaestaçãodeabastecimentoveicular(HRSHydrogenRefuellingStation)nocampusdaUSP,nacidadedeSãoPaulo.Umdosônibusutilizadospelosestudantesevisitantesdacidadeuniversitáriadeixarádeutilizardieseleostradicionaismotoresacombustão internaparacomeçarautilizarhidrogênioproduzidoapartirdoetanolemotoresequipadoscomcélulasa combustível(FuellCell).Oiníciodessaoperaçãoéprevistopara2023.

OhidrogênioapartirdeetanolseráproduzidocombiocombustívelfornecidopelaRaízencomtecnologia desenvolvidapelanacionalHytron,queatualmentepertenceaogrupoalemãoNeuman&EsserGroup(NEA Group).OprojetoterásuportedoInstitutoSenaideInovaçãoemBiossintéticoseFibrasdoSenaiCetiqte contarácom nanciamentodaShellBrasil,pormeiodacláusuladePesquisaeDesenvolvimentodaANP, cominvestimentodeaproximadamenteR$50milhões.

dealimentaçãodaplantaéproveniente deenergia100%renovável,abrindoainda maisportasparaacomercializaçãodeste queéconsideradoocombustíveldofuturo”,a rmaJoséRenatoDomingues,vicepresidentecorporativodaCTGBrasil.

OpapeldoSenaiserádecolaborarnaimplantaçãodosprojetos,quedevemcontribuirparaaelevaçãodaatratividadede investimentosdoestado,segundoadire tora-regionaldoSenaiPernambuco,CamilaBarreto.“EnxergamosnoComplexo IndustrialPortuáriodeSuapeumaforma detestaraviabilidadedessesprojetosem umcenárioreal,agregandooutrasempresasecriandoumverdadeiro hub deinovação”,explica.OportodeSuapeéconsideradoomaisestratégicodoNordeste, com90%doPIBdaregiãoaumraiode 800quilômetros.

Porcontadoprojeto,ogovernoestadual, aCTGBrasileoSenaiPernambucoassinaramummemorandodeentendimento paraavaliarodesenvolvimentoeaimplementaçãodediversosprojetosdacadeia dehidrogênioemSuape.SegundocomunicadodaCTG,trata-sedeumacordoque pretendeuniraexpertisedacompanhia,o potencialenergéticodoestadoeoposicionamentoestratégicodoporto.

ar as e ot m no ameto o og a ec c o

AAneelautorizouanovametodologiade cálculodasTarifasdeUsodoSistemade Transmissão(TUST)edasTarifasdeUso doSistemadeDistribuiçãoparacentrais degeraçãoconectadasem88kVe138kV (TUSD-g).Aolongodecincociclostarifários,de2023a2028,aagênciapromoverá agradualintensi caçãodosinallocacional,ouseja,orealinhamentodoscustos detransmissãodemodoaequilibrara cobrançapelousodoSistemaInterligado Nacional(SIN),fazendocomqueosagentesquemaisaonerampaguemproporcionalmentemaispeloserviço.

ParaaAneel,adecisãocorrigedistorçãoveri cadanosúltimosanos,apósaentradaem operaçãodaUHEBeloMonteedeoutras geraçõesnasregiõesNorteeNordeste.Isso porqueessasregiõeseramimportadorasde energiaelétricaháduasdécadas,quandoa Aneelde niuametodologiaanteriordecálculodaTUSTedaTUSD-g,massetornaramnaatualidadeexportadorasdeenergia.

Jáosconsumidoresdessasregiões,antes afastadosdoscentrosdecarga,hojeestão

NoCircuito 8 EM | Setembro/Outubro | 2022
EmparceriacomoSenaieogoverno pernambucano,nolocalserãoimplementados projetosquevenceramchamadapública

próximoseonerammenososistemado queeraconsideradonocálculo.Coma novaregulamentação,espera-seumalívio médiode2,4%nastarifasdosconsumidoresdoNordesteede0,8%paraosconsumidoresdoNorte,totalizandoredução próximaaR$1,23bilhãoanuais.

Anovametodologiacomeçaráaseraplicadanociclotarifário2023/2024,noqual 90%docálculoseguiráacontabilização decustosanteriore10%,ocálculoorientadopelaintensi caçãodesinallocacional.Aaplicaçãodocálculoseráaumentadaem10pontospercentuaisacadaciclo, atéquesechegue,nociclo2027-2028,ao equilíbriode50%docálculoconsiderandoocustonacionale50%,ocustoregionaldetransportedaenergia.

Astarifas utuantesserãocalculadasconsiderandooslimitessuperioreseinferioresmóveis,associadosàvariaçãodainaçãomedidapeloÍndicedeAtualização daTransmissão(IAT)eaoriscoimediato deexpansãodatransmissão.Ovotodo diretor-relatordoassunto,HélvioGuerra,duranteadecisãonareuniãodadiretoriadaagêncianodia20desetembro, argumentaqueasinalizaçãoe cientede preços,pormeiodatarifa utuante,evita subsídioscruzadosefavoreceaotimizaçãodaexpansãodosistemadetransmissãoedaoperaçãodosistemainterligado.

ne s on a s m a or e cons mo

AdistribuidoraEnelpassouadisponibilizarparaseusclientesemSãoPauloum simulador online paraestimaroconsumo elétricodasresidências.Apartirdaseleção doscômodoseequipamentosutilizados nascasas,comainformaçãodepotência etempodeusodecadaaparelho,aferramentafazumaestimativadocustode consumo.

Pormeiodeumlinknaplataforma online,oconsumidoridenti caosaparelhos instaladosquemaispesamnovalorda contadeluzno naldomês.Comestainformação,épossívelcontrolaroureduzir oconsumodealgunseletrodomésticos, evitandosustosnadespesamensalcom energiaelétrica.

Emumasimulação,porexemplo,épossívelavaliaroconsumodeumasaladeestar compostaporventiladordeteto,iluminação,ar-condicionado,luminária,televisão, hometheater,vídeogame,aparelho deTVacaboeaparelhodesom.Seutilizadosdiariamenteporumperíodovariável,oconsumototaldessesequipamentos no naldomêscustariaR$179,22,sendooar-condicionadooresponsávelpela maiorpartedosgastos,comR$82,72do custototal.

“Acontadeenergiaésempreumagrande preocupaçãoparanossosclientesesaber quantoconsomecadaaparelhoeletrônico parapoderescolherquandousareeconomizarémuitoimportante”,a rmao responsávelpormercadonaEnelDistribuiçãoSãoPaulo,AndréOswaldo.Segundoele,osimuladorpermiteentender,por exemplo,queaparelhosdear-condicionado,máquinadesecarroupa,chuveiroelétricoetorneiracomáguaquentechegam arepresentarentre29%e67%docustode consumodeenergiadeumúnicocômodo dacasa.

Osimuladorpodeseracessadonositeda Enel,www.enel.com.br.

emens amesa esen o e reciclávelde aerogera or

ASiemensGamesainstalouaprimeira turbinaeólicacompás100%recicláveis. Comprojetopróprio,atecnologia,batizadadeReyclableBlade,foientregueempás de81metrosdecomprimentodoaerogeradormodeloSG8.0-167DD,de8MWde potência,doparqueeólico o shore Kaskasi,dageradoraRWE,nomardoNorteda Alemanha.

Nesteparquede342MWdecapacidade, localizadoa35kmaonortedailhaHeligoland,daAlemanha,serãoentreguesao todo38aerogeradorescomatecnologiade páreciclável.Essesistemaéconsiderado disruptivonaindústriaeólica,jáqueaté omomentoaspásinutilizadas,depoisde seus20anosemmédiadevidaútil,eram descartadasematerrosouincineradas.

ComosistemadesenvolvidopelaSiemens Gamesa,osmateriaisdaspás,que cam aglomerados,sãoseparadosporprocesso químicoácido.Sãoaproveitadasasresinas, brasdevidro,madeiraseoutroscompo-

EM | Setembro/Outubro | 2022
PelonovométodoaprovadopelaAneel,será promovidaagradualintensificaçãodosinal locacional,favorecendoconsumidoresdo NorteeNordeste Plataforma online permiteavaliaroconsumo portempodeusoepotênciadeequipamentos eletrodomésticos

nentes,comopoliésterou bradecarbono. Aspásdaturbinaeólicasãocompostasde umacombinaçãodemateriaisembutidos naresinaparaformarumaestruturaforte erígida.

SegundocomunicadodaSiemensGamesa,atecnologiapermitearecuperação totaldoscomponentesdapáno nalda vidaútildoproduto.“Osmateriaispodem entãoentrarnaeconomiacircular,criando novosprodutossemanecessidadederecorreramaisrecursosbrutos”,a rmoua empresa.

Osistematambémestádisponívelpara outrasturbinasdaempresa,empásde108 e115metrosdecomprimento.

Senadoaprova PLdageraçãode energ ao s ore

Acomissãodeserviçosdeinfraestrutura doSenadoaprovouemagostooprojeto deleiquecriaomarcoregulatórioparaa exploraçãodeenergia—eólica,solarou dasmarés—emaltomarnoBrasil.OPL 576/21,deautoriadosenadorJeanPaul Prates(PT-RN)regulamentaaautorização econcessãoparaaproveitamentodopotencialenergético o shore efoiaprovadona formadosubstitutivodosenadorCarlos Portinho(PL-RJ)emcaráterterminativo. Apropostaaprovadapermiteaconcessão dodireitodeusodosbensdaUnião,fora dacostabrasileira–omarterritorial,a plataformacontinentaleaZonaEconômicaExclusiva(ZEE)–parageraçãodeenergiaouaoutorgamedianteautorização.São de nidosdoistiposdeoutorgapassíveisde seremcelebradasentreoempreendedorea União.Noseuvotocomplementar,Carlos Portinhorede niuaterminologiadeoutorgasparaduasmodalidadesdeoferta: permanenteeplanejada.

Projetodeleiregulamentaautorizaçãoe concessãoparaaproveitamentodopotencial energéticodoalto-mar

SegundoPortinho,oobjetivodamudança visafacilitarainterpretaçãodafuturalei epossibilitarumamelhortraduçãopara outrosidiomas.Aofertapermanentese caracterizapelaapresentaçãodeproposta porinteressadoseminvestir,comsugestãodeprismacontendoestudoscomdeniçãolocacional,potencialenergéticoe análisedeimpactoambiental.Jáaoferta planejadaserefereaoprocedimentorealizadopelogovernodeofertadeprisma pré-delimitadoviaprocedimentolicitatório.

Nocasodaofertapermanente,comamanifestaçãodeinteressesobredeterminado prismaenergético,opoderpúblicodeverádarpublicidadeerealizaraberturade processodechamadapública,comprazo de30dias,paraidenti caraexistênciade

NoCircuito 10 EM | Setembro/Outubro | 2022
TecnologiainovadorafoiinstaladanoMardo
NortedaAlemanhaemparqueeólico o s
ore

EDFePrumoassinamacordoparaeólica o s ore

AEDFRenewablesassinoumemorandodeentendimento(MoU,nasigla eminglês)comaPrumoLogística,responsávelpelodesenvolvimentodo PortodoAçu,noRiodeJaneiro,paraestudarodesenvolvimentoeainfraestruturadeparqueseólicos o shore naregiãoNorteFluminense. OacordoprevêousodoPortodoAçucomo hub logísticoedeenergiarenovável,possibilitandotambémaproduçãodehidrogênioverde(H2V)no complexoporto-indústria.AEDFvaicontribuircomsuaexpertiseemprojetos o shore globalmenteesuaatuaçãonomercadoeólico onshore brasileiro. Comumacarteirade1,7GWemprojetosdegeraçãoeólica onshore esolarno Brasil,aEDFmiratambémprojetoshíbridosquecombinemeólicas o shore eH2VnoPaís.

“AcreditamosnacomplementaridadedaPrumoedaEDF.Atualmentecontamoscommaisde1GWem operaçãoemaisde10GWemconstruçãoeemdesenvolvimentodeprojetos o shore aoredordomundo TodaainfraestruturalogísticaportuáriaeaexperiênciaemlicenciamentodaPrumonaregiãosomadosa nossaamplaesólidaexperiênciade10anosemprojetos o shore agregarãoaindamaisvaloraoprojeto”,disse AndréSalgado,CEOdaEDFRenewablesdoBrasil.

PeloladodaPrumo,aparceriaéimportanteporcontadainfraestruturaportuáriaoperacionaldocomplexo edalocalizaçãogeográ cadoPortodoAçu,próximoaumadastrêsmelhoresregiõesdoBrasilemincidên ciadeventos o shore eaosprincipaiscentroseconômicosdopaís.

“Quandosetratadeinstalações o shore,énecessáriaaexistênciadeumaestruturaportuáriaquesuporte todooserviçodeconstrução,montagemetransporte.Entreoutrasvantagenscomparativas,oPortodoAçu contacommaisde60km²deáreadisponívelparacrescimento,caladode25metrosdeprofundidadeeuma robustainfraestruturalogísticaedeexportação”,a rmouoCEOdaPrumo,RogérioZampronha.

outrosinteressados.Nãohavendodemais interessados,opoderpúblicopoderárealizaraoutorgaàqueleprimeiroagenteque iniciouoprocedimento,comamanifestaçãodeinteresse,pormeiodeautorização.

AntesdoPL,em25dejaneiro,foipublicadooDecretoPresidencial10.948/22, paratambémregulamentarageraçãode energia o shore.Comoaleisesobrepõeao decreto,consideradoinstrumentoinfralegal,hápossibilidadedeesteserrevogado, casoosdoisentrememcon ito.Apesar deterpontoscongruentesentreosdois textos,osenadorCarlosPortinhoconsideraodecretoumestatutofrágilparaa adoçãodemedidasdelongoprazo,sem adevidasegurançajurídicaqueosinves timentoseminfraestruturademandam. Paraele,aimportânciadoassuntomerece tratamentoporlei.

11EM | Setembro/Outubro | 2022
Memorandodeentendimento visadesenvolvimentodoPorto doAçucomo hub log sticoede energiarenovável

EnelXWay investeem carregadoresde carroselétricos

AEnelXWay,áreadenegóciosdogrupo deenergiaitalianovoltadaparaamobilidadeelétrica, rmouparceriacomobanco norte-americanoCitiBrasilparadisponibilizarcarregadoresdeveículoselétricos parafuncionárioseclientes.Oserviçoestá disponívelnoCitiCenter,sededobancona AvenidaPaulista,emSãoPaulo.

Osequipamentossãodecarregamentointeligentesemirrápidoeabastecem80%da bateriadeumautomóveltotalmenteelétricoouhíbrido plug-in emaproximadamentetrêshoras.SegundoaEnelXWay, porém,nosgrandescentrosurbanos90% dascargasnecessáriasparagarantiroretornoparacasasãodeapenas30minutos.

Aotodo,foraminstaladosoitocarregadoresnoCitiCenter,sendodoisporsubsolo doestacionamento.Dototal,seissãode usoexclusivodosfuncionáriosdainstituiçãoedoiscarregadoressãodisponíveis tambémparavisitantes.Estesúltimosse encontramnoprimeirosubsolodoprédio doCitibank.

Oscarregadores camemvagasexclusivas,sinalizadasparaosveículoselétricos,

ra rma arcer as ara mobilidadeelétrica

AmontadoraJaguarLandRovereadistribuidoradecombustíveis Vibra(ex-BRDistribuidora)assinarammemorandodeentendimento(MOU)paradesenvolverprojetosenovosnegóciosrelacionados àmobilidadeelétricanoBrasil.Aparceriavisacompartilhamento deconhecimentoetecnologiasepotencialintegraçãodenegócios. AsprioridadesiniciaisincluematrocadeexperiênciassobreaimplementaçãodarededeeletropostosdaVibraemPostosPetrobras.

Iniciativavisaapoiaro

desenvolvimentodepro etosde recargadeve culoselétricos

Oplanoprevêimplementarcorredorelétricocomainstalaçãode70estaçõesderecargaultrarrápidaque conectarãomaisdeseteestadosbrasileiros.Oobjetivodaempresaéforneceroserviçoderecargadeveículos elétricosem25%desuarededepostosaté2030.

ParaaJaguarLandRover,aparceriatambémajudaemsuasmetasdedescarbonização.Noiníciodesteano, aempresasecomprometeuareduzirasemissõesdegasesdeefeitoestufaemsuasoperaçõesenacadeiade valoraté2030.“Ocaminhoparaainovação,eletri caçãoeconstruçãodeumfuturomaissustentávelécoletivo.AJaguarLandRovereaVibratêmdiscutidoaimportânciadeunirforçasparaofereceriniciativasque ajudemnossasempresasaalcançarseuscompromissosestratégicosedesustentabilidade”,disseo diretorde DesenvolvimentodeNegócios&InovaçãoLatamdaJaguarLandRover,GabrielPatini. Alémdisso,emparceriacomaEZVolt, startup comparticipaçãodaVibraEnergia,arededelanchonetes deorigemnorte-americanaBurgerKingvaiinstalar20estaçõesinteligentespararecargarápidadeveículos elétricosemseusrestaurantes.Asduasprimeirasunidadesquereceberãoospontosderecargaserãoem Barueri,naregiãometropolitanadeSãoPaulo,enoRiodeJaneiro(RJ).

AescolhainicialpelosestadosdoRiodeJaneiroeSãoPaulosedevemaofatodeseremoslocaiscommais pontosderecargaetambémporhaveraltademanda,nãosóresidencialmastambémdeempresascomveículoselétricos.Nototal,serãodezpontosnaGrandeSãoPaulo(SP),cincoemBeloHorizonte(MG)ecinco noRiodeJaneiro(RJ).

DeacordocomaBurgerKing,ainiciativatemcomometaotimizaraexperiênciadoclienteecontribuir paraareduçãodasemissõesdecarbononotrajetodosclientesaosseusrestaurantes.AEZVoltseráresponsávelpelaoperaçãoemanutençãodoseletropostos,queserãotodosconectadosàinternetparaqueos usuáriosfaçamreservaseconsultaspormeiodeaplicativo.

econtamcomasegurançadepro ssionaisparaogerenciamentodasinstalações, manutençãodaredeegerenciamentopor meiodetecnologiaeso warequepermitemofuncionamentodosequipamentos. Parafazerousodoscarregadores,tanto paravisitantescomoparafuncionário, nãoéprecisofazerreserva,bastaqueo carregadorestejadisponível.

Acompanhiatambémassinouumacordo coma99,empresadeaplicativovoltada àmobilidadeurbanaedeconveniência, visandoatrocadeinformaçõesparaestimularaadoçãodecarroselétricosno País.Nodocumento,asduasempresas assumemocompromissodediscutiras melhorespráticasparaodesenvolvimento daeletromobilidadeeapotencialimplementaçãodeveículoselétricosemgrande escala,paratorná-losdisponíveisaosmotoristasparceirosdoaplicativo.

Apartirdoacordo,aEnelXWaytambém passaaintegraraAliançapelaMobilidade Sustentável,iniciativalideradapela99para impulsionarainfraestruturavoltadaaveículossustentáveisnoPaís.Entreasmetas da99paraacoalizão,quereúneoutras10 empresas,estãoaumentaraparticipação dosveículoselétricospara10%dasvendas até2025(hojeoíndiceéde2%)einstalar 10milestaçõespúblicasdecarregamento (atualmenteexistemcercade1500).

MWMlança linhadetorresde iluminação

AMWM,fabricantedemotoresegrupos geradoresdeenergia,lançoulinhapró-

NoCircuito 12 EM | Setembro/Outubro | 2022
Ose uipamentosficamemvagasexclusivas nasededobancoCitina venida aulista, em ão aulo

fabricantedemotoresegeradoresdeenergia desenvolveutorresnasversõesadieselea energiasolarfotovoltaica

priadetorresdeiluminação,quepoderão serutilizadasemconstrução,mineração, indústria,agriculturaeemeventos.

Astorressãodisponíveisnasversõesa diesel(LT1400-D)efotovoltaica(LT300-S).Alinhademontagemeoprocesso produtivoserãocompartilhadoscomos existentesparagruposgeradoresdamarca.Alinhadeproduçãoatualtemcapacidadede7milunidades/ano,entregrupos geradoreseasnovastorresdeiluminação.

Assimcomoasdemaislinhasdeprodutos,astorresserãodestinadasaomercado localeparaaexportação,comdestaque paraospaísesdaAméricaLatina,como Argentina,México,ChileeParaguai, alémdosmaisde45paísesqueacompanhiajáexportaseusprodutos.Mas, segundoaempresa,aprimeiraintenção éreforçarapresençadaMWMnomercadobrasileiro,emumcontextodealta demandaportorresdeiluminaçãoede carênciadeprodutosnacionais.

Astorrescommódulofotovoltaicotêm sistemaexclusivodeaberturadeplacas portrilhosdeslizantesesistemadeelevaçãodere etoresigualaodatorreadiesel.Alémdisso,elastêmcélulasdecarga estacionáriacomdiagnósticodevidae substituiçãoindividualecapacidadede iluminaçãode3milm²,comacionamentofotossensível.Jáadediesel,segundoa MWM,temmenorconsumodecombus-

tívelporáreailuminadaereduzidaemissãoderuído.

BNDESlibera recursospara e c nc aenergética

OBNDESautorizouseisinstituiçõesnanceirasaoperarcomrecursosdoseu ProgramadeGarantiaaCréditospara E ciênciaEnergética–FGEnergia.Forambene ciadasagerirrecursosdobancodefomentoasinstituiçõesABCBrasil, BTGPactual,Banrisul,Safra,VotorantimeCresol.

Comrecursoscaptadosdo rocel,expectativaéviabili ar maisde 3 milhõespara MEs

ComR$40milhõesemrecursoscaptadosjuntoaoProcel-ProgramaNacional deConservaçãodeEnergiaElétrica,háa expectativadeviabilizarmaisdeR$300 milhõesemcréditosparaosetordemicro,pequenasemédias empresas(PMEs), queagorapodemcontarcomagarantia de80%dovalordo nanciamentodeprojetosdee ciênciaenergética,aocustode 1%sobreovalorgarantido.Apartirdessa iniciativa,oriscodecréditodosagentesnanceirosémitigado,viabilizandomenorestaxas naisaostomadoresdecrédito.

Otíquetedasoperaçõesdecréditopode variardeR$50milatéR$3milhões,que

NoCircuito 14 EM | Setembro/Outubro | 2022

tambéméolimiteparaosomatóriode nanciamentosgarantidospeloFGEnergiaparaumamesmaempresa.Osprazos decoberturapodemvariarentre12e84 meses,comcarênciadeaté24meses.

Algunsexemplosdeprojetosaseremnanciadoscomosrecursossãodeiluminação,refrigeração,calefação,condicionamentodear,trocademotorese retro t defornosecaldeiras,entreoutros.

AESBrasil compratrês complexoseólicos

AAESBrasiladquiriutrêscomplexoseólicosdaempreendedoradeenergiaCubi-

co,quevãoagregarnototal456MWde capacidadeinstaladaaoseuportfólio. Trata-sedoscomplexosVentosdoAraripe,noPiauí,de210MW,oCaetés,em Pernambuco,de182MW,eoCassino,no RioGrandedoSul,de64MW.

Todosostrêscomplexosestãocontratados noambienteregulado,emplenaoperação ecomsuprimentogarantidoaté2035.Com aaquisição,novalortotaldeR$2bilhões, aAESdobrasuacapacidadeinstaladade cincoanosatrás,passandoacontarcom 5,2GWdepotênciainstaladadeenergia renovável,sendo57%deeólicaesolare 43%dehidrelétricas.Dessetotal,4,2GW estãooperacionaise1GWemconstrução.

Dovalortotaldaoperaçãodecomprados ativos,R$1,1bilhãosãode equity eosrestantesR$900milhõesdeassunçãodedívidalíquida(data-basede30dejunhode

NegociaçãodeR$2bilhõescomaCubico ampliapor liodageradorapara ,

2022).SegundocomunicadodaAES,como negócioaempresaseposicionaemtrêsdos maisrelevantesclusterseólicosdoBrasil.

“Estamosembuscadeboasoportunidades,sejamelas green eld ouM&A[fusãoe aquisição].Aexcelentecapacidadeoperacionaldacompanhianospermiteassumir desa oscomacompradeativosoperacionaisquesobnossaoperaçãomaximizarão asuarentabilidade,”a rmaBernardoSacic,diretordeM&AdaAESBrasil.

15EM | Setembro/Outubro | 2022

EDPinstalarede subterrâneaem Guarulhos

AdistribuidoradeenergiadeGuarulhos, SãoPaulo,umaconcessionáriadaportuguesaEDP,iniciouemagostoasobrasde implantaçãodeumalinhasubterrâneae dedoissetoresdealtatensãonassubestaçõesIporangaeGopoúva,naVilaGalvão.OinvestimentototalserádeR$53 milhõeseestáprevistopara carpronto emmarçode2023,bene ciando177mil clientes.

deenergia.Onovoempreendimentoestá sendoexecutadopeloconsórcioformado entreaHTCabos,subsidiáriadoGrupo Hengtong,easempresasDrillingCompanyConstruções,responsávelpelasobras civiseLimaEmpreendimentoseIncorporadora,responsávelpelamontagemeletromecânica.

Comercadquire empresade soluçõesem energia

AComercEnergiacomprou70%das açõesdaSomaEnergia,gestoraeconsultoradesoluçõesemenergiacomatuação noNordeste.Aaquisição,segundoaempresa,visacomplementarosnegóciosde ambasasempresasefazpartedosplanos deexpansãonaregião,ondeatualmentea Comercfazgestãodeenergiadeclientese atuanasgeraçõessolareeólica.

Atualmente,ogrupoatuaemgeraçãorenovávelcentralizada,geraçãodistribuída,comercializaçãodeenergia,e ciência energética,mediçãosetorizadaegestãode consumidoresnomercadolivre.

Prysmian lançaguiapara dimensionamento decabosMT

OgrupoPrysmianlançounovaversãodo seuguiadedimensionamentodecabos isoladosparamédiatensão.Elaborado pelaequipedeengenhariadeaplicação dogrupo,trata-sedematerialdeconsultaparapro ssionaisdosetorelétrico, sobretudoprojetistaseinstaladoresna categoriademédiatensão(acimade1kV até36,2kV).

Alinhasubterrâneateráaproximadamente3quilômetrosdeextensão,comtensão deisolaçãode138kV.Osistemacontemplamonitoramentoemtemporealdadistribuição,atravésdosserviçosdocentro deoperaçõesintegrado(COI)daEDP.Segundoaempresa,atecnologiapossibilitaráestratégiasinteligentesdeoperação, manutençãoetomadadedecisãopelaconcessionária,paraampliaracon abilidade deatendimento.

Osdoisnovossetoresdealtatensãovão tornarmaisrobustaatransmissãoeadistribuiçãodeenergiaelétricaàpopulação deGuarulhos,segundoaEDP.Aestação dechaveamento,naETIporanga,vaiocuparumaáreade500metrosquadradosea estaçãodetransição,naatualETGopoúva,terácercade400metrosquadrados.

AtualmenteGuarulhoscontacom18subestaçõesdetransmissãoedistribuição

ASomatemcarteiracommaisde100 clientes,emaproximadamente300unidadesconsumidoras.Comisso,aComerc passaater300clientesemaisde600unidadesconsumidorasnoNordeste,detendo, segundoestimativasdaprópriaempresa, participaçãodecercade19%dasunidades consumidoraslivreseespeciaisdentrodo mercadolivredeenergianaregião.

“Estamosatentosadiversasoportunidadesdemercado,principalmenteaquelas quepossuamcomplementariedadecomos nossosnegóciosegeogra as.EesteclaramentefoioobjetivodaComercaoseassociaràSoma”,a rmouoCEOdaComerc, AndreDorf.Todososserviçosesoluções emenergiadaplataformadaComerc,incluindotecnologiasdedescarbonização, estarãoàdisposiçãodosclientesdaSoma.

AComerctemsobsuagestãodecomercializaçãoedeserviçosdeenergiacercade3,8 milunidadesdeconsumo,fechandoem 2021comfaturamentodeR$3,8bilhões.

Anovaversãotemmaisconteúdosemrelaçãoaoguiaoriginal,lançadoem2008. Comodiferencial,apublicaçãojáestá alinhadaàrecenteatualizaçãodanorma técnicaqueorientaeregulaasinstalações elétricasdemédiatensão,anormaABNT NBR14039:2021.

Comreferenciaisparacabosdecobree dealumínio,oguiaorienta,porexemplo, sobreamelhorescolhadetensãodeisolamentodocabolevandoemcontaosistema elétrico,alémdedeterminarasseçõesdo condutoredablindagemmetálica,consi-

NoCircuito 16 EM | Setembro/Outubro | 2022
Linhateráaproximadamente3quilômetros econtempladoissetoresdealtatensãoem subestações Materialjáestáalinhadocomrecente atualizaçãodanormaABNTNBR14039:2021

derandooscritériosmaisdeterminantes. Háaindaváriasinformaçõessobreinstalaçãodecabos.

Omanualseaplicaatodosostiposdecabosdemédiatensão,masfoiespecialmentedesenvolvidoparaauxiliaraaplicação deprodutosfabricadospelaPrysmiane similares,auxiliandoocálculodeparâmetroselétricos.Pararealizar odownload do guia,acessehttps://conteudo.br.prysmiangroup.com/dimensionamento-cabos-demedia-tensao.

Programa ncenti a mulheresdosetor deenergia

DesenvolvidoemparceriadoSenai-SP comaagênciaalemãdecooperaçãointernacional,aGIZ,oprogramaPotencializEE,voltadoparaimplantare ciência energéticaempequenasemédiasindústriasdoestadodeSãoPaulo,estáinvestindonamentoriadecarreirademulheres engenheirasdosetordeenergia.

Nosúltimostrêsmeses,30pro ssionais receberamliçõesdeempoderamentoeliderançafemininaparaseremestimuladasa sedesenvolveremnaárea.Deacordocom dadosdoBancoMundial,asmulheresrepresentamapenas20%detodaaforçade trabalhonaáreadeenergianaAméricaLatina.Nouniversodoscargosdediretoriae presidênciadeempresas,opercentualéaindamenor,de7%,edealtagestão,de17%.

Oprogramarealizourecentementeum projetodementoriaparamulheresdaeciênciaenergética,asegundainiciativade equidadedegênerodoPotencializEE.A primeiraaçãoparamulheresfoiestabelecerumametadeinclusãode,aomenos, 30engenheirasnocursodeespecialização dee ciênciaenergética,queaconteceuno iníciodesteano.Partedasespecialistasjá atuanoâmbitodoprogramanosdiagnósticosenergéticosparaaspequenasemédiasindústriaslocalizadasnointeriorde SãoPaulo.

“Nossoobjetivoégarantiroacessoeoempoderamentodasmulheresnosetor,por issooferecemosmódulossobreassuntos comoliderança,desenvolvimentopessoal epro ssional,tendocomofocooODS5 dosObjetivosdeDesenvolvimentoSus-

tentável(ODS),alcançaraigualdadede gêneroeempoderartodasasmulherese meninasaté2030”,disseacoordenadora damentoriapeloprogramaPotencializEE, CarolynaCrepaldi.

Notas

Postesrecicláveis –ANeoenergiainstalou postesdedistribuiçãodeenergiatotalmenterecicláveisemSalvador,naBahia. Acompanhiaesperaampliaraprodução dessetipodepostesnoestado,elevara ideiaparaoutrasáreasdeconcessãoonde atua.Ospostesrecicláveissãoproduzidos comresíduosdeoutrospostes.Asestruturas,queseriamdescartadascomosucata, sãoreaproveitadas:desdeoscomponentes agregados,comobritaepódeconcreto, atéaestruturametálica.Paraproduzira estrutura100%reciclada,adistribuidora desenvolveu,emparceriacomempresaespecializada,umamáquinaparasepararos componentesdospostesdani cados.

Subestaçõesmóveis –FoientregueàCemig-CompanhiaEnergéticadeMinas GeraisasduasprimeirassubestaçõesmóveisdesenvolvidaspeloconsórcioTSEA

NoCircuito 18 EM | Setembro/Outubro | 2022

eTSInfraestrutura,produzidasnonovo complexodasempresasemBetim(MG). Cadasubestação,quetêmcapacidade parafornecerenergiaa20milresidênciaseatenderaproximadamente60mil pessoas,entraráemoperaçãosempreque ocorreralgumamanutençãocorretiva (emergencial)oumesmoquandohouver umamanutenção/obraprogramada.

eVTOLs –AUnitedvaiinvestirUS$15 milhõesnaEveAirMobilityeassinou umcontratodecompracondicionalpara 200aeronaveselétricasdequatrolugares emais200opções,comasprimeirasentregasprevistasem2026.Pelostermosdo acordo,asempresaspretendemtrabalhar emprojetosfuturos,incluindoestudos sobreodesenvolvimento,usoeaplicação dasaeronavesdaEveedoecossistemade mobilidadeaéreaurbana(UAM).AUnitedcriouumfundodecapitalderisco,o UnitedAirlinesVentures(UAV),projeta-

doparaapoiarocompromisso100%verdedacompanhiadeatingirzeroemissões líquidasaté2050,semousodecompensaçõestradicionais.Pormeiodele,tem investidoemeVTOLseaeronaveselétricas,motorescomcéluladecombustão ahidrogênioecombustíveldeaviação sustentável.AEvetambémestácriando umasoluçãodegerenciamentodetráfego aéreo.

Canaisdepagamento –AVoltz, ntech doGrupoEnergisa,agregoumaisum parceiro,aBemobi,empresadetecnologiadesoluçõesmóveisdeserviçosdigitais,micro nançasepagamentos.Por meiodaparceria,clientesdeempresasde utilities quebuscamrenegociação,parcelamentoeoutrasopçõesdefacilidade poderãocontarcomnovasformasdepagamento.Aplataformapermitirápagar contasapartirdequalquercanal–site, app,URA(UnidadedeRespostaAu-

dível),WhatsApp,entreoutros–com cartõesdecrédito,débito,ecarteiras digitaisdemercado.Osusuáriosainda poderãoparcelarasfaturasematé24 vezes.

Caminhãoelétrico –AbioMérieux, empresafrancesaqueatuanaáreade diagnóstico invitro,estásubstituindo veículosmovidosacombustíveisfósseis porveículos100%elétricosnasentregas deseusprodutosnacapitalpaulista.Foramadicionadosàfrotadoispequenos caminhõeselétricos,quenãotêmrestriçõesdecirculação.Aestimativaéque,a princípio,essainiciativareduzaem1toneladaasemissõesdeCO2.Paraapoiara estratégiadesustentabilidademundial, aempresaestabeleceumetasambientais especí caspara2030,queincluemareduçãodasemissõesdegasesdeefeitoestufaemmaisde50%até2030emcomparaçãocom2019(emvalorabsoluto).

19EM | Setembro/Outubro | 2022

EMSintonia

EtanoleH 2

OBrasil,emmatériadeetanol,temguiado passosdeprogramassimilaresnaÍndia.Menosincipiente,atrajetóriahindujáassinala resultadoseopaísdevecrescerexponencialmentenadireçãodeproduzirocombustível (possivelmentenarotadoHidrogênio,eleito o target dofuturo).

Bandeiraverde

Abandeiraverdenopreço naldaenergia elétricanoPaís,vigentedesde16deabril, prorroga-seporoutubro,nosistemacriado em2015.Portantonãohaverávaloradicionadoàtarifa(mormenteadeaplicaçãosocial)emtodooSistemaInterligadoNacional (SIN)–lembrando-sequeoconsumidor chegouapagarR$14,20/100kWhnacrise hídricaanterior.Aarrecadaçãodessesextras nomeadosbandeirasérateadaproporcionalmenteparaasdistribuidoras,demodo areembolsarmajoraçõesnassuascompras juntoàsgeradoras.

Hidrogênioeeólica

Ésigni cativooacordo rmadoentreaPrumoeaNeoenergiaparaproduçãodehidrogênioverdeapartirde2030eenergiaeólica o shore (300GW),emfrenteaoPortode Açu(RJ).Éumacombinaçãoassemelhadaà daPrumocomaEDF-REembuscadehidrogênioverde.Alocalizaçãonolitoral uminensesedeveàpotencialidadedeexportaçãodoHidrogênio,eàinstalaçãodetoda acadeiasatéliteaoprojetoemsuaperiferia.

Mercadolivre

ComaentradaemvigordaPortariado MME-MinistériodeMinaseEnergia,em 27desetembrode2022,dandoacessoatodososconsumidoresemaltatensão(grupo A)aomercadolivre(idemaconsumidores comcargaigualoumenordoque500kW, seladosnacategoriadevarejistas),osofertan-

tesdeenergianovarejoesmeram-seemdominarquestõesdecomoidenti caronovo cliente,abordareentregaroproduto,além dequaisserviçosprestarnopacote.Amedidabene cia106milunidadesconsumidoras emterritórionacionalapartirdejaneirode 2024,quedependiamapenasdeumacanetadaesperadadesdemeadosdosanos90do séculopassado,quandooPoderConcedente criouomercadolivredeenergia.

rans oe o tica energética

OconsultortécnicodaEPE-Empresade PesquisaEnergética,CaioLeocádio,relacionaatransiçãoenergéticacomapolítica emvigornoPaís,naqualestãoemcurso: aPolíticaNacionalsobreMudançadoClima-PNMC;aContribuiçãoNacionalmenteDeterminada-NOC;aPolíticaNacional deBiocombustíveis-RenovaBio;oNovo MercadodeGás;aModernizaçãodoSetorElétrico;oCombustíveldoFuturo;eo ProgramaNacionaldoHidrogênio(PNH). Leocádiocrêqueobiogás/biometanotem crescidoataxasbastantesuperioresquea médiadasoutrasfontesequeaevoluçãodos mercadosaumentaasoportunidadesdenegócioeodesenvolvimentodeprojetos.Além disso,acreditaquenãoháummodeloúnico denegócio,ambosparticipamativamentede leilõesdeenergianovacompreçoscompetitivosetambémmaisdomercadolivre.

mér ca atina

EmencontroemMontevidéuno mde setembro,oCIER-CentrodeIntegração EnergéticadaAméricaLatinadebateuavançosnasuamissão.Háassimetriasdecomandoslegais(meioambiente,trabalhistas, tributários,etc.)ediferençasgeopolíticase ideológicasentreospaísesmembros.Trocaram-seentãoexperiênciasnadistribuição ecomercializaçãodeenergiaelétrica.Celso Torino(ex-Itaipu)representouoBrasilefoi eleitoumdosvice-presidentesdoCier.Tulio Machadoseguecomodiretor.

20 EM | Setembro/Outubro | 2022

Ojubileu deumagrande revista

EletricidadeModerna testemunhouaevolução daindústriadeeletricidadenoPaís,domodelo estatalecentralizadodosanos1970até hoje,quandoseensaiaaliberalizaçãototal domercadodeenergia.Nouniversodas instalaçõeselétricas,registrouecolaboroucom odesenvolvimentodasnormastécnicas,da segurançadeinstalaçõeseprodutos,domercado edosseusprofissionais.Aqui,umrelatodessa trajetóriadesucesso.

ascidaemoutubrode1972,arevista EletricidadeModerna testemunhouoapogeudoEstadocomo controladordageração,transmissãoe distribuição,nosanos1970e1980,que foiseguidopelomovimentodedesregulamentaçãoeretornoparcialdosetoraocontroleprivado,nadécadade 90.E,apartirdosanos2000,acompanhouocicloemqueempresaspúblicas eprivadaspassaramacoexistirnum ambientede“competiçãoregulada”, comdinâmicaeevoluçãoconduzidas peloEstado.Desdeosgrandesplanos deexpansãodaEletrobras,passando peloprocessodereestruturação,asprivatizaçõeseintroduçãodecompetição

nadécadade1990,ainstituiçãodeum novomarcoregulatórioem2004,as reordenações(inclusiveas“barbeiragens”legais)queserealizaramapartir daí,tudoissopassoupelapáginasde EM,emreportagens,artigoseanálises. Inclusiveosistemaatual,quepreserva osistemadeexpansãodaofertapor meiodeleilõesdomercadoregulado masnoqualtambémécrescenteaimportânciadomercadolivredeenergia, enummomentoemqueoCongresso Nacionalcozinhaumnovomarcolegal deenergiaelétricanoPaís oprojetodeleino 414/21,conhecidocomoo “projetodaportabilidadedacontade eletricidade”,promete,resumidamen-

te,modernizarofuncionamentodo setorelétricoampliandooacessoao mercadolivredeenergiaparatodosos consumidoresbrasileiros,inclusiveos debaixatensão,ematé42mesesapósa entradaemvigordalei.

Projetosespeciais

Emsuaevolução,aindústriadeeletricidademereceudarevistadiversos projetosespeciais,comoo“Per ldo SetordeEnergiaElétrica”eo“Prêmio Eletricidade”.Oprimeiro,publicadoininterruptamentede1994a2018, traziaestatísticas,indicadoresedados atualizadosanualmentesobreasempresaseorganismoscomatuaçãona área.Osegundo,um ranking dasdistribuidorasbrasileirasdeenergiaelétrica noqueserefereaqualidadedoatendimento,con abilidadeecontinuidade dofornecimento,foirealizadode1997 a2018.Ambosforamcriadoscomo to deauxiliarousuáriodeenergiaelétrica,consideradoaténosanos1990meramenteumconsumidorcompulsório, aseposicionarnaentãonovacondição de“cliente”:noprimeirocaso,oferecendo-lheinformaçõesdetalhadasdo mercadoedosseuspersonagens,antigosenovos;nosegundo,apontandoas distribuidorasqueseesforçavamem aprimoraraqualidadedoprodutoque lheeraentregueedoatendimentoaele dispensado.Umdetalheimportanteé

24 EM | Setembro/Outubro | 2022 EM50anos
EM fe reportagenssobrepraticamentetodasasobrasmarcantesdegeraçãohidrelétrica, detalhandopro etosdeimpon ncia,comoItaipu uil er Willia ia u ersto

Oalvorecerdaindústriadeenergiae licano a s,apartirdosanos ,eseudesenvolvimento tambémforamrelatadospor EM par uee licoTramanda

que“PrêmioEletricidade”permanece comoaúnicapesquisaintegralmente independentejárealizadanessaárea, nãovinculadaaentidadesdeclasseou órgãoso ciais.

Ahistóriadasleiseregulamentosdo setordeenergiaelétricafoiacompanhadapor EM sempresoboprismado interessedoconsumidor,apartemais fragilizadadessarelaçãoeemcujascostassedepositaamiúdetodooônusda ine ciênciadeempresasedoEstado. Entreasmuitasreportagens,artigose análisesrealizadasnessalinha, gura aquehojeéprovavelmenteamaislongevacolunadaimprensabrasileira,assinadaporummesmopro ssionalem ummesmoveículo.Dede1989,emseu espaço“Momento”,ojornalista,engenheiroeprofessor PauloLudmer realizadiagnósticosprecisosdarealidade energéticadoBrasileelaboraprognósticosassertivoscomolharcríticoabali-

zado(umdepoimentodeLudmersobre oassuntoestánapágina37).

Jáacoberturadodesenvolvimentodo próprioparquedegeração,transmissão edistribuiçãosemprefoifeitadoângulodaengenhariaedosbensnecessários àexpansão.Arevistanotabilizou-se peloacompanhamentodaimplantaçãodoparqueindustrialbrasileirode equipamentosparaGTDe,emvárias ocasiões,transformou-seemfranco palcodedebates,expondoasdiferentes frentesdeopinião,comonocasodopolêmicoacordonuclear rmadoem1975 comaAlemanha.

ers ca o as ontes

Noqueserefereaoparquegeradorbrasileiro,oimpressionantesaltodacapacidadeinstalada,depoucomais11mil MWem1970paraosatuais185mil

MW,foiregistradonaspáginasde EM soboaspectoeconômico,evidentemente,masprincipalmentepeloângulodas tecnologiasdegeraçãodeeletricidade. Suaspáginasapresentaramaoleitor, alémdasmuitaspossibilidadesdahidro etermeletricidadeclássicasedajámencionadaenergianuclear,praticamente todasasalternativasaestas:usinasreversíveis,gruposbulbo(abordadaspela revistaaindanosanos80,bemantes desuaimplantaçãonasUHEsSanto Antonio,JiraueBeloMonte),centraisa arcomprimido,usinasdeondasemarés,geraçãoeólica,fotovoltaica,células combustíveisemuitasmais.Décadas antesdeomundoacordarparaadegradaçãodomeioambiente, EM distinguiu-sepelaabordagemdasfontesrenováveisdeenergiaeadefesadasformas maise cientesdeproduçãoelétrica, antecipandoinclusivetendênciasmundiais,comoadageraçãofotovoltaica distribuída,autoproduçãoecogeração. Arevistafezreportagenssobrepraticamentetodasasobrasmarcantesde geraçãohidrelétrica,detalhouprojetos deimponência,comoItaipu,dissecou obrascaracterizadaspelagrandeeconomicidade,aexemplodeItumbiara,pelasdi culdadeslogísticas,comoSanto AntônioeJirau,oupeloenormepassivoambiental,comoBalbina.Também relatouorenascimentodastermelétricasesuaexpansão,sobretudoquandoseprecisouagregarrapidamente maisofertaduranteoracionamentode 2001/2002 umacrisegigantescaque tambémmotivoureportagens,debatese artigospublicadospelarevista.

Damesmaforma, EM relatouoalvorecerdaindústriadeenergiaeólicano País,apartirdosanos2000,eseudesenvolvimento.Etambémdaenergia solarfotovoltaicaesuaforteevoluçãoa partirde2015 atalpontoquelevou àcriaçãodeumapublicação spin-o , dedicadaexclusivamenteaessafonte: arevista FotoVolt,quealcançougrandeprestígionosegmento(vejaboxena página34).Estaseoutrasnovasfontes

25EM | Setembro/Outubro | 2022
u as aral ia u ersto

EM50anos

Olegadodomestre

EM conservaoespíritoeorigorqueZéRubensaelaimprimou.

MauroS.Crestani,editor

Em5dejulhode2016 EletricidadeModerna couórfã.Aliás,nãosóarevistacomotambémboaparte dacomunidadedeeletricidadenoBrasil,emparticularadedicadaànormalizaçãotécnica.Morrianesse diaojornalistaeengenheiroJoséRubensAlvesdeSouza,quesenãofundou EM (aqualforacriadadois anosantesdeseuingressonaequipe,noentãogrupoderevistastécnicasdaEditoraAbril),delafezoseu principalprojetopro ssionaleasuatrincheiramoral primeirocomorepórtereredator,depoiscomo editoreempresário.

IzildaFrança/arquivo

ZéRubenstinhaapenas23anosem1976,quandocofundouogrupodaArandaEditoraepassouapublicartítulosantespertencentes àAbril,entreosquaisa EletricidadeModerna.Àfrentedarevista, empenhou-seemvirardoavessoalinhaeditorial.Atéentãouma publicaçãoautodenominada“denegócios”,quepraticava umjornalismoeconômicosetorizado, EM passouapriorizaraspectos tecnológicoseutilitáriosdointeressediretodopro ssionaldeeletricidade.

Nuncaestudoujornalismo,enessesentidofezpartedeumalongalistadegrandespro ssionaisdeimprensaformadosnaprática,comoeracomumdécadasatrás.MasconcluiuemSãoPauloo cursodeengenhariaelétrica(outradesuaspaixões)iniciadoanos antesemLins(SP).Comessaduplabagagemcultural jornalismoeengenharia ,fezde EM aquelaqueconsideravaarevista ideal,dedicadaalevarinformaçãodequalidadeecontribuirpara aevoluçãodopro ssionaldeeletricidade,dasnormasepráticasda engenharia,domercadodeprodutoseserviçoselétricos.Paraele, cadanúmerodarevistatinhadeserevestirdamaiorutilidadepossível,porissoeraexigentecomaapuraçãoprecisa,achecagemerechecagemdedados,fatosenúmeros, origortécnicodotextopublicado.Costumavadizerquearevistadeviaserfeitaparaqueoleitortivesse motivosparaguardá-la.Defato,muitosleitorestinhamporhábitocolecionarasedições,emesmohoje épossívelencontrarquemofaça,aindaqueasdosanosmaisrecentesestejamdisponíveisnaInternet. Aproximou-secedodaatividadedenormalização,convencidodequenormastécnicasdequalidade eramfundamentaisparaaevoluçãodasegurançaee ciênciadasinstalaçõeselétricasdoPaís.Porsua iniciativa,arevistatevepapelimportantenadivulgaçãodesucessivasediçõesABNTNBR5410,acomeçarpelade1980.Tornou-seeleprópriocoordenadordacomissãodeestudosdeinstalaçõesdebaixa tensãodoCobei,aCE003:064:001,esuaatuaçãofoidecisivaparaaconsolidaçãodanorma,comas ediçõesde1990,1997e2004,bemcomodeoutrosavançosnormativos.EaindacriouoENIE-Encontro NacionaldeInstalaçõesElétricas(hoje Eletrotec+EMPower),primeirofórumdedicadoaosassuntosda comunidadedeinstalaçõeselétricasnoBrasil,comdestaqueparaasnormastécnicas. Noiníciodosanos2000afastou-sedofazerdiáriode EM mascontinuouaorientarapauta.Seus excelentesartigosematériastornaram-semenosfrequentesporqueelepassouasededicarmaisà funçãode publisher,criandooutraspublicaçõesigualmentebem-sucedidas.Nosúltimosanos, mesmomuitodebilitadopeladoençaqueacabouporlevá-lo,faziaquestãodelerecomentarcada ediçãode EM,emboranãopudessemaiscuidardeseuplanejamentoelinhaeditorial.Frequentou nossaredaçãoaté10diasantesdepartir.Nãofoisósuacadeiraque couvazia.

OjornalistaeengenheiroJosé

renováveisforamesmiuçadasnarevista nãoapenassobasperspectivasdemercado,normativas,deregulamentaçãoe tecnologias,mastambémdasegurança, comonocasodaproteçãocontraraiose surtos,aterramentoeprevençãoecombateaincêndios,quemereceramreportagenseartigosjáapartirdosanos1990 e,sendoassuntossempreatuais,permanecem rmesemnossapauta.

Osavançosdatransmissãoe distribuição

Comasgrandesusinasgradativamente afastando-sedoscentrosdecarga, EM contribuiuaindacomaapresentaçãode tecnologias,cadaqualaseutempo,inovadorasparatransmissão,porexemplo subestaçõesaSF6,compensadoresestáticos,para-raiosdeóxidodezincoou

26 EM | Setembro/Outubro | 2022
RubensAlvesdeSouza,nosso eternoeditor
EM

ossistemasFACTS.Alémdisso,registrouasdiscussõestécnico-econômicas eacompanhouasobrasdetransmissão decorrentecontínuaemaltatensão (CCAT)daenergiadeItaipu,doRio MadeiraedeBeloMonte.Issosemfalar dasinúmerasreportagens,monograaseestudosdecasoqueenriqueceram aengenhariadetransmissãoedesubestações,cobrindoumvastolequede assuntos.

Masénaáreadadistribuiçãoquese concentraamaiorpartedoque EM publicousobreaindústriadeenergia elétrica.Noqueserefereatecnologias, aautomaçãodasredes,porexemplo, mereceusuaprimeirareportagemem 1981,eoprimeiroartigosobresistemas eletrônicosdemediçãofoipublicadona ediçãodenovembrode1991.Masantes disso EletricidadeModerna játratava deconceitoscomotelemedição,mediçãointeligente,leituraautomáticacom comunicaçãobidirecional,gerenciamentointerativodademandaeoutros osquaisforamdepoisincorporados e/ourebatizadosnoâmbitodoquehoje sechamade smartgrids.Tambémfoi porintermédiodarevistaqueamaior partedacomunidadetécnicanacional tomouconhecimentodeconceitosino-

eportagens,monografiaseestudosdecasoenri ueceramaengenhariadetransmissãoede subestações

vadorescomomicrorredes,redesativas,usinasvirtuaisdeenergiaeoutras destinadasagerirrecursosenergéticos cadavezmaisdistribuídos.Têmsido exemplares,nessecampo,osrelatos desoluçõesparalidarcomonúmero crescentedepequenasinstalaçõesde geraçãointermitenteconectadasàsredes,oucomcarregamentodemaiores quantidadesdecarroselétricos—por sinal,oveículoaeletricidadeéobjetode

registrosnarevistadesdeoiníciodos anos1990.

Arevistatambémnãosefurtouaode batesobreaatuaçãoeopapeldasdistribuidoraseasmudançasnessaáreaao longodecincodécadas.Desdeostemposdasestataismonopolistas,passandopeloadventodomercadolivrepara grandesconsumidores,oavançodaautoproduçãodegrandeepequenoportes,atéomomentoemqueseprepara

28 EM | Setembro/Outubro | 2022 EM50anos
rbans u ersto

a“portabilidadedacontadeenergia”, forammuitososartigosereportagens, boapartefrutodecoberturasdosgrandescongressosdosetordedistribuição deenergia,tantonoBrasilquantono exterior.Doseventosbrasileiros,o melhorexemploéoSendi-Seminário NacionaldeDistribuiçãodeEnergia Elétrica,que EM cobreininterruptamentedesdepelomenosadécadade 1980.Internacionalmente,umexcelenteexemploéarelaçãodemaisde 30anosjáentrearevistaeaprestigiosa Cired–ConferênciaInternacionalde DistribuiçãodeEletricidade,evento bienalrealizadoalternadamentepela AIM-AssociationdesIngénieursde Monte ore,daBélgica,epelaIETInstitutionofEngineeringandTechnology,doReinoUnido. Mediapartner daconferênciadesdea10a edição,em 1989,arevistatemrealizadocoberturas inloco doeventoetambémpubli-

ca,regularmenteecomexclusividade noBrasil,váriosdosexcelentesartigos técnicosláapresentados.

Avocaçãoparafomentardebateslevou aindaarevistaapromoversuaspróprias mesas-redondassobretemasimportantes,comodistribuiçãosubterrânea,redes

isoladaseiluminaçãopública,gerando ediçõesquemarcaramépoca,etambém arealizarváriosencontros,seminários, congressosesimpósiosempraticamente todasasáreasdaengenhariaelétrica.De inestimávelcontribuição,porexemplo, foramasdiscussõesque EM promoveu

29EM | Setembro/Outubro | 2022
madasprincipaisreali ações oE IE,pontodeencontrodosprofissionaisdeinstalaçõeselétricas
irra e u ersto

EMeaABNTNBR5410

o ae o a i a oda e is a oma o ma asi ei adei s a a es .

Anormalizaçãotécnicadeprodutoseserviçosdaáreaeletroeletrônica,conformeABNTeIEC,suadivulgação, aplicaçõeseatualizações,sempreocuparamumlugarprivilegiadonapautade EletricidadeModerna,sejacomo artigosdefundo,sejacomocontribuiçõesdaRedaçãodasmaisdiversasformas.Nãopodiaserdiferenteem julhode1980,porocasiãodolançamentodanovaNB-3,pelaprimeiravezpublicadacomoABNTNBR5410. Nessaedição, EM refere-seaessedocumentonormativo,respeitadasasdevidasproporções,comouma nova Constituição paraoprojetoeexecuçãodasinstalaçõeselétricasdebaixatensão,taisaamplitudeeaprofundidadedotexto,deextensãoinéditaatéentãonomeioeletrotécnico.

Nãoeraocasodeumameraatualizaçãodaediçãode1960(inspiradanoNECde1950),agorafundamentada nanormafrancesaNF-C15-100,alinhadacomaIEC364.Tratava-se,antes,doaportedeconceitosatéentão ausentes,comoasprescriçõesparaosesquemasdeaterramentoedeproteçãocontrachoqueselétricos,que introduziramnoBrasilosdispositivosdiferenciais-residuais(DR);asin uênciasexternas;asegurançacontra incêndio;umrobustocapítulosobreaseleçãoeinstalaçãodecomponentes;eaveri cação nalemanutenção, entreoutros.

ComacolaboraçãoinestimáveldeAdemaroCotrim,professordaEscoladeEngenhariaMauáquehaviapartici padodostrabalhosdacomissãoqueelaborouanorma,iniciadosjáem1970, EM passouapublicarumasériede artigosabordandoosnovosrequisitosdaNB-3,numacontribuiçãofundamentalparaoseuesclarecimentoeassimilação.Earevistafoialém:porumacordo comoComitêBrasileirodeEletricidadedaABNT(Cobei),editouepublicouotextodanormaemformatodelivro,comgrandetiragem,eem1981deuinício àrealizaçãodesemináriossobreanormaemtodooBrasil.Estainiciativaganhariareforçocomolançamento,pelaArandaEventos,do ENIE–EncontroNacionaldeInstalaçõesElétricas (hojeEletrotec+EMPower),queseconstituiunograndeforodedebatesededisseminaçãodeconhecimentodasnormaspara ospro ssionaisdeinstalações.

DecorridaumadécadadepublicaçõesdedicadasàconsolidaçãodaNBR5410, EM divulgacomdestaque,naediçãodejunhode1990,oresultadodaprimeira revisãodanorma.Depoimentosdealgunsdosmembrosdacomissãoresponsávelporessetrabalho,coordenadaporJoséRubensAlvesdeSouza,editorda revista,permitemcomporumpanoramadasprincipaisinovações.Naaberturadessamatéria,MiltonFerreira,entãopresidentedoCobei,comentaoimpacto daNBR5410ealeiquetornariaseuusocompulsório,oCódigodeProteçãoeDefesadoConsumidor,entãojáaprovadonaCâmaradosDeputadoseem viasdeservotadonoSenadoFederal.Entreasatualizaçõesdanorma,valeressaltar:novosmétodosdeinstalarlinhaselétricaserequisitosparacircuitosde segurança(AdemaroA.M.B.Cotrim);revisãodoscritériosparapontosdeluzetomadas,eparafatoresdedemanda(PauloE.Q.M.Barreto);amplarevisão dosrequisitosparainstalaçãodemotoreselétricos(PauloCavalcantideAlbuquerque);alteraçãodoscritériosdeproteçãocontrasobretensõesemsubestações deresponsabilidadedoconsumidor(GilbertoJ.Capeletto);uni caçãodosaterramentosdeenergia,antenaseSPDA,erevisãodasexigênciasdoNECparaos meiosdeseccionamento(CelsoL.P.Mendes),alémdeoutrostópicostratadospelaRedaçãode EM

Esseconjuntodeiniciativasvoltariaaserepetir,emgrandemedida,porocasiãodetodasasediçõesseguintesdaNBR5410.Em2001,oricoacervoacumulado sobreoassuntosomou-seamaterialinéditoeresultouemumadasmaisbem-sucedidasiniciativasdarevista:o“GuiaEMdaNBR5410”.Publicadoemformato livro,oguiatornavaasprescriçõesdanormamaisinteligíveis,orientavasuaaplicaçãoeexplicavatambémasrazõesdessasprescrições,comointerpretá-las, esuasrelaçõescomoutrosrequisitosnormativos.Osucessofoigrande,comodito,eatéhojeaArandaEditora,casapublicadorade EM,recebeconsultasde interessadosemadquirirexemplares,osquaisestãoesgotadoshámuitotempo.Aboanotíciaéqueem2023oGuiadeveráterumanovaedição,revistaeatua lizadacomasalteraçõesintroduzidaspelarevisãodanormaoraemcurso,equedeveserencerradanoanoquevem.

sobreeletrotermia,nosanos1980,esobrealegislaçãodofatordepotênciadas instalaçõesconsumidoras,nos1990,que contaramcomaparticipaçãodevárias autoridadesdeentão.

Aevoluçãodas instalaçõeselétricas

Umadasprincipaisrealizaçõesdarevistafoiumcongressoexclusivamente dedicadoaosinteressesenecessidades dacomunidadequeatuanosegmento desistemaselétricosindustriaiseprediais.Criadoem1982,o ENIE-EncontroNacionaldeInstalaçõesElétricas, constituídoporcongressoefeira,alcançouo status de“opontodeencon-

troporexcelência”dospro ssionais daárea,chegando,emsuasediçõesde maiorsucesso,areceberemSãoPaulo maisde8000participantesdetodoo Brasil.

OcongressoENIEfoirealizadocom essetítuloatéaediçãode2018,quando setornou Eletrotec+EMPower–Feirae Congresso,pelanecessidadedeadaptaçãoanovasrealidadeseformatos.Em termosdeconteúdo,sempresededicou nãoapenasàinstalação,propriamente dita,masatudoquedizrespeitoàutilizaçãodeenergiaelétrica,incluindoo queatradiçãoidenti cacomocargas “deluz”ecargas“deforçamotriz”,isto é,iluminaçãoemotores/acionamentos, quetambémsempre guraramentre ostemaspreferenciaisde EM.Aolon-

godotempo,outrosassuntosforam seimpondo,acompanhandoaevoluçãodasprópriasinstalações,como odosgeradoressolaresfotovoltaicos, incorporadoaotemário xodocongressoem2010.Jáem2012,atravésde umacordointernacional,ocongresso contoucomarealizaçãosimultânea da IntersolarSouthAmerica,primeira ediçãosul-americanadamaiorfeirae congressodeenergiasolardomundo. Atualmente,apósumastantasfusõese adaptações, Intersolar e Eletrotec+EM

Power fazempartedo hub deenergia inteligente esmarterESouthAmerica,realizadoanualmenteemSãoPaulo equeincluiaindaeventosdedicadosa armazenamentodeenergiaeveículos elétricos.

EM50anos 30 EM | Setembro/Outubro | 2022
GuiaEMdaNBR5410:umadasmais
bem-sucedidasiniciativasdarevista
Reprodução

EM50anos

Tantoohoje Eletrotec quantoarevista EM sempresenotabilizarampor promoverodebateeadivulgaçãodas normastécnicas.Em1980oPaísganhouumanormadeinstalaçõesde baixatensãoradicalmentenova,eo envolvimentodarevistacomodebate eadivulgaçãodaNBR5410constituiu ummarcoemsuaprópriahistóriaena dasinstalaçõesnoBrasil.Suaediçãode julhode1980faria,deformainédita, aprimeiraapresentaçãodanovanormae,pelosdoisanosseguintes,publicaram-seartigosaprofundandoseus diferentescapítulos(vejaboxesobrea longarelaçãode EM comaNBR5410 napágina28).

EM acumulounosseus50anosum acervograndetambémsobreoutras normasrelevantes,comoaNBR14039, deinstalaçõesdemédiatensão,NBR 5419,deproteçãocontradescargasatmosféricas,aNBRIEC60079-14,de instalaçõesematmosferasexplosivas, apenasparacitaralgumas.Osartigos ereportagensanterioresàpublicação dasnormasesuasrevisões,reportandoasmudançasemcurso,easanálises posteriores,esmiuçandoasprescrições, zeramdarevistaumareferência

nadifusãodanormalizaçãotécnicade instalações.Épossívelmesmoa rmar quesuacontribuiçãofoidecisivapara elevaraconsciênciasobreaimportânciadorespeitoàsnormasnasúltimas cincodécadas.

Segurançacomoprioridade

SobreaNR-10,anormaregulamentadoradoMinistériodoTrabalhoquetrata desegurançaeminstalaçõeseserviços emeletricidade, EM publicouemdiversasoportunidadesmaterialriquíssimo emanteve,de2005a2008,umacoluna permanentedenominada“PainelNR10”,dedicadaaesclarecerparaseusleitoresasgrandesalteraçõesintroduzidasno documentonarevisãode2004.Assinada por JoãoGilbertoCunha,diretordaempresaMiOmegaegrandebatalhadorda causadenormalização,acoluna gurou entreasmaislidasdarevista aexemplotambémdacoluna“EMMédia”,outraquelevouaassinaturadeCunhae quesededicavaaesmiuçaranormaNBR 14039eassuntosrelacionados(verdepoimentodeCunhanapág.36).

Aprimeiraincursãomaisespecí cade EM nasinstalaçõeselétricasematmos-

Segurança: EM senotabilizoupelaampla divulgaçãodasprescriçõesdaNR10

ferasexplosivasdatade1976.Delápara cáotemafoiexaustivamenteexplorado,cobrindoequipamentos,materiais einstalações.Arevistatevepapel-chavenadifusãodetécnicascomosegurançaintrínseca,segurançaaumentada,pressurização,encapsulamento emresina,eoutraspoucoconhecidas dostécnicosbrasileirosatéoiníciodos anos90.Nãofaltaramtambémrelatos sobreasituaçãoeprogressodasnormasdaárea.Oassuntotambémsuscitouapublicaçãodacoluna“EMEx”, publicadaininterruptamentedesdea ediçãodefevereirode2003eassinada peloespecialista EstellitoRangelJr (vejadepoimentonapág.36).

32 EM | Setembro/Outubro | 2022
Pin oPro rasert u ersto

EM étambémparteindissociávelda históriadaproteçãocontraraiosno Brasil—edeáreasa nsoudeladerivadas,comoaterramento,proteção contrasobretensõesecompatibilidade eletromagnética.Porexemplo,através daspáginasdarevista,ganhouforçaa partirde1985oquestionamentodos para-raiosradioativos,oqueresultarianobanimentodessesdispositivos em1989.Outraincursãopioneiradiz respeitoàapresentaçãoediscussãoda técnicadeaterramentousandoferragensdasfundaçõesedoconcreto.Destaque-seaindaotrabalhoemtornoda normaNBR5419,comoacompanhamentodosprocessosdesuasrevisões, de1993,2001,2005e2015,cadaqual merecedoradematériascomexplicaçõespormenorizadasdoconteúdo. Outrainiciativadesucessonaáreafoio seminário“Proteçãocontradescargas

atmosféricas”,promovidoininterruptamentedurantequaseduasdécadas. Eoaterramento,emparticular,queé umafontedeinesgotávelinteresse,desdeoanopassadoéassuntopreferencial deumacolunanarevistaintitulada justamente“EMAterramento”,assinadapeloespecialista SergioRoberto SilvadosSantos (odepoimentodocolunistaestánapág.37).

Paraalémdoslimitesdasnormasde procedimentos,éextensatambémarelaçãodetrabalhossobreequipamentos ecomponentesdasinstalações,como disjuntores,dispositivosfusíveis,dispositivosdeproteçãocontrasurtos, transformadores,quadrosepainéis, osecabos,terminações,eletrodutos, relésdeproteção,pluguesetomadas, dispositivosdeseccionamento,etc.— eosprodutoselétricos,comosesabe, têmcadaumsuapróprianorma.Am-

pliandoaindamaisaabordagemdo temainstalações,têm-seosestudos decasos,asdescriçõesdepráticase técnicasdeinstalação,aexposiçãode métodosdecálculoeosregistrossobre segurançadasinstalações.

Tambémnessecampo,odasegurança, acontribuiçãodarevistanãoselimitou aotrabalhodeinformação. EM engajou-sediretamenteemváriascampanhaspelareduçãodosriscoselétricos, comoaqueresultounaobrigatoriedadedousodedispositivosDRnasinstalaçõesprediais.Mastalvezomelhor exemplodessavocaçãosejaoesforço darevistaemproldoestabelecimentoe,posteriormente,daimplantação defatodapadronizaçãobrasileirade pluguesetomadasprediais. EM propugnoupelacriaçãodanorma,relatouoandamentodasuaelaboração, detalhouseusconteúdos.Depoisde

33EM | Setembro/Outubro | 2022

publicadoodocumento,fezquestãode registraresaudarosprimeirosfabricantesacolocarnomercadotomadas segundoopadrão,tantojornalisticamentequantocomacessãodeanúncio publicitáriogratuito.

Iluminaçãoeforçamotriz

Nosegmentodailuminação,arevista apresentouaomercadobrasileiromuitas dastecnologiassurgidasaolongodesses50anos,começandopelaslâmpadas uorescentescompactas,aslâmpadas dealtapressãocompactas,osreatores eletrônicos,aslâmpadasdeindução,as tubularesT5,osLEDsdealtapotência, osOLEDseassimpordiante.Também nestaspáginassetratou,desdemuito cedo,dedivulgarosconceitosecritérios luminotécnicosmaisatuais,osmétodos deprojetoedeavaliaçãorecomendados pelasentidadesmaisrespeitadasdaárea, casosreaisdeinstalaçõesmodelares,a experiênciainternacionaleasiniciativas brasileirasvisandoae cientizaçãoenergéticaeaincorporaçãodecontrolesede recursosdeautomaçãoparaogerenciamentodeinstalaçõesdeiluminação,a exemplodosistemaDALI.Valermencionar,ainda,asmuitasmatériaseartigos dedicadosàiluminaçãodesegurançae sinalizaçãoderotasdefugaemedi cações,sempreatualizandoosconceitose asprescriçõesdasmaismodernasnormaseregulamentossobreotema.

Nouniversodosmotoreselétricos, acionamentosecomandos,acontribuiçãode EM tambémsedistribuiem diversasfrentes:apresentaçãodasnovidadestecnológicas;fornecimentode orientaçãopráticaesubsídiosúteisaos pro ssionais;discussãosobreasmelhoressoluçõestécnico-econômicaspara osproblemasdeforçamotriz;acompanhamentodostrabalhosdenormalizaçãodaárea,etc.Entreasprincipais inovaçõestecnológicasrelatadasem50 anospelarevistapodem-sedestacaros avançosdosmotoreslineares,dosacionamentoseletrônicos,osmicromotores

mcra e otime

AimportânciadeCelsoMendesparaosucessodarevista.

MauroS.Crestani,editor

Ahistóriade EM,comotodas,éumahistóriadosrelacionamentos:comoleitor,comasfontes,osanunciantese,evidentemente,oscolaboradores.Entreosnomesdepro ssionaisqueemprestaramsuacapacidadeeprestígioparaconstruironomedarevista,destaca-seodoconsultorCelsoLuizPereira Mendes,nossocolaboradordesde1986.Naocasião,noprimeiroartigodesualongasériepublicada em EM,escreveusobreproteçãocontrafaltasaarcoemconjuntosdemanobra,aconvitedonossoeditorJoséRubens.Jácontavaentãocom background dequaseduasdécadasdeSiemenseexperiênciade normalizaçãonoCobei/ABNT.Logo,suacolaboraçãoestendeu-separaacomissãoderevisãode1990 daNBR5410,entãopresididaporZéRubensecujostrabalhosforam amplamentediscutidosedivulgadospor EM Em2005,após10anosatuandocomodiretorgeraldasalemãsKlockner-Moeller(atualmenteEaton)eFlenderBrasil(atualmenteSiemens),assumiuacoordenaçãotécnicadonossoENIE–Encontro NacionaldeInstalaçõesElétricas(hojeEletrotec+EM-Power)epassouasededicaràrealizaçãodeacordosdecooperaçãointernacional paraaArandaEditora.Dessetrabalho,destacam-se:aconsolidação doacordovigentecomoCired(Bélgica),amaisimportanteconferênciasobreredesdedistribuiçãodaEuropa;osacordosdepublicaçãodeconteúdocomastradicionaiseditorasalemãsHussMedien, HüthigGmbH,P aumVerlageStrobelVerlag;easnegociaçõescom asempresasalemãsSolarPromotionInternationaleaFMMIqueresultaramnacriaçãodaIntersolarSouthAmerica,inauguradaemSão Pauloem2012.

CelsoL.P.Mendes: componente-chavedaequipe

Estudiosodostemasdesegurançadasinstalaçõeselétricas, emparticulardaprevençãoeproteçãocontraincêndioseexplosõesdeorigemelétrica,Celso Mendesháanosselecionaetraduzpara EM trabalhospublicadosnaAlemanha,comfrequência comparandoasnormasbrasileirascomasdaVDE.Ele,aliás,é

SeniorMember daVDEe LifeSenior Member doIEEE. Edesde2020étambémumcomponente-chavedaequipede EM quejáorganizouquase70 webinars técnicos,atuandonaarticulaçãocomespecialistasconvidadosetambémcomopalestranteemdiversasedições.

(micromáquinas),oCCMinteligente,o motordeímãspermanentes,omotorde relutância,omotorelétricosemmancais,osmotoresdealtorendimentoe concepçõesoriginaisdemotores,como, porexemplo,omotordepoloinscrito. Oobjetivodeproverorientaçãotécnica práticaaosleitoresgeroudiversosartigos eguias:ensaiosderecepçãodemotores, cálculodotempodepartida,especi caçãodemotoresdealtapotência,seleção eaplicaçãodemotoreselétricos,ecálculodasperdasparadiversascondiçõesde cargasãoalgunsexemplos.Issoalémde matériasquetrataramdascaracterísticas,danormalizaçãoedoscritériosde seleçãodecomponentescomocontatores,relésdesobrecarga, so starters e outros.Independentementedamaior oumenorespeci cidadedoassunto, umtraçocomumàgrandemaioriado materialque EM publicouéapreocupaçãocomae ciênciaenergética.Aliás, alémdoguiadeacionamentosc.a.de

velocidadevariávelede so -starters,há algunsanosarevistavempublicandoo seuguiademotoresdealtorendimento(normasABNTNBR17094-1eIEC 60034-30-1),dessaformacontribuindo paraadisseminaçãodoconceitoepara ae cientizaçãodoconsumoindustrial. Porfalaremguiasdecompras,vale tambémmencionarosmuitosdelespublicadosaolongodetodaatrajetóriada revista,visandoaaproximarusuáriose fornecedoresdosmaisdiversosprodutoseserviçosdouniversodaeletricidade, facilitandoaseleçãoeocontato.Este, aliás,émaisumexemplodanotóriavocaçãodarevistadeextrapolarseupapel deveículodeinformaçãodequalidade, agregandoaesteodepromovernegóciosecontribuirparaodesenvolvimentodomercadoelétricodoPaís.Sãohoje dezenasoslevantamentosativos,publicadosetambémdisponíveisno website de EM,comacessolivre.Entramainda nessalistadecontribuiçõesaspesquisas

EM50anos 34 EM | Setembro/Outubro | 2022
IzildaFrança

Soluçãocompletaemdispositivosde proteção,comandoemediçãoelétrica

Qualidadejaponesa comótimocusto-benefícionasuainstalação

Referênciamundialemautomaçãoindustrial,aMitsubishiElectricfornecetambém produtosesoluçõesparaproteçãoelétricadeinstalações,quepodemseraplicadosem diversossegmentos,degrandesindústriaseedifíciosapainéiseresidências,inclusive nocanteirodeobras.

Nossafamíliadeprodutosdebaixatensãoécompostapordisjuntores,contatores,relés desobrecargaemultimedidores.SãomaisdecincomilitensfabricadosnoJapão,de fácilinstalaçãoemanutenção,alémdealtaqualidade,confiabilidadeecusto-benefício. Sãodisjuntoresaté6.300Aepartidasdemotoresaté800Aqueseguemasprincipais normasinternacionaisdesegurança,atendendoinúmerosclientesaoredordomundo.

NoBrasil,contamoscomumavastaredededistribuidoreseintegradoresdesistemas devidamentetreinadoseprontosparaatendê-lotantoemnovasinstalaçõescomoem retrofits.Acesseosnossoscanaisdecomunicaçãoeconheçamais.

mitsubishielectr ic com br/ia (11) 4689-3000 mitsubishielectric com br/linkedin mitsubishielectric com br/youtube mitsubishielectric com br/facebook mitsubishielectric com br/instagram LeiaoQRCodee conheçanossos CursosOnlinegratuitos

EM50anos

anuais“OsProdutosdoAno”e“Prêmio Qualidade”,realizadasinterruptamente desde1976equedetectam,respectivamente,asmarcasdeprodutoselétricos maisvendidosnocanaldedistribuição easmarcas top-of-mind entreospro ssionaisdeeletricidade.

Novosformatos–novas possibilidades

Tantonotradicionalformatoimpressoquantonoformatodigital,eainda atravésdeseu website, EletricidadeModerna continua rmeemsuamissão debeminformaretambémcontribuir paraformarpro ssionaisdeeletricidadecadavezmaispreparadosetecnicamentecapacitados.Osnovosformatos, aliás,sãoumdostraçosdadiversi caçãoquearevistavemempreendendo nosúltimosanos.Alémdasmuitas atividadeseiniciativasparalelasaqui relatadas,eoutrastantasquealimitaçãodeespaçonãopermitiumencionar, EM passouaproduzirem2020umasériede webinars (seminários online)com especialistas,visandomanterseupúblicosempreapardenovastecnologiase dasrespectivastendênciasnormativas. RealizadoscomacolaboraçãodeJoão

ma s n o es cessoa so to

Háseteanos EM lançavaFotoVolt, dedicadaàenergiasolarfotovoltaica.

Emjunhode1974, EletricidadeModerna,entãopublicadapelaEditoraAbril(arevistasópassariaaocontroledogrupodaArandaEditoraem1976),trouxea reportagem“Mercadoabertoparaaenergiadosol”, relatandopesquisaseexperimentosrealizados,no mundoenoBrasil,envolvendoasdiversasformasdeconversãoeaplicaçãoentãoconsideradasparaa energiasolar.Arevistatinhamenosdedoisanosdeexistência,eareportagemjápreviaadiminuição doscustosdatecnologiadeconversãofotovoltaica,atéentãosópossíveldeserutilizadaemespaçonaves,ealertavasobreanecessidadede“protegeromeioambientecontraosefeitosdapoluição”,para justi caroincrementodaspesquisasparaconversãodaenergiasolar.

Nessaépoca,ointeressepelaenergiasolarfotovoltaicaquaseserestringiaaoscentrosdealtatecnologia,comoagênciasespaciaisealgunsoutros.Paraosdemais,otemanãopassavademerofuturismo. Alémdisso,aquestãoambientalaindanemsequerexistia. EM acompanhoudepertoatransiçãotecnológicaqueseoperounosmaisde40anosseguintes,atéque,emagostode2015, couevidenteque aevoluçãodaenergiasolarnoBrasildemandavamaisespaçoeaindamaiorespecialização.Arevista lançouentão FotoVolt,suapublicaçãoexclusivasobreouniversofotovoltaico eassuntosa ns,como armazenamentodeenergiaeveículoselétricos.

FotoVolt veioampliareaprofundaracoberturade EM nessasáreas,englobandoevoluçãotecnológica, normas,empresas,novidadesemprodutoseserviços,guiaseaspectospolítico-institucionais.Etambém,evidentemente,ocrescimentodomercado.Emagostode2015,sóhaviaocorridoumleilãocom aparticipaçãodafontesolar,noanoanterior,eapotênciafotovoltaicainstaladanoPaíseraaindaem tornode35MW.Seteanosdepois,játemosmaisde1,2milhãodesistemassolaresfotovoltaicos,13 GWdecapacidadeinstaladaemgeraçãosolardistribuídaemaisde6GWemgeraçãosolarcentralizada(comprevisãodeultrapassaros40GWdepotênciatotalFVem2030),earevista FotoVolt tornou-se umadasmaisprestigiadaspublicaçõesdeseusegmento.

GilbertoCunha,diretordaMiOmega Engenharia,jásãomaisde65os webinars realizadosaovivo,comquasecincodezenasdepalestrantes,cobrindo temascomoenergiasolarfotovoltaica,eletromobilidade,hidrogênioverde,aterramentoeequipotencialização,

proteçãocontrachoques,proteçãocontraraiosesobretensões,termogra a, segurança contraincêndio,e ciência energética,qualidadedaenergia,microrredes,BIMemuitosmais.Etodos estãodisponíveiscomlivreacessono canaldaArandaEventosnoYoutube.

36 EM | Setembro/Outubro | 2022

sto oto u ersto

Motoreseacionamentos:agrandemaioriado materialque EM publicoutevecomomotea efici nciaenergética

Outrainiciativaquesevaledosnovos recursosdatecnologiadainformaçãoe comunicaçãoéaseçãomultimídia“EM Especialistas”.Comodesdobramento naturaldosformatos,aseçãoestabeleceum link entreconteúdoimpressoe audiovisualde EM,pormeiosindependenteseinter-relacionados.Nela,prossionaisdedestaquenosetorabordam

aspectosrelevantesdeprojeto,execuçãoecomissionamentodeinstalações, normalização,boaspráticas,formação pro ssional,tecnologiaseoquemaisfor importanteparaacomunidadetécnica deeletricidade.Oformatocompreende umartigotécnicoetambémumvídeo eum podcast comoautor,dessaforma ampliandooalcanceeenriquecendo oconteúdo.Tantotexto(novamente, disponívelnaformaimpressa,paraleitura online etambémpara download) quantovídeoe podcast trazemos links e QRcodes quepermitemaoleitor,espectadorououvinteacessaroassuntonas outrasduasmídias.

Numtempoemquetudosetornarapidamenteobsoleto,écomorgulho que EletricidadeModerna celebraseus 50anosdetrajetória.Aincongruência destelongotextodecelebração,que aquiencerramos,équenãoépossível,

etalveznuncaseja,contaressahistóriatodanaprópriarevista.Quanto maissepensanoqueseincluiu,mais seconstataoquantosedeixoudefora. Porexemplo,nãomencionamosasnumerosascoberturas,tantonoBrasil quantonoexterior,defeirasecongressos técnicosdepraticamentetodosos segmentosdacadeiadaeletricidade. Nemfoipossívelprestarajustahomenagemamuitosdosespecialistasque assinaramcolunasem EM aolongo destes50anos.Ocompromissocom oprazoe,novamente,oespaçodisponívelnosimpõemlimites,eébom quesejaassim.Atéporqueessahistória nuncaestarácompleta.Elacontinuae continuaráaserescritapelaspróximas décadas,aváriasmãos:pelosredatores epeloscolaboradoresde Eletricidade Moderna,massobretudopelosseusleitores quesão,a nal,arazãodeser darevista.

37EM | Setembro/Outubro | 2022

MuitashistóriasnahistóriadeEM

DaRedação

AjornalistadeEletricidadeModernaJuceleReiscolheudediversospro ssionaisdaáreaelétricadepoimentossobreoenvolvimentodelescomarevista.Sãotodosrenomados,enãoporacasosãonamaioriacolunistasde EM, ounelapublicamcomfrequência,oujápublicaram.Osdepoimentos,que estãonestapáginaenaseguinte,têmemcomumamençãoàimportanteguradeJoséRubensAlvesdeSouza,quedurantedécadasfoieditorediretor de EM etambémtevedestacadaatuaçãocomocoordenadordacomissãode instalaçõesdebaixatensãodoCobei/ABNT.

Credibilidade écaracter stica

Minharelaçãocom EletricidadeModerna édelonga data.Tiveaoportunidadedeconheceretrabalhar comJoséRubens,entãoeditordarevistaecoordenadordacomissãodeestudosdaNBR5410- Instalaçõeselétricasdebaixatensão –funçãoquedepois assumi.Publiqueinarevistadiversosartigoseparticipeidevárioseventospromovidospor EM,convidadocomopalestranteetambémcoordenadorde sessões.Aprendimuitocomarevistaetambémcompartilheiconhecimento.

Aindatenhoexemplaresantigos,poissãofontede consulta.Umacaracterísticada EletricidadeModerna,quesemantématéhoje,épublicarartigosbem cientí cosedequalidade,comfontes.Éumtipode publicaçãoquenãosedescarta,esimseguardapara estudoseanálises.Atecnologiasempreseatualiza, masmuitosfundamentosnãomudam. Eletricidade Moderna nuncaperdeusuaidentidade.Acredibilidadeécoisadevalor,eéumacaracterísticaquea revistamantémaolongodotempo.

Atualizaçãocomtécnicas depaísesdesenvolvidos

EduardoDaniel, coordenador daCE03:64–Instalações elétricasde baixatensãodo ComitêBrasileiro deEletricidade (CB-03)daABNT, professordoIPOG emembrodo ABNTCB116Gestãodeenergia.

Aprimeiradúvidaquesurgiufoi:paraumacolunainéditasobreumtema queatéentãocontavacomapenasdoislivrospublicadosnoBrasil,conseguiríamosassuntonovoparaabordaracadamês?Após220publicações, eprestesacompletar,emfevereirode2023,os20anosdaprimeiracoluna brasileiratotalmentededicadaaotemaEx,sótenhoaagradecerà EletricidadeModerna pelaoportunidadequepermitiunãosómeaprofundarno assunto,mastambémajudarospro ssionaisquetrabalhamnasinstalaçõesemáreasclassi cadascominformaçõeseanálisesatualizadas. Parabénsevidalonga, EletricidadeModerna!Sótemosaagradecere aplaudiros50anosdesuamarcanteeimportantíssimapresençanacomunidadetécnicabrasileira!

Difusãoatravésde conceitoseestudos

Conheci EletricidadeModerna quandoestavanafaculdade,massóme torneiumleitorassíduoapósingressarnaPetrobras,quepossuíaumsistemadedivulgaçãodepublicaçõestécnicasparaasáreasdeengenharia.Em váriasediçõesdarevista,encontreiinformaçõesinteressantessobretemas domeudia-a-dia,comobaterias,motores,proteção desistemaselétricoseoutros.Arevistatambémse destacavaporpublicarartigosdeautoresestrangeiros,traduzidosparaoportuguês,oquenoscolocava atualizadoscomastécnicasmaisrecentespraticadas nospaísesmaisdesenvolvidos.

EstellitoRangel

Júnior,engenheiro eletricista,primeiro representante brasileirodo Technical Committee31da IEC,escreveem EM aseção“EM Ex”desde2003.

Umdia,apóslernarevistaartigodeumautorfrancêssobreatmosferasexplosivas,escrevipara EletricidadeModerna questionandoalgunspontosa meuver“truncados”,possivelmentederivadosde di culdadesdotradutorcomojargãoespecí codo segmentoEx.Pelodetalhamentodassugestõesque apresentei,asquaisreferenciei,umaauma,comas seçõesdasnormasIECaplicáveis,acabeirecebendo umtelefonemadoentãoeditordarevista,osaudoso ativomembrodoCobei/ABNT,JoséRubens,nãosó agradecendoassugestõescomoconvidando-mea escreverumacolunamensal.

JoãoGilberto

Cunha,diretordaMi OmegaEngenharia, membrodas comissõesdaABNT responsáveispelas normasNBR5410, NBR14039eNBR 16384,éautor fre uentedeartigos em EM ecolabora naestruturaçãode nossoscongressos ewebinars,nos quaistambém épalestrante destacado.

Fuicolunistade EletricidadeModerna pormuitos anos,escrevendosobreassuntosrelacionadosà normademédiatensãoeàNR-10,eacompanhei aelaboraçãodediversasoutrasnormas.Masco nheçoahistóriaanteriordarevistaedanormalização.Porexemplo,quandoaNBR5410de1980 foipublicada,trouxeumamudançaradical.A normadeinstalaçõesanterior,aNB-3,erabasea daemumaantigaediçãodoNECemuitoenxuta. Arevistafoiumimportantemeiodedivulgação edeexplicaçãodonovodocumento,queforaba seadonanormafrancesaNFC15-100.Chegueia ouviremumgrupodediscussãoqueaNBR5410 de1980foibaseadananormafrancesaporqueZé Rubenssabiafalarfrancêsmuitobem.Nareali dade,eleaprendeufrancêsparapoderestudara NFC15-100eoutrosdocumentosquepermitissemmelhorexplicaranovaNBR5410aosleitores darevista,eistodáamedidanoníveldecomprometimentoqueoZéRubenstinha.Foisomente bemdepoisdissoqueelesetornoucoordenador dacomissãoderevisão,justamenteporcausadesseenvolvimentodarevistacomanormalização.E quandoforampublicadasasversõesde1990e1997, EM tambémorganizoudiversoseventosparaexplicá-las.

Arevistatambémtevemuitodestaquenadisseminaçãodopadrãobrasileirodepluguesetomadasresidenciais.Maspode-sedizerque EletricidadeModerna sempreteveumpapelessencialnadisseminaçãodeinformaçõessobrenormalização.Esempreprimoupelaqualidadetécnicados artigosepelocuidadodeexplicaranormalizaçãonãopelo“achismo”, massimporconceitos,atravésdeestudos.Essapreocupaçãoeseriedade semprenortearamotrabalhodarevista.

Importanteparaa disseminaçãoda normalização

Escreviartigospara EletricidadeModerna principalmentenaépocada revisãodanormaNBR5410,publicadaem2004,naqualtrabalhamos desde1993.Apartirdaí,comeceiaparticipardoseventossobrenormas realizadospelarevista.O Enie eo Enershow[congressosrealizadospor EM] eramextremamenteimportantesnavidatécnicanacional.RecebiamparticipantesdetodooPaís,atraídospelorenomedospalestrantes,

EM50anos 38 EM | Setembro/Outubro | 2022

JobsonModena, coordenador dacomissãode revisãodanorma deproteção contradescargas atmosféricas,a ABNTNBR5419,e diretordaGuismo Engenharia.

eporoutroladoproporcionavamvisibilidadeaesses palestrantes,contribuindoparaocrescimentoda engenharianacional.Esigoparticipandodeeventos promovidospelarevista,compalestrasrelacionadas àatualrevisãodanormaNBR5419.

EletricidadeModerna sempretevepapelimportante nadisseminaçãodanormalização.Inclusive,lembro deumguiaelaboradopelarevistasobreaNBR5410 [apropósito,vejaboxenapág.28],oqualatéhojeé fontedeconsultaparapro ssionais.Essapublicação foifundamentalparaosetoreumfacilitadornomercado.

Alémdisso,arevistatambémtevepapelativonadivulgaçãodanormaABNTNBR14136,quede niu onovopadrãodepluguesetomadas.OZéRubens abraçouessacausa,oquefoibastanteimportante. EM tambémfoifundamentalnoesclarecimentosobreanormademinidisjuntores,emqueparteera baseadanasnormasinternacionais(IEC)eoutrana normalizaçãoamericana(Nema).Tantoosfabricantesdeorigemeuropeia quantoosdeorigemnorte-americanaqueriamqueseusrespectivosprodutospredominassem,earevista,comobomveículodecomunicação,não tomoupartido,massimcontribuiuparaadivulgaçãodoassunto.

Imparcialidade comocaracter stica

Nadécadade1970,eutrabalhavanumaempresa francesaelia EletricidadeModerna.DepoisfuidurantemuitotempopresidentedaUniãoCerti cadora,entidadedecerti caçãonaáreaeletroeletrônica, mededicandoànormalizaçãoecerti cação,e EletricidadeModerna sempreacompanhouostrabalhos,sendoqueoJoséRubensfoiapessoaquemais sededicouàáreaeletroeletrônica.

Entreaspublicações, EletricidadeModerna éaque oferecemaissuporte,principalmenteemrazãodos artigos,muitosdosquaissãointernacionaisenos trazeminformaçãosobreoqueaconteceemoutros países.Alémdisso,osartigossãobemfundamentadosesemapeloscomerciais.Umadasprincipais característicasdarevistaéaimparcialidade.

Apadronizaçãointernacionaléimportantepara quenãosejamcriadasbarreirastécnicas.Earevistasempreabordouaquestãodanormalização, acompanhandoaevoluçãotantonoâmbitonacional comointernacional.

Referênciaem engenhariae tecnologiaselétricas

os ebastião iel, superintendente doCobei-Comitê Brasileirode Eletricidade, Eletrônica, Iluminaçãoe Telecomunicações–CB-03/ABNT.

deModerna seconfundecomaprópriahistóriadaeletricidadeedaengenhariaelétricanoBrasil,poiselacriouumpadrãodeexcelêncianoacesso àsinformações.Nenhumoutromeiodedifusãodeconhecimentotevea relevância,importânciaesucessoobtidospelapublicação.

Quandocomeceiaatuarpro ssionalmente,em1988,nãotínhamosinternetetodososmeioseaquantidadedeinformaçõeshojeexistentes.A revista EM eraoprincipalmeiodeatualização.Comosemprepublicoutrabalhosdeexcelentequalidade,ajudavaaelevaropadrãodospro ssionais daáreaelétrica.Apublicação ltravaasinformações,oferecendoacesso aboasiniciativasrealizadasnoBrasiletambémnoexterior–nestecaso, pormeiodeartigosinternacionais.Alémdisso,ajudouacriarreferências dosetoreocontatocompro ssionaisderenome,comoJoãoCunhaeJosé Rubens,pormeiodascolunas.Pode-sedizerqueatrajetóriade Eletricida-

ergio oberto ilvados antos, engenheirodaMPS Energia,instrutor daTermotécnica Para-Raiose mestrandodoIEEUSP,escreveem EM acoluna “EM-Aterramento”.

EletricidadeModerna foimuitoimportantenaminhavidapro ssional.ComeceiaparticipardascomissõesdasnormastécnicasNBR5410e5419,eos pro ssionaisqueescreviamparaarevistaecomela interagiamtambématuavamnessacomissões.Nas reuniões,conhecioJoséRubens,queestimulava muitoaparticipaçãodaspessoas.Apresenteium trabalhopelaprimeiravezemumeventopromovidopelarevista,especí coparaaáreadegeração etransmissão.Nosanosseguintes,participeido Enie-EncontroNacionaldeInstalaçõesElétricas, oquefoiummarconaminhacarreiraesoumuitograto.Quemgostarealmentedapro ssãoquer interagircomseuspares,poiséumaoportunidade desequali careterumanoçãodepertencimento. Recentemente,quandofuichamadoparaparticipar dos webinars promovidosatualmentepelarevista, queimuitofelizpoiselaatéhojeéumveículocom tradição.Enoanopassadofuiconvidadoaescrever acoluna“EMAterramento”,oquemetrazmuita satisfaçãoeresponsabilidade,poisprovavelmenteosleitoresdehojeleem meustextoscomomesmosentimentodeadmiraçãoqueeutinhapelos pro ssionaisrenomadosqueescreviamnapublicação.

Muitasvezes,atéemfunçãodavariedadedeinformaçõesdisponíveisatualmenteemdiversosmeios,opro ssional caperdido,masarevistatrazos assuntosmaisrelevantes,oferecendoumdirecionamento.Osmeiosdecomunicaçãodigitaissãoimportantes,masaleiturapermiteumainteração muitomaisquali cadacomainformaçãoetorna-seumcomplementoda formaçãoeatualizaçãopro ssional.Pararesumiraimportânciadarevista, possodizerqueelatemumpapelfundamentaldeorganizarosetoretrazer referências,sempremantendoseurigortécnico.

Documentoindispensável paraahistoricidade

Oconviteparaescreverna EletricidadeModerna partiudeJoséRubens, quetinhaaintençãodeintroduzirnarevistaessencialmentetécnicaum poucodepolíticaenergética.Assimcomeçouaseção“Momento”,em1989. Maslembroque,quandoeuestudavanaPoli-USP,todomundoqueriapublicarartigostécnicosnarevista.Osespaçoserammotivosdedisputase deorgulho.

Durantetodosessesanos,abordeinacolunadiversosassuntos,comoosrumosdacadeiaprodutivada energia,tendênciasdepreçoecon itospolíticos,as vantagensdabiodigestãoedasPCHs,osleilõesdo governo...Váriasprevisõesforamnegativas,oque, muitasvezes,mecausavaangústia,aoobservarque asdecisõesnãoeramasmelhoresparaoPaís.Em funçãodaimportânciaeabrangência,ostextosda colunaviraramlivrosefontepermanentedeconsulta.Omaisrecenteé“PlacebosElétricos”,publicadopelaArtliber.

Arevistaéumdocumentoindispensávelparaa historicidade.EumPaísnãopodeviversemhistória.Éumveículovirtuoso.Nãocomprometepublicidadecomtextos,adotandotodasasmelhores regrasdojornalismo.Defendeaéticaeliberdade deexpressão.

aulo udmer, jornalista, engenheiro, professor,consultor eautordediversos livros.Escreve em EM acoluna “Momento”desde 1989.

39EM | Setembro/Outubro | 2022

AcionamentosCAe soft-starters

Vejaaquiumalistadefornecedoresde soluçõesquetêmafunçãodeajustar avelocidadedosmotoreselétricosàs necessidadesdinâmicasdaprodução, promovendopartidasuave,aumentodavida útiledaeficiênciaenergética.Aprimeira tabelatrazespecificaçõesdosacionamentos CAdevelocidadecontrolada,comofaixade potência,tecnologiaetipodeconversorede controle,entreoutras;asegunda,dedicada aos soft-starters, detalhacaracterísticas comotecnologiautilizada,proteçãoe funções,etc.

ABBMotion–08000149111 contact.center@br.abb.com

Metaltex– (11)5683-5700 vds@metaltex.com.br

Motronics– (54)99932-2515 eduardo.gazzi@motronics.com.br

MSAControl– (11)98526-8111 comercial@msacontrol.com.br

Veder–(11)2341-3132

Yaskawa–(11)3585-1100 comercial@yaskawa.com.br

40 EM | Setembro/Outubro | 2022 Guia–1
DaRedaçãodeEM Empres Tele o e b r i c t e mpor t or exclusi o bric te P s cionamentos e veloci a e controla a ix e pot ci s ( ) Tec olo i Tipo e motor ix e re u ci s e s (H ) Tipo e co ersor Retificador Tipo e co trole etori l C o m s e s o r ( 7 ) ( ) C ( 1 ) ( 2 ) P M ( 3 ) u t r o u o s c r o o r e t u l c G B T T r s t o r u t r o T r s t o r G B T u t r o A l o c o D i t ( 4 ) E s c l r C ( 5 ) D T C ( 6 )
• 0,5a6.000 •••••• 0a598 •••••••••
• 0,75a300 •• 0a3.000 •••••• MitsubishiElectric–(11)4689-3000 contato@mitsubishielectric.com.br • 0,1a1.350 •••• 0a590 •••••••••••
0,25a500 •••• • •••
• FujiElectric/Japão0,2a750 •• 0,01a500 ••••••• SEW–08007700496 sew@sew.com.br • 0,25a315 ••• 0a599 ••••••••
vendas@veder.com.br Veichi/China0,75a1.500 •••• 0a600 ••••••••••
• 0,2a16.000 •••• 0a2.000 •••••• WEG–(47)3276-4000 automacao@weg.net • 0,18a630 •• 0a500 •• •••• Notas: (1)Inversordecorrente.(2)Inversordetensão.(3)InversordetensãocontroladoporPWM.(4)Indiqueon o debitsutilizado.(5)Pororientaçãodecampo.(6)Controlediretodotorque. (7)Comsensormecânico.(8)Semsensormecânico,istoé,comestimaçãodavelocidadeapartirdossinaisdetensãoecorrente.(9)Tiristoresemantiparaleloporfase.(10) Energysave. Obs.: Osdadosconstantesdesteguiaforamfornecidospelasprópriasempresasquedeleparticipam,deumtotalde74empresaspesquisadas. Fonte: Revista EletricidadeModerna, setembro/outubrode2022.Esteemuitosoutrosguiasestãodisponíveis on-line , paraconsulta. Acessewww.arandanet.com.br/revista/emeconfira.Tambémépossívelincluirasuaempresanaversão on-line detodosestesguias.

(11)5683-5700

(54)99932-2515

(11)98526-8111

Provolt–(47)3036-9666 portal@provolt.com.br

sew@sew.com.br

vendas5@varixx.com.br

Veder–(11)2341-3132 vendas@veder.com.br

WEG–(47)3276-4000 automacao@weg.net

Notas: (1)Inversordecorrente.(2)Inversordetensão.(3)InversordetensãocontroladoporPWM.(4)Indiqueon

debitsutilizado.(5)Pororientaçãodecampo.(6)Controlediretodotorque. (7)Comsensormecânico.(8)Semsensormecânico,istoé,comestimaçãodavelocidadeapartirdossinaisdetensãoecorrente.(9)Tiristoresemantiparaleloporfase.(10) Energysave. Obs.: Osdadosconstantesdesteguiaforamfornecidospelasprópriasempresasquedeleparticipam,deumtotalde74empresaspesquisadas.

Fonte: Revista EletricidadeModerna, setembro/outubrode2022.Esteemuitosoutrosguiasestãodisponíveis on-line , paraconsulta. Acessewww.arandanet.com.br/revista/emeconfira.Tambémépossívelincluirasuaempresanaversão on-line detodosestesguias.

EM41 | Setembro/Outubro | 2022 Empres Tele o e b r c t e mpor t or exclusi o bric te P s Soft Star ters ix e pot ci s ( ) Tec o lo i us el ultr rr pi o Relé térmico u es Propri et ri Aber t (fieldbus) T r i s t o r e s t i p r l e o ( ) u t r c o r p o r o e x t e r o i c o r p o r o e x t e r o R m p e t e s o ( R T ) L i m t e e c o r r e t e ( L C ) R T L C P u l s o e t e s o R m p P r s u e r e e m p o r C C p e r o s p r t p e r o p e r m e m t e C o t r o o r e c o s o ( 1 0 ) u t r s B s i c o p c i o l B s i c o p c i o l HM t e r c e P C D i i t l ( p r m e t r o s ) A l c ( p o t e c i m e t r o ) ABBMotion–08000149111 contact.center@br.abb.com • ••••••••••••••••••• Metaltex–
vds@metaltex.com.br • 2,2a45 ••••• •• ••• Motronics–
eduardo.gazzi@motronics.com.br 7a750 •••••• ••••• MSAControl–
comercial@msacontrol.com.br • FujiElectric/Japão0,12a630 ••••••••••••••••••
11a400 •••••••••••• SEW–08007700496
• Varixx–(19)3424-4000
200a800 ••••••••••
Veichi/China
• •••••••••••••••
o

Segurança

Detecçãoe alarmedeincêndio emcentrosde og stica

Umdosefeitosdaglobalizaçãoéqueum incêndionumcentrodelogísticapode nãoterapenasconsequênciaslocais,mas afetartodaumacadeiadesuprimentos.De acordocomasseguradoras,osprejuízospor eventosomamemmédiaUS$1,5milhão,e rapidamenteatingemUS$3milhõesquando computadaainterrupçãodasoperações. Nestecenário,aconfiabilidadedasegurança contraincêndiodessasedificaçõesé fundamental.

epósitosecentrosdelogísticasão objetoscomplexos.Deumlado,situam-seasáreaseossistemasdearmazenamentocomsuasdiversascondições ambientais.Deoutro,encontram-seos escritóriosesetoresadministrativos, refeitórios,copasparacaféedemais ambientessociais,mastambémsalas técnicasesalasdosservidores.Cadaum desseslocaisapresentarequisitosprópriosnotocanteaosequipamentosde proteçãocontraincêndio,quepodem sersatisfeitospormeiodedetectores adequados.

[N.daR.:Aseguirsãomencionadasas normaseuropeias(EN)correspondentes aosdiversostiposdedetectoresdeincêndio.NoBrasilaplica-seasérieABNT NBRISO7240,queabrange14normas. Verhttps://www.abntcatalogo.com.br/]

Detectoresbásicos

A“tarefabásica”dedetecçãodeincêndio caemgeralacargodedetectores defumaçapontuaisqueatuamsegundooprincípiodadispersãodeluz,de acordocomanormaDINEN54-7,ou

dedetectoresmúltiplosquecombinamdispersãodeluzesensortérmico conformeEN54-29( gura1).Estes últimosoferecemavantagemdeser menossuscetíveisaalarmesfalsos.Por meiodacentraldealarmedeincêndio, podeserajustadaatemporizaçãoda sensibilidade.Duranteodia,quando fatoresinterferentesestãopresentes, somenteosensortérmicoestáativo, porexemplo.Ànoite,naausênciade taisfatores,osensordedispersãode luztambéméativado.Hátambém sensoresmúltiploscomfunçãoacústica,comalarmesonorointegradopara avisaraspessoaspresentes.Seucampo deaplicaçãosãoasáreasadministrativaseáreasdeestoquecompédireito inferiora12msemrequisitosambientaisrigorosos.

Detectoresporaspiração

Estoquesverticaisimpõemrequisitos especiaisàdetecçãodeincêndio,jádevidoàalturadosgalpõesedadi culdadedeacessoàsprateleiras.Paraestas aplicações,osdetectoresporaspiração conformeEN54-20sãoparticularmenteadequados.Elesdispõemdeummódulodeanálisecomventiladorembutido,edeumadoissensoresdefumaça, alémdeumsistemadetubosprovido deaberturasdeaspiração( gura2).

42 EM | Setembro/Outubro | 2022
HekatronVertriebsGmbH

Fig.1–Emescritóriossãogeralmente aplicadosdetectores pticospordispersãode luz,comousemsensorestérmicos

Estoquesverticaissãoprotegidostanto porsupervisãodeteto,quantoporsupervisãodeprateleira.Nesta,ostubos sãoinstaladosnasprateleiras.Omódulodeanálisepodesermontadonum localdefácilacesso,protegidocontra danos.Comoreconhecidoso ware daVdS[AssociaçãodasSeguradoras Alemãs],denominado ASD-Pipe ow, oprojetodosdetectoresporaspiração podeserotimizado–especialmente emcasodeinstalaçãoassimétricados tubos.Detalhesparaseleçãoeinstalaçãodedetectoresdeincêndioem estoquesverticaispodemserconsultadosnanormaDINVDE0833-2:2022

Alarmsystemsfor re,intrusionand

holdup-Part2:Requirementsfor re alarmsystems.

Sistemasdeestocagemcomprateleiras rotativasverticais(Paternosterlager)são equipamentoscomaté30mdealtura, revestidosdechapadeaço.Também aquiaplicam-sedetectoresporaspira ção.Ostubossãoinstaladosnorevestimentodechapa,eomódulodeanálise externamente,emlocalacessível.

Emcâmarasfrigorí cas,comtemperaturasextremasdeaté30°Cne gativos,nãopodemseraplicadosdetectoresdefumaçaditos“normais”. Nestecaso,umsistemadetubosde aspiraçãoéinstaladonorecintodearmazenagem,eomódulodeanálise–devidoaoperigodecongelamento–é montadonamesmazonaclimática.

Aquecedoresnasaberturasdeaspiraçãocontribuemparaevitarcongelamento.Oacessoremotoaomódulo deanálisepossibilitaamanutenção simpleserápida.

etectores neares ticos

Paragalpõeslogísticosdegrandealturaeextensãosãorecomendadosdetectoresdefumaçalineares,também designadosdetectoresópticosdefeixedeluz,consoanteEN5412( gura3), queoperampeloprincípio dedetecçãore exiva.Eles sãoconstruídoscomouma cortinadeluzesupervisionamlongasdistâncias medianteumemissor, umreceptoreummódulo eletrônicodeanálise.Um feixedeluzinfravermelhapartindodoemissor atravessaoespaçoaser supervisionado,ecapta nessepercursoinformaçõessobreaexistênciade umeventualincêndio.O receptoranalisaofeixede luzrecebido.Conformeo produto,detectoreslinea-

Fig.3–Depósitoscompédireitoelevadosão ocampodeaplicaçãoidealparadetectores linearesporfeixedeluz

resópticossãomuitosegurosquantoa alarmesfalsos.

Detectoreslinearestérmicos

Nasrampasdecargaenoentornodos centrosdelogística,correntesdearou fumaçadoescapamentodecaminhões podemcausaralarmesfalsos.Aescolha corretaparaestasaplicaçõesconsiste emdetectoreslinearestérmicosconformeEN54-22.Elestambémsedestinam alocaiscomambientesagressivos,tais comoaltaumidadedoar,poeira,etc.

Obturadorescom

ec amentoa tom tico

Apartirdecertasdimensões,galpões delogísticadevemserdivididosem compartimentosdeincêndio.Aberturasnasparedesdessescompartimentos devemserobturadasparaevitarapropagaçãodegasesletaisportodaaedicação.Portaseportõesnessasparedes devemestarfechados,constituindo barreirascorta-fogo.

Poroutrolado,portascorta-fogoprovidasdedispositivosdefechamento automáticocerti cadospodempermanecerabertas,porexemplo,parao trânsitodeempilhadeiras,desdequeo fechamentoestejagarantidoemcaso

43EM | Setembro/Outubro | 2022
ig. Conformeasdimensõesdoesto ueverticalsão necessáriosmúltiplosdetectoresporaspiração,paracobrirtodo ovolumeaserprotegido

Segurança

deincêndio( gura4).Taisdispositivoscompreendemnomínimoumdetectordeincêndio,umdisparador,um acionamentomecânicoeumafontede alimentação.

Obturadoresparaesteiras transportadoras

Muitoscentrosdelogísticasãodotados desistemasdetransportedeprodutosconectadosaumaferrovia.Nestas aplicações,asesteirastransportadoras passamatravésdebarreirascorta-fogo, quedevemserprovidasdeobturadores especiaisa mdeevitarapropagação deincêndio.Aquivaleobservarque,em casodeincêndio,podehavermercadoriasoumateriaisdentrodoobturador, oqueimpediriaseufechamento.Portanto,taisobturadoresdevempossuir umsistemadesupervisãoecontrolepor

ig. ispositivosdefechamentoautomáticoemcasodeinc ndiomant mportascorta-fogo abertasparaotr nsitodemateriais

meiodecortinasdeluz,queatuasobrea liberaçãodemovimentodaesteira,para assegurarocorretofechamentodoobturador.Essesistemadecontroleéligadoa umafontedealimentaçãodeemergência,emgeraldisponívelnasinstalações transportadoras.Sistemasdetransporte

automáticonãosupervisionadodevem adotarprocedimentoanálogo.

Sistemasdealarmedevoz

Precisamenteemsituaçõesdealarmede incêndioaumentaodesa odeabando-

44 EM | Setembro/Outubro | 2022

naroprédiorápida,ordenadaeseguramente.Atémesmofuncionáriosque conhecembemolocaleseutilizam sempredeumcaminhocostumeiro, emcasodealarmefrequentemente nãosabemqualamelhorrotadefuga aseguir.Arespostaparataissituações chama-sealarmedevoz–consideravelmentemaise cientedoquesirenes eoutrossinaissonoros.Umestudo do BritishStandardsInstitute (BSI) demonstraqueotempodereaçãodas pessoasperanteavisosdevozgravados sereduzem50%comparadoasinais sonoroscomuns.Esseefeitoacentuasemaisaindadiantedeavisosdevoz aovivo,porexemplo,dosbombeiros, aosquaisaspessoasreagematéquatrovezesmaisrápidodoqueaossinais sonoros.Alarmesdevoznãoapenas permitemoabandonosegurodolocal emcasodeemergência,mastambém servemparatransmissãodeavisose

informaçõesimportantesdurantea operaçãonormaldoprédio.

Centraisdealarme deincêndiointeligentes

Centraisdealarmeconstituemocérebrodosistemadedetecçãodeincêndio.Elasrecebemtodosossinais dosdetectoreseiniciamasmedidas programadas,comooalarmeparaos ocupantesdaedi caçãoeparaosbombeiros.Alémdisso,assumemfunções decomandodeequipamentostécnicos deproteçãocontraincêndio,taiscomo asinstalaçõesdeextinçãodefogo,etc.

Háalgunsanos,ascentraissetornaram“inteligentes”,oqueparaoinstaladoreousuário,duranteacolocação emserviçoe aoperaçãocotidiana,traz muitasvantagens.Umadelaséoacessoremoto,quepossibilitaasupervisão

ininterrupta24h/dia,demodoqueo pessoaltécnicoresponsávelpossareagirsemperdadetempoaossinaisde alarmeoudedefeito.

Umgrupode nidodepessoasrecebe informaçõesemdispositivosmóveise podeencaminharprocedimentospreviamenteestabelecidos.Oinstaladorou otécnicodemanutençãopodemdiagnosticarumdefeitoeefetuaroreparo àdistância.Quandoumaintervenção onsite fornecessária,ascaracterísticas dainstalaçãopodemservisualizadas numportaldeserviços,permitindo queamanutençãosejapreparadapreviamente,assimcomoosequipamentos eeventuaispeçasdereposição.

Artigopublicadooriginalmentenarevistaalemãde–das Elektrohandwerk,edição11/2021. Copyright HüthigGmbH,Heidelberg eMünchen.www.elektro.net.Publicadopor EM soblicençadoseditores. TraduçãoeadaptaçãodeCelsoMendes.

45EM | Setembro/Outubro | 2022

Eletrocalhas, dutos,bandejas, canaletas, eletrodutoseleitos

Esteguialistaaofertadefabricantese importadoresdecondutos(canaletas, eletrodutos,eletrocalhas,bandejaseleitos), osquaisvisamprotegeroscondutorescontra solicitaçõesmecânicaseelétricasquelhessão i ostase er itira esso slin asel tri ase decomunicaçãoparatrabalhosdemanutenção eampliação.Sãoapresentadasinformações os ro utos o oti o aterialenor as técnicasnacionaisaqueatendem.

Alumbra–(11)4393-9300 sac@alumbra.com.br

CalhasKennedy–(11)2126-3333 vendas@calhaskennedy.com.br

Cogumelo–(21)3408-9000 vendas@cogumelo.com.br

DeltaPerfilados (11)99607-8700 contato@deltaperfilados.com.br

Dispan–(19)3466-9300 comercial@dispan.com.br

Dutoplast–(11)2524-9055 qualidade@dutoplast.com.br

Dutotec– (51)3181-0866 vendas@dutotec.com.br

Elecon– (11)97472-5002 comercial@elecon.com.br

Engeduto– (21)99987-3046 vendas@engeduto.com.br

HellermannTyton–(11)2136-9090 vendas@hellermanntyton.com

Indusmack–(12)3935-4545 vendas@indusmack.com.br

Inpol– (48)9902-0060 comercial@inpolpolimeros.com.br

Kana ex (11)98602-2907 mkt@kana ex.com.br

Krona–(47)3431-7800 contato@krona.com.br

Marvitec–(11)2487-5500 vendas2@marvitec.com.br

Masster– (47)99785-0103 gerentecomercial@massterplasticos.com.br

Mastery–(11)2023-6260 contato@masteryaramados.com.br

Maxtil– (11)98354-2158 vendas@maxtil.com.br

46 EM | Setembro/Outubro | 2022 Guia–2
DaRedaçãodeEM Empres Tele o e b r i c t e mpor t or exclusi o bric te P s Tipo construtivo Material Normas Eletroc l B ej L e i t o C e t D u t o e p i s o D u t o e p i s o e l e o Eletro utos A o p r é i c o A o o o o A o o x e A o c o m p i t u r e l e t r o s t t c A l u m o P o l m e r o N B R E C 6 1 0 4 ( 1 ) N B R E C 6 1 5 3 7 ( 2 ) N B R 6 3 2 3 ( 3 ) N B R 7 0 0 ( 4 ) N B R 7 0 1 3 ( 5 ) N B R 1 1 ( 6 ) N B R 1 5 7 0 ( 7 ) l s p e r u r r m l i s p e r u r r o s e x í v e s
• • ••
• •••• ••••••••••••••
• •••• ••••• •
• •• ••
• ••••• •• ••••••••••••
• ••• ••
• •••• ••
• ••••• ••••••••••••••••
• •• •••••••••••
• • ••
• • •
• • •
• •• •
• •• •
• ••••• •• ••••••••••••
• • •
• • ••••••
• ••• ••••••••••••••

Niedax-Mopa–(11)2413-1099

(11)2134-0002

vendas@sptf.com.br

revestidaspeloprocessocontínuodeimersãoaquente.(6)Bobinasechapasfinasafrioeaquentedeaço-carbonoedeaçodealtaresist nciaebaixaliga.(7)Ind striasdopetr leoeg snatural-PerfispultrudadosParte4:Sistemadebandejamento.

(*)NBR15715

Obs.: Osdadosconstantesdesteguiaforamfornecidospelaspr priasempresasquedeleparticipam deumtotalde123empresaspesquisadas.

Fonte: Revista EletricidadeModerna, setembro/outubrode2022.Esteemuitosoutrosguiasestãodisponíveis on-line, paraconsulta. Acessewww.arandanet.com.br/revista/emeconfira.Tambémépossívelincluirasuaempresanaversão on-line detodosestesguias.

EM47 | Setembro/Outubro | 2022 Empres Tele o e b r i c t e mpor t or exclusi o bric te P s Tipo construtivo Material Normas Eletroc l B ej L e t o C l e t D u t o e p i s o D u t o e p i s o e l e o Eletro utos A o p r éi c o A o l i o o o A o i o x i e l A o c o m p t u r e e t r o s t t i c A u m i o P o l m e r o N B R E C 6 1 0 4 ( 1 ) N B R E C 6 1 5 3 7 ( 2 ) N B R 6 3 2 3 ( 3 ) N B R 7 0 0 ( 4 ) N B R 7 0 1 3 ( 5 ) N B R 1 1 ( 6 ) N B R 1 5 7 0 ( 7 ) i s p e r u r r m i s p e r u r r i o s e x í v e i s
vendas@mopa.com.br • ••••• •• ••••••••••• OBOBettermann–(15)3335-1382 mkt.info@obo.com.br • OBOBettermann/ Alemanha ••••• ••••••••••••••••• Politejo–(19)99949-5670 erick.capone@politejo.com • • • (*) RealPerfil
vendas@realperfil.com.br • ••••• ••••••••••••• Sptf–(11)2065-3820
• •••• Stratus–(12)2139-6550 comercial@stratusfrp.com • •• • • ••• Notas: (1)Sistemasdecanaletasecondutosperfiladosparainstalaçõeselétricas.(2)Encaminhamentodecabos-Sistemasdeeletrocalhasparacabosesistemasdeleitosparacabos. (3)Galvanizaçãoporimersãoaquentedeprodutosdeaçoeferrofundido.(4)Chapasebobinasdeaçorevestidascomzincoouligazinco-ferropeloprocessocontínuodeimersãoaquente.(5)Chapasebobinasdeaço

Proteção

Coordenação deenergiaentre

DPS–Parte1

Publicadopor EM emduaspartes,esteartigo comentaaspectosdasinteraçõesDPS–DPSe DPS–equipamentos,comespecialatençãoparaa divisãodeenergia.Aabordagemtrazpercepções importanteseúteisquepodemseradaptadasa situaçõesreais.Aquiseabordamosefeitosdas conexõeseinterligaçõesentreDPS.Napróxima edição,acoordenaçãoentreDPSeequipamento easconclusões.

ojeouve-semuitofalaremcoordenaçãodedispositivosdeproteção contrasurtos(DPS),ouemsistema coordenadodeDPS,entreospro ssionaisdaáreadeproteçãocontraraios, estimuladospelaNBR5419-4[1] emboraaNBR5410[2]jáchamassea atençãoparaaquestãohámaistempo, sem,porém,associarotermoenergiaà coordenaçãodeDPS.AseleçãoeoposicionamentodosDPSnumainstalação combaseapenasemtensãoecorrente podemnãosersu cientesparagarantiracoordenaçãoentreDPSligadosem cascata,incluindo-seasproteçõesinternasdosequipamentos.Énecessáriolevaremcontaacoordenaçãodeenergia, prescritanasseçõesC.2.1.8a)eC.3.4da NBR5419-4[1],queremetemoleitorà IEC61643-12[3],nocasodeDPSpara linhasdeenergia,eàIEC61643-22[4], paralinhasdesinais.

Alémdasmetodologiasdeanálisee ensaiosdaIEC61643-12[3],aNBR 5419-4[1]eaNBR5410[2]recomendamqueofabricantedeDPSdisponibilizeinformaçõeseinstruçõessobre comoobtercoordenaçãoentreosDPS dispostosaolongodainstalação.Isso devefuncionarquandoosDPSem todososníveisdacadeiadeproteção numcircuito(cascata)sãodamesma marca,poisofabricantetemcontrole sobreseusdispositivoseconseguefor-

neceressetipodeinformação.Nocaso deDPSdemarcasdiferentes,asituação caumpoucomaisforadecontrole. Demaneirageral,apesardaaparente faltaderigorquantoàdivisãodeenergiaentreosDPSnasinstalações,não existeumcaosemtermosdedanosde DPSedeequipamentos.Provavelmente,oquesalva,emgrandemedida,são asdistânciasentreosDPS,pois,como veremos,asinterligações(cabos)têm umpapelimportantenareduçãoda energiadesurtosàmedidaquepenetramnainstalação.

Umproblema,noentanto,éacoordenaçãodeenergiaentreumDPSea proteçãointernadeumequipamento. ComocoordenarumDPScomalgo desconhecido,comonormalmenteé ocasodoscircuitosecomponentesde proteçãointernosdeumequipamento?

Dequalquerforma,umaanálisecuidadosadacoordenaçãodeenergiaé recomendávelparaaproteçãodeequipamentosso sticadosequedesempenhamfunçõescríticas.Umasituação críticasedáquandooequipamentoé instaladopraticamentejuntoaoDPS classeInaentradadainstalação,sujeita adescargasatmosféricasfrequentes.No ladodoprojetistadeequipamentos,no meuentender,nãobastaatenderàsnormasdeimunidadeasurtosaplicáveisao

produto.Mesmosemsaberexatamente oquepoderásercolocadonoladode foradoseuequipamento,oprojetista nãopodedeixardeconsideraralgumas possibilidadesnoprojeto.

Consideraçõesgerais

Osresultadosapresentadossãomeramenteexemplosbaseadosemsimulaçãodecircuitos,paraosDPSescolhidos esimpli caçõesfeitas,enãodevemser generalizados,portanto.Recomendo queoleitorselembresempredisso,até o naldoartigo.Asanálisesesimulaçõesselimitamacircuitosdealimentaçãoc.a.embaixatensão.Assimulações foramfeitasnoprogramaATP-EMTP.

Conexõese interligaçõesdeDPS

Consideremosumpequenotrechode umaestruturamuitoamplaecomplexaqueéumainstalaçãoelétrica,ligada alinhasexternas,envolvidaporum SPDAeinteragindocomumadescarga atmosférica.Estepequenotrechoérepresentadoaquina gura1,quemostra doisDPSinterligadospordoiscondutoresdeumcircuitodealimentaçãoc.a.: umcondutorvivo(FouN)eocondutor deproteção(PE),decomprimento l1.Os DPSpodem,porexemplo,representar

48 EM | Setembro/Outubro | 2022

Tab.I-Correnteeenergiamáximas dosvaristores

osDPSinstaladosemdiferentespainéis dedistribuição,ouumDPSexternoea proteçãointernadeumequipamento.

Paraumaanálisedain uênciadainterligaçãonasenergiasdissipadasnos DPS,foiestabelecida,arbitrariamente, ageometriadoscondutores,indicada namesma gura,onde d e éodiâmetro externodaisolaçãodocaboealinha horizontalinferiorrepresentaumplanocondutor.

Foramconsideradososvaristores Epcos dostiposindicadosna gura2.A razãodeusaressescomponenteséa disponibilidadedascurvascaracterísticas V I edadosfornecidospelo fabricanteparacriaçãodemodelosde simulaçãodecircuitos.Osvaristores S20Ktêmcaracterísticasbásicasque nospermitem,para nsdeanálise, considerá-loscomoDPSclasseIII oucomocomponentesinternos deproteçãodeequipamento.Os varistoresB40KtêmcaracterísticastípicasdeDPSclasseIIeserão aquiconsideradoscomoDPSa montantedosvaristoresS20K. Ascaracterísticasbásicasdosmodelosescolhidossãoapresentadas natabelaIena gura3.Ascurvascaracterísticas V I da gura 3correspondemaosvalorescentrais(médios),sendoqueadispersãoéde 10%@1mAepode atingircercade 25%@100A.

Fig.2–VaristoresEpcosS20K(disco)e

Noteque,considerandoasdispersões, ascurvaspodemsesobrepordetalformaque,arigor,umaanálisedecoordenaçãodeenergiadeveconsiderartais dispersões.

Foramconsiderados,nassimulações, trêsimpulsosdecorrente:8/20 s, 10/350 se1/100 s.Essasondas,por simplicidade,serãodenominadas8/20, 1/100e10/350.Asondas8/20e10/350 sãocomunsnaindústriadeDPS[5]e nasérieNBR5419:2015.Aonda1/100 foiadotadaarbitrariamentepararepresentarasprimeirasdescargasnegativas (parecidacomoimpulso1/200em[6]), paraseavaliarosefeitosdesubidasde correntemaisrápidasnassobretensões.Asdescargassubsequentestêm altataxadevariação(di/dt),sendomais críticasemtermosdetensãoinduzida, especialmentenasconexõesdosDPS, masasaltastensõesassociadasao di/ dt dessasdescargastêmduraçãomuito curtae,portanto,nãocontribuemsigni cativamentenaenergiadissipada nosDPS.

Efeitodas

interligaçõesdeDPS

Osgrá cosdas guras4a6mostram algunsresultadosinteressantesdesimulação,conformeesquemada gura 1.Ainformaçãocomumatodosesses grá coséoimportanteefeitoda ação nareduçãodaenergianoDPSajusante (DPS2).Outrospontosimportantes:

a)Aseçãodocabotempoucain uência( gura4),umavezqueaindutânciaéocomponentedaimpedânciapredominantenocontroleda correntee,portanto,nareduçãoda energia.Enquantoarelaçãoentrea maioreamenorseçãodecabosé20 (50/2,5mm2),arelaçãodasindutânciasdocircuitoé0,7(0,7/1 H/m);

b)Ocabotemquesermuitocomprido paraajudarefetivamentenareduçãodeenergianoDPS2,quandose tratadeimpulsosdelongaduração ( gura5,pág.52);e

c)Nocasodevaristores,quesão dotipolimitadoresdetensão,adiferençaentreastensõesresiduais dessesdispositivosafetafortementeadistribuiçãodeenergiaentre eles.A gura6(pág.53)mostra estasituaçãoparavaristorescom tensõespróximas(vizinhosnalista deprodutos).

Observenascurvasda gura3 queumvaristorS20KemparalelocomumB40Kdemesmovalor (mesmatensão)jáproporciona umadivisãodecorrentefavorável àcoordenaçãodeenergiaentre

49EM | Setembro/Outubro | 2022
B40K(bloco)
Varistor máx. máx. (J) S20K230 8kA 8/20 130 S20K250 140 S20K275 151 S20K320 184 B40K230 40kA 8/20 460 B40K250 490 B40K275 550 B40K320 640 ig.3 Caracter sticas IdosvaristoresEpcos e considerados ig.1 Circuitosimplificadoparaanáliseda divisãodeenergiaentre 1e

Proteção

eles.AtabelaII(pág.54)mostraessa característica,ondeosvaristoresB40K eS20Kdemesmatensãonãodependem deseparaçãoporcaboparaacoordenaçãodeenergia(excetoosvaristoresde 275V,querequerem1,1mdecaboentreeles,paracabosde16mm2,nocaso apresentadonatabela).Porém,comojá foimencionado,háquesetercuidado comatolerância(dispersão)dosvalores detensãodessescomponentes.

Essesefeitossãomuitobemdescritos em[7],umartigocomseus30anos,que chamaaatençãoparaaideiacomum dequeoníveldeproteçãodeumDPS devesermenorqueodoDPSamontante,masqueencontradi culdadesde coordenaçãoquandoosimpulsostêm longaduraçãoeasdistânciasentreDPS sãocurtas.

Condutoresde conexãodoDPS

Na gura7(pág.54)temosumaversãoumpoucomaisdetalhadadocircuitoda gura1,ondesãomostradas

asáreas A1, A2 e A 3 paraanálisedas conexõesdoDPS,oscilações,induções eseusefeitosnadivisãodeenergia entreosDPS.ODPS2aparececomo proteçãointernadentrodeumequipamento.Alinhatracejada x indica umaeventualligaçãodoequipamento apartesaterradasdainstalação,por outrocaminhoquenãopelocondutor PE,oqual,nestaanálise,fazpartedo contornodaárea A3.

AsligaçõesF-DPS(ouN-DPS)eDPSPEsãoidenti cadaspor a e b,emsintoniacoma gura15a)daNBR5410 [2],incluindo-seotrecho c,quecorrespondeaoprópriocorpodoDPS,ea distância d,queparticipa dade nição daáreadeindução A2.

AlémdatensãoresidualnoDPS,tratadacomo UP naNBR5419-4[1],temos atensãoindutivadevidoàpassagem decorrentepelostrechos a e b (tensão U na guraC.1em[1]).Aindutância

Fig.4–Relaçãoentreenergiadissipada emcadaDPSeaenergiatotalaplicada nocircuitoemfunçãodocomprimento doscabos,paraonda8/20e cabos2,5,16e50mm2

DPS1=DPS2=B40K250

L notrecho a-b-c (naverdadeaindutânciamútuaentreotrecho a-b-c, aquiconsideradoretilíneo,eaárea A2)éumpoucomenorqueasomadas indutânciasprópriasdoscondutores doreferidotrecho.Para a b 0,5m, condutoresde6a16mm2 e d variando de0,1a1m,talindutância caentre 0,34e0,53 H(quantomenor d,menor L,oqueébom).Paraasconexões típicasdeDPSempainéis,aadoção de L 1 H/méumaboaaproximação.Osfabricantesnormalmentenão informamaindutânciainternados seusDPSe,possivelmente,medem suastensõesresiduaisdeformaaminimizaroacoplamentoindutivo.Para otrecho c, caasugestãopráticadese considerarametadedovaloracima, ouseja,0,5 H/m,oqueequivalea considerarametadedocomprimento doDPS(distânciaentreterminais)nas suasconexões.

Atensãodesenvolvidanasconexões doDPSédadapor Ldi/dt.Essatensão,sobrepostaàtensãonoDPS,pode sercríticaparaasisolaçõesnolocalde instalaçãodoDPSqueestánalinha defrentedocombateaossurtos,normalmenteumDPSclasseInopainel dedistribuiçãoprincipaldeumainstalaçãoligadadiretamenteàredede distribuiçãoemBT.

50 EM | Setembro/Outubro | 2022

Proteção

Ataxadevariaçãodascorrentesde surtocaimuitoàmedidaquepenetramnainstalação(10xoumais,com apenas10mdecabo),demodoque astensõesindutivasnasconexõesde DPSmaisinternosnãosãotãocríticas,masnãodispensamocuidado quesedevetercomasligações a e b, conformeaNBR5410.Simulações preliminaresindicam di/dt menores que1kA/ semcadaDPS,paraentradatrifásicadainstalaçãoemBT eprimeirasdescargas(atmosféricas) negativas,enafaixade1a2kA/ s paradescargassubsequentes,considerandoparâmetrosmedianosdas descargas[6].Emcasosextremos (parâmetrosdadescargacomprobabilidadedeocorrênciamenorque10%e certascaracterísticasdaredeexterna),os valoresacimapodemexceder2kA/ s paradescargasnegativase6kA/ spara descargassubsequentes.Essesvalores sãoparadescargasdiretasnainstalação.

Fig.5–RelaçãoentreenergiadissipadaemcadaDPSea

maiscurtaspossíveise/oucomgeometriaselaboradasparareduzira indutânciadasligações(reduzir A2, gura7),especialmentenospainéis deentradadasinstalações.

Seconsiderarmos a b= 0,5m,conformeNBR5410, L =1 H/m 0,5 m 0,5 Heosvaloresde di/dt acima paradescargasdeintensidadesmedianas,astensõesdeimpulso(somadasa valorestípicosde UP dosDPS) cam

abaixodasuportabilidadeaimpulso deequipamentosnaentradadainstalação(categoriaIV,tabela31daNBR 5410).Porém,para di/dt= 6kA/ s, chegamosa3kVsónasconexões,o que,juntocom UP,podeexcederos 4kVdacategoriaIV(127/220V)ese aproximarperigosamentedos6kV (220/380V).Paraentradasmonofásicas,osvaloresde di/dt devemserainda maisaltos,algocomo50%maisaltos. OsdadosacimademonstramaimportânciadefazerasconexõesdosDPSas

Oimpulsodetensãoquesedána indutânciadasconexõesdosDPS épreocupantedopontodevistade isolação,masquantoàcoordenaçãodeenergiacomumDPSajusante,esseimpulsotemefeitodesprezível,poissuaduraçãoémuito curta,umavezqueestáassociado aotempodesubidadacorrenteda descarga.Asvariaçõesdeenergia noDPS2foramdeapenas2%(l1 = 1m)e0,01%(l1 = 10m),paraa indutânciadasligaçõesdoDPS1(L) variandode0para0,5 H,e di/dt= 2,8kA/ s.

AstensõesnoDPS1(comesemsuas conexões)eDPS2sãomostradasna gura8.Notequeatensãonaindutância L équaseodobrodatensão noDPS1(curvaazul–curvamarrom: 2kV–0,7kV 1,3kV).Atensãono DPSenassuasconexões(curvaazul) sãode nidascomo UP/F = UP U (ver FiguraC.1em[1]).

52 EM | Setembro/Outubro | 2022
energiatotalaplicadanocircuitoemfunçãodocomprimento docabo,paracabode16mm2 ediferentesformasdeonda; DPS1=DPS2=B40K250

Fig.6–Relaçãoentreenergia dissipadaemcadaDPSeaenergia totalaplicadanocircuitoemfunção docomprimentodocabo,paraonda 1/100ecabode16mm2

DPS1>DPS2:DPS1=B40K275e

DPS2=B40K250;

DPS1<DPS2:DPS1=B40K250e

DPS2=B40K275;

DPS1=DPS2=B40K250

Oscilações

Umpontointeressanteasedestacar, emborasemimportânciaparaaquestãodacoordenaçãodeenergia,éo efeitodemúltiplasre exõesdetensão quandosetemumalinhamuitolonga terminadaemaberto(casodeumatomadasemusonapontadeumcircui-

tooudaisolaçãoF-PEouN-PEdeum equipamento,semDPSentreessespontos).Parademonstraroefeitoatravés desimulação,oDPS2foiremovidoeo circuito couabertono naldalinha ( gura7).Oresultadoémostradonagura9(pág.56)paraumalinhade60m (16mm2,comgeometriadalinhacon-

forme gura1,pág.49).Asoscilações levamatensãodalinhaaquasedobrar, justi candoarelação UW 2UP/F da nota6emC.2.1.8[1].Enquantoatensão entreF-PE(ouN-PE)oscilalivremente naextremidadeabertadalinha,oDPS1 mantémessaoscilaçãosobcontroleno iníciodalinha.

Oscilaçõesdessetipotambémpodem ocorrer,mesmoemlinhascurtas,em circuitosterminadosporumacapacitância.Porexemplo,colocando-seum capacitorde10nFno naldeumalinha deapenas10m,aoscilaçãodetensão, excitadapelomesmoimpulsodecorrentedas guras8e9,atinge3,3kVde pico.Eliminando-seaindutância L das conexõesdoDPS1,aoscilaçãonaponta dalinhaatinge1,25kV,quaseodobro datensãonoDPS1(curvamarromda gura8).Capacitoresdessetipo,ligadosentreFePE(modocomum)são

53EM | Setembro/Outubro | 2022

Proteção

Fig.7–Circuitomostrando asáreasA1,A2 eA para análisedasconexõesdo DPS,oscilações,induçõese outrosefeitos

comunsem ltrosdelinhanaentrada deequipamentos(capacitorestipoCy).

InduçãonaáreaA1

Vimosquemesmoqueatensãono DPSamontante,incluindosuasconexões,sejaadequadaparaprotegerum equipamento,existemoscilaçõesnos circuitosquepodemcausarsobretensõesperigosasnaextremidadedesprotegidadalinha.Alémdisso,aligação entreosdoisDPS(área A1 na gura7) podesofrerindução,queseinsereno circuito(loop)quecontornaessaárea. Essatensãoinduzidaédenominada UI em[1]( guraC.1danorma).

Nocasodalinhaaberta(semDPS2), atensãoinduzidaapareceno nalda linha,sobrepostaàtensãonoDPS1. ComDPS2instalado,atensãoinduzidadálugaraumacorrentequecirculanocircuitofechado,passandopor DPS1eporDPS2emsentidoscontrários,demodoque,normalmente,a energianumDPSaumentaenooutro DPSdiminui,ouocontrário,dependendodosentidodacorrentequecausouaindução.Avariaçãodeenergia mencionadaécomrelaçãoàsenergias dissipadassemocorrênciadeindução em A1, gura7.

Consideremos,então,ainduçãoentre oscondutoresdalinha(área A1, gura7)devidoaumimpulsodecorrente de10kApassandonumcondutorem paralelocomalinha,a1mdedistância.Astensõesdecircuitoaberto(vOC) induzidasnalinhaeasvariaçõesde energia( E)noDPS2(circuitofecha-

do,obviamente)sãomostradasna tabelaIII(pág.57),considerandoa geometriadoscondutoresconformegura1,cabode16mm2 e l1 = 10m.Os varistores,comonocasoanterior,são DPS1=B40K250eDPS2=S20K250. Sãomostradasapenasasinduçõescom polaridadesquecausamaumentoda dissipaçãodeenergianoDPS2.

Apesardeainduçãocausarvariações instantâneasdedezenasdekWnos DPS,suaduraçãonormalmenteécurtae,consequentemente,avariaçãode energiaépequena.Noentanto,como vemosnatabelaIII,paraoscondutores commaiorseparação,asondasmais longasdepositarammaisenergiano DPS2,mesmoqueacaudadoimpulsodecaialentamenteedabaixatensão induzidaporcausadasubidalentano caso10/350.

Adiferençaderesultadosentreosdois espaçamentosentrecondutoresnatabelaIIIéimportanteecon rmaaboa práticadeaproximaroscondutores aomáximo,parareduziraáreadein-

duçãodocircuito(área A1,nocaso). Trançaros ostornaessareduçãode áreaaindamaisefetiva(cabosPPsão muitobonsnessesentido).Cabossobre bandejasmetálicasoublindadoseaterradosnasduasextremidadestambém reduzembastanteessetipodeacoplamento.

InduçãonaáreaA

ParafecharessaanálisesobreadistribuiçãodeenergiaentreDPSdispostos emcascatanumainstalação,vamosa umaquestãoimportantequeenvolveo trechodecomprimento l3 eárea A 3 (gura7).Ain uênciadotrecho l3 sobre aproteçãocontrasurtoséignoradanas normas[1]e[2],pelomenosnaspartes quetratamdaproteçãocontrasobretensõesatravésdeDPS.Osefeitosda tensãoindutivanessetrechosãotratadosem[8],sobrecentelhamentoentre equipamentoepiso,incluindosobretensãonosterminaisdoequipamento, quandohácirculaçãodecorrente,eem [9],sobresegurançacontrapotencial

Fig.8–Correntetotal(curva vermelha),tensõesnoDPS1e noDPS2(curvasmarromeverde)e tensãonoDPS1incluindoatensão nassuasconexões(azul); DPS1=B40K250e DPS2=S20K250; l1 =10m;di/dt=2,8kA/µs

54 EM | Setembro/Outubro | 2022
Tab.II–Comprimentomínimodecabo (16mm2)entreDPS1eDPS2para garantircoordenaçãodeenergia,para i A, DPS1 DPS2 S20K 230 S20K 250 S20K 275 S20K 320 B40K230<0,01<0,01<0,01<0,01 B40K25020,50,01<0,01<0,01 B40K27550291,1<0,01 B40K320>10076,758,5<0,01
nucleotcm

Proteção

detoque.Vamosavaliaraquisetalinuênciaésigni cativasobopontode vistadeenergianosDPS.

Seconsiderarmos,porexemplo, l3 =5m eque,porenquanto,aligação x da gura7nãoexiste,atensãodesenvolvidana indutânciadaligação l3,duranteapassagemdoimpulsodecorrente,iráaparecerintegralmenteem x (assumindo, obviamente,queocircuitoéeletricamentecurtoapontodepermitirouso dateoriadecircuitos).Observeque l3 é 10vezesmaiorqueotrecho a+b 0,5m epossuiindutânciaporunidadede comprimentoaindamaior,pornãoter restriçãodeárea,comotemaárea A2, detalsortequeatensãoinduzidaem A 3 temoutraordemdegrandeza.Observe, também,queaárea A 3 podesermuito grandeumavezque x podeseruma ligaçãoequipotencialcompartesmetálicasaterradasdainstalação,distantes dabarraPEondeoDPS1estáligado, taiscomoestruturasmetálicas,massas metálicasdeoutrosequipamentos(inclusiveatravésdeblindagensdecabos) ouopróprioeletrododeaterramento, formandoumagrandeáreadeindução.

Oproblemanãodeixadetersemelhançacomocasoanterior(induçãonaárea

Fig.9–Correnteaplicadano iníciodalinha(curvavermelha) etensõesnoDPS1(azul)ena extremidadedeumalinha decomprimentol1 =60m terminadaemaberto(verde)

A1),sóquenestecasoainduçãoémais intensaporqueacorrentequecausaa induçãocirculanumdoscondutores dapróprialinha(condutorPE),ouseja, nãopoderiaestarmaispróxima.Note queocondutorPEfazpartedo loop que contornaaárea A 3 ( gura7).Nofundo, trata-sedeinduçãonaárea A1 devido àcorrenteinduzidaem A3.Nessecaso nãoadiantatrançaroscabos,poisa correnteinduzida uiemespiralnoPE, sempreinduzindotensãocommesma polaridadeem A1

Paraexempli car,umasimulaçãofeitanasmesmascondiçõesindicadas

na gura8(l1 =10m,16mm2,DPS1= B40K250eDPS2=S20K250; di/dt= 2,8kA/ s)resultounumatensãode circuitoabertoem x ( gura7)de18kV. Fechandoaligação x comumcabode 5m,35mm2,demodoqueacorrente circulelivrementeno loop daárea A3, veri camosumimpulsodetensãode circuitoabertode6kVinduzidoem A1 Éumatensãoconsiderável,emmodocomum,nosterminaisdeumequipamentodesprotegido.

ComoDPS2nocircuito,atensão ca sobcontroleeaenergianessevaristor é11%maiordoquenocasosemessa

56 EM | Setembro/Outubro | 2022

indução.AvariaçãodeenergianoDPS émuitodependentedatensãoinduzida naárea A3.Numdoscasos,avariação deenergianoDPS2chegoua 25%,que éumavariaçãosigni cativa.Imagine circuitosdegrandesextensõesverticais próximosadescidasdeSPDA.Porisso, émuitoimportantelimitaressemodo deacoplamentonasinstalações.Além dasrecomendaçõesnaNBR5419-4[1],

oartigodareferência[8]fornecemedidasdeproteçãoespecí casparaminimizarestetipodeacoplamento.

Continuanapr ximaediçãode EM)

REFERÊNCIAS

otado utor srefer nciasapresentadassãoas ue estavamdispon veisduranteaelaboraçãodoartigo. lgumasrefer nciaspodemestardesatuali adasealgumas normasIECpodemtere uivalentes .

[1]ABNTNBR5419-4:2015– Proteçãocontra descargasatmosféricas–Parte4:Sistemaselétricos eeletrônicosinternosnaestrutura ;1ªEdição;2015.

[2]ABNTNBR5410:2004(+errata2008)- Instalações elétricasdebaixatensão

[3]IEC61643-12– Low-voltagesurgeprotectivedevices –Part12:Surgeprotectivedevicesconnectedtolowvoltagepowersystems–Selectionandapplication principles ;Ed.3.0,2020.

[4]IEC61643-22– Low-voltagesurgeprotectivedevices –Part22:Surgeprotectivedevicesconnectedto Telecommunicationsandsignallingnetworks–Selectionandapplicationprinciples ;Ed.2.0,2015.

[5]IEC61643-11– Low-voltagesurgeprotectivedevices –Part11:Surgeprotectivedevicesconnectedtolowvoltagepowersystems–Requirementsandtest methods ;Ed.1.0,2011.

[6]ABNTNBR5419-1:2015– Proteçãocontradescargas atmosféricas–Parte1:Princípiosgerais ;1ªEdição; 2015.

[7]LaiandMartzloff: CoordinatingCascadedSurge ProtectionDevices:High-LowversusLow-High. “IEEETransactionsonIndustryApplications”, Vol.29,No.4, July/August 1993.

[8]A.R.Panicali;J.PissolatoFilho;C.F.Barbosa; J.C.O.Silva;N.V.B.Alves: ProtectionofElectronic EquipmentInsideBuildings:AHiddenSourceof Damages. 33rdInternationalConferenceon LightningProtection(33rdICLP);Estoril, Portugal;Set.,2016.

[9]A.R.Panicali;Silva,J.C.O.: Hightouchvoltages insidesmallbuildingsduetodirectlightningstrikes. InternationalConferenceonGroundingand Earthing(Ground’2020/21)and6thLightning PhysicsandEffects–LPE;WebConference;Jun. 2021.

57EM | Setembro/Outubro | 2022
Tab.III–TensãodecircuitoabertoevariaçãodeenergiadissipadanoDPS2 causadaporumacorrentede10kApassandoa1mdainterligaçãodosDPS; l1=10m,16mm2 Impulsode10kA Espaçamentoentre condutoresdalinha vOC (kV) + (%)DPS2 8/20 0,058 0,06 1/100 0,53 0,32 10/350 0,050 1,5 8/20 10cm 0,28 1,4 1/100 2,7 2,7 10/350 0,25 8,1

Empresasde engenharia, instalaçõese serviçostécnicos especializados

Olevantamentorelacionaprestadoresde serviçostécnicosemdiversossegmentos daáreaelétrica,comogeração,linhas detransmissão,subestações,redesde istribui o eletrifi a orural instala es el tri as rote o ontraraios efi ienti a o ener ti a uali a e aener ia ilu ina o segurança,segurançadotrabalhoe automação.Ascompanhiasestãoagrupadas deacordocomasUnidadesdaFederação F on eest oinstala as afi e a ilitar sualo ali a o

58 EM | Setembro/Outubro | 2022 Guia–3
DaRedaçãodeEM Empres Áreas de atuação er i os o ereci os H i r e l é t r i c s ( 5 ) G e r o t é r m i c ( 6 ) E e r i u x i i r ( 7 ) i s t e m s e l i c o s ( ) i s t e m s o t o o l t i c o s ( ) L i s e t r s m s s o u b e s t e s R e e s e i s t r i b u i o E l e t r fi c a ç ã o r u r a l st l es elétric s P D A ( 1 4 ) E fi c i e n t z a ç ã o ( 1 5 ) u l i e e e r lumi o e ur e u r o t r b l o ( 2 0 ) Auto m o C o s u l t o r i e s t u o s ( 1 ) G e r e c m e t o ( 2 ) P r o j e t o e e s p e c fi c a ç ã o E x e c u o i s t l o I n s p e ç ã o e c e r t i fi c a ç ã o C o m s s i o m e t o ( 3 ) R e o r m ( 4 ) M u t e o i u s t r i s E x ( 1 0 ) e o s p t i s C P D s ( 1 1 ) P r e i s ( 1 2 ) p r u m c o l e t ( 1 3 ) p b l c p r ( 1 6 ) l u m o ( 1 7 ) A t i i c i o ( 1 ) A t i i t r u s o ( 1 ) e s i s t e m s e l é t r c o s P r e i ( 2 1 ) AT MT PrecisãoEnergiaAC •••••••••••••••••••••• E3fix AL •••••••• ••••••••••• Gobbi AL ••••• •••••• • Automus AM •••••••• ••••••••••••••••• CRMEngenhariaAM •••• ••••••••••••••• ElétricaNunesAM ••••••••••••••••••••••••••••••••••• Engecrim AM ••••• ••••••••••••••••••••••• i9Engenharia AM •••••• ••••••••••••••••••••••• MEIInstalaçãoAM ••••••••••••••••••• 3AEnge BA ••••••••••••••••••••••••••••• AbelardoBrandãoBA •• •••• • • AmarEngenhariaBA •••••••••••••••••••••••••••••• Aranda BA •••••••••••••••••••••••• ArcoBahia BA •••••••••••••••••••••••••••• BDEngenhariaBA •• •••• •• • Compac BA ••••••••••••••••••••••••••••••• Elektreng BA ••••••••••• ••• • Elektroba BA •••••••••••••••••••••••••••• ESO BA ••••••• ••••••••••••• Maprotec BA ••• ••••••••••••••••••• MCA BA •••••• •••••••••••• Quality BA ••• ••••••••••••
EM59 | Setembro/Outubro | 2022 Empres Áreas de atuação er i os o ereci os H r e é t r i c s ( 5 ) G e r o t é r m i c ( 6 ) E e r i u x i l i r ( 7 ) i s t e m s e i c o s ( ) i s t e m s o t o o l t c o s ( ) L i s e t r s m s s o u b e s t e s R e e s e s t r i b u o E l e t r i fi c a ç ã o r u r a l st l es elétric s P D A ( 1 4 ) E fi c i e n t z a ç ã o ( 1 5 ) u l e e e r i lumi o e ur e u r o t r b l o ( 2 0 ) Auto m o C o s u l t o r i e s t u o s ( 1 ) G e r e c i m e t o ( 2 ) P r o j e t o e e s p e c fi c a ç ã o E x e c u o s t o I n s p e ç ã o e c e r t i fi c a ç ã o C o m s s i o m e t o ( 3 ) R e o r m ( 4 ) M u t e o i u s t r i s E x ( 1 0 ) e o s p t i s C P D s ( 1 1 ) P r e i i s ( 1 2 ) p r u m c o l e t ( 1 3 ) p b l i c p r ( 1 6 ) l u m i o ( 1 7 ) A t i i c o ( 1 ) A t i i t r u s o ( 1 ) e s s t e m s e l é t r i c o s P r e i l ( 2 1 ) AT MT Rtep BA • ••••••••• • Sertaute BA •••••••• •••••••••••••• SollarTec BA •••••••• •••••••••••• AMP CE •••••• ••• •• Essen CE •• • • ••• PulsoEngenhariaCE •••••••••••••••••••••••••••••• Selg CE ••••••••••••••••••••••••••••••• Zeus CE •••••••••••••••••••• MaisEnergia DF ••• • ••••• •• RCO DF ••••••••••••••••• Tereme ES ••••• •••• •••••• Acinonyx GO ••••• •• ••••••••• CristalConsultoriaGO •••• •• GRIndustrial GO ••••••• •••••••••• Volga GO ••••••••••••••••••••••••••••••• Algiztech MG •• • •••• AlvoSolar MG ••••••• ••• ATMC MG ••• •••••••••••••• Automaton MG ••• •••••••••••••• Ceminas MG •••••• ••••• ••• ElbiEngenhariaMG ••••••••••••••••• Eletromecan MG •••••••••••••••• •••••• Engeparc MG •••••••••••••••••••• EscopoTecnologiaMG ••••••••• •••••••••••••••• G2M MG ••••••••••••••••••••••••••••• GrupoEletro MG •••••••••••• •• ItceSoluçõesMG ••••••••••••••••••••••••••••• JPCInstalaçõesMG •••• •••• • L&GEngenhariaMG •••••••• ••••• ••• Maqsystem MG ••• • •••••••• Projetec-ProjetosMG ••• • •••••••••••• RLCEngenhariaMG •••••••• •••••••••••••••••• Salviano MG ••• ••• • • SM&A MG ••• •••••• ••••• Solarys MG •••••• • ••••••••••• Squema MG •• •••••••••••• TecTerra MG • ••••• •• Termotécnica MG •• •••••••••••••••• •
Guia–3 60 EM | Setembro/Outubro | 2022 Empres Áreas de atuação er i os o ereci os H r e é t r i c s ( 5 ) G e r o t é r m i c ( 6 ) E e r i u x i l i r ( 7 ) i s t e m s e i c o s ( ) i s t e m s o t o o l t c o s ( ) L i s e t r s m s s o u b e s t e s R e e s e s t r i b u o E l e t r i fi c a ç ã o r u r a l st l es elétric s P D A ( 1 4 ) E fi c i e n t z a ç ã o ( 1 5 ) u l e e e r i lumi o e ur e u r o t r b l o ( 2 0 ) Auto m o C o s u l t o r i e s t u o s ( 1 ) G e r e c i m e t o ( 2 ) P r o j e t o e e s p e c fi c a ç ã o E x e c u o s t o I n s p e ç ã o e c e r t i fi c a ç ã o C o m s s i o m e t o ( 3 ) R e o r m ( 4 ) M u t e o i u s t r i s E x ( 1 0 ) e o s p t i s C P D s ( 1 1 ) P r e i i s ( 1 2 ) p r u m c o l e t ( 1 3 ) p b l i c p r ( 1 6 ) l u m i o ( 1 7 ) A t i i c o ( 1 ) A t i i t r u s o ( 1 ) e s s t e m s e l é t r i c o s P r e i l ( 2 1 ) AT MT Tritec MS ••••••••••• ••••••• Apolus MT •••••••••••••••••••••••••• EletroTartari MT •••••••••••••••••••••••••• GlobalConstrutoraMT •••••• ••••••••••••••• JMG PA ••••••• •• • Replacom PA ••••• ••••••••••• Eniil PE ••••••••••••••••••••••••••• JCEngenhariaPE •••••••••••••••••••• Proscel PE ••••••••••••••••••••••••••• SantanaEngenhariaPE • ••••••• •••••••• •• StartElétrica PE •••• •••••••••••• BRSoluções PI •••• •••••••• ASEngenhariaPR • ••••••••• • Ccpg PR •••••••••••••••••••••••• Engebrazil PR •••• ••••••••••••••••••• Fonsecas PR ••••••• •••••••••••••••••• Forza PR ••••••••••••• • FurukawaElectricPR •••• •• InstaloEngenhariaPR •••••••••••••••••••••••••••••••• MasterSolar PR ••••• •
EM61 | Setembro/Outubro | 2022 Empres Áreas de atuação er i os o ereci os H r e é t r i c s ( 5 ) G e r o t é r m i c ( 6 ) E e r i u x i l i r ( 7 ) i s t e m s e i c o s ( ) i s t e m s o t o o l t c o s ( ) L i s e t r s m s s o u b e s t e s R e e s e s t r i b u o E l e t r i fi c a ç ã o r u r a l st l es elétric s P D A ( 1 4 ) E fi c i e n t z a ç ã o ( 1 5 ) u l e e e r i lumi o e ur e u r o t r b l o ( 2 0 ) Auto m o C o s u l t o r i e s t u o s ( 1 ) G e r e c i m e t o ( 2 ) P r o j e t o e e s p e c fi c a ç ã o E x e c u o s t o I n s p e ç ã o e c e r t i fi c a ç ã o C o m s s i o m e t o ( 3 ) R e o r m ( 4 ) M u t e o i u s t r i s E x ( 1 0 ) e o s p t i s C P D s ( 1 1 ) P r e i i s ( 1 2 ) p r u m c o l e t ( 1 3 ) p b l i c p r ( 1 6 ) l u m i o ( 1 7 ) A t i i c o ( 1 ) A t i i t r u s o ( 1 ) e s s t e m s e l é t r i c o s P r e i l ( 2 1 ) AT MT OMSEngenhariaPR ••••••••••••••••••••••••••• Patoeste PR •• •••••• •••• Pontech PR •••••••••••••••••••• PWMAutomaçãoPR ••••••••••••••••••••••••••• SolfusEngenhariaPR ••• •••••• •••••• Enatel RJ •• •••••••••••• Hineltec RJ ••••••••••••••••••••••••••• Masalupri RJ •••••••••••••••••••••••••••••• RcaTec RJ ••••••••••••••••••••••••• Seltec RJ ••••••••••••••••••••••••••••• TecnoReady RJ ••••• •••••••• TorresEngenhariaRJ ••••••• •••••••••• AldeiaSolar RS ••••• •••••
Guia–3 62 EM | Setembro/Outubro | 2022 Empres Áreas de atuação er i os o ereci os H r e é t r c s ( 5 ) G e r o t é r m i c ( 6 ) E e r u x i l i r ( 7 ) i s t e m s e i c o s ( ) i s t e m s o t o o l t c o s ( ) L i s e t r s m i s s o u b e s t e s R e e s e s t r i b u o E l e t r i fi c a ç ã o r u r a l st l es elétric s P D A ( 1 4 ) E fi c i e n t i z a ç ã o ( 1 5 ) u l e e e r i lumi o e ur e u r o t r b l o ( 2 0 ) Auto m o C o s u l t o r i e s t u o s ( 1 ) G e r e c i m e t o ( 2 ) P r o e t o e e s p e c fi c a ç ã o E x e c u o s t o I n s p e ç ã o e c e r t fi c a ç ã o C o m i s s o m e t o ( 3 ) R e o r m ( 4 ) M u t e o i u s t r i i s E x ( 1 0 ) e o s p t i s C P D s ( 1 1 ) P r e i s ( 1 2 ) p r u m c o l e t i ( 1 3 ) p b l i c p r i ( 1 6 ) l u m i o ( 1 7 ) A t i i c o ( 1 ) A t i i t r u s o ( 1 ) e s s t e m s e l é t r i c o s P r e l ( 2 1 ) AT MT Automasul RS ••••••••••• • • CarlosHirdesRS ••••• ••••••••• CCMAutomaçãoRS ••••• •••••••••• CFEnergia RS •• ••••• ••• Conducta RS ••••••••••••••••• •• DFLara RS •••••••••••••••• • DiferencialSoluçõesRS •••••• ••••••••••••••••• Elithe RS •••• • Energizar RS •••••• • • • Girondi RS •••• •••••••••• IdealHome RS •••••••••• ••••••••••••• Movva RS •••••••••••••••••••••••••••••• Prolux RS •••••••••••••••• •• • SafetyWork RS ••••••••••••••••••••••••• Saly RS ••••••••••••• ••••••••• SerroEngenhariaRS ••••••••••••••••••••••••••• SulEngenhariaRS ••••••••••• • ValenciaEnergiaRS ••••••••••••••••••••••• Zenith RS ••• •••••••••• Chapecó SC ••••••••••••• •••• Dvolk SC •••••••••••••••••••••••••••• Kraft SC ••••••••••••••••••••••••••••• Krieger SC •••••••••••••••••••• MonerettoLuz SC ••••• •••• ••••••• Ouroluz SC •••••••••••••••••••••••••••••• P3EngenhariaSC •••••••••••••••••••••••••••• Proelt SC •••••••••••••••••••••••••••• RierCalibraçãoSC •••• • • SolCentral SC ••••• • Steckert SC •••••••••••••••••••••••••••• TecnoEletro SC ••••••••••••••••••••••••••••• VieiraSantos SC ••• • ••••••••• FCMInstaladoraSE ••• • ••• •••• 4BProjetos SP-G ••••••••••••••••••••••• ABBEletrificação SP-G ••••••••••••••••••••• •• Afrontt SP-G •••••••••••••••••••••••••••• Alper SP-G ••••• • ••
Guia–3 64 EM | Setembro/Outubro | 2022 Empres Áreas de atuação er i os o ereci os H r e é t r i c s ( 5 ) G e r o t é r m i c ( 6 ) E e r i u x i l i r ( 7 ) i s t e m s e i c o s ( ) i s t e m s o t o o l t c o s ( ) L i s e t r s m s s o u b e s t e s R e e s e s t r i b u o E l e t r i fi c a ç ã o r u r a l st l es elétric s P D A ( 1 4 ) E fi c i e n t z a ç ã o ( 1 5 ) u l e e e r i lumi o e ur e u r o t r b l o ( 2 0 ) Auto m o C o s u l t o r i e s t u o s ( 1 ) G e r e c i m e t o ( 2 ) P r o j e t o e e s p e c fi c a ç ã o E x e c u o s t o I n s p e ç ã o e c e r t i fi c a ç ã o C o m s s i o m e t o ( 3 ) R e o r m ( 4 ) M u t e o i u s t r i s E x ( 1 0 ) e o s p t i s C P D s ( 1 1 ) P r e i i s ( 1 2 ) p r u m c o l e t ( 1 3 ) p b l i c p r ( 1 6 ) l u m i o ( 1 7 ) A t i i c o ( 1 ) A t i i t r u s o ( 1 ) e s s t e m s e l é t r i c o s P r e i l ( 2 1 ) AT MT Appoio SP-G •••••••• ••••••••••••••••• Areté SP-G ••••• Atik SP-G ••••• ••••••••• Baur SP-G •••••••••••• •• Canalli SP-G •• • •••••••••••••• CNCEngenhariaSP-G ••• ••••••••••••• Coli SP-G ••••••••• •••••••••••••• Consagri SP-G ••• • ••• ConservEnergiaSP-G •••••••••••••••••••••• Consultiva SP-G ••••••••••••••••••••• Costanobre SP-G •••••••••••••••••••••••••• DaloEletrotécnicaSP-G •••• •••••••••••••••••• DAP SP-G •••• • •••• DexxtraSolarSP-G •••••••••• ••••• • DirectTecnologiaSP-G •••••• •••••••••••• EHM SP-G •••••••••••••••••••••••••••• Elektraked SP-G •• • •••••••• Eltan SP-G ••••••••••••• • En.Sis SP-G • ••••••••• Enarq SP-G ••••••••••••••••••••••••••••• Energec SP-G •••••••••••••••••••••••••••• Engeind SP-G ••••••••••••••••••••• Engelc SP-G •••• • • Enprel SP-G ••• ••••••••••••••• Esprel SP-G •••••••••••••••••••••• Etsp SP-G ••••••••••••••••••••••• • FanEngenhariaSP-G ••••••••••••••••••••••• Figueiredo&MatosSP-G • •••••••• ••• HZSoluçõesSP-G ••••••••••••••••••••••• • ImpactoAssessoriaSP-G ••• •• ••••••• Incoteq SP-G •• • ••••••••••• JCPasseriniSP-G •• •• • Jelcorp SP-G ••••••••••••••••••••••••••••••••••• JTR SP-G •••••• • ••••••••• LCSLink SP-G •••••••••••••••••••••••• •• Lpeng SP-G ••••••••••••• •• • Mamn SP-G •• • ••• •• MatosDiademaSP-G •••• ••
EM65 | Setembro/Outubro | 2022 Empres Áreas de atuação er i os o ereci os H r e é t r i c s ( 5 ) G e r o t é r m i c ( 6 ) E e r i u x i l i r ( 7 ) i s t e m s e i c o s ( ) i s t e m s o t o o l t c o s ( ) L i s e t r s m s s o u b e s t e s R e e s e s t r i b u o E l e t r i fi c a ç ã o r u r a l st l es elétric s P D A ( 1 4 ) E fi c i e n t z a ç ã o ( 1 5 ) u l e e e r i lumi o e ur e u r o t r b l o ( 2 0 ) Auto m o C o s u l t o r i e s t u o s ( 1 ) G e r e c i m e t o ( 2 ) P r o j e t o e e s p e c fi c a ç ã o E x e c u o s t o I n s p e ç ã o e c e r t i fi c a ç ã o C o m s s i o m e t o ( 3 ) R e o r m ( 4 ) M u t e o i u s t r i s E x ( 1 0 ) e o s p t i s C P D s ( 1 1 ) P r e i i s ( 1 2 ) p r u m c o l e t ( 1 3 ) p b l i c p r ( 1 6 ) l u m i o ( 1 7 ) A t i i c o ( 1 ) A t i i t r u s o ( 1 ) e s s t e m s e l é t r i c o s P r e i l ( 2 1 ) AT MT MDLProjetosSP-G •••••• • •••••••• Multienergia SP-G •••••••••••••••••• • Nefag SP-G ••••• •••••••••••• Netclear SP-G •••••••••• •••••••••• NVEngenhariaSP-G • •••••••••• Pgmak SP-G ••• •••••••••••••••••• PHE SP-G • •••••••••••••• Procion SP-G ••• •••••••• Recomex SP-G ••••• • • Revimaq SP-G •••• • • • Rewald SP-G •• •••••••• Selgi SP-G ••••• •••••••••••••• SMEInstalaçõesSP-G ••• •••• •••
Guia–3 66 EM | Setembro/Outubro | 2022 Empres Áreas de atuação er i os o ereci os H r e é t r i c s ( 5 ) G e r o t é r m i c ( 6 ) E e r i u x i l i r ( 7 ) i s t e m s e i c o s ( ) i s t e m s o t o o l t c o s ( ) L i s e t r s m s s o u b e s t e s R e e s e s t r i b u o E l e t r i fi c a ç ã o r u r a l st l es elétric s P D A ( 1 4 ) E fi c i e n t z a ç ã o ( 1 5 ) u l e e e r i lumi o e ur e u r o t r b l o ( 2 0 ) Auto m o C o s u l t o r i e s t u o s ( 1 ) G e r e c i m e t o ( 2 ) P r o j e t o e e s p e c fi c a ç ã o E x e c u o s t o I n s p e ç ã o e c e r t i fi c a ç ã o C o m s s i o m e t o ( 3 ) R e o r m ( 4 ) M u t e o i u s t r i s E x ( 1 0 ) e o s p t i s C P D s ( 1 1 ) P r e i i s ( 1 2 ) p r u m c o l e t ( 1 3 ) p b l i c p r ( 1 6 ) l u m i o ( 1 7 ) A t ii c o ( 1 ) A t i i t r u s o ( 1 ) e s s t e m s e l é t r i c o s P r e i l ( 2 1 ) AT MT Solutions SP-G •• • ••••••••• Ssengecon SP-G •••••••••••••••• TécnicaEngenhariaSP-G •• •••••••••••••••• Tecpro SP-G ••• ••••••••• • • Teslacomm SP-G ••••• ••••••••••••••••••••• Tsutomu SP-G ••••• •••••••••••••••• VLSauter SP-G •••••• •••••• WMConstruçõesSP-G •••••••••••• •• • WNGEngenhariaSP-G •••••••••••••••••••• Athomic SP-I •••••••••••••••••• Basílio SP-I •• •••••••• • C_Nepo SP-I ••• ••• ••••••••••••• Cadlif SP-I ••••••••••••••••••••••••• Coelte SP-I ••••••••••••••••••••••••• Dbtec SP-I ••••••••••••••••••••••• DHG SP-I ••••••••• ••••••••••• EletroH-3 SP-I •••••• •••••••••••••• EletroAlta SP-I ••••••••••••••••••••••••• Eletron SP-I ••••••••••••••••••••••••• Eletrotau SP-I •••••••••••••••••••••••••••••••• GSI SP-I ••••••••••••••••••••••••••• Inbox SP-I ••••• • • • Inel SP-I •••••••• •••••••••••••••••••••• JREngenhariaSP-I •••••••••••••• • K9AutomaçãoSP-I •••••• ••••••• •• MAConeglianSP-I •••• • •••••••••• Maex SP-I ••• • • MarinSimõesSP-I •• ••••••••• MiOmega SP-I •••• ••• •••••• Moreproj SP-I •••• •••••••••••••• Mproj SP-I ••• ••••••••••• MultLight SP-I •••••••••••••••••••••••••••• Nadai SP-I ••• ••••••••• •• Nortec SP-I •••••• ••• ••••• Paiol SP-I •• •••••••••••••• ••• Polis SP-I •••••••••••••••••••••••••••••• PrimeTraffosSP-I ••••••••••••••••••••••• Riotech SP-I ••••••••••••••••••••••• •

industriais comerciais residenciais rurais e outras (10) st l es elétric s em tmos er s explosi s (11) T mbém co eci os como data centers (12) Instalações elétr cas de edificações em geral comerciais de escrit rios residencia s etc (13) Prumadas utilizando barramentos blindados conectando todos os consumidores de uma edificação (14) Proteção contra raios aterramento proteção contra surtos detecção de descargas atmosféricas (15) Efici ncia energética diagn stico energético an lise das faturas de energia elétrica projetos de otimização energética e de economia de energia gerenciamento e controle de energia correção do fator de pot ncia tipicamente rea de atuação das chamadas Escos (16) Para ind str as edificações lojas etc (17) Iluminação de segurança ou de emerg ncia (18) Instalações de detecção e alarme de inc ndio (19) Controle de acesso alarmes CFTV etc (20) Segurança do trabalho em eletricidade (NR 10) (21) Para edificações comerc ais e residenciais (edifício e casa inteligentes)

Obs : Os dados constantes deste guia foram fornecidos pelas pr prias empresas que dele participam de um total de 3 457 empresas pesquisadas Fonte: Re ist El i i a a setembro outubro de 2022 Este e muitos outros guias estão disponíveis on line, para consulta Acesse w w w arandanet com br/revista/em e confira Também é possível incluir a sua empresa na versão li de todos estes guias

EM67 | Setembro/Outubro | 2022 Empres Áreas de atuação er i os o ereci os H r e é t r i c s ( 5 ) G e r o t é r m i c ( 6 ) E e r i u x i l i r ( 7 ) i s t e m s e i c o s ( ) i s t e m s o t o o l t c o s ( ) L i s e t r s m s s o u b e s t e s R e e s e s t r i b u o E l e t r i fi c a ç ã o r u r a l st l es elétric s P D A ( 1 4 ) E fi c i e n t z a ç ã o ( 1 5 ) u l e e e r i lumi o e ur e u r o t r b l o ( 2 0 ) Auto m o C o s u l t o r i e s t u o s ( 1 ) G e r e c i m e t o ( 2 ) P r o j e t o e e s p e c fi c a ç ã o E x e c u o s t o I n s p e ç ã o e c e r t i fi c a ç ã o C o m s s i o m e t o ( 3 ) R e o r m ( 4 ) M u t e o i u s t r i s E x ( 1 0 ) e o s p t i s C P D s ( 1 1 ) P r e i i s ( 1 2 ) p r u m c o l e t ( 1 3 ) p b l i c p r ( 1 6 ) l u m i o ( 1 7 ) A t i i c o ( 1 ) A t i i t r u s o ( 1 ) e s s t e m s e l é t r i c o s P r e i l ( 2 1 ) AT MT RossiServiceSP-I ••••••••• •••• RSEngenhariaSP-I • •• RSEEngenhariaSP-I ••••• ••••••••••• Seizerteck SP-I •••••••••••••••••••••••••• ServMil SP-I •••••• •••••••••••••• SGM SP-I ••••• ••••••••••••••• Solstício SP-I •••••• • TecautAutomaçãoSP-I ••••• •• • Telel SP-I ••••••• •••••••••••••• Terwan SP-I ••••••••••••••••••••••••••••• Varixx SP-I ••••••••••••••••• •••••• Viewtech SP-I ••••••••••• •••••• ••• Wiretech SP-I •••• • Notas: (1) Co sultori estu os e i sticos (2) Gere ci me to e projetos e ou execu o (3) Comissio me to e p r ti (star t up) (4) Reforma e modernização de instalações (5) clui o s pe ue s mi i e microce tr is i relétric s (6) Ce tr is térmic s por s ciclo combi o co er o (i clui o biom ss e bio s) (7) Tipic me te er o iesel p r suprime to e se ur reser ou em hor rios de ponta (8) Geradores e licos incluindo os instalados em ind strias propriedades rurais e edificações (9) Geradores fotovoltaicos inc uindo os instalados em edificações

PrecisãoEnergia AC (68)99942-8821precisaoeletricidade@hotmail.com

E3fix AL (82)98200-6522e3fix.engenharia@gmail.com

Gobbi (82)99603-6112gobbiengenharia@uol.com.br

Automus AM (92)98430-3037comercial@automusengenharia.com.br

CRMEngenharia (92)99461-2656crm_engenharia@yahoo.com

ElétricaNunes (92)99341-8153jn_farias@hotmail.com

Engecrim (92)99500-3938engecrim@engecrim.com.br

i9Engenharia (92)98426-2325contato@i9engenharia.com

MEIInstalação (92)2126-4713contato@i3m.com.br

3AEnge BA (73)99981-54083aenge@3aenge.com.br

AbelardoBrandão (71)99106-4849engenharia@abelardobrandao.eng.br

AmarEngenharia (71)98805-8137andremargalho.eng@gmail.com

Aranda (71)99981-1574kelvinengenharia@uol.com.br

ArcoBahia (71)99199-5582arco.galdino@hotmail.com

BDEngenharia (71)99947-1842atendimento@bdengenharia.com.br

Compac (71)98858-3678wcl2013@hotmail.com

Elektreng (71)99121-1609francisco.oliveira@elektreng.com.br

Elektroba (71)99982-3050adm@elektroba.com.br

ESO (73)98827-1617esoengenharia@yahoo.com.br

Maprotec (71)99147-8122faleconosco@maprotec.com.br

MCA (71)3288-7236mcaquadros@mcaquadros.com.br

Quality (71)3341-1414quality@qualityltda.com.br

Rtep (71)98718-5671rtadeu@rtengenharia.com.br

Sertaute (71)99689-5219antoniocarlos@sertaute.com.br

SollarTec (71)99160-1630contato@sollartec.com.br

AMP CE (85)3221-5169contato@amp.eng.br

Essen (88)99965-1450linoaa@gmail.com

PulsoEngenharia (85)99626-0108contato@pulsoengenharia.com.br

Selg (85)98123-8585rochele@selg.com.br

Zeus (85)99191-3981zeusengenhariaeservicos@gmail.com

MaisEnergia DF (61)99260-8016maisenergia@outlook.com.br

RCO (61)99981-1984contato@rcoengenharia.com

Tereme ES (27)99882-6550tereme@tereme.com.br

Acinonyx GO (62)99625-1234contato@acinonyx.com.br

CristalConsultoria (62)9234-0334comercial@cristal.eng.br

GRIndustrial (64)3018-4040contato@grindustrial.com.br

Volga (62)3089-3559comercial@volga.com.br

Algiztech MG (31)99186-0822solar@algiztech.com.br

AlvoSolar (35)99957-5959comercial@alvosolar.com.br

ATMC (31)3244-6220comercial@automaton.com.br

Automaton (31)3244-6220comercial@automaton.com.br

Ceminas (31)3333-2366planejamento@ceminas.com.br

ElbiEngenharia (31)3596-0025elbi@elbieletrica.com.br

Eletromecan (31)99222-2299vendas@eletromecan.com.br

Engeparc (31)99971-7110engeparc@engeparc.com.br

EscopoTecnologia (31)99214-7537comercial@escopotecnologia.com

G2M (37)99928-6000comercial@g2mprojetos.com.br

GrupoEletro (31)98464-0712orcamento2@grupoeletropainel.com.br

ItceSoluções (32)99105-6701suprimentos@itcesolucoes.com.br

JPCInstalações (31)99977-1190vendas@jpcltda.com.br

L&GEngenharia (31)98236-7149leg@legengenharia.com.br

Maqsystem (33)9902-6799carloantonio@hotmail.com

Projetec-Projetos (35)99984-9544projetec@projetec.eng.br

RLCEngenharia (34)99971-6956contato@rlc.eng.br

Salviano (35)99825-7922contato@salvianoeletricista.com.br

SM&A (31)3292-5113contato@sma-eng.com.br

Solarys (33)98455-6836contato@solarysengenharia.com.br

Squema (31)3395-1363 squema.bh@squemaengenharia.com.br

TecTerra (31)99720-2614contato@tecterra.com.br

Termotécnica (31)3308-7000assistente.vendas@tel.com.br

Tritec MS (67)99880-1511euclides.tritec@gmail.com

Apolus MT (65)99982-2995apolus@terra.com.br

EletroTartari (65)98475-6443etartari@terra.com.br

GlobalConstrutora MT (66)99979-5999globalconstrutoraro@terra.com.br

JMG PA (91)98116-8996contat@jmgservicos.com.br

Replacom (91)99116-1414replacom.engenharia@yahoo.com.br

Eniil PE (81)99961-5871eniil@eniil.com.br

JCEngenharia (81)99974-3029contato@jcengenharia.net.br

Proscel (81)99954-6381proscelengenharia@yahoo.com.br

SantanaEngenharia (81)98421-6067comercial@santanapaineis.com.br

StartElétrica (81)99161-0642start.eletrico@gmail.com

BRSoluções PI (86)98872-8675brunolbaraujo@gmail.com

ASEngenharia PR (42)98811-0690alexsebaje@crea.pr.org.br

Ccpg (42)99972-1206info@ccpg.eng.br

Engebrazil (43)99117-9430brazil@engebrazil.com.br

Fonsecas (41)99992-7250robsonfonseca@hotmail.com.br

Forza (41)99891-7236comercial01@forza-ind.com.br

FurukawaElectric (41)3341-7534bruna.hoffmann@furukawaelectric.com

InstaloEngenharia (41)3333-6262contato@instalo.com.br

MasterSolar (45)99829-1323recepcao@mastersolar.com.br

OMSEngenharia (41)99646-4265oms@omsengenharia.com.br

Patoeste (42)3621-3366roberto@patoeste.com.br

Pontech (43)99150-9875contato@pontech.com.br

PWMAutomação (41)98702-4551comercial@pwmautomacao.com

SolfusEngenharia (41)98405-1530comercial@solfus.com.br

Enatel RJ (21)99963-5894enatel@terra.com.br

Hineltec (21)97532-7569comercial@hineltec.com.br

Masalupri (21)97530-6222masalupri@masalupri.com.br

RcaTec (21)4119-0262comercial@rcatecengenharia.com.br Seltec (21)97305-2261comercial@seltecengenharia.com.br

TecnoReady (21)99859-3704suporte@tecnoready.com.br

TorresEngenharia (21)99911-7804tec@torresengenharia.com.br

AldeiaSolar RS (51)99849-0223contato@aldeiasolar.com.br

Automasul (54)2103-0800automasul@automasul.com

CarlosHirdes (51)99987-4309cfhirdes@gmail.com

CCMAutomação (53)99972-9233vendas@ccmautomacao.com.br

CFEnergia (54)999443685comercial@cfenergia.com.br

Conducta (54)3462-2980contato@conducta.eng.br DFLara (51)99968-0330d ara@d ara.com

DiferencialSoluções (51)98118-2663diferencialplus@gmail.com

Elithe (55)99992-7387elithe.energiasolar@gmail.com

Energizar (51)98444-1222energizar@energizar.com.br

Girondi (54)3452-2366girondi.servicos@yahoo.com.br

IdealHome (51)99451-2220atendimento@idealhome.com.br

Movva (54)99638-0907contato@movvaengenharia.com.br

Prolux (51)99962-6040comercial@prolux.com.br

SafetyWork (53)98011-3913safety@smosc.com.br

Saly (55)9971-5412salyeng@gmail.com

SerroEngenharia (55)99688-2537serroeng@terra.com.br

SulEngenharia (51)9998-9364marchetti@sulenge.com.br

ValenciaEnergia (51)2160-6001contato@valenciaenergia.com.br

Zenith (54)99972-1134zeni@italnet.com.br

Chapecó SC (49)99911-4176inacio@chapecocme.com.br

Dvolk (47)99117-7953dvolk.eng@outlook.com

Kraft (47)99181-4048vendas@kraftnet.com.br Krieger (47)99850499krieger@krieger.eng.br

MonerettoLuz (48)99957-3894orcamentos@monerettoluz.com.br

Ouroluz (49)3555-2285adm@ouroluz.com.br

P3Engenharia (47)99197-2506p3engenharia@p3engenharia.com.br

Proelt (47)3177-2200vendas@proelt.com.br

RierCalibração (47)98808-1537comercial@rier.com.br

SolCentral (49)3241-4500energia@solcentral.com.br

Steckert (48)99604-4346projeto@stengenharia.com

TecnoEletro (48)98809-8888comercial03@tecnoeletro.com

VieiraSantos (47)98412-9556gv@vieirasantosengenharia.com

FCMInstaladora SE (79)99909-0744comercial@viaretaluz.com.br

Guia–3 68 EM | Setembro/Outubro | 2022
Empresa
UF Telefone E mail
Empresa
UF Telefone E mail

AUniversidadeMiOme ga há maisde2anostrazcursoso nline na áreadeengenhariaelétrica com oobjetivodelevar conhecimentoaosprofissionais que desejamseaprofundare obter mais domínionosetor,de forma quenossoslogan “conhecimento semachismo” expressa essa ideia, jáquenossos cursos têm embasamento em normas, afinal a engenharia nãoé campo para achismo.

João Cunha, professor e idealizador da Universidade, traz em seus cursos a experiencia de mais de 40 anos de experiência no setor elétrico aos alunos.

www.universidademiomega.com.br

4BProjetos SP-G (11)3257-21604bprojetos@uol.com.br

ABBEletrificação (11)3688-9111contact.center@br.abb.com

Afrontt (11)97555-1565afrontt@afrontt.com

Alper (11)3018-4680thais.ferreira@alper.com.br

Appoio (11)4122-1717appoio@appoio.com.br

Areté (11)95064-0676 areteengenharia@areteengenharia.com.br

Atik (11)3721-7849contato@atikengenharia.com.br

Baur (11)94503-1718atendimento@baurdobrasil.com.br

Canalli (11)95088-6709 engfrancisco@canalliengenharia.com.br

CNCEngenharia (11)99948-5647cassio@cncengenharia.com.br

Coli (11)2063-2323coli@coli.com.br

Consagri (11)4449-2662ruialonso47@gmail.com

ConservEnergia (11)99945-3718comercial@conservenergia.com.br

Consultiva (11)99647-3577vendas@consultiva.srv.br

Costanobre (11)95876-9781contato@costanobreengenharia.com.br

DaloEletrotécnica (11)94742-1927dalo@dalo.com.br

DAP (11)95058-7534dapinstal@gmail.com

DexxtraSolar (11)2063-7428contato@dexxtrasolar.com.br

DirectTecnologia (11)94746-4584contato@directecnologia.com.br

EHM (11)99763-0361gpa@ehm.com.br

Elektraked (11)99271-1691electraked@electraked.com.br

Eltman (11)99104-6981comercial@eltman.com.br

En.Sis (11)5053-3800en.sis@ensis.com.br

Enarq (11)99612-9145enarq.eng@uol.com.br

Energec (11)3873-3366energec@energec.com.br

Engeind (11)99990-5480engeind@uol.com.br

Engelc (11)96310-7655engelc@engelc.com.br

Enprel (11)97337-9489enprel@enprel.com.br

Esprel (11)99289-6373esprel@uol.com.br

Etsp (11)97552-1236comercial@etspeng.com.br

FanEngenharia (11)95720-7641moliveira@fanengenharia.com.br

Figueiredo&Matos (11)97661-3470fm.consultoria.ltda@terra.com.br

HZSoluções (11)91361-9038comercial@hzpaineis.com.br

ImpactoAssessoria (11)9653-0582impacto_e@terra.com.br

Incoteq (11)985780871incoteq@incoteq.com.br

JCPasserini (11)99399-5641jcpasserini@jcpasserini.com.br

Jelcorp (11)91036-3929solucoes@jelcorp.com.br

JTR (11)99975-5220jtrengenharia@jtrengenharia.com.br

LCSLink (11)97088-4744vendas@lcslink.com.br

Lpeng (11)2901-7033lpeng@lpeng.com.br

Mamn (11)99706-8729marco.meucci@hotmail.com

MatosDiadema (11)98405-9494montalv@cti.com.br

MDLProjetos (11)92002-5934mdlprojetoseletricos@gmail.com

Multienergia (11)95767-2440alexandre@multienergiasp.com.br

Nefag (11)99701-3597antonio@nefag.com.br

Netclear (11)99651-1577netclear@netclear.com.br

NVEngenharia (11)3331-2001nv@nvengenharia.com.br

Pgmak (11)98279-1182contato@pgmak.com.br

PHE (11)5574-6477phe@pheprojetos.com.br

Procion (11)3168-4800procion@procion.com.br

Recomex (11)99188-3312contato@recomexenergia.com.br

Revimaq (11)97513-6857projetos@revimaq.com.br

Rewald (11)99934-2026rewald@rewald.com.br

Selgi SP-G (11)99972-2499selgiltd@yahoo.com.br

SMEInstalações (11)97411-3915contato@manutencaosme.com

Solutions (11)99936-2523solutionsengenharia18@gmail.com

Ssengecon (11)99879-4451ssengecon@ssengecon.com.br

TécnicaEngenharia (11)2606-1933tecnica@tecnicaprojetos.com.br

Tecpro (11)96224-1806contato@tecproenergia.com.br

Teslacomm (11)97164-6006comercial@teslacomm.com.br

Tsutomu (11)4746-2696tsutomueng@tsutomu.com.br

VLSauter (11)94798-8378paulo@vlsauter.com.br

WMConstruções (11)94971-5229 ilmar@wmconstrucoesemontagens.com.br

WNGEngenharia (11)99610-7332orlando@wngengenharia.com.br

Athomic SP-I (19)98132-2701contato@athomicpararaios.com.br

Basílio (16)99256-0425luiseletro@yahoo.com.br

C_Nepo (12)99144-7495c.nepomuceno59@gmail.com

Cadlif (16)99961-6635cadlif@gmail.com

Coelte (12)98160-3003sergio@coelte.com.br

Dbtec (12)98208-0356comercial@dbtec.com.br

DHG (16)99129-9743dhgoncalves@yahoo.com.br

EletroH-3 (16)99999-4880eletroh3@eletroh3.com.br

EletroAlta (16)3615-3601maurin@eletroalta.com.br

Eletron (12)99168-3182eletronpinda@uol.com.br

Eletrotau (12)99143-0290comercial@eletrotau.com.br

GSI (12)98125-0327gsi@gsiconsultoria.com.br

Inbox (16)99246-4998vendas@inboxpaineis.com.br

Inel (19)3875-4269inel@terra.com.br

JREngenharia (19)99677-1531jrengenharialtda@gmail.com

K9Automação (16)98111-8880sergio@k9automacao.com.br

MAConeglian (14)99772-7277maconeglian@maconeglian.com.br

Maex (19)99302-0358vendas@maex.com.br

MarinSimões (19)99158-1593contato@marinsimoes.com.br

MiOmega (12)99125-8875comercial@miomega.com.br

Moreproj (13)99711-4276moreproj@gmail.com

Mproj (19)3362-1640contato@mproj.com.br

MultLight (16)3630-2600geraldo@multlight.com.br

Nadai (19)99255-0304contato@nadaiinstalacoes.com.br

Nortec (17)991517243nortec@norteceletrica.com.br

Paiol (19)3844-4488paulofreire@paiolengenharia.com.br

Polis (12)99656-6705comercial@polisengenharia.com.br

PrimeTraffos (19)98443-7416comercial@primetraffos.com.br

Riotech (17)4009-0500comercial@rio-tech.com.br

RossiService (16)99220-6386contato@rossiservice.eng.br

RSEngenharia (14)98125-5111stroppa@terra.com.br

RSEEngenharia (19)99256-5614rse@rseengenharia.com.br

Seizerteck (19)97409-1324eng.seizer@seizer.com.br

ServMil (12)98887-4267saulo@servmil.com.br

SGM (19)99614-4788sgminstalacoes@uol.com.br

Solstício (19)3305-1153comercial@solsticioenergia.com

TecautAutomação (18)3643-1200guimares@tecaut.com.br

Telel (19)99784-8838telel@dape.net

Terwan (12)3132-2100comercial@terwan.com.br

Varixx (19)98377-0036service@varixx.com.br

Viewtech (14)9114-9444engenharia@viewtech.ind.br

Wiretech (12)99792-7019rui.machado11@hotmail.com

Guia–3 70 EM | Setembro/Outubro | 2022
Empresa
UF Telefone E-mail
Empresa UF Telefone
E-mail
Ocentrodeinovaçãolatino-americano paraonovomundodaenergia EXPOCENTERNORTE,SÃOPAULO,BRASIL ENERGIZE SEUSNEGÓCIOS AsPrincipaisExposiçõeseCongressosdeEnergianoThesmarterESouthAmerica SpecialExhibition SAVETHEDATE

NoBrasil

Redessubterrâneas –A17a ediçãodo evento Redessubterrâneasdeenergiaelétrica, compostoporfórumeexposição,serárealizadanosdias24e25deoutubrode2022,no CentrodeConvençõesFreiCaneca,emSão Paulo,SP,sobotema“Aretomadadaimplantaçãodasnovastecnologiasparaaexpansão dasredessubterrâneasdeenergiaelétrica”.O objetivoéreunirosprincipais players desse mercadoparapromoverdebates,discutir tendências,apresentarsoluçõestecnológicas ecasesdesucessoaospro ssionaisdaárea. Informaçõesemhttp://www.rpmbrasil.com. br/r22_chamada_de_trabalhos.pdf

CBGD –O CBGD-CongressoBrasileirode GeraçãoDistribuída ea ExpoGD-FeiraBrasileiradeGeraçãoDistribuída,organizados pelogrupoFRGMídiaseEventosemparceriacomaABGD-AssociaçãoBrasileirade GeraçãoDistribuída,acontecerãoemconjuntonosdias9e10denovembro,emBelo Horizonte,MG.Informações:www.expogd. com.brewww.cbgd.com.br.

360Solar –ComorganizaçãodaElektSolar, empresadetreinamentosparapro ssionais domercadofotovoltaico,oevento Conectandoaenergiafotovoltaicacomofuturo vai contarcompalestrassobreosetoreapresentaçãodenovastecnologias.Serárealizadoem Florianópolis,SC,em24e25denovembro. Informações:https://360solar.com.br.

Redesinteligentes –O 14o FórumLatinoAmericanodeSmartGrid aconteceránosdias 29e30denovembro,noCentrodeConvençõesFreiCanecaemSãoPaulo,SP.Otema centralserá“Aenergiarenovável,alivrecomercializaçãoeadigitalizaçãodasempresas edosconsumidores,trazendonovospapéise desa osaosagentes”.Oeventotemoobjetivo deaceleraraintroduçãodenovastecnologias einovaçõesnosserviçosdeenergiadoBrasil edosdemaispaísesdaAméricaLatina.Informaçõesemwww.smartgrid.com.br. EncontroAbsolar –Nosdias7e8dedezembro,serárealizadanoCentrodeConven-

çõesRebouças,emSãoPaulo,SP,asegunda ediçãodo EncontroNacionalAbsolar,voltada paraospro ssionaisdetodaacadeiadevalor solar,quevisaabordartendênciaseestratégiasparaomercadofotovoltaico.Oevento terámaisde15sessõesdeconteúdoenegócios,60palestranteseinteraçãoentrepotenciaisfornecedores,clienteseparceiros.Mais informaçõesemeventos@absolar.org.br.

FIEE –A FIEE-FeiraInternacionaldaIndústriaElétrica,Eletrônica,Energia,AutomaçãoeConectividade,organizadapela ReedExhibitions,estámarcadapara18a21 dejulhode2023,noSãoPauloExpo,emSão Paulo,SP.Aexposiçãoéconsideradaumdos principaiseventosdesoluçõesemautomação,conectividade,equipamentoselétricos eeletrônicosdealtatecnologiaparainstalaçõesindustriais.Contacompresençade diversossegmentosentreosvisitantes:GTD deenergia,óleoegás,alimentos&bebidas, agronegócio,automotivo,transporte&logística,papelecelulose,químicaefarmacêutica, siderurgiaemetalurgia,mineração,cidades inteligentes,prefeituraseórgãospúblicos. Maisinformaçõessobreoeventopodemser obtidasno site www. ee.com.br.

CURSOS

Geradores,transformadores –AConproveEngenharia,deUberlândia,MG,realizadiversostreinamentosparaquali cação pro ssional.Ocurso onlineEnsaiosetestesde comissionamentoemanutençãoemgeradores síncronos (teoriaeprática),dirigidoaengenheiros,tecnólogosetécnicos,serárealizado em3e4denovembro.Já Critériospararecebimentoseensaiosrealizadosnocampoem transformadoresdepotênciadealtatensão estámarcadopara7e8novembro.Porsua vez,ocurso Bateriasecarregadores–manutençãoedimensionamento aconteceráem9e 11denovembro.Tambémserãorealizados ostreinamentos Automaçãodesubestações (9a11denovembro), Sistemadeexcitaçãode máquinassíncronas (10e11denovembro)e

Leituraeinterpretaçãodediagramaselétricos (1e2dedezembro).Maisinformaçõesem https://conprove.com.

Capacitaçãotécnica –PormeiodaplataformaCentrodeTreinamentos,aSchneider Electricoferececapacitaçõesecursosnas áreastécnicasparaengenheiros,eletricistas, técnicos,operadoreseestudantesdaáreade tecnologia.Oscursos–comduraçãomédia dedoisdias–podemserrealizadosnoformato online (comaulasaovivo),presencial (noCentrodeDistribuiçãoInteligenteeInnovationHubdeCajamar–SP)ounaslocaçõesdosclientes.Sãooferecidoscursossobre controladoreslógicos,interfacesgrá cas,sistemasdesupervisão,relésdeproteção,equipamentosdemédiaebaixatensão,sistemas deenergiaininterruptaemonitoramentoe ar-condicionadodeprecisão.Maisinformaçõessobreostreinamentosestãodisponíveis emhttps://loja.se.com/so ware-e-servicos. Proteção –ATermotécnicaPara-raiosvai realizardiversoscursosvoltadosapro ssionaisdaárea.De24a26deoutubro,estáprogramadoocursoonline Medidasdeproteção contrasurtosparasistemasfotovoltaicos,que vaiabordarospontosdevulnerabilidadedos componentesdeumSFVaossurtosdetensãoecorrenteparaconcepçãodeproteção e cazcontraosefeitosdasdescargasatmosféricas.Ocurso SPDA+MPS(Pleno),tambémonline,previstopara21denovembroa5 dedezembro,vaiabordarasrecomendações danormaqueregulamentaaproteçãocontra descargasatmosféricas,NBR5419/2015,com oobjetivodecapacitartécnicoseengenheirosaidenti carasnecessidadesdeproteção emestruturas,analisarinconformidadesem instalaçõescomPDAedesenvolverprojetos inteligentesquegarantamaproteçãodevidas humanasepatrimônio.Aempresatambém vaiministrarde12a15dedezembrootreinamento Aterramentodesistemaselétricos, quevaitratardesistemasdeaterramentoem instalaçõesdebaixaemédiatensão,proteção contradescargasatmosféricasecompatibilidadeeletromagnética.Informações:www. tel.com.br.

72 EM | Setembro/Outubro | 2022 Agenda

Sistemasindustriais,relésdigitais –A SEL,deCampinas,SP,vairealizarocurso Proteçãodesistemaselétricosindustriaisde médiaebaixatensão de17a20deoutubro, oqualvisaoferecerumestudocompleto dosmétodosclássicosemodernospara projetosdeproteçãodesistemaselétricos industriais,incluindoosefeitosdasfaltas emsistemaselétricosindustriais,proteções desobrecorrenteediferencialeproteçãode motores,barramentosegeradores.Nodia 1dedezembro,aempresavairealizarem formato online epresencial(BeloHorizonte,MG)otreinamento Manutençãoderelés digitais,quetemoobjetivodecapacitaros participantesarealizaremmanutenções preventivasecorretivasemrelésdeproteçãomicroprocessados,possíveisdeserem realizadasemcampo,bemcomoprocedimentosdeatualizaçãode rmware,vericaçãodacorretaaplicaçãoearmazenagem doreléeresoluçãodeproblemas.Maisinformaçõessobreesseseoutroscursospodemseracessadasemhttps://selinc.com/pt/ selucalendario/. Atmosferasexplosivas –ASchmersalofereceotreinamentoonline Experts Schmersal–Conhecimentosbásicosematmosferasexplosivas,quetemoobjetivode difundirosconceitossobreatmosferaspotencialmenteexplosivascomapresençade gasesin amáveisepoeirascombustíveis. OtreinamentoéministradoporRicardo Zanata,engenheiroespecialistadeprodutos ExdaSchmersal.Ainiciativaédestinada aospro ssionaisdenívelpro ssionalizante,técnicoesuperior,comoengenharia, equipesdeinstalações,manutenção,projetoesegurançanotrabalho,alémdeoutros envolvidosnasegurançadasinstalações elétricasemáreascompotencialriscode explosões.Comduraçãodetrêshoras,o treinamentoapresentaosfundamentos sobreatmosferasexplosivas,ondeestão presentesasáreasclassi cadas,regulamentaçãoenormasvigentes,de niçãodas zonas,passosparaumainstalaçãosegura, entreoutros.Osparticipantestêmàdis-

posiçãomateriaisdeapoiopara download erecebemumcerti cadonaconclusãodo treinamento.Asinscriçõesdevemserfeitas no site https://pts-schmersal.talentlms.com/ catalog/info/id:218.

Fiosecabos –AIFC/Cobrecomoferece diversostreinamentosgravados,entreos quaisode Cabosparainstalaçõesemsistemasfotovoltaicos.Pararequisitaroconteúdo,ointeressadodeveenviar e-mail para marketing@cobrecom.com.br.

Noexterior

EnlitEuropa –Aversãoeuropeiada Enlit, eventodosetordeenergiaquevisadiscutirasprincipaisquestõesrelacionadasà transiçãoenergética,vaiserrealizadaem Frankfurt,Alemanha,de29denovembro a1o dedezembro.Serãorealizadasapresentaçõestécnicaseexposiçõesdeprodutose soluções.Ofocodaediçãosãodescarbonização,descentralização,democratizaçãoe digitalização.Maisinformaçõesemwww. enlit-europe.com.

CarregamentodeVEs –O EVChargingInfrastructure2022 serárealizadoem Berlim,Alemanha,nosdias21e22denovembro.Oeventopretendereunirdesenvolvedoresdepontosderecargaelétrica, operadoresderedeselétricaseplanejadores decidadeseformuladoresdepolíticaspara explorareestabelecerinfraestruturaelétricarobustaepontosderecargaparaatender àsnecessidadesdanovageraçãodeveículoselétricos.Maisinformaçõesemwww. evcharging-infrastructure.com/index.

ThesmarterE/IntersolarEurope

Principalevento,compostoporfeiraecongresso,mundialdosetordeenergiasolar, a IntersolarEurope2023 vaiacontecerde13 a16dejunhode2023nocentrodeexposiçõesMesseMünchen,emMunique,na Alemanha,sobaplataformadesoluçõesde energia esmarterEEurope.Maisinformaçõespodemserobtidasemhttps://www. thesmartere.de.

73EM | Setembro/Outubro | 2022

Osprincípiosbásicos daequipotencialização

Aequipotencializaçãoéfundamentalpara aproteçãocontrasobretensõestransitórias. Quandoaplicadacorretamente,émuitoecaznareduçãodavulnerabilidadedasinstalaçõeselétricasaossurtosdetensãoou corrente,objetivoquedeveserperseguido portodopro ssionaldaáreaelétrica.

Comoémuitomaisfácilconduzirdoqueinterromperumacorrentedesurto,emrazão dasuaintensidadeevelocidadedepropagação,oprincípiobásicodasmedidasdeproteçãocontrasurtos(MPS)éfacilitaroquenão podeserevitado,fornecendo,porisso,um caminhoalternativoparaqueascorrentes desurtonãopassematravésdeelementosda instalaçãoquenãosejamcapazesdesuportaraenergiaqueelasconduzem.

Aequipotencialização,assimcomoablindagemeoroteamentodecabos,possui umacaracterísticageométrica,ondeaposição,formaetrajetodoscondutoresutilizadosserãodeterminantesparaqueosresultadosesperadossejamobtidos.Nessecasoo onde valemaisdoqueo quanto,oquesignicaqueoprojetistadainstalaçãodeveráestudaroposicionamentodasbarrasdeequipotencialização(BEPeBEL)eotrajetodos cabos.EmumprojetodeMPS,aplantada instalaçãoétãoimportantequantoodiagramaelétrico—ou,emsentido gurado,a trenavalemaisdoqueoohmímetro.

Comosetratadeumconceitoquevemadquirindocrescenteimportância,énecessárioevitarqueaequipotencializaçãoseja contaminadaporideiasequivocadas,como, porexemplo,dequeéválidoequipotencializaredi caçõesindependentes,oudeque épossívelavaliaraequipotencializaçãode doiselementosatravésdamediçãodaresis-

tênciadocondutorqueosequipotencializa. Alémdisso,deve-seconsiderarque,assim comooaterramento,aequipotencialização atendeadiferentesnecessidadesdeumainstalaçãoelétrica,devendooprojetistaconsiderarasdiferentescorrentesqueocondutor deequipotencializaçãodeveráconduzir,por exemplocorrentescontínuas,correntesem 60Hzoucorrentesdesurto.

Asobservaçõesacimaseaplicamespecialmenteaosdispositivosdeproteçãocontrasurtos(DPS),jáqueafunçãodestesé equipotencializarcondutoresnormalmente energizados,quenãopodemserinterligados (equipotencializados)diretamenteaoBEP ouBELdainstalação.OsDPSfornecemum caminhoalternativoparaqueascorrentes desurtosejamretiradasdoscondutoresde energiaousinalemumpontosegurodainstalação,equipotencializandoindiretamente condutoresenergizadosentresi(proteçãode mododiferencial),ouindividualmentecada condutoraoeletrododeaterramentodainstalação(proteçãodemodocomum).

Comoconceitosdevemseraplicadoscorretamente,umaequipotencializaçãoe ciente dependedeoprojetistadainstalaçãoadotar asrecomendaçõesaseguir:

a)Oconjuntodecondutoresdeequipo tencializaçãodeveteramenorimpedânciapossível;

b)Asbarrasdeequipotencializaçãodevemserconectadasaosistemadeaterramentopelocaminhomaiscurtoe retilíneopossível;

c)Osmateriaisedimensõesdasbarras econdutoresdeequipotencialização devemestardeacordocomasrecomendaçõesdasnormasdeinstalação elétricaaplicáveisaoprojeto:demédia tensão,debaixatensãoededescargas atmosféricas;

d)AsconexõesdosDPSàsbarrasde equipotencializaçãoeaoscondutores vivosdevemserasmaiscurtaspossíveis,minimizandoassimasquedasde tensãoindutivas;e

e)AjusantedainstalaçãodosDPS,no ladoprotegidodocircuito,osefeitos deinduçãomútuadevemserminimizadosatravésdadiminuiçãodaárea dolaçooupelautilizaçãodecabos blindadosoudutosblindados.

Finalizando,osistemadeequipotencializaçãodeumainstalaçãoelétricaéparteda suainfraestrutura,devendoestardisponíveljánoiníciodasoperações,poisnem sempreseráviávelmelhorá-loquandonovosequipamentosforeminstalados.Como areduçãodavulnerabilidadeàssobretensõestransitóriaséumanecessidadeinquestionável,énecessárioqueoresponsável pelainstalaçãotenhaaconsciênciadequea equipotencializaçãonãoéumconceitovazio,devendoserelaimplementadacorretamente,levando-seemcontaarelaçãoentre oposicionamentodetodososcomponentes dainstalaçãoelétricaeae ciênciadoseu sistemadeequipotencialização.

EngenheiroeletricistadaMPSEnergia,instrutordaTermotécnicaPara-Raiosemestrando

74 EM | Setembro/Outubro | 2022 EMAterramento
doInstitutodeEnergiae mbienteda , SergioRobertoSantos apresentaeanalisa nestacolunaaspectosdeaterramentoeproteçãocontradescargasatmosféricase sobretensõestransit rias,temasaos uaissededicahámaisde anos.Osleitores podemapresentardúvidasesugestõesaoespecialistapeloe-mail em aterramento@ arandaeditora.com.br,mencionandoem“assunto”EM- terramento.
Amaiorexibiçãoeconferênciada indústriasolarnaAméricadoSul EXPOCENTERNORTE,SÃOPAULO,BRASIL OESPAÇODAENERGIA SOLARFOTOVOLTAICA SAVETHEDATE

Motores

Quandoinstaladosemáreasclassi cadas,osmotoreselétricosprecisamatenderdiretrizesdesegurança,queincluem nãosóaresponsabilidadedofabricante nodesenvolvimentodoprojeto,comodo usuário,desdeainstalaçãoatéaoperação emanutençãodomotoraolongodesua vidaútil.

Aseguir,sãolistadospontosquemerecem atençãoespecial,tantodosfabricantes quantodosusuários,paraautilizaçãode motoreselétricosemáreasclassi cadas.

Enrolamentosdos motoresdealtatensão

Parasuportarumeventualaumentode torquedevidoacurto-circuito,eparaminimizaravibraçãonaextremidadedo enrolamento,éempregadoumcontraventamentoreforçado.Asbobinassãoprojetadascomumisolamentomaisresistentea picosdetensão,especialmentenoscasosde acionamentoporvariadoresdevelocidade, ondesãoesperadasfrequênciasconsideráveisdecomutação.

Osefeitoscoronaedescargasparciaissão minimizadoscomousode tasespeciais nasranhuras,quesuavizamosgradientes detensão.

Maioresdistânciasdeisolamentoemrelaçãoàterrasãoadotadasparamelhoresresultadosnosensaiosderigidezdielétricae paragarantirasegurançadopessoal.

Casosejaminstaladosdetectoresdetemperaturaembutidosnasranhuras,elestambémprecisarãoseraprovadosnosensaios dielétricosaplicáveis.

Acessórios

Dispositivosanti-condensaçãosãousualmenteempregadosnosmotoresoperando emambientesagressivosouúmidos,eseu espaçamentodeveserdeterminadoparaa

melhore cáciadesuaatuação.Elestambémprecisarãopassarpeloensaioderesistênciadeisolamento.

Caixasdeligação

Ascaixasdeligaçãopodemincluirpara-raios,capacitoresdesurto,transformadoresdecorrenteeoutrosdispositivos.As distânciasdeisolamentoeescoamentoprecisamatenderaosrequisitosnormativos, tantoparaascondiçõesfase-fasequanto fase-terra.

Acarcaça

Oscuidadosnaconstruçãodoinvólucro domotor,normalmentefeitodeferrofundido,compreendemnãosóosesforços para“segurar”todasaspeçasrotativas, mastambémosimpactosdevidoàoperaçãoembaixatemperaturaambienteeà ressonâncianavelocidadenominal,buscando-se,nesteúltimocaso,onívelsonoromaisbaixo.

Rolamentos

Aoperaçãoseguradomotoreumalonga vidaútildependemdaseleçãocorretados rolamentos,especialmentenocasodemotoresverticais.Oatendimentoaoplanode lubri caçãoéessencialparaquesejamobtidaslongascampanhasdeoperação.

Relésdeproteção

Osreléssãoinstaladosparaprotegeromotoreminimizarosdanos.Existeumagrandegamadeitensaproteger,comocontra rotorbloqueado,sobrecarga,diferencial, sobretemperatura,bemcomoparaevitar umnúmerodepartidasporhoraalémdo

projetado.Hácasosespeciais,comono acionamentodecertasválvulasmotorizadasutilizadasemparadadeemergência deprocessos,ondeomotornãopodeter proteçãocontrasobrecarga,exigindodo usuárioumaavaliaçãoderiscoquantoàs possíveiselevaçõesdetemperatura.

Inspeções

Aoperaçãosegurademotoresemáreas classi cadasexigeumplanoperiódicode inspeção,paraveri car,porexemplo,sea lubri caçãoestáadequada,seoeixopodeser giradomanualmente,seoaquecedoranticondensaçãoestáfuncional,seos ltrosde arestãolimpos,seavibraçãoestádentroda faixaaceitável,seosdadosdeplacaestãosendorespeitados,dentreoutrosparâmetros.

Resumindo:ofabricantedeveconsiderar ositensdesegurançaaoprojetarummotorparaáreasclassi cadas,porémcabe ressaltarquenemtodoselesestãoprevistos nasnormas.Ousuáriodevecuidarquea especi caçãotécnicadomotorcubraassituaçõesambientaisedeoperaçãoqueserão encontradasnaplantaindustrialespecí ca, poisasnormasapenasexpressamosrequisitosmínimosaseremseguidos.

Aresponsabilidadedousuárionãoterminanaespeci caçãodecompra,massegue portodaavidaútildomotor,poiscabea elefazerainstalaçãocorretaeproveramanutençãoadequadaparagarantirasegurançadomotore,doprocessoindustriale daspessoas,especialmentenocasodeáreas classi cadas.

76 EM | Setembro/Outubro | 2022 EMEx
EstellitoRangelJúnior,engenheiroeletricista,primeirorepresentantebrasileirode TechnicalCommittee31daIEC,apresentaediscutenestacolunatemasrelativosa instalaçõeselétricasematmosferaspotencialmenteexplosivas,incluindonormas brasileiraseinternacionais,certificaçãodeconformidade,novosprodutoseanálises decasos.Osleitorespodemapresentardúvidasesugestõesaoespecialistapelo e-mail em@arandaeditora.com.br,mencionandoem“assunto”EM-Ex.
Aexposiçãodeinfraestruturaelétrica egestãodeenergia EXPOCENTERNORTE,SÃOPAULO,BRASIL ENERGIATOTAL, EFICIÊNCIATOTAL SAVE THE DATE SAVETHEDATE

Produtos

Lâmpadasinteligentes

AOuroluxampliourecentementea linhadelâmpadasinteligentes Controled,quepassaatersetemodelos efunçõesdiversi cadas.Segundo aempresa,osprodutosapresentam baixoconsumodeenergia,e ciênciaenergética,fácilinstalaçãoe podemsercontroladasdiretamente dointerruptorapóscolocadasno soquete.Alâmpada“SensordePresença”,porexemplo,acendeaopercebermovimentoe,após3minutos semmovimento,apaganovamente. Jáa“SensordeLuminosidade”éindicadaparaambientescomluznatural,umavezquealâmpadaconta comfotocélulaintegradaqueacendeànoiteeapagadedia.Porsua vez,a“Autodimerizável”permitea dimerizaçãodaslâmpadaspormeio

detoquesnointerruptor,comuma intensidadede10%a100%.Alinha aindacontacomosmodelos:“2em 1Anti-Inseto”,quepossibilitaatrocadaluzbrancaparaluzamarelada paraevitarapresençaindesejada deinsetos;“3TonsdeBranco”,que proporcionaatrocadotom,alterandoentreasluzesbranca;“3Tons deLuz”,queviabilizaamudançada intensidadedaluz,disponibilizandotrêsopçõesdeluminosidade;e “RGBWMulticolors”,queoferece maisde15combinaçõesdecorese intensidades,quepodemserescolhidasatravésdocontroleremoto. www.ourolux.com.br

LumináriasEx

ATramontinaExlançourecentementealinhadelumináriasLED LLExSérieA,compotênciasaté 50W,indicadasparalocaisonde háapresençadeatmosferasexplo-

sivas,sendoutilizadasnaszonas2 (ambientessujeitosagás)e21e22 (áreascompoeirascombustíveis), encontradasemre narias,silos, empresasalimentícias,químicas, farmacêuticas,entreoutras.Os produtossãofabricadoscomcorpo emalumínioinjetadosobpressão, a mdereduzirpeso,etêmacabamentocompinturaeletrostáticaa pó,nacorcinza,paraaumentara durabilidade.Possuemaindavisor empolicarbonatocomresistência UV,ajusteangularde15°até180° parafacilitarainstalação,ejunta devedaçãoemsiliconeeparafusos econexõesdeaçoinox.Sãofornecidoscomcabos.Asluminárias atendemàsnormasbrasileirasda ABNT-AssociaçãoBrasileirade NormasTécnicaseestãoemconcordânciacomasnormasinternacionaisIEC-InternationalElectrotechnicalCommission,asseguraa fabricante.

www.tramontina.com.br

Gruposgeradores

ACumminsBrasilforneceosgruposgeradoresemissionados,com motoreletrônicoQSB7eB3.3.A famíliaQSB7écompostaportrês modelos C170D6E,C185D6E e C200D6E,de60Hz,epotênciasde 170kW,185kWe208kW,respectivamente.JáaB3.3tempotênciade 40kW(50kVA)e60kW(75kVA). Segundoaempresa,ambasassériesreceberamatualizaçõespara reduçãosigni cativadeemissões depoluentes,atendendoànorma americanaEPATier3.OsmodeloscommotorizaçãoQSB7,de

6.7litrosdecilindrada,possuem sistemadeinjeçãodecombustível XPIquefornecemaiorpressãode injeção,resultandoemumaqueimae cienteparaemissõeslimpase economiadecombustívelotimizada,a rmaafabricante.Alémdisso, anovasériecontacomgruposgeradoresmaiscompactos,menorese maise cientes.Areduçãodepeso foide11%eadimensãodosnovos modelostambémdiminuiu14%. Porsuavez,alinhaB3.3recebeu

melhoriasdee ciêncianaqueima decombustíveleajustesdabomba,alémdatendência downsizing domotor,comousodemateriais maisresistentes.Segundoaempresa,osmodelosdasérieapresentam reduçãodecustodeoperaçãoe manutenção,comeconomiade combustívelem2,2%,consumo deóleolubri canteedolíquidode arrefecimentoem37,9%e21,3%, respectivamente.Osgeradoresda Cumminstêmgarantiapadrão de2anosparaaplicações Standby (1.000horas)oude1anoem Prime econtamcomosuportededistribuidoresautorizados. www.cummins.com.br

Minidisjuntores termomagnéticos

AReymasterforneceaslinhas5SL, 5SYe5SPdeminidisjuntorestermomagnéticosfabricadospelaSiemens.Osminidisjuntoresdalinha 5SL1 foramprojetadosparautilizaçãoeminstalaçõesresidenciais ecomerciaisdepequenoemédio porte,eestãodisponíveisnascorrentesnominaisde2Aaté80A,

nasexecuçõesmonopolar,bipolar etripolarenascurvasBeC,com instalaçãosimpleserápida.Jáos modelos 5SL3 e 5SL6 sãoutilizadoseminstalaçõesdemédioporte,comohotéis,supermercados, shoppings,etc.,eestãodisponíveis nascorrentesnominaisde0,3A até63A,nascurvasBeC.Contam tambémcomumaamplagamade acessórios,comoblocodecontatosauxiliares,contatosdealarme, bloqueiosdesegurança,etc.Jáa linhademinidisjuntores 5SY e 5SP éutilizadaprincipalmentenas instalaçõesindustriaisedeinfraestrutura.Osprodutosseguemas normasNBRNM60898eaNBR IEC60947-2eseenquadramem normasambientaisdomercado nacionaleinternacionalemcondiçõesexigidaspeladiretivaRoHS. www.reymaster.com.br

Estabilizadores detensão

Alinhadeestabilizadores detensão PowerEst,daTS Shara,contacomdesign modernoedisponívelnas potências300VAe500VA. Apresentadoisrecursos paraprotegereaumentaravidaútil dosdispositivosaeleconectados: AutodiagnósticodePartida(AP), quefazaanálisepréviadarede elétricaantesdeliberarasaída,a mdeevitaraqueimadosaparelhosdomésticosquandoaenergia éreestabelecida;ePartidacom CruzamentoZero(PCZ),queapenaspermitequeoestabilizadorseja energizadoquandoatensãoinstantâneaestiverigualazero,oque evitaserligadonopicodetensão. Alémdisso,oequipamentoainda apresenta ltrodelinhaintegrado, quatrotomadascomtensãodeentrada115V/220V,tensãodesaída 115Vegarantiadequatroanos. https://tsshara.com.br/

78 EM | Setembro/Outubro | 2022

CaboselétricosBT

AIFC/Cobrecomlançourecentementeo livrotécnico Caboselétricosdebaixatensão paralocaisdea uênciadepúblico,escrito peloprofessoreengenheiroeletricistaHilton Moreno.Deacordocomoautor,amotivação paraescreveraobrasurgiuapartirda publicação,emdezembrode2021,darevisão danormaABNTNBR13570,quetratade instalaçõeselétricasemlocaisdea uênciade público,daqualfoicoordenadordogrupode trabalhonaABNT.AindasegundoMoreno, olivroébaseadonosrequisitosdasvárias normastécnicasqueenvolvemosegmento doscondutoreseprocuradisponibilizara

interpretaçãomaisadequadadasexigênciasda NBR13570.Tratadetiposdecaboselétricose condutosadmitidosemlocaisdea uênciade público;usoexclusivodecondutoresdecobre emlocaisdea uênciadepúblico;escolhadas linhaselétricasemlocaisdea uênciadepúblico deacordocomasin uênciasexternas;linhas elétricasembutidaseaparentesemlocaisde a uênciadepúblico;ligaçãodeequipamentos móveisouestacionáriosemlocaisdea uência depúblico;usobarreirascorta-fogo;produtos daCobrecomparainstalaçõeselétricasem locaisdea uênciadepúblico,entreoutros.A publicaçãotambémapresentaexemplos, guras etabelas,eédestinadaapro ssionaisque lidam,diretaouindiretamente,comprojeto, instalação,operação,manutenção,consultoria, inspeção,comercializaçãoeensinonaárea deinstalaçõeselétricascomoengenheiros, técnicos,eletricistas,vendedoresdelojasde elétricaematerialdeconstrução,professores ealunos,pro ssionaisdaconstruçãocivil, entreoutros.Olivroestádisponívelno site da Cobrecom,naabade downloads. www.cobrecom.com.br

Motorestrifásicos

Olivro Especi caçãodemotoresdeindução trifásicos,lançadorecentementepelaeditora Artliber,tratadaespeci caçãodemotores

deinduçãotrifásicos,visandotransferirum conteúdoprático,porémcomembasamento acadêmico.Emfunçãodessaabrangência, apublicaçãopodeserutilizadatantopara cursosquantoparapro ssionaisdosegmento demotoreselétricos,comotambémna áreaacadêmica,emdissertaçõesouteses queabordemaoperaçãodemotoresde induçãotrifásicos.Olivrotratadetiposde acionamentoselétricos,conjugadosatuantes emumacionamentoelétrico,características elétricas,mecânicasetérmicasdemotoresde induçãotrifásicoscomrotordotipogaiolae acionamentosnãocontroladoscommotores deinduçãotrifásicoscomrotordotipogaiola. EscritoporJocélioSouzadeSá,DélvioFranco BernardeseJulianaCortezdeSáCamposilvan, aobratem232páginas.

81EM | Setembro/Outubro | 2022 Publicações Índicedeanunciantes Clamper.............................................................................................................. 37 Cobrecom........................................................................................................... 55 Dispan.................................................................................................................. 21 Dutoplast................................................................................................... Capa Dutotec.............................................................................................................. 36 Edentec................................................................................................................ 19 Embrastec........................................................................................................... 26 Equacional........................................................................................................... 67 Exatron................................................................................................................ 56 Gazquez............................................................................................................... 47 GonzagaImportação........................................................................................ 18 GrupoZilocchi.................................................................................................... 52 Gtech................................................................................................................... 61 Hellermanntyton............................................................................................. 32 Indelec.................................................................................................................. 14 IndústriaGomes.............................................................................................. 44 InstitutoHF 80 Kanaflex ............................................................................................................... 11 KitAcessórios................................................................................................... 28 Krona.................................................................................................................... 17 LojaElétrica....................................................................................................... 29 MGTrafos........................................................................................................... 53 MiOmega............................................................................................................ 69 Mitsubishi........................................................................................................... 35 Novemp................................................................................................................. Olivo.................................................................................................................... 57 Pascopainéis...................................................................................................... 73 Pextron............................................................................................................... 41 Polyexcel................................................................................................... 15e44 PPEFios 13 Proconsult.......................................................................................................... 60 RealPerfil 27 Ritz....................................................................................................................... 63 Romagnole...................................................................................... 33e3 Capa SEW...................................................................................................................... 31 Soprano.............................................................................................................. 51 STIElectric..................................................................................................... 4e5 Takafer................................................................................................................. 73 Trael...................................................................................................................... 10 Treetech............................................................................................................. 45 VoltsandBolts.................................................................................................. 20 Vision.................................................................................................................... 65 Weg............................................................................................................. capa WireflexCabos 22e23
https://artliber.com.br/index.php?route= product/product&product_id=130

Biomassa: caminho sustentávele promissor

PauloLudmer

Hámuitosanos,celebro,metabolizoecononosconstantesensinamentosdePlinio Nastari,presidentedaconsultoriaDatagro, representantedasociedadecivilnosembatesdapolíticaenergéticanacional.Nesta coluna,transcrevodeduçõeseindicações oriundasdestemestre,tambémpresidente daIbio-BrazilianInstituteofBioenergy& Bioeconomy.

Poucossabemourealizamque,diantede umaproduçãobrasileirade2,905milhões

rotaacética),biogásebiometano,pelletsde bagaço,integraçãocometanoldemilho,levedurasdefermentação(alimentoseração), capturadeCO2,bioquímica(combustíveis deaviaçãoeoutrosprodutos).Em2030, semafetaraofertadealimentos,omercado potencialprevistoéde1,2milmilhõesde toneladas/ano,segundoaDatagro,aIEAAgênciaInternacionaldeEnergiaeaIrenaInternationalRenewableEnergyAgency.

Ouseja,navisãode19países(metadeda populaçãoe37%doPIBmundial):aparticipaçãodabiomassanamatrizdeenergia globaldevedobrareadebiocombustíveis debaixocarbono,triplicar.Emnúmeros, cercade500bilhõesdelitrosdebiocombustíveisserãodemandados,em2030,e 1trilhão,em2050,nabuscadasmetasdo AcordodoClimadeParis.

Nestadireção,nocentro-suldoBrasil,desde2007,foramtreinadoserequali cados 415miltrabalhadoresnosetorsucroalcooleiroenergéticoe,nasafra20/21,98,5%da

24e28milhectaresem2030/31,anotando umaumentode18%a39,9%.Issosigni ca sairdeumaproduçãode87.902miltoneladasparaalgoentre143e182miltoneladas degrãos.Valedizer,embilhõesdelitrospor ano,noBrasil,aprodução(2021)de2,57 tendeaalcançarem2030acasados13,75.

PlinioNastarisustentaparaoBrasil(esimilares)queosveículoselétricossejamhíbridoscometanol.Essarotadispensametais raros.Eos41.700postosdedistribuiçãode etanolnoPaíssãopotencialmentedistribuidoresdehidrogênio(elevemcontidoe utilizadoviaetanol).Tambémminimiza problemasenfrentadospelasbaterias.No ritmoatual,desdelogo,oetanolvemsubstituindo–semnovosinvestimentos–164 milhõesdebarrisdegasolina,de1975a 2021,ou3,43bilhõesdelitrosdegasolina. Estefatosalvoudivisasnabalançacomercial,considerandotambémadívidaexterna evitada,daordemdeUS$626,37bilhões, conformecálculodaDatagro.

Asolução,entrenós,nãorequernovafrota ouinfraestrutura;implementaçãoeresultadosimediatos;nãooferecedi culdadesà replicação;podeserexpandida;trazbenefíciosàsaúdee cazescomprovados;promoveempregoerenda;esustentabilidade dacadeiatradicionalsemdi culdadespara metasrestritivas.

debarrisdepetróleopordiaem2021,o País,nasafra20/21,entregou657,5milhões det/diadecanadeaçúcarou2,16milhões debarrisequivalentesdepetróleo/dia(observeque1toneladamétricadecanaequivalea1,2barrildepetróleo).Emdetalhes, naenergiacontidaem1tdecana,há512 milquilocaloriasdepalha,598milquilocaloriasdebagaçoe608milquilocaloriasde açúcar/etanol.

Davacaseaproveitatudo?Saibamaquida complexidadeedovalordadiversi cação datransformaçãodacana:vaialémdoaçúcaredoálcool,bioeletricidade,etanoldesegundageração,bioplásticos(rotadoetileno,

colheitafoimecanizada.Oconsumode águaparaaproveitarindustrialmenteatoneladadecanacaiude5metroscúbicos/t, em1990,para0,92,em1997,e,nosdiasde hoje,paramenosde0,40metroscúbicos/t dolíquido.Ressalte-seque,entre1990e 2020,nadamenosdoque280milhectares dematasciliaresemaisde9milnascentes foramrecuperadaseprotegidaspelosetor noPaís.

Érelativamenterecenteachegadadomilho, especialmentenoMatopiba(MatoGrosso, Tocantins,PiauíeBahia).DizaDatagro que,daáreacolhidaem2021(20.274mil hectares),caminhamosparanúmerosentre

Oetanoleobiometanosãohidrogênioenvelopadonaformadecombustível,sendo práticos,fáceis,seguros,e cientesparaarmazenagemedistribuição.Computandoseque–numamoléculadeetanol–estão 3átomosdeHparacadaumdeCarbono; haverá4deHpara1deC,nobiogás;e 1,62deHpara1deC,nagasolina.Então numacarretade45millitrossecarregam 7700kgdeHcometanol,4milkgdeH comamôniae1500kgdeHsobaformade gáscomprimido.

Omundoestácaminhandoparaaerado hidrogênio.Oderivadodaeletrólisegasta energiasolareeólica,precisaserguardado emtanquesdetitânioemaltaatmosfera, entre500e900bar.Caroseperigosos.Temosnabiomassatudoparatrilharumbom caminho.Aver.

Momento 82 EM | Setembro/Outubro | 2022
“Aparticipaçãodabiomassana matrizdeenergiaglobaldeve dobrareadebiocombustíveisde baixocarbono,triplicar”.
PauloLudmer éjornalista,engenheiro,professor,consultoreautordelivroscomoDerriça Elétrica(ArtLiber,2007),SertãoElétrico(ArtLiber,2010),HemorragiasElétricas(ArtLiber, 2015)eTosquiasElétricas(ArtLiber,2020).Website:www.pauloludmer.com.br.

Aenergiaquetransformaomundo, passaporumadenossassoluções.

(44)3233-8500www.romagnole.com.br

Turn static files into dynamic content formats.

Create a flipbook
Issuu converts static files into: digital portfolios, online yearbooks, online catalogs, digital photo albums and more. Sign up and create your flipbook.
EM - Setembro | Outubro - 2022 by Aranda Editora - Issuu