EM - Novembro | Dezembro - 2022

Page 1

PESQUISA

s ec o o i s e isposi vos e proteçãocontrasurtos Nestaedição,SergioRobertoSantosdescreve e o ent e rti o eoe u io s r ter sti se rin ios e tu o os i erentes o onentesuti i osn ri o os orient n o e is oso re u te no o i uti i re i o 24

Motoreselétricosde altorendimento

ui ist e res s orne e or s e otorestri si os e toren i ento ue tu no er on ion o s r ter sti s esu o ert o o ot n i no in is r sse eiso ento r u e rote o ren i entoe s nor s ten i s 40

Barramentosblindados

os e in se tri s r ri s os rr entos in osexi e nt ens er i e ese ur n n inst o enores er se tri s flexi i i e ix nuten oe enorne essi e e es o e nt ento es re e o ert e i ers se res se orne e os eios e ont to

PROTEÇÃO

Coordenaçãodeenergia entreDPS–Parte2:coordenação DPS–equipamento

ri eir rte este rti o u i naediçãoanteriorde EM or r se ose eitos s onex eseinter i es est se un rte o utor tratadacoordenaçãoentreDPS ee ui ento 42

VOCABULÁRIOTÉCNICO

u i oeu i o corretamente nominalvalue e ratedvalue

sses oister ost si otr u i os in istint ente o o orno in s utores o rti o n is s efini esori in is I Ceress t s i eren sentre os o ue i ort nte r i ers s ti i es in uin o e or o enor st ni s

OsProdutosdoAno s r s e e en s e ro utos r inst ese tri se ei u in o is en i sn s o s e teri e tri o

eve e o ese distribuidoresde materiaiselétricos tu i o nu ente o e nt ento tr u re o e ro utos o er i i os ore res s ere en e teri e tri o einst oe e i u in o eto oo s s u iss o ru sso ssi s os st os Fe er oe ueest ose i s

Capa o erto onti e iW r Foto ro u tions u ersto

so ini es os rti os ssin osn o s one ess ri ente s ot s or EM o en o es oser ontr ri s est s

Sumário EM | Novembro/Dezembro | 2022
28
50
54
30
SEÇÕES Momento 66 CartaaoLeitor 6 Agenda 62 NoCircuito Publicações 65 EMSintonia 22 ÍndicedeAnunciantes 65 EMAterramento 60 EMEx u m i o v eoe podcast ESPECIALISTAS

Revendedores, DPSemuitomais

Estaediçãode EletricidadeModerna trazbomsortimentodeassuntos, comosói,masexibecertoviésparaosegmentoderevendadematerial elétrico.Acomeçarpormaisumaediçãodaimportantepesquisa“Os ProdutosdoAnos”,quelevantajuntoarevendedoresedistribuidoraso desempenhodevendasdasmarcasdedezenasdeprodutoselétricosede iluminaçãonochamadocanaldedistribuição.Realizadahádécadas,sendo amaisantigaentreaspesquisasde EM ,étambémumadasmaislongevas pesquisasdemercadoexistentesnoPaís,ademaisrealizadaforadaesfera o cialeindependentedeentidadesdeclasseououtras.Costumamos sempredizerqueapesquisapossuitrêsobjetivosprincipais:1)premiaros esforçosdasempresas,tantonodifícilatendimentoaobinômioqualidadepreçoquantoemmarketing;2)servirdebalizamentoparacorreçõesde rumosnasestratégiasdosfabricantes,postoquepermiteacompanharo desempenhodasmarcasnotempo;e3)trazerparao“centrodopalco”esse agentequeéfundamentalnacadeiadefornecimentodeprodutoselétricos enemsempresu cientementereconhecido:orevendedor.

Agenteestequenestamesmaediçãoécontempladoaindacomoutro levantamentodefôlego,oGuiadeRevendedoreseDistribuidoresde MaterialElétrico,maisumatradicionalpesquisade EM atualizada anualmente.Oguiamostra,aosinteressadosemadquirirprodutose equipamentoselétricos,quemsãoeondeestãoosestabelecimentosde revendaqueosfornecem,comsuasinformaçõesdecontato.Guiasde comprasnãosãonovidades. EM realizausualmentedezenasdesses levantamentosúteis,publicadosnarevistae/ouemseu website (www. arandanet.com.br/revista/em/guias).Agrandemaioriaédedicadaa umprodutoespecí coougrupodeitensparadeterminada nalidade,e retrataaofertadefabricanteslocaisouderepresentantesdefabricantes estrangeiros,exclusivamente.Oguiaderevendedores,aquidestacado,é dospoucosacontemplarevalorizaropapeldessatãoimportantecategoria. EstaediçãotraztambémocomplementodoartigodeJoséClaudiode OliveiraeSilvasobrecoordenaçãodeenergiadedispositivosdeproteção contrasurtos,cujaprimeirapartesaiuemnossaediçãoanterior.Nesta série,oconsultorapresentaecomentacomaproverbialcompetênciaas interaçõesDPS/DPSeDPS/equipamento,comespecialatençãoàdivisão deenergiaentreeles.Saudamosnesteespaçoestanovaeimportante contribuiçãodeJoséClaudio,quehátemposnãopublicavaconosco.

Edestacamospor maseçãointerativa “EMEspecialistas” destaedição, comoartigodeSergioRobertoSantossobretecnologiasdedispositivos deproteçãocontrasurtos–osquaisconstituemassuntodeinesgotável interesse.Nela,Sergio(queestáaquitambémcomsuacolunahabitual, “EM Aterramento” mostraecomentacaracterísticaseprincípiosdeatuação dosdiferentescomponentesutilizadosnafabricaçãodeDPS,dessaforma subsidiandoadecisão,pelosprojetista,dequaltecnologiautilizaremcada situação. “EMEspecialistas”,umainciativarecentede EM ,compreende artigo,vídeoeáudioemqueespecialistasrenomadosabordamtemasde grandeatualidadeeinteresse,dessamaneiraampliandoeenriquecendoa experiênciadopúblico.Boaleitura.

CarlosDietzsch541,cj204,bl.E;80330-000 Curitiba,PR;tel.(41)3209-7500/3501-2489;cel. (41)99728-3060;romildoparana@gmail.com

RioGrandedoSul:MariaJosédaSilva tel.(11)2157-0291;cel.(11)981-799-661; maria.jose@arandaeditora.com.br

China:HangzhouOverseaAdvertising–Mr.WengJie–2-601Huandong Gongyu,Hangzhou,Zhejiang310004(86-571) 8706-3843;fax:+1-928-752-6886(retrievableworldwide); jweng@foxmail.com Germany:IMPInterMediaPartners–Mr.SvenAnacker Beyeroehde14,42389Wuppertal tel.:+4920227 16913.fax:+492022716920

www.intermediapartners.de;sanacker@intermediapartners.de

Italy:QuainiPubblicità–Ms.GraziellaQuaini–ViaMeloria7 20148Milan–tel.:+39239216180,fax:+39239217082 grquaini@tin.it

Japan:EchoJapanCorporation–Mr.TedAsoshina GrandeMaisonRoom303;2-2,Kudan-kita1-chome, Chiyoda-ku,Tokyo102-0073–tel:+81-(0)3-3263-5065,fax: +81-(0)3-3234-2064 aso@echo-japan.co.jp

Korea:JESMediaInternational–Mr.Young-SeohChinn 2ndfl,AnaBuilding,257-1,Myungil-Dong,Kandong-Gu Seoul134-070–tel:+822481-3411,fax:+822481-3414. jesmedia@unitel.co.kr

Switzerland:RicoDormann-MediaConsultantMarketing Moosstrasse7,CH-8803Rüschlikon tel.:+4144720-8550,fax:+4144721-1474.

dormann@rdormann.ch

Taiwan:WorldwideServicesCo.–Ms.P.ErinKing 11F-2,No.540WenHsinRoad,Section1;Taichung,408 tel.:+88642325-1784,fax:+88642325-2967. global@acw.com.tw UK(+Belgium,Denmark,Finland,Norway,Netherlands, Norway,Sweden):Mr.EdwardJ.Kania-RobertGHorsfield

ecorrespondência: AlamedaOlga,315;01155-900SãoPaulo,SP-Brasil. TEL.+55(11)3824-5300 em@arandaeditora.com.br | www.arandaeditora.com.br

CartaaoLeitor
editorde EM DIRETORES EdgardLaureanodaCunhaJr., JoséRobertoGonçalveseJoséRubens AlvesdeSouza (inmemoriam) REDAÇÃO Editor:MauroSérgioCrestani (jornalistaresponsável–Reg.MTb.19225) Redatora:JuceleMenezesdosReis PUBLICIDADE Gerentecomercial:ElcioSiqueiraCavalcanti Contatos:ElianeGiacomett eliane.giacomett@arandaeditora.com.br IveteLobo ivete.lobo@arandaeditora.com.br Tel.(11)3824-5300 REPRESENTANTESBRASIL InteriordeSãoPauloeRiod eJaneiro:Guilherme FreitasdeCarvalho–cel.(11)98149-8896; guilherme.carvalho@arandaeditora.com.br MinasGerais:OswaldoAlípioDiasChristo–R. WanderRodriguesdeLima,82-cj.503;30750-160 BeloHorizonte,MG;tel./fax(31)3412-7031;cel.(31) 99975-7031;oadc@terra.com.br ParanáeSantaCatarina:RomildoBatista–Rua
MauroCrestani
INTERNATIONALADVERTISING SALESREPRESENTATIVES
DerbyshireSK236DA
USA:Ms.FabianaRezak–12911JoyceLane–Merrick, NY11566-5209–tel.(516)858-4327;fax(516)868-0607; mobile:(516)476-5568.arandausa@gmail.com ADMINISTRAÇÃO DiretorAdministrativo:EdgardLaureanodaCunhaJr. PRODUÇÃO SarahEstherBetti,VanessaCristinadaSilvaeTalitaSilva. CIRCULAÇÃO ClaytonSantosDelfino Tel.:(011)3824-5300;csd@arandaeditora.com.br SERVIÇOS Impressãoeacabamento:IpsisGráficaeEditora Distribuição:ACF-RibeirodeLima
6 EM | Novembro/Dezembro | 2022
InternationalPublishers–DaisyBank,Chinley,HigPeaks,
tel.+441663750242;mobile:+447974168188 ekania@btinternet.com
PROJETO RudekWydra site:www.rudekwydra.com.br RobertoMonticelliWydra atendimento@rudekwydra.com.br TIRAGEM 12000exemplares ELETRICIDADEMODERNA ,revistabrasileirade eletricidadeeeletrônic a,éumapublicaçãomensalda ArandaEditoraTécnicaeCulturalLtda. Redação,publicidade,administração

A p p l i a n c e

A u t o m a ç ã o

D i g i t a l & S i s t e m a s

E n e rgi i a

Tr a n s mi i s s ão o & Di i s t r i b u i ç ão o T i n t a s

A melhor maneira de gerar,ttransmitir e distribuirconfianççaédesenvvolvverpprodutos que se conectam pela qualidade P Por isso, para continuar conquistando o reconhecimento o do mercado, a WEG usa toda expertise tecnológica de uma marca que não para de inovar para fabricar equipamentos de transmissão e distribuição mais eficientes, além de soluções inteligentes em gestão,mmonittoramento e controle

Driving effifficiency and sustainability ty

w w w.we g . n e t
u
a
s
&
M o t o re s I n d
s t r i
i
M o t o re s C o m e rc i a i s

EESC-USP criatecnologia parareduzir interrupções

PesquisadoresdaEscoladeEngenhariade SãoCarlosdaUniversidadedeSãoPaulo (EESC-USP)desenvolveramumsistema queutilizainteligênciaarti cialparareduzirotempodeinterrupçãodofornecimentoemcasodefalhasnaredeelétrica. Oobjetivoéotimizarosserviçosdemanutençãodaredeafetada,auxiliandoos operadoresdasdistribuidorasdeenergia natomadadedecisãomaisrápida.Parte datecnologia,queécapazdediminuirem até20%otempoparaexecuçãodosreparos,jáfoiadotadapelaCopel-Companhia ParanaensedeEnergia.

Pormeiododesenvolvimentodealguns algoritmos,oscientistaselaboraramum so warequelevaemcontadiferentesinformaçõesparadeterminarqualaforma maise cientederesolveroproblema.Duranteaavaliação,oprogramadecomputadorconsideraascondiçõesmeteorológicas daslocalidades,aposiçãodeorigemdas equipesdemanutenção,oestadoeonível decongestionamentodasestradasevias utilizadasparalocomoção,identi cando possíveisobstruções,alémdohistóricode

reparoseproblemasocorridosanteriormente.Atecnologia,quelevoucercade cincoanosparaserdesenvolvida,utiliza atémesmoumsistemadaagênciaespacial americanaNasaparaajudarnasestimativasdascondiçõesclimáticas.

“Nãoexistiaumalgoritmocapazdereunir todosessesdados,interpretá-losetransformá-losemumainformaçãoútil,mastigada,traduzidaeemtemporealparao operador,quepodeseriniciantenafunção. Muitasvezes,opro ssionalprecisatomar umadecisãorápida,mascomtantasvariáveis,elenãoconsegueinterpretá-lasno temponecessárioeacabaseguindouma estratégiapadrão,quepodenãoseramais e cazpararesolveroproblema.Porisso, éimportantetermosdiferentesfontesde informaçãoparaagilizaroconsertoeaté preverumapossívelfalhaparaque,caso elarealmenteaconteça,aenergiaretorne omaisrápidopossível.Nossosistemaserá obraçodireitodooperador”,a rmaHenriquedeOliveiraCaetano,doutorandodo ProgramadePós-GraduaçãoemEngenhariaElétricadaEESCeumdosautores doestudo.

Aplataformatambémconsideraohistóricodasocorrências.SegundoMatheus Fogliatto,doutorandoemEngenharia ElétricadaEESCeumdosautoresda pesquisa,osalgoritmosanalisaminformaçõesrelacionadasafalhaseacidentes ocorridosanteriormenteemdeterminada regiãoa mdeproporamelhorsolução paraaocorrênciaqueestásendoatendida eparaoutrasquepoderãoocorrernofuturo.“Osistemaconsegueavaliarasregiões quesãomaissuscetíveisaalagamentos,os equipamentosoulocaisquemaisapresentamfalhas,quaissãoosproblemasmais recorrentes,entreoutros.Comessesdados,sabendocomantecedênciaquehaverá umatempestade,porexemplo,podemos atémesmodeslocarequipesparaposições estratégicasantesqueumafalhaocorra, otimizandoaindamaisamanutençãoe reduzindoovalordasmultasparaaconcessionária”,explica.

Quantoàsrotastraçadaspelonovosowareparaguiarasequipesdemanuten-

çãoatéoslocaisdasfalhas,osalgoritmos foramcustomizadoscomoobjetivode reduzirotempodainterrupção.Destaforma,oscódigosde nemomelhortrajeto combasenosreparosnecessáriosparaa soluçãodasfalhas,diferenciando-sedos aplicativosconvencionaisdeGPS.“Basicamente,osappsdemapasutilizadoshoje emdiatraçamrotasconsiderandoapenas doispontos,odeorigemeododestino nal,indicandoocaminhomaisrápido paraumasimpleslocomoção.Noentanto, nocasodoconsertodeumaredeelétrica ocenárioédiferenteporque,muitasvezes, asinspeçõesprecisamserfeitasemmais deumpontodarede,emdiferenteslocalidades.Issoéexatamenteoquenossosalgoritmosconsideramnahoradecalcular asrotas,poistalvezsejaprecisopararem algumpontoespecí coparareparosadicionais”,explicaLuizDesuóNeto,doutorandoemEngenhariaElétricadaEESCe tambémautordoartigo.

Paravalidaratecnologia,oscientistas realizaramdiversostestescomprogramas decomputadorquesimulamdiferentes cenáriosdarealidadedeumsistemade distribuiçãodeenergia,aspossíveisfalhas quepodemocorrer,variáveisatmosféricas, histórico,alémdoprazoestimadoparareparodecadaproblema,buscandosempre reduzirosprejuízostantodequem ca semenergiacomoosdaconcessionária.

ParaoprofessordoDepartamentodeEngenhariaElétricaedeComputação(SEL)da EESC,CarlosMaciel,queorientaosdoutorandosenvolvidosnotrabalho,umdosdestaquesdoestudoéacapacidadedoso ware deunirerealizarafusãodediferentesfontes deinformação,proporcionandodecisões maiságeiseprecisasporpartedosoperadores.“Dopontodevistadocliente,émenos temposemenergia,enquantoaosolhosda concessionária,serãomultasbemmenores apagar.Ossistemasdedistribuiçãodeenergiaelétricavãofalhar,issoéalgoinevitável, pormaisqueatecnologiadosequipamentos estejaevoluindonosúltimosanos.Então, nóstemosquedesenvolverestratégiaspara melhorareacelerararecuperaçãodasredes”,conclui.

NoCircuito EM | Novembro/Dezembro | 2022
EquipedoLaboratóriodeProcessamentode Sinais(LPS)doDepartamentodeEngenharia ElétricaedeComputação(SEL)daEESCque desenvolveuoestudo
HenriqueFontes

Otrabalho,quetambémteveaparticipaçãodoex-alunodaEESCRodrigoFanucchi,contoucomapoiodaFundação deAmparoàPesquisadoEstadodeSão Paulo(Fapesp)edoConselhoNacionalde DesenvolvimentoCientí coeTecnológico (CNPq),pormeiodoINCT-SAC,sediado naEESC.

Wegaumentará produçãode motoreselétricos

AcatarinenseWegvaiinvestirR$660milhões,nospróximostrêsanos,paraexpandiracapacidadedeproduçãodemotores industriaisedetraçãoelétricadesuaunidadeemJaraguádoSul,emSantaCatarina.Oplanejamentoéaumentarem25% suaatualcapacidadeprodutiva.

Aideiaéampliarosprédiosdefabricação decomponentesedelogísticadeexportaçãoeaindaconstruirumanovafábricadedicadaàproduçãodemotoresindustriais, comdestaqueaosqueatendemosegmento demobilidadeelétrica.Ocronogramaprevêaconclusãodanovafábricademotores industriaisedetraçãonoprimeirotrimestrede2024.

Oprédiodanovaunidadeteráaproximadamente18milm²deáreaconstruídae seráprojetadodeformaapermitiroaumentogradualecontínuodacapacidade deprodução,visandofuturasexpansões. Oplanodeinvestimentosincluiaindaa modernizaçãodasfábricasdecomponentesedelogísticajáexistentes,totalizando

ampliaçãodeaproximadamente23milm² deáreaconstruída.

Vestasconclui páeólicade 115,5metros

AfabricantedinamarquesadeaerogeradoresVestasconcluiuaproduçãodesua primeirapáeólicaqueseráusadanamaior turbinadaempresa,de15MW,comaplicaçãonosetordeeólicas o shore.EssaetapadaprototipagemdoaerogeradorV23615.0MWenvolveuaproduçãodepácom 115,5metros.

Oprojetodapáexigiuumaextensãoda unidadeprodutivadaempresaemNakskov,naDinamarca.SegundoaVestas,a primeiraproduçãocomprovouacapacidadedafábricadeentregarospedidosa tempoecomníveldequalidadeesperado.

éenergiasu cienteparaabastecermaisde 20milresidências.AconclusãodoprotótipoaconteceránafábricaemLindø.Em agosto,aempresahaviaconcluídoaproduçãodanacelequeseráutilizadanaprototipagem.

ISACTEEP investena reciclagem deóleode transformadores

AtransmissoraISACTEEPinvestiuR$ 1,7milhãonaaquisiçãodeumequipamentoitineranteparareciclaroóleoutilizadoemseustransformadores,insumo quemantémosequipamentosrefrigeradosequeisolaasparteselétricas.Embora fundamental,oóleoisolanteerefrigerante perdesuascaracterísticasquímicasaologo dotempoeprecisasersubstituído.

Oequipamentoadquiridotemcapacidade deregenerarcercade20millitrospordia deóleo,restabelecendoascaracterísticas químicasdolíquido,evitandoodescartee acompradeumnovo.Alémdisso,oequipamentopodeseroperadoremotamente porumtécnico,apartirdeumso waree umsistemadecomunicação.Porserportátil,atenderátodasasinstalaçõesdacompanhianoBrasil.

Aproduçãodasduasoutraspásdaprototipagemdoaerogeradorjáestáprogramada paraasequência.Quandoasduasoutras foremconcluídas,aVestasinstalarájá nestemêsoprotótipodanovaturbinano centrodetestesØsterild,emWestJutland, tambémnaDinamarca.

Háumano,aVestashaviaanunciadoa conclusãodomoldedapá.Desdeentão, umapásimuladaparatestefoiproduzidacomsucessonafábrica.Oaerogerador V236-15.0MWtemcapacidadeparasozinhogeraraté80GWh/ano,dependendo dascondiçõesespecí casdolocal,oque

“Essainiciativaestáemlinhacomanossa buscaconstanteporsoluçõesinovadoras,

ormeiodee uipamentom vel,transmissora poderegenerar millitrospordia

EM | Novembro/Dezembro | 2022
abricanteplanejainvestir mil ões nospróximostrêsanosparaaumentar capacidadeem25% Componenteseráutili adonoprot tipo domaioraerogeradordafabricante, de1 M depot ncia

quecontribuemparaodesenvolvimentosustentáveldonegócioedasociedade. Comele,evitamosodescartedeaproximadamente600millitrosdeóleopormês”, explicaGabrielaDesirê,diretoraexecutiva deoperaçõesdaISACTEEP.Outravantageméoprocessoserfeitosemnecessidade dedesligarostransformadores.

BureauVeritas entranomercado deH2V

OBureauVeritas,consultoriaeauditoria especializadaemteste,inspeçãoecerticação,entrounomercadodehidrogênio verdecomsoluçõesvoltadasaoatendimentodenormasregulatóriasemercadológicasdoprodutoparaagarantiadequalidadeesegurançadocombustível.

Segundocomunicadodaempresa,aatuaçãoprevêamediçãoeinspeçãodaorigem dohidrogênioedetodaasuacadeia,indicandoaqualidadedocombustívelverde paraanegociação.“Omercadoestáaberto,estamosajudandoonossopaísaliderar essetimedecerti cadoresinternacionais

esabemosdaimportânciadeolharpara todooprocesso,desdeaorigem,aprodução,oarmazenamento,otransportecom rastreabilidadee,atémesmo,oimpacto sobreascomunidadesearredores”,disse adiretoradecerti caçãoeauditoria,AndressaLisboa.

ParaoBureauVeritas,éimportantequese estabeleçaníveldequalidademínimado produtoasercomercializado,comanálisedegarantiadosprocessosdeprodução, distribuiçãoeutilizaçãodohidrogênio verde,soboaspectodesegurançaede atendimentoàsregulamentaçõeslocais.

Entreosparâmetrosaserconsiderados,a auditoriaalertaparaade niçãodapureza docombustível,análisederiscosindustriaisepolíticasde compliance erastreabilidadedetodaacadeiaprodutiva,inclusive seafontedeenergiautilizadaédeorigem renovávelounão.

“Semaregulamentaçãodetodaacadeia devalordohidrogênioverde,omercado correoriscodeentraremcolapsoantes mesmodeatingiroseuápicee,pior,de nãoentregarosresultadosambientaisesperadosdeumamatrizenergéticalimpa”, a rmouaempresaemcomunicado.

10 EM | Novembro/Dezembro | 2022
NoCircuito
Empresadeinspeçãoecertificaçãocriousoluçõesparaatestar ualidadeesegurançadacadeia produtivadocombus velverde Freepik

Portarialibera consumidores daATparao mercadolivre

Apartirde2024,todososconsumidores dealtatensão,atendidospelatarifado grupoA,poderãomigrarparaomercado livredeenergia.APortaria50/2022,que permiteacompradeenergiadequalquer supridorporessaclassedeconsumidores, queatéentãoestavalimitadaaumademandamínimade500kW,estabelecida pelaLei9.427/1996,foipublicadaem28de setembropeloMME-MinistériodeMinaseEnergia.Amedidavaipermitirque aproximadamente106milnovasunidades consumidorassetornemaptasamigrar paraoAmbientedeContrataçãoLivrede Energia(ACL).SegundooMME,estudos

EstudoanalisaaberturatotaldoACL

Apropostadeaberturadomercadolivredeenergiaparaosconsumidoresdebaixatensãoapartir de2028,contidanaconsultapública137/2022,publicadapeloMMEnodia30desetembro,nãovai resultaremsobrecontrataçãodasdistribuidoras.AconclusãoédeanálisedaempresaTRSoluções,que considerouparasuaavaliaçãoacontinuidadedocrescimentodasmigraçõesdeconsumidoresseguindoasregrasatuaiseaspropostaspelaconsultapública.

Paraaanálise,publicadaemartigodisponívelnositedaTR,asobrecontrataçãonãoocorremesmoque asmigraçõesaconteçamaumavelocidademaiordoqueaprojetadaseguindoastendênciasnaturais domercado,paraas53distribuidorasdeenergiadoPaís.Issoporquemecanismosdereduçõescontratuaisvigentes–comoavendadeexcedentesdeenergia–jápromoveriamoequilíbrioparamitigara cobrançadeeventualencargodesobrecontratação,contantoque nãosejamampliadasacontrataçãode energia,comoalertaramosautoresdoartigo,HelderSousaePauloSteele.

Aoseconsideraroper ltípicoesperadoparaosnovosintegrantesdoACL,emconexõesemmédia tensão,paraaanáliseopanoramaseassemelhariaaodosatuaisconsumidoresespeciais.Alémdisso, comoataxaanualdecrescimentoentreosconsumidoreselegíveis,nosúltimoscincoanos,sedeua umamédiade2,3%a.a.,aprojeçãodoestudoédequeareduçãodomercadocativodasdistribuidoras emdecorrênciadapublicaçãodaPortaria50/2022,doMME,publicadanodia28desetembroeque estabeleceuaaberturatotaldaaltatensãoem2024,seacomodecompletamentenoportfóliodecontratosdeenergiaaté2027.

Aconsultapública137propôsodebatesobreapossibilidadedeoconsumidorresidencialescolher seufornecedornomercadolivreapartirde2028eocomercialeindustrialapartirde2026.OMME reconhecequeosprincipaistemasparaaelaboraçãodeportariaserãoaregulamentaçãodosupridor deúltimainstânciaedoagregadordemedição,arevisãodosmecanismosdegestãodeportfólioedescontrataçãodasdistribuidoras,aprimoramentosàcomercializaçãovarejistaeseparaçãodasatividades de oeenergia.

11 EM | Novembro/Dezembro | 2022

NoCircuito

Medidapermitirá,apartirde , ue consumidorescomcargaabaixodolimiteatual de migremparao C

eprojeçõesdemercadoapontamquea aberturaparaessaclassenãoprovocará impactosaosconsumidorescativosque permaneceremnasdistribuidoras.

Aportariaéresultadodaconsultapública 131/2022,querecebeucontribuiçõesde60 agentesdomercado,nenhumadelascontráriaàmedida.Aaberturatotaldomercado,paraconsumidoresdebaixatensão, deacordocomoministério,éopróximo passoeserádiscutidoemoutraconsulta públicaespecí ca,emlinhacomamodernizaçãodosetorelétrico.

ParaaCCEE-CâmaradeComercializaçãodeEnergiaElétrica,aportariarepresentaumaetapaimportanteparaaaberturatotaldomercadoevaifazercomque osconsumidorescomdemandaabaixode 500kWsejamrepresentadosporcomercializadoresvarejistas,segundoavaliação dopresidentedoconselho,RuiAltieri. “A guradocomercializadorvarejistafoi criadaparaintermediaranegociação,gerenciarosriscosinerentesaosegmentolivre,etornaroambientemaisatrativopara osconsumidoresdemenorporte,quenão têmfamiliaridadecomadinâmicadosetorelétrico”,comenta.

Estádiodo Pacaembuadere e ci ci e e c

ACPFLSoluçõesvaiimplantarumprojeto dee ciênciaenergéticanoEstádiodoPacaembu,emSãoPaulo.Cominvestimento

deaproximadamenteR$70milhões,oprojetoparaaconcessionáriaprivadaAllegra Pacaembu,responsávelpelamodernização egestãodoestádio,terátecnologiasaplicadasparaareduçãodoconsumo,geração própriaeequipamentospreventivospara oscasosdeinterrupçãodofornecimento deenergiae/oupicosdeconsumo.

Paraautogeração,ocomplexocontará comduasusinassolaresfotovoltaicasde 250kWpnototaleumausinademinico-

ro etodaC oluçõesincluigeraçãosolar, cogeraçãoagás,baterias,climati açãoe monitoramentointeligente

geraçãoagásnatural–queproduzenergia apartirdoaquecimentodeáguadapiscina edechuveirosdosvestiáriosdocomplexo. Asduasiniciativasvãogerar1670MWh noanoeevitarão210tCO2/ano.

Alémdisso,quatrogeradoresdeemergênciacompotênciatotalde4,7MVAedois bancosdebateriade1000MVAvãogarantirofornecimentodeenergiaemcaso defalhanaredeexternaesuportarpicos deconsumoparaevitaroscilações.Paraa climatização,quecontarácomar-condicionadocentral,osistemade1850TRque seráinstaladoterá chillers,bombasetorres deresfriamento.Oprojetoprevêaindaum sistemademonitoramentointeligentecom alarmesremotos,painéisdevisualizaçãoe dezcarregadoresparaveículoselétricos.

ieve ce ei umi o pública

AEngievenceurecentementeoleilãode ParceriaPúblico-Privada(PPP)paraailu-

arceriaenvolverá investimentosde 3 milhões, comreduçãode 33 noscustosde energianacidade deCuritiba

minaçãopúblicadeCuritiba,noParaná, realizadonaB3,emSãoPaulo.Aempresa apresentoupropostacomumacontraprestaçãomensalnovalordeR$1,1milhão, comumdeságiode71%frenteaolimite máximode nidoemeditaldelicitação.

Ocontratotemprazode23anoseprevêa operação,manutenção,alémdaexpansão dainfraestruturadeiluminaçãodacidade,quecontacommaisde160milpontos deluz.Comocontrato,aEngieampliasua atuaçãonaárea,jáconsolidadaglobalmenteecomalgunscasosimportantesno Brasil.Atualmente,aempresaoperamais de1milhãodepontosdeiluminaçãono mundo,sendo130mildelesnoBrasil,dos quais90milemUberlândia(MG)e40mil emPetrolina(PE),ondeaEngietemPPPs.

AreceitadocontratodePPPéassegurada pormeiodaContribuiçãoparaoCusteio doServiçodeIluminaçãoPública(Cosip), incidentenascontasdeluz,oquetorna possívelatrairagentesinteressadosem desenvolverprojetosdeiluminaçãopública,casodaEngie.EstãoprevistosinvestimentosdeR$329milhõesnosistemade iluminaçãopúblicadacapitalparanaense, comreduçãode33%nacontadeenergia domunicípio.Ocontratotambémprevêa instalaçãodetelegestãoem30%dacidade.

Portarias e u me m ec e o ee e i s re

ForampublicadaspeloMinistériodeMinaseEnergianodia20deoutubroasduas primeirasportariasregulamentadorasdo Decreto10.946/2022,quedádiretrizespara ageraçãodeenergiaelétrica o shore.Muito aguardadaspelosetor,asPortarias52/GM/

12 EM | Novembro/Dezembro | 2022

NoCircuito

MMEpublicouduasprimeirasportarias paranormati arregramentosdo ecreto 10.946/2022

MMEeaPortariaInterministerialMME/ MMA03/2022foramresultadodeduas consultaspúblicas,a134/22e135/2022,que receberam378contribuiçõesde37diferentesórgãospúblicoseprivados,entreinstituições,universidades,empresaseassociações.

APortariano 52/GM/MMEde neasnormaseprocedimentoscomplementaresrelativosàcessãodeusoonerosaparaexploraçãodeenergiaelétrica o shore.Alémdisso, tambémdelegaàAneelascompetências para rmaroscontratosdecessãodeusoe pararealizaratosnecessáriosàsuaformalização.Entreoutrospontos,tambéméresponsávelporestabelecerorientaçõessobre prazosecondiçõesparaemissãodasDeclaraçõesdeInterferênciaPrévias(DIP).Constamaindaregramentosparade niromaior retornoeconômicopelacessãodoprisma comocritériodejulgamentodaslicitações. JáaPortariaInterministerialMME/ MMA03/2022estabeleceasdiretrizes paracriação,desenvolvimentoeutilizaçãodoPUG-PortalÚnicodeGestãodo UsodasÁreasO shore,umaferramenta digitalquepermitiráaadoçãodeumbalcãoúnicoparaacompanhamentodouso dobempúblicoedaevoluçãodosprojetos pelasociedade,investidoreseinteressados emdesenvolverempreendimentoseólicos o shore noBrasil.

Emborasejamdecisõesimportantespara começaradarsegurançajurídicaparaos investimentos,aindafaltamoutrasregulamentaçõesdodecreto,cujoprazopara conclusãoé30dejulhode2023.Serãoaindaobjetodenovasconsultaspúblicaspara criaçãodenovasportariasregramentos comorientaçõesede niçõesespecí cas sobreametodologiaparacálculodovalor devidoàUniãopelousodobempúblicoeo limitemáximodeáreaasercedidaemum mesmocontrato.

Furnasvai modernizarUHE PortoColômbia

AgeradoraFurnasassinoucontratocom aempresaalemãVoithparaamodernizaçãodaUsinaHidrelétricadePortoColômbia,entreMinasGeraiseSãoPaulo. Trata-sedeinvestimentodequaseR$400 milhõesqueincluiaprestaçãodosserviços deengenharia(projetos),obrascivis,desmontagememontagemeletromecânica, fornecimentodemateriais,equipamentos esistemas.Alémdisso,oacordoinclui programadetreinamentos,odescomissionamentoecomissionamento,ensaios derendimentoeoperaçãoassistida.

AssinadocomaalemãVoith,trata-sede primeiroinvestimentoap sacapitali açãoda Eletrobras

Comprevisãodeimplementaçãocompletaemseisanos,esteéoprimeiroinvestimentoanunciadoporFurnasparaseus ativosdegeraçãoapósacapitalizaçãoda Eletrobras,daqualésubsidiária.“Éum marcodaretomadadecrescimentoda companhia,agorasemasamarrasdeuma empresaestatalecomdisponibilidadede recursos”,disseopresidentedaempresa, CaioPompeu,nacerimôniadeassinatura docontrato.

LocalizadanorioGrande,entreosmunicípiosdePlanura(MG)eGuaíra(SP), aUHEPortoColômbiatem320MWde capacidadetotalinstalada,contandocom quatrounidadesgeradorasde80MW cada.Aoperaçãocomercialdausinafoi iniciadaemjunhode1973e,emjaneiro de1974,elajáatingiasuacapacidadetotal.

14 EM | Novembro/Dezembro | 2022

Com a modernização, serão substituídos geradores síncronos, reguladores de ten são, turbinas, reguladores de velocidade, sistema digital de supervisão e controle, sistema de excitação, sistema de proteção e equipamentos hidromecânicos, entre outros. As mudanças serão realizadas de forma gradual, em cada uma das unidades geradoras, para não comprometer a capa cidade da usina.

Cummins constrói fábrica de eletrolisadores para H2V

A Cummins vai erguer uma nova unidade de produção de eletrolisadores de mem brana de troca de prótons (PEM) utiliza

dos para produção de hidrogênio verde. A fábrica será em um terreno de mais de 50 mil m2 na área industrial de Guadalajara, Castilla-La Mancha, na Espanha. Está prevista a conclusão da nova planta no nal de 2023. Inicialmente, deve criar aproximadamente 150 empregos, com po tencial para adicionar outros 200 empre gos à medida que a produção crescer. A instalação de mais de 20 mil m² abrigará a montagem e testes do sistema e terá ca pacidade para produzir 500 MW em ele trolisadores por ano, escaláveis para mais de 1 GW anual.

O investimento da empresa norte-ame ricana na Espanha se soma a outras ini ciativas globais voltadas para tecnologias de descarbonização. Recentemente, por exemplo, a empresa também anunciou a expansão da capacidade de fabricação do eletrolisador PEM em sua fábrica de Oevel, na Bélgica, para 1 GW.

“Estamos empolgados por fazer parte de Guadalajara e estabelecer nossas raízes na Espanha. A crescente economia de hidro gênio na região continua sendo um am biente atraente para aumentar sua pegada global de fabricação de eletrolisadores. Com o apoio do governo espanhol e da União Europeia, o mercado de hidrogênio da Espanha tem um grande potencial”, disse Amy Davis, vice-presidente e presi dente de New Power da Cummins.

A tecnologia da Cummins já faz parte de projetos pioneiros de hidrogênio verde no mundo, como por exemplo o maior ele trolisador PEM do mundo em operação a 20 MW em Bécancour, Canadá. Além disso, a solução é responsável pela primei ra usina de demonstração em escala de megawatts para armazenar energia eólica na rede de gás natural em Windgas Falke nhagen, na Alemanha; pela alimentação da primeira frota de trens de passageiros

15 EM | Novembro / Dezembro | 2022
Ordens de Serviço Notas Técnicas Consolidação dos Dados Planejamento Inteligente Programação Automática Ensaios Plano de Manutenção Matriz de Risco Otimização da Manutenção Monitoramento Online Soluções Inteligentes para Gestão de Ativos

100%movidosahidrogêniodomundona BaixaSaxônia,Alemanha;epelaprimeira estaçãodereabastecimentodehidrogênio paranavios,carros,caminhõeseclientes industriaisemAntuérpia,Bélgica.

Siemense VoltaTrucks seunemna mobilidade elétrica

ASiemensSmartInfrastructureeaVolta Trucks,especializadanaproduçãoeserviçosdeveículoscomerciaiselétricos,anunciaramparceriaestratégicaparafornecer infraestruturadecarregamentodefrotas elétricas.Oacordoprevêsoluções turn key paratransiçãodefrotasdetransporte urbano,comsistemasdecobrança,atualizaçãodeinstalaçõesegerenciamentode energia,sobmínimodeinvestimentoinicialouconhecimentotécnico.

Aparceriacombinaaexperiênciada Trucksemserviçosdeeletri caçãode frotascomerciais,pormeiodaofertado chamado TruckasaService (TaaS).Já aSiemenscolaboracomaexpertiseem

sistemasdecontroledeso ware,eletricaçãodeinstalações,infraestruturade carregamento,gerenciamentodeenergia, equipamentosdeconstruçãoepelaoferta de nanciamentodaSiemensFinancial Services.

Emjunho,aSiemenslançouo Siemens Xcelerator, umaplataformadenegócios digitalabertacontendoumportfólioselecionadodehardwareeso warehabilitados paraIoT,umecossistemadeparceirose marketplace.Oobjetivoéentregarsoluções digitaisparaclientescomerciaiseindustriais,juntamentecomparceiros-chave.

Ainfraestruturatécnicadasinstalações serásupervisionadapelaSiemens,incluindoohardwareeso warenecessáriospara operarainfraestruturadecarregamento edistribuiçãodeenergiaparaasfrotasde VoltaZero,veículocomercialde16toneladasetotalmenteelétrico.Oso ware seráalimentadopormodelosanalíticose desimulaçãoparaotimizaçãoeconsidera fatorescomociclosdetrabalhodafrota, temposdecarregamento,vidaútildabateria,utilizaçãoecustosdeenergiaideaise gerenciamentodeativos.

MME abreCPpara contratação demargem

OMME-MinistériodeMinaseEnergia abriunodia3denovembroconsultapúblicacomasdiretrizesparaoprimeiro procedimentocompetitivoparacontrataçãodemargemdeescoamentoparaacesso aoSIN-SistemaInterligadoNacional.BatizadodeProcedimentoCompetitivopor Margem(PCM),ocertameestáprevisto paraoprimeirosemestrede2023.

AideiadoPCMsurgiudepoisdediscussãodoMMEcomassociaçõeseagentesdo setor,pelaqualfoidiagnosticadaanecessidadedeestimularaconexãodosgeradores

deenergiaempontosdoSINquepossuem capacidaderemanescentedetransmissão deenergiaelétrica.Naanálisedoministério,issomelhoraaalocaçãodascentrais degeração,autilizaçãodosativose,consequentemente,asegurançadoinvestimentorealizado.

SegundooMME,aideiaéestabelecerum critériodecompetiçãotransparentepara acessoaoSIN,queviseareduçãodetarifas comamaiorcompetiçãoeoaumentoda segurançaparainvestimentosprivados. Tambémconstacomometasdasdiretrizes proporcionarmaiore ciêncianaalocação dosrecursosdetransmissão,cujoacesso temsidolimitado,dadasasrestriçõestécnicaseeconômicasparaatendimentodos interessados.

Aconsultavisaapublicaçãodenorma complementaraoDecretono 10.893/2021. Apósaconclusãodaconsultapúblicae publicaçãodaportaria,oMMEpublicará outraportariacomasistemáticadoprocedimento.Emseguida,aAneelapresentará ocronogramadeatividadespararealização doprocedimentoaindanoprimeirosemestrede2023.

Casados Ventosforma jointventure com TotalEnergies

AempreendedoranacionalderenováveisCasadosVentoseafrancesado setordeenergiaTotalEnergiescriaram jointventure de66%e34%,respectivamente,paradesenvolver,construire operarconjuntamenteoportfóliorenováveldaCasadosVentosnoBrasil,hoje somando6,2GW.

Oportfólioinclui700MWdecapacidadeeólica onshore emoperação,1GWde eólica onshore emconstrução,2,8GWde eólica onshore e1,6GWdeprojetossolaresemdesenvolvimentoavançadoparaos

16 EM | Novembro/Dezembro | 2022
NoCircuito
Parceriavisafornecerinfraestruturaeserviços decarregamentoelétricoparaveículos comerciais

NoCircuito

próximoscincoanos.Alémdisso,a joint venture temodireitodeadquirirosprojetosatuaisenovosquesãoouserãodesenvolvidospelaCasadosVentos.Issoelevao potencialdoportfólioda jointventure para pelomenosmais6GW.

Peloacordo,aTotalEnergiespagaráuma contrapartidaemdinheirodeUS$550milhões(R$2,9bilhões)eatéUS$30milhões (R$159milhões)emganhosparaconcluir aaquisição.Alémdisso,afrancesateráa opçãodeadquirirumaparticipaçãoacionáriaadicionalde15%após5anos.

Naparceria,aTotalentracomsuacapacidadedeinternacionalização,tendoem vistasuapresençaglobalemmaisde130

países,ecomsuaaltacapacidadedecrédito.JáaCasadosVentoscolaboracom seuconhecimentonomercadobrasileiro, jáqueaempresadesenvolveu25%dosativoseólicos onshore emoperaçãohojeno Brasil.

“DepoisdaAdaniGreennaÍndiaeda ClearwaynosEstadosUnidos,estoumuitofelizcomessanovagrandeparceriano Brasil.Comatransação,aTotalEnergies adquirenãomenosqueumaposiçãode liderançanomercadobrasileirodeenergia renovável,umdosmercadosmaisdinâmicosdomundo.Essemercadoseencaixa emnossaestratégiadeaproveitarocrescimentodosmercadosdeenergiadesregulamentados,oqueécrucialparaatransição energética”,dissePatrickPouyanné,presidenteeCEOdaTotalEnergies.

Comototalde12GWemoperação,construçãoedesenvolvimento,tantoeólica quantosolar,atransaçãoémaisumaação dogrupoparaatingirsuametadechegar a100GWdeproduçãorenovávelaté2030. No naldejunhode2022,acapacidade instaladabrutadegeraçãodeeletricidade renováveldaTotalEnergiesépróximade 12GW.Aexpectativaéatingir35GWaté 2025echegarnos100GWem2030,oque acolocaráentreoscincomaioresprodu-

toresmundiaisdeeletricidadeapartirde energiaeólicaesolar.

Enelinicia expansãodo complexoeólico LagoadosVentos

AEnelGreenPowerBrasil,braçodegeraçãorenováveldogrupoitalianodeenergia noBrasil,iniciouaconstruçãodoparque eólicoLagoadosVentosV,de399MWde potênciainstalada,nomunicípiodeDom Inocêncio,noPiauí.Trata-sedasegunda expansãodocomplexo,sobinvestimento de2,5bilhõesdereais.

AprimeiraampliaçãodoempreendimentoeólicoLagoadosVentos,iniciadaem 2020,jáestáparcialmenteemoperaçãoea expectativaédequeesteja100%concluída atéo mdoano.Atualmente,ocomplexo possuicercade1GWemfuncionamento e,quandoestivertotalmentepronto,terá capacidadeinstaladasuperiora1,5GW.

OLagoadosVentosVserácompostopor 70aerogeradores.Quandoestiveremple-

18 EM | Novembro/Dezembro | 2022
Novaempresavaidesenvolver,construire operaraté12GWemprojetoseólicosesolares noBrasil

naoperação,serácapazdegerarcercade 1,6TWhporano,evitandoaemissãode maisde910miltoneladasanuaisdeCO2 naatmosfera.Comessasegundaexpansão,ocomplexoterá372aerogeradores, capazesdegerarmaisde6,7TWhporano eevitaraemissãodemaisde3,6milhões detoneladasdeCO2 naatmosferaacada ano.

Paraaconstrução,aEnelGreenPowerdesenhouumlayoutdeplantabaseadonuma

eólicosparaotimizaraproduçãodeenergia.Segundocomunicadodaempresa,estãosendoutilizadosnovasferramentase métodos,comodronesparalevantamento topográ co,rastreamentointeligentede componentesdeturbinaseólicaseplataformasdigitaisesoluçõesdeso warepara monitorareapoiarremotamenteasatividadesnoscanteirosdeobra,alémdeferramentasdeprojeçãoeacompanhamentoda obraem3D,4De5D.

CPFLPaulista moderniza iluminaçãode Barretos

AdistribuidoraCPFLPaulistarealizou

públicadeBarretos,cidadedointeriorde SãoPaulo.Entrejunhoejulhodesteano, foraminstaladas1000lumináriasLEDnas ruas,avenidasepraçasdacidade.Emparceriacomaprefeituramunicipal,oprojeto envolveuinvestimentosdeR$1milhão porpartedadistribuidora.

AestimativadaCPFLPaulistaéqueos novospontosdeiluminaçãorepresentarão umaeconomiade799,98MWhaoano, oqueequivaleaoconsumomédiode337 residênciasnomesmoperíodo.Aenergia economizadaevitaráaemissãode101,13 toneladasdeCO2 naatmosfera,oquecorrespondeaoplantiode607novasárvores.

Tambémforamsubstituídosnoprojeto 1000reléstemporizadores,equipamentos responsáveisporligaredesligaralâmpadademodoautomático,deacordocoma quantidadedeluminosidade,ede100braçosdeiluminação,aestruturaquesusten-

19 EM | Novembro/Dezembro | 2022
ParqueeóliconoPiauíagregarámais 399MWdepotência,com2,5bilhõesdereais deinvestimento,elevandocapacidadedo complexopara1,5GW

NoCircuito

Em2022,aCPFLPaulista jáhaviaconcluídoprojeto dee ciênciaenergéticano HospitaldeAmor,deBarretos.Cominvestimentode R$1milhão,acompanhia construiuumausinasolar fotovoltaicanainstituição esubstituiumaisde5mil lâmpadasantigaspelatecnologiaLED.Asaçõesproporcionameconomiaanual de682,83MWh.Alémdisso,emmaiodesteano,equipesdaCPFLdistribuíram 3,6millâmpadasdeLEDa 900famíliasdebaixarenda doConjuntoHabitacionalDr.LuísSpina.

Notas

UsinastérmicasabiogásnoSul –OgrupoSolvíestáampliandoageraçãodeenergiaapartirdacaptaçãoedotratamentodo biogásgeradonosaterrossanitáriosdaCRVR-Companhia RiograndensedeValorizaçãodeResíduos,noRioGrandedo Sul,pormeiodetrêsusinastérmicasabiogás,instaladasnos municípiosdeSantaMaria,VictorGrae eGiruá.CominvestimentototaldeR$25milhões,trata-sedoprimeiroprojetoentreguedoplanodeinvestimentosdaCRVR,queprevêmaisde 1bilhãodereaisnospróximoscincoanosnodesenvolvimento detecnologiasdevalorizaçãoderesíduos.Para2023,estáprevistamaisumatérmicanoaterrodeSãoLeopoldo.

Nacionalizaçãodeprodutos –ATramontinaEx,divisãoespecializadaemmateriaiselétricosparaatmosferasexplosivas,localizadaemCarlosBarbosa(RS),teminvestidonanacionalização deprodutos.Aempresaampliouseuquadrodecolaboradorese aumentouem85%suaáreafabril,a mdeelevaraproduçãoe reduziraimportação.Segundoaempresa,ainiciativafavorecea competitividadeemprazodeentrega,atendimentocustomizado eagilidadenoabastecimento.Entreaslinhasjánacionalizadas, estãoasdelumináriaslinear,articuladaeredonda.Destacam-se aslumináriasdeLED LLExSérieA e LLExR/2, quesãoespecícasparausoemzonas2(ambientessujeitosagás),21e22(áreas compoeirascombustíveis).Osprodutostêmcorpoemalumínio injetadosobpressãoeacabamentocompinturaeletrostáticaapó, nacorcinza,ampliandoasuadurabilidade.

Ampliaçãodecentrodedistribuição –AReymaster,empresa curitibanademateriaiselétricos,implantouemJoinville,SC,

20 EM | Novembro/Dezembro | 2022
Projetoenvolveu 1000lumináriasLEDetrocade equipamentos

umhubparaexpandirseusnegóciosnosuldoPaís.Aempresa ampliouseucentrodedistribuiçãoinstaladonacidade,quesaltoude1400m2 para6milm2.Segundoacompanhia,aexpansãoproporcionarámaiorvariedadedeprodutoseaumentodo estoque,agilizandoasoperações.Comaampliação,novasvagasdetrabalhoforamabertas,comaumentode60%nonúmero decolaboradores,entrevendedores,representantesepessoalde logística.AReymasterofereceaosclientessuportetécnico.De acordocomacompanhia,sãopro ssionaiscapacitadoseàdisposiçãonasáreasdeautomaçãoindustrial;projeçãoecontrole; rotuladoresdeetiquetasdeidenti cação;iluminaçãoindustrial, comercialeconstruçãocivil;sensoresindustriais;edrivespara movimentação.

FabricaçãodecabonoBrasil –OGrupoPrysmianvoltoua fabricarnoBrasilocaboisolado138kV.Estetipodecaboera fabricadoaté2018naantigaplantaindustrialdeSantoAndré, SP,eagoraseráproduzidonaunidadedePoçosdeCaldas,MG. Segundoacompanhia,aempresaéaúnicafabricanteaproduzirestemodelonoBrasil,cujoprocessodefabricaçãoébastante complexodevidoaoseuníveldeisolamento,etambémater umlaboratóriocapazderealizarosensaiosnatensãorequerida pelospadrõesinternacionais.Ocaboisolado138kVpodeser fabricadoemcondutoresdecobreoualumínio.Acapapodeser feitadepolietilenodealtadensidade,oucompostolivredehalógenosecombaixaemissãodefumaça.Porserisolado,esse caboéindicadopararedesdealtatensãosubterrâneasemcurtasemédiasdistâncias.OGrupoPrysmianoferecetambémaos clientesserviçosassociadosaoproduto,desdeainstalação,comissionamento,atéomonitoramentododesempenhodosistema.Istoéfeitoapartirde brasópticasaplicadasjuntoaos os dablindagemque,associadasaumdispositivodetratamento dedados,realizaomonitoramentodatemperaturadeoperação, identi candopontosdefalhapotencialoupontoexatodafalha, seforocaso.

Remoçãode osirregulares –AEnel,distribuidoradeenergiadeSãoPaulo,removeu,entrejaneiroesetembrode2022,10 toneladasde osirregularesdecompanhiasdetelecomunicaçõesempostesnos24municípiosdesuaáreadeconcessãona regiãometropolitanadeSãoPaulo.Jáforaminspecionadosem 2022,comoapoiodasprefeituraslocais,maisde554milposteseforamencontradasmaisde340milirregularidades,que gerarammaisde500noti caçõespara360empresasquefazem usoindevidodepostesdaEnelSãoPaulo.Em2021,aempresa removeusónacapitalpaulista22toneladasde osirregulares usadosnospostesdaempresa.Agestãodocompartilhamento dospostespelaredededistribuiçãoaéreadeenergiaeasredesdetelecomunicaçõessedápormeiodeumcontratodealuguel.DeacordocomasresoluçõesconjuntasdaAneel/Anatel 001/1999e004/2014,quetratadocompartilhamentodepostes, asempresasqueutilizamaestruturadevemseguiroplanode ocupaçãoeasnormastécnicasdadistribuidoralocal.

21 EM | Novembro/Dezembro | 2022

EMSintonia

Fragmentação

Afragmentaçãodosagentesdosetorelétricocaminhaparaumapulverização. Esseprocessoavançoumormentedepois doReseb,quereestruturouosetorelétrico brasileiro,nosanos90doséculopassado, lideradopelosaudosoLindolfoErnesto Paixão(ex-diretordeoperaçõesdaCesp). Issotrazdi culdadeparaagovernança(o GdoESG)porqueaumentaexponencialmenteonúmeroeasquestõessustentadas pelosinterlocutores,sendoavozearepresentatividadeisoladamaisfracas.

ParaoPoderConcedente, cacadavez maisdifícilgerir,comumavisãoabrangente,osimpactosdecadadecisão,considerandoqueonovelodetodoséum só.Ficouimpossívelexercerumapolítica energéticasemumatransparentequebra deovosesuasrespectivasdores.

Apesardehojeasassociaçõesprocuraremseconfederar(casodaFase,presidida porMárioMenel),seusesforçosnãoanulamosefeitosdasuamultiplicação.Hoje sãodezenasdeentidadesdeofertantes deenergia.Hápouco,daredesocialda Abren-AssociaçãoBrasileiradeRecuperaçãoEnergéticadeResíduossurgiuuma novaredeindependente,comumexpressivonúmerodeintegrantes,inseridano universodebiogás.

m ic

AimplantaçãodeusinaseólicasnaplataformacontinentalnolitoraldoBrasiltrará consigoconsequênciasqueampliarãoo papelnacionalnaintegraçãoenergética continental,especialmenteporcontada produçãodohidrogênioverdedefonte renováveloriundodessanovageração.Há tambémprojetosdehidrelétricasbinacionaisemgestaçãocomavizinhaBolívia, Argentinaeoutrasvirtuais. Noentanto,seriaprecisocorrercomarcabouçosregulatóriosqueeliminassem assimetriastributárias,trabalhistas,nanceiras,ecológicasedeoutrasordense uni cassemaomáximoomododeoperar

dasagênciasreguladorasenvolvidas.Nem noMercosulseavançoumuitanessasplataformas,quantomaisnosAndesena Amazônia.

AArgentinaeaBolíviaperderamparte daexpressãocomo driverforces nogásnatural(oBrasilcresceucomseupotencial internoeexploraçãodomarequatorial). Emenergiaelétrica,oParaguaifoimaior doqueéhojenoespectrode driverforce, papelqueoBrasilretomacomasfontesrenováveisedistribuídas(solareeólica).

Cogeração

Aentidadedeclassedoscogeradoresde energia,aCogen,jáagrega20,3GWinstaladosnoPaís,respondendopor10,8% damatriznacional(de187,21GW).Nesta esfera,incrementaram-se763,4MW,em 2022.

Aindaassimfaltarobustecerasegurança jurídicaconformeclamaosetor.Emantém-seocompassodeesperanospreparativosdoBNDES,quesearticulaparaa compraquali cadadecréditosdecarbono.

Clima

OmundoestáestourandoametadeconteratemperaturamédiadaTerranum crescimentode1,5°C,desenhadocomo tetopeloAcordodeParis(oBrasilésignatário).Arapidezdatransiçãoenergéticafoi atrapalhadapelaguerradaUcrânia,como ésabido.AEuropatevederecorreracombustíveisfósseisnoinverno.

NaÁsia,arenomada eEconomist publicouartigodivulgandoarevolução verdenaÍndia.Maispopulosodoquea China,opaísenveredaparaoetanolsob consultoriadaDatagropaulista.ArevistaaindaquestionacomoaÁsiapoderáse descarbonizarcompletamente.Otemor éoiminenteatingimentodopontode nãoretorno,depoisdoqualastragédias climáticasserãoinevitáveiseretroalimentadasporelasmesmas,ameaçandoa humanidade.

22 EM | Novembro/Dezembro | 2022

Especialistas

u m i o v eoepo c s

Tecnologiasde dispositivosdeproteção contrasurtos

Aimportânciadeseconheceremas característicaseprincípiosdeatuaçãodos diferentescomponentesutilizadosnafabricação deDPS.

Aespeci caçãodeumdispositivodeproteçãocontrasurtos(DPS)emumprojeto demedidasdeproteçãocontrasurtos (MPS)deveindicarobrigatoriamente qualoseutipo(classe)1,seusprincipais valoresnominaiseacorrentenominal dodispositivodeproteçãocontrasobrecorrentes(fusíveloudisjuntor)instalado amontantedoDPS.Alémdessesitens, umbomprojetodeMPSdeveindicar tambémqualocomponenteprincipal doDPS,responsávelpeloseucomportamentonãolinear,queiráassegurarque eleprotejaasinstalaçõeselétricaseos equipamentosalimentadosporelacom con abilidade,e ciênciaesegurança.

Existematualmentetrêscomponentes principaisutilizadosnafabricaçãodos

1Emboraostermos“classe”e“tipo”sejamcorretos eestejamnasnormastécnicasnacionaiseinternacionais,esteautordefendequeprogressivamentese passeautili arapenasotermo tipo nestecaso.

Especialistadaedição: SergioRobertoSilva

dosSantos

Engenheiroeletricista(UFRJ)daMPSEnergia einstrutordaTermotécnicaPara-Raios, participadacomissãoda Tresponsável pela 1 - roteçãocontradescargas atmosféricasecolaboracomacomissão responsávelpelanorma IEC 1 3,sobre dispositivosdeproteçãocontrasurtos.

DPS:centelhadores,varistoresediodos. Individualmenteouemconjunto,tais componentessãoresponsáveispelaatuaçãotípicadoDPS:umachaveabertaque setornafechadacomoaumentodatensãoemseusterminais.Comocadaum dessescomponentespossuicaracterísticaspositivasenegativas,nãoexisteaquelequesejasuperioraosoutros,devendo oprojetistadasMPS,porisso,escolhera tecnologiamaisadequadaparacadaaplicação,levandoemconsideraçãoociclo devidacompletodoDPS.

Emboratodososcomponentescitados possamserutilizadosnafabricação dequalquertipodeDPS(I,IIeIII), napráticacadacomponenteapresenta vantagenscomparativasemrelaçãoaos demaisquandoutilizadoemumtipo especí codeDPS:oscentelhadoressão maisindicadoscomoDPStipoI,varis-

torescomoDPStipoIIediodoscomo DPStipoIII.

Comutadorese limitadoresdetensão

OsDPSpodemserdivididosemduas famílias,adoslimitadoresdetensão eadoscomutadoresdetensão[1].Os comutadoresdetensãopossuemalta impedânciaenquantoosvaloresde tensãoemseusterminaisestiverem dentrodevalorespré-de nidoscomo aceitáveis,emuitorapidamentepassamaapresentarbaixosvaloresdeimpedânciaquandoatensãoemseusterminaisalcançaumvalorpré-de nido comoinaceitável.Sãocomutadoresde tensãoDPSqueutilizamcentelhadores,centelhadoresencapsuladosagás etiristores.

Limitadoresdetensãotambémpossuemimpedânciasmuitoaltasemsituaçõesnormais,masnaocorrênciade umsurtodetensãooucorrente,quandoatensãoemseusterminaissobe muitorapidamente,reduzemsuaimpedânciainternadeformaprogressiva, continuadamente,opondo-seassimao próprioaumentodetensão.Sãolimitadoresdetensãoosvaristoreseosdiodos supressores.Pelassuasprópriascaracterísticas,umDPSlimitadordetensão absorvemuitomaisenergiadoqueum DPScomutadordetensãocomcaracterísticassemelhantes,oquefazcom queosDPSlimitadoresdetensãosejam

24 EM | Novembro/Dezembro | 2022
ao podcast ps anc r aranda e ent s ps t e a id c E
UseosQRcodesouos links parateracesso DISPONÍVELGRATUITAMENTE

menosaptosaconduziraenergiadas correntesdesurto.

Centelhadores

Centelhadores( gura1)nãoatuam (chaveaberta)atéqueasuatensãode disparosejaalcançada,quandoeleirá comutarparaumestadodebaixíssimaimpedância(chavefechada),reduzindoentão,emcurtíssimotempo, essatensãoparaumvalorconhecido comotensãodearco,quenocasodos centelhadoresmaismodernossitua-se entre900Ve1,5kV.Centelhadores possuemgrandecapacidadedeconduzircorrentesdesurto,sendoideais parafabricaçãodedescarregadoresde correntederaios(DPStipoI)[2],devidoasuagrandecapacidadeenergética.Centelhadoresmodernosasseguramníveisdeproteção(Up)inferiores a1,5kV,su cientesparaprotegeros própriosequipamentoseletrônicos2

Aocontráriodosvaristoresediodos, quesãocomponentesnormalmente adquiridosdeterceirosparaafabricaçãodosDPS,oscentelhadoressão projetados,desenvolvidoseproduzidospelosprópriosfabricantesdos DPS,existindonomercadodiferentes modelosdecentelhadores.

m deveserutili adodeacordocomaindicação doseufabricante,independentementedoseuvalor de p. m tipo com p , ,pore emplo, nãopodeserutili adocomo tipo ou .

Varistoresediodos

Osvaristoresediodossãodispositivos queiniciamasuaatuaçãoassimquea tensãoemseusterminaisultrapassao valordasuatensãomáximadeoperaçãocontínua(Uc).Poressemotivo, varistoresediodospossuemtempode respostainferioraodoscentelhadores, sendomaisadequadosparaserinstaladosmaispróximosaosequipamentos protegidos,nafronteiraentreasZonas deProteçãocontraRaios(ZPR)1→2e 2→3,respectivamenteDPSclasseIIe DPSclasseIII.

Varistores

Otermo“varistor”signi ca voltagedependentresistor.Osvaristoresdeóxido metálico(MOV,de metaloxidevaristors) gura2 sãocomponentes eletrônicoscujovalorderesistência elétricaéinversamenteproporcional aovalordatensãoexistenteentreseus terminais,ouseja,aumentandoatensãoaplicadasobreovaristor,diminuiseovalordasuaresistênciainterna. Essarelaçãoéestabelecidanumericamentepelafórmula:

I = K V

Onde α éocoe cientedenãolinearidadedovaristor,representandoarelaçãoentreacorrenteconduzidaporele eatensãoemseusterminais.Quanto maiorovalorde α,maise cienteserá ovaristor.

Varistoressãoversáteis,possuembaixocustoetempoderespostareduzido.Seuníveldeproteçãoéinferiora 1,5kV,oqueostornaespecialmente atrativoscomoDPStipoII(proteção média),emgeral,enaproteçãocontra surtosprovocadosporchaveamentos, emparticular.Seutempodeatuação situa-senaordemdenanossegundos, menordoqueotempodeatuaçãodos centelhadores,alémdoquê,elesnão

apresentamcorrentesdeseguimento, acorrenteemregimepermanenteque uiatravésdoDPSapóselecomutar paraoestadodechavefechada.

Aoatuar,ovaristorabsorvegrande partedaenergiarecebida,quenesse casonãoalcançaráoequipamento protegido,limitandoassimasobretensãoaumvalorpreviamentedenido.Esteaspectoéfundamentalpara compreensãodadiferençaentrecentelhadorevaristor,jáque,enquantoo primeiroconduzpraticamentetodaa energiadosurtoatravésdelesemabsorvê-la,novaristorpartedessamesmaenergiaéutilizadanaalteraçãodas suascaracterísticasfísico-químicas, quedessaformanuncavoltarãoao seuestadoinicial,desgastandoassim ovaristorpelasuaprópriaatuação.

EpcosTDKElectronics

Fig.2–Varistordeóxidodezinco

Nessecasoocorreafusãodosgrãosde óxidodezinco,deformairreversível, diminuindoovalorde Uc,atéqueele seigualeaovalordatensãonominal dosistema,fazendoovaristoratuar indevidamente,oquecorresponderá ao naldasuavidaútil.

Comosuadegradaçãoéinevitável, varistoresapresentamumagrandeinconveniênciaquandoutilizadoscomo DPSclasseI.Aoconduzirumaparcela dadescargaatmosférica(Iimp)[3],ovaristorpodesedegradarcompletamente emumaúnicaatuação,tornandoainstalaçãototalmentedesprotegida.Emboratalfatopossaacontecertambém emrelaçãoàatuaçãodovaristorcomo DPStipoII,nestecaso,comoaenergia dosurtoémenor,di cilmenteoDPS

25 EM | Novembro/Dezembro | 2022
Fig.1–VisãointernadeumDPScentelhador
DEHNSE

Tecnologiasde is ositi os e rote o contras rtos Especialistas

ig.3 tipoIIIfabricadoa partirdediodossupressores

sedegradariatotalmenteemumaúnica atuaçãoesuavidaútilseriamaior.

Osvaristoresatuaisdeóxidodezinco (comvaloresmaioresde α)sãofabricadoscommateriaisnãohomogêneos[4]. Enquantoosvaloresde U p e U c dependemdonúmerodegrãosdeóxido metálicoentreosseusterminais,grãos emsérie,osvaloresdascorrentesnominal(In)emáxima(Imáx)dependemda larguradapastilhadovaristor,grãos emparalelo.Comoaquantidadetotaldessesgrãospodevariarduranteo processodefabricação,nãosendoalgo exato,nuncaexistirãodoisvaristores exatamenteidênticos,mesmoquetenhamosmesmosvaloresnominais,o quedi cultaacoordenaçãoentrevaristores casosejaminstaladosem ummesmopainel,oumuitopróximos entresi,nãoserápossíveldeterminar qualatuaráprimeiro,apósoquê,será inibidaaatuaçãodosegundovaristor.

Diodos

OdiodosupressoréoterceirocomponenteutilizadocomoDPS.Osdiodossupressoreslimitamatensãoa umdeterminadovalornosterminais dosequipamentosprotegidosemum tempomenor(picossegundos)doque oscentelhadoresevaristores,sendo porissoindicadosparaafabricaçãode DPStipoIII( gura3).Emboradiodos convencionaisouZenertambémsejam utilizadosparaesseobjetivo,elesnão sãotãoadequadosquantoosdiodossupressores,principalmenteporqueestes foramespeci camentedesenvolvidos paraaproteçãocontrasurtos,possuin-

domaiorcapacidadedeconduçãode correntesdesurtoedissipaçãodeenergia.Comoasuacapacidadedeconduçãodecorrentesselimitaaumaúnica junçãoP-N,osdiodossupressoresconduzemcorrentesdesurtocommenor energiadoquefazemcentelhadorese varistores.Elesretornamaoseuestado inicialao naldasobretensãotransitóriaelimitamassobretensõesavaloresmaisbaixosdoqueosoutrosdois componentes,justi candoassimoseu empregonafabricaçãodeDPStipoIII.

Conclusão

Centelhadoresnãosãolentosnemparrudos,varistoresnãosãodescartáveis nembaratosediodosnãosãorápidos oufrágeis.Cadatecnologiapossuivantagensedesvantagens,quedevemser avaliadasporparâmetrosbemde nidos,fornecidospelofabricantedoDPS. UmDPSnãoéapenasseucentelhador,varistoroudiodo,existindooutros componentes,comosoldaseinvólucro, quetambémsãoresponsáveispelaqualidadedoDPS.Cabeaoprojetistadas MPSdeterminarqualamelhortecnologiaparaoseuprojeto,levandoem consideraçãonãosóocustodoprotetor,mastambémovalorassociadoao queeledeveproteger.

REFERÊNCIAS

[1]Sueta,H.E.;SantosS.R.;AltafimR.A.C.:

[2]DEHNSE:

[3]AssociaçãoBrasileiradeNormasTécnicas:.ABNT NBR5419-4:2015VersãoCorrigida:2018– Proteção contradescargasatmosféricas–Parte4:Sistemas elétricoseeletrônicosinternosnaestrutura.

[4]MasteghinM.G.;OrlandiM.G.: Grain-Boundary ResistanceandNonlinearCoefficientCorrelation forSnO 2 -BasedVaristors .MaterialResearch, dezembrode2016.

26 EM | Novembro/Dezembro | 2022
ProtectionofLow-VoltageEquipmentandSystems–capítulodolivro“LightningScience,Engineering, andEconomicImplicationsforDeveloping
Countries”,Springer,outubrode2020.
LightningProtectionGuide ,3 rd updated edition.
DEHNSE
Aexposiçãodeinfraestruturaelétrica egestãodeenergia EXPOCENTERNORTE,SÃOPAULO,BRASIL ENERGIATOTAL, EFICIÊNCIATOTAL SAVE THE DATE SAVETHEDATE

Guia–1

Empresa Telefone E mail

Barramentos blindados

DaRedaçãodeEM

Tambémchamadosde“linhaselétricaspréfabricadas”,taisequipamentosoferecem vantagensderapidezesegurançana instalação,menoresperdaselétricas, flexibilidade,baixamanutençãoemenor necessidadedeespaço.Olevantamento descreveaofertadefornecedores debarramentosblindados,comsuas característicaselétricas,materiais empregados,configuraçõesenormas.

Configuração

T e n s ã o n o m i n a ( V c a ) C o r r e n t e n o m i n a l ( A ) C o r r e n t e s u p o r t á v e l n o m n a l ( 1 s ) k A ( I c ) í v e b á s i c o d e i m p u s o ( k V ) T e m p e r a t u r a a m b i e n t e ( C ) B a r r a s d e c o b r e B a r r a s d e a u m í n i o I n v ó l u c r o e m a ç o I n v ó l u c r o e m a u m í n o A c a b a m e n t o z n c a d o A c a b a m e n t o e p ó x a p ó A c a b a m e n t o p o l é s t e r a p ó

Grau de proteção (IP)

B a r r a s e s p a ç a d a s B a r r a s c o a d a s V e n t i l a d o ã o v e n t i l a d o B a i x a m p e d â n c i a P a r a t r a n s m i s s ã o, s e m c a i x a s d e d e r i v a ç ã o P a r a d i s t r i b u i ç ã o, c o m c a i x a s d e d e r i v a ç ã o e x t r a í v e i s a r r e r a c o r t a f o g o ( m i n )

AB T/ BR IEC

Bbtec–(11)5563-5824 comercial@barramentosblindados.com.br 690 350a 6.000 50 5a 45 •••• 31a55 ••••••• 12061439-1/661439-1/6

Forza– (41)99891-7236 comercial01@forza-ind.com.br 1.000 1.200a 4.000 6512 -10a +50 •••••• 42a54 •••••• 60439/260439-2

HBHolecBarras–(15)3268-1773 vendas@hbindustria.com.br 1.000 320a 6.000 6012 -10a 40 ••••• 31a55 •••••• 61439-1, 61439-6 61439-1, 61439-6

Helzin–(11)2634-3330 adm.pedidos@helzin.com.br 1.000 500a 5.000 40135 ••• 54a55 •••••• 61439-1/260439-1/2

egabarre ( ) 5 5 67 vendas megabarre com br até 38.000 25a 20.000 120170 -25a +55 •••••• 31a65 ••••••••••

Novemp–(11)4093-5300 vendas@novemp.com.br 830 250a 6.000 878 -15a 50 •••••• 31a55 ••••••• 9061439-661439-6

Prodesbus– (11)98377-1370 vendas@prodesbus.com.br 1.000 160a 6.000 300 35a 60

TechBarras– (11)98188-0074 vendastechbarra gmail com até 1.000 350a 6.200 24a 100 5 -5a 40

(11)99133-4032

28 EM | Novembro/Dezembro | 2022
••••••• 31a66 ••••••• 606143961439
•••• 55 ••••• 60439-1/261439-1/2
Vepan–
vendas@vepan.com.br 1.000 250a 5.000 12a 120 8 -5a 40 ••••••• 31a55 ••••••• 120 60439-1/2e 61439-1/6 61439-1/6 olga (6 ) 8 56 comercial volga com br 1.000 400a 6.000 1928 -5a 40 •••••• 31a55 •••••• 240541061439-1/2/6 WEG–(47)3276-4000 automacao eg net 690 250a 5.800 12a 120 8 ••••••• 31a55 ••••••• 120a 240 60439-2e 61439-6 61439-6 Obs.: sdadosconstantesdesteguiaforamfornecidospelasprópriasempresas uedeleparticipam,deumtotalde empresaspes uisadas Fonte: Revista EletricidadeModerna, setembro outubrode Esteemuitosoutrosguiasestãodispon veis on-line, paraconsulta. Acessewww.arandanet.com.br/revista/emeconfira.Tambémépossívelincluirasuaempresanaversão on-line detodosestesguias.
Amaiorexibiçãoeconferênciada indústriasolarnaAméricadoSul EXPOCENTERNORTE,SÃOPAULO,BRASIL OESPAÇODAENERGIA SOLARFOTOVOLTAICA SAVETHEDATE

Pesquisa

OsProdutos doAno2022

Olevantamentoapresentaasmarcasde diversosprodutosparainstalaçõeselétricas edeiluminaçãomaisvendidasnaslojasde materiaiselétricos

Realizadaininterruptamentepelarevista EletricidadeModerna desde1976,a pesquisa“OsProdutosdoAno”detectaas marcasdemateriaiselétricosmaisvendidasnoscanaisdedistribuição.Apartirde respostasfornecidasporrevendedores,o levantamentoapontaodesempenhorelativonomercadodemarcasdediversositens comercializadosnessesestabelecimentos. Nestaedição,apesquisaécompostapor 37produtos,quesãodeusocorrenteem instalaçõeselétricas,comolâmpadasLED, lumináriaseequipamentosauxiliaresde iluminação,proteçãocontradescargas atmosféricas,caixas,quadros,contatorese váriosoutrosprodutos.

Nototal,118revendedoresedistribuidoresdemateriaiselétricosdeváriasregiões doterritórionacional participaramdo levantamento–ográ coaoladoinforma,percentualmente,emquaisEstados estãolocalizadasasrevendaspesquisadas. Jáalistacomosnomesdessasempresas eondeestãosediadasestádisponívelna páginade EM naInternet,noendereço https://www.arandanet.com.br/assets/ pdfs/PA_2022_consultados.pdf.

Osresultadosdedesempenhodasmarcas, ouseja,aproporçãoderevendedoresque apontaramdeterminadamarcacomoa maisvendida,sãopublicadosnaformade tabelas,umaparacadaprodutopesquisado.Parapermitiraosleitoresavaliara

evoluçãodeumamarcadeumanopara outro,osdadosdapesquisade2021são tambémdivulgadosnastabelas.

Valedestacarquecadatabelatemseuuniversoespecí co,poisnemtodososrevendedorescomercializamtodosositensque compõemapesquisa.Ouseja,ouniverso especí cocorrespondeaonúmeroderevendedorespesquisadosquedeclararam comercializaroprodutoemquestão,e nãoaouniversototal,queseriaonúmero totalderespostasrecebidas.Outroponto importanteéqueastabelasnãotrazem todasasmarcascitadaspelosrevendedores,tendosidoexcluídasdaapresentação asquenãoatingirampelomenos2%de

indicações,considerandoouniversode cadaproduto.

Umresumodasmarcasvencedorasem cadaumdos37produtospesquisados podeserconferidonoquadroaolado.As demaistabelasfornecemoutrasinformaçõessobreomercadodematerialelétrico: umarelaçãodosdezprodutosapontados comoosmaiscomercializadosnaslojas, independentementedemarcas,levando emcontaouniversototaldapesquisa(tabelaI)easdezmarcasindicadascomoas maisvendidaspelosrevendedores,tambémemrelaçãoaouniversototaldapesquisa,comosprodutosassociadosatais indicações(tabelaII).

istribuiçãogeográficadosrevendedores ueresponderam pes uisa

30 EM | Novembro/Dezembro | 2022
daRedaçãode EM

TabelaI–Osprodutosmaispresentesnas revendas

Produto

Revendedores pesquisadosque ocomercializam %de 118

Abraçadeiraseidentificadores parafiosecabos 10185,6 FiosecabosBT 10185,6

Dispositivosdeproteçãocontra surtos(DPS) 10084,7

Minidisjuntores(disjuntores modulares) 10084,7

Disjuntoresindustriaisemcaixa moldada 9983,9

DispositivosDR(Proteção Diferencial-Residual) 9983,9

Botões,botoeirasesinalizadores9883,0

Canaletasparainstalaçãoaparente9782,2

Contatores 9782,2 Interruptoresetomadaspara instalaçãopredial 9782,2

TabelaII-Asmarcasmaisvendidas

Marca Produto

Revendedores queapontaram amarcacomo amaisvendida %de 118

Intelli Conectorese terminaisBT 5647,5 Intelli Hastesde aterramento 5143,2

TramontinaConduletes 4739,8

HellermannTyton Abraçadeirase identificadores parafiose cabos 3933,0

Clamper Dispositivosde proteçãocontra surtos(DPS) 3731,4

Steck Pluguese tomadas industriais 3731,4

Segurimax Blocos autônomospara iluminaçãode emergência 3227,1

WEG Contatores 3227,1

Exatron Sensores/ detectoresde presença 3126,3

Paratec Sistemasde para-raios prediais(sistema completo) 3126,3

Asmarcasvencedorasde “OsProdutosdoAno2022”

Produto Marca

AbraçadeiraseidentificadoresparafiosecabosHellermanntyton

Blocosautônomosparailuminaçãodeemergência Segurimax

Bornes/conectoresparatrilhos Weidmüller/ConexeleWEG

Botões,botoeirasesinalizadores WEG

CabosMT

Corfio

Caixasdeligação(caixasdederivação) Legrand,TramontinaeSteck Caixasparamedidores TAF

Canaletasparainstalaçãoaparente Enerbras,LegrandeSchneiderElectric Chavesseccionadorasdebaixatensão(açãorápida) WEG

Comutadores(chavesrotativas) WEG Conduletes Tramontina

ConectoreseterminaisBT Intelli

Contatores WEG

Dimmers(variadoresdeluminosidade) LegrandeQualitronix

DisjuntoresindustriaisemcaixamoldadaSopranoeWEG

Dispositivosdeproteçãocontrasurtos(DPS)Clamper DispositivosDR(proteçãodiferencial-residual)Soprano

Eletrocalhas

Elecon,PerfilLíder,IneceleEletropoll Eletrodutosisolanteseacessórios Tigre Eletrodutosmetálicoseacessórios Elecon Ferragenspararedesdedistribuição Romagnole FiosecabosBT Corfio FusíveistipoDeNH WEG Hastesdeaterramento Intelli

InterruptoresetomadasparainstalaçãopredialTramontinaeLegrand LâmpadasLED Avant

Leitosparacabos

Elecon,Eletropoll,Dispan,InecelePerfilLíder Luminárias,projetoreserefletores Olivo Materialelétricoblindado Wetzel

Minidisjuntores(disjuntoresmodulares) SopranoeWEG

Minuterias Exatron

Perfilados

PerfilLíder,EleconeEletropoll

Pluguesetomadasindustriais Steck

QuadrosdedistribuiçãoparainstalaçãopredialLegrand

Relésfotoelétricos

MarGiriuseExatron Sensores/detectoresdepresença Exatron Sistemasdepara-raiosprediais(sistemacompleto)Paratec

31 EM | Novembro/Dezembro | 2022

Pesquisa

32 EM | Novembro/Dezembro | 2022

Pesquisa

34 EM | Novembro/Dezembro | 2022
Totalderevendedores emqueamarcaéa
2021
Marca
maisvendida(%) Dimmers(variadoresde luminosidade) #Universo=78 Legrand Qualitronix Exatron MarGirius SchneiderElectric Tramontina Rima Roma Fame Enerbras ASantos PW Simon 18,6 10,2 13,6 8,5 8,5 3,4 2,5 2,5 3,4 16,7 16,7 12,8 9,0 6,4 5,1 3,8 3,8 3,8 2,6 2,6 2,6 2,6
2022
pelo público, reconhecida pelo mercado.
Saibamais: sac@corfio.com.br 4935613777 www.corfio.com.br
Conhecida
ACorfioestápresentenavidade milhõesdeconsumidores,levando inovaçãoeprodutosdamaisalta qualidade.OPrêmioEletricidade Modernaquenosacompanha desde2005,éumreconhecimento daconfiançadosclientesemnossa marca,eem2022demonstraa qualidadedenossotrabalhoea vontadedeiraindamaislongeem 2023.

Pesquisa

36 EM | Novembro/Dezembro | 2022

Nossamissãoé fornecersoluções inovadoraspara quaisquer necessidadesde gerenciamento defiosecabos.

/hellermanntytonbrasil

www.hellermanntyton.com.br 112136-9090 vendas@hellermanntyton.com.br

Pormaisumanoa HellermannTyton foipremiadaem 1ºlugarcomo PrêmioQualidade nascategorias AbraçadeiraseIdentificadores.

Agradecemosaosnossosclientes peloreconhecimentoefidelidade ànossamarca.

37 EM | Novembro/Dezembro | 2022

Pesquisa

38 EM | Novembro/Dezembro | 2022

Motoreselétricosde altorendimento

empresasfornecedorasdemotorestrifásicos queatuamnomercadonacionaljuntamente comascaracterísticasdessesequipamentos, comotensãoepotêncianominais,carcaça, classedeisolamento,graudeproteção, rendimento,alémdasnormasatendidas.

DaRedaçãodeEM

CantoniMotor (1) motor@cantonigroup.com www.cantonigroup.com

(2) 0,06a 1.880 0,04a 6.000 56a5001 Fou 5581,790,695 • NemaMG-1

Equacional– (11)99959-9771 vendas@equacional.com.br • 760 0,13a 1.000 0,1a 750 63a500 até 1,25 Fou , 23a 68 859294 •• AISE

Hercules–(47)3281-1900 atendimento@herculesmotores.com.br • 0,16a 30 0,12a 22 63a1801,25F5582,690,7 •

MarathonMotors–(54)3224-9600 vendas.brasil@regalrexnord.com 600 0,25m a500 0,18a 370 63a3551,25805581,791,195,1 •

NovaMotores– (47)3481-8400 atendimento@novamotores.com.br

VEM low-voltage@vem-group.com www.vem-group.com/en.html

WEG–(47)3276-4000 motores@weg.net

• 6601a60 0,75a 45 56a2251,2580 21a 56 82,190,7 •••

• até1.000 0,12a 1.200 56a4501 F/B FH 55a 67 83,590,595 • UL(cURus)/ DoE

• 0,16a 1.700 0,12a 1.250 56a450 1,15a 1,25 80558391,695,2 ••

Notas: (1)AempresaprocuraporrepresentanteparaoBrasil.(2)Sobconsulta.

Obs.: Osdadosconstantesdesteguiaforamfornecidospelasprópriasempresasquedeleparticipam,deumtotalde17empresasnacionaise19internacionaispesquisadas.

Fonte: Revista EletricidadeModerna, novembro/dezembrode2022.Esteemuitosoutrosguiasestãodisponíveis on-line, paraconsulta. Acessewww.arandanet.com.br/revista/emeconfira.Tambémépossívelincluirasuaempresanaversão on-line detodosestesguias.

40 EM | Novembro/Dezembro | 2022
Guia–2
Olevantamentoapresentaumalistade
Empresa Telefone E mail Tensão nominal (3f 60 z) Potência nominal C a r c a ç a F a t o r d e s e r v i ç o F S C l a s s e d e s o a m e n t o ( ) G r a u d e p r o t e ç ã o I P Rendimento de motor típico, 4 polos, 75 de carga ( ) ormas A t é 4 4 0 V O u t r a ( V ) c v k 1 c v 1 0 c v 1 0 0 c v B R 1 7 0 9 4 I E C 6 0 0 3 4 3 0 1 Outras
OlugarmaisprocuradodaAméricadoSulpara BateriaseSistemasdeArmazenamentodeEnergia EXPOCENTERNORTE,SÃOPAULO,BRASIL OLINKENTREARMAZENAMENTO EAENERGIAFOTOVOLTAICA SAVE THE DATE SAVETHEDATE

Proteção

Coordenação deenergiaentre

DPS–Parte2: coordenaçãoDPS–equipamento

Publicadoemduaspartes,emedições consecutivasde EM ,estetrabalhoaborda:os efeitosdasconexõeseinterligaçõesDPS–DPS, objetodaprimeiraparte,eacoordenaçãoentre DPSeequipamento,temadestacontinuação. (Repetimosaquiasfiguras7,6e2,nessaordem, eatabelaI,asquaisjáforampublicadasna primeirapartemassãoimportantesparaa compreensãodoquevaiaquiexposto.)

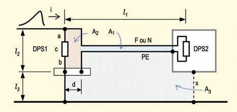
imosnaprimeirapartedeste artigoque,mesmoquenopainel dedistribuição,amontante,setenha umbomDPS,supostamenteadequadoparaaproteçãodoequipamento alimentadopelopainelelocalizadoa certadistânciadeste,existemmotivos paraseinstalarumDPSpróximoao equipamento:tensãoindutivanasconexõesdoDPSamontante,oscilações einduçõesnasáreas A1 e A 3 da gura 7 [N.doeditor:publicadanaprimeira parteereproduzidaaqui]

Basicamente,acoordenaçãodeenergiaentreosDPSpodeserdeterminada atravésdemétodosanalíticos,métodos numéricos(simulaçãodecircuitos,por exemplo)ouensaios[3].Comexceção dosensaios,osoutrosmétodossópodemseraplicadosconhecendo-seas especi caçõesdetalhadasdosDPSenvolvidos.Asespeci caçõesdeDPSnão sãotãodetalhadasquantoasespeci caçõesdosCPS(componentesdeproteção contrasurtos1)comumenteutilizados nasproteçõesinternasdeequipamentos (varistores,diodossupressores,etc.).É possívelquetenhamosquerecorrerao 1AIEC61643-12[3](aindasemversão ABNT),parasereferiracomponentesde proteçãointernosaumequipamento,usa otermoSPC,de sur eprotectioncompo nent –emportuguês,componentedeproteçãocontrasurtos-CPS.

Fig.7–Circuito mostrandoasáreas A1,A2 eA paraanálise dasconexõesdoDPS, oscilações,induçõese outrosefeitos

fabricantedosDPSparaobterinformaçõesespecí casdosseusdispositivos, comvistasaumaanálisemaisdetalhadadecoordenação.Quandoaanálise envolvecoordenaçãocomaproteção internadeumequipamento,émaisdifícilaindaobterdadosdofabricantedo equipamento.

Normalmente,asúnicasinformações deequipamentoscomutilidadeparao estudodecoordenaçãosãoatensãosuportáveldeimpulso(UW)e/ouonível deimunidadeasurtos,conformeIEC 61000-4-5[10],deondesetiraatensão UOC2.Rigorosamente,ambososdados (UW e UOC)somentepermitemlidar comcoordenaçãoemtermosdetensão esobumacondiçãoparticular:quandooequipamentonãopossuiproteção interna,sendoqueissoserestringe,

UOC éatensãodepiconasaídaemaberto dogeradordeensaio,comformadeonda 1,2/50µs.Comasaídaemcurto,ogeradorforneceumacorrentedepicoISCcom formadeonda8/20µs.Arelação UOC/ISC édenominadaimped nciadesa daefetiva dogerador combination ave enerator.

ainda,àproteçãoemmodo-comum (F/N–PE).

Quandoumequipamentonãopossui proteçãointerna,suacapacidadedesuportarsobretensõesemmodo-comum éumaquestãodesuportabilidadeaimpulso(UW)desuasisolaçõesinternas, conformeacategoriaemqueseenquadreentreasdatabela31daNBR5410[2], oudonívelespeci cadodeimunidadea surtos(UOC)conformeIEC61000-4-5 [10].Defato,eumesmojátesteiimunidadeasurtosdeconversorchaveadoem que,aoseremaplicadosimpulsosdeaté 4kVentreFePE,acorrentedesaídado geradordeensaioserazero.Ouseja,o produtoatendiaaonívelespeci cadode imunidade“segurandoaonda”através dasisolaçõesinternas.Deve-seobservar que,nocasodeconversorescomumdos terminaisdesaídaligadoàmassado equipamento,aisolaçãoentreaentrada easaídadoconversor(transformadore acopladoróptico,tipicamente)também casujeitaasobretensõesdemodo-comumnaentrada.

42 EM | Novembro/Dezembro | 2022
nucleotcm

Proteção

Nessascondições,acoordenaçãoentre oequipamentoeoDPSexterno,instaladopróximoaoequipamento,setorna umaquestãodecoordenaçãodetensão apenas(valemastrêscondiçõesenvolvendo UP/F, UI e UW emC.2.1.8.bnaNBR 5419-4[1]),umavezquenãoháCPSno equipamentoatuandoemparalelocom oDPSexterno.ODPSdevesuportar, obviamente,aenergiaprevistanopontodeinstalação,emcoordenaçãocomo DPSamontante,sehouver.

Seoequipamentopossuirproteçãointerna,cujascaracterísticasnormalmentenãosãoconhecidaspeloprojetistade MPS(medidasdeproteçãocontrasurtos)dainstalação,acoordenação cainde nida,mesmoquesejamdeclarados osvaloresde UW e/ou UOC (vertabelaA.1 em[1]).Issoporque:

Aproteçãointernapodeternívelde atuaçãobemabaixodosvaloresdeclaradosde UW e/ou UOC.Se,combase apenasem UW e/ou UOC,umDPSexternoforselecionadocom UP umpoucoabaixode UW e/ou UOC,oqueestá correto,elepode caracimadonívelde

Fig.6–Relaçãoentreenergia dissipadaemcadaDPS eaenergiatotalaplicada nocircuitoemfunçãodo comprimentodocabo,para onda1/100ecabode16mm2 DPS1>DPS2:DPS1=B40K275 eDPS2=B40K250; DPS1<DPS2:DPS1=B40K250 eDPS2=B40K275; DPS1=DPS2=B40K250

atuaçãodaproteçãointerna. SeesteDPSestiverpróximo aoequipamento,comodeve ser(pormotivosdeindução eoscilação),acoordenação deenergia caráprejudicada vejaoexemploda gura6 [reproduzidaaqui],quemostravaristores vizinhos(emtensão)compartilhando aenergiadeformabastantedesigual,se colocadosladoalado:¼e¾daenergia total,aproximadamente;

• Oensaiodeimunidadesegundo aIEC61000-4-5[10]segueum procedimentoespecí co3.Naapli-

3OsensaiosconformeIEC61000-4-5têmo objetivoprincipaldeseverificaraimunidade doequipamentoasurtos,emqueodesem penhodoprodutoémonitoradodurante oensaio.Jánocasode UW, osensaiossão voltadosàsuportabilidadedasisolaçõesdo equipamento,nãoaquestõesfuncionais.

caçãodeimpulsosemmodo-comum,porexemplo,aimpedância desaídaefetivadogeradoré12 . Para UOC 4kV, ISC 0.33kA,que éumacorrenterelativamentebaixa edecurtaduração.Considerandoas impedânciasinternas,especialmenteadoCPS,acorrenteaplicadano ensaiodevesermenorque300A. Nesseensaio,umequipamento podeseraprovadosobum“alto” níveldeensaiodeimunidade,com varistorespequenos,aindamenores doqueo S20K[ gura2,reproduzida aqui].Assim,numainstalaçãoreal,

44 EM | Novembro/Dezembro | 2022

nafaltadecoordenaçãodeenergia comoDPSexterno,mesmoquehaja coordenaçãodetensão,podehaver danosnaproteçãointernae,consequentemente,noequipamento.

AnotadaseçãoA.2.2eanota3daseçãoC.2.1.2daNBR5419-4[1]chamam atençãoparaapossibilidadedeaproteçãointernadeumequipamentoafetar acoordenação.Oproblemaédiscutido maisdetalhadamentenoAnexoKda IEC61643-12[3]:“Immunityvs.rated impulsevoltagewithstand ”,queconclui dizendoque,parasegarantiraimunidadetotaldoequipamento,sãonecessáriasavaliaçõesadicionaisatravésdeensaiosousimulaçõesaníveldesistema.

Umasituaçãomuitocríticaenvolvendo acoordenaçãoentreCPSdeumequipamentoeDPSexternoéilustradana gura10.Umequipamento,queatende

Fig.2–VaristoresEpcosS20K(disco)e B40K(bloco)

aumcertoníveldeimunidadeconformeaIEC61000-4-5[10],écolocadona entradadeumainstalação sicamentemuitopequena,sujeitaadescargas diretasfrequentes.Nesteexemplo,a separaçãoentreCPSeDPS(l1)émuito pequena,podendosermenorque1m. Oespaçoeocustosãolimitadospara aintroduçãodeindutoresdedesacoplamento.Acoordenaçãotemqueser direta,DPS-CPS,praticamentesemseparação.

SeAeBsãointegradosnumsóproduto, domesmofabricante,épreferívelque eledesenvolvaumDPSclasseI II III,

juntoaumoumaisfabricantesdeDPS, paraserintegradoaoprodutoA,em coordenaçãodeenergiacomoequipamentoB,coordenaçãoessaquedeveser veri cadaatravésdeensaioscomaltas correntesemlaboratório(10/350).A soluçãosetornaindependentedeeventuaisDPScolocadosforadeA.

Oajustedacoordenaçãoatravésdeensaios,mencionadoacima,nãoétrivial, nascondiçõescitadas,particularmente quantoàaplicaçãodeimpulsoemmodo-diferencial(entrecondutoresvivos). Talsobretensãopodesermoderadaem amplitude(dependendodatensãoresidualdoDPS,aproteçãointernadeB nematua),maspossuilongaduração. Ouseja,oDPStransformaoimpulsode correntenumasobretensãoachatadano início,quedecailentamente,comduraçãonacasademilissegundos.Um“tsunami”paraoscircuitosdeB.

45 EM | Novembro/Dezembro | 2022

Proteção

Sobretensõescomcaracterísticassimilares(baixaamplitudeelongaduração), resultantesdaaberturadefusíveisdevidoacurtos-circuitosdealtaamperagem,eseusefeitosnumdeterminado tipodeconversorchaveado,sãorelatadosnoartigoemreferência[11].Cabe mencionarqueconversoreschaveados, diantedeumasobretensãolonga,podemcortarospulsosdechaveamento, transformando-serapidamenteemcargasdealtaimpedância,oquecontribui paramanterasobretensãonaentrada pormaistempo,colocandocapacitores echavessemicondutorassobriscode danosporaltatensão.

Natecnologiaatual,umDPSclasseIdo tipocomutadordetensão(centelhador) temmaiorchancedecoordenaçãocom umCPS,porterumatensãoresidual bembaixa(tensãodearco,depoisda ignição),tipicamentepróximadatensão darede[13],absorvendoamaiorparte dacorrentee,portanto,daenergia.Nessecaso,deve-seatentarparaqueoCPS nãoimpeçaodisparodo spark-gap do DPS,oqueresultarianadestruiçãodo CPS.OsistemadeigniçãodeumDPS dessetipo,emparalelocomoCPS,deve atuarmesmoparaosimpulsoscomsubidasasmaislentas.Maisumarazão paraosensaios.

NocasodoinvólucroA(sejaumgabineteoucontêiner)serumasoluçãode umfabricantequeintegracomponentes dediversosfornecedores,épossívelque elede naasoluçãodeproteçãoatravés deumDPSclasseIInaentrada(o‘DPS’ na gura10),deixandooDPSclasseI, necessáriopelotipodeinstalação,a cargodoresponsávelpelosite,quepoderáinstalaroDPSclasseInumquadroexternoounopadrãodeentrada. Acoordenaçãopode carcomplicada, poisoprojetistadeB,ointegradorde AeoresponsávelpelaproteçãoclasseI dositenãoconhecemascaracterísticas detodososprotetoresinterligadosem cascata,acurtadistânciaumdooutro.

ig.1 Site detelecomunicaçõescom gabinete outdoor ligadoaumatorre, contendoume uipamento ueé ligadodiretamente redededistribuição deenergiaem T

Acoordenaçãodeenergiapodeprecisar deensaiose/ousimulações,comdados maisdetalhadosdetodososprotetores.

Nessestemposemquebuscamosmaior re namentonasproteçõescontraraios atravésdasMPS[1],seriainteressantequeosfabricantesdeequipamentos fornecesseminformaçõessobrecoordenaçãodeenergianassuasinstruçõesde instalação.

FabricantesdeDPStambémajudariam cominformaçõesmaisdetalhadassobre osseusprodutos,como,porexemplo,

ig.11 E ventil M T Me varistorE CO .

46 EM | Novembro/Dezembro | 2022

Proteção

ascaracterísticas VXI dosdispositivos limitadoresdetensãoeníveisdeproteçãodedispositivoscomutadores,antese apósdisparodo spark-gap.Apropósito, umdadomuitointeressanteeútilpara análisesdecoordenaçãodeenergiame chamouaatençãonafolhadedadosdo DPSclasseI+II+IIIdaDEHN, oDEHNventilDVM2TN255FM [12],queé dotipocomutadordetensão.Odocumentodeclaraqueaenergiaquepassa (let-throughenergy)paraumvaristor S20K275 ajusante(10m)émenorque 1J,quandoimpulsosdecorrente I imp (10/350)de2,5kAaté25kAsãoaplicadosnoDPS.A gura11dáumaideia doensaioeadiferençadoportedoDPS classeIedovaristor.O S20K275 suporta 151J(tabelaI,reproduzidaacima).

Umadicaimportanteparaosprojetistasdeequipamentos:utilizemproteções comtensõesresiduaisasmaisaltaspossíveis,queaindagarantamaproteção doequipamento.AchancedecoordenaçãodeenergiacomDPSexternosé muitomaior, alémdequê,quantomais afastadodatensãonominaldarede,melhor[14].

Conclusões

DiversosaspectosenvolvendoacoordenaçãodeenergiaentreDPSforamanalisadasnaspartes1e2desteartigo.

Paraacoordenaçãodeenergia,aNBR 5419-4nosremeteàIEC61643-12eà IEC61643-22,ondesãoapresentadas técnicasanalíticas,oqueincluisimulaçãoporcomputador,eensaio.ANBR 5419-4eaNBR5410tambémrecomendamqueosfabricantesdeDPSdisponibilizeminformaçõeseinstruçõespara seconseguircoordenaçãodeenergia.

AdistânciadeseparaçãoentreDPS (comprimentodoscabos)éimportante nareduçãodaenergiadossurtostrans-

mitidosparadentrodainstalação,mas paraimpulsosdelongaduraçãoadistâncianecessáriaparagarantircoordenaçãopodeserexcessivamentegrande. Nessecaso,umaboasoluçãoconsiste emselecionarumDPSamontantecom níveldeproteçãomenorquedoDPSa jusante,demodoqueamaiorparteda corrente uaporesseDPS,aliviandoo DPSmenor.

TensõesindutivasnasconexõesdeDPS, assimcomoinduçõeseoscilaçõesna interligaçãoentreDPS,causamvariaçõesdesprezíveisdeenergianosDPS. Apesardisso,érecomendávelmanteras conexõesdosDPScurtasnoslocaisde instalaçãoemanterosfeixesdecabos doscircuitosbemunidos,utilizarcabos trançados(PP)oublindados,senecessário,parareduziraáreadeindução.

Altastensõesinduzidasemgrandes laços,ondeoscondutoresdeumcircuitofaçampartedesseslaços,podem darlugaraaltascorrentescirculando peloscondutoresPE,resultandoem forteinduçãoemmodo-comumeem modo-diferencialentrePEeosdemaiscondutoresdomesmocircuito, compossibilidadedeaumentosigni-

48 EM | Novembro/Dezembro | 2022
Tab.I-Correnteeenergia máximasdosvaristores Varistor máx. máx. (J) S20K230 8kA 8/20 130 S20K250 140 S20K275 151 S20K320 184 B40K230 40kA 8/20 460 B40K250 490 B40K275 550 B40K320 640

cativodeenergianoDPSmenor,a jusante.Cabostrançadosnãoajudam nessecaso,quandoocondutorPEé trançadojuntocomoscondutores vivos.

OsDPSclasseImodernos,dotipocomutador(centelhador),possuemtensõesdearcopróximadatensãodarede, bemabaixodastensõesresiduaisdedispositivoslimitadoresdetensão(varistores),eporissooferecemboaschancesde coordenaçãodeenergiacomosDPSa jusanteecomasproteçõesinternasde equipamentos.

Emsituaçõesespeciais,envolvendo equipamentosso sticadosequedesempenhemfunçõescríticas,érecomendávelfazeranálisesmaisrigorosas decoordenaçãodeenergiaentreas proteçõesinternasdosequipamentos eosDPSexternos.Nocasodeinsta-

lações sicamentemuitopequenas, comogabinetes outdoor epequenos contêineres,sujeitasadescargasatmosféricasdiretasefrequentes,em queadistânciaentreequipamentoe entradadeenergiaémuitopequena (<1m,emcertoscasos),ensaiospodemsernecessáriosparaseveri car ouajustaracoordenaçãodeenergia entreDPSeequipamento.

REFERÊNCIAS

[NotadoAutor:Asreferênciasapresentadassãoasque estavamdisponíveisduranteaelaboraçãodoartigo. Algumasreferênciaspodemestardesatualizadase algumasnormasIECpodemterequivalentesNBR.]

[1]ABNTNBR5419-4:2015– Proteçãocontra descargasatmosféricas–Parte4:Sistemaselétricos eeletrônicosinternosnaestrutura ;1ªEdição;2015.

[2]ABNTNBR5410:2004(+errata2008)- Instalações elétricasdebaixatensão

[3]IEC61643-12– Low-voltagesurgeprotectivedevices –Part12:Surgeprotectivedevicesconnectedtolowvoltagepowersystems–Selectionandapplication principles ;Ed.3.0,2020.

[4]IEC61643-22– Low-voltagesurgeprotectivedevices –Part22:Surgeprotectivedevicesconnectedto

Telecommunicationsandsignallingnetworks–Selectionandapplicationprinciples ;Ed.2.0,2015.

[5]IEC61643-11– Low-voltagesurgeprotectivedevices –Part11:Surgeprotectivedevicesconnectedtolowvoltagepowersystems–Requirementsandtest methods ;Ed.1.0,2011.

[6]ABNTNBR5419-1:2015– Proteçãocontradescargas atmosféricas–Parte1:Princípiosgerais;1ªEdição;2015.

[7]LaiandMartzloff: CoordinatingCascadedSurge ProtectionDevices:High-LowversusLow-High. “IEEETransactionsonIndustryApplications”, Vol.29,No.4, July/August 1993.

[8]A.R.Panicali;J.PissolatoFilho;C.F.Barbosa; J.C.O.Silva;N.V.B.Alves: ProtectionofElectronic EquipmentInsideBuildings:AHiddenSourceof Damages. 33rdInternationalConferenceon LightningProtection(33rdICLP);Estoril, Portugal;Set.,2016.

[9]A.R.Panicali;Silva,J.C.O.: Hightouchvoltagesinsidesmall buildingsduetodirectlightningstrikes. International ConferenceonGroundingandEarthing(Ground’2020/21) and6thLightningPhysicsandEffects–LPE;Web Conference;Jun.2021.

[10]IEC61000-4-5– Electromagneticcompatibility (EMC)–Part4-5:Testingandmeasurement techniques–Surgeimmunitytest ;Ed.3.0;2014.

[11]Silva,J.C.O.;Bäckman,N.: OvervoltagesonAC portsofDCpowersystems ;IEICE/IEEEIntelec’03; Yokohama,Japan;October2003.

[12]ProductDataSheet: DEHNventilmodular, DVM2TN255 FM (954205);https://www.dehn.se;08.2022.

[13]DEHN+SÖHNE: Lightningprotectionguide ;3 rd updatededition,Dec.2014.

[14]MartzloffandLeedy: Selectingvaristorclamping voltage:lowerisnotbetter! ;8 th International ZürichSymposiumonEMC,1989.

49 EM | Novembro/Dezembro | 2022

Vocabuláriotécnico

Traduzindo eu i o corretamente omi v ue e e v ue

IvoÁzara iag eneg oIn etro Instituto ion e etro o i u i ee e no o i

stermosdoinglêstécnico rated value e nominalvalue nemsempresãoobjetodeumadistinçãoclara. Ambostêmsidohabitualmentetraduzidosparaoportuguêscomo“valornominal”,masissonãoestácorreto,uma vezqueosdoistermostêmde nições diferenteseminglês,fornecidaspela IEC– InternationalElectrotechnicalComission

Órgãocompodernormativoreconhecidoemmuitospaíses,inclusivenoBrasil, aIECmantémnainterneta Electropedia- eWorld’sOnlineElectrotechnical Vocabulary [1],ondepodemserconsultadasasde niçõesdeumaamplagama determostécnicos.Ostermosede niçõesconstantesna Electropedia também sãopublicadosnasériedenormasinternacionaisIEC60050- International ElectrotechnicalVocabulary(IEV).

ComoaIECsededicaàelaboraçãoeà publicaçãodenormasinternacionais nastecnologiaselétrica,eletrônicaeem outrasaestasrelacionadas,queemconjuntosãochamadasdeEletrotecnologia [2],osconceitosaquidiscutidosseaplicamdiretamenteaessasáreas,embora possamserestendidosaoutras,como veremos.

ise

A Electropedia apresentaumagrande quantidadedede niçõesparaambos ostermos,compequenasvariações,dependendodocampodeaplicação.Estão apresentadasaseguirasde niçõesexistentesparaessestermosnaárea Electricalandmagneticdevices/Operation conditionsandtesting,quemostrama distinçãoentreosdoistermos.

e ueos oister ose in st si o tr u i osin istint ente r o ortu u s o o orno in os utores este rti o n is s e ini esori in is I Ce ress t s i eren sentre os o ue i ort nte r i ers s ti i es in uin o e or o enor st ni s e s n r r n en o

•151-16-09(nominalvalue) valueof aquantityusedtodesignateand identifyacomponent,device,equipment,orsystem[Note– enominalvalueisgenerallyarounded value]

Traduçãodosautores: valorde umagrandezausadoparadesignar eidenti carumcomponente,dispositivo,equipamentoousistema [Nota–Ovalornominalégeralmenteumvalorarredondado].

Notadosautores:Atraduçãode nominalvalue paraoportuguês,apresentadanaprópria Electropedia,é “valornominal”.

•151-16-08(ratedvalue) valueofa quantityusedforspeci cationpurposes,establishedforaspeci edsetof operatingconditionsofacomponent, device,equipment,orsystem.

Traduçãodosautores: valordeuma grandezausadopara nsdeespecicação,estabelecidoparaumconjuntoespeci cadodecondiçõesde operaçãodeumcomponente,dispositivo,equipamentoousistema.

Notadosautores: Na Electropedia,a traduçãode ratedvalue paraoportuguêsé“valorestipulado”.

Hásutisdiferençasentreasde nições dessesdoistermos,asquaispodemser

50 EM | Novembro/Dezembro | 2022

Vocabuláriotécnico

melhorilustradaspormeio dosexemplosapresentados aseguir.

Exemplo1

Separaumalâmpadaé apresentadaumapotência nominalde20W,istosigni caqueoseuconsumo seencontraemumafaixa devalorespróximosde 20W,masquepodemdiferirdeumalâmpadapara outraemumamesmaamostra.Ovalor médiomedidonaamostra,emdeterminadascondiçõesdeensaio,poderá ser,porexemplo,21,5W.Então,aessa amostraestarãoassociadososseguintes valores: Potêncianominal:20W Potênciaestipulada:21,5W

ig.1 adosdaespecificaçãodeumal mpada uorescente 3

como rated,conclui-sequeoprimeiroé onominal.O uxoluminosoestipulado (2350lm)éomedidonacondiçãoespeci cada(35°C).Apotênciaestipulada (rated)de36W nestecasoespecí co, igualàpotêncianominal éapotência medidautilizando-sealimentaçãode altafrequênciaparaalâmpada.

Exemplo2

A gura1reproduzpartedafolhade dadosdalâmpada uorescentetubular 36WFrostWhite12000KLF daSylvania[3],apresentandovaloresdediversas grandezasidenti cadoscomo rated.

Emboranãoestejasempremencionado otermo nominal,quandoexistemdois valores,sendoosegundoidenti cado

Ospercentuaisdemanutençãode uxo luminoso(ratedlumenmaint.factor), tambémsãovaloresestipulados(rated values),associadosadeterminadosnúmerodehorasdeoperaçãoedefrequênciadarede.

Exemplo3

Asmesmasconsideraçõesvalempara equipamentosdeoutrasáreas,por exemplomotoresdecombustãointerna.Na gura2estãoapresentadas algumascaracterísticasdeummotor

52 EM | Novembro/Dezembro | 2022
ig. artedaespecificaçãodeummotordeautom vel

chamadode“1.6L”,oquecorrespondeaumacilindradade1,6litros,ou 1600cm3.Deacordocomosconceitos apresentados,ovalorapresentadona gurapara“cilindrada”,1597cm3, seriaovalorestipulado,enquantoo valornominalseria1600cm3

Conclusões

Ovalorestipulado(ratedvalue)éum valorassociadoaoprojetodoequipamento,correspondendoaumacondição especí ca,enormalmenteédiferentedo valornominal.Porexemplo,amáximae amínimatensõesadmissíveisparaaalimentaçãodeummotorelétrico,o uxo luminosodeumalâmpadaemumadeterminadatemperaturaambiente,etc.

Ovalornominal(nominalvalue)não estánecessariamenteassociadoacon-

diçõesespecí cas.Éumareferência,ou umadesignação,enormalmenteéum valorarredondado.

Ovalorestipuladopodeserdeterminadoouveri cadoatravésdeensaionas condiçõesespeci cadas.Osresultados dosensaiospermitemtambémveri car seovalornominaldeclaradoécompatívelcomosvaloresmedidos,deacordo comointervalodevaloresestipulados correspondentesaovalornominal.Por exemplo,o“Regulamentotécnicoda qualidadeparalumináriasparailuminaçãopúblicaviária”,doInmetro,especi canatabela4deseuanexoB[5]que ovalornominaldeTCC2700Kcorrespondeavaloresestipulados(medidos) de2580Ka2870K,emcondiçõespredeterminadasdeensaio.

Umavezanalisadososconceitos, ca entendidoquenoBrasil,emportuguês,

otermo ratedvalue devesertraduzido como“valorestipulado”,emconcordânciacomatraduçãodaIECna Electropedia paraoportuguês.Issoseaplica especialmenteaosdocumentosgerados pelaIEC,porexemplo,quandodatraduçãodenormasIECparaoportuguês.

Agradecimento OautorIvoÁzaraagradeceoapoiodoInmetro, atravésdoProgramaPronametro,paraodesenvolvimentodapesquisa.

REFERÊNCIAS

[1]https://www.electropedia.org/iev/iev.nsf/6d6bdd 8667c378f7c12581fa003d80e7?OpenForm(consultadoem26/09/2022)

[2]https://www.iec.ch/who-we-are(consultadoem 26/09/2022)

[3]https://www.sylvania-lighting.com/product/enint/products/0000107/(consultadoem26/09/2022)

[4]https://www.ford.com.br/content/dam/Ford/web site-assets/latam/br/servico-ao-cliente/ manuais/2016/manuais-do-proprietario/New%20 Fiesta%20-%20Manual%20do%20Proprietario%20 -%20MY16.pdf(consultadoem26/09/2022)

[5]http://sistema-sil.inmetro.gov.br/rtac/ RTAC002452.pdf(consultadoem26/09/2022)

53 EM | Novembro/Dezembro | 2022

Guia–3

Revendedorese distribuidores demateriais elétricos

Atualizadoanualmente,estelevantamento de EM trazumarelaçãodeprodutos comercializadosporempresasderevenda dematerialelétricodeinstalaçãoede iluminaçãodetodooPaís.Elasaparecem natabelaagrupadassobassiglasdos EstadosdaFederaçãoemqueestão sediadas,comseusnúmerosdetelefone paraatendimentoaosclientes.

DaRedaçãodeEM

R ( 1

i

PlugEletricidade– (82)98836-8081 plugeletricidade@uol.com.br AL

BAElétrica– (92)9997-4023 sac@baeletrica.com.br

AmaraNZero– (71)3483-3212 sac@amaranzero.com

Photosolar– (73)99165-2598 comercial@photosolarenergia.com.br

Conecta– (75)99103-7411 conecta.mat.eletrico@hotmail.com

Multielétrica– (71)99956-0232 comercial@multieletrica.net.br

ElétricaBahiana– (71)99708-9783 contato@eletricabahiana.com.br

W.L.– (61)3465-9800 vendas@wlatacadista.com.br

Ematel– (27)99316-5526 ematelcompras@gmail.com

DmaisMultisoluções (62)98153-5145 adriano@dmaismultisolucoes.com.br

AmorimEngenharia– (34)3831-6300 amorim@amorimeng.com.br

BrancoMateriais– (34)3661-1222 compras@brancomateriaiseletricos. com.br

CentralIluminação–(31)3429-8500 vendas@centraliluminacao.com.br

ComercialElétrica–(38)3741-1701 moises.assuncao@hmmateriais.com.br

EdilsonElétrica– (32)98405-1201 vendas@edilsoneletrica.com.br

P S ( 2

c

o / c a b o s o a

o n e c t o r, t e r m i n a A b r a ç a d e i r a ( 4 ) E l e t r o d u t o ( 5 ) C a n a e t a , p e r fi l a d o O u t r a s i n h a s ( 6 ) C a x a s ( 7 )

P u g u e e t o m a d a p r e d a l I n t e r r u p t o r ( 8 ) B o t ã o, s i n a l i z a d o r R e é f o t o e é t r c o M i n u t e r i a ( 9 ) D m m e r S e n s o r p r e s e n ç a ( 1 0 ) C o n t a t o r, r e l é ( 1 1 )

C h a v e p a r t i d a ( 1 2 ) L â m p a d a fl u o r e s c e n t e L â m p a d a h a l ó g e n a L â m p a d a L E D L u m i n á r i a ( 1 3 ) L u m i n á r i a L E D ( 1 3 ) R e a t o r I l u m i n a ç ã o e m e r g ê n c i a P á r a r a i o p r e d i a ( S P D A ) C a p a c i t o r ( 1 4 ) F e r r a m e n t a s e é t r c a s I n s t r u m e n t o s ( 1 5 ) U P S ( 1 6 ) P r o d u t o s p / g e r e n c a m e n t o d e e n e r g i a P r o d u t o s f o t o v o l t a c o s ( 1 7 )

54 EM | Novembro/Dezembro | 2022
Empresa Telefone E mail UF Componentes BT Linhas elétricas Distribuição terminal Comando, controle Iluminação Outros P a i n e e q u a d r o B T M
n i d s u
D
i
n t o r
s u n t o r c a i x a m o l d a d a D s p o s
t i v o s D
) D
) F u s í v e l S e
c o n a d o r ( 3 ) F
d o B T C
P
I
u s t r
r e d a l
n d
i a
••••••••••••••••••••••••••••••••••••
••••••••••••••••••••••••••••••••••••••
AM
••••• •
BA
•••••••••••••• •••
BA
•••••••••••••••••••••••••••••••••
BA
••••••••••••••••••••••••••••
BA
BA •••••••••••••••••••••••••••••••••
DF •••••••••••••••••••••••••••••••••••
ES •••••••••••••••••••••••••••••••••••
GO •••••••••• •••••••••••
MG •••••••••••••••••••••••••••••••••
MG ••••••••••••••••••••••••••••••••••••••
MG ••••••••••••••••••••••••
MG •••••••••••••••••••••••••••••••
MG ••••••••••••••••••••••••••••••••

Empresa Telefone E mail UF

Componentes BT Linhas elétricas Distribuição terminal Comando, controle Iluminação Outros

P a i n e e q u a d r o B T M n i d s u n t o r D s j u n t o r c a i x a m o l d a d a D s p o s t i v o s D R ( 1 ) D P S ( 2 ) F u s í v e S e c c o n a d o r ( 3 ) F i o / c a b o s o l a d o B T C o n e c t o r, t e r m i n a l A b r a ç a d e r a ( 4 ) E l e t r o d u t o ( 5 ) C a n a e t a , p e r fi l a d o O u t r a s l i n h a s ( 6 ) C a x a s ( 7 )

P l u g u e e t o m a d a p r e d a l I n t e r r u p t o r ( 8 ) B o t ã o, s n a l z a d o r R e é f o t o e l é t r c o M n u t e r i a ( 9 ) D m m e r S e n s o r p r e s e n ç a ( 1 0 ) C o n t a t o r, r e é ( 1 1 ) C h a v e p a r t i d a ( 1 2 ) L â m p a d a fl u o r e s c e n t e L â m p a d a h a l ó g e n a L â m p a d a L E D L u m n á r i a ( 1 3 ) L u m n á r i a L E D ( 1 3 ) R e a t o r I u m i n a ç ã o e m e r g ê n c i a P á r ar a o p r e d i a ( S P D A ) C a p a c i t o r ( 1 4 ) F e r r a m e n t a s e l é t r i c a s I n s t r u m e n t o s ( 1 5 ) U P S ( 1 6 )

ElétricaBambuí– (37)98831-1401 casaeletricabambui@yahoo.com.br MG

ElétricaCidade– (34)3256-4944 eletricacidade@eletricacidade.com.br

ElétricaMinas– (37)98839-0587 vendas@eletricaminas.com.br

Eletromuniz– (37)98826-2320 eletromuniz@eletromuniz.com.br

Eletrowatts–(34)3312-1482 eletrowattsltda@hotmail.com

E uiflex (31)99730-6350 e uiflex e uiflexeletrica com br

FerragensLucas– (31)98618-5982 vendas@grupolucas.com,br

LojaElétrica– (31)4020-2882 uberlandia@lojaeletrica.com.br MG

Lumatel– (37)98402-3765 el.lumatel@gmail.com

Metrum–(31)3492-6944 comercial@memt.com.br

Othon– (31)98225-4604 vendas@othondecarvalho.com.br

PortoVelho– (37)3221-5533 edison@eletricaportovelho.com.br

ProjelmigElétrica– (33)99907-4031 compras@projelmig.com.br

Sistel– (35)98853-5221 vendas@sistelmaterialeletrico.com.br

Sulmins– (35)99936-6274 vendas sulminasfiosecabos com br

UniversoElétrico– (31)99958-1336 universo@universoeletrico.com.br

MarqueseBorba– (67)99981-9256 vendas@marqueseborba.com.br MS

ElétricaParaná– (65)99959-0693 lazaro@eletricaparana.com.br

ElétricaUnião– (65)99213-7575 compras@eletricauniaovg.com.br

Eletrofios (65)3618-2500 vendas eletrofios com br

Tartari–(65)3637-8000 vendastartari@terra.com.br

CasadoEletricista– (93)99192-4664 pg.c@hotmail.com

EletroShopping– (91)98115-9103 contato@eletroshopping-pa.com

55 EM | Novembro/Dezembro | 2022
P r o d u t o s p / g e r e n c a m e n t o d e e n e r g a P r o d u t o s f o t o v o l t a c o s ( 1 7 )
P r e d a l I n d u s t r i a l
••••••••••••••••••••••••••••
•••••••••••••••••••••••••••••••••
MG
••••••••••••••••••••••••••••••••
MG
•••••••••••••••••••• ••
MG
••••••••••••••••••••••••••••
MG
MG ••••••••••••••••••••••••••••••••••••
MG ••••••••••••••••••••••••••••••••••
••
•••••••••••••••••••••••••••••••••••
••••••••••••••••••••••••••••••••••••••
MG •••••••••••••••••••••••••••••••••
MG •
MG
•••••••••••••••••••••••••••••••
MG
••••••••••••••••••••••••••••••••••
MG
••••••••••••••••••••••••••••
MG
••••••••••• •••••
•••••••••••••••••••••••••••••
MG
MG
• •••••••••••••••
•••••••••••••••••••••••••••••••••
MT
MT •••••••••••••••••••••••••••••••••••••
MT •••••••••••••••••••••••••••••••
MT ••••••••••••••••••••••••••••••••••••
•••••••••••••••••••
PA
•••••••••••••••••••••••••••••••••
PA

Empresa Telefone E mail UF

Componentes BT Linhas elétricas Distribuição terminal Comando, controle Iluminação

P a i n e e q u a d r o B T M n i d s u n t o r D s j u n t o r c a i x a m o l d a d a D s p o s t i v o s D R ( 1 ) D P S ( 2 ) F u s í v e S e c c o n a d o r ( 3 ) F i o / c a b o s o l a d o B T C o n e c t o r, t e r m i n a l A b r a ç a d e r a ( 4 ) E l e t r o d u t o ( 5 ) C a n a e t a , p e r fi l a d o O u t r a s l i n h a s ( 6 ) C a x a s ( 7 )

FácilConstruir– (91)9208-6171 construir2001@hotmail.com PA

TransolTecnologia– (91)3204-7700 vendasbelem@eletrotransol.com.br PA

Camel– (81)99173-8533 vendas@cameleletricidade.com

LukmaEletric– (81)99963-7045 vendas@lukmarecife.com

Lumens– (81)99521-1413 eletricalumens@gmail.com

Coeletra–(81)3231-0018 gilberto@coeletra.com.br

Swan– (86)99988-6470 mccswan@terra.com.br

Argos– (41)98801-1047 argoseletrica@argoseletrica.com

Ceigon– (41)3023-4466 vendas@ceigon.com.br

Comag– (43)99618-4262 comercial@comagcondutores.com.br

EletrizaMateriais– (41)3226-4366 eletriza@eletriza.com.br

EletroConduluz–(43)3374-9900 mario@eletroconduluz.com.br

Eletropainel–(44)3027-9868 eletropainel@eletropainel.com.br

Eletrosul– (45)99973-0222 vendas@eletrosul.com.br

Eletrotrafo–(43)3520-5000 vendas3@eletrotrafo.com.br

NER– (41)99974-5362 contato@nerluz.com.br

Onix–(44)3233-8500 cristine@romagnole.com.br

Patoeste– (42)3621-3366 roberto@patoeste.com.br

Thoms– (42)98431-3795 eliete@thoms.com.br

CasaMoreira–(21)2710-2233 ajms777@gmail.com

EletroforConecta– (21)96486-3328 eletroforconecta@hotmail.com

Loufan– (21)99536-6728 vendas@loufan.com.br

PrimeElétrica– (21)4063-6600 vendas@primemro.com.br

Outros

P l u g u e e t o m a d a p r e d a l I n t e r r u p t o r ( 8 ) B o t ã o, s n a l z a d o r R e é f o t o e l é t r c o M n u t e r i a ( 9 ) D m m e r S e n s o r p r e s e n ç a ( 1 0 ) C o n t a t o r, r e é ( 1 1 ) C h a v e p a r t i d a ( 1 2 ) L â m p a d a fl u o r e s c e n t e L â m p a d a h a l ó g e n a L â m p a d a L E D L u m n á r i a ( 1 3 ) L u m n á r i a L E D ( 1 3 ) R e a t o r I u m i n a ç ã o e m e r g ê n c i a P á r a r a o p r e d i a ( S P D A ) C a p a c i t o r ( 1 4 ) F e r r a m e n t a s e l é t r i c a s I n s t r u m e n t o s ( 1 5 ) U P S ( 1 6 ) P r o d u t o s p / g e r e n c a m e n t o

Guia–3 56 EM | Novembro/Dezembro | 2022
P r e d a l I n d u s t r i a l
d e e n e r g a P r o d u t o s f o t o v o l t a c o s ( 1 7 )
•••••••••••••••••••••
••••••••••••••••••••••••••••••••••••••
••••••••••••••••••••••••••••••••••
PE
••••••••• •••••••••••
PE
••••••••••••••••••••••••••••••
PE
•••••••••••••••••••••••••••
PE
••••••••••••••••••••••••••••
PI
•••••••••••••••••••••
PR
•••••••••••••••••••••••••••••••••••••
PR
• •
PR ••••••••••••••••••••••••••••••••••
PR
PR ••••••••••••••••••••••••••••••••••••
PR ••••••••••••••••••••••••••••••••••••••
PR ••••••••••••••••••••••••••••••••••••
PR ••••••••••••••••••••••••••••••••••••••
PR ••
PR •••• • ••
PR ••••••••••••••••••••••••••••••••
PR ••••••••••••••••••••••••••••••••••
RJ ••••••••••••••
RJ •••••••••••••••••••••••••••••••
RJ •••••••••••••••••••••••••
RJ •••••••••••••••••••••••••••••••••

Componentes

P a i n e e q u a d r o B T M n i d s u n t o r D s j u n t o r c a i x a m o l d a d a D s p o s t i v o s D R ( 1 ) D P S ( 2 ) F u s í v e S e c c o n a d o r ( 3 ) F i o / c a b o s o l a d o B T C o n e c t o r, t e r m i n a l A b r a ç a d e r a ( 4 ) E l e t r o d u t o ( 5 ) C a n a e t a , p e r fi l a d o O u t r a s l i n h a s ( 6 ) C a x a s ( 7 )

P l u g u e e t o m a d a p r e d a l I n t e r r u p t o r ( 8 ) B o t ã o, s n a l z a d o r R e é f o t o e l é t r c o M n u t e r i a ( 9 ) D m m e r S e n s o r p r e s e n ç a ( 1 0 ) C o n t a t o r, r e é ( 1 1 ) C h a v e p a r t i d a ( 1 2 ) L â m p a d a fl u o r e s c e n t e L â m p a d a h a l ó g e n a L â m p a d a L E D L u m n á r i a ( 1 3 ) L u m n á r i a L E D ( 1 3 ) R e a t o r I u m i n a ç ã o e m e r g ê n c i a P á r a r a o p r e d i a ( S P D A ) C a p a c i t o r ( 1 4 ) F e r r a m e n t a s e l é t r i c a s I n s t r u m e n t o s ( 1 5 ) U P S ( 1 6 ) P r o d u t o s p / g e r e n c a m e n t o d e e n e r g a

Ivanlux– (84)99928-0213 vendas@ivanlux.com.br

SolComercial– (84)9623-3838 sol.ilumina@uol.com.br

Dambros– (95)99695-9101 matheus.dambros@hotmail.com

CBM– (51)3714-2122 compras@cbmlajeado.com.br

Celetro– (54)99154-8708 celetro@celetrocaxias.com.br

Cigame– (51)3356-5555 vitor.ledur@cigame.com.br

ElétricaPortoAlegre (51)98311-9382 eletricaportoalegre@terra.com.br

Eletro-Star– (51)99839-6876 eletrostar1982@terra.com.br

Eletrofar– (54)3401-3000 eletrofar@eletrofar.com.br

Emetec– (53)98433-0554 contato@emetecpelotas.com.br

Esprex– (51)99977-5977 mozar@ciadaslampadas.com.br

Gasima– (51)98594-4355 contato@gasima.com.br

Girondi–(54)3452-2366 girondi.servicos@yahoo.com.br

Precimech– (51)99894-6381 vendas@precimech.com.br

SOSIluminação– (51)99991-5278 sosiluminacao@outlook.com

Teutoluz– (51)98441-8772 cristiano@teutoluz.com.br

Thobe– (51)98444-6839 thobeltda@terra.com.br

ChapecóMateriais– (49)2049-4100 inacio@chapecocme.com.br

CJSAutomação– (47)99967-2231 claudinei@cjsautomacao.com.br

Coisarada– (49)98406-2120 coisarada@coisarada.net

Eletrogêneo– (48)99959-0489 carlos.contessi@terra.com.br

Eletrolux– (48)99165-6425 vendas1@comercialeletrolux.com.br

57 EM | Novembro/Dezembro | 2022
Empresa Telefone E mail UF BT Linhas elétricas Distribuição terminal Comando, controle Iluminação Outros
P r e d a l I n d u s t r i a l
P r o d u t o s f o t o v o l t a c o s ( 1 7 )
RN ••••••••••••••••••••••••••••••••••••••
RN ••••••••••••••••••••••••••••••••••••
•••••••• ••••
RR
RS •••••••••••••••••••••••••••••••••
•••••••••••••••••••••••••••••••••
RS
••••••••••••••••••••••••••••••••••••••
RS
RS ••••••••••••••••••••••••••
••••
RS
RS ••••••••••••••••••••••••••••••••••••
••••••••••••••••••••••••••••••••
RS
RS •••••••••••••••••••••••••••••
••••••••••••••••••••••••••••••••••••••
RS
RS ••••••••••••••••••••••••••••••••••••••
RS •••••••••••••• ••
•••••• •••••••
RS
RS •••••••••••••••••••••••••••••••••••
•••• •
SC •••••••••••••••••••••••••••••••••••••
RS
SC ••••••••••••••••••••••••••••••••••
SC •••••••••••••••••••••••••••••••
SC •••••••••••••••••••••••••••••••••
SC •••••••••••••••••••••••••••••••••••••

Componentes BT Linhas elétricas Distribuição terminal Comando, controle Iluminação Outros

P a i n e e q u a d r o B T M n i d s u n t o r D s j u n t o r c a i x a m o l d a d a D s p o s t i v o s D R ( 1 ) D P S ( 2 ) F u s í v e S e c c o n a d o r ( 3 ) F i o / c a b o s o l a d o B T C o n e c t o r, t e r m i n a l A b r a ç a d e r a ( 4 ) E l e t r o d u t o ( 5 ) C a n a e t a , p e r fi l a d o O u t r a s l i n h a s ( 6 ) C a x a s ( 7 )

P l u g u e e t o m a d a p r e d a l I n t e r r u p t o r ( 8 ) B o t ã o, s n a l z a d o r R e é f o t o e l é t r c o M n u t e r i a ( 9 ) D m m e r S e n s o r p r e s e n ç a ( 1 0 ) C o n t a t o r, r e é ( 1 1 ) C h a v e p a r t i d a ( 1 2 ) L â m p a d a fl u o r e s c e n t e L â m p a d a h a l ó g e n a L â m p a d a L E D L u m n á r i a ( 1 3 ) L u m n á r i a L E D ( 1 3 ) R e a t o r I u m i n a ç ã o e m e r g ê n c i a P á r a r a o p r e d i a ( S P D A ) C a p a c i t o r ( 1 4 ) F e r r a m e n t a s e l é t r i c a s I n s t r u m e n t o s ( 1 5 ) U P S ( 1 6 ) P r o d u t o s p / g e r e n c a m e n t o

Hiletrolar– (47)98498-2544 hiletrolar@hiletrolar.com.br SC

Neuber– (47)98464-6946 eletricaneuber@netuno.com.br SC

Novaluz– (48)99609-3519 novaluzeletrica@hotmail.com SC

PrusteRozza– (47)99148-5148 vendas@perautomacao.com.br SC

Ricati– (48)98837-1599 vendas@ricati.com.br SC

Rossi– (47)99794-3312 vendas4@rossimateriaiseletricos.com.br SC

Tecnoeletro– (48)3525-0441 comercial02@tecnoeletro.com SC

Maquimp– (11)97675-1505 maquimp@maquimp.com.br SP-G

Mastercabos– (11)2341-3686 vendas@mastercabos.com.br SP-G • CoisaComércio– (11)4453-0255 coisacomercio@gmail.com SP-G

D’Assis– (11)98502-2480 atendimento@dassis.com.br SP-G

Dlight– (11)99296-5924 contato@dlight.com.br SP-G

ElétricaPaulista– (11)97174-0850 andre@paulistalampadas.com.br SP-G

Eurocabos– (11)95766-0455 vendas@eurocabos.com.br SP-G

JTElétrica–(11)3816-5711 e.joaotheodoro@uol.com.br SP-G

KMABrasil– (11)99485-3157 sac@kmabrasil.com.br SP-G

LugoComercial– (11)98481-1712 vendas@lugo.com.br SP-G

MédiaTensão– (11)99455-5056 mediatensao@mediatensao.com.br SP-G

Noferco– (11)3473-3913 contato@nofercoex.com.br SP-G

Osnil– (11)94764-5551 vendas@osnil.com.br SP-G

Pidegal– (11)2973-4499 pidegal@pidegal.com.br SP-G

Revemel– (11)99495-5167 revemel.vendas@uol.com.br SP-G

Revimaq– (11)99888-1575 revimaq@revimaq.com.br SP-G

Guia–3 58 EM | Novembro/Dezembro | 2022
Empresa Telefone E mail UF
P r e d a l I n d u s t r i a l
d e e n e r g a P r o d u t o s f o t o v o l t a c o s ( 1 7 )
••••••••••••••••••••••••••••••
••••••••••••••••••••••••••••••
••••••••••••••••••••••••••
••••••••• •••• •
•••••••••••••••••••••••••••••••••
••••••••••••••••••••••••••••••••••
••••••••••••••••••••••••••••••••••••
• •
•••••••••••••••••••••••••••••••
••
•••••••••••••••••••••••••••••••••••••
••••••••••••
•• •
••••••••••••••••••••••••••••••
• • ••
• •
•• ••
••••••••••••••••••••••••
•••••••••••••••••••••••••••••••••••
••••••••••••••••••••••••••••••••••
••••••••••••••••••••••••••••
••••••• ••••• •••

Empresa Telefone E mail UF

Componentes BT Linhas elétricas Distribuição terminal Comando, controle Iluminação Outros

P a i n e e q u a d r o B T M n i d s u n t o r D s j u n t o r c a i x a m o l d a d a D s p o s t i v o s D R ( 1 ) D P S ( 2 ) F u s í v e S e c c o n a d o r ( 3 ) F i o / c a b o s o l a d o B T C o n e c t o r, t e r m i n a l A b r a ç a d e r a ( 4 ) E l e t r o d u t o ( 5 ) C a n a e t a , p e r fi l a d o O u t r a s l i n h a s ( 6 ) C a x a s ( 7 )

P l u g u e e t o m a d a p r e d a l I n t e r r u p t o r ( 8 ) B o t ã o, s n a l z a d o r R e é f o t o e l é t r c o M n u t e r i a ( 9 ) D m m e r S e n s o r p r e s e n ç a ( 1 0 ) C o n t a t o r, r e é ( 1 1 ) C h a v e p a r t i d a ( 1 2 ) L â m p a d a fl u o r e s c e n t e L â m p a d a h a l ó g e n a L â m p a d a L E D L u m n á r i a ( 1 3 ) L u m n á r i a L E D ( 1 3 ) R e a t o r I u m i n a ç ã o e m e r g ê n c i a P á r a r a o p r e d i a ( S P D A ) C a p a c i t o r ( 1 4 ) F e r r a m e n t a s e l é t r i c a s I n s t r u m e n t o s ( 1 5 ) U P S ( 1 6 ) P r o d u t o s p / g e r e n c a m e n t o d e e n e r g a P r o d u t o s f o t o v o l t a c o s ( 1 7 )

SaltoLuz– (11)99740-3010 danislei@saltoluz.com.br SP-G

Santil– (11)3998-3000 santil@santil.com.br SP-G

Siro–(11)3879-6100 vendas@siro.com.br SP-G

Terrível– (11)3959-6859 atendimento@eletroterrivel.com.br SP-G

Transmontana– (11)2204-2129 daniel.dgp@hotmail.com SP-G

UnionSistemas– (11)99357-2392 comercial@unionsistemas.com.br SP-G

Virtus– (11)94734-3098 carlos@virtusdistribuidora.com.br SP-G

ACEngenharia– (14)99783-1230 vendas@acengenhariaeletrica.com.br SP-I

APEBauru– (14)99745-6525 vendas@apebauru.com.br SP-I ••••••

B&B– (19)99895-9861 bebeletricidade1@gmail.com SP-I

DaRoz– (19)3573-6900 vendas3@darozeletricidade.com.br SP-I

EletroCidade– (17)3321-1600 vendas@eletrocidade.com.br SP-I

FerlinGaona– (16)98170-3339 material@ferlingaona.com.br SP-I

Galasso– (13)97417-5469 galasso@galassosantos.com.br SP-I

Garoa– (16)98851-8856 garoaatende@gmail.com SP-I

KVAMateriais– (17)98192-0244 vendas@kvamateriaiseletricos.com.br SP-I

Lig-Bem–(19)3801-8188 vendas@ligbem.com.br SP-I

MBDistribuidora– (16)99456-0404 vendas@mbdistribuidora.net.br SP-I

MetaMateriais–(19)3471-2800 meta@metaeletrica.com.br SP-I

Servmontec– (16)3961-4260 edson@servmontec.com.br SP-I

Notas: (1) Dispositivos de proteção diferenc al residual; (2) D spositivos de proteção contra sur tos; (3) Chaves seccionadoras de ação rápida, seccionadores fusíveis e dispositivos correlatos; (4) Abraçadeiras, marcadores para amarração e identificação de fios e cabos; (5) Eletrodutos e acessórios; (6) Eletrocalhas, bandejas, leitos; (7) Caixas de ligação, de passagem, conduletes; (8) Interruptores nas suas diferentes versões: simples, paralelo, intermediário; (9) Minuteria e temporizador; (10) Conjugado ou não com luz e/ou minuteria; (11) Re és térmicos e outros relés para proteção de motores; (12) Chaves de par tida convencionais (par tida direta, estrela triângulo, compensadoras) e sof t star ters; (13) Luminárias convencionais, projetores, spots, etc; (14) Para correção do fator de potência; (15) Amperímetros, multímetros, testadores de continuidade, medidores de isolamento, terrômetros, instrumentos multifunção, etc; (16) Sistemas de energia ininterrupta (no breaks); (17) Módulos e/ou inversores FV;Cabos FV Obs : Os dados constantes deste guia foram fornecidos pelas próprias empresas que dele par ticipam, de um total de 1 529 empresas pesqu sadas Fonte: Revista Eletricidade Moderna, novembro/dezembro de 2022 Este e muitos outros guias estão disponíveis on line, para consulta Acesse w w w arandanet com br/revista/em e confira Também é possível incluir a sua empresa na versão on line de todos estes guias

59 EM | Novembro/Dezembro | 2022
P r e d
l I n d u s t r i a l
a
••••••••••••••••••••••••••••••••
•••••••••••••••••••••••••••••••••••
••••••••••••••••• •••••••••
••••••••••••••••••••
•••••••••••••••••••••••••••••
•••
••••• ••
••••• •••• ••
•••••••••• ••••
•••••••••••••••••••••••••••••••••
•••••••••••••••••••••••••••••••••••••
•••••••••••••••••••••••••••••••
••••••••••••••••••••••••••••
••••••••••••••••••••••••••••••••••••
••••••••••••••••••••••••••••••••••••
••••••••••••••••••••••
•••••••••••••••••••••••••••••••••••
•••••••••••••••••••••••••••••••••••
••••••••••••••••••••••••••
•• •

EMAterramento

Oaterramento temporário

Umdosaspectosmaisimportantespara quemtrabalhacominstalaçõeselétricas éoaterramento,sejaeleodaprópriaedicaçãoouoinstaladotemporariamente. Masenquantooaterramentoprincipalésimultaneamentefuncionaledesegurança,o aterramentotemporáriosedestinaexclusivamenteaprotegerpro ssionaistrabalhandocomaeletricidade.

Oaterramentoelétricotemporárioéum equipamentodeproteçãocoletiva,de nidopelaNR10como“ligaçãoelétricaefetivacon áveleadequadaintencionalàterra, destinadaagarantiraequipotencialidade emantidacontinuamenteduranteaintervençãonainstalaçãoelétrica”.Segundoa seção10.3.6damesmanorma,todoprojeto deinstalaçõeselétricasdeveprevercondiçõesparaquesejautilizadooaterramento temporário,easeção10.5.1determinaque somenteapósainstalaçãodoaterramento temporáriopoderáserconsideradadesenergizadaumainstalaçãoelétrica.Eisso nãoapenasparatrabalhoseminstalações demédiaoualtatensão,jáquenabaixa tensãoosriscosdeinvalidezpermanente oumortecausadapelocontatocomaeletricidadetambémémuitoalto.

Devidoàinexistênciadeumanorma ABNTsobreconjuntosdeaterramento temporário,estesdevemserespeci cados segundoanormaIEC61230:2008- Live working-Portableequipmentforearthing orearthingandshort-circuiting,queatualmenteestáemprocessodeadoçãonoBrasil pelaABNT.Taisconjuntossãoconstituídos porgarrasmetálicasqueseconectamaos cabosoubarramentosdainstalação.Essas garrastêmconectadoscondutores,normalmentecabosdecobre,osquaissãoconecta-

dosaoeletrododeaterramentojáexistente nainstalação.

Paraqueosconjuntosdeaterramento temporárioatuemquandoecomonecessário,elesdevemtercapacidadedeconduziracorrentemáximadecurto-circuito dainstalação,aomenostrêsvezesconsecutivas,duranteotemponecessárioparaa atuaçãodaproteção,ecorrentesinduzidas emregimepermanente.Tambéménecessárioqueseuscomponentessuportemos esforçosmecânicosprovenientesdascorrentesdecurto-circuito.Alémdisso,como sedestinamàproteçãodevidashumanas, osconjuntosdeaterramentotemporário devemlimitaraquedadetensãosobreeles duranteaconduçãodacorrentedecurtocircuitoavaloresquenãocoloquemem riscootrabalhadorqueestejaeventualmenteemparalelo.

Umconjuntodeaterramentotemporário deveserinstaladoseguindoumasequência prede nida,paraevitarquenasuaprópria instalaçãonãoseorigineumacidente.Inicialmente,deveser xadoumconectorna

barradeaterramento,paraemseguidaseremconectadasasgarrasnoscondutores, cabosoubarramentosdocircuitoprotegido.Quandooserviçoforencerrado(nunca antes),deve-seprocedernasequênciainversa,sempresendoretiradoporúltimooconectordabarradeaterramento.Emalgumasatividades,maisdeumconjuntodeve serutilizado,aterrandoamontanteeajusanteolocalondeotrabalhoserárealizado.

Conjuntosdeaterramentotemporáriodevemserespeci cadoscorretamente,recebendoamesmaatençãodevidaaossistemas deaterramentopermanente,jáqueambos terãoamesmafunçãoquandoforemsolicitadosaatuar.Alémdaimportânciada qualidadedosconjuntos,emsi,tambémé necessárioqueospro ssionaisqueirãoutilizá-lossejamtreinadosquantoaoseucorretousoeconservação,porquecasoseus conectores,cabosevarasdemanobranão estejamemperfeitascondições,apessoa queestiverexecutandoumserviçoonde elesestejaminstaladosteráumafalsasensaçãodesegurança,algotãoperigosoquanto nãohavernenhumaterramentotemporárioduranteaexecuçãodostrabalhos.

60 EM | Novembro/Dezembro | 2022
EngenheiroeletricistadaMPSEnergia,instrutordaTermotécnicaPara-Raiosemestrando doInstitutodeEnergiae mbienteda , SergioRobertoSantos apresentaeanalisa nestacolunaaspectosdeaterramentoeproteçãocontradescargasatmosféricase sobretensõestransit rias,temasaos uaissededicahámaisde anos.Osleitores podemapresentardúvidasesugestõesaoespecialistapeloe-mail em aterramento@ arandaeditora.com.br,mencionandoem“assunto”EM- terramento. terramentotemporário DEHNSE

NoBrasil

EncontroAbsolar –Nosdias7e8dedezembro,serárealizadanoCentrodeConvenções Rebouças,emSãoPaulo,SP,asegundaedição do EncontroNacionalAbsolar,voltadaparaos pro ssionaisdetodaacadeiadevalorsolar, quevisaabordartendênciaseestratégiaspara omercadofotovoltaico.Oeventoterámaisde 15sessõesdeconteúdoenegócios,60palestranteseinteraçãoentrepotenciaisfornecedores,clienteseparceiros.Maisinformaçõesem eventos@absolar.org.br

IntersolarSummit –O IntersolarSummit BrasilNordeste serárealizadoemFortaleza, CE,em18e19deabril.Voltadoparaespecialistasbrasileiroseinternacionais,enfocaráaenergiasolarerenovávelnaregião.O congressoreuniráespecialistasparadiscutir políticas,desa osesoluçõesrelacionados àgeraçãodistribuída,FVemlargaescala, nanciamento,FVehidrogênioverde,etc. Informações: https://www.intersolar.net.br/ en/home/summit-brasil-nordeste.

FIEE –A FIEE-FeiraInternacionaldaIndústriaElétrica,Eletrônica,Energia,AutomaçãoeConectividade,organizadapela ReedExhibitions,estámarcadapara18a21 dejulhode2023,noSãoPauloExpo,emSão Paulo,SP.Aexposiçãoéconsideradaumdos principaiseventosdesoluçõesemautomação,conectividade,equipamentoselétricos eeletrônicosdealtatecnologiaparainstalaçõesindustriais.Contacompresençade diversossegmentosentreosvisitantes:GTD deenergia,óleoegás,alimentos&bebidas, agronegócio,automotivo,transporte&logística,papelecelulose,químicaefarmacêutica, siderurgiaemetalurgia,mineração,cidades inteligentes,prefeituraseórgãospúblicos. Maisinformaçõessobreoeventopodemser obtidasno site www. ee.com.br

ThesmarterE –Oevento esmarter ESouthAmerica vaiacontecerde29a31 deagostoemSãoPaulo,SP.Realizadono ExpoCenterNorte,congregaráoseventos: IntersolarSouthAmerica -Amaiorfeira&

congressoparaosetorsolardaAméricado Sul; eesSouthAmerica -Feiradebateriase sistemasdearmazenamentodeenergia;e Eletrotec+EM-PowerSouthAmerica -Feira deinfraestruturaelétricaegestãodeenergia. AorganizaçãoédaSolarPromotionInternationalGmbHedaFreiburgManagement andMarketingInternational,comco-organizaçãopelaArandaEventos&Congressos. Informações:www.thesmartere.com.br.

CURSOS

ESG –AABNTvaipromoverde14a16de dezembroocurso online aovivo ESG(Environmental,SocialandGovernance)eindicadoresdesustentabilidade,cujoobjetivoéfornecerumaperspectivaatualsobrecadeiasde valorsustentáveis,equeconcretizamvalores dedimensõesESGemestratégiasdenegócios. Serãoabordadostemascomo:ESG:umanova economia,riscosecenários;DimensõesESG, taxonomia,inovação,negóciosdeimpactoe ODSs,SWOT;Oqueématrizdematerialidade,quaissuasprincipaisanáliseserelações com stakeholders;eIndicadoresESG,engajamentoecomunicação: Frameworks,objetivos estratégicosrelacionadosatemasmateriais, importânciadefatoreshumanosecomunicaçãoparavalidaçãodemetasESG.Maisinformaçõeseinscrições: cursos@abnt.org.br Geradores,transformadores,proteção AConproveEngenharia,deUberlândia,MG,realizadiversostreinamentospara quali caçãopro ssional,dirigidoaengenheiros,tecnólogosetécnicos,sobrevários temas,comogeradoressíncronos;transformadoresereatoresdepotência;subestações demédiaealtatensão;relésdeproteção;descargasparciais;transformadoresdecorrente epotencialconvencionaisenãoconvencionais;harmônicos,etc.Asdatasemaisinformaçõessobreoscursospodemserobtidas emhttps://conprove.com.

Capacitaçãotécnica –PormeiodaplataformaCentrodeTreinamentos,aSchneider Electricoferececapacitaçõesecursosnas

áreastécnicasparaengenheiros,eletricistas, técnicos,operadoreseestudantesdaáreade tecnologia.Oscursos–comduraçãomédia dedoisdias–podemserrealizadosnoformato online (comaulasaovivo),presencial (noCentrodeDistribuiçãoInteligenteeInnovationHubdeCajamar-SP)ounaslocaçõesdosclientes.Sãooferecidoscursossobre controladoreslógicos,interfacesgrá cas,sistemasdesupervisão,relésdeproteção,equipamentosdemédiaebaixatensão,sistemas deenergiaininterruptaemonitoramentoe ar-condicionadodeprecisão.Maisinformaçõessobreostreinamentosestãodisponíveis em https://loja.se.com/so ware-e-servicos Proteção –ATermotécnicaPara-raiosrealizadiversoscursosvoltadosapro ssionais daárea.De12a15dedezembro,aempresa vaiministrarotreinamento Aterramentode sistemaselétricos,queabordarásistemasde aterramentoeminstalaçõesdebaixaemédia tensão,proteçãocontradescargasatmosféricasecompatibilidadeeletromagnética.Informações: www.tel.com.br. Atmosferasexplosivas –ASchmersalofereceotreinamentoonline ExpertsSchmersal-Conhecimentosbásicosematmosferas explosivas,quetemoobjetivodedifundiros conceitossobreatmosferaspotencialmente explosivascomapresençadegasesin amáveisepoeirascombustíveis.Otreinamentoé ministradoporRicardoZanata,engenheiro especialistadeprodutosExdaSchmersal.A iniciativaédestinadaaospro ssionaisdenível pro ssionalizante,técnicoesuperior,como engenharia,equipesdeinstalações,manutenção,projetoesegurançanotrabalho,além deoutrosenvolvidosnasegurançadasinstalaçõeselétricasemáreascompotencialrisco deexplosões.Comduraçãodetrêshoras,o treinamentoapresentaosfundamentossobre atmosferasexplosivas,ondeestãopresentes asáreasclassi cadas,regulamentaçãoenormasvigentes,de niçãodaszonas,passospara umainstalaçãosegura,entreoutros.Osparticipantestêmàdisposiçãomateriaisdeapoio para download erecebemumcerti cadona conclusãodotreinamento.Asinscriçõesde-

62 EM | Novembro/Dezembro | 2022
Agenda

vemserfeitasno site https://pts-schmersal. talentlms.com/catalog/info/id:218

Noexterior

CarregamentodeVEs De8a9defevereiro,serárealizadoo Asia-Paci cEV ChargingInfrastructure 2023,emCingapura.Oeventopretendereunirdesenvolvedoresdepontosdecargaelétrica,operadoresderedeselétricaseplanejadores decidadeseformuladoresdepolíticas paraexplorareestabelecerinfraestruturaelétricarobustaepontosdecargapara atenderàsnecessidadesdanovageraçãode veículoselétricos.Aversãonorte-americanadoevento(EVChargingInfrastructure USA2023) aconteceráde29a30demarçonaCalifórnia,EUA.Maisinformações, respectivamente,em https://www.asia. evcharging-infrastructure.com ehttps:// www.usa.evcharging-infrastructure.com. Cired –A27a ediçãodaCired- InternationalConference&ExhibitiononElectricity Distribution, realizadaacadadoisanosem diferenteslocaisdaEuropa,aconteceráem Roma,Itália,de12a15dejunhode2023. Consideradooprincipalfórumdacomunidadededistribuiçãodeeletricidade,o eventodiscutetemasrelacionadosacomponentesderede,qualidadedeenergia, compatibilidadeeletromagnética,operação, proteção,controleeautomação,planejamento,regulamentação,gestãoderisco, etc.Éesperadaaparticipaçãodemaisde 2500especialistasdaárea.Paralelamenteà conferência,serárealizadaumaexposição reunindomaisde140empresas.Maisinformações:www.cired2023.org.

ThesmarterE/IntersolarEurope

Principaleventomundialdosetordeenergiasolar,compostoporfeiraecongresso, a IntersolarEurope2023 vaiacontecerde13a 16dejunhonocentrodeexposiçõesMesseMünchen,emMunique,naAlemanha, sobaplataformadesoluçõesdeenergia e smarterEEurope.Maisinformaçõespodem serobtidasemhttps://www.thesmartere.de.

63 EM | Novembro/Dezembro | 2022

Publicações

Eletricidade descomplicada

DescomplicandoaEletricidade,queabordadesdeosconteúdosmaisbásicosatéosmais complexos,deformadinâmica.Apublicação éespecialmenteindicadaparacandidatosao Enem,vistoquetratadetemasrelacionadosà eletricidadedaformacomosãocobradospelo concurso.Aobrapropõeváriosexercícios, algunsdelescomaresolução;alémdisso,há maisde50questõesretiradasdeprovasdo

Enem.Olivroéindicadotantoparaestudantesdoensinomédio,quantoparaquem fazqualquercursotécnicoenecessitadosconhecimentosdeeletricidadeparaestudardisciplinassobreeletrônicaoueletrotécnica.Foi escritopor alesAugustodeOliveiraRamos, professordeEletrotécnicanoInstitutoFederaldeEducação,CiênciaeTecnologiadoRio GrandedoNorte,etem160páginas. www.artliber.com.br

Eficiênciaenergética paraaindústria

OProgramaPotencializEElançourecentementeo CatálogoVirtualdeTecnologiasde E ciênciaEnergética,queofereceinformações sobretecnologiascomaltae ciênciaenergéticadisponíveisnomercadoparaaplicação emprojetosquevisemareduçãodoconsumodeenergiaemprocessosindustriais.A publicaçãocontacomdadosdemaisde2000 produtoscadastradosemdiversascategorias tecnológicas,permitindocompararitensde umamesmacategoriaemrelaçãoaodesempenhoenergético,vidaútil,normativasatendidaseoutrosparâmetrostécnicos.Oobjetivo équefabricanteserepresentantescomerciais possammostrarsuastecnologias,equeosin-

teressadosemadquiri-lasencontremopções emumúnicolugar,podendofazerescolhasa partirdeinformaçõescon áveisecomparaçõesentrediferentesprodutos.Assoluçõessão organizadasemtrêscategorias(intervenções elétricas,intervençõestérmicasegerenciamentodeenergia)esubdivididasem21linhas deprodutos,como,porexemplo,motores, ventiladores,bombas,coletoressolares,caldeiras,entremuitasoutras.Ametadoprograma éaumentaraindamaisalistadefornecedores nacionaiseestrangeirosparticipantesdainiciativa.Osfabricantesourepresentantescomerciaisinteressadosemfazerpartedocatálogovirtualpodemacessarositedoprograma ecompartilharasespeci caçõestécnicasdos produtos.Autilizaçãodocatálogoégratuita eestádisponívelno site https://tecnologias. programa-potencializee.com.br

65 EM | Novembro/Dezembro | 2022
Índicedeanunciantes Accesso................................................................................................................ 14 Andaluz....................................................................................................... capa Clamper............................................................................................................... 33 Cobrecom........................................................................................................... 43 Corfio 35 Dutoplast............................................................................................................. 47 Edentec............................................................................................................... 21 Embrastec.......................................................................................................... 46 Equacional........................................................................................................... 10 Exatron................................................................................................................. 13 Fluke.................................................................................................................... 45 Gazquez............................................................................................................... 11 GonzagaImportação....................................................................................... 48 GrupoZilocchi.................................................................................................... 18 Gtech................................................................................................................... 53 Hellermanntyton............................................................................................... 37 InstitutoHF........................................................................................................ 64 KitAcessórios................................................................................................... 36 Krona.......................................................................................................... capa MGTrafos........................................................................................................... 20 Niedax-Mopa................................................................................................. Novemp...................................................................................................... capa PascoPainéis...................................................................................................... 52 Pextron................................................................................................................ 49 Polyexcel............................................................................................................ 20 Raycon.................................................................................................................. 26 Romagnole.......................................................................................................... 19 SEW..................................................................................................................... 23 Soprano...................................................................................................... 17 39 Takafer................................................................................................................. 52 Termotécnica..................................................................................................... 22 Trael..................................................................................................................... 44 Treetech.............................................................................................................. 15 WEG........................................................................................................................ Wireflex 51
AArtliberEditorapublicourecentementeo livro

Crescea complexidade paraagestão

Perdiaconta,durantemaisde30anos,de quantasreuniõesnaEsplanadadosMinistérios saíingenuamenteanimado,depoisnaAneel, noONSounaEPE.IaparaoaeroportodeCongonhasantesdasseishorasdamanhã,voltava paracasaextenuadoàsnovedanoite.

Hoje,distante,encontromeusantigosinterlocutoresconfessandooquantodebochavam, comcaradepaisagem,denossosempenhos,de nossaspropostas,denossasesperanças.Tambémnãocreioqueadinâmicadefalsetestenha mudadodécadasavante.

humanos:cinismo,hipocrisia,deboche,omissão,indiferença,teatralidade,preconceitoseque tais.Muitodifícil,todavia,éidenti cartalentose genialidades.Talentoéfazerbemfeito.Genialidadeé,comtalento,verantesdosoutros.

Sejamquaisforemascrescentesexigênciassobreosrecursoshumanos,ocorrequeestácada vezmaisdifícilecomplexoresponderpela tessituraepelagestãodapolíticaenergética nacional.Asinformaçõeseosconhecimentos demandados online somenteestarãoaplicáveis sepostosaoalcancedeequipescadavezmais numerosasecompetentes,capazesdesecomunicarcadavezmaisemelhor,compercepções edomíniosinternoseinternacionais,comferramentasmultidisciplinares.OBrasilcarecede umapirâmidee cienteee caz,umaverdadeiralinhademontagem,dasbasesaoscomandos doPoderConcedente,todos–especialmenteo gestor–enormementequali cados.

SenoPoderExecutivoessacon guraçãoideal nãoseregistra,muitomenoselaévisívelno

truçãoemcursodaglobalizaçãoeacordose soluçõestransnacionaiseoubilaterais.

Nonívelinterno,alistadequesitospreocupantesnãoémenordiantedeumacomplexidade quenãotoleraamadorismos,nãosuportainteressesgrupaiseparoquiais,expansãodas desigualdades,segregaçãodointerioràvida nacional,segregaçãoregionalcontinental,requerarestauraçãodascaracterísticasdaterra, daáguaedoar,sobretudoobservaqueapolíticaenergéticanãodevedesconsiderarahistoricidadeeageogra a,amemóriadinâmicaem constanterenovação.

Edosincumbentes,oquedizer?Aspessoas nãosãonemserãoenciclopédias,nem winchester desupercomputadores.Mascomo, paraonde,porqueconduzirãooBrasilquejá fabricagrafenos,tantoquantoresponderãoàligaçãodeembaixadoresdepotênciasmundiais perguntandoparaquandoequantoopaísentregaráaomundosuacotadeproduçãodeterrasraras.Nossosgestoresterãoquecapitalizar afarturadehidrogêniotransportadodentrode nossosbiocombustíveisedistribuídoparaquarentamilpostosdegasolina(porenquanto).E haverádeinformarsobreasusinaseólicasno mar,compartedeseuskWhdestinadosaohidrogênioazul.

Agora,maduro,tardiamentetentoinverteros papéiscomeles,procedimentoimprescindível, desdesempre,paraqualquerbompro ssional ematividade,demodoaavaliarseudesempenhoevezououtracorroborar.Nãoétodo mundoquetemessapaciênciadisciplinada, nestetabladoderepresentaçõesnoqualfaltam ideologias,compromissosaprofundadoscomo público,responsabilidadeseconômico-sociais, visãoemissãodemundonoprimeiroplano.

Entreasautoridadesinstitucionalizadasdosetor deminas(águainclusa)eenergia,dehidrocarbonetos,hátodososbonseosmausingredientes

CongressoNacional,ondeéexplícitaaignorânciadosdesa osdapolíticaenergética,quando nãoamáfécomqueéabordada.NãotrataremosaquidoscontornosdoPoderJudiciário queapenasreagecutucado,quetampoucose pretendecraqueativodetodososassuntos.

Éimpossívelgerirouniversodaeletricidadede umpaíscontinentalcomooBrasilsematentar, conhecereperseguirasmudançasmundiais dadescarbonização,transiçãoenergética,geopolíticamilitar,inserçãodaESG,mudanças climáticas,desenvolvimentostecnológicose cientí cos,evoluçõescomportamentaissociais ehumanas,assimetriasentrenações,descons-

Haveráqueescreveroarcabouçoregulatório paraesseamanhãquejátemoperfumede ontem.Quempensanosimpactosdadestinaçãodaenergiaelétricaparaafrotaautomotiva?Seráestefornecimentodelegadoemparte paraageraçãodistribuída?Paraqualbrasileiroestamosfalando,dazonaoestedacidade deSãoPaulooudaperiferiadeSerraTalhada emPernambuco?

Perdemosquatroanosrecentesdiscutindo costumes,banheiroúniconasescolas,esquecendoosnem-nem(quenãoestudamnem trabalham),comosquaisdeveríamoscontarno admirávelmundonovo.Perdemosanospara privatizaraEletrobrásinventandotérmicasa gássemgasoduto.Perdemosanossemseparar acoletadolixonascasas,enquantoomundo corriaparatransformarlixoemenergiaelétrica,recicláveis,aduboegás.EagoraJosé?perguntaopoetaDrumond.

Momento 66 EM | Novembro/Dezembro | 2022
“Éimpossívelgerirouniverso daeletricidadedeumpaís continentalcomooBrasilsem atentar,conhecereperseguiras mudançasmundiais” PauloLudmer éjornalista,engenheiro,professor,consultoreautordelivroscomoDerriça Elétrica(ArtLiber,2007),SertãoElétrico(ArtLiber,2010),HemorragiasElétricas(ArtLiber, 2015)eTosquiasElétricas(ArtLiber,2020).Website:www.pauloludmer.com.br.

Paraquem levaa Energia a sério.

Hámaisde20anosnomercado nacional a Andaluz tem o objetivodefabricarcomponentes metálicos e termoplásti cosparadistribuiçãoecontrole de energia elétrica.

Em nossacultura, buscamos sempre a exc elência com integridade e transparência, respeitando sempre todas as normas e leispertinentes ao desenvolvimento de nossa linha de montagem

WWW.ANDALUZ.IND.BR (27)3041-6766
Agoratambémcomcabinesblindadas médiatensãohomologadasEDP
A gora também com cabines blindadas ND B

KRONA. SUAESCOLHA PARAFAZER AVIDAFLUIR COMMAIS ENERGIA.

Comeceoanoligado nasboasvibrações. Boasfestas!

Produtosfabricadosconformeas maisrígidasnormasdesegurança.

Perfeitosparaprojetosresidenciais, comerciaiseindustriais. Soluçõescompletasparainstalações elétricasdebaixatensão.

ProduzidoscomPVCnão propagantedechamas. CONHEÇA OPROPÓSITO DAKRONA

Águafria Águaquente Esgoto Elétrica Acessórios

Turn static files into dynamic content formats.

Create a flipbook
Issuu converts static files into: digital portfolios, online yearbooks, online catalogs, digital photo albums and more. Sign up and create your flipbook.
EM - Novembro | Dezembro - 2022 by Aranda Editora - Issuu