A/C & HEAT PUMPS
DIAGNOSING LOW PRESSURE PROBLEMS

![]()
DIAGNOSING LOW PRESSURE PROBLEMS

MAINTAINING A HEALTHY REFRIGERATION CYCLE
RETROFITS SHIFT TO DIGITAL
SHIFT FROM R-22 TO AMMONIA

Riobel’s valves have built-in diverters so you don’t have to plumb in a separate shut-off or diverter valve, allowing for more streamlined faucet design that takes up less space on the wall. Furthermore, our thermostatic/pressure balance valves offer the best of both worlds: they stabilize water pressure for steady temperature performance even in the event of a 50% drop in pressure. No wonder this system is known as the RioWise Valves System.
No more worrying about damaging the trim: rough for valves can be purchased separately from trims and are universal for valves and freestanding faucets from all RiobelPro collections.





OFFERED IN THREE TYPES OF CONNECTIONS






10
HVAC
THE TROUBLE WITH LOW SUCTION PRESSURE
A healthy refrigerant cycle, like healthy blood circulation, requires close monitoring of pressures, both high and low.
By Ian McTeer
26
HVAC
INSTALLING GAS MONITORING IN PARKING GARAGES
For new or retrofit projects, the flexibility of wireless sensors provides multiple benefits.
By Robert Presser
30
HYDRONICS
COMBINED BTUS
Coordinated ways to add heat to domestic water.
By John Siegenthaler
38
HYDRONICS
BTU METERING
Answering the what, why, how and when of these thermal energy measurement devices.
By Curtis Bennett

Installation-Ready Boiler Exhaust Systems
For more than 30 years, Cheminee Lining has provided listed and custom exhaust system sizing, design and fabrication for institutional, commercial and industrial projects. We have a complete steel fabrication shop for ASME STS-1 freestanding stacks, structures and accessories and offer Professional Engineer-sealed designs for all Canadian provinces. Product applications include boiler, generator, heat recovery, cogeneration, grease ducts, engineered custom stacks and other flue gas exhaust functions.

Cheminee Lining installation-ready boiler exhaust systems provide solutions to enhance boiler performance. Our insulated systems are suitable for venting gases from liquid-, oil- or solid fuel-fire boilers. Ranging from six to 48 inches in diameter, these exhaust systems are ideal for industrial and commercial applications. Cheminee IPPL UL/ ULc-listed, stainless steel stacks feature an exclusive, male/female V-band jointing system that eliminates the need for adapters and reduces installation time by up to 40 percent. These lasercut and welded joints provide accurate fit and adherence to specifications.
Engineered to perform in demanding applications, our freestanding stacks feature factory-welded joints to provide strength and avoid costly third-party welding. These stacks are available in carbon steel, COR-TEN® steel or stainless steel configurations and are equipped with high-temperature insulation to protect from extreme heat. Optional metal jackets are available.

Cheminee also offers special gas vents, an installation-ready venting solution for condensing boilers. Available in diameters ranging from six to 48 inches, these stainless steel vents have a male/ female, slip-type jointing system that reduces installation time by up to 40 percent and prevents condensate from coming in contact with the joint and silicone. The vents are laser welded and UL/ULc listed. Also, we have a full range of accessories including elbows, fittings, guides and supports.
Engineered to improve indoor environments and ensure safety, Cheminee grease duct products are designed for appliance exhaust of combustion gases under positive, negative or neutral pressure. These laser-welded, UL/ULc-listed products are suitable for industrial, institutional and commercial applications and feature a male/female, slip-type jointing system that reduces installation time by up to 40 percent.

For more than 30 years, Cheminee Lining has provided listed and custom exhaust system sizing, design and fabrication for institutional, commercial and industrial projects.

Applications:
• Boiler
• Generator
• Heat Recovery
• COGEN
• Grease Ducts
• Engineered Custom Stacks
• Other Flue Gas Exhaust Applications
Contact us for chimney selections, sizing, accessories and cost-reduction opportunities.
sales@chemineelining.com
chemineelining.com 450.765.1407

42 PIPING
PRESSING FOR FASTER PRODUCTION
A Surrey, B.C. high-rise project seeing time and convenience benefits from press fittings.
50 PLUMBING
10 CONSIDERATIONS FOR SPECIFYING BACKFLOW
Selecting the correct solution is dependent on the application, but there are other issues to consider.
60 REFRIGERATION
COMPRESSOR RETROFITS FOR ALL SEASONS
Embracing the digital age for compressor efficiency.
By Dave Demma
64
REFRIGERATION
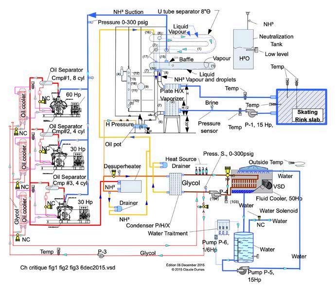
HOW MONTREAL MADE AMMONIA SAFE FOR ITS RINKS
The city has transitioned arenas away from R22 while ensuring safety.
By Colleen O’Shea
73
SAFETY
CAN A POWER TOOL’S BATTERY AFFECT CONTRACTOR SAFETY?
The Power Tool Institute warns of failure, fire from third-party batteries.
74
MOTORS FINDING POWER QUALITY PROBLEMS
Some common measurements used for troubleshooting motor-related issues.
By Frank Healy



report studies labour gaps in the building construction sector as Canada works towards more energy efficiency and net-zero emissions.
Reader Service
Print and digital subscription inquires or changes, please contact
Urszula Grzyb, Audience Development Manager
Tel: (416) 510-5180
Fax: (416) 510-6875
Email: ugrzyb@annexbusinessmedia.com
Mail: 111 Gordon Baker Rd., Suite 400, Toronto, ON M2H 3R1
EDITOR
ASSOCIATE PUBLISHER MEDIA DESIGNER
ACCOUNT COORDINATOR
PUBLISHER
Doug Picklyk (416) 510-5218 DPicklyk@hpacmag.com
David Skene (416) 510-6884 DSkene@hpacmag.com
Emily Sun
esun@annexbusinessmedia.com
Kim Rossiter (416) 510-6794 krossiter@hpacmag.com
Peter Leonard (416) 510-6847 PLeonard@hpacmag.com
Scott Jamieson sjamieson@annexbusinessmedia.com
PUBLICATIONS MAIL AGREEMENT NO. 40065710
Heating Plumbing Air Conditioning (established 1925) is published 7 times per year by Annex Publishing & Printing Inc. HPAC Magazine is the leading Canadian business publication for the owner/manager of mechanical contracting businesses and their supply partners.
ISSN: 0017-9418 (Print)
ISSN 2371-8536 (Online)
Contents Copyright © 2021 by Annex Publishing & Printing Inc. may not be reprinted without permission.
SUBSCRIBER SERVICES:
To subscribe, renew your subscription or to change your address or information please visit us at www.hpacmag.com
Subscription Price per year: $44.00 (plus tax) CDN; Outside Canada per year: $112.00 US; Elsewhere: 1 year $123.00 (CDN); Single copy Canada: $5.00 CDN. Heating Plumbing Air Conditioning is published 7 times per year except for occasional combined, expanded or premium issues, which count as two subscription issues.
MAIL PREFERENCES: From time to time we make our subscription list available to select companies and organizations whose product or service may interest you. If you do not wish your contact information to be made available, please contact us via one of the following methods: Tel: 416-442-5600 ext. 3552, Fax: 416-510-6875 or 416442-2191; E-mail: blao@annexbusinessmedia.com; or by mail: 111 Gordon Baker Rd., Suite 400, Toronto ON M2H 3R1
Annex Privacy Officer
Privacy@annexbusinessmedia.com Tel: 800-668-2374
HPAC Magazine receives unsolicited materials (including letters to the editor, press releases, promotional items and images) from time to time. HPAC Magazine, its affiliates and assignees may use, reproduce, publish, re-publish, distribute, store and archive such unsolicited submissions in whole or in part in any form or medium whatsoever, without compensation of any sort.
NOTICE: HPAC Magazine, Annex Publishing & Printing Inc., their staff, officers, directors and shareholders (hence known as the “Publisher”) assume no liability, obligations, or responsibility for claims arising from advertised products. The Publisher also reserves the right to limit liability for editorial errors, omissions and oversights to a printed correction in a subsequent issue. HPAC Magazine’s editorial is written for management level mechanical industry personnel who have documented training in the mechanical fields in which they work. Manufacturers’ printed instructions, datasheets and notices always take precedence to published editorial statements.

Proud member of:


www.hpacmag.com
AS I WAS COMPLETING THIS ISSUE OF HPAC I SAW THE NEWS THAT WALTER GRETZKY HAD PASSED AWAY. Condolences were pouring in, and he was being called the Father of Hockey. He was beloved by many. I never met Mr. Gretzky, but his legacy is strong. There is a phrase attributed to his son that is often quoted to encourage forward thinking in life and in business, and I'm sure Walter had some influence in the saying: “Skate to where the puck is going, not where it has been.”
I was reminded of this quote recently after viewing a new report issued by the Environmental Careers Organization (ECO) Canada that addresses the skills gaps that exist today in the construction industry as the country pushes towards more energy efficient buildings (see more next page).
It states that the technology and materials required to build and operate high-performing buildings exist today, but our workforce is lacking in the experience or skills necessary to provide the solutions.
For all trades, the report reveals concerns when it comes to training programs not covering emerging technologies and of course there are still too few recruits filling the pipeline to replace retiring workers. Specifically for the HVAC/R industry, it says that a lack of standards and visibility of career path are leading to current and future labour shortages. Maybe the industry needs to be building better teams with long-term vision.
The value of strong team building was one of the many lessons delivered by former Olympian Cheryl Pounder during an inspirational webinar hosted on January 21 by the Canadian Institute of Plumbing and Heating (CIPH).
Pounder played defense on two Canadian Olympic gold-medal winning women’s hockey teams (2002 and 2006) and is now an analyst for TSN and CBC. Sharing her journey from an aspirational eight-year-old to an enlightened veteran of women’s hockey, Pounder selected key points in her career to demonstrate common traits in leadership and positive outcomes.
Achieving success on a personal level requires finding your passions and having a “greater” vision, seeing beyond the now, noted Pounder. And she learned that team success requires honesty, authenticity and collaboration. Recognizing and appreciating the role of leadership was realized when players of great character helped her along, mentoring and leading by example.
In today’s challenging business climate, it can be difficult recognizing opportunity within adversity. She encourages everyone to think differently. She learned, “Excellence is abnormal. We must behave abnormally to be excellent.” As individuals and teams, we need to get outside our comfort zones and keep on a path of continuous growth and learning.
No doubt the push towards greater energy efficiency in buildings will continue for years to come, and positioning yourself as a leader in this space could be key to keeping you on a successful journey. Do the work, keep your eyes on the future, and be prepared to get there before the puck does. <>
– Doug Picklyk, Editor
Environmental Careers Organization (ECO) Canada, a federally-funded environmental workforce development agency, has released a report on the opportunities and gaps in the building construction sector as the country works towards more energy efficiency and net-zero emissions by 2050.
The study, entitled Assessment of Occupational and Skills Needs and Gaps for the Energy Efficient Buildings Workforce, outlines the capacity of the current workforce and what will be required as Canada’s buildings transition to more energy efficient solutions.
Canada’s built environment, including new and existing commercial, institutional, and multi-unit residential buildings, has been acknowledged as the country’s “lowest-hanging fruit” in the reduction of carbon emissions.
The ECO Canada report found that energy efficient buildings require a “building-as-a-system” mindset as energy efficiency is optimized through integrated processes.
The process requires a collaborative approach among multiple disciplines, from design and engineering professionals, energy managers, construction and trade workers to building operators. Traditionally, these disciplines worked on a sequential approach from design to construction, commissioning, management, and retrofitting.
The report suggests that in order to optimize a building’s performance over
time requires a workforce culture shift, and these issues are also compounded by labour shortages due to challenges in attracting new talent to the building construction sector and an aging workforce, especially as knowledge and experience are lost with retiring workers.
While many of the pieces are in place for the transition to energy efficient buildings (the technology, equipment, materials, and processes), Canada’s building sector workforce does not have the widespread experience or skills required to perform their roles in a manner that achieves energy efficiency goals. Until the essential occupations and skills become widespread, this workforce will not be fully prepared to support the development of energy efficient buildings.
“For Canada’s buildings to become more energy efficient, there has to be a workforce that is able to meet the demands of that effort,” said Kevin Nilsen, CEO of ECO Canada. “This research shows the gaps in labour and skills that need to be addressed in order to meet the Government of Canada’s Build Smart strategy, and the timeline of energy efficiency being the norm by 2030.”
The 73-page document also outlines recommendations for industry, government, and post-secondary institutions to develop solutions to address the workforce issues facing the building sector.
Key recommendations include working together to improve the sector’s attractiveness, develop a hiring forecast,
“This research shows the gaps in labour and skills that need to be addressed in order to meet the Government of Canada’s Build Smart strategy, and the timeline of energy efficiency being the norm by 2030.”

and align education and training to address skills gaps.
In its final section the report says, “The industry will need to focus on employee retention, support diversity and inclusion, and develop lifelong learning practices in order for workers to stay relevant and effective.”
Among the challenges identified for trades include: employer capacity constraints—small businesses and contractors have a difficult time positioning the low-carbon value proposition as they are typically competing on “best price” rather than differentiating their services towards energy efficient specializations, and with lower staff numbers and fewer people in key roles it’s difficult to have people away for training.
The Heating, Refrigeration and Air Conditioning Institute of Canada’s (HRAI) Martin Luymes was among the individuals acknowledged for contributing time and expertise to the research.
The study was produced with funding from Natural Resources Canada’s Office of Energy Efficiency Buildings and Industry Division and the Government of Canada’s Sectoral Initiatives Program.
To download the full report: eco.ca/ research/report/energy-efficiencyin-buildings/

ENWAVE BUSINESS SOLD FOR $4.1B
Brookfield Infrastructure is selling Enwave, its North American district energy business for $4.1 billion. Ontario Teachers’ Pension Plan Board and IFM Investors (based in Australia) have agreed to acquire Enwave’s Canadian business. The Enwave U.S. business was also sold to a separate group. Enwave was acquired by Brookfield in 2012 and has become the largest district energy system operation in North America. Brookfield expanded Enwave’s network by acquiring other district energy systems and driving an organic growth strategy. Over its time, 135 new customer buildings were added.
Today, Enwave operates in 13 major cities (Toronto, London (Ont.), Charlottetown, Windsor, Chicago, Los Angeles, Houston, New Orleans, Seattle, Las Vegas, Portland, Seattle, Denver), serving over 800 customers under long-term contracts and delivers 3,792,000 pounds per hour of heating and 327,000 tons of contracted cooling capacity across its network.
In Toronto alone, Enwave’s district energy network is anchored by the Deep Lake Water Cooling system, which displaces 55 MW of power consumption annually. In total some 180 buildings, over 40 million sq. ft. of downtown real estate is served, including: hospitals, commercial offices, hotels, condos and data centres. enwave.com
With students returning to classrooms across Ontario in February, the Ontario Society of Professional Engineers (OSPE) issued a statement calling on the provincial government to immediately address the airborne transmission of COVID-19.
The OSPE believes the need for proper ventilation to stop the spread of infected aerosol particles is not being properly addressed.
“Ontario engineers are concerned about the health and well-being of students, and the lack of attention to air quality by the provincial government,” said Sandro Perruzza, CEO of OSPE. “While investments like the Ontario Together Fund to develop new technologies are welcome, we need a transparent plan to prioritize and conduct upgrades to heating, ventilation and air conditioning (HVAC) systems in schools now.”
OSPE called on the Ontario government to take immediate actions:
• determine which schools require priority HVAC systems assessments,
• commit more funding to ventilation improvements,
• and hire professional engineers to do this work.
OSPE’s president & Chair, Réjeanne Aimey, P.Eng., said government must take steps now to prevent future outbreaks. “As engineers, we have always known there is a connection between ventilation systems and our health, but it has taken a global pandemic to shine light on this issue. We are urging government to properly invest in protecting our children—allocating $50 million of federal support is inadequate,” she said.
In colder weather many HVAC systems in public and commercial spaces re-circulate air instead of funneling fresh air
ASHRAE has made the pivot, announcing that its 2021 Annual Conference, scheduled to be held in Phoenix, will now take place virtually.
“The 2021 ASHRAE Virtual Annual Conference will be a wonderful forum to share fresh ideas and unique approaches to tackle the challenges of our rapidly changing world. I look to extending our digital connection and I anticipate an immense level of interest and participation,” said 2020-21 ASHRAE president Charles E. Gulledge III, P.E. ashrae.org/2021annual.
in. As a result, HVAC systems recycle the same potentially infected air.
Engineers believe that this could be contributing to airborne transmission of COVID-19 in buildings such as warehouses and long-term care facilities, as well as other indoor spaces.
“This is bigger than COVID-19—Indoor Air Quality (IAQ) affects how many sick days we take off of work, how happy we are, and how long we live,” said Brian Fleck, professional engineer and professor at the University of Alberta who, along with a team of medical scientists and engineers, is studying ventilation and how it impacts the transmission of the virus.
“We have the opportunity now to make the air in the buildings where we live and work cleaner than the air outside. We just have to make that investment; the costs are small compared to the benefits we will reap in finance, health and wellness.”
OSPE is calling on the Ontario government to consult with engineers, scientists, HVAC specialists and other experts immediately to adequately address this issue before more outbreaks occur. www.ospe.on.ca
Continued on p12

Navien’s new NCB-H condensing combi-boiler series is filled with innovation and technological advancements that take combi performance to the highest levels. Available in 5 models (NCB-190/060H, NCB-190/080H, NCB-240/110H, NCB-240/130H and NCB250/150H) the NCB-H series offers industry leading features like:
• Highest DHW maximum BTUs in residential combi-boilers... up to 210,000 per hour
• Highest DHW flow rate @ 70°F rise...up to 5.4 GPM
• Highest number of BTU sizes for the North American residential combi-boiler market
• Highest residential combi DHW TDR...15:1
• Highest residential combi space heating TDR...up to 11:1
• Highest number of built-in zone controls for valves or pumps...up to three each
• Highest full lineup 2” venting lengths...up to 65 feet and 3” up to 150 feet
• Highest number of cascade capable units with NPE tankless water heaters...up to 15
• Lowest minimum fire BTU for residential combi-boilers...as low as 10,700
The NCB-H uses durable dual stainless steel heat exchangers for heating and a separate flat plate stainless steel heat exchanger for DHW that are backed with a strong residential warranty of 10 years. Other features on the NCB-H include new advanced controls with intuitive display, new built-in advanced DHW recirculation controls, 3” venting up to 150', common venting capability with up to 7 NPE

tankless water heaters, field gas convertibility to NG high altitude (5,400 ft. to 10,100 ft.) or LP (up to 10,000 ft.) and a new DHW module with mixing valve and flow adjustment valve.
NCB-H advanced controls allow the combiboilers to work with popular Navien accessories like HotButton™ DHW activation and NaviCirc™ recirculation valve for easy recirculation without a dedicated recirc line. The new combi-boiler primary manifold kit accessory adds to the ease-of-installation for the NCB-H and includes the stainless-steel manifold, isolation valves with gaskets, PRV/air vent/LWCO adapter tree, air vent, threaded connection adapter with clip and LWCO plug. Other optional Navien accessories to enhance the installation and user experience include NaviLink™ Wi-Fi remote control system, Ready-Link™ Rack, NaviClean™ magnetic filtration system and PeakFlowE™ anti-scale system.
The highest selling brand of condensing combi-boilers takes home heating and DHW to new heights

HEATING UP TO 150K BTU/H DHW UP TO 210K BTU/H
Navien NCB-H high efficiency combi’s bring the highest level of whole house comfort to any size home...big or small
• Highest DHW maximum BTUs in residential condensing combi-boilers... up to 210,000 per hour
• Highest DHW flow rate @ 70°F rise... up to 5.4 gallons per minute
• Highest number of BTU sizes for the North American residential combi-boilers
• Highest residential combi-boilers domestic hot water turndown ratio...15:1

• Highest residential combi-boilers heating turndown ratio... up to 11:1
• Highest number of built-in zone controls for valves or pumps... up to three
• Highest full lineup 2" venting lengths... up to 65 feet
• Highest number of cascade capable units with up to 15 NPE tankless water heaters
• High altitude certification... up to 10,100 feet (NG or LP)
Aim high with Navien NCB-H combi-boilers... To learn more visit NavienInc.com
The leader in condensing technology...does it again.
Statistics Canada has announced that January kicked off with a bang, setting a record high total for the value of building permits issued, driven primarily by the residential sector.
The value of permits rose 8.2% over the previous month to a total of $9.9 billion, surpassing the previous record of $9.6 billion set in April 2019.
The value of permits in the residential sector alone increased 10.6% monthover-month to $7.1 billion in January— rising past the previous peak of $6.5 billion posted only two months earlier.
Provincial highs were reported in Ontario, Quebec, New Brunswick and Manitoba.
The majority of the residential sector activity was attributable to single-family homes, which climbed 15.1% to a record $3.5 billion—the eighth increase in nine months. The value of single-family permits issued in Quebec saw an increase of 40.3%.
Multi-family permits also increased 6.5% over the previous month to $3.5 billion, driven by construction intentions in Ontario (+17.1%), where permits in excess of $100 million were issued for condo apartments in Toronto.
Conversely, the value of multi-family building permits in Quebec fell for a fifth consecutive month.
There was a slight rebound in the value of permits issued for non-residential buildings, rising 2.6% over December to $2.8 billion in January, this following a 10.8% drop in December.
Industrial permits bounced back to average 2020 levels, increasing 31.7% to $535 million in January. The value of commercial permits increased 3.3% to $1.5 billion, and in the institutional sector, municipalities issued permits worth $781 million, 11.8% lower than December.
The Canadian Institute of Plumbing and Heating (CIPH), and the Mechanical Contractors Association of Canada (MCAC) released a new policy document and list of recommendations to the Federal Government outlining how the mechanical contracting industry can contribute to Canada’s economic recovery.

In Investment in Retrofits: Key to Canada’s Green Recovery Post-Crisis, the two groups are calling for regulatory harmonization, investments in retrofits, and support for the skilled trades.
Among the key recommendations are:
• including home and building retrofits as part of the $100 billion recovery fund,
• investment of $20 billion over five years in retrofit projects,
• the introduction of innovative retrofit financial instruments to spur privatesector investment,
• investment in training opportunities to upskill trade workers and retrain workers from other sectors,
• invest $1.25 billion in workforce development for training programs related to energy efficiency, and
• earmark promotional funding to specifically target underrepresented groups in the skilled trades.
The document notes that for every $1 million invested in energy efficiency, 16 to 30 net jobs could be created, while contributing to the overall energy efficiency objectives outlined by the government. ciph.com mcac.ca
The international society for the heating, ventilation, air conditioning and refrigeration industry, ASHRAE, recognized achievements and contributions of its global members during the 2021 ASHRAE Virtual Winter Conference, held online February 9-11.
Following is a list of Canadians who were among this year’s award winners: ASHRAE Fellow membership was granted to: John M. House, Ph.D., principal, John House Consulting Services, Montreal. Beatriz Salazar, of the ASHRAE Toronto Chapter, received the Dan Mills Chapter Programs Award, recognizing excellence in chapter program endeavours. Salazar is a designer – electrical, with Smith and Andersen in Toronto.
Nicolas Lemire, P.Eng., Fellow Member
ASHRAE and president/CEO of Pageau Morel & Associates in Montreal received both the Distinguished Service Award and the Exceptional Service Award.
Tim McGinn, P.Eng., retired, Calgary, also received the Exceptional Service Award.
A Distinguished 50-Year Member Award was presented to John B. Bisset, P.Eng., Fellow Life Member ASHRAE (founder, Chorley + Bisset Ltd. in London, Ont.) and Frantisek Vaculik, Life Member ASHRAE, of Nepean, Ont.
And among the first place recipients for the ASHRAE Technology Awards were Aaron Smith, P.Eng.; Denis A. Morris and Andrew Bartlett, for new educational facilities, and the Dalhousie IDEA and Design Buildings project in Halifax. The building is owned by Dalhousie University. ashrae.org
Emissions Reduction Alberta’s (ERA) Energy Savings for Business Program is accepting applications for projects that cut greenhouse gas (GHG) emissions in small- and medium-sized industrial and commercial facilities.
The program, with up to $55 million in funding available, offers incentives to eligible Alberta businesses and non-profits to choose commercially available high-efficiency products and onsite energy generation technologies.
Up to $250,000 is available for each project with a maximum total of $500,000 per parent company to cover the cost of adopting new products and services. It is designed to support local skilled trades, contractors, and suppliers such as HVAC businesses, insulation companies, lighting systems installers, and electricians.
All participating contractors must reg ister to become eligible to participate in the program. Eligible contractors will be required to complete applications for pre-approval and submit all required doc uments. Before the program launched, 270 contractors from across the prov ince already registered to participate.
A wide range of energy efficient prod ucts and onsite energy generation tech nologies are eligible: refrigeration, HVAC, motors and drives, water heating, solar PV, combined heat and power (CHP), building envelope and windows, and more.
ASHRAE has formed a Task Force for Building Decarbonization (TFBD) with the intention to develop technical resources and provide leadership and guidance in mitigating the negative carbon impact of buildings on the environment.
“In a similar vein to how ASHRAE took the lead in responding to the energy crisis of the 1970s era and defined the energy efficiency journey, ASHRAE has much to offer with respect to paths for responsible decarbonization strategies,” said 2020-21 ASHRAE president Charles E. Gulledge III, P.E., in a media release. “The challenges of decarbonization are complex, but this task force is positioned to offer actionable technical guidance to improve how buildings are built and operated.”
Among the responsibilities of the 15-member task force will be:
• providing recommendations and practices for industry stakeholders in decarbonization of the built environment,
• defining the objectives of this holistic initiative; including, but not limited to: developing a framework for characterizing the issues related to decarbonization; identifying existing portfolio of ASHRAE technical resources on issues relating to decarbonization, and package them in a way useful to policy makers and stakeholders; and identifying and quantifying knowledge gaps for policy makers and stakeholders who are tackling building decarbonization and develop resources to address these gaps. ashrae.org

A high volume of projects (up to 4,000) is expected. eralberta.ca



At Adrian Steel, we do more than just create high-quality products. We look at the big picture, taking into account all of your business needs and the way you work in and out of the van. Then, we provide you with custom solutions that make your job easier and give you the biggest ROI possible.
To learn more and locate your nearest distributor, go to adriansteel.com/distributors


As a manufacturer of Halcyon mini-splits and Airstage VRF systems, Fujitsu General America is a provider of heating and cooling solutions for every application, backed by the finest service, support, training, and programs for the United States and Canada. Fujitsu’s line of high-efficiency, eco-friendly systems have been designed to provide advanced comfort solutions for residential and commercial applications.
In 2020 Fujitsu General America opened its brand-new headquarters in Pine Brook, NJ and in 2016 opened the Airstage on Broadway Solution Center in a penthouse suite in Times Square, New York. Fujitsu General America is a wholly owned subsidiary of Fujitsu General Limited, headquartered in Kawasaki, Japan, with over 7,500 employees worldwide and is listed on the Tokyo Stock Exchange. We annually produce and ship 3.5 million systems globally to make the world a more comfortable place.


Introducing the Infinite Comfort Series. Now, offer your customers ultra-efficient, multi-position air handling units from Fujitsu General.





• Revolutionary side discharge outdoor condensing units are highly efficient and save space allowing for multiple installation options
• Quiet operation - indoor as low as 25dBA and outdoor as low as 53dBA
• Units range in size from 24,000 to 48,000 BTU/H
• Adaptive fan motor speed control assures optimum comfort
• Longer line length - 160ʹ (24k & 30k BTU/H) and 230ʹ (36k & 48k BTU/H)
• Excellent energy ratings (19 SEER and >10 HSPF) equal big utility rebates For more information, please visit www.FujitsuGeneral.com
A healthy refrigerant cycle, like healthy blood circulation, requires close monitoring of pressures, both high and low. BY
IAN McTEER
As pumps go nothing compares to the incredible heart muscle within our bodies circulating blood ceaselessly “lub-dub” throughout our vast network of arteries and veins for decades, sometimes even a century. In the mechanical world a hydronic circulating pump might be a close comparison, since both pumps move only liquids without too much complaint until, of course, something goes wrong. A refrigeration compressor moves only vapour with ease, but like the human heart it might succumb to a total failure when too many things get out of hand.
The human body, like a refrigeration system, allows a practitioner to make diagnostic decisions by monitoring pressures gleaned from a blood pressure cuff. Systolic pressure, the higher number, gives an indication of how hard the heart is working to force blood through the arteries. The bottom num -
ber, diastolic pressure, indicates pressure as the heart relaxes between beats. Physicians typically look for systolic blood pressure to measure approximately 120 mm Hg (millimeters of mercury) and 80 mm Hg diastolic pressure: 120/80 is normal blood pressure. Everyone should know by now that high blood pressure is dangerous. It’s much like high head pressure in a refrigeration system, elevated numbers mean something is very wrong. Strokes and heart attacks in humans follow from untreated high blood pressure, while nasty burnouts and otherwise poor performance is associated with high refrigerant system pressure.
But what about low pressure? In the human body, for too long physicians have emphasized high-pressure-related problems, but new studies show that low diastolic pressure is equally worrisome. For example, one condition that could contribute to low blood pres -

sure is dehydration. A technician working outside in the hot sun, sweating up a storm, stands up suddenly and feels dizzy, that is potentially a sign of low diastolic pressure, under 90 mm Hg.
Now, do not take any medical advice from a layman like me, I’m simply quoting from the literature: if you’re experiencing dizziness, do not read the rest of my column, call your doctor! Just like a refrigeration system, there are plenty of reasons why your blood pressure might be too low.
Manufacturers of residential air conditioners have published charts and tables included with cooling equipment that specifies desired suction and head pressures over a wide range of outdoor dry bulb temperatures and indoor wet bulb temperatures for as long as I can remember. While the indoor coil appears to be a conglomeration of copper tubes and extended surface metal fins, it is also a highly engineered matched component in the refrigeration system. Today’s highest efficiency evaporator coils come in metal-cased cabinets ensuring the best possible airflow over the coil by reducing air leakage from around the base of the coil.
The evaporator coil is an area of low heat energy that must be maintained so that heat will flow from the surrounding air into the low temperature liquid along a declining temperature gradient ensuring that heat picked up from the airstream will completely evaporate liquid refrigerant into vapour. The process

is designed to work in concert with the heart of any refrigeration system: the compressor.
Vapour must be removed from the evaporator at a rate that permits conditions inside the evaporator to remain at lower temperature and pressure, a condition known as steady state. The compressor will then discharge vapour at a temperature and pressure high enough to permit heat rejection inside the outdoor coil.
Every mechanical refrigeration system, be it in a low-, medium-, or hightemperature application, is engineered to absorb and to reject specific amounts of heat. In a high-temperature application, such as a residential air conditioner, the equipment manufacturer will provide data showing expected suction pressure and head pressure values based on dry bulb air temperature across the outdoor coil and wet bulb temperature across the indoor coil.
In the example chart (Figure 1, for demonstration only, be sure to always use your manufacturer’s charts and tables), a technician measures the dry bulb temperature entering the outdoor coil at 85F and the wet/dry bulb tem -

perature entering the indoor coil at 72F-DB and 60F-WB.
The technician extends the outdoor ambient line from 85F over to the left side of the chart, indicating a discharge pressure of approximately 320 poundsper-square-inch-gauge (psig) would be ideal under these measured conditions. Since the chart does not present the exact indoor conditions, the techni -
cian adds a line between the given data marked in red. Dropping another red line from the intersection of the indoor line and the outdoor line, suction pressure under these conditions should be approximately 128 psig. Manufacturers typically allow some variance, say +/- 10 psig on the head pressure and +/- 3 psig on the suction
Continued on p20

Having a multi-parameter IAQ instrument that can be configured, customized and expanded to monitor and maintain optimal indoor air quality is important. With the new Q-Trak™ XP Indoor Air Quality Monitor, you can measure:
• Up to 20 IAQ measurements simultaneously
• Up to 6 different types of gases
• PM2.5 and PM10 mass concentrations and particle counts
• Temperature and relative humidity
With a large data logging capacity, this instrument is ideal for IAQ surveys and investigations, IAQ testing in schools and commercial buildings, and evaluating thermal comfort.
To learn more, visit tsi.com.Q-TrakXP.


Having a multi-parameter IAQ instrument that can be configured, customized and expanded to monitor and maintain optimal indoor air quality is important, and can save you a lot of time. With the new Q-Trak™ XP Indoor Air Quality Monitor, you can measure:
+ Up to 20 IAQ measurements simultaneously
+ Up to 6 different types of gases
+ PM2.5 and PM10 mass concentrations and particle counts
+ Temperature and relative humidity
+ Large data logging capacity

+ IAQ surveys and investigations
+ IAQ compliance testing in schools and commercial buildings
+ Evaluating thermal comfort



pressure are common values.
Also, in Figure 1, note the additional system performance requirements: system must be in high stage with indoor airflow at 400 cfm per ton, otherwise this chart may not be useful.
The chart in Figure 2 (top pg. 17), indicates what pressures to expect when using the example data provided by the manufacturer. In this case, an electronic expansion valve is being used. Wet bulb curves on the suction chart are far apart, technicians may have to interpolate values measured in the field by drawing in a suitable curve. The manufacturer also specifies the size of interconnecting tubing needed for this split system and provides a pressure variance. In this example case, expect a suction pressure of 140 psig.
The chart in Figure 3 (pg. 17) is used with a specific heat pump application. Regardless of the indoor air temperature entering the air handler/furnace coil, the suction pressure measured at the outdoor coil (now the evaporator
coil) in second stage operation should be approximately 40 psig when the air entering the outdoor coil is 5F.
At one time, technicians took for granted that an R-22 evaporator ran a design temperature difference of 35F, thus if the coil air entering temperature was 75F, then the design temperature difference of 35F meant the target evaporator coil temperature should be 40F.
An R-22 evaporator running at 40F saturation temperature will have a corresponding pressure of 68.5 psig. Should the suction pressure drop below 57 psig, the coil temperature will drop below 32F causing moisture in the air to freeze on it (see Figure 4, above) causing no end of trouble. A R-410A evaporator running below 100 psig will freeze-up just like its R-22 cousin.
One of the most common causes of low suction pressure is loss of critical refrigerant charge caused by small
“One of the most common causes of low suction pressure is loss of critical refrigerant charge caused by small leaks over time.”
leaks over time. Finding and repairing system leaks accounts for a significant amount of an HVAC technician’s day (Figure 5 ).
Let’s take a look at other possible causes. Low suction pressure problems can be divided into two subcategories — low suction/high superheat and low suction/low superheat:
Low suction/high superheat:
• Moisture, dirt, or wax buildup in critical areas, especially the metering device. In Figure 6, this fixed metering device is 30% blocked.
• Loss of TXV thermostatic element charge
• Incorrect element charge or contaminated element wadding
• TXV external equalizer line restricted or capped off (see Figure 7 )
• Internally equalized valve used when external equalizer required (Fig. 7)
• Undersized valve
• Faulty TXV
Vapour in the liquid line caused by excessive vertical lift causes low suction pressure and high superheat. A TXV can only meter liquid, so flash gas in the liquid line must be prevented. If the manufacturer states maximum lift is 60 feet, find a way to get the units closer together when an installation needs extremely high lift: do not exceed maximum vertical

lift on suction or liquid lines.
High friction losses related to excessive horizontal line length or utilizing undersized liquid lines will cause flash gas and high superheat. Liquid lines running through hot attics suffer from loss of subcooling creating flash gas— insulate liquid lines in such cases or avoid such locations entirely. A plugged filter drier or TXV strainer will inevitably reduce suction pressure.
In a heat pump application, the same issues may apply to the outdoor coil. This outdoor coil uses an electronic expansion valve (Figure 8). Problems related to the stepper motor and EEV control board can cause the outdoor coil to freeze solid making ice removal and defrosting a difficult task in midwinter. The EEV board in Figure 8 has a test function (circled in red) allowing the technician to drive the valve stepper motor to the fully open position and to a nearly closed condition. During the test process, the technician can monitor pressure and superheat readings to be sure the valve is operating properly.
Low suction pressure/low superheat:
Apart from refrigerant leaks causing loss of critical charge, the most common problem associated with low suction pressure is: LOW LOAD, i.e., not enough warm, moisture laden airflow

across the evaporator coil. Classic causes:
• Undersized duct or poorly designed and/or poorly installed air distribution system.
• Wrong fan speed.
• Large evaporator stuffed into a small plenum then tightly wrapped in sheet metal and tape.
• Air entering the evaporator is too cold.
• Lack of maintenance, dirty blower wheels, plugged secondary heat exchanger coils, blocked evaporator coils (Figure 9, see next page).
• Misapplied air filtration products leading to excessive pressure drop not preordained for the air distribution system.
Other low load issues:
• Improper compressor-evaporator balance: the system is not and AHRI match.
• Evaporator is oil logged caused by frequent refrigerant refills instead of proper leak repair.
Ever since the Arab Oil Embargo of 1973, the HVAC industry has been on a path of ever-increasing gains in heating and cooling system operating efficiencies. Among other things, HVAC manufacturers have dramatically increased condenser and evaporator coil physical dimensions, many conventional evaporator coils are just as tall as the AHRImatched gas furnace component.
Today’s refrigeration compressors have been tweaked to operate at lower compression ratios producing a higher SEER rating and thus reducing power consumption.
Use of unmatched components may also cause a low suction pressure issue even if the head pressure is correct (charge level meets manufacturer’s subcooling parameter) and the indoor airflow has been verified.
Refrigeration system pressures must be verified at start-up under suitable conditions as specified by the
Continued on p24

Olimpia Splendid is a family owned HVAC manufacturing company established in 1956 and currently based in Brescia, Italy with a presence in over 50 countries worldwide.
The company’s vision is to design and manufacture comfort products with a focus on being environmentally friendly, using industry leading technologies and providing innovative solutions with unique aesthetics and best in class efficiencies.
Innovation, design, sustainability and the value of their people are the four pillars on which the company has built its rich history of continued growth and passion for success for the past 60 years.
Design. During the product design phase, Olimpia Splendid selects industry leading technologies and components that provide maximum energy efficiency with minimum environmental impact. Olimpia Splendid has a unique perspective when it comes to their products’ aesthetics. By partnering with well-known Italian designers, such as Matteo Thun, and architecture firms who differentiate their product offering versus the competition from the interior by offering products that are unobtrusive with minimal aesthetic impact and from the exterior by blending in with the building architecture. For example, their Maestro Series product offering of thru the wall air conditioners and heat pumps has saved numerous cities in Europe from the unattractive look of hundreds of thousands of mini split condensing units ruining historic building facades.
Industry leading inverter technology provides unparalleled comfort in heating and cooling for both residential or commercial applications


Olimpia Splendid is a family owned HVAC manufacturing company established in 1956 and currently based in Brescia, Italy with a presence in over 50 countries worldwide. The company’s vision is to design and manufacture comfort products with a focus on being environmentally friendly, using industry leading technologies and providing innovative solutions with unique aesthetics and best in class efficiencies.

leading technology with all
Innovation, design, sustainability and the value of their people are the four pillars on which the company has built its rich history of continued growth and passion for success for the past 60 years,
Olimpia Splendid
Olimpia Splendid offers 2 options as part of their Maestro Series thru the wall heat pump and air conditioner product offering. First, the single stage compressor unit with multi speed motor and the Maestro Pro Series, compressor and variable speed motor, providing maximum comfort and operating cost savings, was introduced to the American market at the AHR 2020 Expo in Orlando, FL. and will officially be launched to the Canadian market the CMPX 2020 Show in Toronto, ON in March.
Design. During the product design phase, Olimpia Splendid selects industry leading technologies and components that provide maximum energy efficiency with minimum environmental impact. Olimpia Splendid has a unique perspective when it comes to their products’ aesthetics. By partnering with well-known Italian designers, such as Matteo Thun, and architecture firms who differentiate their product offering versus the competition from the interior by offering products that are unobtrusive with minimal aesthetic impact and from the exterior by blending in with the building architecture. For example, their Maestro Series product offering of thru the wall air conditioners and heat pumps has saved numerous cities in Europe from the unattractive look of hundreds of thousands of mini split condensing units ruining historic building facades.
“Although Olimpia Splendid’s product offering is quite vast, the first phase of product introductions for the North American market will consist of the Maestro Series through the wall self-contained air conditioner and heat pump units, due simply to the fact there is no other unit like it in the market today. And we are very excited, in the next 18 months, to introduce another innovative product, the ultra slim line Bi2 Air Series offering, available in 2 pipe and 4 pipe configurations.” states Diego Stefani, Olimpia Splendid’s Director of Sales & Business Development for North America.
Powerful, versatile and efficient thanks to a wide range of frequencies available and electronic management of the expansion valve
Provides both heating and cooling ensuring economic comfort for all seasons and conditions
Olimpia Splendid offers 2 options as part of their Maestro Series thru the wall heat pump and air conditioner product offering. First, the Maestro Smart Series, which is their single stage compressor unit with multi speed motor and the Maestro Pro Series, with an inverter driven compressor and variable speed motor, providing maximum comfort and operating cost savings, was introduced to the American market at the AHR 2020 Expo in Orlando, FL. and will officially be launched to the Canadian market the CMPX 2020 Show in Toronto, ON in March.
“Although Olimpia Splendid’s product offering is quite vast, the first phase of product introductions for the North American market will consist of the Maestro Series through the wall self-contained air conditioner and heat pump units, due simply to the fact there is no other unit like it in the


market today. And we are very excited, in the next 18 to introduce another innovative product, the ultra slim Bi2 Air Series chilled water fan coil offering, available pipe and 4 pipe configurations.” states Diego Stefani, Splendid’s Director of Sales & Business Development for North America.
About “Heating and Air Conditioning with no Outdoor Unit”
Maestro Pro skillfully coordinates the inverter compressor and variable speed fan motor for maximum acoustical comfort down to 32 dBA (sound power) All enclosed in a beautiful Italian designed cabinet and lined with state-of-the-art sound reducing material.
The use of inverter technology provides a capacity boost up to 11,600 btu/h
Olimpia Splendid refers to their Maestro Series product providing “Heating and Air Conditioning with no Outdoor Unit” thus being the “splitless” and “windowless” comfort solution.
Their inverter-driven, Maestro Pro Series, offers whisper quiet* indoor sound levels, high-efficiency, a Made in Italy sleek design and easy installation with hassle free maintenance. In fact the unit installation can be performed completely from inside the occupied space, combined the minimal impact to exterior appearance, making these systems a perfect comfort solution for residential and commercial new construction projects as well as retrofit/ replacement applications, and ideal for the replacement historical buildings.
Features such as dehumidification and sleep modes, Pure System 2, which is an electrostatic/active carbon filtration system, multi-function remote as well as wall mounted wireless thermostat options as well as Wi-Fi options where the Maestro unit can be controlled via phone, using the Mastro app. providing exceptional year round comfort.
“Olimpia Splendid is an industry leader with a rich history in Europe manufacturing air conditioners, fan coils and heat pumps in the Italian tradition of commitment to innovative design and superior quality,” Diego stated.
“Made in Italy products are now currently available in American and Canadian markets, making them a very appealing opportunity for potential distribution partners differentiate themselves from their competition, and one of a kind product offering.”
To learn about distribution opportunities and Olimpia Splendid products, contact Diego Stefani by emailing d.stefani@olimpiasplendidusa.com or
951.534.8901.



Maestro A/C & Heat Pump with no outdoor unit!




DOLCECLIMA
AIR PRO 14 AC

DOLCECLIMA®


FEATURES:

• Inverter Compress & Variable Speed Motor
• Whisper Quiet Operation
• Cooling Capacity up to 11,600 btu/h
• Heating Capacity up to 10,200 btu/h
• Installation Versatility: Low and High Wall
• Easy Installation & Maintenance
• 115V 1 Phase Power
•Wi-Fi Capable
•Wireless Thermostat (optional)



Cooling capacity: 14,000 btu/h
AIR PRO 14 AC
Sound power: dB (A) 64

DOLCECLIMA®
Cooling capacity: 14,000 btu/h
EER: 9.9


AIR PRO 14 HP

Cooling capacity: 14,000 btu/h
AIR PRO 14 HP
Sound power: dB (A) 64




Capacity:10,000 btu/h


DOLCECLIMA COMPACT
Sound Power: dBA 62
Capacity:10,000 btu/h
EER: 8.47
Cooling capacity: 14,000 btu/h
EER: 9.9


DOLCECLIMA® COMPACT
Sound Power: dBA 62
Refrigerant: R-410A
DOLCECLIMA® COMPACT
AIR PRO 14 AC
Sound power: dB (A) 64
COP: 2.76(1)
EER: 9.9
Cooling capacity: 14,000 btu/h
Refrigerant: R-410A
COP: 2.76(1)
Sound power: dB (A) 64
Multifunction remote: Wireless control
Refrigerant: R-410A
EER: 9.9
Display: LCD
Multifunction remote: Wireless control
Timer: 24h
COP: 2.76(1)
Display: LCD
Refrigerant: R-410A
Timer: 24h
Multifunction remote: Wireless control
Extras: Convenient side handles, motorized flap and casters for effortless moving between spaces
Display: LCD
Extras: Convenient side handles, motorized flap and casters for effortless moving between spaces
Timer: 24h
Extras: Convenient side handles, motorized flap and casters for effortless moving between spaces
Sound power: dB (A) 64
COP: 2.76(1)
AIR PRO 14 HP
EER: 9.9
EER: 8.47
Capacity:10,000 btu/h
Refrigerant: R-410A
Cooling capacity: 14,000 btu/h
Refrigerant: R-410A
COP: 2.76(1)
Multifunction remote:Wireless control
Sound power: dB (A) 64
Refrigerant: R-410A
Display: LCD
EER: 9.9
Multifunction remote:Wireless control
Timer: 24h
Automatic Condensation Disposal -No Tank
Sound Power: dBA 62
Automatic Condensation Disposal -No Tank
EER: 8.47
Multifunction Remote: Wireless Control
Refrigerant: R-410A
Display: LED
COP: 2.76(1)
Display: LCD
Multifunction Remote: Wireless Control
Automatic Condensation Disposal
Timer: 12h
Refrigerant: R-410A
Timer: 24h
Extras: Convenient side handles, motorized flap and casters for effortless moving between spaces
Display: LED
-No Tank
Multifunction remote:Wireless control
Display: LCD
Extras: Convenient side handles, motorized flap and casters for effortless moving between spaces
Timer: 24h
Extras: Convenient side handles, motorized flap and casters for effortless moving between spaces
Timer: 12h
Extras: Convenient Side Handles & Casters
Extras: Convenient Side Handles & Casters
www.olimpiasplendidusa.com

www.olimpiasplendidusa.com
Multifunction Remote: Wireless Control
Display: LED
Timer: 12h
Extras: Convenient Side Handles & Casters

equipment manufacturer. Enough run time must be allowed (at least 15 minutes) for the system to achieve steady state operation before starting data collection.
When refrigerant must be added, allow additional run time for the system to respond to more refrigerant. And, of course, maintenance. End-users should be instructed on how to keep the out-

door unit clear of debris and vegetation along with regularly scheduled air handler filter maintenance.
Fortunately, the HVAC service technician will never have to worry about a compressor becoming dizzy due to low suction pressure. Nonetheless, low pressure, whether the human kind or diagnosed in a machine, must be thoroughly investigated. Nursing a failing system back to healthy operating pressures is thus all in a day’s work. <>

Ian McTeer is an HVAC consultant with 35 years of experience in the industry. He was most recently a field rep for Trane Canada DSO. McTeer is a refrigeration mechanic and Class 1 Gas technician.
As an innovative leader in the custom built fan coil industry our state-of-the-art fan coils replace old systems. Our clients are impressed with the reduced energy costs, improved air quality and minimal construction interruption versus typical replacement units.


Inner-Cool has served the Greater Toronto Area for many years and is quickly expanding to other cities in Canada. We want to build lasting partnerships with qualified technical installation teams to serve this growing market.
Contact us to discuss becoming a part of the Inner-Cool team. 905-766-1513

Saving you and your customers time and unnecessary cost
Installation of our high quality, custom-sized systems virtually eliminates all drywall, painting and finishing work while delivering, highly efficient, whisper quite comfort!
OUR PRODUCTS ARE:
• Canadian made
• Carry up to 5 year warranties
• Available in both vertical and horizontal configurations
INNER-COOL SYSTEMS
Contact us at 905-766-1513 and visit us online at inner-coolsystems.ca to check out our range of customizable options and our engineering excellence!

Koch Filter’s DuraMAX line of air filters, primarily for large commercial and industrial applications, have efficiency ratings from MERV 11 to MERV 16. DuraMAX filters offer an upgrade from bag filters and other box-style rigid filters and they are well suited in filtration systems with high velocities or variable air volumes. The high-capacity mini-pleat design allows a nominal 24x24x12 filter to incorporate 194 sq. ft. of filter space. kochfilter.com

Nortek Global HVAC’s premium SD Series, 95% AFUE ultra-low NOx residential furnaces, offer easy installation/service features. The singlestage, upflow/horizontal, natural gas-fired furnaces, available from Frigidaire and Maytag, range in thermal input from 50,000 to 100,000-Btu/h and feature a solid 22-ga., high finish cabinet with a low-boy 35-in. height, 28in. depth and widths of 14 and 21-in. They feature an easily replaceable printed circuit board, colour-coded wire harness with quick-connect fittings. nortekhvac.com

enVerid Systems has added the smaller HLR 100M to its HVAC Load Reduction family of air cleaning products. The indoor module integrates with a wide range of central or zonebased HVAC systems found in offices, schools, and conditioned warehouses and distribution centers and helps buildings achieve improved IAQ, meet energy efficiency and decarbonization goals, and lower operating costs. The unit’s flexible installation orientation make it suitable for retrofit applications. enverid.com

RectorSeal enhanced its Safe-T-Switch line of low-voltage condensate overflow cutoff switches and introduced an inline cleanout for residential and commercial AC equipment. Updates to SS1, SS2 and SS3 safety cutoff switches include a hand-ratcheting float that adjusts without uninstalling or cap removal to allow precise float level adjustability, minimizing false shut-offs. The SC1 inline cleanout device features a Schrader valve connection to use with a CO2-pressurized condensate line flushing tool. rectorseal.com

Bosch Thermotechnology has expanded its inverter ducted split (IDS) family to include a 15 SEER rated unitary inverter solution, the IDS Light, to complement its IDS Plus (18 SEER) and IDS Premium (20 SEER) systems. The Light system combines the BOVB18 outdoor condenser unit with the BVA15 PSC air handler and is designed for comfort at a price point for homeowners whose needs may not be demanding enough to require a higher SEER rated system. bosch-climate.us/

Marketair has added a new 26-ft.-long extended lineset bending kit and a ¾-in.-diameter mandrel to its easybend product line. The kit includes mandrels for the four common lineset sizes used in ductless and VRF/VRV installations: ¼in. (4-mm), 3⁄8-in. (6-mm), ½-in. (9-mm) and 5 8-in. (12-mm) (O.D.). The 26-foot mandrels permit passage through walls and around obstacles and enable multiple compound bends without kinking 25-foot linesets. marketair.com

For new or retrofit projects, the flexibility of wireless sensors provides multiple benefits.
BY ROBERT PRESSER
For HVAC contractors looking to enhance safety while easing installation and maintenance in a wide range of new and retrofit facilities, advanced wireless gas detection systems are a solution for monitoring toxic gases in associated parking structures and shipping/loading bays.
Although wired installations have long been the go-to for gas monitoring networks in these structures, wireless systems are proving increasingly effective, particularly for retrofits or expansions of existing systems.
The easy installation of wireless gas detection devices can often result in wider and more complete coverage of large enclosed, semi-enclosed, or remote parking structure areas than has been the case with traditional wired systems. In addition, the flexibility of sensor placement can also improve safety by enabling positioning where it is most needed, unencumbered by the limitations of routing electrical lines or conduit.
However, since wireless units can face challenges when significant obstructive structures can weaken the signal, the wireless devices are best suited for relatively open spaces. Against such a challenge, it is still possible to boost or repeat the wireless signal to gain sufficient coverage.
While wireless gas detection systems can ease installation in new facilities, in some older structures requiring retrofits this approach can sometimes be the only feasible solution.
In older facilities, everything HVAC was a standalone 120volt unit, which required inter-wiring relays to start the fan. You had line voltage coming in, you had control line voltage going out to a relay board where you were doing your fan logic. There was no software; it was all hard-wired.
In really old facilities, you might even find a pneumatic sampling system gas detection device, which was literally as big as a refrigerator.
Traditionally, obstructions such as steel beams and concrete walls also make it difficult to run wiring. A truly reliable wireless system can make it unnecessary to drill through a wall or penetrate a steel beam to run wire and conduit. This approach can eliminate much of the electrical costs, including the labour of licensed electricians, while expediting the project.
In older facilities, it can be difficult trying to reuse an old wiring system not designed for the task. With wireless gas detec -

tion networks, all that is required is mounting the sensors and establishing the connection with the system. Wireless systems can even eliminate the need for a control panel.
Wireless gas detection systems also reduce maintenance by eliminating cable troubleshooting, as well as lightning and storm-related damage to the main controller from surges carried by the cables.
And when retrofits or expansions of existing systems are necessary, additional wireless detectors can be added without sorting through complex system configurations.
Improvements in sensor technology has also led to the development of greater system reliability while minimizing false positives and excessive maintenance. Instead of yearly calibration, in modern wireless systems, sensors can function for over three years without recalibration.
While contractors and facility management professionals are more familiar with traditional wired gas detection systems, the addition of wireless systems to parking garages provides some important new capabilities.
And whether for new or retrofit commercial, residential, or multi-use structures, the flexibility of placement and ease of installation of wireless options provide positive steps towards boosting safety and speeding project completion. <>
Robert Presser is president of Acme Engineering Prod., Inc., an ISO 9001:2015 certified manufacturer of environmental controls and systems with integrated mechanical, electrical and electronic capabilities. acmeprod.com


PRESENTED BY
With all the talk about sustainability, the construction industry’s thoughts are turning to HVAC. Cue Mitsubishi Electric Heating and Cooling, whose new product from renowned European brand Climaveneta, a brand of Mitsubishi Electric, is focused on reducing building emissions while saving energy and money.
The NX-N Series of Hydronic Reversible Heat Pumps are the first of many products to be introduced into the Canadian market. This reversible 2-Pipe Heat Pump Chiller delivers on the wisdom acquired with 50 years as the European market leader in heat pump technology, optimized by Mitsubishi Electric for the Canadian climate. It can also be customized to serve MURB builders in creative and unique ways.
“Climaveneta products are proven, effective, sustainable and reliable tools for building designers to solve HVAC problems,” says Chris DesRoches, P. Eng, Applied Product Manager, Mitsubishi Electric.
“The NX-N Heat Pump Unit is an exciting hydronic alternative to a boiler. Its outstanding controls and superior performance offsets carbon emissions by reducing natural gas consumption, through the use of an electric heat pump.”
The NX-N Hydronic Heat Pump is just the tip of the iceberg when it comes to Mitsubishi Electric’s plans for Climaveneta. A new residential hydronic heat pump technology is due in the near future, along with the 4-Pipe Air Source Heat Pump, which produces chilled and hot water simultaneously and independently, while at the same time recovering heat instead of rejecting it outside the building.
“For builders across Canada with a clean power grid, the 4-Pipe Air Source Heat Pump Chiller delivers a true climate benefit,” enthuses DesRoches. “It further reduces carbon from a big picture point of view and is ideal for builders who are leading the way and setting the precedence for Net Zero – at a price point comparable to existing solutions available in the Market.”
The technology in the Climaveneta Air Source Heat Pump Chillers represents a great opportunity for maximizing comfort and improving air quality. Radiant, in-floor heating runs at a low heat. It’s continuous and gradual approach to heating avoids temperature swings, making occupants feel more comfortable.
4-pipe Air Source Heat Pumps feature independent heating and cooling circuits which allow the product to meet heating and cooling demands independently. When heating and cooling occurs simultaneously, the unit recovers all the energy that would have been released into the atmosphere, redirecting “free” energy back into the building instead. The 4-Pipe Air Source Heat Pump is a unique, flexible solution that allows the building to consume only the true amount of energy required to keep its occupants comfortable, significantly reducing or eliminating carbon emissions.
“The laws of physics don’t change but Mitsubishi Electric’s controls do,” says DesRoches. “How we define ‘high performance’, and how we move Energy around continues to get better and better. That’s what keeps me interested and passionate about HVAC. I’m not saying heat pumps are the only solution for the buildings. But as the technology gains more traction, and as we improve these products specific to the Canadian environment, the technology gets more and more irresistible.
With the recent announcement of the Canadian federal government’s proposed updated Climate Action Plan, the pathway to net-zero has never been clearer. Such bold goals may have once seemed far-fetched or unrealistic. However, Net-Zero is now well on its way to becoming a reality - having regard to a government policy favourable to low-carbon solutions and a widespread, pro-active adoption of these solutions by building designers and owners.
“With the proposal of a more aggressive Federal Carbon Charge, the push for building electrification, the economics of how we evaluate various technology choices in HVAC systems is being turned upside down, and Carbon is now a central part of the discussion. It’s a long path to Net-Zero and for now, it’s all about our team helping builders, consultants and the public learn more about the technology, adopt it and benefit from it.”
For more information about CLIMAVENETA NX-N Hydronic Heat Pumps, visit climaveneta.ca or reach Chris DesRoches, P.Eng., Applied Product Manager, at 905-475-3278 or chris.desroches@mesca.ca
For heat pump technology for new construction and renovation, please visit mitsubishielectric.ca or reach Steven Cornelius, Business Development Representative, at 647-278-0190 or steven. cornelius@mesca.ca



Low carbon, high performance, no compromise.
From light commercial applications to large multi-unit centralized plants, Climaveneta has a low carbon solution to help you realize your masterpiece, without compromise. So, whether you require a hydronic heating or cooling solution for a retrofit, a new construction project, or an industrial application, with Climaveneta you can bring your vision to life exactly as you imagine it.
• Climaveneta’s 50 years of experience meets Mitsubishi Electric’s nearly 100 years of innovation
• High-efficiency heat pumps that optimize heating performance for the Canadian climate
• Reliable heating and cooling solutions to maximize occupant comfort and minimize operational costs
• Flexible and customizable options to suit your individual project needs
Learn more at:
Climaveneta.ca


Coordinated ways to add heat to domestic water. BY
JOHN SIEGENTHALER
Irecently designed a system for a new home with a geothermal heat pump as its main heat source. The intent was to provide space heating and domestic hot water (DHW).
The space heating system was extensively zoned, with seven individual zones and a combined design load of only 29,700 Btu/hr. Some zones are single panel radiators with design output in the 1,400 Btu/hr range.
To avoid short cycling we planned the system around a 119-gallon buffer tank. A portion of the system’s piping is shown in Figure 1.
The heat pump is equipped with a desuperheater, a small heat exchanger that receives hot refrigerant gas directly from the compressor. The other side of the desuperheater receives “cool” water from the lower portion of a DHW tank.
Heat moves from the hot refrigerant to the domestic water as they pass through the desuperheater. After exiting the desuperheater the refrigerant flows on to the heat pump’s condenser, where it transfers heat to “system” water.
Warm water leaving the desuperheater flows back to a 38-gallon hot water tank. A small stainless steel cir-
culator inside the heat pump creates the domestic water flow.
When hot refrigerant gas leaves the heat pump’s compressor its temperature is several degrees above the saturation temperature (the temperature at which the refrigerant gas begins to condense).
This “extra” temperature above saturation condition is called superheat, and it has to be dissipated from the refrigerant before condensation can occur.
A typical desuperheater transfers about 10% of the available heat in the refrigerant gas leaving the compressor to the domestic water stream. The remaining heat is transferred to the system water within the condenser. In heat pumps equipped with a desuperheater domestic water heating occurs whenever the heat pump’s compressor is running, in heating or cooling mode. Some heat pumps turn off the domestic water circulator if the water temperature leaving the desuperheater climbs to 130F.
“This on-demand domestic water pre-heating assembly could be used on hydronic heat pump systems where no desuperheater is present, like an air-to-water heat pump.”
In cooling mode, heat removed from the refrigerant by the desuperheater is heat that doesn’t have to be dissipated from the earth loop. This is beneficial in two respects: 1) It’s “free” heat for domestic water, and 2) lower ground loop temperatures improve the Energy Efficiency Ratio (EER) of the heat pump, lowering operating cost.
In heating mode the energy transferred to domestic water by the desuperheater offsets what would otherwise by required from the electric resistance heating element(s) in the water heater. A given amount of domestic water can be heated through a given temperature rise using a fraction of the electrical energy required by a standard electric water heater. Furthermore, the majority of this heat is coming from the earth, not being absorbed from the air inside the building, as would be true if a standalone heat pump water heater was used.
The percentage of DHW load covered by the desuperheater depends on many variables: what percentage of elapsed time is the heat pump running? How much domestic water passes through the electric water heater when the heat pump is running? What is the volume of the electric water heater? What is the thermostat setting of the water heater? And what is the heating capacity of the heat pump?
Systems with relatively large electric water heaters, relatively high DHW demands, lower temperature settings, and heat pumps not grossly oversized for design heating loads will tend to allow a higher percentage of the total DHW load to be met by the desuperheater.
However, short of monitoring a specific installation, or setting up detailed software simulations it’s hard to know what that percentage is.
One thing is certain. When the heat pump is not running, there is no heating contribution from the desuperheater. This is where another complementary strategy comes in.
The system shown in Figure 1 includes an external stainless steel heat exchanger, DHW flow switch, and circulator arranged into what I call an “on demand” water heating assembly. These components can be seen on the right side of the buffer tank.
This assembly allows heat stored in the buffer tank to be added to the coldest domestic water. This transfer occurs whenever there’s a demand for DHW of 0.7 gpm or higher.
As soon as the cold water flow rate entering the heat exchanger reaches 0.7 gpm the flow switch closes its contacts. This turns on the coil of a relay which in turn applies line voltage to a small circulator (labelled as PDHW).
Heated water from the top of the storage tank is routed through the primary side of the heat exchanger and back into the lower portion of the tank.
With proper sizing, the heat exchanger can lift the domestic water temperature to within 5F of the temperature entering the primary side of the heat exchanger.
We used a brazed plate heat exchanger with 40, 5-in. x 12-in. plates. It was sized to raise 50F domestic water to 95F, at a secondary side flow rate of 4 gpm, and with water entering its primary side at an average temperature of 100F, and a flow rate of 10 gpm. This “preheated” water then flows into the cold water port of the electric water heater.
The load reduction on the electric element in the tank or the desuperheater depends on the entering temperature
of the preheated water. For example, if the heat exchanger raised cold domestic water from 50 to 95 F, and the final desired water temperature leaving the tank was 120F, the heat exchanger would have imparted (95-50)/(120-50) = 0.64,or 64% of the total energy required to heat DHW.
It would be possible to increase this percentage by increasing the water temperature in the buffer tank. However, the warmer the buffer tank temperature, the lower the heat pump’s COP.
This on-demand domestic water preheating assembly could be used on hydronic heat pump systems where no desuperheater is present, like an air-towater heat pump. It could also be used in combination with renewable heat sources using thermal storage tanks, including solar thermal collectors, cordwood gasification and pellet boilers.
The “backup” heat source in this system is a 4,500-watt electric element in the 38 gallon water heater. That tank is rated to provide a first hour DHW delivery of 54 gph, and a recovery of 27 gph assuming a 50 to 120F temperature rise, and thus absent any preheating. This is sufficient to assume the full DHW heating load if the heat pump is off and awaiting servicing.
Domestic water heating takes advantage of the higher efficiency of contemporary heat sources operating at lower temperatures. If you’re working with hydronic heat pumps for space heating and cooling, and the building needs domestic hot water, you should leverage this opportunity. <>

John Siegenthaler, P.E., is a licensed professional engineer with more than 40 years of experience in designing modern hydronic heating systems. His latest book is Heating with Renewable Energy (see www.hydronicpros.com for more information).
CONSTRUCTION

APPLICATION DIAGRAM
The Caleffi 520 Series AngleMix™ thermostatic mixing valve leads the industry with several exclusive features.
The valve’s angled geometry is the only one of its kind. Installation labor and material costs are reduced as the domestic hot water tank outlet is piped in-line with the valve’s mixed water outlet, thus requiring fewer fittings and less space.
With its highly versatile design, the valve allows for a variety of union tailpieces including press, sweat, NPT, PEX F1960 or F1807, and a different type for each connection can be selected if desired.
The AngleMix is designed with safety in mind, with tightclosing inlets which prevents temperature creep in recirculation systems. This also eliminates the need for bypass/return balancing valves. The valve is certified to ASSE 1017 standard for point of distribution domestic water systems.
Additionally, it is exceptionally well suited for low-flow fixtures, with accurate mixing all the way down to 0.5 GPM.
Contact: Sharon Alexander, Brand Marketing Manager sharon.alexander@caleffi.com
For more information on the AngleMix visit
www.caleffi.us



The AngleMix thermostatic mixing valve has an industry-exclusive angled geometry that saves installation time by allowing the DHW tank outlet to be piped in-line with the valve’s mixed water outlet, reducing the number of required fittings. Additional features include accurate control down to 0.5 GPM for today’s low flow fixtures, tight close-off capability to eliminate recirculation “temperature creep,” and an integral temperature gauge. Now available in larger sizes and with more connection choices. The winner of the 2021 AHR Innovation Awards in the plumbing category. CALEFFI GUARANTEED.


The new NFC-H condensing fire tube combiboiler and NFB-H condensing fire tube boiler (pictured) from Navien both offer turndown ratios up to 15:1, powered connections for three zone pumps or three zone valves, and a simple Setup Wizard for installation. The combi boiler also includes increased DHW performance with up to 210,000 Btu/h, offering up to 5.4 gpm at a 70F temperature rise. navieninc.com

Webstone’s Press × FIP transition tee products, including the new Pro-Pal T-Valve, are suited for isolating a line or device for service. It features a full port ball valve with an integrated tee fitting. Sizes range from ½-in. to 1-in. including reducing branch options. In addition, Press × PEX transition elbows and couplings are available in 5 8-in. and 1-in. reducing sizes. webstonevalves.com/press



U.S. Boiler Company’s Alta Combi boiler is a condensing unit with 10:1 turndown ratio. Its gas-adaptive technology provides “no touch” combustion setup—no manual throttle or offset adjustments. Its control system provides continuous, automatic self-calibration of burner combustion by adapting to component wear, variations in fuel, environment, and vent air pressure. The boiler is available with 136 MBH DHW input /120 MBH heating input with additional sizes coming later this year. usboiler.net
HydroSketch, the cloud-based software for drawing piping and electrical schematic diagrams to document hydronic heating and cooling systems is now available in single user licenses. The software, designed for making simple drawings using “drag and drop” to add components from several “toolboxes”. The new single-user license costs US$99 for three years allowing contractors, installers, wholesalers, engineers, and technical reps to generate an unlimited numbers of drawings for US$33 dollars/ year. hydrosketch.com

Enertech’s Advantage air-to-water heat pump is a total packaged solution in a monobloc design keeping all refrigerant lines in the outdoor unit. Its variable-speed vapour injection scroll compressor allows the unit to produce heat in extreme cold (down to -25C). Other internal features include: pre-installed expansion tank, internal flush blocks, a bypass valve and vortex flow sensor, all saving time for installers and service technicians. enertechusa.com
Viega has two branded pressing tools manufactured by RIDGID. The new Viega Pressgun 6 can press up to 4-in. ProPress copper and stainless and 2-in. MegaPress with V2 actuator and rings, as well as 2-in. PureFlow PEX. It has an eight-second press cycle and 270-degree rotating cylinder head. The less powerful Pressgun 6 Picco can press up to 1¼-in. ProPress with the C1 actuator and rings, 1½-in. PureFlow and ¾-in. MegaPress. viega.us



PRESENTED BY

Few manufacturing and assembly companies can say they have thrived for over four decades in one community while being part of a centuryold global and family-owned business. Viessmann Canada has not only done that, it is now transitioning the company’s products into a whole new and exciting digital era.
The company’s most recent iteration involves an expansion of its research and development facility to develop new and innovative digital interfaces for the sleek, internet-connected heating control systems that the modern-day North American market wants.
“Digital is now at the forefront for us,” says Harald Prell, President of Viessmann Canada, who has been with the company since his family immigrated from Germany in 1980 to take over the management of the facility in Canada
Embracing tech to meet the market
Heating has become a high-tech business and Viessmann has become a technology-driven modern manufacturing company. North American consumers want digital interfaces that are intuitive and comfortable for them to use, so

Viessmann recently decided to grow its research and development team in Waterloo. “What we want to do in the next number of years is specifically develop products for the North American market to meet future demand,” Prell says. “In the past, we have taken the European products, modified them and sold them over here, but the future for us will be in developing and engineering products for the market over here.”
Lukas Loidol, who has been with Viessmann since 2011 and came to Waterloo about a year ago as the Director of Engineering for North America, says “we are really focused on developing features for North America and developing the user experience and user interface tailored to the North American applications.”
The company’s lab has been around since the early 1990s and now includes an impressive array of equipment such as a climate control chamber used for efficiency testing and certification, a CSA accredited test lab and NOx (nitrogen oxide) test equipment.
The lab will now add more equipment related to the development of digital products.


The research and development team is also growing, starting with a couple of recent open positions and eventually growing into a team of perhaps over a dozen people, he says.
The company’s goal in North America is to not only sell more integrated energy efficient heating, ventilation and air conditioning (HVAC) equipment but also to help the various customers provide end-to-end solutions so that they can offer greater control and predictive maintenance services to the home owner.
“The homeowner is no longer just happy with heating appliances. They want to be able to remotely control the appliances and to not have to think about when to get maintenance. We can use artificial intelligence to take care of that and integrate the equipment into the servicing network so that you don’t wake up one morning under a cold shower,” Loidol says. Contractors also want to have a more intuitive user interface for commissioning, “so that they can do that on an iPad from their home office couch, instead of standing right in front of the boiler.”
Article written by Waterloo EDC - 2020


Answering the what, why, how and when of these thermal energy measurement devices. BY
CURTIS BENNETT

I’ve titled this article ‘Btu Meters’ because I think that name is more well-known than the “proper” term of thermal energy meters. I can tell you this subject is pretty near to my heart, as I have spent last few years working on them. So if I seem like I’m getting way too deep, it’s because I think some of the information is necessary to really understand what they do and how they work. So let’s dig in.
Btu meters are also known as heat meters, but I prefer the term thermal energy because the word heat excludes the possibility of calculating cooling thermal energy which these devices can also do, well at least some of them.
I’m sure you have started to hear a little more about these devices online or in print. The reason is that thermal energy metering is kind of the final frontier of metering devices. It was a
“hole” in the metering industry, at least in North America, for companies or people to bill based on the amount of thermal energy used.
At its core a thermal energy meter is a device that measures the amount of thermal energy used in a fluid system over a given amount of time. To put this into perspective, a water meter measures the amount of water used, an electrical meter measures electricity consumed and a gas meter, you guessed it, measures the amount of natural gas consumed at a location. There are “metering devices” for all these, and these devices are certified for billing purposes. This is a very important aspect,as this makes them very accurate and as such there are stipulations to using them.
As you all probably know, the calculation for a Btu is: Flow (gpm) x DeltaT x 500. So, to calculate the thermal en -
ergy used in a hydronic system we need some flow and we need the temperature at the supply and the return. Then there is this elusive number “500”. This number is the heat coefficient, and the heat coefficient of water is 500 (well of pure water anyways, but let’s not muddy the waters, LOL). This number represents how much energy the fluid can hold. There is a very complex calculation that goes into this number taking into account the density of the water, which depends on the temperature and pressure of the system, and if there is any glycol or other antifreeze in the fluid. And there is another variable called enthalpy, which basically means how much energy can actually be put into a fluid. This number will vary anywhere from around 300 all the way up to 500 or even a bit higher. Once we have all of our values we can achieve a very accurate Btu calculation. This calculation has to be done to five decimal points of precision. Alright, that’s enough boring stuff for one article!
So now let’s calculate the “energy” of an imaginary “apartment”: it’s Btu = 5.6(gpm) x 23 (DeltaT) x 457, which equals 58,861.6. But hang on, that’s an instantaneous number of 58,861.6 Btu’s/hour. The accuracy of these devices has to be very high. So we actually slice this number every second and do the accumulation that way.
So that would be, in this case, 58,861.6/3,600 (seconds/hr) which equals 16.3504 Btu’s per second. We add this number to our accumulated number. This Btu value can actually move around all the time, so to get a perfect value over a given amount of time, you need to take very small amounts and add them together. If this is not done the actual value will be out of range and customers will be billed incorrectly. So the calculating portion of the device is very important.

HYDROFOAM® IS THE IDEAL RADIANT FLOOR INSULATION PRODUCT FOR RESIDENTIAL AND COMMERCIAL CONSTRUCTION PROJECTS.
The floor of a building is often the most ignored surface when it comes to insulation. The floor, when insulated with HYDROFOAM, completes the building envelope and increases comfort and energy efficiency.
HYDROFOAM maximizes radiant floor heating by ensuring the heat is dispersed evenly throughout the entire floor area, providing building occupants with a comfortable living and working environment.

Now let’s move on to the “guts” of the thermal energy meter. Let’s start with the flow portion. There are three main types of flow sensors: vortex shedding technology, ultrasonic and turbine. Each has advantages and disadvantages. Sensing challenges like debris, fluid concentration, or orientation of the device can affect the performance of the energy meter. Proper mounting of the flow sensor also very important. This comes right down to turbulent items in the flow steam as well. These could consist of valves too close, pumps too close or even a change in size of pipe too close. Size can also be a deciding factor when it comes to using an energy meter. Mechanical design may make it so some units just don’t fit in a space.
All energy meters, until recently, used the same basic technology. They have a flow meter and two PT-100 or 1000 (thermistors) temperature sensors. This technology has its limitations. With a resistive temperature sensor you are not allowed to modify the sensor length. This is part of the reason in North America the adoption has been slow to take off. These types of meters cannot be installed into many current heating environments, at least not very easily. The typical energy meters come


REGISTER TODAY for your chance to win one of 10, $50 gift certificates from Boston Pizza
There will be 5 winners awarded for each day of the Summit. Winners will be notified by HPAC on March 26th. Collect your digital gift card at the Amvic booth March 30-31.
Registration for the Summit is FREE from our friends at – what a deal!

with around three meters of length on the sensor. You can get longer, I think up to 15m, but the issue then is that you can’t modify that wire. So you have to find a clear path to put the temperature sensor at the other end of the system.
The temperature differential is super important in the calculation. The differential of the supply and the return temperatures can change the outcome a lot, hence why the sensors have to be so accurate and calibrated to be less than 0.185C different from the factory.
This leads us to the different classes of energy meters: Class 1 is an accuracy of +/- 3.5%, Class 2 (where most meters fall) is +/- 5% accuracy and Class 3 is also +/- 5%, but there are some other small differences, these are called the maximum permissible error. These are the total of all the errors that can happen with the device. This includes the calculator errors, the error from flow, and the error on the DeltaT. When the certification is done they total up all the deviations to find the total. We don’t need to get into the error calculations, just know, it’s not easy to get a device fully certified.
The energy meter, as with most of our hydronics overlying technology, has its roots in Europe. The European market is laser focused on using the least amount of gas or electricity to get the most output. Metering how much energy you use in a space helps to achieve this goal. In Europe they have been using energy meters for years. They have a whole industry to install, maintain and calibrate these meters. They need to be certified and calibrated at regular intervals. Remember, these devices are used to bill customers, so they need to start out accurate and stay accurate for many years. In North America we are just getting started in this new frontier. I think it’s a really good thing when it comes to the push for more energy efficiency. I used the example of an apartment because it’s the natural place to use these devices. Tenants who use small amounts of energy are rewarded, and the large users have to actually pay for what they are using. It will bring the efficiency of the whole building up. When you know you are paying for what you are really using it is a natural tendency to use less.
So there you have it, a mind-boggling entry into the field of thermal energy meters. This article got a little long so we did not cover communications or IoT aspects of these devices, for which there are many variants. Maybe next time. <>

Curtis Bennett C.E.T is product development manager with HBX Control Systems in Calgary. He formed HBX with Tom Hermann in 2002. Its control systems are designed, engineered and manufactured in Canada to accommodate a range of hydronic heating and cooling needs.
The new Baxi Boiler Duo Tec residential boiler platform includes a variety of combi boilers ranging from industry-leading DHW outputs of 205,000 5GPM, 152,000 3.9GPM, to 115,000 2.5 GPM as well as the straight heat CH boilers ranging from 125,000 BTUH to 380,000BTUH.
The Baxi product line is supported with industryleading warranties, including a 15 year residential application warranty on the heat exchanger and a five year warranty on parts. As a Baxi Pro Dealer you will also enjoy a 1 year labour warranty.
All Baxi equipment and support parts are stocked and shipped from the Morden National, Wallaceburg Ontario facility to our HVAC and plumbing wholesaler partners across the country





The team at Morden National also delivers customer support for order entry and live technical support should you require it, we speak Canadian. Our goal is to provide our partners across Canada with an uncommon, positive customer service experience.
Most of all, Baxi Pro Dealers will be rewarded for every Baxi boiler installed and registered on the Baxi Pro Dealer portal. Baxi rewards can be used for advertising, swag for employees or qualify for the annual Baxi Pro Dealer rewards trip.
For more information contact Morden National Sales and Marketing at customerservice@ mordennational.com or visit our website at www. mordennational.com.


A B.C. contractor finds time and labour savings using press fittings on a high-rise project.
Time is of the essence on a construction project, and when it’s a large multi-tower development, small time savings really add up.
That’s what Pitt Meadows Plumbing from Maple Ridge, B.C. is experiencing with the use of press fittings, of up to 4-in., on a mega-project that includes four towers—56, 48, 37 and 30 stories tall—all being built atop a 1.5-millionsq.-ft. parkade and commercial podium in Burnaby, B.C.
The City of Lougheed multi-tower condo project is being constructed around an existing shopping mall, the Lougheed Town Centre, Still ongoing, Pitt Meadows was awarded the mechanical contract in 2018.
By pressing the fittings, Pitt Meadows didn’t need to bring a welder into each high-rise building to construct the gas riser and saved time in the process.
“We chose Viega MegaPress and ProPress at our City of Lougheed project largely due to the ease of installation and the associated labor savings,” said Austin Wilson, project manager for Pitt Meadows.


“Using MegaPressG on-site eliminates the need to bring a welder to connect the main gas riser to each floor of each tower, and this saves our crews a ton of time. We can press 10 floors of couplings in the time it would take to weld one floor.”
Throughout the condo towers, Pitt Meadows used steel pipe on the hydronic heating system, ranging from ½-in. to 4-in., plus gas lines and copper lines in the same range of diameters.
The hydronic system consists of chillers and a cooling tower, as well as boilers, located on the roof of each tower. Branching off the main gas riser to each distribution zone, crews used MegaPress fittings as well as traditional joining methods for parts that were prefabricated off-site. Branches off the main to each suite used MegaPress fittings as well.
“We have a 4-in. gas main serving the rooftop mechanical rooms, which we connected with MegaPressG,” Wilson said. “The gas distributes both at the top and bottom of each building. We used
MegaPress tees on the riser to supply gas to each suite. We also have some horizontal gas mains, which we pressed together on-site with MegaPress fittings, rather than bringing a welder to the site.”
This large project includes a lot of piping and fittings. That’s why the crew prepared as much as possible off-site.
“We prefabricate mostly all pipes with fittings above two inches,” said Wilson. “We try to reduce the number of joints made on-site.”
They use fittings on distribution pipe for the on-site connections of steel pipes, while the majority of the fittings are being used for the in-suite steel hydronic risers, as well as the horizontal distribution mains. Wilson says this project, in total, will use well upward of 10,000 press fittings.
About 65 Pitt Meadows crew members have been on-site since the project started, and the company estimates completion will be in early 2023. <>
This article was provided courtesy of Viega.
Speakers include: Siegenthaler, Bean, Miller, Goldie, Bennett, MacNevin
Topics include:
- Air-to-Water Heat Pumps
- Reducing Water Temperature in Existing Hydronic Systems
- Energy Metering
- Selling Hydronics to Builders
- Buffer Tanks
- Snow and Ice Melt














Amvic’s insulated PEX panel combines a number of unique elements making it one of the best panels on the market. The panel consists of expanded polystyrene insulation, moulded to high impact polystyrene film. This combination makes for a stronger, more resilient interlocking PEX panel. Additionally, the panel nubs form a mushroom shape, locking the PEX piping firmly in place. Once inserted, it guarantees that the pipe is properly positioned and seated in the panel.
The innovative panel design with bridging and cavities ensures that the PEX piping will be completely surrounded with concrete and not pushed to the bottom of the panel. This feature will allow for better heat distribution from the radiant piping and a more efficient energy transfer.
The design of the Amvic PEX insulation panel makes for a very durable and simple install on the job site. Because of its strength and stability, contractors can handle the material with ease eliminating breakage, replacement and additional labour. The film on the panel along with the nubs, allows the PEX piping to be walked in and locked into place, rather than constant bending to wire-tie or staple the piping firmly into place cutting labour time and material costs. The oversized four sided tongue and groove interlock system makes installation quick, easy and secure. The size of the panels also increase productivity and precision when placing the panels on the floor. The 2x4 panels become easier to maneuver, easier to place and easier to identify leveling inconsistencies.
Hydronic heating can solve winter season problems by implementing a snow and ice melt system by circulating warm liquid through PEX piping which is concealed in the concrete. These systems can be easily installed in residential, commercial or industrial applications such as driveways, sidewalks, stairs, entrances, parking lots, ramps, helipads and much more.
Homeowners can choose to have hydronic heating throughout their entire home which can eliminate the need for forced air units and reduce utility bills. Common living areas for floor heating include the bathroom, the family room, the garage/driveway, entrances and even the kitchen.





Braukmann-branded mixing valve
Resideo Technologies introduced Resideo-branded hydronic heating components to complement its portfolio and is also reintroducing the Braukmann product name to its global line of potable water products.
The hydronic portfolio includes circulating pumps, hydraulic separators, air eliminators and boiler installation trim kits.
“Our professional contractors’ time and energy are precious, so we’re looking forward to offering them a complete easy-to-install hydronics system from Resideo that is engineered for accuracy, safety and reliability,” said Matthew Robbins, vice president global product management, in a company release. “Our new hydronics solutions are our first Resideo-branded offerings and serve as a true example of what our professionals can expect from Resideo’s behind-thewall solutions.”
The Braukmann product name is reappearing on products including pressure reducing valves and mixing valves. Resideo acquired Braukmann in 1980, a company with over 75 years of experience in the European residential water control market
“Our European and North American customers have known and trusted the Braukmann name for more than 40 years, and we’re honoured to bring back the well-known potable water product family,” said Lisa Goldson Armstrong, vice president of global marketing at Resideo, in the release. resideo.com
Victaulic has purchased a 220,000 sq. ft. manufacturing facility in Lawrenceville, Pennsylvania, and when operating at full capacity will increase the company’s foundry production capacity by 70% in the U.S. The new plant will also enable Victaulic to produce larger scale products.
In addition, Victaulic is also nearing the completion of an additional 400,000 sq. ft. light assembly operations facility, located on 28 acres of land located in the Lower Nazareth Township, Pennsylvania, which is expected to be fully operational in 2021. victaulic.com

>> Noble’s 7,987 sq. ft. Waterloo location opened on February 1st, 2021 (pictured) offering customers over 5,000 instock items covering the plumbing, HVAC, industrial and hydronics lines of business. This location represents the 16th branch in Noble’s South West Ontario region. And Noble is also opening a new Huntsville location in April 2021. This 6,500 sq. ft. branch will be a full-service location as well. Huntsville will be the fourth branch in Noble’s Northern Ontario region which includes Barrie, Gravenhurst and Collingwood. The Huntsville branch represents the 49th location in Noble's network. noble.ca
Next Plumbing and Hydronics Supply is now providing TOTO’s line of bathroom fixtures and fittings, including toilets, baths, urinals, faucets, accessories, lavatories and more across the Greater Toronto Area. A global brand known for its innovation, design, and commitment to product development, TOTO products include the award-winning NEOREST and WASHLET series.
“It is NEXT’s ability to service contractors and commercial mechanical customers across the GTA and beyond with ontime and rush deliveries and our commitment to having breadth and depth of inventory that already make a big difference,” said Michael Storfer, CEO at NEXT, in a company release. “And now, we are allowing a premium product like TOTO to be more available; more within reach to all customers.”
The Toronto-area wholesaler is committed to having a full line of both TOTO products and parts available, and Next Supply has people available to support all product lines. And they’ve brought increased outside and inside sales support on board to focus on and build on this opportunity. www.nextsupply.ca

Effective April 1, Hastings Tile & Bath based in New York will be the exclusive importer and distributor for the Danish-made VOLA brand fixtures in Canada as well as the U.S. Previously, Ginger’s represented Canada and the company will remain a VOLA dealer going forward.
Hastings has been the exclusive importer and distributor of VOLA in the U.S. for more than 20 years. hastingstilebath.com

100 YEARS FOR BRADLEY
2021 marks 100 years of commercial washroom innovation for Wisconisin-based Bradley Corp.
Bradley’s origins date back to its first multi-user hand-free handwashing fixture called the Washfountain. The company was founded in 1921 by Howard A. Mullett after he and several partners bought the rights to the Washfountain from inventor Harry Bradley.
Today, the company is led by Chairman/CEO Bryan Mullett, the fifth Mullett generation to lead the company. “Touchless handwashing has been relevant for a century but never more important than it is today as the world overcomes the COVID-19 pandemic. Our company will celebrate all year long with several new innovative products launching soon,” said Mullett. www.bradleycorp.com


The Master Group appointed Benoit Chayer as vp of marketing and digital experience. Chayer entered the HVAC/R sector as a refrigeration technician and worked as a supervisor and project engineer at Kraft Canada before joining Master in 2011 as product manager, commercial equipment to develop the VRF market. He was promoted to vp sales and strategy in 2016. Master Group has also added Kevin Fullan as vp of distribution, Central Canada. Fullan spent the last seven years as a general manager with Wolseley Canada, responsible for the plumbing and HVAC/R business in Ontario and the Atlantic provinces.
Resideo has promoted Sean McPhee to national key account manager for Canada. In this role McPhee will be responsible for the sales, marketing and customer service for Resideo’s key accounts in the Canadian trade channel. He first joined Resideo in 2016 as the residential distribution representative in B.C.



After more than 33 years, Tim Meadows, vice president and general manager for Victaulic Canada, has retired (effective February 12), and taking over as general manager for the country will be Jared Breidinger. Meadows joined Victaulic in 1987 as a territory sales rep for the North Western Ontario/Manitoba region. He progressed through the years, in 2002 assuming the role of vice president of sales for Canada, and in 2010 was promoted to vp and general manager for Canada. Breidinger brings more than 16 years of experience with Victaulic to his new role, having served in various sales management positions across the U.S., Europe, Middle East, India and Africa.


Kenneth Alemao has joined ECCO Supply’s marketing team as a product manager for ECCO heating products. Alemao has worked in the HVAC industry for over 10 years, most recently in roles related to sourcing and category management where he managed a portfolio that included HVAC, waterworks, plastics and hydronics.
Bradley Corp. has appointed Mark Whittington to vice president, business development. Whittington joins Bradley’s leadership team and is responsible for growing Bradley’s plumbing products business. He has held various sales, operations and supply chain leadership positions in the plumbing industry for 20-plus years, most notably with Elkay Manufacturing as executive vice president, plumbing.



Sarah Clarke has been promoted to the role of assistant show manager with the Canadian Institute of Plumbing and Heating (CIPH). Clarke joined CIPH in October of 2017 as an administrative assistant and was promoted to program coordinator. Over the last two years, her role with CIPH trade shows has expanded and she is now a member of the Canadian Association of Exposition Management and is part way through the Certified Exhibition Manager program.
Noble has announced that after 45 years of service in the industry, Mike Masse, regional manager for Noble’s South West Ontario (SWO) region is retiring in March (effective March 5th). Masse began his career working at Emco rising up to become district manager for SWO. Joining Noble in 2000, he played a pivotal role in developing the SWO region from the ground up, beginning with the first London branch. Masse is being succeeded by David Belcher, who was previously branch manager at Noble’s Kitchener Wilson location. With Noble since 2017, Belcher has more than eight years of experience in the plumbing wholesale industry and more than 25 years in the pipe, valves and fittings marketplace.


The ProVore® grinder from Liberty Pumps is designed for use in applications where addition of a bathroom or other fixtures below sewer lines requires pumping. Traditionally, solids-handling sewage pumps in the 4/10 hp. to 1/2 hp range, have been used for these applications. The solids-handling sewage pump design passes waste and solids through the pump in full-form without shredding or grinding. With lower pumping heads typically only being 8 to 10 feet (the height of a residential basement), this technology, for years, has provided a reliable cost-effective means to add a bathroom or other fixtures below gravity sewer lines; however, while providing an effective solution, the solidshandling pumps are susceptible to jamming on unwanted debris – such as feminine products, rags or other difficult solids that may get flushed into the system. This is where the ProVore® comes in. It features Liberty’s patented V-Slice® cutter technology utilized in its popular Omnivore® series of 2 hp. grinder pumps. This proven cutter design easily shreds solidssuch as feminine products, rags and other unwanted debris. The ProVore® brings this advanced technology down to a more cost-effective residential level. Powered by a 1 hp motor, this smaller grinder is designed to operate on a standard 115- or 230-volt circuit – requiring only a 20-amp breaker. No special wiring, as is necessary with larger hp grinder pumps, is needed.
The pump comes with a 2” vertical style discharge (common on solids-handling pumps) and a standard leg pattern matching Liberty’s LE-Series. This allows for an easy retro-fit into already existing systems. Engineered with flow rates to 46 GPM – the ProVore® provides adequate scouring in 2” discharge lines with lower pumping heads commonly found in residential basement installations.
Compact factory assembled systems are available in both simplex and duplex versions. The ProVore®380 uses Liberty’s very popular PRO380 basin.
The ProVore®680 is a compact duplex version of the 380. Standing only 24” tall, this small profile duplex system utilizes two ProVore® pumps for uninterrupted service.
Whether it’s a traditional solids-handling pump or a newer style grinder, Liberty’s broad offering of products can satisfy a variety of pump applications, and with its aggressive product development strategy, you can be assured Liberty will continue to meet the needs of today’s rapidly evolving market.



Stop the jamming associated with solids handling sewage pumps and move over to the new ProVore® 1 hp grinder - now available in compact simplex or duplex packages!
ProVore® grinders feature:
• Powerful 1 hp motor
• Patented V-Slice® Cutter Technology – easily shreds feminine products and other tough debris known to jam standard sewage pumps
• No special wiring - runs on standard 115V or 230V, 20A circuitry
• 2" Discharge









Selecting the correct solution is dependent on the application, but there are common issues to consider.
ARTICLE COURTESY WATTS
Backflow continues to represent a significant threat to our fresh water supply. Caused by a cross-connection between a potable water system and a suspected source containing used water, industrial fluid, gas, or any other contaminating material, backflow events are difficult to detect until irregularities are present and potentially serious symptoms arise. With a backflow preventer that is properly specified, installed, and maintained, the risk of events due to backsiphonage and backpressure can be avoided.
Specifying a correct backflow solution is dependent on the application. Awareness of the potential pitfalls presented by the existing plumbing system’s design is critical. Following are 10 considerations when specifying:
Flow performance is important when it comes to minimizing system pressure loss as the available pressure throughout the system needs to be calculated during the design process. If the pressure loss is too high for the system to provide adequate pressure to its components, it could mean having to add a booster pump or use larger diameter piping, both of which could add significant expense. Though pressure loss is an area of concern in all systems, it is especially critical within a fire prevention system.

All backflow manufacturers publish pressure/flow curves for their devices. When comparing flow curves, make sure they are both indicating the same situation—as increasing flow curves and decreasing flow curves are often very different.
The total theoretical demand for a water supply system is calculated by adding the known maximum demand for all fixtures in the system. The flow characteristics of a backflow device can directly impact the overall flow performance of buildings potable water or fire sprinkler system. When specifying, be aware of the building flow demand requirements. At the highest rate of typical use, you don’t want to exceed the rated flow, the flow rate above which you’ll experience greatly increased wear and tear. For fire systems, full fire flow should not exceed the UL rated flow of the valve.
Despite best efforts, wear and tear to a backflow preventer will occur from normal operation and unavoidable external sources – such as excessive debris in the water. The backflow preventer will inevitably need to be serviced, which should be done by a professional plumber. There are a number of factors to consider when selecting a backflow preventer: How easy is it to access the internals? Can the parts be repaired individually? Are they readily available? Can components like the relief or shutoff valves be removed for service or replacement?
The harder to service, the more hours required, the more costly the repair.
The application conditions will have a significant impact on the design of a system, the install, as well as budget. Local authorities have jurisdiction over
Flexible Models 105 |108 | 112
Offered in 41, 61 or 99 imp. Gallon capacities (184, 279 or 451 Litres)
Field convertible
Convertible voltage (208V, 240V, 480V and 600V), phase (3 to 1) and wattage input ranging from 3kw to 54kw on all models and up to 63kW on 112 models. Allows multiple electric configurations for your hot water needs.

Two (2) high quality magnesium anodes
Oversized on 112 models, they provide excellent protection against the corrosive effects of water and extend the tank life.
Easy service access to components
Designed with a single panel junction box for a fast electrical supply. Equipped with a hinged door and a removable element panel. Allow access to all the electrical components.
For more information visit our website www.giantinc.com or contact your local representative!




The Model D-5 Continuous Cable Drum Machine combines professional quality and affordability for cleaning 3”–10” diameter lines up to 100 ft. and runs 3/4” dia. Tri-Max cable. High density polyethylene drum and belt guard will not rust or dent. Three sealed heavy-duty ball bearings support the drum. A thick wall guide tube extends wear. Powered by a heavy-duty 1/2 H.P. capacitortype motor to provide more torque. Power feed and drum can be quickly removed. Loading wheel is built into the handle.
UNIQUE Variable Speed Motor Feature gives operator maximum cable control and exceptional cleaning power from 75 to 350 RPM with constant torque.
• Professionally designed to clean 3/4” to 2-1/2” diameter drain lines up to 50 Ft.
• Standard unit features a hand tighten Jacobs Chuck. The CT is also available with a 2-way auto cable feed that keeps hands off rotating cable as it advances and retrieves cable with the push of a lever, and helps keep work area clean.
• Balanced, heavy-duty steel tubular frame allows for 2 position operation.
• Rugged stainless steel cable drum will not rust and resists denting.
• Holds up to 50’ of 1/4” cable, 50’ of 5/16” cable, or 35’ of 3/8” cable.






In addition to our popular sectional cable drain cleaning machines, our complete line also includes continuous cable drum machines, high pressure water jetters, gasoline powered municipal sewer cleaners, and pipeline inspection camera systems.
This complete line of drain and sewer cleaning tools is the industry standard for highest quality and professional design.
We manufacture a wide variety of continuous and sectional cables which can be adapted to most major brands of drain cleaning equipment. Utilizing the industry’s highest quality components, such as certified music wire and galvanized aircraft wire, our cables are designed for maximum flexibility and longer life. A special heat treating process relieves stress on cables for superior performance.



Continued from p50
the type of valves that are used in each type of application. The overall length of the valve can typically be found on the technical data sheet provided by the manufacturer and is critical when replacing an existing application. It can also impact a new installation if space is at a premium.
What type of environment will this device be located in? For instance, a reduced pressure zone assembly may not be used in a sub-ground level box or pit as they may become flooded. Also consider what kind of weather the valve will be exposed to, and how it will affect the exposed components.
Weight factors into the device selection mostly in regards to the labour costs associated with handling and installation. Also, consider what material it is made from. Composites and stainless steel are typically lighter than cast or ductile iron. Smaller is better when it can allow for extra space for critically needed valves in the system and take up less space in the mechanical room.
Backflow preventers are installed in a variety of locations, from large open spaces to small cramped mechanical rooms. They are designed to allow for multiple installation configurations to enable the design engineer to fit the device into the space. Installation options are horizontal [most common], vertical, ‘N’ Pattern, and ‘Z’ Pattern. In general there is little to no change in valve performance based on its installation configuration; however you should always read the manufacturer’s technical information and consult with local plumbing code officials before making a buying decision.
The way to test a valve will depend on the local water authority’s require -
ments, however the valve itself can affect how easy the valve will be to test and troubleshoot. Testers will need access to test cocks in order to effectively test the device’s function. If the valve has plenty of clearance around all sides this typically won’t be an issue, however when this is not possible (against manufacturer recommendations) or when retrofitting a valve, walls or existing piping may make access to test cocks difficult or impossible— which will lead to re-piping or replacing the valve entirely.
One use for test cocks, other than testing the valve, is flushing a valve to try and clear debris that may be fouling the checks. Larger test cocks will allow more flow, increasing the chance that you can clear the debris.
In order to test and troubleshoot a valve, it’s important that at least the downstream shutoff valve shuts tight and is leak free. For this reason, high quality shutoffs are an important part of the backflow assembly, and the ability to repair them in order to make the valve testable again is also key.
There are many shutoff valve options available when specifying a backflow preventer including: ball valves—typical for assemblies 2-in. and allow for easy ¼-turn on or off; butterfly valves—when a shorter lay length is desirable, can be gear operated for slow close operation to avoid water hammer (a requirement in fire protection systems), or controlled electronically; NRS [non-rising stem] gate valves—desirable when you don’t have clearance above the hand wheel and don’t need a visual indication of position (open/closed); OSY [outside stem and yoke] gate valves— standard for large diameter fire valves because the rising stem gives a visual indication of position and can be fitted with a tamper switch; PIV [post indicator valves]—typically an option on NRS
gate valve, these valves are meant to attach to a post that will visually indicate “open” or “shut”, and are typically used in fire systems when the valve will be inaccessible, such as underground or behind a wall.
It is important to understand your local codes and requirements, as a device may be allowed in an application in one area and considered insufficient in the next. It is advisable to maintain a relationship with local plumbing inspectors and water authorities so you can avoid either failing an inspection, or installing a more expensive device when a more economical one would have satisfied the requirements.
There are resources available providing information, education, product testing and certification, building product evaluations, and code development assistance. These organizations can help: IAPMO – the International Association of Plumbing and Mechanical Officials (IAPMO) iapmo; USC Foundation for Cross Connection Control and Hydrualic Research, fccchr.usc.edu; and The American Society of Sanitary Engineers (ASSE), asse-plumbing.org.
Plumbers, contractors, and engineers have more options to recognize, plan for and prevent potential backflow threats before they occur, but everchanging plumbing codes and complex plumbing systems have made it a difficult landscape to navigate. Specifying the correct backflow preventer is the first step to a safe and secure water supply. <>
This article was adapted from the ebook, “Top 10 Considerations for Specifying Backflow” part of series of backflow-related resources located at watts.com/backflowhub.

One of our newest pumps - the Sanicondens Best Flat is a low-profile, condensate pump with a built-in neutralizer, used for boilers, HVAC and water heater systems, etc. It’s one of the most powerful and quiet condensate pumps, capable of neutralizing acidic condensate up to 5000,000 BTU/ hour. Capable of discharging condensate up to 15 feet in height and/or 150 feet away from a soil stack.

Not all condensate requires neutralization, it can be drained into a third inlet, located on the top of the Sanicondens Best Flat near the discharge line. This 3rd inlet by-passes the neutralizer pellets, carrying directly to the pump impeller, where it is immediately discharged.
The powerful compact system can be either floor or wall mounted. Coming ready to install with connections to an external overflow, shut-off switch or alarm system. Also including all necessary hardware for ease of installation; 20 Ft of vinyl tubing, inlet adapter, discharge adapter and neutralizing granules. For more information you can go to www.saniflo.ca or call our toll free number 800-571-8191.



Vortex impeller capable of handling up to 2” solids.
Powerful 1.5 HP motor(s) (Shut-off head: 43 Ft).
System capable of discharging through a 2” or 4” diameter pipe.
Smart pump technology allows discharge to increase up to 250 GPM
Above-the-floor technology eliminates pit installations providing easy service

IPEX has introduced RadonX Soil Gas Venting, specifically designed, tested and labeled pipe and fittings to address the need for collecting and venting radon gas from a dwelling. Focusing on low-rise construction, the RadonX PVC product offering consists of perforated gas collection and non-perforated vent pipes, fittings, solvent cement and termination accessories manufactured to strict quality, performance and dimensional standards. ipexna.com

Saniflo Canada’s Saniswift Pro drain pump for commercial and residential applications can handle gray water from up to three fixtures: sink, shower, dishwasher or washing machine (via a laundry sink). Encased in a rugged HDPE cube (12-¼-in .x 9-¾-in. x 11-¼-in.), it can be installed in hard-to-reach spaces, and servicing can be done without disconnecting piping to the unit. It will discharge 18 gpm at a distance of 14 ft.; and 24 gmp at 3 ft. saniflo.ca

Rinnai has launched a Building Management System (BMS) Gateway to provide commercial and vertical markets a system to remotely control and monitor Rinnai commercial tankless water heaters. Users can pair up to six units per gateway, with up to four gateways per network, for a maximum of 24 tankless units connected. It works with Rinnai CU199 and CU160 condensing tankless models and uses BACnet, Modbus or LonWorks protocols. rinnai.ca

Oatey’s Fix-it Repair Ring securely repairs broken, cracked or worn-out toilet mounting flanges without replacing the toilet flange. Compatible with all flange and toilet installations, as well as flooring types (including concrete), it has 10 mounting holes and four slotted mounting tabs to enable a wide range of options. It can accommodate ¼-in. or 5 16-in. closet bolts. The thicker wall span between bolt slot and the ring perimeter minimizes weak points. oatey.com

Infinity Drain now offers its FCS Series Fixed Flange linear drains with SchluterKERDI fabric factory applied. The product complies with Schluter’s shower system warranty program and is backed by both Infinity Drain and Schluter. The new FCS Series is available on all Infinity Drain grate styles, finishes – including custom linear drains. The complete FCS Series kit offers a stainless-steel grate, stainless steel channel, hair strainer, ABS channel support, and lift out key. infinitydrain.com

Watts’ new Backflow Hub online for plumbing presents the basics of backflow and a complete list of FAQs, along with information about each of the company’s backflow brands and access to eLearning backflow training courses and CEU webinars, free backflow prevention e-books for download, and a catalog of backflow prevention technical and educational literature and videos. watts.com/backflowhub


THE BEST WAY TO FIGHT AGAINST THE SPREAD OF GERMS, HANDS DOWN
With a lineup of high quality, durable and stylish sensor-activated faucets, flush valves and toilets, American Standard is here to help us all wave goodbye to the spread of germs and bacteria in public restrooms.

nextsupply.ca/touchless



Paradigm Proximity
Sensor-Operated + SmarTherm Faucet
Greenbrook Urinal with EverClean Antimicrobial Surface
Ultima Proximity
Sensor-Operated
Flush Valves

THE BRUTE FT® BOILER & POWERSTOR SERIES® INDIRECT WATER HEATER.
Together, they deliver the perfect heat and hot water solution for your customers.
• True Power. The Brute FT® can easily handle the space heating needs of today’s modern homes – even on the coldest nights.
• Exceptional Efficiency. The Brute FT’s modulation technology automatically adjusts fuel usage to match heat demand – with up to 10:1 turndown to reduce energy use. ENERGY STAR® rated, 95% AFUE.
• Outstanding Hot Water Performance with Fast First Hour Delivery. The PowerStor Series® provides one of the lowest pressure drops and highest hot water outputs of any indirect fired water heater in the industry. Available in single wall, double wall and stainless steel.
All Bradford White products are built For The Pro® for easy installation, top performance and reliability. Backed by our unmatched 24/7 technical support.
Learn more at bradfordwhite.com


Embracing the digital age for compressor efficiency. BY
Regardless of the type of refrigeration system, the compressor’s function is always the same—it’s a volume pump, receiving low pressure/low temperature vapour, and compressing into a high pressure vapour. Compressor capacity is based on the following: compressor displacement; compressor efficiency; thermodynamic properties of the refrigerant in use; and system conditions (SST, SCT, liquid temperature, suction vapour temperature, etc.)
Compressors are selected for an application’s design condition, which will be the worst-case scenario in the middle of the summer. This will ensure that the compressor has sufficient capacity to achieve the temperature requirement in the refrigerated space, even under the most adverse of conditions.
One factor in determining compressor capacity is the system conditions. Not surprisingly, conditions are constantly changing, particularly the ambient temperature, which then affects the condensing temperature. There can be wide variations in ambient between early morning and late afternoon, summer-fall-winter-spring, all resulting in capacity variations.
Following are some of the many circumstances which result in changes to the refrigeration load:
• Display case doors being opened
• Walk-in box doors being opened
• Display cases and walk-in boxes being restocked with warmer product


• Systems cycling off when temperature set-point is achieved
• Systems cycling off for defrost period
• Head added to refrigerated space from electric/gas defrost
In order to maintain the design refrigerated space temperatures, yet not operate with excess capacity, the typical multi-compressor supermarket rack is comprised of compressors of varying
size/capacity. Compressors are staged by the system controller to meet the load demand at any given moment. Even with this level of variable capacity, it is unlikely that there will be sustained periods of time when the compressors in operation will precisely meet the load demand.
As a result, compressors are cycling off/on all day long, which will ultimately
reduce compressor life, compressor contactor life, and increase power consumption.
The problem: standard compressors operate at either 0% capacity (off), or 100% capacity (on). The solution: use a compressor with variable capacity.
Mechanical cylinder unloading in reciprocating compressors is not a new concept. It typically allows for one cylinder bank to “unload”—a process which prevents that bank of cylinders from compressing vapour. This method doesn’t offer the flexibility required to precisely match the compressor capacity with the refrigerated load.
Now, if the precise and repeatable actions offered by digital control were to be paired with the mechanical unloading process, what then?
The digital scroll differs in design from the standard scroll in that the top scroll plate has the ability to “lift” approximately 1-mm from its normal position— enough to eliminate the scroll plate’s ability to compress vapour. The result is 100% unloading capability.
This is where the “digital” part comes in. The digital controller which initiates the unloaded mode can now operate in segments of “cycle time.” Plainly speaking, the compressor operation can be broken down into cycles of 20 seconds, with some portion of the 20 seconds operating completely loaded, and some portion unloaded (See Fig 1).
The capacity of the digital scroll can vary between 10% and 100%. The compressor capacity can be calculated from a ratio of percentage of loaded state time to the total cycle time. For example, if the loaded state time were 10 seconds, and the total cycle time were 20 seconds, the compressor capacity would be 10/20, or 50% of total capacity. Given the wide range of capacities with which the digital product can operate under it can offer a very precise solution for matching the compressor capacity with the system load.

Not only can design parameters be maintained more closely, but there is the added benefit of energy savings, all thanks to the digital age we live in.
The same technology has been applied to Copeland’s discus compressors. The unloading is accomplished by blocking the suction port of the given cylinder to be unloaded.
This allows the bank of cylinders controlled digitally to operate anywhere from 10% to 100% capacity. If it’s a 3-cylinder compressor (3D model), the cylinders will constitute a single bank, and will load or unload simultaneously. The 4-cylinder (4D model) and 6 cylinder (6D model) compressors will have one bank of cylinders that remain 100% loaded at all times. As such, the 4D will unload to 50% and the 6D down to 33%.
One of the benefits of the semi-hermetic compressor, with removable heads and valve plates, it allows one to upgrade a standard discus compressor to a digital discus compressor.
The retrofit involves: replacing existing lead scroll compressor with a digital scroll compressor; replace existing lead semi-hermetic reciprocating compressor with a digital discus compressor; and convert the existing lead semi-hermetic discus to a digital discus compressor (see Fig 2)
In each case, the compressor replacement/conversion will require the addition of a digital compressor controller, and configuring the central rack controller to provide the necessary signal to the digital compressor controller for proper loading/unloading operation.
Figure 3 shows the benefits of converting to either a digital scroll or digital discus compressor: more consistent/stable suction pressure; reduction in compressor cycling; corresponding reduction in incidents of compressor inrush current; and corresponding increase in compressor contactor life
This article gives a brief overview of the concept and benefit in utilizing digital scroll/discus unloading capabilities. The Application Engineering Bulletins from Copeland provide more in-depth detail regarding the understanding, application, set-up and capabilities of the digital scroll/discus compressors.
The Bulletins can be found at www. emersonclimate.com in the online product information. <>

Dave Demma has a degree in refrigeration engineering and worked as a journeyman refrigeration technician before moving into the manufacturing sector where he trains contractor and engineering groups. ddemma@uri.com.

There’s never been a better time to use RLS HVAC/R press fittings!
Everyone can agree that RLS flame-free press fittings are a faster, easier and safer way to make HVAC/R copper tube connections. They connect in seconds, without brazing. So, you get the job done faster, with no hauling brazing equipment, no nitrogen purging, no burn permits and no fire watch. But the upfront investment in the press tool and/or jaws can be expensive. So, for a limited time, RLS is making it easier for contractors to start (or continue) to get all the benefits of pressing with RLS.

$500 rebate on select tool/jaw sets: For a limited time, RLS is offering a $500 rebate with the purchase of any Klauke Tool Kit with 5-Jaw Set, RIDGID 8-Jaw Set and Klauke 8-Jaw Set. Must be purchased at an authorized RLS distributor in North America.
Up to $1,000 rebate on fittings: For a limited time, RLS is offering a $100 rebate for every 100 fittings purchased – on a single order at any RLS distributor/wholesaler in North America – up to a maximum of $1,000. This is a ONE TIME ONLY OFFER limited to one rebate per end user company.
Free online installer training: Our new training portal takes users through the step-by-step process of making reliable, permanent copper tube connections using RLS press technology. Just pass a series of quizzes after each section of training, then a final test and download a certificate of completion.
RLS press fittings feature a patented double circular press with two 360˚ metal-to-metal connections that eliminate leak paths. Only RLS press fittings have a 6+ year track record of proven success in HVAC/R, with millions installed around the world.
See for yourself how easy it is to get into pressing! If you have any questions, just e-mail sales@rapidlockingsystem.com, use the chat function at rapidlockingsystem.com or contact us through Instagram, Facebook, LinkedIn or Twitter.
Rebates are in the form of a Visa prepaid card (U.S. dollars, subject to a 2% transaction fee).
The proven solution for faster, easier, safer HVAC/R press connections.


If you’re still brazing every HVAC/R joint, you’re missing out on huge time and cost savings. RLS press fittings, formerly sold under the ZoomLock brand, create permanent, reliable mechanical joints in just 10 seconds, letting you get in and out of jobs faster – and get more jobs done. Plus, no brazing means no gas and no nitrogen purging.
RLS press fittings are rated to 700 psi and are field proven, with millions installed since 2015. Flame-free connections are the future – especially with the increased use of flammable refrigerants. So don’t get left behind! Learn more at rapidlockingsystem.com, and access our online training program at training.rapidlockingsystem.com.
That’s how you know it’s for HVAC/R. Look for the flare!
RLS Advantages:
• Connects in 10 seconds
• No gas or brazing materials
• No flame, no fire hazards
• No nitrogen purging
• Works in tight spaces
• Rated to 700 psi
• Millions of fittings installed
• CRN Approved (#0A22551)
The city has transitioned arenas away from R-22 using a design that ensures the safety of staff, patrons and surrounding neighbourhoods.
BY COLLEEN O’SHEA
Montreal is the second-largest city in Canada, and when it comes to ice arenas, the city stands out, now counting over 50 refrigerated indoor and outdoor facilities. Montreal is also the birthplace of the Montreal Protocol on Substances that Deplete the Ozone Layer (1987), the international treaty to phase out manmade ozone depleting substances, an agreement that continues to make an impact on the refrigeration industry, including arenas.
For two decades before the Montreal Protocol was signed, the bulk of arenas
were built with refrigeration plants employing R-22, a non-flammable and non-toxic refrigerant. Unfortunately, it was found to be an active contributor to the growing hole in the ozone layer.
Montreal committed to converting its ice arenas away from R-22 by 2020, and that task was charged to Claude Dumas, P.Eng., a mechanical engineer working for the city. “Approaching a project, I always wear two hats. The hat of an engineer and the hat of an owner,” says Dumas.
He was a good choice for the job. After graduating in 1966 from the Polytechnique Montreal, Dumas spent 15 years working as a technical representative for two different manufacturers, Carrier then York, and then he spent eight years as a consulting engineer for the largest engineering firm in Quebec at the time, TECSULT, which later merged with AECOM, where he
worked on energy efficiency projects for Montreal's arenas, among other projects. When the city advertised for a project lead, facilities, Dumas was quick to apply. He's been there ever since.
In replacing the R-22 in existing arenas Montreal wanted a safe, efficient, refrigeration system with a design that could be replicated. Those requirements may sound evident, but developing a replicable solution was not.
In 2005, when the project began, ammonia was becoming the refrigerant of choice. Although having the lowest possible rating for its ozone depletion (ODP) and global warming potential (GWP), ammonia is a dangerous, caustic chemical which can hurt and kill. An ice plant requiring 5,000 lbs (2258 kg) of ammonia was far from acceptable.

Jean-Paul Lacoursière, another 1966 Polytechnique mechanical grad and now a chemical engineering professor and risk management expert at the University of Sherbrooke, was recruited to assist with the project. Both Dumas and Lacoursière were aware of how dangerous ammonia could be. They were teenagers when an explosion caused by an ammonia tank ripped apart the Molson Brewery at Montreal's waterfront in 1956, killing its 32-year-old chief night brewer and injuring two others.
Their challenge: how could they lower the risk of an ammonia leak, and how small of an ammonia inventory could it carry? It took three re-designs to get the charge down to 250 lbs (115 kg). In 2006, it was approved, and the team began to implement the design at a rate of four arenas per year.
By 2010, with half a dozen retrofits completed, the team found the standardized design could be improved, bringing the ammonia charge down to 175 lbs, and bringing the condenser inside so all ammonia was isolated in the mechanical room.
Since 2010, Montreal has used a similar design for retrofits and new builds. Here's how the city made ammonia safe for its rinks:
• The ammonia inventory was limited by replacing shell-and-tube vaporizers with plate-and-frame heat exchangers.
• A 4-pass floor design (see Figure 1). was developed in 1991 when Dumas and his team faced a series of corroded steel brine headers. Their floors had used a 2-pass network of pipe (running brine) embedded in the concrete slab to remove heat from the ice with the evaporators connected in parallel and using 25-HP brine pumps. By implementing a 4-pass system with the evaporators piped in a series, they were able to reduce the size of the headers, cut the flow rate in half, reduce the specific gravity of the brine from 1.25

down to 1.18 (at 60F) [which reduced the pump energy consumption], and reduced the brine pump from 25- to 15-HP.
• The surge drum, in place to separate refrigerant droplets from gas, was replaced by a U-Turn Separator, a refrigerant separator developed by AlfaLaval. Designed for use with plate-and-frame heat exchangers in ammonia applications, the 8-in. U Turn Separator ensures minimum pressure drop losses and maximum energy efficiency. It also prevents the ammonia droplets from going into the compressor.
• The plate and frame evaporator was re-sized for a liquid leg of ammonia half the height of the unit. This innovation reduced the refrigerant load taking it from 250 lbs (2005 design) down to 168 lbs. (2010 design).
• They stopped ammonia from leaving the building altogether using an ammonia-to-glycol plate heat exchanger combined with a fluid cooler in place of an evaporative condenser. This eliminated the risk of ammonia going down to the ground, or going out over the building.
• Improvements were also added to the mechanical ventilation to exhaust a potential accumulation of ammonia due to leaks or a rupture of the system by using ANSI/IIAR22014 Standard. This ensures the machinery room emergency ventilation discharges vertically upward with a minimum discharge velocity of 2,500 ft/min at the emergency ventilation flow rate to prevent the ammonia from coming down to the ground.
• Ammonia pressure relief valves were directed to a tank containing 8 kg. of water per kg. of ammonia that would be released from the largest relief valve within one hour to avoid impacting neighbours in case of an accidental release.
• The biggest risk of ammonia exposure to arena workers was in draining the oil that accumulates in the oil pot before adding oil to each of the compressors—a monthly task required for each of the compressors. The city
• As an additional safeguard, an "air washer" was added to the ventilation system in the mechanical room to wash the air before exhausting it to the outside in case of any ammonia contamination.
worked with the refrigeration engineering firm of Petropoulos, Bomis & Assoc. and developed an on-demand, fully enclosed oil recycling system. This innovation was awarded for Project Excellence by ASHRAE in 2017.
Montreal recently completed its final R-22 conversion and continues to use its 2010 design for new builds. In January, as is his custom, Dumas was on site for the pouring of the city's latest outdoor project, the Esplanade Tranquille in the heart of downtown.
Envisioned as an urban terrace in the summer, it will become a skating surface in the winter. The near Olympicsized rink will be supported by a 9-in. slab, accounting for the heavy summer foot-traffic. Petropoulos, Bomis & Assoc. is the refrigeration engineer and LS Refrigeration is the sub-contractor.
For the Esplanade Tranquille, the refrigeration system is comprised of:
• Plate and frame heat exchanger (p/h/x) for the evaporator and the condenser.
• The heat exchanger pipes, buried in the refrigerated floor, are 1-in. ID steel pipe, schedule 40.
• The heat transfer fluid in the p/h/x evaporator and the rink heat exchanger is a brine composed of calcium chloride and water.
• The plant uses three 100-HP reciprocating compressors, belt driven, 1000 rpm, 59.1 Tr, x 3 = 177.3 Tr.
• The refrigeration capacity ratio is: 19619.4 ft²/177 Tr = 110.6 ft²/Tr
• A critical charge of R-717 (ammonia) refrigerant. The refrigerant charge is estimated to be less than 400 lbs; the real charge will be discovered upon system start-up.
• One U-turn separator instead of a surge drum.
• The heat rejection devices are air cooled dry coolers.


• Ethylene glycol (EG) is used as heat transfer fluid between p/h/x condenser and the dry coolers. The mechanical room is built on two levels, where the main floor is 12 ft. lower than the rink, with a mezzanine, control room and access, located at ground elevation.
Montreal's ammonia refrigeration design has been proven for a decade. An estimated 400 arenas within the province of Quebec are still using R-22 and packaged systems. Montreal's lowcharge design is now becoming available from specialist refrigeration
Esplanade Tranquile: The red vent is for the ammonia relief system. The three chimneys correspond to the three ventilation systems in the Class T machinery room. The large one is for heat ventilation, middle is for the min. ventilation as per CSA B-52 and the third is for evacuation of the air washer in case of an ammonia leak. Note the acceleration cone: the air will be propulsed vertically, at high speed. Also evident is how close the neighbours are, so safety is paramount.
companies making ammonia refrigeration safer than ever before. <>
Claude Dumas has created a reference website for informational purposes focused specifically on the topic of ammonia refrigeration for ice rinks including technical reports and links visit: claude-dumas-nh3.ca
Colleen O’Shea has been writing about and selling energy-efficient products for indoor ice arenas for the past five years. She is the president of Greener Arena Solutions Inc., and publisher of Re-Surfacing.com.
Little Giant 6 Series Sump Pumps are built to handle the most challenging wastewater demands with several horsepower, performance, and switch options available to meet your specific requirements. Measuring only six inches in height and utilizing an internal diaphragm switch, the 6-CIA is ideal for shallow basin applications. This pump produces 46 gpm at 5 feet of head and reaches a maximum shut-off of 18 feet. It features a 1⁄3 HP shaded pole motor protected against thermal overload and is designed for continuous duty. The manual version comes equipped with a 1-¼" FNPT reducer bushing and ¾" GHT garden hose adapter for ultimate versatility. Whatever your application, 6 Series Sump Pumps are truly Little Giants that easily handle residential and light commercial jobs – providing reliable and efficient performance that you can trust.





You’re in an unpredictable business, but the quality of the pumps you install shouldn’t be. Generations of plumbers and HVAC professionals have trusted our hard-working, reliable pumps to get the job done right the first time. Make a Big Impact on your next job with Little Giant

Testo’s new smart digital manifolds include the 550s and 557s featuring a larger screen, improved measurement menus and Bluetooth connectivity to testo’s Smart App using testo Smart Probes. The testo 550i, the first all-digital manifold, is equipped with a 2-way valve block and is compatible with a variety of Smart Probes. The 552i Wireless Vacuum Probe automatically connects with the smart digital manifolds. testo.com


Bosch Power Tools new GTC400C 12V Max Connected Thermal Camera is lightweight and convenient, and is designed to give professionals the ability to easily and accurately measure, visualize and analyze thermal variance across diverse jobsites. It includes a 3.5-in., 19,200-pixel colour display and its ergonomic controls are simple and intuitive. Thermal measurements are accurate to ±4F and it can cover a range from 14F to 752F. boschtools.com/ca

Klein Tools ET16 borescope connects to Android on-the-go version 4.0 or higher devices (not for iPhones). Additional features include: waterproof IP67 9-mm camera for 640- x 480-pixel images; capture and share images and video via text or email using the Klein Tools App; armored 10-ft. gooseneck cable for extended reach; six white LEDs with adjustable brightness; USB Type-C connection and micro-USB adapter; no batteries— powered by device connection. kleintools.com
Fieldpiece Instruments largest jaw pipe clamps for the HVAC/R industry are the wired TC48 and the wireless system JL3LC. With a 4-1⁄8-in. jaw opening, the pipe clamps are designed for commercial and refrigeration field service professionals. The clamps incorporate Fieldpiecepatented Rapid Rail Sensor Technology for quick, accurate, temperature readings. Included with the wired clamp is a 6-ft. kink-free cable and an emery cloth for cleaning pipes. www.fieldpiece.com

TSI Inc. has launched the Q-Trak XP indoor air quality monitor that unites gas and particle measurements with traditional IAQ parameters in one lightweight, handheld instrument that is easy to use, configure and calibrate in the field. The monitor allows users the flexibility to add or change gas sensors to expand their indoor air quality assessment capabilities and reducing the need for multiple instruments in the field. tsi.com/q-trakxp

The new N2A4 manifold gauge from NAVAC is an impact-resistant manifold pressure gauge with Class 1.0 accuracy. Featuring an aluminum body and ball valves, the gauge is used to diagnose and determine the status of four refrigerants: R-22, R-410A, R-134A and R-404A. The most common (R-410A & R-22) are laidout on the larger outer rings. It has a molded protective shell and rubber covering for shock absorption, and an integrated folding hook. navacglobal.com

• LARGE INVENTORY OF EQUIPMENT AND PARTS
• TECHNICAL SUPPORT & KNOWLEDGE
• NOW 18 BRANCHES TO SERVE YOU IN WESTERN CANADA ADDITIONAL LOCATIONS OPENING IN 2021


Canplas® has been a leader in the construction plastics industry since 1966 manufacturing high-quality plumbing, ventilation, central vacuum and grease separation products for residential and commercial buildings.
CANPLAS PLUMBING has been a premier manufacturer of leak-free, corrosion-free drain, waste and vent fittings for over 50 years, and continues to look for new ways to develop our complete range of ABS and PVC plumbing products.
Whether it is DWV fittings, sewer fittings, or specialty plumbing products, Canplas Plumbing ensures product integrity and consistency to meet or exceed code.
ENDURA® Grease Interceptors are an essential part of operating a commercial or institutional foodservice business. Endura products are specifically designed and manufactured to offer better operational solutions for grease management in the modern foodservice facilities they serve.

Endura products suit both internal and external applications with on-floor and in-floor capabilities. Fully accessible flow control devices are also a unique element of our grease interceptors.
DURAFLO® products provide easy-to-install roof ventilation products, including tall vents, ridge vents, and the industry leading WeatherPRO® series of roof vents.
Duraflo Ventilation also offers a full product line that includes roof flashings, ridge rolls, exhaust vents, siding accessories, soffits, and gable vents.
VACULINE® Thermoplastic Central Vacuum Products offer the largest range of valves, fittings, sweep inlets and their installation materials in the industry. Installers can find exactly what they need from one place, no matter how complicated the project.









The Emerson Appleton TL100C LED temporary work light provides 360-degree illumination. The 100W fixture provides white 5000K light output of 12,000 lumens with an L70-rated operating life of 54,000 hours. It has a heavyduty construction and surge protection, and weighs 4 lbs. and measures less than 11 inches. Each unit has a receptacle along with a 6-ft. cord and plug to allow a daisy-chain of up to six linked units. masteringLED.com
Hilti’s laser tools include the PMD 200 Jobsite Layout Tool designed for inside jobsite layout applications. Powered by 12V batteries, the tool bridges traditional and digital solutions used for layout. The new multiline laser PM 30-MG with easy to adjust magnetic bracket offers full 360-degree green horizontal and vertical lines, and the PR 30-HVSG green rotating laser with auto alignment and auto-surveillance make aligning the beam simple. hilti.ca
Lind Equipment’s Beacon360 Torch battery-operated handlamp is a heavyduty work light producing white light in four modes (360-degree high, 360-degree low, 180-degree and flashlight). The unit’s 15W light holds a charge for a full workday, and Lind’s LEDs are rated for over 50,000 hrs of 24/7 use. The built-in magnet and hook allow for multiple mounting options, and it can be charged using an AC wall charger, or a DC car charger. lindequipment.net

Klein Tools new safety helmets with integrated chin straps, have been tested for top, side, front/back impact and penetration. The helmet’s compact and lightweight design allows easy access to confined spaces and makes it ideal for at-height applications. Other available features include: vented, non-vented with rechargeable headlamp; detachable visors; sweatband and top comfort pad; and a pivot adjustment – allowing the user to position the ratchet mechanism to clear bandana knots and ponytails. kleintools.com

KNIPEX Tools forged Wire Stripper for stripping and cutting both solid and stranded wire between 10 and 20 AWG is equipped with patentpending features including its screw cutting holes for 6-32 and 8-32 screws. Locating ridges between the stripping holes allow for easily finding the correct holes, and its cutting blades are designed to cut individual wires, NM-B, BX/ MC and battery cable. knipex-tools.com

DeWALT offers the 20V MAX 3 x 360-degree Green Line Laser that’s compatible with its 12V MAX and 20V MAX battery platforms. The 20V platform provides up to 10 hours runtime. A fine adjust knob allows for manual adjustments on the horizontal axis to position the vertical beams, and with a working range of 100-ft. (165-ft. with a detector), the laser provides accuracy of up to 1 8-in. at 30-ft. dewalt.ca

Power Tool Institute warns of failure, fire from third-party batteries.
Maybe some power tool users are tired of getting the third degree about using thirdparty replacement batteries. But they should consider that they might be headed for third-degree burns—or worse—if they keep it up.
There is simply no adequate replacement for using the original tool manufacturer (OEM)’s batteries and chargers to keep power tools operating efficiently and safely.
Efficiency and safety are critically important for professional contractors. A job that takes too long due to power tool failure will have an impact on the bottom line. A job site going up in flames will have even greater consequences.
For these and more reasons, the Power Tool Institute (PTI), an industry organization for power tool safety resources, has made battery safety one of its most important initiatives, even creating a website dedicated to the topic.
Today’s cordless power tools are much more complex than ones from even 10 or 15 years ago. Most rely on built-in electronics that let the battery and tool “talk” to one another in realtime. There are also communications that happen between the battery and the charger. These communication pathways are often proprietary and not available to third-party battery makers. When a tool and its battery aren’t communicating, bad things can happen.
At best, users run the risk of poor performance and shorter tool life. The battery can also overheat, causing complete failure. Even worse, the battery might burst, causing a fire or explosion resulting in personal injury and/or

“When a tool and its battery aren’t communicating, bad things can happen.”
property damage. Either way, in addition to the damage of the event itself, a contractor will also be looking at damage to its reputation and expensive insurance premiums.
Batteries can also catch fire on the charger when cell temperatures aren’t being properly monitored and managed. For these reasons, all power tool manufacturers recommend that only OEM batteries be used.
If the risk of failure or reduced performance and life aren’t enough, there are other possible consequences of using third-party batteries. For one, the battery, tool, and charger are no longer a UL or CSA-approved system.
The testing each tool goes through is dependent on testing an original manufacturer battery along with it. Thirdparty batteries are not always held to
the same standard, which can again, result in fire, property damage, or personal injury.
So before purchasing a non-OEM battery, be sure to consider all the factors, not just price.
Purchasing a battery online from an unknown seller without having any verification of the seller’s qualifications or experience, or of the battery’s construction, testing, or certification, can leave a user with an unsatisfying—and potentially dangerous—experience.
If you have questions regarding whether your battery is a genuine OEM product, contact the power tool manufacturer. For more information on safe battery use, visit the dedicated website: TakeChargeOfYourBattery.com. <>
Founded in 1968, the Power Tool Institute (PTI) is the leading organization for building global understanding of power tools and for maintaining high standards of safety in the industry. Its members represent marketleading brands in the areas of portable and stationary power tools.
www.PowerToolInstitute.com
BY
FRANK HEALY

Troubleshooting motor issues requires isolation of the problem area before a fix can be implemented. There are three key potential sources of the problem: the motor, the load, or the motor controller—commonly a variable frequency drive (VFD). With so many possibilities, it’s important to be able to safely and efficiently identify the source to avoid downtime. Using basic power quality measurements, such as volts, amps, and power factor, a technician can narrow down power-related problems to a specific source. Using the right tool, such as a clamp meter with the measurement calculations built in, makes the job of ruling out problem sources easier and faster.
Overheating in three-phase motors is
often a symptom of voltage unbalance, usually caused by unbalanced loads across individual phases of three-phase electrical panels, unbalanced utility supply, or deteriorating stator insulation. A good place to start is with monitoring the current drawn by the motor.
Three-phase motors should carry equal loads on each leg—the current that they draw on each phase should be about the same. Monitoring current on, say, a heat pump, 15-ton water source heat pump with a 1.5 HP, 3-phase blower motor, requires an amperage check on all three legs. This needs to be monitored over several days, up to a week, to identify any unbalance issue.
While power quality analyzers will calculate voltage unbalance for you, it is worth knowing the basics of the formula so that you understand what is involved. The calculation is straight forward with
the result being the percentage unbalance. This can be used to determine the next steps in troubleshooting motor issues. Following are the three steps in the voltage unbalance calculation:
1. Determine the average voltage (or average current)
2. Calculate the largest deviation from the average
3. Divide that maximum deviation by the average voltage (or average current) and multiply by 100% [unbalance = (Max deviation from avg./three phase avg.) x 100%]
A manual unbalance calculation is a point-in-time determination of voltage or current unbalance.
Sags and swells represent under and over voltage, respectively, and are common in VFDs. Sags occur with sudden drops in voltage which can be caused by large inductive motors starting up, similar operations occurring in neighbouring facilities or even severe weather.
Swells occur when there is an overvoltage on the system, sometimes caused by a fault on one phase of a three-phase system, a sudden decrease in load or capacitor bank switch.
Troubleshooting overvoltage starts with a good understanding of the relationship between torque and current. Motors turn electrical energy (current) into rotational mechanical energy (torque) via magnetism. What a load demands of a motor is torque. Basically, the amount of torque supplied is proportional to the amount of current used by the motor.


The w orld is changing Make s u re y o u r HVACR , pl u mbing and mechanical represen t a t ion is changing w i t h i t. Ser v ing man u fac tu rers , w holesalers , and con t rac t ors See ho w CENTRIC p ut s y o u firs t.







When a load demands more torque and current than a motor can supply, the result is an overload condition. Overloading will cause overheating of the motor where controllers then shut the motor down rather than allowing permanent winding insulation damage to occur. Overloading is always relative to time: a high overload will trip the motor in a short time, while a lower level of overload will take longer to trip the motor.
There are two types of torque: variable and constant. Variable torque loads include fans and rotary pumps and are where the majority of load comes from in terms of energy consumption. From a troubleshooting point of view, the important thing to realize is that these variable torque loads rarely cause overload-related problems for drives.
Constant torque loads can be more challenging. Frictional or gravitational loads are constant torque loads. The key thing to understand about these loads is that they require the same level of current (more or less) at lower speeds. This can be dangerous for the motor.
Motors are usually cooled by fans built onto the rotor; when the motor slows, the fan cools less. Therefore, excessive heating can occur. The danger is that motor overload circuits are built to measure heat indirectly by measuring current (there are motors with heat sensors embedded in their stators, but these are obviously more expensive).
What about harmonics at the output of the drive? Wouldn't the PWM-turned-into-sinewave current-waveform contain a
lot of harmonics? Absolutely. But we don't have to measure these. First, they don't get into the rest of the power distribution system; they only affect the motor, causing additional heating. However, motor and drive manufacturers have addressed this by supplying higher grades of motor insulation. In those cases where a motor is retrofit with a VFD, the recommendation is that the motor full load amp be derated.
Harmonic currents flow in a circuit at multiples of the fundamental 60 hertz (Hz) frequency. Such currents are not directly indicated on multimeters and are usually not found until unusual control and equipment problems surface.
Comparing the current readings from an average-responding meter to that of a good quality true-rms meter on the same circuit will help indicate harmonic issues. The averageresponding meter will indicate only the 60 hertz current and the True RMS meter will indicate a combination of 60 hertz and harmonic currents. The production and reflection of these harmonic currents back into the electrical distribution system can cause problems.
With some basic understanding, today's professional technicians and engineers can isolate harmonic problems to their source and mitigate their effects by either replacing the offending item or installing harmonic filters. <>
Frank Healy is the senior applications specialist for Fluke power quality products. He has electronic and electrical engineering experience. Frank has been with Fluke for 14 years and is based out of Cheshire, UK.
Due
ISH – International Trade Show for Water and HVAC (Virtual)
March 22-26
The world’s largest exhibition for the HVAC sector usually hosted in Frankfurt, Germany will instead be showcasing an array of leading-edge solutions in a virtual format this year. ish.messefrankfurt.com
CIPH Annual General Meeting
June 15
The 89th CIPH AGM will be held virtually on Tuesday, June 15, at 1:00 pm ET. The meeting will include Honorary Life Membership Award presentations and a keynote address “National Affairs: Politics from Coast to Coast” by Chantel Hebert, columnist with the Toronto Star ciph.com
Canadian Hydronics Conference
September 14-15
The conference will bring hydronics industry professionals together in Saskatoon to connect in person and share knowledge and business building ideas. ciph.com/page/chc2021
Modern Hydronics Summit 2021 March 30-31
The 5th edition of Modern Hydronics – The Summit will run over two half-days online with educational sessions, vendor exhibits and live interaction.
www.modernhydronicssummit.com
BuildEX Alberta (Virtual)
May 4-5
This new virtual format for the two-day conference will bring together the province’s building industry online to network and learn about the latest trends, innovations and challenges in construction. www.buildexalberta.com
Green Building Festival
October 5
A day-long event hosted by Sustainable Buildings Canada, the 2021 Green Building Festival taking place in Toronto will explore designs and solutions to shockproof building projects from accelerating threats including climate change and COVID-19. sbcanada.org
AHR Expo
January 31-February 2
The Air Conditioning, Heating, Refrigeration (AHR) Expo returns in 2022 to the Convention Center in Las Vegas. The annual showcase will reveal the future of HVAC/R technology along with plenty of educational and networking opportunities. ahrexpo.com
2021 ASHRAE Virtual Annual Conference
June 26-30
The conference, scheduled for Phoenix, Arizona will go online and provide the latest insights from experts in the built environment with actionable and innovative content to support HVAC/R and building systems professionals. ashrae.org/conferences
Building Performance Analysis Conference (ASHRAE)
September 22-24
The conference will address the practices of energy modeling and building performance simulation using simulation tools, software development, and future research and applications. ashrae.org/conferences
CIPHEX West 2021
November 3-4
Western Canada’s plumbing, hydronics, heating, ventilation, air conditioning, refrigeration and water treatment show is being held at the Pacific National Exhibition in Vancouver. ciphexwest.ca
CMPX 2022
March 23-25
Held at the Metro Toronto Convention Centre, CMPX is one of North America’s largest trade shows for the mechanical and plumbing industries attracting some 500 exhibitors representing products, services, innovations and applications for industry professionals. cmpxshow.com
Ventilation 2021
August 15-18
Held every three years, the 13th International Industrial Ventilation Conference for Contaminant Control is taking place in Toronto at the Sheraton City Centre. ashrae.org/conferences
BuildEX Vancouver
September 29-30
BuildEX Vancouver and IDS Vancouver join forces at the Vancouver Convention Centre to explore the future of design, construction and property management. buildexvancouver.com
The Buildings Show
December 1-3
This annual show brings together renovators, contractors, designers and property managers to the Metro Toronto Convention Centre for a three-day trade show and conference. thebuildingsshow.com
MEET Show
May 4-5
The second-largest industry event of its type in Canada, and the largest trade event east of Montreal. MEET features some 400 companies in over 100,000+ sq. ft. of exhibit space in the Moncton Coliseum Complex. meetshow.ca

As an economical choice for low building & light commercial.
System 15 pipe and fittings are engineered to withstand years of uninterrupted service. Made of tough, impact resistant PVC, System 15 will not corrode, even under continued exposure to moisture, salts, aggressive soils, and most acids, ensuring years of reliable, maintenance-free flow.
The world’s first PVC rated for high buildings & plenums.
Suitable for use in noncombustible environments, System XFR’s advanced material has a Flame Spread Rating of 25 and Smoke Developed Classification of 50 which permits it to be installed in High Buildings and Air Return Plenums in accordance with local Codes.

MJ Grey Couplings are used with System 15® and System XFR® and are available in 1-1/2” to 18” sizes and certified to CSA B602 and listed to CAN/ULC S102.2. On large diameter joints, mechanical couplings are a great alternative to solvent welding when working in cold weather conditions or at heights in a scissor lift or bucket. MJ Grey couplings do allow for limited joint deflection to help accommodate small degrees of misalignment during installation.
Drain-Guard double containment piping systems provide safe transport of sanitary or storm drainage in critical areas. Should a leak occur, people, equipment and valuable property will be protected from possible harm by our highly engineered double wall system.
Drain-Guard is a double containment piping system using System 15 and or System XFR as its primary components.


Certified for use in noncombustible construction, high buildings and air return plenums.
System XFR® DWV from IPEX is an engineered PVC DWV system available in diameters from 1.5” to 18”.
It delivers greater corrosion resistance, flow rates and carrying capacity, and lower thermal conductivity than metal. It also has higher impact resistance, lasts longer, costs less to maintain AND weighs less than cast iron.
System XFR® DWV… fast becoming the preferred choice across Canada.
Ask for System XFR® DWV by name.
Be sure to check out our entire line of DWV System pipe and fitting products. For more information please contact 1-800-463-9572 or visit ipexna.com
Open your IOS or Android device and scan here for more information.





