AMICO-Safety-Grating-Brochure

Page 1


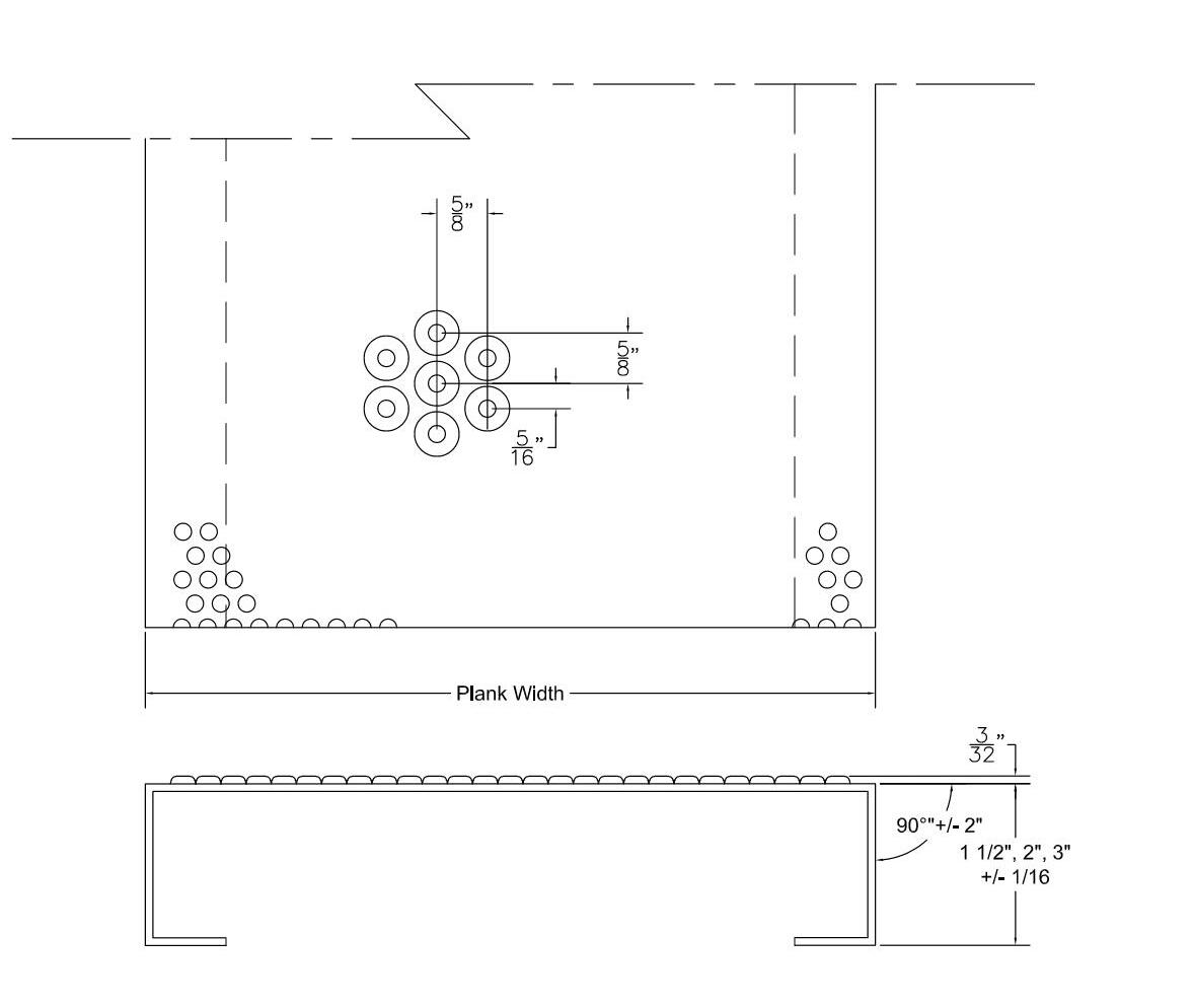
CHANNEL

PRODUCT DESCRIPTION

Diamond-Grip® Channel is a one-piece metal plank grating manufactured by a cold forming process in the shape of a channel. The web of the channel is the walking surface and has rough serrated edges around diamond-shaped openings.

FEATURES & BENEFITS

• Serrated edges around diamond shaped openings provide slip resistance under slippery conditions such as snow, ice, grease, oil, etc.

• One-piece metal construction.

• Lightweight design provides high strength-to-weight ratio.

• Long life span requiring little maintenance.

• Simple and economical installation as planks are self-framing.

• Adaptable to cost-effective custom fabrication.

• Can be easily formed in standard channel or custom shapes.

MATERIAL SPECIFICATIONS

Grating shall be “Diamond-Grip® Channel,” manufactured from (see ‘Material Options’ below) and complete with a (1-1/2”, 2”, 2-1/2”, 3”) side channel depth, by AMICO.

MATERIAL OPTIONS

• ASTM A653, G-90 (Z-275) Pre-galvanized 14 and 12GA steel.

• ASTM A1011, HRP&O 14 and 12GA steel.

• ASTM B209, 5052-H32 Aluminum, .080” and .100” thick.

• ASTM A240, Type 316L 2B Stainless Steel 14GA (up to 11-3/4” width).

• ASTM A240, Type 304L 2B Stainless Steel 16GA (up to 11-3/4” width).

NOTES

• Tolerances on all dimensions are ±1/8”.

• Standard lengths are 121-1/2” & 144”.

• Tolerance on manufactured and cut lengths is ±1/8”.

• When cutting Diamond-Grip®, AMICO® recommends cutting to full or half diamond increments. Contact sales for actual dimensions.

• Camber is an expected condition with sheet metal products. While ASTM allowance is generous, AMICO attempts to lessen the effects. Normal clearances should offset this phenomenon; however, where tolerances warrant, contact AMICO for clarification.

CHANNEL LOAD & DEFLECTION TABLES

4 3/4 INCH WIDE - 2 DIAMOND

Product Details Clear Span

2.3

EXPLANATION OF LOAD TYPE

• U = uniform load (lb/ft2)

• D = corresponding deflection (in) resulting from uniform load

• C = concentrated load (lb)

• D = corresponding deflection (in) resulting from concentrated load

NOTES

• All UDL and concentrated loads include a safety factor of 1.67.

• Spans and loads to the right of the bold line, based on loads indicated, may exceed deflections of L/120.

• 21⁄2” channel not shown in tables. Available by special request only.

CHANNEL LOAD & DEFLECTION TABLES

7 INCH WIDE - 3 DIAMOND

Product Details Clear Span

EXPLANATION OF LOAD TYPE

• U = uniform load (lb/ft2)

• D = corresponding deflection (in) resulting from uniform load

• C = concentrated load (lb)

• D = corresponding deflection (in) resulting from concentrated load

NOTES

• All UDL and concentrated loads include a safety factor of 1.67.

• Spans and loads to the right of the bold line, based on loads indicated, may exceed deflections of L/120.

• 21⁄2” channel not shown in tables. Available by special request only.

CHANNEL LOAD & DEFLECTION TABLES

9 1/2 INCH WIDE - 4 DIAMOND

Product Details Clear Span

EXPLANATION OF LOAD TYPE

• U = uniform load (lb/ft2)

• D = corresponding deflection (in) resulting from uniform load

• C = concentrated load (lb)

• D = corresponding deflection (in) resulting from concentrated load

NOTES

• All UDL and concentrated loads include a safety factor of 1.67.

• Spans and loads to the right of the bold line, based on loads indicated, may exceed deflections of L/120.

• 21⁄2” channel not shown in tables. Available by special request only.

CHANNEL LOAD & DEFLECTION TABLES

11 3/4 INCH WIDE - 5 DIAMOND

Product Details Clear Span

EXPLANATION OF LOAD TYPE

• U = uniform load (lb/ft2)

• D = corresponding deflection (in) resulting from uniform load

• C = concentrated load (lb)

• D = corresponding deflection (in) resulting from concentrated load

NOTES

• All UDL and concentrated loads include a safety factor of 1.67.

• Spans and loads to the right of the bold line, based on loads indicated, may exceed deflections of L/120.

• 21⁄2” channel not shown in tables. Available by special request only.

CHANNEL LOAD & DEFLECTION TABLES

18 3/4 INCH WIDE - 8 DIAMOND

Product Details Clear Span

8.2

EXPLANATION OF LOAD TYPE

• U = uniform load (lb/ft2)

• D = corresponding deflection (in) resulting from uniform load

• C = concentrated load (lb)

• D = corresponding deflection (in) resulting from concentrated load

NOTES

• Strut deflection may become a limiting factor on 18” and 24” widths resulting in lower load values as indicated in tables.

• Web stiffeners can be supplied for ends and junctions of planks to even deflection if required.

CHANNEL LOAD & DEFLECTION TABLES

24 INCH WIDE - 10 DIAMOND

Product Details Clear Span

EXPLANATION OF LOAD TYPE

• U = uniform load (lb/ft2)

• D = corresponding deflection (in) resulting from uniform load

• C = concentrated load (lb)

• D = corresponding deflection (in) resulting from concentrated load

NOTES

• Strut deflection may become a limiting factor on 18” and 24” widths resulting in lower load values as indicated in tables.

• Web stiffeners can be supplied for ends and junctions of planks to even deflection if required.

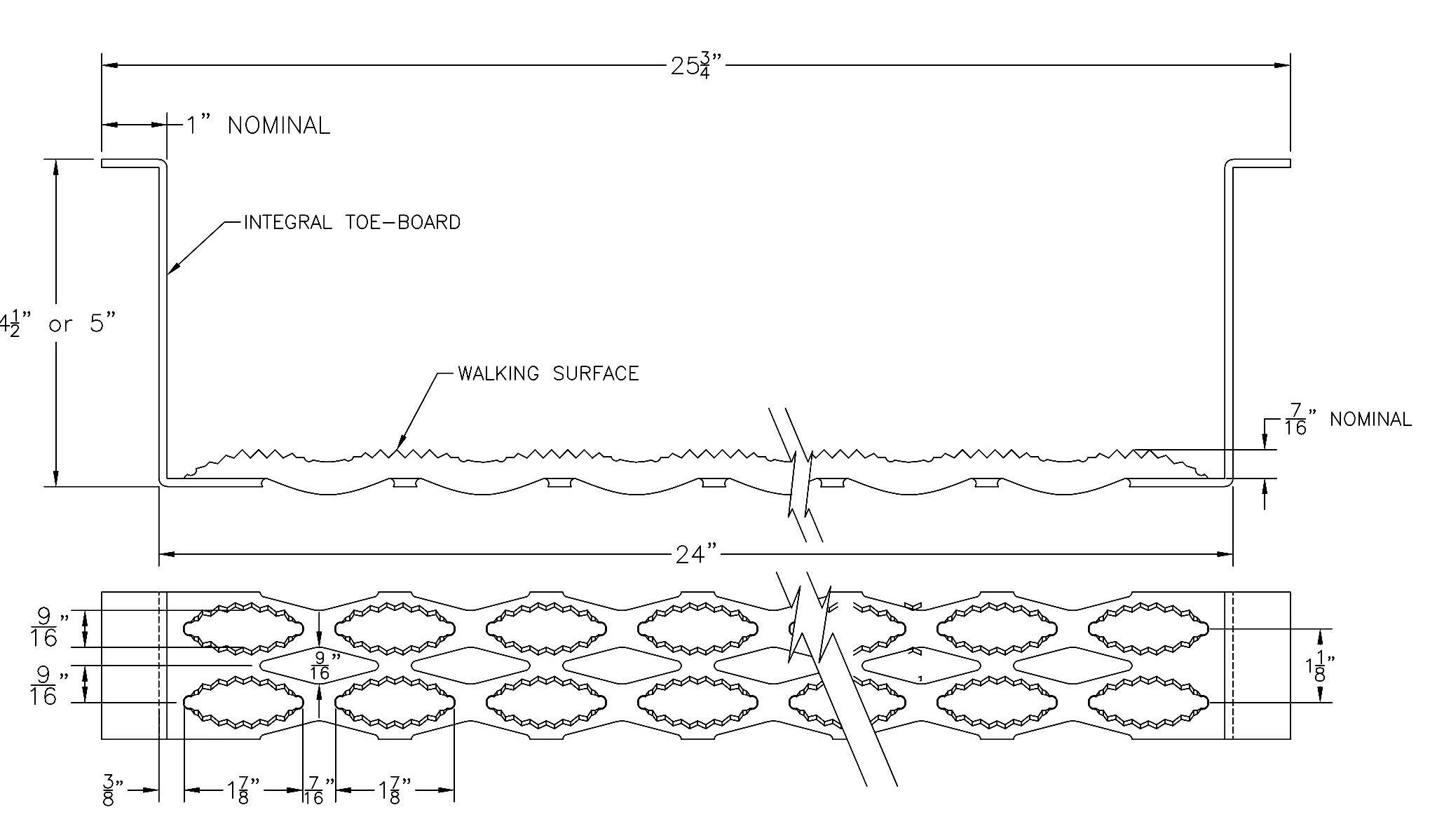
WALKWAY

PRODUCT DESCRIPTION

Diamond-Grip® Walkway is a one-piece metal plank grating manufactured by a cold forming process in the shape of an inverted channel. The web of the channel is the walking surface and has rough serrated edges around diamond-shaped openings. The extended flanges support the load and provide a built-in kickplate (toeboard).

FEATURES & BENEFITS

• Serrated edges around diamond-shaped openings provide slip resistance under slippery conditions such as snow, ice, grease, oil, etc.

• One-piece metal construction complete with a full-height toeboard on each side of the walking surface.

• Lightweight design provides high strength-to-weight ratio.

• Long lifespan requiring little maintenance.

• Simple and economical installation as walkways are self-framing.

• Adaptable to cost-effective custom fabrication.

MATERIAL SPECIFICATIONS

Grating shall be “Diamond-Grip® Walkway,” manufactured from (see ‘Material Options’ below) and complete with a (4-1/2”, 5”) integral toeboard, by AMICO.

MATERIAL OPTIONS

• ASTM A653, G-90 (Z-275) pre-galvanized 14 or 12GA steel.

• ASTM A1011, HRP&O 14 or 12GA steel.

WALKWAY LOAD & DEFLECTION TABLES

Product Details Clear Span

NOTES

• All UDL and concentrated loads include a safety factor of 1.67.

• Strut deflection may become a limiting factor resulting in lower load values as indicated in table.

• Tolerances on all dimensions are ±1/8”.

• Standard lengths are 121-1/2” & 144”.

• Tolerance on manufactured and cut lengths is ±1/8”.

• When cutting Diamond-Grip®, AMICO® recommends cutting to full or half diamond increments.

• Camber is an expected condition with sheet metal products. While ASTM allowance is generous, AMICO attempts to lessen the effects. Normal clearances should offset this phenomenon, however where tolerances warrant, contact AMICO for clarification.

EXPLANATION OF LOAD TYPE

• U = uniform load (lb/ft2)

• D = corresponding deflection (in) resulting from uniform load

• C = concentrated load (lb)

• D = corresponding deflection (in) resulting from concentrated load

CHANNEL

PRODUCT DESCRIPTION

Safety-Grip® Channel is a one-piece metal plank grating manufactured by a cold forming process in the shape of a channel. The web of the channel is the walking surface and has large debossed holes, surrounded by smaller embossed traction buttons.

FEATURES & BENEFITS

• Embossed traction buttons provide superior slip resistance in all directions and in all weather conditions.

• Large debossed holes provide maximum drainage of debris and allow up to 50% free air opening depending on channel width.

• Self-cleaning due to resilience of walking surface.

• One-piece metal construction.

• Lightweight design provides high strength-to-weight ratio.

• Long lifespan requiring little maintenance.

• Simple and economical installation as planks are self-framing.

• Adaptable to cost-effective custom fabrication.

• Can be easily formed in standard channel or custom shapes.

MATERIAL SPECIFICATIONS

Grating shall be “Safety-Grip® Channel,” manufactured from (see ‘Material Options’ below) and complete with a (1-1/2”, 2”, 3”) side channel depth, by AMICO.

MATERIAL OPTIONS

• ASTM A653, G-90 (Z-275) Pre-galvanized 13 or 11GA steel.

• ASTM A1011, HRP&O 13 or 11GA steel.

• ASTM B209, 5052H32 Aluminum .125” thick (up to 18” width).

• ASTM A240, Type 316L 2B Stainless Steel 14GA (up to 11-3/4” width).

NOTES

• Tolerances on all dimensions are ±1/8”

• End-hole pattern shown on diagram is even. Widths indicated with ** have a staggered end-hole pattern.

• Outside traction buttons on all widths except 18” & 24” width.

• Standard lengths are 120” and 144”.

• Tolerance on manufactured and cut lengths is ±1/8”.

• Camber is an expected condition with sheet metal products. While ASTM allowance is generous, AMICO attempts to lessen the effects.

• Normal clearances should offset this phenomenon, however where tolerances warrant, contact AMICO for clarification.

CHANNEL LOAD & DEFLECTION TABLES

5 INCH WIDE - 2 HOLE

Product Details

EXPLANATION OF LOAD TYPE

• U = uniform load (lb/ft2)

• D = corresponding deflection (in) resulting from uniform load

• C = concentrated load (lb)

• D = corresponding deflection (in) resulting from concentrated load

NOTES

• All UDL and concentrated loads include a safety factor of 1.67.

• Spans and loads to the right of the bold line, based on loads indicated, may exceed deflections of L/120.

CHANNEL LOAD & DEFLECTION TABLES

7 INCH WIDE - 3 HOLE

Product Details

Clear Span

EXPLANATION OF LOAD TYPE

• U = uniform load (lb/ft2)

• D = corresponding deflection (in) resulting from uniform load

• C = concentrated load (lb)

• D = corresponding deflection (in) resulting from concentrated load

NOTES

• All UDL and concentrated loads include a safety factor of 1.67.

• Spans and loads to the right of the bold line, based on loads indicated, may exceed deflections of L/120.

CHANNEL LOAD & DEFLECTION TABLES

EXPLANATION OF LOAD TYPE

• U = uniform load (lb/ft2)

• D = corresponding deflection (in) resulting from uniform load

• C = concentrated load (lb)

• D = corresponding deflection (in) resulting from concentrated load

CHANNEL LOAD & DEFLECTION TABLES

4.6

EXPLANATION OF LOAD TYPE

• U = uniform load (lb/ft2)

• D = corresponding deflection (in) resulting from uniform load

• C = concentrated load (lb)

• D = corresponding deflection (in) resulting from concentrated load

CHANNEL LOAD & DEFLECTION TABLES

5.7

6.0

EXPLANATION OF LOAD TYPE

• U = uniform load (lb/ft2)

• D = corresponding deflection (in) resulting from uniform load

• C = concentrated load (lb)

• D = corresponding deflection (in) resulting from concentrated load

NOTES

• Strut deflection may become a limiting factor on 18” and 24” widths resulting in lower load values as indicated in tables.

CHANNEL LOAD & DEFLECTION TABLES

30 INCH WIDE - 16 HOLE Clear Span

Product Details

EXPLANATION OF LOAD TYPE

• U = uniform load (lb/ft2)

• D = corresponding deflection (in) resulting from uniform load

• C = concentrated load (lb)

• D = corresponding deflection (in) resulting from concentrated load

WALKWAY

PRODUCT DESCRIPTION

Safety-Grip® Walkway is a one-piece metal plank grating manufactured by a cold forming process in the shape of an inverted channel. The web of the channel is the walking surface and has large debossed holes, surrounded by smaller embossed traction buttons. The extended flanges support the load and provide a built-in kickplate (toeboard.)

FEATURES & BENEFITS

• Embossed traction buttons provide superior slip resistance in all directions and in all weather conditions.

• Large debossed holes provide maximum drainage of debris and allow up to 50% free air opening depending on channel width.

• Self-cleaning due to resilience of walking surface.

• One-piece metal construction complete with a full 5” toeboard height on each side of the walking surface.

• Lightweight design provides high strength-to-weight ratio.

• Long lifespan requiring little maintenance.

• Simple and economical installation as walkways are self-framing.

• Adaptable to cost-effective custom fabrication.

MATERIAL SPECIFICATIONS

Grating shall be “Safety-Grip® Walkway,” manufactured from (see ‘Material Options’ below) and complete with an integral 5” toeboard, by AMICO.

MATERIAL OPTIONS

• ASTM A653, G-90 (Z-275) pre-galvanized 13 or 11GA steel.

• ASTM A1011, HRP&O 13 or 11GA steel.

NOTES

• Tolerances on all dimensions are ±1/8”.

• Standard lengths are 120” & 144”.

• Tolerance on manufactured and cut lengths is ±1/8”.

• Nominal 36” walkway has a 34” walking surface. 36” dimension is to outside of return flange.

• Camber is an expected condition with sheet metal products. While ASTM allowance is generous, AMICO attempts to lessen the effects. Normal clearances should offset this phenomenon. Where tolerances warrant, contact AMICO for clarification.

WALKWAY LOAD & DEFLECTION TABLES

Product Details Clear Span

EXPLANATION OF LOAD TYPE

• U = uniform load (lb/ft2)

• D = corresponding deflection (in) resulting from uniform load

• C = concentrated load (lb)

• D = corresponding deflection (in) resulting from concentrated load

NOTES

• All uniform and concentrated loads include a safety factor of 1.67.

• Area in bold outline–contact AMICO for recommendations.

• Strut deflection may become a limiting factor resulting in lower load values as indicated in table.

CHANNEL

PRODUCT DESCRIPTION

Safety-Tread® Channel is a one-piece plank grating manufactured by a cold forming process in the shape of a channel. The web of the channel is the walking surface which is covered with small perforated dimples.

FEATURES & BENEFITS

• Perforated dimples provide superior slip resistance in all directions. Quantity of dimples under foot provides exceptional adhesive friction One-piece metal construction.

• Lightweight design provides high strength-to-weight ratio.

• Long effective lifespan requiring little maintenance.

• Can be easily formed in standard channel or custom shapes.

• Simple and economical installation as planks are self-framing.

• Adaptable to cost-effective custom fabrication.

• Low projections and closed area provide an acceptable walking surface for industrial as well as institutional applications (i.e., women in heels can walk comfortably and safely).

• Available in four dimpled patterns.

MATERIAL SPECIFICATION

Grating shall be “Safety-Tread® Channel” (Standard Patterns - full, square, star, “V” pattern) or Safety-Tread® Drainage Channel (Drainage Patterns - square, star pattern) manufactured by AMICO from:

STANDARD CHANNEL MATERIAL OPTIONS

• ASTM-A-1011, HRP&O, 13 or 11GA steel.

• ASTM-A-653, G-90 (Z-275) Pre-galvanized 13 or 11GA steel.

• ASTM 5052-H32 Aluminum, .125” thick.

• ASTM A240, Type 316L 2B Stainless Steel 14GA (“V” pattern only).

• ASTM A240, Type 304L Stainless Steel 16GA (“V” pattern only).

DRAINAGE CHANNEL MATERIAL OPTIONS

• ASTM A1011, HRP&O, 13 or 11GA steel.

• ASTM A653, G-90 (Z-275) Pregalvanized 13GA steel.

• ASTM B209 Aluminum, .125” thick.

Safety Tread® Channel and Safety-Tread® Drainage Channel are manufactured in nominal 10’ and 12’ lengths. Other combinations or gauges, channel depths, and widths are available by special request.

NOTES

• Tolerances on all dimensions are ±1/8”.

• Camber is an expected condition with sheet metal products. While ASTM allowance is generous, AMICO attempts to lessen the effects. Normal clearances should offset this phenomenon, however where tolerances warrant, contact AMICO for clarification.

CHANNEL LOAD & DEFLECTION TABLES

Product Details Clear Span 10 INCH WIDE

OPTIONAL DIMPLED PATTERNS

EXPLANATION OF LOAD TYPE

• U = uniform load (lb/ft2)

• D = corresponding deflection (in) resulting from uniform load

• C = concentrated load (lb)

• D = corresponding deflection (in) resulting from concentrated load

NOTES

• All UDL and concentrated loads include a safety factor of 1.67.

• Shaded areas, based on loads indicated may exceed deflections of L/120.

CHANNEL LOAD & DEFLECTION TABLES

Product Details Clear Span 12 INCH WIDE

OPTIONAL DIMPLED PATTERNS

EXPLANATION OF LOAD TYPE

• U = uniform load (lb/ft2)

• D = corresponding deflection (in) resulting from uniform load

• C = concentrated load (lb)

• D = corresponding deflection (in) resulting from concentrated load

NOTES

• All UDL and concentrated loads include a safety factor of 1.67.

• Shaded areas, based on loads indicated may exceed deflections of L/120.

FLOORING

PRODUCT DESCRIPTION

Safety-Tread® is a metal flooring product which is covered with small perforated dimples manufactured by a cold forming process.

OPTIONAL FEATURE

Safety-Tread® flooring is available in two drainage patterns which incorporate embossed holes (staggered) between raised dimples.

FEATURES & BENEFITS

• Perforated dimples provide superior slip resistance in all directions and in all weather conditions. The quantity of dimples under foot provides exceptional adhesive friction.

• Long lifespan requiring little maintenance.

• Can be easily formed into custom shapes.

• Adaptable to a wide range of applications.

• Easily adaptable to cost-effective, custom fabrication.

• Low projections and closed area provide an acceptable walking surface for industrial as well as institutional and commercial applications (i.e., women in heels can walk comfortably and safely).

• Available in four dimpled patterns.

• Optional drainage flooring features smaller unembossed holes (location and size variable with dimple pattern) providing drainage for liquid which may pool on walking surface in wet environments.

MATERIAL SPECIFICATIONS

Grating shall be “Safety-Tread® Flooring” (Standard Patterns full, square, star, “V” pattern) or Safety-Tread® Drainage Flooring (Drainage Patterns square, star pattern) manufactured by AMICO from:

STANDARD FLOORING MATERIAL OPTIONS

• ASTM A1011, HRP&O, 16, 13 or 11GA steel.

• ASTM A653, G-90 (Z-275) Pre-galvanized 13GA steel.

• ASTM B209 Aluminum, .125” thick.

• ASTM A240, Type 316L, Stainless Steel 14GA (“V” pattern only).

• ASTM A240, Type 304L, Stainless Steel 16GA (“V” pattern only).

DRAINAGE FLOORING MATERIAL OPTIONS

• ASTM A1011, HRP&O, 11GA steel.

• ASTM A653, G-90 (Z-275) Pre-galvanized 13GA square pattern or 11GA star pattern.

• ASTM B209 Aluminum, .125” thick.

Square Drainage Star Drainage

FLOORING

SAFETY-TREAD ® FLOORING

DRAINAGE FLOORING

LADDER RUNGS

PRODUCT DESCRIPTION

Safety-Tread® Ladder Rungs are small channel-shaped sections; the web of the channel being the walking surface which is covered with small perforated dimples, produced by a cold forming process.

FEATURES & BENEFITS

• Perforated dimples provide superior slip resistance in all directions and in all weather conditions. The quantity of dimples under foot provides exceptional adhesive friction.

• Cross-sectional design provides significant load carrying capacity on spans up to 24”.

• Three widths of rung to choose from.

• Leading row of dimples projected on the edge of the rung provides slip resistance to the foot approaching at an angle to the walking surface.

• Long lifespan requiring little maintenance.

• Adaptable to a wide range of applications.

• Easily adaptable to cost-effective, custom fabrication.

• Ideal for retrofit applications as rungs fit over slippery pipes, bars, etc. on existing ladders.

1/4”

MATERIAL SPECIFICATIONS

Ladder rungs shall be “Safety-Tread® Ladder Rungs,” manufactured from:

MATERIAL OPTIONS

• ASTM A1011, 13 or 11GA, HRP&O steel.

• ASTM A653, 13 or 11GA, G-90 (Z-275) Pre-galvanized steel.

• ASTM B209 Aluminum, .125” thick. NOTES

• C = Allowable concentrated load (lbs)

• D = Corresponding deflection (in) resulting from C.

• All concentrated loads include a safety factor of 4.0, based on ultimate strength.

• Ladder rungs showing concentrated load “C” at 200 lbs or above comply with OSHA standard 29CFR 1910.27(a)(1) (i) under the title “Walking-Working Surfaces—Fixed Ladders.” Ladder rungs showing concentrated load “C” at 250 lbs or above comply with OSHA standard 29CFR 1917.120(b)(1) under the title “Terminal Facilities— Fixed Ladders.”

• Tolerance of all dimensions +–1/8”.

• Standard lengths are 5ft.

STAIR TREADS

PRODUCT DESCRIPTION

Stair treads are fabricated from AMICO standard Safety-Grip®, Diamond-Grip® and Safety-Tread® channel planks (see product specification sheets for technical details). All treads are complete with end plates welded to each end for easy connection to stringers or are available with open ends.

Treads are available from stock in sizes indicated below or can be custom fabricated from any channel product and in any material including G90 galvanized, HRP&O, aluminum and stainless steel.

DIAMOND-GRIP ® TREADS

For use with 1 1/2” or 2” heights

STANDARD STOCK SIZES

• D415424E 24”(W) x 9 1/2”(D) x 1 1/2” (H)

• D415430E 30”(W) x 9 1/2”(D) x 1 1/2” (H)

• D415436E 36”(W) x 9 1/2”(D) x 1 1/2” (H)

SAFETY-GRIP ® / SAFETY-TREAD ® TREADS

For use with 1 1/2” or 2” heights

STANDARD STOCK SIZES

• S515324E 24”(W) x 10”(D) x 1 1/2” (H)

• S515330E 30”(W) x 10”(D) x 1 1/2” (H)

• S515336E 36”(W) x 10”(D) x 1 1/2” (H)

Diamond-Grip® Stair Treads

ROOF-GRIP ® ROOFTOP WALKWAY SYSTEM

PRODUCT DESCRIPTION

Safety-Grip and Diamond-Grip Planks are fastened together and to sleepers either metal or pressure treated wood. Reference specific product pages for Material Options. AMICO ROOF-GRIP Walkway System allows for a safe, even and reliable walking surface while protecting roofs from damage by maintenance workers.

Safety-Grip® Channel is a one-piece metal plank grating with large debossed holes, surrounded by smaller embossed traction buttons.

36-inch wide

2-in x 8-in pressure treated wood sleepers

Diamond-Grip® Channel is a one-piece metal plank grating with rough diamond shaped.

24-inch wide RoofGrip® on metal sleepers
Roof-Grip® on

SAFETY-GRIP ® TREAD FRICTION TEST REPORT

PURPOSE

The purpose of this test is to determine the coefficient of friction of SAFETY-GRIP® grating treads.

EQUIPMENT

• Two (2) SAFETY-GRIP® grating treads

• Friction skid tester

• 500 lbs load

• Load cell

• Forklift

PROCEDURE

• Anchor both grating treads.

• Place friction skid on treads (one shoe on each tread).

• Lower 500 lbs load on skid using forklift.

• Attach straps and load cell to skid.

• Pull skid until maximum friction force is recorded.

• Repeat process with wetted surfaces.

• RESULTS Dry: 1.19

• Wet: 1.08

RESULTS

CALCULATIONS

Weight of skid + load. Average coefficient of friction

• Dry μ = 1.19

• Wet μ = 1.08

CONCLUSION

The friction coefficient for AMICO Safety-Grip® safety grating exceeds anti-slip standards RR-G-1602D. FS RR-G-1602D is withdrawn but commonly referenced.

The friction tests described in this report were conducted on May 19, 2011 under my supervision. The data presented herein has been reviewed and approved by me.

Lei Zhao, PE (Licensed in FL, GA, LA, MD, NY, and TX)

INSTALLATION ACCESSORIES

SAFETY-GRIP ® BOLT SEATS

Safety-Grip® planks can be mechanically fastened to a structural support by using specially designed Bolt Seats which seat within the large debossed holes, below the walking surface. Bolt Seats have an oblong hole to accommodate a 3/8” bolt and are available in:

• 11GA, G90 Galvanized (H12264)

• .125” Aluminum (H12264A)

• 316L Stainless (H12264S)

DIAMOND-GRIP ® BOLT SEATS

Diamond-Grip® planks can be mechanically fastened to a structural support by using specially designed Bolt Seats which seat in between the raised diamonds below the walking surface. Bolt Seats have a round hole to accommodate a 3/8” bolt and are available in:

• 12GA, G90 Galvanized (H12262)

• .125” Aluminum (H12262A)

• Stainless (H12262S) by special request only.

• Optional square hole in bolt seat to accommodate 5/16” carriage bolt available by special request (H12262SQ).

MID-SUPPORT CLIP ASSEMBLY

Between structural supports, it may be necessary to tie planks together to minimize relative deflection. This is accomplished by using a Mid-Support Clip which draws the plank’s side channels together by applying pressure between the bolts and the clip edge (clip no. MSCL).

“J” CLIP ASSEMBLIES

To alleviate the necessity of drilling a hole through a structural member, a Bolt Seat and “J” Clip assembly can be used. The friction connection is accomplished by wedging the grating between the Bolt Seat and structural support, by applying pressure to the underside of the flange of the supporting steel (clip no. H12296). Not recommended in areas subject to vibration.

OVER SUPPORT – SPLICE PLATE KIT

NOTES

• This kit is intended to splice two sections of walkway together over a support only.

• The walkway kit includes two splice plates with slotted holes and 16 fastener sets.

• Holes in the grating walkway are not provided by AMICO and are to be field drilled.

BETWEEN SUPPORT – SPLICE PLATE KIT

NOTES

• This kit is intended to splice two sections of any width of walkway together between supports.

• The walkway kit includes one wrap-around plate with fastening hardware for walking surface and side channel connection. The fastener points should be staggered evenly across the plank width on each side of the splice. The side channel (kick plate) connection utilizes four slots provided in the splice flange.

• Holes in the grating walkway are not provided by AMICO and are to be field drilled.

AMICO LOCATIONS

UNITED STATES: 800-366-2642

• Birmingham, AL

• Bourbonnais, IL

• San Bernardino, CA

• Lakeland, FL CANADA: 800-663-4474

• Burlington, ON

• Montreal, QC

• Vancouver, BC

Turn static files into dynamic content formats.

Create a flipbook
Issuu converts static files into: digital portfolios, online yearbooks, online catalogs, digital photo albums and more. Sign up and create your flipbook.
AMICO-Safety-Grating-Brochure by AMICO - Issuu