District Energy 101
Aruthor: Vladimir Mikler, M.Sc., P.Eng., LEED AP Principal Introba
Designing Living Systems. Transforming Built Environments.

Aruthor: Vladimir Mikler, M.Sc., P.Eng., LEED AP Principal Introba
Designing Living Systems. Transforming Built Environments.
Use of district energy systems is gaining momentum across North America. This trend, led by institutional campuses, such as universities or hospitals, and larger-scale commercial developments includes a wide array of individual drivers and ultimate goals including basic performance improvement to existing steam or hot water networks to more ambitious targets, such as a full transition to renewable and zero-carbon energy sources and technologies.
Optimal district energy solutions vary but the traditional approach to district energy typically provides “heating only” service, involving some form of central heating plant — such as a natural gas heat source — and either a steam or high temperature hot water distribution network. This approach no longer meets current trends, needs or goals for the built environment.
Northern European countries are leaders in the district energy trend, focusing on district heating. Since its initial inception, district heating has evolved into four steps, or “Generations” (as coined by EU’s Strategic Energy Technologies Information System, or SETIS). These Generations are:
• 1st Generation District Heating: using steam
• 2nd Generation District Heating: using high pressure & high temperature water (>212F/ 100C)
• 3rd Generation District Heating: using high temperature water (<212F/ 100C)
• 4th Generation District Heating: using low temperature water (<140F/ 60C range)
In spite of the evident increase in summertime global temperatures and the corresponding increased need for cooling, the focus of the 4th Generation District Heating approach is still — as the name indicates — heating only.
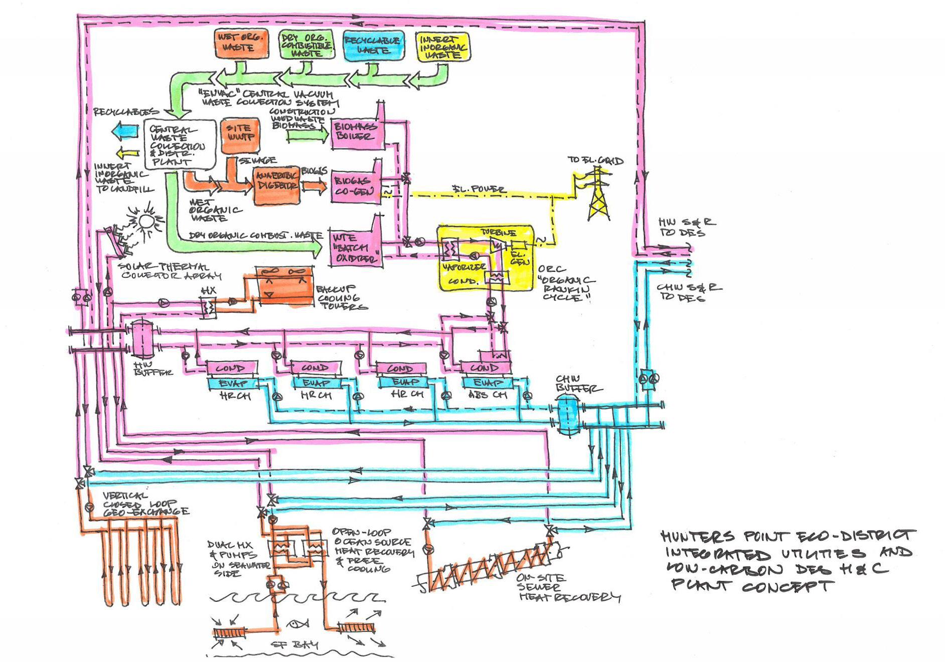
Industry leaders take a very different approach. By integrating innovation and creativity, and still adhering to the fundamental laws of physics, “5th Generation” district energy solutions have been developed. These systems provide heating and cooling, are technically sound, have stellar environmental performance (some capable of achieving Net Zero Carbon), and are cost competitive.
Unlike strategies developed by academics, the 5th Generation approach is based on “boots on the ground” experience on a number of our projects. The innovative district energy solutions form a backbone for the future “6th Generation Multi-Energy Systems,” which aim for the flexibility to include a multitude of energy sources and end-use forms including multiple energy conversion technologies, thermal (heating and cooling) and electrical distribution networks, and thermal and electrical storage.
The approach and methodology developed and used successfully for designing many of innovative 5th and 6th Generation district energy systems can be applied systematically to any district energy project, whether it is an energy masterplan for a university campus or a lean “spartan” district energy project for a neighborhood-scale development. The only variation in approach is the depth and detail into which each of the steps would be developed.
Understanding the project context and a client’s goals is the first and most critical step. To start designing without having clarity on the client’s goals or expectations and without understanding project constraints is inefficient and costly. Take the project the wrong direction and result is a mess of unnecessary complications that undermine not only the technical, but also the financial performance of the project. This can lead to the loss of the client’s trust in competency, and potentially a ruined relationship.
Being proactive in helping clients to first understand what they are asking for can prevent this from
happening. For most clients, the subject of district energy with all of the associated considerations (technical, environmental, financial, regulatory, and so on.) is new and quite often confusing. Clients typically have one or two main goals they are able to define and communicate directly, but are often unaware of the multitude of other indirect elements, constraints and potential consequences that must be considered. Asking the right questions and leading them through the process of clarifying their own project goals while also making them fully aware of all associated implications is our responsibility. After the full set and hierarchy of the project goals and constraints has been clarified and agreed upon with the client, the design team can follow the steps below to develop an optimal district energy solution.One of the most challenging elements on any district energy project is the financial context and pro-forma. In many
Key Considerations
cases, the client’s expectation is that the new district energy system will be able to compete not only in terms of low energy use, low carbon emissions, and low energy cost, but also in terms of the overall cost. It is expected for a client to compare district energy options with a “business as usual” (BAU) scenario. The BAU scenario is typically represented by a stand-alone building system using conventional energy sources (electricity and natural gas) alongside energy conversion technologies. However, electrical and natural gas distribution infrastructure has been largely paid for and the initial cost was recovered long ago. Any new district energy system requires investment not only in the new energy technologies but also in the new energy distribution infrastructure, and therefore will always cost more than the BAU scenario. Consequently, the only meaningful financial pro-forma for a new district energy system is always based on long-term overall financial performance. This could include life-cycle cost analysis, such as a “levelized energy cost” comparison with the BAU scenario. performance. This could include life-cycle cost analysis, such as a “levelized energy cost” comparison with the BAU scenario.
Heating-only district energy systems and their heating plant capacities have traditionally been sized based on peak heating design conditions. They can be downsized by a certain amount to account for diversity in the heating demand and “load duration” curve, an approach which is adequate for heating-only systems. However, for the 5th and 6th Generation district energy systems — which often include both heating and cooling, energy recovery, co-generation or even tri-generation, and various lowgrade (low-exergy) energy sources — require a much more comprehensive understanding of the energy demand.
A full annual energy demand and availability profile (i.e. monthly, daily, hourly) of all included energy forms needs to be developed. For new developments, this energy demand profile will be generated by energy modeling based on the anticipated building typology mix, occupancy schedule and local hourly weather data. For existing developments, such energy demand profiles can be generated based on available measured energy uses and/or utility billing records.
Many institutional campuses across North America have some form of district energy infrastructure in place. They are typically a heating-only district energy system, and use steam or high-pressure and hightemperature water as the heating medium (1st or 2nd Generation District Heating.) Some also include a central chiller plant and chilled water distribution network, or even on-site electrical power generation, occasionally configured as a co-generation system. For those that do incorporate cooling, the heating and cooling plants and distribution networks are typically independent from each other. For these projects, it is important to gain a good understanding of the existing energy components and infrastructure, especially their operating condition and remaining service life. With this information, the team is able to develop the recommended solution that could combine upgrades and replacements within the existing system with new district energy components.
Given that constructing brand new district scale energy distribution networks within existing campuses or developments pose numerous technical and financial challenges, re-use and upgrade of existing energy distribution networks should always be carefully considered. For any new developments, district energy options are typically unrestrained by these considerations.
Location: Northampton, MA
Area: 147 Acres
Sustainability: Zero Emissions Campus Target Completion Date: 2016
Smith College had committed to being a Zero Emissions campus by 2030. The team developed and evaluated available options and recommend a clear strategy and comprehensive technical concept that would enable Smith College to achieve its 2030 Climate Targets.
The study had carefully considered a multitude of technical, economic, environmental, and logistical factors, opportunities and limitations in the specific context of Smith College existing energy infrastructure and its ultimate goals.
The recommended strategy comprised the following short, medium, and long term progression steps:
1. Switching from natural gas to renewable biodiesel in the existing central plant steam boilers;
2. Implementation of the initial stage of the new campus scale geo-exchange system with heat recovery chillers and new low-temperature heating distribution network;
3. Extending, completing and eventual complete switch-over to the new campus scale lowtemperature heating distribution network and addition of new tri-generation system based on renewable biodiesel, and decommissioning of the existing steam heating and CHP plants and steam heating distribution network.
3. Centralized Low-Ex (DE heating systems with central plant and low- temp water; <140F/ 60C)
4. Distributed Low-Ex (building-level plants using low-temp water; <140F/ 60C)
It is important to develop and evaluate high-level district energy strategies before diving into design details. Too often we dive into detail too soon and too deep, evaluating specific energy sources and technologies and their combinations, or we will defer to our favorite universal district energy solution. These approaches are, at best, less effective, or at worst, completely misaligned with the client’s expectations. It is a much more effective approach to break down and evaluate the possible district energy strategies at a high-level.
These strategies are rooted in two key district energy approaches:
• Centralized vs. Distributed
• High-Exergy vs. Low-Exergy (High-Ex, Low-Ex)
These approaches combine for four possible strategies:
1. Centralized High-Ex (DE heating systems with central plant and steam or high-temp water)
2. Distributed High-Ex (building-level plants using
The centralized approach is best suited for upgrades or expansions to an existing district energy distribution network or for new district energy networks serving large and relatively compact developments where new district energy network is relatively small in relation to the large energy load it will serve. The distributed approach is best suited for new and sparse developments with relatively low load density, where the cost of constructing a new district energy network outweighs the other benefits of a centralized district energy system.
Finding
The Low-Ex district energy category includes all versions of district energy systems that distribute lowtemperature heating water (<140F/60C) as the heating medium. Using low-temperature water opens the possibilities for integrating recovery of various forms of free low-grade waste energy or low-grade renewable energy.
The term Exergy (Ex) describes the quality or usability of energy in any given form. In the context of district energy systems, the High-Ex category encompasses all systems that distribute high-grade forms of energy, such as steam, high-temperature hot water, or electricity. In a High-Ex district energy system, the heating portion of the system operates with temperatures higher than 140F/ 60C. In this category, the possibilities for integrating recovery of various forms of low-grade (Low- Ex) “free waste” thermal energy or low-grade renewable energy, is limited.
Many large-scale developments have a significant amount of heating and cooling demand simultaneously. Low-Ex systems are ideally suited for these applications as they effectively provide both services with a single technology: heat-recovery chillers or heat pumps capable of utilizing available low-grade thermal energy sources or sinks (i.e. recovered waste heat from cooling, or from the surrounding environment; ambient air, geo-exchange, sewer, or solar thermal). In the Centralized Low-Ex district energy system, the heat recovery chillers or heat pumps are the core of the central plant, and are the common technology serving two parallel distribution networks — a low-temp heating network and a chilled water network.
A Distributed Low-Ex district energy system is quite unique. It is best configured as an “Ambient Temperature Loop” system — a term coined by our team in 2005 when we developed the concept for the Whistler Olympic Village. This system connects multiple low-grade heat sources and sinks via an uninsulated piping network with distributed heating and cooling heat pump plants extracting and rejecting thermal energy from/into it. It is worth noting that this particular district energy system also provides the most versatile backbone for the 6th Generation Multi-Energy District Systems.
Evaluation of the four possible high-level strategies can be done quickly and effectively, provided there is clarity on the client’s objectives. Once the project context is evaluated, the best high-level strategy can be explored in more detail. This involves identifying and evaluating all applicable energy sources and technologies, and their combinations that work well
with the chosen district energy strategy. A project’s specific requirements and constraints could include energy or carbon emission targets, capital, and life cycle (or “levelized energy” cost). Depending on these requirements and constraints, a number of different complementary energy source and technology combinations can be identified.
Once the specific energy source and technology combinations are selected for consideration, they need to be developed into district energy system options. This needs to be done to a sufficient level of technical detail to allow for side-by-side comparison. At a minimum, the individual systems should be evaluated in the context of their technical feasibility, economic viability (financial pro-forma) and environmental impacts. The outcome of this step is the recommendation of the district energy option that is best suited for the project.
Location: Richmond, BC
The Vancouver Airport Authority’s team conducted a feasibility assessment for developing a Sea Island district energy system. The goal of the study was to identify and evaluate the most appropriate district energy system concepts for YVR and Sea Island.
The team developed two DES concepts; ‘Ultimate’ and ‘Minimal’, that set the outer limits of what was feasible for a Sea Island district energy system. With complete resource self-sufficiency on one end and the bare minimum necessary on the other, these two concepts represented the most and least the Airport Authority would be able to do. Based on the analysis and the Airport Authority’s interest in reducing its energy use, carbon emissions and operating costs, the team also developed the Optimal DES concept best meeting the overall Airport Authority’s objectives. The Optimal DES concept includes tri-generation system (electricity, heating and absorption cooling) powered by biomass, and was sized to meet the Airport Authority’s current annual electrical demand and 60% of Sea Island’s forecasted electricity demand and
The final step is developing the recommended district energy strategy into detailed construction documents. These must be fully coordinated with all involved disciplines, and must include costing and a specific implementation phasing plan. Phasing is
over 70% of its forecasted heating and cooling demand, without creating an island wide network. It can serve as a backup electricity source for YVR if necessary, thereby offering YVR a level of redundancy that it currently does not have. As the next step, Vancouver Airport Authority is now conducting a more detailed evaluation of the technical solution along with a business case for the optimal concept.
especially crucial for projects involving upgrades or modifications to existing district energy plants or distribution networks, as they often require minimized shutdowns of plant components and loss of service to existing buildings. In most cases involving transition from High-Ex to Low-Ex district energy systems, this step will also include design for upgrades of the existing in-building HVAC systems.
The approach outlined above is simple in its basic structure. However, when followed and complemented with a wellbalanced level of innovation, pragmatic engineering design and financial analysis, it can be used as a solid and effective framework for any district energy system design, including even the most ambitious 5th and 6th Generation Multi-Energy District Systems.
Vladimir has a passion for designing energy-efficient and environmentally responsive buildings. With over 25 years of experience, Vladimir is well versed in all aspects of sustainable building design. A recognized leader in geoexchange technology, Vladimir has designed several systems internationally and co-authored the Geo-Exchange System Design Guidelines for applications in British Columbia. Vladimir is the Engineer-of-Record for Gleneagles Community Centre, the first “constant temperature building” in North America, as well as the recently completed Creekside Community Centre, BC’s first LEED Platinum recreational facility. He has also served as an adjunct professor at the University of British Columbia’s School of Architecture and Landscape Architecture.